比尔·马勒的磁动机
本帖最后由 能量海 于 2017-8-7 03:06 编辑
第二章:动脉冲系统
比尔•马勒的磁动机
比尔•马勒(Bill Muller)于2004年去世,他制作了一系列非精细的工程设备,最后的一台他说能在170伏直流产生400安培输出电流,按比例在2伏直流驱动电流产生20安培功率。该装置既能产生自己的驱动电能,又能产生电力输出。比尔的装置重约90公斤,并要求用昂贵且如果不小心、容易造成严重伤害的钕铁硼强磁。应当指出,罗恩•克拉森在他的网页上展示了复制这台电机的工作细节:http://home.mchsi.com/~actt2/index.html 而且报告他目前为止在制造这台装置时花了超过3000美元,已经实现输入功率的约170%的输出功率。他的正运转中的电机视频在:
而他的发展一直稳步前进。罗纳德指出,只要转子和定子间距减少一毫米,就可提升10安培的输入和输出电流,所以他的机器的潜力是它当前性能的十倍。罗纳德尚未对此付诸实施是因为配电系统成本相当高。他的设备看起来像这样:
马勒电机与罗伯特•亚当斯脉冲永磁电机有很多相同之处。两者都使用的有永磁体的转子。两者都在精确时刻脉冲电磁铁,以实现转子扭矩最大化。两者都有耦合线圈以产生电输出。不过,然而,还是有相当大的差异。比尔•马勒的线圈是用很不寻常的方法绕制的,如下所示。他把他的转子磁体定位在与定子线圈相关的中心错位(偏心)上。人有一个奇数线圈和偶数永磁磁体。他的磁体位置是交替的:N,S,N,S……
为使其易于仿照,下图只显示五个线圈对和六块磁体,但设备的实际施工通常使用多得多的数量。典型的是十六块磁体。
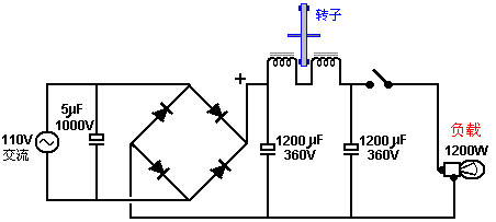
如果使用了交流市电电压,那么驱动绕组或许象下面这样:
当五个线圈对适应时,将变成:
如果用到了直流开关,那么电路可以是:
这是非同寻常的安排,在用于发电的同一线圈执行驱动脉冲这一事实,使这一切显得更奇特。驱动电源脉冲施加于每个相继的、仅有的五个线圈,使驱动顺序为:1、3、5、2、4,1、3、5、2、4……。对于此操作,线圈1从发电电路断开,然后给予一个短暂的强直流脉冲。这促进了转子的旋转。线圈1于是重新与发电电路连接,而线圈3断开并给予一个驱动脉冲。每第二个线圈均如此重复,无限期地,这就是为什么线圈是奇数的原因之一。下表显示驱动如何运行。
至关重要的是钕铁硼磁铁用于此设备,因为它们比较为常见的铁氧体类型大约要强十倍。比尔用了十六块磁体,其能量密度范围在30到50个MGO { MegaGaussOerstedt,百万高斯(磁通量)和奥斯特(场强)}之间,在中国制造,他们相信可以使用八年而磁性不变。线圈与磁体的间距是2mm。比尔使用一个电脑芯片来产生开关顺序,而这类系统的专家罗纳德•克拉森指出,电机转速增加时,就会调整脉冲系统。这种改变并不简单,因为当转速达到最大值时,在一个十六块磁体的转子上,只有其中三个被线圈脉冲驱动。就是说,旋转一圈期间,只有三个电磁铁在同步脉冲中被通电,而这个脉冲要比把转子从静止态进行加速的脉冲的持续期更长。
在加强来自其它线圈的输出之前,每个线圈的输出通过一个全波整流电桥给出直流电。一台典型的穆勒电机会有16块磁体和15个线圈对。实心线圈架用“非晶态合金”制做,尺寸为直径50mm和长75mm。比尔用了一种“黑砂”(或许是磁铁矿粒料)的特殊混合物加入环氧树脂,但另一种方法说要用硬钢——越硬越好。据说线圈芯的材料非常重要,而他的构造据说可以免于任何涡流磁滞现象。线圈是用美国线规6号线(标准线规8号)或美国线规8号(标准线规10号)绕制,并组成一种罕见的类型,如下图:
绕线圈都在同一个方向。第一层有14圈,接下来两层各9圈,而剩下四层各5圈,共计52圈。线圈成对使用,金属线串联连接,把每对的其中一个放在转子的另一侧,对着该对的第二个线圈,如图中所标示的。线圈连接定子的方式是不确定的。线圈的细端朝向转子磁体。图中未显示耦合线圈,但两个定子都有安装,安装在没有驱动线圈的位置上。
转子用非磁性材料制做,并在约3,000转/分的速度上旋转。当以所述的尺寸建造这个装置,有可能输出35千瓦的过剩能量,这要求转子直径为660mm,并把磁体集中在一个570mm的圆周内。在演示中产生35千瓦的电力,原定三十个耦合线圈对只做了五个。所预测,如果所有三十个耦合线圈对到位,输出将达到400匹马力。这类预测需要有一个演示,然后才能被视为有效。请注意此项目的设备的大小。我个人而言,将无法拿起这个重量的设备,但需要机械起重设备,将其移动。它当然可以,建造在一个缩小规模的,将有一个缩小的电输出。
我要强调处理此强度的磁铁是有危险的。如果你拿了一块磁铁在手中,并漫不经意间把手靠近一个松散的钢铁物件,那么你的手很容易被夹在磁铁和钢铁物件之间。这可能导致你的手严重受伤。应当十分谨慎。
这个系统的官网是 www.mullerpower.com,也许你发觉很难播放,除非你的电脑里安装了MacroMedia软件。另一个关于建造详情的对比信息的网址是:http://overunity.ifrance.com/。
第二章:动脉冲系统
比尔•马勒的磁动机
比尔•马勒(Bill Muller)于2004年去世,他制作了一系列非精细的工程设备,最后的一台他说能在170伏直流产生400安培输出电流,按比例在2伏直流驱动电流产生20安培功率。该装置既能产生自己的驱动电能,又能产生电力输出。比尔的装置重约90公斤,并要求用昂贵且如果不小心、容易造成严重伤害的钕铁硼强磁。应当指出,罗恩•克拉森在他的网页上展示了复制这台电机的工作细节:http://home.mchsi.com/~actt2/index.html 而且报告他目前为止在制造这台装置时花了超过3000美元,已经实现输入功率的约170%的输出功率。他的正运转中的电机视频在:
而他的发展一直稳步前进。罗纳德指出,只要转子和定子间距减少一毫米,就可提升10安培的输入和输出电流,所以他的机器的潜力是它当前性能的十倍。罗纳德尚未对此付诸实施是因为配电系统成本相当高。他的设备看起来像这样:

马勒电机与罗伯特•亚当斯脉冲永磁电机有很多相同之处。两者都使用的有永磁体的转子。两者都在精确时刻脉冲电磁铁,以实现转子扭矩最大化。两者都有耦合线圈以产生电输出。不过,然而,还是有相当大的差异。比尔•马勒的线圈是用很不寻常的方法绕制的,如下所示。他把他的转子磁体定位在与定子线圈相关的中心错位(偏心)上。人有一个奇数线圈和偶数永磁磁体。他的磁体位置是交替的:N,S,N,S……
为使其易于仿照,下图只显示五个线圈对和六块磁体,但设备的实际施工通常使用多得多的数量。典型的是十六块磁体。



如果使用了交流市电电压,那么驱动绕组或许象下面这样:

当五个线圈对适应时,将变成:

如果用到了直流开关,那么电路可以是:


这是非同寻常的安排,在用于发电的同一线圈执行驱动脉冲这一事实,使这一切显得更奇特。驱动电源脉冲施加于每个相继的、仅有的五个线圈,使驱动顺序为:1、3、5、2、4,1、3、5、2、4……。对于此操作,线圈1从发电电路断开,然后给予一个短暂的强直流脉冲。这促进了转子的旋转。线圈1于是重新与发电电路连接,而线圈3断开并给予一个驱动脉冲。每第二个线圈均如此重复,无限期地,这就是为什么线圈是奇数的原因之一。下表显示驱动如何运行。

至关重要的是钕铁硼磁铁用于此设备,因为它们比较为常见的铁氧体类型大约要强十倍。比尔用了十六块磁体,其能量密度范围在30到50个MGO { MegaGaussOerstedt,百万高斯(磁通量)和奥斯特(场强)}之间,在中国制造,他们相信可以使用八年而磁性不变。线圈与磁体的间距是2mm。比尔使用一个电脑芯片来产生开关顺序,而这类系统的专家罗纳德•克拉森指出,电机转速增加时,就会调整脉冲系统。这种改变并不简单,因为当转速达到最大值时,在一个十六块磁体的转子上,只有其中三个被线圈脉冲驱动。就是说,旋转一圈期间,只有三个电磁铁在同步脉冲中被通电,而这个脉冲要比把转子从静止态进行加速的脉冲的持续期更长。
在加强来自其它线圈的输出之前,每个线圈的输出通过一个全波整流电桥给出直流电。一台典型的穆勒电机会有16块磁体和15个线圈对。实心线圈架用“非晶态合金”制做,尺寸为直径50mm和长75mm。比尔用了一种“黑砂”(或许是磁铁矿粒料)的特殊混合物加入环氧树脂,但另一种方法说要用硬钢——越硬越好。据说线圈芯的材料非常重要,而他的构造据说可以免于任何涡流磁滞现象。线圈是用美国线规6号线(标准线规8号)或美国线规8号(标准线规10号)绕制,并组成一种罕见的类型,如下图:

绕线圈都在同一个方向。第一层有14圈,接下来两层各9圈,而剩下四层各5圈,共计52圈。线圈成对使用,金属线串联连接,把每对的其中一个放在转子的另一侧,对着该对的第二个线圈,如图中所标示的。线圈连接定子的方式是不确定的。线圈的细端朝向转子磁体。图中未显示耦合线圈,但两个定子都有安装,安装在没有驱动线圈的位置上。
转子用非磁性材料制做,并在约3,000转/分的速度上旋转。当以所述的尺寸建造这个装置,有可能输出35千瓦的过剩能量,这要求转子直径为660mm,并把磁体集中在一个570mm的圆周内。在演示中产生35千瓦的电力,原定三十个耦合线圈对只做了五个。所预测,如果所有三十个耦合线圈对到位,输出将达到400匹马力。这类预测需要有一个演示,然后才能被视为有效。请注意此项目的设备的大小。我个人而言,将无法拿起这个重量的设备,但需要机械起重设备,将其移动。它当然可以,建造在一个缩小规模的,将有一个缩小的电输出。
我要强调处理此强度的磁铁是有危险的。如果你拿了一块磁铁在手中,并漫不经意间把手靠近一个松散的钢铁物件,那么你的手很容易被夹在磁铁和钢铁物件之间。这可能导致你的手严重受伤。应当十分谨慎。
这个系统的官网是 www.mullerpower.com,也许你发觉很难播放,除非你的电脑里安装了MacroMedia软件。另一个关于建造详情的对比信息的网址是:http://overunity.ifrance.com/。