Простые устройства свободной энергии


В свободной энергии нет ничего волшебного и под «свободной энергией» я подразумеваю нечто, производящее выходную энергию без необходимости использовать топливо, которое вы должны купить.


Глава 6: Южноафриканский генератор.


Этот генератор с автономным питанием вначале представлял собой устройство с вращающимся диском (так называемый «ротор»), который требовал значительных навыков для точного изготовления, но он прошел через несколько версий и в конечном итоге превратился в неподвижную конструкцию, которую легко создать.

Первая версия выдает 40 ватт сетевого напряжения, частоту переменного тока и может питать обычное бытовое оборудование, такое как фонари и вентиляторы. Прототип работал непрерывно в течение трех недель (500 часов), а затем был модифицирован для получения большей производительности. Это схема для первой версии:



«Нагрузка» - это 150-ваттный инвертор, который преобразует 12 В постоянного тока в сетевое напряжение c частотoj переменного тока, который в Южной Африке составляет 230 В при частоте 50 циклов в секунду.

Схема очень простая. Ротор «С» вращается. В него вставлено пять магнитов, и когда один из магнитов ротора проходит через катушку с тройной намоткой «B», он создает ток в обмотке «1». Это включает транзистор, питающий обмотку катушки «2» с использованием тока, подаваемого аккумулятором «А». Этот транзисторный импульс усиливает ток в обмотке катушки «1» и создает ток в обмотке катушки «3», а также отталкивает магнит ротора, поддерживая вращение ротора.

Ток в обмотке катушки «3» выпрямляется с помощью диодов, показанных синим цветом и v результате постоянный ток подается обратно на аккумуляторную батарею «А», поддерживая ее заряд.

Когда магнит ротора отодвинулся, транзистор отключается, и это создает высокое напряжение на коллекторе «с» транзистора. Это высокое напряжение отводится через диод Ultra Fast UF5408 и используется для зарядки всех пяти батарей в цепи. Таким образом, эта схема не только поддерживает себя, выдает 40 ватт от сети, но также заряжает три дополнительные 12-вольтовые батареи. Это очень впечатляет!

Тем не менее, в дополнение к зарядке три запасных аккумулятора, как этот:




Разработчик хотел большего уровня непрерывной выходной мощности, и поэтому он изменил схему следующим образом:




Это серьезное изменение: четыре батареи из пяти удалены. Одна оставшаяся батарея не используется для питания инвертора, но вместо этого она является пассивным компонентом, который удерживает обратную связь схемы примерно до 12 вольт, чтобы защитить инвертор. Схема непрерывно выдает мощность 60 ватт. Сетевой трансформатор понижает напряжение, чтобы зарядить конденсатор емкостью 100 микрофарад до 42 вольт, и это используется транзистором для подачи импульсов на катушки. Четыре дополнительных катушки используются для дополнительного выхода, который подается обратно на конденсатор, который питает цепь. Эта схема работает очень хорошо, поддерживая себя, вырабатывая непрерывную мощность. Вы заметите, что теперь транзистор питает шесть отдельных катушек.

Метод запуска, используемый с транзистором в этой схеме, на самом деле не самый лучший, и он требует тщательной настройки, чтобы получить очень высокую производительность, поэтому разработчик изменил схему и переключился на использование двух твердотельных магнитных датчиков на эффекте Холла (Hall-effect) и десяти маленьких катушек. Это дало значительное улучшение, более чем удвоив выходную мощность до 150 Вт непрерывной мощности:




Ротор имеет пять магнитов, как и раньше но с двумя датчиками импульсы запускаются десять раз за оборот вместо первоначальных пяти импульсов за оборот. Разработчик также переключился на использование полевого транзистора (FET) типа IRF840 вместо ранее использовавшегося мощного биполярного транзистора MJE13009. Здесь не показан тот факт, что разработчик теперь использует две питающие батареи, одна для управления цепью, а другая заряжается. Эти батареи меняются в течение пяти минут или около того. Десять катушек соединены в две цепочки из пяти (потому что в роторе пять магнитов), и поэтому импульс генерируется каждые 36 градусов вращения ротора.

Схема используется так:




Транзистор C5353 используется для создания сильного импульса, когда один из двух датчиков Холла A3144E запускается магнитом с проходящим ротором, и это включает IRF840 FET.

Это отличная схема, используемая для зарядки батареи, которая может обеспечить достаточное электропитание для большинства нужд домашнего хозяйства. Тем не менее, ротор должен быть сделан очень точно, либо с помощью токарного станка или, возможно с помощью 3D-принтера. Один репликатор показывает его ротор с отпечатанный на 3D-принтере, который состоит из двух половин, скрепленных болтами. Это выглядит так:




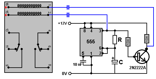
Тем не менее, разработчик использовал свои два набора из пяти маленьких катушек и вместо того, чтобы управлять ими с помощью ротора, он управлял ими с помощью простой микросхемы таймера 555. Он обнаружил, что он получил тот же уровень мощности без своего ротора, если катушки были импульсными при 40% и 60%. Это важный шаг вперед, поскольку теперь он превращается в неподвижную полупроводниковую цепь, которую легко построить и которая не требует специального оборудования. Также теперь нет ограничений на количество катушек, которые можно использовать, поскольку они больше не должны располагаться вокруг ротора. Дополнительные катушки, будут производить дополнительную выходную мощность.

Если мы хотим построить один из этих генераторов для нашего собственного использования, то сначала мы будем использовать низкую частоту (из-за предполагаемых ограничений катушки с железным сердечником) и проведем тестирование с использованием схемы такого типа:




Резистор «R» и конденсатор «C» контролируют частоту пульсации, и результат очень хороший. Однако, поскольку разработчик запитал обе цепи катушек своей цепи ротора от одного транзистора (хотя они генерируют импульсы обратной связи не менее 600 В), он использовал только один транзистор IRF840, управляющий двумя наборами катушек для своих испытаний. Он также любит использовать свою схему, которая меняет две батареи привода, одна для обеспечения тока, в то время как другая заряжается, но это второстепенный вопрос.

Итак, скажем в качестве аргумента, что вышеупомянутая схема работает со скоростью около 500 циклов в секунду («Гц»). Для этого значения C и R могут составлять 100 нФ и 1,5 К, чтобы поддерживать частоту катушки ниже, тогда к батарее привода будет возвращаться около 500 импульсов в секунду. Но, если бы мы подключили схему следующим образом:




Тогда, когда первый транзистор включается, второй транзистор выключается, и наоборот. Это возвращает вдвое больше импульсов в секунду к батарее привода, не увеличивая частоту импульсов одной из цепей катушки. Помните также, что транзисторы достаточно мощны, чтобы управлять несколькими цепями катушек одновременно, и каждая дополнительная катушка может увеличить доступную выходную мощность.

Однако тестирование показывает, что выход первого транзистора не очень хорош для переключения второго транзистора, и поэтому достигается лучший результат с добавлением моностабильной цепи, поскольку это позволяет вам точно указать, какую длину импульса напряжения вы хотите использовать для второго транзистора:




Этот метод поддержания импульсов катушек в медленном режиме при увеличении частоты импульсов, возвращаемых обратно на выход, может быть расширен. Вполне возможно каскадировать десять или более цепочек катушек во время каждого из импульсов 500 Гц. Это повышает частоту импульсов на выходе без увеличения частоты импульсов катушки. Это может быть сделано с помощью микросхемы Divide-By-Ten (Раздели на 10), такой как CD4017B, которая может быть подключена для деления на 9, деления на 8 и т. д. до деления на 2. Это достигается подключением контакта сброса (контакт 15) к следующему выходу. На следующей принципиальной схеме показана схема деления на 3, и выход деления на 4 подключен к сбросу, так как он снова направляет выход обратно на выход 1. Тактовая частота 555 увеличивается в три раза, так как выход высокого напряжения микросхемы 4017 вернется на выход 1 (на контакт 3). Соединения или распиновка выглядят так:







Для выхода деления на 4 контакт 10 будет подключен к контакту 15 сброса, а четвертый выход будет подключен к контакту 7, а частота тактовых импульсов 555 увеличится в четыре раза по сравнению с исходной частотой за счет уменьшения значения «C» или уменьшения значение «R».

Пожалуйста, помните что транзистор должен быть в состоянии выдерживать высокие напряжения, если вы решите использовать другой тип, также вам потребуется более мощный инвертор постоянного / переменного тока для обработки более высокой выходной мощности. По существу, нет никаких ограничений на выходную мощность, которую вы можете достичь в полупроводниковом состоянии, поскольку вы просто добавляете больше катушек и возможно, больше транзисторов. Пожалуйста, используйте радиатор с каждым транзистором.




Если вы решите использовать 24-вольтовый вход, пожалуйста, помните, что и чип 555, и чип 4017 должны быть лимитированы до 12 вольт, поскольку они не способны выдерживать 24 вольта. Кроме того, вам нужен 24-вольтовый инвертор, если вы решите это сделать.

Если эксперимент показывает, что ваша конкретная конструкция схемы работает лучше при более высокой и более высокой частоте тактовых импульсов и это приводит к тому, что каждому транзистору, управляющему катушкой, требуется более длительный период напряжения возбуждения, чем длина одного периода деления на N, то это можно исправить с помощью моностабильности на каждом выходе, как показано заштрихованными частями этой диаграммы:




Теперь, когда нет необходимости создавать точный ротор с магнитами, единственной важной задачей является намотка катушек, которые генерируют избыточную мощность. Без проблем можно намотать идеальные катушки без какого-либо оборудования вообще. Для начала нужно выбрать диаметр проволоки и купить нужную проволоку. Популярна проволока диаметром 0,71 мм (SWG 22 или AWG 21), с которой легко работать. Затем необходимо выбрать материал сердечника - железо (не сталь) или феррит и создать катушку с этим сердечником, прикрепив жесткие фланцевые диски диаметром около 30 мм на концах сердечника для железа. Катушки, показанные здесь, намотаны на 8 мм железных болтах с обмотками длиной 75 мм, восемью слоями проволоки и фланцами диаметром 40 мм (которые могут быть намного меньше):




Три таких катушки могут быть намотаны с одного 500-граммового барабана из провода 0,71 мм, и железных сердечников и они безусловно смогут работать с частотой более 6000 Гц. Каждая из этих катушек имеет около 315 витков и сопротивление постоянному току 1,6 Ом. Однако феррит обычно считается лучшим сердечником для работы на высоких частотах и его можно довольно легко намотать. Используя ту же проволоку диаметром 0,71 мм (swg 22 или AWG # 21), можно использовать ферритовый стержень длиной 140 мм диаметром 10 мм. наматывается довольно легко без какого-либо оборудования, и шесть катушек с тремя слоями могут быть намотаны с одного 500-граммового барабана провода, и каждая катушка имеет около 590 витков и сопротивление постоянному току в 1 Ом.

Основной ферритовый стержень имеет диск из жесткого картона диаметром 20 мм, приклеенный к каждому концу. Это выглядит так:




Отрежьте лист бумаги шириной 140 мм длиной 32 мм. Эта ширина соответствует зазору между фланцами катушки. Прикрепите полоску изолентой или липкой лентой к бумаге так, чтобы она перекрывалась на половину своей ширины по всей полосе бумаги и отложите её до тех пор, пока не будет намотан первый слой проволоки.

Вы можете повесить полную катушку проволоки на стержень, подвешенный к краю стола. Протолкните первые несколько дюймов проволоки через отверстие во фланце рядом с сердечником и начните наматывать, повернув катушку в руке. Намотку нужно выполнять осторожно, чтобы повороты лежали чисто рядом друг с другом, чтобы между ними не было зазоров, и чтобы ни один из витков не перекрывал другие повороты:




Когда будет достигнут дальний конец катушки, приклейте лист бумаги к слою витков, используя уже липкую ленту на бумаге, согните бумагу вокруг слоя обмотки и плотно затяните ее, используя другие полоски изоленты, чтобы удержать ее на месте по мере продвижения по длине катушки. Бумага не будет достаточно длинной, чтобы обойти весь слой, так как сердечник теперь имеет толщину проволоки, делающую сердечник больше, но это вполне преднамеренно, поскольку вам не нужно больше, чем один слой бумаги. Вам понадобится слой бумаги, чтобы вы могли ясно видеть следующий слой проволоки, когда вы наматываете его. Если у вас нет этого слоя бумаги, очень трудно увидеть следующий слой достаточно хорошо, чтобы обнаружить ошибки намотки, поскольку провод точно такого же цвета, что и первый слой.




Теперь у вас есть отлично намотанный первый слой. Перед началом второго слоя разрежьте следующую полосу бумаги шириной 40 мм. Приклейте полосу изолентой по длине бумаги, опять же, половина ширины изоленты перекрывает бумагу и отложите ее в сторону. Обмотайте следующий слой точно таким же образом, закончив, приклеив и закрепив бумагу вокруг сердечника двумя слоями проволоки.




Этот процесс повторяется до тех пор, пока все желаемые слои не будут намотаны. Наконец, провод обрезается с несколькими дюймами запаса, оставленных для подключения катушки в цепь и провод проходит через второе отверстие в одном из фланцев:




Этот генератор может быть построен в тысячах вариаций, главное отличие заключается в используемых катушках, материале сердечника, длине сердечника, диаметре проволоки и количестве намотанных слоев. Конечно, вы можете начать с одной катушки и посмотреть, как работает ваша схема, а затем добавить одну или несколько катушек для повышения производительности.

То, как работают катушки, не совсем очевидно. Общепринято, что чем больше число витков, тем больше напряжение создаваемое при импульсе катушки. НО, другие факторы также важны. Импеданс (сопротивление) катушки (это сопротивление переменного тока) имеет очень большое значение, когда катушка пульсирует. Это зависит от материала сердечника, диаметра проволоки, материала проволоки, количества витков, качества обмотки, степени распространения витков, количества слоев и т. д. В общем, лучше всего намотать серию катушек и протестировать их, чтобы увидеть, какие из них лучше всего подходят для вас, а затем намотайте оставшиеся катушки, чтобы достичь наилучшего результата.

Если вы хотите использовать две отдельные батареи привода, одна для питания цепи, а другая заряжается, тогда это вполне возможно. Аккумуляторы, которые обеспечивают питание нагрузки, заряжаются почти так же, как и отсоединенные аккумуляторы, которые заряжаются. Однако механизм, который переключается между двумя наборами батарей, должен иметь чрезвычайно низкое потребление тока, чтобы не тратить ток. Одна из возможностей для этого будет использовать реле с блокировкой, как это:




Это электронная версия механического двухполюсного переключателя. Короткий импульс тока между контактами 1 и 16 блокирует переключатель в одном положении, а затем импульс тока между контактами 2 и 15 блокирует его в другом положении. Поток тока в цепи не будет почти нулевым.

Хотя стандартные интегральные схемы NE555 могут работать при напряжении питания до 4,5 В (и на практике большинство будет хорошо работать при гораздо более низких напряжениях питания), есть несколько более дорогих интегральных схем 555, которые предназначены для работы при гораздо более низких напряжениях питания. Одним из них является TLC555, который имеет диапазон напряжения питания от 2 вольт до 15 вольт, что является очень впечатляющим диапазоном. Другая версия - ILC555N с диапазоном напряжения от 2 до 18 вольт. Комбинирование одного из этих чипов с блокирующим реле создает очень простую схему, поскольку схема таймера 555 исключительно проста:




Используемый конденсатор должен быть высокого качества с очень малой утечкой, чтобы получить этот сигнал, который включен ровно столько же времени, сколько и выключен. Это важно, если мы хотим, чтобы две батареи получали одинаковое время для питания нагрузки, как и время их зарядки.

Недостаток таймера 555 с нашей точки зрения заключается в том, что он имеет только один выход, а нам нужно два выхода, один из которых падает, когда другой повышается. Это можно организовать, добавив транзистор и пару резисторов следующим образом:




С помощью этой схемы, когда на контакте 3 микросхемы 555 происходит низкий уровень, конденсатор, соединяющий его с контактом 2 реле, вызывает низкое напряжение на контакте 2 и вызывает изменение состояния реле, когда контакт 15 реле подключен к + 12В, вызывая скачок тока через катушку при зарядке конденсатора. Несколько мгновений спустя, когда конденсатор заряжен, ток падает до нуля. Пять минут спустя вывод 3 снова становится высоким, и это переключает транзистор, вызывая быстрое падение напряжения на его коллекторе почти до нуля. Это понижает контакт 1 реле на низком уровне, вызывая его изменение состояния до того, как конденсатор сможет зарядиться.

Это хорошо, если конденсаторы, показанные синим цветом, имеют низкое качество и их заряд исчезает в течение пяти минут. В настоящее время даже дешевые конденсаторы, как правило, имеют слишком хорошее качество, чтобы это происходило и поэтому нам необходимо подключить резистор через конденсатор, чтобы вызвать падение заряда. Но этот дополнительный резистор подключен непрерывно и поэтому он должен иметь достаточно высокое значение, чтобы не терять много тока - возможно, разумным выбором будет 18K. Резистор 18К с напряжением в двенадцать вольт потребляет всего 0,667 миллиампер тока. Конденсаторы составляют около 100 микрофарад.

Так чтоесли мы хотим то мы могли бы использовать эту схему, возможно собранную вот так:




Транзисторы TIP3055 предназначены только для увеличения пропускной способности крошечного реле блокировки. Давайте решим построить очень простую версию схемы, но с учетом последующего расширения для большей выходной мощности. Давайте попробуем вот эту схему:




Такое расположение позволяет значительно изменить рабочую частоту, просто повернув ручку. Опытные конструкторы будут иметь свои собственные предпочтительные методы построения, но мы могли бы выбрать использование макета на открытой доске, чтобы упростить просмотр происходящего и обеспечить хорошее охлаждение на этапе разработки, возможно что-то вроде этого:




Такое расположение сводит пайку к минимуму и позволяет легко вносить изменения, поскольку цепь расширяется для более высокой выходной мощности. Плата таймера может быть заменена позже, если вы решите использовать стиль деления на N. Предполагается, что единственная длинная тонкая форма катушки является наиболее эффективной для этого применения, но это еще не доказано.

Используются два типа винтовых соединителей. К одному типу подключены все разъемы, поэтому многие провода могут быть подключены к одной точке. Они выглядят вот так:




К сожалению, эти разъемы стоят около 5 фунтов стерлингов каждый, что в несколько раз дороже стандартного разъема, каждый разъем которого изолирован от всех остальных разъемов в блоке:



Если основным фактором является стоимость, тогда стандартную соединительную полосу можно преобразовать в одну многократную выходную полосу, соединив одну сторону толстым куском провода, как показано ниже:




У нас есть проблема с подключением транзисторов FET, потому что их контакты расположены так близко друг к другу, что они не помещаются удобно в блок винтовых разъемов. Мы можем обойти эту проблему, отсоединив один разъем от блока, согнув центральный штырь полевого транзистора вверх в вертикальное положение и используя один обрезанный коннектор для соединения с центральным штырем полевого транзистора:




Расположение таймера совсем не критично и можно использовать такую схему:




Конденсатор «С» будет около 10 нФ, а переменный резистор может быть линейным 47 кОм или 50 кОм, или можно использовать более высокое значение.

Итак, если вы собираетесь построить этот генератор, то с чего начинать? Что ж, вы могли бы начать с построения показанной здесь панели таймера, либо как показано, либо с вашей собственной раскладкой. Я настоятельно рекомендую использовать гнездо для микросхемы таймера 555, так как транзисторы, интегральные схемы и диоды могут быть легко повреждены нагревом, если они не будут быстро припаяны. Поскольку генератор предназначен для вашего собственного использования, вы можете избежать ужасного бессвинцового припоя, с которым так трудно работать и я полагаю, что многоядерный припой диаметром 0,8 мм - подходящий размер для этой работы. Итак, для построения платы таймера вам понадобится:

1. Паяльник мощностью около 40 Вт и припоем с сердечником 0,8 мм.

2. Макетная печатная плата («Veroboard») с 14 полосами на 23 отверстиями.

3. Сверло или нож, чтобы сломать медные полосы, которые проходят между контактами чипа 555.

4. Один 8-контактный разъем Dual-In-Line для микросхемы 555.

5. Немного проволоки с пластиковым покрытием для формирования перемычек на плате.

6. Компоненты: одна микросхема 555, одна 8-контактная розетка, один конденсатор на 1000 микрофарад 25 В, два керамических конденсатора на 10 нанофарад, один резистор 1 кОм, один резистор с линейной переменной переменной частотой 50 кОм или 47 кОм или выше, один диод, который может быть 1N4007 или 1N4148 или почти любой другой диод.

7. Любая Лупа. Дешёвой из пластика может быть вполне достаточно. Это очень помогает при осмотре нижней части платы, чтобы убедиться что паяные соединения хорошо сделаны и что между соседними медными полосами нет перемычек.

8. Дешевый цифровой мультиметр для измерения напряжения и сопротивления.

Не важно, но очень и очень удобно, это одно из таких зажимных приспособлений с угловым рычагом, которые обычно поставляются с увеличительным стеклом. Если вы выбросите увеличительное стекло, угловые рычаги могут удерживать плату и компонент на месте, оставляя обе руки свободными для пайки. Ткань, смоченная холодной водой, очень хороша для быстрого охлаждения паяных соединений во избежание теплового повреждения.




Начните с разрыва медной полосы в столбцах 10 и 11 в рядах 6–9. Это необходимо для предотвращения короткого замыкания полос на контактах микросхемы 555. Установите и припаяйте гнездо 555 на место (если вы согнёте ножки вдоль полос, это удержит гнездо на месте и обеспечит хорошее паяное соединение. Затем, обрежьте медный провод с твердой жилой до нужной длины и припаяйте пять проволочных перемычек на плате:




Затем работайте слева направо, монтируя остальные компоненты. Конденсатор «С» имеет много свободного места вокруг него, так что он может быть изменен позднее, если вы решите, что вам нужно.

Наконец, подключите переменный резистор или потенциометр и положительные и отрицательные соединительные провода, используя многожильный медный провод, поскольку он более гибкий и наконец, соединительный провод от вывода 3 к распределительному блоку, который соединяется с воротами FET. Проверьте правильность подключения цепи и отсутствие ошибок пайки на нижней стороне платы - это намного проще с увеличительным стеклом, поскольку зазоры очень малы.

Установите вал переменного резистора примерно в среднее положение, подключите плату к 12-вольтовому источнику питания и измерьте напряжение, поступающее от контакта 3 микросхемы 555. Напряжение должно составлять примерно половину напряжения питания и не должно сильно изменяться при регулировке переменного резистора.

Теперь мы готовы начать сборку генератора, получить подходящую плиту или основу (например из ДСП) и прикрепить к ней инвертор и аккумулятор:




Эти два блока можно прикрепить к основе, просверлив отверстия в плите и используя веревку или проволоку, чтобы надежно закрепить их на месте.




Плата таймера может быть прикреплена к основе с помощью винтов или болтов. Плата очень легкая и прочная, и одного винта вполне достаточно, чтобы аккуратно удерживать ее на месте. Переменный резистор и три соединительные полосы могут быть приклеены к плате. Некоторые конструкторы ненавидят эту идею, но я предпочитаю использовать Impact Evostick в качестве клея, поскольку он очень эффективен и через день или около того становится действительно очень крепким.




Используются диоды типа 1N5408 и хотя каждый из них может выдерживать ток 3 А, они сгруппированы в наборы по три, так как это снижает очень небольшое сопротивление току, протекающему через них, а также увеличивает возможный ток до девяти Ампер.

Я склоняюсь к использованию отдельного полевого транзистора с каждой катушкой, но южноафриканский разработчик заявляет, что он не может обнаружить никакой разницы между движением двух катушек с одним полевым транзистором и приводом тех же двух катушек с двумя отдельными полевыми транзисторами.

Если вы хотите использовать две батареи с коммутационной цепью, то расположение на базовой плате может быть таким:




То, что похоже на катушки в цепи замены батареи, на самом деле является дросселем и это всего лишь несколько витков провода на железном или ферритовом сердечнике.


Patrick Kelly
http://www.free-energy-info.co.uk
http://www.free-energy-info.tuks.nl

Перевод Diabloid73


闽ICP备2022006709号