Simple Free-Energy Devices


There is nothing magic about free-energy and by “free-energy” I mean something which produces output energy without the need for using a fuel which you have to buy.

Free energy devices have been around for a very long time now. I have stood beside a water mill and it’s power is scary as it could crush you in moments and never even notice. That mill is on a quietly flowing small river and it can operate at any time day or night without having to pay anything for the power which it uses. It will have cost quite a bit to build the mill in the first place, but after that, it produces major power year after year. Most free-energy devices are just like that as it costs to build them in the first place, but after that they run for free.

This presentation is mainly for people who have never come across free-energy and know nothing about it. So, each chapter deals with just one device and tries to explain it clearly.



Chapter 4: The “Alexkor” Circuits


There is a Russian developer whose web ID is “Alexkor”. He has been developing battery charging circuits for some years now and is very adept at it. First, let me explain that we live in a very strong energy field and if you know how, you can tap into that energy field and extract useful energy from it. It is popular to extract electricity from our universal energy field (also called “our local environment”). Alexkor has chosen to extract electricity and use it to recharge batteries of all types. Lead-acid batteries are popular in spite of their great weight and cost, because with the aid of a DC/AC inverter they can replace mains electricity.

A problem with lead-acid batteries is that they have a limited life of about four years IF they are charged using a conventional battery charger or a solar panel. However, if they are charged by DC pulses, those same batteries can last at least fifteen years. In passing, it is possible to convert an old lead-acid battery to Alum by replacing the battery acid with Alum, but leaving that aside for now, let’s look at the Alexkor style of pulsing.

As is well known, if you pass a current through a coil of wire and suddenly cut that current off, the coil generates a high voltage across its ends. For example, a 12-volt battery powering a coil can develop voltages as high as 600-volts. The voltage reached depends on the characteristics of the coil and the quality of the switching. A fast switch off is essential and a fast switch on is important but to a somewhat lesser degree.

The high voltage produced can be used for various things and one popular use is to recharge a battery. For this, the current through the coil is switched on and off thousands of times per second. Alexkor’s first circuit is shown here:



This simple circuit oscillates 35,000 times per second and it is off for 95% of the time. The coil is very simple and is just 200 turns of 0.71 mm diameter enamelled, single core solid copper wire.

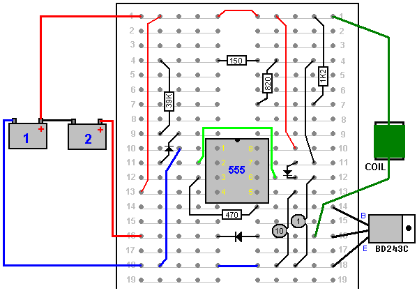
It is possible to set this circuit up on a plug-in development board and one way to do that could be:



One man e-mailed me to say that as his first free-energy project he had built this circuit. Up to then he had been charging his battery using a mains unit, but he then used the mains unit to power the circuit and the circuit to charge the battery and he found that his battery charged in half the time. One point which we probably was not aware of is the fact that his new style of charging will extend his battery life very substantially.

The battery marked “1” provides power to run the circuit and the battery marked “2” gets charged. The resistors are all quarter watt. The enamelled copper 22 swg wire has a diameter of 0.711 mm and the coil can easily be wound on a cardboard tube. With a 30 mm (1.25 inch) diameter tube about 20 metres of wire would be needed and that weighs about 70 grams. I would like the output diode to be a UF5408 diode as the “UF” stands for “Ultra Fast”, but the wire leads are too thick to plug into a board like this and so the 1N5408 can be used, it is rated at 1000 volts and 3 amps.

This is the first step in the process as the same circuit can be used to drive many coils of this type. The resistor feeding the base of the transistor is about 500 ohms for the prototype, but using a 390 ohm resistor in series with a variable resistor of say, 1K, would allow a good standard resistor value to be selected for each transistor/coil pair:



Alexkor uses preset resistors to adjust the base resistors to their optimum values. The simplicity of this circuit makes it very attractive as a construction project and using more than one coil should make for impressive performance figures. Alex says that the best results are achieved with just the one (1000V 10A) diode per transistor and not a diode bridge. Multiple transistor chargers like the one above, work best when there is a separate wire from each coil to the battery being charged.

Further development by Alex shows better performance when using the IRF510 FET instead of the BD243C transistor. He also has found it very effective charging four separate batteries and he has revived an old NiCad drill battery using this circuit:





It is possible to use various different high-voltage transistors with these circuits. As some people have difficulty in working out a suitable physical construction for a circuit, here is a suggestion for a possible layout using an MJ11016 high-power high-gain transistor on stripboard.



Alexkor’s Self-Charging Circuit.
This is a particularly simple circuit which allows a 12V, 8 amp-hour battery charge a 48V, 12 amp-hour battery with radiant energy, in 20 hours using twelve times less current than a conventional charger would. The circuit can charge lithium, NiCad or lead-acid batteries The circuit used is:



The coil is wound on a hollow former, using two separate strands of wire of 0.5 mm diameter, giving a resistance of just 2 ohms. The strands of wire are placed side by side in a single layer like this:



A possible physical layout using a small standard electrical connector strip might be:



If the coil is wound on say, a 1.25-inch or 32 mm diameter plastic pipe, then the outside pipe diameter is 36 mm due to the wall thickness of the plastic pipe, and each turn takes about 118 mm, so around 24 metres of wire will be needed for the 200 turns (100 turns of two wires lying side by side). If 13 metres (14 yards) of wire is measured off the spool and the wire folded back on itself in a sharp U-turn, then the coil can be wound tightly and neatly with close side-by-side turns. A small hole drilled at the end of the pipe allows the folded wire to be secured with two turns through the hole, and the 200 turns will take up a length of about 100 mm (4-inches) and the two loose ends secured using another small hole drilled in the pipe. The starting ends are cut apart and the ends of each coil determined using a continuity test.

Lead-acid batteries such as the type used in cars, have a fairly limited life if charged with an ordinary mains powered charger. However, this pulsing circuit charges the batteries in a much better way which gives each battery a very long life and if used daily, after a time each battery holds more power than when it left the factory.

You will notice that the circuit does not use a solar panel nor does it have any kind of mains connection. It operates day and night and can charge four batteries, one of which can be used to power the next charging session. That leaves three fully charged batteries which can be used to power ordinary mains equipment through a standard DC-to-AC mains inverter, which might look like this:



The batteries powering the inverter would be connected in parallel and most household equipment could be powered by the inverter:



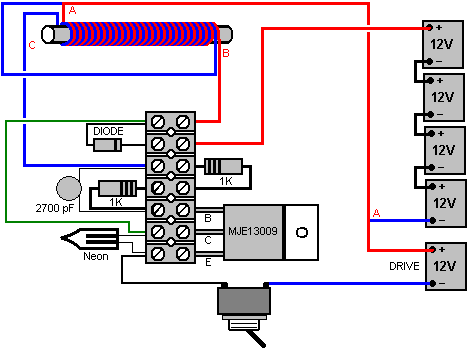
An even more advanced circuit from Alex has even higher performance by using a high-speed transistor and a very fast-action diode, and a neon is not needed to protect the transistor:



The fast UF5408 diode used in this circuit is available, at the present time, on www.ebay.co.uk in packs of 20 for minor cost.

The transistor drive to the battery bank can be replicated for additional drive and up to an additional ten transistors could be used like this:





The 2700 pF capacitor is recommended for each additional transistor, but it is not an essential item and the circuit will operate ok with just the one on the bi-filar coil drive section.

These Alexkor circuits are simple and direct and they are not difficult to construct. They are as useful as solar panels but very much cheaper as well as being protected from damage by hailstones which can destroy many expensive solar panels in just a few minutes. Again, let me stress the fact that the energy which these circuits channel into the batteries comes directly from the massive energy field in which we live. This is not magic but instead is just sensible engineering which uses our surrounding environment.


Patrick Kelly
http://www.free-energy-info.com
http://www.free-energy-info.tuks.nl


闽ICP备2022006709号