Una Guida
Pratica ai Dispositivi di Energia-Libera
Autore: Patrick J. Kelly
Capitolo 7: Sistemi
di Antenna e Generatori Elettrostatici
E 'opinione comune che le antenne non sono in
grado di raccogliere molto potere. La concezione popolare è che la potenza
disponibile è di livello basso le onde radio provenienti da trasmettitori radio
distanti, e se è certamente vero che le onde radio possono essere raccolti con
un'antenna, le vere fonti di energia non sono trasmettitori radio.
Per esempio, ci sarà guardando le informazioni da
Hermann Plauson e che considerava un sistema aereo di suo che non ha prodotto
più di una potenza superiore a 100 kilowatt, come un sistema
"piccolo" (è vero, con molte antenne). Thomas Henry Moray ha
dimostrato il suo sistema per il pubblico più volte, tirando in livelli di
potenza fino a 50 kilowatt da un'antenna singola specie. Questi livelli di
potenza non sono prodotti da stazioni con il segnale.
Nikola Tesla ha prodotto un dispositivo aerea che vale la pena menzionare. E 'stato brevettato il 21 maggio 1901 come un "Apparecchio per la utilizzazione di Energia Radiante", US Patent numero 685957.

Il dispositivo sembra semplice ma afferma Tesla che
il condensatore deve essere "di notevole capacità elettrostatica" e
consiglia di utilizzare la mica migliore qualità per la costruzione di esso,
come descritto nel suo brevetto n 1897 577671. Il circuito viene alimentato
tramite un isolato, piastra di metallo lucido. L'isolamento può essere
applicato a spruzzo su plastica. Più grande è la piastra, maggiore l'energia
raccolta. La piastra superiore è elevata, maggiore è la quantità di energia
raccolta.

Questo sistema di proposte di Tesla fino giornata
dell'energia e notte. Il condensatore si carica e un interruttore vibrante
ripetutamente scarichi il condensatore nel trasformatore step-down. Il
trasformatore abbassa la tensione e aumenta la corrente disponibile e l'uscita
viene poi utilizzato per alimentare il carico elettrico.
Sembra probabile che questo dispositivo opera
principalmente da elettricità statica, che alcune persone credono sia una
manifestazione del punto zero campo energetico. Apparecchiature di Tesla
potrebbe operare quando alimentato da un motore-driven macchina Wimshurst
anziché un piatto grande antenna. Dettagli della casa costruita attrezzature
Wimshurst sono disponibili in 'Lightning Homemade' il libro di RA Ford, ISBN
0-07-021528-6.
Tuttavia, si dovrebbe comprendere che Tesla descritte
due forme diverse di energia pick-up. Il primo è l'elettricità statica, preso
da interazione molto lieve del pick-up piastra con il punto zero campo di
energia che scorre attraverso di essa, e l'altro essere pick-up degli eventi
dinamici energia radiante, di solito da fulmini. A una rapida occhiata, la
persona media non avrebbe considerato un fulmine come una valida fonte di
energia, ma non è questo il caso, in quanto vi sono circa 200 fulmini al
secondo - principalmente nei tropici - e ciò che non è generalmente inteso è
che si tratta di eventi di energia radiante e gli effetti si fanno sentire
immediatamente in tutto il mondo sulla terra come trasmissioni attraverso il
punto zero campo energetico sono istantanei a qualsiasi distanza. Per chiarire la
situazione un po 'di più, qui ci sono due dei brevetti di Tesla, uno su pick-up
del campo statico che Tesla osservazioni sembra essere illimitata in tensione,
e un brevetto su pick-up di energia dinamica.
Questa è una copia leggermente riformulato di questo
brevetto, come alcune parole hanno cambiato il loro significato, in quanto
questo brevetto è stato rilasciato. Se volete vedere l'originale, quindi http://www.freepatentsonline.com vi
permetterà di scaricare una copia senza alcun costo.
US Patent 685957 5 novembre 1901 Ideatore: Nikola Tesla
APPARECCHI PER
L'UTILIZZAZIONE DI ENERGIA RADIANTE
A tutti coloro che sono interessati:
Si rende noto che io, Nikola Tesla, un
cittadino degli Stati Uniti, residente nel quartiere di Manhattan, nella città,
contea e stato di New York, hanno inventato alcuni nuovi miglioramenti e utile
in Apparecchio per la utilizzazione di energia radiante, di cui il seguente è
una specifica, riferimento essendo dovuto ai disegni allegati e facente parte
della stessa.
È ben noto che certe radiazioni - come
quelle di luce ultravioletta, catodica, raggi Roentgen, o simili - possiedono
la proprietà di carica e scarica conduttori di elettricità, la scarica
particolarmente evidente quando il conduttore sul quale i raggi interferiscono
è negativamente elettrificata. Queste radiazioni sono generalmente considerati
vibrazioni eteree di lunghezze d'onda estremamente piccole, e nella spiegazione
dei fenomeni rilevati, è stato assunto da alcune autorità che ionizzare, o
rendere conduzione, l'atmosfera attraverso la quale vengono propagate essi.
Tuttavia, i miei esperimenti e osservazioni mi portano a conclusioni più in
accordo con la teoria finora avanzata da me che le fonti di tale energia
radiante buttare fuori con grande velocità, minuscole particelle di materia che
sono fortemente elettrificate, e quindi in grado di caricare un conduttore
elettrico , o, anche se non è così, può, in qualsiasi scarico tasso di un
conduttore elettrizzato, sia del corpo portando via la sua carica o meno.
Mia presente domanda si basa su una
scoperta che ho fatto che quando raggi o radiazioni del tipo suddetto sono
autorizzati a cadere su un isolato diretta dei corpo collegato ad uno dei
terminali di un condensatore, mentre l'altro terminale del condensatore è fatto
ricevere o trasportare via elettricità, una corrente scorre nel condensatore
fino a quando il corpo isolante è esposto ai raggi, e alle condizioni di
seguito specificate, un accumulo indefinito di energia elettrica nel
condensatore avviene. Dopo un intervallo di tempo adeguato durante il quale gli
i raggi di agire, questa energia può manifestarsi in una potente scarica, che
può essere utilizzato per il funzionamento o controllo di dispositivi meccanici
o elettrici, o reso utile in molti altri modi.
Nell'applicare la mia scoperta, mi
forniscono un condensatore, preferibilmente di notevole capacità
elettrostatica, e collegare uno dei suoi terminali ad una piastra metallica
isolata o altro direzione d'orchestra, corpo esposto ai raggi o flussi di
materia radiante. È molto importante, in particolare in considerazione del
fatto che l'energia elettrica è generalmente fornita al condensatore ad una
velocità molto bassa, per costruire il condensatore con la massima cura. Io
preferisco usare la migliore qualità di mica come il dielettrico, prendendo
tutte le precauzioni possibili in materiale isolante le armature, in modo che
lo strumento può sopportare grandi pressioni elettriche senza perdite e può
lasciare senza elettrificazione percettibile quando si scarica istantaneamente.
In pratica, ho trovato che i migliori risultati si ottengono con condensatori
trattati nel modo descritto nel brevetto 577.671 concessami il 23 febbraio 1897.
Ovviamente, le precauzioni di cui sopra dovrebbe essere il più rigorosamente
osservato più lenta è la velocità di carica e il più piccolo intervallo di
tempo durante il quale è permesso di accumulare l'energia nel condensatore. La
piastra isolante o conduttore-corpo dovrebbe presentare ai raggi o flussi di
materia, come una grande superficie è pratica, io avendo constatato che la
quantità di energia trasmessa ad essa per unità di tempo, in condizioni
altrimenti identiche, proporzionale alla superficie esposta, o quasi. Inoltre,
la superficie deve essere pulita e preferibilmente altamente lucidato o
amalgamato. Il secondo terminale o armatura del condensatore può essere
collegato ad uno dei poli di una batteria o altra fonte di energia elettrica, o
di qualsiasi corpo conduttore o qualsiasi oggetto di tali proprietà o così
condizionata che con i suoi mezzi, elettricità del segno richiesto sarà essere
fornita al terminale. Un modo semplice di fornire elettricità positiva o
negativa al terminale è collegarlo ad un conduttore isolato supportata ad una
certa altezza nell'atmosfera, o ad un conduttore di messa a terra, il primo,
come è noto, arredamento positivo, e l'elettricità quest'ultimo negativo . Come
raggi o flussi di materia supposte generalmente trasmettere una carica positiva
al primo terminale del condensatore di cui sopra. Di solito collegare il
secondo terminale del condensatore a terra, questo è il modo più conveniente di
ottenere elettricità negativa, eliminando la necessità di fornire una sorgente
artificiale. Per utilizzare l'energia raccolta nel condensatore per qualsiasi
scopo utile, anche collegare ai terminali del condensatore, un circuito
contenente uno strumento o apparecchio cui si vuole operare, e un altro
strumento o dispositivo per alternativamente la chiusura e l'apertura del
circuito. Questo secondo dispositivo può essere qualsiasi forma di controller
di circuito con parti fisse o mobili o elettrodi, che possono essere azionati
mediante l'energia immagazzinata o con mezzi indipendenti.
Mia scoperta sarà più completamente
compresa dalla seguente descrizione e disegni, in cui Fig.1 è uno schema che mostra la disposizione generale
dell'apparecchio come usualmente impiegato.

Fig.2 è un
diagramma simile, illustrante in dettaglio, le forme tipiche dei dispositivi o
elementi utilizzati nella pratica.

Fig.3 e Fig.4 sono
diagrammi di accordi modificati adatti per scopi speciali.



Fig.1 mostra
la forma più semplice, in cui C è il
condensatore, P la lamina isolata o
condurre corporeo che viene esposto ai raggi, e P 'un'altra piastra o conduttore che è a terra, tutti essendo
collegati in serie come mostrato. La T
e terminali T' del condensatore C sono inoltre collegati ad un circuito
che contiene un R dispositivo che
deve essere azionato, e un circuito di controllo del dispositivo d come sopra descritto.
L'apparecchiatura essendo disposta come
mostrato, si vedrà che quando la radiazione del sole, o qualsiasi altra fonte
in grado di produrre gli effetti sopra descritti, cadono su piastra P, ci sarà un accumulo di energia nel
condensatore C. Credo che questo
fenomeno è meglio spiegato come segue: Il sole, così come altre fonti di
energia radiante, getta via minuscole particelle di materia positivamente
elettrificata, che P della serratura,
creano una carica elettrica su di esso. Il terminale opposto del condensatore
essendo collegato a terra, che può essere considerata una grande riserva di
elettricità negativa, scorre una debole corrente continua nel condensatore, e
poiché queste particelle sono supposte di un raggio o curvatura
inconcepibilmente piccolo, e di conseguenza , caricata ad una tensione molto
elevata, tale carica del condensatore può continuare come ho effettivamente
osservata, quasi indefinitamente, fino al punto di rottura del dielettrico. Se
il dispositivo d essere di carattere
tale che possa funzionare per chiudere il circuito in cui è incluso quando la
tensione sul condensatore ha raggiunto un certo livello, allora la carica
accumulata passerà attraverso il circuito, il funzionamento del ricevitore R.

In illustrazione di questo effetto, Fig.2 mostra la stessa disposizione
generale come in Fig.1, e il
dispositivo D è mostrato composto da
due molto sottile piastrina di t e t', che sono liberi di muoversi e
posizionato molto vicino l'uno all'altro. La libertà di movimento può avvenire
tramite la flessibilità delle piastre o attraverso il carattere del loro
sostegno. Per migliorare la loro azione devono essere racchiusi in un
alloggiamento che può avere l'aria rimosso da esso. La t piastre e t' sono
collegati in serie in un circuito di lavoro che comprende un ricevitore
adeguato, che in questo esempio è illustrato come un elettromagnete M, una armatura mobile a, a molla B, e una ruota di arpionismo w, dotata
di una molla nottolino-r, che è imperniato di armatura a quanto illustrato.
Quando la radiazione cade sulla piastra P,
una corrente scorre nel condensatore fino alla tensione provoca le piastre t e t' di essere attratto insieme, chiudendo il circuito e di
alimentare il magnete M, facendolo disegnare giù l'armatura e causare un
parziale w rotazione della ruota a cricco. Quando cessa il flusso di corrente,
l'armatura viene retratto dalla molla B,
senza, tuttavia, muovere la ruota w.
Con l'interruzione della corrente, il cessate t piastre e t' di essere
attratto e separati, in modo da ripristinare il circuito alla sua condizione
originale.

Fig.3 mostra
una forma modificata di apparecchi utilizzati in connessione con una sorgente
artificiale di energia radiante, che in questo caso può essere un arco che
emette abbondanti raggi ultravioletti. Un riflettore adatto può essere fornita
per concentrare e direzionare la radiazione. Un magnete R e controller di circuito d
sono disposte come nelle figure precedenti, ma in questo caso, invece di
eseguire tutto il lavoro, il magnete esegue alternativamente il compito di
aprire e chiudere un circuito locale, contenente una fonte di corrente B e un dispositivo di ricezione o
tradurre D. il controllore d può, se desiderato, sono costituiti
da due elettrodi fissi separati da un traferro minuto o film dielettrico debole
che si rompe più o meno improvvisamente quando una differenza di tensione
definito è raggiunto terminali del condensatore, e ritorna al suo stato
originale quando la scarica viene.

Ancora un'altra modifica è mostrato in Fig.4, dove S, la fonte di energia radiante è una speciale forma di tubo di
Roentgen ideato da me, avendo solo terminale k, generalmente di alluminio, nella forma di una semisfera, con
plain superficie lucidata sul lato anteriore, da cui i flussi vengono gettati
via. Esso può essere eccitato collegandolo a uno dei terminali di qualsiasi
generatore di forza elettromotrice sufficientemente elevata, ma qualunque
apparecchiatura viene utilizzata, è importante che il tubo ha l'aria
all'interno rimosso ad un grado elevato, altrimenti potrebbe rivelarsi del
tutto inefficace. La lavorazione, o circuito di scarico collegato ai terminali T e T' del condensatore, comprende, in questo caso, il p avvolgimento
primario di un trasformatore e un controller di circuito comprende un terminale
fisso o spazzola t e un terminale mobile t’
a forma di ruota, con la conduzione e isolante segmenti, che può essere ruotato
ad una velocità arbitraria da qualsiasi mezzo adatto. In relazione induttiva al
p avvolgimento primario, è s avvolgimento secondario, di solito di
un numero molto maggiore di spire, per cui estremità è collegato un ricevitore R. I terminali del condensatore essendo
collegati come mostrato, una a una piastra isolante P e l'altra ad una piastra messa a terra P'. Quando il tubo S è eccitato, raggi o flussi di materia
sono emessi da esso e questi trasmettono una carica positiva alla piastra P e T terminali condensatore, mentre il condensatore terminale T' sta ricevendo continuamente
elettricità negativa dalla piastra P'.
Come già spiegato, questo si traduce in un accumulo di energia elettrica nel
condensatore, e questo continua finché il circuito comprendente l'avvolgimento
primario p è interrotto. Ogni volta che il circuito è chiuso dalla rotazione
del terminale t', l'energia
accumulata viene scaricata attraverso l'avvolgimento primario p, dando luogo a
correnti indotte nel secondario s avvolgimento, che opera il ricevitore R.
E 'chiaro da quanto è stato detto
sopra, che se il terminale T' è
collegato ad una piastra di alimentazione elettrica positiva anziché negativa,
allora i raggi dovrebbe trasmettere elettricità negativa alla piastra P. La sorgente S può essere qualsiasi forma di Roentgen o Leonard tubo, ma è ovvio
dalla teoria dell'azione che per essere molto efficace, gli impulsi eccitanti
dovrebbe essere totalmente o prevalentemente di un segno. Se ordinarie correnti
alternate simmetriche sono impiegati, quindi è opportuno prevedere per
permettere ai raggi di cadere sulla piastra P solo nei periodi in cui sono in grado di produrre il risultato
desiderato. Ovviamente, se la sorgente di radiazione è interrotto o
intercettato, o l'intensità variabile in modo tale da interrompere
periodicamente o variando ritmicamente la corrente di eccitazione della
sorgente, ci saranno cambiamenti corrispondenti nella azione sul ricevitore R, e quindi i segnali possono essere
trasmessi e molti altri effetti utili prodotti. Inoltre, si comprenderà che
qualsiasi forma di circuito più stretta che risponderà, o essere stabiliti in
funzione quando una predeterminata quantità di energia viene immagazzinata nel
condensatore, può essere usato al posto del dispositivo già descritto in
connessione con Fig.2.
Il secondo brevetto richiede l'apparecchiatura di
essere sintonizzato a un quarto della lunghezza d'onda degli impulsi di energia
vengono raccolti. Questo brevetto illustra un metodo di trasmissione e un
metodo di ricezione, ma la nostra preoccupazione principale qui è la sezione di
ricezione mostrato sulla destra del diagramma come che può ricevere impulsi di
energia naturale nell'ambiente e fornisce così libera energia utilizzabile.
Come si può essere un po 'difficile da
visualizzare la disposizione della bobina in questo brevetto come molte persone
hanno familiarità con la "bobina di Tesla" accordo in cui vengono
utilizzati un paio di giri di filo di spessore o di rame come un avvolgimento
posto attorno una bobina normale cilindrico, molto come, questa illustrazione
da Tesla brevetto US 568178:

In questo caso dovrebbe essere capito che Tesla è
parlare di suo design bobina piatto "frittella" e non la ben nota
configurazione Bobina di Tesla.
Brevetto U.S.
649.621 15 Maggio
1900 Inventore: Nikola
Tesla
APPARATO PER LA TRASMISSIONE DI ENERGIA
ELETTRICA
A tutti chi può
interessare:
Si rende noto che io, Nikola Tesla, un
cittadino degli Stati Uniti, residente nel quartiere di Manhattan, nella città,
contea e stato di New York, hanno inventato alcuni nuovi miglioramenti e utili
in apparecchi per la trasmissione di energia elettrica, di cui il seguente è
una specifica, riferimento essendo dovuto al disegno allegato e facente parte
della stessa.

Questa applicazione è una
divisione di una domanda presentata da me il 2 settembre 1897, US 650343 dal
titolo "Sistemi di trasmissione di energia elettrica" e
si basa sulle caratteristiche nuove e utili e combinazioni di apparecchi
illustrate e descritte nella domanda di brevetto.
Questa invenzione comprende una
bobina di trasmissione o conduttore in cui si producono correnti elettriche o
oscillazioni e che è disposta per causare queste correnti o oscillazioni essere
propagate per conduzione attraverso il mezzo naturale da una posizione ad una
posizione remota, e una bobina di ricezione o conduttore adattato essere
eccitati dalle oscillazioni o correnti propagate dal trasmettitore.
Questo apparato è illustrato
nel diagramma di accompagnamento in cui A
è una bobina, generalmente di molti giri e di diametro molto grande, avvolto a
spirale, attorno a un nucleo magnetico o non può essere desiderato. C è una seconda bobina formata da un
conduttore di dimensioni molto più grandi e più piccoli lunghezza, avvolto
attorno e in prossimità della bobina A.
L'apparecchio in un punto viene
usato come un trasmettitore, la bobina A
in questo caso formare una alta tensione secondaria di un trasformatore, e la C bobina primaria che opera ad una
tensione molto più bassa. La sorgente di corrente per l'avvolgimento primario
viene contrassegnato G. Un terminale
dell'avvolgimento secondario A è al
centro della bobina a spirale, e da questo terminale corrente è guidato da un
conduttore B ad un terminale D, preferibilmente di grande
superficie, costituita o mantenuta da mezzi come un palloncino ad una
elevazione adatte ai fini della trasmissione. L'altro terminale
dell'avvolgimento secondario A è
collegato a terra, e se desiderato, per l'avvolgimento primario anche in modo
che l'avvolgimento primario può anche essere sostanzialmente alla stessa
tensione le porzioni adiacenti dell'avvolgimento secondario, in modo da
garantire la sicurezza.
Alla stazione ricevente, un
trasformatore di costruzione simile è usato, ma in questo caso la bobina A 'costituisce l'avvolgimento primario
e più breve la bobina C' è
l'avvolgimento secondario. In questo circuito di ricezione, lampade L, M motori o altri dispositivi per
l'utilizzo di questa corrente, sono collegati. L'elevata terminale D' collega con il centro della bobina A' e l'altro terminale è collegato a
terra e preferibilmente, inoltre, alla bobina C' ancora per motivi di sicurezza di cui sopra.
La lunghezza della bobina di
filo sottile in ogni trasformatore dovrebbe essere circa un quarto della
lunghezza d'onda del disturbo elettrico nel circuito, la stima essendo basata
sulla velocità di propagazione del disturbo attraverso la bobina stessa e il
circuito con cui è progettato per essere utilizzato. A titolo di esempio, se il
tasso al quale i flussi di corrente attraverso il circuito contenente la bobina
è 185,000 miglia al secondo, quindi una frequenza di 925 Hz manterrebbe 925
nodi fissi in un circuito 185,000 miglia lunga e ogni onda sarebbe di 200
miglia lunghezza.
Per una bassa frequenza, che
potrà essere fatto ricorso a quando è indispensabile per il funzionamento di
motori ordinari, userei una ferita da un avvolgimento secondario 50 miglia filo
di lunghezza. Regolando la lunghezza del filo nell'avvolgimento secondario, i
punti di massima tensione sono fatti coincidere con i terminali elevati D e D', e si comprenderà che qualsiasi lunghezza del filo è scelto,
questo requisito lunghezza deve essere rispettata per per ottenere i migliori
risultati possibili.
Si comprende facilmente che,
quando questi rapporti esistono, le migliori condizioni di risonanza tra la
trasmissione e la ricezione circuiti sono raggiunti e per il fatto che i punti
di massima tensione nelle bobine A e
A' sono coincidenti con i terminali
elevate, la massimo flusso di corrente si svolgerà nelle due bobine e questo
implica che la capacità e l'induttanza in ciascuno dei circuiti hanno i valori
che producono il più perfetto sincronismo con le oscillazioni.
Quando la sorgente di corrente G è in funzione e produce rapidamente
pulsanti o oscillante correnti nel circuito della bobina C, corrispondenti correnti indotte di tensione molto più elevata
vengono generati nella bobina secondaria A,
e dal fatto che la tensione della bobina aumenta gradualmente con l' numero di
spire verso il centro, e la differenza di tensione tra spire adiacenti è
relativamente piccola, una tensione molto elevata viene generata, che non
sarebbe possibile con bobine ordinarie.
Poiché l'obiettivo principale è
quello di produrre una corrente con tensione troppo alta, questo obiettivo è
facilitato utilizzando una corrente nell'avvolgimento primario che ha una
frequenza molto considerevole, ma che frequenza è in larga misura, arbitraria,
perché se la tensione è sufficientemente elevata ed i terminali delle bobine
essere conservati alla giusta altezza dove è rarefatta atmosfera, lo strato di
aria servirà come mezzo conduttore con resistenza ancora meno attraverso un
conduttore ordinario.
Come per l'elevazione di
terminali D e D', è evidente che questa è una questione che sarà determinata da
un certo numero di cose, come la quantità e la qualità del lavoro da eseguire,
la condizione della atmosfera e la carattere della campagna circostante.
Quindi, se ci sono alte montagne nella zona, quindi i terminali dovrebbe essere
ad una altezza superiore, e in generale, dovrebbero essere a quota molto
maggiore di quella degli oggetti più vicino a loro. Poiché, con i mezzi
descritti, praticamente qualsiasi tensione che è desiderato può essere
prodotto, le correnti attraverso gli strati d'aria può essere molto piccolo,
riducendo la perdita in aria.
L'apparato della stazione
ricevente risponde alle correnti propagato dal trasmettitore in un modo che
sarà ben compreso dalla descrizione che precede. Il circuito primario del
ricevitore - cioè, la bobina del filo sottile A' - è eccitata dalle correnti propagate per conduzione attraverso
il mezzo interposto naturale tra esso e il trasmettitore, e queste correnti
inducono nella bobina secondaria C',
altre correnti che sono usati per azionare i dispositivi collegati a tale
circuito.
Ovviamente, le bobine di
ricezione, trasformatori o altri apparecchi possono essere mobili - come per
esempio, quando sono effettuate da una nave galleggiante in aria o da una nave
in mare. Nel primo caso, il collegamento di un terminale dell'apparecchiatura di
ricezione a terra non potrebbe essere permanente, ma potrebbe essere intermittente
o induttivo stabilito.
Va notato che il suggerimento di Tesla di
utilizzare la busta conduttivo di un palloncino appositamente costruito come un
buon metodo di aumentare la superficie attiva della piastra elevata ricevente,
è uno che è stato ripreso da Hermann Plauson quando costruiva centrali operanti
sulla natura che si verificano energia.
Questo tipo di informazioni possono sembrare
confuso e forse un po 'troppo tecnico per voi, quindi lasciate che vi dica
sulle applicazioni pratiche e utili utilizzate da Jes Ascanio, uno sviluppatore
danese, grazie ai quali è dovuta per condividere il suo progetto. Inizialmente,
ha istituito un sistema per ricaricare la batteria del telefono cellulare
durante la notte da un'antenna. Poi ha continuato a produrre un full-size Tesla
Sistema antenna come descritto all'inizio di questo capitolo. Cominciamo con il
sistema molto semplice e il progresso da quello a regime più potenti.
Il circuito iniziale usa un filo di filo solido che si innalza verticalmente per un fusto di 700 mm di diametro dove ci sono una ventina di giri. La disposizione è così:

Il filo dell'antenna è lunga diversi metri, e nel
prototipo, è stato supportato da (e isolato) la grondaia di una casa. L'antenna
dovrebbe essere verticale o quasi verticale e un collegamento di terra previsto
guidando un'asta metallica in terra o collegare un cavo ad una piastra metallica
e seppellendo la piastra nel terreno come un buon collegamento elettrico è
necessario qui. Il collegamento di terra qui usato è un tubo di rame 12 mm 3
metri, conficcati nel terreno e il terreno circostante saturato con acqua:

Il filo utilizzato per la connessione con l'asta di messa a terra è molto importante e non deve essere inferiore a 8 fili di rame SWG, cioè 4 mm di diametro e 13 mm quadrati. sezione trasversale. Come per tutti i free-energy, i dettagli esatti costruttivi sono di vitale importanza.
I diodi utilizzati sono germanio 1N34 o 1N34a che
sono particolarmente adatte a questa applicazione. Tipi di dischi in ceramica
sono consigliati per i 200 nF condensatori. Il prototipo costruito utilizzando
parti di televisori scartati si presentava così:


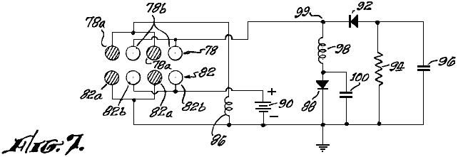
Ora, considerare questo circuito come descritto,
per essere un blocco di costruzione modulare che può portare a un potere
illimitato da un'antenna. I rappresenterà il circuito mostrato sopra come un
rettangolo, che mostra il circuito sopra come:

Mentre è possibile utilizzare più di un modulo con
l'antenna per ottenere più potenza, l'autore danese poi passato alla piena
disposizione Tesla attaccando un 600 x 800 x 2 mm alluminio piastra interna del
tetto spiovente di casa:

La piastra di sospensione con cordino in nylon per
evitare che toccare il tetto o qualsiasi altra cosa:

La piastra è posizionata tra 3 e 3,5 metri (10 a
12 piedi) al di sopra del suolo e l'attaccamento alla piastra è anche
resistente 8 swg cavo:

Il cavo è collegato alla piastra di alluminio
usando un bullone ottone e dadi pensa che il costruttore può essere
significativo, a prescindere da evitare qualsiasi connessione galvanitic al
circuito. Il cavo viene quindi eseguito verticalmente verso il basso al
circuito. Per questa disposizione un punto di messa a terra secondo anche
usato. Questo è un tubo di ferro zincato 3 metri, guidato verticalmente nel
terreno che viene saturato con acqua. La terra secondo è 2 metri di distanza
dalla terra prima e non vi è alcun significato noto l'uso di un tubo di ferro
come utilizzato perché era a mano al momento..
Questa disposizione fornisce energia seria, abbastanza da causare lesioni, o uccidere un essere umano disattento. Con due moduli, si illumina un LED molto luminosi, la guida è a 2,6 volt. Se il LED è rimosso, quindi la tensione sale a circa 20 volt ed è facilmente sufficiente per caricare una batteria 12V o di batterie, anche se questo richiede tempo. Con venti moduli una batteria da 12V può essere caricata durante la notte. Si stima che con 200 moduli, la potenza sarebbe sufficiente per alimentare una famiglia anche se non è ancora stato fatto. Va ricordato che ogni modulo è facile ed economico da realizzare, così predisporre una pila di loro dove moduli aggiuntivi possono essere aggiunti in un secondo momento per potenza, è una soluzione ideale. Il circuito è così:

Questo circuito sembra completamente folle come
ingresso antenna al circuito sembra essere direttamente cortocircuitato
mediante il collegamento di terra secondo. Nonostante questo, il circuito
funziona molto bene quando collegato in questo modo. Moduli aggiuntivi possono
essere aggiunti senza alcun limite noto. Aumento di potenza può essere dovuto
da ciascuna sollevando la piastra di alluminio superiore dal suolo, per dire,
10 metri (33 piedi), o con l'aggiunta di una o più piastre antenna addizionali.
Come si ha una buona antenna collegata tramite una terra molto buona, ci deve
essere la possibilità del dispositivo che viene colpito da un fulmine, e così
si raccomanda una protezione spinterometro è installato tra l'antenna e la
terra, vicino a il circuito, in modo che se ad alta tensione viene applicata
improvvisamente all'antenna, lo spinterometro scatta e shunt la potenza in
eccesso attraverso la terra. In alternativa, possibilmente una soluzione
migliore è quella di installare un sistema standard parafulmine pochi metri
dall'antenna e uno o due metri più in alto, in modo da formare un punto più
attraente per un fulmine.
Ulteriore sperimentazione ha dimostrato che
modificando il punto di connessione per l'antenna ha un effetto significativo
sui risultati. Se la connessione viene effettuata nel punto centrale tra la
piastra di antenna e la connessione di terra, produce un produzione maggiore:

Con questa disposizione un singolo modulo produce
circa 30 volt mentre l'originale metodo di collegamento vicino la terra stava
dando circa 26 volt con due moduli. Jes
Ascanius ha effettuato ulteriori sperimentazioni e afferma che i diodi con tempi
sotto 30 millisecondi di risposta producono un output maggiore e si raccomanda
l'uso di diodi BYV27 che hanno un punteggio di 200-volt 25nS come egli ottiene
tre volte l'uscita da li. Egli
raccomanda anche loro utilizzo nei circuiti di Joule Thief.
Dragan Kljajic ha sperimentato questo circuito e
ha iniziato con la costruzione di molti di questi moduli su un circuito
stampato come questo:


L'uso di due
di queste schede, Dragan sta tirando 96 watt in continuo dal piatto
dell'antenna. Si intende estendere
questa disposizione molto di più, ma è ostacolato al momento da una guerra
civile locale.
Ecco un forum: http://www.energeticforum.com/renewable-energy/10947-jes-ascanius-radiant-collector.html dove alcuni costruttori di questo
sistema di commenti parti. Un commento è che ci sia un aumento del rischio di
un colpo di fulmine in cui si dispone di un'antenna collegata a terra, e quindi
è consigliabile non collocare la piastra antenna all'interno di una casa, ma
forse sospeso tra due alberi. Inoltre, utilizzando una candela auto collegato
tutto il set modulo può proteggere contro fulmini danneggiare la circuiteria.
Come risultato di query, Jes sottolinea i seguenti punti:
1. La piastra deve
essere alto da terra.
2. La piastra deve
essere lucidato e isolati.
3. Il filo deve
essere a singolo filamento filo pieno.
4. Non
deve esserci alcuna parte del filo sopra il circuito, che non è
isolato.
Egli ulteriori commenti: è possibile utilizzare un
foglio di alluminio e pellicola trasparente per rendere piatti da collezione
molte 0,4 mx 5 m e collegarli vicini per alimentare il filo dell'antenna.
Ricorda, nessun filo non isolato da nessuna parte. Ogni domanda deve essere
chiesto sul forum indicato sopra.
Una modifica di
questo circuito di Jes Ascanius di uno sviluppatore che preferisce rimanere
anonimo, raddoppia la potenza di ogni modulo con l'aggiunta di un'immagine
speculare del circuito come questo:

Come si può vedere, l'aggiunta è di quattro diodi
e due condensatori ceramici.
In questo campo, Thomas Henry Moray è eccezionale.
Nel 1936 aveva sviluppato un apparato che è stato in grado di mettere fuori ad alta
potenza con nessun essere umano generato tensione di alimentazione di tutte le.

provato molte volte. In decine di occasioni, ha
dimostrato l'apparecchiatura alla guida di una banca di venti lampadine da
150W, oltre a un riscaldatore 600W, oltre a un ferro da 575W (per un totale di
4,175 kW). La potenza raccolto da questo dispositivo necessari fili di diametro
solo piccole e hanno caratteristiche diverse da elettricità convenzionale. Una
dimostrazione che è stato ripetuto più volte, era di mostrare che il circuito
di potenza di uscita potrebbe essere rotto e una lastra di vetro ordinario
posta tra le estremità tagliate del filo, senza interrompere l'alimentazione.
Questo tipo di energia è detta "Elettricità Fredda", perché i fili
sottili che trasportano carichi di potenza maggiori, non surriscaldare. Questa
forma di energia è detto a fluire in onde che circondano i conduttori di un
circuito e non effettivamente attraverso i fili del tutto. A differenza di
energia elettrica convenzionale, non utilizza elettroni per la trasmissione ed
è per questo che può continuare attraverso una lastra di vetro, che si fermava
di energia elettrica convenzionale morto nella sua tracce.
In una occasione, Moray ha preso il suo apparecchio lontano da tutte le aree urbane in un luogo scelto a caso da un critico. Poi impostare l'apparecchiatura e ha dimostrato la potenza di uscita, ben lontano da ogni uomo generato induzione elettrica. Egli scollegato l'antenna e ha dimostrato che la potenza interrotta immediatamente. Ha collegato l'antenna di nuovo per generare l'uscita come prima. Ha poi staccato il collegamento a terra che fermò l'uscita di nuovo. Quando il filo di terra è collegato di nuovo, la potenza di uscita restituito. Ha scoperto che il livello di potenza in uscita è sceso un po 'di notte. L'antenna utilizzata nelle sue manifestazioni è stato segnalato per essere come questo:

Attrezzature Moray si dice che abbia contenuto un
diodo al germanio da lui stesso costruito nei giorni precedenti dispositivi a
stato solido è diventato immediatamente disponibili. L'apparecchiatura è stata
esaminata e Da cui si può notare che anche un filo dell'antenna relativamente
breve non sospesa lontano dalla terra, è in grado di raccogliere notevoli
quantità di energia elettrica utilizzabile. La terra utilizzata nelle
manifestazioni remoti era una lunghezza del tubo del gas che è stato martellato
nel terreno. È stato osservato che, come ogni colpo di martello guidato il tubo
più in profondità nella terra, le lampadine (che formano il carico elettrico)
splendeva più luminoso, che indica che la qualità della connessione di terra è
molto importante quando seria potenza viene disegnata da un'antenna.

Thomas ha sviluppato diverse versioni del
dispositivo, l'ultima delle quali non aveva bisogno il collegamento
dell'antenna o terra, pesava 60 chili e aveva una potenza di 50 kilowatt.
Questo dispositivo è stato testato sia in un aereo e un sottomarino, mostrando
quindi il dispositivo di essere completamente autonomo e portatile. È stata anche
testata in posizioni che sono stati completamente schermati dalla radiazione
elettromagnetica.
Con i suoi
dispositivi successivi, Moray lascia la zona di antenne e si muove nella stessa
categoria come Barbosa e Leal, quei due uomini brasiliani estrazione 192
kilowatt di
Moray venne ferito in un attentato nel suo
laboratorio. Questo gli fece cambiare il vetro con la sua macchina a prova di
proiettile di vetro. E 'stato più volte minacciato. La sua attrezzatura
dimostrazione è stato distrutto con un martello. Quando le minacce sono state
fatte contro la sua famiglia, ha smesso di ricostruire la sua attrezzatura e
sembrava aver rivolto le sue attenzioni ad altre cose, la produzione di un
dispositivo per il trattamento 'terapeutico' medica.
Nel suo libro
"The Energy Machine of T. Henry Moray", Moray B. King fornisce
ulteriori informazioni su questo sistema. Egli afferma che Moray è stato negato
il brevetto per il fatto che l'esaminatore non ha potuto vedere come il
dispositivo potrebbe produrre così tanto potere, quando i catodi delle valvole
non sono stati riscaldati. Moray è
stato concesso brevetto US 2.460.707 il 1 ° febbraio 1949 per un apparecchio
per elettroterapia, in cui ha incluso la specifica per i tre valvole utilizzate
nel suo dispositivo di potenza, a quanto pare perché voleva loro di essere
oggetto di un brevetto. Per quanto si può vedere, la valvola mostrato qui è un
tubo oscillatore. Moray ha sostenuto che questo tubo ha avuto la capacità molto
elevata di 1 Farad quando funziona a sua frequenza di risonanza. Moray piaceva
usare quarzo in polvere come dielettrico nei condensatori che ha fatto, e aveva
l'abitudine di miscelazione in sali di radio e di minerali di uranio con il
quarzo. Questi materiali possono anche essere importante nella produzione di
ionizzazione in questi tubi e ionizzazione che potrebbe essere importante nel
toccando il campo energetico.

Il tubo mostrato sopra ha un sei strati
condensatore formato da due U anelli metallici circolari con lo spazio tra essi
riempito con un materiale dielettrico. Le piastre sono mostrati in rosso e blu,
mentre il dielettrico viene visualizzato in verde. All'interno del
condensatore, vi è un anello separato di materiale dielettrico (eventualmente
costituito da un materiale differente) ed un anello interno di metallo ondulato
per formare uno ione brush-elettrodo di scarica. Gli attacchi del condensatore
e l'elettrodo sono prese per perni della base del tubo.
Quarzo è suggerito per il materiale del
rivestimento esterno del tubo e l'elemento di filo numerato 79 nel diagramma è
detto essere un elemento di riscaldamento destinata ad essere alimentato da una
sorgente a bassa tensione di corrente. Tuttavia, come Moray aveva una
precedente domanda di brevetto rifiutata per il fatto che non vi era alcun
elemento riscaldante nei suoi tubi, è decisamente possibile che l'elemento
riscaldante mostrato qui è spurio, e disegnato esclusivamente per evitare il
rigetto dagli esaminatori. Nel suo brevetto, Moray si riferisce al condensatore
in questo tubo, come un condensatore "scintille", quindi potrebbe
essere stato lo guida con tensioni troppo elevati che hanno causato rottura
ripetuta del materiale condensatore.

Il tubo di Fig.16 sopra, utilizza una tecnica
diversa in cui viene utilizzato un tubo a raggi X per bombardare un elettrodo
ondulato attraverso una schermata contenente una radiografia finestra. Si pensa
che una breve esplosione di raggi X è stata utilizzata per innescare molto
brevi, taglienti raffiche di ioni tra l'anodo e il catodo del tubo e questi
raccogliere energia extra ad ogni scoppio.
Una versione alternativa di questo tubo è mostrato
in Fig.18 seguito. Qui la costruzione è piuttosto simile ma invece di una
radiografia finestra, una lente e riflettore sono utilizzati per provocare la
ionizzazione del canale commutazione tra anodo e catodo. In entrambi i tubi,
l'elettrodo ondulato supporta una corona accumulo appena prima della breve
raggi X commutazione di impulso, e si ritiene che gli ioni contribuiscono alla
intensità degli impulsi risultanti che emergono dal tubo. Molto brevi impulsi
unidirezionali sono in grado di provocare condizioni in cui l'energia
supplementare può essere raccolto. Da dove viene questa energia extra venire?
Nel 1873, James Clerk Maxwell pubblicò il suo "Trattato di elettricità e
magnetismo" e in esso ha sottolineato che il vuoto contiene una notevole
quantità di energia (Vol. 2, pag. 472 e 473). John Archibald Wheeler della
Princeton University, un fisico di primo piano che ha lavorato al progetto
della bomba atomica degli Stati Uniti, ha calcolato la densità di flusso del
vuoto. L'applicazione di E = mC2 formula indica che vi è abbastanza
energia in ogni cc 1 di spazio "vuoto", per creare tutta la materia
nell'universo visibile che può essere visto con i nostri telescopi più potenti.
Tale quantità di energia è così grande da essere al di là di ogni
immaginazione. Questo campo di energia è denominato "Energia
Universale", "Energia Cosmica" o "Zero Point Energy".
Al momento, non abbiamo alcuno strumento che risponde direttamente a questa
energia e quindi è quasi impossibile misurare.
L'esistenza di questo campo di energia è ormai
ampiamente accettato dalla scienza ufficiale e si è confermato dalla situazione
presente a livelli quantici. E 'opinione comune che questa energia è caotico in
forma e di energia utili per trarre da da esso, ha bisogno di essere
ristrutturata in una forma coerente. Sembra che unidirezionali impulsi
elettromagnetici di un millisecondo o meno, può essere utilizzato per provocare
la ristrutturazione necessaria poiché generano un'onda esteriore coerente di
energia radiante, da cui si può estrarre energia per l'uso nella maggior parte
dispositivi elettrici, se un recettore adatto sistema viene utilizzato. Tom
Bearden afferma che a livello quantistico, l'energia ribollente di questo campo
appare continuamente come cariche positive e negative. Dal momento che questi
sono distribuiti uniformemente, la carica netta in qualsiasi punto è sempre
zero. Se un "dipolo" (due cariche opposte vicino l'un l'altro) è
stato creato da nessuna parte, quindi polarizza il campo energetico
interrompere la distribuzione di cariche, anche in precedenza e causando enormi
flussi di energia per irradiare verso l'esterno del dipolo.
Un impulso di tensione agisce come un dipolo,
purché l'aumento di tensione è abbastanza veloce, ed è ciò che provoca un'onda
di energia radiante ventaglio dalla posizione dell'impulso di tensione.
Batterie e magneti dipoli creano continue e quindi causare il locale campo di
energia quantica per l'invio di flussi continui di enorme potenza che possono
essere utilizzati, se (e solo se) si sa come farlo. La ricerca di meccanismi
per catturare e usare anche una piccola parte di questi flussi di energia è ciò
che il campo "energia libera" della ricerca è tutto. Alcuni dicono
che non esiste una cosa come "free-energy" perché si deve pagare per
il dispositivo che cattura. E 'come fare un viaggio in autobus a una
concessionaria di auto dove si stanno dando via auto nuove, e dicendo che la
vostra auto nuova non era una macchina "libero", perché si doveva
pagare un biglietto per l'autobus per raggiungere la concessionaria.

Moray King suggerisce che il circuito utilizzato da Thomas Henry
Moray era la seguente:

Non vi può essere dubbio che Thomas Henry Moray
costruito diverse versioni
E
'forse il momento di spiegare un po' più su, tensione, potenza e corrente. Ci
sono state sollevate con l'idea che è necessario "bruciare"
carburante per ottenere il potere, che le batterie "run down" quando
viene utilizzato e che si deve continuare a girare l'albero di un generatore
elettrico in grado di assorbire corrente da esso . Queste cose non sono in
realtà vere. Il campo relativamente recente della Meccanica Quantistica
dimostra che se una tassa, come ad esempio un elettrone ha, è posizionata in
quello che dovrebbe essere uno spazio "vuoto", non è solo. Lo spazio
"vuoto" è in realtà ribollente di energia, nella misura in cui
particelle "virtuali" stanno spuntando in esistenza per una frazione
di secondo e poi di nuovo scomparire. Essi sono chiamati "virtuale"
perché esistono per un tempo breve.
A causa
della carica negativa dell'elettrone, le particelle appaiono e scompaiono
intorno tutto sarà positivo in carica. L'elettrone ha "polarizzato"
lo spazio intorno a sé, perché ha una carica. L'istante che una particella
positiva "virtuale" appare, ci sono due cariche vicino all'altro -
meno sull'elettrone piú sulla particella. Quando si hanno due cariche opposte vicino
l'un l'altro, formano un "dipolo". Dipoli formare un passaggio
attraverso il quale l'energia dall'ambiente scorre continuamente. Un attimo
dopo, la particella scompare, ma il suo posto è immediatamente presa da
un'altra particella virtuale. Il risultato è un flusso continuo di energia che
fluisce fuori dal dipolo.
Le
batterie con i terminali positivo e negativo sono dipoli elettrici, lo sono
anche generatori quando l'albero di ingresso è filata. Magneti permanenti con i
poli nord e sud sono dipoli magnetici. Entrambi questi hanno flussi continui di
energia che li attraversano. Quindi, perché poi fare batterie si scaricano e
perdono la loro carica? La ragione è che i circuiti di potenza mediante un
anello chiuso. L'energia che scorre su un terminale fluisce nel terminale
opposta e distrugge istantaneamente il dipolo. Un nuovo dipolo deve essere
creato ogni frazione di secondo se il circuito è per fornire potenza, ed è che
autodistruttivo metodo di utilizzo che provoca la batteria si scarica o che
necessita l'albero del generatore di ruotare continuamente.
Se una
tecnica diversa operativo viene utilizzato, quando il dipolo non viene
continuamente distrutta, quindi dispositivi che possono fornire una corrente
continua di energia prelevata dall'ambiente naturale può essere costruito. Non
si tratta di magia, solo il prossimo passo nella scienza convenzionale e
ingegneria. Thomas Henry Moray ha gestito, inizialmente con l'antenna e la
terra come un cristallo impostato per fornire la dipolo, il suo dispositivo era
in grado di attirare molti chilowatt di energia dall'ambiente. Il carburante
non era necessaria, l'energia è già lì circonda tutti noi, tutto il tempo. Per
quanto ne so, nessuno è riuscito a replicare il dispositivo di Moray (che è
stata la ragione per questo essere repressi con la violenza), ma sapendo che è
esistito ed è stato più volte dimostrato di funzionare molto bene, è utile, in
quanto dimostra che è possibile toccare il massiccio del punto zero campo di
energia con un pratico, in casa costruita dispositivo.
Ecco
una raccolta di elementi supplementari di informazioni raccolte da varie fonti:
Moray
ha iniziato i suoi esperimenti con 'la presa di energia elettrica da terra la',
come egli la descrive, durante l'estate del 1909. Entro l'autunno 1910 si aveva
il potere sufficiente per alimentare un piccolo dispositivo elettrico, e ha
dimostrato la sua idea di due amici. Le prime fasi di questa dimostrazione
consisteva di operare una luce in miniatura arco. Divenne presto chiaro a lui
che l'energia non è statica e che la statica dell'universo sarebbe di alcun
aiuto a lui per ottenere il potere per il quale stava cercando.
Durante
le vacanze di Natale del 1911, cominciò a realizzare pienamente, che l'energia
con la quale stava lavorando, era di natura oscillante. Si rese anche conto che
l'energia non veniva dalla terra, ma invece, era venuta sulla terra da qualche
fonte esterna. Queste oscillazioni elettriche sotto forma di onde non erano
oscillazioni semplici, ma sono in aumento come le onde del mare, venendo
continuamente alla terra ma più di giorno che di notte, ma sempre arrivare a
vibrazioni dal serbatoio di energia colossale là fuori nello spazio. A questo
punto Moray è stato in grado di raccogliere energia sufficiente per accendere
una lampada da 16 candele di carbonio a circa la metà della sua capacità, ma
non è riuscito a ottenere alcun ulteriore miglioramento fino alla primavera del
1925.
Nel
1912 fu chiamato a Moray andare in missione per la Chiesa di Gesù Cristo dei
Santi degli Ultimi Giorni, e con un visto turistico è stato permesso di entrare
in Svezia durante l'Esposizione del 1912 a Stoccolma. Nel suo taccuino, datata
1 novembre 1913, ha incluso una nota dicendo che aveva ottenuto materiale da un
vagone ferroviario a Abisco, in Svezia l'estate precedente, anche un po 'più
materiale dal lato di una collina. Fece prove elettriche di questi materiali,
portandoli a casa per provare ciascuno come un rivelatore per la sua macchina
energia. I test hanno indicato che questo morbido, pietra bianca-come sostanza
potrebbe fare un buon "valvolare rivelatore". Questo "valvolare
rivelatore" è ciò che lo ha portato a fare ricerca in semi-conduttivi
materiali, e da questa pietra bianca e soffice ha sviluppato la sua prima
valvola e la valvola che è stato utilizzato in alcuni dei suoi primi
dispositivi energia radiante (filo d'argento di toccare un pietra può agire
come un raddrizzatore).
Moray
dimostrato che l'energia era disponibile dalle sue azioni su un carico
resistivo, ad esempio un ferro da stiro o una stufa di spazio, e da lampade di
illuminazione. Un dispositivo resistivo agisce come un carico che è
direttamente proporzionale alla quantità di energia fornita ad esso. Nel
riscaldare una stufa, o accendere una lampadina, il numero di watt prodotti può
essere calcolata come uguale al numero di watt fornite al dispositivo. Questa
energia viene alimentata in un carico di dare o calore, luce, o potenza. Un
motore può essere azionato ma deve essere progettato per funzionare su un
alimentatore ad alta frequenza. Il dispositivo di energia radiante utilizzata
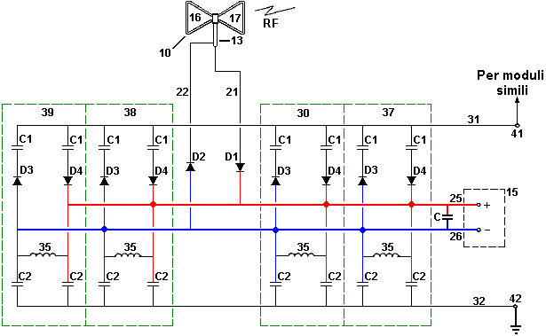
un'antenna e una terra collegato al suo solido stato circuito Energia Radiante:

Il diagramma mostrato sopra è riprodotta da uno schizzo
disegnato a memoria dopo aver visto lo schema elettrico di Moray. La persona
che ha attirato non capisce come funziona il circuito, quindi per favore
trattare questo diagramma come essere solo un suggerimento generale di ciò
circuito Moray potrebbe essere come. È molto più probabile che sia stata una
cascata di coppie di circuiti tampone contenenti valvola Moray, ciascuna coppia
essendo un circuito tank serie seguito da un circuito parallelo serbatoio, la
frequenza di oscillazione cadere con ogni coppia serbatoio e la potenza in
uscita aumenta con ciascuna vasca coppia. Moray circuito oscillante è stato
avviato azionando la U bobina con un magnete permanente per pochi secondi, e
quando il circuito inizia ad operare, quindi passare 'S' è stato chiuso,
rimuovere efficacemente l'U bobina dal circuito.
Moray è stato in grado di dimostrare che nessuna delle
energia di uscita è venuto da dentro il suo dispositivo. Internamente il
dispositivo era elettricamente morto quando non era stato collegato e
sintonizzato l'antenna. Quando il suo dispositivo è stato creato, avrebbe potuto
collegarlo a un'antenna e la terra, e da innesco per primo e poi messa a punto
come lui la mano di fondo, il dispositivo richiama in energia elettrica. Questa
energia ad alta frequenza elettrica prodotta fino a 250.000 volt e alimentato
una luce più luminosa di testimoni avevano mai visto prima. Carichi pesanti può
essere collegato al dispositivo senza oscuramento delle luci già ad esso
collegati. Questo dispositivo ha lavorato a molte miglia da qualsiasi fonte
conosciuta di energia elettrica come le linee di trasmissione di potenza o
segnali radio. Il dispositivo produce fino a 50.000 watt di potenza e ha
lavorato per lunghi periodi di tempo.
Moray inizialmente assunto che questa energia è di natura
elettromagnetica tuttavia, non ha mai sostenuto che fosse. Egli ha assunto in
un primo momento che questa energia è venuto dalla terra, ma in seguito ha
creduto che scorreva nel dall'universo. Alla fine cominciò a credere che fosse
presente in tutto lo spazio lo spazio, intermolecolare così come lo spazio terrestre
e celeste. Non necessariamente capire come le sue rivelatori in funzione, solo
che se ha costruito il dispositivo con molta attenzione secondo i suoi calcoli
avrebbe funzionato. Era in grado di dimostrare l'esistenza di una energia che
oggi, anche se non è stato identificato o provato, è stato teorizzato da molti
ricercatori.
Il più grande strumento era di circa 6 cm di altezza, di
forma circolare e di circa 8 cm di diametro. Siamo andati sul tetto del pollaio
trasportare il dispositivo su una scheda piccola redazione, eretta un'antenna
sul tetto della gabbia, l'antenna essendo a circa 100 metri dalla casa. Abbiamo
tirato le principali opzioni della riga in casa prima di uscire sul tetto. Sig.
Judd aveva Moray spostare il tavolo da disegno da un luogo all'altro e ha anche
esaminato l'interno della coop per le apparecchiature nascoste. La macchina è
stata poi assemblata in sua presenza e il dispositivo è stato avviato. Sig.
Judd mi cronometrato per vedere quanto tempo ci sarebbe voluto per portare ottenere
il funzionamento della luce. Sono stato in grado di accendere la lampada CGE
alla sua piena luminosità e per riscaldare un vecchio ferro da stiro elettrico
Hotpoint al punto frizzante, che ha richiesto 655 watt. Sig. Judd ha chiesto
l'antenna essere scollegato. Quando questo è stato fatto, la luce si spense.
L'antenna è stata collegata di nuovo e la luce riapparve. Abbiamo guidato una
nuova asta di messa a terra in un punto scelto dal sig Judd, ha una connessione
al punto di terra nuova e la luce fioca bruciato, ma è venuto più luminoso e
brillante come l'asta di messa a terra nuova è stato guidato sempre più in
profondità nel terreno.
Se il terreno o l'antenna è lasciato scollegato per
troppo tempo, il dispositivo diventa elettricamente morto e deve essere
restituita, al fine di recuperare il flusso di energia. Il dottor Eyring
trovato alcuna colpa con la dimostrazione e la cosa peggiore che poteva dire in
proposito è che potrebbe essere l'induzione, ma che se Moray avrebbe preso il
dispositivo in montagna, lontano da tutte le linee di alimentazione, una
distanza di tre o quattro miglia, e poi gestito, avrebbe poi riconoscere che
non poteva essere l'induzione e che la sua teoria era sbagliata.
Alla fine hanno deciso di salire Canyon emigrazione, come
non ci sono linee elettriche in quel canyon. Tutti e tre i signori erano molto
ben soddisfatto e contento di quello che hanno visto. Il cavo dell'antenna è
stato messo senza alcun aiuto o le istruzioni del signor qualunque Moray,
tranne che ha suggerito che il filo essere allungato più stretto per evitare
tanto l'abbassamento al centro. Questo è stato fatto e il filo poi sembra
sgombrare il terreno di circa 7 o 8 metri al suo punto più basso. Il tubo di
terreno era di mezzo pollice tubo di acqua costituito da due sezioni. La parte
inferiore è stato sottolineato alla fine per fare la sua guida nel letto del
torrente facile. E 'stato circa 6 metri di lunghezza e dopo essere stato fatto
scendere circa 5 metri la seconda sezione, che era di circa 4 metri di lunghezza,
è stato avvitato con una chiave e il tubo di spinta più in basso fino a quando
non ha colpito un oggetto duro, quindi circa 7 metri di tubo era nel terreno.
Il cavo dell'antenna è stato isolato dai poli con due
isolatori in vetro di circa 6 centimetri di lunghezza e con fori in entrambe le
estremità. Un pezzo di filo di circa 2 metri di lunghezza collegato ogni
isolatore con il polo. Il lead-in filo è stato fissato al filo dell'antenna in
un punto a circa 10 o 15 metri dal polo est. Ho aiutato il signor Moray saldare
la connessione. Camminai la distanza tra i due poli di antenna e valutato per
essere 87 piedi. Attrezzature Mr Moray, a parte l'antenna e cavi di terra,
consisteva in una scatola marrone delle dimensioni di una scatola di burro, un
altro box leggermente più piccolo non verniciata, una scatola di cartone di
fibra di circa 6 "x 4" x 4 ", che il sig Moray di cui al come
contenente i tubi, e una zoccolatura metallica circa 14 "x 4" x 1
"contenente quello che sembrava essere un magnete ad una estremità, un
interruttore vicino al centro ed un recipiente per una lampadina elettrica
all'altra estremità. Ci sono stati anche diversi posti per il collegamento cavi
sul battiscopa.
Quando tutti i cavi sono stati collegati e tutto era
pronto, il signor Moray iniziato messa a punto in Prima messa a punto, ha posto
la chiave sul posto: ha detto che sarebbe stato in contatto mentre la spia di
luce bruciata, ma non è apparso. La sintonizzazione consisteva accarezzare fine
di un magnete attraverso due sporgenze metalliche sporgenti da quanto
summenzionato come 'una calamita'. Dopo la messa a punto per poco più di 10
minuti il tasto è stato messo sul post
operativo e la luce apparve immediatamente. Mr Moray mettere la chiave sul post
operativo due o tre volte prima, durante l'operazione di messa a punto, ma la
luce non è apparso. Abbiamo consentito la luce di bruciare per 15 minuti. A mio parere, lo
splendore della luce proveniente dalla lampadina da 100 watt, circa il 75% è
stato brillante come una lampadina da 100 watt collegato ad una presa di casa
normale. Era una luce costante, senza oscillazioni di sorta.
Mentre la luce ardeva sig Moray scollegato l'antenna cavo
adduttore dal dispositivo e la luce si spense. Lo collegato di nuovo e la luce
apparve. Egli ha anche scollegato il cavo di terra e la luce si spense. Ha poi
collegato e la luce apparve di nuovo.
In un'altra dimostrazione, il signor Moray aperto il
dispositivo e far vedere a tutti tutto, tranne una piccola parte che ha messo
la mano sopra e si nascose nel pugno. Questa parte ha tagliato e messo nel
taschino del panciotto. Tutto il resto, la gente era permesso di esaminare a
loro piacimento. "Se questa parte è in grado di effettuare tale potere in
sé, allora è un po 'periferica e la vendita vale la pena. Tale batteria
varrebbe la pena", sono state alcune delle osservazioni formulate.
In diverse occasioni il dottor Moray sarebbe scollegare
il cavo dell'antenna momentaneamente, ma non abbastanza a lungo per perdere la
luce. In scollegare e collegare il cavo dell'antenna un lampo di energia
elettrica può sempre essere visto al
In una dimostrazione nel 1928, l'antenna utilizzata è
stata di circa 200 metri di lunghezza e posizionato circa 80 metri da terra: il
cavo è un cavo di rame di circa un quarto di un pollice di diametro, e ben
isolati. Il collegamento di terra è stato utilizzato il tubo dell'acqua nel
seminterrato della casa del dott Moray. Il dispositivo è stato montato in un
tronco attraverso i lati dei quali fori per le connessioni a terra e l'antenna
e per l'osservazione, i fori sono stati circa mezzo pollice di diametro.
C'erano due scatole da circa 10 20 da 4 pollici, uno sopra l'altro; entrambi
sono stati chiusi e le coperte fissato con viti. Nella finestra superiore
giaceva un pannello isolante su un pollice di spessore di 15 centimetri di
lunghezza e 3 centimetri di larghezza, ma era fatto di ardesia o di gomma dura
o altro materiale di aspetto simile. Su questo erano due morsetti che possono
essere collegati tra loro da un piccolo interruttore, anche montato su questo
pannello è un oggetto circa 2,5 centimetri quadrati, avvolto in nastro attrito,
dalla quale sporgono due poli circa 1/4-pollice di diametro, apparentemente
vagliare ferro. Due prese lampadina stati collegati in circuito. In uno di
questi c'era una lampadina da 20 watt, e l'altra in una lampadina da 100 watt.
Dr. Moray poi ha preso un magnete, che era una molto
ampia, U breve membra, e cominciò ad accarezzare un polo di essa sui pali del
corpo registrato. Il signor Jensen messo le dita sui morsetti più volte, e alla
fine ha ricevuto una scossa piuttosto forte. Mr Moray poi gettò l'interruttore
e le lampadine accese. Come ulteriore prova che la conversione dell'energia è
dovuto al meccanismo nella casella, il dottor Moray colpito il tavolo su cui il
tronco era in piedi, un colpo moderato con un martello dopo di che la luce
tremolava e se ne andò, a causa del sensore di essere scosso fuori regolazione.
Le scatole, in cui il meccanismo era stato ospitato durante il test, sono stati
aperti e il contenuto esaminati. C'erano condensatori, il rivelatore, un
trasformatore, e due tubi in loro, ma niente altro. Nulla di ciò che in meno
assomigliava a una batteria.
È da notare che dopo una corsa totale di 158 ore il
dispositivo fornito 635 watt, in quanto è una potenza 746 watt, ma questo
equivale 0,878 di potenza o leggermente superiore potenza 7/8. Questo da solo è
sufficiente a smaltire qualsiasi suggerimento di una batteria.
Un rapporto del 1929 dice: E 'ormai più di 2 anni da
quando ho fatto la conoscenza con il dottor TH Moray e il lavoro che sta
portando avanti, e in quel periodo ha dimostrato la capacità inventiva di un
ordine eccezionale. Forse la più bella delle sue invenzioni è un dispositivo
per cui è in grado di ricavare energia elettrica da un'antenna. Questa energia
non è derivato per induzione dalle linee di alimentazione, come è stato
suggerito da alcuni, né è derivato da stazioni radio, come è stato dimostrato
prendendo l'apparecchio più di 26 miglia dalla linea elettrica più vicina e più
di un centinaio di miglia dal Radio stazione ferroviaria più vicina e
dimostrando che funziona altrettanto bene come in qualsiasi altro luogo.
Questo dispositivo è stato sottoposto ad un test di
resistenza in cui si è operato continuamente per una settimana, e al termine di
questo periodo una lampada da 100 watt era accesa contemporaneamente al
riscaldamento di 575 watt standard di ferro Hotpoint piatta, per un totale di
675 watt, è molto evidente che nessun batterie in grado di sostenere un tale
scarico come questo.
Ha anche inventato un rilevatore di suono molto sensibile
per cui è possibile ascoltare le conversazioni svolte in un tomo di voce
normale ad una distanza di diversi isolati. Ha anche lavorato su numerose
radiofoniche hook-up che eliminano molte delle parti ritiene necessario ora per
una buona ricezione, ma non vi è alcuna diminuzione in termini di qualità o del
volume, infatti, vi è una notevole eliminazione di interferenze da parte
statica quando alcuni di questi sono utilizzato. Egli ha messo a punto un mezzo
attraverso il quale egli è in grado di misurare con una certa precisione
l'energia si è evoluta durante l'attività mentale, cioè, riceve precise,
deviazioni variabili dell'ago di un galvanometro sensibile che sembra essere in
relazione al vigore della salute mentale attività. Ci sono molte altre cose
ugualmente notevoli che ha fatto, come la riduzione gomma vecchia pneumatici
allo stato di un fluido viscoso che è facilmente vulcanizzabili senza aggiunta
di foglio fumo come è necessario con altri processi, anche una frequenza
elevata dispositivo terapeutico, e numerosi altri dispositivi che mostrano
grande ingegno.
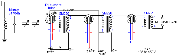
Le 6 lampade sono impostati in parallelo e un filo
sottile viene usato come la corrente entra nel tubo prima e collegamento con il
trasformatore step-down, questo richiede l'altissima tensione al trasformatore.
Questa tensione si sposterà attraverso un varco scintilla di almeno sei
pollici. La frequenza di funzionamento è così alta che non ho strumento nel mio
laboratorio che è in grado di misurare la corrente o la tensione a questa
frequenza. (Firmato, O. Murray Hayes, PhD.).
Il dottor Milton Marshall stava tentando di identificare
il materiale che Moray chiamato la sua "Pietra svedese". Moray
descritto il rivelatore radio che aveva sviluppato. Lo ha rispetto a quanto
comunemente noto come il cristallo di un set di cristallo. Tuttavia, il suo
rivelatore era superiore in quanto potrebbe pilotare un altoparlante senza
l'uso di una batteria. Ha usato il dispositivo più facilmente dimostrabile, il
diodo di germanio, che ha lavorato sullo stesso principio per illustrare come
pensava il rivelatore Energia Radiante lavorato (Moray originariamente
costruito la radio per il semplice scopo di mostrare come egli era in grado di
captare i segnali radio con un dispositivo a stato solido, producendo segnali
sufficientemente forti che potrebbero guidare un altoparlante, che era qualcosa
di inaudito in quel giorno. suo circuito non hanno batterie, ed era molto
simile al vecchio cristallo set di circuiti.
Il dispositivo è stato alloggiato in una scatola di legno
qualcosa come 12 "da 18", con una antenna e un terreno andando in
esso. Fili che portano fuori dalla scatola ha portato a una banca di una
quarantina di 100 watt lampadine e di un ferro da stiro elettrico. Moray
toccato un interruttore nella parte superiore della finestra con una piastra di
mano elettrostatica ei globi tutto illuminato brillantemente. Abbiamo osservato
che tutti i bulbi bruciati freddo tranne ciascuno aveva un punto caldo delle
dimensioni di un centesimo sulla sommità leggermente fuori centro. Ricordo
anche che avrei potuto accendere le luci e disattivare avvicinandosi e
ritirandosi da e verso il dispositivo, sia con il mio corpo o la mia mano. Se
la mia memoria è vuota, la macchina doveva essere in sintonia con un quadrante
ad essere messi in questa condizione. (Chester M. Todd, 1971)
Nel 1938, dopo aver esaminato il trasformatore del
dispositivo, il signor EG Jensen ha affermato di considerare che la quantità di
corrente che aveva visto preso dal dispositivo era la prova che la corrente
sviluppata da o in macchina era diverso da qualsiasi in uso presso quel tempo.
Questo perché il trasformatore avrebbe bruciato se fosse stato sotto tensione
normale, ma il trasformatore non ha mostrato segni di nemmeno mai stato caldo.
E 'stato informato dal dottor Hayes che il trasformatore era stato in uso nelle
stesse condizioni di carico durante le manifestazioni nel passato.
Il "Numero 1" condensatore consisteva in due piccoli
fogli di alluminio di circa 30 gauge, separati da e prendere contatto con un
pezzo di un quarto di pollice di vetro piastra spessa. La lastra di vetro era
più grande dei fogli di alluminio e loro sovrapposti.
Il condensatore "Numero 2" era una unità
commerciale prodotto da condensatore Igred & Mfg. Co. e aveva una capacità
di 0.025 mfd.
Sono stati
usati come mostrato qui:

Con la lampada 60 watt e due condensatori collegati alla
antenna e l'antenna e massa collegata al box contenente le apparecchiature di
energia radiante, come mostrato nel disegno, la lampada da 100 watt sul lato
secondario o uscita era illuminata. Svitando il 60 watt lampada dal suo zoccolo
ha causato l'amplificatore da 100 watt per uscire, ma è subito accesa quando la
lampada da 60 watt è stato avvitato nella sua presa di nuovo. Il 60 watt
lampada non si accende. Cortocircuito l'antenna e di terra mettendo un filo
attraverso loro, ha causato la lampada da 100 watt per uscire. Cortocircuito
simili con le mani anche causato la lampada da 100 watt per uscire. Niente
elettricità potrebbe essere sentito quando cortocircuito con le mani. Se terra
o i cavi dell'antenna sono stati scollegati dalla scatola, la lampada da 100
watt si spegneva. Nessuno dei condensatori o la lampada da 60 watt sul lato
primario della scatola erano necessarie, ma sono stati semplicemente messi lì a
dimostrare che la potenza ad alta frequenza salterà o passare attraverso di
loro.
Domanda di brevetto Moray su questo dispositivo è stato
depositato nel 1931 e respinto una serie di motivi. In primo luogo,
"Poiché nessun mezzo è stato fornito per provocare il catodo ad emettere
un numero apprezzabile di elettroni, la corrente prodotta nel catodo
dall'antenna non riscalda il catodo ad una temperatura alla quale vengono
emesse un numero apprezzabile di elettroni per secondo". In altre parole,
secondo Thomas E. Robinson, Commissario di brevetti, un dispositivo a stato
solido, quale un transistore, non può funzionare. In secondo luogo, perché
"Nessuna fonte naturale di energia di onda elettrica è noto per
l'esaminatore e la prova dell'esistenza di una tale fonte è necessaria".
In altre parole, non è stato sufficiente per Moray per dimostrare l'effetto
della fonte di energia, ma ha anche dovuto identificarlo, che egli non poteva
fare. Nessuna delle domande di brevetto originali che Henry fatti sono più
disponibili presso l'Ufficio Brevetti degli Stati Uniti. Anche se i loro
giubbotti di file ci sono, i contenuti e le applicazioni stesse sono andato.
Nel 1942, Moray ha tentato di ricostruire un dispositivo
di energia radiante, utilizzando il bit rimanente di ciò che era conosciuta
come la "Pietra svedese". Questo materiale, che era il cuore del suo
rivelatore RE originale, non era mai riuscito a duplicare, e la mancanza di questo
materiale limitato la quantità di potere che poteva disegnare. Di conseguenza,
l'unità di grandi dimensioni, ha sviluppato un secondo rivelatore che lo ha
costretto nella ricerca approfondita con il coinvolgimento dei materiali
nucleari e radioattivi reazioni. Egli si cimenta nello studio della
radioattività sintetica come descritto da Gustave Le Bon nel suo libro
"L'evoluzione della materia". Gli anni scivolato da e Moray trascorso
la maggior parte del suo tempo lavorando su quello che ha definito il
"contro-bilancio" per eliminare la necessità di un antenna antenna.
Moray ha detto:
Energia sufficiente è venuta sulla terra per illuminare
oltre 1.693.600 lampade da 100 watt per ogni essere umano sulla terra oggi.
Mancanza di carburante di qualsiasi tipo devono essere prelevati da questa
energia può essere ritirato direttamente da transatlantici, ferrovie, aerei,
automobili, o qualsiasi altra forma di trasporto. Calore, luce e potenza
possono essere resi disponibili per l'utilizzo in tutti i tipi di edifici e per
tutti i tipi di macchine. Un esempio potrebbe essere per pompare acqua sulle
terre desertiche, la sorgente di potenza essendo solo una frazione del peso di
qualsiasi impianto a vapore o qualsiasi tipo di motore in uso oggi e tutto
questo ad una frazione del costo attuale.
L'energia totale coinvolta nella "cosmici"
radiazioni è molto grande. Il meccanismo della sua generazione comporta un
rapporto di base con la struttura complessiva e l'azione dell'universo. Oggi si
ritiene che la radiazione cosmica è costituita principalmente da protoni e
nuclei più pesanti un po '. A volte questa energia cosmica racchiude un wallop
di circa 100 quadrilioni di volt. Venendo continuamente con piccole variazioni
nel tempo, le radiazioni hanno un uniforme isotropia direzionale. La terra è,
pertanto, circondato in una atmosfera di radiazione con raggi cosmici
proveniente continuamente alla terra da tutte le direzioni, anche se ci può
essere una leggera flessione dei raggi più deboli dal campo magnetico
terrestre. Ci sono tutte le indicazioni che il nostro sole non è la fonte di
una quantità apprezzabile di questa radiazione. L'origine, quindi, è
dall'universo nel suo complesso. L'energia totale della radiazione cosmica è
superiore a tutta la produzione luminosa di tutte le stelle e nebulose
dell'universo insieme. Potere illimitato viene consegnato al domicilio di
tutti.
La scoperta dell'energia radiante Moray, che utilizzano
le radiazioni dal cosmo come fonte di energia, dà la più grande quantità di
energia per chilo di materiale di qualsiasi sistema che l'uomo conosca.
Alimentazione elettrica tramite un motore elettrico o un getto elettrica supera
di gran lunga qualsiasi forma di energia in qualsiasi motore nella erogazione
della potenza. Non vi è alcun punto morto di moto perduto in un motore
elettrico, né perdita di spinta in un jet elettrico. Inoltre, la coppia di
spunto è molto più elevato nel motore alimentato elettricamente rispetto al
motore a combustione.
Sfruttare l'energia cosmica è il metodo più pratico ancora
scoperto dall'uomo. Inoltre, è possibile utilizzare questa fonte d'energia
dall'universo senza un motore primo, in qualsiasi punto della terra --- a
terra, in aria, in acqua, sotto l'acqua, o anche sotterranea. Se si considera
che un generatore elettrico non è in senso proprio un generatore -
l'elettricità non è fatto dal generatore - ma è solo una pompa elettrica, il
dispositivo di energia radiante Moray può essere indicato come una pompa raggi
cosmici: cioè , un oscillatore ad alta velocità di elettroni che serve come un
rivelatore di radiazioni cosmiche che provoca un'azione di pompaggio o di
pompaggio nel suo circuito.
Per spiegare la propagazione del calore e della luce -
due delle forme di Energia Radiante - l'uomo ha postulato l'esistenza di un mezzo
riempie tutto lo spazio. Ma, il trasferimento di energia di calore radiante e
la luce non è l'unica prova a favore dell'esistenza di tale mezzo. Fenomeni
elettrici, magnetici ed elettromagnetici e la gravitazione stessa puntare nella
stessa direzione.
Attrazioni e repulsione si svolgono tra corpi
elettrizzati, magneti, e circuiti di trasporto correnti elettriche. Grandi
masse può essere messo in movimento in questo modo, acquisendo energia
cinetica. Se una corrente elettrica viene avviato in qualsiasi circuito,
corrispondenti correnti indotte sorgere in tutti i conduttori strettamente
vicini. Per origine una corrente in un conduttore richiede la spesa di energia.
Come, allora, è l'energia propagata dal circuito ai conduttori? Se crediamo
nella continuità della propagazione di energia - che è, si crediamo che quando
scompare in un posto e riappare in un altro deve aver attraversato lo spazio
intermedio e, di conseguenza, sono esistiti là in qualche modo nel frattempo -
si sono costretti a postulare un veicolo per il suo posto per fare la forma di
trasporto.
Quando una particella è elettrificata, ciò che si deve
anzitutto osservare è che una certa quantità di energia è stata spesa, il
lavoro è stato fatto. Il risultato è uno stato elettrificata della particella.
Il processo di elettrizzante un conduttore è, pertanto, la conservazione di
energia in qualche modo in o intorno al conduttore in un certo mezzo. Il lavoro
è trascorso in alterare lo stato del mezzo, e quando la particella viene
scaricata, il rendimento a medio allo stato originale, e la riserva di energia
è disinnestata. Analogamente, una fornitura di energia è richiesta per
mantenere una corrente elettrica, e il fenomeno derivante dalla corrente sono
manifestazioni della presenza di questa energia nel medio intorno al circuito.
Ha usato essere che una particella elettrificata o un organismo doveva avere
qualcosa che si chiama "elettrico" che risiede su di essa che ha
causato fenomeni elettrici. Una corrente elettrica è stato considerato come un
flusso di elettricità viaggia lungo un filo (per esempio), e l'energia che è
apparso in qualsiasi parte di un circuito (se considerato affatto) doveva
essere stato convogliato lungo il filo dalla corrente. Tuttavia, l'esistenza di
interazioni e induzione elettromagnetica tra organismi situati ad una distanza
l'uno dall'altro porta a considerare il mezzo intorno ai conduttori come
giocare un ruolo molto importante nello sviluppo di questi fenomeni elettrici.
In realtà, è il deposito di energia.
È su questa base che Maxwell fondò la sua teoria di
elettricità e magnetismo, e determinata la distribuzione dell'energia in varie
parti di un campo elettrico in termini di forze elettriche e magnetiche. Il
terreno intorno ad un corpo elettrizzato si carica di energia e non di un
fluido immaginario elettrica distribuita su tutto il corpo elettrizzato o
conduttore. Quando si parla di carica di un conduttore elettrizzato ci si
riferisce alla carica di energia nel terreno intorno ad esso, e quando si parla
del flusso o corrente elettrica nel circuito ci si riferisce al flusso unico
che conosciamo, vale a dire, il flusso di energia attraverso il campo elettrico
all'interno del filo.
Il lavoro in produzione l'elettrificazione di un
conduttore viene speso sul mezzo e memorizzati, probabilmente sotto forma di
energia di movimento. Per indicare questo diremo che il mezzo attorno al
conduttore è polarizzata, questa parola viene impiegato per indicare che il suo
stato o alcune sue proprietà sono stato alterato in qualche modo e in una certa
misura a seconda dell'intensità della carica. Se la carica è negativa la
polarizzazione è in senso opposto, i due sono legati, forse, come colpi di
scena destrimani e mancini o rotazioni.
Si consideri ora il caso di un corpo carico
alternativamente, positivamente e negativamente in rapida successione. La
carica positiva significa una polarizzazione positiva del mezzo, che inizia il
conduttore e viaggia attraverso lo spazio. Quando il corpo è scaricato il mezzo
viene nuovamente liberato e riprende la sua condizione precedente. La carica
negativa induce ora una modifica del mezzo o polarizzazione in senso opposto.
Il risultato di cariche di segno opposto alternate è che il mezzo in qualsiasi
punto si polarizza alternativamente in direzioni opposte, mentre le onde di
polarizzazioni opposte si propagano nello spazio, portando ciascun energia
derivata dalla sorgente o agente fornire l'elettrificazione. Ecco, dunque,
abbiamo una perturbazione periodica di un re che si verificano in ogni punto,
accompagnato da onde di energia che viaggiano verso l'esterno dal conduttore.
Il fenomeno dell'interferenza porta alla conclusione che
la luce è il risultato di disturbi periodici o vibrazioni del mezzo, ma la
natura di queste vibrazioni, come la natura esatta delle variazioni periodiche
o ciò che cambia loro, possediamo nessuna conoscenza. Sappiamo che alternati
cariche elettriche sono accompagnati da corrispondenti variazioni di stato o
vibrazioni del terreno, e se la carica viene variata periodicamente e con rapidità
sufficiente, abbiamo una vibrazione in ogni punto analogo, forse identica a
quella che si verifica nella propagazione della luce - una combinazione di
proprietà delle onde e particelle. Questa
è la teoria elettromagnetica della vibrazione luminosa.
Nel vecchio elastico-solida teoria, le vibrazioni della
luce dovevano essere oscillazioni correnti degli elementi o molecole del mezzo
sulle loro posizioni di riposo, come avviene quando le onde di disturbo
trasversali si propagano attraverso un solido elastico. Tale limitazione non si
giustifica in una certa misura, ma uno non può permettersi di ignorare del
tutto la teoria corpuscolare della luce sia. Una combinazione delle teorie ha
un valore. Sappiamo che il cambiamento, disturbi, vibrazioni, polarizzazione, o
come vogliamo definirla, è periodica e trasversale alla direzione di
propagazione. La teoria elettromagnetica ci insegna ancora nulla circa la sua
natura, ma afferma piuttosto che qualunque sia la carica può essere, è dello
stesso genere di quello che si verifica nel mezzo, quando la carica di un corpo
elettrizzato è alterato o invertita. Riduce le onde di luce e calore alla
stessa categoria onde di polarizzazione elettrica. L'unica qualità della
successiva necessaria per costituire il primo è sufficiente rapidità di
alterazione. Queste speculazioni hanno avuto la più forte conferma da
esperimenti del Prof. Hertz molti anni fa.
Quando una sostanza elastica è sottoposto per la tensione
e poi rimesso in libertà, una delle due cose può accadere. La sostanza può
lentamente recuperare dal ceppo e gradualmente raggiungere il suo stato
naturale, o il ritorno elastico può portare oltre la sua posizione di
equilibrio e provoca l'esecuzione di una serie di oscillazioni. Qualcosa dello
stesso genere può verificarsi anche quando un condensatore elettrificata viene
scaricata. Nel linguaggio ordinario, ci può essere un flusso continuo di
energia elettrica in una direzione fino al completamento di scarico, o una
scarica oscillante può verificarsi. Cioè, il primo flusso può essere sostituito
da un backrush, come se la prima scarica si era invaso e qualcosa come rinculo
aveva fissato trovi Il condensatore diventa così più o meno applicato
nuovamente in senso opposto, e si verifica uno scarico secondo, accompagnato da
un secondo backrush, l'oscillazione in corso finché tutta l'energia viene
irradiata o completamente oppure esauriti nel riscaldamento dei conduttori o
altri lavori.
Quando i condensatori sono pieni di energia catturata dal
dispositivo di energia radiante Moray e poi scaricato attraverso un circuito di
corretta impedenza, reattanza e induttanza, sincronizzando così l'oscillazione
del dispositivo con quelle dell'universo, inerzia elettrico è realizzato. Nel
inversione della corrente, i condensatori vengono caricati, scaricati e
ricaricati lentamente finché l'energia immagazzinata in essi viene irradiata in
energia cinetica attraverso il dispositivo, e questa energia può essere
mantenuto in vita indefinitamente stabilendo risonanza con le oscillazioni
dell'universo.
Considerando oscillazioni da un punto meccanica,
elettrica e di vista matematico, si trova che la resistenza elettrica è la
stessa di attrito meccanico e corrente è paragonabile alla velocità meccanica.
Inerzia e induttanza può quindi essere considerato termini analoghi. Nella
meccanica maggiore è l'inerzia di un corpo, maggiore sarà il tempo rimanere in
movimento. Nel dispositivo di energia radiante di
resistenza-induttanza-capacità (REC o RLC) circuito, maggiore è l'induttanza
elettrica, più lunga è la corrente continua a passare una volta stabilito dalla
sincronizzazione con cosmica sovratensioni.
Espressa matematicamente, le equazioni sono gli stessi
per fenomeni elettrici o meccanici. Il che significa, che R
< √(4L / C), dove R è la resistenza in ohm, L è
l'induttanza in Henry, e C è la capacità in farad. Se questo è vero, una
scarica oscillatorio si verificherà e un'inerzia induttanza molto potente
affermarsi. Per bassi valori di R, la frequenza delle oscillazioni può essere
mostrato da f = 1/2 π √ (CL).
La rapidità delle oscillazioni è governata dalla capacità e induttanza.
Nelle forze vibrazionali dell'universo, si trova la
chiave per la fonte di tutta l'energia. Come possiamo utilizzare questa energia
per l'industria moderna, senza essere limitate a meccaniche principali
promotori è il problema. E, la risposta può essere un generatore di energia,
bilanciata in modo da oscillare in sincronizzazione con le oscillazioni
dell'universo.
Dr Ross Gunn, uno scienziato civile per la Marina degli
Stati Uniti, ha dichiarato anni fa che la terra è un generatore enorme,
generando oltre 200 milioni di ampere di corrente elettrica continua. Per
esempio, l'aurora boreale è considerato un grande fenomeno definito elettrico
prodotto dal passaggio di cariche elettriche attraverso i gas rarefatti
dell'atmosfera superiore. La terra è stato dimostrato, dal dottor Gunn e gli
altri, per avere una carica negativa pari a 400.000 coulomb. Eppure, sei metri
dal suolo l'aria si carica di più di 200 volt rispetto al terreno.
È noto che l'aria conduce elettricità lontano da oggetti
carichi. Questo è vero, come fa la terra di mantenere la sua carica dal momento
che è un oggetto carico esposto all'atmosfera circostante? Se l'aria conduce
elettricità, carica della terra deve essere costantemente passando
nell'atmosfera. Ed è stato calcolato che la terra ha un flusso continuo in
atmosfera di 1.800 ampere. Di questo passo, la terra dovrebbe perdere il 90%
della sua carica in aria in un'ora, ma di carica della terra non diminuisce. Da
dove viene l'energia della terra venire?
La conversione della materia in energia nelle stelle è
accettata, e, ragionamento a quanto avviene in disintegrazione radioattiva
durante il quale vengono irradiate onde di energia, si può concludere che le
onde di energia ad alta frequenza vengono inviati dalle stelle (uno dei quali è
la nostra sole). Ora, ovviamente, la conversione di energia in materia deve
essere ugualmente accettate.
Si è trovato che la ionizzazione, che potrebbe essere il
mezzo per il flusso di energia, aumenta con l'aumentare, anziché diminuire come
ci si aspetterebbe. Poiché la fonte di energia è l'universo, la generazione di
energia da azione rotante e da tutti i motori primi è un effetto e non una
causa. Azione per l'energia oscillatorio, sia in una bottiglia di Leida, un
altro condensatore dall'uomo, o in quello che potremmo chiamare condensatori
naturali, si comporta sempre la stessa. Le oscillazioni continuerà finché non
avranno raggiungono il loro ciclo di altezza e quindi ci sarà un backrush
tornare dove le oscillazioni origine. Ogni oscillazione, grandi o piccole,
viene completata durante lo stesso intervallo di tempo. Queste oscillazioni
tutti dimostrano lo stesso fatto grande, che essi sono governati dal ciclo
stesso periodo di tempo, completate durante lo stesso intervallo di tempo. Onde
di energia hanno un regolare bolla di ritmo, che vanno e vengono come le onde
del mare, ma in un ordine ben preciso matematico - venuta sulla terra da ogni
direzione con un ritmo preciso.
Energia ha una rigidità elastica o resiliente definita e
densità, che è soggetto a spostamento e deformazione. Quando ceppo viene
rimosso, il mezzo sarà scattare indietro alla sua posizione vecchia e oltre, in
aumento avanti e indietro, e continuerà ad oscillare finché la pressione
iniziale è esaurito. Se l'impedenza interna è troppo grande, non ci saranno
oscillazioni, ma si limita a scorrere indietro in un battito morto al suo stato
sfrenata.
Diminuendo la resistenza al minimo e sincronizzare le
azioni elastiche ioniche del dispositivo Moray con le azioni onda
dell'universo, periodi di oscillazione può essere fatto di venire sempre più
veloce fino inerzia si afferma, allungando il tempo di recupero finale. Questo
viene fatto portando il rinculo oltre le oscillazioni naturali e prolungare le
vibrazioni catturando l'azione in oscillatorio. Quando il recupero diventa
distintamente oscillatorio, un modello armonico viene avviato e le oscillazioni
continuano, risonanza così sia stabilita con l'universo.
Nell'universo vediamo le stesse leggi di essere obbedito,
come nei nostri laboratori. Come si traccia fino ai costituenti quasi
infinitesimali dell'atomo, si scopre che la materia non esiste affatto come la
sostanza realistica che abbiamo supposto che fosse. C'è alla base stessa, si
compone di niente di più che cariche di energia emessi a varie lunghezze d'onda
o frequenze. Sta diventando sempre più certo che l'apparente complessità della
natura è a causa della nostra mancanza di conoscenza. E, come l'immagine si sviluppa,
che promette una semplicità meravigliosa.
Uno dei rapporti più meravigliosi che abbia mai state
rivelate in tutta la scienza della fisica è che tra la luce e l'elettricità e
l'esistenza di elettronica negli atomi della materia. Sapendo ciò che facciamo
in questo momento per quanto riguarda la struttura degli atomi, questa
relazione non è così sorprendente. Tuttavia, considerando la totale assenza di
questa conoscenza circa mezzo secolo fa, la scoperta che la luce, e la
radiazione in generale, sono fenomeni vibratori era rivoluzionario.
Parlando di radiazione, "Radiant" qui significa
procedere da un centro in linea retta in ogni direzione. L'energia è interna e
intrinseca. "Energy" è definita come una condizione di materia, in
virtù della quale, ogni porzione definita possono influenzare cambiamenti in
qualsiasi altra porzione definita. Questo è stato scritto nel 1892, e le
scoperte dal momento che confermare. L'energia è quindi uno stato della
materia, o meglio, il risultato di un particolare stato o condizione in cui la
materia può essere osservata quando una fase di energia appare.
Oltre a possedere energia cinetica, l'atomo è in grado di
assorbire energia internamente. Questa energia interna è associato con la
configurazione delle particelle di cui è composto l'atomo. In condizioni
normali un atomo è in ciò che è noto come uno stato di equilibrio, in cui non
vi è né un energia emettendo, né un assorbimento di. Ma, l'energia interna
dell'atomo può essere modificato. Quando l'energia interna dell'atomo supera
quella del suo stato normale si dice essere eccitati. Eccitazioni può essere
causato in diversi modi, ad esempio, la collisione di un atomo in rapido
movimento particelle positive o negative o la rottura delle linee di forza in
un generatore elettromagnetico. Energia cinetica viene rilasciato quando
l'eccitazione provoca una particella a cedere parte o tutta la sua energia
cinetica all'atomo durante le collisioni. Questo avviene nell'universo tutto il
tempo.
Il motore elettrico e il generatore non sarebbe mai stato
scoperto se un dielettrico (isolante) non era stato scoperto. Se si scopre una
valvola dielettrico per l'energia dell'universo, ha la risposta per sfruttare
l'energia dell'universo! Un caso limite di eccitazione ionizzazione, in cui l'energia
viene assorbita dall'atomo sufficiente a consentire un elettrone debolmente
legato all'atomo di lasciare, contro le forze elettrostatiche che tendono a
mantenerlo entro l'atomo. Un atomo che ha una o più elettroni è detto di essere
ionizzati. E 'possibile che la ionizzazione, cioè, eccitazione, può avvenire in
fasi successive per assorbimento di quanti di energia. Il ritorno di un atomo
ionizzato a uno stato di energia più bassa è associata con la radiazione
elettromagnetica. Inoltre, dal processo di ionizzazione, energia elettrica, può
associarsi con le forze vibrazionali dell'universo entrano in terra come
radiazione cosmica. Maggiore è la frequenza, maggiore è la ionizzazione o
eccitazione, una forma di energia cinetica che è in natura. Ci sono energie
enormi che vengono sulla terra dallo spazio. Queste energie sono solo diverse
manifestazioni delle energie che vediamo in funzione intorno a noi. Nella
maggior parte dei casi non sono neanche a conoscenza della loro esistenza. Essi
penetrano qualsiasi cosa al nostro corpo. Ognuno di noi è vivo in virtù di
queste energie. Ogni parte e particella dell'universo è vivo con loro. I
generatori che ora arredano la nostra energia elettrica non creano o provenire
alcun potere o di energia elettrica, ma semplicemente diretta, pompa, l'energia
esistente o di energia elettrica.
Come in note musicali di alta e bassa "C", i
tassi (frequenze vibrazionali) sono diverse, ma tutte le "C" note
sono essenzialmente gli stessi (armonicamente correlati). Questo è il fondamento
su cui si basa gran parte della mia indagine dei fenomeni vibratori.
E 'stato concordato che tutte le forme di materia vibrano
ad un ritmo particolare o frequenza. E, così è con le varie forme di energia -
calore e di luce, magnetismo ed elettricità. Questi non sono che forme di
movimento vibratorio connesse e viene generato dalla stessa fonte, l'universo.
Materia vibra ad una velocità particolare, secondo il suo carattere, e possono
essere trasmessi in altra sostanza abbassando o aumentando il suo tasso di
frequenza. Se la frequenza è sollevata abbastanza alto, le molecole si separano
e gli atomi diventano liberi. Aumentare la frequenza ancora più in alto, gli
atomi si risolvono nelle loro componenti originali. La materia diventa allora
una forma di energia. Frequenze possono essere sviluppate a bilanciare la forza
di gravità per un punto di neutralizzazione. Si può quindi andare al di là
della forza di gravità. Comprendere i principi di vibrazione è veramente capire
l'energia.
In raggi gamma, troviamo potenzialità che sono
equivalenti a tanto quanto milione volt, ma le loro lunghezze d'onda non sono
più breve nota. In ottave ancora più alti ci sono i raggi che sono conosciute
come "raggi cosmici". Chi può tracciare una linea precisa e dire quanto
più ottave esistono altri da quelli conosce come i raggi cosmici? Il punto di
partenza della scoperta di queste onde differenti era conducibilità elettrica
dell'aria, e si è trovato che questa conducibilità è altrettanto forte di notte
come di giorno. Radiazioni emesse dal sole difficilmente può essere l'unica
causa di questa energia. Tutto lo spazio è saturo di vibrazioni, energie, che
sono senza dubbio di carattere elettrico. Il rapporto di matte all'energia ed
energia alla materia diventa allora il potenziale dell'universo - una serie
continua di oscillazioni.
Atomi mantenere un equilibrio da oscillazioni, rotazioni,
attrazione e repulsione, ma questo non interferisce con una trasformazione di
equilibrio, che, quando le trasformazioni di equilibrio sono sufficientemente
rapida, diventano energia, cioè, la materia si trasforma in energia e l'energia
in materia.
Non ci può essere la generazione di corrente elettrica e
nessuna energia cinetica se non vi è alcun disturbo di equilibrio, cioè,
cambiamento di potenziale o cambiamento di livelli di energia. Quando si pensa
a delle molecole di ossigeno e di azoto per l'aria intorno a noi si muove con
la velocità dei proiettili e colpire noi e tutto il resto a questa velocità, si
può formare un'idea di agitazione in atto qui e nell'universo.
Le oscillazioni di spazio emettono onde elettromagnetiche
di molte lunghezze d'onda e frequenze. Il dispositivo Moray è costruito in modo
che la frequenza è molto inferiore sul lato secondario che sul lato primario e
risonanza quasi completo è stabilito. Sono convinto che le energie
dell'universo, vengono emesse radiazioni attive prodotte dall'evoluzione della
materia in energia e l'energia in materia.
Camera a nebbia dottor Anderson presso il California
Institute of Technology, in cui è stato scoperto il positrone, ha fornito molte
informazioni sulle energie dei raggi cosmici. Ha scoperto che alcuni positroni
sono nati dei raggi cosmici formidabili nella materia. Le energie dei raggi
cosmici deduce dalle tracce lasciate nel campo Anderson camera a nebbia da 100
volt a 3.000.000 mila volt. Il Lemaitre-Vallarts teoria, insieme con il dottor
Johnson asimmetria misure, dare valori definiti per l'energia della metà della
radiazione cosmica, e mostra continuamente distribuiti tra 5 miliardi e 50
miliardi volt.
La cifra di 100 miliardi di volt è il risultato della
misurazione dottor W. Kolhorster di radiazione penetrante nelle profondità
delle miniere di sale Strassfurt. Ha scoperto che l'energia minima di questi
raggi aveva una penetrazione che era più grande che mai dimostrata. Dr Axel
Corlin della Svezia Lund Observatory trovato radiazione che aveva ancora
energia dopo il passaggio attraverso profondità leggermente superiore e,
quindi, le figure tensione può essere reso ancora più elevato. Energie di 100
miliardi di volt o più sono indicati dalle grandi esplosioni compensati dalle
collisioni dei raggi cosmici, chiamato stosse, che sono stati osservati in
particolare in Germania. I dispositivi RE Moray hanno lavorato altrettanto bene
nelle miniere profonde, sott'acqua o in alta montagna e in aereo.
Si tratta di circa 100 anni da quando la scienza ha
cominciato a prendere in considerazione la luce, il calore, il magnetismo,
galvanismo, e l'elettricità come forze naturali. Nella prima parte dei libri
scolastici 19 ° secolo definito queste cose "sostanze imponderabili".
La teoria corpuscolo della luce è stato insegnato, il sole avrebbe dovuto
fornire una scorta infinita di questi corpuscoli. Dopo la teoria corpuscolo
sbiadito, gli scienziati si voltò verso la teoria delle onde, ma anche questo
si è basata su un concetto di movimento grezzo dei principi ultimi o atomi, di
materia. La teoria di elettroni ha sostituito le precedenti, e mentre la teoria
degli elettroni spiega i osservata e teorica "fatti" meglio rispetto
ai precedenti concetti fatto, potrebbe essere che, come la luce di una maggiore
conoscenza ci conduce, la teoria degli elettroni, a sua volta mancheranno di
fornire conoscenze "assoluto"? La teoria di Einstein potrebbe hanno
bisogno di revisione o modifica, o, nel tempo, possono aderire le teorie di
corpuscoli e onde sul ripiano posteriore.
Un caso specifico, in cui il campo elettrico svolge la
doppia funzione di eccitazione molecolare e la creazione di ioni
intermolecolari e atomico, è dato dal sistema utilizzato dall'inventore. Si
tratta di un sistema che utilizza i principi del filo corona con un cilindro
concentrico a pressioni diverse. Il sistema è modificato in conformità al
concetto che le reazioni chimiche deve avvenire quando gli ioni di carica
opposta molecolari di un opportuno catalizzatore attivato vengono accelerati
uno contro l'altro in filo corona. È costituito da un cilindro in un adatto
catalizzatore da cui vengono emessi ioni positivi. I reagenti (gas) in
streaming attraverso la camera parallela alla lunghezza del filo raggiungere la
polarità degli ioni negativi molecolari dal campo elettrico vicino al filo.
Poiché questi ioni negativi molecolari sono accelerati i perpendicolarmente al
filo nella direzione del campo elettrico verso il cilindro catalizzatore
caricato positivamente, vengono accolti da una valanga di accorrente ioni
atomici dal catalizzatore. Una certa quantità di reazione avviene in
quell'istante, 10-8 secondi. Tuttavia, alcuni degli ioni negativi molecolari al
di fuori del libero cammino medio degli ioni positivi atomiche sono liberi di
correre a capofitto verso il campo positivo cilindrica dove sono neutralizzati,
e subito dato una carica positiva dalla valanga di out-correre ioni positivi.
Questi ioni positivi sono accelerati molecolari nuovo nel campo e urtano contro
gli ioni negativi molecolari provenienti dalla direzione della corona elettrodo
negativo. Questo corpo a corpo continua fino a quando la reazione si è arrivato
a un punto in cui i singoli partecipanti o sono andati tutti o la miscela è al
di fuori del campo elettrico: oscillazioni backrush.
L'apparato Moray combinato con altre apparecchiature, è
costituito da una combinazione di tubi appositamente costruite che chiameremo
"come valvole, trasmettitori di pressione", interceptor e
oscillatori. Le valvole non sono raddrizzatori nel senso che operano come
valvole radio a cambiare frequenza corrente alternata oscillazioni o Alto in
corrente continua. Hanno un'azione effettiva valvola a fermare il "flusso"
di energia che può essere pensato come azione oscillatorio simile alle onde del
mare, senza rettifica, il ritorno al circuito esterno, quanto un muro di
sostegno può fermare l'onda di il mare di tornare. Le altre modalità e
"tubi" del dispositivo sono ugualmente unici nel loro prestazioni.
Sebbene non nuove leggi di energia vengono avanzate o rivendicati essendo stata
scoperta, l'applicazione del metodo di utilizzazione dell'energia nello spazio
è unico in quanto "generazione" viene realizzato utilizzazione
oscillatorio anziché dal motore primario convenzionale. Questi tubi hanno un
rivelatore tirare sincronizzato con gli oscillatori appositamente sviluppati di
elevata capacità faradica e fornire un mezzo attraverso il quale può passare
l'energia oscillante oscillatori a valvole appositamente costruiti cui rapporto
alla valvola primo stadio è tale da consentire oscillazioni di entrare ma non
da tornare al circuito esterno con un rapporto variabile automatica alle
oscillazioni dell'universo, e capace di creare nei loro circuiti oscillazioni
iniziali che coincidono con le oscillazioni dell'universo.
Disposizione speciale è prevista per fermare tubi RE di
diventare bloccati nella loro dissipazione delle cariche creati dalle
oscillazioni che continuamente accumulare basati sull'effetto oscillatorio
backrush comune capacità di condensatori e sono qui applicate in tubi a vuoto.
Questa azione di questi dispositivi ha l'effetto di ampliare e prolungare il
tempo di carica e scarica dei condensatori e l'energia della capacità del
circuito a un intervallo apprezzabile in perfetta armonia con l'onda energia
naturale attraverso le valvole del intercettori e oscillatori nel circuito che
istituito le pulsazioni circuiti elettrici corrispondenti alle onde di energia catturati
dalla intercettazione e di nuovo impedito di tornare al secondo circuito
esterno di "multi-parete" valvole. Le valvole finali agiscono come
trasmettitori di energia di pressione con un mezzo per prevenire la formazione
di condensa "shunt" di una forma speciale di "getter". Ciò
impedisce l'accumulo condensa alla base dei tubi che bloccano la loro azione
ionica.
Bisogna "dividere" la band scarica di energia
in linee di variazione (chiamiamo questo come volete), linee di energia o di
linee di luce al di là dei "raggi di luce". Le oscillazioni,
pertanto, non diventano oscillazioni semplici ma attraverso l'azione
dell'universo creato un flusso di energia che può essere indicato come
l'asserzione di inerzia. Quando l'inerzia nel set, l'azione continuerà a causa
delle oscillazioni del cosmo, altrimenti si avrebbe una dissipazione di energia
e completa senza oscillazioni. L'oscillazione vibra nello stesso periodo di
tempo, indipendentemente dal potenziale, ma il tasso di vibrazione del
dispositivo dipende dalla "capacità" delle sue modalità, vale a dire,
condensatori, ecc
Mettere insieme in risonanza pura energia, certa energia
rispondendo apparato che la sincronizzazione con la risonanza di certe
vibrazioni dell'universo, e che cosa avete? Utilizzabile energia dall'universo.
Questa energia può venire ai pianeti come oscillazioni simili a oscillazioni e
le maree del mare. I tubi energia radiante ricevere questa energia in picchi
che può durare solo pochi microsecondi dalla pressione e corrente in questi picchi
sono così forti che sufficiente energia viene fornita al dispositivo in
risonanza per essere utilizzabile in multipli di lampi e in una grandezza che
compete con la luce del giorno. Ricordate la risonanza e la pressione può fare
molto per amplificare l'energia. Si ricorda inoltre che le vibrazioni che
escono dalle fonti dell'universo devono tornare alle loro fonti. Nulla è
perduto. C'è solo un abbassamento del potenziale come acqua che scorre su una
ruota di acqua.
I tubi radianti Energia non presentano nuove leggi della
fisica. Hanno semplicemente espandere l'applicazione delle leggi conosciute,
ottenendo risultati non in un primo momento pensato possibile. Questa è la
storia della scienza. Tubi di energia radiante in possesso di una maggiore
capacità di ottenere "saturazione" e quindi caricare i condensatori
di accompagnamento a un ritmo più costante. Quando una tensione viene
raggiunta, la ionizzazione avviene nei gas del tubo di scarico e provoca i
condensatori del circuito della valvola di scarico in altri condensatori del
circuito della valvola, per scaricare in altri condensatori degli oscillatori e
le altre modalità del circuito.
Quando ionizzazione nei tubi precedenti non è più
possibile a causa della tensione ridotta, il processo ricomincia. La prima
valvola passa vibrazioni di energia in un circuito oscillatorio; ionizzazione
nel set, una scarica si verifica, e l'energia passa attraverso un'altra valvola
in altri oscillatori. Il processo viene ripetuto dal primo stadio al secondo
stadio, al terzo e così via, come una brigata secchio. Questo è il motivo per
cui ho chiesto anni fa, "Non un flusso costante di acqua presso le onde
del mare o di energia dalle vibrazioni del cosmo?"
Quando una vibrazione di qualsiasi tipo colpisce un
confine tra due supporti di differenti impedenze vibratori ad un angolo
inferiore a 90 gradi, una trasformazione della frequenza vibratoria può essere
trasformato in un altro tasso vibratorio. Il dispositivo di energia radiante
quindi continuerà a catturare l'energia per risonanza, o chiamare come volete,
purché il "keep alive" vibrazione del cosmo continua ad oscillare le
varie fasi delle valvole e oscillatori nel circuito. Semplice, non è vero? Solo
un caso di intrappolamento di energia che è ovunque presente nel circuito primario
e facendolo oscillare attraverso i circuiti secondari attraverso un circuito di
non ritorno bloccata.
I nostri esperimenti hanno dimostrato che vi è una
energia che esiste nell'universo che, per un corretto sviluppo delle
attrezzature, può essere reso disponibile per uso commerciale.
Tale trasformatore di energia o convertitore è stato
costruito. È stata azionata, a pieno carico continuo senza spese di
combustibili di qualsiasi tipo, senza un motore meccanica primaria, tenuto vivo
dalle oscillazioni delle energie dal cosmo; un convertitore di energia, o
trasformatore, che sarebbe in grado di convertire l' alta frequenza, elevata
energia della radiazione cosmica in corrente di frequenza utilizzabile e
tensione.
Fondamentalmente la teoria di funzionamento è il
seguente:
Oscillazioni sono iniziato nel primo stadio o circuitale
del dispositivo eccitando con una fonte di energia esterna.
Il circuito è "sintonizzato" fino a quando le
oscillazioni sono sostenuti da accoppiamento armoniche alle frequenze delle
onde cosmiche.
L'azione di rinforzo del giunto armonica aumenta
l'ampiezza delle oscillazioni, finché il picco impulsi "spill" sopra
nella fase successiva tramite un rivelatore speciale o valvola che impedisce il
ritorno o valutazioni di energia da circuiti successivi.
Questi "impulsi" guidare questa fase, che
oscilla ad una frequenza più bassa, ed è ancora una volta rafforzato da
accoppiamento armonico con le onde cosmiche sempre presenti.
Il secondo stadio pilota un terzo stadio, e aliquote
addizionali sono accoppiati fino ad un livello di potenza adeguato alla
frequenza e tensione utilizzabile è ottenuta per mezzo di trasformatori
speciali.

Le informazioni specifiche sul sistema di Moray è molto
limitata, tanto più che la sua richiesta di brevetto è stata rimossa. Il
diagramma sopra e lo schema di seguito sono stati riprodotti da ciò che è
accusato di essere le note da cui è stata composta la domanda di brevetto.
Queste note non sono molto chiaro sia nella formulazione e nella qualità della
riproduzione, tuttavia, gli schemi riportati qui sono un tentativo di mostrare
chiaramente tutto ciò che è ragionevolmente certo in quei diagrammi.

Questo dovrebbe essere
l'informazione sulla costruzione Valve Moray che era in grado di essere
impostato per correggere sia un segnale o per amplificare un segnale.
L'involucro è una tazza di metallo che costituisce anche uno dei contatti per
la valvola. all'interno della tazza ci sono quattro palline, fissate sul lato.
I due esterni pellets sono fatte di bismuto e sono fusi direttamente al
contenitore metallico. I due pellets interni sono collegati al caso con stagno
anziché saldatura. A giudicare dal disegno, sembra come se il braccio metallico
contatto con i pellet può connettersi con gli interni due palline. Le presse
braccio nettamente contro il pellet nello stesso modo che il "baffo di
gatto" diodi del tempo sono stati toccati con un filo d'argento per fare
un punto di contatto e produrre rettifica.
Se è vero che i contatti
braccio girevole solo uno dei due pellets interni, quindi il motivo di detti
pellets bismuto esterni devono essere come parte indiretta della valvola.
Quindi, questa sezione del caso è una disposizione del metallo del caso,
stagno, bismuto e cinque giunzioni tra materiali diversi, senza contare il
braccio di contatto. Uno dei due pellets interno è fatto di germanio purificato
con l'aggiunta di piccole quantità di un materiale doping. Solfuro di ferro
(FeS), solfuro di molibdeno (MoS), bismuto, uranio e argento sono stati citati
come possibili agenti dopanti. Un altro materiale di cui è il piombo che ha
avuto la sua struttura alterata dal processo descritto in Moray brevetto US
2.460.707. I pellets sono detti essere prodotta ad alta pressione.
Da ciò si può vedere che
non abbiamo nulla di lontanamente simile tutte le informazioni sul sistema di
Moray. Tuttavia, ci sono una serie di cose importanti che possiamo imparare da
questo. In primo luogo, utilizzando solo una buona connessione di terra e di
un'antenna di soli 90 piedi (30 m) o così in lunghezza sospesa soltanto circa
otto metri dal suolo, è possibile assorbire corrente significativa
dall'ambiente. La fotografia mostra 35 lampadine di essere illuminati da Moray
e che è una notevole quantità di energia. E 'improbabile che saremo in grado di
riprodurre metodo esatto Moray di estrarre potenza, ma è altamente improbabile
che il suo metodo è l'unico modo possibile per raggiungere l'estrazione
efficiente di potenza. Quindi, se si sperimentano i componenti e materiali a
mano oggi, è chiaramente possibile che potremo estrarre grandi quantità di
energia da un filo relativamente piccola antenna posizionato molto conveniente
altezza dal suolo, e una terra buona qualità.
Moray libro "The Sea of Energy in which the Earth Floats" può essere scaricato come un libero di 64 pagine eBook da http://www.free-energy-info.tuks.nl/P26.pdf
Hermann
Plauson è stato concesso brevetto
Un sistema di questo tipo dovrebbe sicuramente
essere preso sul serio: Hermann considera uno dei suoi sistemi con una potenza
di 100 kilowatt come un sistema di "piccolo". Tuttavia, va inteso che
ciascuna delle antenne Hermann, a differenza di quelle di Thomas Henry Moray,
contribuito meno di un kilowatt ciascuna, e quando Hermann parla di un impianto
100 kilowatt, si riferisce ad una matrice di più di 100 antenne separate .
Hermann illustra diversi metodi di cattura energia
e diversi metodi di aumentare l'efficacia del l'energia catturata. Mentre un
impianto per catturare una fornitura continua di 100 chilowatt + non è
realistico per un individuo, che richiede amny antenne alte, vi è la
possibilità concreta di fare una versione ridotta, che è in grado di fornire
livelli di potenza gravi libero. Leggendo il suo brevetto con attenzione è
sicuramente da raccomandare.

Herman inizia illustrando come elettricità di
lavoro può essere ottenuta da una macchina Wimshurst. La tensione di uscita
Wimshurst è molto elevata e la capacità di corrente molto bassa e la maggior
parte delle persone sarebbe respingerla di mano come totalmente inadeguata per
qualsiasi tipo di lavoro pratico. Tuttavia, Hermann aumenta il livello di
potenza alimentando l'uscita in un trasformatore riduttore che abbassa la
tensione di uscita ad un livello conveniente e solleva la corrente disponibile
in proporzione alla riduzione di tensione. Questa è la stessa tecnica
brevettata da Nikola Tesla. L'apparecchio che illustra Herman è mostrato qui:

Suo brevetto afferma: "scegliendo
opportunamente il rapporto tra il numero di spire degli avvolgimenti primari e
secondari, in relazione ad una corretta applicazione dei coefficienti di
risonanza (capacità, induttanza e resistenza) l'alta tensione del circuito
primario può essere opportunamente convertita in una bassa tensione di uscita
ad alta corrente ". Va ricordato che una scintilla produce un impulso
molto forte aumento di tensione e che sbilancia il locale campo di energia
quantica, come descritto in precedenza, producendo flussi energetici molto
grandi come i rendimenti ambientali locali alla sua equilibrata stato
stazionario. La scintilla, che è prodotto dalla potenza relativamente bassa,
viene utilizzato come innesco per flussi di energia molto più ampia, che
alimentano il trasformatore step-down, produzione di corrente a tensione grave
ragionevole, capace di fare lavoro utile, senza la necessità di alcuna
alimentazione dall'utente.
Noterete come semplice questo circuito è. Tre
condensatori "A1", "B1" e "C1" in una catena,
formare un singolo condensatore ad alta tensione. Le macchie mostrate collegato
attraverso questi condensatori sono di emergenza spinterometri di scarico messo
lì a che fare con eventi insoliti, come l'antenna di essere stato colpito da un
fulmine. Questo circuito è molto simile al circuito della macchina Wimshurst
che Hermann utilizza come un esempio del principio di funzionamento di questo
tipo di circuiti. In questo circuito, che mostra un motore speciale recante
"M" che è pilotato dal circuito e che mostra anche terminali di
uscita che possono avere altri dispositivi collegati tra loro.
Quando le scariche oscillatorie nel circuito
primario diventano più deboli o cessare del tutto, i condensatori vengono
caricati nuovamente l'elettricità statica fino a quando la carica accumulata si
rompe di nuovo giù attraverso lo spinterometro. Tutto questo si ripete finché
elettrica è prodotta dalla macchina statica attraverso l'applicazione di
energia meccanica ad esso. Herman afferma che senza la disposizione
spinterometro nei tre condensatori collegati tra l'antenna e la terra, "è
impossibile raccogliere e rendere disponibili grandi quantità di energia
elettrica."
Oltre all'uso di spinterometri in parallelo, una
seconda misura di sicurezza è necessario anche per prendere la corrente da
questo circuito. Questo è l'introduzione di elettromagneti protettivi o bobine
soffocamento nel circuito di antenna come mostrato dalla S nel diagramma di
seguito. Un singolo "elettromagnete" con un'anima di sottili lamine
possibili separati è collegato con l'antenna. Nel caso di alta tensione in rete
antenna o in luoghi dove ci sono frequenti temporali, differenti toroidale
avvolto bobine possono essere collegati in serie.

Nel caso di unità di grandi dimensioni, più tali magneti possono essere impiegati in parallelo o in serie parallelo. Gli avvolgimenti di questi elettromagneti possono essere semplicemente collegato in serie con le antenne. In questo caso, gli avvolgimenti devono essere costituiti da diversi fili sottili paralleli, che insieme, formano la necessaria sezione trasversale del filo. L'avvolgimento può essere fatto di avvolgimenti primario e secondario sotto forma di un trasformatore. L'avvolgimento primario viene quindi collegato in serie con la rete antenna, e l'avvolgimento secondario più o meno cortocircuito attraverso un resistore di regolazione o di una bobina di induzione. In quest'ultimo caso è possibile regolare, in una certa misura, l'effetto di queste bobine soffocamento.

Fig.5 mostra una disposizione per
produrre grandi correnti che possono essere utilizzati direttamente, senza
motori, per fornire riscaldamento e illuminazione. La differenza principale è che la distanza tra gli
elettrodi è costituito da un disco a forma di stella 7 che può ruotare sul proprio asse ed è ruotato da un motore simile
7a opposta montata elettrodi. Quando
punti separati delle stelle uno di fronte all'altro, scarichi luogo, formando
così un circuito oscillante con condensatori 5 e 6 ed induttore 9. Un
motore può essere collegato direttamente alle estremità di induttore 9.
Il brevetto prosegue mostrando molti modi per
aumentare la potenza del sistema di antenna e molti modi di applicazione
dell'uscita di pratici dispositivi elettrici. Esso contiene 37 schemi, una
ricchezza di informazioni pratiche, e una copia di esso è in Appendice.
Roy Meyers è
stato concesso brevetto
La prima disposizione è illustrato nel seguente
schema:

Roy ulteriormente sviluppato il suo sistema e ha
scoperto che mentre si lavora al chiuso, lo fa funzionare meglio se all'aperto
situati e sollevato ad un'altezza di cinquanta o sessanta metri. Tuttavia, che
non è affatto indispensabile, e la potenza di uscita e la tensione può essere
aumentata aumentando il numero di unità da collezione.

Lo zinco agisce più efficacemente se installato in
fogli piegati in una forma a V. I magneti e fogli di zinco possono essere
impilati verticalmente e / o orizzontalmente e maggiore è il numero utilizzato,
maggiore è la potenza elettrica. Un buon collegamento di terra è raccomandato e
presumibilmente, il tubo di media dell'acqua fredda di tutta la casa offre una
connessione più che adeguata terra che è comodo da usare, a condizione che la
tubazione è fatto di metallo.
Presenta un interessante brevetto US 4685047 del 4
agosto 1987, intitolata "Apparecchi per la conversione di energia in
radiofrequenza a corrente continua". Anche se questo brevetto parla di
energia a radiofrequenza, non vedo alcuna ragione particolare per cui sarebbe
l'unica energia che potrebbe essere raccolto da questo circuito. L'informazione
brevetto è la seguente:
Estratto
Questo brevetto descrive un apparecchio e metodi
per convertire energia in radiofrequenza in corrente continua per la produzione
di energia elettrica. Esso include un'antenna dipolare per ricevere energia in
radiofrequenza e un circuito per convertire l'energia a radiofrequenza a
corrente. Il circuito ha una linea di uscita positivo collegato ad un polo di
antenna e una linea di uscita negativo collegato all'altro polo dell'antenna.
Un diodo positivo trasmissione è nella linea di uscita positivo e negativo di
un diodo di trasmissione è nella linea di uscita negativa. Autobus prima e
seconda e una coppia di circuiti accordati coppia di polarità opposta alla
linea di uscita positiva e la linea negativa alla linea di bus con una delle
linee di bus essendo collegato a terra. Ogni circuito accordato comprende una
prima linea ponte collega la linea di uscita positiva alle linee di terra prima
e seconda e una seconda linea di transizione collega la linea negativa di
uscita per i cavi di massa prima e seconda. Ogni linea di transizione è in
esso, un diodo collegato con una polarità che si inverte rispetto al diodo di
ingresso. Le linee di raccordo di ciascun circuito accordato sono collegati fra
loro da un induttore e hanno condensatori posti tra il diodo e le linee di bus.
Un dispositivo a corrente continua è collegato alla linea positiva del circuito.
Sfondo dell'invenzion
La presente invenzione mostra un apparecchio per
convertire energia a radiofrequenza a corrente di intensità sufficiente per
alimentare dispositivi quali caricabatterie e motori elettrici senza l'uso di
amplificazione.
Da lungo tempo interesse per la tecnologia diretta
a trasmettere energia elettrica su una distanza senza fili. Lo sviluppo di tale
tecnologia ha un potenziale enorme. Questo è stato riconosciuto da Nikola
Tesla, che nel 1899 ha costruito una bobina di 200 metri di Tesla nominale di
300 kW a 150 chilocicli. Tesla sperava di creare onde stazionarie di energia
elettrica in giro per tutta la superficie della terra, in modo che le antenne
di ricezione di cui ai punti ottimali potrebbe toccare la potenza quando
necessario. Tesla è stato in grado di accendere centinaia di lampade ad una
distanza di circa 40 chilometri con il suo dispositivo senza l'utilizzo di
cavi. Lo schema è generalmente rimasto una curiosità scientifica, ma ha fornito
le basi iniziale per gli sviluppi attuali in cui si sta cercando per la
trasmissione di potenza utilizzando le microonde. Tuttavia, la potenza
trasmessa da microonde è previsto nella forma di un fascio di intensità molto
elevata che è focalizzata da un generatore di microonde ad un'antenna
ricevente. Questa tecnologia è previsto ad essere utilizzato per molti tipi di
scopi, tuttavia, il fascio di microonde focalizzato non è adatto per molte
applicazioni in quanto il raggio deve essere diretto verso una antenna
ricevente e non può essere trasmessa attraverso la maggior parte degli oggetti,
compresi oggetti viventi, senza distruggere quelli oggetti.
La presente invenzione si basa sulla conversione
dell'energia di onde stazionarie che sono emessi dalle antenne radio frequenza
nell'intervallo RF piuttosto che la gamma delle microonde. Di particolare
interesse sono le frequenze molto basse che non sono utilizzati nelle
comunicazioni e sono disponibili per la trasmissione di potenza. Di interesse
anche le onde a bassa frequenza emessa dalla Terra a causa pulsare del suo
campo magnetico. Questi bassa frequenza in piedi "terra" onde possono
essere raccolti da ricevitori sintonizzati a loro.
Sommario
dell'invenzione
La presente invenzione mostra l'antenna a radiofrequenza per la ricezione
delle onde radio. L'antenna RF collegato ad un circuito configurato per
convertire i segnali RF in corrente. I segnali radio frequenza ricevuti
dall'antenna vengono trasmessi a due conduttori, uno essendo rettificate per
produrre tensione positiva e l'altra rettificato per produrre tensione
negativa. Il piombo tensione
positiva è collegata direttamente ad una linea di uscita positivo e il filo di
tensione negativo è collegato direttamente ad una linea di uscita negativa. La
linea di uscita positivo è collegato ad una coppia di linee di bus tramite una
prima coppia di condensatori, mentre la linea di uscita negativo è collegato
alla coppia di linee di bus da una seconda coppia di condensatori. Interporre
tra la linea bus prima e la linea di uscita positiva è un diodo inversione di
polarità negativa, mentre si trova tra la linea di uscita negativo e la linea
prima è un diodo di polarità positiva. Le linee di uscita positivo e negativo
sono collegati tra loro attraverso un induttore che è in parallelo con i
condensatori della prima e seconda coppia collegato tra la linea di bus e
secondo le linee di uscita positivo e negativo.

In una realizzazione del trovato questo circuito è duplicato per ciascuna linea di uscita positivo e negativo. In un altro circuito è accoppiato ad ulteriori circuiti identici per aumentare la corrente di uscita della disposizione. In un'altra realizzazione, l'antenna è utilizzata un'antenna dipolare di filo di alluminio disposte in una configurazione "a farfalla".
Questa invenzione utilizza questi elementi per
generare corrente continua di potenza sufficiente per eseguire attività come
carica batterie, lampade di illuminazione e l'accensione dei motori a corrente
elettrica senza l'uso di amplificatori.
Breve descrizione del disegno
I caratteri di riferimento utilizzati indicano
parti uguali o simili in ogni vista, e ciò che viene mostrato è un diagramma di
un circuito, un dispositivo guidato e un'antenna dipolare che riceve onde radio
frequenza che vengono poi convertiti in corrente continua per alimentare il
dispositivo guidato.
Descrizione della realizzazione preferita
Facendo ora riferimento al disegno sottostante, è
mostrata una antenna dipolare, indicato generalmente dal numero 10, che riceve
le onde radio frequenza da un trasmettitore RF.

Queste onde vengono passati al circuito di
conversione tramite un cavo coassiale 13 e l'uscita CC è utilizzata corrente
del circuito di alimentazione di un dispositivo di uscita 15, che può essere,
per esempio, un carica batterie, motore CC, o dispositivo di illuminazione. Il
circuito non ha ingressi di alimentazione diverse e quindi non ha amplificatori
per incrementare l'energia a radiofrequenza.
La fonte di frequenze che può essere convertita in
corrente dal circuito mostrato possono includere fonti di alta frequenza (HF),
a bassa frequenza (LF), a frequenza molto bassa (VLF) ed a frequenza
estremamente bassa (ELF) onde radio, nonché sismica vibrazioni di campi
magnetici della terra.
Preferibilmente, l'antenna dipolare 10 è formato
da due anelli di filo di alluminio triangolari 16 e 17, uno dei quali è
collegato al conduttore anulare 21 del cavo coassiale 13 e l'altro dei quali è
collegato al conduttore centrale 22 del cavo coassiale . La dimensione
dell'antenna bipolare 10 dipende dalla particolare applicazione a cui è messo.
In una forma di realizzazione dell'invenzione, l'antenna 10 è di circa 12 cm di
larghezza e 18 centimetri di lunghezza. Una tale antenna è utilizzata per
ricevere energia cinque watt, come quello generato da una radio
ricetrasmittente o cittadino-band.
Il conduttore esterno dell'antenna è collegato al
polo positivo 21 ed il conduttore centrale del cavo coassiale è collegato al
polo negativo 22 del circuito. Un diodo D1 positivi trasmissione è posto tra il
cavo 21 e la linea di uscita positiva 25. Un diodo D2 negativo trasmissione è
posto tra il 22 piombo e la linea di uscita negativo 26.
Al fine di fornire una uscita CC di potenza
sufficiente, una serie di induttanza-capacitanza RF sintonizzati circuiti 30,
ciascuno forma una cella positiva, negativa o una cellula, sono utilizzati per
collegare la linea di uscita positiva 25 e negativa linea di uscita 26 per il
primo e seconde linee di autobus 31 e 32, rispettivamente. Linea bus 32 è
collegato a massa, mentre la linea 31 può essere collegato a circuiti simili.
Induttore 35 serve come una frequenza radio soffocare. Come si vede nel
disegno, la cella circuito sintonizzato RF 30 è ripetuta una pluralità di
volte. Nello specifico esempio illustrato, il circuito ha celle separate 30,
37, 38 e 39. Le celle 30 e 38 sono di polarità opposta e di equilibrio tra
loro, mentre le celle 37 e 39 sono di polarità opposta e anche bilanciare l'un
l'altro. Affinché il sistema funzioni, una coppia di opposte cellule
polarizzate deve essere utilizzato. Il particolare numero di celle 30 e il
valore dei componenti in esso, sono determinati dalla configurazione del dipolo
10 e la potenza e la frequenza del trasmettitore RF.
Questa frequenza radio circuito diretto conversione
corrente stessa può essere collegato ad un circuito duplicato tramite perno 41
in modo da fornire ulteriore uscita corrente analogamente a linea di uscita
positiva 25 e la linea di uscita negativo 26 linee di uscita possono essere
collegati insieme per aumentare la potenza totale del sistema.
Una realizzazione operativa del trovato utilizza i
seguenti elementi:
Diodi: D1, D2, D3 e D4 - diodi al germanio, tipo
1N34A,
Induttori: 35-47 milliHenry R. F. bobina
Condensatori: C1 e C2 - 0,47 pF a 200 volt
Cavo coassiale: 13 - 50 ohm
Antenna dipolare: filo di alluminio triangolare loop di circa 12 pollici da 18 pollici.
Dalla descrizione che precede, esperto nella
tecnica può facilmente accertare le caratteristiche essenziali della presente
invenzione, e senza allontanarsi dallo spirito e dall'ambito di esso, può
apportare vari cambiamenti e modifiche dell'invenzione per adattarla a vari usi
e condizioni.
‘Alexkor’ che ha fornito alcuni dei circuiti di
carica indicate nel capitolo 6, utilizza anche un sistema di antenna per
caricare le batterie nel range 1,5 V a 6V. Si tratta di un sistema semplice che
utilizza un'antenna del tipo utilizzato da Thomas Henry Moray, che è, la
maggior parte della antenna è orizzontale:

Il suggerimento è che l'antenna è sospeso tra la
grondaia di una casa e un albero nelle vicinanze, ma non conosco nessuno che
sarebbe in grado di farlo. La lunghezza dell'antenna o maggiore è il numero di
antenne collegate, maggiore è la potenza di carica disponibile. Il filo
dell'antenna non deve essere inferiore a 0,5 mm di diametro e deve essere
isolato da esso sostiene - cavo di plastica può essere usato per questo.
Il circuito è costituito:

Una versione più potente del circuito è:

Qui, vi sono tre serie di diodi posti tra
l'antenna e la terra. Vorrei sottolineare ancora una volta che la messa a terra
è un filo di rame collegato ad una lunga asta o tubo infisso nel terreno o di
una placca di metallo di grandi dimensioni sepolto nel terreno umido.
Come il circuito funziona, le tre serie di diodi
con i condensatori isolamento, costruire una tensione crescente sul
condensatore "C1". La tensione nel punto "B" e anche
aumentare di circa dodici volt meno la tensione sul condensatore "C1".
Infine, che la tensione salirà abbastanza alto da provocare una scarica
attraverso il tubo neon minuscola e impulso di corrente che fluisce attraverso
la connessione Gate "G" del tiristore, accendendolo. Una volta
acceso, il tiristore rimane accesa fino a condensatore "C1" è stato
dimesso, dopo di che, il tiristore si spegne e il processo ricomincia. La
quantità di potenza in questi impulsi è notevole e il tiristore diventa
piuttosto caldo quando il circuito è in funzione. Il BT151-800R tiristore in
grado di gestire fino a 800 volt e superare 7,5 ampere di corrente continua.
Un punto importante da notare è che la potenza
disponibile da questo circuito aumenta con ulteriori antenne. Con due antenne
collegate, la potenza viene raddoppiata e con tre antenne l'alimentazione è
triplicato. Cioè, ogni antenna supplementare fornisce potenza quanto la prima
antenna fatto e non sembra essere alcun limite al numero di antenne che possono
essere collegati.
C'è un sistema potente antenna che è stato
sviluppato da Lawrence Rayburn del Canada. Inizialmente, Lawrence destinato ai
kit di mercato per rendere più facile per le persone a replicare il suo disegno
antenna che lo stava offrendo con dieci kilowatt di potenza. Tuttavia, Lawrence
accantonò l'idea, come ha deciso che il rischio per gli utenti è stato troppo
alto. Era anche preoccupato del fatto che l'antenna / terra combinazione
potrebbero attirare fulmini, causando notevoli danni locali. Quindi, è molto importante capire che questo è un
sistema di antenna pericolosa e potenzialmente LETALE che è perfettamente in grado di uccidere se sei distratto.
Se non siete già esperienza di lavoro con i dispositivi
high-voltage/high-current, allora questo non è qualcosa per voi di
sperimentare, e chi non scherzare con questo motivo lo fa interamente a proprio
rischio e pericolo in quanto questo materiale è presentato "a titolo
indicativo" e non vi è alcuna raccomandazione in alcun modo che si
dovrebbe effettivamente costruire uno di questi sistemi di antenna.
La tecnica utilizzata è molto diversa dai sistemi
di antenna citati in precedenza in questo capitolo. Qui, l'obiettivo è quello
di creare un sintonizzato, cavità risonante arrivando fino alla ionosfera dove
c'è una enorme quantità di energia in eccesso fornita dal sole.
Il meccanismo di messa a punto è costituito da due
spirali di 3/4-inch (20 mm) del tubo di rame avvolto in modo da coprire un
piede quattro (1220 mm) zona di diametro. Queste spirali sono coperti sopra e
sotto con un foglio di plastica Lexan. Il diametro del tubo di rame è
importante e minor diametro non deve essere utilizzato anche se sarebbe molto
più facile da piegare in forma. In realtà, piegando il grande diametro del tubo
di rame è improbabile che sia un compito facile. Presumibilmente, una macchina
curvatubi sarebbe usato e una spirale conica prodotto e quindi il cono
appiattito a formare la spirale piatta. La spirale ha anche spazi tra le spire,
lungo tutta la sua lunghezza.

Le due spirali sono montati, uno verticalmente sopra l'altro con 30 piedi
(9145 mm) tra loro e la spirale inferiore essendo un piede (305 mm) dal suolo.
Ciò significa che questo sistema di antenne è adatto solo a persone in grado di
erigere una struttura di questa altezza senza scomodare i vicini o violare
norme sulla pianificazione locale.
La cavità sintonizzabile è creato collegando le estremità più interne delle
due spirali insieme utilizzando 4 AWG che ha un diametro di 5,19 millimetri
nucleo di rame. L'estremità esterna della spirale inferiore è quindi collegato
ad una piastra grande terreno sepolto due piedi (600 mm) al di sotto della
superficie del terreno, con quattro linee separate del filo 4 AWG.
Un spinterometro regolabile viene utilizzato. Può essere posizionato nel
filo verticale tra le due spirali, o nel mezzo di un extra 4 AWG in verticale
tra le estremità esterne delle due spirali. La presa di forza è della metà del
filo verticale centrale.
La cavità è sintonizzato facendo scorrere bobine dentro l'altro. Questa disposizione
non solo sintonizza la cavità, ma si passi anche la tensione di antenna molto
elevata e aumenta la corrente disponibile al tempo stesso. Qui è dove entra in
gioco il pericolo Le parti intermedie di questo step-down disposizione
regolazione possono essere a tensione di 600 volt a corrente elevata, e quelle
tensioni possono facilmente uccidere, motivo per cui questo non è un sistema
per i principianti e perché Lorenzo ha fatto non andare avanti con la vendita
di kit per il sistema di antenna.
L'uscita antenna è alimentata in un finale trasformatore riduttore e 50 Hz
(cicli al secondo) o segnale 60Hz da un generatore di segnale è utilizzato per
modulare la potenza in ingresso e permettono di utilizzare con normali
attrezzature di alimentazione che può essere necessario che la frequenza di AC.
Riscaldatori resistivi e le luci non hanno bisogno di ca o cura circa la
frequenza di un CA che sono nutriti.
La messa a punto del sistema è molto forte e ciò che viene utilizzato come
carico influenza la sintonizzazione. Il filo utilizzato per la matrice
sintonizzazione è isolato, singolo solido-core filo di rame. 4 AWG ha un
diametro di filo di 5,19 millimetri, 8 AWG ha un diametro di filo di 3,26
millimetri, 10 AWG ha un diametro di filo di 2,59 mm e 16 AWG ha un diametro di
filo di 1,29 mm. Pagina 1 dell'appendice presenta altre caratteristiche di
questi fili. Questi fili pesanti sono una parte essenziale di questo disegno.
Si noterà che due connessioni di terra separati per per questo sistema
antenna. Il collegamento di terra secondo dovrebbe essere una barra di rame
lungo guidato in profondità nel terreno e ad una certa distanza dalla terra
piastra sepolto. Per la separazione di due collegamenti a massa, dieci metri
(undici metri) è generalmente considerato ragionevole distanza tra loro. La
terra principale è un 4-piedi x 4-piede piatto sepolta esattamente sotto la
spirale inferiore e il collegamento viene eseguito per il centro di detta
piastra.
Si suggerisce che l'spinterometro essere costruito utilizzando rame
rivestito bacchette per saldatura carbonio, montati in un alloggiamento di
nylon che permette il divario di essere regolata con una vite di nylon.
Ricordate che questo non è un collegamento che è possibile scollegare dalla
presa di corrente quando si effettuano connessioni o regolazioni. Inoltre, una
volta, quando un 500 watt lampadina è stato collegato attraverso la scintilla
divario, è bruciato subito con un lampo di luce. Questo sistema non è un
giocattolo così spessi guanti di gomma e calzature in gomma devono essere
utilizzati.
I 4 fili di rame AWG può essere
collegata alle aste di rame che formano gli elettrodi di accensione, con
fascette di rame. Un stelo
rastremato nylon potrebbe essere utilizzato per regolare la vite spinterometro
mantenendo ben lontano dal rame. La distanza tra gli elettrodi deve iniziare un
pollice (25 mm) e spazio adeguato per non meno di un mezzo pollice divario. Il
divario scintilla e si adegua ad ingranaggi deve essere racchiuso in un
contenitore di impermeabilità ed è stato suggerito che potrebbe essere e il
vantaggio di riempire quel contenitore con gas elio.
Si ricorda che le bobine, come quelle nella sezione di sintonizzazione del
sistema, hanno capacità e induttanza. L'isolamento della bobina è un
dielettrico e si leva in piedi sul modulo terra un buon collegamento di terra,
quindi per favore non pensare che non si può ottenere una grave scossa dalla
movimentazione di una bobina isolato ad alta tensione ad alta frequenza della
corrente alternata, e in una implementazione dopo modulazione nel mixer a 60
hertz di pre-uscita del trasformatore è stata misurata a 3496 volt!
Se non hanno esperienza nel lavorare con circuiteria ad alta tensione, e
ancora decidono di provare a costruire e l'utilizzo di questo circuito, quindi
si prega di mettere le cose in ordine e pre-pagare le spese del funerale prima
di iniziare a costruire. (Questa dichiarazione non è destinato ad essere
divertente).
Si dice che se la spirale superiore è posizionata ad un'altezza di soli
quattro piedi (1200 mm), allora l'uscita è molto più bassa e adatta per la
carica di una batteria di banca. Per quanto ne so, questo sistema non è stata
replicata e quindi non c'è stato alcun riscontro pratico sulla costruzione o
utilizzarlo.
Il TREC sembra essere non dissimile dalla domanda di brevetto US
2008/0191580 da Harold Stanley Deyo:
Domanda
di brevetto US 2008/0191580 14 agosto 2008 Inventore: Harold Deyo
ESTRATTO
Questa invenzione
converte impulsi inerziali in correnti elettriche. In particolare, converte gli
impulsi creati dagli impatti di particelle ad alta energia provenienti dal Sole
e da altre fonti cosmiche nella magnetosfera della Terra e la variabile D, E, F1
e F2 strati della sua ionosfera di controllo correnti elettriche. La presente
invenzione si presenta un nuovo metodo di utilizzare l'energia dal sole e da
altre fonti di articoli di alta energia come quasi, inesauribile, fonte di
energia alternativa per il mondo.
SFONDO DELL'INVENZIONE
Questa invenzione riguarda la conversione di
energia di impatto creato dalla collisione di particelle cosmiche ad alta
velocità e di radiazioni elettromagnetiche con strati esterni "Terra"
per produrre onde inerziali nella troposfera dielettrico che sono
successivamente convertiti in elettricità dalla presente invenzione.
Il termine "Terra strati esterni" si
riferisce a: magnetosfera terrestre, fasce di Van Allen, ionosfera, mesosfera,
e la stratosfera come illustrato in Fig.2:

DESCRIZIONE DI STATO DELL'ARTE
Un giorno, durante la lettura di una vecchia
rivista scientifica ho visto un piccolo articolo sulla ricerca del Dr. John
Trump del MIT (la base di un generatore elettrostatico brevettato dopo da
Onezime P. Breaux in US Pat. No. 4127804). L'articolo parlava di una serie di
esperimenti che Dr. Trump aveva eseguite con un 2-piastra, in un dielettrico
condensatore vuoto. Brevemente, ha scoperto che variando la distanza tra le due
piastre si potrebbe produrre corrente fluisce in una direzione o l'altra tra
ciascuna delle piastre e terra.
Il vento solare colpisce "Terra strati
esterni" costantemente come fanno molte altre particelle cosmiche. In ogni
istante di tempo, il prodotto vettoriale di tali impatti o produce un netto
aumento o diminuzione della pressione nella troposfera. Questo crea ondate
casuali di pressione negli strati esterni "Terra" come una carica
"piastra" si muove in relazione alla carica opposto-la superficie
della Terra come l'altro "piatto". Questa variazione di pressione
nelle "strati esterni della Terra" è equivalente a spostare un
esterno "piatto" avanti e indietro verso la troposfera e la
superficie della Terra come l'interno "piatto" - dando luogo a
variazioni di tensione su entrambi i "piatti". In questo caso
troposfera (vedi Fig.2) agisce come mezzo dielettrico posto del vuoto negli
esperimenti Trump. Inoltre, la troposfera, in sé, è anche compresso e
decompresso da queste onde casuali di pressione sulle "strati esterni
della Terra". Così, ho pensato che se si potesse creare una busta paga o
campo di tensione sufficiente all'interno della troposfera, si potrebbe
convertire queste onde di pressione casuali nella troposfera dielettrico in
flusso di corrente sulla superficie terrestre.
Come "Terra strati esterni" circondano il
pianeta, le onde d'urto si propagano in tutto di loro quando sono presenti -
anche per le ore notturne lato del pianeta. Così, ho anche pensato che si
poteva estrarre energia da questi impatti qualsiasi punto sulla superficie terrestre
o in cui si respira un'atmosfera che si tratti di giorno o di notte. Le onde di
pressione sul lato oscuro della Terra sarebbe meno energia rispetto a quelli
che si verificano sul lato diurno, perché le notturne strati della ionosfera
sono compressi così tanto che il D-strato della ionosfera scompare di notte e
la F1 e F2-strati della ionosfera si combinano in un unico F-Layer. Ho
calcolato che l'energia disponibile da queste onde d'urto sarebbe molto minore
di 30-45% a seconda della propria posizione sul lato notturno del pianeta
rispetto al terminatore.
Molti anni fa, intorno al 1900, il Dr. Nikola Tesla
costruito e testato un dispositivo per estrarre energia dal sole utilizzando un
apparecchio che fa parte di mia invenzione (vedi US Pat. Nos 685957 685958 una
datata 5 nov, 1901).
Successivamente, il dottor Thomas Henry Moray, un
altro inventore e studioso di questi brevetti di Tesla ha fatto un dispositivo
che accede a quanto pare la stessa fonte di energia, ma con un metodo diverso
dalla mia. Come il dottor Moray non è mai stato concesso un brevetto per il suo
dispositivo non posso essere certo che la sua opera è considerata tecnica
precedente ma lo inseriamo nella lista come parte della mia diligenza. A quanto
pare, ha avuto difficoltà a spiegare al revisore dei brevetti, la fonte di
energia che il suo dispositivo è stato la conversione, e, quindi, non è stato
concesso un brevetto per il suo lavoro impressionante. Divulgazione pubblica
Dr. Moray di alcuni aspetti della sua invenzione sono di dominio pubblico
attraverso le sue lezioni pubblicati e il suo libro, "Il Mare di Energia
in cui la Terra Galleggianti '- pubblicato nel 1931.
Dall'inizio del 20 ° secolo, l'umanità è alla
ricerca di nuove fonti di energia elettrica per alimentare le crescenti
richieste di energia della popolazione umana. Nella seconda metà del 19 °
secolo, il carbone, olio di balena, lavoro umano e animale, acqua in movimento,
vento e legno erano le principali fonti di energia. Tuttavia, nel primo quarto
del 20 ° secolo, l'umanità ha cominciato ad usare più energia elettrica
prodotta da generatori idroelettrici e generatori che producono energia
elettrica mediante combustione di idrocarburi. Con il crescente uso di motori a
benzina e il crescente impiego di apparecchi elettrici della domanda di energia
elettrica accelerato l'aggiunta di calore e di gas ad effetto serra in
ecosistemi della Terra.
Nella seconda metà del 20 ° secolo, molti
lungimiranti persone ha iniziato a cercare fonti alternative di energia per
ridurre le emissioni di gas a effetto serra. Tutti i sistemi di energia
alternativa indagati e / o sviluppati negli ultimi 56 anni hanno avuto
svantaggi significativi per il loro utilizzo, come la fornitura di energia
principale per i bisogni dell'umanità.
Alcuni di questi sistemi di energia alternativa
sono neanche lontanamente così efficace come i sistemi esistenti. Alcuni dei
sistemi di energia alternativa ancora introdotto il calore in più
nell'ambiente, come il combustibile fossile esistente e sistemi di energia nucleare.
E altri prodotti ancora più gas a effetto serra rispetto ai sistemi energetici
esistenti. Alcuni dei nuovi sistemi utilizzati per la produzione di risorse
alimentari combustibili che, di conseguenza, ridotto le risorse alimentari del
pianeta. Tra i leader
delle nuove fonti di energia è stato, ed è, l'energia nucleare, che produce
calore in più, rifiuti tossici e materiali che possono essere utilizzati in
armi nucleari. Fonti di energia idroelettrica non aggiungere il calore
per l'ecosistema, ma non sono una risorsa inesauribile in quanto dipendono
pioggia che sta diminuendo con l'aumentare del riscaldamento globale. Risorse eoliche non aggiungere
calore per l'ecosistema ma non sono costanti e richiedono conversione costose e
di stoccaggio.
La fonte di energia ideale per l'umanità non
aggiungerà calore ecosistema del pianeta, non produce sottoprodotti gas serra;
non esaurire le nostre risorse di cibo e acqua, non produce rifiuti tossici,
tuttavia, sarà portatile, auto-rifornimento e costantemente disponibile in
tempo reale ovunque sulla Terra e in quantità utili.
La nostra principale fonte di energia naturale
sulla Terra è il sole. Energia dal Sole entra ecosfera terrestre di
bombardamento di particelle, l'energia elettromagnetica irradiata, le variazioni
gravitazionali e processi magnetici. L'umanità ha messo a punto vari metodi di
catturare l'energia dal sole già. Celle solari a base di silicio convertire la
luce in una larghezza di banda stretta in flussi di elettroni. Queste cellule
sono, al massimo, solo il 50% di efficienza e funzionano solo quando il Sole
splende su di loro con un angolo ottimale. Le turbine eoliche funzionano solo
quando c'è vento al potere loro e sono, per la maggior parte, non è portabile.
Dispositivi per convertire l'azione delle onde degli oceani solo se non vi sono
onde create dal vento e marea effetti causati da variazioni gravitazionali, e
non sono abbastanza portatile da utilizzare in dispositivi di trasporto comuni.
Ho concluso quindi che se l'umanità potrebbe
trovare un metodo poco costoso di ottenere energia elettrica dal Sole in
qualche forma che ha lavorato giorno e notte e che è stato già scorre nella
ecosistema della Terra, potremmo essere in grado di sviluppare una energia
pulita e di auto-rifornimento fonte che aggiungerebbe nessun calore in più per
il nostro ecosistema, non modificare la nostra albedo planetario e potrebbe
essere fatto in una forma portatile.
SOMMARIO DELL'INVENZIONE
L'armonica dispositivo di scambio di energia (o
"RISPETTARE") offre una soluzione provvisoria per le risorse della
Terra combustibili fossili. Utilizza una fonte di energia non sfruttata in
precedenza che esiste in tutto l'Universo conosciuto. Per la natura stessa del
trovato, solo interrompe il flusso di energia dal Sole e tutte le altre fonti
cosmiche di particelle ad alta energia nel loro cammino normale alla Terra per
mezzo degli strati esterni.
L'invenzione non aggiunge energia al normale
equilibrio termodinamico del pianeta e dei suoi strati esterni associati.
L'invenzione non produce rifiuti - tossici o altrimenti. Non produce gas
nocivi, e in alcune forme di realizzazione potrebbe anche contribuire alla
ricostruzione del nostro scudo di ozono diradamento. L'uso di questa invenzione
si finisce per togliere la dipendenza dell'uomo dai combustibili fossili e di
creare nuove occupazioni. Sarà abbastanza a buon mercato che i proprietari
saranno in grado di installare la propria attenzione e rivendere energia alla
rete fino a quando ogni casa ha la propria attenzione e la civiltà si è
completamente svezzato dall'uso di combustibili fossili e l'energia nucleare
nella sua attuale forma.
BREVE DESCRIZIONE DEI DISEGNI

Fig.1: È la forma preferita di realizzazione dello schema
elettrico di mia invenzione che incorpora riferimenti a stimoli esterni che
vengono utilizzati per attivare il circuito. Esso rappresenta un circuito
parallelo sintonizzato per immagazzinare l'energia.

Fig.2: È un'illustrazione della Terra e ambiente immediato
come un condensatore globale dove gli strati esterni formano una piastra e
forma la superficie terrestre l'altra piastra ed entrambi sono separati da
troposfera come un mezzo dielettrico.

Fig.3: È una variante dello schema elettrico di mia invenzione
che incorpora riferimenti a stimoli esterni che vengono utilizzati per attivare
il circuito. Rappresenta l'uso di un circuito in serie sintonizzato per
immagazzinare l'energia.
DESCRIZIONE DI UNA FORMA
DI REALIZZAZIONE DEL TROVATO
Si rende noto
che io, Harold Stanley Deyo, Jr, un cittadino di entrambi gli Stati Uniti
d'America e Il Commonwealth of Australia, residente nella comunità di Pueblo
West a Pueblo County, Colorado hanno inventato un dispositivo di scambio di
energia armonica che converte pressioni dinamiche nei media ambiente intorno
alla Terra in controllata correnti elettriche.

La presente invenzione come rappresentato in Fig.1 è unico in quanto è progettato
per estrarre energia elettrica da onde di pressione che si propagano nello
casuali troposfera 14 per gli
impatti del vento solare e le altre particelle cosmiche con la Terra "Gli
strati esterni" 22 di Fig. 2.
In Fig.1,
troposfera 14 in condizioni di
riposo è rappresentata dalla linea di "+" segni 14. Lo stato convergente o compressione 12 delle onde casuali nella Troposfera 14 è rappresentato dalla linea inferiore di punti mentre lo stato
divergente o decompressione 13 delle
onde casuali nella Troposfera 14 è
rappresentato dalla linea superiore di punti. La realizzazione preferita della
mia invenzione Fig.1 è un metodo di
accoppiamento di un parallelo, risonante, circuito elettrico a queste onde di
pressione casuali per estrarre energia elettrica da loro.
Come la ricerca Dr John Trump e Onezime P. Breaux
statunitense Pat. No. 4.127.804 spettacolo, quando una piastra di un
condensatore carico viene spostato più vicino o più lontano dalla piastra
condensatore altro che una variazione di tensione appare su entrambe le piastre
di quel condensatore. Inoltre, il gradiente di campo elettrico tra quelle
modifiche piastre come le piastre vengono spostati in questo modo. Così essi
hanno descritto un metodo per convertire l'energia meccanica in corrente
elettrica semplicemente variando la distanza tra le piastre nel tempo, che può
essere espressa come ds / dt dove "ds" è la variazione di spaziatura
e "dt" è la variazione nel tempo.
Come illustrato in Fig.2, gli strati esterni possono essere visti come una piastra di
un condensatore costituito superficie terrestre stessa come una piastra 21 e Terra strati esterni come l'altra
piastra 22 dove Troposfera terrestre
23 serve come mezzo dielettrico che
separa l' due piastre. C'è un costo fra queste piastre che varia molto
rapidamente, ma non con un periodo costante. In ogni istante, il prodotto
vettoriale di tutti gli impatti di particelle cosmiche con gli strati esterni 22 creerà un'onda di pressione negli
strati esterni 22 che si manifesterà
nella Troposfera 23. Qualunque sia
il prodotto vettoriale è che si modificano il gradiente di campo nella
troposfera dielettrico 23. Tale
alterazione può aumentare o ridurre la spaziatura effettiva tra
"piatti" 22 e 23.
Al fine di catturare e convertire le variazioni di
tensione risultanti prodotte in corrispondenza o vicino alla superficie
terrestre 21 di Fig.2, questa invenzione crea la propria, campo localizzato lo
stress 3 di Fig.1 stabilito nella Troposfera 23 di Fig.2 con una
carica, superficie conduttiva 1 di Fig.1, che è racchiuso in alta tensione
di isolamento 2 di Fig.1 e si estende nel 23 Troposfera di Fig.2.
In Fig.1,
una serie di alta tensione, impulsi partire è applicato attraverso punti 4 e 6 sui lati opposti di un condensatore 5 per creare il campo di stress localizzato 3. Poiché questi impulsi partire alta tensione sono applicati, il
circuito risonante parallelo formato da induttore bobina 7 e condensatore variabile 11
sia riferito a terra 8 è stimolata
in risonanza all'interno della banda determinata dai valori di questi
componenti circuitali. Sintonizzazione del circuito avviene mediante
condensatore variabile 11. La carica
ad alta tensione sulla superficie conduttiva 1 di Fig.1 è mantenuta
dal circuito parallelo sintonizzato formato da induttore bobina 7 e condensatore variabile 11.
Poi, come i casuali, onde di pressione si propagano
per tutta la Troposfera 23 Fig.2, il campo di stress localizzato 3 di Fig.1 è oscillato dal fronte d'onda di compressione 12 e il fronte d'onda di decompressione
13 (sia in Fig.1) che crea tensione modifiche condensatore 5.
In Fig.1,
le conseguenti variazioni voltaggi su condensatore 5 aggiungerà energia al circuito risonante parallelo formato da
induttore bobina 7 e condensatore
variabile 11 che agisce come un
circuito volano per immagazzinare l'energia che è stato passato. Come energia
costruisce nel circuito parallelo la tensione del circuito aumenta fino una
scintilla di scarico avviene attraverso il traferro 9 anche riferito a terra 8.
La corrente scarica solo in una direzione, come determinato dal diodo 10. Il circuito funzionerà senza diodo 10, ma un diodo è qui utilizzato come
un metodo per evitare di drenaggio tutta l'energia dal circuito serbatoio
quando si verifica una scarica.
Questo circuito risonante può essere sintonizzato
diverse larghezze di banda per massimizzare l'efficienza del processo di
conversione a seconda della posizione del dispositivo, l'ora del giorno,
variazioni di temperatura, umidità relativa e altre variabili nella troposfera
ambiente 23 della Fig.2 intorno al conduttore superficie 1 di Fig.1. Un carico resistivo per estrarre potenza dal circuito
risonante può essere utilizzato al posto del spinterometro 9 di Fig.1.
Questa forma di realizzazione preferita utilizza
una parallela, circuito accordato per accedere a una vasta gamma di frequenze
di solito si trova nella gamma tra 4,5 e 7 MHz. Questa gamma comprende i più
importanti, presenti naturalmente, frequenze di risonanza presenti nella
ionosfera.

Una seconda forma di realizzazione della presente
invenzione, come mostrato in Fig.3
sostituisce il circuito parallelo sintonizzato formato da induttore bobina 7 e condensatore variabile 11 in posti in parallelo tra loro e
riferito a terra 8 Fig.1. Questa seconda realizzazione
forma una serie a punto circuito formato dalla bobina 7 induttore e condensatore variabile 11 in Fig.3 posto in
serie tra loro e riferiti a massa 8.
Essa differisce dalla forma di realizzazione preferita solo nel collocamento di
condensatore variabile 11 in modo
che sia in serie con la bobina 7.
Questa forma
di realizzazione limita la gamma di frequenza e, quindi, l'energia che il
sistema memorizza rispetto alla forma di realizzazione preferita. Produce
tensioni superiori attraverso lo spinterometro 9 di quelle prodotte nella realizzazione preferita attraverso il
spinterometro 9 di Fig.1.
*****
Ciò che viene detto in questa domanda di brevetto
aggiunge alcuni fattori interessanti alla progettazione TREC di Lawrence
Rayburn che precede la brevetto Deyo da alcuni anni. Il suo commento sulla
sostituzione della spinterometro con un carico resistivo suggerisce alcune
soluzioni alternative che potrebbero essere sperimentate con il sistema di
TREC.
Inoltre, un po 'sulla stessa linea:
Tradotto da un originale in lingua spagnola:
Molte persone pensano che non sia possibile ottenere il
potere dal campo magnetico terrestre, perché che l'intensità di campo è troppo
bassa e quindi i livelli di energia non sono abbastanza alti per qualsiasi tipo
di applicazione utile. questo non è il caso. Ho costruito molte spire e ottengo
molti chilowatt per scopi utili dal campo magnetico terrestre e qui vi presento
il concetto di base e alcune formule fondamentali a tutto questo.
L'influenza del campo magnetico terrestre non dovrebbe
essere ignorato. In tempi di attività sole forte, oscilla campo magnetico della
Terra e in qualsiasi linea di trasmissione di potenza a lungo ci sono sbalzi di
tensione e sovratensioni che possono causare disturbi tecnici, guasti e
interruzioni delle fonti elettriche. La legge di Faraday che
l'induzione è dato per i seguenti:
V =
2 x pi x f x B x A
Dove:
B è il campo magnetico della Terra,
f la frequenza delle oscillazioni, e
A è l'area della superficie attraverso cui scorre il campo.
Ai fini del calcolo si può
approssimare il campo magnetico della Terra come 1 (Tesla o 10-4) Gauss
Se si considera un normale,
lunga trasmissione di circa 10 km di lunghezza con le linee elettriche una
distanza di 1 metro di distanza, poi abbiamo:
V = 6.28 x
10-4 x 104 x f che è uguale a 6.28 x f
Se le fluttuazioni sono f = 10 Hz, che produce una
sovratensione di 63 V. Se le fluttuazioni sono 100 Hz allora la sovratensione è
630 V, ecc ....
Quindi, se il campo magnetico terrestre è inferiore
in intensità, l'effetto è notevole in una grande superficie e la gamma di
volume.
Per considerazioni di energia e di potenza, si può
vedere che il campo magnetico terrestre è inferiore comuni magneti permanenti,
ma il volume di spazio che copre è molto grande. L'energia in un campo
magnetico non è soltanto l'intensità di campo solo, ma dipende anche dal volume
che agisce attraverso cui campo.
L'energia immagazzinata in un campo magnetico B attraverso un volume di spazio V è:
U = 1 / (2muo)
x B2 x V
.............. (1)
Dove
muo è la permittività magnetica
del vuoto.
Comune magneti permanenti canale
di energia. Se possiamo utilizzare per ottenere potere illimitato come il MEG
Bearden, poi il campo magnetico della Terra attraverso una bobina nucleo d'aria
può ottenere lo stesso risultato.
Ora si può fare un confronto tra
un magnete permanente e una bobina orientata al campo magnetico terrestre per
ottenere gli stessi livelli energetici.
Consideriamo un potente magnete
permanente, come quello usato in un MEG, di 5.000 gauss e dimensioni di 50 mm x
20 mm x 10 mm. Secondo l'equazione (1) di cui sopra, l'energia immagazzinata
nel magnete permanente sarà:
U = 1 / (8 x pi x 10-7) x (0.5)2 x (5 x 10-2) x (2 x 10-2) x (10-2), so
U =
0.995 Joules - vale a dire, circa 1
Joule di energia.
Dispositivi come il MEG con magneti permanenti non si
ottiene chilowatt troppi, il motivo è dovuto al fatto che l'energia magnetica è
costante. Se
chiudiamo che il campo magnetico in un circuito di base o magnetico e degli
impulsi che il campo si ottiene 1 joule di energia in ogni caso tempo
desiderato perché i negozi a magneti permanenti che l'energia illimitata e
quindi se vogliamo una potenza di 1 kW, la potenza p si calcola:
P = dU/dt
Per P = 1 KW, abbiamo bisogno di impulsi 1 joule di
energia per solo 1 millisecondo.
Allo stesso modo, se si riceve
alimentazione degli stessi livelli di campo magnetico terrestre, si deve
calcolare il volume della bobina nucleo d'aria. Utilizzando la stessa equazione, vediamo che
(0.5)2 x (5 x 10-2) x (2 x 10-2) x (10-2) = (10-4)2 x V
V è
il volume della bobina è necessario per ottenere gli stessi livelli di energia
magnetica, e in questo caso,
V = 250 m3
Vale a dire, una bobina di 6,3 m
di diametro e 6,3 m di lunghezza, collocato parallelamente al campo magnetico
terrestre, può immagazzinare l'energia stessa poco 5000 gauss magneti
permanenti che abbiamo considerato per un dispositivo MEG.
Ma non è necessario costruire
una bobina di grande, possiamo usare una bobina più piccola. L'energia
magnetica allegata sarà inferiore, ma come P = dU / dt si deve aumentare la
frequenza degli impulsi per ottenere lo stesso livello di potenza proveniente
da una bobina più grande. Per esempio, una bobina nucleo d'aria dal diametro di
1 metro e 1 metro di lunghezza secondo l'equazione (1), memorizza una energia
di:
U = 1 / (8 x pi x 10-7) x ( 10-4)2 x pi x 1 / 4 x 1 = 0.003 Joule
Se impulso che livello di energia a 330 kHz, allora
avremo 1 kW, ed a 660 kHz, 2 kW, ecc, in tal modo una più alta frequenza
produce una potenza maggiore.
Allora la domanda diventa, come possiamo impulso
del campo magnetico costante all'interno della bobina? La risposta è semplice:
utilizzando una sorgente esterna, possiamo annullare il campo magnetico
terrestre all'interno della bobina. Ci deve essere potenza e amplificazione
dell'energia rispetto alla sorgente di ingresso esterna. Per rendersi conto che di amplificazione di
Lasciare la variazione del campo magnetico
all'interno della bobina dell'aria dato dal:
B(t) = Bo + Bf x Sin( w x t )
Dove
Bo è la costante del campo
magnetico terrestre,
Bf è il campo magnetico
nella bobina creato dalla sorgente di alimentazione esterna, e
w è la frequenza angolare
della sorgente esterna.
Sostituzione B (t)
dall'equazione (1) si ottiene la variazione di energia nel tempo, U (t), e
quindi possiamo calcolare la potenza come P = dU / dt con conseguente:
P(t) = Bf x w x V x (Bo + Bf x Sin(w x t) x
Ricordare che V è il volume
all'interno della bobina.
Vediamo qui che la potenza in
uscita dipende Bo, campo magnetico terrestre, come nel caso del MEG di Bearden
dipende dalla intensità del campo magnetico del magnete permanente nel
circuito.
Così possiamo ora calcolare un
valore di COP con Bo e senza Bo, o Bo = 0
Calcolo della potenza RMS per
entrambi i casi (non riprodotto qui perché corrisponde ad un caso di calcolo
differenziale di base) e l'utilizzo del rapporto, il risultato del COP è:
COP
= ( 1 + ( 2 x Bo / Bf )2 )0.5
Vediamo dunque amplificazione di
potenza, e naturalmente se Bo = 0 e non un campo magnetico permanente, il COP
massimo è 1, potenze di ingresso e uscita sono uguali. Nel caso del MEG di Bearden,
la condizione è Bo = Bf per non smagnetizzazione del magnete permanente e in
questo caso abbiamo un COP = radice quadrata di (5), che è un valore compreso
tra 2 e 3 che corrisponde ai risultati pratici per questo calcolo classico.
Ma per il campo magnetico
terrestre, possiamo ottenere valori più elevati perché non può causare una
smagnetizzazione del campo magnetico terrestre.
Quanti si accende la batteria,
pulsante di frequenza, diametro della bobina, lunghezza della bobina, ecc,
abbiamo bisogno?
La potenza di ingresso per
annullare il campo magnetico terrestre all'interno della bobina, o la
condizione Bf = Bo, calcoliamo utilizzando il componente RMS dell'equazione (2)
precedente, impostando Bo = 0, quindi abbiamo:
P = 0.05 x f x A x L , (dove P è in watt).
A è la sezione della
bobina in m2,
f la frequenza in Hertz,
L la lunghezza della bobina ex metri
Per annullare il campo magnetico terrestre
all'interno della bobina, la condizione in base a legge di Ampere è:
N x i / L = 100
Dove N is
il numero di spire della bobina e
i è la corrente in ampere.
Infine, la tensione indotta nella bobina sarà:
V = 2 x pi x f x N x Bo x A
Così, con i seguenti valori, abbiamo per esempio:
N = 1000 giri,
f = 100 kHz,
Bobina diametro = 1 m,
lunghezza della bobina L = 1 m,
i = 100 mA o 0.1 A,
Bo = E Campo magnetico terrestre
Questo dà V = circa 4.000 Volt.
La potenza di ingresso per questo
esempio è di circa 4 kW, la potenza di uscita per il fattore COP sarà un
massimo di 12 kW. In closed loop mettiamo a disposizione i 4 kW dall'uscita
generata e si ottiene un auto-alimentato generatore di produrre 8 kW di potenza
di uscita. I miei risultati pratici corrispondono questi calcoli.
Come è un pratico dispositivo
costruito?
Utilizzando un tubo di plastica grande,
abbiamo avvolgere la bobina primaria ingresso per l'uso con la sorgente
esterna. Per estrarre la potenza di uscita, si usa un altro tubo posto
all'interno del primo tubo, e di circa lo stesso diametro e lunghezza con un
adeguato numero di spire e filo di scendere la tensione, per, per esempio, 110
VAC. Per l'oscillatore ad alta tensione della sorgente di ingresso utilizzare
un circuito risonante LC preso da un trasformatore di potenza ferrite.
E 'molto interessante vedere il
lavoro del dispositivo, e nei giorni di tempeste geomagnetiche, i livelli di
potenza va troppo alto e devo usare dispositivi di protezione per evitare danni
al sistema e dei carichi ad esso collegati.
Tutte le domande al seguente
e-mail: enertec2200@yahoo.es (che
non può ancora essere operativa in quanto queste informazioni è piuttosto
vecchio).
Generatori elettrostatici non sono affatto a
differenza dei sistemi di antenna che è necessario in una conversione corrente
ordinaria. Il dispositivo svizzero progettato da Paul Baumann (capitolo 13),
che ha kilowatt di potenza convenzionale produzione di energia elettrica e che
è autoalimentato dimostra che i sistemi molto utili possono utilizzare cariche
elettrostatiche. Design Paul è costruito attorno ad una macchina Wimshurst che
è auto-rotazione a causa delle inclinate carica raccolta strisce che formano un
motore elettrostatico oltre a raccogliere la carica che viene trasferito al
resto del circuito.
Un certo numero di generatori elettrostatici sono
stati progettati e utilizzati. Essi utilizzano generalmente una piccola, bassa
potenza del motore a modificare ripetutamente la capacità tra una serie di
piastre metalliche e così, il flusso di corrente alternata creare. Alcuni di
questi disegni sono realmente intelligente nel modo in cui operano. Ad esempio,
il seguente brevetto da Charles Goldie ha una sorgente di tensione di ingresso
che viene generato dal dispositivo stesso e la tensione utilizzata può essere regolata
dall'utente, mentre il dispositivo fornisce due uscite CC separati in serie,
che può essere utilizzato come un unico maggiore tensione se desiderato.
Il Le May brevettare illustrato di seguito ha
tecniche utili che aumentano la potenza di uscita per più di cinque volte
quello che sarebbe stato senza l'uso di tali tecniche. L'impressione generale
di generatori elettrostatici è che sono ingombranti e generalmente inefficaci.
Che può essere il caso per alcuni di essi, ma non è certamente il caso per tutti
loro. Ad esempio, il progetto generatore elettrostatico di William Hyde,
mostrato nel capitolo 11, ha un COP = 10 performance in cui la produzione
elettrica è dieci volte superiore alla potenza meccanica necessaria per farlo
funzionare, e mi hanno detto che l'uscita del generatore può essere di 10
chilowatt che è un più che rispettabile di uscita.
Un design particolarmente intelligente proviene da
Onezime Breaux (US 4.127.804), in cui viene generata ad alta tensione di carica
per breve tempo, e poi quella stessa carica è la spola avanti e indietro
attraverso il carico in uscita, senza che la carica mai essere 'utilizzato'
(per dirla in parole povere). Poiché nessun sistema è mai perfetto al 100%,
ogni dieci minuti o giù di lì, ad alta tensione di carica è molto brevemente
rinforzato. Un sistema di questo tipo deve essere in grado di essere un
auto-sostenuta generatore. In un prototipo minima che non è stato perfettamente
costruito con qualsiasi mezzo, la potenza necessaria per ruotare il rotore era
0,8 watt, mentre l'uscita elettrica era di 20 watt. Questo mostra chiaramente,
che i generatori elettrostatici può essere seriamente utile, soprattutto se
costruita nelle taglie più grandi.
Il Brevetto US
3.013.201 12 dicembre
1961 Inventore: Charles H.
Goldie
AUTOECCITATO CAPACITANZA VARIABILE GENERATORE ELETTROSTATICO
Questa invenzione si riferisce a generatori
elettrostatici in cui il meccanismo di trasferimento di carica fa uso di
effetti capacitivi tra corpi carichi ed elettrodi su cui costo deve essere
indotta, e in particolare, per l'auto-eccitazione di tali generatori.
L'invenzione può essere meglio compresa dalla seguente
descrizione dettagliata, con riferimento ai disegni allegati in cui:

Fig.1 è un diagramma che
illustra una forma di capacità variabile generatore elettrostatico;

Fig.2 è un altro
diagramma che illustra inoltre la disposizione di Fig.1;

Fig.3 è un diagramma
che illustra una modifica del dispositivo di Fig.1 e realizza l'invenzione, e

Fig.4 è un diagramma
che illustra una porzione dell'apparecchio di Fig.3.

Guardando i
disegni in dettaglio, Fig.1 mostra
un rotore 1 e uno statore 2. Il rotore 1 ha una carica positiva su di esso. Un alimentatore 3 mantiene la carica delle rotore 1.

In Fig.2 si può notare che lo statore 2 è collegato a terra mediante un
percorso resistivo 4 che è collegato
in parallelo con almeno un raddrizzatore 5
in modo che la corrente può fluire solo in una direzione tra lo statore 2 e la massa.

Nel dispositivo
mostrato in Fig.3 e Fig.4, il rotore
funge da collegamento capacitivo tra un elettrodo di carica fissa e uno
statore. A 11 rotore passa
periodicamente vicino ad uno statore 12.
Tuttavia, invece di portare la sua propria carica come nel dispositivo mostrato
in Fig.1 e Fig.2, la carica
necessaria induce il rotore 11 è a
sua volta indotto il rotore 11
dall'elettrodo di carica 13. Così,
quando una estremità del rotore 11 è
vicino l'elemento statore 12, e l'estremità
opposta del rotore 11 è vicino
all'elettrodo di carica 13, una
carica negativa è indotto tale porzione di rotore 11 che è vicino all'elettrodo di carica 13 con l'comportare che carica positiva appare all'estremità
opposta del rotore 11 dal rotore 11 deve essere elettricamente neutra.
L'invenzione
verrà ora descritta con riferimento al dispositivo mostrato in Fig.3 e Fig.4, ma sarà chiaro dalle
osservazioni di cui sopra, che l'invenzione potrebbe anche essere utilizzato
con un dispositivo del tipo illustrato in Fig.1
e Fig.2. Il vantaggio principale del dispositivo illustrato in Fig.3 e Fig.4 è il fatto che esso
elimina la necessità di una spazzola sul rotore di fornirle carica, la carica
sul rotore è indotta capacitivamente.
Facendo
riferimento brevemente alla Fig.1 e
Fig.2, si ricorda che l'invenzione riguarda la costruzione di un generatore
autoeccitato senza energia esterna diversa potenza fornita all'albero. Vale a
dire, l'obiettivo è un generatore completamente auto-ricarica. Facendo
riferimento alla Fig.1 e Fig.2, si
vedrà che il feedback diretto dell'uscita alla piastra ad induzione è esclusa
dal commutatore di polarità insita in questo tipo di macchina. La difficoltà
viene evitato dalla sezione di due unità mostrato in Fig.3 e Fig.4. Qui, una frazione della tensione di uscita di
ciascuna sezione viene alimentato alla piastra induzione dell'altro.

L'azione del
circuito viene meglio compresa guardando prima sezione inferiore. Rotore 11 è elettricamente isolato, ventaglio
piatto rotore montato su un albero isolante 14 che è azionato da un adatto motore 15. Come rotore 11
ruota, esso copre periodicamente statore 2
e l'elettrodo di carica 13, entrambi
i quali sono isolati e settore circolare. Ricarica elettrodo 13 è mantenuto ad una tensione CC
positiva rispetto a massa. Come rotore 11
ruota in una posizione in cui esso copre sia l'elettrodo di carica 13 e lo statore 12, la capacità tra l'elettrodo di carica 13 e statore 12 aumenta
e la carica negativa è indotto da terra tramite diodo 16 e il 12 per statore.
Come rotore 11 ruota dalla statore 12 e l'elettrodo di carica 13, diminuisce accoppiamento capacitivo
e la tensione sul statore 12 alzate,
negativa rispetto a massa. Diodo 16
blocchi qualsiasi flusso di carica negativa da statore 12 e il potenziale negativo di statore 12 alzate, i flussi di corrente attraverso un secondo diodo 17 a carico 18. Una frazione "V2" di questo carico di tensione
negativa viene applicata all'elettrodo di carica o piastra ad induzione 13 'della seconda sezione o superiore
mediante il resistore variabile 19.
L'azione di ricarica di questa seconda sezione è identica a quella nella prima
sezione tranne polarità invertite, e l'uscita della seconda sezione viene
corrispondentemente reimmessa piastra ad induzione 13 della prima sezione attraverso un secondo resistore variabile 20. Resistenze variabili 19 e 20, il controllo della tensione di
uscita e la potenza regolando i rapporti di feedback.
Il circuito è
rigenerativa e quindi è solo necessario fornire una piccola tensione di
riferimento per iniziare nella giusta direzione. L'uso di statore e rotore con
materiali idonei potenziali contatto è una soluzione. Un'altra soluzione
utilizza una piccola batteria 21 in
una linea di induzione. Opportuni dispositivi limitatori di tensione 22 sarebbe aggiunto o sulla piastra ad
induzione 13, o attraverso il carico 18 per impedire un eccessivo accumulo
di tensione.
Un certo numero
di caratteristiche di questo circuito sono di interesse. Gli anelli usuali e
spazzole vengono eliminati con l'uso di statore 12 e ricarica elettrodo 13
e un rotore 11 isolata piuttosto che
un singolo statore 2 ed un rotore 1 mantenuto ad un potenziale di
induzione costante come mostrato in Fig.1
e Fig.2.
Nonostante il
fatto che la seconda sezione è stata aggiunta al fine di auto-eccitazione, due
tensioni di uscita vengono sommati attraverso il carico 18, 18'. La disposizione mostrata in Fig.3 è solo per la spiegazione del principio di auto-eccitazione.
Il terreno mostrato, per esempio, non è richiesta e per tensioni superiori, le
unità possono essere collegati in cascata con un albero unico disco isolante 14. Per una data uscita tensione
totale, il numero di rotore / statore insiemi è lo stesso per questo
auto-carica generatore per un generatore ausiliario richiede forniture di
carica.
Due poli sono
mostrati per semplicità. In una macchina reale di un numero maggiore sarebbe
più pratico. Il sistema vale anche per altre disposizioni geometriche, quali la
progettazione tamburo concentrico o segmentato menzionato nella domanda di
brevetto US 829.823.
Brevetto US 3.094.653
18 giugno 1963 Inventori: D. B. Le May et al.
GENERATORE ELETTROSTATICO
La presente invenzione si riferisce ad una
macchina di conversione di energia del tipo in cui un condensatore variabile
viene ciclicamente guidata mentre viene caricata e scaricata in sincronismo con
le variazioni cicliche di capacitanza.
Ci sono diversi tipi di macchine elettrostatiche
che, per esempio, la funzione di generare energia elettrica da energia cinetica
o energia cinetica da energia elettrica. Una ampia classificazione per queste
macchine si basa su se apparecchi conduttivo o non conduttivo viene utilizzato
per trasportare carica elettrica all'interno del sistema. La presente
invenzione si riferisce alla classe di macchine in cui transitano carica
elettrica attraverso apparecchi conduttivo. Più specificamente, la presente
invenzione riguarda sistemi elettrostatici in cui una forma di condensatore
variabile è azionata meccanicamente per fornire una capacità che varia
ciclicamente, viene caricato durante intervalli di elevata capacità e scaricata
a intervalli di bassa capacità, per fornire energia elettrica.
In generale, in precedenza proposto generatori
elettrostatici variabile di condensatori (a volte chiamati generatori di
induzione elettrostatica) sono stati in grado di efficienza molto elevati e
potrebbe essere incorporato in un apparecchio relativamente leggero. Queste
considerazioni derivano principalmente dal fatto che i campi elettrostatici
possono essere sostenuti in aria, sottovuoto, o altro supporto molto leggero,
mentre i campi elettromagnetici richiedere l'uso di materiale ferroso pesante.
Inoltre, i campi elettrostatici sono causati da cariche effettuate su
superfici, piuttosto che da correnti nei conduttori, in modo che i requisiti di
rame relativamente pesanti di macchine elettromagnetici possono essere evitati.
È stato trovato che le macchine elettrostatiche operanti nel vuoto, non hanno
la perdita di ferro, rame o perdita perdita derivazione di macchine
elettromagnetiche, ottenendo così la loro efficienza estremamente elevata.
Tuttavia, altre considerazioni hanno impedito
queste macchine di venire in uso diffuso. Specificamente, macchine
elettrostatiche prima di questa classe sono stati normalmente di grandi
dimensioni rispetto alla loro capacità di potenza. Inoltre, l'uso pratico di
macchine precedenti è normalmente richiesta un'operazione estremamente alta
tensione. Entrambi questi inconvenienti risultato dalla natura del campo
elettrostatico, è requisito di elevati gradienti potenziali per intensità di
campo paragonabili a campi elettromagnetici e le limitazioni su gradienti
potenziali imposti dalla rottura del dielettrico. Pertanto, notevoli
attrezzature isolamento e di sicurezza è stato richiesto in precedenti sistemi
elettrostatici, e il funzionamento a tensioni moderate non è pratico. Ancora di
più, alcune forme di generatori ad induzione elettrostatici hanno richiesto
sistemi di commutazione piuttosto complessi per caricare e scaricare i
condensatori, questi sistemi non sono stati commercialmente fattibile.
In generale, la presente invenzione comprende un
sistema efficiente induzione elettrostatica capace di un funzionamento economico
che può essere incorporato in una unità che è di piccole dimensioni rispetto
alla capacità di potenza. Il sistema comprende due serie di astiformi membri,
delle quali una è ruotato rispetto all'altro, in modo che alcune delle aste
relativamente-mobili forniscono una capacità variabile. Le aste altre nella
struttura vengono quindi utilizzati per modellare il campo elettrostatico in
modo che produce una maggiore differenza tra la capacità minima e massima del
dispositivo, con conseguente aumento di potenza capacità di conversione della
dimensione dell'unità. La struttura a capacità variabile è collegato a un
sistema elettrico che carica e scarica della capacità in maniera
ciclica-variante. Elementi reattivi vengono poi accoppiati al sistema di causare
sfasamenti di tensione nel sistema relativi alla capacità variabile, per
aumentare il carico applicato al, e prelevati da, la struttura di capacità
durante il ciclo operativo, aumentando così ulteriormente le capacità di
conversione di potenza del il sistema.
Un altro scopo della presente invenzione è di
fornire un sistema migliorato di induzione elettrostatica.
Un altro scopo della presente invenzione è quello
di realizzare un generatore elettrostatico ad induzione o motore che ha una
maggiore capacità di conversione di potenza rispetto alla sua dimensione
fisica.
Ancora un altro scopo della presente invenzione è
di fornire un sistema di conversione di energia elettrostatica che può essere
incorporato in un apparecchio economicamente dimensioni relativamente piccole.
Un ulteriore scopo della presente invenzione è
quello di realizzare un motore elettrostatico ad induzione o generatore in cui
l'energia viene più efficacemente convertito un'altra forma migliorando la
forma dei campi elettrostatici nel sistema.
Ancora un ulteriore scopo della presente
invenzione è quello di realizzare un generatore elettrostatico ad induzione o
motore in cui l'energia viene effettivamente trasformata in un'altra forma
dalla disposizione di elementi reattivi per sintonizzare gli elementi
capacitivi che sono inerenti al sistema.
Un ulteriore scopo della presente invenzione è
quello di realizzare un sistema perfezionato per convertire l'energia in modo
efficiente da una forma ad un'altra, in cui un campo elettrostatico viene utilizzato
per inter-coppia le varie forme di energia.
Questi, ed altri scopi della presente invenzione
risulteranno evidenti dalla considerazione della seguente, considerata in
unione con i disegni, in cui:

Fig.1 è un diagramma
schematico che illustra il funzionamento di base di un sistema preliminare a
cui la presente invenzione può essere applicata;

Fig.2 è una
rappresentazione prospettica e schematica di una forma di condensatore
variabile che può essere incorporato in un apparecchio della presente
invenzione;

Fig.3 è una vista
prospettica di un'altra forma di condensatore variabile che può essere
incorporato in un apparecchio della presente invenzione;

Fig.4a, 4b e 4c sono
rappresentazioni schematiche che illustrano un aspetto del funzionamento di un
sistema che incorpora la presente invenzione;

Fig.5 è uno schema di
circuito che incorpora una forma della presente invenzione;

Fig.6 è una serie di
grafici che illustrano il funzionamento del sistema mostrato nella Fig.5;

Fig.7 è uno schema
circuitale di un altro sistema che incorpora la presente invenzione;

Fig.8 è una serie di
curve che illustrano l'efficacia dei sistemi costruiti secondo la presente
invenzione;

Fig.9 è una vista in
sezione verticale e rappresentazione schematica di un apparato costruito
secondo la presente invenzione;
Fig.10 è una vista in
sezione verticale lungo la linea 10 ---
10 di Fig.9;
Fig.11 è una vista in
sezione verticale lungo la linea 11 ---
11 di Fig.9;
Fig.12 è una vista in
sezione orizzontale secondo la linea 12
--- 12 di Fig.9.

Facendo inizialmente riferimento alla Fig.1, è mostrata una forma preliminare
di un generatore ad induzione elettrostatica. Un condensatore variabile 20 è collegato in un loop seriale con
una batteria (o altra fonte di tensione) 22
ed un diodo 24. Un circuito in
serie comprendente un diodo 26 ed un
resistore 28 è poi collegato
attraverso il diodo 24. I diodi 24 e 26 sono collegati in un modo che
consente il flusso di corrente in direzioni opposte attraverso la batteria 22. Condensatore variabile 20 è azionato da un motore a fornire
una capacità variabile ciclicamente, con il risultato che l'energia meccanica
utilizzata per guidare condensatore 20
viene convertita in energia elettrica fornita al resistore di carico 28.
Considerando il funzionamento del sistema di Fig.1 in dettaglio, il condensatore 20 viene spinto a variare tra i livelli
massimo e minimo di capacitanza. A un livello massimo di capacità, condensatore
20 viene caricato in un livello di
carica "Q" dalla batteria 22
attraverso il diodo 24. La tensione
attraverso il condensatore 20
equivale quindi Q / C, dove C è la capacità del condensatore 20. Naturalmente, questa tensione è
sostanzialmente coincidente con la tensione di batteria 22 meno la caduta di tensione del diodo 24.
Come la capacità C del condensatore 20 diminuisce verso il suo valore
minimo, la carica Q rimane costante, quindi la tensione ai condensatore aumenta
per accogliere la diminuzione della capacità come V = Q / C. L'aumento della
tensione attraverso il condensatore 20
produce una corrente attraverso la batteria 22, caricare resistore 28
ed un diodo 26. Questa corrente
tende a ricaricare batteria 22,
oltre a fornire energia al resistore di carico 28.
In questo modo, l'energia meccanica utilizzata per
guidare condensatore 20
ciclicamente, si manifesta sotto forma di energia elettrica passata alla
resistenza di carico 28. Pertanto,
in generale, questa operazione di base del generatore elettrostatico è simile a
un generatore elettromagnetico, tranne che il campo che accoppia l'energia
meccanica di ingresso per l'energia elettrica è uscita elettrostatica anziché
elettromagnetica.
Un'ampia varietà di strutture può essere
utilizzato come condensatore variabile in un generatore elettrostatico.
Tuttavia, nella struttura selezionata, è normalmente desiderabile ridurre il
rapporto dei gradienti di campo di tensione di picco per i gradienti medi
arrotondati utilizzando elementi capacitivi, ad esempio tubi o barre, piuttosto
che piastre del condensatore con spigoli vivi. Due strutture condensatore
variabile utilizzando queste barre conduttrici sono mostrati in Fig.2 e Fig.3 e verrà ora considerato
in dettaglio.

La struttura di Fig.2 è una configurazione radiale-bar condensatore variabile in
cui sono montate le righe di barre che si estendono radialmente ad essere
relativamente mobile e quindi forniscono una capacità variabile tra le file. In
particolare, una prima fila di barre 30
è montato in un mozzo 32 che è
portato su un albero fisso 34.
Analogamente, un'altra fila di barre che si estendono radialmente 36 è supportato in un mozzo 38 che è montato sull'albero fisso 40, che riceve telescopicamente un
albero concentrico 42 che è
accoppiato al motore 44 e che porta
mozzo 46 di supporto della fila di barre 48 che è posizionato tra le righe 30 e
36. Le barre di ciascuna delle righe 30,
36 e 48 possono essere interconnessi elettricamente da un conduttore
supportato nei rispettivi hub. Tuttavia, come i mozzi singole 32, 38 e 46 sono formate in materiale
isolante, le file separati non sono interconnessi elettricamente. Pertanto, una
capacità variabile esistente tra le singole righe 30, 36 e 48. Questa capacità è simile ad una comune struttura di
piastra rotante capacitivo, tuttavia, al fine di ridurre i picchi di gradienti
di campo di tensione tra le righe, le barre o elementi capacitivi sono
arrotondate per evitare spigoli vivi.
Nel momento in cui la fila di barre 48 è in allineamento angolare con le
barre nelle righe 30 e 36, le barre
sono più vicini e c'è capacità massima. Come riga 48 ruota ad una posizione di almeno allineamento delle barre nelle
righe 30 e 36 (come mostrato nel
disegno) e lì, la capacità tra le righe è al minimo. Così come motore 44 ruota di bar in fila 48, una capacità variabile ciclicamente
è previsto tra le barre e le barre nelle righe 30 e 36. Nell'applicazione di tale struttura la presente
invenzione, alcune delle barre può essere utilizzato per modellare il campo
elettrostatico come descritto di seguito, mentre le barre rimanenti forniscono
la capacità variabile desiderata. Naturalmente, il numero delle righe in una
configurazione di questo tipo può essere variata per aumentare la capacità,
come possono le dimensioni delle barre. Naturalmente, queste considerazioni
sono determinate dalla particolare applicazione del sistema.

Fig.3 mostra un'altra
forma di capacità variabile struttura che può essere utilizzato in un sistema
della presente invenzione. La struttura mostrata in Fig.3 comprende due strutture cilindriche concentriche 50 e 52, che sono montati in modo da
ruotare l'uno rispetto all'altro. Queste due strutture sono simili tranne per
le loro dimensioni. La struttura inferiore 50
è montata telescopicamente concentricamente nella struttura più grande 52. La struttura inferiore 50 comprende una coppia di anelli
isolanti 54 e 56 che sono tenute
distanziate da barre conduttrici 58
e sono angolarmente sfalsati in una configurazione circolare. Una coppia di
anelli isolanti 60 e 62 della
struttura 52 sono montato
concentricamente all'esterno gli anelli 54
e 56 rispettivamente, e sono mantenuti distanziati da sfalsati angolarmente
conducendo 64 bar. La struttura 52, comprendente gli anelli 60 e 62 e l'64 bar è tenuta fissa, mentre la struttura 50, comprendente gli anelli 54
e 56 e le barre 58, viene
ruotato facendo barre 58 e 64
passano tra loro in relazione parallela. Come risultato di questo movimento,
una capacità variabile esiste tra le barre delle due strutture. Come nella
struttura illustrata in Fig.2, le
singole barre nelle strutture separate possono essere interconnessi
elettricamente per fornire una capacità composito, o in alternativa alcuni
delle barre può essere utilizzato per conformazione di campo, come descritto di
seguito. Quindi la struttura mostrata in Fig.3,
così come la struttura mostrata in Fig.
2, può essere utilizzato come capacitanza-variando ciclicamente nel sistema
mostrato in Fig.1 per fornire
energia elettrica da energia cinetica. In un tale sistema, l'energia verrebbe
fornita da motori 44 o 66, tuttavia, la fonte di energia
cinetica non è importante per la presente invenzione.
Nel funzionamento di un generatore elettrostatico
come mostrato sopra, il rapporto di conversione di potenza per unità di
dimensioni (e peso) della macchina può essere aumentata aumentando la capacità
massima, o diminuendo la capacità minima del condensatore variabile.
Naturalmente, è evidente che la conversione di energia avviene nei sistemi
della presente invenzione da un condensatore variabile, l'efficacia della
conversione dipende l'intervallo in cui il condensatore varia. In generale,
l'efficacia di questi sistemi è molto elevato anche operando con una piccola
gamma capacitivo, tuttavia, in tali sistemi la capacità di conversione di energia
o potenza del sistema è basso rispetto alla sua dimensione fisica. Un aspetto
importante della presente invenzione risiede in una struttura per aumentare la
gamma di variazione capacitiva, e sarà ora considerato in dettaglio. Per scopi
di illustrazione, un condensatore variabile piastra mobile sarà considerato con
riferimento alle Fig. 4a, 4b e 4c.
Il condensatore piastra piana fornisce un buon esempio del principio universale
da descrivere a causa della presente semplice campo elettrostatico in una tale
struttura.

Fig.4a mostra una
coppia di distanziate piastre conduttrici 70
e 72 nella faccia opposta rapporto e individualmente collegato ai terminali
di una batteria 74 o altra sorgente
di tensione. Il campo elettrostatico tra le piastre 70 e 72 è indicata da linee di potenziale uguale, e le linee di
flusso ortogonali che indicano la capacità tra le piastre. Fig.4b mostra piastre 70 e
72 in posizione sfalsata, dislocate su faccia opposta rapporto comportare
capacità ridotta tra le piastre. Ancora, il campo elettrostatico tra le piastre
70 e 72 è indicata da linee di
potenziale uguale e le linee di flusso ortogonali che indicano la capacità tra
le piastre.
Come accennato in precedenza, qualsiasi
disposizione che può risultare in una maggiore capacità per le piastre nella
configurazione mostrata in Fig.4a, o
capacità ridotta tra le piastre nella posizione mostrata in Fig.4b, risulta più efficace conversione di energia in un
generatore elettrostatico. Il sistema della presente invenzione comprende una
struttura per modellare il campo elettrostatico tra le piastre 70 e 72, per ridurre la capacità tra
loro quando queste piastre sono nella loro posizione di minima capacità. Questo
campo-sagomatura è realizzato aggiungendo conduttori supplementari per influenzare
il campo tra le piastre.
Facendo riferimento alla Fig.4c, piastre 70 e 72
vengono nuovamente mostrati nella loro posizione di minima capacità, tuttavia,
un'altra piastra 76 è mostrata nella
faccia opposta relazione alla piastra 70.
Piastra 76 è collegato a terra o
altri potenziali indipendente. Come risultato di questo, e campo elettrostatico
è previsto tra le piastre 70 e 76,
modificando la forma del campo ed i gradienti potenziali, come mostrato in Fig.4c. Il campo elettrico e la
capacità tra le piastre 70 e 72 è
ridotta sostanzialmente, mentre la capacità massima fra queste piastre (quando
allineato in faccia opposta relazione come mostrato in Fig.4a) rimane sostanzialmente invariata.
Queste stesse considerazioni valgono in modo
simile alla barra conduttori o altre configurazioni di condensatori variabili.
Naturalmente, la messa a terra o campo-sagomatura piastre come la piastra 76 può essere fornito sia lo statore e
il rotore di un condensatore variabile, o può essere svolta da uno solo di tali
strutture.
Facendo ora riferimento alla Fig. 5, è illustrato un sistema che incorpora campo formatura
elettrodi capacitivi ed utilizzando strutture comprendenti barre che possono
assumere la forma generalmente illustrata in Fig.2 e Fig.3.

In Fig.5,
le barre di statore sono
schematicamente rappresentate allineati in una fila 78 e le barre
Nel sistema mostrato in Fig.5, terra
di campo-sagomatura elettrodi o conduttori sono forniti sia la riga 78 e la riga 82, e sono designati barre 78a
e 82a ombreggiati. Gli elettrodi 82a
sono collegati direttamente a terra, tuttavia i 78a elettrodi sono collegati a massa attraverso un induttore 86. La funzione di questa bobina sarà
discusso più avanti.
Le barre conduttrici che servono come elementi capacitivi in due
righe sono designati 78b e 82b, rispettivamente. Il 78b barre (nella riga 78) e le barre 82b (nella riga 82) sono
collegati in una configurazione circuitale po come mostrato in Fig.1. Specificamente, le barre 78b sono collegati in un circuito serie
con un diodo 88 e una batteria 90. Il punto di giunzione 91 tra diodo 88 e la batteria 90 è
collegato a massa, ed un diodo 92
collegato in serie con una resistenza di carico 94 è collegato attraverso diodo 88. Un condensatore 96 è
collegato attraverso il resistore di carico 94, e serve da filtro per la corrente di carico.
Nel funzionamento del sistema, movimento relativo è previsto tra 78 riga e riga 82 producendo una capacità variabile ciclicamente impedire al
sistema di funzionare come sistema mostrato in Fig.1. Cioè, durante l'intervallo di capacità elevata tra le righe 78 e 82 (come mostrato in Fig.5), la struttura capacitiva è
caricato da batteria 90 attraverso
il diodo 88. Poi, come le barre sono
separati per ridurre la capacità, la tensione su di essi aumenta, causando un
flusso di corrente nella direzione opposta tramite batteria 90, il resistore di carico 94 e il diodo 92. Come barre alternate in ciascuna delle righe 78 e 82 sono collegate a massa, il
campo elettrostatico è sagomato per ridurre la capacità minima tra le barre 78b e 82b come illustrato in Fig.4. Come risultato, la variazione
della capacità è maggiore e più carica viene trasferita attraverso il carico
durante ogni ciclo elettrico.
Nel funzionamento del sistema mostrato in Fig.5
per convertire l'energia meccanica in energia elettrica, un sistema capacitivo
generalmente elettrico è fornito. Pertanto le relazioni di fase all'interno del
sistema sono generalmente quelle di un apparato capacitivo. In considerazione
di ciò, la presente invenzione comprende la fornitura di induttori per produrre
spostamenti di fase e amplificazioni di tensione risonanti che aumentano le
effettive capacità di conversione di potenza del sistema. In Fig.5, tale induttanza 86 è collegato tra la barre 78a e terra. Il funzionamento del
sistema di Fig.5, compreso
l'induttore 86 è graficamente
illustrato in Fig.6 che comprende
appezzamenti di capacità, tensione e corrente elettrica rispetto alla posizione
della struttura capacitiva.

La famiglia di curve superiore sono appezzamenti
di capacità, in cui, la curva C1 è
un grafico della variazione di capacità tra le barre conduttrici 78b e 82b. La curva C2 è un grafico della capacità tra le barre 78 bis e 82a, mentre la curva C3
è un grafico della capacità tra le barre 78
bis e bar 82b. Queste curve sono
ricavate contro una variazione uniforme in posizioni relative tra la riga 78 e la riga 82, le curve parte da un punto di minima capacità per la struttura.
Fig.5 illustra la posizione relativa
contrassegnato come 3 in Fig.6.
Le curve di tensione in Fig.6 sono tracciate sulla stessa base delle curve di capacità, e
comprendono una V1 curva che
rappresenta la tensione ai capi della bobina 86, e un V2 curva che
rappresenta la tensione sul relativo barre 78b
al potenziale di terra. La curva I,
illustra flusso di corrente elettrica attraverso l'induttore 86, ed è anche rappresentati
considerando spostamento capacitivo.
Considerando il funzionamento del induttanza 86, in vista della capacità tra le
barre rettificate 78a e il carico
capacitivo barre 82b (collegato alla
batteria 90) una carica viene
depositato sulle barre 78a.
Naturalmente, in assenza della induttanza 86,
questa carica dovrebbe essere immediatamente passato a terra. Tuttavia,
fornendo l'induttanza 86, la
tensione della curva V1 è sviluppata
attraverso questo elemento. Questa tensione serve a produrre ulteriore campo
sagomatura tra le barre e risultati nella conversione energetica più
efficiente. Cioè, la tensione V1
della curva appare sulle barre 78a
in fase con la capacità C1 modo che
l'influenza del campo barre 78a
serve ad aumentare la carica indotta o vicino alla massima capacità C1 e serve anche, riducendo l'intensità
di campo di ridurre il costo minimo terrà il bar 78 terzo e 82b a, o
vicino l'istante di capacità minima. Così la variazione del campo
elettrostatico, il sistema di assorbire più coppia, con conseguente aumento
della potenza funzionalità di conversione per il sistema.
In aggiunta alla disposizione di induttore 86 come mostrato in Fig.5, configurazioni circuitali che
utilizzano induttori per incidere ulteriormente risonante picchi di corrente
che aumentare e diminuire le tensioni di campo in relazione di fase corretta
con la variazione della capacità, e quindi aumentare l'ampiezza del
condensatore corrente alternata. Una variazione di tale altro è mostrato in Fig.7 che utilizza barre simili a
quelli di Fig.5 e in cui, elementi
simili sono similmente identificati.

Nel sistema mostrato in Fig.7, un induttore 98 è collegato tra diodo
88 e il punto di giunzione tra
il 99 e il diodo 92 barre 78b. Inoltre, un condensatore 100 è collegato attraverso diodo 88. In generale, il
circuito risonante aggiunto
fornisce ulteriori picchi di corrente in relazione
di fase desiderata con la
variazione di capacità. Inoltre, la
risonanza tra l'induttore 98 ed il
condensatore 100,
tende a produrre tensioni più elevate
nel campo elettrico del condensatore variabile relativa alle tensioni ai capi della
sorgente di eccitazione 90 e il carico
94. La capacità della macchina di raggiungere una elevata potenza da una piccola dimensione di condensatore variabile è quindi notevolmente migliorata.

Una indicazione grafica
del miglioramento di un sistema risultante dall'applicazione
di alcuni principi della presente
invenzione può essere visto in
Fig.8 che comprende varie curve descrittivi di vari
apparati e velocità in cui viene tracciato lungo l'asse orizzontale o potenza specifica che è tracciato lungo l'asse
verticale. Potenza specifica è qui definita come la
potenza per unità di tensione di eccitazione quadrato (P/Eo2) per una data dimensione e configurazione della macchina.
La curva E1 è indicativo
della caratteristica di funzionamento del sistema semplice mostrato in Fig.1.
La curva E2 (che
indica un sostanziale miglioramento della capacità) è indicativo del sistema mostrato in Fig.5.
Il E3
curva indica il miglioramento del
sistema di Fig.7 (senza l'aspetto descritto rispetto alla Fig.5), mentre la curva
E4 indica il funzionamento del sistema mostrato in Fig.7 come
illustrato qui.
È evidente che le capacità di conversione di potenza del sistema di Fig.7
(indicato dalla curva E4) sono notevolmente migliorate rispetto al sistema semplice che non include questi aspetti della presente invenzione, in particolare se
il generatore è azionato
ad una velocità fissa , o se sono previsti mezzi per regolare i valori di induttanza e capacità di componenti 86, 98
e 100 per dare la potenza di picco sintonizzato
a qualsiasi velocità della macchina è in funzione.

Sebbene vari aspetti della presente invenzione può
essere applicata in modo diverso a macchine elettrostatiche, per realizzare i
risultati desiderati, una specifica illustrazione di una macchina operatrice è
mostrato nelle figure 9,10, 11 e 12,
e sarà ora considerato in dettaglio.
Il sistema è montato in un alloggiamento 110
che è sigillato e mantenuto evacuato da una pompa da vuoto 112. Azionando il ciclicamente variabile apparato condensatore in
un vuoto relativamente alta, problemi di isolamento sono ridotti e perdite per
ventilazione sono minimizzate. L'alloggiamento 110 ha una forma cilindrica e piatta consiste di una piastra
circolare fissato ad una tazza membro 116 con una guarnizione anulare 118 prevista nella giunzione tra questi
componenti.
Un albero meccanico 120 passa
attraverso concentricamente alloggiamento 110
e viene condotto in Gazzetta cuscinetti 124
e 126, che incorporano guarnizioni vuoto 124a e 126a. L'albero 120
ha un rotore 128 coassialmente
fissato su di esso ed è collegato ad un apparato meccanico 130 che è azionato dal l'albero. Albero 120 (in materiale isolante) ha una sezione conduttiva 132 formata in essa, che collega
elettricamente 128 rotore attraverso
una spazzola 134 e una linguetta 136 ad un terminale di una batteria 138, l'altro terminale che è collegato
a massa.
In generale, il sistema elettrico di base è simile a quella di Fig 7, con gli elementi di statore
essendo collegati da alette 146 e 148
ad un punto di giunzione 150 che è
collegato attraverso un induttore 152
e un condensatore 154 a massa. Un
diodo 156 è collegato in parallelo
con il condensatore 154. Il punto di
giunzione 150 è inoltre collegato
attraverso il diodo 158 a un filtro 160 che è a sua volta collegato ad un
carico 162. Il campo-formatura
elettrodi negli elementi statorici 140 e
142, sono collegati da alette 164 e
166 attraverso un induttore 168
a massa.
Considerando la variabile ciclicamente-apparato capacitanza in maggiore
dettaglio, il rotore comprende una coppia di piastre 170 e 172 (Fig. 12), che
si formano con angolarmente-offset scanalature radiali 174 che sono interconnessi da punti di saldatura 176 in modo che le scanalature 174 essenzialmente formare radiante
barre 175. In questa struttura, il
rotore è interamente materiale conduttivo, ad esempio metallo, formata per
comprendere tubi radianti 175 (Fig.11) collegati attraverso il
conduttore albero 132 e la spazzola 134 per la batteria 138.
I componenti dello statore 140 e 142 sono
simili e comprendono una pluralità di tubi 180
(Fig.10) radiante in un piano da una
posizione assiale nell'elemento statorico e supportato in uno statore di
montaggio circolare 181 essendo
inserita in esso. Tubi 180 sono
formati di metallo e il montaggio dei tubi di supporto 181 è formata di materiale isolante come una colata di materiale
epossidico. Alternativo dei tubi 180
sono designati 180a e sono collegati
elettricamente ad un terminale 184
che viene contattato da una delle alette 146
o 148 in un punto 186.
Le alette 164 e 166 sono collegati a
terra attraverso l'induttore 168,
con la 180a barre utilizzato come
campo formanti bar mentre 180b bar
sono le effettive capacità variabile elementi. In questa struttura, solo lo
statore è dotato di campo modellanti elettrodi, tuttavia, è da intendere, che
in varie altre realizzazioni, campo modellanti elettrodi può essere fornito sia
lo statore e il rotore, o in una sola struttura, come insegnato per quanto
riguarda Fig.5 e Fig.7. Inoltre, nel
sistema mostrato in Fig.9, solo una
singola piastra rotore è provvisto, ma essa deve essere chiaramente compreso
che un gran numero di intermeshed rotore e statore piastre possono essere
fornite in sistemi della presente invenzione, a seconda del nominale capacità
di conversione di potenza del sistema.
Nel funzionamento del sistema mostrato in Fig.9,
128 rotore viene ruotato rispetto
agli elementi statorici 140 e 142
mediante il dispositivo meccanico 130.
Pertanto, le barre tubolari rotore vengono azionati in e fuori allineamento con
le barre di statore 180 ter
radianti. Pertanto, le connessioni a questi elementi (alette 146 e 148, e pennello 134) sperimentare una capacità corretti
per il ciclo variabile. Le barre di statore 180a estendere la gamma di tale capacità nel modo descritto con
riferimento alla Fig.4.
Durante gli intervalli di capacità elevata, la struttura ciclica capacitivo si
ricarica batteria 138 con 152 induttore e diodo 156. Come la capacità della struttura
diminuisce, la tensione aumenta in esso, fornendo una corrente attraverso il
diodo 158, e il filtro 160 al carico 162. Così, l'energia meccanica dal dispositivo meccanico 130 viene efficientemente convertita in
energia elettrica e forniti in questa forma al carico 162.
Mentre le discussioni precedenti riguardavano principalmente generatori
elettrostatici, si deve comprendere che le caratteristiche importanti della
presente invenzione si applicano ugualmente ai motori elettrostatici.
Una caratteristica importante della presente invenzione risiede nella struttura
descritta in Fig.9, che possono
essere economicamente prodotti ed utilizzati in pratica sistemi elettrici.
Un'altra caratteristica importante dell'invenzione risiede nell'uso di campo
che formano elettrodi nello statore e rotore, o sia lo statore e il rotore di
realizzare transizioni energetiche più efficaci.
Un'altra caratteristica importante dell'invenzione risiede nella fornitura di
elementi di induttanza per aumentare ulteriormente l'efficacia del sistema.
Brevetto
SISTEMA DI CONVERSIONE DELL'ENERGIA ELETTROSTATICA
Si tratta di un progetto importante, ma come i dettagli fisici del brevetto
sembra piuttosto limitato, invece di riprodurre il brevetto qui, cercherò di
fornire una descrizione che dovrebbe essere più comprensibile per la persona
media.
Il
Principio
Perché ci sia una produzione di energia superiore
a quella di ingresso energia necessaria per fare qualsiasi operano generatore,
che l'energia in più deve venire da qualche parte. Non c'è magia su uno di
questi sistemi, come noi stessi siamo immersi in un campo di energia enorme.
Noi non ce ne accorgiamo più di quanto si osserva le onde radio che passano, e
attraverso di noi, per tutto il tempo. Questo campo di energia è molto potente
come Thomas Henry Moray dimostrato molte volte, guadagnando 50 kilowatt di
energia elettrica da solo una semplice antenna e di un collegamento a terra. Non
so come abbia fatto, ma ci piacerebbe molto sapere come. Tuttavia, Moray ha dimostrato che non vi è potere
enorme tutto intorno a noi - il potere che è gratuito per l'assunzione se
sappiamo come farlo. Purtroppo, la maggior parte del gran numero di persone che
sanno come estrarre questa energia, si rifiutano di condividere tali
informazioni, lasciando a noi di lavorare fuori dai principi di base, su come
ottenere questa energia libera. Si noti per inciso, che già utilizzano questa
energia libera quando usiamo "rete elettrica", in quanto nessuno dei
dell'energia fornita dalla società elettrica locale proviene in realtà dalla
vostra presa di corrente a muro in quanto tutta la corrente fornita dal Power
Company fluisce direttamente a tale società. Tutti i Power Company non è quella
di creare le condizioni che causano alcuni tra i free-energy nella tua località
di fluire attraverso l'impianto elettrico che si inserisce in quella presa a
muro. Cosa free-energy fare, è quella di creare le stesse condizioni per
attirare energia elettrica dal nostro campo energetico che circonda massiccia,
senza la necessità di alcun aiuto da parte della società elettrica locale.
Il
Design
Quando si tenta di avviare il motore di
un'automobile, di collegare la batteria del veicolo ad un motore elettrico di
avviamento che gira il motore e provoca scintille da generare all'interno di
ciascuno dei cilindri del motore. L'assorbimento di corrente dalla batteria
passa attraverso il motorino di avviamento e si perde per sempre. Se il motore
auto parte, allora una parte dell'energia contenuta nel carburante bruciato dal
motore viene utilizzata per sostituire la corrente elettrica presa dalla
batteria. Se il motore della macchina non si avvia, quindi dopo un tempo molto
breve, tutta l'energia elettrica accumulata nella batteria dell'auto sarà
alimentato al motorino di avviamento e la batteria non sarà più in grado di
fornire più corrente per far girare il motore .
Il generatore qui descritto è un design molto
intelligente di qualsiasi potenza che esso prevede, mantiene e non perde niente
di tutto ciò. È alquanto simile Autovettura Starter ritorno della corrente alla
batteria, permettendo un qualsiasi numero di tentativi di avvio del motore. Il
modo in cui opera è passare corrente avanti e indietro tra due condensatori.
Che la corrente viene fatta passare attraverso l'avvolgimento primario di un
trasformatore di uscita, imitando esattamente il segnale che il Power Company
vi addebita. Tuttavia, con il nostro generatore, che la corrente non è mai perso
e può essere utilizzato più e più e più volte. Una batteria è utilizzato per
creare tale corrente iniziale, e quando il generatore inizia a funzionare, si
ricarica la batteria e, se desiderato, la batteria può essere completamente
rimosso e il generatore è quindi autosufficiente. La batteria viene utilizzata
solo per avviare il funzionamento del generatore e non viene utilizzato in
qualsiasi altro momento.
Lo schema di progettazione è molto semplice e può essere visualizzato come illustrato di seguito:

Qui, il motore M segnato
nel diagramma, gira un albero di metallo 23. L'albero è
montato su cuscinetti a rulli ceramici
(come utilizzato su skateboard) e nulla sull'albero
tocca qualsiasi altra parte, il che significa che l'albero ruota molto liberamente e molto poco potere è
necessario per farlo ruotare.
Albero 23 ha in metallo 'palette'
o piastre 21 collegato ad esso e questi passano anche se in
qualche modo simili alette metalliche
25 che sono fissati in posizione e non si muovono. Queste quattro
serie di alette metalliche
formano due condensatori variabili distinte.
Le palette 21 sono disposte in
modo che quando un insieme raggiunge
la sua capacità massima (essendo inserite completamente non-movimento palette 25 come
mostrato sulla destra del
diagramma), poi l'altra
serie di alette è al suo capacitanza minima essendo
il più lontano possibile da esso è abbinamenti di pale
25.
Inizialmente, all'avvio, entrambi i gruppi di palette
25 sono contrassegnati completamente carica ad una tensione positiva
elevata di un impianto elettrico
(non mostrato) e il trasformatore di uscita è collegato tra
questi due insiemi di palette, producendo questa disposizione:

Gli insiemi di palette 21 sono collegati ad una carica fortemente negativa, passata attraverso l'albero di metallo 23. Quando le piastre negative 21 sono
inserite tra la carica positiva
piastre 25, tutta la carica
positiva sulle piastre unmeshed
25 viene risucchiato verso la carica negativa sulle piastre maglie
21, ma che carica viene forzato
a fluire attraverso il trasformatore di
uscita sul suo cammino . Questa disposizione fa
sì che la carica positiva sulle
piastre fisse a navetta
avanti e indietro attraverso il trasformatore di uscita, non ricevendo 'esaurito' nel processo. Ciò significa
che il generatore ha una potenza
elettrica di 220 volt a 50 cicli
al secondo e la potenza in
ingresso è necessaria solo
la piccola quantità necessaria a ruotare il rotore.
La forza necessaria per ruotare il
rotore non è
influenzata in alcun modo l'intensità della corrente assorbita dal trasformatore di uscita, il che significa che il generatore è del tutto indipendente dal carico. Mentre questo è un disegno molto intelligente, una serie di particolari costruttivi pratici possono essere modificate per migliorare le prestazioni.
Il brevetto Breaux mostra una forma a palette che raddoppia la frequenza alla quale viene bilanciato i giri motore e che sull'albero,
non produce vibrazioni dell'albero
quando ruotare rapidamente. La forma a palette è
mostrato qui:

Si noterà che le pale del rotore (in grigio), sono
posizionati 90 gradi l'una dall'altra, in modo da bilanciare albero ancora
meglio. Tutte le pale del rotore hanno la stessa forma e tutte le palette
statoriche hanno la stessa forma, che è utile per la produzione di massa.
Mentre solo due pale del rotore e due palette statoriche sono mostrati in
questo diagramma introduttiva, ci possono essere tante coppie di piastre di
rotore / statore come desiderato. Ogni ulteriore coppia di piastre aumenta la
potenza di uscita del generatore.
Questo progetto richiede le palette di essere in un vuoto, che suggerisce
fortemente che questo dispositivo non è mai stato come prototipo che operano
nel vuoto, a meno che tutte le superfici che effettuano un isolamento
eccezionale, sarebbe un disastro, come lo scarico coronale sarebbe enorme -
dopo tutto , è così che 'i tubi a vuoto "Valvole termoioniche o sono fatti
e portano grandi correnti elettriche nel vuoto. Per questo motivo il corretto
funzionamento, deve essere azionato in aria secca.
La potenza di uscita di un dispositivo di questo aumenta con l'aumentare della
natura zona palette, e con diminuita inter-palette gap e con tensione maggiore.
Conseguentemente, una tensione di lavoro considerevolmente superiore a 220 volt
verrà utilizzato durante la carica delle palette. Ciò significa che la tensione
di uscita sarà molto superiore è conveniente. Generatori di questo tipo
generalmente mostrano un carico resistivo e solo un carico resistivo. Una
realizzazione pratica richiederebbe un trasformatore riduttore in uscita in
modo da raggiungere una tensione di lavoro di 220V CA. Si ritiene generalmente
che la natura induttiva del primario del trasformatore di qualsiasi tale
creerebbe un effetto importante soffocamento sul flusso oscillante di carica
tra le palette, a causa della back-EMF di tale avvolgimento. Non è questo il
caso in cui uno stile di Thane Heins del trasformatore è utilizzato (come
indicato nel capitolo 3) come un trasformatore di questo tipo non ha alcun
significativo back-EMF, rendendo questo un design molto interessante,
soprattutto perché il tiraggio corrente di uscita non non pregiudica la potenza
di ingresso che viene utilizzato unicamente per far girare il rotore.
In teoria, la carica statica inizialmente messi in palette condensatore non è
esaurito. Tuttavia, in questo mondo, non è mai perfette condizioni sembrano
essere incontrato. In questo caso, vi è una perdita molto lieve di carica nel
tempo, e che la carica è aumentato molto brevemente dopo un tempo considerevole
è trascorso. Un breve impulso ad alta tensione una volta ogni dieci minuti è
probabile che sia sufficiente. Non vi è alcuna perdita di energia corona come
stelle filanti corona formano solo ad alta frequenza e questo generatore non
superi un massimo assoluto di 60 Hz, che è una frequenza molto bassa in
effetti, in modo da evitare qualsiasi scarico corona a tutti.
Patrick Kelly
http://www.free-energy-info.tuks.nl
http://www.free-energy-info.com
http://www.free-energy-info.co.uk