Eine Praktische Anleitung zum Energie
Kostenlos Geräte
Autor: Patrick J. Kelly
Kapitel 7: Antennenanlagen und
Elektrostatische Generatoren
Es wird allgemein angenommen, dass Antennen nicht fähig sind, das Sammeln viel Strom. Die populäre Auffassung ist, dass die einzige verfügbare Leistung niedrigem Niveau Radiowellen aus fernen Funksender ist, und während es ist sicherlich richtig, dass Radiowellen bis können mit einer Antenne aufgenommen werden, sind die wahren Quellen der Macht nicht Funksender.
Zum Beispiel werden wir auf Informationen aus Hermann Plauson zu suchen und er hielt eine Antennenanlage sein, die nicht produziert hat mehr als eine überschüssige Leistung von 100 Kilowatt, wie eine "kleine" System (zugegebenermaßen mit vielen Antennen). Thomas Henry Moray nachgewiesen sein System, um das Publikum wieder und zog in Leistungsstufen von bis zu 50 Kilowatt aus einem einzigen Art Antenne. Diese Leistungen sind nicht durch Radiosender erzeugten Signale.
Nikola Tesla produziert eine Antennenvorrichtung, die erwähnenswert ist. Es am 21. Mai 1901 als "Vorrichtung zum Verwertung von Radiant Energy" patentiert, die Anzahl US-Patent 685.957.

Das Gerät wird
einfach, aber Tesla stellt fest, dass der Kondensator als "erhebliche
elektrostatische Kapazität" braucht, und er empfiehlt die beste Qualität
Glimmer zu konstruieren wie beschrieben in seinem 1897-Patent Nr. 577.671. Die
Schaltung bezieht Strom über eine isolierte, glänzende Metallplatte. Die
Isolierung könnte Aufsprüh-Kunststoff. Je größer der

Dieses System von Teslas zieht an Energie Tag und Nacht. Der Kondensator wird aufgeladen und eine vibrierende Schalter wiederholt entlädt den Kondensator in den Abwärtstransformator. Der Transformator senkt die Spannung und erhöht die verfügbare Strom und die Ausgabe wird dann verwendet, um die elektrische Last.
Es scheint wahrscheinlich, dass dieses Gerät in erster Linie verkehrt von statischer Elektrizität, die einige Leute glauben, ist eine Manifestation der Nullpunkt Energiefeld. Teslas Geräte möglicherweise gut arbeiten, wenn von einem motorgetriebenen Influenzmaschine anstelle einer großen Antenne Platte zugeführt. Details Haus baute Wimshurst Ausrüstung stehen in dem Buch 'Hausgemachte Blitz' von R.A. Ford, ISBN 0-07-021528-6.
Es sollte jedoch verstanden werden, dass Tesla zwei verschiedenen Energieformen Pick-up beschrieben. Die erste ist statische Elektrizität, abgeholt sehr geringe Wechselwirkung der Pick-up-Platte mit dem Nullpunkt-Energiefeld durchströmt, und die andere Pick-up von dynamischen Strahlungsenergie Veranstaltungen, typischerweise von Blitzeinschlägen. Bei einem flüchtigen Blick, würde die durchschnittliche Person nicht als Blitz als eine praktikable Quelle von Energie, aber dies ist nicht der Fall, da dort etwa 200 Blitze pro Sekunde sind - vor allem in den Tropen - und was in der Regel nicht verstanden, dass sie sind Strahlungsenergie Ereignisse und ihre Auswirkungen sind sofort überall auf der Erde, wie Getrieben durch den Nullpunkt-Energie Feld sind in einem beliebigen Abstand momentane fühlte. Um die Situation ein wenig mehr zu klären, sind hier zwei Tesla-Patente, ein auf Pick-up des statischen Feldes, die Tesla Anmerkungen zu sein scheint in der Spannung unbegrenzt, und ein Patent auf Pick-up der dynamischen Energie.
Dies ist eine etwas umformuliert Kopie dieses Patents, da einige Worte ihre Bedeutung geändert haben, seit das Patent erteilt wurde. Wenn Sie sehen möchten, das Original, dann http://www.freepatentsonline.com ermöglicht es Ihnen, eine Kopie ohne Gebühr downloaden.
Patent 685.957
APPARATE FÜR DIE
NUTZUNG VON STRAHLUNGSENERGIE
An alle, die es
betreffen kann:
Es bekannt sein, dass ich, Nikola Tesla, ein Bürger der
Vereinigten Staaten, in der Stadt von
Es ist gut bekannt, dass bestimmte Strahlungen - wie die von
ultraviolettem Licht, kathodische, Röntgenstrahlen oder dergleichen - die
Eigenschaft des Ladens und Entladens elektrische Leiter, wobei die Entladung
besonders bemerkbar, wenn der Leiter besitzen, auf der die Strahlen auftreffen
negativ elektrisiert. Diese Strahlen werden allgemein als Aetherschwingungen
von extrem kleinen Wellenlängen ist, und in Erklärung der Erscheinungen
festgestellt, es wurde von einigen Stellen angenommen worden, dass sie,
ionisieren oder rendern Leiten, die Atmosphäre durch die sie vermehrt.
Allerdings führen meine eigenen Experimente und Beobachtungen mich
Schlussfolgerungen mehr im Einklang mit der Theorie bisher fortgeschrittenen
von mir, dass die Quellen solcher Strahlungsenergie abwerfen mit großer
Geschwindigkeit, winzige Teilchen der Materie, die stark elektrifiziert sind,
und daher in der Lage Aufladen eines elektrischen Leiters oder, wenn auch nicht
so, kann jedenfalls Entladung eine elektrifizierte Dirigent, entweder durch
körperliche Abführung seiner Ladung oder anderweitig.
Meine vorliegende Anmeldung basiert auf einer Entdeckung,
dass, wenn I hergestellt Strahlen oder Strahlungen der obigen Art erlaubt ist,
auf einem isolierten Durchlaßspannung Körper, der mit einem der Anschlüsse
eines Kondensators fallen, während der andere Anschluss des Kondensators
hergestellt wird basierend haben zu empfangen oder wegzutragen Strom fließt ein
Strom in den Kondensator so lange der isolierte Körper zu den Strahlen
ausgesetzt wird, und unter den unten angegebenen Bedingungen findet eine
unbestimmte Ansammlung elektrischer Energie im Kondensator erfolgt. Nach einer
geeigneten Zeitspanne, während der die Strahlen einwirken gelassen werden, kann
diese Energie manifestiert sich in einer starken Entladung, die für den Betrieb
oder die Steuerung der mechanischen oder elektrischen Geräten verwendet werden
können, oder ausgeschmolzen nützlich in vielen anderen Weisen.
Bei der Anwendung meiner Entdeckung, I liefert einen
Kondensator, vorzugsweise von erheblicher elektrostatische Kapazität, und
verbinden einem seiner Anschlüsse an einen isolierten Metallplatte oder anderen
Durchlaßspannung Körpers ausgesetzt zu den Strahlen oder Ströme von
Strahlungsenergie Materie. Es ist sehr wichtig, insbesondere in Anbetracht der
Tatsache, dass elektrische Energie der Regel ist an den Kondensator bei einer
sehr geringen Geschwindigkeit zugeführt wird, um den Kondensator mit großer
Sorgfalt zu konstruieren. Ich bevorzuge es, die beste Qualität von Glimmer als
Dielektrikum verwenden, wobei jede mögliche Vorsichtsmaßnahme in der Isolation
der Armaturen, so dass das Instrument kann große elektrische Belastungen, ohne
undicht zu widerstehen und kann keinen spürbaren Elektrifizierung verlassen,
wenn Entladen sofort. In der Praxis habe ich festgestellt, dass die besten
Ergebnisse mit Kondensatoren in der Weise Patent 577.671 beschrieben gewährt
mir auf 23. Februar 1897 behandelt werden erhalten. Offensichtlich sollten die
oben genannten Vorsichtsmaßnahmen desto mehr strikt eingehalten desto langsamer
die Lade-und je kleiner das Zeitintervall, in dem die Energie erlaubt, in den
Kondensator akkumulieren sein. Der isolierte leitende
Meine Entdeckung werden vollständiger aus der folgenden
Beschreibung und Zeichnungen verstanden werden, in denen Fig.1 ist ein Diagramm, das den allgemeinen Aufbau der Vorrichtung,
wie sie üblicherweise eingesetzt.

Fig.2 ist ein ähnliches Diagramm, welches in größerem Detail,
typische Formen der Vorrichtungen oder Elemente in der Praxis verwendeten.

Fig.3 und Fig.4 sind
Diagramme von modifizierten Anordnungen geeignet für spezielle Zwecke.



Fig.1 zeigt die einfachste Form, bei der der Kondensator C ist, P der isolierte Platte oder Durchlaßspannung Stelle, die zu den
Strahlen ausgesetzt wird, und P' eine
andere Platte oder Leiter, der geerdet ist, die alle in Reihe geschaltet sind,
wie gezeigt. Die Anschlüsse T und T' des Kondensators C auch zu einer Schaltung, die eine
Vorrichtung R, die betrieben werden
soll, und einen Schaltkreis-Steuervorrichtung d wie oben beschrieben enthält, verbunden.
Die Vorrichtung ist, wie gezeigt angeordnet sind, wird
festgestellt, dass, wenn die Strahlung von der Sonne oder einer anderen Quelle
in der Lage ist, die oben beschriebenen Effekte auf Platte P sinken, es wird eine Akkumulation von Energie im Kondensator C I zu glauben, dass dieses Phänomen
lässt sich am besten wie folgt erklären: Die Sonne, wie auch andere Quellen von
Strahlungsenergie, wirft winzige Partikel von positiv geladene Materie, die Schließblech
P, erstellen Sie eine elektrische
Ladung auf. Das entgegengesetzte Anschluß des Kondensators mit der Masse, die
als ein großes Reservoir negativer Elektrizität, ein schwacher Strom fließt
kontinuierlich in den Kondensator sein kann verbunden ist, und da diese
vermeintliche Teilchen aus einem unvorstellbar kleinen Radius oder Krümmung und
damit, berechnet auf eine sehr hohe Spannung, kann dieser Aufladung des
Kondensators weiter wie I tatsächlich beobachtet haben, fast unbegrenzt, sogar
bis zu dem Punkt Aufbrechen des Dielektrikums. Wenn die Vorrichtung solcher
Zeichen sein würde, daß sie arbeiten, um die Schaltung in der es enthalten,
wenn die Kondensatorspannung einen bestimmten Pegel erreicht hat, zu schließen,
und die gespeicherte Ladung wird durch die Schaltung übergeben, Betreiben des
Empfängers R.

Zur Erläuterung dieses Effektes zeigt, Fig.2 die gleiche generelle Anordnung, wie in Fig.1, und das Gerät d
dargestellt aus zwei sehr dünnen leitenden Platten t und t', die frei
beweglich sind und sich sehr nah zu einander. Die Bewegungsfreiheit kann
entweder über die Flexibilität der Platten bzw. durch die Art ihrer
Unterstützung. Um ihre Wirkung zu verbessern sollten sie in einem Gehäuse, das
haben die Luft aus ihm entfernt eingeschlossen werden können. Die Platten t und t' sind in Reihe in einem Arbeitskreislauf, die einen geeigneten
Empfänger, der in diesem Beispiel als ein Elektromagnet M, einem beweglichen Anker a,
b eine Feder, und ein Sperrklinkenrad w dargestellt ist, bereitgestellt mit
einer Feder verbunden sind -Klinke r,
die schwenkbar um eine als Anker dargestellt. Wenn die Strahlung fällt auf die
Platte P, fließt ein Strom in den
Kondensator, bis die Spannung bewirkt, dass die Platten t und t' gemeinsam
angezogen werden, Schließen des Stromkreises und Erregen der Magnet M, so dass es auf Inanspruchnahme des
Ankers ein und bewirken eine partielle Drehung des Klinkenrades w. Wenn die Anschläge Stromfluß, wird
der Anker durch die Feder b
zurückgezogen, ohne jedoch Bewegen des Rades w. Mit dem Anhalten des Stroms, um die Platten t und t' aufhören
angezogen und separaten, wodurch die Wiederherstellung der Schaltkreis in den
Zustand.

Fig.3 zeigt eine modifizierte Form der Vorrichtung in Verbindung
mit einer künstlichen Quelle von Strahlungsenergie, die in diesem Fall einen
Bogen Emittieren reichlichen ultravioletten Strahlen sein können verwendet. Ein
geeigneter Reflektor kann zum Konzentrieren und Richten der Strahlung
vorgesehen sein. Ein Magnet R und
leitungsvermittelten Controller d
wie in den vorhergehenden Figuren angeordnet sind, aber in diesem Fall,
anstelle des Durchführens der gesamten Arbeit führt der Magnet die Aufgabe
abwechselnden Öffnen und Schließen einer lokalen Schaltung, die eine Quelle für
Strom B und ein Empfangen oder verschiebungseinrichtung
D. der Controller d kann, falls gewünscht, aus zwei
feststehenden Elektroden durch einen winzigen Luftspalt oder schwach
dielektrischen Films die bricht mehr oder weniger plötzlich, wenn eine
bestimmte Spannung an den Anschlüssen der erreicht wird abgetrennt bestehen
Kondensator, und kehrt in den ursprünglichen Zustand, wenn die Entladung
auftritt.

Noch eine weitere Modifikation ist in Fig.4 gezeigt, in denen S,
ist die Quelle von Strahlungsenergie eine spezielle Form der Röntgenröhre von
mir ersonnen, mit nur einem Anschluß k,
in der Regel aus Aluminium, in der Form der Hälfte einer Kugel, mit einem
unformatierten polierte Oberfläche auf der Vorderseite, von der die Ströme
werden abgeworfen. Es zur Befestigung an einem der Anschlüsse von jeder
Generator mit ausreichend hohen elektromotorischen Kraft angeregt werden kann,
aber unabhängig von Vorrichtung verwendet wird, ist es wichtig, dass das Rohr
die Luft weist im Inneren zu einem hohen Grad entfernt, sonst könnte es sich
als völlig wirkungslos. Die Arbeitsfläche oder Entladungsschaltung mit den
Anschlüssen T und T' des Kondensators umfasst, in diesem
Fall der Primärwicklung P eines
Transformators, und einen Schaltkreis-Controller eines festen Anschlusses oder
Bürste t umfasst und einen
beweglichen Anschluss t’ in der Form
eines Rades, mit leitenden und isolierenden Segmenten, kann die Drehung mit
einer beliebigen Geschwindigkeit durch geeignete Mittel sein. In Bezug auf das
induktive Primärwicklung p, ist eine
Sekundärwicklung s, in der Regel
eine viel größere Anzahl von Windungen auf die Enden ein Strahlungsempfänger R den Anschlüssen des Kondensators
verbunden ist, wie gezeigt, verbunden ist, um ein einer isolierten Platte P und der andere mit einer geerdeten
Platte P'. Wenn das Rohr S erregt wird, werden die Strahlen oder
Ströme von Materie von diesem ausgegeben und diese vermitteln eine positive
Ladung an der Platte P und
Kondensator-Endgerät T, während der
Kondensator Endgerät T' kontinuierlich
empfängt negativer Elektrizität von der Platte P'. Wie bereits erläutert, wird dies zu einer Anhäufung von
elektrischer Energie in dem Kondensator, und dies wird fortgesetzt, solange die
Schaltung einschließlich der Primärwicklung p unterbrochen. Wann immer die Schaltung durch die Drehung des
Anschlusses t 'geschlossen ist, wird die gespeicherte Energie über die
Primärwicklung p abgeführt, was zu
induzierten Ströme in der Sekundärwicklung s,
die den Strahlungsempfänger R
betreibt
Es ist klar, was oben bereits ausgeführt, dass, wenn das Terminal
T' mit einer Platte liefert positive
statt negative Elektrizität angeschlossen ist, dann werden die Strahlen sollte
negative Elektrizität auf den Teller P.
vermitteln die Quelle S jede Form
von Roentgen oder Leonard sein kann Rohr, aber es ist offensichtlich aus der
Theorie der Aktion, um sehr effektiv sein, die Impulse spannend es sollte ganz
sein, oder hauptsächlich aus einem Zeichen. Wenn gewöhnliche symmetrische
Wechselströme eingesetzt werden, dann ist vorzusehen, daß die Strahlen auf der
Das zweite Patent erfordert das Gerät an einem Viertel der Wellenlänge der Energiepulse gesammelt abgestimmt werden. Dieses Patent zeigt ein Übertragungsverfahren sowie ein Verfahren zum Empfangen, aber unser Hauptanliegen ist hier das Empfangsteil auf der rechten Seite des Diagramms als das empfangen kann natürlich vorkommenden Energie-Impulse in die Umwelt und sorgt so für freie nutzbare Energie gezeigt.
Wie kann es ein wenig schwierig, die Spulenanordnung in diesem Patent visualisieren so viele Menschen mit der "Tesla Spule"-Anordnung, wo ein paar Umdrehungen der dicken Draht oder Kupferrohren, wie verwendet werden, sind eine Wicklung platziert um eine gewöhnliche zylindrische Spule, viel wie, diese Illustration aus Teslas Patent US 568.178:

In diesem Fall ist es zu verstehen, dass Tesla ist über seine flachen "Pfannkuchen" coil design sprechen und nicht die bekannte Tesla Spule Konfiguration werden.
Patent 649.621
APPARAT ZUR ÜBERTRAGUNG
VON ELEKTRISCHER ENERGIE
An alle, die es
betreffen kann:
Es bekannt sein, dass ich, Nikola Tesla, ein Bürger der
Vereinigten Staaten, in der Stadt von Manhattan wohnen, in der Stadt, haben
Kreis und dem Staat New York, einige neue und nützliche Verbesserungen in
Vorrichtung zur Übertragung von elektrischer Energie erfunden, von denen im
Folgenden eine Spezifikation ist, wobei anhand der Zeichnung beigefügten hatten
und die einen Teil des gleichen.

Diese Anwendung ist ein Geschäftsbereich von einer Anwendung
von mir am 2. eingereicht September 1897, US 650.343 mit dem Titel "Die
Systeme der Übertragung von elektrischer Energie" und ist auf neue und
nützliche Funktionen und Kombinationen von Geräten gezeigt und beschrieben in
dieser Patentanmeldung basiert.
Diese Erfindung umfasst eine Sendespule oder Leiter, in
denen elektrische Ströme oder Schwingungen erzeugt und die so angeordnet ist,
um zu bewirken diese Ströme oder Oszillationen um durch Wärmeleitung vermehrt
werden durch den natürlichen Mediums von einem Ort zu einem entfernten Ort, und
eine Empfangsspule oder Leiter angepaßt um durch die Schwingungen fortgepflanzt
oder Ströme durch den Sender angeregt werden.
Diese Vorrichtung ist in der beigefügten Diagramm wobei A eine Spule, in der Regel aus vielen
Windungen und einer sehr großen Durchmesser gezeigt, aufgewickelt in Form einer
Spirale, entweder um einen magnetischen Kern oder nicht wie gewünscht sein. C ist eine zweite Spule durch einen
Leiter wesentlich größerer Größe und kleinere Länge gebildet ist, die um und in
der Nähe Spule A.
Die Vorrichtung an einem Punkt als Sender verwendet wird,
die Spule in diesem Fall A Bilden
eines Hochspannungs-Sekundärwicklung eines Transformators, und die Spule der primäre
C, die bei einer viel niedrigeren
Spannung arbeitet. Die Quelle des Stroms für die Primärwicklung G. Ein Anschluss der Sekundärwicklung A ist an der Mitte der Spirale Spule
und von diesem Terminal der Strom durch einen Leiter mit einem Anschluß B D geführt, vorzugsweise mit großer
Oberfläche, gekennzeichnet gebildet oder beibehalten durch solche Mittel wie
ein Ballon an einer Erhebung geeignet für den Zweck der Übertragung. Der andere
Anschluss der Sekundärwicklung A mit
Masse verbunden ist, und wenn gewünscht, mit der Primärwicklung auch damit die
Primärwicklung kann auch im wesentlichen der gleichen Spannung wie den
benachbarten Abschnitten der Sekundärwicklung sein, damit Sicherheit
gewährleistet wird.
An der empfangenden Station ist ein Transformator mit
ähnlicher Konstruktion verwendet, aber in diesem Fall die Spule A 'bildet die Primärwicklung und die
kürzere Spule C' ist die
Sekundärwicklung. In dieser Empfangsschaltung, Lampen L, M Motoren oder andere Geräte für die Nutzung dieses aktuellen,
verbunden. Die erhöhte Klemme D' verbindet
mit der Mitte der Spule A' und der
andere Anschluß mit Masse verbunden ist und vorzugsweise auch an die Spule C' wieder aus Sicherheitsgründen wie
oben erwähnt.
Die Länge des dünnen Drahtspule in jedem Transformator
sollte etwa einem Viertel der Wellenlänge der elektrischen Störung im
Stromkreis sein, wobei diese Schätzung auf der Ausbreitungsgeschwindigkeit der
Störung durch die Spule selbst und die Schaltung, mit dem es basierend
ausgelegt, verwendet werden. Zur Erläuterung, wenn die Rate, mit welcher der
Strom durch die Schaltung mit der Spule 185.000 Meilen pro Sekunde, dann eine
Frequenz von 925 Hz würde 925 stationären Knoten in einer Schaltung 185.000
Meilen lange beibehalten, und jede Welle würden 200 Meilen in sein Länge.
Für solch einer niedrigen Frequenz, die nur zu, wenn es für
den Betrieb von Motoren gewöhnlichen unentbehrlich wäre umsortiert werden,
würde ich eine Sekundärwicklung gewickelt aus einem Draht 50 Meilen in der
Länge. Durch Einstellen der Länge des Drahtes in der Sekundärwicklung, werden
die Punkte der höchsten Spannung vorgenommen, mit den erhöhten D und D' zusammenfallen, und es versteht sich, dass, was Drahtlänge
gewählt wird, diese Länge Erfordernis gewahrt werden sollte, um sein , um die
bestmöglichen Ergebnisse zu erzielen.
Es versteht sich, dass, wenn diese Beziehungen bestehen, die
besten Bedingungen für die Resonanz zwischen der Sende-und Empfangs-Schaltungen
erzielt werden und aufgrund der Tatsache, dass die Punkte der höchsten Spannung
in den Spulen A und A' sind deckungsgleich mit den erhöhten
Terminals, die maximale Stromfluss erfolgt in den beiden Spulen ergreifen und
dies bedeutet, daß die Kapazität und Induktivität in jeder der Schaltungen die
Werte, die die vollkommenste Takt der Schwingungen zu produzieren.
Wenn die Stromquelle G
in Betrieb ist und erzeugt schnell pulsierende oder oszillierende Strömungen in
der Schaltung der Spule C,
entsprechend induzierte Ströme von sehr viel höhere Spannung in der
Sekundärspule A, und da die Spannung
in dieser Spule erzeugt allmählich mit der Zahl der Windungen in Richtung der
Mitte, und die Spannungsdifferenz zwischen benachbarten Windungen
vergleichsweise klein ist, eine sehr hohe Spannung erzeugt wird, was nicht mit
normalem Spulen möglich.
Da das Hauptziel ist, einen Strom mit zu hoher Spannung zu
erzeugen, wird diese Aufgabe durch die Verwendung eines Stroms in der
Primärwicklung, die einen sehr beträchtlichen Frequenz hat erleichtert,
sondern, dass die Frequenz in einem großen Maß, willkürlich, weil, wenn die
Spannung ausreichend hoch und die Anschlüsse der Spulen in der richtigen Höhe
ist, wo die Atmosphäre verdünnt gehalten werden, wird die Luftschicht als
leitendes Medium mit noch geringeren Widerstand dienen dann durch eine gewöhnliche
Leiter.
Hinsichtlich der Erhöhung von D und D' ist es
offensichtlich, dass dies ein Bereich, der durch eine Reihe von Dingen, wie der
Menge und der Qualität der Arbeit durchgeführt werden soll, der Zustand der
Atmosphäre und dem bestimmt wird, ist Charakter der umgebenden Landschaft. Wenn
also Hochgebirge in der Nähe sind, dann sollten die Anschlüsse in einer
größeren Höhe zu sein, und im Allgemeinen, sollten sie auf einer Höhe
wesentlich größer als die von den höchsten Gegenständen nahe zu sein. Da durch
die beschriebene Einrichtung kann praktisch jede Spannung, die erwünscht ist,
hergestellt werden kann, können die Ströme durch die Luftschichten sehr klein
sein, wodurch der Verlust in der Luft.
Die Vorrichtung an der Empfangsstation antwortet auf die
Ströme fortgepflanzt durch den Sender in einer Weise, die auch aus der obigen
Beschreibung verstanden wird. Der Primärkreis des Empfängers - das heißt, der
dünne Drahtspule A' - ist durch die
Ströme propagiert durch Leitung durch die dazwischenliegende natürliches Medium
zwischen ihr und der Sender erregt wird, und diese Ströme in der
Sekundärwicklung induzieren C', die
anderen Strömungen dienen dazu, die angeschlossenen Geräte dieser Schaltung zu
betreiben.
Offensichtlich kann die Empfangsspulen, Transformatoren oder
anderen Geräten beweglich - wie zum Beispiel, wenn sie von einer schwimmende
Schiff in der Luft oder von einem Schiff auf dem Meer durchgeführt. Im ersteren
Fall kann die Verbindung von einem Anschluss der Empfangsvorrichtung auf den
Boden nicht dauerhaft sein, könnte aber intermittierend oder induktiv
niedergelassene.
Anzumerken ist, dass Teslas Anregung unter Verwendung der leitfähigen Hülle aus einem speziell konstruierten Ballon als guten Methode zur Erhöhung der aktiven Fläche des erhöhten Aufnahmeplatte, eine, die von Hermann Plauson aufgenommen wurde, wenn er baute Kraftwerken bedienenden natürlicherweise werden auftretende Energie.
Diese Art von
Informationen kann verwirrend erscheinen und vielleicht ein wenig zu technisch
für Sie, so lassen Sie
Die anfängliche Schaltung verwendet einen Strang von festen Draht vertikal steigt auf 700 mm Durchmesser Trommel, wo gibt es einige 20 Umdrehungen. Die Anordnung ist wie folgt:

Der Antennendraht ist mehrere Meter lang ist und im Prototyp wurde durch (und von dieser isoliert) der Traufe eines Hauses unterstützt. Die Antenne sollte vertikal oder um vertikale und eine Erdungsverbindung durch Antreiben einer Metallstange in den Boden oder Verbinden eines Drahtes mit einer Metallplatte und Vergraben der Platte in dem Boden als eine gute elektrische Verbindung hier gebraucht vorgesehen ist. Der Erdungsanschluss welche hier ist ein 12 mm Kupferrohr 3 Meter lang, in den Boden getrieben und der Boden um sie mit Wasser gesättigt:

Der Draht verwendet, um mit der Erdungsstange Verbindung ist sehr wichtig und sollte nicht weniger als 8 swg Kupferdraht, das heißt, 4 mm Durchmesser und 13 mm² sein. Querschnittsfläche. Wie bei allen freien Energie Geräte, sind die genauen konstruktiven Details von entscheidender Bedeutung.
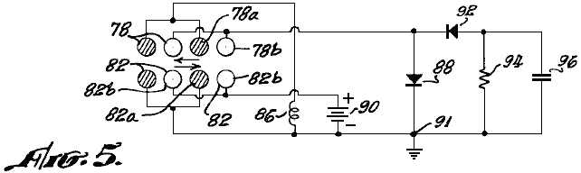
Die Dioden verwendet werden Germanium-1N34 oder 1N34A die besonders für diese Anwendung geeignet sind. Ceramic Disc-Typen sind für die 200 nF Kondensatoren empfohlen. Der Prototyp so aussah bauen:


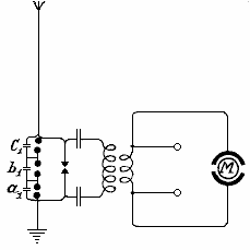
Betrachten wir nun diese Schaltung wie beschrieben, ein modulares Baukastensystem, die unbegrenzte Macht aus einer Antenne führen kann. Ich werde repräsentieren die obige Schaltung als Rechteck dargestellt, zeigt die obige Schaltung:

Während es möglich ist, mehr als ein Modul mit der Antenne zu mehr Power zu verwenden, der dänische Entwickler wechselte dann zum vollwertigen Tesla Anordnung durch das Anbringen eines 600 x 800 x 2 mm Aluminiumplatte innerhalb des abfallenden Dach seines Hauses:

Die

Die Platte ist zwischen 3 und 3,5 m (10 bis 12 Fuß) über dem Boden positioniert ist und der Befestigung an der Platte 8 ist auch dicke Kabel swg:

Das Kabel wird an der Aluminiumplatte mit einer Messing-Bolzen und Muttern, die der Bauherr denkt, kann erheblich sein, ganz abgesehen von Vermeidung jeglicher galvanitic Verbindung mit der Schaltung verbunden. Das Kabel wird dann vertikal nach unten zu der Schaltung auszuführen. Für diese Anordnung eine zweite Erdungspunkt wird ebenfalls verwendet. Dies ist ein verzinktes Eisenrohr 3 Meter lang, senkrecht in den Boden mit Wasser gesättigt ist angetrieben. Die zweite Erde ist 2 Meter von der ersten Erdungsstruktur und es gibt kein bekanntes Bedeutung bei der Verwendung von einem Eisenrohr, wie es verwendet wurde, weil es zur Hand war zum Zeitpunkt.
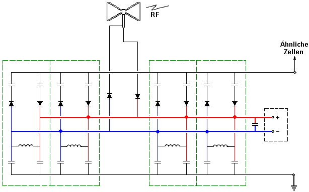
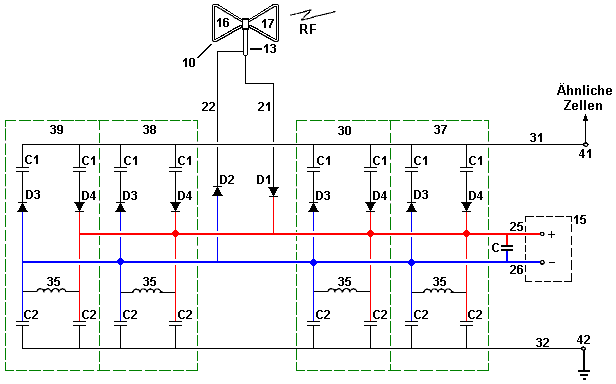
Diese Anordnung sorgt für ernste Macht, genug, um Verletzungen zu verursachen oder zu töten einen sorglosen Menschen. Mit zwei Modulen, leuchtet eine LED sehr hell, fahren sie auf 2,6 Volt. Wenn die LED entfernt ist, dann ist die Spannung steigt auf über 20 Volt und ist leicht ausreichen, um eine 12V-Batterie oder Batteriebank aufladen obwohl das dauert seine Zeit. Mit 20 Modulen eine 12V-Batterie kann über Nacht aufgeladen werden. Es wird geschätzt, dass mit zweihundert Modulen, die Kraft ausreichen würde, um Leistung eines Haushalts obwohl dies noch nicht getan. Es ist daran zu erinnern, dass jedes Modul einfach und billig ist, um, so die Anordnung für einen Stapel von ihnen, wo zusätzliche Module zu einem späteren Zeitpunkt für mehr Leistung hinzugefügt werden können, ist eine ideale Anordnung. Die Schaltung ist wie folgt:

Diese Schaltung sieht völlig verrückt wie der Antenneneingang an die Schaltung zu sein scheint direkt von der zweiten Erdung kurzgeschlossen. Trotzdem arbeitet die Schaltung sehr gut, wenn auf diese Weise verbunden. Weitere Module können ohne Begrenzung bekannt zugesetzt werden. Erhöhte Leistung kann entweder durch Anheben der Aluminiumplatte höher über dem Boden, um zu sagen, 10 Meter (33 Fuß), oder indem Sie ein oder mehrere zusätzliche Antenne Platten zu haben. Wie Sie eine gute Antenne bis hin zu einer sehr guten Erde verbunden haben, muss es die Möglichkeit der Ausrüstung vom Blitz getroffen, und so ist es empfehlenswert, eine schützende Funkenstrecke zwischen der Antenne und der Erde installiert ist, in der Nähe die Schaltung, so dass bei hoher Spannung schlagartig an die Antenne angelegt, wird der Funkenstrecke feuern und Shunt die überschüssige Energie durch die Erde. Alternativ ist vielleicht eine bessere Lösung für einen Standard Blitzableiterstange ein paar Meter entfernt von der Antenne und einem oder zwei Meter höher zu installieren, so dass sie ein attraktiver Ausgangspunkt für einen Blitzschlag bildet.
Weitere Experimente haben gezeigt, daß eine Änderung der Anschlusspunkt für die Antenne hat einen signifikanten Einfluss auf die Ergebnisse. Wenn die Verbindung an der Mitte zwischen der Antennenplatte und dem Erdanschluß hergestellt ist, erzeugt es eine größere Leistung:

Mit dieser Anordnung erzeugt ein einzelnes Modul etwa 30 Volt, während die ursprüngliche Methode des Verbindens nahe der Erde ca. 26 Volt mit zwei Modulen gab. Jes Ascanius hat weitere Experimente durchgeführt, und er erklärt, dass die Dioden mit Reaktionszeiten von unter 30 Millisekunden produzieren mehr Leistung und er empfiehlt die Verwendung von BYV27-Dioden, die haben ein 200-Volt 25nS-rating, als er drei Mal die Ausgabe von ihnen bekommt. Er empfiehlt auch, mit ihnen in Joule Thief-Schaltungen.
Dragan Kljajic
hat mit dieser Schaltung experimentiert und hat durch den Bau vieler dieser
Module auf einer Leiterplatte, wie diese gestartet:


Mit zwei
dieser Boards ist Dragan zieht 96 Watt kontinuierlich von seinem Antenna
Hier ist ein Forum: http://www.energeticforum.com/renewable-energy/10947-jes-ascanius-radiant-collector.html wo einige Erbauer dieser Anlage Aktie Kommentare. Ein Kommentar ist, dass es ein erhöhtes Risiko für einen Blitzschlag, wo Sie eine geerdete Antenne, und so ist es nicht ratsam, die Antenne Platte innerhalb eines Hauses zu platzieren, aber vielleicht zwischen zwei Bäumen aufgehängt. Außerdem kann mit einem Auto Zündkerze über das Modul-Gerät angeschlossen gegen Blitzschlag Beschädigung der Schaltung zu schützen.
Als Ergebnis der Abfragen, betont Jes die folgenden Punkte:
1. Die
2. Die
3. Der Draht muss Einzelstrang-Massivdraht sein.
4. Es darf kein Teil des Drahtes oberhalb der Schaltung, die nicht isoliert ist sein.
Er weiteren Kommentare: Sie Aluminiumfolie verwenden können und Frischhaltefolie für viele Sammler Platten machen 0,4 mx 5 m und verbinden sie zusammen schließen, um die Antenne Draht zu ernähren. Denken Sie daran, keine isolierten Draht überall. Alle Anfragen sollten im Forum oben gezeigt gefragt.
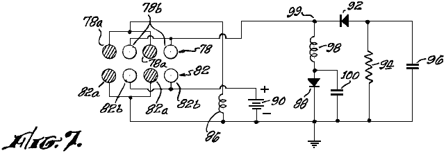
Eine Modifikation dieser Schaltung von Jes Ascanius von einem Entwickler, der anonym bleiben möchte, verdoppelt die Leistung von jedem Modul, indem ein Spiegelbild der Schaltung wie folgt aus:

Wie gesehen werden kann, ist aus vier Dioden und zwei Keramikkondensatoren der Zusatz.
In diesem Bereich ist Thomas Henry Moray hervorragend. Bis 1936 hatte er ein Stück für Geräte, die in der Lage Außerbetriebnahme hohe Leistung ohne Menschen verursachten Eingangsleistung an war alles entwickelt.

Moray der Ausrüstung soll enthielt eine Germanium-Diode, die er selbst gebaut hat in den Tagen vor halbleiterschutzsicherungen wurde leicht verfügbar sind. Das Gerät wurde geprüft und getestet viele Male. Auf Dutzenden von Fällen, demonstrierte er das Gerät fahren eine Bank von 20 150W Glühlampen, plus eine 600W Heizung, plus eine 575W Eisen (insgesamt 4,175 kW). Das Einschalten von diesem Gerät abgeholt brauchte nur mit kleinem Durchmesser Drähte und musste Eigenschaften von herkömmlichen Strom. Eine Demonstration, die viele Male wiederholt wurde, war es zu zeigen, dass die Ausgangsleistung Stromkreis unterbrochen werden konnte und ein Blatt aus gewöhnlichem Glas zwischen den durchtrennten Enden des Drahtes gelegt, ohne Unterbrechung der Versorgung. Diese Art von Macht wird als "Cold Strom", weil dünne Drähte tragen Großmacht Lasten, nicht überhitzen. Diese Form der Energie soll in Wellen, die die Drähte einer Schaltung umgeben und nicht wirklich durch die Drähte überhaupt fließen. Im Gegensatz zu herkömmlichen Strom, ist es nicht nutzen die Elektronen für die Übertragung und das ist, warum es durch eine Glasscheibe, die zu stoppen konventionellen Strom im Keim würde fortsetzen können.
Bei einer Gelegenheit, nahm Moray seine Ausrüstung weg von allen städtischen Gebieten zu einem Ort nach dem Zufallsprinzip von einem Kritiker gewählt. Er Richten Sie das Gerät und zeigte die Leistung, weit weg von jedem Menschen erzeugte elektrische Induktion. Er trennen Sie die Antenne und zeigte, dass die Leistung sofort gestoppt. Er verband die Antenne wieder auf den Ausgang nach wie vor zu generieren. Er dann die Erdung, die den Ausgang wieder gestoppt getrennt. Wenn die Erde Draht wieder verbunden war, kehrte der Ausgangsleistung. Er fand, dass die Leistungsabgabe Niveau etwas fiel nachts. Die Antenne in seine Demonstrationen verwendet wurde berichtet, wie dieses:

Aus der ersichtlich ist, daß auch ein relativ kurzer Antennendraht nicht ausgesetzt weit von dem Boden, in der Lage ist Sammeln wesentliche Mengen nutzbare elektrische Leistung werden. Die Erde in den entlegenen Demonstrationen war ein Länge der Gasleitung, die in den Boden gehämmert wurde. Es wurde festgestellt, dass da jeder Hammerschlag trieb das Rohr tiefer in die Erde, die Glühbirnen (die die elektrische Ladung gebildet) leuchtete heller, was darauf hinweist, dass die Qualität der Erdung ist sehr wichtig, wenn ernste Macht wird von einer Antenne gezeichnet wird.

Thomas entwickelte verschiedene
Versionen des Gerätes, von denen die
letzte nicht brauchte die Antenne oder Erde-Verbindungen, wog 60 Pfund und hatte eine Leistung von 50 Kilowatt. Diese Vorrichtung wurde sowohl in einem Flugzeug und einem Unterseeboot getestet, was zeigt,
das Gerät an die volle geschlossene und tragbar. Es wurde auch an Orten, die voll von elektromagnetischer Strahlung wurden
abgeschirmt getestet.
Mit seinen
späteren Geräten lässt Moray den Bereich der Antennen und bewegt sich in die
gleiche Kategorie wie Barbosa und Leal, diese beiden brasilianischen Männer
Extrahieren 192 Kilowatt Leistung direkt aus dem Boden. Wenn Sie lesen Moray
Buch “The Sea of Energy in which the
Earth Floats” (http://www.free-energy-info.tuks.nl/P26.pdf)
werden Sie feststellen, dass Moray hinter dem wissenschaftlichen Denken seiner
Zeit bewegt , die besagt, dass die Erde mit der kosmischen Energie Teilchen
beschossen wird, die Atome verursachen von Materie in Energie zu verändern, die
Äthers eingeben und es kehrt erneut zu Materie. Dieser Prozess wird durch
Frequenz geregelt. Moray entwickelte Energie-Dioden, die auf den Energiefluss
des Äthers wie elektrische Dioden handeln. Er benutzte eine Kette dieser
"Röhren". Jedes Röhrchen wurde auf eine der Harmonischen der
Schwingungsfrequenz des Äthers abgestimmt. Jedes Rohr unteren Frequenzwellen
erzeugt, und die folgende Rohr wird auf diese Wellen abgestimmt und ist durch
eine Resonanz Harmonischen des Äthers Schwingungen angetrieben, wodurch eine
Vorrichtung ohne die Notwendigkeit jeglicher Leistungseingang von dem Benutzer
erzeugt wird. Außerdem wurde die Antenne durch eine kleine, interne
Kupferplatte ersetzt. So in wahre Luftmodus - vier Kilowatt. In Erde-only-Modus
- 50 Kilowatt. Morays Ideen werden durch die Arbeit und Bücher von Gustav Le
Bon (http://www.free-energy-info.tuks.nl/The
Evolution of Matter.pdf und http://www.free-energy-info.tuks.nl/The
Evolution of Forces.pdf).
Moray wurde erschossen und bei einem Attentat in seinem Labor verwundet. Dies veranlasste
ihn, das Glas in seinem Auto
verändern Panzerglas. Er wurde viele Male bedroht.
Seine Demonstration Gerät wurde mit einem Hammer zerschlagen. Wenn Drohungen gegen seine Familie wurden, hielt er den Wiederaufbau seiner Ausrüstung und schien sich seine Aufmerksamkeit auf andere Dinge, Herstellung einer Vorrichtung
zum "therapeutischen" medizinische
Behandlung.
In seinem Buch "The Energy Machine of T. Henry
Moray", bietet Moray B. King Weitere
Informationen zu diesem System. Er
erklärt, dass Moray ein Patent mit der Begründung, dass der Prüfer nicht
sehen konnte, wie das Gerät so viel Leistung, wenn das Ventil Kathoden nicht erhitzt wurden abgelehnt wurde. Moray wurde
US Patent 2.460.707
am 1. Februar 1949 gewährte eine Elektrotherapeutisches Gerät, in
dem er die Spezifikation für die drei
Ventile in seiner Macht Gerät
verwendet enthalten, offenbar weil er sie durch ein Patent geschützt werden wollte. Soweit ersichtlich,
ist die hier dargestellte Ventil einen Oszillator Röhre. Moray gekennzeichnet,
daß dieses Rohr die sehr hohe
Kapazität von 1 Farad hatten bei Lauf mit seiner
Resonanzfrequenz. Moray gern
Quarzmehl als Dielektrikum in Kondensatoren, die er Gebrauch gemacht,
und er hatte die Angewohnheit, Mischen
in Radiumsalze und Uranerz mit dem Quarz.
Diese Materialien können gut sein,
in der Herstellung von Ionisation in
diesen Rohren wichtig ist und dass
Ionisation kann gut sein, bei der Erschließung des Energie-Bereich
wichtig.

Das Rohr hat einen oben gezeigten sechs-Kondensator aus zwei U-förmigen kreisförmigen Metallringe mit dem Raum zwischen ihnen mit einem dielektrischen Material gefüllt ist. Die Platten sind in rot und blau dargestellt, während das Dielektrikum in grün dargestellt wird. Im Inneren des Kondensators besteht ein separater Ring aus dielektrischem Material (gegebenenfalls aus einem anderen Material) und einen inneren Ring aus Wellblech, eine Ionen-Entladung Elektrode zu bilden. Die Kondensator und Elektrodenanschlüsse an die Pins in der Basis der Röhre entnommen.
Quarz ist für das Material der äußeren Hülle des Rohres vorgeschlagen und das Drahtelement 79 nummerierten im Diagramm soll ein Heizelement dazu bestimmt, von einer Niederspannungs-Stromquelle gespeist werden können. Doch wie Moray hatte eine frühere Patentanmeldung mit der Begründung, dass es kein Heizelement in seinem Röhrchen verweigert, ist es deutlich sein, dass das Heizelement hier gezeigten falsche ist und sich ausschließlich auf die Ablehnung von den Prüfern zu vermeiden gezogen. In seinem Patent bezieht Moray an den Kondensator in diesem Rohr als "Funkenbildung" Kondensators, so dass er möglicherweise wurden Antreiben sie mit zu hohen Spannungen, die wiederholt Ausfall des Kondensators Stoff.

Der Schlauch aus Fig.16 oben verwendet eine andere Technik, wo ein Röntgenröhre verwendet, um eine gewellte Elektrode durch eine Maske mit der Röntgenstrahlenfenster bombardieren wird. Es wird vermutet, dass eine kurze Bursts von Röntgenstrahlen verwendet, um sehr kurzen, scharfen Bursts von Ionen zwischen der Anode und Kathode der Röhre und diese abholen zusätzliche Energie mit jedem Burst auszulösen.
Eine alternative Version dieses Rohr wird in Fig.18 gezeigt. Hier ist die Konstruktion recht ähnlich, aber anstelle einer Röntgenstrahlenfenster, eine Linse und Reflektor verwendet, um die Ionisierung des Umschaltkanal zwischen der Anode und der Kathode bewirken. In beiden Tuben unterstützt der gewellten Elektrode eine Korona-Aufbau bis unmittelbar vor dem kurzen Röntgen-Schaltimpuls, und es wird angenommen, dass die Ionen auf die Intensität der erhaltenen Impulse, die aus dem Rohr austreten beitragen. Sehr kurze unidirektionalen Pulse Lage verursacht Bedingungen, unter denen zusätzliche Energie abgreifbar. Woher kommt diese zusätzliche Energie kommen? Im Jahr 1873 veröffentlichte James Clerk Maxwell seine "Abhandlung über Elektrizität und Magnetismus" und in ihm wies er darauf hin, dass das Vakuum eine beträchtliche Menge an Energie (Bd. 2, p. 472 und 473) enthält. John Archibald Wheeler von der Princeton University, einer der führenden Physiker, der auf dem US-Atombomben-Projekt gearbeitet hat, die Flussdichte des Vakuums berechnet. Anwenden von Oliver Heaviside E = mc2 Formel zeigt, dass es genug Energie in jedem 1 cc von "leeren" Raum, um alle Materie im sichtbaren Universum, das mit unseren stärksten Teleskopen gesehen werden können. Die Menge an Energie ist so groß wie unvorstellbar sein. Dieses Energiefeld wird als "Universal Energy", "Cosmic Energy" oder "Zero Point Energy" bezeichnet. Zu diesem Zeitpunkt haben wir nicht jedes Instrument welche direkt auf dieser Energie und so ist es fast unmöglich zu messen.
Die Existenz dieses Energiefeld wird mittlerweile von den Mainstream-Wissenschaft akzeptiert und es wird von der Situation an Quanten-Ebenen gefunden getragen. Es wird allgemein angenommen, dass diese Energie chaotisch ist in Form und für nützliche Energie von aus ihr gezogen, muss es zu einer zusammenhängenden Form umstrukturiert werden. Es scheint, dass unidirektionale elektromagnetische Impulse von einer Millisekunde oder weniger beträgt, kann die erforderliche Umstrukturierung verursachen werden, da sie einen nach außen kohärente Wellenfront von Strahlungsenergie, von denen Energie für die Verwendung in den meisten elektrischen Vorrichtungen extrahiert werden kann, wenn ein geeigneter Rezeptor erzeugen System verwendet wird. Tom Bearden, dass zum Quanten-Ebene erscheint die brodelnde Energie dieses Feldes kontinuierlich positive und negative Ladungen. Da diese gleichmäßig verteilt sind, ist die Nettoladung an jedem Punkt immer Null. Wenn ein "Dipol" (zwei entgegengesetzten Ladungen nahe beieinander) irgendwo erstellt wird, dann ist es polarisiert den Energiefeld Aufbrechen der zuvor gleichmäßige Verteilung der Ladungen und was zu massiven Ströme von Energie zur Abstrahlung nach außen von dem Dipol.
Ein Spannungsimpuls wirkt als Dipol, sofern der Spannungsanstieg wird schnell genug, und das ist, was bewirkt, dass eine Welle der Strahlungsenergie Auffächerung von dem Ort des Spannungspulses. Batterien und Magneten zu schaffen kontinuierliche Dipole und so bewirken, dass die lokalen Quantenenergie Feld zu schicken kontinuierliche Ströme massive Power, die genutzt werden kann, wenn (und nur dann), wie man es wissen. Die Suche nach Mechanismen zu erfassen und zu verwenden, auch nur einen winzigen Bruchteil dieser Energie-Streams ist das, was die "freie Energie"-Feld der Forschung geht. Manche Leute sagen, dass es keine solche Sache als "freie Energie", weil Sie für das Gerät, es fängt zu zahlen haben. Das ist wie eine Busfahrt nach einem Autohaus, wo sie verlosen neue Autos, und sagen, dass Sie Ihr neues Auto war nicht eine "freie" Auto, weil man mit dem Bus Fahrpreis zu bezahlen, um das Autohaus zu erreichen musste.

Moray König schlägt vor, dass die Schaltung von Thomas Henry Moray wie folgt verwendet wurde:

Es kann kaum Zweifel daran, dass Thomas Henry Moray mehrere Versionen von seinen Apparat, von denen jede Leistung produziert weit über jedem Eingang benötigte Leistung gebaut werden. Es scheint sehr wahrscheinlich, dass die meisten von ihnen keine Antriebsleistung immer verwendet, und ob es irgendwelche anderen, werden sie von einem winzigen Bruchteil der Leistung angetrieben worden sein. Wenn leichte radioaktive Material verwendet wurde, wie beschrieben, dann ist die Leistung konnte in keiner Weise auf diese Quelle zurückgeführt werden kann, da die Ausgangsleistung war tausendfach größer als jede verfügbare Leistung der radioaktiven Stoffe.
Es ist vielleicht an der Zeit, ein wenig mehr zu erklären etwa, Spannung, Leistung und Strom. Wir haben mit der Vorstellung, dass es notwendig ist, "brennen" ein Kraftstoff an die Macht zu erhalten, dass die Batterien "run down", wenn verwendet, und dass Sie zu halten Drehen der Welle eines elektrischen Generators in der Lage sein Strom ziehen daraus angehoben worden . Diese Dinge sind nicht wirklich wahr. Die relativ jungen Gebiet der Quantenmechanik zeigt, dass, wenn eine Gebühr, wie ein Elektron hat, in was soll "leeren" Raum positioniert werden wird, ist es nicht allein. Die "leeren" Raum ist eigentlich brodelt mit Energie, in dem Maße, "virtuelle" Teilchen ins Dasein für einen Bruchteil einer Sekunde und dann wieder verschwinden knallen. Sie werden als "virtuelle", weil sie für eine so kurze Zeit existieren.
Aufgrund der negativen Ladung des Elektrons, werden die Teilchen erscheinen und verschwinden um ihn herum alle sein Verantwortlichen positiv. Das Elektron hat "polarisiert" den Raum um sich herum, weil sie eine Ladung hat. Der Instant dass ein positives "virtuellen" Teilchen erscheint, gibt es zwei Ladungen nahe beieinander - minus auf der Elektronen und plus auf der Teilchenoberfläche. Wenn Sie zwei entgegengesetzten Ladungen nahe beieinander haben, bilden sie eine "Dipol". Dipole bilden ein Tor, durch das Energie aus der Umwelt fließt kontinuierlich. Einen Augenblick später verschwindet das Teilchen, aber es ist erfolgt sofort von einer anderen virtuellen Teilchen genommen. Das Ergebnis ist ein kontinuierlicher Strom von Energie fließt aus dem Dipol.
Batterien mit ihren positiven und negativen Anschlüssen sind elektrische Dipole, so sind auch Generatoren, wenn die Antriebswelle gedreht wird. Permanentmagnete mit ihren Nord-und Südpole sind magnetische Dipole. Beide haben kontinuierliche Ströme von Energie durchströmt. Also, warum dann keine Batterien heruntergekommen und verlieren ihre Ladung? Der Grund ist, dass wir Leistungskreise eine geschlossene Schleife mit. Die Energie fließt aus einem Terminal fließt in die entgegengesetzte Terminal und sofort zerstört die Dipol. Eine neue Dipol muss erstellt jeden Bruchteil einer Sekunde, wenn die Schaltung an die Macht zu liefern, und es ist, dass selbstzerstörerische Art der Nutzung, die die Batterie entladen verursacht oder was braucht der Generator Welle kontinuierlich gedreht werden.
Wenn eine andere Operationstechnik verwendet, wobei der Dipol nicht kontinuierlich zerstört, dann Vorrichtungen, die einen kontinuierlichen Strom von Energie aus der natürlichen Umwelt gezogen bereitstellen kann konstruiert werden kann. Das ist keine Magie, nur der nächste Schritt in der konventionellen Wissenschaft und Technik. Thomas Henry Moray gelang es, zunächst mit einer Antenne und Erde wie ein Kristall auf den Dipol bieten, war sein Gerät in der Lage, viele Kilowatt Leistung aus der Umgebung ziehen. Kein Kraftstoff benötigt wurde, die Energie wird dort bereits um uns alle, die ganze Zeit. Soweit ich informiert bin, hat niemand geschafft, Moray-Gerät (was war der Grund dafür, dass es gewaltsam unterdrückt) zu replizieren, aber wissen, dass es existiert und wurde mehrfach gezeigt, dass sehr gut funktionieren, ist nützlich, da es zeigt, dass es möglich ist, tippen Sie auf die massiven Nullpunkt-Energie-Feld mit einem praktischen, home-konstruierte Vorrichtung.
Hier ist eine Sammlung von zusätzlichen Informationen aus verschiedenen Quellen zusammengetragen:
Moray begann seine Experimente mit "die Entnahme von Strom aus dem Boden", wie er es beschrieb, im Laufe des Sommers 1909. Bis zum Herbst 1910 hatte er genug Kraft, um ein kleines elektrisches Gerät zu betreiben, und demonstrierte seine Idee, zwei Freunde. Die frühen Phasen dieser Demonstration bestand zum Betreiben einer Miniatur Lichtbogen. Es wurde bald klar, dass die Energie nicht statisch war und dass die Statik des Universums wäre keine Hilfe für ihn sein bei der Erlangung der Macht, für die er suchte.
Während der Weihnachtsferien von 1911, fing er an, in vollem Umfang zu realisieren, dass die Energie, mit der er arbeitete, war einer oszillierenden Natur. Er erkannte auch, dass die Energie kam nicht aus der Erde, sondern wurde auf die Erde aus einer äußeren Quelle. Diese elektrische Schwingungen in Form von Wellen waren nicht einfach Schwingungen, wurden aber wie die Wellen des Meeres wogenden, kommen immer wieder auf die Erde, sondern mehr in der tagsüber als nachts, aber immer ankommen wie Vibrationen aus dem Reservoir der kolossalen Energie da draußen im Raum. Bis zu diesem Zeitpunkt Moray konnte genug Kraft zu sammeln, um eine 16-Candela Kohlenstoff Lampe leuchtet etwa eine halbe es die Kapazität, aber er hat es nicht geschafft, eine weitere Verbesserung bis zum Frühjahr 1925 zu gewinnen.
Im Jahr 1912 Moray wurde gerufen, um auf einer Mission für die Kirche Jesu Christi der Heiligen der Letzten Tage gehen, und unter einem Besucher-Visum durfte Schweden während der Ausstellung von 1912 in Stockholm geben. In seinem Notizbuch, vom 1. November 1913, inklusive er einen Zettel, dass er Material aus einem Eisenbahnwaggon erhalten bei AbISCO, Schweden im vergangenen Sommer auch etwas mehr Material von der Seite eines Hügels. Er machte elektrische Tests dieser Materialien, wobei sie nach Hause, um jeweils als Detektor für seine Energie-Maschine versuchen. Tests zeigten, dass diese weichen, weißen Stein-ähnliche Substanz könnte eine gute "Ventil-like-Detektor" zu machen. Das "Ventil-like-Detektor" ist, was führte ihn zur Erforschung halbleitenden Materialien zu tun, und aus diesem weichen, weißen Stein, den er entwickelte seine erste Ventil und das Ventil, welches in einigen seiner frühen Radiant-Energy-Geräte (Silberdraht Berühren eines verwendet wurde Stein kann als Gleichrichter wirken).
Moray gezeigt, dass verfügbare Energie durch die
Aktionen auf einer ohmschen Last, wie beispielsweise ein Bügeleisen oder einem
Heizkörper, und durch Beleuchtung Glühlampen war. Ein Widerstands-Gerät
fungiert als Last, die direkt proportional zu der Menge an Energie, die es ist.
Beim Erwärmen einer Heizung oder Beleuchtung einer Lampe, kann die Anzahl der
produzierten Watt als gleich der Anzahl von Watt bereitgestellt, um dem Gerät
berechnet werden. Diese Energie wird in einer Last zugeführt, um entweder
Wärme, Licht oder Kraft zu geben. Ein Motor kann betrieben werden, muss aber um
auf einem Hochfrequenz-Stromversorgung betrieben werden. Der
Radiant-Energy-Gerät verwendet eine Antenne und eine Masse zu seinem festen
Zustand Radiant-Energy-Schaltung:

Das
Diagramm oben gezeigt wird aus einer Skizze aus dem Speicher, nachdem er Moray
Schaltplan gezogen wiedergegeben. Die Person, die es zog nicht verstehen, wie
die Schaltung funktioniert, so behandeln Sie bitte dieses Diagramm als nur eine
allgemeine Empfehlung, was Moray-Schaltung könnte so gewesen sein. Es ist
tatsächlich sehr viel wahrscheinlicher, dass sich war eine Kaskade von Paaren
von Tankkreisen enthaltenden Morays Ventil, wobei jedes Paar einer Reihe
Tankschaltung durch einen parallelen Schwingkreis, die Schwingfrequenz fallen
mit jedem Tank-Paar und der Ausgangsleistung steigt mit jedem Tank gefolgt Paar.
Morays Schaltung begonnen Oszillieren durch Streichen des U-förmigen Spule mit
einem Permanentmagneten für ein paar Sekunden, und wenn die Schaltung den
Betrieb gestartet wird, dann schalten, S 'geschlossen wurde, effektiv Entfernen
der U-förmigen Spule von der Schaltung.
Moray konnte nachweisen, dass keines der abgegebenen
Energie aus seinem Gerät. Intern
wurde das Gerät elektrisch tot, wenn es nicht angeschlossen ist und abgestimmt
auf die Antenne. Als sein Gerät eingestellt wurde, konnte er es mit einer
Antenne und Erde verbinden und durch Priming es zuerst und dann Tuning, wie er
grundiert es, würde das Gerät in elektrische Energie zu ziehen. Diese
hochfrequente elektrische Energie produziert bis zu 250.000 Volt und versorgt
ein helleres Licht als Zeugen je zuvor gesehen hatte. Schwere Lasten konnte auf
das Gerät ohne Dimmen der Beleuchtung schon daran angeschlossen werden. Diese
Vorrichtung arbeitet viele Meilen von jeder bekannten Quelle elektrischer
Energie, wie Stromleitungen oder Funksignale. Die Vorrichtung produziert bis zu
50.000 Watt Leistung und arbeitete für lange Zeiträume.
Moray
zunächst davon ausgegangen, dass diese Energie elektromagnetischer Natur war er
jedoch nie behauptet, dass es war. Er nahm zuerst an, dass diese Energie aus
der Erde kam, aber später wurde er glaubte, es floss in aus dem Universum.
Schließlich begann er zu glauben, dass es derzeit in ganz Raum, intermolekulare
Raum sowie irdischen und himmlischen Raum war. Er wollte nicht unbedingt
verstehen, wie seine Detektoren betrieben, nur, wenn er das Gerät sorgfältigst
gebaut nach seinen Berechnungen es funktionieren würde. Er war in der Lage, das
Vorhandensein einer Energie, die heute, wenn es noch nicht identifiziert oder
bewährt, ist von vielen Forschern theoretisiert demonstrieren.
Die größte
Instrument war etwa 6 Zentimeter hoch, kreisförmig und etwa 8 Zoll im
Durchmesser. Wir gingen auf das Dach des Hühnerstalls Tragen des Gerätes auf
einem kleinen Zeichenbrett, errichtet eine Antenne auf dem Dach des Stalles,
wobei die Antenne etwa 100 Meter vom Haus entfernt. Wir zogen die Hauptlinie
Schalter in dem Haus vor dem Ausgehen auf dem Dach. Herr Judd hatte Moray
bewegen Zeichenbrett von Ort zu Ort, und er hat auch die Innenseite der coop
für versteckte Geräte. Die Maschine wurde dann in seiner Gegenwart
zusammengesetzt und die Vorrichtung wurde gestartet. Herr Judd zeitlich
Wenn der
Boden oder Antenne links getrennt für eine zu lange Zeit wird die Vorrichtung
elektrisch toten und muss neu abgestimmt, um den Energiefluss wiederzuerlangen.
Dr Eyring fand keine Fehler mit der Demonstration und das Schlimmste, was er
sagen konnte, war, daß es vielleicht Induktion sein, aber wenn Moray würde das
Gerät in den Bergen weg von allen Stromleitungen, ein Abstand von drei oder
vier Meilen, und es dann betrieben werden, würde er dann erkennen, dass es
nicht Induktion sein und dass seine Theorie falsch war.
Endlich beschlossen
sie gehen bis
Der
Antennendraht wurde von den Polen mit zwei Glas-Isolatoren ca. 6 cm lang und mit
Löchern an beiden Enden isoliert. Ein Stück Draht etwa 2 Meter Länge jedes
Isolators mit der Stange verbunden ist. Der Zuleitungsdraht wurde dem
Antennendraht an einem Punkt ungefähr 10 oder 15 Fuß von Osten Pol befestigt
ist. Ich half Herr Moray löten die Verbindung. Ich ging den Abstand zwischen
den beiden Antennenstäbe und schätzte es auf 87 Meter betragen. Herr Moray der
Ausrüstung, abgesehen von der Antenne und Erdungskabel, bestand aus einem
braunen Kasten von der Größe einer Butter-Box, eine andere etwas kleiner
unlackiert Feld eine Faserplatte box etwa 150 mm x 100 mm x 100 mm, die Herr
Moray bezeichnet Als mit den Röhrchen und eine Metall Sockelleiste etwa 450 mm
x 100 mm x 25 mm enthält, was offenbar ein Magnet an einem Ende, einen Schalter
in der Nähe der Mitte und einer Aufnahme für eine elektrische Glühlampe an dem
anderen Ende. Es gab auch mehrere Beiträge zum Verbinden von Drähten auf dem
Baseboard.
Wenn alle
Leitungen angeschlossen wurden und alles war bereit, Herrn Moray Tuning in. Vor
Tuning begann, legte er den Schlüssel auf der Post: Er sagte, es würde in
Kontakt zu sein, während das Licht gebrannt, aber kein Licht erschien.
Abstimmverstärker bestand aus streicht das Ende eines Magneten über zwei
metallische Vorsprünge vorsteht, was ich obengenannten als "ein Magnet '.
Nach Tuning für etwas mehr als 10 Minuten die Taste wurde auf dem
Operationstisch Pfosten und dem Licht zu rücken schien sofort. Herr Moray
steckte den Schlüssel auf dem Operationstisch nach zwei oder drei Mal, bevor in
der Tuning-Betrieb, aber kein Licht erschien. Wir dürfen das Licht für 15
Minuten brennen. Meiner Meinung nach, die Brillanz des Lichts, das von der
100-Watt-Glühbirne, war etwa 75% so hell wie eine 100-Watt-Glühbirne, die mit
einem gewöhnlichen Haus-Buchse. Es war ein Dauerlicht, ohne Schwankungen
jeglicher Art.
Während
das Licht brannte Herr Moray getrennt die Antenne Zuleitungsdraht aus dem Gerät
und das Licht ging aus. Er verband sie wieder, und das Licht erschien. Er hat
auch die Erdleitung getrennt und das Licht ging aus. Er verband sie und das
Licht wieder erschien.
In einer
weiteren Demonstration eröffnete Herr Moray das Gerät und lassen Sie alle alles
sehen, außer einem kleinen Teil, dass er seine Hand um und versteckte sich in
seiner Faust. Dieser Teil er abgeschnitten und in seine Westentasche. Alles
andere, waren die Menschen dürfen nach Herzenslust Inhalt zu untersuchen.
"Wenn dieser Teil ist in der Lage, eine solche Macht selbst zu machen,
dann ist es etwas Gerät und wert ist, verkauft ist. Eine solche Batterie würde
sich lohnen", waren einige der Bemerkungen gemacht.
Bei
mehreren Gelegenheiten Dr. Moray würde das Antennenkabel kurzzeitig trennen,
aber nicht lange genug, um das Licht zu verlieren. In Trennen und Verbinden Sie
das Antennenkabel einen Blitz von Strom könnte immer an der gesehen werden
Bei einer
Demonstration im Jahre 1928, war die Antenne verwendet wird, etwa 200 Meter
lang und positioniert etwa 80 Meter über dem Boden: der Draht ist ein
Kupferkabel etwa ein Viertel von einem Zoll im Durchmesser, und gut isoliert.
Die Erdung verwendet wurde, war die Wasserleitung im Keller von Dr. Moray zu
Hause. Die Vorrichtung wurde in einem Kofferraum durch die Seiten der die
Löcher für die Anschlüsse mit Masse und mit der Antenne und zur Beobachtung
montiert waren, die Löcher waren etwa einem halben Zoll im Durchmesser. Es gab
zwei Boxen etwa 10 um 20 von 4 Zoll, eine auf der Oberseite des anderen, beide
wurden geschlossen und die Deckel mit Schrauben befestigt. Auf dem oberen Feld
lag eine Dämmplatte etwa einen Zentimeter dick um 15 cm lang und 3 cm breit, es
wurde aus Tonschiefer oder Hartgummi oder einem Material von ähnlichem Aussehen
gemacht. Hierzu waren zwei Klemmenbolzen die miteinander durch einen kleinen
Schalter angeschlossen werden könnte, auch auf dieser
Dr. Moray
nahm dann einen Magneten, der einen sehr breiten, kurzen Gliedmaßen U war, und
begann zu streicheln einen Pol auf der Pole in der abgeklebt Körper. Herr Jensen
legte seine Finger auf den Polklemmen mehrfach und zuletzt erhielt eine
ziemlich kräftige Schock. Herr Moray warf den Schalter und die Lampen leuchten.
Als weiterer Beweis, dass die Umwandlung der Energie durch den Mechanismus in
dem Feld war, geschlagen Dr Moray den Tisch, auf dem der Stamm stand, eine
moderate Schlag mit einem Hammer woraufhin das Licht und flackerten verlief
aufgrund der Detektor dejustiert erschüttert. Die Kisten, in dem der
Mechanismus während des Tests waren untergebracht wurden geöffnet und die
Inhaltsstoffe untersucht. Es gab Kondensatoren, wobei der Detektor von einem
Transformator, und zwei Rohre in ihnen aber sonst nichts. Nichts, was im
geringsten ähnlich einer Batterie.
Es ist
anzumerken, dass nach einer Gesamtlaufzeit von 158 Stunden ist die Vorrichtung
635 Watt zugeführt werden, insofern eine Pferdestärke ist jedoch 746 Watt
entspricht dies einer 0,878 Pferdestärken oder etwas mehr als 7/8 PS. Dies
allein genügt, um jeden Vorschlag einer Batterie entsorgen.
Ein
Bericht aus dem Jahr 1929 sagt: Es ist nun mehr als 2 Jahre her, seit ich zum
ersten Mal Bekanntschaft mit Dr. TH Moray und die Arbeit, die er trägt auf, und
in dieser Zeit hat er erfinderische Fähigkeit eines außergewöhnlichen Um
demonstriert. Vielleicht die schönste seiner Erfindungen ist ein Gerät, wodurch
er in der Lage, elektrische Energie aus einer Antenne zu ziehen. Diese Energie
wird nicht durch Induktion von Stromleitungen ableiten, wie von einigen
vorgeschlagen worden, noch ist es von Radiosendern ableiten, wie, indem das
Gerät mehr als 26 Meilen von der nächsten Stromleitung und über hundert Meilen
von der nachgewiesen nächstgelegenen Funkstation und zeigen, dass es genauso
gut wie arbeitet anderswo.
Dieses
Gerät wurde einem Härtetest in dem es kontinuierlich für eine Woche betrieben
wurde ausgesetzt, und am Ende dieser Zeit ein 100-Watt-Lampe wurde gleichzeitig
mit der Erwärmung einer 575-Watt-Standard Hotpoint Flacheisen beleuchtet, so
dass insgesamt 675 Watt, es ist sehr offensichtlich, dass keine Batterien
könnte eine solche Abfluss, da dies aufrecht zu erhalten.
Er hat
auch eine sehr empfindliche Schalldetektor erfunden, wodurch es möglich ist,
Gespräche auf in einem gewöhnlichen tome der Stimme in einem Abstand von
mehreren Blöcken durchgeführt hören. Er hat auch zahlreiche Radio-hook-ups, die
viele der Teile jetzt notwendig erachtet für einen guten Empfang zu beseitigen
gearbeitet, doch gibt es keine Abnahme in der Qualität oder Menge, in der Tat,
es ist eine bemerkenswerte Beseitigung von Störungen durch statische, wenn
einige von ihnen sind verwendet. Er hat ein Mittel, mit denen er in der Lage
ist, mit einem gewissen Grad an Genauigkeit die Energie während geistige
Aktivität entwickelt Messung entwickelt, das heißt, er bekommt bestimmte,
variable Ausschläge der Nadel eines empfindlichen Galvanometers, die an die
Kraft der geistigen Zusammenhang zu sein schien Aktivität. Es gibt sehr viele
andere ebenso bemerkenswerte Dinge, die er getan hat, wie die Verringerung der
Altgummi von LKW-Reifen in den Zustand einer viskosen Flüssigkeit, die leicht
vulkanisierbaren ohne Zusatz von Rauch Blatt, wie es notwendig ist mit anderen
Prozessen, auch eine hochfrequente Therapiegerät und zahlreiche andere Geräte,
die viel Einfallsreichtum zu zeigen.
Die 6
Lampen werden parallel aufgebaut und einen dünnen Draht wird als aktueller
eingesetzt in das Rohr vor und verbindet mit dem Abwärts-Transformator, dadurch
erreicht wird, sehr hohe Spannung an den Transformator. Diese Spannung wird
über eine Funkenstrecke von mindestens sechs Zoll springen. Die Schaltfrequenz
ist so hoch, dass ich kein Instrument in meinem Labor in der Lage, um die
Stromstärke oder die Spannung bei dieser Frequenz zu messen haben. (Signed,
Dr. Milton
Marshall wurde versucht, das Material, das Moray nannte seine "Swedish
Stone" zu identifizieren. Moray beschrieb die Funkmelder, die er
entwickelt hatte. Er verglich es zu dem, was gemeinhin als die Kristall von
einem Kristall-Set bekannt. Allerdings war seine überlegene Detektor da es
einen Lautsprecher ohne die Verwendung einer Batterie antreiben könnten. Er
benutzte die am leichtesten nachgewiesen Gerät, das Germanium-Diode, die auf
dem gleichen Prinzip funktionierte zu zeigen, wie er dachte, das Radiant-Energy
Detector gearbeitet (Moray ursprünglich das Radio einfach für den Zweck, zu
zeigen, wie er in der Lage, Pick up Funksignale mit wurde gebaut ein
Solid-State-Gerät, Herstellung ausreichend starke Signale, die einen
Lautsprecher, die etwas Unerhörtes in diesem Tag war treiben könnte. Seine
Schaltung hatte keine Batterien, und es war sehr ähnlich dem alten
crystal-set-Schaltung.
Das Gerät
wurde in einer Holzkiste etwas wie 300 mm x 450 mm, mit einer Antenne und einer
Masse in sie eindringen untergebracht. Führenden Leitungen aus der Box führte
zu einer Reihe von einigen 40 100-Watt-Glühbirnen und einem elektrischen
Bügeleisen. Moray berührte einen Schalter an der Oberseite der Box mit einer
Hand elektrostatische
Im Jahr
1938, nach Prüfung der Transformator des Gerätes, erklärte Herr EG Jensen, dass
er der Auffassung, dass die Menge an Strom, die er gesehen aus dem Gerät
genommen hatte positive Beweis war, dass der Strom durch oder in der Maschine
entwickelte verschiedene einem im Gebrauch war daß die Zeit. Das war, weil der
Transformator ausgebrannt wäre, wenn es ihn getragen hätte normalen Strom, aber
der Transformator zeigte keine Anzeichen von selbst jemals war warm. Er wurde
von Dr. Hayes informiert, dass der Transformator war im Einsatz unter den gleichen
Lastbedingungen während vieler Demonstrationen in der Vergangenheit.
Die
"Nr. 1" Kondensator bestand aus zwei kleinen Platten aus Aluminium
von ungefähr 30 Gauge, und getrennt durch einen Kontakt mit einem Blatt ein
Viertel Zoll dicken Glasplatte. Die Glasplatte war größer als der
Aluminiumbleche und überlappt diese.
Die
"Nummer 2" Kondensator war ein kommerzieller Einheit Igred
Kondensator & Mfg Co. hergestellt und hatte eine Kapazität von 0,025 mfd.
Sie wurden
benutzt, wie hier gezeigt:

Mit der 60-Watt-Lampe
und den beiden Kondensatoren angeschlossen an die Antenne und die Antenne und
Masse an der Dose mit der Strahlungsenergie Ausrüstung wie in der Skizze
dargestellt, das 100-Watt-Lampe auf dem sekundären oder Ausgangsseite wurde
angezündet. Abschrauben der 60-Watt-Lampe aus der Fassung verursacht die
100-Watt-Verstärker zu gehen, aber es sofort leuchtet, wenn die 60-Watt-Lampe
in die Fassung geschraubt wurde wieder. Die 60-Watt-Lampe nicht aufleuchtet.
Kurzschließen der Antenne und Erde, indem ein Draht über sie, verursacht die
100-Watt-Lampe erlischt. Ähnliche Kurzschließen mit den Händen verursachte auch
die 100-Watt-Lampe erlischt. Kein Strom zu spüren, wenn Kurzschluss mit den
Händen werden. Wenn entweder der Boden oder die Antenne Kabel von der Box
trennen, würde das 100-Watt-Lampe erlischt. Weder der Kondensatoren oder die
60-Watt-Lampe auf der Primärseite der Box notwendig waren, wurden aber einfach
da setzen zu zeigen, dass die Hochfrequenzleistung springen oder durch sie
hindurch.
Moray Patentanmeldung
auf diesem Gerät wurde im Jahr 1931 eingereicht und abgelehnt von einer Reihe
von Gründen. Erstens "Weil kein Mittel zum Veranlassen der Kathode, um
eine nennenswerte Anzahl von Elektronen emittieren bereitgestellt wurde, wird
der Strom in der Kathode durch die Antenne erzeugt wird, nicht zu erwärmen, um
die Kathode einer Temperatur, bei der eine merkliche Anzahl der Elektronen pro
Sekunde ausgegeben werden". Mit anderen Worten, nach Thomas E. Robinson,
Commissioner of Patents, ein Solid-State-Gerät, wie einem Transistor, kann
unmöglich funktionieren. Zweitens, weil "es keine natürliche Quelle der
elektrischen Welle Energie wird dem Prüfer und der Nachweis der Existenz eines
solchen bekannten Quelle erforderlich". In anderen Worten, es war nicht
genug für Moray, um den Effekt der Energiequelle zu demonstrieren, er hatte
auch ihn zu identifizieren, was er nicht tun konnte. Keiner der ursprünglichen
Patentanmeldungen, dass Henry machte sich nicht mehr an der
Im Jahr
1942 versuchte Moray eine Radiant-Energy-Gerät aufzubauen, mit dem restlichen
bisschen was als "Swedish Stone" bekannt. Dieses Material, das das
Herz seiner ursprünglichen RE-Detektor war, hatte er es nie geschafft, zu
duplizieren, und die Verknappung des Materials beschränkt die Menge an Energie,
die er zeichnen konnte. Folglich ist in der großen Einheit, entwickelte er
einen zweiten Detektor, der ihn in umfangreichen Forschung mit Kernmaterialien
und radioaktiven Reaktionen gezwungen. Er wurde tief in der Studie von
synthetischen Radioaktivität mit, wie Gustave Le Bon in seinem Buch "The
Evolution of Matter" beschrieben. Die Jahre vergingen und Moray verbrachte
den Großteil seiner Zeit der Arbeit an, was er als "Gegengewicht", um
die Notwendigkeit für eine Antenne Antenne zu beseitigen.
Moray
sagte:
Genug
Energie auf die Erde kommen, um über 1.693.600 100-Watt-Lampen für jeden
Menschen auf der Erde heute leuchten. Kein Kraftstoff jeglicher Art benötigt
als eingenommen werden Diese Energie kann abgeholt direkt von Ozeanriesen,
Eisenbahnen, Flugzeuge, Autos oder jegliche Form von Transport. Wärme, Licht
und Strom zur Verfügung gestellt werden für den Einsatz in allen Arten von Gebäuden
und für alle Arten von Maschinen. Ein Beispiel wäre Wasser auf der Wüste landet
pumpen, die Stromquelle ist nur ein Bruchteil des Gewichts eines GuD-Anlage
oder jede Art von Motor heute im Einsatz und dies alles zu einem Bruchteil der
derzeitigen Kosten.
Die
Gesamtenergie im "kosmischen" Strahlungen beteiligt ist sehr groß.
Der Mechanismus seiner Generation beinhaltet eine grundlegende Beziehung mit
der gesamten Struktur und Wirkung des Universums. Heute wird angenommen, dass
die kosmische Strahlung besteht hauptsächlich aus Protonen und einigen
schwereren Kernen. In Zeiten dieser kosmischen Energie packt einen Schlag rund
100 Billiarden Volt. Kommen kontinuierlich mit leichten Variationen in der
Zeit, haben die Strahlen eine gleichmäßig direktionale Isotropie. Die Erde wird
daher in einer Atmosphäre von Strahlung mit kosmischen kommenden Strahlen
kontinuierlich zur Erde aus allen Richtungen umgeben, obwohl es eine geringe
Auslenkung der schwächeren Strahlen durch das Erdmagnetfeld sein kann. Es spricht
alles dafür, dass unsere Sonne nicht die Quelle keine nennenswerte Menge dieser
Strahlung. Der Ursprung ist also aus dem Universum als Ganzes. Die gesamte
Energie der kosmischen Strahlung ist mehr als die gesamte Lichtleistung aller
Sterne und Nebel des Universums verbunden. Unbegrenzte Macht wird zu jedermanns
Haustür geliefert.
Die Moray
Radiant Energy Entdeckung, mit Strahlungen aus dem Kosmos als Stromquelle, gibt
die größte Menge an Energie pro Kilogramm Ausrüstung von jedem System auf den
Menschen bekannt. Elektrischen Stroms durch einen Elektromotor oder einen
elektrischen jet übersteigt bei weitem die Form von Energie in jeder Motor in
der Lieferung von Strom. Es gibt keine Totpunkt Totgang in einem Elektromotor
noch Verlust von Push in einem elektrischen Strahl. Auch ist das
Anfahrdrehmoment viel höher in der elektrisch angetriebene Motor als in den
Verbrennungsmotor.
Harnessing
kosmische Energie ist die praktischste Methode noch durch den Menschen
entdeckt. Darüber hinaus ist es möglich, diese große Quelle von Energie aus dem
Universum ohne eine Antriebsmaschine an jedem Punkt der Erde --- auf dem Boden
zu nutzen, in der Luft, auf dem Wasser, unter Wasser, oder sogar unterirdisch.
Wenn man bedenkt, dass ein elektrischer Generator ist nicht im eigentlichen
Sinne ein Generator - wie Strom nicht durch den Generator aus - sondern ist
lediglich eine elektrische Pumpe kann die Moray Radiant-Energy-Gerät dann als
kosmische Strahlung Pumpe bezeichnet werden: das ist , ein Hochgeschwindigkeits
Elektronen Oszillator, der als Detektor für kosmische Strahlungen, die eine
Pumpwirkung verursacht oder steigenden innerhalb seiner Schaltkreise.
Zwei
Formen der Radiant Energy - - Um für die Ausbreitung von Wärme und Licht
ausmachen Mann hat die Existenz eines Mediums ganzen Raum postuliert. Aber, die
Übertragung der Energie von Strahlungswärme und Licht nicht der einzige Beweis
für die Existenz eines solchen Mediums. Elektrische, magnetische und
elektromagnetische Phänomene und Gravitation selbst zeigen in die gleiche
Richtung.
Sehenswertes
und Abstoßung statt zwischen elektrisch geladenen Körpern, Magneten und
Schaltkreisen, die elektrische Ströme. Große Massen können in Bewegung in
dieser Weise gesetzt werden, den Erwerb kinetische Energie. Wenn ein
elektrischer Strom in einem Schaltkreis gestartet wird, federt entsprechenden
induzierten Ströme in allen sehr eng benachbarten Leitern. Um einen Strom in
einem Leiter stammen erfordert die Aufwendung von Energie. Wie dann ist die
Energie propagiert vom Schaltkreis zu den Leitern? Wenn wir in der Kontinuität
der Ausbreitung von Energie glauben - das heißt, wird glauben wir, dass, wenn
es an einer Stelle verschwindet und erneut bei einer anderen muss durch den
Zwischenraum passiert haben, und deshalb hat es irgendwie in der Zwischenzeit
bestanden - wir gezwungen sind, ein Fahrzeug für seine Beförderung Form Ort zu
Ort zu postulieren.
Wenn ein
Teilchen elektrifiziert ist, was muss man zuerst zu beobachten ist, dass eine
bestimmte Menge an Energie ausgegeben wurde, die Arbeit ist getan. Das Ergebnis
ist ein elektrifizierten Zustand des Partikels. Das Verfahren nach einem Leiter
elektrisierende ist daher das Speichern von Energie in irgendeiner Weise in
oder um die Leiter in einem anderen Medium. Die Arbeit wird in Ändern des
Zustandes des Mediums ausgegeben, und wenn das Teilchen ausgestoßen wird, dass
das Medium zurück in den ursprünglichen Zustand, und die Menge an Energie ist
ausgerückt. Ähnlich wird eine Energiezufuhr erforderlich ist, um einen
elektrischen Strom zu erhalten, und das Phänomen aus der laufenden sind
Manifestationen Gegenwart dieser Energie in dem Medium auf der ganzen
Schaltung. Früher war es so, dass eine elektrifizierte Teilchen oder Körper
sollte eigentlich etwas namens "Strom" mit Wohnsitz darauf, die elektrische
Phänomene verursacht haben. Ein elektrischer Strom wurde als Stromfluss entlang
einem Draht (zum Beispiel), und die Energie, die in jedem Teil einer Schaltung
erschien (wenn überhaupt betrachtet) sollte entlang des Drahtes wurden durch
den Strom befördert angesehen. Aber führt die Existenz der Induktion und
elektromagnetische Wechselwirkungen zwischen den Körpern in einem Abstand
voneinander angeordnet, um ein auf das Medium um die Leiter aus, als spielt
eine sehr wichtige Rolle bei der Entwicklung dieser elektrischen Phänomenen. In
der Tat ist es dem Lager der Energie.
Es ist auf
dieser Grundlage, dass Maxwell seine Theorie der Elektrizität und des
Magnetismus gegründet und bestimmt die Verteilung der Energie in den
verschiedenen Teilen eines elektrischen Feldes in Bezug auf elektrische und
magnetische Kräfte. Das Medium um einen elektrifizierten Körper mit Energie und
nicht die von einer imaginären elektrischen Flüssigkeit über dem
elektrifizierten Körper oder Leiter verteilt berechnet. Wenn wir von der Ladung
eines elektrifizierten Leiter sprechen wir auf die Anklage von Energie bezieht
mittel um ihn herum, und wenn wir der elektrische Strom oder Strom in der
Schaltung reden wir sind die einzige Flow wir wissen, nämlich bezogen, der
Energiefluss durch das elektrische Feld innerhalb des Drahtes.
Die Arbeit
bei der Herstellung des Elektrifizierung eines Leiters wird auf dem Medium
ausgegeben und dort gespeichert, wahrscheinlich als Bewegungsenergie. Um dies
zu kennzeichnen wir sagen, dass das Medium um den Leiter polarisiert ist, wobei
dieses Wort verwendet, um anzuzeigen, dass sein Zustand oder einige seiner
Eigenschaften auf eine Weise und in einem gewissen Umfang abhängig von der
Intensität der Ladung geändert wurden. Wenn die Ladung negativ ist die
Polarisation in der entgegengesetzten Richtung ist, wobei die beiden verwandt,
vielleicht, wie rechtshändige und linkshändige Verdrillungen oder Rotationen.
Betrachten
wir nun den Fall eines Körpers abwechselnd aufgeladen positiv und negativ in
rascher Folge. Die positive Ladung bedeutet eine positive Polarisation des
Mediums, die am Leiter beginnt und bewegt sich durch den Raum. Wenn der Körper
entladen wird das Medium wieder frei und setzt seinen früheren Zustand. Die
negative Ladung nun induziert eine Modifikation des Mediums oder Polarisierung
in die entgegengesetzte Richtung. Das Ergebnis der alternativen Ladungen
entgegengesetzter Zeichen ist, dass das Medium an jedem Punkt polarisiert wird
abwechselnd in entgegengesetzten Richtungen, während die Wellen mit
entgegengesetzter Polarisation durch den Raum propagiert werden, wobei jede
tragende Energie von der Quelle oder Vertreter Zuführen der Elektrifizierung
abgeleitet. Hier also haben wir eine periodische Störung irgendeines Königs
auftretenden an jedem Punkt, durch Wellen von Energie reist nach außen von dem
Leiter begleitet.
Das
Phänomen der Interferenz führt zu dem Schluss, dass das Licht das Ergebnis der
periodischen Störungen oder Vibrationen des Mediums ist, sondern nach dem Wesen
dieser Schwingungen, um die genaue Art der periodischen Änderungen oder was es,
dass Änderungen ist ihnen verfügen wir über kein Wissen. Wir wissen, dass
alternierende elektrische Ladungen durch entsprechende Veränderungen des
Zustandes oder Vibrationen des Mediums begleitet werden, und wenn die Ladung in
regelmäßigen Abständen und mit ausreichender Geschwindigkeit variiert wird,
haben wir eine Schwingung an jedem Punkt analog, vielleicht identisch mit dem,
was in der auftritt Ausbreitung von Licht - eine Kombination von Welle und
Teilchen Eigenschaften. Dies ist dann die elektromagnetische Theorie des
leuchtenden Vibrationen.
In der
älteren elastisch-Feststoff Theorie wurden die leichte Vibrationen soll
tatsächlichen Schwingungen der Elemente oder Moleküle des Mediums über ihre
Ruhelagen wie stattfindet, wenn Wellen quer Störung durch ein elastischer
Festkörper propagiert werden. Eine solche Beschränkung ist nicht gerechtfertigt
zu einem gewissen Grad, aber man kann sich nicht leisten, völlig ignorieren das
Teilchen Theorie des Lichts nicht. Eine Kombination der Theorien hat Verdienst.
Wir wissen, dass die Veränderung, Störung, Vibration, Polarisation, oder was
auch immer wollen wir es nennen, periodische und quer zur Ausbreitungsrichtung
ist. Die elektromagnetische Theorie lehrt uns nichts weiter als seine Natur,
sondern behauptet, dass alles, was die Ladung sein mag, es dasselbe in der Art
wie das, was in dem Medium, wenn die Ladung eines elektrifizierten Körpers
verändert wird oder umgekehrt auftritt. Es reduziert Licht und Hitzewellen zur
gleichen Kategorie wie die Wellen der elektrischen Polarisation. Die einzige
Qualität des späteren erforderlich, um den ehemaligen stellen genügt
Schnelligkeit der Veränderungen. Diese Spekulationen wurden die stärksten
Bestätigung durch Experimente von Prof. Hertz vor vielen Jahren gegeben.
Wenn eine
elastische Substanz ausgesetzt wird sich anstrengen und dann frei ist, kann
eines von zwei Dingen passieren. Die Substanz kann langsam aus dem Stamm
erholen und allmählich zu erreichen seinem natürlichen Zustand, oder die
elastische Rückfederung kann es über seine Gleichgewichtslage tragen und dazu
führen, dass eine Reihe von Schwingungen ausführen. Etwas von der gleichen Art
kann auch auftreten, wenn ein elektrifiziert Kondensator entladen. Im normalen
Sprache, kann ein kontinuierlicher Fluss von Strom in eine Richtung, bis die
Entladung abgeschlossen ist, oder eine oszillierende Entladung auftreten. Das
heißt, dass der erste Strom durch eine backrush abgelöst werden, als ob der erste
Entladung selbst überrollt hat und etwas wie Rückstoß gesetzt hatte in. Der
Kondensator wird damit mehr oder weniger wieder in der entgegengesetzten
Richtung aufgeladen ist, und eine zweite Entladung auftritt, begleitet durch
eine zweite backrush, geht die Oszillation, bis die gesamte Energie wird
entweder vollständig abgestrahlt oder aufgebraucht in Erwärmen der Leiter oder
andere Arbeiten.
Wenn
Kondensatoren mit Energie durch die Moray Strahlungsenergievorrichtung
eingefangen werden gefüllt und dann durch eine Schaltung der richtigen Impedanz
Reaktanz und Induktivität entladen, wodurch die Synchronisierung der
Schwingungen der Vorrichtung mit denen des Universum wird elektrische Trägheit
einzurichten. In der Umkehr des Stromes werden die Kondensatoren aufgeladen,
ausgetragen und langsam, bis die Energie in ihnen gespeicherten kinetischen
Energie abgestrahlt wird durch die Vorrichtung wieder aufgeladen, und diese
Energie kann am Leben gehalten unbegrenzt indem Resonanz mit den Schwingungen
des Universum.
In
Anbetracht Schwingungen von einem mechanischen, elektrischen und mathematischer
Sicht finden wir, dass elektrische Widerstand ist die gleiche wie mechanische
Reibung und Strom ist vergleichbar mit mechanischen Geschwindigkeit. Trägheit
und Induktivität kann dann als analoge Begriffe werden. In der Mechanik desto
größer ist die Trägheit eines Körpers, desto länger wird es in Bewegung bleibt.
Innerhalb der Strahlungsenergievorrichtung Widerstand-Induktivität-Kapazität
(REC oder RLC-Schaltung), desto größer die elektrische Induktivität ist, desto
länger der Strom fließt weiter, sobald es durch Synchronisation mit kosmischen
Überspannungen etabliert.
Mathematisch
ausgedrückt, sind die Gleichungen die gleiche für elektrische oder mechanische
Phänomene. Was bedeutet, dass R <√ (4L / C), wobei R der Widerstand in
Ohm ist, L die Induktivität in Henries und C die Kapazität in Farad. Wenn dies
zutrifft, wird eine oszillierende Entladung auftreten und ein sehr mächtiges
Induktivität Trägheit sich zu behaupten. Für niedrige Werte von R, kann die
Frequenz der Schwingungen durch f dargestellt werden = 1/2 π √ (CL).
Die Schnelligkeit der Schwingungen wird durch die Kapazität und Induktivität
geregelt.
In den
Schwingungs-Kräfte des Universums, finden wir den Schlüssel zur Quelle aller
Energie. Wie können wir diese Energie für die moderne Industrie, ohne an
mechanischen Kraftmaschinen beschränkt zu nutzen, ist die Frage. Und, kann die
Antwort eine Energie-Generator, um so synchron mit den Schwingungen des
Universum oszillieren ausgewogen sein.
Dr. Ross
Gunn, eine zivile Wissenschaftler für die US Navy, erklärte Jahren, dass die
Erde ein riesiger Generator, erzeugt über 200 Millionen Ampere Strom
kontinuierlich. Zum Beispiel wird die Nordlichter als eine sehr große definitive
elektrische Phänomen durch den Durchgang von elektrischen Ladungen durch den
verdünnten Gasen der Atmosphäre höher produziert wird. Die Erde hat seitdem
gezeigt, durch Dr Gunn und andere, um eine negative Ladung in Höhe von 400.000
Coulomb haben. Doch sechs Meter über dem Boden die Luft mit mehr als 200 Volt
mit Bezug auf den Boden belastet.
Es ist
bekannt, daß Luft Strom leitet sich von geladenen Gegenständen. Das gilt,
bedeutet, wie die Erde die Ladung aufrechtzuerhalten, da es ein geladenes
Objekt ausgesetzt an die umgebende Atmosphäre ist? Wenn die Luft Strom leitet,
muss die Erde Charge ständig werden vorbei in die Atmosphäre. Und es wurde
berechnet, dass die Erde eine kontinuierliche Entladung in der Atmosphäre von
1.800 Ampere hat. In diesem Fall sollte die Erde 90% seiner Ladung in die Luft
zu verlieren in einer Stunde, doch der Erde Ladung nicht verringern. Woher
kommt die Energie der Erde kommen?
Die
Umwandlung von Materie, um Energie in den Sternen akzeptiert wird, und,
Überlegung aus, was in radioaktiven Zerfall während der Energie Wellen
abgestrahlt werden, kann geschlossen werden, dass Energie von Wellen sehr hoher
Frequenz durchgeführt werden, von den Sternen gesendet (einer davon ist unsere
Sonne). Nun, natürlich, muss die Umwandlung von Energie in Materie
gleichermaßen akzeptiert sein.
Es wurde
gefunden, dass Ionisation, der das Medium für den Fluß von Energie sein könnte,
mit zunehmender Höhe abnimmt anstatt wie erwartet erhöht. Da die Quelle der
Energie ist das Universum, ist die Erzeugung von Energie durch Drehbewegung und
durch alle Antriebsmaschinen eine Wirkung und nicht die Ursache.
Schwingungsenergie Aktion, es in einer Leidener Flasche, ein anderer Mann-made
Kondensator oder in das, was wir können natürliche Kondensatoren nennen, verhält
sich immer gleich. Die Schwingungen werden fortgesetzt, bis sie ihren Zyklus
der Höhe nicht erreicht und dann wird es eine backrush zurückkehren, wo die
Schwingungen entstanden sein. Jede Schwingung, ob groß oder klein, wird während
der gleichen Zeitspanne abgeschlossen. Diese Schwingungen alle beweisen die
gleiche große Tatsache, dass sie von dem gleichen Zyklus der Zeit, während der
gleichen Zeitspanne abgeschlossen sind geregelt. Wellen von Energie über ein
regelmäßiges Beat beachten Sie, kommen und gehen wie die Wellen des Meeres,
aber in einem ganz bestimmten mathematischen Ordnung - kommen auf die Erde aus
allen Himmelsrichtungen mit einem bestimmten Rhythmus.
Energie
hat eine bestimmte elastische oder federnde Steifigkeit und Dichte, die einer
Verschiebung und Stamm ist. Wenn Spannung entfernt wird, wird das Medium
automatisch wieder in seine alte Position und darüber hinaus, wogende hin und
her, und wird auch weiterhin zu schwingen, bis der ursprüngliche Druck ist
aufgebraucht. Wenn der Innenwiderstand zu groß ist, wird es keine Schwingungen
sein, aber es wird lediglich nach hinten schieben in einem toten Schlag seiner
hemmungslosen Zustand.
Durch das
Abholzen von Widerstand auf ein Minimum und das Synchronisieren der elastischen
ionischen Aktionen des Moray Gerät mit den Wellenschlag des Universums, kann
Schwingungsperioden gemacht zu kommen schneller und schneller, bis Trägheit
setzt sich damit eine Verlängerung von der Zeit der endgültigen Verwertung
werden. Dies wird durch die Durchführung der Rückstoß über die natürlichen
Schwingungen und verlängern die Schwingungen durch die Erfassung der in
oszillierende Wirkung getan. Wenn die Wiederherstellung deutlich
oszillatorischen wird, wird ein harmonischer Muster eingeleitet und die
Schwingungen weiter, wodurch Resonanz mit dem Universum etabliert.
Im
Universum sehen wir die gleichen Gesetze wie in unseren Labors wird gehorchte.
Wie man Spuren bis zu den fast unendlich Bestandteile des Atoms, so findet man,
dass die Materie überhaupt nicht existieren als die realistische Substanz, die
wir eigentlich es zu sein haben.
Eines der
wunderbaren Beziehungen, die jemals in der gesamten Wissenschaft der Physik
offenbart worden ist, dass zwischen Licht und Elektrizität und die Existenz von
Elektronik in Atome der Materie. Wissen, was wir in der heutigen Zeit im
Hinblick auf die Struktur der Atome zu tun, ist diese Beziehung nicht ganz so
überraschend. Betrachtet man jedoch die völlige Abwesenheit von diesem Wissen
über ein halbes Jahrhundert her, da war die Entdeckung, dass Licht und
Strahlung im Allgemeinen Schwingungsphänomene sind revolutionär.
Apropos
Strahlung bedeutet "Radiant" hier ausgehend von einem Zentrum in
geraden Linien in jeder Richtung. Energie ist die interne und inhärent.
"Energy" als Zustand der Materie definiert ist, kraft dessen kann
jedes bestimmte Teil wirken sich Änderungen in anderen bestimmten Abschnitt.
Diese wurde im Jahr 1892 geschrieben, und Entdeckungen seit bestätigen. Energie
ist dann ein Zustand der Materie, oder vielmehr das Ergebnis eines bestimmten
Status oder Zustand, in dem Materie sein, wenn jede beobachtete Phase der
Energie erscheint kann.
Neben
kinetische Energie besitzen, ist das Atom absorbieren Energie intern. Diese
innere Energie ist mit der Konfiguration der Teilchen, aus denen das Atom
zusammengesetzt verbunden. Unter gewöhnlichen Bedingungen ein Atom in einer
sogenannten Gleichgewichtszustand bekannt ist, in dem es weder eine Abgabe,
noch ein Absorbieren von Energie. Aber kann die innere Energie des Atoms
verändert werden. Wenn die innere Energie des Atoms ihrer normalen Zustand
überschreitet es soll angeregt werden. Erregungen kann auf verschiedene Weise,
beispielsweise die Kollision eines Atoms mit schnell bewegten Teilchen positiv
oder negativ oder das Brechen der Kraftlinien in einem elektromagnetischen
Generator verursacht werden. Kinetische Energie wird freigesetzt, wenn die
Erregung verursacht ein Teilchen zu geben, einige oder alle seiner kinetischen
Energie des Atoms bei Kollisionen. Dies geschieht im Universum die ganze Zeit.
Der
Elektromotor und der Generator niemals entdeckt worden sein, wenn eine
dielektrische (Isolator) nicht entdeckt worden. Wenn man eine dielektrische
Ventil für die Energie des Universums entdeckt, hat man die Antwort auf die
Nutzbarmachung der Energie des Universums! Ein Grenzfall Anregung Ionisation,
wobei Energie des Atoms absorbiert ausreichend, damit ein lose gebundene
Elektronen das Atom verlassen, gegen die elektrostatischen Kräfte, die ihm
innerhalb des Atoms zu halten neigen. Ein Atom, das ein oder mehrere Elektronen
hat soll ionisiert werden. Es ist möglich, dass Ionisation, dh Anregung kann in
verschiedenen aufeinander folgenden Schritte durch Absorption von Quanten
Energie. Die Rückkehr von einem ionisierten Atoms in einen Zustand niedrigerer
Energie mit elektromagnetischer Strahlung verbunden. Auch aus dem Prozess der
Ionisation, kann elektrische Energie wird im Zusammenhang mit den
Schwingungs-Kräfte des Universums, die in die Erde als kosmischer Strahlung. Je
höher die Frequenz, desto größer die Ionisation oder Anregung, eine Form von
Energie, die Bewegungsenergie in der Natur ist. Es gibt enorme Energien
kommen auf die Erde aus dem Weltall. Diese Energien sind nur verschiedene Erscheinungsformen der Energien
sehen wir im Betrieb überall um uns herum. In den meisten Fällen sind wir noch
nicht einmal von ihrer Existenz. Sie durchdringen alles, einschließlich unserer
eigenen Körper. Jeder von uns lebt durch diesen Energien. Jeder Teil und
Teilchen des Universums lebt mit ihnen. Die Generatoren, die jetzt liefern
unseren Strom nicht erstellen oder stammen irgendeine Macht oder Strom, sondern
lediglich direkte, Pumpe, die vorhandene Energie oder Strom.
Wie in
Noten von hohen und niedrigen "C" sind die Schwingungs-Preise
(Frequenzen) anders, aber alle "C" Noten sind im Wesentlichen die
gleichen (harmonisch verwandt). Dies ist das Fundament, auf dem viel von meiner
Untersuchung Schwingungsphänomene basiert.
Es wurde vereinbart,
dass alle Formen der Materie sind mit einer bestimmten Geschwindigkeit oder
Frequenz vibrieren. Und so ist es mit den verschiedenen Formen der Energie -
Wärme und Licht, Magnetismus und Elektrizität. Dies sind aber Formen der
Vibrationsbewegung mit verbunden ist und von der gleichen Quelle, das Universum
erzeugt. Matter vibriert mit einer bestimmten Rate nach ihrem Charakter, und
kann in andere Substanz durch Absenken oder Anheben seine Rate der Frequenz
übertragen werden. Wird die Frequenz hoch genug angehoben, werden die Moleküle
zu trennen und die Atome, frei werden. Raising der Frequenz noch höher, lösen
die Atome selbst in ihre ursprünglichen Bestandteile. Matter wird dann eine
Form von Energie. Frequenzen können entwickelt werden, die Schwerkraft zu einem
Punkt der Neutralisation auszugleichen. Man kann dann über die Kraft der
Gravitation zu gehen. Das Verständnis der Prinzipien der Vibration wird
wirklich verstehen Energie.
In
Gammastrahlen, finden wir Potentiale, die äquivalent zu bis zu 1.000.000 Volt
sind, aber ihre Wellenlängen sind nicht die kürzeste bekannt. In Oktaven noch
höher sind Strahlen, die als "kosmische Strahlung" bekannt sind. Wer
kann zeichnen Sie eine bestimmte Linie und sagen, wie viel höher die anderen
Oktaven als die weiß, wie die kosmische Strahlung gibt es? Unsere Startpunkt
aus der Entdeckung dieser verschiedenen Wellen war elektrische Leitfähigkeit
der Luft, und es wurde gefunden, dass diese Leitfähigkeit ebenso stark bei
Nacht wie von Tag ist. Strahlungen von der Sonne emittiert wird, kann kaum die
einzige Ursache dieser Energie sein. Der ganze Raum ist mit Vibration,
Energien, die keinen Zweifel elektrischen Charakters sind gesättigt. Das
Verhältnis von matten, um Energie und Energie an die Materie dann wird das Potential
des Universums - eine kontinuierliche Folge von Oszillationen.
Atome
Aufrechterhaltung eines Gleichgewichts durch Schwingungen, Drehungen, Anziehung
und Abstoßung, aber nicht mit einer Transformation des Gleichgewichts, die,
wenn die Transformationen des Gleichgewichts schnell genug sind, Energie zu
stören, dh Materie in Energie und Energie Drehen in die Materie.
Es kann
keine Erzeugung von elektrischem Strom und keine kinetische Energie, wenn es
keine Störung des Gleichgewichts, dh eine Änderung der möglichen oder Änderung
des Energieniveaus. Wenn einer der Sauerstoff-und Stickstoff-Moleküle der Luft
um uns bewegt sich mit der Geschwindigkeit der Kugeln und schlagen uns und
alles andere bei dieser Geschwindigkeit denkt, kann man sich eine Vorstellung
von der Agitation hier stattfindet und im Universum.
Die
Schwingungen aus dem Weltraum sind elektromagnetische Wellen von vielen
Wellenlängen und Frequenzen. Die Moray so ausgebildet ist, dass die Frequenz
sehr viel niedriger auf der sekundären Seite als auf der Primärseite und der
fast vollständigen Resonanz festgestellt wird. Ich bin davon überzeugt, dass
die Energien aus dem Universum aktive Strahlung durch die Evolution der Materie
in Energie und Energie in Materie erzeugt werden.
Dr.
Anderson Cloud Kammer am California Institute of Technology, in denen das
Positron entdeckt wurde, hat viele Informationen über kosmische Strahlung
Energien eingerichtet. Er fand, dass einige Positronen der Kosmischen Strahlung
Zerschlagung in die Materie geboren werden. Die kosmische Strahlung Energien
aus den Spuren in der Anderson-Nebelkammer Bereich von 100 Volt bis drei
Milliarden Volt links abgeleitet. Die Lemaitre-Vallarts Theorie, zusammen mit
Dr. Johnson Asymmetrie Messungen geben bestimmte Werte für die Energie der
Hälfte der kosmischen Strahlung, und zeigt sie kontinuierlich zwischen 5
Milliarden und 50 Milliarden Volt verteilt.
Die Zahl von 100 Milliarden Volt ist ein Ergebnis
von Dr. W. Kolhorster die Messung der durchdringenden Strahlung in den Tiefen
der Strassfurt Salzbergwerke. Er fand, dass die minimale Energie dieser
Strahlen eine Durchdringung, die größer ist als je zuvor gezeigt wurde hatte.
Dr. Axel Corlin der schwedischen Lund Observatory Strahlung noch Energie nach
dem Durchgang durch etwas größere Tiefen und daher die Spannung der Zahlen kann
noch höher werden. Energien von 100 Milliarden Volt oder mehr werden von den
großen Ausbrüchen durch kosmische Strahlung Kollisionen gesetzt, die so
genannte Stosse, die vor allem in Deutschland beobachtet wurden angezeigt. Die
Moray RE Geräte genauso gut in tiefen Minen arbeiteten, unter Wasser oder hoch
oben in den Bergen und in einem Flugzeug.
Es ist etwa 100 Jahre her, seit die Wissenschaft begann,
Licht, Wärme, Magnetismus, Galvanismus und Elektrizität als natürliche Kräfte
zu berücksichtigen. In der ersten Hälfte des 19. Jahrhunderts Schule Bücher
bezeichnet diese Dinge "unwägbaren Stoffe". Die Korpuskel Theorie des
Lichts gelehrt wurde, die Sonne sollte eigentlich einen endlosen Vorrat an diesen
Körperchen stellen. Nach der Korpuskel Theorie verblasst, wandte
Wissenschaftler der Wellentheorie, aber auch das war auf einem rohen Konzept
der Bewegung der letzten Prinzipien oder Atome der Materie basiert. Die
Elektronen-Theorie abgelöst hat die früheren jetzt, und während die
Elektronen-Theorie erklärt die beobachteten und theoretischen
"Fakten" besser als die vorherigen Konzepte tat, konnte es, dass, wie
das größere Licht des Wissens führt uns auf die Elektronen-Theorie in der Reihe
sein wird hinter der Bereitstellung von "absolute" Wissen? Das
Einstein Theory kann in der Notwendigkeit der Überarbeitung oder Änderung zu
stehen, oder in der Zeit, kann es die Theorien von Blutkörperchen und Wellen
auf der Hutablage beitreten.
Ein spezieller Fall, bei dem das elektrische Feld die
doppelte Funktion der molekulare Anregung und der Schaffung von
intermolekularen und Atomionen, wird von dem System durch den Erfinder
verwendeten gegeben. Es ist ein System unter Verwendung der Prinzipien des
Drahtes Corona mit einem konzentrischen Zylinder bei verschiedenen Drücken. Das
System wird in Übereinstimmung mit dem Konzept, dass chemische Reaktionen
stattfinden muss, wenn die entgegengesetzt geladenen Molekülionen von einer
geeigneten aktivierten Katalysator gegeneinander im Draht Korona beschleunigt
werden modifiziert. Er besteht aus einem Zylinder eines geeigneten
Katalysators, von dem positiven Ionen emittiert hergestellt. Die Reaktanden
(Gase) Streaming durch die Kammer parallel zur Länge des Drahtes zu erreichen,
die Polarität der negativen Molekülionen durch das hohe elektrische Feld nahe
dem Draht. Da diese negativen Molekülionen an den richtigen Winkel zu dem Draht
in der Richtung des elektrischen Feldes in Richtung der positiv geladene
Katalysator Zylinders nicht beschleunigt werden, werden sie durch eine Lawine
von onrushing Atomionen aus dem Katalysator erfüllt. Eine gewisse Reaktion
findet in diesem Augenblick, 10-8 Sekunden. Jedoch sind einige der negativen
Molekülionen außerhalb der mittleren freien Weglänge der positiven Atomionen
frei kopfüber zur positiven zylindrischen Bereich, wo sie neutralisiert werden,
und sofort gegebenen eine positive Ladung durch die Lawine von Out-rauschenden
positive Ionen. Diese positiven Molekülionen werden zurück in das Feld beschleunigt
und prallen gegen die negativen Molekülionen aus Richtung der negativen
Elektrode Korona. Diese melee fortgesetzt, bis die Reaktion bis zu einem Punkt,
wo die einzelnen Teilnehmer sind entweder alle weg oder die Mischung außerhalb
des elektrischen Feldes gekommen ist: backrush Schwingungen.
Die Moray Gerät mit anderen Geräten kombiniert werden,
besteht aus einer Kombination von speziell konstruierten Röhren, die wir als
Ventile, "Druckmessumformer", Abfangjäger und Oszillatoren beziehen
wird. Die Ventile sind nicht Gleichrichtern in dem Sinne, dass sie als
Radio-Ventile arbeiten in wechselnden Wechselstrom oder Hochfrequenz
Schwingungen in Direct Current. Sie einen vorhandenen Ventilwirkung beim
Stoppen des "flow" von Energie, die von als oszillierende Wirkung
ähnlich zu den Wellen des Meeres kann gedacht werden, ohne Rektifikation an der
Rückkehr in den äußeren Stromkreis, so wie eine Stützwand könnte die Wellen
stoppen das Meer von der Rückkehr. Die anderen Modalitäten und
"Röhren" des Gerätes sind ebenso einzigartig in ihrer Leistung.
Obwohl keine neuen Gesetze der Energie sind vorgerückt wird oder die Angabe
entdeckt worden beansprucht, ist die Anwendung der Methode der Nutzung der
Energie durch den Raum einzigartig in dieser "Generation" wird durch oszillierende
Auslastung nicht durch die herkömmlichen Antriebsmaschine erreicht. Diese
Prüfröhrchen haben eine synchronisierte Pull mit den speziell entwickelten
Oszillatoren hoher faradischen Kapazität und ein Mittel, durch das
oszillierende Energie an speziell konstruierten Ventil Oszillator, dessen
Verhältnis zu der ersten Stufe Ventil so ist, dass zu Schwingungen anregen, in
her aber nicht passieren kann Rückkehr zu dem äußeren Kreis mit einer
automatischen variablen Bezug auf die Schwingungen aus dem Universum, und dazu
in der Lage, innerhalb ihrer Schaltungen anfänglichen Schwingungen, die mit den
Schwingungen des Universums zusammenfallen.
Sondervorschrift ist vorgesehen, um RE Rohre aus blockiert
werden in ihrer Abführung der Abgaben durch die Schwingungen, die ständig auf
der oszillierenden Kapazität backrush Wirkung gemeinsam Kondensatoren basieren
ansammeln und werden hier in Vakuumröhren angewendet erstellt stoppen. Diese
Aktion dieser Geräte hat den Effekt der Erweiterung und Verlängerung der Zeit
der Ladung und Entladung der Kondensatoren und der Fähigkeit Energie in die
Schaltung zu einer spürbaren Intervall in perfekter Harmonie mit der
natürlichen Energie-Welle durch die Abfangjäger der Ventile und Oszillatoren in
der Schaltung, die Einrichten in den elektrischen Schaltkreis Pulsationen
entsprechend den Energiewellen durch die Abfangeinrichtung erfasst und wieder
von der Rückkehr zum zweiten äußeren Schaltkreis durch "mehrwandigen"
Ventile gehalten. Die letzten Rohre dienen als Energie-Druckmessumformer mit
einem Mittel zum "Verschiebebahnhof" Kondensation durch eine
besondere Form der "Getter" zu verhindern. Dies stoppt Kondensation
an der Basis der Rohre, die ihren ionischen Aktion blockieren würden
Akkumulieren.
Man muss "splitten" die Energie Entladung Band
in Zeilen von Variation (nennen das, was du willst), Linien von Energie oder
Linien aus Licht über die "Lichtstrahlen". Die Schwingungen, daher
nicht einfach Oszillationen werden, sondern durch die Wirkung des Universums
richten einen Energiefluss, die wie die Behauptung der Trägheit bezeichnet
werden könnte. Wenn Trägheit einsetzt, wird die Aktion aufgrund der
Schwingungen des Kosmos weiter, sonst müßte man eine vollständige
Energiedissipation und keine Schwingungen. Die Schwingung wird in der gleichen
Zeit unabhängig von der möglichen vibrieren, aber die Rate der Schwingung des
Geräts hängt von der "Kapazität" der Modalitäten, dh, Kondensatoren,
etc.
Stellen Sie sich in reine Energie Resonanz, bestimmte
Energie reagiert, welche mit der Resonanz bestimmte Schwingungen im Universum
zu synchronisieren, und was hast du? Nutzbare Energie aus dem Universum. Diese
Energie kann den Planeten als Oszillationen ähnlich den Schwingungen und
Gezeiten des Meeres kommen. Die Radiant-Energy-Röhrchen erhalten diese Energie
in Überspannungen, die nur ein paar Mikrosekunden durch den Druck und Strom in
denen Überspannungen sind so stark, dass genügend Energie, um das Gerät in
Resonanz zu sein ein Vielfaches von Blitzen nutzbar und in einer Größenordnung,
die Konkurrenz geliefert dauern kann mit dem Licht des Tages. Angemeldet
Resonanz und Druck kann eine Menge tun, um Energie zu verstärken. Denken Sie
auch daran, dass die Vibrationen gehen aus den Quellen im Universum müssen auch
ihre Quellen zurückzukehren. Nichts verlorengeht. Es ist nur noch ein Absenken
Potential wie Wasser fließt über einen Wasserrades.
Die Radiant-Energy-Standrohre keine neuen Gesetze der
Physik. Sie sind einfach zu erweitern die Anwendung der bekannten Gesetzen,
wodurch die Ergebnisse nicht auf den ersten für möglich hielten. Dies ist die
Geschichte der Wissenschaft. Radiant Energy Röhren besitzen größere Fähigkeit
zur "Sättigung" zu erhalten und somit berechnen die zugehörigen
Kondensatoren bei einer konstanten Rate. Wenn eine bestimmte Spannung erreicht
ist, erfolgt in den Gasen Ionisation des ausgetragenen Rohr und bewirkt, dass
die Kondensatoren der Ventilschaltung in andere Kondensatoren der
Ventilschaltung entladen, um in anderen Kondensatoren der Oszillatoren und die
anderen Modalitäten der Schaltung entladen.
Wenn Ionisation in der vorhergehenden Rohren nicht mehr
wegen der verringerten Spannung möglich, beginnt das Verfahren von neuem. Das
erste Ventil gelangt Vibrationen von Energie in eine oszillierende Schaltung;
Ionisation einsetzt, eine Entladung auftritt, und Energie durchläuft ein
weiteres Ventil in andere Oszillatoren. Der Prozess wird von der ersten Stufe
zur zweiten Stufe wiederholt, an die dritte und so weiter, ähnlich wie ein
Eimerkette. Das ist, warum ich vor Jahren fragte: "Kann nicht ein stetiger
Strom von Wasser aus den Wellen des Meeres oder Energie aus den Vibrationen des
Kosmos erhalten werden?"
Wenn eine Vibration jeglicher Art eine Grenze zwischen
zwei Medien unterschiedlicher Vibrationsbewegung Impedanzen in einem Winkel von
weniger als 90 Grad trifft, kann eine Umwandlung der Schwingungsfrequenz in
eine andere Schwingungsrate geändert werden. Der Radiant-Energy-Gerät wird
daher weiterhin Energie durch Resonanz zu erfassen, oder nennen Sie es wie Sie
wollen, solange die "Keep-alive" Schwingung des Kosmos weiterhin die
verschiedenen Stadien der Ventile und Oszillatoren in der Schaltung schwingen.
Einfach, nicht wahr? Nur ein Fall der Überfüllung der Energie, die überall in
der Primär-und wodurch es durch die Sekundärkreise durch eine blockiert
Schaltung of no return schwingen ist.
Unsere Experimente haben gezeigt, dass es eine Energie,
die im Universum, die durch richtige Entwicklung von Geräten, zur Verfügung
gestellt für den gewerblichen Einsatz kann existiert.
Eine solche Energie-Transformator oder Konverter gebaut
wurde. Es wurde betrieben, bei Volllast kontinuierlich ohne Aufwand von
Brennstoffen aller Art, ohne mechanische Antriebsmaschine, am Leben gehalten
durch die Schwingungen der Energien aus dem Kosmos, ein Energiewandler oder
Transformator, der in der Lage sein Umwandlung der würde hohe Frequenz, hohe
Energie der kosmischen Strahlung in Strom nutzbare Frequenz und Spannung.
Grundsätzlich ist die Theorie der Funktionsweise ist wie
folgt:
Schwingungen werden in der ersten Stufe oder Schaltung
durch Anregen der Vorrichtung mit einer externen Energiequelle gestartet.
Die Schaltung wird "getunt", bis die
Oszillationen durch harmonische Ankopplung an die kosmische Welle Frequenzen
werden aufrechterhalten.
Die verstärkende Wirkung der harmonischen Kupplung erhöht
die Amplitude der Schwingungen bis zum Spitzenimpulse "Spill" in die
nächste Stufe durch einen speziellen Detektor oder ein Ventil, die die Rückkehr
oder Feedback von Energie aus nachfolgenden Schaltungen verhindert.
Diese "Impulse" fahren diese Phase, die schwingt
bei einer niedrigeren Frequenz und wird wieder durch harmonische Kopplung mit
den allgegenwärtigen kosmischen Wellen verstärkt.
Die zweite Stufe treibt eine dritte Stufe, und zusätzliche
Stufen, bis eine geeignete Leistungspegel bei einer nutzbare Frequenz und
Spannung gekoppelt ist mittels spezieller Transformatoren erhaltene.

Die
spezifische Informationen über Moray-System ist sehr begrenzt, zumal seiner
Patentanmeldung entfernt wurde. Das obige Diagramm und das Diagramm unten haben
von dem, was angeblich die Töne, aus denen die Patentanmeldung wurde
zusammensetzt reproduziert worden. Diese Hinweise sind nicht sehr sowohl im
Wortlaut und in der Qualität der Wiedergabe zu löschen, jedoch sind die
Diagramme hier gezeigten Versuch, klar zu zeigen, was die einigermaßen sicher
ist in diesen Diagrammen.

Dies soll mit dem Bau Informationen über den
Moray Ventil, das in der Lage ist gesetzt, um entweder zu beheben ein Signal
oder ein Signal zu verstärken war. Das Gehäuse ist ein Metallbecher auf dem
auch einer der Kontakte für das Ventil. innerhalb des Bechers gibt es vier
Pellets an der Seite angebracht. Die äußeren zwei Pellets aus Wismut
hergestellt und direkt an dem Metallgehäuse fusioniert. Die beiden inneren
Pellets werden auf den Fall mit Zinn anstelle von
Wenn es richtig ist, dass die drehbaren Arm
nur Kontakte eines der beiden inneren Pellets, dann ist der Grund für diese
äußeren Wismut Pellets müssen als indirekter Teil des Ventils ist. So ist
dieser Abschnitt des Gehäuses eine Anordnung von dem Metall der Fall ist, Zinn,
Wismut und fünf Übergänge zwischen unterschiedlichen Materialien, nicht
eingerechnet die Kontaktarm. Einer der beiden inneren Pellets von gereinigtem
Germanium unter Zusatz von sehr geringen Mengen eines Dotiermaterial
hergestellt. Eisensulfid (
Daraus ist ersichtlich, dass wir nicht nur im
Entferntesten wie der vollständige Informationen über Moray-System werden.
Allerdings gibt es eine Reihe von wichtigen Dingen, die wir daraus lernen
können. Erstens, indem nur eine gute Erdung und eine Antenne von nur 90 Fuß (30
m) oder so in der Länge aufgehängt nur etwa acht Meter über dem Boden, ist es
möglich, signifikante Strom aus der Umwelt zu ziehen. Das Foto zeigt 35
Glühbirnen durch Moray leuchtet und das ist eine erhebliche Menge an Energie.
Es ist unwahrscheinlich, dass wir in der Lage sein Moray die genauen Verfahren
zur Extraktion von Macht zu reproduzieren, aber es ist höchst unwahrscheinlich,
dass seine Methode die einzige Möglichkeit für eine effiziente Stromversorgung
Extraktion ist. Also, wenn wir mit den Komponenten und Materialien zur Hand zu
experimentieren heute ist es deutlich möglich, dass wir große Mengen an Energie
aus einem relativ kleinen Antennendraht auf einem recht bequemen Höhe über dem
Boden positioniert, und eine gute Qualität der Erde zu extrahieren.
Moray Buch "The Sea of Energy, in which the Earth Floats" kann als kostenlose 64-seitige eBook heruntergeladen werden unter http://www.free-energy-info.tuks.nl/P26.pdf
Hermann Plauson wurde US Patent 1.540.998 im Juni 1925 erteilt. Das Patent ist im Stil von Tesla Pick-up-System, und es ist das Prinzip mit einem System, das sehr ähnlich wie Paul Baumann "Testatica" Gerät entfernt in einem Schweizer religiösen Gemeinde verborgen ist. Das Patent ist sehr zufrieden mit 37 Zeichnungen, die verschiedene Anordnungen detailliert, und ein einfacher formuliert Version ist vollständig in der Anlage dargestellt. In der Tat liest sich das Patent eher wie ein Tutorial eher als ein Patent.
Ein System dieser Art sollten auf jeden Fall ernst genommen werden: Hermann hält eine seiner Anlagen mit einer Leistung von 100 Kilowatt als eine "kleine" System. Es muss jedoch verstanden werden, dass jeder der Hermanns Antennen, im Gegensatz zu denen von Thomas Moray trug weniger als einem Kilowatt jeden, und wenn Hermann eines 100 Kilowatt Installation spricht, er ist mit einem Array von mehr als hundert separaten Antennen bezogen werden .
Hermann veranschaulicht mehrere unterschiedliche Methoden der Energie-Abscheidung und mehrere Verfahren zur Erhöhung der Wirksamkeit des aufgenommenen Energie. Während eine Installation auf eine kontinuierliche Versorgung mit 100 + Kilowatt zu erfassen, ist unrealistisch für eine individuelle, erfordern amny hohen Antennen, es ist die deutliche Möglichkeit, eine abgespeckte Version, die in der Lage, ernsthafte Mengen an freien Macht ist. Lesen seines Patents durch sorgfältig ist definitiv zu empfehlen.

Herman beginnt, indem das darstellt, wie arbeitet Elektrizität von einer Influenzmaschine ergriffen werden können. Die Wimshurst Ausgangsspannung ist sehr hoch und die aktuelle Kapazität ist sehr gering und die meisten Menschen wäre es zu entlassen aus der Hand als völlig unzureichend für jede Art von praktischer Arbeit. Jedoch steigert Hermann des Leistungspegels durch Zuführen der Ausgabe in einen Abwärts-Transformator, der die Ausgangsspannung sinkt auf eine passende Ebene und wirft die verfügbare Strom im Verhältnis zu der Verringerung der Spannung. Dies ist die gleiche Technik, die von Nikola Tesla patentiert. Die Vorrichtung, die Herman zeigt wird hier gezeigt:

Sein Patent heißt es: "Durch geeignete Wahl des Verhältnisses zwischen der Anzahl der Windungen in der Primär-und Sekundärwicklungen, in Bezug auf eine korrekte Anwendung der Koeffizienten der Resonanz (Kapazität, Induktivität und Widerstand) die hohe Spannung des Primärkreises kann geeigneterweise in ein Niederspannungs-Hochstrom-Ausgang ". Es sei daran erinnert, daß ein Funken einen sehr steil ansteigenden Spannungsimpuls erzeugt, und dass die lokale Ungleichgewicht Quantenenergie Feld, wie oben beschrieben, produziert sehr große Energieflüsse, wie die lokale Umgebung kehrt in seine ausgeglichene stationären werden. Der Funke, der von relativ geringer Leistung erzeugt wird, wird als ein Auslöser für weitaus größeren Energieflüsse, die den Abwärtstransformator zuzuführen verwendet, Herstellen schweren Strom zu angemessenen Spannung fähig nützliche Arbeit, ohne die Anforderung für jeden Eingangsleistung von dem Benutzer.
Sie werden feststellen, wie einfach diese Schaltung ist. Drei Kondensatoren "a1": "b1" und "c1" in einer Kette, bilden eine einzige Hochspannungskondensator. Die Blobs verbunden gezeigt über diese Kondensatoren sind Notentladung Funkenstrecken es mit ungewöhnlichen Veranstaltungen wie die Antenne von einem Blitzschlag getroffen umzugehen setzen. Diese Schaltung ist sehr ähnlich wie die Influenzmaschine Schaltung, die Hermann verwendet als Illustration der Funktionsweise dieser Art von Schaltungen. In dieser Schaltung zeigt er einen speziellen Motor mit "M", die durch die Schaltung angetrieben wird und er zeigt auch Ausgangsanschlüsse, die anderen Geräten über ihnen verbunden haben kann.
Wenn die oszillatorische Entladungen im Primärkreislauf schwächer wird oder nicht mehr vollständig, werden die Kondensatoren wiederum durch die statische Elektrizität aufgeladen, bis die akkumulierte Ladung wieder zusammenbricht über der Funkenstrecke. All dies wird solange Strom durch die statische Maschine durch die Anwendung von mechanischer Energie, um sie hergestellt wird wiederholt. Herman Zustände dass ohne die Funkenstreckenanordnung in den drei Kondensatoren zwischen der Antenne und der Erde verbunden ist ", ist es unmöglich, zu sammeln und zu rendern verfügbar große Mengen an elektrischer Energie."
Neben der Verwendung von Funkenstrecken parallel ist ein zweiter Maß an Sicherheit auch notwendig für die Aufnahme des Stromes von dieser Schaltung. Dies ist die Einführung von Schutzzöllen Elektromagneten oder Drosselspulen in der Antennenschaltung nach S in der folgenden Abbildung gezeigt. Ein einzelnes "Elektromagneten" mit einem Kern der dünnsten möglichen separaten Lamellen mit der Antenne verbunden. Im Falle von hohen Spannungen in der Antenne Netzwerk oder an Stellen, wo es häufig Gewitter, mehrere solcher Ringkern gewickelte Spulen in Reihe geschaltet werden.

Im Fall von großen Einheiten können mehrere solcher Magneten parallel oder in Reihe parallel eingesetzt werden. Die Wicklungen dieser Elektromagnete kann einfach in Reihe mit den Antennen verbunden werden. In diesem Fall sollten die Wicklungen aus mehreren dünnen parallelen Drähte, die zusammen, bilden die notwendige Querschnittsfläche des Drahtes vorgenommen werden. Die Wicklung kann der Primär-und Sekundärwicklungen in Form eines Transformators erfolgen. Die Primärwicklung wird dann in Reihe mit der Antenne verbunden sein, und die sekundäre Wicklung mehr oder weniger kurzgeschlossen durch einen Regelwiderstand oder eine Induktionsspule. Im letzteren Fall ist es möglich, zu regulieren, zu einem gewissen Grad, die Wirkung dieser Drosselspulen.

Fig.5 zeigt eine Anordnung zur Herstellung großer Ströme, die direkt verwendet werden können, ohne Motoren, um Heizung und Beleuchtung bereitzustellen. Der Hauptunterschied ist, dass die Funkenstrecke von einer sternförmigen Scheibe 7, die um die eigene Achse drehen kann, besteht und von einem Motor gedreht gegenüberliegenden ähnlich ausgestattete Elektroden 7a. Wenn einzelne Punkte der Sterne einander zugewandt, nehmen Entladungen statt, wodurch ein Schwingkreis mit Kondensatoren 5 und 6 und Drossel 9. Ein Motor kann auch direkt an den Enden der Spule 9 verbinden.
Das Patent weiterhin, indem viele Möglichkeiten, um die Leistung der Antenne und viele Möglichkeiten der Anwendung der Ausgang praktische elektrische Geräte zu erhöhen. Es enthält 37 Abbildungen, eine Fülle von praktischen Informationen und eine Kopie davon ist im Anhang.
Roy Meyers
wurde UK Patent 1913,01098 im Januar 1914 erteilt. Das Patent, das in der
Anlage enthalten ist, zeigt ein extrem einfaches Gerät, das einen elektrischen
Ausgang ohne jegliche sichtbare Eingang überhaupt produziert. Diese
interessante Vorrichtung entdeckt wurde beim Test eine sehr einfache Form, bei
der zwei mit weichen Hufeisenmagnete Eisendraht und zwei Stangen von Zink
zwischen den Schenkeln des Magneten platziert verschaltet wurden.
Die erste Anordnung wird in der folgenden Abbildung dargestellt:


Das Zink wirkt besser, wenn installiert als Platten gebogen in eine V-Form. Die Magnete und Zink Blatt vertikal und / oder horizontal gestapelt werden und je größer die Anzahl, desto grösser die elektrische Leistung. Eine gute Erdung wird empfohlen, und vermutlich, bietet die durchschnittliche Kaltwasserleitung eines Hauses eine mehr als ausreichende Erdung, die bequem zu bedienen ist, sofern die Rohrleitungen aus Metall.
Stellt ein interessantes Patent US 4.685.047 vom 4. August 1987, mit dem Titel "Vorrichtung zur Umwandlung von Radio Frequency Energy Direct Current". Während dieses Patent spricht von Hochfrequenz-Energie, sehe ich keinen besonderen Grund, warum das die einzige Energie, die durch diese Schaltung könnte abgeholt werden würde. Das Patent Information ist wie folgt:
Abstrakt:
Dieses Patent beschreibt eine Vorrichtung und Verfahren zur Umwandlung von Hochfrequenzenergie in Gleichstrom zur Erzeugung elektrischer Energie. Es umfasst eine Antenne zum Empfangen dipolaren Hochfrequenzenergie und eine Schaltung zum Umwandeln der Hochfrequenzenergie in Gleichstrom. Die Schaltung hat einen positiven Ausgangsleitung verbunden mit einem Pol der Antenne und einem negativen Ausgang verbunden mit dem anderen Pol der Antenne. Eine positive Sendediode in der positiven Ausgangsleitung und einer negativen Sendediode verneint Ausgangsleitung. Ersten und zweiten Busleitungen und ein Paar von Schwingkreisen Paar entgegengesetzter Polarität die positive Ausgangsleitung und Minusleitung mit der Busleitung mit einem der Busleitungen mit Masse verbunden ist. Jeder Schwingkreis eine erste Überbrückungsleitung Verbinden des positiven Ausgangsleitung auf den ersten und zweiten Erdungsleitungen und eine zweite Überbrückungsleitung Verbinden des negativen Ausgangsleitung auf den ersten und zweiten Erdungsleitungen. Jedes Überbrückungsleitung hat darin, eine Diode mit einer Polarität, die gegenüber der Eingangsdiode umgekehrt angeschlossen ist. Die überbrückenden Leitungen jedes Schwingkreises miteinander durch einen Induktor verbunden sind und Kondensatoren, die zwischen der Diode und den Busleitungen gelegt. Ein Gleichstrom-Gerät ist mit der positiven Leitung der Schaltung verbunden.
Hintergrund der Erfindung:
Diese Erfindung ist eine Vorrichtung zur Umwandlung von Hochfrequenzenergie Aktuelle stark genug, um Geräte wie Batterieladegeräte und Elektromotoren ohne den Einsatz von Verstärkung zu lenken.
Es ist seit langem Interesse an Technik gerichtet Übertragung elektrischer Energie über eine Entfernung ohne Kabel zu verwenden. Entwicklung einer solchen Technologie hat enormes Potenzial. Dies wurde zuerst von Nikola Tesla, die im Jahr 1899 eine 200 Fuß Tesla-Spule bei 300 Kilowatt bei 150 Kilohertz bewertet gebaut anerkannt. Tesla erhofft einzurichten stehende Wellen elektrischer Energie um die ganze Oberfläche der Erde, so dass Empfangsantennen bei optimaler Punkte gesetzt könnte die Kraft anzapfen, wenn nötig. Tesla war in der Lage, hunderte von Lampen in einem Abstand von etwa 40 km mit seinem Gerät ohne Kabel anzuzünden. Die Regelung hat in der Regel blieb eine wissenschaftliche Neugier, sondern hat die Initialzündung Grundstein für die aktuellen Entwicklungen bei versucht wird zur Kraftübertragung mittels Mikrowellen. Jedoch wird der Strom durch Mikrowellen übertragen in Form von einem Strahl von sehr hoher Intensität, die von einem Mikrowellen-Generator mit einer Empfangsantenne fokussiert wird erwogen. Diese Technologie als für viele Arten von Zwecke ist vorgesehen, jedoch ist die konzentrierte Mikrowellenstrahl nicht für viele Anwendungen geeignet, da der Laserstrahl in Richtung auf eine Empfangsantenne gerichtet werden müssen und nicht durch die meisten Objekte, einschließlich lebender Objekte übertragen werden, ohne Zerstörung diejenigen Objekte.
Diese Erfindung beruht auf der Umwandlung von Energie aus stehenden Wellen, die von Hochfrequenz-Antennen im RF-Bereich statt Mikrowellenbereich emittiert werden. Von besonderem Interesse sind sehr niedrigen Frequenzen, die nicht in Kommunikation verwendet werden und zum Übertragen von Kraft zur Verfügung. Von Interesse sind auch die niederfrequenten Wellen durch die Erde durch Pulsieren seines Magnetfeldes emittiert. Diese niedrige Frequenz standing "Erde" Wellen können durch Empfängern abgestimmt, um sie abgeholt werden.
Zusammenfassung der Erfindung:
Diese Erfindung zeigt, eine HF-Antenne zum Empfangen von Funkwellen. Der HF-Antenne an einer Schaltung konfiguriert, um die HF-Signale zu konvertieren, um Gleichstrom angeschlossen. Die Hochfrequenzsignale von der Antenne empfangen werden, um zwei Leitungen, von denen eine gleichgerichtet, um eine positive Spannung und das andere gleichgerichtet, um negative Spannung zu erzeugen produzieren übertragen. Die positive Spannung Blei ist direkt mit einer positiven Ausgangsleitung verbunden ist und die negative Spannung Blei ist direkt mit einem negativen Ausgangsleitung verbunden. Die positive Ausgangsleitung ist mit einem Paar von Busleitungen durch ein erstes Paar Kondensatoren verbunden, während der negative Ausgang Leitung mit dem Paar von Busleitungen durch ein zweites Paar von Kondensatoren verbunden sind. Platziert zwischen der ersten Busleitung und der positiven Ausgangsleitung ist ein Reverse-Diode mit negativer Polarität, während zwischen der negativen Ausgangsleitung und erste Busleitung platziert ist ein Reverse-Diode mit positiver Polarität. Die positiven und negativen Ausgangsleitungen sind untereinander durch eine Induktivität, die parallel zu den Kondensatoren der ersten und zweiten Paares zwischen der zweiten Busleitung und der positiven und negativen Ausgangsleitungen verbunden.

In einer Implementierung der Erfindung wird diese Schaltung für jede positive und negative Ausgangsleitung dupliziert. In einem anderen der Schaltkreis zusätzliche identische Schaltungen gekoppelt ist, um den Gleichstrom-Ausgang der Anordnung zu erhöhen. In einer anderen Implementierung ist die Antenne verwendet ein dipolares Antenne aus Aluminiumdraht in einem "Schmetterlings"-Konfiguration angeordnet.
Diese Erfindung verwendet diese Elemente, um Gleichstrom von ausreichender Leistung, um Aufgaben wie Laden von Batterien, Beleuchtungslampen und Stromversorgung Gleichstrom Elektromotoren ohne die Verwendung von Verstärkern durchzuführen erzeugen.
Kurze Beschreibung der Zeichnung:
Die Bezugszeichen verwendet zeigen die gleichen oder ähnliche Teile in den einzelnen Ansichten, und was gezeigt ist ein Diagramm einer Schaltung, einer angetriebenen und einer Antenne, die dipolare Radiofrequenzwellen die dann aktuelle Gleichstrom zur Versorgung der Abtriebsvorrichtung umgewandelt empfängt.
Beschreibung der bevorzugten
Ausführungsform:
Bezugnehmend nun auf die nachfolgende Zeichnung wird ein dipolar Antenne gezeigt, allgemein mit der Ziffer 10, die Radiofrequenzwellen empfängt von einem HF-Sender bezeichneten.

Diese Wellen werden an die Wandlerschaltung über ein Koaxialkabel 13 und dem Gleichstrom-Ausgangsstrom der Schaltung zur Stromversorgung ein Ausgabegerät 15, das zum Beispiel Gerät ein Ladegerät, Gleichstrom-Motor, oder Beleuchtung sein kann übergeben wird. Die Schaltung hat keine andere Macht Eingänge und hat damit keine Verstärker zur Verstärkung der HF-Energie.
Die Quelle von Frequenzen, die in Gleichstrom umgewandelt durch die Schaltung dargestellt werden können, können einschließen Quellen von Hochfrequenz (HF), Niederfrequenz (LF), sehr niedriger Frequenz (VLF) und extrem niedriger Frequenz (ELF) Funkwellen sowie seismische Vibrationen des Erd-Magnetfelder.
Vorzugsweise wird das dipolare Antenne 10 besteht aus zwei dreieckigen Schlaufen aus Aluminiumdraht 16 und 17, von denen eine mit dem ringförmigen Leiter 21 des Koaxialkabels 13 und von denen der andere verbunden ist, ausgebildet ist mit dem Mittelleiter 22 des Koaxialkabels verbunden . Die Größe des bipolaren Antenne 10 hängt von der speziellen Anwendung, für die es eingesetzt wird. In einer Ausführungsform der Erfindung ist die Antenne 10 in etwa 300 mm in der Breite und 450 mm in der Länge. Eine solche Antenne wird verwendet, um fünf Watt Energie, wie sie von einem Walkie-Talkie oder Bürger-Band-Radio generiert erhalten.
Der Außenleiter der Antenne ist mit der positiven Leitung 21 und dem Mittelleiter des Koaxialkabels verbunden ist mit der negativen Leitung 22 der Schaltung verbunden. Ein positiver Sendediode D1 zwischen dem Vorsprung 21 und dem positiven Ausgang der Leitung 25 angeordnet. Eine negative Sendediode D2 zwischen dem Leiter 22 und dem negativen Ausgang der Leitung 26 angeordnet.
Um einen Gleichstrom Ausgang ausreichende Leistung bereitzustellen, eine Reihe von Induktivität-Kapazität-HF-Schaltungen 30 abgestimmt ist, sind jeweils Bilden einer positiven Zelle, oder eine negative Zelle verwendet, um die positive Ausgangsleitung 25 und negative Ausgangsleitung 26 an den ersten anschließen und zweite Busleitungen 31 und 32 auf. Busleitung 32 ist mit Masse verbunden, während Bus-Leitung 31 auf ähnliche Schaltungen verbunden werden können. Inductor 35 dient als eine Radiofrequenz ersticken. Wie der Zeichnung ersichtlich ist, wird die RF-Schwingkreis Zelle 30 mehrere Male wiederholt. In dem speziellen dargestellten Beispiel weist die Schaltung getrennten Zellen 30, 37, 38 und 39. Die Zellen 30 und 38 sind von entgegengesetzter Polarität und Gleichgewicht zueinander, während die Zellen 37 und 39 entgegengesetzter Polarität sind und auch einander ausgleichen. Damit das System funktioniert, muss ein Paar von gegenüberliegenden polarisierten Zellen verwendet werden. Die jeweilige Anzahl der Zellen 30 und der Wert der Komponenten darin, werden durch die Konfiguration der Dipolantenne 10 und der Leistung und der Frequenz des HF-Senders bestimmt.
Diese Hochfrequenz-Strom-Umsetzschaltung lenken kann selbst auf eine doppelte Schaltung über Zapfen 41 verbunden werden, um so zusätzliche Gleichstrom-Ausgangs auf Leitungen ähnlich positive Ausgangsleitung 25 und negative Ausgangsleitung 26 die Ausgangsleitungen miteinander verbunden werden können, um bereitzustellen Steigerung der Gesamtleistung des Systems.
Eine operative Ausgestaltung der Erfindung werden die folgenden Elemente:
Dioden: D1, D2, D3 und D4 - Germanium-Dioden, Typ 1N34A,
Induktivitäten: 35-47 Millihenry R. F. Choke
Kondensatoren: C1 und C2 - 0,47 Pico Farad bei 200 Volt
Koaxial-Kabel: 13 - 50 Ohm
Dipolare Antenne: Aluminiumdraht dreieckigen Schleifen etwa 12 Zoll von 18 Zoll.
Aus der vorstehenden Beschreibung kann ein Fachmann leicht die wesentlichen Eigenschaften dieser Erfindung, und ohne vom Geist und Umfang davon, können verschiedene Änderungen und Modifikationen der Erfindung vornehmen, um sie verschiedenen Verwendungen und Bedingungen anzupassen.
'Alexkor', die einige der Ladeschaltungen in Kapitel 6 gezeigt ist, verwendet auch eine Antennenanlage für das Aufladen der Batterien in die 1.5V bis 6V. Es ist ein einfaches System, das eine Antenne des Typs von Thomas Henry Moray, dh verwendet verwendet, ist der Großteil der Antenne horizontal:

Der Vorschlag ist, dass die Antenne zwischen den Traufen des Hauses und einem nahen Baum aufgehängt ist, aber ich kenne niemanden, der in der Lage sein, dies zu tun wäre. Je länger die Antenne oder je größer die Anzahl der Antennen verbunden ist, desto größer ist die Ladeleistung verfügbar. Das Antennenkabel sollte nicht weniger als 0,5 mm im Durchmesser, und es muss isoliert von IT unterstützt ist sein - Kunststoffseil kann dafür verwendet werden.
Die Schaltung verwendet wirdDer Vorschlag ist, dass die Antenne zwischen den Traufen des Hauses und einem nahen Baum aufgehängt ist, aber ich kenne niemanden, der in der Lage sein, dies zu tun wäre. Je länger die Antenne oder je größer die Anzahl der Antennen verbunden ist, desto größer ist die Ladeleistung verfügbar. Das Antennenkabel sollte nicht weniger als 0,5 mm im Durchmesser, und es muss isoliert von IT unterstützt ist sein - Kunststoffseil kann dafür verwendet werden. Die Schaltung verwendet wird:

Eine stärkere Version der Schaltung ist:

Dabei gibt es
drei Sätze von Dioden zwischen der Antenne und der Erde angeordnet. Lassen Sie
Da die Schaltung, die drei Sätze von Dioden mit ihrer Isolation Kondensatoren, Aufbau einer zunehmenden Spannung am Kondensator "C1". Die Spannung am Punkt "B" wird ebenfalls zunehmen und werden etwa zwölf Volt weniger als die Spannung am Kondensator "C1". Schließlich wird, dass die Spannung steigt hoch genug, um eine Entladung durch das winzige Neonröhre verursachen kann und dass Stromimpuls fließt durch den Gate-Anschluss "G" des Thyristors einschalten. Einmal eingeschaltet, bleibt der Thyristor bis der Kondensator "C1" entlassen wurde, nach dem, schaltet der Thyristor und der Prozess beginnt von neuem. Die Höhe der Leistung in dieser Impulse ist beträchtlich und der Thyristor wird ziemlich warm, wenn die Schaltung in Betrieb ist. Das BT151-800R Thyristor verarbeiten kann so viel wie 800 Volt und geben 7,5 Ampere kontinuierlich.
Ein wichtiger Punkt zu beachten ist, dass die verfügbare Leistung aus diesem Kreislauf mit zusätzlichen Antennen erhöht. Mit zwei Antennen verbunden ist, wird die Leistung verdoppelt, und mit drei Antennen der Strom verdreifacht. Das heißt, jeder zusätzliche Antenne so viel Strom wie die erste Antenne hat, und es wird nicht angezeigt, um eine Grenze für die Anzahl der Antennen, die angeschlossen werden kann.
Es ist ein
leistungsfähiges Antennensystem das Lawrence Rayburn of Canada entwickelt
wurde.
Die Technik ist ganz anders als die anderen Antennensysteme, die weiter oben in diesem Kapitel. Hier ist das Ziel einen Hohlraum dran, resonanten bis die Ionosphäre zu erstellen wo es eine enorme Menge an überschüssige Energie von der Sonne geliefert.
Der Feinabstimmung Mechanismus besteht aus zwei Spiralen 3/4-Zoll (20 mm) Kupfer Rohr gewickelt, so dass sie einen vier Meter (1220 mm) Durchmesser-Bereich abdecken. Diese Spiralen werden oben und unten mit einer Plastikfolie Lexan abgedeckt. Der Durchmesser der Leitung Kupfer ist wichtig und kleinerer Durchmesser sollte nicht verwendet werden, obwohl es viel einfacher wäre, in Form zu biegen. Das Kupferrohr mit großem Durchmesser biegen ist eigentlich kaum eine einfache Aufgabe zu sein. Vermutlich würde eine Rohr-Biege-Maschine verwendet werden und eine Konische Spirale produziert und dann der Kegel abgeflacht, die flache Spirale bilden. Die Spirale hat auch nach Leerzeichen zwischen den runden, an allen Punkten entlang seiner Länge.

Die beiden Spiralen angeordnet sind, eine vertikal über der anderen mit 9150 mm zwischen ihnen und der unteren spiralförmigen wobei 300 mm über dem Boden. Dies bedeutet, dass diese Antenne System nur für Menschen, die eine Struktur dieser Höhe ohne Belastung für Nachbarn oder Verstoßes gegen lokale Planung Regelungen können zu errichten geeignet.
Das abstimmbare Hohlraum durch Verbinden der innersten Enden der beiden Spiralen zusammen mit #4AWG die eine 5,19 mm Durchmesser hat Kupferkern erstellt. Das äußere Ende der unteren Spirale wird dann auf eine große Grundplatte verbunden vergrabenen 600 mm unterhalb der Oberfläche des Bodens, mit vier separaten Strängen der #4 AWG.
Eine einstellbare Funkenstrecke eingesetzt wird. Es kann in der vertikalen Draht zwischen den beiden Spiralen angeordnet werden, oder in der Mitte eines extra #4 AWG vertikal verlaufen zwischen den äußeren Enden der beiden Spiralen. Der Nebenabtrieb ist von der Mitte des zentralen vertikalen Draht.
Der Hohlraum wird durch Verschieben Spulen innerhalb aufeinander abgestimmt. Diese Anordnung nicht nur den Hohlraum Melodien aber auch scheidet das sehr hohe Antenne Spannung und erhöht die verfügbare Strom gleichzeitig. Dies ist, wo die Gefahr kommt in. Die Zwischenteile dieser Step-down-Tuning Anordnung kann Spannungen von 600 Volt bei hohen Strom haben, und diese Spannungen können leicht töten, weshalb dies nicht ein System für Anfänger und warum Lawrence hat nicht voran gehen mit dem Verkauf von Kits für diese Antennenanlage.
Die Antenne-Ausgabe wird in einem letzten Schritt Abwärtstransformator und einer 50 Hz (Zyklen pro Sekunde) oder 60Hz-Signal von einem Signalgenerator ist zur Modulation des ankommenden Strom-und damit sie mit normalen Stromnetz Ausrüstung, die diese Frequenz benötigen, verwendet werden eingespeist der AC. Widerstandsheizelementen und Lichter brauchen nicht Wechselstrom oder Pflege über die Häufigkeit von jedem Wechselstrom, der ihnen zugeführt wird.
Die Abstimmung des Systems ist sehr scharf und was wird als die Last beeinflusst die Abstimmung verwendet. Der Draht für die Abstimmung Array verwendet wird isoliert, solid-core Kupferdraht. Nr. 4 AWG hat einen Kerndurchmesser von 5,19 mm, #8 AWG einem Kerndurchmesser von 3,26 mm hat, hat von #10 AWG einem Kerndurchmesser von 2,59 mm und #16 AWG hat einen Kerndurchmesser von 1,29 mm. Seite 1 von Anhang zeigt andere Merkmale für diese Leitungen. Diese schweren Leitungen sind ein wesentlicher Bestandteil dieses Entwurfs.
Sie werden bemerken, dass zwei
separate Erdung für diese Antennenanlage notwendig sind. Die zweite Masseverbindung
sollte eine lange Kupferstange tief in den Boden und in einiger Entfernung
angetrieben vom vergrabenen Platte Erde sein. Für die Trennung von zwei
Masseverbindungen, ist zehn Meter (elf Meter) im Allgemeinen als eine
angemessene Distanz zwischen ihnen sein. Die wichtigste Erde ist ein 1.2m x1.2m
Platte genau unter dem unteren spiralförmigen vergraben und die Verbindung
verläuft, um den Mittelpunkt dieser
Es wird vorgeschlagen, dass die Funkenstrecke unter Verwendung kupferkaschierte Kohlenstoff Schweißstäbe, in einem Gehäuse, das aus Nylon, um die Lücke mit einem Nylon Schraube eingestellt werden kann montiert werden. Beachten Sie, dass dies nicht eine Verbindung, die Sie von der Stromversorgung beim Herstellen von Verbindungen oder Anpassungen trennen können. Auch bei einer Gelegenheit, wenn ein 500-Watt-Glühbirne über der Funkenstrecke verbunden war, brannte es sofort mit einem hellen Lichtblitz. Dieses System ist nicht ein Spielzeug so dick Gummihandschuhe und Gummischuhe verwendet werden soll.
Die #4 AWG Kupferadern können den Kupferstäbe Bildung der Zündelektroden, mit Kupfer Rohrschellen angeschlossen werden. Eine verjüngte Nylonstab könnte verwendet werden, um die Funkenstrecke Schraube einzustellen und dabei weit entfernt von dem Kupfer werden. Die Funkenstrecke sollte bei einer 25 mm Spalt eingestellt beginnen und auf nicht weniger als einem 12 mm Zwischenraum. Die Funkenstrecke und es Stellgetriebes sollte in einem Abwitterungsschutz Behälter eingeschlossen werden, und es wurde vorgeschlagen, dass es sein könnte und ein Vorteil, dass Behälter mit Heliumgas zu füllen.
Bitte denken Sie daran, dass die Spulen, wie sie beispielsweise in dem Abstimmabschnitt dieses Systems haben Kapazitätsänderung sowie Induktivität. Die Spule Isolation ist eine dielektrische und Sie stehen auf dem Boden bilden eine gute Erdung, also bitte nicht vorstellen, dass man nicht einen schweren Schock aus der Handhabung eines isolierten Spule trägt Hochspannungs-Hochfrequenz-Wechselstrom Strom, und in einer Implementierung nach Modulation im Mischer bei 60 Hertz die Pre-Ausgangstransformator wurde bei 3496 Volt gemessen!
Wenn Sie nicht in der Arbeit mit Hochspannungs-Schaltkreise erlebt werden, und immer noch entscheiden, zu versuchen, den Aufbau und Verwendung dieser Schaltung, dann setzen Sie bitte Ihre Angelegenheiten in Ordnung und zahlen Sie Ihre Bestattungskosten, bevor Sie anfangen zu bauen. (Diese Aussage ist nicht beabsichtigt, humorvoll zu sein).
Es wird gesagt, dass, wenn die obere Spirale in einer Höhe von nur 1200 mm positioniert ist, wird der Ausgang viel geringer ist und geeignet zum Laden einer Batterie Bank. Soweit ich informiert bin, hat sich dieses System nicht repliziert und so gab es keine praktische Feedback zu bauen oder es zu benutzen.
Die TREC zu sein scheint nicht unähnlich der Patentanmeldung US 2008/0191580 von Harold Deyo:
Patentanmeldung
ABSTRAKT
Diese Erfindung wandelt Inertial Impulse in
elektrische Ströme. Insbesondere setzt sie Impulse von den Auswirkungen des
hochenergetischen Teilchen von der Sonne und anderer kosmischer Quellen in die
Magnetosphäre der Erde und der unterschiedlichen D, E, F1 und F2 Schichten seiner
Ionosphere kontrollierte elektrische Ströme erzeugt. Diese Erfindung stellt ein
neues Verfahren zur Nutzung von Energie aus der Sonne und anderen Quellen
hochenergetischer Artikel als nahezu unerschöpflich, alternative Energiequelle
für die Welt.
HINTERGRUND DER ERFINDUNG
Diese
Erfindung bezieht sich auf die Umwandlung von Energien der Auswirkungen durch
den Zusammenprall von Hochgeschwindigkeits-kosmischer Teilchen und
elektromagnetische Strahlung mit "Earths äußeren Schichten" erstellt,
inertiale Wellen in der Troposphäre dielektrische zu produzieren, die
anschließend von dieser Erfindung in Strom umgewandelt werden.
Der
Begriff "Erde äußeren Schichten" bezieht sich auf: Magnetosphäre der
Erde, Van Allen Gürtel, Ionosphäre, Mesosphäre und Stratosphäre wie dargestellt
in Fig.2:

BESCHREIBUNG DES STANDES DER TECHNIK
Eines Tages, während das Lesen eines alten
wissenschaftlichen Zeitschrift sah ich einen kleinen Artikel über die Forschung
von Dr. John Trump des MIT (die Grundlage für einen elektrostatischen Generator
später Onezime P. Breaux in
Das Solar Wind schlägt "Earth 's äußeren
Schichten" ständig wie viele andere kosmische Teilchen. Zu jeder gegebenen
Zeitpunkt erzeugt die Vektorprodukt dieser Auswirkungen entweder einen
Nettodruck Zunahme oder Abnahme in der Troposphäre. Diese werden zufällige
Wellen der Druck in den "Außenlagen Erde" als einen geladenen
"Platte" bewegt sich in Bezug auf die entgegengesetzt geladenen
Erdoberfläche als die anderen "
Als "Erde Outer Layer" den Planeten umgeben, keine
Stoßwellen in allen von ihnen zu verbreiten, wenn sie vorhanden sind - auch der
Nacht-Seite des Planeten. So habe ich auch argumentiert, dass man Energie aus
dieser Auswirkungen überall zu extrahieren auf der Erdoberfläche oder in seiner
Atmosphäre, ob es Tag oder Nacht ist. Die Druckwellen auf der dunklen Seite der
Erde wäre weniger Energie als die nicht am Tages-Seite, weil die
Nacht-Schichten der Ionosphäre so viel, dass die D-Schicht der Ionosphäre in
der Nacht verschwindet und die F1 komprimiert und F2-Schichten der Ionosphäre
in eine F-Layer zu kombinieren. Ich berechnete, dass die zur Verfügung stehende
Energie aus diesen Stoßwellen würden deutlich weniger von 30-45%, je nach ein
Standort auf der Nachtseite des Planeten in Bezug auf die Terminator sein.
Vor vielen Jahren, um 1900, erbaut Dr. Nikola Tesla und
getestet ein Gerät, um Energie aus der Sonne unter Verwendung einer
Vorrichtung, die Teil meiner eigenen Erfindung bildet (siehe
Anschließend machte Dr. Thomas Henry Moray, ein anderer
Erfinder und Schüler dieser Tesla-Patente ein Gerät, das scheinbar die gleiche
Energiequelle zugegriffen werden, aber mit einer Methode anders als meine
eigene. Als Dr. Moray wurde nie ein Patent für sein Gerät gewährten Ich kann
nicht sicher sein, dass seine Arbeit betrachtet wird dem Stand der Technik,
aber ich liste sie hier als Teil meiner Due Diligence. Offenbar er
Schwierigkeiten zu erklären, das Patent Gutachter hatte, die Quelle der
Energie, die sein Gerät Umwandlung wurde und somit nicht ein Patent für seine
beeindruckende Arbeit gewährt. Dr. Moray Offenlegung bestimmter Aspekte seiner
Erfindung sind öffentlich bekannt durch seine veröffentlichten Vorträgen und
seinem Buch "The Sea of Energy in dem die Erde schwebt"
- veröffentlicht im Jahre 1931.
Seit dem Beginn des 20. Jahrhunderts hat die Menschheit nach
neuen Quellen der elektrischen Energie gesucht, um den ständig steigenden
Energiebedarf der Weltbevölkerung zu ernähren. In der letzten Hälfte des 19.
Jahrhunderts, waren Kohle, Walöl, menschliche und tierische Arbeitskraft,
bewegtes Wasser, Wind und Holz sind die wichtigsten Energiequellen. Doch im
ersten Quartal des 20. Jahrhunderts begann die Menschheit mehr Strom aus
Wasserkraft-Generatoren und Generatoren zur Stromerzeugung durch die
Verbrennung von Kohlenwasserstoff-Brennstoffen produziert zu verwenden. Mit der
steigenden Nutzung von Benzinmotoren und der zunehmenden Verwendung von
elektrischen Geräten die Nachfrage nach Strom beschleunigt die Zugabe von Wärme
und Treibhausgase in das Ökosystem der Erde.
In der letzten Hälfte des 20. Jahrhunderts begannen viele
zukunftsorientierte Menschen auf der Suche nach alternativen Energiequellen, um
die Emissionen von Treibhausgasen zu reduzieren. Alle alternativen
Energiesystemen untersucht und / oder in den letzten 56 Jahren entwickelt haben
erhebliche Nachteile, die Nutzung war, denn die hauptsächliche
Energieversorgung für die Bedürfnisse der Menschheit.
Einige dieser alternativen Energie Systeme waren bei weitem
nicht so effizient wie die bestehenden Systeme. Einige der alternativen
Energien immer vorgestellt zusätzliche Wärme in die Umwelt wie die bestehende
fossile und nukleare Energien. Und andere produziert noch mehr Treibhausgase
als die bestehenden Energiesysteme. Einige der neuen Systeme verwendet
Nahrungsressourcen auf Brennstoffe, die folglich verringert die Lebensmittel
Ressourcen des Planeten zu produzieren. Unter den Führern in den neuen Energien
war und ist, die Kernenergie, die zusätzliche Hitze, giftige Abfälle und
Materialien, die in Atomwaffen verwendet werden kann produziert. Wasserkraft Energiequellen
nicht hinzufügen Wärme an das Ökosystem, aber sie sind keine unerschöpfliche
Ressource, wie sie auf Niederschläge, die die globale Erwärmung steigt
rückläufig ist ab. Wind Energieressourcen nicht hinzufügen Wärme an das
Ökosystem, aber sie sind nicht konstant und erfordern teure Umbau und
Lagereinrichtungen.
Die ideale Energiequelle für die Menschheit wird nicht
hinzufügen Wärme des Planeten Ökosystem, wird nicht zu Nebenprodukt
Treibhausgase; nicht erschöpfen unsere Nahrung und Wasserressourcen; werden
keine toxischen Abfällen, aber es wird tragbar sein, Selbst-Nachfüllen und
ständig in Echtzeit verfügbar überall auf der Erde und in brauchbaren Mengen.
Unsere wichtigste Quelle der natürlichen Energie auf der
Erde ist die Sonne. Energie aus der Sonne geht auf der Erde Ökosphäre durch
Partikelbeschuss, abgestrahlte elektromagnetische Energie, Schwerkraft
Variationen und magnetische Prozesse. Die Menschheit hat verschiedene Methoden
der Aufnahme von Energie aus der Sonne bereits entwickelt. Silizium-basierte
Solarzellen wandeln Licht in einer schmalen Bandbreite in Elektron fließt.
Diese Zellen sind allenfalls nur 50% effizienter und funktionieren nur, wenn
die Sonne auf sie scheint sich in einem optimalen Winkel. Windturbinen
funktionieren nur, wenn es Wind an die Macht ihnen und sind zum größten Teil
nicht tragbar. Geräte, um Wellenbewegungen in den Ozeanen zu konvertieren nur
funktionieren, wenn es Wellen durch Wind und Gezeiten-Effekte durch die
Schwerkraft Schwankungen verursacht erstellt werden, und sie sind nicht
portabel genug, um in gemeinsamen Transport Geräten verwendet werden.
Ich schloss daher, dass, wenn die Menschheit eine
kostengünstige Methode zur Gewinnung von Strom aus der Sonne in irgendeiner
Form, die bei Tag und Nacht und die war schon fließt in das Ökosystem der Erde
arbeiteten finden konnte, können wir vielleicht eine saubere und
Selbst-Nachfüllen Energie zu entwickeln Quelle, die keine zusätzliche Wärme für
unser Ökosystem hinzufügen würde, würde nichts an unserer planetarischen Albedo
und könnte auch in einem tragbaren Form hergestellt werden.
ZUSAMMENFASSUNG DER ERFINDUNG
Die Harmonic Energy Exchange Device (oder "HEED")
bietet eine Übergangslösung zu fossilen Brennstoffen die Ressourcen der Erde.
Es nutzt eine bisher ungenutzte Energiequelle, die in der gesamten bekannten
Universum existiert. Durch die Art der Erfindung, sondern nur unterbricht den
Fluss der Energie von der Sonne und all die anderen kosmischen Quellen von
hochenergetischen Teilchen auf ihrer normalen Reise zur Erde durch den äußeren
Schichten.
Die Erfindung nicht fügen Energie an den normalen
thermodynamischen Gleichgewicht des Planeten und die damit verbundenen äußeren
Schichten. Die Erfindung erzeugt keine Abfälle - giftig oder anderweitig. Es
spielt keine schädlichen Gase, und in einigen Ausführungsformen könnte es auch
in den Wiederaufbau unserer Ausdünnung Ozonschicht zu unterstützen. Verwendung
dieser Erfindung wird schließlich entfernen Menschheit Abhängigkeit von
fossilen Brennstoffen und die Schaffung neuer Berufe. Es wird billig genug,
dass Hausbesitzer können ihre eigene Installation zu HEED und zu verkaufen
Energie zurück ins Netz so lange, bis jedes Haus hat seine eigene HEED und
Zivilisation vollständig abgestillt hat sich aus der Nutzung fossiler
Brennstoffe und der Kernenergie in seiner aktuellen Form.
KURZE BESCHREIBUNG DER ZEICHNUNGEN

Fig.1: Ist die bevorzugte Verkörperung
der Schaltplan von meiner Erfindung Verweise auf äußere Reize einbinden, die
verwendet werden, um die Schaltung zu aktivieren. Es stellt eine parallele
Schwingkreis die Energie speichern.

Fig.2: Ist eine Darstellung der Erde und
es unmittelbare Umgebung als globaler Kondensator, wo die äußeren Schichten
bilden einen Platte und der Erdoberfläche bilden die andere Platte und beide
werden durch die Troposphäre als dielektrische Medium abgetrenntIst eine
Darstellung der Erde und es unmittelbare Umgebung als globaler Kondensator, wo
die äußeren Schichten bilden einen Platte und der Erdoberfläche bilden die
andere Platte und beide werden durch die Troposphäre als dielektrische Medium
abgetrennt.

Fig.3: Ist eine alternative
Ausführungsform des Schaltbildes meiner Erfindung mit Verweisen auf externe
Stimuli, die verwendet werden, um den Stromkreis zu aktivieren sind. Es stellt
die Verwendung einer Reihe abgestimmten Schaltkreis, um die Energie zu
speichern.
DETAILLIERTE BESCHREIBUNG DER ERFINDUNG
Es bekannt, dass sein haben ich, Harold Stanley Deyo, Jr,
ein Bürger der Vereinigten Staaten von Amerika und The Commonwealth of
Australia, wohnhaft in der Gemeinschaft der Pueblo West in Taos Pueblo,
Colorado eine harmonische Energie Austausch Gerät erfunden, dynamische Drücke
in den Werbemedien um die Erde in kontrollierte elektrische Ströme umwandelt.

Diese Erfindung, wie in Fig.1
dargestellt ist einzigartig, es entworfen ist, um Strom aus zufälligen
Druckwellen weitergegeben in der Troposphäre 14 durch die Auswirkungen des Sonnenwindes und andere kosmische
Partikel mit der Erde "die äußeren Schichten" extrahieren 22 Fig.2.
Abb die Troposphäre 14
in seinem Ruhezustand wird vertreten durch die Linie der "+"
markiert, 14. Der konvergenten oder
Komprimierung Staat 12 der
zufälligen Wellen in der Troposphäre 14
ist vertreten durch die untere Linie aus Punkten, während die divergierenden
oder Dekompression Zustand 13 der
zufälligen Wellen in der Troposphäre 14
wird durch die obere Zeile aus Punkten dargestellt. Die bevorzugte Verkörperung
von meiner Erfindung Fig.1 ist eine
Methode zur Ankopplung einer parallelen, resonanten, elektrischen Schaltung an
diese zufällige Druckwellen Strom daraus zu extrahieren.
Als Dr John Trump Forschungs- und Onezime P. Breaux US Pat.
Nr. 4.127.804 zeigen, wenn eine Platte eines aufgeladenen Kondensators zu oder
weiter Weg die andere Platte dieser Kondensator scheint eine Spannungsänderung
auf beiden Platten dieser Kondensator näher gerückt ist. Darüber hinaus ändert
der elektrische Feld Verlauf zwischen diese Platten wie die Platten auf diese
Weise bewegt werden. So haben sie eine Methode für die mechanischen Energie in
elektrischen Strom umwandeln, indem man einfach den Abstand der Platte im Laufe
der Zeit, die als ds/dt ausgedrückt werden kann, wo "ds" ist die
Veränderung der Abstände und "dt" ist die Änderung in der Zeit,
beschrieben.
Wie in Fig.2
dargestellt, können die äußeren Schichten angezeigt werden als eine Platte
eines Kondensators, bestehend aus der Oberfläche der Erde selbst als eine
Platte 21 und die äußeren Schichten
der Erde als die andere Platte 22 wo
der Erde Troposphäre 23 als
dielektrischen Medium trennen die beiden Platten dient. Es gibt eine Gebühr
zwischen diesen Platten, die sehr schnell variiert, aber nicht mit Konstanten.
Zu jedem gegebenen Zeitpunkt wird das Produkt alle Auswirkungen von den
kosmischen Teilchen mit der äußeren Schichten 22 Vektor in die äußeren Schichten 22 eine Druckwelle erstellt, die in der Troposphäre 23 manifestieren wird. Was auch immer
das Vektor-Produkt ist, wird es Verlaufs der dielektrische Troposphäre 23 Feld ändern. Diese Veränderung wird
entweder erhöhen oder verringern den effektiven Abstand zwischen den
"Platten" 22 und 23.
Diese Erfindung erstellt um erfassen und die daraus
resultierende Spannung Variationen produziert an oder nahe der Erdoberfläche 21 der Fig.2 zu konvertieren, eine eigene, lokalisierte Spannungsfeld 3 Abb gegründet mit einer aufgeladenen,
leitfähige Oberfläche 1 von Fig.1 die eingehüllte in
Hochspannungs-Isolierung 2 von Fig.1 und in der Troposphäre 23 Fig.2
zu erweitern ist die Troposphäre 23
von Fig.1.
In Fig.1 wird
eine Reihe von Hochspannungs-Impulse ab über Punkte 4 und 6 auf
gegenüberliegenden Seiten eines Kondensators 5 Erstellen Sie die lokalisierte Spannungsfeld 3 angewendet. Wie diese Hochspannungs-Start Impulse angewendet
werden, die parallel Resonanzkreis durch Induktivität Spule 7 gebildet und variabler Kondensator 11 beide zu Boden 8 verwiesen in Resonanz innerhalb der Bandbreite bestimmt, indem
die Werte dieser Schaltung Komponenten stimuliert. Diese Schaltung eine
Feineinstellung erfolgt durch Variable Kondensator 11. Die Ladung Hochspannung auf leitfähige Oberfläche 1 von Fig.1 wird von der parallelen Schwingkreis Induktivität Spule 7 und variabler Kondensator 11 gepflegt.
Dann als die zufällige Druckwellen zu verbreiten, in der
ganzen Troposphäre 23 Fig.2 lokalisierte Spannungsfeld 3 Fig.1
ist durch die Komprimierung Wellenfront 12
und der Dekompression Wellenfront 13
(beide in Fig.1) die
Spannungsänderungen am Kondensator 5
schafft pendelte.
In Fig.1 werden
die daraus resultierenden Veränderungen der Spannung am Kondensator 5 Energie, um die parallele
Resonanzkreis Induktivität Spule 7
und variabler Kondensator gebildet 11
fungiert als Tank Schaltung um die Energie zu speichern, die an es übergeben
wurde und hinzufügen. Wie in der parallel-Schaltung Energie baut steigt die
Spannung des Stromkreises bis Funke Entlastung über den Spalt 9 wird auch auf Boden 8 auftritt. Der Strom wird nur in einer
Richtung durch Diode 10 Entlastung.
Die Schaltung funktioniert ohne Diode 10
aber eine Diode dient hier als eine Methode zu verhindern, dass alle Energie
aus dem Tank-Circuit entwässert, tritt eine Entlastung.
Diese Schaltung Resonant können auf verschiedene Bandbreiten
zu maximieren die Effizienz des Konvertierungsvorgangs je nach Lage des
Gerätes, die Uhrzeit, Temperaturschwankungen, Relative Luftfeuchtigkeit und
anderen Variablen die Umgebungstemperatur Troposphäre 23 Abb um die leitfähige Oberfläche 1 Fig.1 eingestellt.
Eine ohmsche Last macht aus dem Resonanzkreis extrahieren kann anstelle von Fig.1 die Funkenstrecke 9 verwendet werden.
Das bevorzugte Ausführungsform eine parallele, abgestimmte
Schaltung verwendet, um Zugriff auf eine Vielzahl von Frequenzen in der Regel
im Bereich von 4,5 bis 7 MHz gefunden werden. Dieser Bereich umfasst die
wichtigsten, natürlich vorkommende, resonanten Frequenzen gefunden in der
Ionosphäre.

Eine
zweite Verkörperung dieser Erfindung, wie in Fig.3 dargestellt ersetzt die parallelen Schwingkreis Induktivität
Spule 7 und variabler Kondensator 11 Abb parallel zueinander platziert
und verwiesen auf Boden 8 gebildet.
Diese zweite Ausführungsform bildet eine Serie abgestimmt-Schaltung durch
Induktivität Spule 7 und variabler
Kondensator 11 in Fig.3 in Reihe zueinander und verwiesen
auf Boden 8 gebildet. Es
unterscheidet sich von der bevorzugte Ausführungsform nur bei der Platzierung
der Variablen Kondensator 11, so
dass es in Reihe mit der Spule 7
ist.
Diese
Verkörperung begrenzt den Frequenzbereich und somit die Energie, die das System
im Vergleich zu den bevorzugten Ausführungsform gespeichert werden sollen. Es
erzeugt höhere Spannungen über die Funkenstrecke 9 als Vorverbunde in die bevorzugte Ausführungsform über die
Funkenstrecke 9 von Fig.1.
*****
Was
ist in dieser Patentanmeldung sagte fügt einige interessante Faktoren zu der
TREC Design Lawrence Rayburn die Zeit vor der Deyo Patent von einigen Jahren.
Sein Kommentar zum Austauschen der Funkenstrecke mit einer ohmschen Last
schlägt einige alternative Vereinbarungen, die mit dem TREC-System ausprobiert
werden könnten.
Auch
etwas in die gleiche Richtung:
Übersetzt
aus einem spanischsprachigen Original:
Viele
Leute denken, dass es nicht möglich ist zu Strom aus dem Erdmagnetfeld, weil
diese Feldstärke ist zu niedrig und damit die Energie nicht hoch genug für jede
Form der nützliche Anwendung. ist dies nicht der Fall ist. Ich habe viele
Spulen gebaut und ich bekomme viele Kilowatt für nützliche Zwecke vom
Magnetfeld der Erde und hier präsentiere ich das grundlegende Konzept und
einige Formeln grundlegend für all dies.
Der
Einfluss des Erdmagnetfeldes sollte nicht ignoriert werden. In Zeiten starker
Sonnenaktivität, die das Magnetfeld der Erde schwingt und in jedem langen
Hochspannungsleitung sind Spannungsspitzen und Überspannungen, die technischen
Probleme, Pannen und Stillstände der elektrischen Quellen führen kann. Der
Faraday-Gesetz für diesen Induktion für folgenden gegebenen:
V =
2 x pi x f x B x A
Wo:
B ist das Erdmagnetfeld,
f die Frequenz der Fluktuationen und
A die Oberfläche über dem das Feld fließt.
Für die Berechnung können wir ungefähre des
Erdmagnetfeldes als 1 Gauss (oder 10-4 Teslas)
Wenn wir ein normales, lange Leitung von etwa 10 km
Länge mit den Stromleitungen Abstand von 1 Meter voneinander entfernt, sollten
dann haben wir:
V = 6.28 x 10-4 x 104 x f das
entspricht 6.28 x f
Sind die Schwankungen f = 10 Hz, die eine
Überspannung von 63 produziert, sind V. Wenn die Schwankungen 100 Hz sind dann
die Überspannung ist 630 V, usw......
Also,
wenn die das Magnetfeld der Erde ist niedriger Intensität, ist der Effekt
erheblich in einer großen Oberfläche und Volumen-Bereich.
Für
Energie und Kraft Überlegungen, können wir sehen, dass die Erde das Magnetfeld
niedriger als gemeinsamen Permanentmagneten ist, aber das Volumen des Raumes,
die sie bedeckt, ist sehr groß. Die Energie in einem magnetischen Feld ist
nicht nur die Feldstärke allein, aber es hängt auch von der Lautstärke, über
die das Feld wirkt.
Die
Energie in einem Magnetfeld B über
einen Raum Volumen V gelagert ist:
U =
1 / (2muo) x B2 x V
.............. (1)
Wo muo die magnetische
Dielektrizitätskonstante des Vakuums.
Gemeinsame Permanentmagneten Kanal Energie. Wenn wir
sie nutzen können, um unbegrenzte Macht wie die Bearden der MEG zu bekommen,
dann der Erde das Magnetfeld über eine Luftspule kann das gleiche Ergebnis
erzielen.
Jetzt können wir einen Vergleich zwischen einem
Permanentmagneten und einer Spule orientiert sich an der das Magnetfeld der
Erde die gleichen Energieniveaus zu kriegen.
Betrachten wir einen starken Permanentmagneten, wie
in einer MEG verwendet, von 5.000 Gauss und Abmessungen von 50 mm x 20 mm x 10
mm. Gemäß der Gleichung (1) oben, wird die Energie in dem Permanentmagneten
gespeichert werden:
U = 1 / (8 x pi x 10-7) x (0.5)2 x (5 x 10-2) x (2 x 10-2) x (10-2), so
U = 0.995 Joule
- das heißt, etwa 1 Joule an Energie.
Geräte wie die MEG mit Permanentmagneten nicht zu
viele Kilowatt, ist der Grund, weil das magnetische Energie ist konstant. Wenn
wir schließen, dass die Magnetfeld in einem Kern-oder magnetischen Kreises und
wir Impuls, Bereich haben wir 1 Joule an Energie erhalten zu jedem beliebigen
Zeitpunkt bewerten, weil die Permanentmagnet speichert die Energie unbegrenzt
und so, wenn wir wollen eine Leistung von 1 KW als die Macht P berechnen wir:
P =
dU/dt
Für P = 1 KW, müssen wir Impuls 1 Joule Energie für
nur 1 Millisekunde.
In gleicher Weise, wenn man Strom aus der gleichen
Ebene von Erdmagnetfeldes erhalten, muss es berechnet das Volumen der
Luftspule. Durch die Verwendung der gleichen Gleichung sehen wir, dass
(0.5)2 x (5 x 10-2) x (2 x 10-2) x (10-2) = (10-4)2 x V
V ist
das Volumen der Spulenendgruppe, erhalten wir für die gleichen magnetischen
Energieniveaus, und in diesem Fall, V = 250 m3
Das heißt, eine Spule von 6,3 m Durchmesser und 6,3 m
Länge, parallel zur Erdmagnetfeld platziert ist, können die gleiche Energie wie
die kleine 5000 Gauss Permanentmagneten, die wir für ein MEG-Gerät betrachtet
speichern.
Aber es ist nicht nötig, baue einen riesigen Spule,
können wir eine kleinere Spule. Die beiliegende magnetische Energie niedriger
sein wird, sondern als P = dU/dt müssen wir die Frequenz der Pulse zu erhöhen,
um die gleiche Leistung aus einer größeren Spule zu erhalten. Zum Beispiel
speichert ein Luftspule von 1 m Durchmesser und 1 m Länge nach Gleichung (1),
eine Energie von:
U = 1 / (8 x pi x 10-7) x ( 10-4)2 x pi x 1 / 4 x 1 = 0.003 Joules
Wenn wir Impuls, Energie bei 330 kHz, dann werden
wir 1 kW und bei 660 kHz, 2 kW, etc., also eine höhere Frequenz liefert mehr
Leistung zu bekommen.
Dann
stellt sich die Frage, wie können wir pulsieren die konstanten Magnetfeld im
Inneren der Spule? Die Antwort ist einfach: Durch den Einsatz einer externen
Quelle, können wir das Erdmagnetfeld im Inneren der Spule abzubrechen. Es muss
Kraft und Energie Amplifikation mit Bezug auf die externe Quelle sein. Um diese
Leistungsverstärkung realisieren, müssen wir Folgendes tun:
Lassen
sich das Magnetfeld im Inneren des Variation Luftspule gegeben durch:
B(t) = Bo + Bf x Sin( w x t )
Wo:
Bo ist die Konstante des Erdmagnetfeldes,
Bf ist das Magnetfeld in der Spule von der externen Stromquelle erstellt
wurde, und
w die Kreisfrequenz der
externen Quelle.
Ersetzen B(t) aus Gleichung (1)
erhalten wir die Energie zeitliche, U(t), und dann können wir die Leistung zu
berechnen, wie P = dU/dt was:
P(t) = Bf x w x V x (Bo + Bf x Sin(w x t) x
Beachten Sie, dass das Volumen V in der Spule ist.
Man sieht hier, dass die Ausgangsleistung auf Bo, die
das Magnetfeld der Erde hängt, so wie im Fall der MEG Bearden sie auf der
magnetischen Feldstärke des Permanentmagneten in der Schaltung abhängt.
So können wir nun berechnen COP-Wert mit Bo und ohne
Bo oder Bo = 0
Berechnung der RMS-Leistung für beide Fälle (hier
nicht, weil es zu einem Fall von grundlegenden Differentialrechnung entspricht
reproduziert) und durch das Verhältnis, ist das Ergebnis für die COP:
COP
= ( 1 + ( 2 x Bo / Bf )2 )0.5
Wir sehen dann Leistungsverstärkung, und natürlich,
wenn Bo = 0 und keine permanente Magnetfeld, das maximale COP 1 ist, sind
Eingangs-und Ausgangsleistungen gleich. Im Fall von Bearden der MEG, ist die
Bedingung Bo = Bf für nicht Entmagnetisierung des Permanentmagneten und in
diesem Fall haben wir einen COP = Wurzel aus (5), die einen Wert zwischen 2 und
3, die an die praktischen Ergebnisse für entspricht, dieses klassische
Berechnung.
Aber für die das Magnetfeld der Erde, können wir
höhere Werte, weil wir nie kann eine Entmagnetisierung des Erdmagnetfeldes.
Wie viele Umdrehungen auf der Spule, Pulsfrequenz,
Rollendurchmesser, Rollenlänge, etc., brauchen wir?
Die Leistungsaufnahme des Erdmagnetfeldes im Inneren
der Spule, oder dem Zustand Bf = Bo stornieren, berechnen wir mit der
RMS-Komponente der Gleichung (2) oben, Einstellung Bo = 0, so haben wir:
P = 0.05 x f x A x L , (wobei P in Watt).
A ist der Querschnitt der Spule in m2,
f ist die Frequenz in Hertz,
L das Spulenrohr Länge in Metern
Um
das Magnetfeld der Erde im Inneren der Spule abzubrechen, ist die Voraussetzung
dafür Ampere-Gesetz basiert:
N x i / L = 100
Wo
N ist die Anzahl der Windungen auf
der Spule und
i der Strom in Ampere.
Schließlich
wird die induzierte Spannung in der Spule zu sein:
V = 2 x pi x f x N x Bo x A
Also,
mit den folgenden Werten haben wir zum Beispiel:
N = 1000 wendet,
f = 100 kHz,
Spulendurchmesser
= 1 m,
Rollenlänge
L = 1 m,
i = 100 mA oder 0.1 A,
Bo = Erdmagnetfeldes
Dies gibt V = ca. 4.000 Volt.
Die Eingangsleistung für dieses Beispiel ist etwa 4
kW, wird die Ausgangsleistung für das COP-Faktor maximal 12 kW betragen. In
Closed-Loop-Betrieb bieten wir den Eingang 4 kW bei der Ausgabe und wir
bekommen eine self-powered erzeugenden Generator 8 kW Ausgangsleistung. Meine
praktische Ergebnisse entsprechen diese Berechnungen.
Wie wird ein praktisches Gerät gebaut?
Mit einem großen Kunststoff-Rohr, wickeln wir die
primäre Eingangsspule für die Verwendung mit der externen Quelle. Zum
Extrahieren der Ausgangsleistung, verwenden wir ein weiteres Rohr innerhalb des
ersten Rohres angeordnet ist, und von etwa dem gleichen Durchmesser und Länge
mit einer ausreichenden Anzahl von Windungen und Drahtstärke zu Schritt auf der
Spannung, um, zum Beispiel, 110 VAC. Für die Hochspannung Oszillator der
Eingangsquelle ich einen LC-Schwingkreis aus einem Ferrit Leistungstransformator
entnommen.
Es ist sehr interessant, dieses Gerät der Arbeit zu
sehen, und am Tag des geomagnetischen Stürmen, gehen Leistungsstufen zu hoch
und ich muss Schutzeinrichtungen zu verwenden, um Schäden an der Anlage und die
angeschlossenen Verbraucher zu verhindern.
Mögliche Fragen an folgende e-Mail: enertec2200@yahoo.es (dem kann nicht noch funktionsfähig sein, da diese Informationen ganz alt ist).
Elektrostatische Generatoren sind nicht unähnlich Antennenanlagen, dass eine Umstellung auf normale Strom benötigt. Die Swiss-Gerät von Paul Baumann (Kapitel 13), die Kilowatt konventioneller Strom Ausgangsleistung und dem hat ausgelegt ist self-powered zeigt, dass sehr nützlich Systeme können elektrostatische Aufladung zu nutzen. Paulus Gestaltung ist um einen Influenzmaschine die selbsttragend revolvierenden aufgrund der schrägen Charge-Sammlung Streifen, die eine elektrostatische Motor sowie Sammeln der Ladung, welche auf dem Rest der Schaltung geleitet zu bilden gebaut.
Eine ganze Reihe von elektrostatischen Generatoren wurden entwickelt und eingesetzt. Sie verwenden in der Regel eine kleine, Low-Power-Motor mehrmals verändert die Kapazität zwischen einer Reihe von Metallplatten und so schaffen Wechselstrom fließen. Einige dieser Entwürfe sind wirklich clever in die Art und Weise, in der sie tätig sind. Zum Beispiel hat die folgenden Patent von Charles Goldie eine Eingangsspannungsquelle die von der Vorrichtung selbst erzeugt wird, und die Spannung verwendet wird, durch den Benutzer einstellbar ist, während die Vorrichtung sieht zwei getrennte Gleichstrom-Ausgänge in Serie, die als ein einziges verwendet werden kann, höhere Spannung, falls gewünscht.
Das Le May dargestellt Patent nützliche Techniken, die die Leistung auf mehr als fünf Mal so viel wie es ohne den Einsatz dieser Techniken gewesen wäre zu erhöhen. Der allgemeine Eindruck der elektrostatischen Generatoren ist, dass sie umständlich und in der Regel unwirksam sind. Dies kann der Fall für einige von ihnen sein, aber es ist sicherlich nicht der Fall für alle von ihnen. Zum Beispiel hat der elektrostatische Generator Design William Hyde, in Kapitel 11 gezeigt, ist ein COP = 10 Leistung, wo die elektrische Leistung ist zehnmal größer als die mechanische Leistung notwendig sind, um es zu betreiben, und ich habe gehört, dass der Generator Ausgang kann sein 10 Kilowatt, die eine mehr als respektable Leistung ist.
Ein besonders cleveres Design stammt aus Onezime Breaux (US 4.127.804), wo ein Hochspannungs-Ladung kurz erzeugt wird, und dann das gleiche Ladung rückwärts und vorwärts durch die Ausgangslast pendelte, ohne dass die Ladung jemals 'verbraucht' (um es gebracht in juristischer Hinsicht). Da kein System ist immer 100% perfekt, alle zehn Minuten oder so, wird die Hochspannungs-Ladung sehr kurz verstärkt. Ein System dieses Typs ist in der Lage sein, ein selbst tragendes Generator. In einer minimalen Prototypen, die nicht perfekt mit allen Mitteln gebaut wurde, musste die Macht zu drehen der Rotor betrug 0,8 Watt, während die elektrische Leistung betrug 20 Watt. Dies zeigt deutlich, kann dass elektrostatische Generatoren ernsthaft nützlich, vor allem, wenn in den größeren Größen gebaut.
US-Patent 3.013.201
12. Dezember 1961 Erfinder: Charles H. Goldie
SELBST BEGEISTERT
VARIABLEN KAPAZITÄT ELEKTROSTATISCHEN GENERATOR
Die
Erfindung betrifft elektrostatische Generatoren wobei der Ladungstransfer
Mechanismus nutzt kapazitive Wirkungen zwischen aufgeladener Körper und
Elektroden auf dem Ladung induziert werden, insbesondere, um die Selbsterregung
solcher Generatoren.
Die
Erfindung kann am besten anhand der folgenden detaillierten Beschreibung verstanden
werden, mit Bezug auf die begleitenden Zeichnungen, in denen:

Fig.1 ist
ein Diagramm, das eine Form eines mit variabler Kapazität elektrostatischen
Generator;

Fig.2
ist ein weiteres Diagramm, das die weitere Anordnung von Fig.1;

Fig.3
ist ein Diagramm, das eine Modifikation der Vorrichtung von Fig.1 und der die Erfindung verkörpert,
und

Fig.4
ist ein Diagramm, das einen Teil der Vorrichtung der Fig.3.

Betrachten der Zeichnungen in
größerem Detail zeigt Fig.1 einen
Rotor 1 und einen Stator 2 auf. Der Rotor 1 weist eine positive Ladung auf ihm. Ein Netzteil 3 hält die Ladung auf den Rotor 1.

In Fig.2 ist erkennbar, dass der Stator 2 mit Masse durch einen Widerstandspfad 4, die parallel mit mindestens einem Gleichrichter 5 angeschlossen ist, so dass Strom nur
in eine Richtung fließen zwischen dem Stator 2 und gemahlen werden.

Bei der Vorrichtung in Fig.3 und Fig.4 gezeigt, dient der Rotor als kapazitive Verbindung zwischen
einer stationären Elektrode und Aufladung eines Stators. Ein Rotor 11 periodisch verläuft nahe einem
Stator 12. Jedoch anstatt ihn
tragenden eigenen Ladung wie in der Vorrichtung in Fig.1 und Fig.2 gezeigt
ist, ist die notwendige Ladung induzierenden Rotor 11 selbst auf den Rotor 11
durch die Aufladungselektrode 13
induziert. So ist, wenn ein Ende des Rotors 11 in der Nähe des Stator-Element 12 und dem gegenüberliegenden Ende des Rotors 11 ist in der Nähe der Aufladungselektrode 13 wird ein negative Ladung auf dem Abschnitt des Rotors 11 in der Nähe der Aufladungselektrode 13 ist mit der induzierten führen, dass
positive Ladung an dem gegenüberliegenden Ende des Rotors 11 angezeigt, da Rotor 11
muß selbst elektrisch neutral.
Die Erfindung wird nun mit Bezug auf
die Vorrichtung in Fig.3 und Fig.4 gezeigt beschrieben werden, aber
es wird klar sein, aus den obigen Bemerkungen, dass die Erfindung gleichermaßen
könnte gut mit einer Vorrichtung der in Fig.1
gezeigten Typs verwendet werden und Fig.2.
Der prinzipielle Vorteil der Vorrichtung in Fig.3 und Fig.4 gezeigt,
ist die Tatsache, dass es die Notwendigkeit einer Bürste auf dem Rotor, um ihn
mit Ladung zu versorgen, wie die Ladung auf dem Rotor kapazitiv induziert wird
eliminiert.
Rückbezug kurz Fig.1 und Fig.2, wird
daran erinnert, dass die Erfindung mit dem Bau einer selbst erregten Generator
ohne externe Energieversorgung mit Ausnahme der Welle Strom versorgt wird
betroffen sein. Das heißt, ist das Ziel ein vollständig unabhängiges
Ladegenerator. Bezugnehmend auf Fig.1
und Fig.2 ist ersichtlich, dass eine
direkte Rückkopplung des Ausgangs der Induktion

Die Wirkung der Schaltung ist am
besten anhand zunächst am unteren Abschnitt nur verstanden. Rotor 11 ist eine elektrisch isolierte, ebene
fächerartigen Rotors auf einem isolierenden Welle 14, die durch einen geeigneten Motor 15 angetrieben wird. Wenn der Rotor 11 dreht, deckt es periodisch den Stator 2 und Aufladungselektrode 13,
welche beide isoliert sind und sektorförmige. Aufladungselektrode 13 wird auf einer positiven
Gleichstrom-Spannung in Bezug auf Masse gehalten. Wenn der Rotor 11 rotiert in eine Position, wo er
umfasst sowohl die Aufladungselektrode 13
und dem Stator 12 wird die Kapazität
zwischen der Aufladungselektrode 13
und Stator 12 zu und negativen
Ladung aus dem Boden durch die Diode 16
und auf den Stator 12 induziert.
Wenn der Rotor 11 dreht sich von
Stator 12 und Aufladungselektrode 13, die kapazitive Kopplung abnimmt und
die Spannung am Stator 12 ansteigt,
negativ in bezug auf Masse. Diode 16
blockiert jede Strömung der negativen Ladung aus Stator 12 und als das negative Potential der Stator 12 steigt, fließt über eine zweite Diode 17 an die Last 18. Eine
Fraktion "V2" dieser negativen Last Spannung an die Ladeelektrode oder
Induktionsplattenelement 13' der
zweiten oder oberen Abschnitt mittels des variablen Widerstand 19 angelegt. Der Ladevorgang Wirkung
dieses zweiten Abschnitts ist identisch zu der in dem ersten Abschnitt außer
umgekehrt Polaritäten, und der Ausgang des zweiten Abschnittes entsprechend
zurück zu Induktionsplattenelement 13
des ersten Abschnitts über einen zweiten variablen Widerstand 20 zugeführt. Variable Widerstände 19 und 20, die Kontrolle der Ausgangsspannung und Strom durch Anpassung
der Feedback-Verhältnisse.
Die Schaltung ist regenerativer und
so ist es nur notwendig, eine kleine Referenzspannung in die richtige Richtung
zu starten versorgen. Die Verwendung von Stator und Rotor mit geeigneten
Materialien Kontaktpotentiale ist eine Lösung. Eine andere Lösung ist mit einer
kleinen Batterie 21 in einer
Ansaugleitung. Geeignet spannungsbegrenzende Geräten 22 würde entweder über Induktion Platte 13 oder an der Last 18
zu verhindern übermäßige Spannung Aufbau hinzugefügt werden.
Eine Reihe von Funktionen in diesem
Kreis von Interesse sind. Die üblichen Schleifringe und Bürsten sind durch die
Verwendung von Stator 12 eliminiert
und Aufladungselektrode 13 und einen
Rotor 11 getrennt, statt einen
einzigen Stator 2 und einen Rotor 1 bei konstanter Induktion Potential
gehalten, wie in Fig.1 und Fig.2 gezeigt.
Trotz der Tatsache, dass der zweite
Abschnitt zum Zwecke der Selbsterregung zugegeben werden beide
Ausgangsspannungen zusammen über die Last 18,
18' aufgenommen. Die Anordnung in Fig.3 gezeigt ist lediglich zur
Erläuterung der Selbsterregung Prinzip. Der Boden beispielsweise gezeigt, ist
nicht erforderlich und für höhere Spannungen, die Einheiten mit einem
gemeinsamen isolierenden Antriebswelle 14
kaskadiert werden. Für einen gegebenen gesamten Spannungsausgang, ist die
Anzahl der Rotor / Stator-Sätze die gleichen für diese Selbst-Ladungsgenerator
als für einen Generator erfordern Nebenladeausgang liefert.
Zwei Pole sind der Einfachheit
halber gezeigt. In einer tatsächlichen Maschine eine größere Anzahl praktischer
wäre. Das System trifft auch auf andere geometrische Anordnungen, wie die
konzentrischen oder segmentierte Trommel-Design in US-Patentanmeldung 829.823
erwähnt.
US-Patent
3.094.653 18.
Juni 1963 Erfinder:
D. B. Le May et al.
ELEKTROSTATISCHEN
GENERATOR
Die vorliegende Erfindung betrifft ein Energieumwandlungssystem Maschine des Typs, bei dem ein variabler Kondensator zyklisch angetrieben wird, während sie geladen und entladen wird, synchron mit der zyklischen Schwankungen in der Kapazität.
Es gibt mehrere verschiedene Arten von Maschinen, die elektrostatische beispielsweise funktionieren, um elektrische Energie aus kinetischer Energie oder Bewegungsenergie durch elektrische Energie zu erzeugen. Einer breiten Klassifizierung für diese Maschinen ist, ob leitend oder nichtleitend Vorrichtung wird verwendet, um elektrische Ladung innerhalb des Systems transportieren basiert. Die vorliegende Erfindung bezieht sich auf die Klasse von Maschinen, in denen elektrische Ladung durch die leitfähige Vorrichtung transportiert wird. Genauer gesagt betrifft die vorliegende Erfindung Systeme, in denen elektrostatische eine Form der variablen Kondensators mechanisch angetrieben wird, um eine zyklisch variierende Kapazität hat, die während der Intervalle von hoher Kapazität geladen und entladen wird in Abständen von geringer Kapazität, um elektrische Energie bereitzustellen.
Im Allgemeinen variabler Kondensator elektrostatische Generatoren (manchmal auch als elektrostatische Induktion Generatoren) früher vorgeschlagenen fähig gewesen von sehr hohen Wirkungsgraden und konnte in relativ leichten Gerät ausgeführt werden. Diese Überlegungen resultieren im Wesentlichen aus der Tatsache, dass elektrostatische Felder in Luft, Vakuum oder andere sehr helle Medium kann aufrechterhalten werden, während elektromagnetische Felder den Einsatz von schweren Eisenmaterial erfordern. Ferner sind die elektrostatischen Felder, die durch Strom von Oberflächen durchgeführt verursacht, anstatt durch Ströme in Leitern, so daß die relativ schweren Kupfer Anforderungen an die elektromagnetische Maschinen vermieden werden kann. Es wurde gefunden, dass elektrostatische Maschinen, die in einem Vakuum, noch kein Eisenverlust, Kupfer Verlust oder Verwirbelungsverlustreduzierung elektromagnetischer Maschinen, wodurch ihre äußerst hohen Wirkungsgrad.
Allerdings haben andere Erwägungen diese Maschinen kommen in weit verbreiteten Einsatz verhindert. Insbesondere haben vor elektrostatischen Maschinen dieser Klasse normalerweise groß im Verhältnis zu ihrem Leistungsvermögen gewesen. Darüber hinaus hat die Praxis der vorherigen Maschinen, die normalerweise extrem hohe Spannung Betrieb erforderlich. Beide dieser Nachteile ergeben sich aus der Natur des elektrostatischen Feldes, ist es von hoher Anforderung Potentialgradienten für Feldstärken vergleichbar elektromagnetischen Feldern sowie die Beschränkungen für Potentialgradienten durch die Aufschlüsselung des dielektrischen Mediums auferlegt. Deshalb hat erhebliche Isolierung und Sicherheitseinrichtungen in früheren elektrostatische Systeme erforderlich gewesen, und der Betrieb bei moderaten Spannungen bisher nicht praktisch. Noch weiter, bestimmte Formen von elektrostatischen Induktion Generatoren recht komplexe Schaltsysteme notwendig zum Laden und Entladen der Kondensatoren; diese Systeme nicht wirtschaftlich realisierbar.
Im Allgemeinen umfasst die vorliegende Erfindung ein effizientes elektrostatischen Induktionssystem fähig wirtschaftlichen Betrieb, die in einer Einheit, die klein in der Größe relativ zu Leistungsfähigkeit ist verkörpert sein kann. Das System umfasst zwei Sätze von stabförmigen Teile, wobei ein Satz davon relativ zum anderen gedreht wird, so daß bestimmte der relativ-beweglichen Stangen eine variable Kapazität ist. Die anderen Stangen in der Struktur werden dann verwendet, um das elektrostatische Feld in einer Weise, die eine größere Differenz zwischen dem minimalen und maximalen Kapazität der Vorrichtung, was zu einer erhöhten Kraft Konvertierungsfähigkeit für die Größe der Einheit erzeugt formen. Die Variable Kapazitätsstruktur ist mit einem elektrischen System, das Entladungen und lädt die Kapazität in einem zyklisch variierenden Weise verbunden. Reaktiven Elemente werden dann an das System gekoppelt ist, um Spannung Phasenverschiebungen in dem System relativ zum variabler Kapazität, dazu führen, dass die Ladung angebracht wird und entnommen, der Kapazitätsstruktur während des Betriebszyklus zu erhöhen, wodurch eine weitere Erhöhung der Leistung-Wandlung Fähigkeiten das System.
Eine weitere Aufgabe der vorliegenden Erfindung ist es, eine verbesserte elektrostatische Induktion bereitzustellen.
Eine weitere Aufgabe der vorliegenden Erfindung ist es, eine elektrostatische Induktion Generators oder Motors, die eine höhere Leistung Konvertierungsfähigkeit relativ zu seiner physikalischen Größe aufweist.
Noch eine weitere Aufgabe der vorliegenden Erfindung ist es, eine elektrostatische Energieumwandlungssystem die wirtschaftlich kann in einer relativ kleinen Größe Vorrichtung ausgebildet werden kann.
Eine weitere Aufgabe der vorliegenden Erfindung ist es, eine elektrostatische Induktion Motor oder Generator, bei dem Energie effektiver zu einer anderen Form wird durch Verbessern der Form der elektrostatischen Felder in dem System umgewandelt bereitzustellen.
Noch eine weitere Aufgabe der vorliegenden Erfindung ist es, eine elektrostatische Induktion Generators oder Motors, in dem Energie effektiv zu einer anderen Form wird durch die Bereitstellung von reaktiven Elemente, um die kapazitiven Elemente, die naturgemäss im System abzustimmen transformierten bereitzustellen.
Eine weitere Aufgabe der vorliegenden Erfindung ist es, ein verbessertes System für die effiziente Umwandlung von Energie von einer Form zur anderen, wobei ein elektrostatisches Feld, um inter-Verhältnis der verschiedenen Formen von Energie verwendet wird.
Diese und andere Aufgaben der vorliegenden Erfindung werden aus einer Betrachtung der folgenden ersichtlich, die in Verbindung mit den Zeichnungen, wobei:

Fig.1 ist ein schematisches Diagramm, das die Grundoperation eines vorläufigen System auf das die vorliegende Erfindung angewandt werden kann;

Fig.2 ist eine perspektivische und schematische Darstellung einer Form einer variablen Kondensator, der in einer Vorrichtung der vorliegenden Erfindung eingearbeitet werden können,;

Fig.3 ist eine perspektivische Ansicht einer anderen Form der variablen Kondensator, können in einer Vorrichtung der vorliegenden Erfindung eingebaut werden;

Fig.4a, 4b Und 4c sind schematische Darstellungen, die einen Aspekt des Betriebs eines Systems, das die vorliegende Erfindung;

Fig.5 ist ein Schaltungsdiagramm Einbeziehung einer Form der vorliegenden Erfindung;

Fig.6 ist ein Satz von Graphen, die den Betrieb des Systems gezeigt in Fig.5;

Fig.7 ist ein Schaltbild eines weiteren Systems gemäß der vorliegenden Erfindung;

Fig.8 ist eine Serie von Kurven, die die Effektivität von Systemen konstruiert in Übereinstimmung mit der vorliegenden Erfindung;

Fig.9 ist eine vertikale Schnittansicht und schematische Darstellung einer Vorrichtung in Übereinstimmung mit der vorliegenden Erfindung konstruiert;
Fig.10 ist eine vertikale Schnittansicht entlang der Linie 10 --- 10 von Fig.9;
Fig.11 ist eine vertikale Schnittansicht entlang der Linie 11 --- 11 von Fig.9;
Fig.12 ist eine horizontale Schnittansicht entlang der Linie 12 --- 12 von Fig.9.

Bezugnehmend zunächst auf Fig.1, wird dort eine erste Form eines elektrostatischen Induktionsgenerator gezeigt. Ein einstellbarer Kondensator 20 ist in einer seriellen Schleife mit einer Batterie (oder andere Spannungsquelle) 22 und einer Diode 24 verbunden. Eine Reihenschaltung aus einer Diode 26 und einen Widerstand 28 wird dann über die Diode 24 verbunden. Die Dioden 24 und 26 sind in einer Weise, die Stromfluß in entgegengesetzten Richtungen ermöglicht durch die Batterie 22 angeschlossen. Variabler Kondensator 20 wird durch einen Motor, um eine zyklisch-veränderbare Kapazität bereitzustellen, mit dem Ergebnis, dass die mechanische Energie verwendet, um den Kondensator 20 anzutreiben, um elektrische Energie zugeführt, um den Lastwiderstand 28 umgewandelt wird angetrieben.
In Anbetracht der Betrieb des Systems der Fig.1 im Detail, wird der Kondensator 20 angetrieben, um zwischen maximalen und minimalen Niveaus der Kapazität zu variieren. Bei einer maximalen Höhe der Kapazität, wird der Kondensator 20 auf einen Ladezustand "Q" von der Batterie 22 durch die Diode 24 geladen. Die Spannung am Kondensator 20 ist dann gleich Q / C wobei C die Kapazität des Kondensators 20. Selbstverständlich fällt diese Spannung im wesentlichen mit der Spannung der Batterie 22 minus dem Spannungsabfall über der Diode 24.
Da die Kapazität C des Kondensators 20 hin abnimmt seinen minimalen Wert, die Ladung Q konstant bleibt, daher die Spannung über den Kondensator erhöht zur Aufnahme des Abnahme in der Kapazität als V = Q / C. Die erhöhte Spannung am Kondensator 20 erzeugt einen Strom durch die Batterie 22, laden Widerstand 28 und Diode 26. Dieser Strom dazu neigt, um die Batterie 22 wieder aufzuladen, sowie die Bereitstellung von Energie an die Last-Widerstand 28.
Auf diese Weise verwendet die mechanische Energie zum Kondensator 20 zyklisch anzutreiben, zeigt sich in der Form von elektrischer Energie zu der Last geleitet Widerstand 28. Daher wird in der Regel ist dies der grundlegende Einsatz der elektrostatischen Generator ähnlich einem elektromagnetischen Generator, außer dass das Feld, welches Paare den mechanischen Eingang Energie an den elektrischen Ausgang elektrostatische Energie ist elektromagnetische anstatt.
Eine breite Vielfalt von Strukturen kann als der variable Kondensator in einem elektrostatischen Generator verwendet werden. Jedoch in der gewählten Struktur, ist es normalerweise wünschenswert, das Verhältnis der Peak-Bereich Spannungsgradienten zum durchschnittlichen Gradienten reduzieren, indem gerundet Kondensatorelemente, zB Rohre oder Stangen, anstatt Kondensatorplatten mit scharfen Ecken. Zwei variable Kondensator-Strukturen unter Verwendung dieser leitfähigen Leisten sind in Fig.2 und Fig.3 dargestellt und wird nun im Detail betrachtet werden.

Die Struktur von Fig.2 ist ein Radial-bar Drehkondensator Konfiguration, in Reihen von sich radial erstreckenden Stäben befestigt, dass sie relativ beweglich und so eine variable Kapazität zwischen den Zeilen. Insbesondere wird eine erste Reihe von Stäben 30 in einer Nabe 32, die auf einer festen Welle 34 getragen montiert ist. Ebenso weitere Reihe von sich radial erstreckenden Stäben 36 ist in einer Nabe 38, die auf festen Welle 40, die teleskopartig empfängt einen konzentrischen Welle 42, die mit dem Motor 44 gekoppelt und gelagert wird unterstützt trägt Nabe 46 unterstützt die Reihe von Stangen 48, die ist positioniert zwischen den Reihen 30 und 36. Die Balken in jeder der Reihen 30, 36 und 48 können elektrisch mit einem Leiter in den jeweiligen Naben gelagert verschaltet werden. Da jedoch die einzelnen Hubs 32, 38 und 46 aus Isoliermaterial gebildet sind, werden die getrennten Reihen nicht elektrisch miteinander verbunden. Daher existiert eine variable Kapazität zwischen den einzelnen Reihen 30, 36 und 48. Diese Kapazität ist etwas ähnlich zu einem gemeinsamen Drehteller kapazitiven Struktur, sind jedoch um die Peak-Feld Spannungsgradienten zwischen den Reihen der Stäbe oder kapazitiven Elementen zu verringern gerundet, um scharfe Ecken zu vermeiden.
Zu einem Zeitpunkt, wenn die Zeile von Stäben 48 in Winkelausrichtung ist mit den Stäben in Reihen 30 und 36 sind die Stege am nächsten und gibt maximalen Kapazität. Da die Reihe 48 dreht es eine Position erreicht, der mindestens Ausrichtung der Stäbe in Reihen 30 und 36 (wie in der Zeichnung gezeigt), und es ist die Kapazität zwischen den Reihen an einem Minimum. Daher als Motor 44 dreht die Bars in Zeile 48 wird ein sich zyklisch ändernden Kapazität zwischen diesen Bars und den Bars in Reihen 30 und 36 vorgesehen. In der Anwendung dieser Anordnung der vorliegenden Erfindung, bestimmte der Stäbe verwendet werden, um das elektrostatische Feld zu formen, wie nachstehend beschrieben, während die übrigen Stangen die gewünschte variable Kapazität bereitzustellen. Natürlich kann die Anzahl von Zeilen in einer derartige Ausgestaltung vorgesehen variiert, um die Kapazität zu erhöhen, so kann die Größe der Stäbe werden. Natürlich sind diese Überlegungen von der speziellen Anwendung des Systems bestimmt.

Fig.3 zeigt eine andere Form von variabler Kapazität Struktur, die in einem System der vorliegenden Erfindung verwendet werden können. Die Struktur in Fig.3 gezeigt umfasst zwei konzentrische, zylindrische Strukturen 50 und 52, die so montiert, dass sie sich relativ zueinander drehen werden. Diese beiden Strukturen sind ähnlich, mit Ausnahme ihrer Größe. Je kleiner Struktur 50 ist teleskopartig konzentrisch in die größere Struktur 52 angebracht. Je kleiner Struktur 50 umfasst ein Paar Isolierringe 54 und 56, die auf Abstand gehalten durch leitende Stäbe 58 beabstandet und winkelmäßig in einer kreisförmigen Konfiguration versetzt ist. Ein Paar Isolierringe 60 und 62 der Struktur 52 sind konzentrisch außerhalb der Ringe 54 bzw. 56 gelagert sind und auf Abstand gehalten durch voneinander winkelversetzt Leiterschienen 64. Die Struktur 52, umfassend die Ringe 60 und 62 und die Stangen 64 festgehalten wird, während die Struktur 50, umfassend die Ringe 54 und 56 und die Stangen 58, drehte macht Stäbe 58 und 64 aneinander vorbei in paralleler Beziehung. Als ein Ergebnis dieser Bewegung existiert eine variable Kapazität zwischen den Stangen der beiden Strukturen. Wie in der Struktur in Fig.2 gezeigt, können die einzelnen Stäbe in den getrennten Strukturen elektrisch miteinander verbunden werden, um eine zusammengesetzte Kapazität bereitzustellen, oder alternativ bestimmte der Stäbe kann Feldformvorrichtung wie unten beschrieben verwendet werden. Damit die Struktur in Fig.3 gezeigt, als auch die Struktur in Fig.2 gezeigt, kann als das zyklisch variierende Kapazität in dem System in Fig.1 gezeigt, um elektrische Energie aus kinetischer Energie bereitzustellen verwendet werden. In einem solchen System wird die Energie durch Motoren 44 bzw. 66 vorgesehen sein würde, jedoch ist die Quelle der kinetischen Energie nicht für die vorliegende Erfindung wichtig.
Im Betrieb einer elektrostatischen Generator wie oben gezeigt, kann das Verhältnis der Energieumwandlungsvorrichtung pro Einheit Größe (und Gewicht) der Maschine durch die Erhöhung der maximalen Kapazität, oder durch Verringern der minimalen Kapazität des variablen Kondensators erhöht werden. Natürlich ist es offensichtlich, dass, da die Energie der Umwandlung wird in Systemen der vorliegenden Erfindung durch ein Variieren Kondensator erreicht, die Wirksamkeit der Umsetzung an dem Bereich, über den der Kondensator variiert abhängig. Im allgemeinen wird die Effizienz dieser Systeme recht hoch ist, auch beim Betrieb mit einem kleinen kapazitiven Bereich jedoch in solchen Systemen die Energie Konvertierungsfähigkeit oder Nennleistung des Systems ist gering im Vergleich zu seiner physikalischen Größe. Ein wesentlicher Aspekt der vorliegenden Erfindung liegt in einer Struktur zur Erhöhung der Reichweite der kapazitiven Änderung, und wird nun im Detail betrachtet werden. Zum Zwecke der Veranschaulichung wird eine bewegliche Platte Drehkondensator mit Bezug auf die Fig.4a, Fig.4b und Fig.4c in Betracht gezogen werden. Die flache Platte Kondensator stellt ein gutes Beispiel des allgemeinen Prinzips der aufgrund des einfachen elektrostatischen Feldes in einer solchen Struktur beschrieben.

Fig.4a zeigt ein Paar von beabstandeten leitfähigen Platten 70 und 72 in einander gegenüberliegenden Beziehung und einzeln mit den Anschlüssen einer Batterie 74 oder eine andere Spannungsquelle verbunden. Das elektrostatische Feld zwischen den Platten 70 und 72 wird durch Linien gleichen Potentials und orthogonal Flußlinien, die die Kapazität zwischen den Platten geben angedeutet. Fig.4b zeigt Platten 70 und 72 in einer versetzten Position, aus Gesichts-gegenüberliegende Beziehung verschoben wird, um in reduzierter Kapazität zwischen den Platten ergeben. Wiederum wird das elektrostatische Feld zwischen den Platten 70 und 72 durch die Linien gleichen Potentials und den orthogonalen Flußlinien, die die Kapazität zwischen den Platten geben angedeutet.
Wie zuvor erwähnt, können eine beliebige Anordnung, die in größeren Kapazität für die Platten in der Konfiguration in Fig.4a gezeigt, oder verringerten Kapazität zwischen den Platten in der Position in Fig.4B gezeigt, resultiert in wirksamer Energieumwandlung in einer elektrostatischen Generators führen. Das System der vorliegenden Erfindung umfasst eine Struktur zum Formen des elektrostatischen Feldes zwischen den Platten 70 und 72, um die Kapazität dazwischen zu verringern, wenn diese Platten in ihrer Position minimaler Kapazität sind. Diese feldformenden wird durch Hinzufügen zusätzlicher Leiter, um das Feld zwischen den Platten zu beeinflussen bewerkstelligt.
Bezugnehmend
auf Fig.4c, Platten 70 und 72 wieder in ihrer Position minimaler Kapazität jedoch gezeigt,
wird eine weitere Platte 76 in
einander gegenüberliegenden Beziehung zur Platte 70 dargestellt.
Die gleichen
Überlegungen gelten in gleicher Weise mit den Leitern oder anderen
Konfigurationen von variablen Kondensatoren versperren. Selbstverständlich kann
die geerdete oder feldformenden Platten wie die
Bezugnehmend auf Fig.5 wird eine Systems mit feldformenden Elektroden und Verwenden kapazitive Strukturen umfaßt, die die Stäbe im Allgemeinen in Form dargestellt annehmen kann gezeigten Fig.2 und Fig.3.

In Fig.5 werden die Statorstäbe schematisch in einer Reihe 78 dargestellt ausgerichtet sind und die Rotorstäbe sind ähnlich dargestellt, um in einer benachbarten Reihe 82 ausgerichtet ist. Selbstverständlich kann jede der Reihen 78 und 82 kann einen Stator aufweist, während der andere den Rotor seit Relativbewegung ist alles, was notwendig ist. Jedoch in dem Stand der Technik hat es sich etwas gemeinsam, um die Rotor-Leitern als Ladung bezeichnen Induktoren, während die Beschreibung der Rotorelemente als Ladungssteuermittel Förderer.
In dem System in Fig.5 gezeigt, feldformenden geerdeten Elektroden oder Leiter sind sowohl in der Reihe 78 und die Reihe 82 vorgesehen ist, und werden mit Stangen 78a und 82a schraffiert dargestellt. Die Elektroden 82a sind direkt mit Masse verbunden ist, aber die Elektroden 78a sind mit Masse über eine Spule 86 verbunden. Die Funktion dieser Spule wird später diskutiert werden.
Die leitenden Stäbe, die als Kapazitätselemente in den zwei Reihen bezeichnet 78b und 82b sind. Der Balken 78b (in der Zeile 78) und die Stangen 82b (in der Zeile 82) in einer Schaltungsanordnung etwa wie in Fig.1 gezeigt verbunden. Insbesondere werden die Stangen 78b in einer seriellen Schleife mit einer Diode 88 und einer Batterie 90 verbunden. Der Verbindungspunkt 91 zwischen der Diode 88 und Batterie 90 ist geerdet, und eine Diode 92 in Reihe mit einem Lastwiderstand 94 verbunden ist über die Diode 88 verbunden. Ein Kondensator 96 ist über dem Lastwiderstand 94 verbunden und dient als Filter für den Laststrom.
Im Betrieb des Systems wird eine relative Bewegung zwischen Zeile 78 und Zeile 82 Herstellung eines zyklisch variablen Kapazität zu bewirken, das System zu funktionieren, wie das System in Fig.1 gezeigt vorgesehen. Das heißt, während des Intervalls von hoher Kapazität zwischen den Reihen 78 und 82 (wie in Fig.5 gezeigt), wird die kapazitive Struktur durch Batterie 90 über die Diode 88 aufgeladen. Dann werden wie die Stäbe getrennt sind, um die Kapazität zu verringern, die Spannung über ihnen erhöht, was zu einem Strom in der entgegengesetzten Richtung durch die Batterie 90, dem Lastwiderstand 94 und die Diode 92 fließen. Als alternative Balken in jeder der Reihen 78 und 82 geerdet sind, ist das elektrostatische Feld geformt, um die minimale Kapazität zwischen den Stangen 78b und 82b zu verringern, wie in Fig.4 offenbart. Als Ergebnis ist die Kapazitätsänderung größer und Ladung wird durch die Last während jeder elektrischen Zyklus übertragen.
Im Betrieb des Systems in Fig.5 gezeigt, um mechanische Energie in elektrische Energie umzuwandeln, wird eine allgemein kapazitiven elektrischen Systems vorgesehen ist. Daher sind die Phasenbeziehungen innerhalb des Systems sind im Allgemeinen jene eines kapazitiven Vorrichtung. Angesichts dessen weist die vorliegende Erfindung die Bereitstellung von Induktoren zu Phasenverschiebungen und Resonanzspannung Amplifikationen, die die effektive Leistung-Wandlung Fähigkeiten des Systems zu erhöhen erzeugen. In Fig.5 wird eine solche Induktivität 86 zwischen dem Balken 78a und Masse geschaltet. Der Betrieb des Systems von Fig.5, einschließlich dem Induktor 86 ist graphisch in Fig.6 dargestellt, beinhaltet Plots der Kapazität, Spannung und Strom über die Position der kapazitiven Struktur.

Die obere Kurvenschar gibt Kapazität Plots, bei dem die Kurve C1 ein Diagramm der Variation der Kapazität zwischen den leitenden Stangen 78b und 82b. Die Kurve C2 ist ein Diagramm der Kapazität zwischen den Stäben 78a und 82a, während die Kurve C3 ist ein Diagramm der Kapazität zwischen den Stäben 78a und 82b Balken. Diese Kurven gegen eine gleichförmige Variation der relativen Positionen zwischen Zeile 78 und Zeile 82 aufgetragen, beginnend die Kurven in einem Punkt der minimalen Kapazität für die Struktur. Fig.5 veranschaulicht die relative Position als 3 in Fig.6 gekennzeichnet.
Die Spannungsverläufe in Fig.6 sind auf der gleichen Basis wie die Kapazität Kurven aufgetragen sind, und eine Kurve V1, die die Spannung an der Spule 86 darstellt, und eine Kurve, die die Spannung V2 darstellt am Balken 78b relativ zu Massepotential. Die Kurve I zeigt elektrischen Stromfluss durch die Spule 86, und es wird auch in Bezug auf kapazitive Verschiebung aufgetragen.
In Anbetracht des Betriebs der Induktivität 86; angesichts der Kapazität zwischen den geerdeten Stäben 78a und dem kapazitiv geladenen Stäbe 82b (an Batterie 90) eine Ladung auf den Stäben 78a abgeschieden. Natürlich kann in der Abwesenheit von der Induktivität 86, würde diese Ladung unmittelbar an Masse geleitet werden. Jedoch durch Bereitstellen der Induktivität 86 wird die Spannung der Kurve V1 über diesem Element entwickelt. Diese Spannung dient der weiteren Feldformvorrichtung zwischen den Stangen und führt zu einer effizienteren Energieumwandlungsvorrichtung erzeugen. Das heißt, wird die Spannung der Kurve V1 auf den Stäben 78a in Phase mit der Kapazität C1, so dass der Einfluss des Feldes Stangen 78a, um die Ladung bei oder nahe dem Maximum der induzierten Kapazität C1 erhöhen dient und dient auch durch Verringerung der Feldstärke die minimale Ladung Bars 78b und 82b an oder nahe dem Zeitpunkt der minimalen Kapazität statt zu reduzieren. So ist die Variation in dem elektrostatischen Feld wird das System mehr Drehmoment zu absorbieren, was zu einer erhöhten Kraft-Konvertierungsfähigkeit für das System.
Neben der Bereitstellung von Induktor 86 wie in Fig.5 gezeigt, sind andere Schaltungskonfigurationen mit Induktivitäten weiter zu beeinflussen Resonanzstrom Spannungsstöße, zu erhöhen und eine Verringerung der Feldspannungen in richtiger Phasenbeziehung mit der Kapazitätsänderung, und vergrößert somit die Amplitude der Kondensator Wechselstrom. Eine solche andere Variante ist in Fig.7 die Stäbe ähnlich denen der Fig.5 und in denen verwendet, gleiche Elemente in ähnlicher Weise gezeigt werden identifiziert.

In dem System in Fig.7 gezeigt, wird eine Spule 98 zwischen der Diode 88 und dem Verbindungspunkt 99 zwischen Diode 92 und dem Balken 78b verbunden. Ferner ist ein Kondensator 100 über die Diode 88 verbunden. Im Allgemeinen stellt der zusätzliche Schwingkreis weiter Stromstöße in der gewünschten Phasenbeziehung mit der Variation der Kapazität. Auch neigt der Resonanz zwischen Induktivität 98 und der Kondensator 100, um höhere Spannungen in dem elektrischen Feld des variablen Kondensators relativ zu den Spannungen an der Anregungsquelle 90 und der Last 94 zu produzieren. Die Fähigkeit der Maschine auf hohe Leistung von einer geringen Größe des variablen Kondensators zu erreichen, ist dadurch stark verbessert.

Eine graphische Anzeige der Verbesserung eines Systems aufgrund der Anwendung bestimmter Prinzipien der vorliegenden Erfindung können in Fig.8 gesehen werden, welche umfasst mehrere Kurven beschreibt verschiedene Vorrichtungen, und wobei Geschwindigkeit ist entlang der horizontalen Achse und die spezifische Leistung ist geplottet aufgetragen entlang der vertikalen Achse. Spezifische Leistung wird hier als die Leistung pro Einheit Erregerspannung Quadrat definiert (P/Eo2) für eine gegebene Größe und Konfiguration der Maschine.
Die Kurve E1 ist, das die Betriebscharakteristik des einfachen System in Fig.1 gezeigt. Die Kurve E2 (die eine wesentliche Verbesserung in der Leistung) angibt des Systems in Fig.5 gezeigt. Die Kurve zeigt die E3 Verbesserung des Systems von Fig.7 (ohne den Aspekt mit Bezug auf Fig.5 beschrieben), während die Kurve E4 zeigt den Betrieb des Systems in Fig.7 gezeigt, wie es dargestellt ist.
Es ist offensichtlich, dass die Energieumwandlungsvorrichtung Fähigkeiten des Systems gemäß Fig.7 (dargestellt durch die Kurve E4) stark sind über den einfachen System, das keine dieser Aspekte der vorliegenden Erfindung verbessert, insbesondere, wenn der Generator mit einer festen Geschwindigkeit betrieben wird oder wenn Mittel vorgesehen sind, um die Induktivität oder Kapazitätswerte der Komponenten 86, 98 und 100 einzustellen, um die Spitzenleistung bei abgestimmten Geschwindigkeit, was die Maschine betrieben wird geben.

Obwohl verschiedene Aspekte der vorliegenden Erfindung kann unterschiedlich auf elektrostatische Maschinen, um die gewünschten Ergebnisse zu erreichen aufgebracht werden, wird eine bestimmte Darstellung einer Arbeitsmaschine in Fig.9, Fig.10, Fig.11 und Fig.12 gezeigt und wird nun im Detail betrachtet werden.
Das System ist
in einem Gehäuse 110, das
abgedichtet und evakuiert wird beibehalten durch eine Vakuumpumpe 112 montiert. Durch Betätigung des
variablen Kondensators zyklisch-Vorrichtung zu einer relativ hohen Vakuum
werden Isolationsprobleme reduziert und Ventilationsverluste minimiert. Das
Gehäuse 110 weist eine flache zylindrische
Form und besteht aus einer kreisförmigen
Eine mechanische Welle 120 verläuft konzentrisch durch das Gehäuse 110 und wird Zapfen in Lagern 124 und 126, der Vakuumdichtungen übernehmen 124a und 126a geführt. Die Welle 120 weist einen Rotor 128 koaxial befestigt an und ist mit einer mechanischen Vorrichtung 130 durch die Welle angetrieben wird. Welle 120 (hergestellt aus isolierendem Material) einen leitenden Abschnitt 132 darin ausgebildet, die elektrisch verbindet Rotors 128 durch eine Bürste 134 und einer Nase 136 mit einem Anschluss einer Batterie 138, der andere Anschluss geerdet ist.
Im Allgemeinen ist die grundlegende elektrische System ähnlich der Fig.7 mit den Statorelementen durch Laschen 146 und 148 mit einem Knotenpunkt 150, der über einen Induktor 152 und einen Kondensator 154 mit Masse verbunden ist. Eine Diode 156 ist parallel mit dem Kondensator 154 verbunden. Der Verbindungspunkt 150 ist ebenfalls durch die Diode 158 zu einem Filter 160, der wiederum verbunden ist mit einer Last 162 verbunden. Die feldformenden Elektroden in den Statorelementen 140 und 142, werden aus Laschen 164 und 166 durch eine Spule 168 mit Masse verbunden.
In Anbetracht der zyklisch variierenden Kapazitätswert Vorrichtung näher, weist der Rotor ein Paar von Platten 170 und 172 (Fig.12), die mit winkelmäßig versetzten abstrahlenden Nuten 174, die durch Punktschweißen miteinander verbunden sind gebildet werden schweißt 176, sodass die Nuten 174 im wesentlichen Strahlungselement bilden Balken 175. In dieser Struktur ist der Rotor vollständig leitenden Material, z. B. Metall, ausgebildet, um aufweisen Strahlenrohre 175 (Fig.11), welche durch den Schaft 132 und dem Leiter Bürste 134 an die Batterie 138 verbunden sind.
Die Stator-Komponenten 140 und 142 ähnlich sind und eine Mehrzahl von Rohren 180 (Fig.10) strahlenförmig in einer Ebene von einer axialen Lage im Statorelement und unterstützt in einer kreisförmigen Montageplatte Stator 181 durch, die darin eingebettet sind. Rohre 180 sind aus Metall gebildet ist und die Halterung 181 Abstützen der Röhren aus einem isolierenden Material als Gussteil aus Epoxidmaterial gebildet ist. Mögliche der Rohre 180 werden bezeichnet 180a und sind elektrisch mit einem Anschluß 184 auf, die durch eine der Nocken 146 oder 148 an einem Punkt 186 in Kontakt gebracht wird verbunden.
Die Laschen 164 und 166 sind mit Masse durch den Induktor 168 verbunden, wobei der Balken 180a als feldformenden Stäbe verwendet werden, während die eigentlichen Stäbe 180b variabler Kapazität Elemente sind. In dieser Struktur wird nur der Stator mit feldformenden Elektroden vorgesehen, jedoch ist es zu verstehen, dass in verschiedenen anderen Ausführungsbeispielen feldformenden Elektroden sowohl in dem Stator und dem Rotor, oder nur in einer Struktur vorgesehen sein, wie mit Bezug auf Fig.5 und Fig.7 gelehrt. Auch in dem System in Fig.9 gezeigt, ist nur ein einziger Rotor Platte vorgesehen, es ist jedoch deutlich verstanden werden, dass eine große Anzahl von ineinandergreifenden Rotor und Statorplatten in Systemen der vorliegenden Erfindung kann vorgesehen sein, abhängig von der Nenn Leistungswandlungssystem Fähigkeit des Systems.
Im Betrieb des Systems in Fig.9 gezeigt, wird der Rotor 128 relativ zu den Statorelementen 140 und 142 durch die mechanische Vorrichtung 130 gedreht. Daher werden die röhrenförmigen Rotorstäben in und aus der Ausrichtung mit den abstrahlenden Statorstäbe 180b angetrieben. Daher sind die Verbindungen zu diesen Elementen (Nasen 146 und 148, und Bürste 134) erfahren eine zyklisch variierende Kapazität. Die Statorstäbe 180a erweitern den Bereich dieser Kapazität in der Weise in Bezug auf 4 beschrieben.
Während Intervallen von hoher Kapazität wird die zyklische Struktur, die durch kapazitive Batterie 138 durch die Induktionsspule 152 und die Diode 156 aufgeladen. Da die Kapazität der Struktur abnimmt, erhöht sich die Spannung darin, einen Strom durch die Diode 158 und Filter 160 an die Last 162. Somit wird mechanische Energie von der mechanischen Vorrichtung 130 effizient in elektrische Energie umgewandelt und in dieser Form an die Last 162.
Während die bisherigen Diskussion primär auf elektrostatische Generatoren betrafen, versteht es sich, dass die wichtigen Merkmale der vorliegenden Erfindung gleichermaßen für elektrostatische Motoren werden.
Ein wichtiges Merkmal der vorliegenden Erfindung liegt in der Struktur in Fig.9 offenbart, die wirtschaftlich hergestellt werden kann und in der Praxis verwendeten elektrischen Systemen.
Ein weiteres wichtiges Merkmal der Erfindung liegt in der Verwendung der Feld-bildenden Elektroden im Stator oder Rotor oder beide dem Stator und dem Rotor zu einer effektiveren Energieübergänge bewerkstelligen..
US-Patent
4.127.804 28. November 1978 Erfinder: Onezime Breaux
ELEKTROSTATISCHEN
ENERGIE KONVERTIERUNG SYSTEM
Dies ist ein wichtiges Gestaltungselement, sondern als die physikalischen Details des Patents eher begrenzt, statt zu reproduzieren das Patent hier scheinen, werde ich versuchen, eine Beschreibung, die verständlicher sollte für die durchschnittliche Person bieten.
Das Prinzip
Denn eine größere Energieausbeute als die Energiezufuhr benötigt, um jede Generator arbeiten zu machen, muss die zusätzliche Energie von irgendwoher kommen. Es gibt keine magische zu einem dieser Systeme, da wir uns in einer massiven Energiefeld eingetaucht sind. Wir bemerken nicht, das nicht mehr, als wir die Funkwellen, die vorbei bemerken, und durch uns, die ganze Zeit. Dieses Energiefeld ist sehr mächtig wie Thomas Henry Moray zeigte viele Male durch die Gewinnung 50 Kilowatt elektrischer Leistung aus nur einer einfachen Antenne und einem Masseanschluss. Wir wissen nicht, wie er das tat, aber wir würden sehr gerne wissen, wie. Dennoch zeigte Moray, dass es massive Power überall um uns herum - Macht, die frei ist für die Aufnahme, wenn wir, wie es zu tun ist. Leider sind die meisten der großen Zahl von Menschen, die wissen, wie man diese Energie zu extrahieren müssen, weigern sich, diese Informationen zu teilen, so dass uns die Arbeit aus Grundprinzipien, wie diese freien Energie zu gewinnen. Es sollte nebenbei bemerkt werden, dass wir bereits nutzen diese kostenlose Energie, wenn wir "Stromnetz", da keiner der Energie durch den örtlichen Stromversorger gelieferten kommt eigentlich aus Ihrer Steckdose Steckdose zu verwenden, da der gesamte Strom durch den Power Company geliefert fließt direkt zurück zu diesem Unternehmen. Alle Power Company hat ist es, die Bedingungen, die einige der freien Energie in Ihrem Ort führen, um durch die elektrische Ausrüstung, die Sie stecken in diese Steckdose. Was Freie-Energie-Geräte zu tun, ist die Einrichtung die gleichen Bedingungen, die Strom aus unserer massiven umgebenden Energiefeld, ohne die Notwendigkeit für jede Hilfe aus dem lokalen Power Company zeichnen.
Das Design
Wenn Sie ein Auto-Motor zu starten, verbinden Sie die Autobatterie mit einem elektrischen Anlasser, der den Motor dreht und verursacht Funken im Inneren jedes der Zylinder des Motors erzeugt werden. Die Stromaufnahme aus der Batterie durch den Anlasser und ist für immer verloren. Wenn der Fahrzeugmotor gestartet wird, dann ein Teil der Energie in dem Brennstoff von dem Motor verbrannt gespeichert wird verwendet, um den elektrischen Strom aus der Batterie entnommen ersetzen. Wenn das Auto der Motor nicht anspringt, dann nach relativ kurzer Zeit, werden alle der elektrischen Energie in der Fahrzeugbatterie gespeichert ist, der Anlasser und die Batterie wird nicht mehr in der Lage sein, noch mehr Strom zu versorgen, um den Motor umdrehen zugeführt werden .
Der Generator hier beschriebenen ist ein sehr cleveres Design wie jede Leistung, die es bietet, es hält und verliert nicht nichts davon. Es ist so etwas wie das Auto Starter Motor Rücksendung der Strom an die Batterie, so dass eine beliebige Anzahl von Versuchen, den Motor anzulassen. Die Art und Weise, dass es funktioniert ist es, aktuelle rückwärts und vorwärts gehen zwischen zwei Kondensatoren. Das aktuelle, wird durch die Primärwicklung eines Ausgangstransformators passieren, genau imitiert das Signal, das die Power Company lädt Sie. Doch mit unseren Generator ist, dass die aktuellen nie verloren und kann immer und immer und immer wieder werden. Eine Batterie wird verwendet, um diese anfänglichen Strom erzeugen, und wenn der Generator zu arbeiten beginnt, lädt sich der Akku und, falls gewünscht, kann die Batterie vollständig entfernt werden und der Generator ist dann autark. Die Batterie wird nur verwendet, um den Generator laufen beginnen und nicht zu einem anderen Zeitpunkt verwendet.
Der Umriss Design ist sehr einfach und kann visualisiert wie hier gezeigt werden:

Dabei markiert der Motor M in dem Diagramm dreht sich ein Metallschaft 23. Die Achse ist auf keramischen rollengelagert (so auf Skateboards verwendet) und nichts auf der Achse berührt andere Teile, so dass die Achse sich frei dreht und sehr wenig Leistung benötigt, um es zu drehen, bedeutet.
Achse 23 hat metal 'Flügel' oder Platten 21 an ihn und diese Pass aber etwas ähnliches Metall Schaufeln 25, die fixiert sind und sich nicht bewegen. Diese vier Sätze aus Metall Flügel bilden zwei getrennte variable Kondensatoren.
Die Schaufeln 21 sind so angeordnet, daß, wenn ein Satz seine maximale Kapazität (vollständig in den sich nicht bewegenden Schaufeln 25, wie auf der rechten Seite des Diagramms gezeigt, eingefügt) gelangt dann die andere Satz von Schaufeln an ihr ist minimale Kapazität ist so weit entfernt, wie es möglich aus es Matching von Flügeln 25 gesetzt.
Zunächst bei Inbetriebnahme sind die beiden Sätze von Flügeln markiert 25 voll auf eine hohe positive Spannung von einem elektrischen System berechnet (hier nicht dargestellt) und der Ausgangsübertrager ist zwischen diesen zwei Sätzen von Schaufeln verbunden ist, wodurch diese Anordnung:

Die Sätze von Platten 21 sind mit einer stark negativen Ladung verbunden ist, geleitet, um sie durch die Metallwelle 23. Wenn die negativen Platten 21 zwischen den positiv geladenen Platten 25 eingesetzt sind, wird der gesamte positive Ladung an den unvermaschten Platten 25 in Richtung des negativen Ladung auf den vermaschten Platten 21 gesaugt, sondern dass Ladung wird gezwungen, durch den Ausgangstransformator auf ihr Weg fließen . Diese Anordnung bewirkt, daß die positive Ladung auf den festen Platten an Shuttle rückwärts und vorwärts durch den Ausgangstransformator, nie Platz beim Prozess "aufgebraucht". Dies bedeutet, daß der Generator eine elektrische Leistung von 220 Volt bei 50 Hz und die einzige benötigte Eingangsleistung ist die winzige Menge erforderlich ist, um die Rotorwelle dreht aufweist. Die Kraft benötigt, um die Rotorwelle dreht sich nicht in irgendeiner Weise durch die Intensität des Stroms von der Ausgangsübertrager, dass der Generator, die völlig unabhängig von der Last gezogenen bedeutet betroffen. Zwar ist dies ein sehr cleveres Design, können eine Reihe von praktischen konstruktiven Details geändert, um die Leistung zu verbessern.
Die Breaux Patent zeigt eine Schaufelform die Frequenz, bei der der Antriebsmotor Spins und die auf der Welle ausgeglichen wird, wodurch keine Wellenschwingung, wenn drehte sich rasch verdoppelt. Die Plattenform wird hier gezeigt:

Sie werden bemerken, dass der Rotor Platten (grau dargestellt), 90 Grad auseinander sind, positioniert eine noch bessere Welle Gleichgewicht. Alle der Rotorplatten die gleiche Form haben und alle der Statorplatten haben die gleiche Form, die hilfreich für die Massenproduktion ist. Während nur zwei Rotorplatten und zwei Statorplatten in diesem einleitenden Diagramm gezeigt sind, kann es so viele Paare von Rotor / Stator-Platten wie gewünscht sein. Jeder zusätzliche Paar von Platten erhöht die Ausgangsleistung des Generators.
Diese Konstruktion erfordert die Platten in einem Vakuum, was stark darauf hindeutet, dass diese Vorrichtung nicht als die in einem Vakuum prototyped, wenn alle leitenden Oberflächen haben hervorragende Isolierung sein, würde ein großer Katastrophe wie der koronale Entladung wäre massiven - schließlich, das ist, wie Elektronenröhren oder "Röhren" gemacht werden, und sie tragen große elektrische Ströme durch ein Vakuum. Für diese Konstruktion richtig funktionieren kann, muss sie in trockener Luft betrieben werden.
Die Leistung eines Gerätes dieser Art mit zunehmender Flügelrad Bereich, und mit verminderter inter-Schaufelzelle und mit erhöhter Spannung. Folglich wird eine Betriebsspannung deutlich höher als 220 Volt verwendet, wenn der Ladevorgang der Flügel sein. Dies bedeutet, dass die Ausgangsspannung werden viel höher als bequem ist. Generatoren dieser Art zeigen in der Regel eine resistive Last und nur einer ohmschen Last. Eine praktische Implementierung würde einen Abwärtstransformator am Ausgang, um eine funktionierende Wechselstrom-Spannung von 220V erreichen. Es wird allgemein angenommen, dass die induktiven Natur der Primärwicklung eines solchen Transformators würde eine wesentliche Drosselung auf der oszillierenden Strömung von Ladung zwischen den Platten zu schaffen, aufgrund der Gegen-EMK der genannten Wicklung. Das ist nicht der Fall, wenn ein Thane Heins Stil der Transformator verwendet wird (wie in Kapitel 3 gezeigt), wie ein Transformator dieser Art keinen signifikanten EMF umkehren, dass dies eine sehr interessante Gestaltungsmöglichkeiten, zumal der Ausgang Stromaufnahme macht nicht die Eingangsleistung, die ausschließlich verwendet wird, um die Rotorwelle zu drehen.
In der Theorie ist die statische Ladung zunächst auf den Kondensatorplatten gelegt nie erschöpft. Doch in dieser Welt, perfekte Bedingungen scheinen nie angetroffen werden. In diesem Fall gibt es einen sehr geringen Verlust an Ladung über die Zeit, und daß Ladung ganz kurz nachdem eine beträchtliche Zeit verstrichen gesteigert. Eine kurze Hochspannungsimpuls einmal alle zehn Minuten dürfte ausreichen. Es gibt keine Korona Energieverlust beispielsweise Corona Streamern bilden nur bei hoher Frequenz und dieser Generator nicht überschreitet ein absolutes Maximum von 60 Hz, die eine sehr niedrige Frequenz ist in der Tat, so kann es niemals eine Koronaentladung überhaupt.
Patrick Kelly
http://www.free-energy-info.tuks.nl
http://www.free-energy-info.com
http://www.free-energy-info.co.uk