Eine Praktische Anleitung zum Energie
Kostenlos Geräte
Autor: Patrick J. Kelly
Kapitel 6: Aufladen der Batterie Gepulsten
Systemen
Hinweis: Wenn Sie nicht an alle kennen Grundlagen der Elektronik, könnten Sie finden
es einfacher, dieses Kapitel zu verstehen, wenn Sie Kapitel 12 lesen Sie
zuerst.
Es ist möglich, erhebliche Mengen an Energie aus der lokalen Umgebung und
Verwendung zu lenken, dass die Energie, die Batterien aufzuladen. Nicht nur das, aber wenn diese Methode der
Aufladung verwendet wird, die Batterien nach und nach auf diese Form der
nicht-konventionellen Energie und ihre Fähigkeit, Arbeit zu verrichten steigt
Anlage bekommen. Darüber hinaus etwa 50% der Fahrzeugbatterien als unfähig,
ihre Ladung nicht mehr verlassen, werden auf diese Art von Laden zu reagieren
und zu beleben voll. Dies bedeutet, dass
eine Batteriebank kann zu sehr niedrigen Kosten geschaffen werden.
Während dieses Wirtschaftswinkel ist sehr attraktiv, mit Batterien für nennenswertem
Hause Anwendung ist jedoch einfach nicht praktikabel. Wenn Sie ein neues
Bankkonto und Einlagen £1000 gesetzt in ihm, und wenn Sie zurückkommen, um auf
sie ein paar Tage später zu überprüfen, entdecken Sie, dass es nur £500 darin. Sie fragen, die Bank, um diesen Fehler zu
überprüfen und sie darüber informieren, dass es keine Fehler, nur alle Banken
zurück Hälfte von dem, was in jedem Konto.
Was würden Sie davon? Aber das
ist genau das, was eine Bleibatterie für Sie tut - es gibt nur die Hälfte des
Stroms, der Sie bei der Aufladung sie füttern hinein. Mit anderen Worten, verschwenden Sie die
Hälfte der Leistung, die Sie in einer Autobatterie zu ernähren. NiCd und die
immer beliebter NiMh-Akkus zurück zwei Drittel von dem, was in sie eingespeist.
Kondensatoren und Banken von
Super-Kondensatoren sind zu 100% effizient und verlieren nichts, als im
Gegensatz zu Batterien, sie sind nicht ein chemischer Prozess.
Es wird empfohlen, dass die Batterien nicht schneller als eine 20 Stunden
Periode entladen. Dies bedeutet, dass
eine Batterie bewertet bei einer Kapazität von 80 Ampere-Stunden (80 AHR) ist
nicht erforderlich, einen Strom von mehr als 4 Ampere zu liefern. Wenn Sie diese Entladungsrate übersteigt,
wird dann die Anzahl der Male, dass die Batterie geladen und entladen werden
stark zurückgeschnitten - etwas, was Sie nicht zu dem Zeitpunkt schon klar,
aber entdecken später, wenn die Batterie ausgetauscht, da es nicht mehr im
Besitz werden eine Gebühr. Dies ist eine
verheerende Beschränkung, die Batteriebetrieb in den nicht-praktischen Bereich
drückt, bis auf sehr geringe Lasten wie Lichter, Fernseher, DVD-Recorder und
ähnliche Geräte mit minimalem Strombedarf.
Die Kosten für den Betrieb eines Hause sind diejenigen der Heizen / Kühlen die Räumlichkeiten und Betriebsmittel wie eine Waschmaschine. Diese Gegenstände haben eine minimale Belastung von knapp über 2 kW. Es macht keinen Unterschied, um den Strombedarf, wenn Sie eine 12-Volt-, 24-Volt-oder 48-Volt-Batterie Bank verwenden. Egal welche Anordnung gewählt wird, ist die Anzahl der Batterien erforderlich, um eine bestimmte Antriebsleistung bereitzustellen gleich. Die höhere Spannung Banken haben kleinere Durchmesser Verdrahtung der Strom niedriger, aber der Strombedarf bleibt die gleiche.
Also, um eine 2 kW Last mit Strom zu versorgen, erfordert eine Gesamtstrom von 12-Volt-Batterien von 2000/12 = 167 Ampere. Mit 80 AHr Batterien ist 42 Batterien. Leider sind die Ladeschaltungen unten beschrieben, wird nicht eine Batterie, die Speisen einer Last ist. Dies bedeutet, dass für eine Anforderung wie Heizung, die einen Tag und Nacht Voraussetzung ist, bedarf es zwei dieser Akku Banken, die uns zu 84 Batterien. Dies ist nur für eine minimale Belastung 2 kW, was bedeutet, dass, wenn dies für die Heizung verwendet wird, es nicht möglich ist, um die Waschmaschine zu betreiben, wenn die Heizung ausgeschaltet bedeutet. So, so dass für einige zusätzliche Belastung wie diese erreicht der Akku count, vielleicht 126. Das Ignorieren der Kosten, und unter der Annahme, dass Sie einen Weg, um über die Säure Problem zu finden, ist die schiere physische Volumen dieser Anzahl von Batterien einfach nicht realistisch für die Hausinstallation und Verwendung. Nebenbei würden Sie müssen auch zwei Wechselrichter mit einer 2500 Watt-Fähigkeit
Die jüngste Ladesystem von 'UFOpolitics "im Kapitel 3 gezeigt, eine sehr gute und einfache Ladeverfahren die kalte Strom verbraucht. Dies kann zu überwinden die bisherigen Einschränkungen durch Verwendung von Batterien, wahrscheinlich sowohl in Bezug auf Stromverbrauch und in Bezug auf Ladezeit verhängt. Die Electrodyne Corp Personal extensiv mit dem Tesla Schalter Schaltung experimentiert, gefunden, dass, wenn eine Batterie voll wurde verwendet kalten Strom bedingt ist, dass eine Batterie getrennt werden konnte, unabhängig auf seine volle Kapazität entladen wird, und dann vollständig in unter einer wieder aufgeladen Minute. Dieser Stil der Operation vollständig überwindet die Einwände gegen Akkubetrieb Banken an die Macht Hausrat aller Macht.
Battery Banken an die Macht Standard-Wechselrichter, die wie folgt aussehen kann:

Die Batterie verbindet auf der Rückseite, mit sehr dicken Drähten und einem oder mehreren Netzsteckdosen auf der Vorderseite eine Stromversorgung ähnlichen an das Stromnetz passenden es sowohl in Spannung und Frequenz. Es gibt eine Vielzahl von Inverter genannt "True Sine-Wave" Wechselrichter und kostet viel mehr als die gewöhnlichen Nicht-Sinus-Wechselrichter. Die meisten Geräte funktioniert gut auf der normalen Sorte. Es ist in der Regel die verfügbare Leistung aus der Batterie Bank, die der limitierende Faktor ist, kombiniert mit der langen Zeit, um die Batterie Bank nach Gebrauch wieder aufladen.
John Bedini hat eine ganze Reihe von Pulsgeneratorschaltungen entwickelt, die alle auf das 1:1 Multi-Strang Drosselspule Komponente in seinem Patent US 6.545.444 bekannt

Die sehr saubere Schaltanordnung von John verwendet wird ausführlich in der älteren Patent US 3.783.550 in 1974 erteilt, wo die gleichen Magneten ausgelöste Steigerung Elektromagneten Impuls zur Stromversorgung eine ganze Reihe von Bewegungen gezeigt. Eines davon ist zwei magnetischen Kreisel gemacht in einer flachen Schale Spin:

Wenn
die Spitzen schnell drehen, erheben sie sich den schrägen Boden der Schale und
Spin in der Nähe des äußeren Randes. Als sie sich sie zurück in Richtung der
Mitte der Schale zu bewegen verlangsamen und dass löst die Batterie /
Transistor / Elektromagneten in den Boden der Schale gebaut. Der Puls von dem
Elektromagneten erhöht den Spin der Spitze, Senden sie wieder auf der Piste.
Dies ist eine sehr übersichtliche Anordnung der Transistor ausgeschaltet ist
die meiste Zeit und doch die beiden Oberseiten halten Spinnen.
Ein
weiteres Roger-Systeme wird hier gezeigt:

Es
arbeitet in nahezu gleicher Weise mit einem magnetischen rollendes Rad
rückwärts und vorwärts entlang einer Kurvenbahn. An der tiefsten Stelle ist der
Elektromagnet durch die induzierte Spannung in einigen der Windungen der Spule
ausgelöst wird, die Stromversorgung des Transistors und der Stimulierung der
magnetischen Walze auf dem Weg.
Ein
weiterer Andrews Gerät ist das Pendel, wo die Weitergabe Magneten des Pendels
löst eine Steigerung der Impuls von der Magnetspule, halten das Pendel
schwingt. John Bedini hat auch diesen Mechanismus für eine gepulste
Batterieladesystem verwendet und Veljko Milkovic hat gezeigt, dass erhebliche
mechanische Energie aus einem Hebel, der von einem Pendel angetrieben wird
extrahiert werden können.

Andrews
zeigt auch eine Schaltungsanordnung für einen Motor. Diese Konstruktion ist im
Wesentlichen die gleiche wie von John Bedini verwendet in vielen seiner
pulsierenden Systeme:

Hier,
wie der Rotormagnet übergibt den gekrümmten Elektromagneten in der Basis, so
schaltet sie auf den zwei Transistoren, die einen Impuls, der die Rotorspinnen
und die winzige Generator Drehen hält erzeugen. Andrews produzierte diese für
die Unterhaltung der Rotor scheint auf seine eigene, ohne Antriebsleistung zu
drehen.
Wie
bei der Andrews System wird der Rotor Bedini begonnen Spinnen von Hand. Wie ein
Magnet übergibt die Triple-Wunde "tri-filar" Spule induziert es eine
Spannung in allen drei Wicklungen. Der Magnet auf dem Rotor wirksam
beitragenden Energie an die Schaltung, wie es der Spule hindurchgeht. Eine
Wicklung speist einen Strom zu der Basis des Transistors über den Widerstand R
tragen. Dieser schaltet den Transistor hart an, das Fahren eines starken Stromimpuls
aus der Batterie durch die zweite Wicklung, die Schaffung eines 'North' pole an
der Spitze der Spule, die Förderung des Rotors auf dem Weg. Da nur ein
wechselndes Magnetfeld erzeugt eine Spannung in einer Spulenwicklung ist das
stationäre Transistor Strom durch die Spule zwei nicht auf die
Transistor-Basisstroms Sustain durch die Spule ein-und der Transistor wieder
ausschaltet.
Das
Schneiden der Strom durch die Spule bewirkt, dass die Spannung über den Spulen
Überlauf durch eine größere Menge, Bewegen außerhalb der Batterie Schiene von
einer schweren Spannung. Die Diode schützt den Transistor durch die
Verhinderung der Basis-Spannung unterhalb -0,7 Volt übernommen. Die dritte
Spule, auf der linken Seite gezeigt ist, nimmt alle diese Impulse gleichrichtet
und sie über eine Brücke von 1000V bewertet Dioden. Die resultierende
pulsierende Gleichstrom an den Kondensator, der ein aus einer Einwegkamera ist
vergangen, da diese für hohe Spannungen und sehr schnellen Entladung eingebaut
sind. Die Spannung am Kondensator baut sich rasch und nach mehreren Impulsen,
die gespeicherte Energie in es in die "Laden" Batterie über den
mechanischen Schaltkontakten entladen. Das Antriebsband auf das Rad mit dem
Nocken darauf eine mechanische Verzahnung nach unten, so dass es mehrere
Ladeimpulse zwischen aufeinanderfolgenden Schließungen der Kontakte. Die drei
Spulenwicklungen auf die Spule zur gleichen Zeit platziert und umfasst 450
Windungen der drei Drähte (markieren die Anfangsenden vor dem Wickeln der
Spule).
Der
Betrieb dieses Gerätes ist ein wenig ungewöhnlich. Der Rotor wird von Hand
gestartet und es zunehmend gewinnt Geschwindigkeit, bis die maximale
Geschwindigkeit erreicht ist. Die Menge an Energie geleitet, um den
Spulenwicklungen durch jeden Magneten auf dem Rotor gleich bleibt, aber je
schneller der Rotor bewegt, desto kürzer die Zeitspanne, in denen die Energie
übertragen wird. Der Energieeintrag pro Sekunde, empfangen von den
Permanentmagneten, erhöht sich mit der erhöhten Geschwindigkeit.
Wenn
die Rotation schnell genug ist, ändert sich der Vorgang. Bisher hat der Strom
von der 'Driving "Batterie entnommen mit der zunehmenden Geschwindigkeit
zugenommen, aber jetzt der Treiberstrom zu fallen beginnt, obwohl die
Geschwindigkeit weiter zu. Der Grund dafür ist, dass die erhöhte
Geschwindigkeit hat den Permanentmagneten vorbei an der Spule zu bewegen, bevor
die Spule gepulst verursacht. Dies bedeutet, dass die Spule Puls nicht mehr nur
um gegen den "Norden" Pol des Magneten schieben, sondern darüber hinaus
zieht es den "Süden" Pol der nächsten Magneten auf dem Rotor, der
sich der Rotor in Gang hält und erhöht die magnetische Wirkung der Spule Puls.
John besagt, dass die mechanische Effizienz dieser Einrichtungen immer unter
100% effizient, aber gesagt haben, dass, ist es möglich, Ergebnisse von COP =
11 zu erhalten. Viele Menschen, die diese Geräte zu bauen nie schaffen, um
COP> 1.
Es
ist wichtig, dass ein Standard-Netzbetrieb Akku-Ladegerät nie benutzt wird, um
diese Batterien aufzuladen. Es ist klar, dass die "kalten Strom"
durch eine richtig abgestimmt Bedini Gerät erzeugten unterscheidet sich
wesentlich von normalen Strom, obwohl sie beide die gleichen Aufgaben beim
Einschalten elektrischen Geräten. Beim Aufzeichnen eines Blei-Säure-Batterie
mit Strahlungsenergie zum ersten Mal berechnet, wird empfohlen, dass die
Batterie zunächst auf mindestens 1,7 Volt pro Zelle, die etwa 10 Volt für eine
12 Volt-Batterie ist entladen.
Es
ist wichtig, um die Transistoren in einem der Johns Diagrammen angegebenen
anstatt Transistoren, die als Äquivalente aufgelistet sind. Viele der Entwürfe
nutzen die schlecht benannt "negative Widerstand" Eigenschaften von
Transistoren. Diese Halbleiter zeigen keine Form von negativen Widerstand,
sondern stattdessen zeigen positiven Widerstand mit steigendem Strom reduziert,
über einen Teil ihres Betriebsbereichs.
Es
ist gesagt worden, dass die Verwendung von "Litz" Draht kann den
Ausgang dieses Geräts durch nichts bis zu 300% erhöhen. Litzendraht ist die
Technik der unter drei oder mehr Litzen und Verdrehen sie zusammen. Dies wird
mit den Drähten ausgestreckt nebeneinander, indem sie eine Länge von etwa drei
Meter, und Rotieren des Mittelpunktes des Bündels von Drähten für mehrere
Umdrehungen in eine Richtung erfolgen. Dies erzeugt Uhrzeigersinn verdreht zur
Hälfte der Länge und gegen den Uhrzeigersinn verdreht für den Rest der Länge.
Geschehen über einen langen Länge des Drahtes, die Drähte verdreht sind
mehrfach im Uhrzeigersinn - gegen den Uhrzeigersinn - im Uhrzeigersinn - gegen
den Uhrzeigersinn - ... über die gesamte Länge. Die Enden der Drähte werden
dann von ihrer Isolierung gelöscht und miteinander verlötet, um einen
dreisträngigen Kabels machen, und das Kabel wird dann verwendet, um die Spulen
zu wickeln. Diese Art der Wicklung modifiziert die magnetischen und
elektrischen Eigenschaften der Wicklungen. Es ist gesagt worden, dass die
Einnahme drei lange Drähte und nur das Drehen von ihnen zusammen in eine
Richtung um eine lange Twisted dreisträngigen Kabel ist fast so effektiv wie
mit Litze. Die Webseiten www.mwswire.com/litzmain.htm
und www.litz-wire.com sind Anbieter von fertigen Litze.
Eine Website, die Bilder von Johns-Geräte zeigt, ist:
www.rexresearch.com/bedini/images.htm
VORSICHT: Achten Sie darauf, wenn Sie mit Batterien arbeiten, vor allem
Blei-Säure-Batterien betrieben werden. Ein geladener Batterie enthält eine
große Menge an Energie und Kurzschließen der Klemmen eine sehr große
Stromfluss, die einen Brand verursachen können. Wenn geladen, geben einige
Batterien off Wasserstoffgas, das bei Vermischung mit Luft ist sehr gefährlich
und welche kann explodieren, wenn durch einen Funken gezündet. Batterien können
explodieren und / oder Feuer fangen, wenn grob überladen oder aufgeladen mit
einer übermäßig großen Strom, so könnte es Gefahr durch umherfliegende Teile
des Gehäuses und möglicherweise Säure, die um geworfen werden. Selbst ein
scheinbar sauber Blei-Säure-Batterie kann ätzende Spuren auf dem Gehäuse, so
sollten Sie sicher sein, Ihre Hände gründlich waschen nach dem Umgang mit einer
Batterie. Batterien mit Blei Klemmen neigen dazu, kleine Fragmente von Blei
vergossen, wenn Clips auf sie gesetzt werden. Blei ist giftig, so stellen Sie
bitte sicher, Ihre Hände nach dem Umgang eines Teils einer Blei-Säure-Batterie
zu waschen. Bedenken Sie auch, dass einige Akkus können geringfügige
Undichtigkeiten zu entwickeln, so wenden Sie sich bitte zum Schutz vor
Leckagen. Wenn Sie sich entscheiden, keine Experimente mit Batterien, die Sie
tun dies auf eigenes Risiko und auf eigene Verantwortung durchführen. Dieser
Satz von Dokumenten dienen lediglich der Information und präsentiert Ihnen
werden nicht ermutigt, etwas anderes als die Informationen lesen zu tun.
Auch, wenn Sie ein von Johns Impulsmotoren richtig gestimmt zu
bekommen, wird es vielleicht 10.000 rpm zu beschleunigen. Das ist toll zum
Aufnehmen Energie, aber wenn Keramik-Magnete verwendet werden, die
Geschwindigkeit kann zu deren Zerfall und fliegen in alle Richtungen. Die
Menschen haben Magneten Fragmente in ihre Decke eingebettet hatte. Es wäre
klug, ein Gehäuse, das den Rotor und Magneten zu bauen, so dass, wenn die
Magnete zerfallen, alle Fragmente sicher enthalten sind.
Ronald Knight verfügt über langjährige Berufserfahrung im
Umgang mit Batterien und im Puls-Laden sie. Er kommentiert Batterie Sicherheit
wie folgt:
Ich habe niemanden mit einem katastrophalen Ausfall einer Batterie
Fall in allen Energie-Gruppen, zu denen ich gehöre, und die meisten von ihnen
verwenden Sie Batterien in den verschiedenen Systemen, die ich studieren
gehört. Allerdings bedeutet das nicht, dass es nicht passieren kann. Der
häufigste Grund für die katastrophalen Versagen im Fall einer
Blei-Säure-Batterie ist Lichtbögen verursachen Fehler in den Netzen, die
zusammen im Inneren der Batterie montiert werden, um bis in die Zellen der
Batterie. Jede interne Lichtbögen verursachen eine schnelle Druckaufbau zu
expandieren Wasserstoffgas, was zu einem Totalausfall der Batterie Fall.
Ich bin ein ehemaliger Wartungstechniker für US Batterien, so kann
ich mit Sicherheit sagen, dass, wenn Sie eine neue Batterie erhalten aus
mindestens dieses Herstellers Sie eine Batterie, die die beste Test zur
Verfügung, um die Hersteller, dass er nicht verkaufen zu versichern unterzogen
wurde empfangen Junk welche wieder zu ihm geschickt werden. Es ist ein relativ
einfacher Test, und als sie während der ersten Ladung gibt es keine
verschwendete Zeit noch gibt es ein Akku, der den Pass-oder-Schlecht-Prüfung
entzieht. Der Akku ist mit dem absoluten Maximum Strom, es kann berechnet. Wenn
die Batterie nicht bläst bis aufgrund interner Lichtbögen während des
Ausgabeaufschlags ist es sehr wahrscheinlich, dass es nicht sprengen unter dem
regelmäßigen Gebrauch, für die es konzipiert wurde. Allerdings sind alle Wetten
ab mit gebrauchten Batterien, die über ihre erwartete Lebensdauer gegangen.
Ich habe mehrere katastrophale Ausfälle der Batterie Fällen täglich
bei der Arbeit erlebt. Ich habe direkt neben stehenden Batterien (im 12 Zoll),
wenn sie explodieren (es ist wie eine .45 ACP Pistole Runde abgehend) und haben
nur erschreckt worden und musste meine unter Shorts und Tyvek Sprung-Anzug zu
ändern, und abwaschen meine Gummistiefel. Ich habe in der Ladung Raum mit
mehreren hundert Akkus gleichzeitig positioniert sehr eng zusammen und haben
gesehen, Batterien explodieren fast jeden Arbeitstag und ich habe noch nie zwei
nebeneinander Schlag gesehen, noch habe ich jemals ein Feuer oder eine
Flash-Schäden zu sehen der Fall oder den umgebenden Bereich als Ergebnis. Ich
habe noch nie einen Blitz gesehen, aber was ich gesehen habe sagt mir, es ist
ratsam, immer einen Augenschutz tragen, wenn der Ladevorgang.
Ich habe meine neue Gel
Zellen in einem schweren Kunststoff Zip-Lock-Beutel teilweise entpackt im Haus
und in einem Bootsbatterie Kiste draußen in der Garage, das ist nur in der
entfernten Möglichkeit eines katastrophalen Versagens oder der
wahrscheinlicheren Fall von Säure auf die außerhalb des Batteriegehäuses.
Geschlossene Batterien sind immer ein Risiko des Verschüttens die
ihre häufigste Gefahr ist, sollten sie immer in einem mit Kunststoff
ausgekleideten Karton oder Kunststoff-Box mit Seiten größer als die Batterie
und ohne Löcher drin sein. Sie würden, wie weit ich Säure um eine belüftete
Blei-Säure-Batterie unter Belastung gefunden überrascht sein.
Haben einen Notfallplan, halten eine Schachtel mit Backpulver und
Wasser-Quelle um zu neutralisieren und bündig die Säure im Fall von
Verschütten. Es ist am besten aus Kunststoff, unter und um überall dort, wo Sie
Ihre Blei-Säure-Batterien befinden müssen.
Ronald Knight erhält ungefähr fünfzehn mal mehr Strom aus
seiner Bedini-geladenen Batterien, als dies von der Antriebsseite der Schaltung
gezogen. Er betont, dass dies nicht sofort geschehen, da die Batterien
aufgeladen, um "konditioniert" werden durch wiederholte Zyklen von
Laden und Entladen haben. Wenn dies erfolgt ist, wobei die Kapazität der
Batterien erhöht aufgeladen. Interessanterweise wird die Rate der Stromaufnahme
auf der Antriebsseite der Schaltung nicht erhöht wird, wenn die Batterie
aufgeladen Bank in der Kapazität erhöht wird. Dies liegt daran, dass der Strom,
der die Batterien auflädt strömt aus der Umwelt und nicht aus der Fahrbatterie.
Die treibende Batterie gerade erzeugt die hohe Spannungsspitzen, die den
Energiefluß von der Umgebung auslöst, und als Folge, daß die Batteriebank
aufgeladen kann eine höhere Spannung als die 12-Volt-Antriebsbatterie sein, und
es kann eine beliebige Anzahl von zu sein Batterien in der Ladestation Bank.
John Bedini Entwürfe wurden mit experimentiert und entwickelt
eine Reihe von Enthusiasten. Diese in keiner Weise von der Tatsache, dass das
gesamte System und Konzepte von John kommen, und ich möchte meinen aufrichtigen
Dank an John auszudrücken für seine großzügigste Sharing seiner Systeme. Dank
ist auch auf Ron Pugh, die freundlicherweise für die Details eines seiner
Bedini Generatoren hier vorgestellt hat zugestimmt. Lassen Sie
Rons Gerät ist viel mächtiger als der Durchschnitt-System,
mit fünfzehn Spulenwicklungen und führt es eindrucksvoll. Hier ist ein Bild von
ihr mit hoher Geschwindigkeit rotierenden:

Dies ist kein Spielzeug. Es zieht wesentliche aktuelle und
produziert erhebliche Verrechnungssätze. Dies ist, wie Ron zu seinem Gerät zu
bauen wollte. Der Rotor wird von Aluminiumscheiben, die Hand waren ausgebildet,
sondern er würde Aluminium für den Rotor gewählt werden können, wenn bei Null
als seine Erfahrung zeigt, dass es ein sehr geeignetes Material für den Rotor
ist. Der Rotor weist sechs Magneten darin eingefügt. Diese sind gleichmäßig 60
Grad auseinander mit den Nordpolen alle nach außen angeordnet.
Die Magnete sind normal Keramiktypen etwa 22 mm breit, 47 mm
lang und 10 mm hoch. Ron verwendet zwei von ihnen in jedem seiner sechs
Läufernuten. Er kauft mehrere übrige Einsen und dann abgestuft alle von ihnen
in der Reihenfolge ihrer magnetischen Kraft, die etwas variiert von Magneten
Magneten. Ron tat dies Grading mit einem Gauss Meter. Eine alternative Methode
wäre gewesen, eine Büroklammer etwa 30 mm in der Größe zu verwenden und den Abstand
zu dem einen Ende der Klammer gerade beginnt aufzusteigen vom Tisch haben, wie
der Magnet zu ihr bewegt wird,:

Nachdem benotet die Magnete in der Reihenfolge der Stärke,
Ron nahm dann die besten zwölf und gepaarte sie ab, Anordnen der schwächsten
und stärksten zusammen, der zweite schwächsten und die zweitstärkste, und so
weiter. Dies führte zu sechs Paaren, die ziemlich genau übereinstimmende
magnetische Stärken. Die Paare von Magneten wurden dann an Ort und Stelle in
den Rotor mit Superkleber verklebt:

Es ist nicht wünschenswert, die Magnete Ausnehmung obwohl es
möglich ist, eine Beschränkungsschicht um den Umfang des Rotors zu platzieren
als der Abstand zwischen den Magneten und den Spulen Flächen beträgt etwa ein
Viertel Zoll (6 mm), wenn sie für eine optimale Leistung angepasst. Nordpol der Magneten nach außen zeigen, wie in der
Abbildung oben gezeigt. Falls gewünscht, kann die Befestigung der Magnete durch
die Zugabe von leeren seitlichen Platten an den Rotor, die den Magneten Kleben
auf fünf der sechs Flächen der Magnetpaare implementiert werden können
verstärkt werden:

Die Magnete in der Außenkante des Rotors eingebettet sind auf
durch Wunde "Coils", die als 1:1 Transformatoren, Elektromagnete und
Sondenspulen handeln beaufschlagt. Es gibt drei dieser "Spulen", die
jeweils etwa 3 cm lang und gewunden mit fünf Stränge der Nr. 19 AWG (20 SWG)
Draht. Die Spulenkörper wurden aus Kunststoffrohr von 7/8 Zoll (22 mm)
Außendurchmesser, Ron heraus zu einem Innendurchmesser von 3/4 Zoll (19 mm),
die eine Wandstärke von 1/16 Zoll verleiht (1,5 mm) gebohrt gemacht . Die
Endstücke für die Spulenkörper wurden aus 1/8 Zoll (3 mm), die PVC zum
Kunststoffrohr Klempner PVC-Kleber fixiert wurde. Die Spulenwicklung war mit
den fünf Drähten umeinander verdreht. Dies wurde durch Einspannen der Enden der
fünf Drähte zusammen an jedem Ende an einem 120 m langen Bündel bilden getan.
Das Bündel von Drähten wurde dann ausgestreckt und
freizuhalten des Bodens, indem sie durch Öffnungen in einem Satz von Terrasse
Stühle. Ein batteriebetriebener Bohrer wurde mit einem Ende angebracht und
betrieben wird, bis die Drähte locker gedreht wurden zusammen. Dies tendiert
dazu, die Enden der Drähte miteinander verdreht in einem größeren Ausmaß in der
Nähe des Endes des Bündels, anstatt der Mitte. So wurde das Verfahren
wiederholt, Verdrehen des anderen Endes des Bündels. Bemerkenswert ist
nebenbei, dass der Bohrer in die gleiche Richtung dreht an jedem Ende, um die
Drehungen alle in die gleiche Richtung zu halten. Der verdrillte Bündel von
Drähten auf einer Spule mit großem Durchmesser gesammelt und dann verwendet, um
zu wickeln eine der Spulen.

Die Spulen sind mit den Endplatten befestigt und gebohrt
gestaltet ihre 1/4 Zoll Schraube (6 mm) PVC-Basen, die der an die 3/4 Zoll (18
mm) MDF Tragkonstruktion verschraubt sind aufgewickelt. Um die Wicklung
vollständig selbst verbleiben, wird ein Blatt Papier über jeder Schicht der
Wicklung platziert:

Die drei Spulen auf diese Weise hergestellt wurden dann zu
der Hauptoberfläche der Vorrichtung angebracht ist. Es könnte genauso gut sechs
Spulen haben. Die Positionierung erfolgt so, um einen einstellbaren Abstand von
etwa 1/4 Zoll (6 mm) zwischen den Spulen und den Magneten des Rotors zu
erzeugen, um die optimale Position für magnetische Wechselwirkung zu finden.
Die magnetischen Effekte werden durch das Kernmaterial der Spulen vergrößert.
Dies ergibt sich aus den Längen Autogenschweißen Draht Kupfer beschichtet ist.
Der Draht wird von der Größe und beschichtet mit klaren Schellack geschnitten,
um Energieverluste durch Wirbelströme Zirkulieren im Innern des Kerns zu
verhindern.
Die Spulen sind in gleichen Abständen um den Rotor angeordnet
und so sind 120 Grad voneinander entfernt. Die Endstücke der Spulenkörper in
eine 1/4 Zoll (6 mm) PVC Grundplatte, die die Montagelöcher der Magnetspalt zu
verstellenden wie hier dargestellt werden können geschlitzte hat verschraubt:

Die drei Spulen haben insgesamt fünfzehn gleiche Wicklungen.
Einer Wicklung verwendet wird, um abzufühlen, wann ein Rotormagnet die Spulen
während seiner Drehung erreicht. Dies wird natürlich passieren sechsmal für
jede Umdrehung des Rotors, da sechs Magnete im Rotor sind. Wenn der Trigger
Wicklung durch den Magneten aktiviert ist, die Elektronik schaltet sich alle
verbleibenden vierzehn Spulen mit einem sehr scharfen, Puls, die eine sehr
kurze Anstiegszeit und eine sehr kurze Herbst Zeit hat. Die Schärfe und Kürze
dieses Impulses ist ein kritischer Faktor bei der Erstellung überschüssige
Energie aus der Umgebung und wird in größerem Detail später erläutert werden.
Die Elektronik ist auf drei Aluminium-Kühlkörper, die jeweils etwa 100 mm im
Quadrat montiert. Zwei davon wurden fünf BD243C NPN-Transistoren verschraubt,
um sie und die dritte hat vier BD243C Transistoren auf ihm angebracht ist.
Die Metall-Montageplatte der BD243 Transistor wirkt als
Kühlkörper, weshalb sie alle auf die große Aluminiumplatte verschraubt sind.
BD243C Transistoren wie folgt aussehen:

Die Schaltung ist zu den Aluminiumplatten so dass die
Transistoren direkt auf sie geschraubt werden kann, und versehen mit
Isolierstreifen auf ihm angebracht ist, um Kurzschlüsse zu den anderen
Komponenten zu vermeiden gebaut. Standard Stiftleiste Blöcke wurden verwendet,
um inter-verbinden die Bretter, die wie folgt aussehen:

Die Schaltung mit diesem Gerät verwendet ist einfach, aber es
gibt so viele Komponenten beteiligt sind, wird das Diagramm in Teile
aufgeteilt, um auf die Seite passt. Diese Teile werden hier gezeigt:



Während dies sieht aus wie eine ziemlich große und
komplizierte Schaltung, es ist eigentlich nicht. Sie werden feststellen, dass
es vierzehn identische Schaltungsteile. Jeder dieser Bereiche ist sehr einfach:

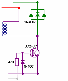
Dies ist eine sehr einfache Transistorschaltung. Wenn die Auslöseschnur positiven geht (angetrieben durch den Magneten Durchleiten des Spule) der Transistor eingeschaltet ist auf harten, Beaufschlagen der Spule, die dann wirksam wird über die treibende Batterie verbunden. Der Triggerimpuls ist ziemlich kurz, so dass der Transistor abschaltet fast sofort. Dies ist der Punkt, an dem der Schaltungsbetrieb wird raffiniert. Die Spule Merkmal so beschaffen ist, dass dieses scharfen Repowering Puls und plötzlichen Abschalten der Spannung an der Spule zu sehr rasch ansteigen, Ziehen der Spannung am Kollektor des Transistors bis zu einigen hundert Volt bewirken. Glücklicherweise ist dieser Effekt Energie aus der Umwelt, die ganz im Gegensatz zu konventionellem Strom, und zum Glück ein gutes Stück weniger schädlich für die Transistor gezeichnet. Dieser Anstieg der Spannung, effektiv "dreht" dem Satz von drei Dioden, die 1N4007 führt dann stark, Zuführen dieses überschüssigen freien Energie in die Batterie aufgeladen. Ron verwendet drei Dioden parallel, da sie eine bessere Strombelastbarkeit und thermischen Eigenschaften als eine einzelne Diode aufweisen. Dies ist ein übliches Verfahren und eine beliebige Anzahl von Dioden parallel angeordnet werden, wobei manchmal sogar zehn verwendet wird.
Die einzige andere Teil der Schaltung ist der Abschnitt, der das Auslösen signal erzeugt:

Wenn ein Magnet die Spule mit dem Auslösen Wicklung verläuft, erzeugt er eine Spannung in der Wicklung. Die Intensität des Auslösen signals, indem es durch eine gewöhnliche Fahrzeug 6 Watt, 12 Volt Glühlampe und dann weitere Begrenzung des Stromes, indem es durch einen Widerstand gesteuert passieren. Um eine manuelle Steuerung des Niveaus des Auslösen signals zu ermöglichen, wird der Widerstand in einem Festwiderstand und einem veränderlichen Widerstand (welches viele Menschen zu einer "Eintopf" nennen wollen) unterteilt. Dieser variable Widerstand und der Einstellung des Spaltes zwischen den Spulen und den Rotor sind die einzigen Anpassungen der Vorrichtung. Die Glühbirne hat mehr als eine Funktion. Wenn die Einstellung korrekt ist, wird die Lampe leuchtet schwach das ist eine sehr nützliche Anzeige des Betriebs. Die Triggerschaltung speist dann jeder der Transistorbasen über ihre 470-Ohm-Widerstände.
John Bedini strebt eine noch stärkere Umsetzung, Verdrahtung seine Schaltung mit AWG # 18 (19 SWG) schweren Kupferdraht und mit MJL21194 Transistoren und Dioden 1N5408. Er erhöht die Trigger-Antrieb durch Fallenlassen des variablen Widerstand und die Verringerung der festen Widerstand nur 22 Ohm. Die MJL21194 Transistors hat die gleichen Pin-Belegung der BD243C Transistor. Dies ist der Ausgangspunkt Abschnitt des Johannes-Schaltung:

Es gibt verschiedene Möglichkeiten für den Bau dieser Strecke. Ron zeigt zwei verschiedene Methoden. Der erste ist oben dargestellt und verwendet Paxolin Streifen (Leiterplatte Material) über dem Aluminium-Kühlkörper, um die Komponenten zu montieren. Eine andere Methode, die leicht zu sehen ist, verwendet dicke Kupferdrähte statt klare des Aluminiums, um eine saubere und sichere Montage der Komponenten wie hier gezeigt bieten:

Es ist wichtig zu erkennen, dass
der Kollektor eines Transistors BD243C intern mit dem Kühlkörper Platte für die
physikalischen Montage des Transistors verwendet verbunden. Da die Schaltung
nicht über die Kollektoren dieser Transistoren elektrisch miteinander verbunden
sind, können sie nicht nur auf eine einzelne Wärmesenke Platte angeschraubt
werden. Das obige Bild könnte den falschen Eindruck erwecken, da es nicht
deutlich macht, dass die Metall-Bolzen der Befestigung der Transistoren im
Platz nicht direkt in die Aluminium-Platte, sondern sie in Kunststoff
Nutensteine befestigen.
Eine Alternative, die häufig durch den Buildern leistungsstarker elektronischen Schaltungen verwendet wird, ist es, Glimmer Unterlegscheiben zwischen dem Transistor und dem gemeinsamen Kühlkörperplatte verwenden und Kunststoff verwenden Befestigungsbolzen oder Metallbolzen mit einem Kunststoff Isolierkragen zwischen dem Befestigungselement und der Platte. Mica hat das sehr nützliche Eigenschaft, Wärme zu leiten sehr gut, aber nicht elektrisch leitfähig. Mica "Scheiben" geformt, um den Transistor-Paket verfügbar sind von den Lieferanten der Transistoren. In diesem Fall scheint klar, dass die Wärmeableitung kein Problem ist bei dieser Schaltung, die in einer Weise zu erwarten, da die Energie aus der Umgebung angesaugt wird häufig als "kalt" Strom, da es Komponenten kühlt mit zunehmendem Strom so Gegensatz zu sie aufheizt wie konventioneller Strom tut.
Dieses spezielle Leiterplatte ist auf der Rückseite des Gerätes montiert:

Obwohl
der Schaltplan zeigt eine zwölf Volt Antrieb Versorgung, die eine sehr häufige
Versorgungsspannung betrieben, Ron manchmal treibt sein Gerät mit einem
Netzgerät, welches zeigt eine Leistungsaufnahme von einem ziemlich trivial 43
Watt. Es sei angemerkt, dass diese Vorrichtung durch Ziehen in zusätzliche
Leistung aus der Umgebung arbeitet. Dass die Zeichnung in der Macht wird
gestört, wenn jeder Versuch, Schleife gemacht wird, dass ökologische Leistung
auf sich selbst zurück oder fahren Sie das Gerät direkt von einem anderen Akku
vom Gerät selbst geladen. Es kann nur, möglich, um das Gerät erfolgreich aus
einer zuvor geladenen Batterie, wenn ein invertiertes wird verwendet, um die
Kraft, Wechselstrom umzuwandeln und dann ein Abwärtstransformator und geregelte
Kraft Gleichrichtungsschaltung verwendet wird. Da die Leistungsaufnahme ist so
gering ist, sollte netzunabhängigen Betrieb leicht möglich mit einer Batterie
und einer Solarzelle.
Es
ist nicht möglich, eine Last von der Batterie unter Belastung arbeiten während
des Ladevorgangs als dies stört die Energiefluss. Einige dieser Schaltungen
empfehlen, dass eine separate 4 Meter langen Erdungsstange zur Erde die
negative Seite der Antriebsbatterie, aber bis heute, Ron hat nicht mit diesem
experimentiert. Nebenbei ist es gute Praxis, alle Blei-Säure-Batterie in einem
Akku-Box einschließen. Marine-Ausrüstern liefern kann diese, wie sie
ausführlich in Bootfahren verwendet werden.
Beim
Schneiden der Drahtlängen zum Beschichten und Einschieben in die Spulenkörper,
verwendet Ron eine Spannvorrichtung, um sicherzustellen, dass alle Längen
identisch sind. Diese Anordnung wird hier gezeigt:

Der Abstand zwischen der Schere und dem Metall Winkel
festgeklemmt an der Werkbank macht jede Schnittlänge der Draht genau die
erforderliche Größe, während der Kunststoff-Behälter sammelt die geschnittenen
Stücke zum Beschichten mit Schellack oder klare klare Polyurethanlack vor dem
Einsatz in den Spulenkernen.
Erfahrung ist besonders wichtig, wenn Sie ein Gerät dieser
Art. Die 100 Ohm variablen Widerstand sollte ein gewickelten Typ sein, wie es
zu erheblichen Strom tragen hat. Anfänglich wird der variable Widerstand seinen
minimalen Wert eingestellt und die Kraft aufgebracht wird. Dies bewirkt, dass
der Rotor in Bewegung. Da der Anteil der Spin zunimmt, wird der variable
Widerstand allmählich erhöht und eine maximale Geschwindigkeit mit dem
variablen Widerstand in der Mitte seines Bereichs, dh etwa 50 Ohm Widerstand
gefunden werden. Erhöhen des Widerstands weiter bewirkt, dass die
Geschwindigkeit zu reduzieren.
Der nächste Schritt ist, den variablen Widerstand auf seine
minimale Widerstand Position wieder einzuschalten. Dies bewirkt, der Rotor in
seinen vorherigen maximalen Geschwindigkeit (etwa 1700 UpM) verlassen und
erhöhen die Geschwindigkeit wieder. Da die Geschwindigkeit beginnt wieder zunimmt,
ist der variable Widerstand allmählich wieder eingeschaltet, wodurch der
Widerstand. Dies wirft die Rotordrehzahl auf ca. 3.800 rpm, wenn der variable
Widerstand erreicht Mitte Punkt wieder. Dies ist wahrscheinlich schnell genug
für alle praktischen Zwecke, und bei dieser Geschwindigkeit, zeigt auch die
geringste Unwucht des Rotors bis recht deutlich. Um eine schneller als diese
einen außergewöhnlich hohen Standard der baulichen Genauigkeit erfordert gehen.
Bitte denken Sie daran, dass der Rotor eine große Menge an Energie in ihm bei
dieser Geschwindigkeit gespeichert hat und so potentiell sehr gefährlich. Wenn
der Rotor Pausen oder ein Magnet löst sich gibt, wird dieses gespeicherte
Energie zu produzieren eine äußerst gefährlichen Geschoss wird. Deshalb ist es
ratsam ist, die aber nicht in den oben gezeigten Fotografien, um ein Gehäuse
für den Rotor zu konstruieren. Das könnte ein U-förmigen Kanal zwischen den Spulen sein.
Der Kanal würde dann fangen und beschneidet
sie die Fragmente nichts brechen sollte locker.
Wenn Sie den Strom während dieser Anpassung zu messen, wäre
es gesehen, wie die Rotordrehzahlen bis zu reduzieren. Dies scheint, als ob die
Wirksamkeit der Vorrichtung steigt. Das mag so sein, aber es ist nicht
unbedingt eine gute Sache in diesem Fall, wo das Ziel ist, Strahlungsenergie
Aufladen der Batterie Bank zu produzieren. John Bedini hat gezeigt, dass
ernsthafte Aufladung erfolgt, wenn die Stromaufnahme des Gerätes beträgt 3 bis
5 + Ampere bei maximalen Drehzahl des Rotors und nicht ein geiziger 50 mA
ziehen, die erreicht werden kann, aber das wird nicht produzieren gute
Aufladung. Die Leistung kann durch Anheben der Eingangsspannung auf 24 Volt
oder noch höher angehoben werden - John Bedini arbeitet bei 48 Volt anstatt 12
Volt
Die Vorrichtung kann weiter abgestimmt von stoppen und
Einstellen des Spaltes zwischen den Spulen und dem Rotor und anschließendes
Wiederholen des Start-up-Prozedur. Die optimale Einstellung ist, wo das
endgültige Rotordrehzahl die höchste ist.
Der obige Text soll eine praktische Einführung in ein von
John Bedini Erfindungen geben. Es scheint angemessen, dass einige Versuch einer
Erklärung dessen, was geschieht, soll an dieser Stelle vorangetrieben werden.
In die informative Buch "Energie aus dem Vakuum - Konzepte und
Prinzipien" von Tom Bearden (ISBN 0-9725146-0-0) eine Erklärung dieser Art
von System wird vorgebracht. Während die Beschreibung offensichtlich
überwiegend in Johns Motorsystem, die kontinuierlich für drei Jahre lief,
Speisen einer Last und Wiederaufladung die eigene Batterie gerichtet sein,
würde die Beschreibung offenbar auf dieses System genauso zu. Ich werde
versuchen, es hier zusammenfassen:
Herkömmliche elektrische Theorie nicht weit genug im Umgang
mit Blei / Säure-Batterien in elektronischen Schaltungen. Blei /
Säure-Batterien sind extrem nichtlineare Geräte und es gibt eine breite Palette
von Herstellungsverfahren ist es schwierig, eine umfassende Aussage deckt jede
Art im Detail präsentieren zu machen. Im Gegensatz zur landläufigen Meinung, es
gibt tatsächlich mindestens drei getrennten Strömen, die in einem
batteriebetriebenen Schaltung:
1. Ionen-Strom, der in den Elektrolyten zwischen den Platten
innerhalb der Batterie. Dieser Strom nicht aus dem Akku und geben Sie die
externe elektronische Schaltung.
2. Elektronen Strom, der von den Platten aus in der externen
Schaltung.
3. Stromflusses aus der Umwelt, die entlang der externen
Schaltung und in die Batterie hindurchgeht.
Die genaue chemische Prozesse im Inneren der Batterie sind
sehr komplex und beinhalten zusätzliche Ströme, die hier nicht einschlägig
sind. Der Stromfluss von der Umgebung folgt der Elektronenfluss auf der
externen Schaltung und in die Batterie. Dies ist "kalt" Strom, die
ganz anders zu konventionellem Strom ist, und es können sehr viel größer als
der Standard-elektrischen Stroms in herkömmlichen Lehrbüchern beschrieben. Eine
Batterie hat unbegrenzte Kapazität für diese Art von Energie, und wenn es eine
erhebliche "kalten" Strom Ladung hat, kann es tanken konventionelle Energie
aus einer Standard-Batterie-Ladegerät für eine Woche oder mehr, ohne Erhöhung
der Batteriespannung überhaupt.
Ein wichtiger Punkt, zu verstehen ist, dass die Ionen in den
Bleiplatten der Batterie viel größere Trägheit als Elektronen erleben (mehrere
hunderttausend Mal in der Tat) haben. Folglich, wenn ein Elektron und ein Ion
beide plötzlich eine identische Push angegeben, wird das Elektron schnelle
Bewegung viel schneller als das Ion wird erzielen. Es wird angenommen, daß die
externe Elektronendonorverbindung in Phase mit dem Ionenstrom in den Platten
der Batterie ist, aber dies muß nicht so sein. John Bedini absichtlich nutzt
den Unterschied des Impulses durch Anlegen eines sehr steil ansteigenden
Potentials zu den Platten der Batterie.
Im ersten Augenblick, bewirkt dies Elektronen häufen sich auf
den Tellern, während sie für die viel schwereren Ionen, sich zu bewegen warten.
Dieser Stapel aus Elektronen drückt die Spannung am Anschluss der Batterie um
so viel wie 100 Volt ansteigen. Dies wiederum bewirkt, dass die Energie wieder
ausströmen in die Schaltung als auch in die Batterie, so dass gleichzeitig
sowohl den Schaltkreis und schweren Ebenen der Batterie aufgeladen wird. Diese
über potenzielle verursacht auch stark erhöhte Stromfluss aus der Umgebung in
der Schaltung, so dass Augmented Leistung sowohl für den Antrieb der externen
Schaltung und für die Erhöhung der Akku-Ladung. Die Batterie Hälfte der
Schaltung ist nun um 180 Grad außer Phase mit der Schaltung Tonaderspeisung
Hälfte der Schaltung.
Es ist wichtig zu verstehen, dass die leitungsvermittelte
Antriebsenergie und die Batterie-Ladeenergie nicht von den scharfen angelegten
Impulse zu der Batterie kommen. Stattdessen strömt das zusätzliche Energie aus
der Umgebung, ausgelöst durch die Impulse von der Bedini Schaltung erzeugt. In
anderen Worten, handeln die Bedini Impulse als einem Klick auf den externen
Energiequelle und sind nicht selbst die Quelle der Extra-Power.
Wenn die Bedini Schaltung richtig eingestellt ist, wird der
Impuls off sehr scharf geschnitten, kurz bevor das abgegriffene Energie Zufluss
ist zu Ende. Dies hat eine weitere Steigerung der Wirkung durch die Lenz Gesetz
Reaktion, die eine induzierte Überspannungen, die Überspannungs-Potenzial, so
viel wie 400 Volt kann verursacht. Dies hat einen weiteren Effekt auf die
lokale Umwelt, Zeichnung in einem noch höheren Maß an zusätzlicher Energie und
verlängert den Zeitraum, während dessen, dass zusätzliche Energie fließt sowohl
in der Schaltung und der Batterie. Deshalb ist die genaue Einstellung eines
pulsierenden Bedini System ist so wichtig.
Im
Jahr 2007 veröffentlichte Ossie Callanan ein Dokument zeigt, wie und warum er
immer COP>1 Batterieladung. Ron Pugh System freundlicherweise oben im Detail
gemeinsam mit einer sorgfältigen Abstimmung und läuft auf 24-Volt-Eingang und
24-Volt-Ausgang arbeitet mit COP>10, die wahrscheinlich wegen Rons
Fähigkeiten beim Aufbau und der Anpassung, die beide sehr gut sind in der Tat
ist, gekoppelt bei der Verwendung von vielen Transistoren, die parallel
arbeiten und verdreifacht Laden Dioden, um ihre Leistung zu verbessern. Die
John Bedini SSG Puls-Ladesystem ist sehr einfach zu konstruieren und
funktioniert sehr gut, auch mit vielen sulfatierte Batterien, die als nutzlos
verworfen wurden. Allerdings werden die meisten Menschen nicht bekommen COP>1
Leistung aus ihren eigenen SSG bauen. Ossie erklärt, warum das im folgenden
Abschnitt die sein Urheberrecht ist. Er sagt:
Ich glaube, ich kann
diese Strahlungsenergie System funktionierte bis zu dem Punkt, wo jemand darauf
aufbauen können, und wenn Sie all das zu bauen, kann es Sie mit und
kontinuierlichen Energie zu versorgen. Es gibt zwei Seiten an der Rennstrecke
und nur mit beiden Seiten ist nicht gut, müssen Sie beides haben. Eine Seite
ist der Impuls-Ladegerät Seite, und die andere ist die Batterie-und
Akku-Wandler Seite. Derzeit bin ich in einem Laden von Batterien
Leistungsniveau zwischen COP=2 und COP=10 und Batterie tauschen ist kein
Problem.
Zunächst müssen wir auf
dem Ladegerät Seite des Systems konzentrieren. Grundsätzlich müssen Sie bauen
ein Ladegerät, das große Mengen an Strahlungsenergie erzeugt in Form von
Strahlungswärme Impulse. Strahlungsenergie Impulse Back-EMF-Impulse vorgesehen,
dass sie sehr schnell ansteigenden Flanken und abfallenden Flanken aufweisen
und bei hohen Frequenzen auftreten. Sie sind nicht Transistors Transienten oder
Schalttransienten! Eine Funkenstrecke produziert klassische Strahlungsenergie
Impulse. Sie sind chaotische Ereignisse, aber sie sind dennoch
Strahlungsenergie Veranstaltungen. Umschalten auf eine Spule sehr schnell mit
Hilfe eines Transistors wird eine Strahlungsenergie Impuls von der Spule
umzukehren EMF zu produzieren, sondern ein Impuls auf seine eigene ist nicht
gut. Sie müssen Tausende oder noch besser, Millionen von diesen Impulsen für
sie von praktischem Nutzen sein.
John Bedinis Vereinfachte
School Girl Motor (die "SSG") produziert nur eine sehr kleine Menge
von Strahlungsenergie, wenn Sie die Basis des Transistors abgestimmt, so dass
Sie selbst die längste Oszillationspuls Zug pro
Die SSG ist nicht ein
sehr starkes oder gute Strahlungsenergie Generator und abgesehen davon, dass
Bildungs-, ist es wirklich eine Verschwendung von Zeit, es sei denn jemand
Ihnen erklären kann, wie man es einstellen, um die größtmögliche Menge an
Strahlungsenergie aus es mit einem langen Impuls bekommen trainieren, und dann
sagen Sie, was Sie mit dieser Strahlungsenergie zu tun. John Bedinis Verfahren
zur Verwendung einer Glühbirne in der Basis-feed Schaltung ist es, den Motor
auf eine bestimmte Anzahl von Impulsen in der Impulsfolge pro
In sagen, dass über die
SSG Ich möchte Ihnen nun zeigen, eine sehr einfache und grundlegende
Impulsoszillator oder Motortreiberschaltkreis, dass man mit Teilen aus dem
Regal, eine, die sehr große Mengen an Strahlungsenergie produzieren bauen, wenn
richtig eingestellt. Hier ist die Schaltung:

Lassen Sie sich nicht täuschen durch Auftritte - das ist wie in der
Nähe einer kontrollierten Funkenstrecke-Schaltung als Sie zu bekommen und es
ist sehr effizient in der Produktion von Strahlungsenergie! Aber am wichtigsten
ist, müssen Sie platzieren und anpassen den Reedschalter, angemessen und
richtig!!! Schauen Sie sich dieses Bild:

Wie
Sie sehen können, ist der Trick, den Reed-schalter zu platzieren, damit es
entlang der Länge der Magnetspule läuft und im Magnetfeld der Spule befindet.
Diese Paare Magnetfeld der Spule die Reed-Schalter sowie das Magnetfeld die
Weitergabe Rotor Magnet. Dies ermöglicht eine magnetische Resonanz und einen
Oszillator, der Reedkontakt verwandelt. Also wenn die Magnet bewegt die Reed
oszilliert mit der Spule Feld und führt dazu, dass sehr viele Impulse, in der
Regel 20 bis 50 Impulsen pro Magnet-Pass. Erstaunlicherweise ist dies anders
als die Schließkraft Dioden in der SSG nicht verschwenderisch. Diese
Reed-Schalter-Oszillation reduziert tatsächlich der Eingangsstrom. Statt der
Reed Nummer(n) geschlossen für die gesamte die Pulsdauer, schaltet es auf und
ab und also weniger Eingaben macht mit der treibenden Akku entnommen. Ich Laufe
den Motor, so dass wenn die Spule aktiviert ist, die Magnet der Spule angezogen
wird. Hier ist eine Spur in der Ladestation Akku:

Die Ablaufverfolgung oben ist aus einem Motor, der ist nur 50
Milliampere zeichnen aber ist Aufladen des Akkus oft schneller als das waren
wenn es 300 Milliampere mit einem einzigen Puls pro Magnet Durchlauf zeichnen! Aber es gibt noch mehr. Schauen Sie sich das
folgende Bild:

Mit
einen sehr kleinen und schwachen Magneten können Sie jetzt Steuern und anpassen
den Reedschalter. Dies können Sie einstellen, das Umschalten, so dass die
Schaltung kontinuierlich oszilliert aber noch den Weitergabe-Rotor Befugnisse
Magnet. Unten ist die Ablaufverfolgung über die Batterie aufladen und die
Batterie wird sehr schnell geladen, obwohl Sie noch dafür bezahlen wie der
Eingangsstrom steigen aber dennoch produzieren Sie wirklich eine große Menge an
Strahlungsenergie was effektiv, sehr wenig Eingangsstrom ist! Auch, wenn Sie
dies tun, ZISCHEN die Spulen sehr laut! Ja, ZISCHEN die Spulen, nicht um einen
Ton oder Frequenz, aber mit einem zischenden Geräusch.

Ihr
Prototyp Motor verwendet vier dieser Schaltung, 90 Grad voneinander um den
Rotor herum angeordnet ist und die alle parallel. Sie können nur ein
Reed-Schalter, um alle vier Transistoren und Spulen zu wechseln, aber es ist
mehr Last und der Reed-Schalter ist nicht stichhaltig, für sehr lange. In der
Tat, so oder so, wenn Sie kleine Reed-Schalter verwenden, werden sie getragen
und bekommen beginnen zu kleben. Ich habe größere Reed-Schalter gekauft, aber
ich arbeite auch an einem elektronischen Schalt-Version davon, aber das ist
leichter gesagt als getan. Ich habe auf diese für ein paar Monate jetzt, so
dass ich sehr viele Dinge ausprobiert haben und haben es nicht geschafft, es
mit elektronischer Umschaltung noch passen gearbeitet. Begrenzung des Stroms,
der durch den Reed-Schalter nicht notwendig erhöhen die Länge seiner
Lebensdauer, neben denen, tun, dass weniger produziert Strahlungsenergie.
Jetzt,
da Sie all das gezeigt, wir sind nur auf halbem Weg zu einem kompletten System
Strahlungsenergie, die eine kontinuierliche freie Energie zur Verfügung stellt.
Die obige Schaltung und Motor, auch wenn sie große Mengen an Strahlungsenergie
zu stellen, ist nur noch Ihnen einen COP gleich oder nahe 1 bei regelmäßiger
Austausch über zwischen der Quelle und der Batterie Aufladen der Batterie. Für
Batterietausch zu arbeiten, müssen Sie das zweite und ebenso wichtige Seite des
Systems. Die zweite Seite des Systems ist die Strahlungsenergie
Akkumulator-Wandler.
Bevor
ich den strahlenden-Energiespeicher-Wandler beschreiben, möchte ich
hervorheben, wie wichtig es ist, zu bauen und zu experimentieren mit der oben
beschriebenen Schaltung ist. Nur bereinigt und beobachtete den Eingangsstrom
und wie die aufladenbatterie Gebühren können Sie wirklich sehen, wie diese
Strahlungsenergie Impulse beeinflussen die aufladenbatterie. In Bezug auf,
warum es funktioniert oder wie es bietet so viel Strahlungsenergie Sie müssen
verstehen, dass, wenn der Reed-Schalter bleibt geschlossen, was passieren wird,
wenn sie abgenutzt und beginnen zu kleben, mit dem 9 Millihenry Crossover
Drossel Magnetspule (abgekauft die Regal), die ich benutze, ist der Transistor
voll auf und es ist praktisch geringsten Widerstand gedreht und so die
Stromaufnahme beträgt ca. 6 bis 8 Ampere für einen Single-Coil-Schaltung! Es
scheint, das ist eine wichtige Voraussetzung für die Erzeugung dieser
Strahlungsenergie Impulse mit einem Transistor. Sie haben, um den Transistor
voll einschalten bei maximalem Strom für die Spule und Eingangsspannung. Dies
ist eine andere Sache, die SSG nicht tut gut. Aber dennoch, in dieser
Schaltung, wenn der Reed-Schalter richtig eingestellt ist, können Sie den
Eingang auf nur wenigen Milliampere, wenn Sie wollen!
OK,
jetzt zu dem strahlenden Akkumulator-Konverter. Die Voraussetzung dafür zu sein
scheint, weil die Akku aufgeladen ist nicht sehr effizient zu absorbieren alle
Strahlungsenergie Impulse. John Bedini hatte dies als Grund Impedanzanpassung
verwandt, aber ich bin nicht sicher, dies in diesem Stadium, aber Impedanz kann
ein Faktor sein. Da das Aufladen der Batterie nicht absorbiert einen Großteil
der Strahlungsenergie von selbst, müssen Sie über einen Akkumulator-Wandler zu
absorbieren und wandeln die Strahlungsenergie für den Akku laden zu bedienen.
Ok, das gesagt ist, was ist eine strahlende Energiespeicher-Konverter?
Ein
Radiant Energy Accumulator-Converter ("REAC") ist nichts anderes als
ein Dipol! Aber je größer der Dipol, desto besser! Der Dipol kann eine Batterie
sein, aber das ist dumm, wenn wir bereits Aufladung sind eine Batterie. Nun, in
diesem Fall ist es eine spezielle Batterie. Es ist eine Batterie, die meist von
Potenzial, aber wenig Strom besteht. Je höher das Potential desto besser ist
die Akkumulation / Umwandlung aber einige Strom noch erforderlich, um in der
Lage, die Energie weiterzugeben und laden Laden der Batterie.
Es
gibt eine Reihe von traditionellen Dipol ist, die passen, was notwendig ist. Es
gibt eine einfache und lange angehoben Wurfantenne und Boden, aber das wird
nicht reichen zurück Strom bieten unseren Akku aufzuladen. Es ist eine
Erde-Batterie-Setup, aber wenn Sie wollen, in der Aufwand und Menge der
Materialien, um die Spannung zu erhöhen und noch einige benötigte Strom braucht
dies eine Menge Arbeit und Materialien setzen. Schließlich fand ich den besten
Kompromiss zu "alt, tot, sulfatierten Bleibatterien" zu sein. In
dieser Phase meiner Forschung der Zustand der Batterie nicht wirklich, solange
es "tot" und sulfatierte ist egal. Solange sie alt und tot, so dass
sie kaum leuchtet eine Glühbirne 12V 100mA sind, dann werden sie zu tun just
fine. Gee Ich bin froh, habe ich nie warf meine alte tote Batterien, häufen
gehalten.
Wenn
Sie auf eine Batterie-Recycler oder Schrottplatz gehen, können Sie kaufen
Palettenladungen von alten und toten Unterbrechungsfreie Stromversorgung
("UPS") Batterien für sehr wenig Geld. Als ich Palettenladung sage,
meine ich Palettenladung. Je größer die Bank von diesen erhalten Sie den Teig.
Verbinden sie beide in Reihe und parallel, so dass, wenn sie, wo gute, würden
Sie überall von 48 bis 120 Volt. Beim Anschluss parallel sicherstellen, dass
jeder 12-Volt-Segment eine annähernd gleichmäßige Kapazität in Amperestunden
hat. Sie können diese Bank unter Ihrem Haus oder Tisch zu legen oder sogar
vergraben sie im Boden. Es ist kein Problem, da Sie nie etwas, um sie wieder zu
tun (solange sie verschlossen sind). Sie werden nicht laufen hinunter. Sie sind
bereits heruntergekommen. Alles was Sie brauchen ist sie für ihr Potenzial als
Dipol und ihre verborgenen Kapazität zu nutzen. Die sehr geringe Menge an
Strom, den sie für die Größe der Bank aufgrund der kristallinen Widerstand der
Sulfatierung bieten wird ist alles, was benötigt wird, um die freie Energie
liefern, dass der Wille der Strahlungsenergie Impulse umwandeln und ihn zurück
in Ihre gute Batterie, die ist wird geladen. Ich glaube, dass diese
Sulfatkristalle kann in der Tat die wichtigste Komponente, die tun, die Strahlungsenergie
Umwandlung wird für uns sein. Jetzt für den Anschluss Ihres 'REAC'. Siehe das
folgende Diagramm:

Wie ich oben gezeigt haben, müssen
Sie die REAC direkt an die Ladestation Batterie verbinden. Erstaunlicherweise
gibt es eine große Spannung anders wenn Sie die Spannung direkt über die
Ladestation Batterie im Vergleich zu der Spannung über die REAC gemessen
messen, während der Reed-Motor läuft. Diese Spannungsdifferenz ist sogar mit
dicken Kabeln verbinden Sie diese gesehen, aber Distanz wirkt es auch. Sie
müssen zwei separate Sets von Kabeln. Ein Satz geht direkt aus der
Strahlungsenergie-Ladegerät Ladestation Akku und der andere von der Ladestation
Batterie auf die REAC festgelegt. Ich habe die oben genannten Setup für über
einen Monat jetzt ausgeführt. Unten ist ein Bild von der "Toten"
Batterien, die ich als eine REAC verwenden.

Meine
guten 33 Ampere-Stunden UPS-Batterien verwenden, kann ich ihnen ab 10 Volt bis
14 Volt in ca. 6 Stunden mit Motorlauf 4 Spulen zeichnen nur 600ma Reed
Strahlungsenergie aufladen. Ich kann dann die Quelle-Batterie mit der
Ladestation Batterie tauschen und halten Sie dies tun, bis ich beide Batterien
innerhalb von 24 Stunden habe. Ich habe diesem sehr viele Male getan und die
Auflade Rate scheint im Laufe der Zeit zu verbessern.
Aber
eine Sache möchte ich deutlich machen. Wenn Sie denken, dass ich irgendwie nur
verwende die gespeicherte Energie in der REAC-Bank, wenn ich nicht meine
Reed-Motor verwendest, dann der Ladespannung Akku nicht aufgeladen werden. Wenn
ich versuche, den Reed-Motor mit einer normalen Batterie-Ladegerät ersetzen,
ist die Batterie dauert so lange, wie eine normale Batterie-Ladegerät zum
Aufladen es zu berechnen. Bei der Verwendung von Reed-Motor ist die REAC
konvertieren die meisten der Strahlungsenergie und Bereitstellung die Energie
zurück an die Ladestation Batterie. Dort
haben Sie es, ein voll funktionsfähiges strahlende freie-Energie-System. - Genießen Sie! -- Ossie Callanan
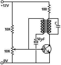
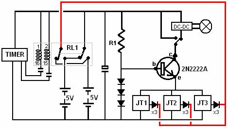
Ein wesentlicher Nachteil dieser Batterie Puls-Ladegeräten ist die Tatsache, daß es gedacht ist, dass es nicht möglich ist, selbst Stromversorgung des Gerätes zu setzen oder die Batterie während des laufenden Batterieladeprozess steigern. Es gibt eine Variante der Puls-Ladegerät, das tatsächlich steigern wird die Antriebskraft des Motors wie es läuft, und eine bestimmte Implementierung wird dies hier gezeigt:


Der Rotor
wiegt etwa 2 kg und ist sehr schwer für seine Größe, weil es aus Bodenlaminat
aufgebaut ist, und weist eine Dicke von 48 mm, um die Breite der Magnete
entsprechen. Es gibt zehn Magnete Größe 48 mm x 22 mm x 6 mm, die paarweise
angeordnet sind, zu produzieren die meisten ebenbürtig magnetischen Sets
möglich. Das heißt, wird das stärkste zusammen mit dem schwächsten der
zweitwahrscheinlichsten stark mit dem zweiten schwächsten setzen, und so
weiter, um die fünf Sätze, die jeweils einen 12 mm dick herzustellen. Diese
Paare sind eingebettet in den Rotor an Zentren gleich 72 Grad um den
Die Batterie Pulsieren durch diese Schaltung erzeugten ist die gleiche wie in John Bedinis Patent bereits erwähnt gezeigt. Da der Rotor dreht, schaltet der Trigger Aufwickeln des 2N3055 Transistor, treibt dann einen starken Impuls durch die Wicklung in Rot in der Abbildung oben gezeigt. Die Spannungsspitze, die, wenn der Ansteuerstrom plötzlich abgeschaltet wird auftritt, wird an die Batterie geladen zugeführt. Dies geschieht fünfmal während einer einzigen Umdrehung des Rotors.
Die clevere Variante hier vorgestellten, ist ein Pick-up Spule gegenüber der Driving / Ladespule zu positionieren. Da fünf Magnete sind, ist das Laufwerk / Ladespule nicht in Gebrauch ist, wenn ein Magnet ist das Bestehen der Pick-up-Spule. Die Ansteuerschaltung ist eigentlich nicht aktiven in diesem Augenblick, so dass der Mikroschalter verwendet wird, um den Stromkreis zu trennen von der Antriebsbatterie und verbinden die Pick-up-Spule mit der Antriebsbatterie. Dieser speist einen Ladeimpuls zu der Fahrbatterie über die Brücke der 1N4007 Hochspannungsdioden. Dies wird nur einmal pro Umdrehung durchgeführt, und die physikalische Position des Mikroschalters wird eingestellt, um das Timing genau stimmen.
Diese Anordnung erzeugt eine Schaltung, die zusätzlich zum Pulsen der Batteriebank unter Ladung, sondern auch wieder Strom an die Fahrbatterie.
Eine weitere Variation dieses Themas ist auf YouTube, wo ein Experimentator, der sich selbst "Daftman" aufruft, muss dieses Video erklärt die Schaltung verwendet er in seinem Bedini-style-Batterieladegeneratoren Motors gezeigt:http://uk.youtube.com/watch?v=JJillOTsmrM&feature=channel und seine Video von seinem laufendem Motor können eingesehen werden unter: http://www.youtube.com/watch?v=S96MjW-isXM und sein Motor seit Monaten läuft in einer self-powered-Modus.
Ein Experimentator auf dem Energetic Forum hat ein Video seiner Adaption des Bedini Schaltung im Internet abrufbar http://uk.youtube.com/watch?v=4P1zr58MVfI. Er hat gefunden, dass das Hinzufügen einer 6-Volt-Relaisspule in der Beschickung zu der Basis des Transistors hat halbiert die Stromversorgung verwendet und dennoch hält den Rotor mit etwa gleicher Drehzahl. Die Schaltung wird hier gezeigt:

Der Aufbau verwendet wird, hat drei Elektromagnetspulen um eine horizontale Rotor angeordnet:

Andere, einfache Methoden, um diese Strahlungsenergie Aufladen der Batterien sind ebenfalls erhältlich. Eine einfache Methode ist es, die meisten der mechanischen Konstruktion zu überspringen und mit einem leicht angepasst Synchron-Fan. Diese Methode wird von "Imhotep" in seinen Lehr-Video, die sich unter angezeigt wird http://uk.youtube.com/watch?v=eDS9qk-Nw4M&feature=related. Die ursprüngliche Idee stammt von John Bedini und der Lüfter Idee von Dr. Peter Lindemann.
Die häufigste Wahl für den Lüfter ist ein Computer Lüfter - je größer, desto besser. Diese Fans haben in der Regel vier Windungen wie diese verbunden:

Um diese
Wicklungen sowohl als Antrieb verwenden und Ausgangsspulen wird der Ventilator
durch Anheben der Klebestreifen von der Nabe des Lüfters geöffnet, das
Entfernen der Kunststoff-Clip hält die Lüfterblätter auf die Spindel und das
Öffnen des Gehäuses, um die Spulen aussetzen. Der Draht Pfosten mit zwei
Drähten dabei, es weist dann ein Draht entfernt und eine vierte Beitrag von
Bohren eines kleinen

Dadurch entstehen zwei separate Spule Ketten: 1 bis 2 und 4 bis 3 ist. Man kann dann als die Antriebsspule und die andere als die Kraft Aufnehmerspule, die sehr kurze Hochspannungsimpulse übergibt an die Batterie, die geladen wird verwendet werden.
Wenn geöffnet, sieht der Lüfter wie folgt:

Und die Schaltungsanordnung:

Der Lüfter wird von Hand gestartet und dann weiter dreht, arbeitet als Fan sowie Laden einer Batterie. Die Stromaufnahme aus der Antriebsbatterie ist sehr gering und doch ist die Strahlungsenergie Lade der anderen Batterie (oder Batteriebank) ist nicht gering. Bitte denken Sie daran, dass Batterien, die mit dieser Strahlungsenergie eingesetzt werden sollen, müssen viele Male ge-und entladen werden, bevor sie sich auf die Zusammenarbeit mit dieser neuen Energie angepasst. Wenn das geschehen ist, ist die Batteriekapazität viel größer als auf dem Etikett der Batterie angegeben ist und die Ladezeit wird auch viel kürzer. Die Schaltung mit dem variablen Widerstand, der die Transistortreiberstrom, der wiederum verändert die Geschwindigkeit des Lüfters verändert eingestellt. Es sollte betont werden, dass dieses Gerät und das unten gezeigte Relais -Ladegerät, sind einfache Demonstration Geräte mit kleinen Spulen und zu schweren Ladung zu bekommen, zu einem großen Schlangenbatterie pulsierende Systeme mit einer Bank von Blei-Säure-Batterien aufgeladen verwenden müssen.
Diese Schaltung ist eine clevere Umsetzung von John Bedini Simple Schoolgirl ("SSG") entwerfen. Wie kann es ein wenig verwirrend sein, zu wissen, welche der vier Drähte aus dem modifizierten Fan zu bedienen kommen, lassen Sie mich erklären, wie sie funktionieren. Sie haben nun zwei Paare von in Reihe geschalteten Spulen im Inneren des Lüfters. Ein Ohm-Meter (oder Batterie und Glühbirne) können Sie sehen, welche der vier Drähte die beiden Enden jeder dieser Spulen sind. Die Spulen sind symmetrisch und so spielt es keine Rolle, welche Spule die Basis des Transistors und die Spule wird von dem Kollektor des Transistors speist angetrieben. Es spielt keine Rolle, entweder, was umgekehrt die Spule Zuführen der Basis des Transistors verbunden ist, aber es ist viel aus , was umgekehrt die Antriebsspule angeschlossen ist. Verbinden sie falsch herum wird keinen Schaden, aber der Lüfter nicht, weil statt der Spule betreiben Abwehr der Rotormagnete und schob sie auf ihrem Weg, wird es sie anzuziehen und gegen die Rotation. Also, wenn der Lüfter nicht drehen, wenn Sie einen Push geben, tauschen Sie die Fahrt führt vorbei und es sollte perfekt funktionieren.
Die Neonröhre schützt den Transistor aber es geben auch einen guten Hinweis darauf, wie gut die Batterie geladen zugeführt wird. Stellen Sie den variablen Widerstand, um die minimale Stromaufnahme aus der Antriebsbatterie zu bekommen, während immer noch die Neon gut beleuchtet und das sollte eine gute Leistung zu geben.
Ein sehr sauber Build von einem 80 mm Lüfter des Computers Umwandlung zu einem Impuls-Ladegerät von Brian Heath gebaut wird hier gezeigt

Das Gerät läuft mit einem PP3 9V Batterie als Antriebsbatterie , und lädt eine PP3 9V-Akku, wenn es ausgeführt wird. Beide Batterien sind in die Box in diesem sehr gepflegten Bau eingeschlossen.
Eine noch einfache Aufladung Methode wird auch von "Imhotep" in einem seiner Lehr-Videos gezeigt, auf http://d1190995.domaincentral.com.au/page6.html. Hier passt er sich eine gewöhnliche 40 Ampere Auto-Relais, die Konvertierung aus mit einem "Schließer" Kontakt, der mit einem "normal geschlossen" Kontakt. Es ist nicht notwendig, dass Sie dies als Kfz-Relais mit zu tun, um "normal geschlossen" Kontakte sind leicht erhältlich und nicht teuer.
Das Relais wird dann so eingerichtet, dass sie sich selbst treibt durch seine eigenen Kontakte verdrahtet. Dies verursacht einen Strom durch die Wicklung fließen Relaisspule, Betreiben des Kontakts und dem Öffnen. Dies unterbricht den Strom durch die Relais eigenen Spule, wodurch die Kontakte wieder zu schließen und der Prozess beginnt von neuem.
Das wiederholte Öffnen und Schließen der Relaiskontakte geschieht bei der Resonanzfrequenz des Relais und dies erzeugt ein Summen. Tatsächlich wurden Summern ursprünglich auf diese Weise hergestellt und sie wurden in der gleichen Weise wie eine Klingel benutzt würde heute verwendet werden.
Die Schaltung verwendet wird hier gezeigt:

Wie Sie sehen können, nutzt diese sehr einfache Schaltung nur zwei Komponenten: ein Relais und eine Diode. Entscheidend ist die Tatsache, dass, wenn die Relaiskontakte offen und Strom fließt durch Anschläge der Relaisspule eine sehr hohe Spannungsspitze über die Relaisspule erzeugt wird. In Transistorschaltungen, die ein Relais fahren, sehen Sie eine Diode über die Relaisspule, um verdrahtet Kurzschluss dieser hohen Spannung beim Abschalten und Stoppen der Transistor durch die zu hohe Spannung immer zerstört. In dieser Schaltung wird kein Schutz für das Relais benötigt. Jede Anzahl von Batterien können gleichzeitig berechnet.
Ein gewöhnlicher 40 amp Kfz-Relais wie folgt:

kann eine "Umschaltung" Kontakt, was bedeutet, dass es einen "Öffner" Kontakt hat und so kann direkt ohne Notwendigkeit zum Öffnen oder Ändern des Relais selbst verwendet werden bedeutet.
Bei dieser Schaltung ist jedoch, dass Sperrspannung in einer sehr produktiv Weise verwendet. Diese Spannungsspitzen sind sehr scharf, sehr kurz und haben einen sehr schnellen Spannungsanstieg. Dies ist genau das, was benötigt wird, um einen Zufluss von Strahlungsenergie aus der lokalen Umgebung, in die Batterie auslösen. Diese Batterieladestrom kommt nicht von der Antriebsbatterie ist aber aus der Umgebung kommen. Die kleine Strom von der Antriebsbatterie ist nur Betreiben des Relais als Summer.
Bitte beachten Sie, dass in dieser Zeit haben wir kein Instrument, das direkt messen den Durchfluss von Strahlungsenergie in dem Aufladen der Batterie haben. Die einzige zuverlässige Möglichkeit, den Zufluss ist zu sehen, wie lange es dauert, den geladenen Akku durch eine bekannte Last entladen.
Meine Erfahrung mit der Verwendung von Relais zum Aufladen des Akkus zeigt, dass Sie ein besseres Ergebnis zu erhalten, wenn 24 Volt wird verwendet, um die Schaltung zu fahren und als Fahrzeug Relais haben nicht so viel von einer Wicklung, gibt es eine erhebliche Verbesserung, wenn eine große Spule verbunden ist der Relaisspule bzw. Spulen wie hier dargestellt:

Bei Verwendung eines dieser Relais Ladesysteme Sie feststellen, dass eine ganze Menge Lärm erzeugt wird. Dies kann ganz einfach mit einem kleinen Polster reduziert werden und es den Vorteil, dass darauf hinweist, dass das Ladesystem korrekt ausgeführt haben.
Ein Video auf http://uk.youtube.com/watch?v=AWpB3peU3Uk&feature=related zeigt eine interessante Eigenbau-Gerät, das den Motor verwendet aus einem alten Videorekorder, das Lager aus einem alten Computer CD-Laufwerk und Ausgangsspulen durch die Beseitigung der Fall und Kontakte aus der gewöhnlichen Relais aus:

Die Konstruktion ist sehr einfach mit einer einfachen, übersichtlichen, offene Gestaltung:

Mit dieser Anordnung treibt ein Paar von AA-NC-Akkus des Motors, Spinnen des Motors, Verschieben seinen Magneten schnell an dem Ring der umgewandelten Relais, Erzeugen Aufladen Gleichstrom über den Brückengleichrichter und daß Strom ausreichend, um das Gerät mit kontinuierlich .
Ein Kommentar auf der Video gemacht ist, dass wenn die Ferritmagnete mit neodymiums ersetzt wurden, wird die Ladespannung auf etwa 70 Volt ansteigt. Leider ist die vorliegende Rotors zu flexibel ist und die Neodym-Magneten tatsächlich biegen den Rotor nach unten in Richtung der Relais-Kernen, wie sie passieren, so dass ein robuster Rotor benötigt wird.
Die "Alexkor" Akku-Ladesystem ist sehr effektiv, billig und leicht zu bauen. Es ist eine Version des Systems in Fig.22B beschrieben auf Seite 7 der http://www.totallyamped.net/adams/ Webseite:

Während diese Beschreibung hat es schon seit Jahren, es ist Teil einer Diskussion über die Grundsätze des Betriebs von EMF Magnetfeldern und Pulsieren in den Spulen. 'Alexkor' hat eine praktische Schaltung, sagt er arbeitet sehr gut entwickelt. Es kann als eine einzelne Einheit aufgebaut sein, wie hier dargestellt:

Hier wird die Spule mit 200 Windungen von 0,7 mm Kupferlackdraht gewickelt und die eigentliche Konstruktion ist kompakt:

Und um eine Vorstellung von der Leistung zu erhalten, verwendet Alex einen Kondensator, um die Größe der Spannungsspitzen durch die Schaltung hergestellt zu sehen:

Wenn den Aufbau einer Schaltung mit einem Lötkolben und einem der kommerziellen Versionen von Prototyping-Board mit Kupferbändern ist zu schwierig, dann ist die Schaltung kann unter Verwendung einer Steckkarte wie folgt festgelegt werden:

Die Batterie mit der Aufschrift "1" liefert Strom an den Stromkreis laufen und die Batterie "2" aufgeladen wird. Die Widerstände sind alle Viertel Watt. Der Kupferlack 22 SWG Draht hat einen Durchmesser von 0.711 mm und die Spule kann leicht auf einer Papprolle aufgewickelt werden. Mit einem 30 mm (1,25 Zoll) Durchmesser Rohr etwa 20 Meter Draht erforderlich wäre, und das Gewicht von etwa 70 Gramm. Ich möchte die Ausgangsdiode, ein UF5408 Diode sein als "UF" steht für "Ultra Schnell", aber die Drahtleitungen sind zu dick, um in ein Brett wie folgt und so die 1N5408 verwendet werden kann, wird bei 1000 bewertet Stecker Volt und 3 Ampere.
Dies ist der erste Schritt in dem Prozess als die gleiche Schaltung verwendet werden, um viele Spulen dieser Art anzutreiben. Der Widerstand Zuführen der Basis des Transistors ist etwa 500 Ohm für den Prototyp, jedoch unter Verwendung einer 390-Ohm-Widerstand in Reihe mit einem variablen Widerstand von sagen, 1K, würde es eine gute Normalwiderstand Wert für jeden Transistor / Spulenpaar ausgewählt werden:

Wie aus den Photographien zu sehen ist, verwendet Alex voreingestellte Widerstände an die Einstellungen auf die optimalen Werte eingestellt werden. Die Einfachheit dieser Schaltung macht es sehr attraktiv, wie ein Bauprojekt und mit mehr als einer Spule sollte für beeindruckende Fahrleistungen stellen. Alex sagt, dass die besten Ergebnisse mit nur der einen erreicht werden (1000V 10A) Diode und nicht eine Diodenbrücke, die von den Lehr-Kommentare zum oben genannten Website getragen wird.
Weiterentwicklung von Alex zeigt eine bessere Leistung, wenn Sie die IRF510 FET anstelle des BD243C Transistor. Er hat auch fand es sehr effektiv Aufladen von vier getrennten Batterien und er hat eine alte NiCad Bohrer Akku wieder mit dieser Schaltung:


Es ist möglich, verschiedene Transistoren mit diesen Schaltungen zu verwenden. Da einige Menschen Schwierigkeiten bei der Erarbeitung eines geeigneten physikalischen Aufbau für eine Schaltung haben, hier ist ein Vorschlag für eine mögliche Anordnung mit einem MJ11016 hohe Leistung, hohe Verstärkung Transistor auf Streifenplatinen.


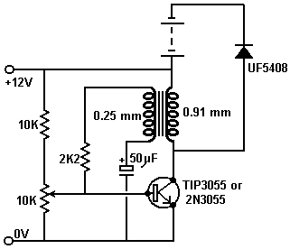
Dies ist eine besonders einfache Schaltung, die eine 12V, 8 Ampere-Stunden Akku-Ladung eine 48V, 12 Ampere-Stunden-Akku mit Strahlungsenergie, in 20 Stunden mit zwölf mal weniger Strom als ein herkömmliches Ladegerät würde können. Die Schaltung kann aufladen Lithium, NiCd oder Blei-Säure-Batterien Die Schaltung verwendet wird,:

Die Spule wird auf einem hohlen Rohr, mit zwei separaten Stränge der Draht 0.5 mm Durchmesser, mit einen Widerstand von nur 2 Ohm gewickelt. Die Stränge der Draht sind nebeneinander in einer einzigen Schicht wie folgt angeordnet:

Ein mögliche physisches Layout mit einen kleinen elektrischen Standardstecker Streifen könnte sein:

Wird die Spule an sagen, eine 1,25-Zoll oder 32 mm Durchmesser Kunststoffrohr gewickelt ist, dann ist die Außenrohr Durchmesser 36 mm aufgrund der Wanddicke des Kunststoffrohrs und jede Windung dauert etwa 118 mm, so etwa 24 Meter Draht für die 200 Umdrehungen benötigt werden. Wenn 13 Meter Draht von der Spule gemessen wird, und der Draht auf sich selbst zurück gefaltet ist in eine scharfe Kehrtwendung, dann kann die Spule dicht und ordentlich mit engen Seite-an-Seite Windungen gewickelt werden. Ein kleines Loch am Ende des Rohrs gebohrt ermöglicht die gefaltete Leitung, mit zwei Windungen durch das Loch befestigt werden kann, und die Windungen 200 nimmt eine Länge von etwa 100 mm und die beiden losen Enden gesichert Verwendung eines anderen kleinen Loch in das gebohrte Rohr. Die Ausgangsstoffe Enden auseinander geschnitten und die Enden jeder Spule bestimmt unter Verwendung einer Durchgangsprüfung.
Eine noch weiter fortgeschrittenen Schaltung von Alex hat eine noch höhere Leistung durch die Verwendung eines Hochgeschwindigkeits-Transistors und eine sehr schnell wirkende Diode und eine Neon ist nicht erforderlich, um den Transistor zu schützen:

Die schnelle UF5408-Diode verwendet in dieser Schaltung ist verfügbar, in der Gegenwart auf Zeit www.ebay.co.uk in Packungen mit 20.
Die Antrieb der Batteriebank Transistor kann für weitere Laufwerk repliziert werden und eine zusätzliche zehn Transistoren könnte wie folgt verwendet werden:

Der 2700-pF-Kondensator wird empfohlen, für jede zusätzliche Transistor, aber es ist kein wesentlicher Punkt und die Schaltung mit nur einem auf der Bi-Wicklungen Spule Antriebseinheit o.k. funktionieren.
Eine aktuelle Schaltungsentwurf von Alexkor nutzt den kleinsten der Eingänge; nur 1,5 Volt bei einem Strom die unten zwischen 4 Milliampere und nur 1 Milliamp angepasst werden können. Diese kleine Schaltung kann eine 12-Volt-Batterie aufladen, obwohl zugegebenermaßen die Ladestation nicht sehr hoch ist es zehn Stunden pro Ampere-Stunden zum Laden des Akkus dauert. Jedoch ist es spektakulär zu eine Eingabe von nur 1,5 Milliwatt an eine 12V Batterie aufladen. Die Schaltung hat nur sehr wenige Komponenten:


Die Spule ist winzig, bi-filar Wunde an Ferrit oder mit einem Luft-Kern. In dem Schaltbild zeigen die Punkte auf den Spulenwicklungen den Beginn der zwei Seite-an-Seite Wicklungen. Dies macht deutlich, dass der Beginn der einen Wicklung ist mit dem Ende der anderen Wicklung als auch mit der positiven Seite der Batterie 1,5 V angeschlossen. Der variable Widerstand könnte weggelassen werden, und verschiedene feste Widerstände versucht, bis die 1 Milliampere Strompegel erreicht ist. Es sollte betont werden, dass es nur ein Erdungspunkt und es ist eine echte connect-to-the-Ground Art der Verbindung. Einfache arithmetische zeigt, dass wenn es einen fließenden Ladestrom in die Batterie zu laden, dann sogar mit einer gedachten 100% Effizienz der Batterie der Ladezustand der Batterie ein Vielfaches größer als der Verlosung von der Batterie Antreiben der Schaltung ist. Die Schaltung arbeitet mit einer Frequenz zwischen 200 MHz und 300 MHz.
Alex nutzt eine kommerzielle Spule aus http://it.farnell.com/murata/pla10an1522r0r2b/choke-common-mode-2x1-5mh-2-0a/dp/9528423?whydiditmatch=rel_3&matchedProduct=3532290 wie hier dargestellt:

Jes Ascanius Dänemark hat diese
Schaltung repliziert und er macht
diese Kommentare: Der 10K variablen Widerstand und die zusätzliche
1K Widerstand müssen 250 mW Art sein wie
größere Wattagen verursachen
eine größere Stromaufnahme. Außerdem ist die Qualität der Erdverbindung wichtig wie seine sehr effizient Erde erzeugt 60-Volt-Impulse von
der Schaltung (70-Volt nachts)
und nur durch Berühren der Erdungsanschluss können diese Impulse bis zu steigern 92-Volt und so weiter Experimentieren
kann produzieren einige andere
interessante Effekte.
Alexkor modernsten
Schaltung ist bis heute die hier gezeigten:
Diese Schaltung verwendet
die PLA Induktor oben gezeigt. Die erste Reaktion von jemandem vertraut mit
elektronischen Schaltungen kann durchaus sein, "das ist unmöglich, da der
Akku geladen ist" schwebenden ", da es nicht auf beiden Seiten der
Antriebsbatterie verbunden". Das ist zwar wahr, arbeitet die Schaltung der
Tat sehr gut und eine Batterie Bank von zehn 1.2V Ni-Mh Batterien bei 1100 mAHr
Kapazität, die angeklagt worden war und entladen zehnmal, bevor bewertet, wird
nun durch diese Schaltung in nur einer halben Stunde.
Die Eingangsspannung kann
alles von 12V bis 36V sein, ohne dass einer der Schaltung Komponenten ändern.
Die Wahl des Transistors ist wichtig, und das ist ein sehr STW12NK90Z
Hochleistungs-, Hochspannungs-Transistor (erhältlich in der heutigen Zeit von
www.mouser.com), und während es nicht billig ist, würde ich empfehlen die
Verwendung, wenn Sie sich entscheiden, um diese Schaltung zu replizieren. Die
SF28-Dioden sind auch spezielle Komponenten, bei 600 Volt und 2 Ampere, das
sind High-Speed-Dioden, die nicht mit jeder Diode, die zur Verfügung stehen,
geschieht ersetzt werden.
Die Spule ist sehr
ungewöhnlich, dass es nur vier Windungen von sehr dicken Kupferdraht, 3 mm bis
4 mm Durchmesser, obwohl Aluminiumdraht auch verwendet werden können. Das
Stromkabel ist auf einer Spule von 100 mm bis 130 mm (4 Zoll bis 5 Zoll)
Durchmesser gewickelt. Die winzigen 5-nF-Kondensator muss auf einem sehr hohen 2000
Volt ausgelegt werden. Die wirkliche Erdung am Punkt "A" gibt eine 20%
bis 30% ige Verbesserung in der Leistung, aber wenn die Schaltung muss tragbar
sein, dann wird es mit dem unteren Niveau der Leistung, wenn die Erdung
weggelassen und Punkt "A" ist verbunden mit 0V Zeile des
eingangsseitigen Batterie.
Während die Spulen oben gezeigt definitiv Luftkern zu erlauben Hochfrequenzbetrieb, Spulen, sind die meisten anderen Spulen im Allgemeinen viel effizienter mit irgendeiner Form von magnetischen Kern, wie Eisen-Staub oder Ferrit. Zwar ist es wahrscheinlich nicht in der Lage sein bei Frequenzen so hoch wie 35 KHz, ein sehr gutes Material für Spulenkerne bedienen ist das Metall der Maueranker oder "Spreizbüchsen", die wie folgt aussehen:

Dieses Metall ist immun gegen Rost, leicht zu verarbeiten und verliert alle Magnetismus, sobald das Magnetfeld entfernt wird. Sie können diese für sich selbst, indem Sie einen Permanentmagneten an einem Ende des Bolzens oder der Röhre und mit dem anderen Ende abholen eine Stahlschraube bestätigen. Sobald der Permanentmagnet entfernt wird, fällt die Schraube aus als das Metall nicht beibehält einem der Magnetismus des Permanentmagneten. Diese Anker sind billig und leicht verfügbar Erbauers Versorgung Verkaufsstellen, einschließlich derjenigen über das Internet. Es ist unwahrscheinlich, dass dieses Material könnte bei mehr als 1.000 Hz und die Schaltung über Gewinne eine Menge von seiner Leistung von der hohen Geschwindigkeit, schnelles Umschalten und sehr kurze "Ein"-Zeit Arbeitszyklus betrieben.
Wenn Sie die Schraube Abschnitt eins dieser Anker verwenden, wird die konische Beule am Ende der Welle eine verzögernde Wirkung auf den Build-up und loslassen des Magnetfeldes und so könnte es ratsam sein, entweder ablegen vorsichtig nach unten drücken Hand, oder schneiden Sie die konischen Abschnitt. Es wird immer Wirbelstromverluste in einem massiven Metallkern, aber das hindert sie nicht daran sehr effektiv in Betrieb. Wie bei allem anderen, Testen eines tatsächlichen Gerät ist der Schlüssel zu einer guten Leistung und fundiertes Wissen.
Howerd Halay
der britischen betont den großen Unterschied zwischen "konditioniert"
Batterien und alle Batterien, die nicht konditioniert wurden. Er sagt: zu konditionieren eine Batterie oder ein Kondensator, muss
sie wiederholt mit "kalten" Strom aufgeladen und entladen werden
erneut. Kalte Strom ist entweder Hochfrequenz-Wechselstrom-Elektrizität oder
alternativ Gleichstrom bei hoher Spannung. Mit kaltem Strom fließt der Strom
außerhalb der Drähte (Steinmetz) und so fließt kein gleich Spannung Nach
Widerstand unterteilt, wie Ohmsche Gesetz suggeriert. Stattdessen gleich Strom
Spannung x Widerstand x eine Konstante "C", die durch Experimente
bestimmt werden muss. Es ist auch möglich, kalten Strom aus gepulstem Gleichstrom
zu erhalten, vorausgesetzt, dass die Gleichspannung über 80 Volt liegt. Wenn
mit dieser Technik, dann die schärfer und schneller die Pulse, desto besser.
Wenn Sie zum ersten Impuls eine
Die Folge davon ist, dass man zwei identische Kondensatoren
nebeneinander aufweisen. Ein verhält, als ob es an eine Ladestation ist,
während der andere Kondensator verhält sich normal. Alle Kondensatoren selbst
verantwortlich zu einem gewissen Grad, aber "konditioniert"
Kondensatoren sind in einer eigenen Liga! Ich habe einen neon auf einem
klimatisierten Kondensator durch zwei Erdspieße 10 Meter voneinander getestet.
Ich gab Blick auf die beleuchteten neon nach einer halben Stunde!

Ich benutze eine sehr Low-Power-High-Spannungsquelle mit
einer Leistung von nur 1,2 Watt, wie ich zu spielen mit diesen Dingen sicher
mögen. Mit einem Low-Power-Quelle, habe ich Batterien mit Impulsen von bis zu
800 Volt ohne Batterien zeigt keine negativen Auswirkungen berechnet. Auch mit
Ein-Draht-Strom ist sicherer als das überträgt meist Spannung und damit
minimalen Strom zugeführt wird. Also, Zustand eine Batterie oder ein
Kondensator mit kaltem Strom, können Sie eine Schaltung wie diese:

Hier wird die Größe der Spannungspulse in die Batterie
eingespeist oder Kondensator zu konditionieren, von der Zündspannung der Neon
gesteuert. Der gewöhnliche Typ NE2 Neonlampen Türöffner rund 90V und so die
2N6509G SCR Impulsen von etwa dieser Spannung an die Batterie oder Kondensator
einzuspeisen. Wenn zwei neons in Reihe geschaltet sind und anstelle des
einzigen Neon oben gezeigt verwendet wird, dann die Spannungsimpulse bei rund
180V sein. Diese Art der Schaltung scheint zu funktionieren besser, wenn mehrere
Kondensatoren in Serie verwendet werden, wie hier gezeigt, wie sie zum Aufladen
schneller und Entladen schneller als auch zu sein scheinen. Sie müssen das
Gerät läuft für einen Tag, um den vollen Nutzen zu verlassen. Ich regelmäßig
erheben eine 1,6 Kw Autobatterie Bank, und nach dem Ausschalten geht der
Batteriebank Spannung bis!
Ich habe auch 5 Sekunden Einschaltzeit und zwei Minuten AUS
Zeit versucht, und die Kondensatoren weiter Zündimpulse. Doch die Rate der
Brand ist viel weniger, wenn das Gerät ausgeschaltet ist, als wenn das Gerät
eingeschaltet ist. In meinem Fall war es drei Wochen oder so - - Wenn Sie die
Kondensatoren für eine Weile benutzen scheitern müssen Sie die Klimaanlage
Prozess wieder von vorn beginnen. In meinem Fall Klimaanlage wieder war härter
und schien Tage dauern anstatt Stunden. Die Kondensatoren sind KALT. Die
Drähte, die zu ihnen und aus ihnen sind KALTt, aber wenn man einen Schock von
ihnen bekommen, dann ist das Schock ist HEIß !!
Da dieses Ladevorgangs verwendet kalte Strom, kann nicht
wieder aufladbaren Batterien auf diese Weise aufgeladen werden. In meinem Fall
zwei von drei Batterien mit ihrer Ladung OK, und neugierig sie verlangen eine
viel höhere Spannung als ihre Nennwert. Die Batterie kann mit einem Kondensator
ersetzt werden. Offensichtlich jede Batterie oder ein Kondensator, der
konditioniert werden soll, um in der Lage sind, mit einer Spannung von nicht
mehr als 70 Volt pro Neon aufgeladen werden muss, so würde beispielsweise ein
96V Batteriebank benötigen zwei neons in Reihe über den SCR von die
Ladeschaltung. Diese Schaltung wird zum Aufladen des Akku für bis zu 3 Minuten
nach der Leistungsaufnahme ausgeschaltet bleiben. Eine noch stärkere Version
der Schaltung erhöht die Kälte Elektroenergie durch die Verwendung eines
ersticken. Die neons wird viel stärker leuchten. Die neons sollte Puls oder du
hast einen Kurzschluss. In anderen Worten, wenn die Neon kontinuierlich
leuchtet, ist es ein schlechtes Zeichen.

Sie können einen variablen Widerstand in Reihe mit der Eingangsspannung werden,
um die Pulsfrequenz zu variieren. Negative Strahlungsenergie wird geliefert,
welche produziert kalten Strom und Bedingungen alle Kondensatoren im
Ausgangsbereich der Schaltung.
Seien Sie sehr
vorsichtig mit dieser Schaltung, wie es Ihnen kann töten. Diese
Schaltung ist nur für erfahrene Experimentatoren. Kondensatoren werden etwa
einen Tag konditioniert machen können. Diese Schaltung ist gut für die
Gestorbenen Autobatterien wieder zum Leben. Wenn eine Batterie bedingt ist und die
Ladeschaltung Leistungsaufnahme ausgeschaltet ist, wird der Akku weiter
aufgeladen! Sobald sie bedingt sind, können Sie 4 Autobatterien parallel mit
nur 6 Watt 12 Volt Netzteil oder ein Solarpanel aufladen. Allerdings muss diese
Beschreibung nicht unter allen Umständen als eine Empfehlung, dass Sie
tatsächlich bauen diese Schaltung sein werden, da diese Präsentation ist
ausschließlich zu Informationszwecken.
Die Frage ist gefragt worden: "Warum verwenden
fünf Kondensatoren in Reihe, wenn einer von ihnen leicht handhaben kann die
Spannung verwendet wird?" Das ist
eine gute Frage, die Antwort ist überhaupt nicht klar ist. Die Antwort ist,
wegen der Art, die Kondensatoren aufzuladen.
Die Spannung an einem Kondensator, der aufgeladen wird, erhöht sich in einem
sehr nicht-linear, und es wird im allgemeinen wie folgt dargestellt:

Die roten Linien zeigen den durchschnittlichen Rate von Ladung und je steiler die Linie, desto schneller die Geschwindigkeit der Ladung. Desto größer ist die Ladespannung relativ zu der Größe des Kondensators, desto steiler ist der Startpunkt der Linie ist. Howerd nutzt diese Tatsache zu seinem Vorteil, indem Sie einfach die ersten zehn Prozent der Kurve. Dies wird durch Verbinden mehrerer Hochspannungskondensatoren in Reihe geschaltet, wie in seine Schaltplan durchgeführt. Die kombinierte Gruppe von Kondensatoren aufzuladen sehr schnell in der Tat, und bevor sie 10% ihrer Kapazität erreichen die neon Brände und der Kondensator Ladung in die Batterie (oder Kondensator), die konditioniert wird angetrieben. Die Intensität dieses Stroms wird durch die Größe der Kondensatoren in der Kette bestimmt wird, desto größer sind die Kondensatoren desto intensiver der Puls in die Batterie und wie Sie sehen können, hat Howerd 2,2 Mikrofarad-Kondensatoren der Kunststofffolie Typ gewählt:

Die Tesla-Schalter ist im Detail in Kapitel 5 behandelt, aber es ist erwähnenswert, sie wieder hier, wie es Batterieladung nicht durchzuführen. Die Ähnlichkeit endet dort, weil die Tesla-Schalter trennt den Ladestatus des Akkus, während die Schaltung stellt schwere Strom in eine Last. Auch die Tesla-Schalter nur vier Batterien verwendet, und ist immer noch in der Lage Fahren eines 30-PS-Motor, das ist der Gegenwert von 22 Kilowatt elektrischer Leistung.

Die einfache hier gezeigte Schaltung wurde von den Testern der Electrodyne Corp über einen Zeitraum von drei Jahren mit normalen Fahrzeug Blei-Säure-Batterien verwendet. Während dieser Zeit waren die Batterien nicht nur geladen gehalten durch die Schaltung, aber die Batteriespannung kletterte um so viel wie 36 Volt, ohne Schäden an den Batterien.
Wenn die Spannung an einer Batterie unter Belastung tatsächlich erhöht, ist es vernünftig anzunehmen, dass die Batterie, die mehr Leistung als die an die Last abgegebene (a Last ein Motor, eine Pumpe, ein Gebläse, Lampen oder andere elektrische Geräte) . Da dies so ist, und der Stromkreis zu keiner sichtbaren äußeren Quelle von Energie verbunden ist, wird es erkannt, dass es muss eine externe Quelle von Energie, die nicht sichtbar sein werden. Wenn die Schaltung mit stark genug Bauteile vorgesehen ist, ist es durchaus antreiben kann ein Elektroauto mit hoher Geschwindigkeit, wie durch Brandt Ronald nachgewiesen. Dies deutet darauf hin, dass die unsichtbare Quelle der Fremdenergie liefern kann ernsthafte Mengen zusätzlicher Macht ist. Es sollte auch beachten, dass eine Blei-Säure-Batterie nicht normal zurückkehren irgendetwas wie 100% der elektrischen Energie in sie eingespeist während des Ladens, so dass die Außenseite Energiequelle zusätzliche Strom an die Batterien sowie mit der Last ist.
Also, wie funktioniert diese Schaltung zu verwalten, dies zu tun? Nun, es es in genau der gleichen Weise wie die Batterie Puls-Ladeschaltungen gekennzeichnet, daß sie erzeugt einen sehr steil ansteigenden Spannungswellenform wenn es von seinem Zustand 1 wechselt in seinen Zustand 2 (wie früher ausführlich gezeigt). Diese sehr schnelle Umschaltung Ungleichgewicht der örtlichen Quantenenergie Feld verursachen große Energieflüsse, von denen einige dieser Schaltung und treibt sowohl die Schaltung und der Last eintritt. Obwohl es vier Batterien, und die Batterien nicht verwenden durch die Erzeugung von scharfen Impulsen aufgeladen, ist dies nicht eine Schaltung, die massiven Batteriebänke lädt so dass sie Macht eine Last zu einem späteren Zeitpunkt.
Es ist möglich, die Leistung eines Gleichstrom-Motors durch Anfügen Sätze von Neodym-Magneten an der Außenseite des Körpers des Motors verbessern. Ein Beispiel dafür zeigt ein Video an:
http://www.youtube.com/watch?v=NoLbphJkxMM&list=LLIpt7ksyRVQi3ITZwSeQxaw&feature=mh_lolz solche Regelung und das Video zeigt einet http://www.youtube.com/watch?v=5Xv-req4U8U&feature=related zeigt, wie der Motor diese Erweiterung des die Leistung produzieren eingerichtet werden kann. Der Motor sieht wie folgt aus:

Und ein Rahmen wird verwendet, um die vier Sätze der bar Magneten in Position um ihn herum zu halten:

Der Rahmen ist aus zwei Stücke aus 3 mm Aluminium mit Kunststoffhülsen halten die beiden Alu-Scheiben auseinander gebaut. Die Kunststoffhülsen werden mit Messing Schrauben gesichert. Wie das Motorgehäuse ist ca. 3 mm dicker Stahl, mit der Tendenz, abzulenken ist die hinzugefügte Magnetfeld nach außen, das ist das Gegenteil von dem, was wollte. Also, ein 6 mm dicker Streifen aus Stahl wird außerhalb der Magnete um das Feld zu lenken platziert nach innen. Magnete und Stahlbändern werden dann eingefügt, um die Anordnung zu beenden:


Der Motor wird demonstriert, wenn wie das einrichten. Dann werden vier Gruppen von sehr schmalen Magnete in Zwischenpositionen hinzugefügt und Breite Magnete mehr auf drei an jedem Standort, den Stahlbändern verworfen und vier breiten Magnete verwendet, die an jedem der vier Standorte rund um den motor:

Der motor wird auf zehn Mal es ist Höchstgeschwindigkeit (die es sehr schnell zerstören würde), so dass er mit nur einem Sechstel seiner ausgeführt wird ausgeführt design mit dieser Anordnung Spannung. Es wird verwendet, um einen elektrischen Generator, dargestellt in zwei Videos zu fahren:
http://www.youtube.com/watch?v=0dkiHUasERA&feature=related und
http://www.youtube.com/watch?v=ZTLvqCiKadI&feature=related die das anspruchsvolle Design-Merkmale der dieser Generator erklären, die mit großer Sorgfalt erstellt worden ist:

Da ein paar Minuten sanft drehen der Kurbel, Gebühren oben die fünf Batt-Caps genug, um den Motor für alles, was auf zwei Stunden laufen. Die Anordnung ist mit den Stator Magneten in einer Howard Johnston-Sequenz, die auch abgewinkelte nach innen wie die magnetische Wankel-Motor ist clever. Ein Elektromagnet kurz einmal pro Umdrehung hochgefahren und die umgekehrte EMF auf Abschaltung ist korrigiert und zurück an den Kondensatoren, bilden einen sehr effizienten Generator übergeben. Andere Design-Merkmale sind in den Videos erklärt, die auf jeden Fall sehenswert sind.
Der Generator, der beim laufen eine schnelle Folge von hoher Spannung entladen kann Funken die der Generator nur für eine interessante Anzeige verwendet wird. Dieser Funke Einleitungen sind jedoch durchaus in der Lage ist, eine Bank der Batterien aufladen (um nicht zu vergessen, ein Don Smith Stil macht Gerät ausgeführt). Der Generator auf der Bank verbundenen Batt-Cap ein gewöhnlicher Kondensator hinzuzufügende geht und den Motor es Paare:

Dadurch wird den verbesserten Motor werden voll automatisch ablaufende sowie Herstellung überschüssige Energie, die leicht eine Bank von großen Batterien aufladen könnte. Konventionelle Wissenschaft sagt übrigens, dass es "unmöglich" ist und so sehen sie nur auf diese Maschine mit ihren Augen geschlossen, da sie nicht zu glauben – immerhin leisten können, die ihnen ihre gegenwärtigen Theorien ändern erfordern würde und die Leute, die ihre Gehälter zahlen würde eine solche Änderung nicht zulassen.
Dieser Motor wird gezeigt auf Kondensatoren ausgeführt, aber wenn es durch eine gewöhnliche Batterie angetrieben und dabei laufen Konstruktionsgeschwindigkeit von 3.300 u/min statt der extrem niedrigen Drehzahl angezeigt wird, dann sollte es kostenlos eine schwere Bank von großen Batterien, von denen dann verwendet werden kann, macht es zum nächsten Laden laufen können.
In Kapitel 2 gibt es einen Abschnitt auf wie ein Experimentators die Verkabelung innerhalb der DC-Motoren ändert. Diese Veränderung hat eine große Wirkung, Steigerung der Ausgangsleistung durch einen größeren Betrag als auch die Voraussetzung, dass eine zusätzliche elektrischen Leistung erzeugt. Eine Person, die befolgte seine Anweisungen und zurückgespult einen winzigen 3-Volt-3-Pol-Motor, dann versucht, läuft der Motor auf eine entladene 6-Volt-Batterie. Der Motor lief, langsam zuerst und Geschwindigkeit dann abgeholt. Das schien unmöglich, wie der Motor 300 Milliampere zieht bei der Ausführung und der Akku einfach nicht fähig sind war, diesen Strom. Jedoch unmöglich oder nicht, der Motor lief und Tat nicht nur laufen, aber es begann das Aufladen des Akkus treiben es. Dies lässt vermuten, dass dies ein sich selbst tragendes System ist die Ausgangsleistung und noch nie muss die Batterie aufgeladen haben.
Die Art und Weise dies geschieht ist, dass was wir denken, wie "Strom" eigentlich eine komplexe Sache ist "Elektromagnetismus" genannt. Wir denken an Elektrizität und Magnetismus als zwei verschiedene Dinge, während in der Tat, sie sind zwei verschiedene Aspekte des Elektromagnetismus der Einheit. Die elektrische Komponente hat immer einen Wirkungsgrad von weniger als 100 %, die die magnetische Komponente immer einen Wirkungsgrad hat, der größer als 100 % - etwas ist was wir in der Regel nicht bemerken, wie wir dazu neigen, die magnetische Komponente ignorieren.
Im Falle dieses kleine 3-Volt-Motor zieht es seine laufenden 'warm Strom Strom aus der Batterie. Das rotierende Magnetfelder im Inneren des Motors verursacht und diese erzeugen 'kalten Strom' der fließt wieder an den Versorgung Drähten und lädt die Batterie.
Einige Vorschläge, Batterie Aufladen
Mithilfe eines Fahrzeugs um Batterien aufzuladen.
Es ist sehr einfach, das offensichtliche zu übersehen. Es ist möglich für Menschen, die ein gutes Stück fahren, möglicherweise zum und vom Arbeitsplatz, oder vielleicht eine Runde einige zusätzliche Batterien von der Auto-Lichtmaschine Lieferung beschäftigen. Sobald der Motor gestartet wird, zusätzliche Batterien parallel mit der Autobatterie angeschlossen werden können, d. h. die plus-Klemme des den zusätzlichen Akku oder Batterien an die Autobatterie plus verbindet.
Das zieht einige zusätzlichen Energie aus der Auto-Motor und in der Theorie sollte verursachen einige zusätzliche Kraftstoff verwendet werden, aber der zusätzliche Kraftstoff sollte relativ geringfügige sein, da die meisten die Kraft des Motors wird verwendet, um die Luft zu drücken beiseite als Luft Widerstand steigt mit dem Würfel von der Geschwindigkeit des Fahrzeugs. Die aufgeladenen Batterien können aus dem Fahrzeug entfernt, am Abend und zu Betriebsanzeigen, Fernseher, DVD-Player, etc. in den Abend mit einem kleinen kommerziellen Wechselrichter verwendet werden.
Experimentieren mit einem Akkuladegerät.
Es ist eine interessante Möglichkeit, wenn Sie eine der weiter oben in diesem Abschnitt sagen, ein Alexkor-Solid-State-Impulsgenerator dargestellten Puls-Akku-Ladegeräte verwenden. Gesunder Menschenverstand sagt Ihnen, das wollen Sie einer Lampe mit einer Batterie, dann je länger die Lampe Licht beleuchtet werden, je größer die Batterie sein muss.

Dies aus einem etwas anderen Blickwinkel betrachten, könnten wir sagen, dass je kürzer der Zeitraum wann der Akku hat die Birne macht je kleiner die Batterie sein kann. Also, zum Beispiel wenn die Lampe nur zehn Sekunden lang beleuchtet werden mussten, dann die Batterie könnte recht klein sein.
Aber angenommen, wir waren zu dieser Zeit auf eine Sekunde zu reduzieren, dann die Batterie sehr klein sein könnte, und wenn wir den Zeitraum auf ein Zehntel einer Sekunde, dann die Akkuleistung zu reduzieren, die Kraft, die benötigt werden für das Licht winzigen verglichen werden würde sagen, eine Stunde. Das mag trivial und offensichtlich, aber es dies führt bis zu einer Strategie, die nützlich sein könnten.
Ziemlich vor kurzem super-Kondensatoren zu vernünftigen Preis, mit einem 2.5V verfügbar geworden 5F Kondensator kostet weniger als £3. Nur um dies relativieren, Elektronik, ist ein Kondensator 1000 Microfarad große gilt und ein 10.000 Microfarad-Kondensator gilt als sehr groß sein. Ein 5F-Kondensator ist 500 mal größer als ein 10.000 Microfarad-Kondensator. Diese Kondensatoren kostenlos vollständig in nur wenigen Sekunden sind 100 % effizient und sollte bleiben in Betrieb für viele Jahre, wenn nicht gar Jahrzehnte.
Genommen Sie an, wir waren eine 6-Volt-Lampe über eine 6-Volt-Blei-Säure-Batterie zu verbinden. Wenn der Akku geladen waren, zu sagen, 6,6 Volt (gemessen eine Stunde nach von einem Ladegerät getrennt werden) die Lampe über den Akku und waren links beleuchtet, bis die Batteriespannung auf 5,0 Volt gesunken (beim Laden, da es zu viel Spannung gewinnen wird, wenn die Last getrennt ist). Dann, die bestimmt, wie lange die Batterie Lampe macht kann, wenn die Batterie entladen ist, dass viel.
Es wäre interessant zu sehen, ob die Länge der Zeit ausgeweitet werden könnte, ohne eine größere Batterie zu verwenden. Angenommen, wir waren eine Gruppe von drei dieser super-Kondensatoren in Serie zu einem 7,5V bilden die Verbindung Kondensatoren der 1.67F Kapazität, und dann die folgende Schaltung umgesetzt:

erwenden eine einfache NE555-Schaltung, um das Relais ein- und ausschalten einmal pro Sekunde zu fahren. Dann die Batterie würde nur die Hälfte der Zeit an die Lampe angeschlossen werden, und es würde sein 'Ruhe' für die Hälfte der Zeit. Das klingt wie eine verrückte Idee, als wenn die Batterie angeschlossen ist es müssen sowohl die Lampe Licht und nach oben bis die Ladung in den Kondensator, und einige Strom benötigt zum Ausführen der NE555-Schaltung und das Relais zu fahren. Das führt zu einer schlechteren Leistung als zuvor.
Jedoch als die Batterie für die Hälfte der Zeit getrennt ist, können wir diese Tatsache zu unserem Vorteil nutzen durch die Verlängerung der Strecke dieser Vereinbarung:

Dies
macht die Stromaufnahme aus der Batterie noch schlimmer, da gibt es jetzt zwei
große Kondensatoren, die sich jede Sekunde gekrönt werden, während die Lampe
mit Strom versorgt wird und die NE555-Schaltung auch angetrieben wird wird.
Aber die Hälfte der Zeit, das Relais ist in seinem anderen Standpunkt der
Kondensator "C2" mit Impuls-Ladegerät verbindet, und zur gleichen
Zeit wird die 'Ruhe' Batterie angeschlossen, an den Ausgang von Akku-Ladegerät,
Aufpreis zu füttern.
Sie
könnten das Gefühl, dass ein rennenden Zeitraum von einer halben Sekunde ist
viel zu kurz um von nutzen zu sein, aber das ist eigentlich nicht der Fall. In
Kapitel 5 gibt es Erwähnung des Patents 1989

Natürlich, während dieser Tabelle der Ergebnisse nicht direkt an unsere vorgeschlagenen Schaltung gilt, bedeutet es, dass sehr zufriedenstellende Ergebnissen kommen können, aus einer sehr intermittierende rennenden Sequenz und während ich so weit, eines ein-Sekunden-Zyklus bei unserer Testschaltung gesprochen habe, das ist rein aufgrund der ersten Test-Verwendung eines mechanischen Relais. Wenn der Test zufrieden stellend ist, zeigen eine längere Zeitdauer für die Batterie eine Spannung von 5 Volt zu erreichen und die Relais-Schaltung mit einer Solid-State (niedriger Stromverbrauch ersetzt wird) Schaltung, dann eine Schaltzeit von vielleicht einem Zehntel einer Sekunde verwendet werden könnten.
Wenn das Ladegerät bei 300.000 Hz führt (die nur 10 % einiger Alexkor-Schaltungen ist), dann mit einem Timing von einem Zehntel einer Sekunde pünktlich und ein Zehntel einer Sekunde Zeit, würde die Batterie erhalten etwa 30.000 aufladen Impulse fünfmal pro Sekunde, die 150.000 rennenden Impulse pro Sekunde ist, die sehr nah an einige sehr erfolgreiche Batterieladegeräte ist die ganze Zeit arbeiten.
Dies ist eine ungetestete Idee, aber es sieht aus, als ob es sinnvoll erweiterte Batteriedauer zu produzieren vielleicht und wenn der Schalter "S" in der Schaltung enthalten ist, dann beim Öffnen, die Batterie in der Lage durchaus kann, self-charge. Da diese Anordnung so einfach ist, konnte es gut Wert testen sein. Der NE555 IC kann bis zu 200 Milliampere und so dass es wahrscheinlich fahren konnte die meisten 6V Relais direkt, wenn das Relais zwischen Pin 3 und das Plus der Batterie verbunden ist. Zunächst kann die NE555-Schaltung durch einen separaten Akku oder Netzteil betrieben, während die Wirkung der Schaltung geprüft wird. Später trifft die Strecke gut zu funktionieren, es könnte versorgt werden angeschlossen an die Batterie über eine Drossel und ein "Glätten" Kondensator (mit einem Varistor über den Kondensator, wenn Sie wirklich sicher spielen möchten), die Ladestation Impulse aus der Zeitschaltung oder es zu blockieren könnte versorgt werden über eine zusätzliche super-Kondensator oder von einem der zwei vorhandenen Kondensatoren. Natürlich gibt es keinen Grund, warum die NE555-Schaltung sollte eine On-Zeit gleich der Off-Zeit haben und so den Timer Pausenverhältnis einstellbar gemacht werden könnte und Tests ausgeführt, um zu sehen, was die optimale Einstellung wäre. Dies könnte ein interessantes experiment.
Wenn Sie jedoch diese Idee zu testen, während Sie ein Relais verwenden könnte, um die ersten Tests dafür entscheiden, könnte es eine gute Idee, Festkörperschaltelement gleichzeitig zu testen, wie Festkörperschaltelement ist wahrscheinlich viel mehr zuverlässig und haben eine wesentlich längere Lebensdauer. Wir können wählen, um bi-polar-Transistoren verwenden, da sie die zuverlässigsten für niedrigere Spannung Schaltungen sind, und so könnten wir die Schaltung so zu behandeln:

Maplins haben 2.7V Superkondensatoren zu sehr günstigen Preisen. Es wäre notwendig, vier oder fünf in Reihe zu schalten, um die Spannung zu erfüllen, obwohl dabei das verringert die Gesamtkapazität erheblich. Es wäre ganz einfach, eine stufenlose Regelung der Verwendung einer abschaltbaren veränderlichen Widerstand und eine Emitterfolgertransistors wo der Schalter Kurzschluss der Dimmer aber, wenn sie geöffnet, kann die Spannung (und ja, die aktuelle) an den LED-Bank angelegt hinzuzufügen, eingestellt werden, wie in der Solarzelle Licht Vorschlag am Ende von Kapitel 14 gezeigt.
Zunächst könnte ein langsam laufender 555 Schaltung verwendet werden, um eine der oben genannten Treiberschaltungen und invertieren die 555 ausgegeben, um die andere Schaltung zu treiben, mit einem Transistor mit einer Basis-Widerstand, um es zu schützen. Eine weitere praktische Ladeschaltung könnte:

Hier ist das Ladegerät an die Batterie zu allen Zeiten verbunden ist, über eine Diode (oder vielleicht mehr praktisch durch drei oder vier Dioden, wie UF5408, die in parallel laufenden besser als eine Diode allein führt), was zu einer Schaltung so etwas wie dieses:

Wenn Pin 3 der 555 nach unten geht, Kontrolle Widerstände R1 und R2 den Stromfluss zu Tr1 und Tr2, Schalten sie voll auf, um die Kondensatoren C1 und C2 zu laden. Der Widerstand R5 ist ein hoher Wert von Wort, 470K und gibt es nur einen Stromweg, wenn der Schalter S geöffnet wird, um das Licht auszuschalten bereitzustellen.
Der Widerstand R3 ist gewählt, um den Transistor 2N2222 (oder BC109 oder andere kleine-Signal-Transistor) Tr3 voll auf, wenn Pin 3 hoch geht wechseln und R4 wird gewählt, um sicherzustellen, dass Tr3 Schalter komplett ausgeschaltet, wenn Pin 3 niedrig ist, das Ladegerät Schalt-durch Drehen Tr4 off und Aushungern des Stroms.
Es ist durchaus üblich, dass eine Ladeschaltung wie die von John Bedini oder Alexkor, um die Batterie aufgeladen, um in Reihe mit der Batterie, die den Antrieb des Ladeschaltung (Kondensator C2 in unserem Fall) angeschlossen werden müssen. Dies kann wie folgt angeordnet werden:

Hier kann die Größe des Kondensators "C" erhöht wird, wie es jetzt liefert sowohl das Licht und die Ladeschaltung, die die ganze Zeit läuft. Da die Spannungsspitzen Hochspannung und die sich daraus ergebende Gebührenstruktur sind derzeit sehr hoch, Solid-State-Implementierungen dieser Anordnung erfordern Tests mit Prototypen, bevor sie hier gezeigt.
Im Idealfall für einen USB-Ausgang, wollen wir eine Anordnung, die keinen signifikanten Strom zieht, wenn nicht in Gebrauch ist und doch die nicht mit einem mechanischen Schalter. Dafür könnten wir etwas tun:

Hier ist die
Batteriespannung von rund um 9V oder 9.8V oder was auch immer, über eine
Variable 100 K-Widerstand, die knapp 0,1 Milliampere verschwenden wird
verbunden. Zwei (kostengünstige) BC109C Transistoren werden ihre Ladung als
Wenn Pins 1 und 4 kurzgeschlossen – was sehr unwahrscheinlich ist, dann der Strom durch den Widerstand 120 Ohm wäre 52,5 Milliampere, die angibt, dass dieser Widerstand ein Hälfte-Watt-Typ sein sollte, wie die Wärmeabgabe 330 mW. Der effektivste Weg, die Erstanpassung zu machen wäre die Ausgangs-Spannung niedrig eingestellt, ein Mobiltelefon mit der Buchse verbinden und VR1 5.3V oder so weiter den Sockel anzupassen. Verhindert übermäßige Aufladung des Akkus kann mit einer Schaltung dieser Art durchgeführt werden:

Punkt "A" ist eine Referenzspannung von Widerstand R1 und Zener Diode Z1 und Kondensator C1 mit einer stabilen Spannung Besitz. Die Op-Amp-IC1 fungiert als einem Komparator zwischen den Punkten "A" und "B" (das ist von der voreingestellten Variablen Widerstand VR1 und reflektiert die gesamte Spannung der Batterie). Die Ausgangsspannung des IC1 wird drastisch ändern, wenn die Spannungsdifferenz zwischen "A" und "B" tauscht über, aber keineswegs auf die Schiene-Spannungen Transistor Tr1 gibt es einen voll-Logik-Schwung zu geben. Der Transistor-Basis-Strom wird festgelegt, indem der Widerstand R3 und Widerstand R2 ist es sicherzustellen, dass Tr1 richtig schaltet. Widerstand R4 hat durchaus einen hohen Stellenwert, da es nur ein paar Spannungsteiler mit Tr1 bilden soll.
Der Op-Amp möglicherweise ein LM358, wie es mit Spannungen so niedrig wie 4.5V funktionieren, es sehr billig ist und es fast keinen Strom zieht. Wie das Paket zwei Operationsverstärker drin hat, kann die zweite man als Puffer angeschlossen werden:

Wie wir die Schaltung zunehmender Spannung Batterie wechseln wollen, muss Punkt B auf eine niedrigere Spannung als Punkt a beginnen. Wenn verbunden, wie gezeigt, wird Tr1 wenn die Batterie aufgeladen wird und schaltet bei einer Spannung, wenn der Akku vollständig geladen ist durch die Position des Schiebereglers VR1 gesetzt.
Wie der Akku aufgeladen wird hohe Spannungsspitzen empfängt, der Eingang zu diesem Abschnitt der Strecke wird von der 100 Ohm Widerstand gepuffert und der 100 nF Kondensator gibt es Spikes Kurzschluss, die durch den 100-Ohm-Widerstand zu bekommen versucht. Ein Induktors wäre wahrscheinlich besser, als der 100-Ohm-Widerstand für einen viel größeren Kondensator parallel zu der 100 nF Kondensator anschließen und unterdrückt Spannungsspitzen möglicherweise eine zusätzliche Hilfe in der Spannung Schienen dieses Abschnitts der Schaltung auf eine verlässliche durchschnittliche Spannung zu halten. Die Wahl der Widerstand R1 und die Spannung der Zener Diode sind nicht entscheidend. Der Strom durch R1 kann sehr niedrig sein, die IC1 fast ohne Strom braucht und gibt es ein Reservoir-Kondensator über die Zener-Diode und, dass die Spannung ruhig halten.
Widerstände R2 und R3 sind ausgewählt, entsprechend Tr1, R3 um sicherzustellen, dass es richtig beim Ladegerät Schaltung und R2 schaltet um sicherzustellen, dass es richtig wenn dann Ausgabepin 7 von IC1b auf den niedrigsten Wert von etwa 2 Volt sinkt schaltet verbunden. Es ist wahrscheinlich, dass R4 nicht notwendig sein wird, wenn TR1 wahrscheinlich direkt, in die Ladeschaltung verbunden wird um es ausschalten oder oszillierende beenden.
Nathan Stubblefield war ein außergewöhnlicher Mann und sein US-Patent 600.457 von 1898 ist sehr interessant. Ich habe zwar nicht bestätigt, es nicht persönlich, sein Patent behauptet, dass eine Spule aus Kupferdraht gewickelt und Eisen nebeneinander und in Wasser gelegt, oder sogar ein feuchter Umgebung wie feuchten Tuch oder feuchten Boden, eine "praktische" Niveau produzieren Strom für eine unbegrenzt lange Zeitdauer. Wie Stubblefield Bemerkungen, sind an der Tagesordnung "Photovoltaik-Paare” in das Wasser gelegt nicht in der Lage, signifikante Strom aufgrund ihrer hohen Innenwiderstand.
Stubblefield behauptet, dass sein Design ist ganz anders als die, die vor mehr als hundert Jahren üblich waren, denn seine Spiral Paar kann ein Niveau der Strom, der nützlich und verwendbar ist. Der Aufbau ist sehr einfach. Er beginnt mit einem zentralen Eisenbolzen. Wenn ich seinen Entwurf richtig zu verstehen, muss die Schraube nur Eisen sein, wenn die Batterie geändert werden, um einen Wechselstrom-Wellenform zu erzeugen. So, ob es aus Eisen besteht, ist der Ausgangspunkt eine Schraube, die als Basiskomponente für das Wickeln der Spule verwendet wird.

Ein
nicht-metallische

Da der Schaft des Bolzens ist leitend, und da ein Draht der Spule ist nicht isolierten Eisen, um die Windungen der Spule kurzgeschlossen durch die zentrale Achse des Bolzens zu verhindern, wird eine dünne Schicht aus Stoff verwendet isolieren die Schraube als das Tuch aufnehmen und halten das Wasser "Elektrolyt", die für den Betrieb dieses nasse Batterie erforderlich ist.
Als nächstes wird ein Zweifadendraht gewickelte Schicht aus blankem Eisendraht neben isoliertem Kupferdraht über die gesamte Länge des Bolzens gewickelt ist, und dann durch eine dünne Schicht aus Tuch bedeckt. Es ist tatsächlich nicht notwendig, den Beginn der beiden Drähte durch die Endscheibe nehmen diese beiden Enden stets sowieso nicht angeschlossen werden:

Diese Wickelprozess wird durch die Schicht wiederholt, Schicht, bis die Spule gefüllt wurde:

Und das, nach Stubblefield, vervollständigt die Gleichstrom-Batterie, wenn sie in Wasser gelegt, oder alternativ, hat alle Gewebeschichten mit Wasser befeuchtet. An einem Ende der Spule, der Kupferdraht und der Eisendraht sind unbeschaltet bleiben, während die anderen Drahtenden werden verwendet, um die Last zu versorgen.
Allerdings Stubblefield nimmt das Design noch einen Schritt weiter (vorausgesetzt, dass der Bolzen wurde aus Eisen oder einem magnetisch ähnlichen Metall). Da die Drähte trägt den Batteriestrom in der Form einer Spule, die durch sie fließende Strom erzeugt ein Magnetfeld stark genug, um eine Stromversorgung Sekundärwicklung, die um die Batterie Spulen aufgebaut sein kann wie hier gezeigt:

Wenn ein Schalter verwendet wird, um den Gleichstrom Last wiederholt mit einer hohen Rate von Schalt trennen, wird ein induzierter Strom in der Sekundärspule erzeugt wird, und daß induzierte Energie mit einer hohen Spannung, wenn die Sekundärspule hat viele Windungen. Die Sekundärspule ist nur eine gerade schräg Kupferdrahtspule, im typischen Stil der Transformator.
Die Schaltungsanordnung kann sehr einfach sein, wie ein Relais kann als Teil der Last für die Gleichstrom Nassbatterie verwendet und durch eigene "stromlos zu" Kontakt wie diese angeschlossen werden:

Hier wird das nasse Zellenden Strom die ganze Zeit und, dass dieser sich die Relaisspule über den geschlossenen Relaiskontakt und durch den Draht der Sekundärwicklung umgibt. Der Stromfluß durch die Relaisspule drückt den Relaiskontakt geöffnet ist, bricht der Stromfluss durch die Sekundärwicklung. Dies erzeugt das Hochspannungsimpuls-EMK, die der Benutzer wünscht. Dann, da der Stromfluß durch die Relaisspule unterbrochen worden ist, schließt der Relaiskontakt wieder und der Vorgang wiederholt sich unbegrenzt, Erzeugen einer Folge von Hochspannungsimpulsen, die der oben gezeigten Schaltung "B" zugeführt werden. In diesen Tagen der Niederspannungsschaltung, ist es wahrscheinlicher, dass die nasse Basiszelle würde für sich allein verwendet, um eine Gleichstrom-Schaltung mit Strom zu versorgen.
Diese Batterie muss nicht geladen als solche. Erde Batterien sind bekannt. Es sind Paare von Elektroden in der Erde vergraben. Strom kann aus ihnen gezogen werden, aber sie in der Regel von geringem Interesse sind die Leistungsniveaus sind nicht groß. Doch in seinem Patent von 1893, Michael Emme, ein Franzose Leben in Amerika bestimmt, wie sehr ernste Ebenen der Macht von einer Boden Batterie seines Entwurfs zu erhalten. In diesem speziellen Einheit, die er in seinem US 495.582 Patent beschreibt, bekommt er 56 Ampere bei knapp 54 Volt, die drei Kilowatt oder 4 HP ist. Zu diesem frühen Zeitpunkt gab es in der Regel nicht viel Strom braucht, aber Michael erklärt, dass, indem Sie die Anzahl und die Anschlusstechnik der einzelnen Komponenten, jede gewünschte Spannung und / oder Stromversorgung zu haben ist. Dies ist natürlich, ist ein einfaches System, das keine Elektronik beinhalte.
Disclaimer: Dieses Dokument ist nur zu Informationszwecken
und sind nicht als Empfehlung oder eine Ermutigung sein, dass Sie tatsächlich
bauen eine Erde Batterie dieser Art werden. Wenn Sie sich so trotz dieser
Warnung zu tun, dann werden alle Verantwortung für die Ergebnisse liegt ganz
bei Ihnen. Bitte beachten Sie, dass einige Formen der Konstruktion nutzen
starke Säuren und sorglosen Umgang mit einer starken Säure kann Haut und
anderen Schäden führen. Die Schutzkleidung sollte bei der Handhabung Säuren
verwendet werden, und ein Alkali sollte sofort einsatzbereit sein, wenn
unvorsichtige Handhabung verursacht Spritzert.
Zusammenfassende seines Patents, so Michael:
Meine Erfindung betrifft chemische Stromerzeuger in dem eine
vorbereitete Körper aus Erde ist die Unterstützung und Anregungsmittel für die
Elektroden oder Elemente. Eine beliebige Anzahl von Elementen in dem gleichen
Stück Boden zusammengebaut und in einer Kette oder einer Serie von Ketten, um
die gewünschten Spannungs- und / oder Stromstärke zu erzeugen verbunden werden.
Finde ich, dass mehrere gerade Ketten von Elementen separat
bereitgestellte Funktion, dass die Lücke zwischen den Ketten viel größer ist
als die Lücke zwischen den Elementen, die die Kette bilden. Als ganz getrennt,
können diese Ketten in Reihe geschaltet werden, um die Spannung zu erhöhen,
oder parallel zu den verfügbaren Strom zu erhöhen.
Es ist notwendig, den Boden in den Boden in der unmittelbaren
Umgebung der Elektroden, die jedes Element in der Kette bilden, herzustellen.

Fig.1 zeigt fünf in einer Kette verbundenen
Elementen. Diese Ansicht ist von oben mit den Rechtecken anzeigt, Löcher in den
Boden, wo jedes

Fig.2 und Fig.3 zeigen, wie die einzelnen
Elektroden sind in den vorbereiteten Boden "C", die von unbehandelten
Boden "B" umgeben ist, eingeschoben. Elektrode "D" besteht
aus Eisen und "E" aus Kohlenstoff hergestellt ist.

Fig.4 zeigt, wie keilförmigen Elektroden kann
als eine alternative Konstruktion verwendet werden. Der Vorteil besteht darin,
dass es einfacher ist, eine sich verjüngende Elektrode aus dem Boden zu ziehen.

Fig.5 zeigt die internen Stromfluß
Schaltungen, wenn eine Kette von Elementen verwendet wird, zu betreiben. Die
Pfeile zeigen die Richtung des Stromflusses.

Fig.6 zeigt ein geeignetes Verfahren zum periodischen
Befeuchten der vorbereiteten Bodenbereichen.
Boden von jeder Art für die Verwendung mit einem
elektrischen Generator dieser Art, indem man den Boden jedes Paar von
Elektroden mit einer geeigneten Lösung, die reich an Sauerstoff, Chlor, Brom,
Jod oder Fluor ist, unmittelbar umgibt, oder mit einer Lösung aus a angepasst werden
Salz eines Alkali.
Für den Elektroden, ziehe ich es aus Weicheisen für die
positive Elektrode und schwer Kokskohlenstoff für die negative Elektrode
verwendet werden. Die positive Elektrode ist vorzugsweise eine U-förmige
Eisenstange, die einen kreisförmigen Querschnitt hat. Die beiden Schenkel des U
spreizen die Stange aus Kohlenstoff. Gusseisen verwendet werden kann, aber es
gibt eine geringere Spannung, vermutlich aufgrund der Kohlenstoff und anderen
Verunreinigungen darin.
Magnesium hervorragende Ergebnisse produziert 2,25 Volt pro
Elektrodenpaar in denen C ist die negative Elektrode.

Bei der Umsetzung meiner Erfindung ebnen ich ein Stück Boden
mit ausreichender Bereich, um die Erzeugung Kette oder Ketten enthalten.
Beispielsweise wird für dreihundert positive Elemente jeweils 500 mm lang und
zwei Zoll Durchmesser 50 mm, gebogen wird, wie in 3 gezeigt, sollte die Länge
des Stückes der Boden etwa 32 Meter und 1 Meter breit sein. Ich grabe Löcher 43
in einem Abstand von 735 mm auseinander (Mitte zu Mitte) in einer Linie. Jedes
Loch ist 250 mm breit und 750 mm lang und tief genug, um die sieben Paare von
Elektroden enthalten.
Die lockere Erde gegraben aus den Löchern wird mit dem
gewählten Salz oder Säure, um den Generator zu aktivieren gemischt. Zum
Beispiel, wenn der Boden ist ein Pflanzenerde, dann Handels konzentrierter
Salpetersäure sollte in ausreichender Menge aufgenommen werden, um den Boden zu
sättigen, und Mangan Peroxid oder Braunstein sollte mit der Masse vermischt
werden. Wenn der Boden hat einen sandigen Charakter, dann Salzsäure oder
Natriumcarbonat ("Soda") oder Pottasche verwendet werden. Wenn die
Spule eine Ton, dann Salzsäure oder Schwefelsäure und Natriumchlorid verwendet
werden, wobei das Salz in Wasser aufgelöst und in das

Durch die Erhöhung der Anzahl der Zellen, kann die Kapazität
des Generators entsprechend einem gewünschten Leistungsabgabe erhöht werden.
Die hergestellte Bodenkörper sollte periodisch befeuchtet werden, vorzugsweise
mit der Säure mit dem es behandelt worden war, als erste Handlungs hergestellt.
In einer für den Dauergebrauch, bevorzuge ich, um ein Reservoir
bereitzustellen, in Fig.6 wie dargestellt als "A" eingestellt, und
ein Rohr aus einem Material, das nicht durch die Säure angegriffen wird
hergestellt, die entlang der Kette von Elementen, die mit einer Düse über jedes
Element, so dass sie alle sehr leicht angefeuchtet werden. Ein Ansammeln von
Oxiden oder anderen Produkten der Reaktion zwischen dem vorbereiteten Boden und
der Elektroden kann durch eine Erhöhung der positiven Elektrode und dann wieder
zurück zu zwingen ihren Platz entfernt werden. Die Kohlenstoff-Elektrode kann
durch einfaches Drehen ohne Abheben von seinem Platz zu reinigen.
Finde ich, dass die Nutzungsdauer des Generators, während
der keine Zugabe von Salz oder Säure erforderlich ist, nimmt mit der
Einsatzdauer. Beispielsweise während der ersten Nutzung, die Säure oder das
Salz sollte nach 10 Stunden, wonach sie sich auf 26 Stunden Dienst nach der
anderen zu erhalten, und dann befeuchtet wird 48 Stunden lang betrieben, und so
weiter zugegeben werden, die fortschreitend zunehmender Dauer zwischen
befeuchtet. Dieser Generator arbeitet sehr konstant und zuverlässig.
* * * *
Heutzutage finden wir Netzspannung Wechselstrom sich als die bequem zu bedienen. Für ein System wie dieses, würden wir uns geneigt, einen gewöhnlichen Wechselrichter, der auf zwölf Volt oder vierundzwanzig Volt läuft nutzen. Es muss jedoch daran erinnert werden, dass die Arbeitseingangsstrom hoch ist, und so wird der Draht zur Durchführung, dass die gegenwärtigen Bedürfnisse zu dick sein. Bei 12V ist jedes Kilowatt ein Strom von mindestens 84 Ampere. Bei 24V, dass die derzeitigen 42 Ampere ist (der Wechselrichter selbst ist teurer als weniger gekauft werden). Erhebliche Gebrauch im Haushalt aus einer 1500-Watt-Inverter zu haben.
Die von Michael Emme beschriebenen Weicheisen / Carbon-Bauweise produziert 54V aus 43 Sätzen von Elektroden, was rund 1,25 V pro Satz bei hohen Stromverbrauch. Es scheint ziemlich wahrscheinlich, dass zehn oder elf Sätze von Elektroden würde rund 12 V bei hohen Strom und drei dieser Ketten parallel geschaltet geben sollte bei extrem niedrigen Betriebskosten der Lage, eine 1500-Watt-Inverter 12V kontinuierlich mit Energie versorgen.
Johan Booysen Südafrika verwendet Elektrolyseur Schaltung von Bob Boyce von Amerika entwickelt, um eine Batterie aufzuladen. Das Wichtigste ist, dass es nur eine Batterie als die Batterie tatsächlich versorgt die Ladeschaltung aufgeladen beteiligt. Die Batterie beteiligt war eine 12-Volt 18 Amp-Stunden-Blei-Säure-Batterie, die deshalb einen Wirkungsgrad von nur 50%, was bedeutet, dass die Batterie zu doppelt so viel Strom im Vergleich zu dem Strom, der sie danach zurück erhalten können. Johan verwendet die Batterie, um ein Spielzeugauto, das seine junge Tochter spielte mit Strom zu versorgen. Er berechnet, dass die Batterie über Nacht, so dass sie es benutzen konnten am nächsten Tag herumfahren.

Während die maximale Geschwindigkeit des Autos ist nur zwei oder drei Meilen pro Stunde, ist der wichtigste Punkt, dass das echte, wahre Energie wird in die Batterie jede Nacht, Energie, die die Befugnisse der Spielzeugauto jeden Tag stellen. Ein Gerät dieser Art, das eine Batterie ohne Sonnenlicht aufladen kann, ohne die Notwendigkeit für Wind und ohne Treibstoff, hat wichtige Anwendungen für die Menschen in entlegenen Gebieten, wo es keine Stromnetz und wird es nie sein, da es nicht Wirtschafts Stromleitungen dort ausgeführt. Die Frage ist: kann eine solche Vorrichtung hergestellt werden, die zuverlässig und sicher zu bedienen ist?
HAFTUNGSAUSSCHLUSS:
die folgenden Informationen sind nicht für Anfänger, sondern ist
ausschließlich für Menschen, die in der Elektronik vertraut sind und die sich
der damit verbundenen Gefahren sind vorgesehen. Bitte haben Sie Verständnis
klar, dass ich nicht empfehlen, dass
Sie alles, was auf der Grundlage der folgenden Informationen zu bauen.
Erstens, haben Sie bitte Verständnis, dass Sie in einem gefährlichen Ort zu leben. Sie sind umgeben und in einem Meer von großen Energie, die durch Sie zu jeder Zeit fließt getaucht. Ein Blitz ist Millionen Volt mit einem Strom von zehntausend Ampere oder mehr. Das ist eine enorme Menge an Energie und mir gesagt, dass auf der ganzen Welt gibt es zwischen 100 und 200 von denen, Blitz in jeder Sekunde. Das Energiefeld würde nicht einmal bemerken, Leistungsflüsse wie, dass, obwohl die uns scheinen sie große Mengen an Macht.
Wir merken nicht, das Energiefeld, weil wir darin für unser aller Leben gewesen. Es wird gesagt, und ich bin geneigt, es zu glauben, obwohl ich nicht weiß, wie es zu beweisen, dass es nicht möglich ist, zu erstellen oder zu zerstören, Energie, und die meisten, die wir tun können, ist zu konvertieren sie von einer Form in eine andere ( und wenn wir das tun, wir in der Regel gelingt, den Energiefluss zu machen nützliche Arbeit für uns). Ein Weg, um das Energiefeld wirken, wird auf eine sehr kurze, sehr scharf, Hochspannungsspitze zu schaffen. Das stört die umliegenden Energiefeld genug, um kleine Wellen im zu machen und wir können manchmal zu sammeln, diese Wellen und verwenden einige von ihnen auf elektrische Arbeit für uns tun.
Eine andere bekannte Möglichkeit, diese enorme Energiefeld zuzugreifen, ist ein rotierendes Magnetfeld zu erzeugen, aber Sie müssen sehr, sehr, Sie vorsichtig, wenn Sie versuchen zu tun, dass, wie Sie Herumspielen mit einem Energiefeld unglaubliche Kraft. Sie haben wahrscheinlich die berühmte Gleichung E = mC2 gehört und während die meisten Leute denken, dass es von Albert Einstein kam, die Realität ist, dass es Jahre zuvor von Oliver Heaviside und Einstein produziert nur publik es. Was die Gleichung sagt, dass Energie und Materie austauschbar sind und dass ein winziges Materie kann aus einer sehr großen Menge an Energie erzeugt werden. Oliver Heaviside auch berechnet, dass das Energiefeld, das ich versucht habe zu beschreiben, füllt jeden Teil des Universums, und diese Energie ist so groß, dass die Menge innerhalb eines Kubikzentimeter ist ausreichend, um das gesamte sichtbare Materie, die wir in sehen erstellen das ganze Universum. Sie müssen nicht Kampf mit diesem Energiefeld außer Sie wissen, was Sie tun, und auch wenn Sie wissen, was Sie tun, müssen Sie noch sehr vorsichtig sein. Bitte haben Sie Verständnis, dass die elektrische Energie, mit der wir vertraut sind, ist eine Querwelle, während das Universum mit Längswellenenergie gefüllt und diese beiden Formen sind völlig verschieden, so dass die elektrischen Effekte, die Ihnen vertraut sind Sie nicht, die Energie, die Gebühr Johan Batterie.
Bob Boyce ist ein ungewöhnlich klug und scharfsinnige Mann. Er experimentierte mit rotierenden Magnetfeldern und wurde vom Blitz als Folge getroffen. Ich kann nicht zu sehr betonen, dass die drehenden Magnetfelder sind in der Tat sehr gefährlich. Im Idealfall, um ein rotierendes Magnetfeld zu vermeiden möchten. Bob entwickelte eine sehr wirksame und sichere Ringkernstromversorgung für seine High-Performance-HHO Elektrolyseur. Das Netzteil ist ein offenes System, das mehr Leistung an die Last als von der Batterie gezogen bietet und es sieht so aus:

Was für ein Niederspannungsnetz (nicht benötigen Hochspannung für 100 Elektrolysezellen in Reihe) wäre vermutlich:

Hier hat der stationäre Gleichspannung von der Batterie, um ihm die von der Elektronikplatine Pulsen des toroid erzeugte Wellenform aufgenommen. In Bezug auf Ringkerne, sagt Bob, dass er nicht der Ansicht, Ferrit oder Eisenblech um die passenden Ringkerne sein, weil es einfach nicht sicher, um sie in Schaltungen dieser Art, es sei denn bei sehr niedrigen Frequenz, die geringe Effizienz bedeutet, zu verwenden. Bei diesen Systemen muss es sein, einen Kompromiss zwischen Power und Kontrolle und einer gesteuerten Durchgehen ist sehr gefährlich. Denken Sie daran, hier, dass dieses System in die Energiequelle, welcher die ganze Universum kontinuierlich und was aus Bobs toroid vor allem ist, dass dieselbe Längswellenenergie tippen. Nebenbei sind fast alle, und möglicherweise alle Freie-Energie-Geräten wie Sonnenkollektoren, Wasserräder, Wellenkraftgeräten, Biomasse etc. von dieser buchstäblich universale Energiefeld der longitudinalen Wellen angetrieben.
Betrachtet man dies genauer ist Bobs toroid 6,5 Zoll (165 Millimeter) Durchmesser Eisenpulver Toroid durch Micrometals in Amerika verkauft, und es wird zunächst mit der Sekundärwicklung, die den ganzen Weg rund um den Ringkern gewickelt geht:

Der Draht
verwendet wird, muss Einzelstrang-Kupferdraht sein, mit Silber beschichtet und
mit Teflon-Kunststoff-Isolierung bedeckt. Verschiedene Toroide auf
unterschiedliche Weise arbeiten und so Experimente benötigen würden mit
verschiedenen Leitungstypen und die Anzahl der Windungen in den Wicklungen.
Diese Sekundärwicklung hat mit perfekter Genauigkeit geben genau das auch
Zwischenräume zwischen Windungen um den äußeren
Drei Primärwicklungen sind nun auf der Oberseite des Bandes, das Abdecken der Sekundärwicklung gewickelt ist (man beachte, dass die Primärwicklungsdraht beginnt, über die Oberseite des Toroids und gewickelt wird von links nach rechts):

Auch hier ist es wichtig, dass der Draht eingesetzt ist solide, Single-Core-Kupfer mit Silberbeschichtung und Teflonbelag . Die fertige Ringkern wird mit Klebeband, indem sie innerhalb einer geerdeten Metalldose platziert gebunden und gesiebt. Die Antriebssignale für den toroid sind wie diese:

Ein ähnliches System mit einem Teile-durch-zwei zu jeder der niedrigeren Frequenzen zu erzeugen versucht worden, und es wurde festgestellt, daß es nicht so gut wie mit drei separaten Oszillatoren, die in der Nähe der harmonischen Frequenzen sind, jedoch keine exakte Harmonischen, wie erzeugt eine komplexe Reihe von wiederholten Überlagerung der Signale und die resultierende Gesamtwellenform viel reicher als zu erwarten wäre. Also, wenn Sie versuchen, die Wellenform mit einem Arduino oder andere PIC Mikroprozessorplatine replizieren, könnte es sinnvoll, die niedrigere Frequenzen bei einer ungeraden Anzahl von Uhr eingestellt werden Zecken, so dass eine komplexe Wellenform erzeugt wird. Es ist tatsächlich billiger und bequemer, diskrete Komponenten verwendet: 555 Timer Chips mit Dreh voreingestellte Widerstände so daß eine Einstellung ohne Unterbrechung einen Testlauf durchgeführt werden. Die höchste Frequenz ist der Schlüssel Frequenz und die beiden niedrigeren Frequenzen sind hilfreich, aber von geringerer Bedeutung. Bei der Einstellung der Schaltung wird die höchste Frequenz eingestellt, um die beste Leistung ergeben. Dann wird der Gating für diese Frequenz eingestellt, um den niedrigsten Eingangsstrom, die noch gibt, dass Niveau der Ausgangs finden. Dann, dass gleiche Verfahren wird für den zweiten und dann den untersten Frequenzmodule wiederholt.
Sie wird hier feststellen, dass jede Primärwicklung auf den Ringkern mit einer eigenen separaten Signal zugeführt und es gibt überhaupt keinen Vorschlag, daß die drei Wicklungen sequentiell angetrieben werden, um eine dieser sehr gefährlich rotierenden Magnetfelder bilden. Obwohl das obige Diagramm kann leicht Fortgeschrittene aussehen, ist es eigentlich, sehr einfach in groben Zügen. Die Schaltungen könnte so sein:

Ich bin nicht sehr zufrieden mit der obigen Schaltung. Wir von einer einzigen Spannungsversorgung mit einer Nenn 12 Volt arbeiten und die Schaltung eine Signalerzeugungsabschnitt , der Niederstrom arbeitet und eine hohe Stromantriebsabschnitt für die Ringspule. Der Widerstand und Kondensator mit "B" an die Macht Entkopplung für den geringen Stromabschnitt mit der PCP116 Optokoppler zwischen den beiden Abschnitten der Schaltung zu schaffen. Allerdings, das ist nicht eine sehr gute Lösung, wie die Stromimpulse entlang der Stromversorgungskabel werden auf jeden Fall mit hoher Geschwindigkeit Spannungsschwankungen in diesem Draht erstellen. Es gibt eine Anzahl von Lösungen. Man könnte sein, in einer kleinen Drossel am Punkt "A" hinzu, und / oder eine zweite Versorgungsleitungsverbindungs am Punkt "A":
Alle Drosselwicklungen sollte weit entfernt von den Ringwicklungen gehalten werden, um eine induktive Kopplung zu vermeiden, und sie sollten vor dem Screening-Box mit dem Ringkern sein. Egal, welche Anordnung gefunden wird, geeignet zu sein, diese drei Schaltungen sind erforderlich, um die drei getrennten Wicklungen auf der Treiber-Ring benötigt. Der einzige Unterschied in der zweiten und dritten Schaltungen ist die Frequenz Kondensator:



Bitte denken Sie daran, dass es Bob Boyce-Technologie, die in diese zusätzliche Leistung der Umgebungshintergrundenergie umgibt und fließt durch uns Antippen wird ist. Auch verstehen, dass das, was kommt aus dem Ringkern ist nicht nur konventionelle Energie "transversale Welle", sondern es vor allem Längswellenenergie, die wir nicht direkt zu messen. Bob weist darauf hin, dass, wenn Sie Ihre Ladung zu absorbieren Längsströme, wie Wasser oder in etwas geringerem Maße, eine Glühbirne ist, dann ist dieser Längswellenkraft wird weiter spielen können. Wenn die Eingangsenergie richtig konfiguriert ist, wird das modulierte Längswellenenergie, um aus den Ringkerntransformator Drähte fließen, weil das Eingangsenergie moduliert die lokale Energiefeld Längswelle verursacht. Wenn das Toroid gewickelt ist, und für maximale Effizienz angetrieben wird, verhält sich das Gerät wie ein Tesla Vergrößerungs Sender und einem Tesla Strahlungsenergie-Empfänger, die alle in einem einzigen Paket. Es gibt ein Energiegewinn in den Prozess, weshalb Tesla nannte es ein "Vergrößerungs 'Sender. Dieser Energiegewinn wird durch den kleinen Energiequelle, die wir produzierten, Modulation der sehr viel größeren Energiequelle, die die Längswelle dominant Energiequelle des ganzen Universums ist, und dann erfassen und diese modulierte Energie, um nützliche Arbeit tun wir.
Der Ausgang des Toroids ist eine Kombination von herkömmlichen Transversalwelle Energie und nicht-konventionelle Longitudinalwelle Energie. Es sind die Eigenschaften der Last, die, wie viel Energie aus der Längswellenenergiekomponente des Ausgangs geerntet werden bestimmt. Wasser absorbiert nur Longitudinalwelle Energie, wenn diese Energie mit der richtigen Frequenz moduliert. Glühbirnen und einige Motoren können direkt auf ("kalte Strom"), Längswellenstrom laufen, aber sie tun dies mit reduzierter Effizienz. Viele moderne Geräte und Produkte von elektronischen Geräten müssten, um die Längswellenenergie zu Querwellenenergie umgewandelt, um in der Lage sein, auf diese Energie zu betreiben.
Für die HHO Gas-Produktion, haben die Elektronik und die Ringkern selbst entworfen worden, um die Dissoziation von Wasser in relativ sichere Art und Weise zu produzieren, und deshalb besteht darauf, dass Bob HHO Experimentatoren Stick mit einem gepulsten Feld Betriebsart. Es ist in der Verstärkung viel niedriger als eine Drehfeldsystem wäre und deshalb niedrigere gewinnen es ist viel weniger geneigt, in einen Zustand, in dem außer Kontrolle geratenen die Ausgangsenergie erhöht die Längsenergiegewinn bis zu dem Punkt, wo die Systemlast und geht in Lawinen gehen weglaufen. Unter Verwendung von Wasser als die Last ist jede Erhöhung der Ausgangsenergie durch das Wasser absorbiert und so ist es eine Selbststabilisierungsprozess. Selbst wenn eine Lawine in einem HHO Gas System auftritt, die geringe Energiedichte des gepulsten Modus erlaubt dem Wasser, um die Überspannung zu absorbieren, und dass nur bewirkt, dass mehr Wasser in Gas umzuwandeln. Das bedeutet, dass, um sicher zu sein, Eingangsenergie die volle Kontrolle über die Tendenz zur Selbst Feedback ausüben und eine Last MUSS immer vorhanden sein, wenn das Gerät läuft.
Wasser wird bevorzugt, da sie nicht ausbrennen, es ist nur distanziert. Wir stimmen die Primärfrequenz, eine, die gut mit Wasser funktioniert. Es ist eine Frequenz, die das Wasser auf die Längskomponente besten absorbieren kann. Deshalb ist mit nur pulsierende Gleich die gleiche Wirkung nicht geben. Gleichstrom enthält nicht die Längswellenenergie in dem das Wasser in einem Resonanzantriebssystem reagiert. Leider ist die beste Frequenz für Längsenergieabsorption durch Wasser durch viele Faktoren beeinflusst, so müssen wir uns bemühen, das System in der Melodie für die beste Absorption dieser Energie zu halten. Die beiden anderen Frequenzen zu verbessern, diese Energie Sammelprozess ohne die damit verbundenen Risiken erheblich erhöht.
Bob weiß, dass das gesamte Energietechnik klingt Hokuspokus zu denen in traditionellen Querwellenenergie Verhalten erzogen, aber Längswellenenergie ist sehr real und kann zu unserem Vorteil nutzen. Viele Erfindungen und Geräte wurden gebaut, die in diese unsichtbare und nicht gemessene Energie tippen können. Die durchschnittliche Wasser für Kraftstoff Experimentator hat keine Ahnung, wie gefährlich diese Energie Seite der Technik sein kann, damit die Menge der Arbeit, die aufgewendet Bob bei dem Versuch, eine relativ sichere gepulste Version, die die durchschnittliche Experimentator sicher zu nutzen machen kann. Ansonsten sind Experimentatoren wahrscheinlich, sich umzubringen, wenn sie versuchen, eine sehr gefährliche Technologie, um eine sehr einfache Anwendung gelten, die alle in dem Bemühen, mehr HHO Gas nach Bedarf generieren. Bob ist nicht die einzige, die dies tun. Meyer, Puharich, und andere haben es geschafft, in dieser Energie zu erschließen ist eine sichere und steuerbar.
Als Johan
versucht, eine Blei-Säure-Batterie zu laden, gibt es keine Elektrolyseur mit
Wasser gefüllt, um eine Lawine runaway absorbieren. Die einzige verfügbare
Wasser ist in den Säuregehalt der Batterie und es ist, dass die in HHO Gas im
Inneren der Batterie distanzieren wird. Das HHO Gasgemisch in den exakten
Proportionen für explosions wieder zurück ins Wasser. Was hat sich nicht
hervorgehoben worden ist, dass die erzeugten HHO Gas wird stark elektrisch
aufgeladen und wird explodieren, wenn der Gasdruck etwa fünfzehn Pfund pro
Quadratzoll übersteigt. Während jede Erwähnung einer Explosion ist
beängstigend, wird die Realität nicht übereinstimmen, was die meisten Leute
denken. Oben in diesem Kapitel, Ronald Ritter, der ein erfahrener
Batterietester ist (nur mit Querwellenenergie), erklärt die Situation klar:
Ich habe nicht von
jedermann mit einem Totalausfall eines Batteriegehäuses in allen
Energiekonzerne, der ich angehöre gehört und die meisten von ihnen verwenden
Sie Batterien in den verschiedenen Systemen, die ich studieren. Doch das
bedeutet nicht, dass es nicht passieren kann. Der häufigste Grund für ein
katastrophales Versagen im Fall einer Blei-Säure-Batterie, ist eine
Lichtbogenbildung verursachen Fehler in den Gittern, die zusammen im Inneren
der Batterie zusammengesetzt werden, um die Zellen der Batterie. Jede interne
Lichtbögen führt zu einem schnellen Druckaufbau von expandierenden
Wasserstoffgas, was zu einem katastrophalen Ausfall des Batteriegehäuses.
Während des Tests des Herstellers wird die Batterie mit dem maximalen Strom,
der es dauern kann aufgeladen. Wenn die Batterie nicht während des Anfangslade
sprengen aufgrund interner Lichtbögen ist es sehr wahrscheinlich, dass es nicht
sprengen unter dem regelmäßigen Gebrauch für die es konzipiert wurde.
Allerdings sind alle Wetten ab mit gebrauchten Batterien, die über ihre
erwartete Lebensdauer gegangen. Ich habe mehrere katastrophale Ausfälle von
Batteriekästen täglich bei der Arbeit erlebt. Ich habe Recht, der neben
Batterien, wenn sie explodiert und ich habe nur von ihr aufgeschreckt worden.
Ich würde vorschlagen, dass bei der Prüfung
von neuen, unorthodoxen Schaltung wie diese, dass der Akku in einem robusten
Box, die Lüftungsöffnungen mit Schikanen überzogen, so dass Gas frei zu
entkommen, aber jede Säure oder Fragmente von Fall werden in der Box gehalten
hat platziert. Ich persönlich habe noch nie eine Batterie explodieren, noch
habe ich jemals eine Explosions Batterie gesehen.
Ich verstehe, dass Johan verbindet den Schaltungsausgang zurück zur Batterie auf diese Weise:


Die rot in dem Diagramm gezeigt Drossel 18 Windungen auf einer kleinen Toroids ist, in Ordnung scheint, aber die beiden anderen Spulen scheinen nur sechs oder sieben Maschen in den Verbindungsleitungen zu sein, nicht auf einem Magnetkörper aufgewickelt nebeneinander, sondern nur links, als ob die Verkürzung der Kabellänge.

Folglich ist es deutlich sein, dass diese beiden Drosseln sind weggelassen worden, wie die Induktivität dieser Schleifen sind in der Tat sehr niedrig sein. Der Punkt, der eine Drossel ist, dass es Gleichstrom passieren und blockiert scharf (Transversalwelle) Spannungsspitzen. Wenn diese beiden Drosseln als ineffektiv, wie sie aussehen, dann ist die Schaltung wäre:

Während das
Bild oben scheint eine Sicherung in der Ausgangsdraht vor der Drossel gelegt zu
zeigen, ich bin skeptisch gegenüber zu tun. Die Geschwindigkeit der Längs
Energie ist so groß, dass eine Sicherung ist sehr unwahrscheinlich, dass
schnell genug arbeiten, um Nutzen zu sein. Auch hat Längs ("kalte")
Energie den gegenteiligen Effekt zu dem, was mit Transversalwelle
("normalen") Energie erwartet. Jede Sicherung hat einen Widerstand
und soll die Luft zu sprengen, wenn es brennt durch erhöhten Wärme durch
übermäßige Strom durch sie fließt. Die Sicherung Quer Energie abkühlen würde
und nicht erhitzen. Allerdings könnte eine Sicherung auch eine verstärkende
Wirkung auf die gesamte Ladevorgang, da, während ein Widerstand behindert den
Fluss der Querwellenenergie es tatsächlich fördert den Energiefluss des Längs
Energie, Zeichnung in zusätzliche Leistung aus unserem Umfeld Energiefeld. In
einer außer Kontrolle geratenen Überspannung würde die Sicherung nicht
hilfreich sein, aber, wenn normal läuft, könnte es auch sein. Lassen Sie
Lassen Sie mich noch einmal betonen, dass dies NICHT eine Empfehlung für Sie zu versuchen, zu bauen oder verwenden Sie etwas von dieser Art, trotz der Tatsache, dass es auch für Johan arbeitete. Wir müssen daran denken, dass Johan wurde mit einer erweiterten Version von Bobs elektronische Schaltung, einer, dessen Details wurden nicht veröffentlicht. Aus diesem Grund kann es notwendig sein, eine Diode, die zwischen dem Schaltungsausgang und der Batterie Plus-Terminal zu platzieren. Diese Information ist nur ein Vorschlag für Experimente, die möglicherweise nur durch erfahrene Elektronik-Experten durchgeführt werden könnte.
Diese etwas ungewöhnliche Anordnung für ein Akku-Ladegerät kommt von Rene, der ein Video über es geschrieben hat: https://www.youtube.com/watch?v=lvKa4zneaRQ sagen, dass es lädt Batterien sehr schnell.

Die Technik ist es, ein Netzgerät von zwanzig Volt zu verwenden, um die Schaltung zu betreiben in herkömmlichen Netzladebetrieb aber anstatt den Anschluss des Netzversorgung mit dem Minus der Akku geladen, eine einfache Joule Thief Schaltung ist in dieser Zeile eingefügt. Dies bedeutet, dass die Joule Thief Schaltung arbeitet auf die Spannungsdifferenz zwischen der Netzversorgung und Aufladen von Batterien vorhandene Spannung. Da die Batterie auflädt, fällt die Joule Thief Arbeitsspannung. Rene sagt, dass die Diode über dem Netzteil benötigt wird, aber er weiß nicht, warum. Dies ist zwar eine interessante Strecke, lassen Sie mich zum Ausdruck bringen nur wenige Meinungen, darauf und lassen Sie mich betonen, dass diese sind nur Meinungen, da ich nicht gebaut und verwendet diese Schaltung.
Laden von Batterien von den durch die Spulen, wenn ihr Strom abgeschaltet erzeugten Gegen-EMK-Spannungsschwingungen, in der Regel erfordert das Negativ der Akku geladen, um auf die positive der Batterie die Stromversorgung ist der Stromkreis angeschlossen werden. Dies ist kein wesentliches Merkmal dieser Schaltungen, aber es denn getan, wenn Sie nicht tun, dann Strom direkt von der Stromversorgung Akku in die Ladebatterie fließen. Doch in diesem Fall ist, dass genau das, was der Konstrukteur will passieren, und so gibt es keinen offensichtlichen Grund, warum sollte es nicht eine gemeinsame Minus-Leitung sein. Das bedeutet, dass ein gewöhnlicher 14V Netzbatterieladeeinheit verwendet werden und die Joule Thief kann mit einem festen Spannungspegel zu betreiben. Es sei denn, Rene Design gewinnt Ladeleistung, indem der Joule Thief Schaltung in Reihe mit der geladenen Batterie, würde ich vorschlagen, dass die Schaltung vielleicht besser so funktionieren:

Diese Anordnung ermöglicht den Netzlade wie zuvor, und Konstantspannungsversorgung des Joule Thief Schaltung, die Ladeimpulse erhöht die Netzgleichspannungsversorgung auf die Batterie aufgeladen.
Im August 2009 veröffentlichte Charles Seiler einige Batterieladepulsschaltungen, die interessant sind. Die erste basiert auf Alexander Meissner-1913-Schaltung, die wie folgt aussieht:

Dies ist eine etwas ungewöhnliche Schaltung, die kompakt und effizient ist. Der 10K-Festwiderstand sinkt die Spannung über dem 10K variablen Widerstand auf etwa 6V die Abstimmung zu erleichtern. Der variable Widerstand wird so eingestellt, daß der Transistor nur etwa auf zu schalten, und dann wird der zusätzliche Antrieb von dem Kondensator / Spulenpaar ist der Transistorschalter auf schnell.
Charles hat diese Schaltung geändert durch die Frequenzsteuerung Kondensator "C" mit der internen Kapazität der Batterie zu ersetzen geladen wird, so dass die Ladegeschwindigkeit proportional zum Zustand der Batterie geladen wird:

Bei korrekter Einstellung läuft diese Schaltung für einen Kühlkörper, ohne dass kühl auf den Transistor. Die Grße des Kondensators ist nicht kritisch und kann für die beste Leistung eingestellt werden. Die Spulen sind mit gleichen Längen von Draht gewickelt und mit den Drähten nebeneinander gewickelt sind, entweder mit Luftkern oder mit einem isolierten Schweißdrahtkern wie folgt aus:

Charles besagt, dass die niedrige Spulenwiderstand ist nützlich zum Laden von Batterien Blei-Säure, da sie einen sehr niedrigen Innenwiderstand von etwa zehn Ohm aufweisen. Die Spulen sind mit 200 bis 400 Windungen gewickelt, aber trotzdem, dass der Strom durch den Schaltkreis gezogen wird, klein.
Die Schaltung kann bei 500 kHz oszillieren aber die Rate der Oszillation wird durch den Zustand der Batterie beeinträchtigt wird berechnet und wird in der Regel nur etwa 100 Hz bis 2000 Hz bei einer vollständig entladenen Batterie sein. Die Pulsrate abhängig von der Ladezustand der Batterie als die Batterie Teil des Steuermechanismus der Schaltung ist. Ein sehr wichtiger Punkt ist, dass die Schaltung keinen Schutz hat, gegen Überspannung und den 3055-Transistor nur bis 60V bewertet, also wenn die Schaltung eingeschaltet wird, ohne dass die Ladebatterie verbunden ist, dann wird der Transistor wird auf jeden Fall zerstört werden.
Eine weitere Schaltung vorgeschlagen ist das unten gezeigte. Dies ist eine sehr ungewöhnliche Schaltung:

In dieser Schaltung werden die vier (oder mehr) Spulen als eine Einheit mit allen vier Drähte gewickelt nebeneinander festgelegt sind. Die zusätzlichen Dioden sind die Transistoren zu schützen und die Basiswiderstände angepasst sind, eine realistische Stromfluss in den Kreislauf zu geben, hält die Transistoren kühlen, wenn die Schaltung läuft.
Persönlich habe ich immer Puls-Schaltungen temperamentvoll und unterliegen einer Vielzahl an Leistungs ohne Schaltung Veränderung sein Laden gefunden (das, natürlich, kann aufgrund meiner schlechten baulichen Fähigkeiten). Wenn jedoch eine Ladeschaltung die Batterie schneller als die Stromaufnahme auflädt, dann Batterieselbstladung möglich. Dafür kann eine Schaltung wie folgt verwendet werden:

Bei einer Anordnung wie, dass es ist sehr ermutigend, die Batteriespannung steigt und steigt zu sehen. Die Drossel wird nur benötigt, um die Ladespannungsspitzen aus dem Erreichen der Oszillatorschaltung zu blockieren. Allerdings hat die Oszillatorschaltung COP> 1 für diese zu arbeiten, aber viele der Schaltungen in diesem ebook haben, dass charakteristisch. Ich habe die Sekundär eines 12V 300 mA Netztransformatorwicklung gefunden eine wirksame Drossel zu sein.
Die Idee besteht darin, fast vollständig entladene
Batterien zu laden, wobei nur diese fast vollständig entladenen Batterien zum
Laden verwendet werden. Dieses Projekt verwendet eine der einfachsten und
robustesten Schaltungen, die jemals produziert wurden und das ist die
"Joule Thief" Schaltung. Diese beeindruckendste Strecke wurde von
ihrem Designer Z. Kaparnick in der "Ingenuity Unlimited" Sektion der
November 1999 Ausgabe der Zeitschrift "Everyday Practical
Electronics" geteilt. Die Schaltung ist sehr, sehr einfach und ist nur ein
Transistor, ein Widerstand und eine Spule. Die Schaltung wurde ursprünglich
verwendet, um eine Leuchtdiode ("LED") zu beleuchten, aber es kann
für viel mehr als das verwendet werden. Das ist die Schaltung:

Die ursprüngliche Spule bestand aus zwei Litzen, die
Seite an Seite um einen kleinen Ferritring oder "Toroid" gewickelt
waren. Die Schaltung oszilliert automatisch und erzeugt eine viel höhere
Spannung am Kollektor des Transistors, und während die Batteriespannung nicht
annähernd ausreicht, um die LED aufleuchten zu lassen, leuchtet die Schaltung
ziemlich leicht auf.
Es ist nicht notwendig, die Spule auf einem Ferritring
zu wickeln, da ein Papierzylinder vollkommen ausreichend ist. Die Schaltung
wurde dann von Bill Sherman angepasst und verwendet, um eine zweite Batterie zu
laden sowie die Leuchtdiode wie folgt zu beleuchten:

Ich habe diese Art von Schaltung ohne die LED
verwendet, um eine wiederaufladbare Batterie von 0,6 Volt auf 1,34 Volt in nur
einer Stunde aufzuladen, so ist es sicherlich als Ladegerät wirksam. Die
Schaltung ist so:

Die Schaltung weist jedoch eine kleine Schwäche auf,
wenn die Antriebsbatterie eine Spannung hat, die größer ist als die
Ladebatteriespannung plus dem Spannungsabfall über der Diode, dann wird die
Antriebsbatterie Strom direkt zu der Ladebatterie durch die oben gezeigte grüne
Wicklung führen. an durch die Diode. Das kann überwunden werden, indem man die
Batterien in Serie bringt, wie es John Bedini getan hat:

Die Spule kann sehr einfach gewickelt werden. Ein
Bleistift macht einen guten Former für eine Spule, schneidet also einen 100
Millimeter breiten Papierstreifen und wickelt ihn um den Stift, um einen
Papierzylinder zu bilden, der mehrere Schichten dick und 100 Millimeter breit
ist und ihn mit Selotape versiegelt:
![]()
![]()
Vergewissern Sie sich, dass Sie, wenn Sie den
Papierzylinder zusammen mit dem Selotape ziehen, das Papier nicht am Bleistift
kleben, da wir den fertigen Zylinder vom Bleistift abziehen wollen, nachdem wir
die Spule darauf aufgewickelt haben. Die Spule kann jetzt auf den
Papierzylinder aufgewickelt werden, und dafür ist es praktisch, zwei
50-Gramm-Spulen aus emailliertem Kupferdraht zu verwenden. Der Draht, den ich
verwendete, hat einen Durchmesser von 0,355 Millimetern. Es gibt viele
verschiedene Möglichkeiten, eine Spule zu wickeln. Die Methode, die ich
verwende, besteht darin, drei oder vier Umdrehungen so zu machen:

Und dann halten Sie diese Drehungen mit Selotape fest,
bevor Sie den Rest der Spule aufwickeln. Schließlich wird das rechte Ende der
Spule mit Selotape gesichert und dann werden beide Enden mit Isolierband
bedeckt, da sich Selotape mit der Zeit verschlechtert. Während diese Spule mit
nur einer Schicht gewickelt wurde, kann, wenn Sie wollen, eine zusätzliche
einzelne Abdeckung aus Papier verwendet werden, um die erste Schicht zu
bedecken und eine zweite Schicht darauf aufzuwickeln, bevor sie mit Klebeband
versehen und vom Stift geschoben wird.
Während die obigen Diagramme die Stränge des Drahtes
in zwei Farben zeigen, ist die Realität, dass beide Drähte die gleiche Farbe
haben werden und so enden Sie mit einer Spule, die zwei identisch aussehende
Drähte hat, die aus jedem Ende herauskommen. Sie machen die Drähte an jedem Ende
mehr als die Länge der Spule, so dass Sie genügend Verbindungsdraht haben, um
die endgültigen Verbindungen herzustellen. Verwenden Sie ein Multimeter (oder
eine Batterie und LED), um einen Draht an jedem Ende zu identifizieren, der den
gesamten Weg durch die Spule verbindet, und verbinden Sie dann ein Ende dieses
Kabels mit dem anderen Kabel am anderen Ende. Das macht den zentralen Abgriff
der Spule "B":

Die Spule muss vor der Verwendung sorgfältig überprüft
werden. Idealerweise ist die Verbindung gelötet und wenn der verwendete
Kupferlackdraht der "lötbare" Typ ist (was der häufigste Typ ist),
dann wird die Lötkolbenhitze den Schmelz nach ein paar Sekunden wegbrennen, was
eine gute Verbindung auf dem bildet, was früher verwendet wurde. seien lackierte
Drähte. Ein Widerstandstest muss durchgeführt werden, um die Qualität der Spule
zu überprüfen. Überprüfen Sie zunächst den Gleichstrom-Widerstand zwischen den
Punkten "A" und "B". Das Ergebnis sollte ungefähr 2 Ohm
betragen. Dann prüfen Sie den Widerstand zwischen den Punkten "B" und
"C" und das sollte ein genau passender Widerstandswert sein.
Überprüfen Sie abschließend den Widerstand zwischen den Punkten "A"
und "C" und dieser Wert muss doppelt so groß sein wie der Widerstand
"A" bis "B". Wenn dies nicht der Fall ist, wird die
Verbindung nicht richtig hergestellt und muss mit dem Lötkolben und
möglicherweise mehr Lötmittel erwärmt werden und die Widerstandsmessungen
werden erneut durchgeführt.
Die gezeigte einfache Schaltung kann vier AA-Batterien
in Reihe laden, wenn die Schaltung von nur einer AA-Batterie betrieben wird.
Ich habe eine 1N4148-Diode verwendet, bei der es sich um eine Siliziumdiode mit
einem Spannungsabfall von 0,65 oder 0,7 Volt handelt, und sie hat gut
funktioniert. Im Allgemeinen wird jedoch eine Germanium-Diode mit einem viel
niedrigeren Spannungsabfall von 0,25 bis 0,3 empfohlen, vielleicht eine
1N34A-Diode. Es wird auch vorgeschlagen, dass die gleichzeitige Verwendung von
zwei oder drei Dioden hilfreich ist.
Ein komplementäres oder alternatives Verfahren zur Erhöhung der Effizienz der Schaltung besteht darin, der Spule eine zusätzliche Zweifadenwicklung hinzuzufügen, wodurch Lawrence Tseung "FLEET"-Schaltung wie in Kapitel 5 besprochen entsteht:

Bei dieser Anordnung ist die zweite Wicklung auch mit zwei Drähten Seite an Seite hergestellt, und dann ist das Ende des ersten Drahts permanent mit dem Anfang des zweiten Drahts verbunden, wobei nur ein Draht übrig bleibt, der von jedem Ende der neuen Wicklung austritt. Strom, der von dieser neuen Wicklung gezogen wird, beeinflusst nicht die Stromaufnahme von der Antriebsbatterie, die den Joule-Thief-Stromkreis führt.
Wenn Sie ein Oszilloskop haben, kann die Schaltung auf optimale Leistung eingestellt werden, indem Sie einen kleinen Kondensator über den Widerstand "R" platzieren und herausfinden, welcher Wert des Kondensators die höchste Pulsrate mit Ihren bestimmten Komponenten erzeugt. Der Kondensator ist nicht wesentlich und ich habe nie einen verwendet, aber manchmal werden Werte wie 2700 pF angezeigt. Ich habe diesen "FLEET" -Schaltkreis verwendet, um zwei 12-Volt-Blei-Säure-Batterien aufzuladen, wobei eine verwendet wird, um die Schaltung anzutreiben, die die zweite Batterie geladen hat. Dann tauschen Sie die Batterien aus und wiederholen Sie den Vorgang ein paar Mal. Danach wurden die Batterien für eine Stunde stehen gelassen, um die chemischen Prozesse stoppen zu lassen, und dann wurden die Spannungen gemessen. Das Ergebnis war, dass beide Batterien während des Prozesses eine signifikante, reale und nutzbare Leistung erzielten. Da die einzige an die Schaltung angelegte Spannung von den Batterien stammt, ist dies ein signifikantes Ergebnis. Da Blei-Säure-Batterien nur 50% effizient sind und die Hälfte des Ladestroms, den Sie in sie einspeisen, verlieren, musste die Schaltung eine Energieverstärkung mit mehr als der doppelten Ausgangsleistung im Vergleich zur Eingangsleistung erzeugen.
Einfacher und konzentrierter auf den
Joule-Thief-Schaltkreis, wenn wir eine etwas verbesserte Version der Schaltung
darstellen, die drei parallel geschaltete Ladedioden verwendet:

Dann können wir es von einer nützlichen Last anstatt
von einer Batterie speisen. Zum Beispiel, wenn wir uns entscheiden, Beleuchtung
mit den 12-Volt-24-LED-Arrays zu produzieren:

Dann könnten wir einen kommerziellen Gleichstrom-Gleichstrom-Wandler
wie diesen verwenden:

So was:

Diese Schaltung funktioniert sehr gut. Der dem
Gleichstrom-Gleichstrom-Aufwärtswandler zugeführte Strom wird durch die
Spannung am Punkt "A" und den Gesamtwiderstand des
Joule-Thief-Schaltkreises gesteuert. Wie gezeigt, zieht es etwa 70 Milliampere
und leuchtet ein oder zwei der LED-Arrays für sechs Stunden hell auf, wenn es
von einem Satz von vier der Digimax 2850 mAHr AA-Batterien gespeist wird.
Während dieses Zeitraums von sechs Stunden werden alle
70 Milliampere Strom in den Joule-Thief-Kreis eingespeist, wodurch ein zweiter
Batteriesatz geladen werden kann. Sechs Stunden ist die Zeitdauer, die ich
persönlich nachts beleuchte. Das bedeutet, dass zusätzlich zu den bereits
erreichten sechs Stunden des Ladevorgangs weitere achtzehn Stunden verbleiben,
in denen der Stromkreis zum Fortsetzen der Batterieladung verwendet werden
kann.
Während die Schaltung einen Schalter zeigt, der den
Konverter kurzschließt, um das Licht zu löschen, besteht tatsächlich keine
Notwendigkeit, einen so hohen Strom während des Restes des Tages zu verwenden,
und so kann ein zweipoliger Schalter verwendet werden, um das Licht zu trennen
und zu fallen der Stromwert auf 20 Milliampere durch Kurzschließen einer der
Dioden, die die Spannung über den Joule Thief so reduziert:

Die bisher gezeigte Schaltung hat zwei Sätze von vier
Batterien. Es wäre schön, alle paar Minuten zwischen ihnen zu wechseln.
Batterien, die eine Last mit Strom versorgen, werden nicht so gut aufgeladen
wie leere Batterien. Der Mechanismus, der zwischen den zwei Batteriesätzen
umschaltet, muss jedoch einen extrem niedrigen Stromverbrauch aufweisen, um
keinen Strom zu verschwenden. Eine Möglichkeit dafür wäre die Verwendung eines
solchen Verriegelungsrelais:

Dies ist die elektronische Version eines mechanischen
zweipoligen Schalters. Ein kurzer Stromimpuls zwischen den Stiften 1 und 16
sperrt den Schalter in einer Position und später sperrt ein Stromimpuls
zwischen den Stiften 2 und 15 ihn in der anderen Position. Die Stromaufnahme
der Schaltung wäre nahezu Null.
Während Standard-NE555-integrierte Schaltungen mit
einer Versorgungsspannung von bis zu 4,5 Volt arbeiten können (und in der
Praxis werden die meisten bei viel niedrigeren Versorgungsspannungen gut
funktionieren), gibt es einige viel teurere 555-ICs, die für viel niedrigere
Versorgungsspannungen ausgelegt sind. Einer davon ist der TLC555, der einen
Versorgungsspannungsbereich von nur 2 Volt bis zu 15 Volt hat, was eine sehr
beeindruckende Reichweite darstellt. Eine andere Version ist ILC555N mit einem
Spannungsbereich von 2 bis 18 Volt. Die Kombination eines dieser Chips mit
einem selbsthaltenden Relais erzeugt eine sehr einfache Schaltung, da die
Zeitschaltung des 555 außergewöhnlich einfach ist:

Der verwendete Kondensator muss von hoher Qualität mit
sehr geringer Leckage sein, um diese Wellenform zu erhalten, die für genau die
gleiche Zeitdauer wie für "Aus" ist. Dies ist wichtig, wenn wir
möchten, dass die beiden Batteriepacks die gleiche Zeit erhalten, in der sie
die Last mit Strom versorgen, wie die Zeit, in der sie aufgeladen werden.
Eine Schwäche des 555-Chip-Timers ist unserer Ansicht
nach, dass er nur einen Ausgang hat, während wir zwei Ausgänge benötigen,
einen, wenn der andere steigt. Dies kann durch Hinzufügen eines Transistors und
ein paar Widerstände wie folgt arrangiert werden:

Wenn bei dieser Schaltung der Stift 3 des 555-Chips
niedrig wird, zieht der Kondensator, der ihn mit dem Stift 2 des Relais
verbindet, die Spannung des Stiftes 2 nach unten und veranlaßt das Relais, den
Zustand zu ändern, wenn der Relaisstift 15 mit +5 V verbunden ist Stromstoß
durch die Spule, wenn sich der Kondensator auflädt. Wenige Augenblicke später,
wenn der Kondensator aufgeladen ist, fällt der Strom auf Null ab. Fünf Minuten
später geht Pin 3 wieder auf High und das schaltet den Transistor ein, wodurch
seine Kollektorspannung schnell auf nahezu Null absinkt. Dadurch wird Pin 1 des
Relais auf Low-Pegel gezogen, wodurch sich der Zustand ändert, bevor der
Kondensator eine Auflade-Möglichkeit hat.
Dies ist in Ordnung, wenn die in blauer Farbe
dargestellten Kondensatoren eine schlechte Qualität haben und ihre Ladung in
fünf Minuten abfließt. Heutzutage sind selbst billige Kondensatoren im
Allgemeinen viel zu gute Qualität, um dies zu ermöglichen und daher müssen wir
einen Widerstand über den Kondensator anschließen, um diesen Ladungsabfall zu
erzeugen. Aber dieser zusätzliche Widerstand ist ständig angeschlossen und muss
daher einen ausreichend hohen Wert haben, um keinen signifikanten Strom zu
verschwenden - vielleicht wären 18K eine vernünftige Wahl. Ein 18K-Widerstand
mit fünf Volt zieht nur 0,278 Milliampere Strom.
Joule Thief-Schaltungen benötigen nicht mehr als 70
Milliampere Eingangsstrom, wenn sie eine Batterie gut laden sollen. Folglich
können wir zwei oder drei Joule Thief-Schaltungen verwenden, die alle von dem
Strom gespeist werden, der durch die Beleuchtungs-LEDs fließt. Wenn der
Stromkreis von jemandem benutzt werden soll, der nicht versteht, wie er
funktioniert, kann es sinnvoll sein, einen Batteriespannungsmesskreis
hinzuzufügen, der das Ladesystem abschaltet, wenn die Batterien voll geladen
sind, da das System einige Tage nicht benutzt wird wenn der Besitzer nicht zu
Hause ist.
Der hier gezeigte Timer sollte idealerweise ein
perfekt abgestimmtes Ein / Aus-Verhältnis und einen Ausgang haben, der zu
Beginn sowohl der Ein als auch der Aus-Zeit auf Null fällt. Der Kondensator ist
ein großer Kondensator, da er nur einen kurzen Lichtverlust beim Übergang von
einer Batterie zur anderen verhindert.

Oder :
Der Strom, der dem Gleichstrom-Gleichstrom-Wandler
zugeführt wird, steuert das Niveau der bereitgestellten Beleuchtung. Der
Strompegel wird durch die Anzahl der Dioden in Reihe unterhalb des Punktes
"A" im Schaltplan eingestellt. Das Hinzufügen einer zusätzlichen
Diode erhöht die Stromaufnahme wesentlich. Die verwendeten Dioden sind die sehr
billigen 1N4148-Typen, obwohl eine 1N34-Germanium-Diode verwendet werden
könnte, wenn eine genauere Spannungsregelung benötigt wird. Die Lichtleistung
wird in der Qualität verbessert, indem eine oder mehrere zusätzliche
LED-Anordnungen parallel geschaltet werden, da der Strom gleichmäßig zwischen
allen LED-Anordnungen aufgeteilt wird und jede weniger blendet, wenn die
Lichtausgabe von einer größeren beleuchteten Fläche kommt. Ein weiterer Vorteil
ist, dass jede LED bei einer viel niedrigeren Temperatur betrieben wird, was
die Zuverlässigkeit und Lebensdauer verbessert.
Hier ist ein physikalisches Layout für eine
Drei-Joule-Thief-Konstruktion, wobei ein Stück einer Streifenplatte von 125 x
35 mm verwendet wird, dh ein Stück, das vierzehn Kupferstreifen aufweist, wobei
jeder Streifen 49 Löcher aufweist. Warum diese seltsame Größe? Weil ein Stück
dieser Größe beim Bau des Prototyps als Nebenprodukt verfügbar war. Das
Prototyp-Layout sieht folgendermaßen aus:

Die roten Punkte im vorgeschlagenen Layout weisen auf
Stellen hin, an denen der Kupferstreifen an der Unterseite der Platine
gebrochen ist.
Patrick Kelly