Eine Praktische Anleitung zum Energie
Kostenlos Geräte
Autor: Patrick J. Kelly
Kapitel 12: Elektronik-Tutorenkurs
Einführung
Dieses Dokument ist nicht eine eingehende Darstellung des
Themas der Elektronik. Stattdessen soll es Ihnen genügend (empirische) Wissen
über das Thema zu können, zu verstehen, entwerfen und bauen einfache
Schaltungen wie die Regelkreise mit der "Free Energy"-Geräte in den
späteren Teilen dieses eBook beschrieben wird.
Haftungsausschluss
Dieses Material wird nur zu Informationszwecken zur Verfügung
gestellt. Sollten Sie den Bau von einem Gerät auf Basis hier präsentierten
Informationen versuchen und sich verletzen oder eine andere Person zu
entscheiden, bin ich nicht in irgendeiner Weise haftbar. Um dies zu klären,
sollten Sie bauen etwas in einer schweren Box und legen Sie es auf Ihre Zehen,
bin ich nicht haftbar für Verletzungen können Sie erhalten (sollten Sie lernen,
vorsichtiger zu sein). Wenn Sie einige elektronische Schaltung bauen und sich
verbrennen mit dem Lötkolben versuchen, bin ich nicht verantwortlich. Auch ich
empfehlen, dass, wenn Sie Experte in Elektronik, die Sie nicht bauen jedes
Gerät verwenden, oder produziert mehr als 30 Volt - Hochspannungsschaltungen
sind extrem gefährlich und sollte vermieden werden, bis Sie Erfahrungen sammeln
können oder die Hilfe und Aufsicht erhalten eine Person in den Bau
Hochspannungsschaltungen erlebt.
Spannung ist der Schlüssel zum Verständnis Elektronik. Ohne
Spannung, passiert nichts in der Elektronik. Was ist das? Niemand weiß es. Wir
wissen, wie es zu erzeugen. Wir wissen, was es tut. Wir wissen, wie sie zu
messen, aber niemand weiß, was es eigentlich ist.
Es wird auch "Electro Motive Force" oder
"EMF", die helfen weder wissen, was es ist, genannt. Das ist in etwa
gleichbedeutend mit der Aussage "das Ding, das drückt das Ding, das drückt
ist" - sehr wahr, aber absolut kein immer helfen. OK, nachdem räumte ein,
dass wir nicht wirklich wissen, was es ist, können wir beginnen, die Dinge, die
wir über sie wissen, sagen:
Eine neue Batterie hat eine Spannung zwischen den Klemmen.
Diese Spannung wird gesagt, dass ein Strom durch jede vollständige elektrische
Schaltung über ihn gelegt fließen verursachen. Der Strom, der durch die Schaltung
kann verschiedene Dinge wie das Erstellen Licht, wodurch Ton, wodurch Wärme,
die Schaffung Magnetismus, Bewegungserzeugungsmittel, Funkenbildung, etc., etc.
geschehen
Durch die Verwendung der Strom, der durch eine Spannung
verursacht, genannt eine Vorrichtung a 'Voltmeter' kann angeben, wie groß die
Spannung ist. Je größer die Spannung, desto größer der Strom und je größer die
Anzeige am Voltmeter. Das Voltmeter kann eine numerische Anzeige, wo man die
Spannung direkt von der Anzeige, oder es kann ein "analoger"
Voltmeter, wo die Spannung, die von der Position einer Nadel auf einer Skala
angezeigt wird sein. Die Größe der Spannung wird in 'Volt', die eine Maßeinheit
nach dem Mann Volta, die Spannung auf der Welt eingeführt (es war immer da, wir
hatten einfach nicht wissen) benannt ist, angegeben.
Spannungen
addieren Sie Runde, d. h. mit genauso verbunden sind die + Klemmen alle mit
Blick auf die gleiche Weise:

Die
physische Größe der Batterie bestimmt normalerweise die Länge der Zeit, eine
gegebene Strom liefern können - je größer der Akku, desto länger kann es jede
beliebige Strom zu liefern. Eine Batterie wird von einer Anzahl von
"Zellen" konstruiert. Die Anzahl der Zellen in der Batterie steuert
die Spannung der Batterie. Zum Beispiel hat ein 'AA' Batterien der Größe (was
früher als ein "penlight 'Batterie werden) eine einzelne" Zelle
"und erzeugt so 1,5 Volt, wenn neue. Die sehr viel größer und schwerer 'D'
Batterie hat auch nur eine Zelle und so ist es auch produziert 1,5 Volt, wenn neue.
Die Differenz (abgesehen von den höheren Kosten des "D"-Zelle) ist,
dass die größere Zelle kann einen viel höheren Strom, wenn beide Batterien in
der gleichen Zeitperiode entladen sind.
Es
gibt verschiedene Arten von Batterien Bau. Eine wiederaufladbare NiCd-Akku hat
eine einzelne Zelle, aber seine Bauweise bedeutet, dass es etwa 1,35 Volt
erzeugt, wenn voll aufgeladen. Nebenbei haben NiCd-Akkus ein
"Gedächtnis" Eigenschaft, die, wenn sie aufgeladen werden, bevor sie
vollständig entladen sind, dann das nächste Mal werden sie entlassen sie laufen
der Macht auf dem Spannungspegel es hatte, wenn die letzte Aufladung gestartet
wurde bedeutet. Daher ist es eine gute Idee, vollständig entladen eine
NiCd-Batterie vor dem Laden wieder.
Auto-und
Motorrad-Batterien werden als Blei / Säure-Batterien beschrieben. Diese Art der
Konstruktion ist nicht sehr bequem ist groß, schwer und potentiell korrosiv.
Die großen Vorteile sind die Fähigkeit, sehr hohe Ströme liefern und geben 2,0
Volt pro Zelle. Diese Batterien werden normalerweise als 6 Volt oder 12 Volt
Einheiten produziert. Die Ampere-Stunden für Blei / Säure-Autobatterien wird in
der Regel für einen 20 Stunden Entladezeit zitiert, so ein voll aufgeladener,
neu, 20 AHr Batterie 1 Amp für 20 Stunden Dauerbetrieb liefern. , Dass die
Batterie geladen zu 5 Ampere geben, wird nicht vor, dass Strom für 4 Stunden,
aber vielleicht nur die letzten 2 Stunden, oder vielleicht ein wenig besser.
Die Hersteller der Literatur soll einen Hinweis auf die Leistung, aber wenn es wichtig
ist, führen Sie Ihre eigenen Test, um zu sehen, wie die Batterie in der Praxis
funktioniert.
"Netz-Einheiten"
werden in der Elektronik-Welt als "Power Supply Units" oder
"PSU" für kurze bekannt. Diese wandeln die Netzspannung (220 Volt in
Da sie mit Spannung und Widerstand
ist der Schlüssel zum Verständnis elektronischer Schaltungen. Widerstand ist
ein Maß dafür, wie schwierig es für Strom durch etwas fließen. Einige
Materialien, wie Glas, Keramik, Holz und die meisten Kunststoffe nicht leicht
zu tragen und so einen Strom werden als "Isolatoren" sein. Deshalb
ist man Stromleitungen von ihren Masten durch eine Reihe von Keramikscheiben
aufgehängt sehen. Strom fließt leicht durch Metalle, insbesondere entlang der
Oberfläche des Metalls, so dass Leitungen aus Metalldrähten mit einer Schicht
aus Kunststoff-Isolierung umgeben ist. Die höherwertigen Kabel haben Drahtkerne
aus vielen kleinen Durchmessers Stränge hergestellt, da dies erhöht die
Oberfläche des Metalls für jede gegebene Querschnittsfläche des Metallkerns (es
macht auch das Kabel flexibler und allgemein teurer) .
Es ist ein sehr wichtiges, dritte
Gruppe von Materialien, Silizium und Germanium im Besonderen, die zwischen den
Leitern und Isolatoren fallen. Es überrascht nicht, so werden diese als
"Halbleiter 'und die Menge an Strom, den sie tragen können, hängt von den
elektrischen Bedingungen, in denen sie angeordnet sind. Viel, viel mehr zu
diesem Thema später.
Während ein Metalldraht trägt
derzeit sehr gut, es ist nicht perfekt im Job und so hat einige
"Widerstand", um durch sie fließende Strom. Je dicker der Draht, je
geringer der Widerstand. Je kürzer der Draht, je geringer der Widerstand. Die
ersten Forscher diese Eigenschaft, um den Weg Stromkreisen betrieben steuern.
Manchmal, wie höhere Widerstände benötigt wurden, verwendet der Forscher lange
Längen von Draht, der aufstehen würde verheddert müssen. Um den Draht zu
kontrollieren, wurde eine Platine mit Nägeln entlang jeder Seite verwendet und
der Draht gewickelt rückwärts und vorwärts durch die Bank wie folgt:

Beim
Zeichnen einer Schaltplan, würde der Forscher den Draht auf der Platine geben
einen Zick-Zack-Linie, die heute noch verwendet wird, um einen 'Widerstand'
stellen, obwohl verschiedene Bauweisen werden nun verwendet skizzieren. Eine
Alternative Symbol für Widerstand ist ein einfaches Rechteck wie oben gezeigt.
Wird
ein Widerstand zwischen einer Batterie verbunden ist, wird eine Schaltung
gebildet und es fließt ein Strom um den Kurs. Der Strom kann nicht gesehen
werden, aber das bedeutet nicht, dass es nicht da ist. Der Strom wird in 'A'
und das Instrument für die Anzeige ist es ein "Amperemeter" gemessen.
Wenn wir einen Strommesser in der Schaltung zu platzieren, wird sich zeigen den
Strom rund um die Rennstrecke. Nebenbei hat das Amperemeter selbst einen kleinen
Widerstand und so legt es in der Schaltung nicht den Stromfluss auf der
Rennstrecke sehr leicht zu reduzieren. Ebenfalls dargestellt ist eine
Glühbirne. Wenn der Strom, der rund um die Strecke ausreichend hoch ist und die
Glühbirne richtig gewählt, dann die Lampe leuchtet, die zeigen, dass Strom
fließt, während das Amperemeter zeigt genau, wieviel Strom fließt:

Dargestellt
auf der rechten Seite ist die Art und Weise, dass diese Schaltung durch ein
Elektronik-Experte (der 'Widerstand', 'Ammeter' und 'Lamp' Etiketten würde mit
ziemlicher Sicherheit nicht angezeigt) gezeigt werden würde. Es gibt
verschiedene Arten des Zeichnens Schaltpläne, aber sie sind die gleichen in den
Grundvoraussetzungen. Ein wichtiges gemeinsames Merkmal ist, dass es sei denn,
es gibt einige sehr ungewöhnliche und triftigen Grund nicht zu tun, jede
Standard-Stil Schaltplan wird die positive Spannung Linie horizontal haben am
oberen Rand des Diagramms und der negativen als horizontale Linie an der
Unterseite. Diese werden oft als positive und negative 'rails' bezeichnet. Wenn
möglich, wird die Schaltung so, dass ihr Betrieb erfolgt von links nach rechts
erfolgt, dh der ersten Aktion durch die Schaltung genommen wird auf der linken
und die letzte Aktion auf der rechten gelegt gezeichnet.
Widerstände
sind in verschiedenen Größen und Sorten hergestellt. Sie kommen in 'fixed' und
'variable' Versionen. Die am häufigsten verwendeten sind die 'fixed' Carbon
'E12' Bereich. Dies ist ein Bereich von Werten, die 12 wiederholen die
Widerstandswerte besitzt: 10, 12, 15, 18, 22, 27, 33, 39, 47, 56, 68, 82 und
dann: 100, 120, 150, 180, 220, 270, 330, 390, 470, 560, 680, 820 und dann:
1000, 1200, 1500, 1800, 2200, 2700, 3300, 3900, 4700, 5600, 6800, 8200, etc.
etc. Heute Schaltungen tragen oft sehr wenig Strom und so die Widerstände
können, und sind in sehr kleinen physikalischen Größen. Je höher der
Widerstandswert eines Widerstands, desto weniger Strom durch sie fließt, wenn
eine Spannung über sie gelegt wird. Da es schwierig sein kann, um das Drucken auf
kleine Widerstände zusammen auf einer Leiterplatte gruppierten und umgeben von
anderen größeren Komponenten finden, die Widerstandswerte nicht auf die
Widerstände geschrieben, vielmehr sind die Widerstände farbcodiert. Die
Maßeinheit für die Widerstände ist die "Ohm", die eine sehr kleine
Größe hat. Die meisten Widerstände, die auftreten können, werden in den Bereich
von 100 Ohm bis 1.000.000 Ohm betragen. Je höher der Widerstand von jedem
Widerstand, desto kleiner ist der Strom, der durch sie fließt.
Der
Farbcode auf Widerständen verwendet wird:
0
Schwarz
1
Braun
2
Rot
3
4
Gelb
5
Grün
6
Blau
7
Lila (violett, wenn Ihre Farbwahrnehmung ist sehr gut)
8
Grau
9
Weiß
Jeder
Widerstand hat in der Regel drei Farbbereiche um dessen Wert anzugeben. Die
ersten beiden Bands sind die Zahlen und die dritte Band ist die Anzahl der
Nullen:

Grün:
5 Gelb:
4
Blau:
6 Lila:
7
Rot:
2 Nullen Grün:
5 Nullen
Wert:
5.600 Ohm oder 5,6 K oder 5K6 Wert:
4.700.000 Ohm oder 4,7 M oder 4M7
Die
Farbbereiche werden von links nach rechts gelesen, die erste Band nahe einem
Ende des Körpers des Widerstandes. Es gibt oft eine vierte Band die
Herstellungstoleranz gibt an: können Sie ignorieren, dass Band.
Beispiele:
Rot,
rot, rot: 2 2 00 Ohm oder 2 K 2
Gelb,
lila, Orange: 4 7 000 Ohm oder 47 K
Braun,
Schwarz, Braun: 1 0 0 Ohm oder 100R
Braun,
grün, rot: 1 5 00 Ohm oder 1K5
Braun,
grün, schwarz: 1-5 keine Nullen oder 15 Ohm
Blau,
grau,
Braun,
grün, grün: 1 5 00000 Ohm oder 1.500.000 Ohm oder 1 M 5
Gelb,
lila, Braun: 4 7 0 Ohm
Da
gibt es nur 12 standard Widerstände pro Jahrzehnt gibt es nur 12 Sätze von den
ersten beiden Farbbereiche:
10:
Braun/Schwarz,
12:
Braun/Rot,
15:
Braun/Grün,
18:
Braun/Grau
22:
Rot/Rot,
27:
Rot/Lila
33:
Orange/Orange,
39:
Orange/Weiß
47:
Gelb/Lila
56:
Grün/Blau
68:
Blau/Grau
82:
Grau/Rot


Die
vorstehenden Angaben geben Ihnen alle grundlegenden Informationen über
Widerstand Farbcodes aber es gibt ein paar zusätzliche Finessen. Es gibt ein
zusätzliches Farbband weiter unten am Körper des Widerstands wie hier
dargestellt:

Diese
zusätzliche Band wird verwendet, um anzugeben, die Herstellungstoleranz von den
Bau des Widerstandes. Widerstände sind nie exakt und diesem selten hat keine
wesentlichen Auswirkungen auf ihren Einsatz in Schaltungen. Wenn einige
Schaltung sehr genaue Widerstände drin benötigt, dann kaufen Sie mehrere
Widerstände des gleichen Nennwertes zu und ein Ohm-Meter, Istwert der einzelnen
bestimmten Widerstand zu messen und wenn keine perfekt, dann mit zwei oder mehr
Widerstände geben den genauen Wert wollte.
Die
Toleranz-Band hat die folgenden Codes:
Silber
ist ± 10 % (d.h. 10K Widerstand dieses Typs sollte zwischen 9K und 11K)
Gold
± 5 % (d.h. 10K Widerstand dieser Art zwischen 9,5 K und 10.5K sollte)
Rote
± 2 % (d.h. 10K Widerstand dieser Art zwischen 9,8 K und 10.2K sollte)
Braun
± 1 % (d.h. 10K Widerstand dieser Art zwischen 9,9 K und 10.1K sollte)
Grüne
± 0,5 % (d.h. 10K Widerstand dieser Art zwischen 9,95 K und 10.05K sollte)
Blau
± 0,25 % (d.h. 10K Widerstand dieser Art zwischen 9.975 K und 10.025K sollte)
Lila
± 0,1 % (d.h. 10K Widerstand dieser Art zwischen 9,99 K und 10.01K sollte)
Diese
Art der Widerstand in den 10% und 5% reicht sind die häufigste da sie die
günstigste zu kaufen und so dazu neigen, die beliebteste sein. Kürzlich haben
jedoch zwei Additionen zu den Kodierung eingeführt werden, um sehr hohe
Spezifikation Widerstände, die die durchschnittliche Konstruktor niemals quer
kommen können ermöglichen. Jeder dieser Zusätze beinhaltet eine zusätzliche
Farbe Band. Der erste zusätzliche Farb-Band ermöglicht eine zusätzliche Ziffer
in dem Widerstandswert und sieht wie folgt aus:

Wie
zuvor ist die Farbcodierung genau die gleichen, mit der vierten Farbe Band in
der die Anzahl von Nullen nach dem die Ziffern angedeutet durch die
Farbstreifen davor. Also, in der oben gezeigten Beispiel zeigt die erste Band
ist Red eine "2". Die zweite Farbe Band ist Lila deutet auf eine
"7". Die dritte Farbe Band ist Grün bedeutet eine "5" und
die vierte Farbe Band ist Rot bedeutet "2 Nullen", so kann man diese
zusammen sie produziert den Wert von 27.500 Ohm, die auch als 27,5 K oder mehr
kurz 27K5 geschrieben werden können.
Ein
weiteres Beispiel hierfür ist:

Die
vierte Farbe Band Codierung wurde ebenfalls erweitert, um zwei andere Farben
sind:
Gold:
im Sinne von "keine Nullen und dividiert durch 10" so, wenn die Band
in dem obigen Beispiel war Gold, dann wäre der Wert 56,4 Ohm.
Silber:
im Sinne von "keine Nullen und dividiert durch 100" und wenn das
Beispiel band gewesen silber dann wird der Wert war 5,64 Ohm hätte.
So
zum Beispiel, wenn der Widerstand hatte eine vierte Farbe Band, die Silber
betrug, wird der Wert sein würde:

Schließlich,
für sehr hochwertige Anwendungen (typischerweise militärische Anwendungen),
kann es eine sechste Farbe Band außerhalb des Toleranzbandes positioniert
werden, und dass die endgültige Farbe Band an, wie viel der Widerstandswert
erwartet, dass Veränderungen in der Temperatur verändern kann. Dies ist nicht
etwas, was wahrscheinlich von Interesse für Sie sein wird, aber die Codes für
die endgültige Farbe Band sind:
Brown:
0,01% des Widerstands für jeden Grad Celsius Temperaturänderung.
Rot:
0,005% der Widerstandswert für jeden Grad Celsius Temperaturänderung.
Gelb:
0,0025% der Widerstandswert für jeden Grad Celsius Temperaturänderung.
Um
dies in Zusammenhang zu bringen, stellt die schlechteste diese eine Änderung
von 1% in der Widerstandswert beim Übergang von der Temperatur des Eises auf
die Temperatur von siedendem Wasser. Ist das etwas, was Sie wirklich
interessiert? Ich nicht.
Was
passiert, wenn es mehrere Widerstände in einer Schaltung sind: Verlassen die
Einzelheiten der Identifizierung einzelner Widerstände, kommen wir nun zum
interessanten Teil zu kommen. Das Wichtigste ist, den Überblick über die
Spannungen innerhalb der Schaltung generiert wurden. Diese definieren die
Ströme, die Kraft verwendet, und die Weise, in der die Schaltung auf externe
Ereignisse reagiert. Nehmen Sie diese Schaltung:

Was
ist die Spannung am Punkt "A"? & nbsp; Wenn Sie wie zu sagen, Wer
kümmert sich? dann ist die Antwort "Sie", wenn Sie verstehen, wie
Schaltungen arbeiten wollen, weil die Spannung am Punkt "A" ist
entscheidend. & nbsp; Für den Moment ignoriert die Wirkung der
Spannungsmesser verwendet werden, um die Spannung zu messen.
Wenn
R1 die gleichen Widerstand wie R2, dann ist die Spannung an 'A' ist die Hälfte
der Batteriespannung, dh 4,5 Volt. Die Hälfte der Batteriespannung wird über R1
und die Hälfte über R2 gesunken. Es spielt keine Rolle, was die tatsächliche
Widerstand von R1 oder R2 ist, solange sie exakt den gleichen Widerstand haben.
Je höher der Widerstand, desto weniger Strom fließt, desto länger hält die
Batterie und desto schwieriger ist es, die Spannung genau zu messen.
Es
gibt keine Notwendigkeit, irgendwelche Berechnungen durchzuführen, um die
Spannung am Punkt bestimmen, "A", wie es das Verhältnis der
Widerstandswerte, die die Spannung bestimmt ist. Wenn Sie wirklich wollen,
können Sie berechnen, die Spannung, obwohl es nicht notwendig ist. Die Methode,
dies zu tun wird Ihnen gezeigt, in Kürze. Zum Beispiel, wenn R1 und R2 jeweils
einen Wert von 50 Ohm haben, dann ist der Strom, der durch sie wird 9 Volt /
100 = 0,09 Ohm Ampere (oder 90 Milliampere) sein. Der Spannungsabfall über R1
50 Ohm = Volt / 0,09 Ampere oder Volt = 4,5 Volt betragen. Genau die gleiche Berechnung
zeigt, dass die Spannung über R2 exakt 4,5 Volt ist sowie. Allerdings ist der
Punkt, der hier betont werden, dass es das Verhältnis von R1 zu R2, welche die
Spannung an dem Punkt "A" steuert.
Wenn
R1 hat halb so viel Widerstand R2, dann halb so viel Spannung darauf abgelegt
wird, wie es in R2 gesunken, dh 3 Volt über R1 gesunken, so dass Punkt 'A' eine
Spannung von 6 Volt und das ist, was das Voltmeter wird zeigen. Wiederum ist es
gleichgültig, wie die tatsächliche Wert von R1 in Ohm ist, solange R2 genau
zweimal den Widerstand (gezeigt durch eine höhere Anzahl an dem Widerstand)
aufweist.
Wenn
R1 hat doppelt so viel Widerstand R2, dann doppelt so viel Spannung, wie es ist
über R2 fallen gelassen wird fallengelassen, dh 6 Volt über R1 gesunken, so
dass Punkt 'A' eine Spannung von 3 Volt. Hier sind einige Beispiele mit
verschiedenen Widerständen:

Die
gleiche Teilung der Versorgungsspannung kann durch die Positionierung des
Schiebers eines variablen Widerstandes an verschiedenen Punkten durch Drehen
der Welle der Vorrichtung hergestellt werden:

Diese
Bestimmung der Spannungen ist der entscheidende Faktor zum Verständnis
elektronischer Schaltungen. Die Spannungspegel kontrollieren, was Ströme
fließen und wie jeder Schaltung durchzuführen, so ist es wichtig zu verstehen,
was geschieht. Stick mit diesem Abschnitt, bis Sie es verstehen, und wenn
nötig, Fragen zu stellen über das, was Sie schwierig finden.
Erstens,
haben Sie bitte Verständnis, dass ein guter Akku eine unbegrenzte Quelle von Spannung
und dass die Spannung nicht "verbraucht" zu werden, wenn ein
Widerstand oder was auch immer über sie verbunden ist, ist:

Es
kann einige Schwierigkeiten im Verständnis der "0-Volt"-Verbindung in
einem Schaltkreis. All dies bedeutet, daß es die Rücklaufleitung für fließende
Strom von der Batterie ist. Die meisten herkömmlichen Schaltungen sind an
beiden Seiten der Batterie verbunden ist und daß ein Strom ermöglicht um einen
geschlossenen "Schaltkreis" von einem Anschluss der Batterie mit dem
anderen Anschluss fließt.
Es
ist üblich, einen Schaltplan zu ziehen, so dass der Plus-Pol der Batterie an
der Spitze ist und die Minus-Klemme ist an der Unterseite. Viele Schaltpläne
zeigen die negative Linie am unteren
Jedenfalls
wenn es einen Stromkreis zwischen der Batterie verbunden ist, die negativ oder
"0V" gerade Linie zeigt den Rückkanal an die Batterie für den
Stromfluss:

Dieses
Prinzip gilt sofort an die nachfolgende Schaltung:

Hier
begegnen wir zwei neue Komponenten. Die erste ist 'VR1', die einen variablen
Widerstand handelt. Dieses Gerät ist ein Widerstand, der einen Schieber, der
von einem Ende des Widerstands mit dem anderen verschoben werden muss. In der
Schaltung erwähnt, wird der variable Widerstand über den 9-Volt-Batterie
verbunden, so dass die Oberseite des Widerstandes bei +9 Volt (relativ zu der
Batterie Minusklemme) und dem Boden ist bei 0 Volt. Die Spannung am Schieber
kann von 0 Volt bis 9 Volt, indem es entlang dem Widerstand durch Drehen der
Welle des Bauteils (was normalerweise einen daran befestigten Knopf)
eingestellt werden.
Das
zweite neue Gerät ist 'TR1' ein Transistor. Diese Halbleitervorrichtung hat
drei Anschlüsse: einen Kollektor, eine Basis und einen Emitter. Wenn die
Spannung an der Basis unter 0,7 Volt, so wird der Transistor wird als
"AUS", und in diesem Zustand hat es einen sehr hohen Widerstand
zwischen dem Kollektor und dem Emitter, viel höher ist als der Widerstandswert
des Widerstands "R2". Durch das Verhältnis
des Transistors Kollektor / Emitter-Widerstand im Vergleich zu dem Widerstand
"R2" verursacht - die Spannungsteilereinrichtung Mechanismus einfach
bedeutet, dass die Spannung am Kollektor wird daher sehr nahe bis 9 Volt
diskutiert.
Wenn
die Spannung an der Basis des Transistors mit 0,7 Volt durch Bewegen des Schiebers
des variablen Widerstands langsam nach oben angehoben wird, dann wird dies
einen kleinen Strom zu der Basis der dann fließt durch den Emitter zu füttern,
Schalten des Transistors ON Veranlassen des Widerstands zwischen dem Kollektor
und dem Emitter gleichzeitig fallen auf einen sehr niedrigen Wert, viel, viel
niedriger als der Widerstand des Widerstands 'R2'. Dies bedeutet, daß die
Spannung am Kollektor wird sehr nahe bei 0 Volt. Der Transistor kann daher
auf-und ausgeschaltet werden einfach durch Drehen der Welle des variablen
Widerstandes:

Wenn
eine Glühlampe anstelle von R2 verwendet wird, dann leuchtet, wenn der
Transistor einschaltet. Wenn ein Relais oder Optokoppler verwendet wird, dann
eine zweite Schaltung betrieben werden kann:

Wenn
ein Summer für R2 ersetzt wird, wird ein Warnton ausgelöst werden, wenn der
Transistor schaltet. Wenn ein Licht-abhängige Widerstand VR1 ersetzt wird, wird
dann der Transistor eingeschaltet wenn die Lichtintensität erhöht oder
verringert, je nachdem, wie der Sensor angeschlossen ist. Ein Thermistor wird
statt VR1 verwendet, dann der Transistor kann eingeschaltet werden, durch einen
Anstieg oder Rückgang der Temperatur. Das gleiche gilt für Ton,
Windgeschwindigkeit, Wasser-Geschwindigkeit, Vibrationen, etc. etc. - mehr dazu
später.
Wir
müssen die Widerstand Schaltung genauer untersuchen:

Wir
müssen in der Lage zu berechnen, was Strom ist um den Kreislauf fließt sein.
& nbsp; Dies kann mit "Ohms Law", die besagt, dass
"Widerstand ist gleich Spannung geteilt durch Strom" oder, wenn Sie
lieber tun:
"Ohms = Volts / Amps",
die die Maßeinheiten anzeigt.
In
der obigen Schaltung, wenn die Spannung 9 Volt und der Widerstand 100 Ohm, dann
unter Verwendung des Ohmschen Gesetzes können wir berechnen, um die Schaltung
fließende Strom als 100 Ohm = 9 Spannung / Strom oder Amps = 9/100, die 0,09
beträgt Ampere. Dezimalstellen vermeiden, wird die Einheit von 1 mA verwendet.
Es gibt 1000 Milliampere in 1 Amp. Die gerade berechneten Strom würden
allgemein als 90 Milliampere, die als 90 mA geschrieben ausgedrückt werden.
In
der Schaltung oben, wenn die Spannung von 9 Volt und der Widerstand 330 Ohm,
dann unter Verwendung des Ohmschen Gesetzes können wir berechnen den Strom um
die Schaltung 330 = 9 / Ampere. Multipliziert man beide Seiten der Gleichung
durch "Amps" ergibt: Amps x 330 Ohm = 9 Volt. Aufteilen beide Seiten
der Gleichung durch 330 ergibt sich:
Amps
= 9 Volt / 330 Ohm, die aus arbeitet als 0,027 Ampere, als 27 mA geschrieben.
Mit
dem Ohmschen Gesetz können wir berechnen, was Widerstand verwenden, um alle
erforderlichen Stromfluss zu geben. Wenn die Spannung 12 Volt und der
erforderliche Strom beträgt 250 mA dann als Ohms = Spannung / Strom, der
Widerstand nötig ist gegeben durch: Ohm = 12 / 0,25 A, die 48 Ohm entspricht.
Der nächste Standard-Widerstand beträgt 47 Ohm (gelb / lila / schwarz).
Das
letzte, was zu tun ist, um die Leistung des Widerstandes, um sicherzustellen,
dass der Widerstand wird nicht ausbrennen, wenn sie in der vorgeschlagenen Schaltung
überprüfen. Die Leistungsberechnung ist gegeben durch:
Watt = Volt x Ampere.
Im letzten Beispiel ergibt sich
Unter
den früheren Beispiel, Watt = Volt x Ampere, so
Diese
Methode der Ausarbeitung Spannungen, Widerstände und Wattagen gilt für jede
Schaltung, egal wie unangenehm sie auch erscheinen mögen. Nehmen wir zum
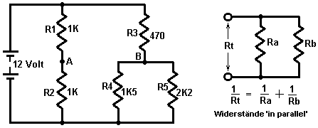
Beispiel die folgende Schaltung mit fünf Widerständen:

Wie
der Strom durch den Widerstand 'R1' hat dann über den Widerstand 'R2' passieren
sollen sie als "in Reihe" und ihre Widerstände miteinander beim
Berechnen fließt zugegeben. In dem obigen Beispiel sind beide R1 und R2 1K
Widerstände, so zusammen sie einen Widerstand gegen den Stromfluss von 2K (dh
2000 Ohm).
Wenn
zwei oder mehr Widerständen über einander verbunden sind, wie auf der rechten
Seite des Diagramms oben dargestellt, sollen sie als "parallel" und
deren Resistenzen kombinieren anders. Wenn Sie herausfinden, die obige
Gleichung wollen, für sich selbst, und wählen Sie dann eine Spannung über Rt,
verwenden Sie das Ohmsche Gesetz zu erarbeiten, den Strom durch Ra und der
Strom durch Rb. Fügen Sie die Ströme zusammen (da sie beide werden von der
Spannungsquelle gezogen) und verwenden Ohm-Gesetz wieder zu arbeiten, den Wert
von Rt, um zu bestätigen, dass die 1/Rt = 1/Ra + 1/Rb + .... Gleichung korrekt
ist. Eine Tabellenkalkulation ist im Preis inbegriffen, die können diese
Berechnung für Sie tun.
Im
obigen Beispiel ist R4 1K5 (1500 Ohm) und R5 2K2 (2200 Ohm) so ihre kombinierte
Widerstand 1/Rt gegeben = 1/1500 + 1/2200 oder Rt = 892 Ohm (unter Verwendung
eines einfachen Rechner). Tragen Sie eine common-sense Prüfung zu diesem
Ergebnis: Hätten sie zwei 1500-Ohm-Widerstände dann der kombinierte Wert wäre
750 Ohm haben. Hätten sie zwei 2200-Ohm-Widerstände dann der kombinierte Wert
wäre 1100 Ohm haben. Unsere Antwort muss also zwischen 750 und 1100 Ohm liegen.
Wenn Sie kam mit einer Antwort von, sagen wir, 1620 Ohm, dann wissen Sie auf
Anhieb, dass es falsch ist und das arithmetische muss erneut durchgeführt
werden.
Also,
was ist mit den Spannungen an den Punkten "A" und "B" in
der Schaltung? Als R1 und R2 gleich dem Wert sind, werden sie gleich
Spannungsabfälle an ihnen für jede gegebene Strom haben. So dass die Spannung
am Punkt "A" wird die Hälfte der Batteriespannung, dh 6 Volt
betragen.
Jetzt,
Punkt 'B'. Widerstände R4 und R5 Akt wie einen einzigen Widerstand von 892 Ohm,
so können wir nur vorstellen, zwei Widerstände in Serie: R3 bei 470 Ohm und R4
+ R5 bei 892 Ohm. Common-sense rauhe ansehen, da R3 nur etwa die Hälfte der
Widerstand R4 + R5 ist, wird es etwa halb so viel Spannungsabfall über ihn als
Spannungsabfall über R4 + R5, dh etwa 4 Volt über R3 und etwa 8 Volt über R4 +
R5, so dass die Spannung am Punkt 'B' funktionieren sollte bei etwa 8 Volt.
Wir
können Ohmschen
Gesetzes, um den Strom durch den Punkt "B" berechnet:
Ohm = Volt / Amp, (oder Amp = Volt /
Ohm oder Volt = Ohm x Amp)
(470
+ 892) = 12 / Amp, so.
Amp
= 12 / (470 + 892)
Amp
= 12 / 1362 oder
Amp
= 0.00881 Amp (8.81 milliampere).
Nun, da wir den
Strom, der durch Know (R4 + R5) können wir die genaue Spannung zu berechnen:
Widerstand = Spannung
/ Strom so
892 = Volt / 0,00881
oder
Volt = 892 x 0,00881
Volt = 7,859 Volt.
Als unser gesunder
Menschenverstand Schätzung lag bei 8 Volt, können wir 7,86 Volt als die genaue
Spannung am Punkt “B” zu akzeptieren.
Kurz
bevor wir das Thema von Widerständen zu verlassen und auf weitere interessante
Themen, stoßen wir auf den Begriff "Potentiometer”. Dieser Begriff wird
oft "Topf" verkürzt und viele Menschen nutzen, um einen variablen
Widerstand zu beschreiben. Ich erwähne dies nur, damit Sie verstehen können,
was sie reden. Ein variabler Widerstand ist kein Potentiometer und sollten
nicht wirklich ein aufgerufen werden. Sie können überspringen Sie den Rest
dieses Teil, wie es überhaupt nicht wichtig, aber hier ist, was ein
Potentiometer ist:
Ein
ausgefallener Name für Spannung "Potenzial", so eine Schaltung von
einem 12-Volt-Batterie mit Strom versorgt, wie eine "Potenzial" von
null Volt auf der negativen Seite der Batterie und ein "Potenzial"
von plus zwölf Volt an der positiven beschrieben werden kann Seite der
Batterie. Ordentliche Leute wie
Wenn
ein Voltmeter benutzt wird, um die Spannung an jedem Punkt in einer Schaltung
zu messen, verändert sie den Stromkreis durch Ziehen einer kleinen Menge von
Strom von der Schaltung. Das Voltmeter hat üblicherweise einen hohen
Innenwiderstand und so der Strom sehr klein ist, aber auch wenn es eine kleine
Strom ist, bedeutet es die Schaltung zu verändern. Folglich ist die Messung
erfolgte nicht ganz korrekt. Wissenschaftler, in den Jahren vorbei gegangen,
überwand das Problem mit einer sehr saubere Lösung - sie maß die Spannung ohne
jede Strom aus der Schaltung - ordentlich huh? Sie tat es auch mit einer sehr
einfachen Anordnung:

Sie
verwendeten eine empfindliche Messgerät den Strom zu messen. Dieses Messgerät
eingebaut ist, so daß die Nadel in einer zentralen Position, wenn kein Strom
fließt. Mit einem positiven Strom, lenkt der Nadel nach rechts. Mit einem
negativen Strom fließt, bewegt sich die Nadel nach links. Dann ein variabler
Widerstand "VR1" über die gleiche Batterie, die Versorgung der
Schaltung verbunden war. Das obere Ende der VR1 ist auf 12 Volt (riefen dass
"ein Potential von 12 Volt ') und dem unteren Ende der VR1 ist bei null
Volt oder" ein Potential von Null Volt'.
Durch
Bewegen des Schiebers von VR1 könnte jede Spannung oder "Potenzial"
von null Volt bis 12 Volt gewählt werden. Um die Spannung am Punkt zu messen 'A
", ohne Strom von der Schaltung, so würden sie den Zähler angeschlossen,
wie gezeigt und stellen den variablen Widerstand, bis der Zählerstand Null war
genau.
Da
der Zählerstand Null ist, fließt der Strom durch es ist auch gleich null und
der Strom aus dem Kreislauf entnommen ist Null. Da kein Strom aus dem Kreislauf
entnommen wird, wird die Messung nicht beeinflussen die Schaltung in keiner
Weise - sehr geschickt. Die Spannung auf den Schieber von VR1 exakt der
Spannung am Punkt "A", also mit einer kalibrierten Skala auf dem
variablen Widerstand, wobei die Spannung ablesen.
Die
glatte Ausrüstungsteil von der Batterie, den variablen Widerstand und dem
Zähler, wurde verwendet, um die "Potenzial" (Spannung) an jedem Punkt
zu messen und so wurde als 'Potentiometer'. Also, bitte Humor mir durch den
Aufruf einen variablen Widerstand ein "variabler Widerstand" und
nicht ein "Poti". Wie ich schon sagte, ist dies überhaupt nicht
wichtig, und wenn Sie möchten, können Sie rufen einen variablen Widerstand ein
"Heffalump" so lange wie Sie wissen, wie es funktioniert.
Viele
Menschen suchen in einem Schaltbild und haben keine Ahnung, was es bedeutet,
also lasst uns sehen, ob machen kann das Geheimnis weg. Nehmen Sie diese Schaltung beispiels:

Diese
Schaltung besteht aus drei Komponenten sowie einige Draht. Das Symbol "B" steht für eine
Batterie, oder besser gesagt, machte eine Batterie aus einer Anzahl von
Zellen. Batterien in vielen
verschiedenen Formen und Größen. Hier
sind einige davon:

Das
Symbol "R" steht für einen Widerstand wie oben beschrieben, und die
"LED" ist eine Leuchtdiode, die wahrscheinlich so aussieht:

Die
längere Vorlauf ist die Plus. Viele LEDs brauchen mehr als 1,5 Volt zu
leuchten, und während es ist sehr einfach zu einer einzigen AA-Batterie als 1,5
Volt zu denken, die sehr häufig AA-NiMH-Akkus sind nur 1,2 Volt. Also, lassen
Sie uns Einrichten der Schaltung unter Verwendung einer 9V-Batterie und einem
330-Ohm-Widerstand (Orange, Orange, Braun), um den Strom durch die LED fließt,
zu begrenzen. Die Schaltung ist:

Und
dies zeigt, dass der Plus-der Batterie wird mit dem Widerstand verbunden
ist. Dies kann durch eine Draht erfolgen
oder der Widerstand direkt mit der Batterie verbunden werden:

Dann
wird die LED wird mit dem anderen Ende des Widerstands verbunden ist:

Und
schließlich wird die andere Seite der LED mit dem Minuspol der Batterie
verbunden:


Wenn
die LED falsch herum angeschlossen ist, wird es nichts schaden, aber die LED
leuchtet nicht. Schlechte Qualität
Verbindungen können durch Verdrehen Drähte
zusammen gestellt werden. Bessere Qualität Verbindungen können mit
Schraubklemmen hergestellt werden:

Der
Abstand der Anschlüsse auf dem Streifen variiert mit der Strombelastbarkeit von
Steckverbindern und es gibt vier oder fünf Größen allgemein verfügbar, und so
ist es manchmal notwendig, um den Streifen zu schneiden und verwenden Sie
einzelne Anschlüsse zu Zeiten. Eine
andere Möglichkeit ist es, eine Steckkarte verwenden, obwohl sie bei weitem
nicht perfekt. Sie verwendet werden,
aber dann sehr gute integrierte Schaltungen kam zusammen mit ihrer kleinen
Stiftabstand und den Platten, um sie, indem sie die Löcher und die Abstände
zwischen den Löchern klein genug, um die integrierten Schaltungen zu
entsprechen angepasst. Nun ist es nicht
mehr möglich, ganz gewöhnliche Komponenten stecken wie die schnelle UF5408
Diode als Diode Waren zu groß, um in die winzige Löcher stecken sind:

Die
effektivste Methode der Verbindung ist, um die Komponenten zusammen zu löten
und das ist nicht besonders schwierig. Veroboard
(stripboard) ist bequem und es gibt einige andere Brettarten, die verwendet
werden können. Als ich noch sehr jung war und fast keine Komponenten zur
Verfügung standen, habe ich Reißnägel und gelöteten Komponenten zu ihnen, die
übermäßige Hitze mit einem feuchten Tuch, die sehr wirksam bei der
Fallentemperatur unterschiedlich schnell zu töten. Doch unabhängig davon,
welche Verbindungsmethode verwendet wird, folgen Sie einfach entlang der
Verbindungslinien in jedem Diagramm, um zu sehen, welche Komponenten sind
miteinander verbunden.
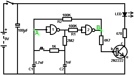
Dieser Abschnitt beschäftigt sich mit diskreten Halbleitern. Einem späteren Abschnitt befasst sich mit "Integrated Circuits 'die großen Halbleiterbauelemente.
Dieses Gerät hat einen hohen Widerstand in der Dunkelheit und einen niedrigen Widerstand bei hellen Lichtverhältnissen. Es kann in einer Schaltung angeordnet sein, um einen Schalter, der arbeitet mit einer Zunahme des Lichtpegels oder Verminderung Lichtpegel erzeugen:

In dieser Version wird die Spannung am Punkt "A" steuert die Schaltung. Bei Dunkelheit weist die ORP12 einen Widerstand zehnmal größer als die der R1 die 12.000 Ohm liegt. Demzufolge wird die Spannung am Punkt "A" hoch sein. Als das Licht steigt, ziehen die Beständigkeit von ORP12 Stürze, die Spannung am Punkt "A" nach unten. Als variabler Widerstand "VR1" vom Punkt "A" auf den Boden Schiene (die-ve der Batterie) angeschlossen ist, können Sie den Regler bewegt, um eine Spannung zwischen 0 Volt und die Spannung des 'A' auszuwählen. Ein Schieberegler Punkt kann gewählt, um den Transistor auszuschalten bei Tageslicht und in der Nacht werden. Um die Schaltung ausgelöst werden, wenn das Licht steigt, nur tauschen die Positionen der R1 und der ORP12 machen.
Der Transistor gezeigt, ist ein BC109 obwohl die meisten Transistoren in dieser Schaltung funktioniert. Der BC109 ist eine billige, Silizium, NPN-Transistor. Es kann mit 100mA und 30V und kann ein-und ausschalten mehr als eine Million Mal pro Sekunde. Es hat drei Anschlüsse: Die Collector, markiert 'c' im Diagramm, die Base, markiert 'b' in der Abbildung und dem Emitter, markiert 'e' im Diagramm.
Wie bereits erwähnt, hat es eine sehr hohe Beständigkeit zwischen dem Kollektor und dem Emitter, wenn kein Strom in die Basis. Wenn ein kleiner Strom in die Basis eingespeist wird, sinkt der Kollektor / Emitter-Widerstand auf einen sehr niedrigen Wert. Der Kollektorstrom durch den Basisstrom unterteilt wird als "Gewinn" des Transistors und wird oft als "hfe '. Ein Transistor wie eine BC109 oder BC108 eine Verstärkung von etwa 200, obwohl dies variiert von tatsächlichen Transistors mit tatsächlichen Transistors. Eine Verstärkung von 200 bedeutet, dass ein Strom von 200 mA, die durch den Kollektor einen Strom von 1 mA durch die Basis zu seinem Erhalt erfordert. Spezifische Informationen zu den Eigenschaften und Verbindungen von Halbleitern aller Art erhalten von der hervorragenden Website frei werden www.alldatasheet.co.kr was bietet. pdf information Dateien.
Der BC109 Transistor oben gezeigt ist ein NPN-Typ. Dies ist durch den Pfeil des Symbols nach außen angedeutet. Sie können auch durch den Kollektor, der auf die positive Schiene zu erzählen. Es gibt ähnliche Silizium-Transistoren als PNP-Geräte gebaut. Diese haben den Pfeil in der Transistorsymbol nach innen und ihre Kollektoren erhalten angeschlossen, die direkt oder indirekt mit der negativen Schiene. Diese Familie von Transistoren sind die frühesten Transistor entwickelt und werden als "bi-polaren" Transistoren.
Diese Silizium-Transistoren sind so effizient ausgebildet, dass sie direkt miteinander verbunden werden können, um stark erhöhte Verstärkung zu geben. Diese Anordnung wird als "Darlington-Paar". Wenn jeder Transistor eine Verstärkung von 200, dann das Paar geben eine Verstärkung von 200 x 200 = 40000. Dies hat den Effekt, dass ein sehr, sehr kleinen Strom verwendet werden, um Strom einer Last werden. Das folgende Diagramm zeigt ein Darlington-Paar in einem Wasser-Pegel-Detektor verwendet. Diese Art von Alarm könnte sehr nützlich sein, wenn Sie schlafen auf einem Boot, das Aufnahme von Wasser beginnt sich.

Hier ist (wenn die Schaltung eingeschaltet wird), hat der Transistor TR1 so wenig Leckstrom daß TR2 Basisstrom ausgehungert und ist schwer aus, wodurch ein hoher Widerstand über seinen Kollektor / Emitter-Strecke. Diese hungert den Summer der Spannung und hält sie ausgeschaltet. Der Sensor ist nur zwei Sonden an Ort und Stelle über dem akzeptablen Wasserspiegel befestigt. Wenn das Wasser steigt, erhalten die Sonden über das Wasser verbunden. Reines Wasser hat einen hohen elektrischen Widerstand, aber diese Schaltung noch mit reinem Wasser zu arbeiten.
Die Chancen sind, dass in einer konkreten Situation, das Wasser nicht besonders sauber. Der Widerstand R1 ist enthalten, um den Basisstrom des TR1 sollten die Sensorköpfe kurzschließbar begrenzen. Silicium bipolaren Transistoren eine Basis / Emitter-Spannung von etwa 0,7 V, wenn sie vollständig eingeschaltet ist. Die Darlington-Paar wird etwa 1,4 V zwischen der Basis und dem Emitter TR1 TR2 haben, so dass, wenn die Sensor-Sonden miteinander kurzgeschlossen sind, wird Widerstand R1 haben 6-1,4 = 4,6 V quer dazu. Ohms Law gibt uns den Strom durch sie als R = V / A oder 47.000 = 4,6 / a oder a = 4,6 / 47.000 Ampere. Dies funktioniert bei 0.098mA die mit einem Transistor Gewinn von 40.000 können bis zu 3.9A durch den Summer würde. Da der Summer dauert nur 30mA oder so schränkt sie den Strom durch ihn und TR2 kann als harte eingeschaltet werden mit der gesamten Batteriespannung über sie werden.
NPN-Transistoren sind häufiger als PNP-Typen, aber es gibt fast keinen praktischen Unterschied zwischen ihnen. Hier ist die vorherige Schaltung mit PNP-Transistoren:

Nicht viel Unterschied. Die meisten der hier verwenden Schaltungsdiagramme NPN-Typen sind aber nicht nur diese sind nicht kritisch, aber es gibt mehrere Möglichkeiten, eine bestimmte Schaltung entwerfen. Im Allgemeinen sind die Halbleiter in einer Schaltung gezeigt selten kritisch. Wenn Sie die Eigenschaften eines Halbleiters gezeigt, kann bestimmen, kann jeder halbwegs ähnliches Gerät in der Regel ersetzt werden, vor allem, wenn Sie ein allgemeines Verständnis darüber, wie die Schaltung funktioniert haben. Entweder der beiden vorangegangenen Schaltungen können als regen Betrieb des Detektors. Ein geeigneter Sensor kann leicht aus einem Stück Band Platine mit abwechselnden Streifen miteinander verbunden werden, um eine Verschränkung Gitter bilden:

Hier wird, wenn ein Regentropfen Brücken zwischen zwei beliebigen benachbarten Streifen wird der Stromkreis auszulösen und klingt eine Warnung.
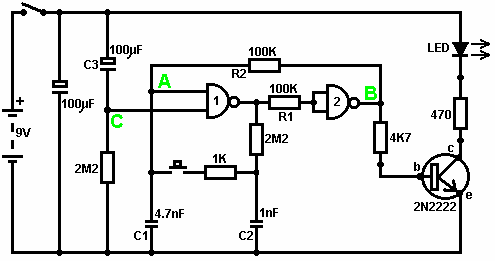
Die Transistoren in der Schaltung vor mit ihren Emitter (n), die mit der Erdungsschiene (der unteren Batterieleitung in einer Schaltung dargestellt wird als "Masse" zu sein, wenn sie speziell gezeigt wird anderswo) verbunden ist. Diese Anschlussart wird als "gemeinsame Emitter". Die folgende Schaltung verwendet den Transistor in 'Emitterfolger-Modus verbunden. Dies ist, wo der Emitter links, um die Basis-Spannung zu folgen - es ist immer 0.7V unten, es sei denn die Basis selbst unter 0.7V angetrieben wird:

Dies ist fast das gleiche wie das Licht betriebenen Schaltung zuvor dargestellt. In dieser Variation sind die Transistoren so verdrahtet, dass sie als 'Emitterfolger', die die Spannung am Punkt folgt arbeiten, A ', die als die Lichtpegel Tropfen und dem Widerstand der ORP12 zunimmt ansteigt. Dadurch wird die Spannung über dem Relais zu erhöhen, bis das Relais anspricht und schließt seinen Kontakten. Ein Relais ist ein Spannungs-betätigten mechanischen Schalter, der näher beschrieben wird später werden.
Der Nachteil der vorstehend beschriebenen Schaltung ist, dass die Lichtintensität abnimmt, der Strom durch das Relais erhöht und es kann eine beträchtliche Menge Strom sein geraumer Zeit. Wenn es beabsichtigt war, um das Gerät mit einer Batterie dann die Lebensdauer der Batterie wäre viel kürzer, als sie brauchen. Was wir möchten, ist eine Schaltung, die schnell aus dem Off-Zustand in den Ein-Zustand geschaltet, obwohl der Triggereingang variiert nur langsam. Es gibt mehrere Möglichkeiten, um dies zu erreichen, von denen einer um den Stromkreis zu modifizieren, um eine "Schmitt-Trigger" zu werden:

Hier hat sich ein zusätzlicher Transistor ('TR2') den Schaltungsbetrieb signifikant mit TR3 Einschalten voll auf und vollständig ab, schnell verändert. Hierdurch ergibt sich der Strom durch das Relais sehr gering bis die Schaltung auslöst.
Die Schaltung arbeitet wie folgt. Wenn die Spannung an der Basis des TR1 hoch genug ist, schaltet TR1 auf, wodurch der Widerstand zwischen dessen Kollektor und Emitter mit so niedrig sein, dass wir es als Kurzschluss (was eine nahezu Null Widerstandsanschluß) zu behandeln. Dieser verbindet die effektiv 10K und 1K8 Widerstände in Reihe über die Batterie. Die Spannung an ihrer Verbindungsstelle (sowohl der Kollektor und Emitter des TR1) wird dann etwa 1,8 Volt betragen. Die beiden Widerstände sind 18k in Reihe über dieser Spannung, so dass die Spannung an ihrer Verbindungsstelle halb so sein wird; 0,9 Volt.
Dies stellt die Basis des TR2 bei etwa 0,9 Volt und dessen Emitter bei 1,8 Volt. Die Basis des TR2 ist daher nicht 0,7 Volt über dem Emitter, so dass keine Basis / Emitter-Strom wird in TR2, was bedeutet, dass TR2 hart ausgeschaltet ist bedeutet fließen. Dies bedeutet, dass die TR2 Kollektor / Emitter-Widerstand sehr hoch sein wird. Die Spannung an der Basis von TR3 erhält 1K8 Widerstand, der TR2 Kollektor / Emitter-Widerstand (sehr stark) und der 3K9 Widerstand gesteuert. Dies drückt die Basisspannung des TR3 bis nahe der vollen Batteriespannung und da es als ein Emitter-Folger verdrahtet ist, dessen Emitter-Spannung etwa 0,7 Volt unterhalb derjenigen sein. Dies bedeutet, dass das Relais wird der Großteil der Batteriespannung an ihm haben, und so wird harte einzuschalten.
Einige praktische Punkte: Der Strom in die Basis des TR3 kommt über den Widerstand 3K9. A 3K9 Widerstand muss 3,9 Volt über es für jeden 1 mA, die durch sie fließt. Wenn das Relais benötigt 150 mA bis zu betreiben und TR3 eine Verstärkung von 300, dann TR3 benötigen einen Basisstrom von 0,5 mA bis 150 mA Strom durch dessen Kollektor / Emitter-Übergang bereitzustellen. Wenn 0,5 mA fließt durch den Widerstand 3K9, wird es einen Spannungsabfall über ihn von ca. 2 Volt liegen. 2,0 - - Der TR3 Basis / Emitter-Spannung wird weitere 0,7 Volt betragen, so dass die Spannung des Relais wird etwa 12,0 um 0,7 = 9,3 Volt, so müssen Sie sicher sein, dass das Relais zuverlässig arbeiten 9 Volt.
Wenn Sie verwendet ein Darlington-Paar von Transistoren, die jeweils mit einem Gewinn von 300, anstelle von TR3, dann ist ihre kombinierte Basis / Emitter-Spannungsabfall würde 1,4 Volt sein, aber sie würde nur noch eine Basis Strom von 150 mA / (300 x 300) = 1/600 mA. Das aktuelle würde nur fallen 0,007 Volt über den 3K9-Widerstand, so das Relais würde 10,6 Volt erhalten.
Also, wie Sie herausfinden, die Verstärkung einer bestimmten Transistor? Das wichtigste Arbeitsinstrument für die Elektronik ist ein Multimeter. Dies ist ein digitales oder analoges Messgerät, das eine breite Palette von Dingen messen: Spannung, Strom, Widerstand, ... Die teurere der Zähler, im Allgemeinen, je größer die Anzahl der Bereiche vorgesehen ist. Die teureren Metern bieten Transistors Tests. Ich persönlich bevorzuge die ältere, passive Multimeter. Diese werden herabgesehen weil sie Strom von der Schaltung, an die sie gebunden sind, zeichnen aber, weil sie es tun, sie zuverlässige Werte geben die ganze Zeit. Je moderner Akku-Digitalmultimeter Gerne geben falsche Messwerte als Akku entlädt. Ich verschwendete zwei ganze Tage, Testen Akkus, die zu geben unmöglich Aufführungen erschienen. Schließlich entdeckte ich, dass es ein Mangel Multimeter Batterie, die zu falsch-Multimeter Lesungen wurde, war.
Für den Moment, lassen Sie uns davon ausgehen, dass keine kommerzielle Transistortester zur Hand ist, und wir werden unsere eigenen zu bauen (oder zumindest, entdecken, wie wir unsere eigenen zu bauen). Der Verstärkungsfaktor eines Transistors ist als der Kollektor / Emitter-Strom durch die Basis / Emitter-Strom teilt. Wenn beispielsweise 1 mA durch den Kollektor fließt und 0,01 mA in die Basis fließt, diesen Kollektor Strömung aufrecht zu erhalten, so wird der Transistor eine Verstärkung von 100 mal bei 1 mA. Der Transistor Verstärkung variieren kann, wenn es sich trägt unterschiedlichen Strombelastungen. Für die Schaltungen haben wir bei bisher suchen, ist eine vernünftige 1mA Strom, bei dem die Transistorverstärkungsfaktor messen. So lasst uns eine Schaltung, um die Verstärkung zu messen:

Mit der hier gezeigte Schaltung wird der variable Widerstand eingestellt, bis ein Kollektorstrom von 1mA am Amperemeter, und die Verstärkung des Transistors gezeigt wird, wird dann Ablesen der Skala auf dem variablen Widerstand Regler. Die Schaltung ist in einem kleinen Kasten mit der Batterie und mit einer Buchse, in welche der Transistor angeschlossen werden kann gebaut. Die Frage ist dann, welche Werte sollten für den Widerstand R1 und dem variablen Widerstand VR1 gewählt werden?
Na ja, vielleicht haben wir zu wählen, dass die minimale Verstärkung angezeigt werden 10 ist. Dies würde zu dem der variable Widerstand Schieber den ganzen Weg bis zum Punkt genommen "A" im Schaltplan, wirksam unter den variablen Widerstand aus der Schaltung entsprechen. Wenn der Transistor 10 und Verstärkung ist der Kollektorstrom ist 1mA, dann ist der Basisstrom wird 0.1mA. Dieser Strom hat, um durch den Widerstand R1 fließen kann, und es hat eine Spannung von (9,0 - 0,7) Volt über ihn als die Basis / Emitter-Spannung beträgt 0,7 Volt, wenn der Transistor eingeschaltet ist. Ohms Law gibt uns Ohm = Volt / Ampere, die für den Widerstand R1 Mittel Ohm = 8,3 / 0,0001 oder 83.000 Ohm oder 83K.
Faustregel: 1K bietet 1mA wenn es 1V über sie verfügt, so 10K geben 0.1mA wenn es 1 Volt über sie hat. Mit 8,3 Volt über sie, braucht es sich als 8,3 mal größer ist, um den Strom auf die gewünschte 0.1mA so zu halten, wobei der Widerstand 83K groß sein sollte.
Als 83K ist kein Standard-Größe, müssen wir zwei oder mehr Standard-Widerstände verwenden, um diesen Widerstand zu geben. Nächstgelegenen Standardgröße unterhalb 83K 82K ist, so können wir ein 82K-Widerstand und einem Widerstand in Reihe 1K um die erforderliche 83K hinweisend.
Angenommen, wir sagen, dass wir möchten, 500 als höchste Gewinn auf unsere Tester gezeigt haben, dann, wenn VR1 ist auf seinem Maximalwert sollte und R1 bieten 1/500 der Kollektorstrom von 1mA, dh 0.002mA oder 0,000002 Amps . Von Ohms Law wieder erhalten wir VR1 + R1 = 4.150.000 Ohm oder 4m15. Leider ist der größte Wert variablen Widerstand Verfügung 2M2 so die Schaltung wie es steht, nicht in der Lage, damit umzugehen.
Angenommen, wir sollten einfach ein 2M2 variable Widerstand für VR1, was könnte Transistors Gain-Bereich zeigen wir? Nun Ohms Law ... berechnen lässt uns den Basisstrom mit 8,3 Volt über (83.000 + 2,200,000) Ohm und aus, dass die maximale Verstärkung, die 277,77 Transistors (bei 1 mA) wäre. Sie würden kaufen ein 'linear' Standard-Kohlenstoff-Spur variablen Widerstand, so dass die Änderung des Widerstands ist stabil, wenn die Welle gedreht wird. Die Skala, die Sie machen würde, würde in gleichmäßigen Schritten, und es wäre von 10 bei der minimalen Einstellung laufen, 278 bei der höchsten Einstellung.
Aber das ist nicht das, was wir wollten. Wir wollten zur Messung von bis zu 500 Personen. Aber sie machen keine variable Widerstände groß genug, so was können wir tun? Nun, wenn wir wollten, könnten wir senken die Batteriespannung, was wiederum die Widerstandswerte zu senken. Als eine 9V-Batterie ist sehr praktisch für diese Art der Schaltung, lässt nicht diesen Weg gehen. Wir könnten hinzufügen, zusätzliche Schaltung, die 9V-Batterie-Spannung fallen bis auf einen niedrigeren Wert. Die einfachste Lösung ist es, einen zusätzlichen Widerstand hinzuzufügen und wechseln Sie zwei Bereiche zu geben. Wenn wir in einem extra 2M2 Widerstand eingeschaltet oben VR1 dann die Schaltung würde Transistors Gewinne von 278 auf knapp über 500 messen und allem würden wir tun müssen, wäre eine zweite Waage für das VR1-Zeiger-Knopf zu bewegen über hinzuzufügen. Wir könnten bieten zusätzliche Bereiche, die sich überlagern, die bequemer Skalen zu markieren. Das Design ist bis zu Ihnen.

Das Design oben erfasst ist nicht die einzige Möglichkeit, die Transistorverstärkungsfaktor messen. Ein zweiter Weg, so dass es nicht so genaue annimmt, nimmt ein Satz Basisstrom und misst den Kollektorstrom als Leitfaden für die Verstärkung. In diesem einfachen Verfahren werden ein oder mehrere Widerstandswerte gewählt Verstärkungsbereichen zu geben, und das Amperemeter verwendet, um die entsprechende Verstärkung gelesen:

Hier könnte Widerstand R1 gewählt, um einen Kollektorstrom von 1mA (das ist ein Vollausschlag auf dem Messgerät) geben, wenn der Transistor Gewinn beträgt 100 werden. Widerstand R2 könnte Aufheben einen Vollausschlag für eine Verstärkung von 200, R3 für einen Verstärkungsfaktor von 400, R4 für eine Verstärkung von 600 und so weiter zu geben. Generell ist es nicht notwendig, den genauen Gewinn, sondern eine vernünftige Annäherung, es zu wissen ist ausreichend. Sie werden in der Regel die Auswahl eines Transistors, wo man einen Gewinn von 180 benötigen, so ist es nicht wichtig, ob der Transistor holen Sie hat einen Gewinn von 210 oder 215 - Sie sind nur zu vermeiden Transistoren mit Verstärkungen unter 180.
Wie arbeiten Sie die Werte der Widerstände R1 bis R4? Nun, werden Sie wahrscheinlich nicht erwarten, aber Sie Ohms Law. Spannungsabfall 8,3 Volt und der Basisstrom wird von der Vollausschlag der 1mA durch den Transistor Verstärkung für jeden Bereich, dh 1/100 mA für R1, 1/200 mA für R2, dividiert ... 1/600 mA für R4,...
Die Transistorschaltungen zeigen bisher durch den Fachbegriff "Common Emitter", weil die Emitter sind in der Regel auf die ‘negativen Schiene' oder Batterieminusleitung bekannt. Dieses Anwendungsverfahren ist sehr beliebt, da, wenn der Transistor eingeschaltet ist, die gesamte Versorgungsspannung an die Last geliefert. Weitere häufige und sehr nützliches Verfahren ist als "Emitterfolger" Schaltung bei dem die Last mit der negativen Schiene anstelle der Emitter des Transistors verbunden ist bekannt. Mit dieser Anordnung bleibt die Spannung am Emitter bei 0,7 Volt unter der Spannung der Transistorbasis und 'folgt', dass egal wie es ändert sich die Spannung. Allgemein gesprochen wird der Transistor verwendet den Strom, der von dem Punkt in der Schaltung, wo der Transistorbasis verbunden ist, gezogen werden können, um zu verstärken.
Die Schaltungsanordnung ist wie folgt:

Wenn die Batterie tatsächlich 12 Volt beträgt, der
Schleifer des variablen Widerstandes VR1 kann von einer Spannung von Null Volt
auf eine Spannung von +12 Volt oder irgendeinen gewünschten Wert zwischen
diesen beiden Werten verschoben werden. Das bedeutet, dass die Spannung an der
Basis des Transistors TR1 kann jeder dieser Werte sein. Wenn die Spannung an
der Transistorbasis ist 0,7 Volt oder höher ist, dann wird der Transistor Strom
leitet und die Spannung an der Last zu erhöhen, bis der Emitter 0,7 Volt
unterhalb der Basisspannung. Dies bedeutet, dass die Spannung über die Last auf
einen beliebigen Wert von 0 Volt bis +11,3 Volt eingestellt werden. Diese
Schaltung wird als "Emitterfolger" -Schaltung bekannt.
Die tatsächlichen Werte im "wirklichen Leben" begegnet sind, dass
eine Batterie als 12-Volt markiert ist sehr selten, tatsächlich zu dieser
Spannung und ein gemeinsamer Wert beträgt 12,8 Volt. Ich habe die
Basis-Emitter-Spannung 0,7 Volt genannt, aber in Wirklichkeit kann es etwas von
0,6 Volt bis 0,75 Volt betragen. Eine übliche Verwendung für diese Art von
Schaltung besteht darin, eine konstante Spannung an eine Schaltung übergeben,
wobei eine Zener-Diode. Die Schaltung ist wie folgt:

Diese Schaltung soll eine feste Spannung an dem Punkt "A", wie die Zenerdiode Z1 haben soll, um eine feste Spannung zu erzeugen. Das kann recht gut, wenn die Batteriespannung festgelegt ist zu arbeiten, aber, wenn die Batteriespannung ändert sich nach oben oder unten, die Spannung am "A" driftet, was bedeutet, dass die Spannung an der Last ebenfalls verändert. Sie werden manchmal sehen dies in Konstantstromschaltungen.
Die im allgemeinen empfohlene Weg einen konstanten Stromflusses durch einen Teil der Last anzuordnen bzw. andere ist, eine integrierte Schaltung für die Aufgabe entworfen wurde. Die Anordnung ist in der Regel wie folgt aus:

Hier ist der
Widerstand R1 steuert, wieviel Strom in der Schaltung und
dem Widerstand R2 muss zehnmal höheren Wert als R1. sein fließen. Ein Haken ist, daß der LM334Z
Tropfen etwa 4 Volt, wenn die Stabilisierung der Strom durch die Last. Das ist
eine Menge von Spannung geopfert. Eine alternative Anordnung ist:

Bei dieser Schaltung zwei gewöhnliche Dioden wie die 1N4007 verwendet, um eine konstante Spannung zu ergeben aufgrund der durch sie fließende Strom, durch den Widerstand R1 zugeführt wird. Jede Diode einen Spannungsabfall über den etwa gleich dem Spannungsabfall über dem Basis / Emitter-Strecke des Transistors TR1. Das bedeutet, daß der Widerstand R2 in etwa die gleiche Spannung darüber als einen der Dioden haben. Es ist meine Erfahrung, dass der Spannungsabfall über den Dioden ist nicht betroffen viel, wenn die Batteriespannung ändert sich wie die Zeit vergeht. Der Wert des Widerstandes R2 wird so gewählt, um den gewünschten Stromfluß durch die Last zu geben. Der Spannungsabfall über den Transistor-Kollektor / Emitter-Verbindungen stellt sich automatisch auf den Strom durch die Last bei der konstanten gewünschten Wert zu halten.
Eine aktuelle Frage war, wie ein Ersatz-Transistor für den T 13009 Transistor in diesem Kapitel 21 Schaltung zu finden, da es schien für sie keine lokalen Anbieter zu sein, und würde als Ersatz ein 2N2222 Transistor tun?

Das ist eine sehr vernünftige Frage. So ist es zu beantworten, schauen wir auf die Schaltung und wir sehen, dass der Kollektor des Transistors gezogen werden wird nach oben, bis er die Spannung der Batterie Kette überschreitet. Es gibt fünf 12-Volt-Batterien in einer Kette nach oben von dem Transistor Emitter gehen und während die Batterien auf sie "12 Volt" geschrieben haben, können sie auf fast 14 Volt je aufzuladen. Das bedeutet, dass der Transistor-Kollektor auf eine Spannung von 5 x 14 = 70 Volt oder mehr gezogen werden kann, wenn die Batterien aufgeladen werden sollen. Also, sagt der gesunde Menschenverstand , dass jeder erfolgreiche Ersatz-Transistor mit einer Nennspannung von mindestens 70 Volt haben müssen.
Wenn wir die Eigenschaften eines Transistors oder eine Diode, um herauszufinden, wollen, können wir auf die http://www.alldatasheet.com/ Website zu gehen, obwohl nur den Transistor Namen googeln oft die benötigten Informationen bekommt sehr schnell. Wie auch immer, auf der Website, die oben auf der Seite hat einen Eintrag Abschnitt wie folgt aus:
![]()
Und wenn Sie geben in T13009 als Teilname :
![]()
und klicken Sie auf die Schaltfläche Suchen, dann kommt es mit auf den Punkt:

So klicken Sie auf den blauen Link ST13009 und es kommt dann mit einem etwas verwirrenden Anzeige Display, die Informationen über einige völlig unabhängig Komponente bietet. Wenn Sie jedoch die Seite nach unten scrollen ein wenig erreichen Sie einen Link auf das Datenblatt für den Transistor:

Wenn Sie dann auf das PDF-Symbol klicken, erhalten Sie einen anderen Bildschirm die aktuelle Link zur PDF-Datei anbieten:

Ein Klick auf den Link erhalten Sie tatsächlich mit dem Datenblatt, das Sie lokal speichern zu speichern immer wieder durch diese ganze Menge zu gehen. Das Dokument ist in englischer Sprache.

Dies ist nicht ein FET-Transistor und so unser Hauptinteresse liegt in der Spannung kann es aushalten, die der Dauerstrom es tragen kann, ist es der Spitzenstrom verwalten kann, wenn plötzliche Impulse zugeführt werden, wie viel Leistung insgesamt kann damit umgehen, was DC-Strom gewinnen (das heißt Verstärkung) können Sie von ihm erwarten und wie schnell kann es funktionieren.
Das klingt viel, aber es ist wirklich ganz einfach. Allerdings gibt es eine Fertigung auf Transistoren und die meisten anderen elektronischen Komponenten verteilt, und so sind wir nur für einen Ball-Parknummer für diese Dinge suchen. Das heißt, können Sie fünf identischen aussehende Transistoren in der Hand haben, aber es ist sehr unwahrscheinlich, dass zwei von ihnen tatsächlich identisch sein wird. Lassen Sie uns jedoch in diesem Datenblatt schauen und zu sehen, was wir herausfinden:
Zunächst wird die maximale Spannung, die der Transistor mit der Basis standhalten kann nicht verbunden ist 400 Volt, die viel mehr ist, dass wahrscheinlich in unserem Kreis erreicht werden soll.
Als nächstes wird der Strom. Der Dauerstrom wird angegeben, 12 Ampere und 24 Ampere, wenn in Pulsen. Das ist wahrscheinlich mehr als die Schaltung Bedürfnisse zu sein, wie eine anhaltende Leistung von 40 Watt von einer 12-Volt-Anschluß ist ein Strom von unter 4-Amps.
Als nächstes wird die Leistung als 100 Watt angegeben (eine Wärmesenke ist auf jeden Fall dafür benötigt - man stelle sich eine beleuchtete 100-Watt-Glühbirne in der Hand zu halten und denken, wie bequem das wäre). Jedoch in unserer Schaltung wird der Transistor für die meiste Zeit ausgeschaltet sein und so, Leistung ist nicht wahrscheinlich ein Problem zu sein.
Als nächstes wird die Schaltgeschwindigkeit, die in dieser Schaltung als wichtig wahrscheinlich ist. Das Datenblatt lässt vermuten, dass etwa 60 ns wahrscheinlich für jeden T13009-Transistor ist.
Und schließlich wird die Gleichstromverstärkung wahrscheinlich bei einem Strom von 5 Ampere zwischen 15 und 39 sein. Es ist wahrscheinlich, viel besser zu sein als die bei niedrigeren Strömen.
Manche
Menschen haben Schwierigkeiten zu visualisieren, wie ein Bipolar-Transistor
funktioniert, so lassen Sie es
Der
Basisstromfluss ist wie die Einstellung eines Ventils zwischen dem Kollektor
und dem Emitter. Wenn der Transistorverstärkung 200 ist, dann 1 mA in die Basis
fließt, kann 200 mA zwischen den Kollektor zu fließen und dem Emitter, es sei
denn, eine Last zwischen dem Kollektor und der Batterie - eine Last, die, daß
der Stromfluß erstickt, und das ist der Normalfall. Wenn beispielsweise 0,5 mA
in die Basis fließt, dann ein Maximum von 100 mA zwischen dem Kollektor und
Emitter bestehen. Die Verstärkung jedes Transistors abhängig von der Menge an
Strom durch den Transistor fließt, und es ändert sich so viel, dass der einzige
Weg, um es richtig zu spezifizieren ist eine graphische Darstellung davon zu
zeichnen. Aus diesem Grund werden gedruckte Gewinn Zahlen für nur ein oder zwei
Strömungen gegeben. Im Allgemeinen, desto geringer ist der Strom, desto höher ist
die tatsächliche Verstärkung, so dass, wenn ein Gewinn als 20 bei 1 Ampere
gegeben ist und Sie beabsichtigen, nur 100 mA durchströmt haben, dann können
Sie einen Gewinn erwarten viel höher als 20. Die Spannung auf der Basis eines
einzelnen Transistors, der immer 0,7 Volt (oder etwas sehr nahe, dass je
nachdem, wie diese bestimmte Transistor tatsächlich hergestellt wurde) wird
leitend ist. Dass 0,7 Volt bleibt festgelegt, auch wenn der Strom von 0,1 mA
bis 100 mA in die Basis fließt, zunimmt. Also zurück zu unserem T13009
Transistor.
Okay, wir wissen jetzt, ein wenig über die T13009 Transistor, und die Frage nach dem 2N2222 Transistor gefragt, so dass wir schauen Sie auf der All Data Sheet Website und wir finden, dass die maximale Spannung von 40 Volt. Das schließt es aus unserer Schaltung, wo die Spannung auf mindestens 70-Volt geht und ein 2N2222 Transistor würde sterben sofort. Wir freuen dann auf die aktuelle und sehen, dass es ein Maximum von 0,8 eines Verstärkers hat, was bedeutet, dass es für diese Schaltung wirklich nicht im Ballpark.
Wir wissen, dass die TIP3055 (ursprünglich als 2N3055 verpackt) mit der freien Energie-Builder ist sehr beliebt, so dass wir schauen Sie und finden Sie heraus, dass es Spannungen bis zu 60 Volt, 90 Watt Leistung und 15 Ampere Strom verarbeiten kann. Während es ein leistungsfähiges Transistor ist, sieht es aus, als ob seine Betriebsspannung für diesen Kreislauf zu niedrig ist.
Also was machen wir jetzt? Eine Möglichkeit ist ein Elektronik-Experte zu bitten, eine geeignete Alternative vorzuschlagen. Eine andere Möglichkeit ist es, die Transistoren, die von Ihrem Lieferanten angeboten zu sehen, was für mich www.esr.co.uk ist, die zu dieser Tabelle führt, die eine von vielen ist und das hat viel mehr Einträge:

Wir wollen einen NPN-Transistor und so die MJ11016 sieht möglich, mit einer 100-Volt-Kapazität, 30 Ampere Strom und 200 Watt Verlustleistung. Es ist ein Darlington-Paar in einem einzigen Fall und so schaltet auf etwa 1,4 Volt als 0,7 Volt auf der Basis gegenüber, aber das sollte keinen Unterschied in unserem Kreis zu machen. Mit einem Plus von 1000 könnte eine einfache Kohlenstoff variabler Widerstand verwendet werden, um den Basisstrom zu steuern. Es gibt viele andere Transistoren zur Auswahl.
Eine weitere Möglichkeit, einen geeigneten Transistor zu finden sein könnte auf eBay zu gehen und suchen Sie auf "Transistor" und sehen, welche Transistoren sind sehr beliebt und wie viel sie kosten. Eine Alternative könnte sein, den Schaltkreis mit einem FET-Transistor, wie der IRF740 zu versuchen, die hohe Spannung ist, sehr leistungsfähig und nicht teuer. Jedoch auslösen FET Transistoren auf Spannung und fast kein Strom durch ihre "grid" -Verbindung ziehen, die das Äquivalent zu einer bipolar "base" Verbindung ist und so einige Experimente mit der Schaltung benötigt werden.
Es könnte sich auch lohnen, schauen, um zu sehen, welche Transistoren von Alexkor ausgewählt wurden, in seiner 5-Batteriekreisen in Kapitel 6. Wenn wir das tun, dass wir die MJE13009 finden, die eine identische Spezifikation hat und so ist fast sicher das gleiche wie ein T13009-Transistor und der MJE Version ist auf eBay zur Verfügung stehen. Ein weiteres seiner Transistoren ist der 2SC3552 Transistor mit 500V-Fähigkeit und 150 Watt Kapazität und als "schnell wirkenden".
Eine Komponente, die gezeigt worden ist, aber nicht beschrieben ist die Diode oder "Gleichrichter". Dies ist eine Vorrichtung, die eine sehr hohe Beständigkeit gegen fließende Strom in eine Richtung und einen sehr geringen Widerstand gegenüber Stromfluß in die entgegengesetzte Richtung weist. Die Basis / Emitter-Übergang eines Transistors ist effektiv eine Diode und an einem Stoß, kann als solches verwendet werden. Eine geeignete Diode ist billig zu kaufen und hat weit größere Spannung und Strom Umschlagkapazitäten als die Basis / Emitter-Übergang eines Transistors.
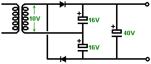
Germanium und Silizium: Dioden sind hauptsächlich aus einer von zwei Materialien hergestellt sind. Germanium-Dioden mit sehr kleinen Wechselströme wie Radio kommenden Signale von einer Antenne verwendet. Dies liegt daran, eine Germanium-Diode braucht nur 0,2 Volt oder so, um einen Strom zu führen, während Silizium benötigt 0,6 bis 0,7 Volt (wie einem Silizium-Transistor-Basis / Emitter-Übergang). Germanium-Dioden (und Transistoren) sind sehr empfindlich auf Temperaturänderungen und so werden in der Regel auf eine geringe Leistung Schaltungen beschränkt. Eine sehr einfache und saubere Anwendung für eine Silizium-Diode ist als 'un-unterbrechungsfreie Stromversorgung ", wo Netzausfall sofort gefangen:

In dieser Schaltung treibt die Netzspannung des Power Supply Unit, die 12 Volt erzeugt am Punkt 'A'. Dieser Strom für das Laden. Die Diode weist +12 Volt bei 'A' und +12 Volt am Punkt 'B', so gibt es keinen Spannungsabfall, und es wird keinen Strom in beide Richtungen. Dies bedeutet, dass die Batterie effektiv isoliert wird, wenn das Netz in Betrieb ist. Wenn die Power Supply Unit ausgegeben wurden, um über seine Design-Pegel von +12 Volt steigen, dann die Diode würde es von der Fütterung in den Batteriestrom zu blockieren.
Wenn das Netz ausfällt, der Power Supply Unit ('PSU') ausgegeben wird auf Null fallen. Wenn die Batterie und Diode waren nicht da, die Spannung am Punkt "A" auf Null fallen, was würde Power-Down-Load und möglicherweise schwerwiegende Probleme verursachen. Zum Beispiel, wenn die Last waren Computer könnte ein Netzausfall führen, dass Sie wichtige Daten verlieren. Mit einer Batterie Back-up dieser Art hätten Sie Zeit, um Ihre Daten zu speichern und Ihren Computer herunterfahren, bevor die Batterie lief.
Die Schaltung arbeitet in einem sehr einfachen Weise. Sobald die Spannung am Punkt "A" Tropfen auf 0,7 Volt unterhalb der +12 Volt am Punkt "B", beginnt die Diode Einspeisung von Strom aus der Batterie zum Laden. Dies geschieht in weniger als einem Millionstel einer Sekunde, so dass die Last nicht verliert Strom. Es würde sich lohnen Zugabe eine Warnleuchte und / oder ein Summer sein, zu zeigen, dass das Netz ausgefallen.
Dioden werden ebenfalls mitgeliefert verpackt als Diodenbrücke mit vier Dioden eingeschlossen innen. Normalerweise für die Stromversorgung Nachbesserung bestimmt, sie sind nicht besonders schnell wirkende Dioden, aber sind billig und können ein gutes Geschäft von Strom führen. Eine gemeinsame Größe ist mit den Dioden bei 1000 Volt und in der Lage, 35 Ampere tragen bewertet. Obwohl es viele Pakettypen sind, sieht eine sehr häufige Paket wie diese:

Das Wechselsignal zwischen zwei gegenüberliegenden Ecken verbunden sind und die pulsierende Gleichspannung wird von den beiden anderen Anschlüssen entnommen. Die Symbole oben gezeigt werden normalerweise auf der ebenen Fläche, die nicht in diesem Bild zu sehen ist markiert. Das Paket hat ein Loch in der Mitte, so dass das Metall bei einem Kühlkörper geschraubt werden kann, um zu halten das Gerät recht kühl bei der Durchführung großer Ströme. Die Verbindungen in der Verpackung sind wie folgt:

Es ist möglich, um die Brücke in einer anderen Weise zu verbinden und sie als eine höhere Spannung doppelt Diodenanordnung wie hier dargestellt:

Durch Überspringen des Wechselstroms Fähigkeit und Verbindung mit dem soeben Plus und
der Minus-Klemmen, liefert das Paket
zwei Paare wenn Dioden
in Reihe geschaltet. Dies verdoppelt
die Spannung Handhabung in beiden Strompfaden und den Nennstrom Belastbarkeit sowohl in dieser beiden Pfade der jetzt über zueinander,
was die Stromtragfähigkeit
doppelt angeschlossen sind. Das Diagramm zeigt, wie drei normale,
billig 1000V 35 amp
Brücken miteinander verbunden werden
um ein 70 Ampere
6000V Composite Diode
werden. Sie könnten,
wenn Sie möchten, heben Sie die Spezifikation
eines 1000V 35A Diodenbrücke zu 2000V
70A unter Verwendung von vier von ihnen wie folgt aus:

Dioden werden durch ihre Spannung Belastbarkeit und
ihre Stromtragfähigkeit und der
Geschwindigkeit, mit der sie und Ausschalten angegeben. Für Netzteile in dem
die Frequenz sehr niedrig ist, wird jede Diode zu tun, aber es gibt Schaltungen, bei denen das Schalten hunderte tausendmal pro Sekunde benötigt wird und damit die Diode Spezifikationsblätter müssen überprüft, um festzustellen,
welche Frequenz durch irgendeine bestimmte handhabbare werden Diode.
Diese Datenblätter können kostenlos heruntergeladen http://www.alldatasheet.co.kr werden.
Eine andere Sache, die für einige
Schaltungen überprüft werden muss, ist die Spannung benötigt, um die
Diode zu bekommen, um ihn einzuschalten. Zwei gängige Materialien der beim Herstellen Dioden sind Silizium und Germanium. Germanium-Typen haben eine niedrige Durchlassspannung von etwa 0,2 Volt typischerweise die Silizium über eine
0,6-Volt-Schwelle im Allgemeinen. Diese Spannung
Zahlen schwanken enorm wie der Strom durch die Diode steigt. Schaltungen, die sehr niedrigen Spannungen verwenden müssen
Germanium-Dioden wie 1N34.

Es ist ein weit verbreitetes Variation der Diode, die sehr nützlich ist, und das ist die Licht Ausstrahlende Dioden bzw. "LED". Dies ist eine Diode, die Licht emittiert, wenn Strom führt. Sie sind in den Farben rot, grün, blau, gelb oder weiß Light-Versionen. Einige Versionen können mehr als eine Farbe des Lichtes, wenn Strom durch ihre unterschiedlichen elektrischen Anschlüsse zugeführt wird.
LEDs geben ein wenig Licht bei einem Strom von etwa 8 mA oder 10 mA und ein helles Licht für Ströme von 20 mA bis 30 mA. Wenn sie mit einem 12-Volt-System, dann ein Vorwiderstand von 1 K bis 330 Ohm verwendet werden, ist notwendig. LEDs sind robuste Geräte, immun gegen Schock und Vibration. Sie kommen in verschiedenen Durchmessern und die größeren Größen sind sehr viel besser sichtbar als die ganz kleinen.
Eine andere Version der Diode ist die Silicon Controlled Rectifier ("SCR") oder "Thyristor". Diese Vorrichtung führt keinen Strom bis zu seinem Gate empfängt ein Eingangsstrom. Dieser ist ebenso wie der Betrieb eines Transistors aber der SCR einmal eingeschaltet ist, bleibt auch wenn die Gate-Signal entfernt wird. Er bleibt eingeschaltet, bis der Strom durch den SCR auf Null gezwungen wird, in der Regel durch die Spannung über ihm entfernt wird. SCRs sind oft mit Wechselspannungen (unten beschrieben) verwendet und dies bewirkt, dass der SCR um auszuschalten, wenn die Gate-Eingang entfernt wird. SCRs funktioniert nur mit positiven Spannungen, so dass sie die Hälfte der verfügbaren Leistung von Wechselstrom-Netzteile verpassen. Eine erweiterte Version des SCR ist die "Triac", die in der gleichen Weise wie ein SCR arbeitet, aber handhabt sowohl positive als auch negative Spannungen.
Eine weitere sehr nützliche Variante der LED ist der Opto-Isolator. Diese Vorrichtung ist ein vollständig umschlossen und LED lichtempfindlichen Transistor. Wenn die LED eingeschaltet wird, schaltet es den Transistor auf. Der große Vorteil dieses Gerätes ist, dass die LED in einer niedrigen Spannung, geringer Stromverbrauch Abtastschaltung sein, während der Transistor in einem völlig separaten, Hochspannung, hohe Leistung Schaltung sein kann. Der Optoisolator isoliert die beiden Kreise vollständig voneinander. Es ist eine sehr nützliche und sehr beliebt, kostengünstige Vorrichtung.
Eine Batterie stellt eine konstante Spannung. Dies nennt man einen Gleichstrom Energiequelle. Wenn eine Schaltung mit einer Batterie verbunden ist, ist die positive Schiene immer positive und die negative Schiene ist immer negativ.
Wenn Sie einen Akku mit einer Schaltung durch einen zweipoligen Umschalter wie hier gezeigt:

Wenn der Umschalter betätigt wird, wird die Batterie effektiv über oder gedreht invertiert. Diese Schaltung wird eine "Inverter" genannt, weil es invertiert wiederholt die Versorgungsspannung. Wenn der Schalter auf einer regelmäßigen, schnellen Basis betrieben wird, wird der Graph der Ausgangsspannung als auf der rechten Seite gezeigt. Dies ist ein "Rechteck" Spannung und wird ausführlich in elektronischen Geräten eingesetzt. Es heißt Wechselstrom. SCRs und Triacs können bequem mit Versorgungsspannungen dieser Art verwendet werden. Netzspannung ist auch AC ist aber etwas anders:

Elektrischen Netzspannung variiert kontinuierlich in Form einer Sinuswelle. In Großbritannien die Netzspannung wird als '230 Volt AC' beschrieben, und es Zyklen nach oben und unten 50 Mal pro Sekunde, d. h. 50 positive Höhen und 50 negativen Gipfeln in einer Sekunde. Es wäre davon auszugehen, dass jede Spannung Spitze 240 Volt wäre, aber dies nicht der Fall ist. Obwohl die Lieferung als 230 Volt beschrieben wird, Spitzen es an die Quadratwurzel von 2 mal größer als die, d.h. 325 Volt. Die tatsächliche Versorgungsspannung ist nicht besonders genau, so dass jedes Gerät für die Netzspannung Verwendung 360 Volt bewertet werden sollte. In Amerika die Versorgungsspannung beträgt 110 Volt und es Zyklen 60 mal pro Sekunde, Höchststand bei Plus und minus 155 Volt. Sie werden später sehen, wie eine oder mehrere Dioden kann verwendet werden, um Wechselstrom in Gleichstrom in einer Einheit zu konvertieren, die als ein Netzadapter Batterie ermöglichen verkauft wird betriebenen Geräte aus der lokalen Stromversorgung betrieben werden.
Wenn Sie einen Karton Rohr, jeder Größe, jeder Länge, und wind eine Länge des Drahtes um ihn herum, erstellen Sie ein sehr interessantes Gerät. Es geht durch den Namen einer 'Spule' oder ein 'Induktivitäten' oder ein 'Magnete'.

Dies ist ein sehr interessantes Gerät mit vielen Einsatzmöglichkeiten. Es bildet das Herz eines Rundfunkempfängers, um es der Hauptbestandteil von Fernsprechvermittlungsanlagen werden verwendet, und die meisten elektrischen Motoren nutzen mehrere von ihnen. Der Grund hierfür ist, wenn ein Strom durch den Draht geleitet wird, wirkt die Spule in genau der gleichen Weise wie ein Stabmagnet:

Der wichtigste Unterschied besteht darin, dass, wenn der Strom unterbrochen wird, wobei die Spule wirkenden wie ein Magnet stoppt, und das kann sehr nützlich. Wenn ein Eisenstab im Inneren der Spule angeordnet ist und der Strom eingeschaltet ist, wird die Stange zur Seite geschoben. Viele Türklingeln diesen Mechanismus nutzen, um ein zwei-note schlagen. A 'Relais' nutzt diese Methode, um einen elektrischen Schalter zu schließen und viele Schaltungen verwenden, um schwere Lasten (ein Thyristor kann auch dafür verwendet werden, und es hat keine beweglichen Teile) zu wechseln.
Eine Drahtspule hat eine der besonders auffällt fast jede elektronische Komponente. Wenn der Strom durch sie in irgendeiner Weise verändert wird, widersetzt sich die Spule die Änderung. Stimmt die Schaltung für eine Licht-schalter mit einem Relais?:

Sie werden feststellen, dass das Relais (das ist vor allem eine Spule aus Draht), eine Diode über sie hat. Weder das Relais noch die Diode wurden in allen Einzelheiten zu dieser Zeit erwähnt da sie nicht, dass die für die beschriebene Schaltung ist. Die Diode verbunden ist, so daß kein Strom durch sie von der Batterie an die positive "Boden" Linie (die Batterie negativ). An der Oberfläche scheint es, als ob es keine Verwendung in dieser Schaltung hat. Tatsächlich ist es ein sehr wichtiges Bauteil, TR3 schützt vor Beschädigungen.
Die Relaisspule Strom führt, wenn der Transistor TR3 ist. Der Emitter des Transistors TR3 liegt bei etwa 10 Volt. Wenn TR3 ausschaltet, tut es so schnell und schob den Relay-Verbindung von +10 Volt auf 0 Volt. Die Relaisspule reagiert in einer eigentümlichen Weise die meisten, wenn dies geschieht, und anstelle des Stromes durch die Relaisspule nur anzuhalten, die Spannung auf das Ende der Spule verbunden ist mit dem Emitter des TR3 hält Abwärtsbewegung. Wenn es keine Diode über dem Relais wird die Emitterspannung kurz Überschwingen der negativen Leitung der Schaltung gezwungen und wird hinunter viele Volt unterhalb der Batterie Minusleitung geschleppt. Der Kollektor des TR3 bis +12 Volt verdrahtet ist, so dass, wenn der Emitter unten wird, sagen wir, -30 Volt gezogen, bekommt TR3 42 Volt über sie gelegt. Wenn der Transistor nur verarbeiten kann, beispielsweise 30 Volt, dann wird es durch die 42 Volt Spitze beschädigt werden.
Die Art und Weise, in der Spulen zu betreiben ist seltsam. Aber zu wissen, was los ist, um zum Zeitpunkt der Abschaltung passieren, beschäftigen wir uns mit ihm, indem sie eine Diode an der Spule des Relais. Beim Einschalten, und, wenn das Relais mit Strom versorgt wird, hat die Diode keine Wirkung, zeigt einen sehr hohen Widerstand gegen den Stromfluss. Beim Ausschalten, wenn das Relais Spannung unter der Batterie Linie sinken beginnt die Diode wirksam wird über in seinen leitenden Modus befindet. Wenn die Spannung 0,7 Volt unterhalb der Batterie erreicht Minusleitung, beginnt die Diode leitend und die Spannung Stifte zu diesem Niveau, bis die Spannungsspitze durch die Relaisspule erzeugt hat abgeführt. Je mehr die Spule versucht, die Spannung nach unten ziehen, desto schwieriger wird die Diode leitet, ersticken die Abwärtsbewegung. Dies beschränkt die Spannung über dem Transistor TR3 bis 0,7 Volt größer als die Batteriespannung und schützt sie so.
Magnetspulen kann sehr nützlich sein. Hier ist ein Entwurf für ein leistungsstarker Elektromotor des Amerikaners Ben Teal, im Juni 1978 (US-Patent Nummer 4.093.880) patentiert. Dies ist eine sehr einfache Konstruktion, die Sie für sich selbst bauen können, wenn Sie wollen. Bens ursprünglichen Motor wurde aus Holz gebaut und fast jedes geeignete Material verwendet werden kann. Dies ist die Ansicht von oben:

Und dies ist die Seitenansicht:

Ben hat acht Magnetspulen verwendet zu imitieren, dass ein Auto-Motor funktioniert. Es gibt eine Kurbelwelle und Pleuel, wie in einem Automobilmotor. Die Pleuel sind mit einem Slip-Ring auf der Kurbelwelle verbunden ist und die Magnete sind einen Stromimpuls im geeigneten Moment gegeben, um die Kurbelwelle Runde ziehen. Die Kurbelwelle empfängt vier zieht an jeder Umdrehung. In der hier gezeigten Anordnung zwei Magneten im selben Moment zu ziehen.
In der Seitenansicht erwähnt, hat jede Schicht vier Magnetspulen und Sie können die Kurbelwelle erweitern, um so viele Schichten von vier Magneten wie Sie wollen. Die Motorleistung steigt mit jeder Schicht hinzugefügt. Zwei Schichten sollten völlig ausreichend, da es ein leistungsstarker Motor mit nur zwei Schichten.
Ein interessanter Punkt ist, dass ein Magnet-Impuls beendet ist, seine Anziehungskraft wird kurz auf einen Push durch die seltsame Natur der Spulen verändert. Wenn das Timing der Impulse ist genau das Richtige an diesem Motor kann, dass kurze Push verwendet, um die Leistung des Motors erhöhen, anstatt sich gegen die Motordrehrichtung werden. Diese Funktion wird auch in der Adams Motor in der 'Free-Energy "in diesem Dokument beschrieben wird.
Die Stärke des Magnetfeldes, das durch den Elektromagneten erzeugt wird, durch die Anzahl der Windungen in der Spule beeinflußt, der Strom durch die Spule und der Natur des im Inneren der Spule "ehemaligen" (der Röhre, auf dem die Spule gewickelt ist). Nebenbei, gibt es mehrere Möglichkeiten, ausgefallene Wicklungsspulen die ebenfalls einen Effekt, aber wir werden hier nur über Spulen wobei die Windungen gewickelt sind nebeneinander im rechten Winkel zu der früheren sprechen.
1. Jede Drehung aufgewickelt auf der Spule, nimmt der Magnetfeld. Je dicker der Draht, desto größer ist der Strom, der in der Spule für jede Spannung über der Spule platziert wird fließen. Leider, desto dicker der Draht, desto mehr Platz in jeder Runde nimmt, so die Wahl der Draht ist so etwas wie ein Kompromiss.
2. Die Stromversorgung für die Spule abhängig von der Spannung über
sie gelegt.
Zum Beispiel: Angenommen, die Spule Widerstand 1 Ohm, die Spannung 1 Volt und der Strom 1 Amp. Dann wird die Leistung in Watt ist Volt x Ampere oder 1 x 1, 1 Watt ist.
Nun, die doppelte Spannung bis 2 Volt. Der Spulenwiderstand ist noch 1 Ohm, so dass die Strom ist jetzt 2 Ampere. Die Leistung in Watt ist Volt x Ampere oder 2 x 2, 4 Watt ist. Verdoppelung der Spannung hat die Macht vervierfacht.
Wird die Spannung auf 3 Volt erhöht. Der Spulenwiderstand ist noch 1 Ohm, so dass die Strom ist jetzt 3 Ampere. Die Leistung in Watt ist Volt x Ampere oder 3 x 3, 9 Watt ist. Der Strom ist Ohm x Ampere zugerichtet oder Watt = Ohm x Ampere x Ampere. Hieraus sieht man, dass die Spannung, die an jeder Spule oder Magnet kritisch für die Leistung von der Spule entwickelt ist.
3. Was die Spule aufgewickelt ist auch von erheblicher Bedeutung. Wenn die Spule auf einem Stab aus Weicheisen mit einer Schicht aus Papier bedeckt gewickelt wird, dann ist die magnetische Wirkung drastisch erhöht. Wenn die Stangenenden konisch sind wie ein Schraubenzieher oder abgefeilt zu einer scharfen Spitze, dann werden die magnetischen Kraftlinien Clusters zusammen, wenn sie das Eisen und verlassen die magnetische Wirkung wird weiter erhöht.
Wenn der Weicheisenkern fest ist, wird ein Teil der Energie von fließenden Ströme Runde in der Eisen verloren. Diese Ströme können durch dünne Bänder aus Metall (als "Lamellen"), die voneinander isoliert sind minimiert werden. Sie sehen dies am häufigsten in den Bau von Transformatoren, wo man zwei Spulen gewickelt auf einem einzigen Kern. Da es praktisch für die Massenproduktion ist, werden gewöhnlich als Transformatoren zwei separate Spulen, die dann auf eine Figur einer Acht Blechpaket gewickelt platziert.
Während jedoch alle diese Informationen ein nützlich, sanfte Einführung zu dem, was ein Induktor ist, ist es nicht das wichtigste Merkmal einer Spule vermitteln, das ist, dass jede Spule Energie speichert, wenn es an eine Stromquelle angeschlossen ist, und es gibt fast alles dieser Energie, wenn sie von der Stromquelle getrennt. Die Rückkehr der gespeicherten Energie geschieht in sehr kurzer Zeit und das Feature können leistungsfähige Systeme produzieren, wenn Sie das Know-how haben, zu erfassen und diese Macht nutzen.
Zum Beispiel ist es nicht ungewöhnlich für ein einfaches 12-Volt-System eine schnelle Reihe von 400-Volt-Impulse zu erzeugen, die verwendet werden können, um rekonditionieren und Autobatterien aufzuladen. Es gibt viele Beispiele in Kapitel 6.
Paul Babcock (www.paulmariobabcock.com) zerstört mehr als tausend Transistoren, wenn seine Magnetmotor System zu entwickeln, wie die Rückkehr der Spulenenergie so schnell ist, dass es eine hohe Stromflüsse erzeugt, und wenn der Kondensator in dem der aktuelle Rücklauf gespeist wird, ist einer geringen Kapazität, Spannungen höher als die Versorgungsspannung sind, hergestellt. Für den letzten hundert Jahren oder so, diese Art von Informationen unterdrückt wurde, so nehmen, was in Standardlehrbüchern wird gesagt, als ein Gemisch von Halbwahrheiten und glatte Lügen zu sein.
Als "Kone" unter Beweis gestellt hat, wenn Sie Kurzschluss eine angetriebene Spule, es mehrere magnetische Impulse als die Kraft in der Spule bewirkt, schwingt hin und her durch den geschlossenen Kreislauf, welche die Spule:

Magnetism ist ein Feld, das nicht gelehrt hat, oder im Allgemeinen für viele Jahrzehnte erforscht. Es ist kein einfaches Thema. Die magnetische Kraft durch beliebige Spule zunimmt, wenn die Anzahl der Windungen in der Spule zunimmt (wenn der Strom durch die Spule fließenden gleich bleibt) hergestellt. Das bedeutet, dass eine Spule mit vielen Windungen ein höheres Magnetfeld bei einem niedrigeren Strom als eine Hochstromspule mit wenigen Umdrehungen erzeugen kann. Allerdings sind andere Spule Eigenschaften auch verändert. Der Leistungsverlust aufgrund des Widerstandes des Drahtes in der Spule erhöht sich mit erhöhter Windungen, wie sie benötigen eine längere Länge des Drahtes. Dass Verlustleistung resultiert in der Spule Erwärmung, wenn im Einsatz. Die Geschwindigkeit, mit der das Magnetfeld entwickelt und zerfällt ist langsamer für eine Spule mit vielen Windungen. Überraschenderweise weil dieser, die beste Spule für viele Arbeitsplätze endet relativ wenige Windungen.
Transformatoren werden verwendet, um die Spannung von jedem Wechselstrom-Energiequelle zu verändern. Wenn die Änderung der Ausgangsspannung erhöht, dann der Transformator ein Aufwärtstransformator genannt. Wenn die Ausgangsspannung niedriger als die Eingangsspannung dann spricht man von einem Abwärtstransformator. Wenn die Spannungen gleich sind, spricht man von einer "Isolation" Transformator. Eine gemeinsame Konstruktion sieht wie folgt aus:

Der Spulenkörper sitzt auf dem Abschnitt der
Lamellen der Aufschrift "A 'über. Die Spule ist an seiner Spule ersteren
erste Wicklung und die zweite Wicklung so gewickelt. Die Spule wird dann auf
dem zentralen Teil des "E"-förmigen Laminierungen und dann vollständig
von den Lamellen umgeben, wenn der Querbalken auf der Oberseite montiert ist.
Der Montagebügel verwendet, um die beiden Sätze von Lamellen zusammenzuhalten
und Befestigungsansätze zur Befestigung des Transformators an einem Chassis. Es
gibt typischerweise 20 Lamellen in jedem Satz und jede Laminierung von den
angrenzenden Blechen isoliert.
Wenn Sie die Spannung einer Batterie-Stromversorgung ändern möchten, ist es
möglich, eine elektronische Schaltung zu bauen, um eine Wechselspannung
erzeugen und benutzen dann einen Transformator, dass Wechselspannung an, was
Spannung Sie wollen. Die häufigste Form dieser ist zur Erzeugung von
Netzspannung aus einer 12 Volt Autobatterie, so dass Netzgeräte an entfernten
Standorten, wie Boote, Wohnwagen, etc. ausgeführt werden können Diese
Schaltungen genannt werden "Wechselrichter" und sie sind sehr beliebt
Equipments. Die Spannung in der Sekundärspule eines Transformators wird durch
das Verhältnis der Windungen in der Primär-und Sekundärwicklungen bestimmt.
Zum Beispiel, wenn es eine 10-Volt-Wechselspannung vorhanden und haben einen
Transformator, 100 Umdrehungen in der Primärspule und 1000 Umdrehungen in der
Sekundärspule aufweist. Wenn Sie die 10 Volt über die primäre Verbindung wird
es 100 Volt über der Sekundärspule erzeugt werden.
Stattdessen, wenn man die 10 Volt über die Sekundärspule zu verbinden, wird
eine Spannung von 1 Volt über der Primärwicklung erzeugt werden. Dies ist, weil
es einen 10:1-Verhältnis zwischen den beiden Wicklungen. Das Gesetz von der Erhaltung
der Energie gilt Transformatoren, wie es alles andere tut. Die
Leistungsaufnahme der Primärwicklung wird der gleiche wie der Strom in der
Sekundärwicklung abzüglich der Verluste. Die Verluste in diesem Fall wird ein
Temperaturanstieg des gesamten Trafos. Wenn der Strom durch den Transformator
geleitet deutlich unterhalb ihrer Nennleistung, so werden die Verluste klein
sein wird. Der wichtige Punkt ist, dass 10 Volt bei 1 Ampere in die
Primärwicklung wird 100 Volt in den sekundären, aber etwas weniger als 0,1
Ampere erzeugen: Power Input ist 10 Watt und Leistung ist fast 10 Watt. Die
Spannung auf 100 Volt angehoben worden, aber das Potenzial Stromaufnahme wurde
von 1 Amp zu 0,1 Ampere (100 mA) reduziert worden.
In der Praxis beträgt die Dicke des Drahtes in den Wicklungen verwendet sehr
wichtig. Wenn die Spannung über der Wicklung platziert werden soll hoch ist,
dann wird der Drahtdurchmesser klein sein wird. Spulenwicklungen haben ziemlich
niedrige Widerstände, aber das ist nicht entscheidend in Schaltungen als Spulen
in einer besonderen Weise zu betreiben. Spulen AC 'Impedanz' zusätzlich zu
ihrer DC "Widerstand". Während Gleichstrom (von einer Batterie,
sagen) ganz leicht fließen kann durch eine Spule mit geringem Widerstand,
Wechselstrom kann eine schwierige Aufgabe immer durch die Spule aufgrund seines
hohen "Impedanz". Manchmal sind Spulen verwendet zu ersticken
jegliche Wechselstrom (Interferenz) kommen entlang einer DC Stromkabel. Wenn
eine Spule zu diesem Zweck verwendet wird, wird als "Drossel". Jede
Spule weist eine eigene Resonanzfrequenz und bei dieser Frequenz ist es sehr
schwierig für Wechselstrom durch die Spule zu erhalten. Kristall-Set Funkgeräte
arbeiten auf diesem Prinzip:

Hier nimmt die Antenne bis jeder Radio-Sender in der Region. Diese sind alle auf verschiedenen Frequenzen und sie alle mit gesenktem Kopf das Antennenkabel der Suche nach der einfachste Weg, um die Erdung. Die meisten von ihnen laufen durch die Spule mit überhaupt kein Problem. Wenn die Resonanzfrequenz der Spule entspricht der Frequenz von einem der Radiosender, daß dann Funksignals (und nur das Signal) findet es sehr schwierig, durch die Spule zu erhalten und sucht nach einem einfacheren Weg zu Erde. Der nächste einfachste Weg ist der durch die Diode und den Kopfhörern, so geht das Signal auf diese Weise. Die Diode sperrt Teil des Signals, das den Klang des Radios generiert ausgestrahlt in den Kopfhörern.
Dieses System funktioniert gut, wenn der Tat gibt es einen guten Funksignals. Ein Germanium-Diode verwendet wird, wie das Radio Signalspannung ist sehr klein und eine Germanium-Diode arbeitet auf 0,2 Volt, während eine Siliziumdiode braucht 0,7 Volt zu bedienen. Dieser Unterschied ist bei diesen sehr niedrigen Spannungen signifikant. Die Resonanzfrequenz der Spule abhängig von der Anzahl der Windungen in der Spule. Bei dieser Konstruktion weist die Spule einen Schieber, der die Anzahl der Windungen auf verändert und so unterschiedliche Funkstationen, die bei abgestimmt werden können.
Wir haben nun die Frage, wie wir wiederum eine Wechselspannung in einem konstanten 'direct' Spannung. Der Kristall Radio funktioniert durch Abhacken Hälfte des alternierenden Funksignal. Wenn wir dies auf den Ausgang zu tun aus einem Netztransformator mit einer Leistung von sagen wir, 12 Volt AC waren, ist das Ergebnis nicht sehr befriedigend:

Hier haben wir die Situation im oberen Diagramm dargestellt. Die Ausgabe besteht aus isolierten Impulse bei 50 pro Sekunde. Sie werden feststellen, dass es keine Leistung für die Hälfte der Zeit. Der negative Teil der Wellenform ist durch den hohen Widerstand der Diode gesperrt, während der positive Teil des Signals wird von dem geringen Widerstand der "vorwärts vorgespannten 'Diode erlaubt. Es sei daran erinnert, dass die Diode 0,7 Volt sinkt, wenn leitend, so dass die Ausgabe des halbwellengleichgerichteten Transformators wird 0,7 Volt niedriger als die tatsächlichen Ausgang des Transformators Spannung werden.
Wenn vier Dioden anstelle von einem verwendet werden, können sie so angeordnet, wie in dem unteren Diagramm dargestellt sind. Diese Anordnung der Dioden wird als eine "Brücke". Hier ist der positive Teil der Wellenform durchströmt den oberen blauen Diode, der Last 'L' und weiter durch den unteren blauen Diode. Der negative Teil fließt durch den linken rote Diode, der Last und dann die rechte rote Diode. Daraus ergibt sich eine viel bessere Ausgangswellenform mit der doppelten Leistung zur Verfügung. Die Ausgangsspannung wird 1,4 Volt weniger als Transformator Ausgangsspannung als es zwei Silizium-Dioden in der Lieferkette sind.
Die Ausgabe aus dem auch Vollweggleichrichter ist noch unbefriedigend, da es ein Spannungsabfall auf null Volt 100 mal pro Sekunde. Nur wenige Geräte arbeiten auch mit einem Netzteil so, kann eine Glühbirne in einem Auto verwendet Verwenden Sie diesen Ausgang, aber dann könnte es die original AC-Versorgung ohne jede Berichtigung verwenden. Wir brauchen, um die Ausgabe durch ein Reservoir Gerät Strom während jener Momente liefern, wenn die Spannung auf Null zu verbessern. Das Gerät, das wir brauchen, ist ein Kondensator. Schaltung nach einem Netzteil mit einem Kondensator ist hier gezeigt:

Dadurch wird ein besseres Ergebnis als die Kondensator speichert einige der Spitzenenergie und gibt es aus, wenn die Spannung abfällt. Wenn die Belastung des Geräts ist Licht mit nicht sehr viel Strom daraus entnommen, ist die Ausgangsspannung recht gut. Wenn jedoch der Stromverbrauch erhöht wird, wird die Ausgangsspannung down 100 Mal pro Sekunde gezogen wird. Diese Spannungsänderung wird als "Ripple" und wenn das Gerät liefert ein Audio-System oder ein Radio, die Welligkeit kann auch als lästige Brummen zu hören. Je größer die Kapazität für einen bestimmten Stromverbrauchsfensters, je kleiner die Welligkeit.
Um die Situation zu verbessern, ist es normal, dass eine elektronische Steuerschaltung einfügen, um die Welligkeit zu widersetzen:

Diese Schaltung verwendet ein neues Bauteil, eine neue Sorte der Diode als 'Zener' Diode. Diese Vorrichtung weist einen nahezu konstanten Spannungsabfall an ihm, wenn seine Stromsperrschicht Richtung zusammenbricht. Die Diode ist ausgebildet, um in diesem Zustand zu betreiben, um eine Referenzspannung bereitzustellen. Die Schaltung verwendet lediglich einen kleinen Strom von der Spitze der Zenerdiode die Darlington-Paar Emitterfolger-Transistoren verwendet, um den Ausgangsstrom zu treiben.
Mit dieser Schaltung wird, wenn der Ausgangsstrom erhöht wird, der Widerstand des Transistorpaars automatisch reduziert, um mehr Strom ohne Variieren der Ausgangsspannung zu liefern. Die 1K Widerstand enthalten ist es, den Transistoren ein ausgefülltes Schaltung, falls keine externe Gerät über den Ausgangsanschlüssen verbunden ist. Die Zenerdiode ist gewählt, um 1,4 Volt mehr als die benötigte Ausgangsspannung als die beiden Transistoren 1,4 Volt fallen, wenn leitend.
Sie sollten beachten, dass der Ausgangstransistor sinkt 6 Volt bei voller Stromaufnahme. Watt = Volt x Ampere, so dass die Leistung des Transistors abgeführt recht hoch sein kann. Es kann durchaus notwendig sein, um den Transistor auf einer Aluminiumplatte als 'Kühlkörper', um sie vor Überhitzung zu schützen montieren. Einige Leistungstransistoren, wie die 2N3055, noch kein Fall aus den aktiven Teilen des Transistors isoliert. Es hat sich bewährt, um eine Dichtung zwischen dem Glimmer Transistors und dem Kühlkörper zu verwenden, da es dann leitet Wärme ohne eine elektrische Verbindung mit der metallischen Kühlkörper.
Ein Kondensator, wobei ein elektrischer Reservoir, kann als Teil einer Timerschaltung eingesetzt werden. Wenn der Stromfluss in sie wird, indem es durch einen Widerstand begrenzt. Die Länge der Zeit zwischen dem Starten des Durchflusses auf leeren Kondensator und die Spannung über dem Kondensator erreicht irgendeine gewählte Ebene wird für einen hochwertigen Kondensator konstanten.

Da die Spannung erhöhen Schwänze ab, wird es schwierig, den Unterschied genau messen, so dass, wenn der Kondensator ist zur Erzeugung einer Zeitspanne verwendet werden, ist es normal, den ersten Teil des Graphen Bereich nutzen, wo die Linie ist ziemlich gerade und steigt schnell.
Es ist
möglich, um die Ausgangsspannung eines Transformators obwohl dies tut erhöhen
reduzieren seine Fähigkeit, Strom zu jener Spannung zu versorgen. Die Art und
Weise, dass dies erledigt ist, die positiven Perioden zu einem
Speicherkondensator und den negativen Perioden in einen zweiten
Speicherkondensator zuzuführen. Das klingt vielleicht ein wenig kompliziert, aber
in Wirklichkeit ist es nicht. Eine Schaltung hierfür ist hier gezeigt:

Mit dieser
Schaltung wird der Transformator-Ausgang einiger Spannung ist, sagen Sie
"V" Volt Wechselstrom Strom. Diese Ausgangswellenform zugeführt wird,
um "C1" durch die Diode "D1", die aus LOPS den negativen
Teil des Zyklus Kondensator. Dies erzeugt eine Reihe von positiven Halbwellen
die bis Ladekondensator "C1" mit einer positiven Spannung von
"V".
Die andere
Hälfte des Ausgangssignals zugeführt wird, um "C2" durch die Diode "D2"
schneidet den positiven Teil des Zyklus, wodurch Kondensator "C2", um
eine Spannung von V über-Kondensator zu entwickeln. Da die beiden Kondensatoren
sind "in Reihe" und nicht quer zueinander angeordnet sind, fügen ihre
Spannungen zu erzeugen und zweimal den Transformator Ausgangsspannung.
Ein Wort
der Warnung hier. Der Transformator wird Erzeugen eines Wechselstrom-Wellenform
und diese mit der mittleren Spannung der Wellenform, die in der Regel eine
Sinuswelle ist markiert. Die Spitzenspannung einer Sinuswelle ist 41% größer
als das, also, wenn Ihr Transformator hat einen Wechselstrom-Ausgang von 10
Volt, dann die Spitzen zugeführt zu den Kondensatoren werden über 14,1 Volt
betragen. Wenn es keine Stromverbrauchsfensters von den Kondensatoren (das heißt,
mit der Last ausgeschaltet), dann wird jeder Kondensator mit dieser 14,1 Volt
aufladen und die gesamte Ausgangsspannung 28,2 Volt und 20 Volt nicht die, die
man erwarten sein. Sie müssen verstehen, dass dies nur eine Halbwelle
Versorgung, wird es erhebliche Welligkeit der Ausgangsspannung, wenn die
Stromaufnahme ist hoch.
Mit einem
zusätzlichen Glättungskondensator und die Aufmerksamkeit auf die Nennspannung
der Kondensatoren, kann die 28 Volt Versorgungskreis so sein:

Die Anzahl der elektronischen Schaltungen, die mit den grundlegenden Komponenten wie Widerstände, Kondensatoren, Transistoren, Spulen, etc. gebaut werden kann, wird nur durch Ihre Vorstellungskraft und Bedürfnisse beschränkt. Hier ist eine Schaltung, wo zwei Transistoren arbeiten als Paar:

Diese Schaltung hat zwei stabile Zustände und so wird es als "bi" "stabil" oder "bistabil" Schaltung. Es ist wichtig, um den Betrieb dieses einfachen und Nutzkreis verstehen.
Wenn Druckknopf-Schalter "A" gedrückt wird, einem Kurzschluss die Basis / Emitter-Übergang des Transistors TR1. Dies verhindert jegliche fließende Strom in die Basis / Emitter-Übergang und so schaltet TR1 harten ausgeschaltet. Das macht die Spannung am Punkt 'C' Aufstieg so hoch wie er kann. Dadurch bleibt der Transistor TR2 durch R1 und R2, die angetrieben 11,3 Volt über sie und Schalter TR2 haben hart an.
Dies zieht point 'D' auf etwa 0,1 Volt. Dies geschieht in weniger als einer Millionstel Sekunde. Wenn der Druckknopf-Schalter 'A' veröffentlicht wird, ist der Transistor TR1 nicht wieder einschalten, weil seine Basis fließt durch den Widerstand R3 die verbunden ist mit 'D', die weit zeigen, weit unter den 0,7 Volt nötig, um TR1 beginnen Durchführung .
Das Ergebnis ist, dass, wenn press-Taste "A" gedrückt wird, wird der Transistor TR2 einschaltet und bleibt selbst bei Presse-Taste "A" freigegeben wird. Dieser schaltet TR3 ab und hungert die Load des Stroms. Dies ist die erste "stabilen Zustand".
Das gleiche passiert, wenn Druckknopf "B" gedrückt wird. Dies zwingt TR2 in seine "Aus"-Zustand und hob Punkt 'D' auf eine hohe Spannung, Schalttransistor TR3 hart an, die Stromversorgung der Last und Halten TR1 hart aus. Dies ist die zweite der beiden 'stabile Zustände'.
In der Tat, diese Schaltung "erinnert" die Presse-Taste gedrückt wurde zuletzt so Millionen von diesen Schaltungen werden in Computern als Random Access Memory ("RAM") verwendet. Die Spannung am Punkt C 'die Inverse von der Spannung am Punkt "D", so dass, wenn "D" hoch geht dann "C" auf niedrig geht und wenn "D" auf niedrig geht, dann "C" hoch geht. Nebenbei wird das Ausgangssignal bei "D" oft als ‘Q’ und der Ausgang auf "C" genannt wird ‘Q-bar’ welche wie der Buchstabe Q mit einer horizontalen Linie über ihr gezeichnet wird. Dies beruht auf der nächsten Schaltbild dargestellt.
Eine geringfügige Änderung dieser Schaltung ermöglicht eine Last zu erregen, wenn die Schaltung eingeschaltet werden:

Wenn heruntergefahren wird der Kondensator "C1" in dieser Schaltung vollständig durch den Widerstand 'R6' abgeführt. Wenn die 12-Volt-Versorgung der Schaltung verbunden ist, ist der Kondensator C1 nicht sofort aufzuladen und so die Basis hält TR2 unten unter 0,7 Volt für viel länger als es dauert, bis der Transistor TR1 auf (was wiederum hält TR2 harten auszuschalten ). Wohlgemerkt, wenn es nicht notwendig ist, damit der Last statt auf unbestimmte Zeit eingeschaltet, dann wird eine noch einfachere Schaltung kann dies tun:

Hier wird, wenn der Schalter geschlossen ist, sind beide Seiten des Kondensators C1 mit +12 Volt und das verursacht den 1K8 Widerstand mit stark leiten, um den Transistor und die Stromversorgung der Last. Der Kondensator lädt schnell durch den Transistor und den Punkt erreicht, an dem es nicht mehr Schritt halten kann der Transistor eingeschaltet. Wenn die Batterie abgeschaltet wird, die 1M Widerstand entlädt den Kondensator, bereit für die nächste Zeit die Batterie angeschlossen ist.
Die monostabile hat einen stabilen Zustand und ein instabiler Zustand. Es kann ausgeklappt werden von ihren stabilen Zustand, aber es wird "Flop" zurück in seinen stabilen Zustand. Aus diesem Grund ist es auch als ein "Flip-Flop"-Schaltung bezeichnet. Es ist vergleichbar mit einer bistabilen Schaltung, aber einer der Querverbindung Widerständen ist durch einen Kondensator, der Strom leiten kann wie ein Widerstand, sondern nur für einen begrenzten Zeitraum, wonach der Kondensator voll aufgeladen wird und die aktuelle ersetzt Durchfluss stoppt, wodurch der "Flop" zurück zu den stabilen Zustand wieder.

In dieser Schaltung bestimmen die "R"-Widerstand und die "C"-Kondensator Werte wie lange der monostabilen wird in ihrem instabilen Zustand ist. Die Schaltung arbeitet wie folgt:
Ein. In dem stabilen Zustand ist der Transistor TR1 ausgeschaltet. Dessen Kollektor-Spannung hoch ist, Drücken des linken Seite des Kondensators C in der Nähe von 12 Volt. Da die rechte Seite des Kondensators C mit der Basis des TR2, die bei 0,7 Volt ist, verbunden ist, wird der Kondensator auf etwa 11,3 Volt aufgeladen.
2. Der Druckknopf-Schalter betrieben wird kurz. Dieser speist über seine 10K Widerstand Strom an der Basis des Transistors TR1, Einschalten hart an. Dieser löscht die Kollektorspannung des TR1 bis der Nähe von 0 Volt, wobei die linke Seite des Kondensators mit ihm.
3. Da die Spannung über einem Kondensator nicht sofort ändern, treibt der rechten Seite des Kondensators die Basis des Transistors TR2 unten unter 0,7 Volt, wodurch TR2 abzuschalten.
4. Die Schaltung kann nicht halten TR2 in seinem Zustand 'Aus' für immer. Der Widerstand R tragen speist Strom in den Kondensator und zwingt die Spannung an der Basis des TR2 stetig nach oben, bis sich die Spannung auf 0,7 Volt, und der Transistor TR2 wieder einschaltet, zwingt TR1 wieder aus (vorausgesetzt, dass der Druckknopf betätigt wurde freigegeben). Dies ist der stabile Zustand wieder. Wenn der Druckknopf-Schalter hielt, dann beide Transistoren eingeschaltet, und die Ausgangsspannung wird immer noch niedrig. Ein weiteres Ausgangsimpulses erst generiert, wenn der Druckknopf wird auf und ließ erneut gedrückt werden.
Diese Schaltung verwendet werden könnte, um eine Mikrowelle auf für jeden gewählten Anzahl von Sekunden umgeschaltet werden, erstellen Sie eine Verzögerung auf Ihrem selbstgebauten Alarmanlage, um Ihnen Zeit, um es auszuschalten nach einem Spaziergang durch Ihre Haustür, betreiben ein Magnetventil zu ernähren eine vorbestimmte Menge des Getränks in einer Flasche auf einer Fertigungsstraße, oder was auch immer...
Die Kippstufe ist der monostabilen mit einem zweiten Kondensator hinzugefügt, so dass weder Zustand stabil ist. Dies resultiert in der Schaltung Flopping hin und her laufend:

Die Rate der
Umschaltung wird durch den R1/C1 und R2/C2 Kombinationen gesteuert. Die Last
der ON Zeit, um seine AUS-Zeit der "mark-Raum"-Verhältnis genannt, wo
der EIN-Periode der "Marke" ist und die AUS-Periode ist der
"Raum". Wenn Sie
Elektrolytkondensatoren, die eigene Polarität haben verwenden möchten, wird die
+ ve Ende jedes Kondensators mit dem Transistor verbundenen Kollektor.
Während es gut zu verstehen, wie diese Multivibratorschaltungen und betreiben kann gebaut werden soll, gibt es heute vorgefertigte Schaltungen eingehüllt in einem einzigen Paket, das Sie sind viel eher zu wählen, um zu verwenden. Diese werden Integrated Circuits oder "ICs" kurz genannt. Wir diskutieren diese in Kürze. Bevor wir tun, feststellen, dass in der Schaltung oben Transistor TR3 in eine neue Varietät ein Feldeffekttransistor ("FET") geändert wurde. Diese Art von Transistor neuer ist als die "bipolare"-Transistoren in den früheren Schaltungen gezeigt. FETs kommen in zwei Sorten: 'n-Kanal', die wie NPN-Transistoren und "p-Kanal ', die wie PNP-Transistoren sind.
FETs sind schwieriger zu machen, sondern haben nun ein Maß an Wirtschaftlichkeit und Zuverlässigkeit, die sie sehr nützlich macht tatsächlich erreicht. Sie benötigen fast kein Basisstrom (genannt 'gate' Strom mit dieser Art von Transistor), dass sie fast keine Wirkung auf jeder Strecke, an die sie gebunden sind, haben bedeutet. Außerdem können viele von ihnen umgehen große Ströme und verfügen über große Belastbarkeit. Aus diesem Grund ist es üblich, sie zu sehen, mit einer Metallplatte Montage verpackt, bereit, um eine Aluminium-Kühlkörper Platte um die Wärme durch die große Menge Strom durch sie fließt erzeugt verschraubt werden. Die "RFP50N06 'oben gezeigt kann bis zu 50 Volt und tragen bis zu 60 Ampere, was ist ernst Belastbarkeit.
Betrachten Sie die folgende Schaltung:

Wenn keine der Druckknopf-Schalter betrieben werden, ist der Transistor nicht Basis / Emitter Stromfluss und somit ist es abgeschaltet. Dies stellt die Kollektor-Spannung am 'C' in der Nähe der positiven Schiene (+5 Volt).
Wenn Druckknopf-Schalter "A" betrieben wird, versucht der Basisspannung zu der halben Batteriespannung steigt aber nicht zu machen, weil der Transistor Sockelstifte es bis zu 0,7 Volt. Diese Futtermittel Basisstrom zum Transistor, Schalten es schwer auf und Veranlassen der Ausgang auf "C" auf nahezu 0 Volt fallen.
Wenn Druckknopf-Schalter "B" betrieben wird (dies nicht tun, wenn der Schalter 'A' geschlossen wird oder erhalten Sie einen sehr hohen 'Kurzschluss' fließende Strom direkt durch die beiden Schalter) es hat keine Auswirkung auf den Ausgang Spannung, die hoch bleiben wird.
Wenn wir neu zeichnen die Schaltung wie folgt:

Wir sehen, dass, wenn die Spannung am Eingang A entnommen hoch ist, dann ist die Ausgangsspannung an, C ist gering. Wenn die Spannung am Eingang A 'getroffen wird niedrig, so ist die Ausgangsspannung an C wird hoch sein. Eine Schaltung, die dies tut, ist ein so genanntes "Wechselrichter", weil es "invertiert" (oder "auf den Kopf stellt") die Eingangsspannung.
Wir können diesen Vorgang in einer Tabelle zusammenzufassen. Persönlich würde ich rufe die Tabelle ein "Eingang / Ausgang"-Tabelle, aber ohne ersichtlichen Grund, ist die Standard-Namen ein 'Wahrheit' Tisch. Der Zweck dieser Tabelle ist, um alle möglichen Eingaben aufzulisten und zeigen den entsprechenden Ausgang für jeden Eingang.
Ein weiterer Standard ist auf '1 'für Hochspannungstechnik und '0' als Ersatz für Low Voltage. Sie werden feststellen, dass viele der Elektro-und Elektronik-Altgeräte diese Symbole auf dem EIN / AUS Schalter haben. In Computer-Elektronik (hah! Sie gar nicht bemerkt, dass wir an den Computer Schaltungen bewegt, nicht wahr?), Die '0' steht für eine beliebige Spannung unter 0,5 Volt und die '1' steht für eine beliebige Spannung über 3,5 Volt. Viele, wenn nicht die meisten, arbeiten Computer ihre Logikschaltungen auf 5 Volt. Dieser Inverter-Schaltung ist eine "Logik"-Schaltung.
Eine Kritik der obigen Schaltung ist, dass seine Eingangswiderstand oder "Impedanz" nicht besonders hoch ist, und dessen Ausgangsimpedanz ist nicht besonders günstig. Möchten wir unsere Logikschaltungen zu können, um die Eingänge von acht anderen logischen Schaltungen arbeiten. Der Jargon dafür ist, dass unsere Schaltung sollte eine ausfächern von acht haben.
Lasst uns für eine einfache Modifikation, die eine Verbesserung der Situation gehen:

Hier weist die Eingangsimpedanz mit einem Faktor von 100 wurde durch Verwendung einer Darlington-Paar von Transistoren, die weit weniger Basisstrom benötigt erhöht, und so kann eine wesentlich höheren Eingangswiderstand haben.
Leider ist die Ausgangsimpedanz noch recht hoch ist, wenn die Transistoren in ihren AUS-Zustand sind, wie einem Strom von der positiven Leitung getroffen hat, um durch die 1K8 (1800 Ohm) Widerstand zu fließen. Aber wir brauchen diesen Widerstand für, wenn die Transistoren in ihren EIN-Zustand. Wir müssen wirklich die 1K8 Widerstand für einige Geräte, die einen hohen Widerstand bei einigen Zeiten und einen geringen Widerstand zu anderen Zeiten hat ändern. Sie haben wahrscheinlich nicht von diesen Geräten gehört, aber sie werden als "Transistoren".
Es gibt mehrere Möglichkeiten, dies zu tun. Wir können wählen, um PNP-Transistoren (wir normalerweise benutzen NPN Typen) und verbinden diese anstelle der 1K8 Widerstand. Vielleicht könnten wir verwenden eine Schaltung wie diese:

Diese Schaltung sieht schon kompliziert und mag ich nicht komplizierter Schaltungen. Es ist nicht so schlimm, wie es aussieht. Die NPN-Transistoren am Boden sind fast die gleichen wie die vorhergehende Schaltung. Der einzige Unterschied ist, dass der Kollektor Last jetzt zwei 100-Ohm-Widerstände plus dem Widerstand der beiden Transistoren. Wenn die PNP-Transistoren ausgeschaltet sind, wenn die NPN-Transistoren eingeschaltet sind, wird die Belastung der Schaltung npn-Transistoren sind unerheblich und die Gesamtheit des NPN-Transistoren Ausgabe wird zum Antreiben externe Schaltungen durch den unteren 100-Ohm-Widerstand (eine große "Fan verfügbaren -out "für die '0 'logischen Zustand). Um sicher zu stellen, dass die PNP-Transistoren sind hart aus, bevor die NPN-Transistoren zum Einschalten starten, des Widerstands 'R1' muss sorgfältig ausgewählt werden.
Die PNP-Transistoren sind eine exakte Spiegelbild des NPN Seite, so R2 ausgewählt werden muss sorgfältig, um sicherzustellen, dass die NPN-Transistoren hart ausgeschaltet, bevor die PNP-Transistoren zum Einschalten starten.
Sie müssen nicht um sich selbst zu Unrecht mit dieser Schaltung, weil Sie fast sicher über eine integrierte Schaltung anstatt den Aufbau Ihrer eigenen Stromkreis "diskrete" Komponenten. Einer integrierten Schaltung mit sechs komplette Wechselrichtern ist die 7414, die oben dargestellt. Dies kommt in einem kleinen schwarzen Koffer mit zwei Reihen von 7 Pins, die es sich ein bisschen wie eine Raupe zu machen. Da es zwei Stiftreihe sind, wird die Verpackung als "Dual In-Line" oder "DIL" abgekürzt.
Betrachten Sie nun die folgende Schaltung:

Diese Schaltung funktioniert genauso wie die Inverter Schaltung, außer dass es hat zwei Eingänge ('A' und 'B'). Die Ausgangsspannung bei 'C' wird geringer, wenn irgendein, 'A' oder 'B' oder beide, der Eingänge ist hoch. Das einzige Mal, das die Ausgabe zu hoch ist, ist wenn die Eingabe 'A' und 'B'-Eingang niedrig sind. Folglich wird die Schaltung einer "OR"-Schaltung bezeichnet. Streng genommen, weil die Ausgangsspannung sinkt, wenn die Eingangsspannung steigt, eine "Nicht oder"-Schaltung nennt man die zu einem "NOR" Tor gekürzt wird. In diesem Zusammenhang bedeutet das Wort "nicht", "invertierten". Wenn Sie die Ausgabe 'C' in einem Inverter Schaltung eingezogen, wäre die resultierende Schaltung eine echte "Oder"-Schaltung. Die digitale Schaltung Symbole für ein und-Gatter, ein NAND-Gatter, oder-Schaltung und ein NOR-Gatter:

Diese Chips werden in der Regel gemeinsam mit 2, 4 oder 8 Eingängen zugeführt. Also, warum ist es so genannte "Gate" - ist es nicht nur ein Doppel-Wechselrichter? Nun ja, es ist ein Doppel-Inverter, sondern ein Doppel-Wechselrichter fungiert als Tor, das passieren oder blockieren kann ein elektronisches Signal. Betrachten Sie diese Schaltung:

Hier sind die Transistoren 'TR1' und 'TR2' verbunden, um eine astabile (Multivibrator) zu bilden. Die astable läuft frei, die Herstellung der Rechteckspannung Muster in rot dargestellt. Transistor "TR3" übergibt diese Spannungssignal auf. TR3 invertiert das Rechtecksignal, aber dies hat keine praktische Auswirkung, wobei die Ausgabe die gleiche Frequenz Rechteckwelle als das Signal aus dem Kollektor des TR2 entnommen.
Wenn der Druckknopf-Schalter am Punkt "A" betätigt wird, wird ein Strom an die Basis des TR3 dessen Besitz hart zugeführt. Die Spannung am Punkt 'C' auf Null fällt und bleibt dort. Das Rechteckwellensignal aus dem Kollektor TR2 ist gesperrt und gelangt nicht die Ausgabe 'C'. Es ist, als ob eine physische 'gate' geschlossen wurde, die Blockierung der Signal vom Erreichen des Punktes 'C'. Solange die Spannung am Punkt "A" niedrig ist, ist das Tor offen. Wenn die Spannung am Punkt "A" auf hoch geht, wird das Tor geschlossen und der Ausgang wird blockiert.
Es besteht keine Notwendigkeit für eine manuelle Schalter am Punkt "A". Alle elektronischen Schaltkreis tun:

Hier ist eine langsame astabile der Handschalter ersetzt. Wenn die Ausgangsspannung des 'Astabile 2' hoch geht, schaltet er den Gate-Transistor "TR3", hielt sie hart an und blockiert das Quadrat-Welle-Signal vom 'Astabile 1'. Wenn die Ausgangsspannung des 'Astabile 2' niedrige geht, es befreit Transistor 'TR3' und es dann übergibt das 'Astabile 1'-Signal noch einmal. Die resultierende nichtöffentliche Wellenform ist rot an Punkt 'C' gezeigt, und es ist platzt der Signal, gesteuert durch die laufenden Rate 'Astabile 2'. Dies ist die Art der Wellenform, die Stan Meyer gefunden sehr effektiv bei der Spaltung von Wasser in Wasserstoff und Sauerstoff (siehe Kapitel 10).
Diese Schaltung könnte auch als gezeichnet werden:

Die kleinen
Kreise auf der Ausgangsseite von Logikvorrichtungen ist, zu zeigen, dass sie
Invertierungsschaltungen sind, mit anderen Worten, wenn der Eingang nach oben
geht, geht der Ausgang nach unten. Die beiden Logikbausteine haben wir bisher aufgetretenen
habe dieses Kreises: Der Umrichter und das NAND-Gatter.
Wenn Sie möchten, können Sie ein NAND-Gatter-Chip, der die Schaltung auch als Schmitt-Trigger, die, wie Sie sich erinnern werden, hat eine schnell schaltende Ausgang auch mit einem langsam fahrenden Eingang gebaut hat. Mit einem Chip so können Sie drei verschiedene Funktionen von der ein Gerät zu bekommen:

Wenn die zwei Eingänge
des ein NAND-Gatter miteinander, verbunden sind, dann wird die Ausgabe immer
das Gegenteil der Eingabe, d.h. das Tor fungiert als ein Inverter. Diese
Anordnung funktioniert auch wie ein Schmitt-Trigger aufgrund der Art und Weise
die NAND-Gatter-Schaltung aufgebaut ist. Es gibt mehrere Pakete mit dieser Art
von Schaltung, gezeigt, dass hier ist der "74132" Chip enthält vier
"2-Input" NAND Tore gebaut. Tore können fast beliebig viele Eingänge
haben, aber es ist selten mehr als zwei in jeder gegebenen Schaltung brauchen.
Einen anderen Chip mit identischen Stiftverbindungen ist der 4011 Chip (was
keine Schmitt-Schaltung). Diese 'vierfach 2-Input' NAND gate Paket verwendet
eine Bauweise, genannt "CMOS", die sehr leicht durch statische
Elektrizität bis beschädigt ist tatsächlich in einem Stromkreis verbunden.
CMOS-Chips können eine Vielzahl von Spannungen und nehmen sehr wenig Strom. Sie
sind billig und sehr beliebt
Die Anzahl der Geräte,
die in einem integrierten Schaltkreis integriert ist in der Regel begrenzt
durch die Anzahl der Pins, die im Paket und einen Pin ist erforderlich für eine
bestimmte Verbindung zur "Außenwelt". Pakete mit 6 Pins (in der Regel
für Opto-Isolatoren) gemacht, 8 pins (viele allgemeine Schaltungen), 14 pins
(viele allgemeine Schaltungen, vor allem Computer-Logik-Schaltungen), 16 pins
(dito, aber nicht so häufig) und dann einen Sprung an eine große Anzahl von
Pins für groß angelegte Geräte wie Mikroprozessoren, Speicherchips, etc.. Das
IC-Standardpaket ist klein:

Prototyp Schaltungen werden häufig auf 'Streifens Kammer, die eine steife Platine mit Streifen aus Kupfer, die entlang einer Fläche, ist aufgebaut und mit einem gestanzten Lochmatrize. Die Streifen werden verwendet, um die elektrischen Verbindungen herzustellen und aufgebrochen werden, falls erforderlich. Dieser Streifen Bord ist in der Regel als "Veroboard":

Heutzutage werden die Streifen Bord Löcher 2,5 mm (1/10 Inch) voneinander, dass die Lücken zwischen den Kupferstreifen sehr klein sind in der Tat bedeutet beabstandet. Ich persönlich finde es sehr schwierig, gute Lötstellen auf den Streifen ohne Lotbrückenbildung zwischen zwei benachbarten Streifen zu machen. Vermutlich wird ein kleinerer Lötkolben benötigt. Ich brauche einen 8-fach Lupe, um sicherzustellen, dass keine Lotbrückenbildung Überreste an Ort und Stelle, bevor eine neue Strecke bis zum ersten Mal eingeschaltet wird. Kleine Finger und ein gutes Sehvermögen sind ein entscheidender Vorteil für die Leiterplatten Bau. Der schmale Abstand der Löcher ist so, dass die Standard-IC DIL Paket passen direkt auf der Platine.
Schaltungen gebaut mit Computer-Elektronik, kann es zu Problemen mit mechanischen Schaltern erleben. Ein gewöhnliches Licht schaltet das Licht ein-und ausschalten. Sie schalten Sie ihn ein und das Licht geht an. Sie schalten Sie es aus und das Licht erlischt. Der Grund ist es so gut funktioniert ist, dass die Glühbirne vielleicht dauert eine Zehntelsekunde zu kommen weiter. Computerschaltungen kann ein-und ausgeschaltet 100.000 Mal in diesem Zehntelsekunde wechseln, so dass einige Schaltungen nicht zuverlässig arbeiten mit einer mechanischen Schalter. Dies liegt daran, dass der Schaltkontakt prallt, wenn es geschlossen wird. Sie kann einmal hüpfen, zweimal oder mehrmals, je nachdem wie der Schalter betätigt wird. Wenn der Schalter als eine Eingabe in eine Zählschaltung verwendet wird, kann die Schaltung zu zählen 1, 2 oder mehrere Eingänge für eine Betätigung des Schalters. Es ist normal, keine mechanischen Schalter zu puffern. Dies könnte mit ein paar von NAND-Gattern wie folgt angeschlossen werden:

Hier wird der mechanische Schalter von einem "Latch 'gepuffert. Wenn der Einrichten' betätigt wird, geht der Ausgang niedrig. Die unverbundenen Eingang des Gatters '1 'wirkt, als ob es eine hohe Spannung an sie (wegen der Art der NAND-Gatter-Schaltung gebaut) aufweist. Der andere Eingang niedrig gehalten wird, indem der Ausgang des Gatters '2 '. Dieser schiebt den Ausgang des Gatters '1 'hoch, was wiederum hält die Ausgabe des Gatters '2' gering. Dies ist die erste stabilen Zustand.
Wenn die 'Einrichten' betätigt wird, wird der Ausgang des Gatters '2 'hoch getrieben. Jetzt sind beide Eingänge des Gatters '1 'high wodurch dessen Ausgang zu gehen gering. Dieser wiederum treibt einen Eingang des Gatters '2 'low, das den Ausgang des Gatters '2 hält' hoch. Dies ist die zweite stabilen Zustand.
Um es zusammenzufassen: die Taste 'Einrichten' wechseln beliebige Anzahl von Zeiten, wechselt der Ausgang niedrig, einmal und nur einmal zu gehen. Der Ausgang wird niedrig bleiben, bis die 'Rücksetzen' Schalter einmal, zweimal oder eine beliebige Anzahl von Zeiten, an welcher Stelle der Aus-gang und dort bleiben wird betrieben wird.
Diese Schaltung nutzt nur die Hälfte von einem NAND-Gatter günstige Chip an einen bistabilen Multivibrator, der physikalisch sehr klein und leicht erstellen.
NAND-Gatter
kann als das Herz von vielen elektronischen Schaltungen abgesehen von den
logischen Schaltungen, für die das Paket wurde entwickelt, verwendet werden.
Hier ist ein NAND-Gatter Version des alarm regen früher beschrieben. Die '4011B
'Chip ein CMOS-Vorrichtung, die eine sehr hohe Eingangsimpedanz besitzt und an
geeigneten Batteriespannungen (3 bis 15 Volt) betrieben werden:

Diese
Schaltung besteht aus einer regen Sensor, zwei astabilen Multivibratoren und
einem Strom-Treiber Zuführen eines Lautsprechers umfasst:
1.
Die regen Sensor ist ein Wired-up Streifen Karton oder ähnliches Netz von
Interlaced-Leiter, wodurch ein Spannungsteiler über die Batterie Schienen.
2.
Die Ausgangsspannung von diesem, am Punkt "A" im Schaltplan ist in
der Regel niedrig wie der Streifen Bord ist Leerlauf, wenn trocken. Dies hält
das erste NAND-Gatter in den AUS-Zustand gesperrt ist, Verhindern des ersten
astabilen oszilliert. Diese erste astable ist farblich blau im Diagramm. Seine
Frequenz (der Tonhöhe der Note es produziert) wird von den Werten des
Widerstands und des 47K 1 Mikrofarad-Kondensator geregelt. Verringerung des
Wertes von diesen beiden wird erhöhen die Frequenz (Tonhöhe). Wenn regen auf
den Sensor fällt, die Spannung am Punkt "A" geht hoch Vermietung der
astable Lauf frei. Wenn die Spannung am "A" nicht ausreichend
steigen, wenn es regnet, erhöhen Sie den Wert des 1M Widerstand.
3.
Der Ausgang des ersten astabilen eine niedrige Spannung, wenn der Sensor
trocken ist. Es wird vom Punkt 'B' und an die Gating Eingang des zweiten
astabilen, Halten in seinem AUS-Zustand. Die Geschwindigkeit des zweiten
astabilen wird durch den Wert des Widerstands und des 470K 0,001
Mikrofarad-Kondensator gesteuert. Verringerung des Wertes von diesen beiden
wird erhöhen die Tonhöhe durch die astable produziert. Die Rate, mit der dieses
astabilen arbeitet, ist sehr viel höher als die erste astabilen.
Wenn
es regnet, die Spannung am Punkt "A" steigt, lassen die ersten
astable schwingen. Wie sie das tut, wird es die zweite astable und Ausschalten
in einem stetigen rhythmischen Muster. Dieser speist wiederholten Ausbrüchen
von High-Speed-Schwingungen aus dem zweiten astable auf "C" im
Diagramm zeigen.
4.
Die Darlington-Emitterfolgertransistoren führen die Spannung am Punkt
"D", um den Spannungsverlauf am Punkt 'C' (aber 1,4 Volt niedrigere
Spannung aufgrund der 0,7 Volt Basis / Emitter-Spannungsabfall für jeden
Transistor) folgen. Die hohe Verstärkung der beiden Transistoren
sichergestellt, dass der Ausgang des zweiten Überlagerungsoszillators nicht
übermäßig belastet. Diese Power-Treiber-Transistoren setzen die
Ausgangsspannung über einen 80 Ohm Lautsprecher, aufgefüllt mit einem
Widerstand, um den gesamten Widerstand der Kombination erhöhen. Die Spannung erzeugte
Muster wird am Punkt "D" gezeigt und ist eine aufmerksamkeitsstarke
Sound.
So
ist, warum diese Schaltung oszillieren?:

Die
Schaltung nicht schwingt, wenn die Gating-Eingang niedrig ist, so übernehmen
sie hoch zu sein. Mit der Moment, wenn der Ausgang des Gatters 2 niedrig ist.
Damit dies geschieht, müssen die Eingänge des Gatters 2 hoch zu sein. Da der
Ausgang des Gatters 1 ist direkt an die Eingänge der Gatter 2 verdrahtet ist zu
hoch sein, und dafür, um wahr zu sein, wenigstens einem seiner Eingänge muß
gering sein. Diese Situation ist auf der rechten Seite angezeigt.
Es
gibt jetzt eine volle Spannungsabfall zwischen Punkt A und Punkt B. Der 47K
Widerstand und der Kondensator sind in Reihe über diesem Spannungsabfall, so
beginnt sich der Kondensator zum Aufladen, progressiv Anheben der Spannung am
Punkt C. Je niedriger der Wert des Widerstands ist, desto schneller steigt die
Spannung. Je größer der Wert des Kondensators, desto langsamer steigt die
Spannung.
Wenn
die Spannung am Punkt C ausreichend ansteigt, löst das 100K Widerstand die
Eingangsspannung des Gatters 1 weit genug um ihn zu veranlassen Zustand zu
ändern. Dies schafft die folgende Situation:

Jetzt
wird die Spannung über A bis B wird umgekehrt und die Spannung am Punkt C zu
fallen beginnt, seine Rate von der Größe des Widerstands und des 47K 1
Mikrofarad-Kondensator geregelt. Wenn die Spannung am Punkt C niedrig genug
abfällt, nimmt es den Eingang des Gatters ein niedrig genug (über den
Widerstand 100K) zu bewirken Gate 1 in den Zustand wieder einzuschalten. Dies
erfolgt die Schaltung in den Grundzustand diskutiert. Deshalb schwingt die
Schaltung kontinuierlich, bis die Gating Eingang des Gatters 1 genommen wird,
um die Oszillation niedrig zu blockieren.
Hier
ist nun eine NAND-Gatter-Schaltung für eine sequentielle Ein / Ausschalter:

Diese
Schaltung schaltet die Leuchtdiode und Ausschalten wiederholt mit jeder
Betätigung des Druckknopf-Schalters. Wenn die Ein / Aus-Schalter geschlossen
ist, hält Kondensator 'C1' die Spannung am Punkt "A" niedrig. Diese
treibt den Ausgang des Gatters 1 hoch, die die Eingänge des Gatters 2 hoch
gelangt über den Widerstand 100K 'R1'. Dies treibt die Spannung am Punkt
"B" niedrig, um den Transistor, wodurch die LED-Aufenthaltes in seinen
Aus-Zustand. Die niedrige Spannung am Punkt 'B' wird über den 100K Widerstand
'R2' zugeführt darauf 'A', halten sie niedrig. Dies ist die erste stabilen
Zustand.
Da
der Ausgang des Gatters 1 ist hoch, Kondensator 'C2' Ladungen bis zu dieser
Spannung über den Widerstand 2M2. Wenn der Druckknopf-Schalter kurz betätigt
wird, hebt die hohe Spannung von 'C2' die Spannung von Punkt 'A', was Gate 1 in
den Zustand zu ändern, und folglich, Tor 2 zu Staat auch ändern. Auch die hohe
Spannung an dem Punkt 'B' wieder auf 'A' über der 100K Widerstand 'R2' zeigen
zugeführt, hält es hoch, die die Situation. Dies ist die zweite stabilen
Zustand. In diesem Zustand hat Punkt 'B' eine hohe Spannung und dieser speist
die Basis des Transistors über die 4.7K, Einschalten und Anzünden des LED.
In
diesem zweiten Zustand wird der Ausgang des Gatters 1 gering, so Kondensators
'C2' Entladungen schnell auf eine niedrige Spannung. Wenn der
Druckknopf-Schalter erneut betätigt wird, treibt der niedrigen Spannung von
"C2" Punkt "A" wieder niedrig, wodurch die Schaltung in
seine ursprüngliche stabilen Zustand zurückkehrt.
Wir
könnten, wenn wir wollten, ändern Sie die Schaltung so, dass es für drei oder
vier Minuten nach dem Einschalten funktionieren würde, aber dann stellen Sie
den Betrieb, bis der Stromkreis abgeschaltet und wieder eingeschaltet wird.
Dies wird durch Gating eines der Tore statt nur mit sowohl als Wechselrichter
erreicht. Wenn wir gated das zweite Gate, dann würde die LED permanent
eingeschaltet bleiben, so wir ändern den ersten Gatterschaltung:

Diese
Schaltung arbeitet genau die gleiche Weise wie die vorhergehende Schaltung,
wenn, und nur wenn, die Spannung am Punkt "C" hoch ist. Mit der
Spannung am Punkt 'C' hoch, Tor 1 frei, um die Spannung am Punkt reagieren 'A'
wie zuvor. Wenn die Spannung am Punkt C 'ist gering, blockiert er den Ausgang
des Gatters 1 auf dem hohen Pegel, wodurch der Ausgang des Gatters 2 auf den
niedrigen Pegel und Halten der LED aus.
Wenn
die Schaltung erste eingeschaltet wird, wird der neue 100
Mikrofarad-Kondensator 'C3' vollständig entladen, was zieht die Spannung am
Punkt 'C' auf fast + 9 Volt. Dies ermöglicht Tor 1 frei operieren, und die LED
auf und ab wie zuvor umgeschaltet. Wie die Zeit vergeht, die Ladung auf dem
Kondensator 'C3' aufbaut, durch den 2M2 Widerstand zugeführt. Dadurch wird die
Spannung an dem Punkt 'C' stetig fallen. Die Fallgeschwindigkeit wird durch die
Größe des Kondensators und die Größe des Widerstandes geregelt. Je größer der
Widerstand, desto langsamer der Fall. Je größer die Kapazität, desto langsamer
der Fall. Die angegebenen Werte sind etwa so groß wie sind praktisch, aufgrund
der aktuellen "Leckage" der 'C3'.
Nach
drei bis vier Minuten die Spannung am Punkt "C" wird angetrieben
niedrig genug, um ein Gate zu betreiben und verhindern weitere Betrieb der
Schaltung. Diese Art der Schaltung könnte Teil eines wettbewerbsfähigen Spiel
sein, wo die Teilnehmer eine begrenzte Zeit, um eine Aufgabe zu vollenden.
Gates
kann auch als Verstärker verwendet werden, obwohl sie nicht dazu bestimmt sind,
verwendet werden, die Art und Weise, und es gibt viel besser integrierte
Schaltungen, aus dem Verstärker zu bauen. Die folgende Schaltung zeigt, wie
dies getan werden kann,:

Diese
Schaltung arbeitet, wenn es eine plötzliche Änderung des Lichtpegels. Der
bisherige Helligkeits-Schaltkreis wurde entworfen, um zu irgendeinem bestimmten
Ebene der Zunahme oder Abnahme Beleuchtungsniveau auszulösen. Dies ist ein
Schatten-Erfassungsschaltung, die verwendet werden, um jemanden vorbeigehen
einer Lichtquelle in einem Korridor oder einer ähnlichen Situation erkennen
konnte.
Die
Höhe der Spannung am Punkt "A" nimmt einen Wert in Abhängigkeit von
der Lichtintensität. Wir sind nicht besonders in diesem Spannungspegel
Interesse, da sie sich aus der nachfolgenden Schaltung durch den Kondensator
"C1" blockiert. Point 'B' nicht bekommen einen Spannungsimpuls es sei
denn, eine plötzliche Änderung der Spannung am Punkt "A", dh es gibt
eine plötzliche Veränderung in Lichtniveau Erreichen der Licht-Widerstand
ORP12.
Das erste Tor verstärkt diesen Impuls von einigen 50-mal.
Das Tor wird effektiv missbraucht und gezwungen, als
Verstärker von der 10M Widerstand, der seinen Ausgang mit seinem Eingang zu
betreiben. Beim Einschalten versucht der Ausgang des Gatters 1 zu gehen gering.
Als die Spannung abfällt, beginnt er seine eigene Eingänge take down über den
Widerstand. Schieben der Spannung an den Eingängen unten beginnt, um die
Ausgangsspannung, die, um die Eingangsspannung, welche die Ausgangsspannung
abzusenken beginnt anzuheben beginnt anzuheben, die ...... Das Ergebnis ist,
dass sowohl die Eingänge und der Ausgang bis noch einige Zwischenkreisspannung
(die die Chip-Designer nicht beabsichtigt). Diese Zwischenspannungspegel wird
leicht durch einen externen Impuls, wie sie durch die durch den Kondensator
ORP12 'C1' hergestellt stören. Wenn dieser Impuls ankommt, bewirkt eine
verstärkte Version des Pulses eine Spannungsschwankung an dem Ausgang des
Gatters 1.
Diese
Spannungsänderung wird durch die Diode und variabler Widerstand mit dem Eingang
des Gatters 2 zugeführt. Toren 2 und 3 werden zusammen als eine behelfsmäßige
Schmitt-Trigger, dass die Ausgangsspannung am Punkt "D" zurückgeführt
wird zu "C" über einen hochohmigen Widerstand darauf verdrahtet. Dies
hilft, um ihre Veränderung des Zustandes schneller und entscheidend. Diese
beiden Toren dienen dazu, eine vollständige Änderung des Zustands des
Endstufentransistors passieren. Der variable Widerstand wird so eingestellt,
dass Tor 2 nur um den Zustand zu ändern, ist und wird leicht durch den Impuls
von Verstärker-Gate 1 ausgelöst. Der Ausgang wird als LED angezeigt, aber es
kann alles, was Sie wählen. Es könnte ein Relais verwendet werden, um auf
einige elektrische Gerät einschalten, ein Magnetventil verwendet werden, um
eine Tür zu öffnen, wird ein Zähler den Überblick über die Zahl der Menschen
mit einem Durchgang zu halten sein, Bitte etc. etc. beachten Sie, dass ein
Operationsverstärker-Chips (die werden später) beschrieben wird, ist eine weit
bessere Wahl IC für eine Schaltung von diesem Typ. Ein Gate-Verstärker wird
hier nur angezeigt, einen anderen Weg, dass ein Gate genutzt werden kann
zeigen.
Es
ist eine außerordentlich nützliche Chip Sigel die Zahl 555. Dieser Chip soll in
Oszillator und Timer-Schaltungen verwendet werden. Seine Verwendung ist so
verbreitet, dass der Chip-Preis für seine Fähigkeit sehr niedrig ist. Es kann
mit Spannungen von 5 Volt bis 18 Volt arbeiten und seine Ausgabe beherrscht 200
mA. Es dauert 1 mA bei deren Ausgabe niedrig und 10 mA ist, wenn seine Ausgabe
hoch ist. Es kommt in einem 8-poligen Dual In-Line-Paket und gibt es eine
14-Pin-Gehäuse-Version enthält zwei separate 555 Schaltungen. Die Pin-Anschlüsse
sind:

Diese
Vorrichtung kann als ein mono-oder astabiler Multivibrator, Schmitt-Trigger
oder einen invertierenden Puffer (niedrig Stromeingang, Stromausgang hohen) zu
betreiben.
Hier
wird es als Schmitt-Trigger beschaltet ist, und zur Variation wird gezeigt
Auslösen eines Triac, dann bleiben wird, bis die Schaltung nach unten (eine SCR
könnte ebensogut mit dieser Gleichstromkreis eingesetzt werden) gespeist:

Und
hier ist ein monostabiler:

Und
hier sind zwei Astables, von denen die zweite behoben hat, gleich
Ein/Aus-Verhältnis und die erste, eine hohe Leistung Spannung Zeit von Ra + Rb
bestimmt und low-Voltage-Ausgabe von Rb (2:1 in diesem Fall) bestimmt:


Astabile Frequenzen:
|
|
100 |
470 |
1K |
4.7K |
10K |
47K |
100K |
470K |
1M |
|
0.1 μF |
72,000 Hz |
15,319 Hz |
7,200 Hz |
1,532 Hz |
720 Hz |
153 Hz |
72 Hz |
15 Hz |
7.2 Hz |
|
0.47 μF |
15,319 Hz |
3,259 Hz |
1,532 Hz |
326 Hz |
153 Hz |
33 Hz |
15 Hz |
3.3 Hz |
1.5 Hz |
|
1.0 μF |
7,200 Hz |
1,532 Hz |
720 Hz |
153 Hz |
72 Hz |
15 Hz |
7.2 Hz |
1.5 Hz |
1.4 sek |
|
2.2 μF |
3,272 Hz |
696 Hz |
327 Hz |
70 Hz |
33 Hz |
7 Hz |
3.3 Hz |
1.4 sek |
3 sek |
|
4.7 μF |
1,532 Hz |
326 Hz |
153 Hz |
33 Hz |
15 Hz |
3.3 Hz |
1.5 Hz |
3 sek |
6.7 sek |
|
10 μF |
720 Hz |
153 Hz |
72 Hz |
15 Hz |
7.2 Hz |
1.5 Hz |
1.4 sek |
6.7 sek |
14 sek |
|
22 μF |
327 Hz |
70 Hz |
33 Hz |
7 Hz |
3.3 Hz |
1.4 sek |
3 sek |
14 sek |
30 sek |
|
47 μF |
153 Hz |
33 Hz |
15 Hz |
3.3 Hz |
1.5 Hz |
3 sek |
6.7 sek |
30 sek |
65 sek |
|
100 μF |
72 Hz |
15 Hz |
7.2 Hz |
1.5 Hz |
1.4 sek |
6.7 sek |
14 sek |
65 sek |
139 sek |
|
220 μF |
33 Hz |
7 Hz |
3.3 Hz |
1.4 sek |
3 sek |
14 sek |
30 sek |
139 sek |
307 sek |
|
470 μF |
15 Hz |
3.3 Hz |
1.5 Hz |
3 sek |
6.7 sek |
30 sek |
65 sek |
307 sek |
614 sek |
|
1,000 μF |
7.2 Hz |
1.5 Hz |
1.4 sek |
6.7 sek |
14 sek |
65 sek |
139 sek |
614 sek |
|
|
2,200 μF |
3.3 Hz |
1.4 sek |
3 sek |
14 sek |
30 sek |
139 sek |
307 sek |
|
|
|
4,700 μF |
1.5 Hz |
3.3 sek |
6.7 sek |
30 sek |
65 sek |
307 sek |
614 sek |
|
|
|
10,000 μF |
1.4 sek |
6.7 sek |
14 sek |
65 sek |
139 sek |
614 sek |
|
|
|
Hinweis:
Die hohe Leckage von großem Wert Elkos verhindert, dass sie mit hoher
Wertschöpfung Widerstände in Zeitsteuerschaltungen verwendet wird. Stattdessen
einen kleineren Kondensator und folgen der Zeitsteuerschaltung mit einem
Teile-durch-N-Chip zeitgenaue lange Zeiträume geben. Nicht alle 555 Chips haben
eine Verarbeitungsqualität genügt, daß sie zuverlässig arbeiten über 20.000 Hz,
so für die höheren Frequenzen der Chip muss nach der Prüfung ihrer
tatsächlichen Leistung ausgewählt werden.
Wir
können auch überweisen Sie die 555, um eine Variable Ein / Aus-Verhältnis
geben, während die Frequenz der Schwingung fest:

Die
Ausgangswellenform drastisch ändert als der variable Widerstand eingestellt
wird, aber die Frequenz (oder Tonhöhe) des Ausgangs bleibt unverändert.
Ein
variabler Frequenz Version dieser Schaltung kann durch Ändern des Widerstands
mit 33K einen variablen Widerstand wie hier dargestellt hergestellt werden:

Hier
hat der 33K-Widerstand durch zwei variable Widerstände und ein Festwiderstand
ersetzt. Die wichtigsten variablen Widerstand ist 47K in der Größe (eine nahezu
beliebige Wahl) und speist mit einem zweiten variablen Widerstand von 47K in
der Größe. Der Vorteil dieser zweiten variablen Widerstand ist, dass es um
seinen Mittelpunkt und der Abstimmschaltung mit dem variablen 47K erfolgen kann
eingestellt werden. Wenn die Frequenz ungefähr richtig ist, kann der 47K
variable zur Feinabstimmung der Frequenz verwendet werden. Dies ist praktisch,
da die kleinen Variable zehnmal mehr Drehknopf Bewegung, verglichen mit der
wichtigste Variable (wobei nur 10% seines Wertes) haben.
Offensichtlich
ist es nicht notwendig, die Feinabstimmung variablen Widerstand haben, und es
kann ohne Änderung der Wirkungsweise der Schaltung entfallen. Da die 47K
variablen Widerstand auf Null Widerstand eingestellt werden und die 47K
variablen Widerstand kann auch auf Null-Widerstand eingestellt werden, um einen
kompletten Kurzschluss zwischen Ausgangs-Pin 3 und dem 50K Mark / Space
variablen Widerstand, ein 33K Festwiderstand zu vermeiden ist inbegriffen. In
dieser Schaltung wird die Frequenz durch Ihre Wahl der Widerstandskette 47K
eingestellt + 47K + 3.3K (einstellbar von 55K bis 33K) und die 100nF (0,1
Mikrofarad) Kondensator zwischen Pin 6 und der Null-Volt-Schiene. Herstellung
des Kondensators größer, senkt den Frequenzbereich. Machen die Widerstände
größer, senkt auch den Frequenzbereich. Selbstverständlich Reduzierung der
Größe des Kondensators und / oder die Verringerung der Größe der
Widerstandskette, erhöht die Frequenz.
Ein
555-Chip kann zum Gate verwendet werden eine zweite 555-Chip über seine Pin 4
'Reset' Option. Sie werden sich erinnern, dass wir bereits eine Schaltung
entwickelt, um sie mit Hilfe von zwei astables und einen Transistor. Wir haben
auch die gleiche Wirkung erzeugt wird unter Verwendung von vier NAND-Gatter.
Hier schaffen wir die gleiche Ausgangs-Wellenform mit der herkömmlichen
Schaltung von zwei 555-Chips:

Sowohl der 555-Timer kann in einem einzigen 14-poligen DIL-Paket, das '556 'bezeichnet wird gekauft werden.
Es gibt viele Typen zusätzliche Schaltung, die mit dem Chip 555 erzeugt werden kann. Wenn Sie die Möglichkeiten erkunden wollen, schlage ich vor, dass Sie eine Kopie des Buches "IC 555 Projects" bekommen von EA Parr, ISBN 0-85934-047-3.
Alles klar, nehme an, dass wir entwerfen und bauen eine Schaltung, um die gleiche wie Bob Beck Pulser Schaltung in Kapitel 11 beschrieben tun wollen. Die Anforderungen sind ein Rechtecksignal ausgegeben pulsierenden viermal pro Sekunde mit einem 27-Volt-Stromversorgung herzustellen, wobei die Schaltung von drei kleinen PP3 Batterien mit Strom versorgt. Eine offensichtliche Wahl für die Schaltung scheint ein 555-Timer-Chip, klein, robust und billig ist und eine geeignete Schaltung zu sein scheinen sein:

Dies lässt uns mit der Auswahl eines Wertes für den Kondensator und den Widerstand. Wir müssen die Aufmerksamkeit auf die Tatsache, dass die Schaltung wird auf 27 Volt laufen zu zahlen und während der Kondensator nicht geladen werden bis zu so etwas wie dieser Spannung haben wir immer noch ein, die überleben 27V holen. Suche auf dem lokalen eBay zeigt, dass ein Paket von zehn Kondensatoren von 1 Mikrofarad bei 50V ausgelegt für nur £1 inkl. Versand gekauft werden können, so nehmen Sie, dass als Wert für "C". Mit Blick auf die 555 Tabelle der Frequenzen oberhalb zeigt:

Was anzeigt, dass die Leitungsvermittlung viermal pro Sekunde (4 Hz) der Widerstand "R" müssen irgendwo zwischen 100K und 470K bekommen. Mit meinem Kondensator ist 120K ungefähr richtig.
Während die Schaltfrequenz muss nicht exakt sein, lasst uns auf immer es richtig zielen. Die meisten preiswerten Komponenten haben eine Toleranz von rund 10%, so dass wir unseren Widerstand / Kondensator-Kombination für die genauen Werte der aktuellen Komponenten, die wir benutzen werden auswählen müssen. Dafür lohnt es sich, den Aufbau der Schaltung auf einem Löt-less 'Breadboard', so suchen bei eBay finden wir wieder, dass ein geeignetes kleines Plug-In-Board gekauft und für £3 geliefert. Es sieht so aus:

Diese Art von Karten ermöglichen ICs gesteckt sein überspannt den zentralen Kluft, so dass bis zu fünf zusätzliche Verbindungen an jedem Pin. Kurze Längen von Solid-Kerndraht kann zwischen zwei beliebigen Steckdose Löcher zu verbinden. Dies wird es uns ermöglichen, in einem unserer Kondensatoren stecken und finden, was Widerstand (oder was zwei Widerstände) die Schaltung Schalter 40 Mal in 10 Sekunden.
Allerdings, wenn wir gehen, um http://www.alldatasheet.co.kr/ und laden Sie die Daten pdf für den NE555-Chip, so finden wir, dass die maximale 555 Chip-Spannungsregler recht begrenzt ist:

Dies bedeutet, dass der Chip haftet auszubrennen sofort, wenn sie mehr als 16 Volt eingespeist wird. Da wir unsere Schaltung auf 27V laufen müssen ist dies ein Problem. Da die 27V wird durch drei separate Batterien vorgesehen ist, könnten wir die 555-Chip von nur einer der Batterien liefern und führen Sie es auf 9V, die in Ordnung sein aus der Sicht der Chip wie die obige Tabelle zeigt, dass es richtig funktionieren würde mit einer Versorgungsspannung so niedrig wie 4,5 Volt. Der Nachteil dieser Anordnung ist, dass eine der Batterien entlädt sich schneller als die anderen und es wäre schön, das zu vermeiden.
Die Tabelle zeigt auch, dass die Stromaufnahme nur um die 555 laufen kann alles von 6 bis 15 Milliampere sein. Das ist nicht ein großer Strom, aber die PP3 Batterien für ihre geringe Größe gewählt worden, so dass die gesamte Schaltung auf eine Person am Handgelenk geschnallt werden. Eine schnelle Suche im Internet zeigt, dass billige PP3 Batterien haben eine Kapazität von 400 Milliampere-Stunden und den sehr teuren Alkaline 565 Milliampere-Stunden. Diese Bewertungen sind die "C20"-Werte, auf die Batterie mit einem konstanten Strom über einen Zeitraum von zwanzig Stunden, die zehn Tage von Nutzen sein würde, wenn Bob Becks zwei Stunden pro Tag gefolgt Protokoll ausgetragen basiert.
Dies bedeutet, dass die "billige" Batterien nicht an mehr als ein Zwanzigstel ihrer 400 Mahr Rating, das 20 mA entladen werden. Die teuren Alkalibatterien sollten bei 28 mA für 20 Stunden entladen werden.
Unsere aktuellen Auslosung besteht aus zwei Teilen. Der erste Teil wird Versorgung der Schaltung mit dem Strom, der sie zur Ausführung benötigt. Der zweite Teil ist der Strom, der durch den Körper des Benutzers. (: A = Volt / Widerstand Ohmsches Gesetz) Dieser zweite Teil wird durch die 820-Ohm-Widerstand in der Ausgangsleitung, die diesen Teil der Strom begrenzt auf maximal 33 Milliampere begrenzt. Dies vernachlässigt die Widerstandskraft des Körpers und nimmt an, dass der Ausgang Stellgröße Widerstand minimalen Widerstand, was unwahrscheinlich ist eingestellt.
Überprüfen Sie diese Werte zeigen, dass die 555-Chip haftet so viel Strom wie die Schaltung liefert durch die Ausgangs-Elektroden ziehen. Aber lassen Sie uns fortfahren mit der Schaltung, denn wir können entscheiden, wiederaufladbare PP3 Batterien, die die Notwendigkeit, neue Batterien kaufen alle paar Tage zu überwinden verwenden würde.
Der erste wesentliche Anforderung ist, den Chip 555 mit einer Spannung von etwa 10 Volt bereitzustellen, wenn es in der vollständigen Schaltung läuft. Das könnte mit einem der Spannungs-Stabilisator integrierten Schaltungen durchgeführt werden:

Das ist keine besonders teure Option, aber diese Chips zeichnen ein Strom, um die Spannung Stabilisierung zu schaffen und eine absolut stabile Spannung wird nicht durch die 555-Chip benötigt. Alternativ könnten wir einen Widerstand und eine Zenerdiode 10 V:

Aber diese Methode funktioniert Abfällen einige Strom durch die Zener um die gewünschte Spannung zu liefern. Das einfachste Verfahren ist, einen Widerstand und einen Kondensator zu verwenden:

Große Sorgfalt ist erforderlich, wenn die Auswahl der Widerstandswert "R". Wenn der Wert zu niedrig ist, dann ist die Spannung geleitet, um den Chip 555 zu hoch wird und der Chip wird ausbrennen. Bei der Auswahl des Widerstandes "R", mit einem höheren Wert als erwartet beginnen und dann ersetzen leicht niedrigeren Wert Widerständen, während die Spannung über dem Kondensator, um sicherzustellen, dass sie niedrig genug bleibt. Der Widerstandswert kann unter Verwendung des Ohmschen Gesetzes werden. Unter der Annahme einer Stromstärke von etwa 6 mA, der Spannungsabfall über dem Widerstand ist (27 - 10) = 17 Volt, wird ein Widerstand von etwa 2.83K (so Ohm = Spannung / Strom) darauf schließen lässt, dass beginnend mit einem 47K Widerstand dürfte ok zu sein, und dann Kommissionierung jedes niedrigeren Widerstand drehen, bis eine zufriedenstellende Spannung am Kondensator erreicht ist.
Der Kondensator könnte 12V oder 15V rated sein, aber wenn man bei einer höheren Spannung bewertet wird, dann, wenn er versehentlich über den vollen 27V angeschlossen wird, in keiner Weise beeinträchtigt werden. Je größer die Kapazität ist, desto besser, sagen 220 Mikrofarad, die für ein paar Pence eBay erhielt werden kann. Wenn Sie auf Nummer sicher gehen wollen, können Sie eine 12V Zenerdiode über dem Kondensator verbinden. Es wird nicht danach, Strom unter normalen Arbeitsbedingungen, aber wenn etwas die Spannung am Kondensator ansteigen lassen, dann wird es anwerfen und halten die Spannung auf einem sicheren 12V Ebene. Ich wäre geneigt, um die Z-als überflüssig zu sehen, aber die Wahl liegt ganz bei Ihnen.
Also, was Widerstand Leistung wird benötigt? Nun, wenn der Widerstand entpuppt sich als 2.7K sein und die Kondensatorspannung endet als 9,5 Volt, dann die mittlere Spannung über dem Widerstand 17.5V was macht den Strom durch sie 6,48 mA und als Watt = Volt x Ampere, die Macht Rating muss 113 Milliwatt sein, so dass die typischen Viertel-Watt (250 mW) Widerstand sollte vollkommen ok. Wenn zwei (fast gleich Wert) Widerstände parallel verwendet werden, um ein mittleres Wert "R", dann bekommen, dass erhöht die gesamte Widerstand Wattzahl.
Der Ausgang des 555-Chip wird dann verwendet, um den Rest der Schaltung, die bei 27V betreibt anzutreiben. Ein BC109C Transistor kostet nur ein paar Cent, kann die Spannung handhaben und hat einen minimalen Gewinn von 200, obwohl der Gewinn alles bis zu 800 und ein BC109 können die aktuelle sehr leicht zu handhaben sein kann. Wenn Sie herausfinden, alle diese Dinge benötigen, dann laden Sie ein Datenblatt für den Transistor aus dem Internet.
Der Ausgang des 555-Timer ist auf Pin 3 und es kann leicht zu liefern 200 mA, die weit, weit mehr Strom, als wir jemals für diese Schaltung benötigen. Wir können die 555 Rechteck-Ausgang zu den 27V Elektroden füttern Verwendung eines Transistors:

Da der Transistor aus Silizium hergestellt ist, die Einschalt-Spannung ist, wenn die Basis-Spannung etwa 0,7 Volt über der Emitter-Spannung. Das heißt, wenn der Transistor eingeschaltet ist, dessen Spitze Widerstand "R1" wird bei etwa 10 Volt und der Unterseite des "R1" sein wird bei etwa 0,7 Volt betragen, was bedeutet, dass die Spannung über "R1" wird (10 - 0,7) = 9,3 Volt. Wenn das anliegende Spannung "R1" ist, dass wir wollen, dass es genügend Strom, um den Transistor zu füttern, um es einzuschalten voll. Der Transistor liefert ein 100K Widerstand (die 0,27 mA zu tragen, wenn es über 27 Volt es) und die Elektroden, die einen minimalen Widerstand von 820 Ohm über sie (was einen Strom von 33 mA durch sie) erhalten wird. So könnte der Transistor haben etwa 33 mA liefern. Die BC109C Transistor eine minimale Verstärkung von 200, so dass die Strom in die Basis muss 33/200 = 0,165 mA und der Widerstand, dass Strom führen wird, wenn es 9,3 Volt hat über sie 56.3K ist. Ein etwas kleinerer Widerstand wird angepasst.
Ein gesunder Menschenverstand prüfen, ob der Widerstand Berechnung korrekt ist:
Ein 1K Widerstand führt 1 mA pro Volt und so wird 9,3 mA bei 9,3 Volt über sie zu tragen.
Ein 10K Widerstand wird ein Zehntel dieses Betrags oder 0,93 mA bei 9,3 Volt über sie zu tragen.
A 100K Widerstand wird ein Zehntel der wieder tragen, oder 0,093 mA mit 9,3 Volt über sie.
Dies zeigt, dass für einen Strom von 0,165 mA, die etwa das Doppelte der 100K Strom ist, einen Widerstand von etwa der Hälfte von 100K sollte etwa dem richtigen Wert zu sein, so sieht 56.3K richtig.
Unter Berücksichtigung, dass die Verstärkung von 200 das Minimum ist und drei oder vier Mal die typisch ist, könnten wir vielleicht wählen, eine 47K verwenden Widerstand für "R1"
Da der Elektrodenstrom wahrscheinlich erheblich geringer sein als 33 mA und als die Verstärkung BC109C wahrscheinlich sehr hoch sein, es könnte ganz schwierig, den Transistor auszuschalten, wie sie auf sehr kleine Mengen an Eingangsstroms betrieben werden kann. Um es zu ein-und ausschalten sauber, wenn die 555 Ausgangsspannung wird sagen, etwa 5 Volt, (an welchem Punkt der NE555 Spannung wird sehr schnell ändern), "R2" ist im Preis inbegriffen. Mit ihm vorhanden, wird die Ausgangsspannung des NE555 zwischen "R1" und "R2" im Verhältnis ihrer Widerstandswerte unterteilt. Die Situation, die wir wollen, ist:

Wenn der Transistor nicht eingeschaltet ist, zieht es fast keinen Strom und so aussieht wie ein sehr hochohmigen Widerstand an die Schaltung. Dadurch lassen sich die "R1" und "R2"-Widerstände als Spannungsteiler Paar fungieren. Dies bewirkt, dass die Spannung am Punkt "A", die von dem Verhältnis von "R1" bis "R2" und der Transistor vorgesehen sein, dass die Spannung am Punkt "A" unter 0,7 Volt ist ignoriert bestimmt werden. Wenn die Spannung an diesem Punkt steigt auf 0,7 Volt dann ist die Situation dramatisch verändert und das Ohmsche Gesetz nicht mehr gilt als der Transistor ist kein passiver Widerstand, sondern ist eine aktive Halbleiter-Bauelement. Wenn die Spannung am Punkt "A" versucht weiter ansteigen kann es nicht, weil die Transistorbasis klemmt sie fest dort durch scheinbar eine immer geringere Widerstand, der zwischen der Basis und dem Emitter des Transistors ist. So für höhere Eingangsspannungen, könnte Widerstand "R2" sowie nicht da sein für all die Unterschied es macht.
Also, was Wert, den wir brauchen für "R2", damit die Spannung am Punkt "A" zu sein 0.7V, wenn Pin 3 des NE555 erreicht 5V? Nun, das ist, dass ein Teil der Schaltung in einem resistiven Mode handeln und so Ohm-Gesetz verwendet werden kann. Der Widerstand "R1" ist 47K und hat es 4,3 Volt über, was bedeutet, daß der Strom durch sie muss 0,915 mA. Das bedeutet, dass "R2" 0.7V über sie und 0,915 hat mA durchflossen wird, was bedeutet, dass es einen Wert von 7.65K hat. Ein Standard-82K oder 68K Widerstand könnte verwendet werden, da es nichts dramatisch Wichtiges über die 5V Schaltpunkt werden. Wenn Sie darum genau 7.65K (und man sollte nicht sein) fussed wurden, dann können Sie diesen Wert durch die Kombination von zwei Standard-Widerstände zu bekommen, entweder in Reihe oder parallel.
Ein gemeinsames Verfahren der Sinn der Gestaltung der Wert von "R2" ist, die Tatsache, dass, wie die gleichen Strom durchflossen werden (unabhängig dass Strom zufällig), dann das Verhältnis der Spannung wird die gleiche sein, wie das Verhältnis verwenden der Widerstände. Das heißt: 0.7V / 4.3V = "R2" / 47K oder "R2" = 47K x 0,7 / 4,3, die 7.65K ist.
Wir haben jetzt den Punkt, wo wir den Widerstand Wert benötigt, um eine angemessene Spannung für den NE555 Timer Chip bereitzustellen, wobei die Schaltung bestimmen kann erreicht:

Die "Rx"-Wert sein wird ziemlich nah an 270K, so dass Sie diesen Wert können beim Testen, um einen geeigneten Wert für "R" (2.2K in meinem Fall) zu finden. Der Kondensator über den NE555 Chip sollte eine möglichst große Kapazität wie ist praktisch sein, wenn man bedenkt, dass die gesamte Schaltung, Batterien usw. in einer kleinen Tasche an einem Handgelenk geschnallt werden passen. Eine Möglichkeit, dass die Komponenten auf dem Stecker-Kammer konnte positioniert werden soll:

Beachten Sie, dass, wenn sie versuchen verschiedene Widerstände für "R" Sie hohe beginnen bei etwa 47K und die daraus resultierende Spannung am Kondensator zeigt den Spannungsabfall über den ersten Widerstand Wahl und so benötigen, wobei die tatsächliche Strom durch Ihre besonderen NE555 Chip gezogen. Das berechnete Strom ermöglicht es Ihnen, den Widerstand Wert benötigt, um 10 Volt oder so geben zu berechnen, so dass Ihre nächste Widerstand getestet werden, um fast genau in Wert eingestellt werden.
Zur Kontrolle der Frequenz durch die Schaltung hergestellt wird, kann jeder gewöhnliche LED als vorübergehende Maßnahme eingesetzt werden. Es kann über die 100K 'load' Widerstand zwischen dem Transistor Kollektor und der +27 V positive Versorgungsspannung angeschlossen werden. Ein Strombegrenzungswiderstand unbedingt anzuhalten der LED Ausbrennen sofort. Wenn wir einen Strom von 5 mA durch die LED dann fließen da der Strombegrenzungswiderstand weist einige 26,3 Volt über sie zu erlauben, dann sein Wert wird über 5.4K sein (1K würde 26 mA, 13 mA 2K würde geben, 3K geben würde geben 9 mA, 4K würde 6,5 mA geben) und so ein 4.7K gut funktioniert. Diese LED und Widerstand sind im Layout oben gezeigt. Bitte beachten Sie, dass, wenn Ihr BC109C Transistor hat ein Metallgehäuse, dann ist das Gehäuse ist in der Regel intern mit dem Kollektor verbunden und so muss darauf geachtet werden, dass der Fall nicht der Fall Kurzschluss, etwas anderes zu werden.
Wenn es als wichtig angesehen, um die Batterielebensdauer durch die Reduzierung der Stromaufnahme auf ein Minimum zu maximieren, dann vielleicht mit einer Kippstufe könnte eine gute Wahl sein. In Übereinstimmung mit den meisten elektronischen Schaltungen, gibt es viele verschiedene Möglichkeiten, um eine geeignete Schaltung zu entwerfen, um die erforderliche Arbeit zu tun. Die BC109C Transistor verarbeiten kann die 27V und so könnten wir bei einer Stromaufnahme für die Schaltung von nur 3 mA zielen. Wenn 2 mA waren durch die astable Transistoren fließen, wenn sie eingeschaltet sind, dann mit 27V über sie, würden die Widerstände 13.5K sein, was nicht ein Richtwert. Wir könnten wählen 12K mit 2,25 mA oder 15K auf 1,8 mA zu geben zu geben. Entweder sollte zufriedenstellend sein. Die Schaltung könnte dann:

Als der Spannungshub Zuführen des Ausgangstransistors wurde nun von 10V bis 27V angestiegen die Spannungsteilerwiderstände kann nun im Wert steigen um 2,7 fache, wodurch etwa 127K und für 22.1K diesen Widerständen. Jedoch ist die Situation nicht das gleiche wie für den NE555 Chip, der mindestens 200 mA an den spannungsgesteuerten hohen Ausgangspegel liefern kann. Stattdessen wird der Transistor ein so hoher Widerstand, dass sie vernachlässigt werden kann, aber der 12K verbleibt in der Weg, der den Basisstrom liefert für den Ausgangstransistor und er wird in der Tat mit dem oberen Widerstand des Spannungsteilers Paar hinzuzufügen. Während also eine 100K-Widerstand dargestellt, ist es effektiv 112K aufgrund dieser zusätzlichen 12K Widerstand, der zwischen ihr und der +27 V Versorgungsleitung. Die astabilen Transistoren schnell schalten würden an dem Punkt, wo der Ausgangstransistor Zustand ändert, so dass der Ausgang Rechteckwelle guter Qualität sein sollte. Die BC109C Transistor kann ein-und ausgeschaltet hundert Millionen Mal pro Sekunde zu wechseln, so dass es die Leistung in dieser Schaltung sollte sehr gut sein. Ein Test Steckbrett Layout könnte:

Wir müssen nun die Timing-Komponenten wählen. Für eine noch 50% Tastverhältnis, wo jeder Transistor eingeschaltet ist für die Hälfte der Zeit und AUS für die Hälfte der Zeit, die beiden Timing-Kondensatoren können die gleiche Größe und dann die beiden Timing-Widerstände werden den gleichen Wert haben, in meinem Fall, 330K, aber es hängt von den konkreten Kondensatoren verwendet.
Bob Beck Design fordert die LED-Anzeige ausgeführt werden, wenn das Gerät eingeschaltet ist und dann abgeschaltet, wenn die Elektroden an eine 3,5 mm Buchse montiert auf den Fall mit der Schaltung sind. Die Schaltsteckdose sieht wie folgt aus:

Wenn der Stecker nicht in der Steckdose steckt, verbindet Pin 1 an Pin 2 und Pin 3 ist mit nichts verbunden. Wenn der Stecker eingesteckt wird, dann Pin 1 isoliert ist, wird Pin 2 an Pin 4 Stecker und Pin 3 verbunden ist Pin 5 anschließen.
Die Beck-Schaltung mit der Ausgangsbuchse wie folgt verbunden:

Diese Anordnung wird eine 27V 4 Hz Rechtecksignal Ausgabe über die Buchse geben. Aber, Bob Becks ursprünglichen Schaltung nicht. Stattdessen war es so:

Hier arbeitet ein Relais zwei Umschalter Kontakte, die verwendet werden, um umzukehren der Batteriebank Kontakte viermal pro Sekunde. Das ist anders als gerade Erzeugen eines ins Positive gehenden Rechteckspannung zwischen den beiden Ausgangsklemmen. Wenn Sie einen Widerstand über den Ausgang Buchse betrachten, dann mit der Relaisschaltung waren, kehrt sich die Richtung der aktuellen viermal pro Sekunde, aber mit dem Rechteck, während es startet und stoppt vier Mal pro Sekunde die Richtung der Strom ist immer die gleiche und es gibt keine Richtungsumkehr.
Als Bob wollte vermeiden, mit einem Relais, das vier Mal pro Sekunde hin klickt durch die zweistündige Behandlung in Kapitel 11 beschrieben und in der "Take Back Your Power" pdf auf der www.free-energy-info.tuks.nl Website er gestaltete die Schaltung mit dem sehr beeindruckend LM358 / A integrierte Schaltung:

Dieser Chip zeichnet nur die Hälfte von einem Milliampere, hat zwei sehr hoher Verstärkung Operationsverstärkern und kann mit einer Vielzahl von Versorgungsspannungen arbeiten. Es ist auch nicht teuer.
Bob zeigt die Schaltung:

Bob besagt, dass der erste Abschnitt wirkt als eine 4Hz Rechtecksignal-Generator, wobei die Frequenz durch die 2.4M Widerstand "R1" und der Kondensator 100 n "C1" gesteuert wird. Das Datenblatt für die LM358 besagt, dass der Ausgangsspannungshub ist zwischen Null Volt und weniger als 1,5 V Versorgungsspannung "VCC" (das ist 27 V in diesem Fall). Das impliziert, dass, wie zu erwarten wäre, der Stift 1 Ausgangsspannung von der ersten Stufe wird scharf schalten von 0 V bis 25,5 V und scharf wieder, viermal pro Sekunde.
Es ist schwierig, den Kreislauf folgen, wie es ist, also ist es vielleicht ein wenig leichter zu folgen, wenn wie folgt gezeichnet:

Die Ausgabe von dem ersten Verstärker innerhalb des LM358-Paket ist an Pin 1 und es kann eine große Menge an Strom (wenn ein großer Strom jemals erforderlich) zu liefern. Das Ausgangssignal geht direkt zu einem der Klinkenbuchse Verbindungen. Es geht auch den Stift 6 Eingang des zweiten Verstärkers innerhalb des Chips und das verursacht die hohe Leistung dieses Verstärkers an Pin 7 bis das Gegenteil der Pin 1 Spannung sein. Wenn Pin 1 hoch bis 25,5 Volt geht, dann Pin 7 tief geht, auf etwa null Volt. Das Ausgangssignal wird ebenfalls zu dem anderen Anschluss Klinkenbuchse zugeführt, indem 25,5 Volt über die Elektroden, wenn sie in der Buchse angeschlossen sind.
Wenn der Oszillator-Schaltung, die mit dem ersten Verstärker die Spannung bewirkt, an Pin 1 auf niedrig geht, wird der Ausgang auf Pin 7 invertiert und so geht es um 25,5 Volt. Sie werden bemerken, dass während der gesamten Spannung von 25,5 Volt wieder der Klinkenbuchse aufgebracht, die Polarität nun umgekehrt ist, zu erreichen, was die Relaisschaltung tut (obwohl 1,5 Volt wird dabei verloren). Dies ist eine saubere Lösung.
Bob verwendet eine zweifarbige LED zu bestätigen, dass die Schaltung ordnungsgemäß funktioniert, bevor die Elektroden angeschlossen sind in. Er es zu tun auf diese Weise wählt:

Die beiden 18V-zenerdioden absetzen 18,7 von 25,5 Volt, wie eine wird sein vorwärts voreingenommen 0.7 Volt fallenlassen und anderen voreingenommen umgekehrt, Abwurf 18 Volt. Damit bleibt einen 7V-Tropfen für die LED, das ein wenig übertrieben, so Bob sagt, dass er einen Kondensator verwendet, um den Strom zu begrenzen ist. Wie ein 820 Ohm-Widerstand in den aktuellen LED-Pfad über den Socket bereits vorhanden ist, wird der Kondensator nicht benötigt. Der Variable Widerstand müssen festgelegt werden, um seine minimalen Widerstand durch seine Welle voll im Uhrzeigersinn drehen, so dass es nicht die Helligkeit die LED auswirkt, wie die Zeners auch, zeigen wenn die Batteriespannung gesunken ist, denn es wird nicht mehr genügend Spannung die LED hell, Licht, dass die Batterien müssen werden ersetzt (oder aufgeladen, wenn sie Akkus sind). Beim Testen der Rennstrecke, eine Alternative zu den zwei Zeners, einen Widerstand 4,7 K zu verwenden ist und wenn eine zweifarbige LED ist nicht zu Hand, dann zwei normale LEDs Rücken an Rücken wie folgt verwendet werden kann:

Mit dieser Anordnung, blinken die zwei LEDs abwechselnd. In einer Schaltung, kann ein Kondensator mit einer höheren Nennspannung immer verwendet, wenn die Kapazitätswerte gleich sind. Die externe Schaltung Beck durch den Körper des Benutzers abgeschlossen, so gibt es nur eine Elektrode, die mit jeder Seite des Ausgangs Klinkensteckerbuchse. Eine mögliche Plug-Board-Layout ist:

Der 47K Widerstand und LEDs sind nur auf dem Board zu Testzwecken und wenn die Schaltung in dauerhafter Form gebaut wird, dann wird die LED-Kette verbindet 1 der Buchse Pin, so dass die LEDs während der zwei Stunden des täglichen Behandlung empfohlen werden getrennt bei Verwendung des Geräts.
Ein Streifenplatinen Layout mit der Standard-9-Streifen 25-Loch-Board und zwei integrierten 18V Zenerdioden für Spannungsmessung ist:

Bei Verwendung eines Beck Gerät, ist es sehr wichtig, die Aufmerksamkeit auf die Vorsichtsmaßnahmen, die Bob legt bezahlen. Dies sind in seinem "Take Back Your Power" pdf-Dokument: http://www.free-energy-info.tuks.nl/Beck.pdf die folgenden, die, während sie auf die Behandlung bezieht sich auf die mit HIV umgehen, vermutlich gilt umfasst alle Behandlungen mit seinem Gerät:
ERWEITERTE ANWEISUNGEN
FÜR EXPERIMENTELLE /
THEORETISCHE HIV BLUT
NEUTRALISIERUNG
HYPOTHETISCHE PROTOKOLLE
FÜR EXPERIMENTELLE SESSIONS
Überarbeitung 20. März 1997.
Copyright 8 1991/1997 Robert C. Beck
Hinweise: Verwenden Sie keine Handgelenk zu Handgelenk Stromfluss
mit Probanden die Herzschrittmacher haben. Alle angewandten elektrischen
Signale können 'Nachfrage' Typ Herz Pacers und Ursache Fehlfunktionen stören.
Einzelne Handgelenk Standorten sollte zulässig sein. Verwenden Sie nicht für
Schwangere, beim Autofahren oder gefährliche Maschinen verwenden.
Benutzer müssen Ingesting alles mit
Heilkräutern, ausländischen oder inländischen oder potenziell toxischen
Medikamenten vermeiden. Nikotin, Alkohol, Drogen. Abführmittel,
Stärkungsmittel. und bestimmte Vitamine etc., eine Woche vor dem Start, da Blut
Elektrifizierung Electroporation führen kann, die Zellmembranen durchlässig für
kleine Mengen normalerweise harmlose Chemikalien im Plasma macht. Die Wirkung
gleicht Extreme Überdosierung, die tödlich sein kann. Finden Sie unter Elektroporation:
ein allgemeines Phänomen zum Bearbeiten von Zellen und Geweben; J.C.
Weaver, Journal of Cellular Biochemistry 51:426-435 (1993). Effekte nachahmen können
steigenden Dosierungen ein Vielfaches. Sowohl die magnetische Pulsars und
blutreinigend Ursache Elektroporation.
Stellen Sie keine
Elektroden über Hautverletzungen, Abschürfungen, neue Narben, Schnitte,
Vulkanausbrüche, oder Sonnenbrand. NICHT voranzutreiben Ausgangsamplitude zu
unbequem Ebenen. Alle Themen variieren. Nicht einschlafen während der
Benutzung. Der magnetische Impulsgeber sollte sicher sein, irgendwo am Körper
oder Kopf.
Vermeiden Einnahme von
Alkohol 24 Stunden vor dem Gebrauch. Trinken eine 8 Unzen Glas destilliertem
Wasser 15 Minuten vor und unmittelbar nach jeder Sitzung Ende trinken
mindestens vier weitere Gläser täglich zum Spülen während der
"Neutralisierung" und eine Woche danach. Dies ist zwingend notwendig.
Ignoriert man dies, kann eine systemische Schäden durch unflushed giftige
Abfälle. Wenn unbedingt Medikamente eingenommen werden müssen, tun Sie dies ein
paar Minuten nach Elektrifizierung warten dann 24 Stunden vor dem nächsten
Sitzung.
Wenn unterliegen fühlt sich
träge, schwach, schwindlig, headachy, Benommenheit oder schwindlig, übel.
aufgebläht oder hat grippeähnliche Symptome oder Hautausschläge nach
Engagements zu reduzieren pulsierenden pro Sitzung und / oder verkürzen
Anwendungen der Elektrifizierung. Trinken Sie mehr Wasser-vorzugsweise
ozonisiert-, Abfall Oxidation und Entsorgung zu beschleunigen. Seien Sie
besonders vorsichtig bei der Behandlung von Patienten mit eingeschränkter
Nieren-oder Leberfunktion. Beginnen Sie langsam auf den ersten Blick wie etwa
20 Minuten pro Tag, um die Entgiftung Probleme zu reduzieren.
Schock-Haftung zu vermeiden,
verwenden Sie nur Batterien. Verwenden Sie keine leitungsgebundene
Energieversorgung, Trafo, Ladegerät, Batterie-Eliminator, etc. mit Blut
Räumvorrichtung. Allerdings Netzen sind mit gut isolierten magnetischen
Impulsgebern (Blitzleuchten) OK.
Gesundheitsexperten:
Vermeiden Nikotinsüchtigen, Veganer und andere unbewußt motivierte Tod
Gratulanten und ihre verdeckte Agenda der "Niederlage der Heiler".
Tobacco, die am meisten süchtig (42times süchtiger als Heroin) und tödliche
Substanz des Missbrauchs bekannt, stört normale Herz-Kreislauf-Funktion. Wahre
vegetarische Ernährung fehlen essentielle Aminosäuren absolut notwendig für den
erfolgreichen Wiederaufbau AlDS verwüsteten Gewebe. Sekundäre Gewinne
(Sympathie / Martyrium, Arbeit zu vermeiden, kostenfreie Leistungen,
finanzielle Unterstützung, etc.) spielen große Rollen mit vielen
AIDS-Patienten. "Recovery Schuld" als Freunde sterben sogar
Selbstmordversuche als "Unfälle" maskiert ausgefällt. Vermeiden Sie solche Verstrickungen, da viele unbewusste Tod Wünsche haben.
SUPERIOR
ELEKTRODEN:
Hervorragend,
bequem und weit überlegen Elektroden, wiederverwendbare unbegrenzt durch
Stumpfschweißen Löten Zuleitungsdrähte an Enden von 1 werden "lang durch
3/32" dia hergestellt. Zuschnitte vom Typ 316 Edelstahl-Stangen ab
Schweiß-Versorgung-Läden (Cameron Welding Supply.
ELEKTRODENANORDNUNGEN:
Suchen Maximalpuls Position
(NICHT mit Akupunktur, Fußreflexzonenmassage, Chapman, etc. Punkte zu
verwechseln) auf Füßen oder Handgelenke durch das Gefühl für maximalen Puls am
inneren Knöchel ~ 1 "unterhalb und des Knöchels zu erziehen, dann entlang
testen oben in der Mitte Rist. Stellen Sie die Elektrode auf welcher Puls
Website auf dem Fuß, die am stärksten fühlt. Scrub Haut über ausgewählten
Standorten mit milder Seife und Wasser oder Alkohol reinigen. Trocken wischen.
Positionieren Sie die Elektroden längs jeder links und rechts Handgelenken
Blutgefäß. Hinweis: Bei Probanden mit vollkommen gesunden Herzen und nicht
tragen pacers, ist es zweckmäßig, das linke Handgelenk, um das rechte
Handgelenk verwenden genau über ulnar Arterienpuls Wege statt auf Füßen.
Aktuelle (Dez. 1995) Forschungsergebnisse zeigen, dass man beide Elektroden
über verschiedenen Arterien auf der gleichen Handgelenk funktioniert sehr gut
(siehe Seite. 7), vermeidet jegliche Strom durch Herz, und ist viel bequemer
und genauso effektiv. Ein 8 "lang, 1" breit elastischen Stretch-Band
mit zwei 1,5 "Längen von 3/4" breit Velcro ® genäht Enden der
gegenüberliegenden Seiten ist eine ausgezeichnete Armband zu halten Elektroden
fest an Ort und Stelle. Mit Elektrodenkabel unplugged, den Schalter ON und voranzutreiben
Amplitudenregelung auf Maximum. Schieben momentanen SW. 2 'Test' wechseln und
sehen, dass die roten und grünen Leuchtdioden blinken abwechselnd. Dies
bestätigt, dass die Polarität ist etwa 4 mal pro Sekunde (Frequenz ist nicht
kritisch) Umkehren und dass Batterien sind immer noch gut. Wenn LEDs leuchten
nicht ersetzen alle drei 9V-Batterien. Zenerdioden erlischt die LED, wenn die
drei 9V Batterie anfängliche 27V sinkt unter 18V nach längerem Gebrauch.
Verwenden Sie niemals Elektrode größer als 1,125 "(28 mm) lang und
1/8" breit, um Verschwendung zu vermeiden, durch das umgebende Gewebe
Strom. Beschränken sich genau über die Blutgefäße nur. Bewerben Tropfen
Salzwasser jeder Elektrode der Baumwollbezug ~ alle 20 Minuten, um Verdunstung
zu bekämpfen und zu versichern optimalen Stromfluss. Später Geräten Solid-State
sind, verwenden nur drei Batterien und keine Relais und sind viel kleiner.
Nun drehen Amplitude auf
Minimum (gegen den Uhrzeigersinn) und Stecker In Elektrodenkabel. Thema jetzt
langsam voran einwählen, bis er ein "Pochen" und Kribbeln fühlt.
Drehen Sie so hoch wie tolerierbar, aber nicht voran Amplitude, wo es immer
unangenehm ist. Passen Spannung periodisch, wie er oder passt acclimates zum
aktuellen Stand nach einigen Minuten. Wenn unterliegt schwitzt kann
Hautwiderstand aufgrund von Feuchtigkeit zu verringern, damit das Setzen auf
eine niedrigere Spannung für Komfort angedeutet. Ansonsten ist es normal, dass
immer weniger Gefühl mit der Zeit zu fühlen. Sie können wenig oder gar kein
Gefühl mit voller Amplitude sofort bemerken, aber Gefühl wird damit beginnen,
bis maximal nach einigen Minuten zu welchem Zeitpunkt Amplitude
verringert werden muss. Typische angepasst Elektrode zu Elektrode Impedanz in
der Größenordnung von 2000W. Typische komfortable Eingabe (die Haut) ist ~ 3mA,
und die zulässigen Eingang (volle Amplitude) ist ~ 7mA aber dieses
"Reserve" margin harmlos ist unnötig und kann unbequem sein. Strom
durch Blut ist sehr viel niedriger als dieser externen Eingang wegen der
Serienwiderstand durch die Haut, Gewebe und Gefäßwände, aber 50 bis 100 uA
durch Blut unerlässlich.
Blut auftragen
Neutralisator für ca. 2 Stunden täglich für ca. 2 Monate. Verwenden Urteil
hier. Der limitierende Faktor ist die Entgiftung. Sorgfältig überwachen
Subjekts Reaktionen (Schmerzen, Schnupfen, Hautausschläge, weinend exudites,
Ausschlag, Furunkel, Karbunkel, belegte Zunge, etc.). Bei sehr schweren
Infektionen, langsamer gehen so nicht zu überlasten Körper toxische Entsorgung
Fähigkeit. Mit einer Auflage wertgeminderten Diabetiker, etc., können Sie die
Sitzung zu verlängern. Wieder haben vorbehaltlich trinken Sie viel Wasser.
Letzte Änderungen in der theoretischen Protokoll wird derzeit geprüft empfehlen
Follow-up der drei Wochen der Behandlungen mit 24 Stunden pro Tag (rund um die
Uhr) durchgehend Elektrifizierung des Blutes für zwei Tage, um einen KO-Schlag
auf 1,2 Alltag der übrigen HIV-Zyklus umzugehen. (A. Perelson;. Los Alamos
Biophysics Group, 16. März 1996 "Science" veröffentlicht) Denken Sie
daran, Elektroden regelmäßig befeuchten. Wenn Sie unbedingt
verschreibungspflichtige Medikamente einnehmen, tun Sie dies unmittelbar nach
dem Ausschalten Instrument und ermöglichen 24 Stunden vor dem nächsten
Behandlung zu Konzentrationen im Blutplasma Zerfall auf ein niedrigeres Niveau
zu lassen.
Erinnern Sie sich, ob die
Probanden immer schläfrig, träge, lustlos fühlen. Übelkeit, Ohnmacht,
aufgedunsen, oder headachy, oder Grippe-ähnliche Reaktionen, die sie
vernachlässigen ausreichende Wasserzufuhr für die Spülung Toxine können. Wir
interpretieren dies als Entgiftung sowie Endorphinausschüttung aufgrund der
Elektrifizierung. Lass sie ruhen und Stabilisierung für ca. 45 Minuten vor der
Fahrt, wenn angegeben. Wenn diese Entgiftung wird drückend, behandeln jeden
zweiten Tag. Behandlung mindestens 21 Mal sollte "Fraktionierung"
sowohl juvenile und Reifung HIV maximale Neutralisation Empfindlichkeit Fenster
überlappen und unterbrechen "angehenden" auftretenden HIV Zellen
Entwicklungszyklen. Behandlungen beansprucht werden, um sicher zu
neutralisieren viele andere Viren, Pilze, Bakterien, Parasiten und Mikroben im
Blut. Siehe Patenten US 5.091.152 US 5.139.684 US 5.188.738 US 5.328.451 und
andere sowie zahlreiche gültige medizinische Studien, die derzeit wenig bekannt
sind oder unterdrückt werden. Auch. Einnahme ein paar Unzen von etwa 5 Teilen
pro Million Silberkolloid Lösung täglich geben können Probanden eine
"zweite intakten Immunsystems und zu minimieren oder zu eliminieren
opportunistische Infektionen während Erholungsphase. Dieses Wunder Substanz ist
pre-1938-Technologie, und im Gegensatz zu Ozon gilt als immun gegen FDA
Belästigung. Silber Kolloid kann leicht zu Hause gemacht elektrolytisch in
Minuten und in beliebigen Mengen und Teile pro Million Kraft für unter 14 Cent pro
Gallone plus Kosten des Wassers. Es ist lächerlich, es zu hohen Preisen zu
erwerben. Colloid hat keine Nebenwirkungen und ist dafür bekannt, rasch zu
beseitigen oder zu verhindern Hunderte von Krankheiten. Sliver Kolloide nicht
produzieren resistente Stämme ebenso wie allen anderen bekannten Antibiotika.
Kein vernünftiger Betrag Überdosierung oder zu verletzen Benutzer entweder
topisch, durch Verschlucken oder Arzt Injektion.
Ein wichtiger und sehr nützlich Gruppe von Integrated Circuits ist das "Operational Amplifier" oder "Op-Amp"-Gruppe. Diese Geräte verfügen über eine sehr hohe Verstärkung, einen "Umkehren"-Eingang und einen "nicht-invertierenden 'Eingang. Es gibt viele Op-Amps, aber wir werden nur an einer beliebten Art namens "741", die eine "open-loop 'Gewinn von 100.000 Mal hat zu suchen. Alle Operationsverstärker arbeiten in der gleichen Weise in der Theorie. Wie sie arbeiten in einer Schaltung wird durch den externen Komponenten, die an ihnen kontrolliert. Sie können als invertierender Verstärker, einem nicht-invertierenden Verstärker (dh ein "Puffer"), einem Komparator, einem astabilen Multivibrator, und verschiedene andere Dinge zu betreiben. Das Symbol und Anschlüsse für einen 741 Operationsverstärker sind:

Wir können eine Verbindung herstellen, der 741 Chip als einen Verstärker mit jedem Set Gewinn-Niveau zu agieren, die wir wählen:

Hier wird die Verstärkung durch das Verhältnis des Widerstands mit dem 220K 22K Widerstand eingestellt. Diese Schaltung weist einen Gewinn von 10 mal, so wird das Eingangssignal bei Punkt "B" wird ein Ausgangssignal bei Punkt "C", die zehnmal größer ist, vorausgesetzt, daß das Ausgangssignal nicht nähern sich der Batterie-Spannung zu erzeugen. Ist dies der Fall, dann wird Clipping mit der Oberseite und der Unterseite der Ausgangswellenform bei etwa einem Volt von der Batterie, etwa 1 Volt und 11 Volt in diesem Beispiel zerhackt auftreten.
Operationsverstärker
sind in der Regel entwickelt, um aus einem Dual-Netzteil betreiben. In dem
obigen Beispiel würde die Stromversorgung unter Verwendung von zwei 6 Volt
Batterien statt einer 12 Volt Batterie angelegt werden. Um die
Unannehmlichkeiten dies zu vermeiden, ist ein
Diese Schaltung kann in vielen Anwendungen verwendet werden. Hier ist eine Schaltung für ein Messgerät zur Messung Schallintensität:

Diese Schaltung ist zwei Kopien der vorherigen Schaltung. Jede 741-Chip eine Referenzspannung von der halben Versorgungsspannung von einem Spannungsteiler Paar von 1K Widerständen erzeugt. Diese Spannung zugeführt wird bis 3 Pin des Chips, das ist der nicht invertierende Eingang.
Am Punkt 'A',
wird ein Mikrofon oder kleine Lautsprecher verwendet, um ein Signal Spannung zu
erzeugen, wenn der Ton erreicht sie. Diese Spannung ist mit dem
Operationsverstärker 741 über einen 1 Mikrofarad Sperrkondensator zugeführt.
Dieses übergibt die Signale durch, während die Blockierung der 4,5
Punkt 'B' erhält dann ein Audiosignal 22 mal größer ist als das Signal von dem Mikrofon erzeugt. Dieses Signal ist noch recht klein, so dass die zweite 741 es steigert weiter. Der Gewinn des zweiten 741 ist variabel und hängt von dem Widerstand auf der 1M variablen Widerstand eingestellt. Wenn der variable Widerstand auf null Ohm eingestellt wird, dann ist die Verstärkung des zweiten 741 wird von der 4K7 Widerstand bei Punkt "C" allein gesteuert werden und so wird ein (4.7/4.7 = 1). Wenn der variable Widerstand auf seinen Maximalwert eingestellt ist, wird die Verstärkung des zweiten 741 werden einige 214 (1.004.700 / 4.700 = 213,8) sein.
Die beiden Operationsverstärker zusammen eine kombinierte Verstärkung, die von 22 bis 4702 reicht. Das verstärkte Audiosignal ankommt am Punkt "D", und es kann zu einem respektablen Wert eingestellt werden. Diese Wechselspannung wird nun über den Dioden im Punkt 'E' gleichgerichtet und es baut sich eine Gleichspannung über dem 47-Mikrofarad-Kondensator besteht. Diese Spannung wird auf einem Voltmeter angezeigt. Das Ergebnis ist, daß das Voltmeter eine Ablesung direkt proportional zur Lautstärke Erreichen des Mikrofons zeigt.
Die 741 kann als ein Puffer zu verdrahten. Dies ist das Äquivalent eines Emitterfolger-Schaltung in einem der Transistoren. Die für den 741 eingestellt ist:

Schwierige Strecke - huh! Sind Sie sicher, dass Sie alle zusätzlichen Komponenten leisten? Diese Schaltung nutzt die volle Verstärkung des 741-Chip. Der Ausgang folgt der Eingangswellenform genau. Der Eingang benötigt fast keine aktuelle, damit die Schaltung als eine "hohe Eingangsimpedanz 'beschrieben. Der Ausgang kann eine ernsthafte Belastung z. B. ein Relais, so daß die Schaltung als eine "niedrige Ausgangsimpedanz 'beschrieben.
Der 741 Chip verdrahtet als Komparator handeln. Dies ist die Schaltung:

Sind Sie sicher, dass Sie bis zu einem so schwierigen Schaltung? Etwas kompliziert - huh! Dies ist die grundlegende operative Form für einen Operationsverstärker.
Wenn die Spannung am Punkt "A" ist höher als die Spannung am Punkt "B" wird der Ausgang so niedrig wie möglich auf geht, dh 1 oder 2 Volt.
Wenn die Spannung am Punkt "A" ist niedriger als die Spannung am Punkt 'B' wird der Ausgang so hoch wie es gehen kann geht, sagen wir, 10 Volt oder so.
Nachdem gesehen, wie Transistorschaltungen Arbeit, sollten Sie in der Lage sein zu verstehen, warum die 741-Chip-Schaltung (das ist eine Transistorschaltung in der 741-Paket) braucht etwas Spannung im Innern der Versorgungsschienen eine effiziente Hochstrom-Abtrieb liefern.
Hier ist eine Version 741 des Licht-schalter:

Diese Schaltung wird als es Abend wird eingestellt. Wir wollen das Relais minimale Spannung über sie bei Tageslicht haben, so dass die Spannung am Punkt "A" muss höher sein als die Spannung am Punkt 'B'. Da die 1K variablen Widerstand ist auf der Versorgungsspannung, kann den Regler auf eine Spannung zwischen 0 Volt und 12 Volt eingestellt werden. Um dies zu leicht zu machen, wählen wir eine 'linear' variable Widerstand als die logarithmische Reihe wäre schwer, in dieser Anwendung anpassen. Mit "linear" Version, bewirkt, dass jede ein Grad der Drehung der Welle Widerstand die gleiche Änderung im Widerstand, irgendwo entlang des Bereichs. Dies ist nicht der Fall für die logarithmische Sorte.
Jedenfalls passen wir die variablen Widerstand nach unten, bis das Relais Spannung auf ein Minimum. Wenn das Licht-Ebene hat, auf welcher Ebene wir wollen die Schaltung auszulösen gefallen, passen wir den variablen Widerstand, um das Relais klicken. Die 741-Chip verfügt über eine sehr schnelle Ausgangsspannungshub wenn die Eingangsspannungen über tauschen, so dass die Relaisschaltung wird entscheidend sein. Das Schalten kann noch durch Zugabe eines positiven Widerstand, der zwischen dem Ausgang und Punkt 'B' ist. Dies wirkt wie ein Schmitt-Trigger beim Umschalten erfolgt durch einige zusätzliche positive Rückmeldungen, die Aufhebung der Spannung an dem Punkt 'B'.
Wenn man die Schaltung auf einer ansteigenden Lichtstärke auslösen möchte, nur Swap die Positionen des 10K Widerstand und dem ORP12 lichtabhängigen Widerstand. Die gleiche Schaltung wird als Temperaturerfassungsschaltung durch Ersetzen einer "Thermistor" (das ist ein temperaturabhängiger Widerstand) für das ORP12 betreiben.
Wenn wir möchten, dass die Schaltung als eine Einbruchmeldeanlage handeln, könnten wir die gleiche Schaltung wie diese:

Die Schaltung ist noch von der Spannung an dem Punkt "A" angesteuert. Unter normalen Umständen wird diese Spannung in der Nähe von 6 Volt (hergestellt von den beiden Widerständen und dem 10K 100K Widerstand) sein. Der obere Schalter mit der Aufschrift "NC" für "normal geschlossen", eine Kette von, sagen wir, Magnetschalter an Türen und Fenstern. Wenn einer dieser geöffnet sind, dann ist die Spannung am Punkt "A" wird durch den unteren 10K Widerstand in Reihe mit dem Widerstand 100K diktiert werden. Dadurch wird die Spannung an "A" zu veranlassen, sofort fällt auf einen niedrigen Wert, die Auslösung der Schaltung.
Die 'NO' Schalter ("Schließer") für einen oder mehrere Druck-schalter unter Teppichen oder Decken und / oder Schalter, die aus gebürstetem, wenn Türen geschwenkt werden offen lassen, etc. Diese Schalter parallel über einander und wenn verkabelt von ihnen auch nur einen Millionstel einer Sekunde geschlossen ist, die Spannung am Punkt "A" wird die von der 1K Widerstand herausgezogen werden und die Schaltung wird ausgelöst werden.
Die Schaltung kann auf einem von einer Vielzahl von Möglichkeiten verrastbar ist. Ein Relaiskontakt kann verwendet werden, um das Relais zu halten oder halten Sie die Spannung am "A" niedrig gehalten werden. Ein Transistor können über das Relais geschaltet werden, um die Schaltung auf Eis usw. usw. Wenn dies geschehen ist, wird die Schaltung in ihrem ausgelösten Zustand verbleiben, bis die Versorgungsspannung unterbrochen. Sie könnten es vorziehen, eine 555-Chip verwenden, um die Länge der Zeit, ertönt der Alarm bis drei Minuten oder so zu begrenzen.
Eine Alternative zur Verwendung eines Relais oder Halbleiter ist, einen Latch-Silicon Controlled Rectifier üblicherweise bezeichnet als ein "SCR" oder "Thyristor 'verwenden. Diese Vorrichtung ist in der Regel "aus" mit einem sehr hohen Widerstand gegen den Stromfluss. Wenn sie nicht durch Anlegen einer Spannung an seinem Gate-Anschluss geschaltet, bleibt es kontinuierlich auf bis ein externes Gerät stoppt Strom durchflossen wird. Die folgende Schaltung zeigt, wie es funktioniert:

Wenn die Spannung an der ersten Schaltung durch Schließen des Schalters S2 angewandt wird, ist der SCR in seinem AUS-Zustand, so dass keine Strom an die Last geliefert wird. Wenn der Druckknopf-Schalter S1 gedrückt wird, wird ein Strom in das Tor des SCR zugeführt, schalten Sie es dann. Wenn der Schalter S1 geöffnet gelassen wird, bleibt der SCR in seinem EIN-Zustand, und es wird auf diese Weise, bis der Strom durch sie bleiben wird abgeschnitten. Öffnen der Schalter S2 schneidet den Strom an die Last und den SCR kehrt in seine AUS-Zustand. Eine sehr berechtigte Frage wäre: "Warum eine SCR überhaupt und gerade biegen die Last auf und mit dem Schalter S2?". Die Antwort ist, dass der Schalter S1 könnte die unter Teppich Druckkissen eines Einbruch-Alarm sein und es könnte einige Stunden betrieben werden, nachdem Schalter S2 geschlossen wurde, um den Alarm zu aktivieren. Aussteigen aus der Druck-Pad nicht zu stoppen der Alarm ertönt.
Während diese Art von DC Endschlag nützlich ist, ist es üblicher, um für einen SCR im Wechselstromkreis verwendet werden. Nehmen wir zum Beispiel die hier gezeigte Schaltung:

Die 120-Volt-Wechselstromversorgung kommen in der rechten Seite, ist an positiv werdenden sinusförmige Impulse durch die Diodenbrücke umgewandelt. Diese pulsierende Spannung an die Belastung / SCR Pfad angewendet. Wenn die Spannung am Pin 3 des Chips 555 niedrig ist, dann wird der SCR bleibt ausgeschaltet und kein Strom wird zu der Last zugeführt werden. Wenn die Spannung am Pin 3 geht hoch und die Spannung an den Belastung / SCR-Kette angewendet hoch ist, dann der SCR wird eingeschaltet, die Stromversorgung der Last, bis die pulsierende Spannung auf seine Null-Niveau wieder einige 1/120 einer Sekunde später.
Die 555 Chip verbunden ist, um einen monostabilen Multivibrator und die Steuerung-Komponenten (120K Widerstand und der Kondensator 10nF) veranlassen, einen Impuls, der 1 Millisekunde lang genug, um den SCR in seinem EIN-Zustand auszulösen auszugeben bilden, aber kurz genug, um beendet haben bevor das Netz Impuls erreicht seine Null-Spannungspegel wieder. Die 555 Chip wird durch die ansteigende Netzspannung an seinem Zapfen 2 durch die Spannungsteiler-100K und 120K Paar von Widerständen geleitet getriggert und synchronisiert, daß sie mit der AC-Wellenform. Pin 4 des Chips 555 verwendet werden, um die Last eingeschaltet und ausgeschaltet werden.
In der Schaltung oben gezeigt, wird die Diodenbrücke benötigt, um die eingehenden Wechselstrom-Wellenform, um pulsierende Gleichspannung nach rot in der Abbildung gezeigten, das die SCR kann aber nur Strom in einer Richtung zu konvertieren. Der AC angeschlossenen Geräte funktioniert genauso gut mit dem pulsierenden Gleichstrom wie bei einem ausgewachsenen AC Wellenform. Eine bessere Halbleiteraufbau ist die "Triac 'die wie zwei Vorrichtungen SCR Rücken-an-Rücken in einem einzigen Paket wirkt. Es wird, wie dies in Schaltplänen gezeigt,:

Es gibt drei Anschlüsse am Gerät: Klemme 1, Klemme 2 und das Gate. Wenn der Schalter "S" in dem Diagramm gezeigt geschlossen ist, leitet der Triac auf beiden positiven und negativen Spannungen, die an ihren MT1 und MT2 Klemme. Wenn der Schalter geöffnet ist, funktioniert das Gerät überhaupt nicht befragen.
Wenn die externe Schaltung mit Schalter "S" innerhalb der Einrichtung als einen permanent geschlossenen Kreislauf angeordnet ist, so ist das Gerät wird a 'Diac' mit dem ein Triac auszulösen und ergeben eine sehr saubere Schaltung zum Steuern der Leistung an einer Sache ueber AC-Netzgeräte wie hier gezeigt:

Hier steuert der variable Widerstand / Kondensator-Paar den Punkt auf der Wechselstrom-Wellenform, dass das Triac angesteuert wird und so steuert, wie viel von jedem sinusförmigen Zyklus an das Stromnetz Geräte weitergegeben, und so steuert die mittlere Leistung der Geräte zu übergeben. Eine sehr häufige Verwendung für eine Schaltung dieser Art ist die "Dimmer-Schalter 'mit Hausmüll Beleuchtung verwendet.
Um nun wieder auf die 741-Chip. Die 741 kann auch als astabiler multivibrator verwendet werden. Die Schaltung ist:

Die Rate der Schwingung dieser Schaltung wird durch den Widerstand der Aufschrift "R" in der Grafik und dem Kondensator mit der Aufschrift "C" geregelt. Je größer der Widerstand, desto geringer die Geschwindigkeit der Schwingung ist, desto größer wird der Kondensator, je niedriger die Geschwindigkeit der Oszillation.
Wenn das Ausgangssignal hoch, Kondensator C 'Ladungen steigt, bis die Spannung am übertrifft das mittleres Railspannung an Pin 3, zu welchem Zeitpunkt der Ausgang 741 niedrig wird. Der Kondensator entlädt sich über den Widerstand R tragen, bis die Spannung auf ihr Unterschreiten der Spannung am Pin 3, wobei zu diesem Zeitpunkt das Ausgangssignal wieder in den hochohmigen. Der 10K-Widerstand, der den Ausgang auf Pin 3 bietet einen gewissen positiven Rückmeldungen, die die Handlung 741 macht ganz wie ein Schmitt-Auslösen, Schärfen das Schalten.
Die gleiche Anordnung von Widerstand und Kondensator, die auf eine Schmitt-Inverter bzw. Schmitt NAND-Gatter bewirkt genau das gleiche Oszillation:

Wenn Sie möchten, um zusätzliche Möglichkeiten der Nutzung 741 und 555 Chips sehe, kann ich empfehlen ausgezeichnetes Buch "Elementare Electronics" von Mel Sladdin und Alan Johnson ISBN 0 340 51373 X
Hier ist ein sehr gut getestet und hoch dachte, Low-Cost-Oszillatorschaltung mit einem 74HC14 Schmitt Inverter-Chip. Es ermöglicht eine Feinabstimmung Steuerung der Frequenz und der Impulsbreite erzeugt. Drei der Wechselrichter miteinander zu einer stärkeren Ausgangsstrom Antrieb geben verbunden:

Eine sehr nützliche CMOS-IC ist der '4022'-Chip ist ein 16-poliger 'Teilen durch 8' Chip mit integrierten Dekodierung. Die Verbindungen sind:

Wenn Pin 14, mit der Ausgabe von einige Vielzahl der astabile Multivibrator, am ersten Puls bereitgestellt wird, setzt dieser Chip die "0", der Ausgang an Pin 2 auf High, während die anderen Ausgaben niedrig sind. Am nächsten Puls die "0" Ausgabe niedrig und die "1"-Ausgang an Pin 1 geht hoch. Am nächsten Puls Ausgang "1" niedrig und die "2" Ausgabe auf Pin 3, geht hoch. Und so weiter, bis Ausgabe "7" auf Pin 10 auf die achte Puls niedrig geht und Ausgang "0" wieder hoch geht.
Der Chip kann auch durch niedrigere Zahlen dividieren:
Verbinden Sie für 'Teilen durch 7' Betrieb Pin 10 mit Klemme 15 (Dadurch wird die Ausgabe auf '0' zurückgesetzt)
Verbinden Sie für 'Division durch 6' Betrieb Pin 5 Pin 15
Verbinden Sie für 'Division durch 5'-Bedienung 4-polig mit Klemme 15
Verbinden Sie für 'Division durch 4' Betrieb 11-polig mit Klemme 15
Verbinden Sie für 'Division durch 3' Betrieb 7-polig mit Klemme 15
Verbinden Sie für 'Division durch 2' Betrieb Pin 3 mit Pin 15
Wollen Sie eine 'Division durch 1'-Schaltung, schlage ich vor, Sie reduzieren auf die Menge an Alkohol, die Sie trinken.
Hier ist eine Abbildung eines 'Division durch 4'-Setups:


Es gibt eine Reihe von Dingen zu im obigen Diagramm bemerken. Erstens haben die praktischen Vorkehrungen für die Schaltung nicht, bevor betont. Wenn die Schaltung hat einen Impulsschaltung Zeichnen Starkstrom, wie durch die dicke rote Pfeile dargestellt, dann sollte es physisch an die Batterie angeschlossen werden und jede Low-Current-Schaltung sollte weiter weg von der Batterie. Die Versorgung von der Batterie sollte eine Sicherung oder ein Schutzschalter und einen Schalter in der Leitung, bevor irgendetwas anderes angeschlossen ist, so dass, wenn eine Komponente ein Fehler auftritt und geht Kurzschluss, wird die Sicherung durchbrennen und verhindern, dass erhebliche Probleme.
Zweitens ist es eine gute Idee, die andere Schaltung mit einer geglätteten Stromversorgung bereitzustellen, wie durch die blauen Komponenten in dem Diagramm gezeigt. Dies minimiert den Effekt, wenn die Batteriespannung wird die von der Taktung des Hochstrom-Schaltung gezogen. Die Diode (Silizium, 1 Amp, 50 V) stoppt den schweren Stromkreis mit Strom aus dem großen Glättungskondensator. Der 100-Ohm-Widerstand begrenzt den Strom in den großen Kondensator am Ein-und bietet ein wenig mehr Glättung. Diese Schaltung wird als "de-Kopplung", wie es de-Paare der niedrige Strom-Schaltung aus dem hohen Strom-Schaltung.
Drittens bemerkt Kondensator "C1", die physisch verdrahtet ist, wie die Versorgungsanschlüsse der integrierten Schaltung nahe wie möglich ist. Wenn eine Spitze auf die Batterie-Stromversorgung überlagert wird, dann dieser Kondensator saugt es auf und verhindert, dass es zu beschädigen oder das Auslösen der integrierten Schaltung. Eine Spitze konnte durch eine sehr starke magnetische Puls der Nähe wie das kann eine zusätzliche Spannung in den Batteriekabel Erbrechen verursacht werden.
Der untere Teil des Diagramms zeigt die Ausgabe produziert Spannungen die Taktimpulse Pin 14 des Chips zu erreichen. Die positiv werdenden Teil des Taktsignals löst die Änderung des Zustands der Ausgänge. Falls erforderlich, bewirkt ein positiv gehender Impuls auf die Reset-Pin, Pin 15, Ausgang "0" auf High geht und die anderen Ausgänge auf niedrig geht.
Nun, nehmen Sie diesen Ausgang Sequenzierung ein wenig weiter. Zum Beispiel muss die Charles Flynn Magnetmotor in Kapitel 1 dargestellten Spulen mit Strom versorgt werden, einen nach dem anderen und nur einer sollte auf einem beliebigen Zeitpunkt. Dies erfordert eine Schaltung, die eine Vielzahl von Ausgängen aufweist. Die CD4022BC Chip ergeben bis acht Ausgänge nacheinander. Die CD4017B Chip ergeben bis zehn Ausgänge nacheinander aber es gibt keine Notwendigkeit, die von diesen Zahlen als mehr als ein Chip verwendet werden kann begrenzt werden. Wenn Sie diesen Abschnitt schwer zu verstehen, zu finden, dann überspringen Sie einfach vorbei zum nächsten Abschnitt, da es nicht wichtig, dass Sie diese größeren Schaltungen zu verstehen.
Die Pin-Anschlüsse für die Division durch zehn CD4017B Chip wird hier gezeigt:

Dies zeigt, Ausgänge 1 bis 10, die Hersteller und einige Leute, die Schaltungen zu ziehen, um die Ausgänge kennzeichnen lieber "0 bis 9", die digitale Displays entsprechen. In unserem Stil Betrieb ist es einfacher, den zehn Ausgänge von 1 bis 10 Think.
Sie werden feststellen, dass es zwei pin Etiketten, die wir nicht begegnet bin früher gekommen, nämlich die Übertragen Stift und die Taktfreigabesignal-Pin. Diese ermöglichen es uns, einige dieser Chips in einer Reihe zu verwenden, um eine viel größere Kluft-by-Nummer geben. Das Taktfreigabesignal Stift kann der Takteingang zu blockieren. Die Funktionsweise ist wie folgt:

In diesem Beispiel wird die Sequenz der Reset-Pin wird eine Hochspannung gegeben, wie die grüne Schattierung gestartet. Dies drückt den Filterausgang 1 zu einer hohen Spannung und alle anderen Ausgänge auf eine niedrige Spannung und hält diese Spannungen, solange die zurücksetzen-Spannung hoch ist.
Wenn die Reset-Spannung fällt, wird die weiter steigende Flanke von der Takt ("1" im Diagramm markiert) die Ausgabe 1 zu gering und Ausgang 2 hoch gehen. Jede der aufeinanderfolgenden Uhr Impulse bewegt "2" bis "9" die Hochspannung stetig entlang der Ausgänge bis Ausgangspin 10 hoch ist.
Der nächste Takt steigender Flanke ("10" im Diagramm markiert) beginnt die Sequenz wieder mit 10 fallend-Ausgang und Ausgang 1 wieder steigend. Wenn sich nichts ändert, wird die Reihenfolge der Ausgabe Spannungsänderungen auf unbestimmte Zeit fortgesetzt.
Jedoch ist im obigen Diagramm die Clock Enable Pin Spannung hoch auf-Takt "11" Gefahren. Ausgang 2 hat gerade hoch gegangen und hätten niedriger als die steigende Flanke der Uhr Puls "12" aufgetreten, aber in diesem Fall die Clock Enable-Funktion blockiert der Takt und verhindert, dass es den Rest der Schaltung zu erreichen. Dies bewirkt, dass die Ausgangsspannung 2 hoch bleiben, solange die Uhr ermöglichen hoch bleibt. In diesem Beispiel die Clock Enable-Spannung bleibt hoch für nur einen Takt, wodurch die Ausgangsspannung 2 hoch für zweimal seine üblichen Länge, und dann die Sequenz weiter wie bisher.
Hier ist ein Weg, um eine Vielzahl "Kluft-by". Dieses Beispiel ist Kluft-von-25, weil es nur eine Zwischenstufe aber es beliebig viele sind und jeweils zusätzliche eine weitere acht Ausgänge auf den Gesamtbetrag fügt:

Beim Start ist der Ausgang 10 der ersten Stufe (die physikalische Pin 11 des Chips) mit einer niedrigen Spannung. Dies hält das Taktfreigabesignal (Pin 13) niedrig ist, so dass die Taktpulse, die erste Stufe in Kraft. Da der Ausgang 10 niedrig ist, ein Eingang mit dem ersten UND-Gatter niedrig gehalten wird verhindert, dass er den Zeittakt lassen durchströmt, dh das "Gate" ist durch den Verkehr gesperrt.
Die erste Stufe Chip arbeitet dann als normal, produzierende Ausgänge 1 bis 9 in Ordnung als man erwarten würde. Der nächste Taktimpuls STES die erste Stufe Ausgang 10 hoch, so dass die Taktimpulse durch das erste UND-Gatter und Halten das Taktfreigabesignal (Pin 13) hoch, was wiederum sperrt der Ausgang 10 hoch, Fallenlassen des ersten Stufe Chip aus dem Betrieb .
Da der Ausgang 1 der ersten Stufe zu der Rücksetzen (Pin 15) des zweiten Chips verbunden ist, wird sie gelöscht worden sind und dessen Ausgang ein Satz hoch, was wiederum die dritte Setzt Chip und schließt das zweite UND-Gatter. Also, wenn der erste Impuls durch den zweiten Chip erhält, drückt er es vom Zustand 1 in den Zustand 2, wo der Ausgang 2 hoch geht. Aus diesem Grund ist der Ausgang 1 des zweiten Chip nicht mit einem der Ausgänge, die mit jeglichen nachfolgenden Schaltung, auf die sie diesem System verwendet werden können, herstellen. Folglich sind nur acht der zehn Ausgänge des zweiten Chips als Zählerausgänge. Das heißt, die Ausgänge 1 und 10 bis in das Bestehen der Schaltfolge zwischen den verschiedenen Chips in der Kette.
Das gleiche gilt für alle folgenden Chips in der Kette, wobei jede zusätzliche Chip Zugabe von bis zu acht zusätzliche sequentielle Ausgänge. Auf der letzten Etappe Chip, wenn Sie die rote Reset-Leitung (die geht zurück zu feuern den ersten Chip wieder) eine Verbindung zum Ausgang 9 anstelle von Ausgang 10 des abschließenden Chip, dann bekommst du eine Division durch-24 Ergebnis.
Wenn der Rücksetzen vom Ausgang 8 der letzten Chips genommen wird, dann erhalten Sie eine Dividieren durch-23 Ergebnis, und so weiter. Mit dieser Methode können Sie einen Dividieren-Durch-Schaltung für jede Zahl, die Sie wollen. Diese Chips sind sehr beliebt und so ihre Kosten niedrig, so dass die gesamte Schaltung billig zu machen. Die Pin-Anschlüsse für die UND-Gatter wird hier gezeigt:

Im
Laufe der Jahre gab es Fortschritte in der Weise, dass Schaltungen
zusammengestellt werden können, Prototypen gebaut und getestet. Zunächst wurden
"Ventile" oder "Röhren" verwendet und Stromkreise nötig ein
gutes Geschäft von elektrischer Energie, um funktionieren. Mechanischen
Vibratoren oder "schilf" wurden verwendet, um das Schalten
erforderlichen Gleichstrom in Wechselstrom umzuwandeln erzeugen. Dann wird der
Transistor wurde weithin verfügbar und der Transistor ersetzt den mechanischen
Vibrator Schilf, wobei die Schaltung als eine "astabiler
Multivibrator" und bestehend aus zwei Transistoren Rücken an Rücken (wie
in Kapitel 12 beschrieben) verdrahtet. Dann kam die digitale integrierte
Schaltung mit seinen "NOR-Gatter", die auch Kabel wieder werden
könnten, um zurück zu einem Multivibrator machen. Dies wurde so oft, dass eine
spezielle integrierte Schaltung als "555-Chip" wurde entwickelt, um
die Arbeit alle auf ihre eigene zu tun getan. Das Chip war ein großer Erfolg
und ist nun in allen möglichen verschiedenen Schaltungen gefunden, ist sehr
einfach zu bedienen, sehr robust und sehr billig. Überraschenderweise wird die
marktbeherrschende Stellung der "555"-Chip von einer ganz anderen Art
von Chip, ein, die im Wesentlichen ein Computer auf einem einzigen Chip, und
die ist ein PIC-Controller genannt herausgefordert.
Diese
neue Art von Chip ist nicht teuer, einfach zu bedienen und kann geändert
werden, um eine andere Aufgabe in wenigen Sekunden durchzuführen. Es kann seine
Zeitsteuerung Aufgaben. Es kann als Multivibrator handeln. Es kann als ein
"Divide-by-N"-Chip handeln. Es ist eine sehr beeindruckende Chip, der
sehr nützlich ist. Der Grund, dass ich es hier erwähnen, weil es im Herzen der
am schnellsten arbeitet Tesla Schalter Forschung Forum rund um (die
"energetische forum"-Gruppe) ist. Der Chip ist etwas, das Sie
brauchen, um über, wie es wird sicherlich mehr und mehr Schaltung Anwendungen
in den kommenden Jahren kennen.
Es
gibt eine ganze Familie dieser Prozessor-Chips, aber ich werde nur ein für
diese Beschreibung zu wählen, und das wird die ein durch die "energetische
Forum" Mitglieder verwendet werden, und ich muss Jeff Wilson für seine
Hilfe danken Beschreibung dieser Schaltung , die Programmierung und die
Methoden, die er verwendet.
Zunächst
jedoch einige Informationen über dieses neue Design von Chip und die Methoden
mit der sie verwendet. Der von Jeff verwendet wird, heißt das
"PICAXE-18X" und es sieht aus wie der Chip hier gezeigt. Von denen
man sehen kann, sieht es genauso wie jeder andere Chip, allerdings mit achtzehn
Pins. Die starke Leistung kommt von der Art, wie es funktioniert. Sie sind
wahrscheinlich mit dem "555"-Chip und zu verstehen, dass sie durch
Ändern der Spannung auf nur eine seiner Stifte (Kontaktstift 3) der
Ausgangspin, von einer niedrigen Spannung auf eine hohe Spannung arbeitet. Die
PIC-Chip kann auch so verfahren, aber noch besser, hat es mehr als einen
Ausgangspin und es kann die Spannung an einem dieser Stifte zu verändern, um
eine hohe oder eine niedrige Spannung und es kann entweder das zu tun in
beliebiger Reihenfolge und mit einem Zeitpunkt, die Sie wählen. Dies macht es
ein sehr vielseitiges Chip Tat und eine, die sehr gut geeignet für die zentrale
Steuerung für eine Tesla-Schalter Testumgebung ist.
Der
Chip wird durch die Verdrahtung es in einer Schaltung in der gleichen Art und
Weise verwendet, dass eine 555-Chip verwendet werden würde, außer dass der PIC
hat seinen eigenen internen Taktgeber und kann in Intervallen von einer
tausendstel Sekunde, das heißt, ein Betrieb Millisekunden.

Die
acht Pins sind für die Herstellung der Chips Arbeit. Die nächsten beiden sind
zur Bereitstellung des Chips mit elektrischer Energie. Die unteren acht Stifte
sind separate Ausgänge, von denen jeder einzelne Schalter arbeiten kann,
Zeiten, usw., ebenso wie der Ausgang von einem 555-Chip kann. Nachdem sie von
Computer Menschen benannt worden, anstelle der acht Ausgangs-Stifte 1 bis 8
nummeriert jeder vernünftige Mensch tun würde, sie haben sie 0 bis 7 durchnummeriert.
Die
Spannung an den Ausgangs-Pins wird entweder hoch oder niedrig. PIC Umschaltung
kann mit einer Vielzahl von unterschiedlichen freien Energie Designs verwendet
werden. Die PIC-Chip wird im Allgemeinen mit einem Sockel, einer Verbindungsleitung
und einem Programm zum Zuführen Instruktionen in den Chip zugeführt. Das Futter
ist in der Regel von einem gewöhnlichen PC. Die Programmierung Anweisungen sind
sehr einfach und jeder kann lernen, wie man sie in nur wenigen Minuten
einsatzbereit.
Lassen
Sie uns also auf einer Strecke, die von Jeff verwendet wurde, als er Prototypen
Schaltung testet aussehen. Der erste Teil der Schaltung ist zum Verbinden des
Standard-PC-Buchse an den PIC-Chip, und es sieht so aus:

Ein
9-Pin-PC-Anschluss hat seinen Pin 2 des PIC Pin 2, Pin 3 des PIC Pin 3 über ein
10K / 22K Spannungsteilerwiderstand Paar (was senkt das eingehende Signal
Spannung) und Pin 5 verbunden ist des PIC Pin 5. Das ist alles, was benötigt
wird, um Informationen in die PIC-Chip Feeds.
Der
Chip wird von einem 12-Volt-Batterie geliefert, aber da es eine
5-Volt-Versorgung, die 100/150 Ohm (2 Watt) muss Widerstand Paar wird
verwendet, um die 12 Volt Dropdown etwa 7 Volt und dann die 5,1-Volt-Zener
Diode Klemmen die Spannung auf 5,1 Volt, die genau das, was die
Chip-Bedürfnisse. Der winzige 10 nF (0,01 Mikrofarad) Kondensator ist dazu da,
die eventuell Spannungsspitzen jeder sollte von einer Einflussnahme von außen
aufgenommen werden. Schließlich wird der Druckknopf-Schalter verwendet werden,
um Kurzschluss zwischen Pin 4 und 5 verwendet, um auszulöschen das Programm
innerhalb des PIC, bereit für ein neues Programm geladen werden.
Die
eigentliche Programmierung ist nicht schwierig und das Futter in den Chip wird
durch das Programm mit dem Chip versorgt und die auf Ihrem Computer zu Hause
ausgeführt werden behandelt. Nehmen wir ein Beispiel. Angenommen, wir wollen
den Ausgang an Pin 10 als ein Taktsignal handeln. Die Leute, die den Chip
hergestellt erwarten, dass Pin genannt "Output 4" in dem Programm.
Bitte fragen Sie
Alles
klar, wir annehmen wollen, um ein Ausgangssignal wie ein 555-Chip läuft bei 50
Hz zu erzeugen. Wir wählen eine unserer Ausgangs-Pins, sagen wir, die
physikalische Pin 10, nämlich die rechte untere Pin auf dem Chip. Wie Sie aus
dem Stift Diagramm des Chips gezeigt oben sehen können, wird der Stift 10 als
"Ausgang 4" in einer Reihe von Befehlen, oder einfach nur
"4", um Tipparbeit zu sparen. Das Programm könnte:
high 4
pause 10
low 4
pause 10
goto
Wow
- wirklich schwer stuff!! Nur ein Genie könnte Programm zu verwalten! Nun, wir
werden sehen, ob wir kämpfen können zusammen mit diesem "schwierigen"
stuff.
Die
"Main:" am Anfang ist
ein "Label", das und das wird durch die "goto Main"-Befehl, der den Chip sendet die
Befehle in der Endlosschleife zu wiederholen (oder bis der Chip
heruntergefahren wird getan sprang werden ).
Die
zweite Zeile "high 4" sagt dem Chip, um den maximal möglichen
Spannung am "Ausgang 4", die die physikalischen Stift 10 des Chips
gelegt. Der Chip tut dies sofort, ohne Zeitverzögerung.
Wenn
wir die Ausgabe in eine 50 Hz Ausgangssignal geben wollen, dann ist die
Spannung auf dem eingeschlagenen Ausgangspin müssen hoch, Pause gehen, gehen
tief, Pause und gehen wieder hoch, 50 mal pro Sekunde. Da es 1.000
Millisekunden in einer Sekunde, und der Chip die Uhr läuft mit 1 Millisekunde
Zecken, dann müssen wir unseren kompletten Zyklus der "up, Pause, unten,
Pause" zu 50-mal in jenen 1.000 Ticks passieren. Das heißt, sobald alle 20
Zecken, so dass jede Verzögerung wird 10 Taktzyklen lang.
Die
dritte Zeile "pause 10" erzählt die Chips auf seinen Händen sitzen
und nichts zu tun für die nächsten 10 Ticks es die interne Uhr (die Zecken
1.000 Mal pro Sekunde).
Die
vierte Zeile "low 4" sagt dem Chip, um die Ausgangsspannung auf es
"Ausgang 4" (Pin 10 in der Realität) an seinen Minimalwert
abzusenken.
Die
fünfte Zeile "pause 10" erzählt die Chips für 10 Millisekunden, bevor
irgendetwas anderes zu warten.
Die
letzte Zeile "goto

Daraus
ergibt sich ein noch Wellenform, das heißt, ein mit einem Ein / Aus-Verhältnis
von 50:50 oder einem Duty Cycle von 50%. Wenn wir die gleiche Rate von Pulsen,
sondern ein 'Duty Cycle' von nur 25% wollen, dann würde das Programm sein:
high 4
pause 5
low 4
pause 15
goto
was
erzeugt diese Wellenform:

Wenn
Sie "Output 7" (physikalischen Pin 13) auf der Rückseite dieser zur
gleichen Zeit tun wollte - das ist, wenn Ausgang 4 hoch geht wollen wir Ausgang
7 zu gehen gering, und umgekehrt, dann für eine 20% Einschaltdauer Zyklus des
Programms wäre:
high 4
low 7
pause 4
low 4
high 7
pause 16
goto
Diese
Ausgangsspannungen werden dann in genau derselben Weise wie die
Ausgangsspannungen an Pin 3 eines 555-Chip, oder einen der Ausgänge der
NAND-Gatter, Hall-Effekt-Sensor-Chips, Schmitt-Auslösen, oder was auch immer
verwendet. Wenn das Gerät mit Strom versorgt werden benötigt sehr wenig Strom,
so ist die einfachste Methode ist, um die Last direkt mit dem Ausgangspin.
Wenn,
wie dies meistens der Fall ist, muss das Gerät mit Strom versorgt werden, um
einen großen Strom, damit es funktioniert, dann ist die Ausgangsspannung ist,
zum Antrieb eines Transistors verwendet, beispielsweise so:

Hier
ist der Widerstand "R1" begrenzt den Strom gespeisten in die Basis
des Transistors, wenn der Stift 10 hoch geht, sondern erlaubt genügend Strom
für den Transistor auf vollständig umzuschalten, die Stromversorgung der Last.
Der Widerstand "R" stellt sicher, dass der Transistor schaltet sich
vollständig, wenn der Ausgang an Pin 10 niedrig wird. Die Schaltung wie
dargestellt begrenzt die Belastung zu einem gewissen Teil der Ausrüstung, die
auf nur fünf Volt betrieben werden kann, so dass eine alternative Schaltung
könnte:

Dies
ermöglicht, was die Last-Spannung an die Last angelegt werden, während die
PIC-Chip bleibt darauf laufenden normalen 5-Volt-Versorgung muss. Jedoch kann
die Ausrüstung versorgt werden nicht in der Lage, eine gemeinsame Spannung Null
Verbindung mit dem PIC zu haben. Um dies zu umgehen, kann eine optische
Trennung Chip wie folgt verwendet werden:

Hier
eine hohe Ausgangsspannung auf Pin 10 der PIC-Chip leuchtet die LED innerhalb
der Opto-Isolator-Chip, wodurch eine deutliche Verminderung im Widerstand
zwischen den beiden anderen Zapfen. Dies verursacht einen Strom durch den
Widerstand "R" in die Basis des Transistors zugeführt werden
gesteuert, Einschalten und die Stromversorgung der Last.
Kürzlich
ist ein sehr beliebter programmierbaren Chip eingeführt worden. Man nennt sie
die "Arduino" und es ist schnell und vielseitig und sehr beliebt bei
Experimentatoren. Es gibt eine umfangreiche Reihe von englischsprachigen
Video-Tutorials auf der Arduino-Chip, der erste in der Reihe von Jeremy Blum http://www.youtube.com/watch?v=fCxzA9_kg6s. Die Platine sieht wie folgt aus:

Wir haben vermieden, Kondensatoren in jedem Detail, wie es noch nie für das Verständnis der Schaltung bedeckt, so weit notwendig. Kondensatoren kommen in vielen Größen, Typen und Fabrikate. Ihre Größe wird in 'Farad' angegeben, aber die Farad ist eine sehr große Einheit, ist es unwahrscheinlich, einen Kondensator in etwas größer als ein Mikrofarad, die ein Millionstel einer Farad ist geprägt begegnen. Das Symbol für ein Mikrofarad ist mu-F, wo 'mu' ist der Buchstabe des griechischen Alphabets (μ). Dies ist eine erhebliche Belästigung für normalen Text Produktion als griechische Buchstaben nicht in Ihre durchschnittliche font auftreten. Einige Schaltpläne aufgeben 'mu' und schreiben Sie einfach als uF das wie folgt aussieht mu-F leicht falsch gedruckt, wo die Unterlänge des mu nicht gedruckt hat.
Wie auch immer, sehr große Kondensatoren, die Sie reichen von 5000 Mikrofarad, um vielleicht so viel wie 20.000 Mikrofarad auftreten können. Große Kondensatoren reichen von 10 Mikrofarad bis 5000 Mikrofarad. Mittelgroße Kondensatoren laufen von 0,1 Mikrofarad auf etwa 5 Mikrofarad und kleine Kondensatoren sind diejenigen unter 0,1 Mikrofarad.
1000 nF ('nF') = 1 Mikrofarad.
1000 Picofarad ('pF') = 1 Nanofarad
also:
0,01 Mikrofarad kann als 10nF geschrieben werden
0,1 Mikrofarad als 100 n geschrieben werden
0.1nF kann als 100pF geschrieben werden
Kondensatoren größer als 1 Mikrofarad tendenziell "polarisierte". Mit anderen Worten hat der Kondensator ein '+'-Anschluss und ein '-' Anschluss und es ist nicht egal, welchen Weg um dich anschließen. Die größeren Kondensatoren haben eine Nennspannung und dies sollte nicht überschritten werden, da der Kondensator beschädigt werden und möglicherweise sogar völlig zerstört werden. Kondensatoren können addiert werden, aber überraschend, fügen sie in umgekehrter Weise mit Widerständen:


Wenn zwei Kondensatoren in Reihe geschaltet, wie in Beispiel 1 oben gezeigt, wird die Gesamtkapazität während die Nennspannung zunimmt. Die Verringerung in der Kapazität ist gegeben durch:
1/Ct = 1/C1 + 1/C2 + 1/C3 + .....
In Beispiel 1 ist, dann, 1/total Kapazität = 1/100 + 1/100 oder 1/Ct = 2/100 oder 1/Ct = 1/50
so dass die Gesamtkapazität verringert sich von 100 Mikrofarad bis 50 Mikrofarad. Der Vorteil in der Verdrahtung der Kondensatoren wie dieser ist, daß die Nennspannung ist nun bis 32V (16V über jedem der Kondensatoren) erhöht.
In Beispiel 2 wurde die Gesamtkapazität auf ein Drittel reduziert, aber 100 Mikrofarad die Nennspannung verdreifacht.
In Beispiel 3 werden die Kondensatoren parallel geschaltet. Die Spannungsfestigkeit ist unverändert, aber die Gesamtkapazität ist nun die Summe der drei Kondensatoren, nämlich 300 Mikrofarad.
Es besteht keine Notwendigkeit für die Kondensatoren auf ähnliche Werte haben, werden dort lediglich auf diese Weise in den Beispielen gezeigt, um die arithmetische leichter und nicht ablenken von den Möglichkeiten, in denen die Kondensatoren zusammen interagieren.
Gelegentlich muss eine Schaltung einen großen Kondensator, der nicht polarisiert ist. Dies kann, indem zwei polarisierten Kondensatoren back-to back wie diese zur Verfügung gestellt werden:

Wenn die Kondensatoren auf diese Weise verbunden sind, spielt es keine Rolle, welches Ende des Paares ist mit der positiven Seite der Schaltungsplatte und die mit der negativen Seite verbunden ist.
Die Zeit ist reif für eine ernste Warnung kommen: Hohe Spannungen sind sehr, sehr gefährlich. Werden Sie nicht so vertraut mit ihnen, dass Sie sie behandeln lässig. Hochspannung kann dich töten. Kondensatoren sind in der Lage den Aufbau hoher Spannungen und einige gute Marken kann die Gebühr für mehrere Tage zu halten.
Insbesondere, versuchen Sie nicht, um Anpassungen zu machen, oder nehmen Sie Teile aus, die innerhalb eines TV-Gerätes. Ein Schwarz-Weiß Fernseher nutzt 18.000 Volt auf die magnetischen Spulen verwendet werden, um das bewegte Bild auf dem Rohr zu schaffen. Ein Kondensator im Inneren des Geräts kann durchaus, dass die Spannung auf sie 3 Tage nach Ablauf der eingestellten zuletzt verwendet wurde. Nicht um in einem TV-Gerät nicht täuschen, es könnte dich töten schnell, oder wenn Sie wirklich Pech haben, es könnte Ihnen für das Leben verletzen. Ein Farb-TV nutzt 27.000 Volt auf die Spulen im Inneren zu betreiben und das wird braten Sie in jig Zeit, wenn man sie berührt.
Auch denken Sie bitte nicht, dass Sie sicher sind, wenn Sie nicht ganz berühren; 27.000 Volt kann über einen Spalt, um Ihre Hand zu springen. Wenn Sie eine TV-Kondensator mit einem Metall-Schraubendreher mit Holzgriff entladen versuchen, stellen Sie bitte sicher, dass Sie eine Krankenversicherung auf dem neuesten Stand, bevor Sie es tun. Sie können einen kräftigen Schlag durch den Schraubendreher Griff bekommen.
Spannungen bis
24 Volt sollte sicher sein. Allerdings werden einige Schaltungen
erzeugen sehr hohe Spannungen führen, auch wenn die Batterie fahren die
Schaltung niedrige Spannung. Ein Standard-off-the-shelf Inverterschaltung
produziert 240 Volt AC aus einer 12 Volt Batterie. Nur weil die Batterie nur 12
Volt bedeutet nicht, dass die
Schaltung nicht gefährlich ist. Schaltungen, die Spulen in sich haben können
hohe Spannungen, insbesondere wenn sie großen Kondensatoren enthalten. Die
Spannung, die den Funken in Ihrem Automotor produziert, ist sehr hoch, und es
kommt aus der 12-Volt-Autobatterie. Sie wissen genug über dieses inzwischen, so
achten!
Die weiter fortgeschrittenen Zeug:
Sie brauchen nicht zu diesem Abschnitt Mühe, wenn Sie gerade erst anfangen, mit einigen grundlegenden Schaltkreise des Typs bereits in diesem Tutorial beschrieben, so wenden Sie sich bitte diesen Abschnitt überspringen und fahren Sie mit dem "Prototypenbau" Abschnitt, werden Sie sofort finden nützlich.
Dieser
Abschnitt ist eine leichte Einführung in die Wechselstrom-Schaltungen und
gepulste Gleichstrom Schaltungen. Lassen Sie
Wechselstrom
wird so genannt, weil die Spannung von dieser Art der Stromversorgung nicht ein
konstanter Wert ist. Eine Autobatterie, zum Beispiel, das Gleichstrom und hat
eine ziemlich konstante Spannung in der Regel etwa 12,8 Volt, wenn es im voll
geladenen Zustand. Wenn Sie ein Voltmeter angeschlossen über eine Autobatterie
und beobachten Sie es, wird die gemessene Spannung nicht ändern. Minute für Minute heißt es genau das gleiche, weil
es ein Gleichstrom-Quelle.
Wenn Sie eine Wechselstrom-Voltmeter verbinden über ein Wechselstrom Stromversorgung, es zu geben eine konstante Anzeige, aber es ist eine Lüge. Die Spannung ändert sich die ganze Zeit trotz dieser stetigen Zählerablesung. Was das Messgerät macht Annahme, dass der Wechselstrom-Wellenform eine Sinuswelle wie folgt lautet:

und auf der Grundlage dieser Annahme ist, zeigt er eine Spannung Lesung, die als "Root Mean Square" oder "RMS"-Wert. Die größte Schwierigkeit mit einer Sinuswelle ist, dass die Spannung unter Null Volt für genau die gleiche Länge der Zeit, da es über null Volt ist, so, wenn Sie es im Durchschnitt, ist das Ergebnis null Volt, die nicht zu einem befriedigenden Ergebnis, da kann man einen Schock bekommen von ihm und so kann es nicht Null Volt, egal, was das arithmetische Mittel ist.
Über dieses Problem zu umgehen, wird die Spannung tausendmal pro Sekunde gemessen und die Ergebnisse quadriert (das heißt, der Wert von selbst multipliziert wird), und dann diese Werte werden gemittelt. Dies hat den Vorteil, dass, wenn die Spannung etwa minus 10 Volt ist und man es zu quadrieren, die Antwort plus 100 Volt liegt. In der Tat, alle Antworten positiv sein, was bedeutet, dass man sie addieren, durchschnittlich sie und bekommen eine vernünftige Ergebnis. Allerdings beenden Sie mit einem Wert, der viel zu hoch, weil man jede Messung quadriert, und so müssen Sie die Quadratwurzel aus diesem Durchschnitt (oder "mittlere") Wert zu nehmen, und das ist, wo die Phantasie klingenden "quadratische Mittelwert "Name kommt aus - Sie nehmen die (Quadrat) Wurzel des (durchschnittlichen oder) Mittelwert der quadrierten Messungen.
Mit einer Sinuswelle wie diese, sind die Spannungsspitzen 41,4% höher als der RMS-Wert, die jeder spricht. Dies bedeutet, dass, wenn Sie 100 Volt Wechselstrom speisen über einen Gleichrichter Brücke von vier Dioden und speisen ihn in einem Kondensator die Kondensatorspannung nicht 100 Volt Gleichstrom, sondern es wird 141,4 Volt Gleichstrom sein, und Sie müssen daran denken, dass bei der Wahl der Nennspannung des Kondensators. In dieser Instanz würde ich vorschlagen, einen Kondensator, der bereits mit Spannungen bis zu 200 Volt zu betreiben ist.
Sie haben wahrscheinlich schon wusste, all das, aber es kann nicht daran gedacht, dass, wenn Sie einen Standard-Wechselstrom-Voltmeter auf einer Wellenform, die nicht eine Sinuswelle, dass das Lesen auf dem Messgerät sehr unwahrscheinlich zu sein korrekt ist oder irgendwo in der Nähe richtig gewesen . Also, bitte nicht lustig Anschluss eines Wechselstrom Voltmeter über eine Schaltung, die für gestochen scharfen Spannungsspitzen, wie zum Beispiel eine Batterie pulsierenden John Bedinis Schaltungen, und denken, dass der Zählerstand nichts (außer was bedeutet, dass Sie nicht tun, bedeutet verstehen, was du tust).
Sie wird hoffentlich haben gelernt, dass Leistung in Watt durch Multiplikation der Strom in Ampere durch die Spannung in Volt bestimmt. Zum Beispiel, 10 Ampere Strom aus einer 12-Volt-Stromversorgung, stellt 120 Watt Leistung. Leider die nur gilt für Schaltungen, die auf Gleichstrom oder Wechselstrom Schaltungen, die nur Widerstände in ihnen in Betrieb sind. Die Situation ändert sich für Wechselstrom-Schaltungen, die nicht resistiven Komponenten in ihnen haben.
Die Schaltungen dieser Art, die Sie wahrscheinlich stoßen sind Schaltungen, die Spulen in ihnen haben, und Sie müssen wissen, was Sie tun, wenn Sie mit dieser Art von Schaltung umzugehen denken. Betrachten wir zum Beispiel diese Schaltung:

Dies ist der Abschnitt "Ausgabe" eines Prototypen, die Sie gerade erstellt haben. Die Eingabe der Prototyp ist Gleichstrom und Maßnahmen bei 12 Volt, 2 Ampere (die 24 Watt). Ihre Wechselstrom-Spannungsmesser auf die Ausgabe liest 15 Volt und Ihre Wechselstrom-Amperemeter liest 2,5 Ampere und Sie freuen sich, weil 15 x 2,5 = 37,5, die aussieht, viel größer als die 24 Watt Leistungsaufnahme. Aber, kurz bevor Sie aus Rauschen gehen auf YouTube bekannt, dass Sie einen Prototyp mit COP gemacht haben = 1,56 oder 156 % Wirkungsgrad, müssen Sie die Tatsachen zu berücksichtigen.
Dies ist eine Wechselstrom-Schaltung, und wenn Ihr Prototyp eine perfekte Sinuskurve produziert, wird die Wechselstrom-Spannungsmesser-Lesung bedeutungslos sein. Es ist nur möglich, dass Ihre Wechselstrom-Amperemeter ist einer der wenigen Typen, die genau messen können, die aktuelle egal welche Art von Wellenform an sie verfüttert wird, aber man kann deutlich, dass es ein digitaler Meter das beurteilt durch Messung der Spannung Wechselstrom über einen Widerstand in Reihe mit der Ausgabe aktuell sein und wenn das der Fall ist, vorausgesetzt es wird wahrscheinlich eine Sinuskurve. Die Chancen stehen, dass beide Lesungen falsch sind, aber nehmen wir den Fall, wo wir große Meter haben, die die Werte vollkommen korrekt lesen. Dann wird die Ausgabe 37,5 Watt sein, nicht wahr? Nun, nicht wirklich, Nein, es. Der Grund dafür ist, dass die Schaltung den Transformator wickeln einer Spule ist Fütterung und Spulen nicht funktioniert so ist.
Das Problem ist, dass, im Gegensatz zu einem Widerstand beim Anwenden einer Spannung in einer Spule beginnt die Spule Energie absorbieren und Einspeisung in das Magnetfeld in der Spule, so es eine Verzögerung, bevor gibt die aktuelle seine maximale Wert erreicht. Mit Gleichstrom dies in der Regel spielt keine Rolle, sehr viel, aber mit Wechselstrom, wo die Spannung ständig ändert, ist es wichtig sehr viel. Die Situation kann sein, wie in diesem Diagramm von Spannung und Strom:

Auf den ersten, bedeutet dies nicht wie jede große Problem aussehen, aber es hat einen sehr bedeutenden Einfluss auf die aktuelle Leistung in Watt an. Um die 37,5 Watt Leistung, die wir über früher reden, zu erhalten, multipliziert man die durchschnittliche Spannungspegel durch den durchschnittlichen aktuellen Niveau. Aber diese beiden Werte nicht gleichzeitig auftreten und die eine große Wirkung.
Da dies ein wenig schwierig zu finden sein kann, nehmen wir die Spitzenwerte eher als die Mittelwerte, da sie leichter zu erkennen sind. Lassen Sie uns sagen, dass in unserem Beispiel Graphen, dass die Spitzenspannung 10 Volt und die Stromspitze ist 3 Ampere. Wenn dies DC würden wir multiplizieren Sie sie zusammen und sagen, dass die Leistung 30 Watt war. Aber mit AC, bedeutet dies nicht aufgrund der Zeitdifferenz zu arbeiten:

Wenn die Spannung Höchststand ist, ist der Strom bei weitem seine Spitzenwert von 3 Ampere:

Resultierend aus diesem ist anstatt unsere erwarteten Spitzenleistung oben auf dem Höhepunkt der Spannung, die tatsächliche Leistung in Watt sehr viel geringer – weniger als die Hälfte von dem, was wir erwartet hatten. Nicht so gut, aber es kommt noch schlimmer, wenn Sie die Situation genauer betrachten. Werfen Sie einen Blick an, was die Spannung ist, wenn die aktuelle die Null-Linie, d. h., kreuzt wenn der Strom NULL ist. Die Ausgangsleistung beträgt null, wenn der Strom NULL ist, aber dies geschieht, wenn die Spannung sehr hoch ist:

Dies gilt auch, wenn die Spannung NULL ist. Wenn die Spannung NULL ist, dann macht auch NULL, und Sie werden feststellen, dass dies passiert, wenn der Strom bei einem hohen Wert ist:

Die Macht ist nicht die durchschnittliche aktuelle multipliziert die durchschnittliche Spannung, wenn es eine Spule an der Rennstrecke beteiligt – es weniger um einen Betrag, der als der "Power Factor" bekannt sein und ich lasse Sie wird herausfinden, warum es, die heißt.
Also, wie stellen Sie fest, was die Macht ist? Es erfolgt durch Stichproben, die Spannung und aktuelle viele Male pro Sekunde und die kombinierten Ergebnisse im Durchschnitt:

Die Spannung und den Strom sind zu den Zeiten, die durch die vertikalen roten Linien gekennzeichnet gesampelt, und diese Zahlen werden verwendet, um die tatsächliche Sendeleistung zu berechnen. In diesem Beispiel nur ein paar Stichproben werden angezeigt, aber in der Praxis wird eine große Anzahl von Proben genommen werden. Das Stück der Ausrüstung, die dies tut ist bekannt als ein Leistungsmesser, wie er Watt Leistung misst. Die Probenahme erfolgt durch Wicklungen Innere des Gerätes, wodurch ein Instrument, das beschädigt werden kann, durch Überlastung, ohne die Nadel, die annähernd vollständige Auslenkung oder es von digitalen Sampling und mathematische Integration getan werden kann. Die meisten digitalen Abtastung-Versionen diese Meter arbeiten nur bei hohen Frequenzen, in der Regel mehr als 400.000 Zyklen pro Sekunde. Beide Sorten von Leistungsmesser können jede Wellenform und nicht nur Sinuswellen behandeln.
Die Elektrizitätsgesellschaft, die Versorgung Ihres Hauses misst den aktuellen und wird davon ausgegangen, dass die volle Spannung die ganze Zeit anwesend, die die aktuelle gezeichnet wird. Wenn Sie einen leistungsstarken Elektromotor aus dem Netz einschalten sind, dann kostet diese aktuelle Verzögerung Geld wie die Power Company nicht es berücksichtigt. Es ist möglich, die Situation zu korrigieren, indem Sie verbinden einen oder mehrere geeignete Kondensatoren über den Motor, die Verlustleistung zu minimieren.
Mit einer Spule (Phantasiebezeichnung "Induktivität" Symbol "L") ist Wechselstrom-Betrieb sehr unterschiedlich auf Gleichstrom-Betrieb. Die Spule hat einen Gleichstrom-Widerstand, den ein Multimeter mit dem Ohm gemessen werden kann, aber, dass Widerstand nicht gilt, wenn Wechselstrom als Stromfluss Wechselstrom verwendet wird nicht von der Gleichstrom-Widerstand der Spule allein bestimmt. Aus diesem Grund muss eine zweite Amtszeit für die Steuerung von Strom-Faktor der Spule verwendet werden, und der Begriff gewählt ist "Impedanz". Der Draht in jeder Spule hat einen Widerstand und widersetzt, der Stromfluss durch die Spule, unabhängig davon, ob die Spannung an der Spule Gleichstrom oder Wechselstrom. Die Kapazität zwischen den benachbarten runden Draht in einer Spule, führt ein Feature der Spule was "Wechselstrom Stromfluss durch die Spule verhindert" und die die Impedanz hängt der Frequenz der Wechselspannung in der Spule übernommen werden.
Die Impedanz einer Spule hängt davon ab, seine Größe, Form, Methode der Auflösung, Anzahl der runden und Kernmaterial. Wenn der Kern besteht aus Eisen oder Stahl (in der Regel dünne Schichten aus Eisen die voneinander isoliert sind), dann kann es nur niedrige Frequenzen handhaben. Sie können vergessen, über 10.000 Zyklen pro Sekunde ("Hz") durch die Spule zu übergeben, wie der Kern nur schnell genug nicht seine Magnetisierung ändern kann mit dieser Frequenz zu bewältigen versucht. Kern dieses Typs ist ok für sehr niedrigen 50Hz oder 60Hz verwendeten Frequenzen für Netzspannung, die gehalten werden, die niedrige damit Elektromotoren direkt verwendet werden können.
Bei höheren Frequenzen kann Ferrit verwendet werden, für einen Kern und das ist, warum einige tragbare Verwendung Ferrit-Stab-Antennen, radios, die Bar von Ferrit mit einer Spule gewickelt drauf sind. Für höhere Frequenzen (oder höhere Wirkungsgrade) wird Eisen Staub gekapselt in Epoxidharz verwendet. Eine Alternative ist jeder Kernmaterial nicht zu verwenden, wird als ein Luft-Kern-Spule bezeichnet Diese werden nicht in der Häufigkeit durch den Kern beschränkt, aber sie haben eine sehr viel geringere Induktivität für eine bestimmte Anzahl von Runden. Die Effizienz der Spule heißt es ist "Q" (für "Qualität") und je höher der Q-Faktor, desto besser. Der Widerstand des Drahtes senkt den Q-Faktor.
Eine Spule verfügt Induktivität, Widerstand, verursacht durch den Draht und Kapazitiv, verursacht durch die Wendungen, die die Nähe zueinander. Abgesehen davon, ist die Induktivität jedoch normalerweise so viel größer als die anderen zwei Komponenten, die wir neigen dazu, die beiden anderen zu ignorieren. Etwas, das möglicherweise nicht sofort ersichtlich ist, dass der Widerstand mit Wechselstrom Stromfluss durch die Spule hängt davon ab, wie schnell die Spannung ändert. Wenn der Wechselstrom Spannung an eine Spule schließt einen Zyklus alle zehn Sekunden, dann die Impedanz wird viel niedriger sein als wenn die Spannung über eine million mal pro Sekunde Zyklen.
Wenn Sie erraten musste, würden Sie denken, dass die Impedanz stetig wie der Wechselstrom-Frequenz erhöht erhöhen würde. Mit anderen Worten, eine lineare Diagrammtyp der Änderung. Das ist nicht der Fall. Durch eine Funktion namens Resonanz gibt es eine bestimmte Frequenz, an dem die Impedanz der Spule massiv erhöht. Dies wird in der tuning-Methode für AM-Radio-Empfänger verwendet. In den sehr frühen Tagen als elektronische Bauteile schwer zu bekommen waren, wurden die Variable Spulen manchmal für die Optimierung verwendet. Wir haben noch Variable Spulen heute, in der Regel für den Umgang mit großen Ströme anstatt Radio Signale, und wir nennen sie "Rheostate" und einige sehen wie folgt:

Diese haben eine Spule aus Draht, die um einen hohlen ersteren und ein Schieber können entlang einem Stab geschoben werden kann, Verbinden des Schiebers auf unterschiedliche Winde in der Spule in Abhängigkeit von seiner Position entlang der Stützstange. Die Anschlüsse sind dann auf dem Gleitstück und mit einem Ende der Spule hergestellt. Die Stellung des Schiebers wirksam ändert die Anzahl der Windungen des Drahts in der Teil der Spule, die in der Schaltung verwendet wird. Ändern der Anzahl von Windungen in der Spule, ändert die Resonanzfrequenz der genannten Spule. Wechselstrom aktuellen findet es sehr, sehr schwer zu durch eine Spule, die die gleiche Resonanzfrequenz wie der Wechselstrom aktuelle Frequenz zu bekommen. Aus diesem Grund kann es als ein Funksignal Tuner verwendet werden:

Wenn der Spule Resonanzfrequenz verändert wird, um die von einer lokalen Radiostation durch Schieben des Kontakts entlang der Spule passen, so dass insbesondere Wechselstrom Signalfrequenz von dem Funksender es fast unmöglich, durch die Spule zu erhalten und so (und nur er) Funde Umleitungen durch die Diode und Kopfhörer, wie es aus dem Antennenkabel strömt auf die Erde Draht und der Radiosender wird in den Kopfhörern zu hören. Wenn es andere Funksignale herabkommen der Antennendraht, dann, weil sie nicht mit der Resonanzfrequenz der Spule sind, fließen sie frei durch die Spule und nicht über die Kopfhörer zu gehen.
Dieses System wurde bald geändert werden, wenn variable Kondensatoren zur Verfügung standen, da sie billiger zu machen und sie sind kompakter. So kann anstelle der Verwendung eines variablen Spule zum Abstimmen des Funksignals, tat ein variabler Kondensator über die Abstimmspule verbunden die gleiche Arbeit:

Während der Schaltplan oben "Drehkondensator", das ist wirklich ziemlich irreführend gekennzeichnet ist. Ja, Sie optimieren den Funkempfänger durch Anpassen der Einstellung des Variablen Kondensators, aber was macht der Kondensator ist die Resonanzfrequenz der Spule/Kondensator-Kombination ändern und es ist die Resonanzfrequenz dieser Kombination, die genau die gleiche Arbeit macht wie die Variable Spule auf seine eigene.
Dies lenkt die Aufmerksamkeit auf zwei sehr wichtige Tatsachen über Spule / Kondensator-Kombinationen. Wenn ein Kondensator über eine Spule "parallel", wie in dieser Radioempfangsschaltkreis gezeigt platziert wird, dann die Kombination hat eine sehr hohe Impedanz (Widerstand gegen Wechselstrom Stromfluss) bei der Resonanzfrequenz. Aber wenn der Kondensator gelegt wird "in Reihe" mit der Spule, so gibt es nahezu null Impedanz bei der Resonanzfrequenz der Kombination:
![]()
Dies kann wie etwas, das praktische Menschen nicht mit stören würde scheinen, nachdem alle, wen kümmert das? Allerdings ist es ein sehr praktischer Hinsicht in der Tat. Beachten Sie, dass Don Smith benutzt oft eine frühe Version, off-the-shelf Neon-Röhre Treiber-Modul als eine einfache Möglichkeit, um eine Hochspannungs-, Hochfrequenz-Wechselstrom-Stromquelle, typischerweise 6.000 Volt bei 30.000 Hz liefern. Er speist dann diese Macht in ein Tesla Coil, die selbst ein Leistungsverstärker. Die Anordnung ist wie folgt:

Personen, die Don Entwürfe zu replizieren geneigt zu sagen "Ich bekomme große Funken an der Funkenstrecke, bis ich die L1 Spule und dann die Funken Anschlag verbinden. Diese Schaltung kann niemals funktionieren, weil der Widerstand der Spule zu niedrig ist ".
Wenn die Resonanzfrequenz der Spule L1 nicht mit der Frequenz, die von der Neon-Röhrentreiberschaltung, dann ist die niedrige Impedanz des L1 Spule bei dieser Frequenz erzeugt wird, wird auf jeden Fall ziehen die Spannung des Neon-Röhrentreiberschaltung bis zu einer sehr niedrigen Wert. Aber wenn die Spule L1 die gleiche Resonanzfrequenz wie der Treiberschaltung, so wird die Spule L1 (oder der L1 Spule / Kondensator-Kombination auf der rechten Seite gezeigt ist, wird ein sehr hoher Widerstand gegen den Stromfluss durch sie haben, und es wird gut mit der Treiberschaltung. Also, keine Funken, bedeutet, dass die Spule Tuning ausgeschaltet ist. Es ist das gleiche wie Tuning einen Funkempfänger, erhalten die Abstimmung falsch, und Sie hören nicht den Radiosender..
Einige Leute finden es schwierig, eine geeignete Komponente auszuwählen, in denen die genaue Komponente nicht angegeben ist oder eine Alternative ausgewählt werden so vielleicht ein paar allgemeine Hinweise hilfreich sein könnte, hat. Der Grund, warum Komponentenwerte ausgelassen werden, kann da eine sehr breite Palette alternativer Werte verwendet werden kann und einen besonderen angegeben, die Neuankömmlinge zu Elektronik fühlen, dass sie einen Wert verwenden oder die Schaltung nicht funktioniert, (was fast nie der Fall ist). Z.B. habe ich wurde gebeten, wenn ein Kondensator an bewertet 25V könnte verwendet werden anstelle der gleiche Wert Kondensator bei 16V gezeigt in der Schaltung zu bewertet die Antwort ist "Ja, auf jeden Fall '. Die niedrigere Spannung ist ausreichend, und die Komponente billiger zu kaufen, aber wenn man eine höhere Spannung zur Verfügung, dann ist es einsetzbar.
Mit Kondensatoren müssen Sie die körperlichen Größe und Draht-Verbindungen, die Kapazität, die Spannung und die Leckage zu berücksichtigen. Die Kosten und die Größe eines Kondensators ist direkt bezogen auf seine Nennspannung und sobald die Spannung den Wert überschreitet, das normalerweise verwendet, der Preis rasch schnellt, sobald das Umsatzvolumen vermindert schnell, was wiederum weitere Verkäufe abhält. Dies verursacht manchmal Schaltung Bauherren Ketten billiger Kondensatoren zusammen, um einen kleinerer Kapazität Hochspannungs-Kondensator zu verbinden. Im Falle der Tesla-Spule-Generatoren können sie dann mehrere dieser Ketten parallel zur Erhöhung der Kapazitäts anschließen.
Wenn die Spannung (in der Regel durch eine sehr große Menge) überschritten wird, wird der Kondensator werden beschädigt und werden entweder ein Kurzschluss, oder was wahrscheinlicher ist, ein offener Stromkreis. In jedem Fall wird es nie als ein Kondensator wieder funktionieren. In einem Haushalt Stromkreis, wo der Kondensator als Teil des Netzteils mit der Schaltung verwendet wird, die Nennspannung muss nicht wesentlich höher sein als die Versorgungsspannung mit sagen, 16V für eine 12V Schaltung verwendet wird. Können einen Kondensator bei 25V bewertet, 40V, 63V, 100V oder 400V und es funktioniert sehr gut, aber es wird viel größer und viel mehr gekostet haben. Aber, wenn Sie einen sitzen und nicht genutzt haben, gibt es keinen Grund, warum Sie nicht es statt Zahlen verwenden sollten, um eine andere zu kaufen.
Wenn der Kondensator in eine Zeitschaltung wo ein hochwertiger Widerstand Strom der es füttert verwendet wird, wird der Ableitstrom eines Kondensators sehr wichtig. Elektrolytkondensatoren sind selten geeignet für eine solche Anwendung, wie sie eine kleine, unvorhersehbaren Leckstrom haben, die mit dem Alter des Kondensators variiert. Für genaue Timing mit einem Kondensator sollte Keramik, Polypropylen, Mylar oder Tantal verwendet werden.
Die Spannung für ein Elektrolytkondensator ist für DC, also wenn Sie es zur Begrenzung der Strom in einer AC-Netzteil, das heißt, wo fließt der Strom durch den Kondensator statt des Kondensators gebracht über die Lieferung und handeln zu bekämpfen Ripple, dann große ist Sorgfalt erforderlich. Der Kondensator wird durch die Kraft, die durch sie fließen erwärmen, und es ist möglich, dass ein Elektrolytkondensator, die auf diese Weise zu Bruch oder 'explodieren' durch das Elektrolyt Kochen verwendet. Stattdessen müssen Sie die sehr viel teureren Ölfüllung können Kondensatoren (siehe am Ende des Kapitels 10) zu verwenden. Dieser Stil des Verbrauches ist ungewöhnlich für Zuhause-Konstruktoren.
Mit Bi-polaren Transistoren müssen Sie mit Vernunft. Genommen Sie an, ein 555 Timer-Chip erforderlich ist, um einen Transistor macht, der ein Relais steuert:

Im Moment werden wir die Tatsache ignorieren, dass die 555 das Relais direkt ohne die Notwendigkeit eines Transistors fahren konnte. nehmen wir an, dass das Relais einen Strom von 30 zieht mA bei Anschluss an eine 12V Stromversorgung. Daher muss der Transistor einen Strom von 30 verarbeiten können mA. Jede kleine switching Transistor wie BC109 oder 2N2222 kann dieser Strom problemlos verarbeiten. Der Transistor muss auch 12 Volt verarbeiten können. Schauen Sie im Zweifelsfall die Merkmale Ihrer Wahl des Transistors bei http://www.alldatasheet.co.kr/ durch Eingabe der Transistor-Name 'BC109' oder was auch immer in das Eingabefeld am oberen Rand des Bildschirms und klicken auf die Schaltfläche rechts davon. Schließlich, es wird Ihnen ein Pdf-Dokument, die Angabe des Transistors download und zeigen, dass Sie die Spannungen, die der Transistor verarbeiten kann. Beide der oben genannten Transistoren können weit mehr als 12V behandeln.
Die nächste Frage ist, 'kann der Transistor wechseln schnell genug in dieser Schaltung arbeiten?' und das Datenblatt zeigt, dass sie ein- und ausschalten eine million mal pro Sekunde schalten können. Da das Relais nur ein- und ausschalten ein paar Mal pro Sekunde wechseln kann, kann der Transistor leicht schnell genug betrieben, um das Umschalten zu behandeln.
Als nächstes müssen wir wissen, welche Größe der Widerstand geeignet wären. Das Datenblatt zeigt außerdem die Gleichstrom gewinnen des Transistors. Dies ist in der Regel als "Hfe" gekennzeichnet und für diese Transistoren wird voraussichtlich ein Minimum von, sagen wir, 200. Dies bedeutet, dass der Strom fließt in die Basis des Transistors ein zwei Hundertstel das Relais 30 muss mA, 0.15 mA. Der Widerstand wird ca. + 11 am Pin 3 des 555 Timer und etwa 0,7 Volt an der Basis des Transistors haben, wenn es vollständig eingeschaltet ist. Das bedeutet, dass der Widerstand ca. 10,3 Volt quer dazu haben wird, wenn das Relais eingeschaltet ist:

Welche Größe des Widerstandes haben also 0.15 mA durchströmt, wenn über sie gibt es ein 10.3-Volt-Tropfen? Bekanntlich ein 1K Widerstand übergibt 1mA / v und also würde übergeben 10.3 mA mit 10,3 Volt quer dazu. Das ist weit mehr als wir benötigen. 10K Widerstand würde übergeben 1.03 mA, die immer noch viel zu viel, aber sicherlich verwendet werden könnte. Da es ein Widerstand ist, können wir Ohmsches Gesetz: R = V / A (Ohm entspricht Volt über Amps), oder R = 10.3 / 0.00015 die 68 K ist. Jeder Widerstand zwischen 68 K und vielleicht 15 K sollten also gut funktionieren.
Die Diode dient dazu, den Transistor vor übermäßiger Spannung verursacht durch die Spule des Relais zu schützen. Wenn eine Spule plötzlich abgeschaltet wird, generiert es eine Sperrspannung, die Hunderte von Volt, ziehen den Kollektor des Transistors weit oben sein kann die + 12V Stromleitung. Wenn das beginnt zu passieren, kehrt es effektiv die Diode-Richtung, ermöglicht es, Verhalten und Kurzschluss, dass große Spannung Spitze:

Aufgrund der von Kurzschlüssen, die Spannung kann nicht irgendwie höher und der Strom durch die Diode nicht groß ist, so dass die meisten Dioden wie die beliebten und günstigen 1N4001 oder 1N4007 Typen verwendet werden kann.
Wenn ein Transistor so verbunden und eingeschaltet ist, ist es tatsächlich ein Kurzschluss zwischen seinen Kollektor und Emitter, und dass stellt die vollen 12 Volt über das Relais, schalten Sie es sehr solide. Diese Verbindung Methode wird als "common-Emitter"-Schaltung, weil alle der verwendeten Transistoren, deren Emitter alle gemeinsam auf die 0V-Leitung verkabelt. Eine alternative Anordnung ist die "Emitterfolger" circuit:

Mit dieser Schaltungsanordnung ist der Emitter des Transistors "folgt" die Spannung am Pin 3 des 555 Timers. Es ist immer eine konstante Spannung unterhalb, typischerweise etwa 0,7 Volt. Der Ausgang des Timers 555 weist ein Maximum von etwa 0,7 V unterhalb der Versorgungsspannung, und so den maximalen Wert etwa 11,3 V in dieser Schaltung. Der Transistor abfällt, dass durch einen weiteren 0.7V, was bedeutet, dass das Relais nur bekommt ca. 10.6V über sie statt der vollen 12V der Versorgung, dh es sollte ein 10-Volt-Relais anstelle einer 12-Volt-Relais zu sein.
Das sind die leichten Fälle, weil die 555-Timer kann mindestens 200 mA über seine Ausgangs-Pin zu versorgen, während die Ausgangsspannung stabil. Das ist nicht der Fall mit einfachen Transistorschaltungen. Nehmen Sie eine Situation wie diese:

Für Audio-Arbeit - Mikrofon-Vorverstärker und dergleichen - die Faustregel ist, dass der Strom, der durch den ersten Transistor sollte mindestens das Zehnfache der Strom durch die Basis des zweiten Transistors, um erforderte nicht nach unten ziehen, um und verzerren das sein Audio-Wellenform.
Relay-Umschaltung ist nicht so kritisch, aber die gleiche allgemeine Prinzip gilt und Aufmerksamkeit braucht, um zum Kollektorwiderstand des vorhergehenden Transistors bezahlt. Zum Beispiel, wenn der Strom, der durch den vorhergehenden Transistors klein ist, etwa 0,5 mA und der Ausgangstransistor braucht 1,5 mA fließt in seine Base, dann kann es ein Problem sein. In dieser Schaltung, beispielsweise:

Hier geht die Spannung am Punkt "A" hoch, weil der erste Transistor ausschaltet und so wird der gleiche wie ein Widerstand 1Meg oder mehr. Normalerweise ist, dass der Widerstand so viel größer als die 27K der es Widerstand, dass die Spannung am Punkt "A" wäre fast +12 V sein, aber wenn man den Widerstand "R" von nur 1K im Wert herstellen konnten, dann ist die Situation völlig verändert. die Basis des "Tr" kann nicht über 0,7 V ansteigt. Der erste Transistor ignorieren kann aufgrund seiner sehr hohen Widerstand. Das hinterlässt einen Spannungsteiler Paar von Widerständen, die 27K und 1K, mit 11,3 Volt über sie, stoppen die Spannung am Punkt "A" von einem Anstieg über 1.13V statt der ursprünglichen 12V und Transistor "Tr" wird nur noch 0,43 mA anstelle des 1,5 mA, die gewollt wurde. Der Transistor "Tr" hat tatsächlich einen 28K Widerstand Einspeisung Strom aus der +12 V-Schiene.
Eine Lösung wäre, den Strom durch den ersten Transistor zu erhöhen durch Verwendung eines Widerstands ziemlich viel kleiner ist als der vorliegende 27K. Eine weitere Option ist, um den Eingangsstrom des Transistors Anforderung "Tr", indem es ein Darlington-Paar oder durch Verwendung eines Transistors mit einer viel höheren Verstärkung abzusenken.
Die wichtigsten Optionen für die Entwicklung eines Prototyps Schaltung sind:
1. A (Plug-in) breadboard
2. Elektrische Schraube Steckerleisten.
3. Streifenplatinen
4. Eine Leiterplatte.
1. Der typische breadboard Einheit besteht aus einer Matrix aus Cliplöcher in Streifen, in denen die Komponente Zuleitungen geschoben, um eine Schaltung zu machen können verdrahtet. Meiner Meinung nach, sie am besten vermieden werden, da es einiges an Aufwand, um alle signifikanten Schaltung mit deren Umsetzung erfolgt, müssen einige Komponenten nicht gut in die Steckdosen, die klein genug, um DIL IC-Pakete nehmen sind, und wenn Sie tun, eine Schaltung funktioniert gut auf dem Steckbrett, gibt es keine Garantie, dass es gut funktionieren, wenn Sie es zu einem permanenten gelöteten Brett zu bewegen versuchen:

Während eine Kunststoffplatte dieser Art aussieht, als ob es sein sollte schnell und einfach zu bedienen, habe ich nie gefunden, dass es so seit den Boards wurden in Größe
skaliert, um die eng beieinander liegenden Stifte von integrierten Schaltkreisen zu nehmen ("Chips" ). Generell ist es schwierig, die
Komponenten lag in dem gleichen Muster wie im Schaltplan,
und wenn sie es nicht sind, dann wird es
langsam, um die Schaltung durch auf dem Steckbrett Layout zu folgen.
2. Die lokalen
Hardware-Shop hat günstige Schraubklemmen, die sehr wirksam sein kann.
Diese in verschiedenen Größen kommen und die kleineren sind sehr bequem für den Bau von Transistor-Technik. Sie sehen aus wie diese:

Schaltungen können sehr einfach montiert werden, mit diesen Anschlüssen und ein Beispiel könnte einer der John Bedini Batterie sein pulsierendes Schaltungen, die ein Layout wie diese haben könnten:

Ich habe diese Schaltung mit dieser Bauweise errichtet und es war sehr erfolgreich in der Tat, sehr schnell und einfach zu konstruieren und es erwies sich als sehr zäh und über einen langen Zeitraum der Nutzung. Der Kunststoffstreifen hat ein Loch zwischen den einzelnen Steckerleiste und dass Sie das Band auf einer Grundplatte, auf dem Sie montieren anderen Komponenten, in diesem Fall das pulsierende Spule und den Rotor mit den Magneten befestigt schrauben können. Jeder Anschlussblock kann zwei oder drei Leitungen. Die Drähte müssen sie die Isolierung entfernt und die Drähte abgeschabt sauber und glänzend, wenn sie nicht bereits in diesem Zustand. Wenn mehr als eine mehradrige Draht wird in eine Seite eines Verbinders gebracht wird, dann ist es meist am besten, die Drähte miteinander verdreht vor dem Anziehen der Klemmschraube. Wenn Sie möchten, können Sie geben den verdrehten Drähten eine dünne Schicht von Lot, aber das muss ordentlich getan werden, um zu vermeiden Herstellung einer Verbindung, die zu groß sind, um in den Anschluss passt. Ein Anschluss kann der Streifen schneiden ganz einfach werden, wobei eine Schere oder ein Cuttermesser. Einzel-Anschlüsse können zwei Drähte sehr effektiv anzuschließen, ohne die Notwendigkeit zu löten.
Während der Draht Triggerschalter ist als dünne
Linie in dem Diagramm oben dargestellt, wird vorgeschlagen, daß es bequemer
ist, um Drähte mit gleichem Durchmesser zu verwenden, und wenn es nicht klar
ist, die den Anfang und das Ende eines einzelnen Drahtes ist dann Ein Ohmmeter
verwendet werden, um die Enden zu identifizieren. Es wird vorgeschlagen, dass
die Kabel oput in einer langen Länge gestreckt und dann mit einer elektrischen
Bohrmaschine miteinander verdrillt sind. Ich habe festgestellt, dass dadurch, dass
es nicht sehr gut, da das Kabel in der Nähe des Bohrers wesentlich stärker als
der Rest des Drahtes verdrillt. Außerdem muss es sich sehr weit außerhalb, um
eine ausreichende Länge des Drahtes legen. Wenn Sie wirklich die Drähte
zusammen drehen wollen (es ist nicht sofort ersichtlich, warum würden Sie
wollen, dies zu tun) zusammen für eine kurze Länge, dann verwenden Sie zwei
Drahtspulen und drehen Sie sie, indem Sie die Walzen über als ein Paar, dann
wickeln die Twisted-Länge auf einer dritten Spule oder vorübergehende Halter.
Dieses Verfahren braucht nicht für Sie zu lange Kabel (das Gewirr sehr einfach
und fangen auf die Dinge) gesetzt und es gibt gleichförmig verdrillte Drähte,
die hergestellt werden können, beim Sitzen in einem kleinen Arbeitsbereich. Die
Spule 850 Windungen wie folgt gewickelt:

Der erste
Strang der Spule beginnt bei Punkt "C" an der Basis der Spule und
endet an dem Punkt "A" an der Oberseite der Spule. Dies ist die
Spule, die den Motor mit dem Punkt "A" auf die Plus-der Antriebsbatterie
angeschlossen antreibt. Der zweite Strang beginnt am Punkt "D" an der
Basis der Spule und endet an dem Punkt "B" mit Punkt "B",
um Basiswiderstand des Transistors verbunden ist. Diese Anordnung erzeugt ein
magnetisches Nordfeld ganz oben auf der Spule und drückt gegen die
Rotorpermanentmagneten Nordpol, der die eine gegenüber der Spule ist. Mit der
Implementierung, die ich verwendet, um eine Autobatterie, war die Radumdrehung
sanft, gibt vielleicht 200 bis 300 Schlägen pro Minute an die Batterie. Die
Geschwindigkeit des Rades als die Batterieladung reduziert erhöht und so ein
Blick auf das Rad zeigte, den Ladezustand der Batterie. Es wird empfohlen, dass
der Spulenkern aus Längen von 1,5 Millimeter Durchmesser Kupfer beschichteten
Schweißdraht hergestellt werden, sondern als Kupfer ist hochleitfähigen
elektrisch, ziehe ich zu beschichten jede Stange mit Lackfarbe zu Block
seitwärts Wirbelströme, die Verlustleistung.
3. Streifenplatinen, in der Regel als "Veroboard", auch wenn es nicht von Vero gemacht, ist eine schnelle und zufriedenstellende Methode, obwohl Sie sehr kleinen Lötstellen zu treffen. Bitte beachten Sie, dass die Abgase aus dem brennenden Harzes beim Löten sollten die meisten definitiv nicht gut für Ihre Gesundheit und indem sichergestellt wird, dass die Belüftung ausreichend ist vermieden werden.
4. Eine Leiterplatte ist möglich für einen einmaligen Prototypen und machen ein Ihre Produktions-Fähigkeiten zu erhöhen, so ist es auch eine vernünftige Option, wenn Sie das Ätzen und Bohrausrüstung zur Hand haben. Kauf alle notwendigen Geräte, wenn Sie keine haben, kostet eine ganze Menge, aber die Fähigkeiten, die bedeutsam sind, und die fertigen Platten sieht sehr professionell.
Es gibt mehrere andere Bauweisen, und viele Sorten von Bauplatten und Streifenplatinen. Einfache Streifenplatinen wird in den folgenden Beschreibungen verwendet werden, obwohl die Methode viele verschiedene Arten von Bau zutrifft.
Der erste Schritt besteht darin, ein Layout für die Komponenten auf der Platine zu erzeugen. Bei der Gestaltung des Layouts Bestimmung sollte zum Bohren von Löchern, damit die fertige Platine, um seinen Fall verschraubt werden mit Schrauben und isolierende Säulen halten die Lötstellen frei von allen anderen Oberflächen werden.

Der Schaltplan der Schaltung aufgebaut werden ist der Ausgangspunkt. Sie könnte wünschen, ein Lichtgitter von Linien zu zeichnen, um die Matrix von Löchern in dem Streifen Bord repräsentieren. Dies hilft, um den Lauf der Kupferbänder visualisieren und die Skizze gemacht, um die genaue Anzahl der Löcher auf dem Stück des Streifens Bord verwendet werden zu zeigen. Der Streifen Bord sieht wie folgt aus:

So möchten Sie vielleicht eine Planskizze wiederverwendbare Zeichnung wie diese produzieren:

wobei die
horizontalen Streifen gezählt sind und die vertikalen Linien der Löcher sind
ebenfalls nummeriert. In dieser Skizze, wo die Linien kreuzen, ein

Es ist sehr wichtig bei der Herstellung eine Skizze wie dieses, dass die Kupferstreifen Schminken der Schaltung nicht versehentlich verwendet, um Komponenten weiterhin eine Verbindung entlang der Platine, ohne Unterbrechung des Kupferstreifens zwischen den beiden Abschnitten der Platte. Es hilft, um eine Kopie des Schaltplans markieren, wenn Sie skizzieren eine mögliche physische Layout auf dem Streifen Bord. Es könnte so gemacht werden:

Hier sind die Komponenten knapp unterhalb der Diode beringt zu zeigen, dass sie auf der Planskizze markiert wurden und, falls erforderlich, gebrochen der Kupferstreifen, um die Komponenten zu isolieren. Eine Komponente erwähnenswert, im Vorbeigehen, ist der Kondensator mit rot im Schaltplan markiert. Dies ist eine Entkopplungskapazität von der 12V-Batterie über einen Widerstand und eine Diode (eine Diode wird in der Regel nicht die in diesem Teil der Schaltung verwendet) zugeführt.
Die Entkopplung ist es, die 555 Chips und Treiber mit einer Versorgung, die vernünftigerweise von der Starkstrom-draw Schaltung nicht in diesem kleinen Ausschnitt aus dem Schaltplan angezeigt wird isoliert sind. Der pulsierende schweren Stromaufnahme des Rest der Schaltung ist in der Lage Ziehen der Batteriespannung leicht nach unten viele Male pro Sekunde. Dies schafft eine Spannungswelligkeit über die positive Versorgungsleitung von der Batterie und um die Welligkeit ersticken, sind der Widerstand und die Diode verwendet, um ein großes Reservoir Kondensator, glättet die Welligkeit zu füttern.
Die Schaltung selbst ist nicht über jede Kritik erhaben. Transistor "TR2" und die dazugehörenden Komponenten sind redundant, da der Pin 3 des 555-Chip liefert bereits das erforderliche Signal (und mit höherer Antriebsleistung), so der zweite Ausgang Zeile sollte direkt von Pin 3 des 555-Chip genommen werden. Dieser Ausschnitt der Schaltung wird hier nur als ein Beispiel der Markierung ein Schaltplan, wenn Sie einen Komponenten-Layout Skizze dargestellt.
Da die Planskizze produziert wird, sollte der Schaltplan mit einem fluoreszierenden Stift, um sicherzustellen, dass jeder Teil des Schaltplans wurde erfolgreich an der Skizze kopiert markiert werden. Im Beispiel unten wird nicht alle der markierten Streifen dargestellt, da sie wegläuft den kleinen Abschnitt der Platine wird hier gezeigt:

Viele
elektronische Komponenten können durch die hohen Temperaturen, um sie, wenn sie
in eingelötet unterzogen werden beschädigt. Ich persönlich bevorzuge ein Paar
Spitzzange verwenden, um Ergreifen des Bauteils führt auf der Oberseite der
Platine, während Sie die Lötstelle auf der Unterseite der Platine. Die Wärme
Hochfahren des Bauteils führen dann wird in das große Volumen des Metalls in
der Zange abgezweigt und das Bauteil vor übermäßiger Hitze geschützt sind. Nach
dem gleichen Prinzip, benutze ich immer einen DIL-Sockel beim Löten einer
Leiterplatte, auf diese Weise die Wärme vollständig, bevor der IC in den Sockel
gesteckt abgeführt hat. Es hat auch
den Vorteil, daß der IC ohne Schwierigkeiten ausgetauscht werden kann sollte es
zu beschädigen.
Wenn Sie integrierte CMOS-Schaltungen sind in jeder Konstruktion, müssen Sie statische Elektrizität zu vermeiden. Sehr hohe Spannung aufzubauen auf Ihre Kleidung durch Bürsten gegen Gegenstände. Diese Spannung ist in den Tausenden von Volt-Bereich. Es kann zu liefern, so wenig Strom, dass es stört dich nicht und Sie wahrscheinlich nicht bemerken. CMOS-Vorrichtungen arbeiten auf solch geringen Strommengen, dass sie sehr leicht durch die statische Elektrizität kann beschädigt werden. Computer-Hardware-Profis tragen eine Erdleitung geschnallt ihre Handgelenke beim Umgang mit CMOS-Schaltungen. Es besteht keine Notwendigkeit für Sie, so weit zu gehen. CMOS-Bauelemente mit ihren Zuleitungen in einem leitenden Material eingebettet zugeführt. Lassen Sie sie in das Material, bis Sie bereit sind, sie in den Kreislauf schließen sind und dann nur über den Kunststoff-Körper des Falles und berühren Sie nicht einer der Pins. Einmal im Ort in der Schaltung, wird die Schaltung Bauteile verhindern die Ansammlung von statischen Ladungen auf dem Chip.
Löten ist ein
leicht erworbenen Fähigkeiten. Multi-Lötdraht für elektronische Schaltung Löten
verwendet. Dies hat Lötdraht Flußmittel Harz darin enthaltenen und wenn auf
einer Metalloberfläche geschmolzen, entfernt das Flußmittel die Oxidschicht auf
der Metalloberfläche, so dass eine ordnungsgemäße elektrische Verbindung erfolgen
soll. Folglich ist es wichtig, dass das
Eine gute Lötverbindung haben eine glatte, glänzende Oberfläche und zieht jeden Draht, in das Gelenk keine Wirkung haben, wie der Draht jetzt fest in das Gelenk eingebracht. Einen guten Lötstelle dauert etwa eine halbe Sekunde und sicherlich nicht mehr als eine Sekunde. Sie will den Lötkolben aus dem Gelenk zu entfernen, bevor eine übermäßige Menge an Wärme in die Fuge ausführen. Es wird empfohlen, dass eine gute mechanische Verbindung vor dem Löten werden bei Anschluss eines Kabel an irgendeiner Form von Terminal (das ist oft nicht möglich).
Die Technik,
die ich benutze, ist das Lot stehen auf der Werkbank und biegen Sie das Ende,
so dass es hin abfallenden
Bei der Entwicklung neuer Schaltung, kann es zweckmäßig sein, verschiedene Werte des Widerstands in irgendeiner Position in der Schaltung (der Widerstandswert abhängig sein kann von der Verstärkung eines Transistors oder der tatsächliche Widerstand einer ORP12 oder irgendeiner anderen solchen Situation) zu versuchen. Dafür ist es sehr bequem, ein Widerstand-Substitution Box, die Sie jeden Standard-Widerstand an der Wende einen Schalter auszuwählen haben.
Diese sind nicht ohne weiteres auf dem Markt erhältlich. In den vergangenen Jahren war es möglich, benutzerdefinierte Wafer Switches kaufen, wo die Anzahl von Wafern bis konnte, was Schalter Größe erforderlich war gebaut werden, aber diese scheinen nicht mehr verfügbar sein. Eine etwas weniger bequem Bauweise besteht darin, vier von diesen verwenden, ausgewählt von einem zweiten Wafer-Schalter:

In der obigen Darstellung sind alle Widerstände in einem Bereich (100 Ohm bis 820 Ohm, 1K bis 8K2, 10K bis 82K 100K bis 820K oder) zu einem einzigen 12-Wege-Schalter verdrahtet. Die Ausgangsdrähte dann jeder dieser Standard-Widerstände über sie, abhängig von der Einstellung des Schalters. Ein zweiter Schalter kann dann verwendet werden, um mehrere dieser Gruppen auszuwählen, während immer noch die gleichen Ausgangsdrähte werden. Wenn boxed, könnte es wie folgt aussehen:

Es kann auch nützlich sein, eine vielseitige Signalgenerator aufweisen. Sie können ganz einfach erstellen Sie Ihre eigene mit variabler Frequenz, variable Ein / Aus-Verhältnis und optional variable Gating. Wenn Sie das tun, könnte man genauso gut machen es mit einer niedrigen Ausgangsimpedanz, so dass es Geräte im Test direkt anstatt zusätzliche Pufferung bieten fahren. Es könnte so aussehen:

Die wirklich wichtigen Teil der Ausrüstung ist ein Multimeter. Diese in vielen verschiedenen Formen, Größen und Sorten kommen und die Kosten variieren enorm. Die Zuverlässigkeit auch sehr unterschiedlich. Die zuverlässigste und günstigste ist das analoge Art, die nicht mit einem Akku (außer für gelegentliche Messung des Widerstands). Obwohl diese Arten herab heute betreut werden, sind sie zu 100% zuverlässig:

Das Messgerät oben gezeigt wird auf 2.000 Ohm pro Volt bewertet, so den Anschluss an einen Stromkreis zu machen eine Messung auf der 10V ist das gleiche wie das Anschließen eines 20K Widerstand an der Schaltung. Der große Bruder dieser Art von Geräten ist etwa fünfmal größer und hat 30.000 Ohm pro Volt Leistung, so dass die Verbindung auf einem 10V ist die gleiche wie das Anschließen eines Widerstandes 300K mit der Schaltung gemessen wird. Dieser wird durch eine Batterie angetrieben, so dass, wenn Sie eine dieser zu bekommen, darf ich vorschlagen, dass Sie ihre Richtigkeit zu überprüfen regelmäßig:

Die wirklich hervorragende nicht-Batterie (Ex-Profi) Avo Meter Multimeter noch über eBay zu erschwinglichen Preisen zur Verfügung. Diese haben 30.000 Ohm pro Volt Leistung und sind robust und präzise, mit sehr hohen Standards gebaut worden.
Ein Multimeter verwendet eine 1,5 V Batterie, um den Widerstand zu messen. Ohmsche Gesetz als Wirkprinzip verwendet und der Betrieb ist:

Der Zähler in dem Diagramm gezeigt hat einen
kleinen Widerstand für sich. Dies hat einen geringen variablen Widerstand
hinzugefügt werden. Dieser variable Widerstand haben einen kleinen Knopf auf
dem Gesicht des Multimeters angebracht, oder er wird ein Daumenrad Drehknopf
etwas aus der rechten Seite des Multimeters Fall sein. Die 1,5 V Batterie im
Multimeter Fall positioniert werden, wie ist das 1K Widerstand. Um die
Widerstandsbereiche verwenden, werden die Multimetersonden fest miteinander
berühren, um einen Kurzschluss zu bilden, und der variable Widerstand so
eingestellt, daß die Zählpunkte auf Null.
Für die Zwecke dieser Erörterung sei angenommen, dass der Innenwiderstand des
Zählers, wenn sie richtig eingestellt, genau 1K. Wenn der Widerstand im Test
ist genau 1K an Wert, dann wird der Strom durch den Zähler halbiert und das
Messgerät einen Zeigerausschlag auf halbem Weg über den Maßstab zeigen. Wenn
der Widerstand unter Test 2K, dann wird der Strom ein Drittel sein und das
Ausmaß Kennzeichnung wird auf der 1/3 Position von der linken Seite. Ist der
Widerstand 4K, dann wird es ein Fünftel (1K +4 K = 5K) des Full-Scale-Strom und
die 4K Marke wird 20% von der linken Seite der Skala.
Zwei Dinge zu beachten: Erstens muss die Skala von rechts nach links, die etwas
gewöhnungsbedürftig zu lesen, und zweitens ist die Skala nicht linear, wobei
die Markierungen immer näher zusammen und somit schwieriger zu markieren und zu
lesen Je höher der Wert des Widerstandes gemessen. Das Bündeln aus den
Skalenmarkierungen weshalb die teurer Multimeter um mehr als einen Bereich
neigen.
Eine netzbetriebene Oszilloskop ist ein hervorragendes Gerät zu besitzen, aber
sie sind teuer, wenn neu. Es ist möglich, ein Pick up zu einem vernünftigen
Preis aus zweiter Hand via eBay. Ein Oszilloskop ist keineswegs ein
wesentliches Element der Ausrüstung. Eines ihrer nützlichsten Eigenschaften ist
die Fähigkeit, die Frequenz zu messen, und Anzeigen der Form einer Wellenform.
Meist Wellenformen sind von bekannter Form so die Frequenz der größte
unbekannt. Die folgenden Zähler ist nicht teuer und es zeigt die Frequenz eines
Signals auf einer Digitalanzeige:

Also, wenn Sie sich entscheiden, was Multimeter zu kaufen, sollten Sie die folgenden Punkte:
1. Wie zuverlässig ist das? Wenn Sie für eine Batterie angetriebenen Einheit entscheiden sich, was passiert mit der Genauigkeit, wenn die Batterie zu laufen beginnt unten. Ist es eine Warnung angezeigt, dass die Batterie ausgetauscht werden muss? Netzbetriebene Digitalmultimeter sind brillant, sondern sind ein Problem, wenn Sie Messungen vom Netz wollen.
2. Was DC Spannungsbereiche hat es? Wenn Sie beabsichtigen, arbeiten hauptsächlich mit 12V Stromkreise werden, ist es unbequem für die Bereiche zu sein 9V und 30V als aufeinander reicht. Digitale Zähler nicht über dieses Problem, aber die Frage ist dann, wie genau werden sie sich im täglichen Einsatz sein?
3. Transistor Testmöglichkeiten Sie ignorieren können - Sie sind besser dran, Ihre eigenen dedizierten Gerät Transistoren überprüfen, ob Sie Sie jemals brauchen werden, dies zu tun zu denken - Sie wahrscheinlich auch nicht.
4. Messstrom kann sehr nützlich sein, so sehen welche Bereiche angeboten werden.
5. Messung der Kapazität ist sehr nützlich, zumal viele Kondensatoren nicht sind gut markiert, um ihren Wert anzuzeigen.
6. Messung der Frequenz einer Wellenform konnte eine signifikante Bonus, aber die Frage ist, bist du jeden dürfte es brauchen?
7. Meßwiderstand ist sehr nützlich. Jeder Meter hat es. Es gibt keine Notwendigkeit, über Lust auf Messbereiche, wie Sie in der Regel nur benötigt, um die ungefähre Antwort wissen - es ist ein 1K Widerstand oder ein 10K Widerstand?
Schauen Sie sich um und sehen, was verfügbar ist, wie viel es kostet und was reizt Sie. Es ist vielleicht nicht eine schlechte Idee, einen wirklich günstigen Multimeter kaufen und verwenden es für eine Weile, um zu sehen, ob es irgendwelche Mängel, die ein Ärgernis sind, hat, und wenn ja, welche Verbesserungen Sie persönlich wollen von einem teureren Meter.
Man sollte sich ein schickes Bank Netzteil mit dem Sie jede Spannung, die Sie wollen und welche zeigt die aktuelle von Ihrem Entwicklung Schaltung gezogen einstellen können sein:

Allerdings gibt es keine Notwendigkeit, Geld für ein schickes Gerät ausgeben, wenn Sie eine ausgezeichnete Einheit der eigenen mit Spannungsstabilisierung, einstellbare Ausgangsspannung aufbauen können, dosiert Strom, etc. etc. Persönlich, wenn die Entwicklung einer Schaltung mit einer Batterie verwendet werden, ich glaube, du bist besser dran Einschalten die Entwicklung aus einer Batterie, so die Eigenschaften der Batterie an irgendwelchen Tests, die Sie durchführen enthalten.
Wenn Sie möchten, können Sie ein sehr bequem Entwicklung Prüfstand Stromversorgung. Dies hat den Vorteil, dass man es in die bequemste Art für den eigenen Gebrauch zu machen. Sie können auch den Schutz ultra-sensitive und bauen zusätzliche Schaltungen wie Transistortester und Widerstand Substitutionsbox eine integrierte Testumgebung zu produzieren. Man könnte vielleicht mit einem Kurs wie diesem:

Hier wird die Leistung durch eine Packung von wieder aufladbaren Ni-Cad Batterie oder gegebenenfalls ein Netzteil mit Spannungsstabilisierung zugeführt. Wie in allen tatsächlichen Schaltungen, ist der nächste, was in der Schaltung immer ein Ein / Aus-Schalter, so daß die Stromquelle abgeschaltet werden kann sofort, wenn sich ein Problem auftritt. Weiter, wie immer, kommt eine Sicherung oder ein Schutzschalter, so dass sollte das Problem ernst sein, es kann die Schaltung schneller, als man reagieren kann trennen. Wenn Sie möchten, können Sie Ihre eigenen super-genau einstellbar Schutzschalter in dieser Position zu verwenden.
Die beiden Transistoren und drei Widerstände bilden eine einstellbare, stabilisierten Ausgang. Der FET-Transistor eine hohe Ausgangsleistung Belastbarkeit und eine sehr geringe Eingangsleistung Anforderung und so gut für die Regelung der Ausgangsspannung. Widerstand 'VR1' mit dem Widerstand 4K7 aufgefüllt ausschließlich um die Spannung über den variablen Widerstand zu verringern. VR1 eingestellt wird, um die Ausgangsspannung zu steuern. Wenn die Stromaufnahme erhöht wird und die Ausgangsspannung wird etwas nach unten gezogen, so wird die Spannung an der Basis des Transistors BC109 reduziert wird. Dies startet, um den Transistor auszuschalten, Erhöhen der Spannung am Punkt 'A', was wiederum erhöht die Ausgangsspannung, gegen die Variation durch die Last verursacht.
Der Ausgang überwacht wird, einerseits durch eine große Milliamperemeters die Stromaufnahme zeigen und zum anderen auf der Ausgangsseite des Amperemeter, einem Voltmeter. Dies ermöglicht eine sehr genaue Überwachung der Stromversorgung des Prototyps, vor allem, wenn das angeschlossene Messgerät neben dem Prototyp platziert. Sie können diese Schaltung in einem breiten, flachen Box, die eine Arbeitsfläche neben dem Milliamperemeter bietet bauen.
Am Punkt 'B' im obigen Diagramm, ein Verfahren zur Änderung der Strombereich des Milliamperemeter, indem ein "Shunt"-Widerstand über sie. Wenn der Schalter geschlossen ist, einige Strom fließt durch den Widerstand und einige durch das Amperemeter. Dieser Widerstand hat einen sehr niedrigen Wert, so sind Sie besser dran, it yourself. Sagen wir, wir wollen den Bereich des Zählers zu verdoppeln. Solder der Schalter über den Zähler und für den Widerstand verwenden eine Länge von Kupferlackdraht gewickelt um einen kleinen ehemaligen. Setz eine Last auf dem Ausgang, so dass der Zähler eine Vollausschlag. Schließen Sie den Schalter. Wenn die aktuelle angezeigte genau die Hälfte von dem, was es war, wenn nicht abschalten, entfernen Sie einige Draht, um das Lesen zu senken oder fügen Sie einige Draht, um das Lesen zu erhöhen und den Test wiederholen, bis genau die Hälfte der Strom angezeigt. Je niedriger der Wert des Shunt-Widerstand, desto mehr Strom fließt durch sie und die weniger durch das Messgerät, das gegebenenfalls einen unteren Lesung.
Bitte beachten Sie: Es ist sehr wichtig, um eine Sicherung oder Leistungsschalter in der Macht an Ihren Testschaltung geliefert haben. Jeder Fehler in dem Bau des Prototyps kann einen großen Strom von der Versorgung gezogen werden und das kann gefährlich sein. Denken Sie daran, Sie können nicht sehen den Strom. Selbst wenn Sie einen Meter auf der Strom, der geliefert haben, können Sie nicht bemerkt, die hohen Wert. Die ersten Anzeichen von Schwierigkeiten kann der Rauch sein! Sie können leicht anbraten der Schaltung Sie bauen, wenn Sie nicht über eine Sicherheits-Cut-off, so eine Sicherung oder ein anderes Gerät, das den Strom begrenzt auf das Doppelte, was Sie erwarten, dass die Schaltung zu zeichnen.
So, nach all dem, was Ausrüstung, die Sie wirklich brauchen? Sie benötigen einen kleinen Lötkolben und Multicore-Lot, ein Paar Spitzzange und ein Multimeter. Eine andere Sache ist irgendein Tool, um Drähte schneiden und entfernen Sie die Isolierung vor dem Löten. Persönliche Vorlieben variieren. Einige Leute bevorzugen eine der vielen benutzerdefinierten Tools, einige Leute ein Messer benutzen, ich persönlich benutze ein Paar von geraden Nagelschere. Sie wählen, was Sie sind komfortabel mit.
Nicht gerade ein breites Spektrum wichtiger Ausrüstung. Die anderen Elemente erwähnt werden, sind keineswegs unerlässlich, damit schlage ich vor, dass Sie, indem sie die Dinge einfach starten und verwenden ein Minimum an Ausrüstung.
Wenn Sie nicht vertraut mit Elektronik sind, schlage ich vor, dass Sie eine Kopie der Maplin Katalog zu erhalten, entweder von einem ihrer Läden oder über die http://www.maplin.co.uk Website. Fahren Sie durch sie sorgfältig, wie es Ihnen zeigen, welche Komponenten verfügbar sind, wie viel sie kosten oft, wie sie verwendet werden. Die Spezifikationen von fast jedem Halbleiter finden freigehalten werden http://www.alldatasheet.co.kr in Form einer Adobe Acrobat-Dokument.
Schließlich, da es nicht wichtig ist, ist die gesamte Schaltung bisher gezeigten angedeutet fließenden Strom von der + einer Batterie an den - Terminal. Die Entdeckung der Spannung wurde von Volta gemacht, aber er hatte keine Ahnung, in welche Richtung der Strom fließt, so vermutete er. Er hatte eine 50 bis 50 Chance es richtig, aber er war nicht das Glück und bekam es falsch. Elektrischer Strom ist eigentlich ein Fluss von Elektronen, und diese Strömung vom Minuspol der Batterie an der Batterie plus. So, who cares? Fast niemand, wie es keine praktischen Auswirkungen auf eine der Beschaltung.
Einige nützliche Webseiten:
http//:www.users.zetnet.co.uk/esr liefern Komponenten
http//:www.maplin.co.uk liefern Komponenten
http//:www.alldatasheet.co.kr liefern Datenblättern
http//:www.cricklewoodelectronics.com liefern Komponenten
http//:www.greenweld.co.uk liefern Komponenten
Wenn Sie sich entscheiden, dass Sie gehen, um neue Ausrüstung, Design Research und möglicherweise erfinden neue Geräte haben, dann ein Oszilloskop ist nützlich. Lassen Sie mich nochmals betonen, dass dies nicht ist ein wesentliches Element der Ausrüstung und sicherlich ist nicht erforderlich, bis Sie sehr vertraut mit Bau von Prototypen sind. Es ist ganz einfach, um die Einstellungen eines Oszilloskops verlesen und die Methoden der Betrieb nehmen etwas gewöhnungsbedürftig. Die Low-Cost-Buch "Wie dazu Oszilloskope und andere Messgeräte Verwenden" von RA Penfold, könnte ISBN 0 85934 212 3 gut hilfreich sein beim
Starrte einen "umfänglich nutzen können.
Es ist möglich, ein Oszilloskop zu vertretbaren Kosten durch den Kauf von Second-Hand-über eBay zu bekommen. Die besten Bereiche sind "Dual trace ', dass sie die Eingangswellenform und die Ausgangswellenform auf dem Bildschirm zur gleichen Zeit angezeigt werden bedeutet. Dies ist eine sehr nützliche Funktion, sondern weil es, die Tragweite hat, dass Anlage zu höheren Preisen zu verkaufen. Je höher die Frequenz, die der Umfang verarbeiten kann, desto nützlicher ist es, aber wieder, je höher der Verkaufspreis. Nicht alle Bereiche mit (der wesentliche) "Prüfsonden" geliefert werden, so dass es notwendig sein könnte, um sie separat zu kaufen, wenn der Verkäufer will seine halten. Erste das Handbuch für den Geltungsbereich ist auch ein entschiedener plus. Eine kostengünstige Umfang könnte wie folgt aussehen:

Menschen, die mit Permanentmagneten experimentieren, können Gebrauch machen von einem Instrument, das die Stärke eines Magnetfeldes zeigt. Professionell gemacht Geräten, dies zu tun tendieren dazu, außerhalb der Kaufkraft des durchschnittlichen Experimentator, die bereits Geld auf Materialien ausgegeben haben für seine Prototypen. Hier ist ein Design für eine einfache und billige Schaltung, durch vier AA-Batterien betrieben, und die Verwendung eines Hall-Effekt-Halbleitervorrichtung wie der Sensor:


Diese Konstruktion verwendet einen OP77GP Operationsverstärkers Chip, um das Ausgangssignal von der A1302-Chip, der eine Hall-Effekt-Vorrichtung ist zu steigern. Die Verstärkung des DC-Operationsverstärkers verbunden ist durch das Verhältnis der 1K und 1M Festwiderständen gezeigt im Schaltplan schattiert gesetzt, was eine Verstärkung von 1.000.
Der Schaltungsbetrieb ist einfach.
Die Sechs-Volt-Batterie lädt den
10 Mikrofarad Kondensator, die
Eisen hilft allen Zuleitung Schwankungen durch
unterschiedliche Stromaufnahme durch
die Schaltung verursacht. Der
10K variabler Widerstand
verwendet, um die Ausgabe-Meter-Anzeige auf Null gesetzt, wenn die Hall-Effekt-Vorrichtung
nicht in der Nähe von einem der Magneten. Das 1K variablen
Widerstand ist da, um Feineinstellungen
leichter.
Wenn die Chip-A1302 ein Magnetfeld auftritt, die Spannung an seinem Ausgang Stift 3 ändert. Diese
Änderung wird tausendmal durch
den OP77GP Verstärkers vergrößert. Seine Ausgabe an Pin 6 ist mit einer
Seite des Anzeigemeßgerät und die
andere Seite des Zählers verbunden
ist, um den Punkt "A". Die
Spannung am Punkt "A" ist
etwa die Hälfte der Batteriespannung.
Es wäre genau die Hälfte der Spannung sein, wenn die beiden 47K Widerstände waren genau die gleichen Wert. Dies ist eher
unwahrscheinlich, da es eine Herstellungstoleranz,
typischerweise etwa 10% des Nennwertes
des Widerstands. Der genaue Wert der Spannung am Punkt "A"
wird durch die OP77GP Tuning abgestimmt und so
der Zähler auf Null steht, bis
ein Magnetfeld auftritt. Wenn das passiert, ist der Balkenausschlag direkt proportional der
Stärke des Magnetfelds.
Sie brauchen nicht, um die folgenden Informationen kennen, so wenden Sie sich frei, es zu überspringen und auf etwas anderes.
Die Präsentation oben gezeigt wird auf der herkömmlichen Ansicht der Elektronik und elektrische Energie in Schulen und Hochschulen gelehrt basiert. Diese Informationen und Konzepte funktioniert gut für die Konzeption und den Bau Schaltungen, aber das bedeutet nicht, dass es ganz richtig ist. Leider ist die Welt nicht so einfach, wie erfolgt in der Regel aus.
Zum Beispiel ist es, dass Strom einen Fluss von Elektronen, die durch die Drähte einer Schaltung an der Lichtgeschwindigkeit ist. Während es stimmt, dass einige Elektronen auch tatsächlich durch das Metall der Drähte fließen, der kleine Prozentsatz von Elektronen, die tatsächlich tun, tun Sie es ganz langsam, wie sie sich ihren Weg durch das Gitter der Moleküle aus Metall zu verhandeln, aus denen die Körper haben der Drähte.
Trotzdem, wenn die Ein/Aus-Schalter einer Schaltung auf umgedreht, die Schaltung schaltet sich sofort, egal wie lange die Drähte. Der Grund dafür ist, dass elektrischer Strom entlang der Drähte mit sehr hoher Geschwindigkeit in der Tat, aber es fließt schnell entlang der Außenseite der Drähte, nicht schnell durch die Drähte. Einem Tausendstel einer Sekunde nach Einschalten eines Stromkreises, haben die Elektronen fließen durch die Drähte kaum angefangen hat, während der Strom, der entlang der Außenseite der Drähte hat der ganzen Schaltung und zurück gegangen:

Die obige Skizze zeigt nicht die Proportionen korrekt, da der Stromfluss spiralförmig entlang der Außenseite der Leitung sollte Hunderttausende mal länger sein als dargestellt, welches nicht in einem Diagramm praktisch.
Der tatsächliche Pfad durch den Stromfluss genommen macht die Oberfläche des Drahtes von besonderer Bedeutung, und die Isolierung Material ist auch von großer Bedeutung. In den vergangenen Jahren, verwendet Drahthersteller zum Glühen (cool down) Kupferdrähte in der Luft. Dadurch entstand eine Schicht von Kupferoxid auf der äußeren Oberfläche von Kupferdrähten, und dass die Schicht ergab Draht andere Eigenschaften als Kupferdraht weist gegeneinander. William Barbat in seiner Patentanmeldung beansprucht, dass die Kupfer-Oxidschicht bei der Herstellung Geräte mit höherer Leistung als die Leistung Eingabe vom Benutzer verwendet werden kann.
Leider ist die Welt nicht ganz so einfach ist das, als Kraft fließt in einem Kreislauf mindestens zwei Komponenten. Der elektrische Strom, den wir mit Amperemeter gemessen wird, wie oben beschrieben, und wird manchmal auch als "heiße" Strom als wenn er durchfließt Komponenten bezeichnet, neigt es ihnen erwärmen. Aber es ist eine weitere Komponente bezeichnet als "kalt" Strom, so genannt, weil sie die Komponenten abkühlen, wenn es durch sie hindurch strömt tendiert. Zum Beispiel, wenn der Ausgang Drähte Floyd Sweet VTA Gerät kurzgeschlossen wurden zusammen, Frost würde auf dem Gerät aufgrund der starken Strömung des "kalten" Strom zu bilden, und bekommen ein "Schock" von ihm könnte Ihnen Erfrierungen anstelle eines Burn .
"Cold" Strom ist nicht etwas, was neu ist, hat es immer gibt, da es nur ein Aspekt der "Strom" ist gewesen. Es hat nicht viel von der herkömmlichen Wissenschaft untersucht, da keines der Instrumente verwendet werden, um "hot" Strom zu messen, "kalt" Strom überhaupt reagieren. (Eigentlich "hot" Strom "kalt" Elektrizität und Magnetismus sind alle Funktionen einer einzigen Einheit, die wirklich als "Elektromagnetismus" werden sollte).
Nun ist die spooky Bit: "kalten" Strom nicht entlang oder durch den Draht überhaupt fließen. Stattdessen fließt es in dem Raum um den Draht herum, möglicherweise der Fahrt auf einem Magnetfeld, das durch die "heiße" Strom verursacht wird. Thomas Henry Moray ist berühmt für den Aufbau einer Vorrichtung, die "kalten" Strom erfasst und produziert eine massive Leistung antreiben kann eine ganze Reihe von gewöhnlichen elektrischen Geräten. In seinen vielen öffentlichen Demonstrationen, bevor er in die Stille eingeschüchtert wurde und seine Ausrüstung zertrümmert, lud er die Mitglieder des Publikums, ein Stück gewöhnliches Glas mit sich bringen. Dann, wenn seine Schaltung wurde Einschalten eine Reihe von Lichtern, würde er schnitt einer der Drähte und legen Sie das Stück Glas zwischen den abgeschnittenen Enden der Drähte. Dies hatte keinen nennenswerten Einfluss auf seine Schaltung, wobei die Energie fließt glücklich durch das Glas und durch seine Schaltung, die Versorgung der Leuchten wie zuvor. Das funktioniert nicht mit "hot" Strom passieren, aber die "kalte" Strom fließt nicht durch oder entlang der Oberfläche des Drahtes ist ein Bruch in der Draht nicht ein großes Hindernis für sie.
Wir wissen
noch nicht sehr viel über "kalte" Strom. Edwin Grau snr. gezeigt
Glühbirnen durch "kalte" Strom versorgt wird in Wasser getaucht.
Nicht nur, dass die Lampen weiter arbeiten unabhängig von dem Wasser, aber
Edwin oft steckte seine Hand in das Wasser zusammen mit dem beleuchteten
Glühbirne,
Ein weiterer interessanter Punkt ist die Wasserkraft betriebene car system von einem amerikanischen Mann Nathren Armour produziert. Sein System, (unter anderem) beinhaltet Fütterung zusätzliche elektrische Energie an die Zündkerzen. Eine Sache, die ihn immer verwundert ist, dass der Motor nicht nur mit einem Draht, der Zündkerzenstecker laufen. Er muss einen zweiten Draht läuft von seiner zusätzlichen Stromversorgung der Körper des Steckers haben, wo er Schrauben in den Motorblock. Nehmen Sie diesen Draht entfernt und der Motor stoppt. Legen Sie es wieder zurück und der Motor läuft. Aber gemäß herkömmlichen Elektrik, dass der Draht nicht möglicherweise benötigt werden, da der Motorblock mit Masse und dessen Ausgang der Stromversorgung geerdet ist, so in der Theorie, gibt es keine Spannungsdifferenz zwischen den Enden des Drahtes, kann daher kein Strom entlang der Strömung Draht, damit der Draht wird nicht benötigt und hat keine Funktion. Nun, das ist für "hot" Strom wahr, aber es scheint möglich, dass die Nathren Rüstung wird mit "kalten" Strom sowie "hot" Strom und die "kalte" Strom braucht die zusätzlichen Draht als Strömungsführung des Funkens Stecker.
Genug davon für jetzt. Lassen Sie uns einen Schritt weiter gehen in die "Verrücktheit" der wirklichen Welt. Wenn 300 Jahre alt Sie Röntgenstrahlung, Gammastrahlung, Kernenergie und TV-Signale auf die durchschnittliche gut gebildete Person beschrieben hatte, würden Sie ein erhebliches Risiko ein, als verrückt eingesperrt ausgeführt haben. Wenn Sie es heute tun, würde Ihre Zuhörer wahrscheinlich nur gelangweilt, als er bereits weiß, all dies und nimmt es als eine Angelegenheit der Tat (was es ist). Bitte beachten Sie, dass, wenn Sie die folgenden Informationen zu lesen. Wenn es seltsam und weit hergeholt scheint, ist das nur, weil konventionelle Wissenschaft heute schlecht Rückstand ist und noch lehren, was nicht abschließend erwiesen sich als falsch Jahrzehnten.
Wenn Sie in einer Wüste gelebt und jeden Tag ein Unternehmen fuhr mit einem LKW-Ladung Sand und verkaufte es an ihr für eine große Menge an Geld, was würden Sie davon? Nicht ein sehr guter Deal für Sie, nicht wahr? Was ist, dass Sie sagen, Sie würden nie das tun? Aber Sie bereits tun, weil Sie nicht erkennen, dass der Sand überall um dich herum ist bereit für die Aufnahme bei der nächsten bis gar keine Kosten überhaupt. Einige Leute haben versucht, die Tatsache zu veröffentlichen, aber der Sand Unternehmen hat sie sofort durch die eine oder andere zum Schweigen gebracht. Das Unternehmen will sich nicht das Geschäft der Verkauf Sie den Sand zu verlieren und definitiv nicht wollen, dass Sie beginnen Kommissionierung es für sich selbst kostenlos.
Nun ... zu perfekt fair, ist es eigentlich nicht Sand, es ist Energie, und es ist überall um uns herum frei für die Aufnahme. Klingt ein bisschen wie X-Strahlen hat 300 Jahre her? Bedeutet nicht, dass es nicht wahr ist. Es ist vollkommen richtig. Das Design aller Computer, die heute auf den Gleichungen der Quantenmechanik basiert, und während diese Gleichungen noch nicht perfekt, sie sind einfach gut genug für praktische Zwecke. Der Haken ist, dass die Welt auf der Ebene der Quanten gesehen nicht viel, wie die Welt in der wir denken, dass wir um uns herum sehen und von denen wir glauben, dass wir voll und ganz verstehen. Untersuchen der Welt der Quanten-Ebene zeigt, dass wir in einer brodelnden Masse von unglaublicher Energie leben. Einstein ist für die besagt, dass Masse gleich eine sehr große Menge an Energie, eine Tatsache, die sich deutlich, wenn eine Atombombe gezündet gezeigt berühmt. Setz in anderen Worten, eine kleine Menge an Materie entspricht einer sehr großen Menge von Energie. Eigentlich sind Energie und Materie zwei verschiedene Aspekte eines einzigen Sache (die vernünftigerweise als "Mass-Energy" werden könnten).
Bei der Quanten-Ebene, kann man sehen, dass Teilchen der Materie pop ins Dasein und wieder fallen in Energie auf einer kontinuierlichen Basis, überall im ganzen Universum werden. Das ganze Universum mit Energie brodelt. Diese Energie stört uns nicht mehr als Wasser einen Fisch stört, wie wir in diesem Meer von Energie entwickelt und wir merken es nicht. Es schadet nicht uns, aber wenn wir wollten, und wusste, wie konnten wir so viel von dieser Energie nutzen, wie wir für immer und ewig wollten. Der Betrag dieser Energie ist unglaublich. Es wurde berechnet, dass ein Kubikzentimeter überall im Universum enthält genug Energie, um alle Materie, die wir in der ganzen Welt sehen können, zu schaffen. Überlegen Sie, wie viele Kubikzentimeter gibt es in der Erde ... der Solar System ... unserer Galaxie ... Wenn jeder Mensch auf der Erde waren, ihre Fahrzeuge, Macht ihre Häuser fliegen ihre Flugzeuge, etc. etc. für die nächsten Millionen Jahre laufen, wäre es nicht die geringste Delle in der Energie in einem Kubikmillimeter des Universums enthalten. Dies ist nicht eine Theorie, es ist eine Tatsache. (Möchten Sie einen großen Haufen Sand kaufen - ich habe eine Last nur über hier ...). Dieses große Energiefeld hat unter verschiedenen Namen im Laufe der Jahre verschwunden. Ein beliebter Name in der heutigen Zeit ist das "Zero-Point Energy Field" und es ist für alles verantwortlich, was im Universum geschieht. Es versorgt das Leben. Es gleicht im Gleichgewicht überall, das ist einer der Gründe, die es schwer zu erkennen, dass es überall um uns herum ist, macht.
Tom Beardon ist ein amerikanischer Mann mit sehr beträchtlichen Fähigkeiten und beträchtliche fundiertes Wissen, wie die Welt tatsächlich funktioniert. Seine Aussagen sind in der Regel im Labor erprobte Kriterien durch seine hohe mathematische Fähigkeiten, die ihm geben einen zusätzlichen Griff der Dinge gesichert basiert. Er erklärt, wie Strom funktioniert tatsächlich in Schaltungen, und es ist nichts, wie das System in Schulen und Hochschulen gelehrt. Wir denken, dass, wenn wir eine Batterie befestigen, um eine elektrische Schaltung, wobei die Batterie einen Strom durch die Drähte zwingt der Schaltung. Leider Chief - es ist tatsächlich nichts dergleichen überhaupt. Die Macht in der Schaltung kommt direkt aus dem Zero-Point Energy Field und hat sehr wenig mit der Batterie zu tun. Wir neigen dazu, "mit bis" Macht denken, aber das ist einfach nicht möglich. Energie kann nicht zerstört oder "verbraucht" die Sie tun können, ist, um es von einer Form zur anderen ändern. Es wird die Funktion "Arbeit" (Power Equipment, Wärme, Kälte erzeugen ...), wenn es von einer Form in eine andere ändert, aber wenn Sie den Prozess und rückwärts zu konvertieren es zurück zu seiner ursprünglichen Form, wird es ein weiteres viel perform " Arbeit "bei der Umsetzung und am Ende wieder in genau dem gleichen Zustand wie es begann aus, trotz Anwendung der nach durchgeführt zwei Lose von" Arbeit "während der Operation.
Eine Batterie liefert keine Energie, um eine Schaltung. Statt dessen, was passiert ist, dass die chemische Wirkung im Inneren der Batterie negativen Ladungen verursacht an der "Minus"-Anschluss der Batterie und positiven Ladungen sammeln zu versammeln in der "plus"-Anschluss der Batterie. Diese beiden eng zusammen "Pole" der Batterie eine "Dipol" (zwei entgegengesetzte Pole nahe beieinander) genannt, und sie haben eine Wirkung auf die Zero-Point Energy Field, die überall ist. Das "Plus"-Pol der Batterie verursacht eine massive Ansammlung von Zero-Point Energy Field negativen Ladungen auf Cluster um ihn herum. In der gleichen Weise, verursacht die "Minus"-Pol der Batterie eine massive Ansammlung von ZPE ("Zero-Point Energy") positive Ladungen um es zu sammeln. Nicht nur, dass diese Gebühren sammeln sich um die Pole der Batterie, sondern ein Ungleichgewicht im Bereich der Energie wird erstellt und die ZPE Gebühren weiterhin an den Polen kommen und sie strahlen in alle Richtungen in einem kontinuierlichen Strom von unglaublicher Energie.
Also, es ist Ihre glänzende neue Batterie sitzen, mit nichts verbunden und doch verursacht massive Energie-Streams zu strahlen aus ihren Anschlüssen in alle Richtungen. Wir merken es nicht, weil die Energie fließt frei durch uns und wir können es nicht fühlen und keiner unserer konventionellen Instrumenten, wie Voltmeter, Amperemeter, Oszilloskope, etc. zu reagieren, um es überhaupt.
Die Situation ändert sich sofort, wenn wir eine Schaltung mit der Batterie zu verbinden. Die Schaltung stellt einen Strömungsweg für das ZPE Energie entlang strömen, und eine erhebliche Menge an Energie fließt der Nähe der Drähte der Schaltung tatsächlich die Stromversorgung die Schaltung für den Bruchteil einer Sekunde bis er die Batterie "Pol" erreicht am anderen Ende der Schaltung. Wenn es dort bekommt es umgehend löscht die Pole, zerstören sie vollständig. Die ZPE Feld beruhigt und der Energiefluss aufhört. Aber unsere treuen Batterie sofort funktioniert das alles wieder mit seinen chemische Energie, um die "Dipol" noch einmal zu schaffen, und das Ungleichgewicht der ZPE Feld beginnt erneut. Es ist, weil die Batterie, es zu benutzen die chemische Energie die ganze Zeit, die Schaffung und neu erstellt und neu zu erstellen, ist es "Dipol", dass es nach unten läuft und schließlich aufhört zu können, um den Dipol nicht mehr zu schaffen - Ergebnis: nicht mehr Strom in der Schaltung.
Leider, um die Illusion zu verderben, aber die Batterie nie Stromversorgung der Schaltung selbst, sondern lediglich fungierte als Kanalisierung Gerät für die Zero-Point Energy Field. Nebenbei, Direct Current ("DC") ist eigentlich nicht ein kontinuierlicher Strom an alle, sondern es ist ein Strom von DC Impulse zu einem unglaublich hohen Frequenz - Wege höher als wir heute messen. Die Geschwindigkeit der Impulse ist so groß, dass es kontinuierlich an uns aussieht, ein bisschen wie die einzelne Standbilder, die die Rahmen eines Films sind, scheinen ein bewegtes Bild ist, uns, wenn sie einer nach dem anderen mit einer Rate von gespielten 25 pro Sekunde - es sieht aus wie eine kontinuierliche Bewegung zu uns, aber in Wirklichkeit ist es eine rasche Folge von Standbildern.
Die Art und Weise, dass eine Batterie "Dipol"-Arbeiten an der Zero-Point Energy Field eher wie der Weise, dass eine Lupe wirkt auf Sonnenlicht. Die Strahlen der Sonne in einem Punkt, durch die Linse fokussiert konzentriert zu bekommen. Sie können ein Feuer mit der Linse, und es wäre einfach zu denken, dass das Objektiv das Feuer gelegt, wenn sie in Wirklichkeit sind es die Strahlen der Sonne, die das Feuer gelegt und das Objektiv nur einen lokalen Bereich des großen beeinflusst wird "Feld" von Sonnenlicht, die Temperatur nur an einem Punkt.
Während wir uns von einem "Dipol" von einer Batterie erzeugt denke eher, wird der gleiche Effekt auch durch einen Magneten erzeugt, ob ein Elektromagnet oder ein Permanentmagnet - daran erinnern, dass Elektrizität und Magnetismus zwei Gesichter des gleichen Unternehmens sind. Es ist möglich, aber nicht leicht, um die Energie aus dem Streaming-Interferenz mit dem ZPE Feld von den Polen eines Magneten verursacht einzufangen. Zum Beispiel gelang es Hans Coler, dies mit einem völlig passives Gerät, das, wenn richtig eingerichtet ist, elektrische Energie, Stunde um Stunde aus scheinbar "nichts" (na ja, eigentlich der ZPE-Feld) produzieren könnte tun. Roy Meyers tat es auch mit seinem patentierten Anordnung von Magneten und Zinkplatten - völlig passiv, ohne bewegliche Teile überhaupt, keine Batterie und keine Schaltung.
Patrick Kelly
http://www.free-energy-info.tuks.nl