LA GUÍA PRÁCTICA DE DISPOSITIVOS DE LIBRE-ENERGÍA       AUTOR: EL PATRICK J. KELLY



Capítulo 7:   Sistemas Atena y Generadores Electrostáticos

Generalmente se piensa que las antenas no so n capaces de recolección mucho poder. La concepción popular es eso el único poder disponible es las radioondas niveladas bajas de los transmisores de la radio distantes, y mientras es ciertamente verdad que las radioondas pueden recogerse con una antena, las fuentes reales de poder no son los transmisores de la radio.

Por ejemplo, nosotros estaremos mirando la información de Hermann Plauson y él consideró cualquier sistema etéreo de su qué no produjo más de un poder del exceso de 100 kilovatios, como u n “pequeño” el sistema. Thomas Henry Moray demostró su sistema repetidamente a los públicos, mientras tirando en los niveles de poder de a 50 kilovatios. Estos niveles de poder no se producen por los signos de estación de radio.


El Sistema de Nikola Tesla.   Nikola Tesla produjo un dispositivo etéreo que es el valor mencionando. Estaba patentado el 21 1901 de mayo como un “el Aparato para la Utilización de Energía Radiante”, la Patente americana número 685,957.


El dispositivo parece simple pero esta dos de Tesla que el condensador necesita ser “de capacidad electrostática considerable” y él recomienda usar la mica de calidad mejor para construirlo como descrito en su 1897 patente 577,671. El circuito dibuja el poder vía un aisló, el plato de metal br illante. El aislamiento podría ser el rocío en plástico: El más grande el plato, el mayor la recogida de energía. El más alto el plato es elevado, el mayor la recogida.


Este sistema de los picos de Tesla a día de energía y noche. El condensador se cobra a y un interruptorvibrante repetidamente las descargas el condensador en el paso-baje el transformador. El transformador bajael voltaje y aumentos la corriente disponible y el rendimiento se usa para impulsar la carga eléctrica en tonces.

Parece probable que este dispositivo opere principalmente de electricidad estática que algunas personas creen es una manifestación del campo de energía de cero-punto. Los equipos de Tesla podrían operar bien cuando alimentó por un motor-manejado Wimshurst mecanizan en lugar de un plato etéreo grande. Los detalles de equipo de Wimshurst casa - construido están disponibles en el libro “Homemade Lightning” (el Relámpago Casero) por R.A. Ford, ISBN 0-07-021528-6.

Sin embargo, debe entenderse que Tesla describió dos formas diferentes de recogida de energía. El primero es electricidad estática, recogida de la interacción muy ligera del plato de la recogida con el campo de energía de cero-punto que fluye a través de él, y la otra recogida del ser de eventos de energía radiantes dinámicos, típicamente de las huelgas del relámpago. A una mirada casual, la media persona no consideraría el relámpago como ser una fuente viable de energía, pero éste no es el caso como allí es aproximadamente doscientos relámpago golpea por segundo - principalmente en los trópicos - y lo que generalmente no se entiende es que ellos son se sienten eventos de energía radiantes y sus efectos inmediatamente por todas partes en la tierra como las transmisiones a través del campo de energía de cero-punto es instantáneo a cualquier distancia. Para clarificar la situación un poco más, aquí son dos de las patentes de Tesla, uno en la recogida del campo estático que los comentarios de Tesla parecen ser ilimitados en el voltaje, y una patente en la recogida de energía dinámica.

Ésta es una copia ligeramente re-formulada de esta patente, cuando algunas palabras han cambiado su significado desde que esta patente fue emitida. Si usted desea ver el original, entonces www.freepatentsonline.com le permitirá transmitir una copia sin cualquier cargo.

Patente US 685,957 5 noviembre 1901 Inventor: Nikola Tesla

EL APARATO PARA EL UTILISATION DE ENERGÍA RADIANTE


A todos quienes puede involucrar:
Sea él conocido que yo, Nikola Tesla, un ciudadano del Une Estados, mientras residiendo en el distrito municipal de Manhattan, en la ciudad, condado y Estado de Nueva York, han inventado ciertas nuevas y útiles mejoras en el Aparato para el utilización de Energía Radiante de que lo siguiente es una especificación, referencia que se tiene a los dibujos acompañando y formando una parte del mismo.

Se conoce bien que ciertas radiaciones - como aquéllos de luz de la extremista-violeta, catódico, rayos del Roentgen, o el gusta - posea la propiedad de cobrar y descargar a conductores de electricidad, el ser de la descarga particularmente notable cuando el conductor en que los rayos chocan con se electriza negativamente. Generalmente se considera que estas radiaciones son vibraciones de éter de longitudes de la ola sumamente pequeñas, y en la explicación de los fenómenos notada, ha sido supuesto por un poco de autoridades que ellos ionizan, o da dirigiendo, la atmósfera a través de que ellos se propagan. Sin embargo, mis propios experimentos y observaciones me llevan hasta aquí a las conclusiones más en el acuerdo con la teoría adelantada por mí que las fuentes de tal tiro de energía radiante fuera de con la gran velocidad, partículas diminutas de materia que se electriza fuertemente, y por consiguiente capaz de cobrar a un conductor eléctrico, o, aun cuando no para que, pueda de todos modos la descarga un conductor electrizado, o por en persona transporte fuera de su cargo o por otra parte.

Mi aplicación presente es basado en un descubrimiento que yo he hecho que cuando se permiten rayos o radiaciones del tipo anterior caerse en un dirigir-cuerpo aislado que conectó a uno de los términos de un condensador, mientras el otro término del condensador se hace recibir o llevar electricidad lejos, un flujos actuales en el condensador tan largo como el cuerpo aislado se expone a los rayos, y bajo las condiciones especificadas debajo, una acumulación indefinida de energía eléctrica en el condensador tiene lugar. Después de un intervalo de tiempo conveniente durante que los rayos se permiten actuar, esta energía puede manifestarse en una descarga poderosa que puede usarse para el funcionamiento o mando de mecánico o los dispositivos eléctricos o puede darse útil de muchas otras maneras.

Aplicando mi descubrimiento, yo proporciono un condensador, preferentemente de capacidad electrostática considerable, y conecto uno de sus términos a un plato de metal aislado u otro dirigir-cuerpo expuso a los rayos o arroyos de materia radiante. Es muy importante, particularmente en vista del hecho que generalmente se proporciona la energía eléctrica al condensador a una proporción muy lenta, construir el condensador con el más gran cuidado. Yo prefiero usar la calidad mejor de mica como el dieléctrico, mientras tomando cada posible precaución aislando las armaduras, para que el instrumento pueda resistir las grandes presiones eléctricas sin gotear y no puede dejar la electrificación perceptible al descargar instantáneamente. En la práctica, yo he encontrado que los resultados más buenos se obtienen con condensadores tratados de la manera descrita en Patente 577,671 concedida a mí 23 el 1897 de febrero. Obviamente, las precauciones anteriores deben ser los más rigurosamente observamos el más lento la proporción de cobrar y el más pequeño el intervalo de tiempo durante que la energía se permite aumentar en el condensador. El plato aislado o dirigir-cuerpo deben presentar a los rayos o arroyos de materia, como grande una superficie como es práctico, yo que he determinado que la cantidad de energía llevó a él por la unidad de tiempo es, bajo por otra parte condiciones idénticas, proporcional al área expuesta, o casi para que. Además, la superficie debe estar limpia y preferentemente favorablemente debe pulir o debe amalgamar. El segundo término o armadura del condensador pueden conectarse a uno de los polos de una batería u otra fuente de electricidad, o a cualquiera dirigiendo el cuerpo u objeta cualquier cosa de tales propiedades o así que condicionó eso por sus medios, electricidad de la señal requerida se proporcionará al término. Una manera simple de positivo abastecedor o electricidad negativa al término es conectarlo a un conductor aislado apoyado a alguna altura en la atmósfera, o a un conductor conectado con tierra, el anterior, como es bien conocido, mientras amueblando el positivo, y la última electricidad negativa. Como los rayos o generalmente supuso los arroyos de materia llevan un cargo positivo al primer término del condensador arriba expresado. Yo normalmente conecto el segundo término del condensador a la tierra, esto siendo la manera más conveniente de obtener electricidad negativa, distribuyendo con la necesidad de proporcionar una fuente artificial. Para usar la energía coleccionada en el condensador para cualquier propósito útil, yo conecto también a los términos del condensador, un circuito que contiene un instrumento o aparato que se deseaba operar, y otro instrumento o dispositivo por cerrar alternadamente y abrir el circuito. Este último dispositivo puede ser cualquier forma de circuito-director con partes fijas o móviles o electrodos que o pueden actuarse por la energía guardada o por los medios independientes.

Mi descubrimiento se entenderá más totalmente de la descripción siguiente y dibujos dónde

Fig.1 es un diagrama que muestra el arreglo general del aparato como normalmente empleado.


Fig.2 es un diagrama similar, mientras ilustrando en más detalle, las formas típicas de los dispositivos o elementos usaron en la práctica.


Fig.3 y Fig.4 son diagramas de arreglos modificados conveniente para los propósitos especiales.










Fig.1 muestra la forma más simple en que C es el condensador, P el plato aislado o dirigir-cuerpo que se exponen a los rayos, y P' otro plato o conductor que se conectan con tierra, todos conectándose en la serie como mostrado. Los términos T y T' del condensador que también se conectan C a un circuito que contiene un dispositivo R que será operado, y un dispositivo circuito-controlando d como descrito anteriormente.

El aparato a colocándose como mostrado, se encontrará que cuando la radiación del sol, o cualquier otra fuente capaz de producir los efectos descritos sobre, caígase en el plato P, habrá una acumulación de energía en el condensador C. Yo creo que este fenómeno se explica el mejor como sigue: El sol, mejor como otras fuentes de energía radiante, los tiros fuera de las partículas diminutas de materia positivamente electrizada que el plato llamativo P, cree un cargo eléctrico en él. El término opuesto del condensador a conectándose continuamente a la tierra que puede considerarse que son un inmenso depósito de electricidad negativa un flujos actuales débiles en el condensador, y desde que estas partículas supuestas son de un inconcebiblemente radio pequeño o curvatura, y por consiguiente, cobró a un voltaje muy alto, esto cobrando del condensador pueden continuar cuando yo realmente he observado, casi indefinidamente, incluso al punto de romper el dielectrico. Si el dispositivo d es de tal carácter que operará para cerrar el circuito en que es incluido cuando el voltaje del condensador ha alcanzado un cierto nivel, entonces el cargo acumulado atravesará el circuito, mientras operando el cobrador R.


En la ilustración de este efecto, Fig.2 muestra el mismo arreglo general como en Fig.1, y el dispositivo que d se muestra compuesto de dos platos dirigiendo muy delgados t y t' que son libre mover y pusieron mismo cerca de nosotros. La libertad de movimiento o puede haber terminado la flexibilidad de los platos o a través del carácter de su apoyo. Para mejorar su acción ellos deben adjuntarse en un albergue que puede tener el aire quitado de él. Los platos que se conectan t y t' en la serie en un circuito activo que incluye a un receptor conveniente que en este ejemplo se muestra como un electroimán M, una armadura móvil a, un b primaveral, y una rueda del trinquete w, con tal de que con un primavera-trinquete r que se monta sobre un eje a la armadura un cuando ilustrado. Cuando la radiación se cae en el plato P, un flujos actuales en el condensador hasta su voltaje causan los platos t y t' ser atraído juntos, cerrando el circuito y de exitacion el imán M, causándolo para dibujar abajo la armadura un y causa una rotación parcial de la rueda del trinquete w. Cuando las paradas de flujo actuales, la armadura se retracta por la primavera b, sin, sin embargo, moviendo la rueda w. Con la obstrucción de la corriente, los platos que t y t' cesan ser atraídos y separar, mientras restaurando el circuito así a su condición original.


Fig.3 muestra una forma modificada de aparato usada en relación con una fuente artificial de energía radiante que en este caso puede ser un arco que emite los rayos extremista-de color de violeta copiosos. Un reflector conveniente puede mantenerse concentrándose y dirigiendo la radiación. Un imán R y circuito-director que d se colocan como en las figuras anteriores, pero en este caso, en lugar de realizar el todo del trabajo, el imán realiza la tarea de abrir alternadamente y cerrar un circuito local, mientras conteniendo una fuente de B actual y una recepción o traduciendo el dispositivo D. El director que d puede, si deseó, consista en dos electrodos fijos separados por un hueco aéreo diminuto o los dieléctrico débiles filman que se estropea más o menos de repente cuando una diferencia de voltaje definida se alcanza en los términos del condensador, e ingresos a su estado original cuando la descarga ocurre.


Todavía otra modificación se muestra en Fig.4 en que S, la fuente de energía radiante es una forma especial de tubo del Roentgen inventada por mí, mientras teniendo sólo un k terminales, generalmente de aluminio, en la forma de mitad una esfera, con una llanura la superficie pulió en el lado delantero de que los arroyos se tiran fuera de. Puede excitarse atándolo a uno de los términos de cualquier generador con la fuerza electromotriz suficientemente alta; pero el aparato cualquier se usa, es importante que el tubo tiene el aire dentro de él quitó a un grado alto, por otra parte podría demostrar ser completamente ineficaz. El funcionamiento, o el circuito de la descarga conectó a los términos T y T' del condensador, incluye, en este caso, el p tortuoso primario de un transformador, y un circuito-director comprendió de un término fijo o cepillo t y un t' terminales móviles en la forma de una rueda, con dirigir y aislar segmentos que pueden rodarse a una velocidad arbitraria por cualquier medios conveniente. En la relación inductiva al p tortuoso primario, es un s tortuoso secundario, normalmente de un número muy mayor de giros, a los extremos de que se conecta un cobrador R. Los términos del condensador a conectándose como mostrados, uno a un plato aislado P y el otro a un plato conectado con tierra P'. Cuando el tubo S está entusiasmado, se emiten rayos o arroyos de materia de él y éstos llevan un cargo positivo al plato P y condensador T terminal, mientras el condensador T' terminal es continuamente electricidad negativa receptor del plato P'. Como ya explicó, esto produce una acumulación de energía eléctrica en el condensador, y esto continúa con tal de que el circuito incluso el p tortuoso primario se interrumpa. Siempre que el circuito esté cerrado por la rotación del t' terminal, la energía guardada se descarga a través del p tortuoso primario, mientras dando lugar a las corrientes inducido en el s tortuoso secundario que opera el cobrador R.

Está claro de lo que se ha declarado anteriormente, que si el T' terminal se conecta a un plato el positivo abastecedor en lugar de electricidad negativa, entonces los rayos deben llevar electricidad negativa para chapar P. La fuente S puede ser cualquier forma de Roentgen o Leonard entube, pero es obvio de la teoría de acción que para ser muy eficaz, los impulsos que lo excitan deben estar totalmente, o principalmente de una señal. Si las corrientes alternas simétricas ordinarias son empleado, entonces la provisión debe hacerse por permitir los rayos para sólo caerse en el plato P durante esos periodo cuando ellos pueden producir el resultado deseado. Obviamente, si la radiación de la fuente se detiene o se intercepta, o la intensidad varió de cualquier manera como interrumpir periódicamente o variar la corriente que excita la fuente rítmicamente, habrá cambios correspondientes en la acción en el cobrador R y así pueden transmitirse los signos y muchos otros efectos útiles produjeron. Más allá, se entenderá que cualquier forma de más circuito-cerca qué responderá, o se ponga en el funcionamiento cuando una cantidad predeterminada de energía se guarda en el condensador, ya puede usarse en lugar del dispositivo descrito en relación con Fig.2.


La segunda patente exige poner a punto el equipo a un cuarto de la longitud de onda de los pulsos de energía que son reunido. Esta patente muestra un método de la transmisión así como un método receptor, pero nuestra preocupación principal aquí es la sección receptor mostrada en el derecho del diagrama como eso puede recibir ocurriendo los pulsos de energía naturalmente en el ambiente y para que proporciona la energía utilizable gratuitamente.

Como él puede ser un poco difícil de visualizar el arreglo del bobina en este tantas personas patentes está familiarizado con el "Bobina de Tesla" que arreglo dónde se usan unos giros de alambre espeso o la tubería cobriza como un bobinado puso alrededor de un bobina cilíndrico ordinario, a mucho le gusta, esta ilustración de la patente de Tesla US 568,178:


En este caso debe entenderse que Tesla está hablando sobre su piso "panqueque" el plan del bobina y no el Bobina de Tesla muy conocido la configuración.

Patente US 649,621 15 mayo 1900 Inventor: Nikola Tesla

EL APARATO PARA LA TRANSMISIÓN DE ENERGÍA ELÉCTRICA


A todos quienes puede involucrar:
Sea él conocido que yo, Nikola Tesla, un ciudadano del Une Estados, mientras residiendo en el distrito municipal de Manhattan, en la ciudad, condado y Estado de Nueva York, han inventado ciertas nuevas y útiles mejoras en el Aparato para la Transmisión de Energía Eléctrica de que lo siguiente es una especificación, referencia que se tiene al dibujo acompañando y formando una parte del mismo.


Esta aplicación es una división de una aplicación archivada por mí 2 el 1897 de septiembre, US 650,343 tituló "los Sistemas de Transmisión de Energía Eléctrica" y es basado en los nuevos y útiles rasgos y combinaciones de aparato mostradas y describió en esa aplicación de la patente.

Esta invención comprende a un bobina transmitiendo o conductor en que se producen corrientes eléctricas u oscilaciones y qué se acuerda causar estas corrientes u oscilaciones ser propagado por la conducción a través del medio natural de una situación a una situación remota, y un bobina receptor o conductor adaptaron para ser excitados por las oscilaciones o corrientes propagó por el transmisor.

Este aparato se muestra en el diagrama acompañando dónde A es un bobina, generalmente de muchos giros y de un diámetro muy grande, hiera en la forma de la escalera de caracol, o alrededor de un centro magnético o no como puede desearse. C es un segundo bobina formado por conductor de tamaño muy más grande y la longitud más pequeña, hiera alrededor y en la proximidad para enrollar A.

El aparato se usa en un momento dado como un transmisor, el bobina A en este caso que forma un alto-voltaje secundario de un transformador, y el bobina C el primero que opera a un muy más bajo voltaje. La fuente de corriente para el bobinado primario es marcado G. Un término del enrollar secundario A está al centro del bobina espiral, y de este término que la corriente se lleva por un conductor B a un D terminal, preferentemente de superficie grande, formado o mantuvo por cosas así significa como un globo a una elevación conveniente con el propósito de la transmisión. El otro término del enrollar secundario A se conecta a la tierra, y si deseó, al bobinado primario también para que el bobinado primario también pueda estar en substancialmente el mismo voltaje como las porciones adyacentes del bobinado secundario, mientras asegurando la seguridad así.

En la estación receptor, un transformador de construcción similar se usa, pero en este caso el bobina A' constituye el bobinado primario y el bobina más corto C' es el bobinado secundario. En este circuito receptor, lámparas L, va en automóvil M, u otros dispositivos por usar esta corriente, se conecta. El D' terminal elevado conecta con el centro del bobina A' y el otro término se conecta a la tierra y preferentemente, también, al bobina C' de nuevo por las razones de seguridad como arriba expresado.

La longitud del bobina del alambre delgado en cada transformador debe ser aproximadamente un cuarto de la longitud de la ola de la perturbación eléctrica en el circuito, esta estimación que es basado en la velocidad de propagación de la perturbación a través del bobina él y el circuito con que se diseña para ser usado. Por vía de la ilustración, si la proporción en que los flujos actuales a través del circuito que contiene el bobina están 185,000 millas por segundo, entonces una frecuencia de 925 Hz mantendría 925 nodos estacionarios en un circuito 185,000 millas largo y cada ola sería 200 millas en la longitud.

Para semejante frecuencia baja a que sólo se acudiría cuando es indispensable para el funcionamiento de motores ordinarios, yo usaría una herida tortuosa secundaria de un alambre 50 millas en la longitud. Ajustando la longitud de alambre en el bobinado secundario, se hacen los puntos de voltaje más alto coincidir con los términos elevados D y D', y debe entenderse que lo que longitud del alambre es escogida, este requisito de longitud debe cumplirse con para conseguir los posibles resultados más buenos.

Se entenderá prontamente que cuando estas relaciones existen, las condiciones más buenas para la resonancia entre el transmitir y se logran los circuitos receptores y debiendo al hecho que los puntos de voltaje más alto en los bobinas A y A' son coincidentes con los términos elevados, el flujo actual máximo tendrá lugar en los dos bobinas y esto implica que el capacitancia e inductancia en cada uno de los circuitos tienen los valores que producen el sincronismo más perfecto con las oscilaciones.

Cuando la fuente de G actual está en el funcionamiento y produce pulsando rápidamente o corrientes oscilantes en el circuito de bobina C, correspondiendo corrientes inducido de muy voltaje más alto se generan en el bobina secundario A, y desde el voltaje en ese bobina gradualmente aumenta con el número de giros hacia el centro, y el voltaje diferencia entre los giros adyacentes es comparativamente pequeño, un voltaje muy alto se genera, qué no sería posible con los bobinas ordinarios.

Cuando el objetivo principal es producir una corriente con el voltaje excesivamente alto, este objetivo se facilita usando una corriente en el bobinado primario que tiene una frecuencia muy considerable, pero esa frecuencia está en una medida grande, arbitrario, porque si el voltaje es suficientemente alto y los términos de los bobinas se persistan en la altura apropiada dónde la atmósfera se rarifica, el estrato de aire servirá entonces como un medio dirigiendo con incluso menos resistencia a través de un conductor ordinario.

Acerca de la elevación de términos D y D', es obvio que ésta es una cuestión que se determinará por varios cosas, como la cantidad y la calidad del trabajo ser realizado, la condición de la atmósfera y el carácter del campo circundante. Así, si hay montañas altas en la vecindad, entonces los términos deben estar en una altura mayor, y generalmente, ellos deben estar en una altitud muy mayor que el de los objetos más altos cerca de ellos. Subsecuentemente, por los medios descritos, prácticamente cualquier voltaje que se desea puede ser producido, las corrientes a través de los estratos aéreos pueden ser muy pequeñas, mientras reduciendo la pérdida así en el aire.

El aparato en la estación receptor responde a las corrientes propagadas por el transmisor de una manera que se entenderá bien anteriormente de la descripción. El circuito primario del receptor - es decir, el bobina del alambre delgado A' - está entusiasmado por las corrientes propagadas por la conducción a través del medio natural intermedio entre él y el transmisor, y estas corrientes inducen en el bobina secundario C', otras corrientes que se usan para operar los dispositivos conectaron a ese circuito.

Obviamente, los bobinas receptores, transformadores, u otro aparato pueden ser móviles - en cuanto al caso, cuando ellos se llevan por un vaso que flota en el aire o por una nave al mar. En el caso anterior, la conexión de un término del aparato receptor al molido no podría ser permanente, pero podría ser intermitentemente o inductivamente establecido.

Debe notarse que la sugerencia de Tesla de usar el sobre conductivo de un globo especialmente construido como un método bueno de aumentar el área activa del plato receptor elevado, es uno que se subió por Hermann Plauson cuando él estaba construyendo que el poder estaciona operando en la energía naturalmente ocurriendo.


Una Versión Práctica de la Antena de Plato de Tesla
Esta clase de la información puede parecer confusa y tal vez un poco demasiado técnica para usted, tan déjeme decirle sobre las aplicaciones prácticas y útiles usadas por un revelador danés. Al principio, él estableció un sistema para cobrar su batería telefónica móvil durante la noche de una antena. Entonces él continuó a producir un Sistema Tesla auténtico como descrito en el principio de este capítulo. Haga, vaya al principio con la versión muy simple y progreso de esto a los arreglos más poderosos.

El recorrido inicial usa un hilo del alambre sólido que se eleva verticalmente a un tambor de diámetro de 700 mm donde hay aproximadamente veinte vueltas. El arreglo parece a este:


El alambre aéreo es varios metros de largo, y en el prototipo, fue apoyado por (y aislado de) el alero de una casa. La antena debería ser vertical o cerca vertical y una unión de la tierra apropiada proporcionada conduciendo una vara metálica en la tierra o uniendo un alambre a un plato metálico y sepultando el plato en la tierra cuando una unión eléctrica buena es necesaria aquí. La unión de la tierra usada aquí es un tubo de 3 metros de largo de cobre de 12 mm, conducido en la tierra y la tierra alrededor de ello saturado con agua:


El alambre solía unirse con la vara earthing es muy importante y no debería ser menos de 8 alambre de cobre swg, es decir diámetro de 4 mm y 13 mm2. área enfadada seccional. Como con todos los dispositivos de energía libre, los detalles constructivos exactos son vitales.

Los diodos usados son germanium 1N34 o 1N34a cuando germanium diodos se caen mucho menos voltaje que hacen diodos de silicio y el 1N34 los tipos son diodos de pérdida baja, en particular satisfechos a esta aplicación. Los 200 nF condensadores son tipos de disco de cerámica y el prototipo construyen parece a este:



Ahora, considere este recorrido como descrito, ser un componente básico modular que puede conducir al poder ilimitado de una antena. Representaré el recorrido mostrado encima como un rectángulo, mostrando al susodicho recorrido como:


Mientras es posible usar más de un módulo con la antena para conseguir más poder, el revelador danés entonces cambiado al arreglo Tesla auténtico atando 800 x 600 x 2 mm plato de aluminio dentro de la azotea inclinada de su casa:


El plato es suspendido usando la cuerda de nilón para impedirlo tocar la azotea o algo más:


El plato está entre 3 y 3.5 metros (10 a 12 pies) encima de la tierra y el alambre que va al plato es también 8 swg cable resistente:


El cable está relacionado con el plato de aluminio usando un cerrojo de cobre y loco que el constructor piensa puede ser significativo, completamente aparte de la evitación de cualquier unión galvanitic al recorrido. El cable es dirigido entonces verticalmente hacia abajo al recorrido. Para este arreglo un segundo earthing punto también es usado. Este es un tubo de 3 metros de largo de hierro galvanizado, conducido verticalmente en la tierra que es saturada con el echar agua. La segunda tierra es 2 metros de distancia de la primera tierra.

Este arreglo proporciona el poder serio, bastante causar la herida a, o matar a un humano descuidado. Con dos módulos, esto encenderá un CONDUCIDO muy alegremente, conduciéndolo a 2.6 voltios. Si el CONDUCIDO es quitado, entonces las subidas de voltaje a aproximadamente veinte voltios y son fácilmente suficientes para culpar un 12V batería o banco de batería aunque esto lleve tiempo. Con veinte módulos un 12V la batería puede ser cobrada a lo largo de la noche. Se estima que con doscientos módulos, el poder sería suficiente para impulsar una unidad familiar aunque esto haya sido todavía hecho. Esto debería cobrar importancia que cada módulo es fácil y barato para hacer, así haciendo los arreglos para una pila de ellos donde los módulos adicionales pueden ser añadidos más tarde para más poder, es un arreglo ideal. El recorrido parece a este:


Este recorrido parece completamente loco cuando la entrada aérea al recorrido parece ser directamente puesta en cortocircuito por la segunda unión de la tierra. A pesar de este, el recorrido trabaja muy bien cuando relacionado Está aquí. Los módulos adicionales pueden ser añadidos sin cualquier límite conocido. El poder aumentado puede ser tenido por el levantamiento del plato de aluminio más alto encima de la tierra, decir, 10 metros (33 pies), o añadiendo uno o varios platos aéreos adicionales. Cuando usted hace unir una antena buena por a una tierra muy buena, tiene que haber posibilidad del equipo golpeado por el relámpago, y entonces es recomendado que un hueco de chispa protector es instalado entre la antena y la tierra, cerca del recorrido, de modo que si la alta tensión es de repente aplicada a la antena, el hueco de chispa encienda y desviará el poder de exceso por a la tierra. O bien, posiblemente una mejor solución es instalar un sistema de pararrayos estándar unos metros lejos de la antena y un metro o dos más alto, de modo que esto forme un punto más atractivo para una huelga de relámpago.

La experimentación adicional ha mostrado que el cambio del punto de unión para la antena tiene un efecto significativo en los resultados. Si la unión es hecha en el mediados del punto entre el plato aéreo y la unión de la tierra, esto produce una mayor salida:


Con este arreglo un único módulo produce alrededor de 30 voltios, mientras que el original método de conexión a la tierra estaba dando unos 26 voltios con dos módulos. JES Ascanius ha llevado a cabo más experimentación y afirma que los diodos con tiempos menores de 30 milisegundos de respuesta producen un mayor rendimiento y recomienda el uso de diodos BYV27 que cuentan con una clasificación de 25nS 200 voltios como lo sacó tres veces la salida de ellos. También recomienda utilizarlas en circuitos Joule Thief.

Dragan Kljajic ha estado experimentando con este recorrido y ha comenzado construyendo muchos de estos módulos en una tarjeta de circuitos impresa como este:



Usando dos de estos bordos, Dragan tira 96 vatios continuamente de su plato aéreo. Él tiene la intención de ampliar este arreglo mucho adelante, pero está siendo dificultado actualmente por una guerra civil local.

Hay un foro donde algunos constructores de este sistema comparten comentarios. Un comentario es que hay un riesgo aumentado de una huelga de relámpago donde usted tiene una antena earthed, y entonces es aconsejable no colocar el plato aéreo dentro de una casa, pero quizás suspendido entre dos árboles. También, la utilización de una bujía de coche relacionada a través del juego de módulo puede proteger contra huelgas de relámpago que dañan la circuitería.

A consecuencia de preguntas, Jes acentúa los puntos siguientes:

1. El plato aéreo debe ser alto de la tierra.
2. El plato aéreo debe ser pulido y aislado.
3. El alambre debe ser el hilo solo alambre sólido.
4. No debe haber ninguna parte del alambre encima del recorrido, que no es aislado.

Él adelante comenta: usted puede usar el papel de aluminio y el plástico de envolver para hacer a mucho coleccionista platea 0.4 m x 5 m y unirlos cerca juntos para alimentar el alambre aéreo. No recuerde, ningún alambre no aislado en ninguna parte. Deberían preguntar a cualquier pregunta en el foro mostrado encima.


Una modificación de este circuito de Jes Ascanius por un desarrollador que prefiere permanecer en el anonimato, se duplica la salida de cada módulo añadiendo una imagen especular del circuito como este:


Como se puede ver, la adición es de cuatro diodos y dos condensadores.



El Sistema Antena de Thomas Henry Moray
En este campo, Thomas Henry Moray e s excelente. Por 1936 él había desarrollado un pedazo de aparato que era capaz de publicar el poder alto en absoluto sin el poder de la entrada humano generado.


Se dice que el equipo de Moray ha contenido un diodo del germanio que él se construyó por los días antes de los dispositivos transistorizados se puso prontamente disponible. El equipo fue examinado y se probó muchas veces. En las docenas de ocasiones, él demostró el equipo que maneja un banco de veinte 150W bombillas, más un 600W calentador, má s un 575W hierro (un total de 4.175 Kw). El poder recogió por este dispositivo necesitado que sólo diámetro pequeño alambra y tenía las características diferentes de electricidad convencional. Una demostración que se repitió muchas veces era mostrar que el circuito de poder de rendimiento pudiera romperse y una hoja de vidrio ordinario puso entre los extremos desunidos del alambre, sin romper el suministro. Este tipo de poder se llama “electricidad Fría” porque el transporte de los alambres delgado las cargas de poder mayores, no acalore. Se dice que esta forma de energía fluye en olas que rodean los alambres de un circuito y no realmente el comedero los alambres en absoluto. Electricidad convencional diferente, no usa los electrones para la transmisión y eso es por qué puede continuar a través de una hoja de vidrio que detendría el muerto de electricidad convencional en sus huellas.

En una ocasión, Moray tomó su equipo fuera de las áreas todo urbano a un lugar escogido al azar por un crítico. Él preparó el equipo entonces y demostró el rendimiento de poder, bien fuera de cualquier hombre generó la inducción eléctrica. Él desconectó la antena y mostró que el rendimiento de poder detuvo inmediatamente. Él conectó la antena de nuevo para generar el rendimi ento como antes. Él desconectó la conexión de tierra que detuvo el rendimiento de nuevo entonces. Cuando el alambre de tierra fue conectadode nuevo, el poder del rendimiento volvió. Él encontró que el nivel de rendimiento de poder se cayó algo por la noche. Se relató que la antena usada en sus demostraciones parecía a este:




Él desarrolló varias versiones del dispositivo, el último de que no necesitó la antena o conexiones de tierra, pesó 50 libras y tenía un rendimiento de 50 kilovatios. Este dispositivo se probó en un avión y " un submarino, mientras mostrando el disp ositivo así para ser totalmente autónomo y portátil. También se probó en situaciones que se escudaron totalmente de la radiación electromagnética.

Con sus dispositivos posteriores, Moray sale de la zona de las antenas y se mueve en la misma categoría que Barbosa y Leal, esos dos hombres brasileños extracción de 192 kilovatios de potencia directamente desde el suelo. Si se lee el libro de Moray "El Mar de Energía en la que Flota la Tierra"(El Mar de Energía en la que Flota la Tierra) usted descubrirá que Moray mueve más allá del pensamiento científico de su época, indicando que la Tierra está siendo bombardeado con partículas de energía cósmica, que hacen que los átomos cambian de materia en energía, entran en el éter y no vuelven a la materia de nuevo. Este proceso se rige por la frecuencia. Moray desarrollado diodos de energía que actúan como diodos eléctricos en el flujo de energía del éter. Se utiliza una cadena de estos "tubos''. Cada tubo se sintoniza a uno de los armónicos de la frecuencia de oscilación del éter. Cada tubo produce ondas de frecuencia inferior y el siguiente tubo está sintonizado a esas ondas y es accionado por un armónico de resonancia de las oscilaciones del éter, produciendo así un dispositivo sin necesidad de cualquier entrada de energía del usuario. Además, la antena se reemplazó por una placa de cobre pequeña, interna. Así que en el modo aérea verdadera - cuatro kilovatios. En la tierra de sólo el modo - 50 kilovatios. Las ideas de morenas son compatibles con el trabajo y los libros de Gustav Le Bon (The Evolution of Matter y The Evolution of Forces).

Moray fue disparado y heridos en un esfuerzo del asesinato en su laboratorio. Esto lo causó cambiar el vidr io en su automóvil bala-corregir vidrio. Él se amenazó muchas veces. Su equipo de la demostración estaba borracho con un martillo. Cuando las amenazas eran hecho contra su familia, él detuvo la reconstrucción su equipo y aparecía se haber vuelto sus atenci ones a otras cosas, mientras produciendo un dispositivo para ‘' terapéutico el tratamiento médico.


El tubo mostrado sobre tiene que un condensador de la seis-capa formado de dos metal redondo U-formado cerca con el espacio entre ellos lleno con un material del dieléctrico. Los platos se muestran en rojo y azula, mientras el dieléctrica se muestra en el verde. Dentro del condensador, hay un anillo sepa rado de material del dieléctrico (posiblemente hecho de un material diferente) y un anillo interior de metal arrugado para formar un electrodo de cepillo-descarga de ion. Se toman el condensador y conexiones del electrodo a los alfileres en la base del tubo.

Cuarzo se sugiere para el material del techado exterior del tubo y el elemento del alambre numeró 79 en se dice que el diagrama es un elemento calorífico pensado ser impulsado por un bajo-voltaje la fuente actual. Sin embargo, cuando Moray tenía una a plicación patente más temprana se negada a en las tierras que no habían ningún elemento calorífico en sus tubos, es distintamente posible que el elemento calorífico mostrado aquí sea solamente espurio, y arrastrado evitar el rechazo por los examinadores. E n su patente, Moray se refiere al condensador en este tubo como un “chispeando” el condensador, para que él puede haber estado manejándolo con voltajes excesivamente altos que causaron avería repetida del material del condensador.


El tubo de Fig.16 sobre los usos una técnica diferente dónde un tubo de la Radiografía se usa para bombardearun electrodo arrugado a través de una pantalla que contiene una ventana de la Radiografía. Se piensa que queun estallido breve de Rayos X fue usado para activar esta llidos muy cortos, afilados de iones entre el ánodo y cátodo del tubo y éstos recojan la energía extra con cada estallido.

Una versión alternativa de este tubo se muestra en Fig.18 debajo. Aquí la construcción está bastante similar pero en lugar de una ventana de la Radiografía, se usan una lente y reflector para causar la ionización del cauce cambiando entre el ánodo y cátodo. En ambos tubos, el electrodo arrugado apoya un aumento de la corona simplemente anterior a la Radiografía corta que cambia el puls o, y se piensa que los iones contribuyen a la intensidad de los pulsos resultantes que surgen del tubo. Los pulsos unidireccionales muy cortos son capaces de causar condiciones bajo que la energía adicional puede recogerse. ¿De dónde esta energía extra viene? En 1873, James Empleado Maxwell publicó su “el Tratado en Electricidad y Magnetismo” y en él señaló que el vacío contiene una cantidad considerable de energía (el Vol. 2, p.472 y 473). El John Archibald Wheeler de Universidad de Princeton, un físic o principal que trabajó en el proyecto de la bomba atómico americano, ha calculado la densidad de flujo del vacío. Aplicando la fórmula de E = mC2 de Einstein indica que hay bastante energía en cada 1 c.c.p. de “vacío” el espacio, crear toda la materia en el universo visible que puede verse con nuestros telescopios más poderosos. Esa cantidad de energía es tan grande acerca de sea el más allá imaginando. Este campo de energía es llamado “la Energía Universal”, “la Energía Cósmica” o “Cera Energía del Punto”. En este momento, nosotros no tenemos cualquier instrumento que responde directamente a esta energía y para qué es casi imposible medir. Se ha especulado por los físicos quantum modernos que el “la energía del vacío” podría ser tan alto como 10108 julios por el centímetro cúbico.

La existencia de este campo de energía es aceptada ahora ampliamente por la ciencia de la corriente principal y se confirma por la situación encontrada al quantum los niveles. Generalmente se piensa que esta energía es caótica en la forma y para la energía útil a por arrastrado de él, necesita ser reestructurado en una forma coherente. Aparece ese pulso electromagnético unidireccional de un milisegundo o menos, puede usarse para causar la restructuración necesaria cuando ellos g eneran una ola coherente exterior de energía radiante de que puede extraerse la energía por el uso en la mayoría de los dispositivos eléctricos, si un sistema del receptor conveniente se usa. Tom los estados de Bearden eso al nivel quantum, la energía hirviendo de este campo aparece continuamente como el positivo y los cargos negativos. Como éstos es uniformemente distribuido, el cargo neto a cualquier punto siempre es el cero. Si un “el dipolo” (dos cargos opuestos cerca de nosotros) se crea en cualquier p arte, entonces polariza el campo de energía rompiendo la distribución previamente igual de cargos y causando arroyos macizos de energía para radiar los exteriores del dipolo.

Un actos de pulso de voltaje como un dipolo, con tal de que el levantamiento de voltaje es el ayuno bastante, y ése es qué causas una ola de energía radiante que abanica fuera de la situación del pulso de voltaje. Las baterías e imanes crean el dipolos continuo y así causan el campo de energía quantum local para mandar arroyos continuos de poder macizo que puede utilizarse si (y sólo si) usted sabe hacerlo. La búsqueda para los mecanismos para capturar y usar un fragmento diminuto de éstos incluso los arroyos de energía es eso que el “la libre-energía” el campo de investigación es por todas partes. Algunas personas dicen que no hay ninguna tal cosa como “la libre-energía” porque usted tiene que pagar por el dispositivo que lo captura. Eso está como hacer un viaje del autobús a un distribuidor del automóvil dónde ellos están regalando a los nuevos automóviles, y diciendo que su nuevo automóvil no era un “libre” el automóvil porque usted tenía que pagar un pasaje para alcanzar el distribuidor del automóvil. Investigadores y experimentadores como Bob Boyce, Dan Davidson, Peter Lindermann, Joe Newman y otros han escogido usar las frases gusta “los Extractores de Energía Ambientes” para quitar el concepto fiscalmente de la idea de “libre” los dispositivos de energía pero ésta simplemente es la semántica. Este concepto erróneo de “libre” no ocurr a en los idiomas basado latinos.


El Rey de Moray sugiere que el circuito usó por Thomas Henry Moray era como sigue:


Puede haber pequeño que duda que Thomas Henry Moray construyera varias versiones de su aparato cada uno de los cuales produjo bie n más del poder del rendimiento cualquier poder de la entrada necesitadas. Muy probablemente parece que la mayoría de ellos no usó el poder de la entrada en absoluto, y si había cualquier otro, ellos se habrán impulsado por un fragmento diminuto del pode r del rendimiento. Si el material radiactivo apacible se usara como descrito, entonces el poder del rendimiento pudo de ninguna manera se atribuya a esa fuente solo, desde que el poder del rendimiento era miles de tiempo mayor que cualquier poder disponible de los materiales radiactivos.

Es quizás tiempo para explicar un poco más sobre, el voltaje, poder y corriente. Nosotros nos hemos levantado con la noción que es necesario a “la quemadura” un combustible para conseguir el poder que las baterías “corra abajo” cuando usó y que usted tiene que seguir volviéndose el árbol de un generador eléctrico para poder deducir la corriente de él. Estas cosas no son realmente verdad. El relativamente reciente campo de muestras de las Mecánicas Quantum que si un cargo, como un electrón tiene, se posiciona en lo que se supone que es “vacío” el espacio, no está solo. El “vacío” el espacio realmente está hirviendo con la energía, a la magnitud que “virtual” las partículas están haciendo estallar en la existencia para un fragmento de un segundo y desapareciendo de nuevo entonces. Ellos se llaman “virtual” porque ellos existen durante semejante tiempo corto.

Debido al cargo negativo del electrón, las partículas apareciendo y desapareciendo alrededor de él legan todos esté positivo al cargo. El electrón tiene “polarizó” el espacio alrededor de sí mismo porque tiene un cargo. El momento que un positivo “virtual” la partícula aparece, hay dos cargos cerca de nosotros - menos en el electrón y ventaja en la partícula. Cuando usted tiene dos cargos opuestos cerca de nosotros, ellos forman un “el dipolo.” Dipolos forman una entrada a través de que la energía del ambiente fluye continuamente. Un momento después, la partícula desaparece, pero se tiene lugar inmediatamente por otra partícula virtual. El resultado es un arroyo continuo de energía que fluye fuera del dipolo.

Las baterías con sus términos positivos y negativos son los dipolos eléctricos, tan también es los generadores cuando el árbol de la entrada está hilado. Los imanes permanentes con sus polos Nortes y Sur son los dipolos magnéticos. Los dos de éstos tienen arroyos continuos de energía que fluye a través de ellos. ¿Así, por qué entonces las baterías corren abajo y pierden su cargo? La razón es que nosotros impulsamos circuitos que usan una vuelta cerrada. La energía que fluye fuera de unos flujos terminales en el término opuesto y al instante destruye el dipolo. Un nuevo dipolo tiene que ser creado cada segundo hendido si el circuito es entregar el poder, y es ese método a utodestructivo de uso que causa la batería para descargar o qué necesidades el árbol del generador a ser rodado continuamente.

Si una técnica operando diferente se usa, dónde el dipolo no se destruye continuamente, entonces pueden construirse dispositivos que pueden proporcionar un arroyo continuo de energía deducidos de nuestro ambiente natural. Esto no es mágico, sólo el próximo paso en la ciencia convencional y diseñando. Thomas Henry Moray lo manejó, inicialmente con una antena y a la tierra le gusta un juego de cristal para proporcionar el dipolo, su dispositivo pudo deducir muchos kilovatios de poder del ambiente. Ningún combustible fue necesitado, la energía es rodeándonos allí ya todos, todo el tiempo. Hasta donde yo soy consciente, nadie ha maneja do reproducir el dispositivo de Moray (qué era la razón para él suprimiéndose violentamente) pero sabiendo que existió y fue demostrado para trabajar absolutamente bien repetidamente, es útil en eso que muestra que es posible taladrar el campo de energía d e cero-punto macizo con un dispositivo práctico, casa-construido.

Aquí es una colección de artículos adicionales de información recogidos de varias fuentes diferentes:

Moray empezó sus experimentos con ' la toma de electricidad del terra', cuando él lo describió, durante el verano de 1909. Por otoño 1910 él tenía el poder suficiente para operar un dispositivo eléctrico pequeño, y demostró su idea a dos amigos. Las fases tempranas de esta demostración consistieron en operar una luz del arco miniatura. Se puso claro pronto a él que la energía no era estática y que la estática del universo sería de ninguna ayuda a él obteniendo el poder para que él estuviera investigando.

Durante las Fiestas de Navidad de 1911, él empezó a comprender totalmente, que la energía con que él estaba trabajando, era de una naturaleza oscilante. Él también comprendió que la energía no estaba saliendo de la tierra, pero en cambio, estaba viniendo a la tierra de alguna fuente externa. Estas oscilaciones eléctricas en la forma de olas no eran las oscilaciones simples, pero estaba surgiendo como las olas del mar, viniendo continuamente a la tierra pero más por el día que por la noche, pero siempre llegando como las vibraciones del depósito de energía colosal fuera allí al espacio. Por este tiempo Moray pudo recoger bastante poder para encender una 16-poder de leva lámpara del carbono a sobre un la mitad de él es la capacidad, pero él no manejó ganar cualquier mejora extensa hasta la primavera de 1925.

En 1912 Moray fue llamado para seguir una misión para la Iglesia de Jesús Cristo de Santos del Último-día, y bajo la visa de un visitante entrar en Suecia durante la Exhibición de 1912 en Stockholm se permitió. En su cuaderno, datado el 1 de noviembre de 1913, él incluyó una nota que dice que él había obtenido el material de un automóvil ferrocarril a Abiseo, Suecia el verano anterior, también un poco más material del lado de una colina. Él hizo pruebas eléctricas de estos materiales, mientras tomándolos casa para probar cada uno como un descubridor para su máquina de energía. Las pruebas indicaron que este suave, blanco piedra-como la substancia podría hacer un bueno "válvula-como el descubridor." Esto "válvula-como el descubridor" es lo que llevó el ele para investigar en los materiales semi-conductivos, y de esta piedra blanca suave él desarrolló su primera válvula y la válvula que se usaron en algunos de sus dispositivos de Energía Radiantes tempranos (el alambre color de plata referente a una piedra puede actuar como un rectificador).

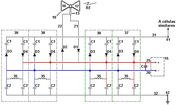
Moray demostró esa energía estaba disponible por sus acciones en una carga del resistivo, como un llano-hierro o un calentador espacial, y encendiendo las bombillas. Un dispositivo del resistivo actúa como una carga que es directamente proporcional a la cantidad de energía entregada a él. Calentando un calentador, o encendiendo una bombilla, el número de vatios producido puede calcularse como el igual al número de vatios proporcionado al dispositivo. Esta energía se alimenta en una carga para dar cualquier calor, luz, o poder. Un motor puede operarse pero debe diseñarse para correr en un suministro de poder de frecuencia alto. El dispositivo de Energía Radiante usó una antena y una tierra conectó a su estado sólido el circuito de Energía Radiante:


El diagrama mostrado sobre se reproduce de un boceto áspero deducido de la memoria después de ver el circuito de Moray hacer el diagrama de. La persona que lo dibujó no entiende cómo el circuito trabaja, tan por favor el obsequio a este diagrama como ser simplemente una sugerencia global acerca de lo que el circuito de Moray podría haber sido le gusta. Realmente es muy más probablemente eso es era una cascada de pares de circuitos del tanque que contienen la válvula de Moray, cada par que es un circuito de tanque de serie seguido por un circuito del tanque paralelo, la frecuencia oscilante que deja caer con cada par del tanque y el rendimiento impulsa subiendo con cada par del tanque. El circuito de Moray que osciló acariciando el bobina U-formado con un imán permanente para unos segundo se empezó, y cuando el circuito empezó operando, entonces el interruptor 'S' estaba cerrado, mientras quitando el bobina U-formado eficazmente del circuito.

Moray pudo demostrar que ninguno de la energía del rendimiento vino su dispositivo desde dentro. Internamente el dispositivo era eléctricamente el muerto cuando no había sido conectado y se había puesto a punto a la antena. Cuando su dispositivo era fijo a, él podría conectarlo a una antena y podría conectar con tierra, e imprimándolo poniéndolo a punto primero y entonces cuando él lo imprimó, el dispositivo atraería la energía eléctrica. Esta frecuencia alta la energía eléctrica produjo a a 250,000 voltios e impulsó una luz más luminosa que da testimonio de había visto alguna vez antes. Podrían conectarse las cargas pesadas al dispositivo sin ya oscurecer las luces conectadas a él. Este dispositivo trabajó muchas millas de cualquier fuente conocida de energía eléctrica como la transmisión de poder linea o signos de la radio. El dispositivo produjo a a 50,000 vatios de poder y trabajó para los periodo largos de tiempo.

Moray asumió inicialmente que que esta energía era sin embargo electromagnética en la naturaleza, él nunca exigió que era. Él asumió al principio que esta energía vino de la tierra pero después él creyó que estaba fluyendo en del universo. Finalmente él empezó a creer que estaba presente a lo largo de todo el espacio, los intermolecular espacian así como el espacio terrestre y celestial. Él necesariamente no entendió cómo sus descubridores operaron, sólo que si él construyera el dispositivo muy cuidadosamente según sus cálculos él trabajaría. Él pudo demostrar la existencia de una energía que hoy, aunque no se ha identificado o se ha demostrado, se ha teorizado por muchos investigadores.

El instrumento más grande era sobre 6 pulgadas alto, redondo en la forma y aproximadamente 8 pulgadas en el diámetro. Nosotros salimos en el tejado de la jaula del pollo que lleva el dispositivo en una tabla bosquejando pequeña, erigió una antena en el tejado de la jaula, la antena que es aproximadamente 100 pies de la casa. Nosotros tiramos los interruptores de la línea principales en la casa antes de salir en el tejado. Sr. Judd hizo a Moray mover la tabla bosquejando del lugar poner y él también examinó el dentro de la jaula para el equipo oculto. La máquina se congregó entonces en su presencia y el dispositivo fue empezado. Sr. Judd me cronometró ver que cuánto tiempo tomaría para traer consigue los operar ligeros. Yo pude encender la lámpara de CGE a su brillo lleno y calentar un viejo-estilo ponto de cuente el hierro llano eléctrico a chirriar punto que requirió 655 vatios. Sr. Judd pidió la antena a ser desconectada. Cuando esto fue hecho, la luz salió. La antena fue conectada de nuevo y la luz reapareció. Nosotros manejamos una nueva vara conectando con tierra a una mancha seleccionada por Sr. Judd, hecho una conexión al nuevo punto conectando con tierra y la luz quemó oscuro, pero vino más luminoso y más luminoso como la nueva vara conectando con tierra se manejó más profundamente y más profundamente en la tierra.

Si la tierra o la antena queda desconectado para demasiado largo un tiempo, el dispositivo se vuelve eléctricamente el muerto y debe ser los tunado otro vez para recobrar el flujo de energía. Dr Eyring no encontró ninguna falta con la demostración y el peor que él pudiera decir sobre él que era que podría ser la inducción, pero que si Moray sacaran el dispositivo en las montañas fuera de todas las líneas de poder, una distancia de tres o cuatro millas, y operó entonces, él reconocería entonces que no pudiera ser ninguna inducción y que su teoría estaba equivocada.

Por fin ellos decidieron subir el Cañón de la Emigración, como allí es ningún poder línea en ese cañón. Todos los tres señores eran muy bien satisfechos y contentos con lo que ellos vieron. El alambre de la antena se puso a sin cualquier ayuda o instrucciones cualquier cosa de Sr. Moray, sólo que él sugirió que el alambre se estire más firme para prevenir la tanta combadura al centro. Esto fue hecho y el alambre parecía aclarar la tierra por aproximadamente 7 o 8 pies a su punto más bajo entonces. La cañería molida era de medio-pulgada cañería de agua que consiste en dos secciones. La más bajo sección era al final puntiaguda hacer su impulso en la cama de la cala fácil. Era sobre 6 pies largo y después de manejarse abajo aproximadamente 5 pies la segunda sección que era sobre 4 pies largo se atornilló adelante con un tirón y la cañería manejada más allá abajo hasta que golpeara un objeto duro, tan aproximadamente 7 pies de cañería estaban en la tierra.

El alambre de la antena se aisló de los polos con dos aisladores de vidrio sobre 6 pulgadas largo y teniendo los agujeros en ambos extremos. Un pedazo de alambre sobre 2 pies largo conectó cada aislador con el polo. El llevar-en el alambre se ató aproximadamente al alambre de la antena a un punto 10 o 15 pies del polo oriental. Yo ayudé a Sr. Moray a soldar la conexión. Yo el paced la distancia entre la dos antena impele con pértiga y lo estimó para ser 87 pies. Los equipos de Sr. Moray, aparte de la antena y alambres de tierra, consistieron en una caja castaña sobre el tamaño de una caja de manteca, otro que los no tinto ligeramente más pequeños embalan, una caja de tabla de fibra aproximadamente 6" x 4" x 4", qué Sr. Moray llamado contener los tubos, y un rodapié de metal aproximadamente 14" x 4" x 1" que contienen lo que parecía ser un imán a un extremo, un interruptor cerca del medio y un receptáculo para una bombilla eléctrica al otro extremo. Había también varios postes para los alambres que une en el rodapié.

Cuando todos los alambres fueron conectados y todo estaba listo, Sr. Moray empezó poniendo a punto en. Antes de poner a punto, él puso la llave en el poste: él dijo que estaría en el contacto mientras la luz quemado, pero ninguna luz aparecía. La afinación consistió en acariciar el extremo de un imán por dos proyecciones de metal que se destacan de lo que yo me referí a sobre como ser ' un magnético'. Después de poner a punto ligeramente para más de 10 minutos la llave póngase en el poste operando y la luz aparecía inmediatamente. Sr. Moray puso la llave en el poste operando dos o tres veces antes durante el funcionamiento de afinación pero ninguna luz aparecía. Nosotros permitimos la luz para quemar durante 15 minutos. En mi opinión, el brillo del venir ligero del 100-vatio la bombilla, era aproximadamente 75% tan luminoso como un 100-vatio bombilla conectada a un enchufe de la casa ordinario. Era una luz firme, sin las fluctuaciones de cualquier amable.

Mientras la luz era que Sr. Moray ardiente desconectó la antena llevar-en el alambre del aparato y la luz salió. Él lo conectó de nuevo y la luz aparecía. Él también desconectó el alambre molido y la luz salió. Él conectó lo y la luz aparecidas de nuevo entonces.

En otra demostración, Sr. Moray abrió el dispositivo y permitió a todos ver todo excepto una parte pequeña que él puso su mano encima de y escondió en su puño. Esta parte él cortó y puso en su bolsillo del chaleco. Todo lo demás, se permitieron a las personas examinar al volumen de sus corazones. "Si esa parte puede hacer tal poder él, entonces es algún dispositivo y venta de valor. Semejante batería valdría la pena", era algunos de los comentarios hechos.

En varios ocasiona Dr Moray desconectarían el alambre de la antena momentáneamente, pero no mucho tiempo bastante para perder la luz. Desconectando y conectando el alambre de la antena una llamarada de electricidad siempre podría verse al

En una demostración en 1928, la antena usada estaba sobre 200 pies largo y posicionó aproximadamente 80 pies sobre la tierra: el alambre es aproximadamente un cable cobrizo un cuarto de una pulgada en el diámetro, y bien aisló. La conexión de tierra usada era la cañería de agua en el sótano de la casa de Dr Moray. El dispositivo se congregó en un tronco a través de los lados de que era los agujeros para las conexiones a conecte con tierra y a la antena y para la observación; los agujeros estaban sobre la media pulgada en el diámetro. Había dos cajas aproximadamente 10 por 20 por 4 pulgadas, uno encima del otro; los dos estaban cerrados y las tapas ataron con los tornillos. En la caja superior un tablero aislante estaba quedando sobre una pulgada espeso por 15 pulgadas largo y 3 pulgadas ancho; era hecho de pizarra o el caucho duro o algún material de apariencia similar. En esto dos postes de encuadernación que podrían conectarse juntos por un interruptor pequeño estaban; también montó en este tablero era aproximadamente un objeto 2.5 pulgadas cuadrado, envolvió en la cinta de fricción de que se destaca dos polos sobre la 1/4-pulgada en el diámetro al parecer de cierna hierro. Se conectaron dos enchufes de la bombilla en el circuito. En uno de éstos había un 20-vatio la bombilla, y en el otro una 100 vatio bombilla.

Dr Moray tomó un imán que era un limbed muy ancho, corto U y empezó a acariciar un polo de él en los polos en el cuerpo grabado entonces. Sr. Jensen puso sus dedos en los postes obligatorios varios tiempos, y por fin recibió un susto bastante vigoroso. Sr. Moray tiró el interruptor entonces y las bombillas se iluminaron. Como una prueba extensa que la conversión de la energía era debida al mecanismo en la caja, Dr Moray pegó la mesa en que el tronco estaba estando de pie, un soplo moderado con un martillo después de lo cual la luz fluctuó y se fue, debido al descubridor a agitándose fuera de ajuste. Las cajas en que el mecanismo se había alojado durante la prueba, se abrió y los volúmenes examinaron. Había condensadores, el descubridor, un transformador, y dos tubos en ellos pero nada más. Nada que en lo más mínimo se pareció una batería.

Será notado que después de una carrera total de 158 horas el dispositivo proporcionó 635 vatios; ya que un caballo de fuerza es pero 746 vatios esto iguala 0.878 de un caballo de fuerza o ligeramente más de 7/8 caballo de fuerza. Esto solo es suficiente disponer de cualquier sugerencia de una batería.

Un informe de 1929 dice: está ahora más de 2 años desde que yo me enteré primero con Dr. T. H. Moray y el trabajo en que él está llevando, y por ese tiempo él ha demostrado habilidad inventiva de un orden excepcional. Quizás el más maravilloso de sus invenciones es con que un dispositivo que él puede deducir el poder eléctrico de una antena. Esta energía no se deriva por la inducción de las líneas de poder, como se ha sugerido por algunos, ni se deriva de las estaciones de la radio, como se ha demostrado tomando el aparato más de 26 millas de la línea de poder más cercana y encima de cien millas de la estación de la radio más cercana y mostrando que opera así como bien como en cualquier otra parte.

Este dispositivo se sujetó a una prueba de paciencia en que se operó continuamente durante una semana, y al final de ese tiempo un 100-vatio que la lámpara se encendió simultáneamente con la calefacción de un 575 vatio ponto de cuento normales el hierro llano, mientras haciendo un total de 675 vatios; es muy evidente que ninguna batería pudiera sostener semejante desagüe como esto.

Él también ha inventado con que un descubridor legítimo muy sensible que es posible oír las conversaciones llevado adelante en un tomo ordinario de voz a una distancia de varios bloques. Él también ha hecho ejercicio numeroso gancho-altos de la radio que elimina muchas de las partes ahora considerado necesario para la recepción buena, no hay disminución todavía en calidad o volumen; hay una eliminación notable de interferencia de hecho, de la estática cuando algunos de éstos se usan. Él ha inventado un medios por que él puede medir con algún grado de exactitud la energía evolucionados durante la actividad mental; es decir, él consigue desviaciones definidas, inconstantes de la aguja de un galvanómetro sensible que aparecía ser relacionados al vigor de actividad mental. Hay un grande muchas otras cosas igualmente notables que él ha hecho, como reducir el caucho viejo de los neumáticos del camión al estado de un fluido viscoso como que es prontamente el habilidad de vulcanismo sin la suma de hoja de humo es necesario con otros procesos; también una frecuencia alta el dispositivo terapéutico, y numerosos otros dispositivos que muestran la gran ingeniosidad.

Las 6 lámparas son fijas a en paralelo y un alambre del diámetro pequeño se usa como la corriente entra en el prior del tubo a y conectando con el paso-baje el transformador, esto toma el voltaje muy alto al transformador. Este voltaje saltará por un hueco de la chispa de por lo menos seis pulgadas. La frecuencia operando es tan alta que yo no tengo ningún instrumento en mi laboratorio que puede medir el amperaje o el voltaje a esta frecuencia. (Firmó, Murray O. Hayes, PhD.).

El Dr Milton Mariscal estaba intentando identificar el material que Moray llamó su "Piedra sueca." Moray describió el descubridor de la radio que él había desarrollado. Él lo comparó a lo que normalmente estaba conocido como el cristal de un juego de cristal. Sin embargo, su descubridor era superior desde que pudiera manejar un altavoz sin el uso de una batería. Él usó el dispositivo fácilmente demostrado, el diodo del germanio que trabajó en el mismo principio para ilustrar cómo él pensó que el Descubridor de Energía Radiante trabajó (Moray construyó originalmente simplemente la radio con el propósito de mostrar cómo él pudo recoger los signos de la radio con un dispositivo transistor izado, mientras produciendo signos suficientemente fuertes que podrían manejar un altavoz que era algo no oído de por ese día. Su circuito no tenía las baterías, y era muy similar a la circuitería cristal-fija vieja.

El dispositivo se alojó en una caja de madera algo como 12" por 18", con una antena y una ida molida en él. Alambres que llevan fuera de la caja llevaron a un banco de algunas cuarenta 100-vatio bombillas y a un hierro eléctrico. Moray tocó un interruptor a la cima de la caja con una mano el plato electrostático y los globos a que todos encendieron brillantemente. Todos nosotros notamos que las bombillas quemaron el frío excepto cada uno tenía una mancha caliente ligeramente sobre el tamaño de un diez centavos en la cima fuera del centro. Yo también revoco que yo pudiera encender las luces y fuera de acercándose y retirándose a y del dispositivo, o con mi cuerpo entero o mi mano. Si mi memoria está clara, la máquina tuvo que ser puesta a punto con un dial a ser puesto en esta condición. (Chester M. Todd, 1971)

En 1938, después de examinar el transformador del dispositivo, Sr. E. G. Jensen declaró que él consideró que la cantidad de corriente que él había visto tomada del dispositivo era prueba positiva por que la corriente desarrolló o en la máquina era diferente a cualquiera en el uso en ese momento. Esto era porque el transformador habría quemado fuera si hubiera estado llevando la corriente normal, pero el transformador no mostró ninguna señal de iguale habiendo sido alguna vez caluroso. Él estaba informado por Dr Hayes que el transformador había estado en el uso bajo las mismas condiciones cargantes durante muchas demostraciones en el pasado.

El "Número 1" que el condensador consistió en dos hojas pequeñas de aluminio de aproximadamente 30 medida, separó por y haciendo el contacto con un pedazo de uno-cuarto la pulgada el vidrio del plato espeso. El vidrio del plato era más grande que el aluminio cubre y los solapó.

El "Número 2" el condensador era una unidad comercial fabricada por el Condensador de Igred & Mfg. La Cía. y tenía una capacidad de 0.025 mfd.

Ellos se usaron como mostrado aquí:


Con la 60 vatio lámpara y los dos condensadores ataron a la antena y la antena y tierra ataron a la caja que contiene el equipo de Energía Radiante como mostrada en el boceto, el 100-vatio la lámpara en el secundario o el lado del rendimiento fue encendido. Destornillando el 60-vatio la lámpara de su enchufe causaron el 100-vatio el amperio para salir, pero encendió inmediatamente cuando el 60-vatio que la lámpara se atornilló de nuevo en su enchufe. El 60-vatio que la lámpara no encendió. Poniendo en cortocircuito la antena y conectó con tierra poniendo un alambre por ellos, causó el 100-vatio la lámpara para salir. Los poniendo en cortocircuito similares con las manos también causaron el 100-vatio la lámpara para salir. Ninguna electricidad podría sentirse al poner en cortocircuito con las manos. Si o la tierra o los alambres de la antena estuvieran desconectados de la caja, el 100-vatio la lámpara saldría. Ninguno de los condensadores o el 60-vatio la lámpara en el lado primario de la caja sea necesaria pero simplemente fue puesta allí para mostrar que el poder de frecuencia alto saltará o los atravesará.

La aplicación de la patente de Moray en este dispositivo se archivó en 1931 y rechazó en varios tierras. Primeramente, "Porque ningún medios que causó el cátodo para emitir un número apreciable de electrones se mantuvo, la corriente producida en el cátodo por la antena no calentará el cátodo a una temperatura a que un número apreciable de electrones por segundo se emite". En otros términos, según Thomas E. Robinson, Comisionado de Patentes, un dispositivo estatal sólido, como un transistor, no enlata el posible trabajo. Segundamente, porque "Ninguna fuente natural de energía de la ola eléctrica se conoce al Examinador y prueba de la existencia de semejante fuente se requiere." En otros términos, no era bastante para Moray demostrar el efecto de la fuente de energía; él también tenía que identificarlo, qué él no pudiera hacer. Ninguno de las aplicaciones patentes originales que Henry hizo ya está disponible en la Oficina Patente americana. Aunque sus chaquetas del archivo están allí, los volúmenes y aplicaciones ellos se ha ido.

En 1942, Moray intentó reconstruir un dispositivo de Energía Radiante, mientras usando el pedazo restante de lo que estaba conocido como la "Piedra sueca." Este material que era el corazón de su descubridor de REF original que él nunca había manejado reproducir, y la escasez de este material limitó la cantidad de poder que él podría dibujar. Por consiguiente, en la unidad grande, él desarrolló un segundo descubridor que lo forzó en investigación extensa que involucra materiales nucleares y las reacciones radiactivas. Él se volvió profundamente involucrado en el estudio de radioactividad sintética como descrito por Gustave LeBon en su libro "La Evolución de Materia." Los años se resbalaron por y Moray gastó la mayoría de su tiempo que trabaja en lo que él llamó el "contrapeso" para eliminar la necesidad por una antena etérea.

Moray dijo:
Bastante energía está viniendo a la tierra para encender encima de 1,693,600 100-vatio lámparas para cada ser humano en la tierra hoy. Ningún combustible de cualquier necesidad amable se tome como esta energía puede ser directamente escoger-a por los transatlántico del océano, ferrocarriles, aviones, automóviles, o cualquier forma de transporte. Pueden hacerse calor, luz y poder disponible para el uso en todos los tipos de edificios y para todos los tipos de maquinaria. Un ejemplo sería bombear el agua hacia el desierto aterriza, la fuente de poder que es sólo un fragmento del peso de cualquier planta de vapor o cualquier amable de artefacto en el uso hoy y todos esto a un fragmento del costo actual.

La energía total involucró en "cósmico" las radiaciones son muy grandes. El mecanismo de su generación involucra una relación básica con la estructura total y acción del universo. Hoy se cree que la radiación cósmica consiste principalmente en protones y algunos núcleos más pesados. A veces esta energía cósmica condensa un golpe fuerte de alrededor de 100 voltios del quadrillion. Viniendo continuamente a tiempo con las variaciones ligeras, las radiaciones tienen un uniformemente el isotropito direccional. Por consiguiente, la tierra se rodea en una atmósfera de radiación con rayos cósmicos que vienen continuamente a la tierra de todas las direcciones, aunque puede haber una desviación ligera de los rayos más débiles por el campo magnético de la tierra. Hay cada indicación que nuestro sol no es la fuente de cualquier cantidad apreciable de esta radiación. Por consiguiente, el origen es en conjunto del universo. La energía total de radiación cósmica está más del rendimiento luminoso entero de todas las estrellas y Nébula del universo combinado. Está entregándose el poder ilimitado a todos el por paso.

El Moray el descubrimiento de Energía Radiante, mientras usando las radiaciones del cosmos como su fuente de poder, da la más gran cantidad de energía por la libra de equipo de cualquier sistema conocida para tripular. Poder eléctrico a través de un motor eléctrico o un motor de reacción eléctrico excede cualquier forma de energía lejos en cualquier artefacto en la entrega de poder. Hay ningún centro muerto de movimiento perdido en un motor eléctrico ni pérdida de empujón en un motor de reacción eléctrico. También, el torque de arranque es muy más alto en el artefacto eléctricamente impulsado que en el artefacto de la combustión.

Enjaezando la energía cósmica es todavía el método más práctico descubierto por el hombre. Además, es posible utilizar esta inmensa fuente de energía del universo sin un primero movedor a cualquier punto en la tierra --- en la tierra, en el aire, en el agua, bajo el agua, o incluso bajo tierra. Si uno considera que un generador eléctrico no está en el verdadero sentido un generador - como electricidad no es hecho por el generador - pero es meramente una bomba eléctrica, el Moray el dispositivo de Energía Radiante puede estar entonces llamado una bomba del rayo cósmica: es decir, un oscilador de electrón de velocidad alto que sirve como un descubridor de radiaciones cósmicas que las causas una acción bombeando o surgiendo dentro de su circuitería.

Para considerar para la propagación de calor y luz - dos de las formas de Energía Radiante - el hombre ha postulado la existencia de un llenar elemento todo el espacio. Pero, la transferencia de la energía de calor radiante y luz no es la única evidencia en el favor de la existencia de semejante medio. Los fenómenos eléctricos, magnéticos, y electromagnéticos y gravitación él el punto en la misma dirección.

Las atracciones y lugar de toma de repulsión entre los cuerpos electrizados, imanes, y circuitos que llevan las corrientes eléctricas. Pueden ponerse las masas grandes en el movimiento de esta manera, mientras adquiriendo la energía cinética. Si una corriente eléctrica se empieza en cualquier circuito, mientras correspondiendo las corrientes inducido saltan a en todo muy estrechamente conductores del adyacente. Originar una corriente en cualquier conductor requiere el gasto de energía. ¿Cómo, entonces, la energía se propaga del circuito a los conductores? Si nosotros creemos en la continuidad de la propagación de energía - es decir, es nosotros creemos que cuando desaparece a un lugar y reaparece a otro que debe de haber atravesado el espacio intermedio y, por consiguiente, ha existido allí de algún modo en el entretanto - nos obligan a que postulemos un vehículo para su lugar de forma de transmisión poner.

Cuando una partícula se electriza, qué uno debe observar primero es que una cierta cantidad de energía ha estado gastada; el trabajo se ha hecho. El resultado es un estado electrizado de la partícula. El proceso de electrizar a un conductor es, por consiguiente, el acopio de energía de alguna manera en o alrededor del conductor en algún elemento. El trabajo está gastado alterando el estado del medio, y cuando la partícula se descarga, los ingresos elemento a su estado original, y la tienda de energía es desembarazado. Semejantemente, un suministro de energía se exige mantener una corriente eléctrica, y el fenómeno que se levanta de la corriente es manifestaciones de la presencia de esta energía en el medio alrededor del circuito. Era que se suponía que una partícula electrizada o cuerpo tenían algo llamado "electricidad" residiendo en él qué causó los fenómenos eléctricos. Una corriente eléctrica se consideró como un flujo del mojando de electricidad a lo largo de un alambre (por ejemplo), y la energía que aparecía a cualquier parte de un circuito (si consideró en absoluto) se suponía que había sido llevado a lo largo del alambre por la corriente. Pero, la existencia de inducción y las interacciones electromagnéticas entre cuerpos situados a una distancia de nosotros lleva uno para echar una mirada en el medio alrededor de los conductores como tocar una parte muy importante en el dejar bobina de estos fenómenos eléctricos. De hecho, es el almacén de la energía.

Está en esta base que Maxwell fundó su teoría de electricidad y magnetismo, y determinado la distribución de la energía en las varias partes de un campo eléctrico por lo que se refiere a las fuerzas eléctricas y magnéticas. El medio alrededor de un cuerpo electrizado se cobra con la energía y no de un fluido eléctrico imaginario distribuido encima del cuerpo electrizado o conductor. Cuando nosotros hablamos del cargo de un conductor electrizado que nosotros estamos refiriéndonos al cargo de energía en el medio alrededor de él, y cuando nosotros hablamos del flujo eléctrico o actual en el circuito nosotros estamos refiriéndonos al único flujo que nosotros conocemos, a saber, el flujo de energía a través del campo eléctrico dentro del alambre.

El trabajo produciendo la electrificación de un conductor está gastado en el medio y guardó allí, probablemente como la energía de movimiento. Para denotar esto nosotros diremos que el medio alrededor del conductor se polariza, esta palabra a empleándose para denotar que su estado o algunas de sus propiedades se han alterado de alguna manera y dependiendo hasta cierto punto de la intensidad del cargo. Si el cargo es negativo que el polarización está en el sentido opuesto, el dos ser relacionado, quizás, como torceduras dextrógiras y zurdas o rotaciones.

Ahora considere el caso de un cuerpo cobrado alternadamente, positivamente y negativamente en la sucesión rápida. Los medios de cargo positivos un polarización positivo del medio que empieza al conductor y viajes fuera a través del espacio. Cuando el cuerpo se descarga que el medio se pone una vez más gratuitamente y reasume su condición anterior. El cargo negativo induce una modificación del medio o polarización ahora en el sentido opuesto. El resultado de cargos alternados de señal opuesta es que el medio a cualquier punto se polariza alternadamente en las direcciones opuestas, mientras se propagan olas de polarización opuesto a través del espacio, cada energía de transporte derivó de la fuente o agente que proporciona la electrificación. Aquí, entonces, nosotros tenemos una perturbación periódica de algún rey que ocurre a cada punto, acompañada por las olas de exteriores de moviendo de energía del conductor.

El fenómeno de primacías de la interferencia a la conclusión que la luz es el resultado de perturbaciones periódicas o vibraciones del medio, pero acerca de la naturaleza exacta de los cambios periódicos o qué es acerca de la naturaleza de estas vibraciones, eso los cambia, nosotros no poseemos el conocimiento. Nosotros sabemos que los cargos eléctricos alternos son acompañados correspondiendo cambios de estado o vibraciones del medio, y si el cargo es periódicamente variado y nosotros tenemos una vibración a cada punto análogo a con la rapidez suficiente, quizás idéntico con, que ocurre en la propagación de luz - una combinación de ola y propiedades de la partícula. Ésta es entonces la teoría electromagnética de la vibración luminosa.

Se suponía que las vibraciones ligeras eran oscilaciones reales de los elementos o moléculas del medio sobre sus posiciones de resto en la teoría elástico-sólida más vieja, como el lugar de las tomas cuando ondea de perturbación transversa se propaga a través de un sólido elástico. La tal limitación está injustificada a alguna magnitud, pero uno no puede permitirse el lujo de desatender completamente o la teoría de la partícula de luz. Una combinación de las teorías tiene el mérito. Nosotros sabemos que el cambio, la perturbación, vibración, el polarización, o cualquier cosa que nosotros deseamos al término él, es periódico y transverso a la dirección de propagación. La teoría electromagnética nos enseña más allá nada acerca de su naturaleza, sino afirma que lo el cargo puede ser, es el mismo en el tipo como lo que ocurre en el medio cuando el cargo de un cuerpo electrizado se altera o se invierte. Reduce luz y olas de calor a la misma categoría como las olas de polarización eléctrico. La única calidad del más tarde exigió constituir el anterior es rapidez suficiente de alteración. Estas especulaciones se dieron la confirmación más fuerte por los experimentos de Prof. El hertzio hace muchos años.

Cuando una substancia elástica se sujeta fatigar y entonces poner gratuitamente, una de dos cosas puede pasar. La substancia puede recuperar despacio de la tensión y gradualmente puede lograr su estado natural, o el retroceso elástico puede llevarlo el pasado su posición de equilibrio y puede causarlo para ejecutar una serie de oscilaciones. Algo de la misma clase también puede ocurrir cuando un condensador electrizado se descarga. En el idioma ordinario, puede haber un flujo continuo de electricidad en uno dirección hasta la descarga se completa, o una descarga oscilante puede ocurrir. Es decir, el primer flujo puede tenerse éxito por un pico de espalda, como si la primera descarga se hubiera excedido y algo como el retroceso había puesto en. El condensador se cobra así más o menos de nuevo en el sentido opuesto, y una segunda descarga ocurre, acompañó por un segundos pico de espalda, la oscilación que sigue hasta toda la energía o se radia completamente o usó a calentando a los conductores o realizando otro trabajo.

Cuando los condensadores están llenos con energía capturada por el Moray el dispositivo de Energía Radiante y entonces descargaron a través de un circuito de impedancia apropiada, reactancia e inductancia, por eso el sincronizando la oscilación del dispositivo con aquéllos del universo, la inercia eléctrica es fija a. En la inversión de la corriente, los condensadores se cobran, se descargan y se recargan despacio hasta la energía guardada en ellos se radia en la energía cinética a través del dispositivo, y esta energía puede guardarse viva indefinidamente estableciendo la resonancia con las oscilaciones del universo.

Las oscilaciones considerando de un mecánico, el punto de vista eléctrico y matemático, nosotros encontramos esa resistencia eléctrica está igual que la fricción mecánica y la corriente es comparable a la velocidad mecánica. La inercia e inductancia pueden ser consideradas las condiciones análogas entonces. En las mecánicas el mayor la inercia de un cuerpo, el más largo se quedará en el movimiento. En la resistencia-inductancia-capacidad del dispositivo de Energía Radiante (REC o RLC) el circuito, el mayor la inductancia eléctrica, el más largo la corriente continúa fluyendo él una vez se establece por el sincronización con las olas cósmicas.

Expresado matemáticamente, las ecuaciones son el mismo para los fenómenos eléctricos o mecánicos. Qué medios, ese R <√ (4L / C), dónde R la resistencia está en los Ohmes, L la inductancia está en el Enfríes, y C el capacitancia está en los faradios. Cuando esto es verdad, una descarga oscilatoria ocurrirá y una inercia de la inductancia muy poderosa se afirmará. Para los valores bajos de R, la frecuencia de las oscilaciones puede ser mostrada por f = 1/2 pi√ (CL). La rapidez de las oscilaciones es gobernada por el capacitancia e inductancia.

En las fuerzas del vibracional del universo, nosotros encontramos la llave a la fuente de toda la energía. Cómo nosotros podemos utilizar esta energía por la industria moderna a menos que limitándose a los primeros movedores mecánicos es la pregunta. Y, la respuesta puede ser un generador de energía, equilibrado para oscilar en el sincronización con las oscilaciones del universo.

Dr Ross Gunn, científico civil para la Armada americana, hace los años declarados que la tierra es un generador grande, mientras generando encima de 200 millones de amperios de corriente eléctrica continuamente. Por ejemplo, se considera que el boreal de la aurora es un fenómeno eléctrico definido muy grande producido por el pasaje de cargos eléctricos a través de los gases rarificados de la atmósfera más alta. La tierra se ha mostrado subsecuentemente, por Dr Gunn y otros, tener un cargo negativo que suma a 400,000 culombios. Todavía, seis pies sobre la tierra el aire se cobra con más de +200 voltios con respecto a la tierra.

Se conoce que aéreo dirige electricidad fuera de los objetos cobrados. ¿Esto siendo arreglan, cómo la tierra mantiene su cargo desde que es un objeto cobrado expuesto a la atmósfera circundante? Si el aéreo dirige electricidad, el cargo de la tierra constantemente debe estar pasando en la atmósfera. Y ha sido calculado que la tierra tiene una descarga continua en la atmósfera de 1,800 amperios. A esta proporción, la tierra debe perder 90% de su cargo en el aire en una hora, todavía el cargo de la tierra no disminuye. ¿De dónde la energía de la tierra viene?

La conversión de materia a la energía en las estrellas se acepta, y, razonando de lo que ocurre en desintegración radiactiva durante que se radian las olas de energía, uno puede concluir ese olas de energía de frecuencia muy alta se mandan de las estrellas (uno de los cuales es nuestro sol). Ahora, claro, la conversión de energía en la materia debe aceptarse igualmente.

Se ha encontrado que ionizacion que podría ser el medio para el flujo de energía los aumentos con la altitud creciente, en lugar de disminuir como se esperaría. Desde la fuente de energía el universo está, la generación de energía por la acción rotatoria y por todos los primeros movedores un efecto está y no una causa. La acción de energía oscilatoria, sea él en un frasco de Leyden, otro condensador artificial, o en lo que nosotros podemos llamar los condensadores naturales, siempre se comporta el mismo. Las oscilaciones continuarán hasta que ellos tengan el alcance su ciclo de altura y habrá un pico de espalda que vuelve a entonces dónde las oscilaciones originaron. Cada oscilación, si grande o pequeño, se completa durante el mismo intervalo de tiempo. Estas oscilaciones que todos demuestran al mismo gran hecho que ellos se gobiernan por el mismo ciclo de tiempo, completado durante el mismo intervalo de tiempo. Las olas de energía tienen una nota golpe regular, venido e ida como las olas del mar, pero en un orden matemático muy definido - viniendo a la tierra de cada dirección con un ritmo definido.

La energía tiene una rigidez elástica o elástica definida y densidad que están sujeto al desplazamiento y tensión. Cuando la tensión está alejada, el medio saltará atrás a su posición vieja y más allá de, surgiendo de un lado a otro, y continuará oscilando hasta que la presión original se use a. Si la impedancia interior es demasiado grande, no habrá ninguna oscilación, pero resbalará meramente atrás en un golpe muerto a su estado libre.

Reduciendo la resistencia a un mínimo y sincronizando las acciones iónicas elásticas del dispositivo de Moray con las acciones de la ola del universo, pueden hacerse periodo de oscilación venir más rápidos y más rápidamente hasta que la inercia se afirme, mientras alargando así fuera el tiempo de último recuperación. Esto se hace llevando el retroceso más allá de las oscilaciones naturales y prolongando las vibraciones capturando el en la acción oscilatoria. Cuando la recuperación se pone distintamente oscilatoria, un modelo armónico se comienza y las oscilaciones continúan, resonancia que se establece por eso con el universo.

En el universo nosotros vemos las mismas leyes a obedeciéndose como en nuestros laboratorios. Cuando uno remonta abajo a los electores casi infinitesimales del átomo, uno encuentra que la materia no existe en absoluto como la substancia realista que nosotros hemos supuesto que es. Allí a la misma fundación, consiste en nada más de cargos de energía emitidos a varias longitudes de onda o frecuencias. Está poniéndose más cierto que la complejidad clara de naturaleza es debida a nuestra falta de conocimiento. Y, cuando el cuadro despliega, promete una simplicidad maravillosa.

Uno de las relaciones más maravillosas que se han revelado alguna vez en la ciencia entera de físicas es eso entre la luz y electricidad y la existencia de electrónica en los átomos de materia. Sabiendo lo que nosotros hacemos en la actualidad con respecto a la estructura de átomos, esta relación no es sorprendiendo bastante así. Sin embargo, considerado la ausencia total de este conocimiento sobre hace un medio siglo, el descubrimiento que la luz, y radiación en general, es los fenómenos vibratorios era revolucionario.

Hablando de radiación, "Radiante" aquí el procedimiento de los medios de un centro en las líneas rectas en cada dirección. La energía es interior e inherente. Se define "energía" como una condición de materia en virtud de que, cualquier porción definida puede afectar los cambios en cualquier otra porción definida. Esto era escrito en 1892, y descubrimientos desde que lo confirma. La energía es entonces un estado de materia, o más bien, el resultado de un estado particular o condiciona en que la materia puede ser cuando cualquiera observó que la fase de energía aparece.

Además de poseer la energía cinética, el átomo es internamente capaz de energía absorbente. Esta energía interior es asociada con la configuración de las partículas de que el átomo está compuesto. Bajo las condiciones ordinarias un átomo está en lo que está conocido como un estado de equilibrio en que no hay ni un emitiendo ni un absorbiendo de energía. Pero, la energía interior del átomo puede alterarse. Cuando la energía interior del átomo excede eso de su estado normal que se dice que es excitado. El Pueden causarse las excitaciones del maneras del varias, ejemplo del por, la colisión de un átomo con rápidamente positivo mudanza o partículas negativas o la ruptura de líneas de fuerza en un generador electromagnético. La energía cinética se suelta cuando la excitación causa una partícula para dejar algunos o toda su energía cinética al átomo durante las colisiones. Esto está teniendo lugar en el universo todo el tiempo.

Nunca se habrían descubierto el motor eléctrico y generador si un dieléctrico (el aislador) no se había descubierto. ¡Si uno descubre una válvula del dieléctrico para la energía del universo, uno tiene la respuesta a enjaezar la energía del universo! Un caso limitando de excitación es el ionizacion, en donde la energía está suficientemente absorto por el átomo permitir un electrón flojamente limitado para dejar el átomo, contra las fuerzas electrostáticas que tienden a sostenerlo dentro del átomo. Un átomo que ha dado despierto o se dice que más electrones son ionizados. El Es posible que el ionizacion, los decir del es, la excitación, pueden tener lugar en los pasos sucesivos a través de la absorción de quántum la energía. El retorno de un átomo ionizado a un estado de más bajo energía es asociado con la radiación electromagnética. También, del proceso de ionizacion, puede asociarse la energía eléctrica con las fuerzas del vibracional del universo que entra en la tierra como la radiación cósmica. El más alto la frecuencia, el mayor el ionizacion o excitación, una forma de energía que es cinético en la naturaleza. Hay tremendos energías que vienen a la tierra del espacio exterior. Estos energías son sólo manifestaciones diferentes del energías que nosotros vemos en el funcionamiento alrededor de nosotros. En la mayoría de los casos nosotros no somos ni siquiera conscientes de su existencia. Ellos penetran todo incluyendo nuestros propios cuerpos. Cada uno de nosotros está vivo en virtud de estos energías. Cada parte y partícula del universo están vivas con ellos. Los generadores que ahora amueblan nuestro poder eléctrico no crean u originan algún poder o electricidad; ellos meramente dirija, bombee, la energía existente o electricidad.

Como en las notas musicales de "C" alto y bajo, el vibracional está (las frecuencias) es diferente, pero todos "C" las notas son esencialmente el mismo (armónicamente relacionó). Ésta es la fundación en que mucha de mi investigación de fenómenos vibratorios es basada.

Ha sido convenido que todas las formas de materia estén vibrando a una proporción particular o frecuencia. Y, para que está con las varias formas de energía - el calor y luz, magnetismo y electricidad. Éstos son pero forman de movimiento vibratorio conectado con y generándose de la misma fuente, el universo. La materia vibra a una proporción particular, según su carácter, y puede transmitirse en otra substancia bajando o levantando su proporción de frecuencia. Si la frecuencia se levanta alto bastante, las moléculas separarán y los átomos se puestos libre. Todavía levantando superior la frecuencia, los átomos se resuelven en sus componentes originales. Importe entonces se vuelve una forma de energía. Pueden desarrollarse las frecuencias qué equilibrará la fuerza de gravedad a un punto de neutralización. Uno puede ir entonces más allá de la fuerza de gravitación. Entendiendo los principios de vibración es de verdad la energía comprensiva.

En los rayos gamma, nosotros encontramos potenciales que son equivalente a tanto como 1,000,000 voltios, todavía sus longitudes de la ola no son los más cortos conocido. En las octavas hay rayos que están conocido como "rayos cósmicos" todavía superior. ¿Quién puede dibujar una línea definida y dice cuánta otras octavas más altas existen que aquéllos saben como los rayos cósmicos? Nuestro punto de arranque del descubrimiento de estas olas diferentes era conductibilidad eléctrica del aire, y se ha encontrado que esta conductibilidad es así como muy bien de noche como de día. Radiaciones emitidas por el sol pueden ser escasamente la sola causa de esta energía. Todo el espacio se satura con la vibración, energías que es indudablemente eléctrico en el carácter. La relación de maté a la energía y energía para importar entonces se vuelve el potencial del universo - una serie continua de oscilaciones.

El Los átomos mantienen un equilibrio por las oscilaciones, el rotaciones, el atracciones el repulsiones de y, esto del pero ningún interfiere hace trampas la transformación del una del que del equilibrio, el transformaciones de las de cuando del equilibrio hijo rápidas bastante, la se vuelto la energía, el decir del es, en que la materia está convirtiéndose energía y energía en la materia.

La Puede haber ninguna generación del eléctrica de la corriente los y ninguna energía cinética si dan heno a la perturbación del ninguna del equilibrio, el decir del es, el cambio de potencial o cambio de niveles de energía. Cuando uno piensa del oxígeno y moléculas de nitrógeno del aire por todas partes nosotros moviendo con la velocidad de balas y golpeándonos y todo lo demás a esta velocidad, uno puede formar alguna idea de la agitación que tiene lugar aquí y en el universo.

Las oscilaciones del espacio exterior están emitiendo olas electromagnéticas de muchas longitudes de onda y frecuencias. El dispositivo de Moray se construye así que la frecuencia es muy más bajo en el lado secundario que en el lado primario, y la resonancia casi completa se establece. Me convencen que los energías del universo son radiaciones activas producidas por la evolución de materia en la energía y energía en la materia.

La cámara de la nube de Dr Anderson en el Instituto de California de Tecnología en que el positrón fue descubierto, ha amueblado mucha información sobre las energías del rayo cósmico. Él encontró que algunos positrones nacen de rayos cósmicos que quiebran en la materia. Los energías del rayo cósmicos dedujeron de las huellas salidas en el Anderson nube cámara rango de 100 voltios a 3,000,000,000 voltios. La teoría de Lemaitre-Vallarts, junto con los dimensiones de asimetría de Dr Johnson, da los valores definidos por la energía de la mitad de la radiación cósmica, y lo muestra continuamente distribuido entre 5 mil millones y 50 mil millones voltios.

La figura de 100 mil millones voltios es un resultado de Dr W. La medida de Kolhorster de radiación penetrante en las profundidades del Strassfurt sala las minas. Él encontró que la energía mínima de estos rayos tenía una penetración que era mayor que en la vida antes de demostró. Dr Axel Corlin del Observatorio de Lund de Suecia encontró radiación que todavía tenía la energía después de atravesar las profundidades algo mayores y, por consiguiente, las figuras de voltaje pueden hacerse aun más alto. Energías de 100 mil millones voltios o más son indicados por los grandes estallidos puestos fuera de por las colisiones del rayo cósmicas, llamó el stosse que se ha observado particularmente en Alemania. El Moray que los dispositivos de REF han trabajado igualmente bien en las minas profundas, bajo el agua o alto en las montañas y en un avión.

Es aproximadamente 100 años desde que la ciencia empezó a considerar la luz, el calor, el magnetismo, el galvanismo, y electricidad como las fuerzas naturales. En la parte temprana de la 19 escuela del siglo el referencia reserva "substancias imponderables" a estas cosas. La teoría del corpúsculo de luz fue enseñada, se suponía que el sol proporcionaba un suministro interminable de esos corpúsculos. Después de que la teoría del corpúsculo se marchitó, científicos se volvieron a la teoría de la ola, pero incluso eso era basado en un concepto crudo de movimiento de los últimos principios o átomos, de materia. ¿La teoría del electrón ha reemplazado el más temprano ahora, y mientras la teoría del electrón explica bien los observamos y los "hechos" teóricos que los conceptos anteriores hicieron, podría ser que, como la luz mayor de primacías de conocimiento nosotros en, la teoría del electrón se caerá corta a su vez de proporcionar "absoluto" el conocimiento? La Einstein Teoría puede estar de pie en la necesidad de revisión o enmendadura; o, a tiempo, puede unir las teorías de corpúsculos y olas en el estante atrasado.

Un caso específico en que el campo eléctrico realiza la función doble de excitación molecular y la creación de intermolecular y los iones atómicos, está dándose por el sistema usado por el inventor. Está un utilizando del sistema los principios de la corona del alambre con un cilindro concéntrico en las presiones diferentes. El sistema se modifica en la conformidad al concepto que las reacciones químicas deben tener lugar cuando los iones moleculares opuestamente cobrados de un catalizador activado apropiado se aceleran entre si contra en la corona del alambre. Consiste en un cilindro hecho de un catalizador conveniente de que se emiten los iones positivos. Los reactantes (los gases) vertiendo a través de la cámara paralelo a la longitud del alambre logran la polaridad de los iones moleculares negativos por el campo eléctrico alto cerca del alambre. Como estos iones moleculares negativos se acelera a los ángulos rectos al alambre en la dirección del campo eléctrico hacia el cilindro del catalizador positivamente cobrado, ellos se reúnen por un alud de en yardas por tierra los iones atómicos del catalizador. Una cierta cantidad de tomas de la reacción pone en ese momento, 10-8 segundos. Sin embargo, algunos de los iones moleculares negativos fuera del camino libre malo de los iones atómicos positivos son libres apresurarse precipitadamente hacia el campo cilíndrico positivo dónde ellos se neutralizan, y al instante dado un cargo positivo por el alud de cabo yardas por tierra los iones positivos. Estos iones moleculares positivos se aceleran atrasados en el campo y chocan contra los iones moleculares negativos que vienen de la dirección de la corona del electrodo negativa. Esta refriega continúa hasta la reacción ha venido a un punto dónde los participantes individuales o son todos ido o la mezcla es fuera del campo eléctrico: las oscilaciones del pico de espalda.

El aparato de Moray combinó con otro equipo, consiste en una combinación de tubos especialmente construidos que nosotros nos referiremos a como las válvulas, "transmisores de presión", interceptados y osciladores. Las válvulas no son los rectificadoras en el sentido que ellos operan como las válvulas de la radio cambiando Corriente Alterna o las oscilaciones de Frecuencia Altas en la Corriente Directa. Ellos tienen una acción de la válvula real deteniendo el "flujo" de energía que puede pensarse de como la acción oscilatoria similar a las olas del mar, sin la rectificación, de devolver al circuito exterior, mucha como una pared reteniendo podría detener las olas del mar de volver. Las otras modalidades y "tubos" del dispositivo son igualmente únicos en su actuación. Aunque ninguna nueva ley de energía está estando avanzada o exigió como se habido descubierto, la aplicación en el método de utilización de la energía a lo largo del espacio es única en eso "generación" es cumplida por el utilización oscilatorio en lugar de por el primero movedor convencional. Éstos los tubos del descubridor tienen un tirón sincronizado con los osciladores especialmente desarrollados de capacidad del faradice alta y proporcionan un medios a través de que la energía oscilante puede pasar a osciladores de la válvula especialmente construidos cuya la relación a la primera válvula de la fase es como permitir a las oscilaciones venir en de pero no el retorno al circuito exterior con una relación inconstante automática a las oscilaciones del universo, y capaz de escena a dentro de sus circuitos oscilaciones iniciales que coinciden con las oscilaciones del universo.

La provisión especial se proporciona para detener REF entuba de se bloqueado en su dispersión de los cargos creada por las oscilaciones que continuamente aumentan basado en el efecto de pico de espalda de capacidad oscilatorio común a los condensadores y son aquí dentro aplicado en los tubos del vacío. Esta acción de estos dispositivos tiene el efecto de agrandar y prolongar el tiempo de cargo y descarga de los condensadores y la energía de capacidad en el circuito a un intervalo apreciable en la armonía perfecta con la ola de energía natural a través de las válvulas de los interceptor y osciladores en el circuito que preparó en el circuito pulsaciones eléctricas que corresponden a las olas de energía capturado por el interceptor y de nuevo impidió devolver al segundo el circuito exterior por "multa-amurallado" las válvulas. El acto de los tubos final como los transmisores de presión de energía con un medios para prevenir "desviando" la condensación por una forma especial de "getter." Esto detiene condensación que aumenta a la base de los tubos que bloquearían su acción iónica.

Uno debe "raja" la venda de descarga de energía en las líneas de variación (llame esto lo que usted quiere), líneas de energía o líneas del más allá de luz los "rayos ligeros." Las oscilaciones, por consiguiente, no se vuelven las oscilaciones simples pero a través de la acción del universo preparada un flujo de energía que podría estar llamado la aserción de inercia. Cuando la inercia pone en, la acción continuará debido a las oscilaciones del cosmos, por otra parte uno tendría una dispersión completa de energía y ninguna oscilación. La oscilación vibrará durante el mismo periodo de tiempo sin tener en cuenta el potencial, pero la proporción de vibración del dispositivo depende de la "capacidad" de sus modalidades, es decir, condensadors, etc.

¿Reunió en la pura resonancia de energía, cierta energía que responde aparato que sincroniza con la resonancia de ciertas vibraciones en el universo, y qué usted tiene? La energía de Useable del universo. Esta energía puede venir a los planetas como las oscilaciones similares a las oscilaciones y mareas del mar. Los tubos de Energía Radiantes reciben esta energía en olas que pueden durar sólo unos microseconds por la presión y actual en esas olas es tan fuerte que se entrega la energía suficiente al equipo en la resonancia ser el useable en los múltiplos de llamaradas y en una magnitud que compite con la luz de día. Recuerde que la resonancia y presión pueden hacer mucho para amplificar la energía. También recuerda que las vibraciones que salen de las fuentes en el universo también deben devolver a sus fuentes. Nada está perdido. Hay sólo un amenazador de potencial como agua que fluye encima de una rueda de agua.

La Energía Radiante entuba el presente ninguna nueva ley de físicas. Ellos extienden la aplicación de leyes conocidas simplemente, mientras no obteniendo por eso al principio los resultados el pensamiento posible. Ésta es la historia de ciencia. Los tubos de Energía radiantes poseen la habilidad mayor para obtener "saturación" y así cobrar los condensadores acompañando a una proporción más firme. Cuando un cierto voltaje se alcanza, el ionizacion ocurre en los gases del tubo descargado y causas los condensadores del circuito de la válvula para descargar en otros condensadores del circuito de la válvula, descargar en otros condensadores de los osciladores y las otras modalidades del circuito.

Cuando el ionizacion en los tubos precedentes es ningún más largo posible debido al voltaje reducido, el proceso vuelve a empezar de nuevo. La primera válvula pasa vibraciones de energía en un circuito oscilatorio; el ionizacion pone en, una descarga ocurre, y la energía atraviesa otra válvula en otros osciladores. El proceso se repite de la primera fase adelante a la segunda fase, en al tercio y así sucesivamente, mucha como una brigada del cubo. ¿Eso es por qué yo pregunté hace años, "no Enlate un flujo firme de agua se obtenga de las olas del mar o energía de las vibraciones del cosmos?"

Cuando una vibración de cualquier huelga amable un límite entre dos medios de comunicación de impedancias vibratorias diferentes a un ángulo de menos de 90 grados, una transformación de la proporción vibratoria puede cambiarse en otra proporción vibratoria. El dispositivo de Energía Radiante continuará capturando la energía por la resonancia por consiguiente, o lo llama lo que usted quiere, con tal de que el "guarde vivo" la vibración del cosmos continúa oscilando las varias fases de las válvulas y osciladores en el circuito. ¿Simple, no es? Simplemente un caso del entrampando de energía que está por todas partes presente en el circuito primario y causándolo para oscilar a través de los circuitos secundarios a través de un circuito bloqueado de ningún retorno.

Nuestros experimentos han demostrado que hay una energía que existe en el universo que, por el desarbobina apropiado de equipo, puede hacerse disponible para el uso comercial.

Semejante transformador de energía o el conversor se ha construido. Se ha operado, a la carga llena continuamente sin el gasto de combustibles de cualquier tipo, sin un primero movedor mecánico, guardado vivo por las oscilaciones del energies del cosmos; un conversor de energía, o transformador que sería capaz de convertir la frecuencia alta la energía nivelada alta de la radiación cósmica en la corriente de frecuencia utilizable y voltaje.

Básicamente la teoría de funcionamiento es como sigue:
Se empiezan las oscilaciones en la primera fase o circuito del dispositivo excitándolo con una fuente de energía externa.
El circuito es "puso a punto" hasta las oscilaciones se sostiene por el acoplamiento armónico a las frecuencias de la ola cósmicas.
La acción reforzando de los aumentos de acoplamiento armónicos la amplitud de las oscilaciones hasta los pulsos máximos "derramamiento" encima de en la próxima fase a través de un descubridor especial o válvula que previenen el retorno o regeneración de energía de los circuitos subsiguientes.
Éstos "pulsos" manejan esta fase que oscila a una más bajo frecuencia y se refuerza de nuevo por el acoplamiento armónico con el en la vida el presente las olas cósmicas.
La segunda fase maneja una tercera fase, y se acoplan las fases adicionales hasta un nivel de poder conveniente a una frecuencia del useable y se obtiene el voltaje por medio de los transformadores especiales.


La información específica sobre el sistema de Moray está muy limitada, especialmente desde que su aplicación patente ha estado alejada. El diagrama sobre y el diagrama debajo de se ha reproducido de lo que se alega para ser las notas de que la aplicación patente estaba compuesta. Estas notas no son muy aclare los dos formulando y en la calidad de reproducción, sin embargo, los diagramas mostrados aquí son un esfuerzo por mostrar algo que es bastante cierto en esos diagramas claramente.


Se supone que esto es la información de la construcción sobre la Válvula de Moray que era capaz de ser fijo rectificar un signo o amplificar un signo. La cubierta es una taza de metal que también forma uno de los contactos para la válvula. dentro de la taza hay cuatro pelotillas atadas al lado. Las dos pelotillas exteriores son hecho de bismuto y se funden directamente adelante al caso de metal. Las dos pelotillas internas se atan al caso con estaño en lugar de la soldadura. Juzgando del dibujo, parece como si el brazo de metal que avisa las pelotillas sólo puede conectar con las dos pelotillas internas. El brazo aprieta grandemente contra las pelotillas del mismo modo que el "el pelo del bigote de gato" los diodos del tiempo estaban emocionados con un alambre color de plata hacer un punto avisar y producen la rectificación.

Si es correcto que el brazo del rotatable sólo avisa una de las dos pelotillas internas, entonces la razón para esas pelotillas del bismuto exteriores debe ser como una parte indirecta de la válvula. Así que, esta sección del caso es un arreglo del metal del caso, estañe, el bismuto y cinco uniones entre los materiales diferentes, no contando el brazo del contacto. Una de las dos pelotillas internas es hecho de germanio purificado con la suma de cantidades muy pequeñas de un material drogando. Sulphide férrico (FeS), Molíbdeno Sulphide (MoS), se han mencionado Bismuto, Uranio y Plata como los posibles agentes drogando. Otro material mencionado es que Primacía que lo ha tenido es estructura alterada por el proceso descrito en la patente de Moray US 2,460,707. Se dice que las pelotillas son producidas bajo la presión alta.

De esto puede verse que nosotros no tenemos nada remotamente como la información llena sobre el sistema de Moray. Hay varios cosas importantes que nosotros podemos aprender de esto sin embargo. Primeramente, usando simplemente una conexión del earthing buena y una antena de sólo noventa pies (30 m) o para que en la longitud sólo unos ocho pies suspendieron fuera de la tierra, es posible deducir la corriente significante del ambiente. La fotografía muestra 35 bombillas que se encienden por Moray y ésa es una cantidad sustancial de poder. Es improbable que nosotros podremos reproducirse el método exacto de Moray de extraer el poder, pero es muy improbable que su método es la única posible manera de lograr el extracto de poder eficaz. Así, si nosotros experimentamos con los componentes y materiales para dar hoy, es distintamente posible que nosotros pudiéramos extraer cantidades mayores de poder de un alambre etéreo relativamente pequeño posicionado a una altura conveniente real sobre la tierra, y una tierra de calidad buena.

El libro de Moray "El Mar de Energía en que la Tierra Flota" puede transmitirse como un eBook del 64-página libres de P26.pdf.


Los Sistemas Antena de Hermann Plauson
Hermann Plauson se concedió la Patente 1,540,998 americanos en el 1925 de junio. La patente es similar de moda al sistema de la recogida de Tesla e ilust ra el principio con un sistema como que es muy Paul Baumann “Testatica” dispositivo escondido lejos en una comunidad religiosa suiza. La patente es muy detallada con 37 dibujos que muestran los arreglos diferentes, y se muestra por completo en el Apéndice. De hecho, la patente lee más como una guía didáctica en lugar de una patente.

Un sistema de este tipo debe tomarse el más definitivamente en serio: Hermann considera uno de sus sistemas con un rendimiento de 100 kilovatios como ser un “pequeño” el sist ema. Él ilustra varios métodos diferentes de captura de energía y varios métodos de aumentar la efectividad de la energía capturada. Mientras una instalación para capturar un suministro continuo de 100+ kilovatios es poco realista para un individuo, hay la posibilidad distinta de hacer un descascarar-baje versión que es capaz de proporcionar niveles serios de poder libre. Leyendo su patente cuidadosamente definitivamen te a través de será recomendado.


Herman empieza ilustrando cómo la lata de electricidad activa se tome de una máquina de Wimshurst. El Wimshurst rendimiento voltaje es muy alto y la capacidad actual es muy baja y la mayoría de las personas lo despediría fuera de mano como ser totalmente inadecuado para cualquier amable de trabajo práctico. Sin embargo, Hermann empuja el nivel de poder alimentando el rendimiento en un paso-baje transformador que baja el voltaje del rendimiento a medida de a un nivel conveniente y aumentos la corriente disponible lareducción en el voltaje. Ésta es la misma té cnica patentada por Nikola Tesla. El aparato que Herman ilustra se muestra aquí:


Su patente dice: “seleccionando la proporción adecuadamente entre el número de giros en los bobinados primarios y secundarios, con respecto a una aplicación correcta de l os coeficientes de resonancia (el capacitancia, inductancia y resistencia) puede convertirse el voltaje alto del circuito primario adecuadamente en un voltaje bajo el rendimiento actual alto. Debe recordarse que una chispa produce un muy grandemente el pulso de voltaje creciente y eso desequilibra el campo de energía quantum local, como descrito antes, mientras produciendo la energía muy grande fluye como los ingresos de ambiente locales a su sostener-estado equilibrado. La chispa que se produce por el pode r relativamente bajo se usa como un gatillo para la energía inmensamente más grande fluye que alimentaba el paso-baja el transformador, mientras produciendo la corriente seria al voltaje razonable, capaz de hacer el trabajo útil, sin el requisito para cualquier poder de la entrada del usuario.

Usted notará cómo simple este circuito es. Tres condensadores “el a1”, “el b1” y “el c1” en una cadena, forme un solo alto - el condensador de voltaje. Las gotas mostradas conectado por estos condensadores son los emergencia descarga chispa huecos pusieron para tratar con los eventos raros como allí el etéreo pegándose por una huelga del relámpago. Este circuito está muy como el Wimshurst mecanice circuito que Hermann usa como una ilustración del principio de funcion amiento de estos tipos de circuitos. En este circuito, él muestra un motor especial marcado “M” qué se maneja por el circuito y él también muestra términos del rendimiento que pueden tener otro equipo conectados por ellos.

Cuando las descargas oscilatorias en el circuito primario se puesto más débil o cesa completamente, los condensadores se cobran de nuevo por la electricidad estática hasta el cargo acumulado de nuevo los descansos abajo por el hueco de la chispa. Todo esto se repite con tal de que ele ctricidad se produzca por la máquina estática a través de la aplicación de energía mecánica a él. Herman los estados que sin el arreglo de hueco de chispa por los tres condensadores conectados entre la antena y la tierra, “es imposible de coleccionar y dar cantidades grandes disponibles de energía eléctrica”.

Además del uso de huecos de la chispa en paralelo, una segunda medida de seguridad también es necesaria para tomar la corriente de este circuito. Ésta es la introducción de electroimanes proteccionist a o los bobinas ahogando en el circuito etéreo como mostrado por S en el diagrama debajo. Un solo “el electroimán” teniendo un centro de las posibles laminaciones separadas más delgadas se conectado con la antena. En el caso de voltajes altos en la red etér ea o a lugares dónde hay tormentas frecuentes, varios cosas así que pueden conectarse los bobinas del toroidal-herida en la serie.


En el caso de unidades grandes, varios tales imanes pueden emplearse en paralelo o en la serie paralelo.Pueden conectarse los bobinados de estos electroimanes simplemente en la serie con las antenas. En estecaso, los bobinados deben hacerse a de algunos adelgace los alambres paralelos que juntos, constituya la cruznecesaria -el área particular de alambre. El bobinado pue de hacerse de primero y los bobinados secundariosen la forma de un transformador. El testamento tortuoso primario se conecte entonces en la serie con la redetérea, y el bobinado secundario más o menos puesto en cortocircuito a través de una resistencia r egulando oun bobina de la inducción. En el último caso es posible regular, hasta cierto punto, el efecto de estos rollosahogando.


Fig.5 muestra un arreglo por producir corrientes grandes que pueden usarse directamente, sin los motores, para proporcionar calentando y encendiendo. La diferencia principal aquí es que el hueco de la chispa consiste en un disco 7 estrella-formado qué puede rodar en su propio eje y puede rodar por un contrario de motor los electrodos 7a similarmente en buena salud. Cuando los puntos separados de las estrellas enfrentan entre sí, las descargas tienen lugar, mientras formando un circuito de la oscilación así con los condensadores 5 y 6 e inductor 9. Un motor también puede conectarse directamente a los extremos de inductor 9.

La patente continúa mostrando muchas maneras de aumentar el poder del sistema etéreo y muchas maneras de aplicar el rendimiento a los dispositivos eléctricos prácticos. Contiene 37 diagramas, una riqueza de información práctica, y una copia de él está en e l Apéndice.


El Dispositivo de Roy Meyers
Roy Meyers se concedió Patente 1913 a REINO UNIDO, 01098 en el 1914 de enero. La patente que es incluido en el Apéndice muestra un dispositivo sumamente simple que produce un rendimiento eléctrico en absoluto sin cualquier forma de entrada visible. Este dispositivo intrigante fue descubierto al probar una forma muy simple dónde se interconectaron dos imanes herradura con el alambre de hierro suave y dos barras de cinc puesta entre las piernas de los imanes. Roy e ncontró que él consiguió un rendimiento de 8 voltios que usan simplemente dos 4-pulgada imanes con la 1-pulgada las piernas cuadradas y cinc obstruye de tamaño similar. La orientación física del dispositivo es muy importante. La patente dice que la corriente es reunido si los extremos abiertos de los imanes están apuntando en un Norte - la dirección Sur y no si ellos se posicionan en el Este - la dirección Oriental. Sin embargo, los esfuerzos de la repetición parecen indicar la marcha atrás de esto con reco gida de energía que ocurre cuando la alineación es el Este-oeste. Las indicaciones son que éste no es un dispositivo fácil para conseguir operar correctamente.

El primer arreglo se muestra en el diagrama siguiente:


Roy desarrolló su sistema más a llá y encontró que mientras funciona dentro, realiza bien si localizó el campo ylevantó a una altura de cincuenta o sesenta pies. Sin embargo, eso está por ningún medio esencial, y el rendimiento impulsa y el voltaje puede ser aumentado aumentando el núm ero de unidades del coleccionista. Roy desarrolló éstos para producir El estilo mostrado aquí:


El cinc actúa más eficazmente si instaló como hojas dobladas en una forma de V. Pueden apilarse los imanes yhojas de cinc verticalmente y/o horizontalmen te y el mayor el número usó, el mayor el rendimiento eléctrico.Una conexión de tierra buena se recomienda y probablemente, la media cañería de agua fría de cualquier casaproporciona una conexión de tierra más adecuada que es conveniente al uso, con tal d e que el trabajo de la cañería sea hecho de metal.


El Sistema de Raymond Phillips Senior
Los regalos un EE.UU. 4,685,047 patente interesante de 4 el 1987 de agosto, tituló “el Aparato por Convertir la Energía de Frecuencia de Radio para Dirigir Actual”. Mientras esta patente habla de radio - la energía de frecuencia, yo no puedo ver ninguna razón particular por qué ésa sería la única energía que podría recogerse por esta circuitería. La información patente es como sigue:


El lo abstracto:
Esta patente describe un aparato y métodos por convertir la energía de frecuencia de radio en la corriente directa por generar el poder eléctrico. Incluye una antena del dipolar para la energía de frecuencia de radio receptor y un circuito por convertir la energía de frecuencia de rad io para dirigir actual. El circuito tiene una línea del rendimiento positiva conectada a un polo de la antena y una línea del rendimiento negativa conectada al otro polo de la antena. Un diodo transmitiendo positivo está en la línea del rendimiento positiv a y un diodo transmitiendo negativo está en la línea del rendimiento negativa. Primero y segundas líneas del autobús y un par de circuitos puestos a punto de pareja de polaridad opuesta la línea del rendimiento positiva y la línea negativa a la línea del a utobús con uno de las líneas del autobús a conectándose a conectado con tierra. Cada uno puso a punto que el circuito incluye una línea primero ponteando que conecta la línea del rendimiento positiva a las primero y segundas líneas de tierra y una segunda línea ponteando que conectan la línea del rendimiento negativa a las primero y segundas líneas de tierra. Cada uno ponteando la línea tiene en él, un diodo conectó con una polaridad que se invierte con respecto al diodo de la entrada. Las líneas ponteando de cada uno puestas a punto el circuito se conectan entre sí a por un inductor y tienen los condensadores puestos entre el diodo y las líneas del autobús. Un dispositivo Actual Directo se conecta a la línea positiva del circuito.


El fondo de la Invención:
Esta invención muestra un aparato por convertir la energía de frecuencia de radio para Dirigir Actual de magnitud suficiente impulsar los dispositivos como los corceles de la batería y los motores eléctricos sin el uso de amplificación.

Ha habido interés mucho tiempo en tecnología dirigida a transmitir la energía eléctrica encima de una distancia sin usar los alambres. El desarrollo de semejante tecnología tiene el potencial enorme. Esto se reconoció primero por Nikola Tesla que en 1899 construyó un 20 0 pie Bobina de Tesla estaba a 300 kilovatios a 150 kilociclos. Tesla esperó preparar olas en pie de energía eléctrica alrededor de la superficie entera de la tierra, para que el juego de las antenas receptor a los puntos óptimos pudiera taladrar el poder c uando necesitó. Tesla pudo encender ciento de lámparas a una distancia de aproximadamente 40 kilómetros con su dispositivo sin usar los alambres. El esquema generalmente ha seguido siendo una curiosidad científica pero ha mantenido el fundamento inicial lo s desarrollos actuales en donde los esfuerzos están haciéndose transmitir poder que usa los microondas. Sin embargo, se prevé poder transmitido por los microondas en la forma de una viga de intensidad muy alta que se enfoca de un generador de la microonda a una antena receptor. Esta tecnología se prevé como usarse para muchos tipos de propósitos, sin embargo, la viga del microonda enfocada no es conveniente para muchas aplicaciones porque la viga debe dirigirse hacia una antena receptor y no puede transmitirse a través de la mayoría de los objetos, mientras incluyendo los objetos vivientes, sin destruir esos objetos.

Esta invención confía en convertir la energía de olas en pie que se emiten de las antenas de frecuencia de radio en el RF van en lugar del rango del microonda. De interés particular frecuencias muy bajas que no se usan en las comunicaciones y están disponibles para transmitir el poder son. También de interés es las olas de frecuencia bajas emitidas por la tierra debido a pulsar de su campo magnétic o. Esta frecuencia baja que resiste "tierra" las olas puede recogerse por receptores puestos a punto a ellos.


El resumen de la Invención:
Esta invención muestra una antena de RF para las radioondas receptores. La antena de RF conectada a un circuito configurado para convertir el RF señala para Dirigir Actual. Se transmiten los signos de frecuencia de radio recibidos por la antena a dos primacías, uno que se rectifica para producir el voltaje positivo y el otro rectificó para producir el voltaje negativo . La primacía de voltaje positiva se conecta directamente a una línea del rendimiento positiva y la primacía de voltaje negativa se conecta directamente a una línea del rendimiento negativa. La línea del rendimiento positiva se conecta a un par de líneas d el autobús a través de un primer par de condensadores, mientras la línea del rendimiento negativa se conecta al par de líneas del autobús por un segundo par de condensadores. Puesto entre la primera línea del autobús y la línea del rendimiento positiva es un diodo inverso de polaridad negativa, mientras puso entre la línea del rendimiento negativa y primero la línea del autobús es un diodo inverso de polaridad positiva. Las líneas de los rendimientos positivos y negativos se conectan entre sí a través de un inductor que es en paralelo con los condensadores del primer y segundo par conectado entre la segunda línea del autobús y las líneas del rendimiento positivas y negativas.


En una aplicación de la invención este circuito se reproduce para cada línea del rendimiento positiva y negativa.En otro el circuito se acopla a los circuitos idénticos adicionales para aumentar el rendimiento actual directo delarreglo. En otra aplicación, la antena usada es una antena del dipolar de alambre aluminio colocada en una"mariposa" la configuración.

Esta invención usa estos elementos para generar corriente directa de poder suficiente para realizar las tareas como cobrar las baterías, mientras encendiendo las lámparas e impulsando los motores eléctricos actuales directos sin el uso de amplificadores.


La descripción breve del dibujo:
Los carácteres de la referencia usaron la muestra las mismas o similares partes en cada vista, y lo que se muestra es un diagrama de un circuito, un dispositivo manejado y una antena del dipolar que recibe la frecuencia de la radio ondea que se convierte entonces a DC actual para impulsar el dispositivo manejado.


La descripción de la encarnación preferida:
Refiriéndose ahora al dibujo debajo, allí se muestra una antena del dipolar, ge neralmente designada por el número, 10 que reciben las olas de frecuencia de radio de un transmisor de RF.


Estas olas se pasan al circuito de la conversión a través de un cable 13 coaxial y el rendimiento de DC actualdel circuito se usa para impulsar un rendimiento por ejemplo dispositivo 15 que puede ser, un corcel de labatería, el motor de DC, o encendiendo el dispositivo. El circuito no tiene ninguna otra entrada de poder y paraque no tiene ningún amplificador por empujar la energía de RF.

La fuente de frecuencias que pueden convertirse para Dirigir Actual por el circuito mostrada puede incluir fuentes de frecuencia alta (HF), la frecuencia baja (LF), la frecuencia muy baja (VLF) y la frecuencia sumamente baja (el DUENDE) las radioondas así com o la vibración sísmica de los campos magnéticos de la tierra.

Preferentemente, el dipolar antena 10 se forma de dos vueltas triangulares de alambre aluminio 16 y 17 uno de los cuales se conectan al conductor 21 anular del cable 13 coaxial y el otro de que se conecta al centro conductor 22 del cable coaxial. El tamaño de la antena 10 bipolar es dependiente en la aplicación particular a que se pone. En una encarnación de la invención, la antena 10 está aproximadamente 12 pulgadas en la anchura y 18 pulgadas en la longitud. Semejante antena se usa recibir cinco vatios energía, como eso generado por un “walkie-talkie” o radio del ciudadano-venda.

El conductor exterior de la antena se conecta a la primacía 21 positiva y el conductor del centro del cable coaxial se conecta a la primacía 22 negativas del circuito. Un diodo transmitiendo positivo entre que D1 se pone la primacía 21 y el rendimiento positivo línea 25. Un diodo transmitiendo negativo que D2 se pone entre la primacía 22 y el rendimiento negativo línea 26.

Para proporcionar un rendimiento de DC de poder suficiente, varios inductancia-capacitancia RF puso a punto los circuitos 30, cada uno que forma una célula positiva, o una célula negativa, se usa para conectar el rendimiento positivo línea 25 y el rendimiento negativo línea 26 al primer y segundo autobús línea 31 y 32, respectivamente. Autobús a que línea 32 se conecta conectó con tierra mientras autobús que línea 31 puede conectarse a los circuitos similares. Inductor 35 saques como un ahogo de frecuencia de radio. Como se ve del dibujo, el RF puso a punto el circuito célula 30 se repite una pluralidad de tiempos. En el ejemplo específico mostrado, el circuito tiene células 30 separadas, 37, 38 y 39. Las células que 30 y 38 son entre sí de polaridad opuesta y equilibrio, mientras las células 37 y 39 son de polaridad opuesta y también equilibran entre sí. Para que el sistema funcione, un par de contrario polarizó deben usarse las células. El número particular de células 30 y el valor de los componentes en él, es determinado por la configuración del dipolo antena 10 y el poder y frecuencia del transmisor de RF.

Esta frecuencia de la radio para dirigir el circuito de la conversión actual se puede se conecte a un circuito doble vía el alfiler 41 para proporcionar el rendimiento de la corriente directo adicional en las líneas similar al rendimiento positivo línea 25 y el rendimiento negativo línea 26 que las líneas del rendimiento pueden conectarse juntos para empujar el rendimiento total del siste ma.

Una encarnación operativa de la invención usa los elementos siguientes:

Los diodos: D1, D2, D3 y D4 - los Diodos del Germanio, teclee 1N34A,
Inductores: 35 - 47 milihenry (mH) R. F. El ahogo
Los condensadores: C1 y C2 - 0.47 Faradios de Pico a 200 voltios
El Cable coaxial: 13 - 50 ohmios
La Antena de Dipolar: el alambre aluminio las vueltas triangulares aproximadamente 12 pulgadas por 18 pulgadas.

De la descripción anterior, uno experimentado en el arte las características esenciales de esta inve nción pueden determinar fácilmente, y sin partir del espíritu y alcance de él, puede hacer los varios cambios y modificaciones de la invención para adaptarlo a los varios usos y condiciones.



El Sistema Antena de “Alexkor”
El 'Alexkor' quién proporcionó un poco del recorrido de cobro mostrado en el capítulo 6, también usa un sistema aéreo para cobrar baterías en el 1.5V a 6V variedad. Esto es un sistema simple que usa una antena del tipo usado por Thomas Henry Moray, es decir el bulto de la antena es horizontal:


La sugerencia es que la antena es suspendida entre el alero de una casa y un árbol cercano, pero no conozco a nadie que sería capaz de hacer esto. Más largo la antena o el mayor el número de antenas se unió, mayor el poder de cobro disponible. El alambre aéreo debería ser no menos de 0.5 mm en el diámetro y tiene que ser aislado de esto es apoyos – la cuerda plástica puede ser usada para esto.

El recorrido usado es:



Una versión más poderosa del recorrido es:




Aquí, hay tres juegos de diodos colocados entre la antena y la tierra. Déjeme acentuar otra vez que la unión de la tierra es un alambre de cobre grueso relacionado con una vara larga o tubo conducido en la tierra o un plato metálico grande sepultado en la tierra mojada.

Cuando el recorrido funciona, los tres juegos de diodos con sus condensadores de aislamiento, aumentar un voltaje creciente en “C1” condensador. El voltaje en el punto “B” también aumentará y será aproximadamente doce voltios menos que el voltaje en “C1” condensador. Finalmente, aquel voltaje se elevará bastante alto para causar una descarga por el alumbrado de neón diminuto y que el pulso corriente fluye por la unión de Puerta “G” del thyristor, encendiéndolo. Una vez encendido, el thyristor se queda hasta que “C1” condensador haya sido descargado, después que, el thyristor apaga y las ventajas de proceso de nuevo. La cantidad de poder en estos pulsos es considerable y el thyristor se hace completamente caliente cuando el recorrido corre. El BT151-800R thyristor puede manejar tanto como 800 voltios y pasar 7.5 amperios de corriente continuamente.

Un punto importante para notar es que el poder disponible de este recorrido aumenta con antenas adicionales. Con dos antenas relacionadas, el poder es doblado y con tres antenas el poder es triplicado. Es decir cada antena adicional proporciona tanto poder como la primera antena hizo y allí no parece ser cualquier límite al número de antenas que pueden estar relacionadas.



El "TREC"
Hay un sistema aéreo poderoso que ha sido desarrollado por Lawrence Rayburn de Canadá. Al principio, Lawrence tuvo la intención a equipos de mercado de hacerlo fácil para la gente para reproducir su diseño aéreo que lo proveía de diez kilovatios del poder. Sin embargo, Lawrence aplazó aquella idea cuando él decidió que el riesgo a usuarios era demasiado alto sólo. Él también estuvo preocupado que la combinación aérea/de la tierra podría atraer huelgas de relámpago, causando el gran daño local. De este modo, es MUY importante que usted entienda que este es un sistema aéreo peligroso y POTENCIALMENTE LETAL que es completamente capaz de la matanza de usted si usted es descuidado. Si usted no es experimentado ya en el funcionamiento con la alta tensión dispositivos corrientes altos, entonces este no es algo para usted para experimentar con, y alguien que pierde el tiempo realmente con este diseño hace tan totalmente en su propio riesgo como este material es presentado “para objetivos de información sólo” y no hay ninguna recomendación en absoluto que usted realmente debería construir uno de estos sistemas aéreos.

La técnica usada es completamente diferente de los otros sistemas aéreos mencionados antes en este capítulo. Aquí, el objetivo es crear una cavidad templada, resonante que alcanza hasta la ionosfera donde hay una cantidad masiva de la energía de exceso suministrada por el sol.

El mecanismo que sintoniza consiste en dos espirales de la herida de tubo de cobre 3/4-inch (de 20 mm) de modo que ellos cubran un área de diámetro (de 1220 mm) de cuatro pies. Estas espirales son cubiertas encima y abajo con una hoja de plástico Lexan. El diámetro del tubo de cobre es importante y el diámetro más pequeño no debería ser usado aunque fuera mucho más fácil doblarse en la forma. Realmente, la flexión del tubo de cobre de diámetro grande con poca probabilidad será una tarea fácil. Probablemente, una máquina que dobla tubo sería usada y una espiral cónica producida y luego el cono aplanado para formar la espiral llana. La espiral tiene hasta espacios entre las vueltas, en todos los puntos a lo largo esto es la longitud.



Las dos espirales son montadas, un verticalmente encima de otro con treinta pies (9145 mm) entre ellos y la espiral inferior que es un pie 305 mm encima de la tierra. Este significa que este sistema aéreo sólo es satisfecho a la gente que puede erigir una estructura de esta altura sin incomodar a vecinos o violar el reglamento o reglamentación de planificación local.

La cavidad tuneable es creada uniendo los finales íntimos de las dos espirales juntos usando 4 alambre de AWG que tiene un corazón de cobre de diámetro de 5.19 mm. El final externo de la espiral inferior está relacionado entonces con dos pies sepultados del plato de una tierra grande (600 mm) debajo de la superficie de la tierra, con cuatro hilos separados del 4 alambre de AWG.

Un hueco de chispa ajustable es usado. Puede ser colocado en el alambre vertical entre las dos espirales, o en medio de un 4 alambre de AWG suplementario dirigido verticalmente entre los finales externos de las dos espirales. El despegue de poder es a partir del medio del alambre vertical central.

La cavidad es templada deslizando bobinas dentro del uno al otro. Este arreglo no sólo templa la cavidad pero esto también renuncia el voltaje aéreo muy alto y levanta la corriente disponible al mismo tiempo. Este es donde el peligro entra. Las partes intermedias de esta disminución gradual que templa el arreglo pueden tener voltajes de 600 voltios en la corriente alta, y aquellos voltajes pueden matarle fácilmente, que es por qué este no es un sistema para principiantes y por qué Lawrence no siguió adelante con la venta de equipos para este sistema aéreo.

La salida aérea es pasada en un transformador de disminución gradual final y 50 Hz (ciclos por segundo) o la señal de 60 Hz de un generador de señal es usada para modular el poder entrante y permitir que ello sea usado con el equipo de conducto principal normal que puede necesitar aquella frecuencia de la CA. Los calentadores resistivos y las luces no necesitan la corriente alterna o se preocupan por la frecuencia de cualquier CA por la cual les proporcionan.

La afinación del sistema es muy aguda e independientemente de lo que está siendo usado cuando la carga afecta la afinación. El alambre usado para la serie de afinación es aislado, alambre de cobre sólido principal solo. 4 AWG tienen un diámetro principal de 5.19 mm, 8 AWG tiene un diámetro principal de 3.26 mm, 10 AWG tiene un diámetro principal de 2.59 mm y 16 AWG tiene un diámetro principal de 1.29 mm. La página 1 del Apéndice muestra otras características para estos alambres. Estos alambres pesados son una parte esencial de este diseño.

Usted notará que dos uniones de la tierra separadas son necesarias para este sistema aéreo. La segunda unión de la tierra debería estar una vara de cobre larga conducida profundamente en la tierra y alguna distancia lejos de la tierra de plato sepultada. Para la separación de dos uniones de la tierra, se piensa generalmente que diez metros (35 pies) son una distancia razonable entre ellos. La tierra principal es un plato 4 pies x 4 pies sepultado exactamente bajo la espiral inferior y las carreras de unión al centro de aquel plato.

Se sugiere que el hueco de chispa es construido usando el carbón vestido por cobre varas de soldar, montadas en un alojamiento de nilón que permite que el hueco sea ajustado con un tornillo de NILÓN. Recuerde que este no es una unión que usted puede desconectar del suministro de energía haciendo uniones o ajustes. También, en una ocasión cuando una bombilla de 500 vatios estuvo relacionada a través del hueco de chispa, esto se consumió al instante con un destello brillante de la luz. Este sistema no es un juguete tan guantes de goma gruesos y los artículos de calzado de goma deberían ser usados.

Los alambres cobrede de 4 AWG pueden estar relacionados con las varas de cobre que forman los electrodos de chispa, usando abrazaderas de tubo de cobre. Una vara de nilón afilada podría ser usada para ajustar el tornillo de hueco de chispa guardando bien lejos del cobre. El hueco de chispa debería comenzar en un hueco (de 25 mm) de un pulgada y ajustado a no menos de un hueco de medio pulgada. El hueco de chispa y ello se adaptan la marcha debería ser encerrada en un contenedor abrigador y se ha sugerido que podría ser y aprovechar para llenar aquel contenedor del gas de helio.

Por favor recuerde que los bobinas, como aquellos en la sección que sintoniza de este sistema, tienen la capacitancia así como la inductancia. ¡El aislamiento de bobina es un dieléctrico y usted estando de pie en la tierra forma una unión de la tierra buena, tan por favor no imagine que usted no puede conseguir un choque serio de manejar un bobina aislado que lleva la alta tensión corriente alterna de alta frecuencia corriente, y en una realización después de la modulación en el mezclador en 60 hercios el transformador de presalida fue medido en 3496 voltios!

Si usted no es experimentado en el funcionamiento con la circuitería de alta tensión, y en ninguna parte decide tratar de construir y usar este recorrido, entonces luego poner sus asuntos a fin de y pagan por adelantado sus gastos de entierro antes de que usted comience a construir. (Que la declaración no es querida para ser graciosa).

Se dice que si la espiral superior es colocada en una altura de sólo cuatro pies (1200 mm) entonces la salida es mucho inferior y satisfecha al cobro de un banco de batería. Por lo que soy consciente, este sistema no ha sido reproducido y así no hubo ninguna reacción práctica en edificio o utilización de ello.

El “TREC” parece ser no a diferencia de la Aplicación Evidente US 2008/0191580 de Harold Deyo:


Dispositivo de Cambio de Energía Armónico

Aplicación Evidente US 2008/0191580             Inventor: Harold Stanley Deyo             14th de Agosto 2008

EXTRACTO

Esta invención convierte impulsos de inercia en corrientes eléctricas. Expresamente, esto convierte impulsos creados por los impactos de partículas de gran energía del Sol y otras fuentes cósmicas en Magnetosfera de la Tierra y la variación D, E, F1 y capas F2 de su Ionosfera a corrientes eléctricas controladas. Esta invención presenta un nuevo método de utilizar la energía del Sol y otras fuentes de artículos de energía altos como un prácticamente, inagotable, fuente de energía alternativa para el mundo.


FONDO DE LA INVENCIÓN
Esta invención está relacionada con la conversión de energías de impacto creadas por la colisión de partículas cósmicas rápidas y radiations electromagnético con las Capas Externas de "la Tierra” para producir ondas de inercia en la Troposfera dieléctrica que son convertidas posteriormente en la electricidad por esta invención.

El término “las Capas Externas de la Tierra” se refiere a : la Magnetosfera de la Tierra, Cinturones de Van Allen, Ionosfera, Mesosfera, y Estratosfera como ilustrado en Fig.2:



DESCRIPCIÓN DEL ARTE PREVIA
Un día leyendo una vieja revista científica vi un pequeño artículo en la investigación de doctor John Trump de MIT (la base para un generador electrostático patentado más tarde por Onezime P. Breaux en Estados Unidos. Acariciar. El No 4,127,804). El artículo habló de una serie de experimentos que doctor Trump había realizado con un 2 plato, condensador en un dieléctrico de vacío. Brevemente, él descubrió que variando la distancia entre los dos platos uno podría producir flujos corrientes en una dirección u otro entre cualquiera de los platos y tierra.

Las Capas Externas de "la Tierra de huelgas de Viento Solar” constantemente como hacen muchas otras partículas cósmicas. En cualquier instante dado del tiempo, el producto de vector de estos impactos produce aumento de presión neto o la disminución en la Troposfera. Este crea ondas arbitrarias de la presión en las Capas Externas “de la Tierra” como movimientos "de plato" cargados con relación a la superficie de la Tierra opuestamente cargada como el otro "plato". Esta variación de la presión en las Capas Externas “de la Tierra” es el equivalente con el movimiento "de un plato" externo de acá para allá hacia la Troposfera y la superficie de la Tierra como "el plato" interior - así dar ocasión a variaciones en el voltaje en ambos "platos". En este caso la Troposfera (ver el Fig.2) los actos como el medio dieléctrico en vez del vacío en los experimentos de Triunfo. Además, la Troposfera, sí mismo, también es comprimida y descomprimida por estas ondas arbitrarias de la presión en las Capas Externas “de la Tierra”. Así, razoné que si uno pudiera crear un sobre cargado o el campo del voltaje suficiente dentro de la Troposfera, uno podría convertir estas ondas de presión arbitrarias en la Troposfera dieléctrica en el flujo corriente en la superficie de la Tierra.

Como “las Capas Externas de la Tierra” rodean el planeta, cualquier onda de impacto se propaga en todas partes de todos ellos cuando ellos están presentes - hasta al lado nocturno del planeta. Así, también razoné que uno podría extraer el poder de estos impactos en todas partes en la superficie de la Tierra o en esto es la atmósfera si ello ser el día o la noche. Las ondas de presión en el lado oscuro de la Tierra serían menos enérgicas que aquellos ocurriendo en el lado de día, porque las capas nocturnas de la Ionosfera son comprimidas tanto que la D-capa de la Ionosfera desaparece por la noche y el F1 y las F2-capas de la Ionosfera se combinan en una F-capa. Calculé que la energía disponible de estas ondas de impacto sería considerablemente menos en el 30-45 % según la posición de alguien en el lado de la noche del planeta con respecto al terminator.

Hace muchos años, alrededor de 1900, doctor Nikola Tesla construyó y probó un dispositivo para extraer la energía del Sol usando un aparato que forma la parte de mi propia invención (ver Estados Unidos. Acariciar. Número 685,957 unos 685,958 datados el 5 de noviembre de 1901).

Posteriormente, doctor Thomas Henry Moray, otro inventor y estudiante de estas patentes de Tesla hicieron un dispositivo que por lo visto tuvo acceso a la misma fuente de la energía, pero con un método diferente que mi propio. Cuando nunca concedieron a doctor Moray una patente para su dispositivo no puedo estar seguro que su trabajo es considerado el arte previa pero lo pongo en una lista aquí como la parte de mi diligencia debida. Por lo visto, él tenía la explicación de problema al revisor evidente, la fuente de energía que su dispositivo convertía, y así, no fue concedida una patente para su trabajo impresionante. La revelación pública de doctor Moray de ciertos aspectos de su invención es el conocimiento público por sus conferencias publicadas y su libro, “el Mar de Energía en la Cual los Flotadores de la Tierra - publicaron en 1931.

Desde el principio del 20o siglo, la humanidad ha estado buscando nuevas fuentes de la energía eléctrica para alimentar las demandas de energía crecientes de la población humana. En la última mitad del 19o siglo, el carbón, el petróleo de ballena, el trabajo humano y de animal, moviendo el echar agua, el viento y la madera era las fuentes principales de la energía. Sin embargo, en el primer cuarto del 20o siglo, la humanidad comenzó a usar más electricidad producida por generadores hidroeléctricos y generadores que producen la electricidad por la combustión de combustibles de hidrocarbono. Con el uso creciente de motores de gasolina y el uso creciente de aparatos eléctricos la demanda de la electricidad aceleró la adición de calor e invernadero gasses en el ecosistema de la Tierra.

En la última mitad del 20o siglo, muchos individuos avanzado que piensan comenzaron a buscar fuentes de energía alternativas para reducir las emisiones del invernadero gasses. Todos los sistemas de energía alternativos investigados y/o desarrollados en los 56 años pasados han tenido inconvenientes significativos a su uso como el suministro de energía principal para las necesidades de la humanidad.

Algunos de aquellos sistemas de energía alternativos no estaban en ninguna parte cerca tan eficientes como los sistemas existentes. Algunos sistemas de energía alternativos todavía introducían extra el calor en el ambiente como el combustible fósil existente y sistemas de energía nucleares. Y los otros produjeron hasta más invernadero gasses que los sistemas de energía existentes. Algunos nuevos sistemas usaron recursos de alimento de producir combustibles combustibles que, por consiguiente, redujeron los recursos de alimento del planeta. Entre los líderes en la nueva energía las fuentes eran, y son, energía nuclear que produce extra calor, basura tóxica y materiales que pueden ser usados en armamentos nucleares. Las fuentes de energía hidroeléctricas no añaden el calor al ecosistema pero ellos no son un recurso inagotable cuando ellos dependen de la precipitación que disminuye como aumentos de recalentamiento globales. Los recursos de energía de viento no añaden el calor al ecosistema pero ellos no son la constante y requieren la conversión cara y el equipo de almacenaje.

La fuente de energía ideal para la humanidad no añadirá el calor al ecosistema del planeta, no producirá el subproducto casa verde gasses; no mermará nuestro alimento y recursos de echar agua; no producirá la basura tóxica; sin embargo, será portátil, autorellenando y constantemente disponible en tiempo real en todas partes en la Tierra y en cantidades útiles.

Nuestra fuente principal de la energía natural en la Tierra es el Sol. La energía del Sol entra en ecosphere de la Tierra por el bombardeo de partícula, irradió energía electromagnética, variaciones gravitacionales y procesos magnéticos. La humanidad ha desarrollado varios métodos de capturar la energía del Sol ya. Las células solares a base de Silicio convierten la luz en una amplitud de banda estrecha en flujos de electrones. Estas células son, como máximo, sólo el 50 % eficiente y sólo trabajan cuando el Sol brilla en ellos en un ángulo óptimo. Las turbinas de viento sólo trabajan cuando hay viento para impulsarlos y no es, en su mayor parte, portátil. Los dispositivos para convertir acción de onda en los océanos sólo trabajan cuando hay ondas creadas por el viento y efectos de la marea causados por variaciones gravitacionales; y ellos no son bastante portátiles para ser usado en dispositivos de transporte comunes.

Concluí por lo tanto, que si la humanidad pudiera encontrar un método barato de obtener la electricidad del Sol en alguna forma que trabajó tanto día como la noche y que fluía ya en el ecosistema de la Tierra, podríamos ser capaces de desarrollar una fuente de energía limpia y que autorellena que no añadiría ningún calor suplementario a nuestro ecosistema, no cambiaría nuestro albedo planetario y podría ser bien hecha en una forma portátil.


RESUMEN DE LA INVENCIÓN
El Dispositivo de Cambio de Energía Armónico (o “HEED") ofrece una solución interina con los recursos de combustible fósil de la Tierra. Esto utiliza un recurso de energía antes sin explotar que existe en todas partes del Universo conocido. En la misma naturaleza de la invención, esto sólo interrumpe el flujo de energía del Sol y todas las otras fuentes cósmicas de partículas de gran energía en su viaje normal a la Tierra por vía de las Capas Externas.

La invención no añade la energía al equilibrio termodinámico normal del planeta y sus capas externas asociadas. La invención no produce la basura - tóxico o por otra parte. Esto no produce gasses dañoso; y en algunas encarnaciones esto podría asistir hasta en la reconstrucción de nuestro escudo de ozono de aclaración. El uso de esta invención quitará finalmente la dependencia de la humanidad en combustibles fósiles y creará nuevas ocupaciones. Será bastante barato que los propietarios serán capaces de instalar su propio "HEED" y venden la energía trasera a la rejilla hasta cuando cada casa haga que su propio "HEED" y la civilización tiene completamente weaned sí mismo del uso de combustibles fósiles y energía nuclear en su forma corriente.


BREVE DESCRIPCIÓN DE DIBUJOS



Fig.1: Es la encarnación preferida del diagrama de recorrido de mi invención que incorpora referencias a estímulos externos que son usados para activar el recorrido. Esto representa el recorrido templado de una paralela para almacenar la energía.




Fig.2: Es una ilustración de la Tierra y ello ambiente inmediato como un condensador global donde las Capas Externas forman un plato y la superficie de la Tierra forman el otro plato y ambos son separados por la Troposfera como un medio dieléctrico.




Fig.3: Es una encarnación alternativa del diagrama de recorrido de mi invención que incorpora referencias a estímulos externos que son usados para activar el recorrido. Esto representa el uso del recorrido templado de una serie para almacenar la energía.



DESCRIPCIÓN DETALLADA DE UNA ENCARNACIÓN PREFERIDA DE LA INVENCIÓN
Esté ello conocido que, Harold Stanley Deyo, Jr, un ciudadano tanto de los Estados Unidos de América como de la Comunidad Británica de Naciones de Australia, residiendo en la comunidad de Oeste Pueblo en el Condado Pueblo, Colorado he inventado un Dispositivo de Cambio de Energía Armónico que convierte presiones dinámicas en los medios ambientales alrededor de la Tierra en corrientes eléctricas controladas.



Esta invención como representado en Fig.1 es única en esto es diseñado para extraer la electricidad de ondas de presión arbitrarias propagadas en la Troposfera 14 por impactos del viento solar y otras partículas cósmicas con la Tierra “las Capas Externas” 22 del Fig.2.

En Fig.1, la Troposfera 14 en su estado de resto es representada por la línea + de marca 14. El estado convergente o estado de compresión 12 de las ondas arbitrarias en la Troposfera 14 son representadas por la línea inferior de puntos mientras 13 estatales divergentes o de descompresión de las ondas arbitrarias en la Troposfera 14 es representado por la línea superior de puntos. La encarnación preferida de la mi invención en Fig.1 es un método de conectar una paralela, recorrido resonante, eléctrico a estas ondas de presión arbitrarias para extraer la electricidad de ellos.

Como mostrado por la investigación de doctor John Trump y la Patente US 4,127,804 de Onezime P. Breaux, cuando un plato de un condensador cargado es acercado a o más lejos del otro plato de aquel condensador un cambio de voltaje aparece en ambos platos de aquel condensador. Además, el declive de campaña eléctrico entre aquellos cambios de platos como los platos es movido en esta manera. Así ellos han descrito un método de convertir la energía mecánica en la corriente eléctrica por simplemente variando el espaciado de plato con el tiempo que puede ser expresado como ds/dt donde “ds” es el cambio del espaciado y "dt" es el cambio a tiempo.

Como ilustrado en Fig.2, las Capas Externas pueden ser vistas como un plato de un condensador comprendido de la superficie de la Tierra sí mismo como un plato 21 y las capas externas de la Tierra como el otro plato 22 donde la Troposfera de la Tierra 23 sirve como el medio dieléctrico que separa los dos platos. Hay un precio entre estos platos que varía sumamente rápidamente, pero no con un período constante. En cualquier instante dado, el producto de vector de todos los impactos por las partículas cósmicas con las Capas Externas 22 creará una onda de presión en las Capas Externas 22 que se manifestará en la Troposfera 23. Independientemente de aquel producto de vector es, esto cambiará el declive de campaña en la Troposfera dieléctrica 23. Aquella modificación aumentará u o disminuirá el espaciado eficaz entre "platos" 22 y 23.

A fin de capturar y convertir las variaciones de voltaje que resultan producidas en o cerca de la superficie de la Tierra 21 del Fig.2, esta invención crea sus 3 de campo de tensión propios, localizados del Fig.1 establecido en la Troposfera 23 del Fig.2 con una superficie cargada, propicia 1 del Fig.1 que es encerrado en el aislamiento de alta tensión 2 del Fig.1 y ampliando en la Troposfera 23 del Fig.2.

En Fig.1, una serie de alta tensión, el comienzo palpita es aplicado a través de puntos 4 y 6 en lados opuestos de un condensador 5 para crear la tensión localizada paran y devuelven la pelota 3. Como esta alta tensión que comienza pulsos son aplicados, el recorrido resonante paralelo formado por el inductor enrollan 7 y condensador variable 11 ambos se refirieron para dar buenos conocimientos 8 es estimulado en la resonancia dentro de la amplitud de banda determinada por los valores de estos componentes de recorrido. La afinación de este recorrido es efectuada por el condensador variable 11. El precio de alta tensión en la superficie propicia 1 del Fig.1 es mantenido por la paralela sintonizó recorrido formado por el inductor enrollan 7 y condensador variable 11.

Entonces como el arbitrario, las ondas de presión propagan en todas partes de la Troposfera 23 del Fig.2, la tensión localizada para y devuelve la pelota 3 del Fig.1 es oscilado por el frente de onda de compresión 12 y la onda de descompresión dan 13 (ambos en Fig.1) que crea cambios de voltaje en el condensador 5.

En Fig.1, los cambios de voltajes que resultan en el condensador 5 añadirán que la energía al recorrido resonante paralelo formado por el inductor enrolla 7 y condensador variable 11 que actúa como un recorrido de tanque para almacenar la energía que le ha sido pasada. Cuando la energía incorpora el recorrido paralelo el voltaje de las subidas de recorrido hasta que una descarga de chispa ocurra a través del hueco 9 también se refirió para dar buenos conocimientos 8. La corriente sólo descargará en una dirección como determinado por el diodo 10. El recorrido trabajará sin el diodo 10 pero un diodo es usado aquí como un método de impedir drenar toda la energía del recorrido de tanque cuando una descarga ocurre.

Este recorrido resonante puede ser templado a varias amplitudes de banda para maximizar la eficacia del proceso de conversión según la posición del dispositivo, el tiempo de día, variaciones de temperaturas, humedad relativa y otras variables en la Troposfera ambiental 23 del Fig.2 alrededor de la superficie propicia 1 del Fig.1. Una carga resistiva para extraer poder del recorrido resonante puede ser usada en vez del hueco de chispa 9 del Fig.1.

Esta encarnación preferida usa una paralela, recorrido templado para tener acceso a una amplia variedad de frecuencias por lo general para ser encontrado en la variedad de 4.5 a 7 MHz. Esta variedad cerca al comandante, frecuencias naturalmente que ocurren, resonantes encontradas en la ionosfera.


Una segunda encarnación de esta invención como mostrado en el Fig.3 sustituye el recorrido templado de la paralela formado por bobina 7 y el condensador variable 11 en el Higo 1 colocó en la paralela el uno al otro y se refirió para dar buenos conocimientos 8. Esta segunda encarnación se forma un recorrido templado por serie formado por bobina 7 y el condensador variable 11 en Fig.3 colocó en serie el uno al otro y se refirió para dar buenos conocimientos 8. Esto se diferencia de la encarnación preferida sólo en la colocación del condensador variable 11 de modo que sea en serie con bobina 7.

Esta encarnación limita la variedad de frecuencia y, de ahí, la energía que el sistema almacenará cuando comparado a la encarnación preferida. Esto produce voltajes más altos a través del hueco de chispa 9 que aquellos producidos en la encarnación preferida a través del hueco de chispa 9 de Fig.1.

*****


Lo que es dicho en esta aplicación evidente añade algunos factores interesantes al diseño de TREC de Lawrence Rayburn que precede la patente de Deyo antes de algunos años. Su comentario sobre la sustitución del hueco de chispa con una carga resistiva sugiere algunos arreglos alternativos que podrían ser probados con el sistema TREC.



También, algo a lo largo de las mismas líneas y traducido de un original de lengua española:

Muchas personas piensan que no es posible consiguen el poder del campo magnético de la Tierra porque aquella intensidad de campaña es demasiado baja y entonces los niveles de energía no son bastante altos para ninguna forma de la aplicación útil. no es así. He construido muchos bobinas y consigo muchos kilovatios para objetivos útiles del campo magnético de la Tierra y aquí presento el concepto básico y algunas fórmulas fundamentales a todo esto.

La influencia del campo magnético de la Tierra no debería ser ignorada. En tiempos de la actividad de sol fuerte, el campo magnético de la Tierra oscila y en cualquier línea de transmisión de poder larga hay oleadas de voltaje y sobrevoltajes que pueden causar problemas técnicos, averías y paro de las fuentes eléctricas. La ley Faraday para aquella inducción es dada para el siguiente:

V = 2 x pi x f x B x A

Donde:
B es el campo magnético de la Tierra,
f es la frecuencia de las fluctuaciones, y
A es el área superficial a través la cual el campo magnético fluye.

Para objetivos de cálculo podemos acercarnos el campo magnético de la Tierra que como es 1 Gauss (or 10-4 Teslas)

Si consideramos una línea de transmisión ordinaria, larga de aproximadamente 10 kilómetros en la longitud con las líneas de energía 1 metro espaciado aparte, entonces tenemos:

V = 6.28 x 10-4 x 104 x f que iguala 6.28 x f

Si las fluctuaciones son f = 10 Hz, que produce un sobrevoltaje de 63 V. Si las fluctuaciones son 100 Hz entonces el sobrevoltaje es 630 V, etc.....

Tan si el campo magnético de la Tierra es inferior en la intensidad, el efecto es considerable en una gran superficie y variedad de volumen.

Para energía y consideraciones de poder, podemos ver que el campo magnético de la Tierra es inferior que imanes permanentes comunes, pero el volumen de espacio que esto cubre es muy grande. La energía en un campo magnético no es sólo la intensidad de campaña sola, pero esto depende también del volumen a través el cual aquel campo actúa.

La energía almacenada en un campo magnético B a través de un volumen espacial V es:

U = 1 / (2muo) x B2 x V .............. (1)

Donde muo es le permittivity magnético del vacío.

Los imanes permanentes canalizan la energía. Si podemos usarlos para conseguir el poder ilimitado como MEG de Bearden, entonces el campo magnético de la Tierra a través de un bobina de corazón de aire puede conseguir el mismo resultado.

Ahora podemos hacer una comparación entre un imán permanente y un bobina orientado al campo magnético de la Tierra para conseguir los mismos niveles de energía.

Vaya a considerar un imán permanente poderoso, como usado en MEG, de 5,000 gauss y dimensiones de 50 mm x 20 mm x 10 mm. Según la ecuación (1) encima, la energía almacenada en el imán permanente será:

U = 1 / (8 x pi x 10-7) x (0.5)2 x (5 x 10-2) x (2 x 10-2) x (10-2), por lo tanto

U = 0.995 Joules - o sea, aproximadamente 1 Joule de energía.

Los dispositivos como MEG con imanes permanentes no consiguen demasiados kilovatios, la razón es porque aquella energía magnética es la constante. Si cerramos aquel campo magnético en un recorrido principal o magnético y pulsamos aquel campo conseguimos 1 julio de la energía en cualquier precio de tiempo deseado porque el imán permanente almacena aquella energía ilimitada y tan si queremos una salida de poder de 1 KW como el poder P contamos:

P = dU/dt

Para P = 1 KW, tenemos que pulsar 1 julio de la energía para sólo 1 milisegundo.

Del mismo modo, si podemos conseguir el poder de los mismos niveles del campo magnético de la Tierra, debemos calcular el volumen del bobina de corazón de aire. Usando la misma ecuación, vemos esto

(0.5)2 x (5 x 10-2) x (2 x 10-2) x (10-2) = (10-4)2 x V

V es el volumen del bobina para el que necesitamos consiguen los mismos niveles de energía magnéticos, y en este caso, V = 250 m3

O sea, un bobina de diámetro de 6.3 ms y longitud de 6.3 ms, colocó la paralela al campo magnético de la Tierra, puede almacenar la misma energía que aquel poco 5,000 imán permanente gauss que consideramos para un dispositivo de MEG.

Pero no es necesario construyen un bobina enorme, podemos usar un bobina más pequeño. La energía magnética incluida será inferior, pero como P = dU/dt debemos levantar la frecuencia de los pulsos para obtener el mismo nivel de poder que viene de un bobina más grande. Por ejemplo, un bobina de corazón de aire de diámetro de 1 metro y longitud de 1 metro según la ecuación (1), almacena una energía de :

U = 1 / (8 x pi x 10-7) x ( 10-4)2 x pi x 1 / 4 x 1 = 0.003 Joules

Si pulsamos aquel nivel de energía en 330 kilohercios, entonces conseguiremos 1 kW, y en 660 kilohercios, 2 kWs, etc., así una frecuencia más alta cede más poder.

¿Entonces la pregunta se hace, cómo podemos pulsar el campo magnético constante dentro del bobina? La respuesta es simple: usando una fuente externa, podemos anular el campo magnético de la Tierra dentro del bobina. Debe haber poder y amplificación de energía con respecto a la fuente de entrada externa. Realizar que amplificación de poder, debemos hacer lo siguiente:

Deje a la variación de campo magnético dentro del bobina de aire ser dada por:

B(t) = Bo + Bf x Sin( w x t )

Donde
Bo es la constante del campo magnético de la Tierra,
Bf es el campo magnético en el bobina creado por la fuente de alimentación externa, y
w es la frecuencia angular de la fuente externa.

Sustitución B (t) de la ecuación (1) conseguimos la variación de energía con el tiempo, U (t), y luego podemos calcular el poder como P = dU/dt resultando en:

P(t) = Bf x w x V x (Bo + Bf x Sin(w x t) x Cos( w x t ) ) / muo ........ (2)

Recuerde que V es el volumen dentro del bobina.

Vemos aquí que el poder de salida depende de Bo, el campo magnético de la Tierra, como en caso de MEG de Bearden esto depende de la intensidad de campo magnético del imán permanente en el recorrido.

Entonces podemos calcular ahora un valor de C.O.P. con Bo y sin Bo, o Bo = 0

Calculando el poder RMS para ambos casos (no reproducido aquí porque esto corresponde a un caso del cálculo diferencial básico) y utilización de la proporción, el resultado para el C.O.P. es:

COP = ( 1 + ( 2 x Bo / Bf )2 )0.5

Vemos entonces la amplificación de poder, y por supuesto si Bo=0 y no un campo magnético permanente, C.O.P. máximo es 1, la entrada y los poderes de salida son iguales. En caso de MEG de Bearden, la condición es Bo = Bf para no degaussing el imán permanente y en este caso tenemos un C.O.P. = raíz cuadrada (de 5), que es un valor entre 2 y 3 que corresponde a los resultados prácticos para este cálculo clásico.

Pero para el campo magnético de la Tierra, podemos conseguir valores más altos porque nunca podemos causar un demagnetisation del campo magnético de la Tierra.

¿Cuántos encienden el bobina, pulsando la frecuencia, el diámetro de bobina, la longitud de bobina, etc., necesitamos?

El poder de entrada de anular el campo magnético de la Tierra dentro del bobina, o la condición Bf = Bo, calculamos la utilización del componente RMS de la ecuación (2) encima, poniendo Bo = 0, entonces tenemos:

P = 0.05 x f x A x L , (donde P está en vatios).

A es la sección del bobina en metros cuadrados
es la frecuencia en Hz
L es el bobina antigua longitud en metros

Para anular el campo magnético de la Tierra dentro del bobina, la condición basada en la ley del Amperio es:
N x i / L = 100
Donde N es el número de enciende el bobina y i es la corriente en amperios.

Finalmente, el voltaje inducido en el bobina será:

V = 2 x pi x f x N x Bo x A

De este modo, con los valores siguientes, tenemos por ejemplo:

N = 1000 vueltas,
f = 100 kHz,
Diámetro de bobina = 1 m,
Longitud de bobina L = 1 m,
i = 100 mA o 0.1 A,
Bo = El campo magnético de la Tierra

Este da V = aproximadamente 4,000 voltios.

El poder de entrada para este ejemplo es aproximadamente 4 kWs, el poder de salida para el factor C.O.P. será un máximo de 12 kWs. En la operación de cerrar-lazo proporcionamos la entrada 4 kWs de la salida generada y conseguimos un generador autoimpulsado que produce 8 kWs del poder de salida. Mis resultados prácticos emparejan estos cálculos.

¿Cómo es construido un dispositivo práctico?

Usando un tubo plástico grande, giramos el bobina de entrada primario para el uso con la fuente externa. Para extraer el poder de salida, usamos otro tubo colocado dentro del primer tubo, y de aproximadamente el mismo diámetro y longitud con un número adecuado de vueltas y ponemos instalación eléctrica el tamaño para renunciar el voltaje, a, por ejemplo, 110 V CA. Para el oscilador de alta tensión de la fuente de entrada uso un recorrido LC resonante tomado de un transformador de poder de ferrita.

Es muy interesante ver este trabajo de dispositivo, y durante días de tormentas geomagnéticas, los niveles de poder van los dispositivos demasiado altos y protectores deben ser usados a fin de prevenir el daño al sistema y las cargas relacionadas con ello.

Envíe cualquier pregunta al correo electrónico siguiente: enertec2200@yahoo.es (que puede no ningún longerl ser operacional cuando esta información es completamente vieja).



Generadores Electrostáticos
Los generadores electrostáticos no son de nada a diferencia de sistemas aéreos en esto una conversión a la corriente ordinaria es necesaria. El dispositivo suizo diseñado por Paul Baumann (Capítulo 13) que tiene kilovatios del poder de salida de electricidad convencional y que es autoimpulsado se manifiesta que los sistemas muy útiles pueden utilizar el precio electrostático. El diseño de Paul es construido alrededor de una máquina Wimshurst que autogira debido a las tiras humorísticas de colección de precio inclinadas que forman un motor electrostático así como el recogimiento del precio que es pasado al resto del recorrido.

Muchos de generadores electrostáticos han sido diseñados y usados. Ellos generalmente usan un pequeño, motor de poder bajo para cambiar repetidamente la capacitancia entre una serie de platos metálicos y tan, crear el flujo de corriente alterna. Algunos de estos diseños son realmente inteligentes en el camino del cual ellos funcionan. Por ejemplo, la patente siguiente de Charles Goldie tiene una fuente de voltaje de entrada que es generada por el dispositivo sí mismo y el voltaje usado puede ser ajustado por el usuario, mientras el dispositivo proporciona dos salidas de corriente continua separadas en serie, que pueden ser usadas como un voltaje más alto solo de ser deseado.

El Le Puede patentar mostrado abajo tiene técnicas útiles que levantan el poder de salida con más de cinco veces lo que habría sido sin el uso de aquellas técnicas. La impresión general de generadores electrostáticos es que ellos son incómodos y generalmente ineficaces. Puede ser el caso para algunos de ellos, pero esto no es ciertamente el caso para todos ellos. Por ejemplo, el diseño de generador electrostático de William Hyde, mostrado en el capítulo 11, tiene una interpretación COP=10 donde la salida eléctrica es diez veces mayores que el poder mecánico tenía que hacerlo funcionar, y me dicen que la salida de generador puede ser 10 kilovatios que es un más que la salida respetable.

Un diseño en particular inteligente viene de Onezime Breaux (EE.UU 4,127,804) donde un precio de alta tensión es generado brevemente, y luego que mismo precio es trasladado de acá para allá por la carga de salida, sin aquel precio alguna vez ' consumido’ (para ponerlo en los términos del laico). Cuando ningún sistema está el 100 % perfecto alguna vez, cada diez minutos más o menos, el precio de alta tensión es muy brevemente reforzado. Un sistema de aquel tipo tiene que ser capaz de ser un generador autosostenido. En un prototipo mínimo que no fue perfectamente construido por ningún medio, el poder tenía que girar el rotor era 0.8 vatios, mientras la salida eléctrica era 20 vatios. Este muestra claramente, que los generadores electrostáticos pueden ser seriamente útiles, sobre todo de ser incorporado los tamaños más grandes.

El Diseño de Generador Electrostático de Charles Goldie

Patente estadounidense 3,013,201                 12/12/61                 Inventor: Charles H. Goldie

CAPACITANCIA VARIABLE AUTOEXCITADA GENERADOR ELECTROSTÁTICO



Esta invención está relacionada con generadores electrostáticos en donde el mecanismo de transferencia de precio hace el uso de efectos capacitivos entre cuerpos cargados y electrodos sobre los cuales el precio debe ser inducido, y en particular, al auto - la excitación de tales generadores.

La invención puede ser mejor entendida de la descripción detallada siguiente, teniendo la referencia a los dibujos de acompañamiento en cual:


Fig.1 es un diagrama que ilustra una forma de una capacitancia variable generador electrostático;




Fig.2 es otro diagrama que adelante ilustra el arreglo de Fig.1;




Fig.3 es un diagrama que ilustra una modificación del aparato del Fig.1 y encarna la invención; y




Fig.4 es un diagrama que ilustra una porción del aparato del Fig.3.




Mirando los dibujos más detalladamente, Fig.1 muestra un rotor 1 y un estator 2. El rotor 1 tiene un precio positivo en ello. Un suministro de energía 3 mantiene el precio en el rotor 1.


En Fig.2 se puede ver que el estator 2 está relacionado para dar buenos conocimientos por un camino resistivo 4 que está relacionado en la paralela con al menos un rectificador 5 de modo que corriente sólo pueda fluir en una dirección entre el estator 2 y tierra.


En el dispositivo mostrado en Fig.3 e Fig.4, el rotor sirve como un eslabón capacitivo entre un electrodo de cobro inmóvil y un estator. Un rotor 11 periódicamente pases cerca de un estator 12. Sin embargo, en vez de llevar esto es el propio precio como en el dispositivo mostrado en Fig.1 e Fig.2, el precio de inducción necesario en el rotor 11 es inducido en el rotor 11 por el electrodo de cobro 13. De este modo, cuando un final del rotor 11 está cerca del elemento de estator 12, y el extremo opuesto del rotor 11 está cerca del electrodo de cobro 13, se induce un precio negativo en aquella porción del rotor 11 que está cerca del electrodo de cobro 13 con la consecuencia de que el precio positivo aparece en el extremo opuesto del rotor 11 ya que el rotor 11 debe ser eléctricamente neutro.

La invención será descrita ahora en cuanto al aparato mostrado en Fig.3 e Fig.4, pero estará claro de los comentarios encima, que la invención podría ser igualmente bien usada con un dispositivo del tipo mostrado en Fig.1 e Fig.2. La ventaja de principio del dispositivo mostrado en Fig.3 e Fig.4 es el hecho que esto elimina la necesidad de un cepillo en el rotor para suministrarlo del precio, cuando el precio en el rotor es inducido capacitivamente.

Refiriéndose atrás brevemente a Fig.1 e Fig.2, será recordado que la invención está preocupada por la construcción de un generador autoexcitado sin la energía externa además del poder de eje suministrado. O sea, el objetivo es un generador completamente autocobro. Respecto a Fig.1 e Fig.2, se verá que la reacción directa de la salida al plato de inducción es excluida por el interruptor de polaridad inherente en este tipo de la máquina. La dificultad es evitada por la unidad de dos secciones mostrada en Fig.3 e Fig.4. Aquí, una fracción del voltaje de salida de cada sección es alimentada al plato de inducción del otro.


La acción del recorrido es mejor entendida mirando primero la sección inferior sólo. El rotor 11 es un rotor parecido a un abanico eléctricamente aislado, llano montado en un eje de aislamiento 14 que es conducido por un motor conveniente 15. Cuando el rotor 11 gira, esto periódicamente cubre el estator 2 y el electrodo de cobro 13, ambos de los cuales son aislados y en forma de sector. El cobro del electrodo 13 es mantenido en un voltaje de corriente continua positivo con respecto a la tierra. Cuando el rotor 11 gira en una posición donde esto cubre tanto electrodo de cobro 13 como el estator 12, la capacitancia entre el electrodo de cobro 13 y estator 12 aumentos y precio negativo son inducidos de la tierra por el diodo 16 y en el estator 12. Cuando el rotor 11 gira lejos de estator 12 y cobro del electrodo 13, las disminuciones de enganche capacitivas y el voltaje en el estator 12 subidas, negativas con respecto a la tierra. Diodo 16 bloques cualquier flujo de precio negativo de estator 12 y como el potencial negativo de estator 12 subidas, flujos corrientes por un segundo diodo 17 a la carga 18. Una fracción “V2” de este voltaje de carga negativo es aplicado al electrodo de cobro o inducción platea 13’ de la sección segunda o superior por medio de la resistencia variable 19. La acción de cobro de esta segunda sección es idéntica a esto en la primera sección excepto polaridades invertidas, y la salida de la segunda sección es proporcionalmente alimentada atrás a 13 de plato de inducción de la primera sección vía una segunda resistencia variable 20. Resistencias variables 19 y 20, controle el voltaje de salida y el poder ajustando las proporciones de reacción.

El recorrido es regenerador y entonces es sólo necesario suministrar un pequeño voltaje de referencia para comenzar en la dirección derecha. El uso de estator y materiales de rotor con potenciales de contacto convenientes es una solución. Otra solución usa una pequeña batería 21 en una línea de inducción. Los dispositivos restrictivos de voltaje convenientes 22 serían añadidos a través de la inducción platean 13, o a través de la carga 18 para prevenir la concentración de voltaje excesiva.

Varios rasgos en este recorrido son del interés. Los anillos de resbalón habituales y los cepillos son eliminados por el uso de estator 12 y cobro del electrodo 13 y un rotor aislado 11 más bien que un estator solo 2 y un rotor 1 mantenido en el potencial de inducción constante como mostrado en el Fig.1 y el Fig.2.

A pesar de que la segunda sección fue añadida para la autoexcitación, ambos voltajes de salida son añadidos juntos a través de la carga 18, 18’. El arreglo mostrado en el Fig.3 es simplemente para la explicación del principio de autoexcitación. La tierra mostrada, por ejemplo, no es requerida y para voltajes más altos, las unidades pueden ser caídas en cascada con un árbol motor de aislamiento común 14. Para una salida de voltaje total dada, el número de juegos de rotor/estator es el mismo para este generador de autoprecio en cuanto a un generador que requiere provisiones de cobro auxiliares.

Dos postes son mostrados para la simplicidad. En una máquina actual un mayor número sería más práctico. El sistema se aplica igualmente bien a otros arreglos geométricos, como el diseño de tambor concéntrico o segmentado mencionado en aplicación Evidentes estadounidenses de 829,823.



El Generador Electrostático de Le May

Patente estadounidense 3,094,653               18/6/63               Inventor: D. B. Le May

GENERADOR ELECTROSTÁTICO


La invención presente está relacionada con una máquina de conversión de energía del tipo en el cual un condensador variable es cíclicamente conducido siendo cobrado y descargado en el sincronismo con las variaciones cíclicas en la capacitancia.

Hay varios tipos diferentes de máquinas electrostáticas que, por ejemplo, funcionan para generar la energía eléctrica de energía cinética o energía cinética de la energía eléctrica. Una amplia clasificación para estas máquinas está basada en o el aparato propicio o no propicio es usado para transportar el precio eléctrico dentro del sistema. La invención presente está relacionada con la clase de máquinas en las cuales el precio eléctrico es transportado por el aparato propicio. Más expresamente, la invención presente está relacionada con sistemas electrostáticos en los cuales se lleva mecánicamente que una forma del condensador variable proporcione una capacitancia cíclicamente que varía que es cobrada durante intervalos de la capacitancia alta y descargada a intervalos de la capacitancia baja, proporcionar la energía eléctrica.

En general, los generadores electrostáticos condensador variables antes propuestos (a veces llamaba generadores de inducción electrostáticos) han sido capaces de la eficiencia muy alta y podrían ser encarnados en el aparato relativamente ligero. Estas consideraciones resultan principalmente del hecho que los campos electrostáticos pueden ser sostenidos en aire, vacío, u otro medio muy ligero, mientras los campos electromagnéticos requieren el uso del material ferroso pesado. Adelante, los campos electrostáticos son causados por las superficies continuadas de los gastos, más bien que por corrientes en conductores, de modo que las exigencias de cobre relativamente pesadas de máquinas electromagnéticas puedan ser evitadas. Ha sido encontrado aquellas máquinas electrostáticas que funcionan en un vacío, no tienen la pérdida de hierro, la pérdida de cobre o la pérdida windage de máquinas electromagnéticas, así consiguiendo su eficacia muy alta.

Sin embargo, otras consideraciones han impedido a estas máquinas entrar en el uso extendido. Expresamente, las máquinas electrostáticas previas de esta clase eran normalmente de la talla grande con relación a su capacidad de poder. Además, el uso práctico de máquinas previas requería normalmente la operación de muy alta tensión. Ambos de estos inconvenientes resultan de la naturaleza del campo electrostático, esto es la exigencia de declives potenciales altos para fuerzas de campaña comparables para campos electromagnéticos, y las limitaciones en declives potenciales impuestos por la avería del medio dieléctrico. Por lo tanto, el aislamiento considerable y el equipo de seguridad han sido requeridos en sistemas electrostáticos previos, y la operación en voltajes moderados no ha sido práctica. Las formas todavía adicionales, ciertas de generadores de inducción electrostáticos han requerido sistemas de conmutación bastante complejos para cobrar y descargar los condensadores; estos sistemas no han sido commercialemente factibles.

En general, la invención presente comprende un sistema de inducción electrostático eficiente capaz de la operación económica que puede ser encarnada en una unidad que es pequeña en el tamaño con relación a la capacidad de poder. El sistema incluye dos juegos de miembros parecidos a una vara, un juego de los cuales es hecho girar con relación al otro, de modo que cierto de las varas relativamente movibles proporcionen una capacitancia variable. Las otras varas en la estructura son usadas entonces para formar el campo electrostático en una manera que produce una mayor diferencia entre la capacitancia mínima y máxima del aparato, causar capacidad de conversión de poder aumentada del tamaño de la unidad. La estructura de capacitancia variable está relacionada con un sistema eléctrico que cobra y descarga la capacitancia en una manera cíclicamente que varía. Los elementos reactivos son conectados entonces al sistema para causar cambios de fase de voltaje en el sistema con relación a la capacitancia variable, aumentar el precio aplicado a, y tomado de, la estructura de capacitancia durante el ciclo de operación, así adelante aumentando las capacidades de conversión de poder del sistema.

Otro objeto de la invención presente es proporcionar un sistema de inducción electrostático mejorado.

Otro objeto de la invención presente es proporcionar un generador de inducción electrostático o el motor que tiene una capacidad de conversión de poder más alta con relación a esto es el tamaño físico. Todavía otro objeto de la invención presente es proporcionar un sistema de conversión de energía electrostático que puede ser encarnado económicamente en un relativamente pequeño aparato de tamaño.

Un objeto adicional de la invención presente es proporcionar un motor de inducción electrostático o el generador en el cual la energía es más con eficacia convertida a otra forma mejorando la forma de los campos electrostáticos en el sistema.

Todavía un objeto adicional de la invención presente es proporcionar un generador de inducción electrostático o el motor en el cual la energía es con eficacia transformada a otra forma por la provisión de elementos reactivos para templar los elementos capacitivos que son inherentes en el sistema.

Un objeto adicional de la invención presente es proporcionar un sistema mejorado para convertir eficazmente la energía de una forma al otro, en donde un campo electrostático es usado para interconectar las formas diferentes de la energía.

Éstos, y otros objetos de la invención presente se harán aparentes de una consideración del siguiente, tomado junto con los dibujos, en donde:


Fig.1 es un diagrama esquemático que ilustra la operación básica de un sistema preliminar al cual la invención presente puede ser aplicada




Fig.2 es una perspectiva y la representación esquemática de una forma del condensador variable que puede ser incorporado a un aparato de la invención presente;




Fig.3 es una vista de perspectiva de otra forma del condensador variable que puede ser incorporado a un aparato de la invención presente;




Fig.4a, 4b y 4c son representaciones esquemáticas que ilustran un aspecto de la operación de un sistema que incorpora la invención presente;




Fig.5 es un diagrama de recorrido que incorpora una forma de la invención presente;




Fig.6 es un juego de gráficos que ilustran la operación del sistema mostrado en Fig.5;




Fig.7 es un diagrama de recorrido de otro sistema que incorpora la invención presente;




Fig.8 es una serie de curvas que ilustran la eficacia de sistemas construidos de acuerdo con la invención presente;




Fig.9 es una vista seccional vertical y la representación esquemática de un aparato construido de acuerdo con la invención presente;

Fig.10 es una vista seccional vertical a lo largo de la línea 10 --- 10 de Fig.9;

Fig.11 es una vista seccional vertical a lo largo de la línea 11 --- 11 de Fig.9;

Fig.12 es una vista seccional horizontal a lo largo de la línea 12 --- 12 de Fig.9.




Mandando al principio a Fig.1, allí es mostrado una forma preliminar de un generador de inducción electrostático. Un condensador variable 20 está relacionado en un lazo consecutivo con una batería (u otra fuente del voltaje) 22 y un diodo 24. Un recorrido de serie incluso un diodo 26 y una resistencia 28 está relacionado entonces a través del diodo 24. Los diodos 24 y 26 están relacionados en un camino que permite el flujo corriente en sentidos contrarios por la batería 22. El condensador variable 20 es llevado por un motor a proporcionar una capacitancia cíclicamente variable, con la consecuencia de que la energía mecánica solía conducir el condensador 20 es convertido a la energía eléctrica suministrada a la resistencia de carga 28.

Considerando la operación del sistema de Fig.1 detalladamente, se lleva que el condensador 20 varíe entre niveles máximos y mínimos de la capacitancia. En un nivel máximo de la capacitancia, el condensador 20 es cargado a "Q" de nivel de precio por la batería 22 por el diodo 24. El voltaje a través del condensador 20 entonces iguala Q/C donde C es la capacitancia del condensador 20. Por supuesto, este voltaje coincide considerablemente con el voltaje de batería 22 menos la caída de voltaje a través del diodo 24.

Como la capacitancia C del condensador 20 disminuciones hacia esto es el valor mínimo, el precio Q permanece la constante; por lo tanto el voltaje a través del condensador aumenta para acomodar la disminución en la capacitancia como V = Q / C. El voltaje aumentado a través del condensador 20 productos una corriente por la batería 22, cargue la resistencia 28 y el diodo 26. Esta corriente tiende a recargar la batería 22 así como la energía que provee a la resistencia de carga 28.

En esta manera, la energía mecánica usada para conducir condensador 20 cíclicamente, es la manifestación en la forma de la energía eléctrica pasada a la resistencia de carga 28. Por lo tanto, en general, esta operación básica del generador electrostático es similar a un generador electromagnético, salvo que el campo que conecta la energía de entrada mecánica a la energía de salida eléctrica es electrostático más bien que electromagnético.

Una amplia variedad de estructuras puede ser usada como el condensador variable en un generador electrostático. Sin embargo, en la estructura seleccionada, es normalmente deseable reducir la proporción de los declives de voltaje de campaña máximos a los declives medios usando elementos condensador doblados, p.ej tubos o barras, más bien que platos condensador con esquinas agudas. Dos estructuras condensador variables usando estas barras propicias son mostradas en Fig.2 y Fig.3 y serán consideradas ahora detalladamente.


La estructura mostrada en Fig.2 es una variable de barra radial configuración condensador donde las filas de barras radialmente que se-extienden son montadas para ser relativamente movibles y tan proporcionar una capacitancia variable entre las filas. Expresamente, una primera fila de barras 30 es montada en un cubo 32 que es llevado en un eje fijo 34. Del mismo modo, otra fila de barras radialmente que se-extienden 36 es apoyada en un cubo 38 que es montado en el eje fijo 40, qué telescopically recibe un eje concéntrico 42 que es conectado al motor 44 y que lleva el cubo 46 apoyar la fila de barras 48 que es colocado entre filas 30 y 36. Las barras en cada una de las filas 30, 36 y 48 pueden ser interconectadas eléctricamente por un conductor apoyado en los cubos respectivos. Sin embargo, cuando los cubos individuales 32, 38 y 46 son formados de aislar el material, las filas separadas no son interconectadas eléctricamente. Por lo tanto, una capacitancia variable existe entre las filas de individuo 30, 36 y 48. Esta capacitancia es algo similar a la estructura capacitiva del plato de un giro común, sin embargo, a fin de reducir los declives de voltaje de campaña máximos entre las filas, doblan sobre las barras o elementos capacitivos para evitar esquinas agudas.

A la vez cuando la fila de barras 48 está en la alineación angular con las barras en filas 30 y 36, las barras son las más cercanas y hay capacitancia máxima. Cuando la fila 48 gira esto alcanza una posición de la menor parte de alineación de las barras en filas 30 y 36 (como mostrado en el dibujo) y allí, la capacitancia entre las filas es a mínimo. Por lo tanto cuando el motor 44 hace girar las barras en fila 48, una capacitancia cíclicamente variante es proporcionada entre estas barras y las barras en filas 30 y 36. Usando esta estructura de la invención presente, algunas barras pueden ser usadas para formar el campo electrostático como descrito abajo, mientras las barras restantes proporcionan la capacitancia variable deseada. Por supuesto, el número de filas proporcionadas en una configuración de este tipo puede ser variado para aumentar la capacitancia, como puede el tamaño de las barras. Por supuesto, estas consideraciones son determinadas por la aplicación particular del sistema.


Fig.3 muestra otra forma de la estructura de capacitancia variable que puede ser usada en un sistema de la invención presente. La estructura mostrada en Fig.3 incluye dos estructuras cilíndricas concéntricas 50 y 52, que son montados de modo que ellos giren el uno con relación al otro. Estas dos estructuras son similares excepto su tamaño. La estructura más pequeña 50 es concentrically encajado de telescopically en la estructura más grande 52. La estructura más pequeña 50 incluye un par de aislar anillos 54 y 56 que son sostenidos espaciados aparte por barras propicias 58 y son angularmente compensados en una configuración circular. Un par de aislar anillos 60 y 62 de la estructura 52 es concentrically montado fuera de los anillos 54 y 56 respectivamente y es sostenido espaciado aparte por angularmente la compensación que conduce barras 64. La estructura 52, comprendiendo los anillos 60 y 62 y las barras 64 es sostenida fijada, mientras la estructura 50, comprendiendo los anillos 54 y 56 y las barras 58, es hecha girar haciendo barras 58 y 64 pase el uno al otro en la relación paralela. A consecuencia de este movimiento, una capacitancia variable existe entre las barras de las dos estructuras. Como en la estructura mostrada en Fig.2, las barras individuales en las estructuras separadas pueden ser interconectadas eléctricamente para proporcionar una capacitancia compuesta, u o bien cierto de las barras puede ser usado para el campo que forma como descrito abajo. Así la estructura mostrada en Fig.3, así como la estructura mostrada en Fig.2, puede ser usada como la capacitancia cíclicamente que varía en el sistema mostrado en Fig.1 para proporcionar la energía eléctrica de la energía cinética. En tal sistema, la energía sería proporcionada por motores 44 o 66, sin embargo, la fuente de la energía cinética no es importante para la invención presente.

En la operación de un generador electrostático como mostrado encima, la proporción de la conversión de poder por tamaño de unidad (y peso) de la máquina puede ser aumentada aumentando la capacitancia máxima, o disminuyendo la capacitancia mínima del condensador variable. Por supuesto, es aparente que cuando la conversión de energía es llevada a cabo en sistemas de la invención presente por un condensador variante, la eficacia de la conversión depende de la variedad sobre la cual el condensador varía. En general, la eficacia de estos sistemas es completamente alta haciendo funcionar con una pequeña variedad capacitiva, sin embargo, en tales sistemas la posición de poder o capacidad de conversión de energía del sistema es baja con relación a esto es el tamaño físico. Un aspecto principal de la invención presente reside en una estructura para aumentar la variedad del cambio capacitivo, y será considerado ahora detalladamente. Para objetivos de la ilustración, un condensador de variable de plato movible será considerado en cuanto a Figuras 4a, 4b y 4c. El condensador de plato llano proporciona un ejemplo bueno del principio universal para ser descrito debido al presente de campaña electrostático simple en tal estructura.


Fig.4a muestra un par de platos propicios espaciados aparte 70 y 72 en la relación contraria de cara e individualmente relacionado con los terminales de una batería 74 u otra fuente de voltaje. El campo electrostático entre platos 70 y 72 es indicado por líneas de potencial igual, y líneas de flujo ortogonales que indican la capacitancia entre los platos. Fig.4b los espectáculos platean 70 y 72 en una posición de compensación, desplazada de la relación contraria de cara para causar la capacitancia reducida entre los platos. Otra vez, el campo electrostático entre platos 70 y 72 es indicado por líneas del potencial igual y las líneas de flujo ortogonales que indican la capacitancia entre los platos.

Como antes mencionado, cualquier arreglo que puede causar la mayor capacitancia para los platos en la configuración mostrada en Fig.4a, o capacitancia reducida entre los platos en la posición mostrada en Fig.4b, causa la conversión de energía más eficaz en un generador electrostático. El sistema de la invención presente incluye una estructura para formar el campo electrostático entre platos 70 y 72, reducir la capacitancia entre ellos cuando estos platos están en su posición de la capacitancia mínima. Esta formación de campo es llevada a cabo añadiendo a conductores suplementarios para influir en el campo entre los platos.

Respecto al Fig.4c, platos 70 y 72 son otra vez mostrados en su posición de la capacitancia mínima, sin embargo, otro plato 76 es mostrado en la relación contraria de cara para platear 70. El plato 76 está relacionado para dar buenos conocimientos u otro potencial independiente. A consecuencia de este, y el campo electrostático es proporcionado entre platos 70 y 76, cambiando la forma de campaña y los declives potenciales, como mostrado en Fig.4c. El campo eléctrico y la capacitancia entre platos 70 y 72 son reducidos considerablemente, mientras la capacitancia máxima entre estos platos (cuando alineado en la relación contraria de cara como mostrado en Fig.4a) permanece considerablemente sin alterar.

Estas mismas consideraciones se aplican en una manera similar para excluir a conductores u otras configuraciones de condensadores variables. Por supuesto, los platos basados o que forman campo como el plato 76 pueden ser proporcionados tanto en el estator como en el rotor de un condensador variable, o pueden ser llevados por sólo una de estas estructuras.

Mandando ahora Fig.5, allí es mostrado un sistema que incorpora electrodos que forman campo y utiliza estructuras capacitivas que comprenden barras que pueden tomar la forma generalmente ilustrada en Fig.2 y Fig.3.


En Fig.5, las barras de estator son esquemáticamente representadas alineadas en una fila 78 y las barras de rotor son de manera similar mostradas para ser alineado en una fila adyacente 82. Por supuesto, cualquiera de las filas 78 y 82 puede comprender un estator mientras el otro comprende el rotor ya que el movimiento relativo es todo que es necesario. Sin embargo, en el arte previa se ha hecho algo común llamar a los conductores de rotor como inductores de precio describiendo los elementos de rotor como transportadores de precio.

En el sistema mostrado en Fig.5, los electrodos basados que forman campo o los conductores son proporcionados tanto en la fila 78 como en la fila 82, y son designados barras 78a y 82a mostrado sombreado. Los electrodos 82a están relacionados directamente para dar buenos conocimientos, sin embargo los electrodos 78a están relacionados para dar buenos conocimientos por un inductor 86. Hablarán de la función de este bobina más tarde.

Las barras propicias que sirven como elementos de capacitancia en las dos filas son designadas 78b y 82b respectivamente. Las barras 78b (en la fila 78) y las barras 82b (en la fila 82) están relacionadas en una configuración de recorrido algo como mostrado en Fig.1. Expresamente, las barras 78b están relacionadas en un lazo consecutivo con un diodo 88 y una batería 90. El punto de unión 91 entre diodo 88 y batería 90 es basado, y un diodo 92 en serie relacionado con una resistencia de carga 94 está relacionado a través del diodo 88. Un condensador 96 está relacionado a través de la resistencia de carga 94, y sirve como un filtro para la carga corriente.

En la operación del sistema, el movimiento relativo es proporcionado entre fila 78 y fila 82 producción de una capacitancia cíclicamente variable para hacer que el sistema funcionara como el sistema mostrado en Fig.1. Es decir durante el intervalo de la capacitancia alta entre las filas 78 y 82 (como mostrado en Fig.5), la estructura capacitiva es cobrada por la batería 90 por el diodo 88. Entonces, cuando las barras son separadas para reducir la capacitancia, el voltaje a través de ellos aumentos, haciendo una corriente fluir en dirección contraria por batería 90, la resistencia de carga 94 y diodo 92. Cuando las barras alternas en cada una de las filas 78 y 82 son basadas, el campo electrostático es formado para reducir la capacitancia mínima entre las barras 78b y 82b como revelado en Fig.4. Como consiguiente, la variación de capacitancia es mayor y más precio es transferido por la carga durante cada ciclo eléctrico.

En la operación del sistema mostrado en Fig.5 para convertir energía mecánica en la energía eléctrica, un sistema eléctrico generalmente capacitivo es proporcionado. Por lo tanto las relaciones de fase dentro del sistema son generalmente aquellos de un aparato capacitivo. En vista de este, la invención presente incluye la provisión de inductores para producir cambios de fase y amplificaciones de voltaje resonantes que aumentan las capacidades de conversión de poder eficaces del sistema. En Fig.5, tal inductancia 86 está relacionada entre las barras 78a y tierra. La operación del sistema de Fig.5, incluso el inductor 86 es gráficamente ilustrada en Fig.6 que incluye complots de capacitancia, voltaje y corriente eléctrica contra la posición de la estructura capacitiva.


La familia superior de curvas es complots de capacitancia, en los cuales, C1 de curva es un complot de la capacitancia variante entre las barras propicias 78b y 82b. C2 de curva es un complot de la capacitancia entre barras 78a y 82a, mientras la curva C3 es un complot de la capacitancia entre barras 78a y 82b. Estas curvas son trazadas contra una variación uniforme en posiciones relativas entre la fila 78 y reman 82, las curvas que comienzan en un punto de la capacitancia mínima para la estructura. El Fig.5 ilustra la posición relativa marcada como 3 en Fig.6.

Las curvas de voltaje en Fig.6 son trazadas en la misma base que las curvas de capacitancia, e incluyen una curva V1 que representa el voltaje a través del bobina 86, y una curva V2 que representa el voltaje en las barras 78b con relación al potencial de toma de tierra. La curva I, ilustra el flujo corriente eléctrico por el inductor 86, y también es trazado con respecto al desplazamiento capacitative.

La consideración de la operación de la inductancia 86; en vista de la capacitancia entre las barras basadas 78a y las barras capacitivamente cargadas 82b (relacionado con la batería 90) un precio es depositado en las barras 78a. Por supuesto, en ausencia de la inductancia 86, este precio sería inmediatamente pasado para dar buenos conocimientos. Sin embargo, proporcionando la inductancia 86, el voltaje de la curva V1 es desarrollado a través de este elemento. Este voltaje sirve para producir adelante la formación de campo entre las barras y causa la conversión de poder más eficiente. Es decir el voltaje de curva V1 aparece en las barras 78a en la fase con la capacitancia C1 de modo que la influencia de campaña de barras 78a sirva para aumentar el precio inducido en o cerca del máximo de capacitancia C1 y también sirva, reduciendo la fuerza de campaña para reducir el precio mínimo se agarró barras 78b y 82b en, o cerca del instante de la capacitancia mínima. Así la variación en el campo electrostático hace que el sistema absorba más torsión, causando la capacidad de conversión de poder aumentada del sistema.

Además de la provisión de inductor 86 como mostrado en Fig.5, otras configuraciones de recorrido usando inductores deben afectar adelante oleadas corrientes resonantes que aumentan y disminuyen los voltajes de campaña en la relación de fase apropiada con la variación de capacitancia, y tan el aumento la amplitud de la corriente alterna condensador. Una tal otra variación es mostrada en Fig.7 que usa barras similares a aquellos de Fig.5 y en que, como elementos son de manera similar identificados.


En el sistema mostrado en Fig.7, un inductor 98 está relacionado entre el diodo 88 y la unión señalan 99 entre el diodo 92 y las barras 78b. Además, un condensador 100 está relacionado a través del diodo 88. En general, el recorrido resonante añadido proporciona oleadas adelante corrientes en la relación de fase deseada con la variación de capacitancia. También, la resonancia entre inductor 98 y condensador 100, tiende a producir voltajes más altos en el campo eléctrico del condensador variable con relación a los voltajes a través de la fuente de excitación 90 y la carga 94. La capacidad de la máquina para conseguir poder alto de un pequeño tamaño del condensador variable es así enormemente mejorada.


Una indicación gráfica de la mejora a un sistema que resulta de la aplicación de ciertos principios de la invención presente puede ser vista en Fig. 8 que incluye varias curvas descriptivas de vario aparato, y en donde la velocidad es trazada a lo largo del eje horizontal contra el poder específico que es trazado a lo largo del eje vertical. El poder específico es aquí definido cuando la salida de poder por unidad del voltaje de excitación cuadró (P/Eo2) para un tamaño dado y la configuración de la máquina.

La curva E1 es indicativa de la característica de operaciones del sistema simple mostrado en Fig.1. La curva E2 (indicación de una mejora sustancial de la interpretación) es indicativa del sistema mostrado en Fig.5. E3 de curva indica la mejora del sistema de Fig.7 (sin el aspecto descrito con respecto al Fig.5), mientras la curva E4 indica la operación del sistema mostrado en Fig.7 como ilustrado allí.

Es aparente que las capacidades de conversión de poder del sistema de Fig.7 (indicado por la curva E4) son enormemente mejoradas sobre el sistema simple que no incluye estos aspectos de la invención presente, en particular si el generador es hecho funcionar en una velocidad fija, o si los medios son proporcionados para ajustar la inductancia o valores de capacitancia de componentes 86, 98 y 100 para dar el poder máximo templado en cualquier velocidad la máquina está siendo hecha funcionar.


Aunque varios aspectos de la invención presente puedan ser diferentemente aplicados a máquinas electrostáticas, llevar a cabo los resultados deseados, una ilustración específica de una máquina de operaciones es mostrada en Figuras 9,10, 11 y 12, y será considerada ahora detalladamente.

El sistema es montado en un alojamiento 110 que es sellado y mantenido evacuado por una bomba neumática 112. Haciendo funcionar el aparato condensador cíclicamente variable en un vacío relativamente alto, los problemas de aislamiento son reducidos y las pérdidas windage son reducidas al mínimo. El alojamiento 110 tiene una forma cilíndrica llana y consiste en un plato circular echado el cerrojo a un miembro en forma de taza 116 con un sello anular 118 proporcionado en la unión entre estos miembros.

Un eje mecánico 120 pases concentrically por el alojamiento 110 y son el diario conducido en portes 124 y 126, que incorporan sellos de vacío 124a y 126a. El eje 120 tiene un rotor 128 coaxialmente se lo fijó en y está relacionado con un aparato mecánico 130 por que el eje es conducido. El eje 120 (hecho de aislar material) hace formar una sección 132 propicia en ello, que eléctricamente une el rotor 128 por un cepillo 134 y arrastrar 136 a un terminal de una batería 138, el otro terminal de que es atado a la tierra.

En general, el sistema eléctrico básico es similar a aquel de Fig.7 con los elementos de estator relacionados por arrastra 146 y 148 a una unión señalan 150 que está relacionado por un inductor 152 y un condensador 154 para dar buenos conocimientos. Un diodo 156 está relacionado en la paralela con el condensador 154. El punto de unión 150 también está relacionado por el diodo 158 a un filtro 160 que está por su parte relacionado con una carga 162. Los electrodos que forman campo en los elementos de estator 140 y 142, están relacionados de arrastra 164 y 166 por un bobina 168 a la tierra.

Considerando el aparato de capacitancia cíclicamente que varía en el mayor detalle, el rotor comprende un par de platos 170 y 172 (Fig.12), que son formados con surcos radiantes angularmente-compensarás 174 que son interconectados por el punto se solda 176 de modo que los surcos 174 esencialmente forma que irradia barras 175. En esta estructura, el rotor es el material completamente propicio, p.ej metal, formado para comprender tubos radiantes 175 (Fig.11) que están relacionados por el conductor de eje 132 y el cepillo 134 a la batería 138.

Los componentes de estator 140 y 142 son similares y comprenden una pluralidad de tubos 180 (Fig.10) que irradia en un avión de una posición axial en el elemento de estator y apoyado en un estator circular que monta 181 siendo incrustado allí. Los tubos 180 son formados del metal y el montaje de 181 apoyar los tubos es formado de aislar el material como echar del material de epoxi. El suplente de los tubos 180 es designado 180a y está relacionado eléctricamente con un terminal 184 que es puesto en contacto por uno de arrastrar 146 o 148 en un punto 186.

Los soportes 164 y 166 están relacionados para dar buenos conocimientos por el inductor 168, con las barras 180a usado como barras que forman campo mientras las barras 180b son los elementos de capacitancia variable actuales. En esta estructura, sólo el estator es proveído de electrodos que forman campo; sin embargo, debe ser entendido, que en varias otras encarnaciones, los electrodos que forman campo pueden ser proporcionados tanto en el estator como en el rotor, o en sólo una estructura, como enseñado con respecto a Fig.5 y Fig.7. También, en el sistema mostrado en Fig.9, sólo un plato de rotor solo es proporcionado; sin embargo debe ser claramente entendido que un número grande de rotor interendentado y platos de estator puede ser proporcionado en sistemas de la invención presente, según la capacidad de conversión de poder calculada del sistema.

En la operación del sistema mostrado en Fig.9, el rotor 128 es hecho girar con relación a los elementos de estator 140 y 142 por el aparato mecánico 130. Por lo tanto, las barras de rotor tubulares son conducidas en y de la alineación con las barras de estator radiantes 180b. Por lo tanto las uniones a estos elementos (arrastra 146 y 148, y cepillo 134) experimentan una capacitancia cíclicamente que varía. Las barras de estator 180a amplían la variedad de esta capacitancia en la manera descrita con respecto Fig.4.

Durante intervalos de la capacitancia alta, la estructura capacitiva cíclica es cobrada por la batería 138 por inductor 152 y diodo 156. Como la capacitancia de las disminuciones de estructura, el voltaje allí aumenta, proporcionando una corriente por diodo 158, y filtro 160 a la carga 162. Así, la energía mecánica del aparato mecánico 130 es eficazmente convertida en la energía eléctrica y suministrada en aquella forma a la carga 162.

Mientras las discusiones anteriores han pertenecido principalmente a generadores electrostáticos, debe ser entendido que los rasgos importantes de la invención presente se aplican igualmente a motores electrostáticos.

Un rasgo importante de la invención presente reside en la estructura revelada en Fig.9, que puede ser económicamente fabricado y usado en sistemas eléctricos prácticos.

Otro rasgo importante de la invención reside en el uso de electrodos que forman campo en el estator o rotor, o tanto estator como el rotor para llevar a cabo transiciones de energía más eficaces.

Un otro rasgo importante de la invención reside en la provisión de elementos de inductancia para aumentar adelante la eficacia del sistema.



El Generador Electrostático de Onezime Breaux

Patente estadounidense 4,127,804               28/11/78               Onezime Breaux

SISTEMA DE CONVERSIÓN DE ENERGÍA ELECTROSTÁTICO


Este es un diseño importante, pero cuando los detalles físicos en la patente parecen mejor dicho limitados, en vez de reproducir la patente aquí, intentaré proporcionar una descripción que debería ser más comprensible para la persona media.

El Principio
Para allí para ser una mayor salida de energía que la entrada de energía requerida hacer cualquier generador para funcionar, aquella energía suplementaria debe venir de en algún sitio. No hay ninguna magia sobre ninguno de estos sistemas cuando nosotros mismos somos sumergidos en un campo de energía masivo. No notamos este más que notamos las ondas de radio que pasan, y por nosotros, todo el tiempo. Este campo de energía es muy poderoso como Thomas Henry Moray demostrado muchas veces ganando cincuenta kilovatios del poder eléctrico de sólo una antena simple y una unión de tierra. No sabemos como él hizo esto, pero nos gustaría muy saber. Sin embargo, Moray demostró que hay poder masivo todos alrededor de nosotros – poder que es libre para la toma si sabemos hacerlo. Lamentablemente, la mayor parte del número grande de la gente que sabe realmente extraer esta energía, rechace compartir aquella información, abandonándonos para trabajar de principios básicos, como ganar esta energía libre. Debería ser notado en el paso, que ya usamos esta energía libre cuando usamos “electricidad de conducto principal” cuando ninguna de la energía suministrada por la Compañía de Poder local realmente sale de su enchufe de pared de conducto principal desde toda la corriente suministrada por los flujos de Compañía de Poder directamente atrás a aquella compañía. Toda la Compañía de Poder hace debe establecer las condiciones que hacen que un poco de la energía libre en su posición fluya por el equipo eléctrico que usted enchufa aquel enchufe de la pared. Lo que los dispositivos de energía libre hacen, debió establecer aquellas mismas condiciones de dibujar en la electricidad de nuestro campo de energía circundante masivo, sin la necesidad de cualquier ayuda de la Compañía de Poder local.

El Diseño
Cuando usted trata de comenzar un motor del automóvil, usted une la batería de coche a un Arranque eléctrico que vuelca el motor y hace que chispas sean generadas dentro de cada uno de los cilindros del motor. El empate corriente de la batería pasa por el Arranque y es perdido para siempre. Si el motor del automóvil comienza, entonces un poco de la energía almacenada en el combustible quemado por el motor es usada para sustituir la corriente eléctrica tomada de la batería. Si el motor del automóvil no comienza, entonces después de un tiempo bastante corto, toda la energía eléctrica almacenada en la batería de coche será alimentada al Arranque y la batería será ya no capaz de suministrar más corriente para comenzar el motor.

El generador descrito aquí es un diseño muy inteligente como cualquier poder de salida que esto proporciona, guarda y no pierde ninguno de ello. Algo parece a aquel Arranque de coche que devuelve la corriente a la batería, permitiendo a cualquier número de tentativas de comenzar el motor. El camino que esto funciona es pasar corriente de acá para allá entre dos condensadores. Aquella corriente es hecha para pasar por la cuerda primaria de un transformador de salida, exactamente imitando la señal para la cual la Compañía de Poder le cobra. Sin embargo, con nuestro generador, que corriente nunca es perdido y puede ser usado repetidas veces y otra vez. Una batería es usada para crear aquella corriente inicial, y cuando el generador comienza a funcionar, esto recarga la batería y de ser deseado, la batería puede ser quitada completamente y el generador es autónomo entonces. La batería sólo es usada para comenzar el correr de generador y no es usada en ningún otro tiempo.

El diseño de contorno es muy franco y puede ser visualizado como mostrado aquí:


Aquí, el motor marcado M en el diagrama, hace girar un eje metálico 23. El eje es montado en portes de rodillo de cerámica (como usado en monopatines) y nada en el eje toca cualquier otra parte, el que significa que el eje gira muy libremente y muy poco poder es necesario para hacerlo girar.

El eje 23 tiene 'veletas' metálicos o platea 21 atado a ello y éstos pasan aunque los veletas metálicos algo similares 25 que son fijados en el lugar y no se mueven. Estos cuatro juegos de veletas metálicos forman dos condensadores variables separados.

Los veletas 21 son arreglados de modo que cuando un juego alcanza esto sea la capacitancia máxima (totalmente insertado en los veletas no móviles 25 como mostrado a la derecha del diagrama) entonces el otro juego de veletas está en esto es la capacitancia mínima que es tan lejos como posible de esto empareja el juego de veletas 25.

Al principio, en el arranque, ambos de los juegos de veletas marcaron 25 son totalmente cargados a un voltaje positivo alto por un sistema eléctrico (no mostrado aquí) y el transformador de salida está relacionado entre estos dos juegos de veletas, produciendo este arreglo:


Los juegos de veletas 21 están relacionados con un precio fuertemente Negativo, pasado a ellos por el eje metálico 23. Cuando los platos negativos 21 son insertados entre los platos Positivamente cargados 25, todo el precio positivo en los platos no endentados 25 es sorbido hacia el precio negativo en los platos endentados 21, pero se obliga que aquel precio fluya por el transformador de salida en esto es el viaje. Este arreglo hace que el precio positivo en los platos fijos vaya y venga de acá para allá por el transformador de salida, nunca ' consumido’ en el proceso. Este significa que el generador tiene una salida eléctrica de 220 voltios en 50 ciclos por segundo y el único poder de entrada necesario es la cantidad diminuta requerida hacer girar el eje de rotor. La fuerza tenía que girar el eje de rotor no es afectado de ningún modo por la intensidad de corriente dibujado del transformador de salida, el que significa que el generador es totalmente independiente de la carga. Mientras este es un diseño muy inteligente, varios detalles de construcción prácticos pueden ser cambiados para mejorar la interpretación.

La patente de Breaux muestra una forma de veleta que dobla la frecuencia en la cual el motor de paseo gira y que es equilibrado en el eje, no produciendo ninguna vibración de eje cuando hecho girar rápidamente. La forma de veleta es mostrada aquí:


Usted notará que los veletas de rotor (mostrado en gris), son colocados noventa grados aparte, proporcionando el aún mejor saldo de eje. Todos los veletas de rotor tienen la misma forma y todos los veletas de estator tienen la misma forma, que es provechosa para la fabricación en serie. Mientras sólo dos veletas de rotor y dos veletas de estator son mostrados en este diagrama introductorio, pueden haber tantos pares de platos de rotor/estator como deseado. Cada par adicional de platos aumenta el poder de salida del generador.

Este diseño pide que los veletas estén en un vacío, que fuertemente sugiere que este dispositivo fuera nunca prototyped como haciendo funcionar en un vacío, a menos que todas las superficies de conducción tengan el aislamiento excepcional, sería un desastre principal cuando la descarga de guirnalda sería masiva – después de todo, las válvulas así es como termiónicas o 'pasan la aspiradora los tubos son hechos y ellos llevan corrientes eléctricas grandes por un vacío. Para este diseño para funcionar correctamente, tiene que ser hecho funcionar en el aire seco.

La salida de poder de un dispositivo de esta naturaleza aumenta con el área de veleta creciente, y con el hueco de interveleta disminuido y con el voltaje aumentado. Por consiguiente, un voltaje trabajador bastante más alto que 220 voltios será usado cobrando los veletas. Este significa que el voltaje de salida será mucho más alto que es conveniente. Los generadores de este tipo generalmente muestran una carga resistiva y sólo una carga resistiva. Una realización práctica requeriría un transformador de disminución gradual en la salida a fin de alcanzar un voltaje de corriente alterna trabajador de 220V. Se piensa generalmente que la naturaleza inductiva de la cuerda primaria de cualquier tal transformador crearía a un comandante que ahoga el efecto en el flujo oscilante del precio entre los veletas, debido a la espalda-EMF de aquella cuerda. No es el caso si un estilo de Thane Heins del transformador es usado (tan mostrado en el capítulo 3) como un transformador de aquel tipo no tiene ningún trasero-EMF significativo, haciendo este un diseño muy interesante, sobre todo desde la salida el empate corriente no afecta el poder de entrada que únicamente es usado para hacer girar el eje de rotor.

En la teoría, el precio estático al principio colocado en los veletas condensador nunca es mermado. Sin embargo, en este mundo, las condiciones perfectas nunca parecen ser encontradas. En este caso, hay una pérdida muy leve del precio con el tiempo, y aquel precio es incrementado muy brevemente después de que un tiempo sustancial ha pasado. Un breve pulso de alta tensión una vez cada diez minutos probablemente será suficiente. No hay ninguna pérdida de energía de corona cuando las flámulas de corona sólo se forman en la frecuencia alta y este generador no excede un máximo absoluto de 60 Hz que es una frecuencia muy baja en efecto, así hay nunca ninguna descarga de corona en absoluto.



Patrick Kelly
http://www.free-energy-info.tuks.nl










闽ICP备2022006709号