Un Guide Pratique à Auteur des Appareils Libre D'énergie: Patrick J. Kelly

Le chapitre 7: Systèmes Aériens

Il est pensé généralement que les antennes ne sont pas capable de rassemblement beaucoup de pouvoir. La conception populaire est que le pouvoir seul disponible est de basses ondes radio égales de transmetteurs de la radio distants, et pendant que c'est certainement vrai que les ondes radio peuvent être choisies au-dessus avec un aérien, les vraies sources de pouvoir ne sont pas des transmetteurs de la radio.

Par exemple, nous regarderons les renseignements de Hermann Plauston et il a considéré tout système aérien de son lequel n'a pas produit plus qu'un pouvoir en excès de 100 kilowatts, comme un “petit” système. Thomas Henry Moray a démontré son système aux audiences à maintes reprises, en tirant dans les niveaux du pouvoir de jusqu'à 50 kilowatts. Ces niveaux du pouvoir ne sont pas produits par les signaux de la station de radio.


Le Système de Nikola Tesla.   Nikola Tesla a produit un appareil aérien qui est valeur mentionner. Il a été fait breveter mai 21er 1901 comme un “Appareil pour l'Utilisation d'Énergie Radiante”, Brevet Américain nombre 685,957.


L'appareil paraît simple mais états Tesla que le condensateur a besoin d'être “de capacité électrostatique considérable” et il recommande d'utiliser le meilleur mica de la qualité pour le construire comme décrit dans son 1897 brevet No. 577,671. Le circuit tire le pouvoir par une plaque du métal étanche, brillante. L'isolement pourrait être aérosol sur le plastique. Le plus grand la plaque, le plus grand le pick-up d'énergie. Le plus haut la plaque est élevée, le plus grand le pick-up.


Ce système des pioches de Tesla en haut jour d'énergie et nuit. Le condensateur est chargé au-dessus et un changement vibrant à maintes reprises décharges le condensateur dans le pas en bas transformateur. Le transformateur baisse le voltage et augmentations le courant disponible et la production est utilisée pour propulser la charge électrique alors.

Il paraît vraisemblable que cet appareil opère d'électricité statique qui quelques gens croient est une manifestation du zéro point champ d'énergie à l'origine. Le matériel de Tesla peut opérer bien quand a nourri par une machine Wimshurst à moteur au lieu d'une grande plaque aérienne. Les détails de matériel Wimshurst maison - construit sont disponible dans le livre ‘' Foudroyant Fait à la maison par R.A. Ford, ISBN 0-07-021528-6.

Cependant, il devrait être compris que Tesla a décrit deux formes différentes de pick-up d'énergie. La première est électricité statique, reprise d'interaction très légère de la plaque du pick-up avec le zéro point champ d'énergie qui coule à travers lui, et l'autre pick-up de l'existence d'événements de l'énergie radiants dynamiques, typiquement de coups de l'éclair. À un coup d'oeil informel, la personne moyenne ne considérerait pas éclair comme être une source viable d'énergie, mais ce n'est pas le cas comme là est approximativement deux cents coups foudroyants par seconde - principalement dans les tropiques - et ce qui n'est pas compris généralement est qu'ils sont les événements d'énergie radiants et leurs effets sont sentis comme transmissions à travers le zéro point champ d'énergie à l'instant partout sur terre est instantané à toute distance. Clarifier la situation un peu plus, sont deux ici des brevets de Tesla, un sur pick-up du champ statique que les remarques Tesla paraissent être illimité dans le voltage, et un brevet sur pick-up d'énergie dynamique.

C'est une copie légèrement ré - rédigée de ce brevet, comme quelques mots ont changé leur signification depuis que ce brevet a été publié. Si vous souhaitez voir l'original, alors http://www.freepatentsonline.com vous permettra de télécharger une copie sans toute charge.

Faites breveter les USA 685,957        1901 de 5e novembres         Inventeur: Nikola Tesla

APPAREIL POUR L'UTILISATION D'ÉNERGIE RADIANTE

À tout qu'il peut intéresser
Soyez il su que je, Nikola Tesla, un citoyen de l'Unit des États, en résidant à la ville de Manhattan, dans la ville, comté et État de New York, ont inventé des certaines nouvelles et utiles améliorations dans Appareil pour l'Utilisation d'Énergie Radiante de que le suivre est une spécification, l'existence de la référence avait aux dessins accompagner et former une partie du même.

C'est bien connu que certaines radiations - tel que ceux de lumière de violette extrême, cathodique, rayons du Röntgen, ou le même - possédez la propriété de charger et décharger des conducteurs d'électricité, l'existence de la décharge particulièrement notable quand le conducteur sur que les rayons s'heurtent est électrifié négativement. Ces radiations sont considérées pour être vibrations de l'éther d'extrêmement petites longueurs de la vague généralement, et dans explication des phénomènes notée, il a été supposé par quelques autorités qu'ils ionisent, ou rend conduite, l'atmosphère à travers qu'ils sont propagés. Cependant, mes propres expériences et observations me mènent aux conclusions plus dans accord jusqu'ici avec la théorie avancée par moi que sources de tel jet de l'énergie radiant fermé avec grande vélocité, particules tout petit de matière qui est électrifiée fortement, et par conséquent capable de chargement un conducteur électrique, ou, même si pas donc, peut décharger un conducteur électrifié de toute façon, non plus par physiquement transport fermé sa charge ou autrement.

Ma présente candidature est basée sur une découverte que j'ai fait que quand rayons ou radiations du genre précité sont autorisées à tomber sur un conduite corps étanche a connecté à un des terminaux d'un condensateur, pendant que l'autre terminal du condensateur est fait recevoir ou emporter électricité loin, un courants courants dans le condensateur si long comme le corps étanche est exposé aux rayons, et sous les conditions spécifiées dessous, une accumulation indéfinie d'énergie électrique dans le condensateur a lieu. Après un intervalle du temps convenable pendant qui aux rayons sont permis d'agir, cette énergie peut se manifester dans une décharge puissante que peut être utilisée pour l'opération ou contrôle de mécanique ou appareils électriques ou peut être rendue utile dans beaucoup d'autres chemins.

Dans appliquer ma découverte, je fournis un condensateur, de préférence de capacité électrostatique considérable, et connecte un de ses terminaux à un métal étanche plaquez ou l'autre conduite corps a exposé aux rayons ou ruisseaux de matière radiante. C'est très important, en particulier vu le fait que l'énergie électrique est fournie au condensateur à un taux très lent, construire le condensateur avec le plus grand soin, généralement. Je préfère utiliser la meilleure qualité de mica comme le diélectrique, amener chaque précaution possible dans séparer les armatures, afin que l'instrument peut supporter de grandes pressions électriques sans avoir une fuite et ne peut laisser aucune électrification perceptible quand décharger instantanément. Dans entraînement, j'ai trouvé que les meilleurs résultats sont obtenus avec condensateurs traités dans la manière décrite dans Brevet 577,671 accordé à moi 23e le 1897 février. Évidemment, les précautions précitées devraient être les plus rigoureusement observé le plus lent le taux de charger et le plus petit l'intervalle du temps pendant qui à l'énergie est permise d'accumuler dans le condensateur. La plaque étanche ou corps conduisant devraient présenter aux rayons ou ruisseaux de matière, comme grand une surface comme est pratique, je qui ai constaté que le montant d'énergie a transporté à lui par unité de temps est, sous autrement conditions identiques, proportionnel à la région exposée, ou presque donc.

En outre, la surface devrait être propre et de préférence hautement polir ou amalgamer. Le deuxième terminal ou armature du condensateur peuvent être connectées à une des perches d'une pile ou autre source d'électricité, ou à tout corps de la conduite ou désapprouve quoi que de telles propriétés ou donc a conditionné cela par ses moyens, l'électricité du signe exigé sera fournie au terminal. Une façon de simple qui fournit positif ou électricité négative au terminal est le connecter à un conducteur étanche supporté à quelque hauteur dans l'atmosphère, ou à un conducteur fondé, le fondateur, comme est bien connu, en fournissant positif, et l'électricité négative dernier. Comme les rayons ou ruisseaux supposés de matière généralement transportez une charge positive au premier terminal du condensateur mentionné au-dessus. Je connecte le deuxième terminal du condensateur à la terre habituellement, c'être la façon de la plus commode qui obtient électricité négative, dispenser avec la nécessité de fournir une source artificielle. Pour utiliser l'énergie rassemblé dans le condensateur pour tout but utile, je connecte aussi aux terminaux du condensateur, un circuit qui contient un instrument ou appareil qu'il est désiré opérer, et un autre instrument ou appareil pour fermer alternativement et ouvrir le circuit. Cet appareil dernier peut être toute forme de circuit contrôleur avec parties fixes ou mobiles ou électrodes qui peuvent être mis en action par l'énergie entreposée non plus ou par les moyens indépendants.

Ma découverte sera plus complètement comprise de la description suivante et dessins où:


Fig.1 est un diagramme qui montre l'arrangement général de l'appareil comme habituellement employés.




Fig.2 est un diagramme semblable, en illustrant dans plus de détail, les formes typiques des appareils ou éléments ont utilisé dans entraînement.







Fig.3 et Fig.4 sont diagrammes d'arrangements modifiés convenable pour les buts spéciaux.




Fig.1 montre la forme la plus simple dans que C est le condensateur, P la plaque étanche ou corps conduisant qui sont exposés aux rayons, et P' une autre plaque ou conducteur qui sont fondés, tout qui sont connectés en série comme montré. Les terminaux T et T' du condensateur que C sont aussi connectés à un circuit qui contient un appareil R qui sera opéré, et un appareil du circuit - controlling d comme décrit au-dessus.

L'appareil qui est arrangé comme montré, il sera trouvé que quand la radiation du soleil, ou toute autre source capable de produire les effets décrit au-dessus, chute sur plaque P, il y aura une accumulation d'énergie dans condensateur C. Je crois que ce phénomène est expliqué le mieux comme suit: Le soleil, aussi bien qu'autres sources d'énergie radiante, jets fermé particules tout petit de matière positivement électrifiée qui plaque frappante P, créez une charge électrique sur lui. Le terminal opposé du condensateur qui est connecté à la terre qui peut être considérée pour être un réservoir vaste d'électricité négative un courants courants faibles dans le condensateur de façon continue, et depuis que ces particules supposées sont d'un inconcevablement petit rayon ou courbure, et par conséquent, a chargé à un très haut voltage, ce chargement du condensateur peut continuer comme j'ai observé réellement, presque indéfiniment, même au point de rompre le diélectrique. Si l'appareil d est de tel caractère qu'il opérera pour fermer le circuit dans qu'il est inclus quand le voltage du condensateur est arrivé à un certain niveau, alors la charge accumulée traversera le circuit, en opérant le personne qui reçoit R.


Dans illustration de cet effet, Fig.2 montre le même arrangement général comme dans Fig.1, et l'appareil que d est montré composé de deux conduite très mince plaque t et t' qui sont libre de déplacer et ont placé même près de l'un l'autre. La liberté de mouvement peut être à travers la flexibilité des plaques non plus ou à travers le caractère de leur support. Améliorer leur action ils devraient être joints dans un logement qui peut avoir l'air enlevé de lui. Les plaques que t et t' sont connectés dans un circuit actif qui inclut un receveur convenable qui dans cet exemple est montré comme un électro-aimant M en série, une armature mobile un, une source b, et une roue de la roue d'encliquetage w, à condition avec un source cliquet r qui est pivoté à armature un comme illustré. Quand la radiation tombe sur plaque P, un courants courants dans le condensateur jusqu'à son voltage causent les plaques t et t' être attiré ensemble, fermer le circuit et energising l'aimant M, le causer de tirer en bas l'armature un et cause une rotation partielle de la roue de la roue d'encliquetage w. Quand les arrêts du courant courants, l'armature s'est rétractée par le printemps b, sans, cependant, déplacer la roue w. Avec l'arrêt du courant, les plaques t et t' cessent être attiré et séparer, donc restaurer le circuit à sa condition originale.


Fig.3 montre une forme modifiée d'appareil utilisée à propos d'une source artificielle d'énergie radiante que dans ce cas peut être un arc qui émet des rayons de violette extrême copieux. Un réflecteur convenable peut être fourni pour concentrer et diriger la radiation. Un aimant R et circuit contrôleur que d sont arrangés comme dans les chiffres antérieurs, mais dans ce cas, au lieu d'exécuter la totalité du travail, l'aimant exécute la tâche d'ouvrir alternativement et fermer un circuit local, en contenant une source de B courant et une réception ou traduisant l'appareil D. Le contrôleur que d peut, si a désiré, consistez en deux électrodes fixes séparés par un intervalle de l'air tout petit ou film diélectrique faible en bas qui cassent plus ou moins soudainement quand une différence du voltage définie est atteinte aux terminaux du condensateur, et recettes à son état de l'original quand la décharge se produit.


Encore une autre modification est montrée dans Fig.4 dans qui S, la source d'énergie radiante est une forme spéciale de tube du Röntgen imaginée par moi, pendant qu'avoir seulement un k terminal, généralement d'aluminium, dans la forme de demi une sphère, avec une surface polie ordinaire sur le côté de devant de que les ruisseaux sont enlevés. Il peut être excité en l'attachant à un des terminaux de tout générateur avec suffisamment haute force électromotrice; mais quel que soit appareil est utilisé, c'est important que le tube a l'air à l'intérieur de lui a enlevé à un haut degré, autrement il peut prouver pour être entièrement inefficace. Le fonctionnement, ou le circuit de la décharge a connecté aux terminaux T et T' du condensateur, inclut, dans ce cas, le p sinueux fondamental d'un transformateur, et un circuit contrôleur a compris d'un terminal fixe ou brosse t et un t' terminal mobile dans la forme d'une roue, avec conduire et séparer des segments qui peuvent être tournés à une vitesse arbitraire par tous moyens convenables. Dans relation par induction au p sinueux fondamental, est un s sinueux secondaire, habituellement d'un beaucoup plus grand nombre de tours, aux fins de qui est connecté un personne qui reçoit R. Les terminaux du condensateur qui est connecté comme montré, une à une plaque étanche P et l'autre à une plaque fondée P'. Quand le tube que S est excité, rayons ou ruisseaux de matière sont émis de lui et ceux-ci transportent une charge positive à la plaque P et condensateur T terminal, pendant que le condensateur T' terminal reçoit électricité négative de plaque P' de façon continue. Comme déjà a expliqué, cela résulte en une accumulation d'énergie électrique dans le condensateur, et cela continue aussi long que le circuit y compris le p sinueux fondamental est interrompu. Toutes les fois que le circuit est fermé par la rotation du t' terminal, l'énergie entreposée est déchargée à travers le p sinueux fondamental, montée donnante à courants provoqués dans le s sinueux secondaire qui opère le personne qui reçoit R.

C'est clair de cela au-dessus de qui a été affirmé, que si le T' terminal est connecté à une plaque qui fournit le positif au lieu d'électricité négative, alors les rayons devraient transporter électricité négative pour plaquer P. La source S peut être toute forme de Röntgen ou Leonard tubez, mais c'est évident de la théorie d'action qui pour être très efficace, les impulsions qui l'excitent devraient être complètement, ou principalement d'un signe. Si les courants alternatifs symétriques ordinaires sont employés, alors la provision devrait être faite pour permettre aux rayons de tomber sur plaque P pendant ces périodes seulement quand ils peuvent produire le résultat désiré. Évidemment, si la radiation de la source a arrêté ou interceptée, ou l'intensité a varié dans toute manière tel qu'interrompre périodiquement ou varier le courant qui excite la source avec rythme, il y aura des changements correspondants dans l'action sur le personne qui reçoit R et donc les signaux peuvent être transmis et beaucoup d'autres effets utiles ont produit. Plus loin, il sera compris que toute forme de circuit - proche lequel répondra, ou soit mis dans opération quand un montant prédéterminé d'énergie est entreposé dans le condensateur, peut déjà être utilisé au lieu de l'appareil décrit à propos de Fig.2.

Le deuxième brevet exige que le matériel soit réglé à un quart de la longueur d'onde des pulsations d'énergie qui sont rassemblées. Ce brevet montre une méthode de la transmission aussi bien qu'une méthode de la réception, mais notre principal intéressez ici est la section de la réception montrée du diagramme comme cela à droite peut recevoir avoir lieu des pulsations d'énergie dans l'environnement naturellement et donc fournit l'énergie utilisable gratuitement.

Comme ce peut être un peu difficile de visualiser l'arrangement de la bobine dans ce brevet comme beaucoup de gens est familier avec le " Tesla Bobine " arrangement où quelques tours de fil épais ou tuyauterie du cuivre sont utilisés comme un enrouler placé autour d'une bobine cylindrique ordinaire, beaucoup de même, cette illustration du brevet de Tesla USA 568,178:


Dans ce cas il devrait être compris que Tesla parle de son dessin de la bobine de la crêpe épaisse " plat " et pas le Tesla Coil célèbre configuration.

Faites breveter les USA 649,621           1900 de 15e mai           Inventeur: Nikola Tesla

APPAREIL POUR LA TRANSMISSION D'ÉNERGIE ÉLECTRIQUE



To all whom it may concern:
Soyez il su que je, Nikola Tesla, un citoyen de l'Unit des États, en résidant à la ville de Manhattan, dans la ville, comté et État de New York, ont inventé des certaines nouvelles et utiles améliorations dans Appareil pour la Transmission d'Énergie Électrique de que le suivre est une spécification, l'existence de la référence avait au dessin accompagner et former une partie du même.


Cette candidature est une division d'une candidature classée par moi 2e le 1897 septembre, USA 650,343 Systèmes intitulés " de Transmission d'Énergie Électrique " et est basé sur nouveaux et utiles traits et combinaisons d'appareil montrées et a décrit dans cette candidature du brevet.

Cette invention comprend une transmettant bobine ou conducteur dans que les courants électriques ou oscillations sont produites et causer ces courants ou oscillations d'être propagé par conduction à travers le moyen naturel d'un emplacement à un emplacement éloigné est arrangé à lequel, et une bobine de la réception ou conducteur ont adapté pour être excité par les oscillations ou courants a propagé par le transmetteur.

Cet appareil est montré dans l'accompagnant diagramme où A est une bobine, généralement de beaucoup de tours et d'un très grand diamètre, blessez dans forme de la spirale, non plus autour d'un coeur aimanté ou pas comme peut être désiré. C est une deuxième bobine formée par un conducteur de beaucoup de plus grande dimension et plus petite longueur, blessez autour et dans proximité enrouler A.

L'appareil à un le point est utilisé comme un transmetteur, la bobine A dans ce cas qui forme un haut voltage secondaire d'un transformateur, et la bobine C le primaire qui opère à un voltage beaucoup inférieur. La source de courant pour le primaire enrouler est marquée G. Un terminal de l'enrouler secondaire A est au centre de la bobine en spirale, et de ce terminal que le courant est mené par un conducteur B à un D terminal, de préférence de grande surface, formé ou a maintenu par tel signifie comme un ballon à une élévation convenable pour le but de transmission. L'autre terminal de l'enrouler secondaire A est connecté à monde, et si a désiré, au primaire qui enroule aussi afin que les primaire enrouler peut être aussi à substantiellement le même voltage comme les portions adjacentes de l'enrouler secondaire, donc assurer la sécurité.

Au poste de la réception, un transformateur de construction semblable est utilisé, mais dans ce cas la bobine A' constitue le primaire qui enroule et la plus courte bobine C' est l'enrouler secondaire. Dans ce circuit de la réception, lampes L, moteurs M, ou autres appareils pour utiliser ce courant, est connecté. Le D' terminal élevé connecte avec le centre de la bobine A' et l'autre terminal est connecté à monde et de préférence, aussi, à la bobine C' encore pour les raisons de la sécurité comme mentionné au-dessus.

La longueur de la bobine du fil mince dans chaque transformateur devrait être approximativement un quart de la longueur de la vague du trouble électrique dans le circuit, cette évaluation qui est basée sur la vélocité de propagation du trouble à travers la bobine elle-même et le circuit avec qu'il est conçu pour être utilisé. Par illustration, si le taux à que les courants courants à travers le circuit qui contient la bobine sont 185,000 milles par seconde, alors une fréquence de 925 Hz maintiendrait 925 noeuds stationnaires dans un circuit 185,000 milles long et chaque vague serait 200 milles dans longueur.

Pour une telle basse fréquence à qui serait eue recours seulement quand c'est indispensable pour l'opération de moteurs ordinaires, j'utiliserais une blessure sinueuse secondaire d'un fil 50 milles dans longueur. Les remarques de plus haut voltage sont faites pour coïncider avec les terminaux élevés D et D' en ajustant la longueur de fil dans l'enrouler secondaire, et il devrait être compris que quel que soit longueur du fil est choisie, cette exigence de la longueur devrait être se conformée avec pour obtenir les meilleurs résultats possibles.

Il sera compris aisément que quand ces rapports existent, les meilleures conditions pour résonance entre les transmettant et reçoivent circuits sont atteintes et à cause du fait que les points de plus haut voltage dans les bobines A et A' sont coïncidents avec les terminaux élevés, le courant courant maximal aura lieu dans les deux bobines et cela implique que la capacité et inductance dans chacun des circuits ont les valeurs qui produisent le plus parfait synchronisme avec les oscillations.

Quand la source de G courant est dans opération et produits alimentaires qui battent rapidement ou courants oscillants dans le circuit de bobine C, correspondre que courants provoqués de beaucoup plus haut voltage, est produit dans la bobine secondaire A, et depuis le voltage dans cette bobine progressivement augmente avec le nombre de tours vers le centre, et la différence du voltage entre tours adjacents est comparativement petite, un très haut voltage est produit qui ne serait pas possible avec les bobines ordinaires.

Comme l'objectif principal est produire un courant avec excessivement haut voltage, cet objectif est facilité en utilisant un courant dans le primaire qui enroule lequel a une fréquence très considérable, mais cette fréquence est dans une grande mesure, arbitraire, parce que si le voltage est suffisamment haut et les terminaux des bobines soient gardés à la hauteur adéquate où l'atmosphère a raréfié, la strate d'air servira comme un moyen de la conduite avec même moins de résistance à travers un conducteur ordinaire alors.

Comme à l'élévation de terminaux D et D', c'est évident que c'est un problème qui sera déterminé par plusieurs choses, tel que le montant et la qualité du travail être exécuté, la condition de l'atmosphère et le caractère de la campagne environnante. Donc, s'il y a de hautes montagnes dans les environs, alors les terminaux devraient être à une plus grande hauteur, et généralement, ils devraient être à une altitude plus grand que cela des plus hauts objets près eux beaucoup. Depuis, pratiquement tout voltage qui est désiré peut être produit par les moyens décrits, les courants à travers les strates de l'air peuvent être très petits, donc réduire la perte dans l'air.

L'appareil au poste de la réception répond aux courants propagés par le transmetteur dans une manière au-dessus de qui sera bien comprise de la description. Le circuit fondamental du receveur - c'est, la bobine du fil mince A' - est excité par les courants propagés par conduction à travers le moyen naturel survenu entre lui et le transmetteur, et ces courants induisent dans la bobine secondaire C', les autres courants qui sont utilisés pour opérer les appareils ont connecté à ce circuit.

Évidemment, les bobines de la réception, transformateurs, ou autre appareil peuvent être mobiles - comme par exemple, quand ils sont portés par un vaisseau qui flotte dans l'air ou par un bateau à mer. Dans le cas précédent, le rapport d'un terminal de l'appareil de la réception au moulu ne peut pas être permanent, mais peut être établi par intervalles ou inductivement.

Il devrait être noté que la suggestion de Tesla d'utiliser l'enveloppe conducteur d'un ballon spécialement construit comme une bonne méthode d'augmenter la région active de la plaque de la réception élevée, est un qui a été pris par Hermann Plauston quand il construisait des centrales électriques qui opèrent en ayant lieu l'énergie naturellement.

Application pratique :   Cette sorte d'informations peut sembler déconcertante et peut-être un peu trop technique pour vous, permettez-moi si de vous dire des applications pratiques et utiles utilisées par un développeur danois. Au départ, il a monté un système pour charger sa batterie de téléphone mobile dans la nuit d'une antenne. Alors il a continué à produire un Système Tesla complet comme décrit au début de ce chapitre. Faites, en commençons avec la version très simple et le progrès à l'activité plus puissante.

Le circuit initial utilise un fil de fil solide qui monte verticalement à une bobine de diamètre de 700 millimètres où il y a environ vingt tours. L'arrangement y ressemble :


Le fil aérien est plusieurs mètres de long et dans le prototype, a été soutenu par (et isolé de) l'avant-toit d'une maison. L'antenne devrait être verticale ou près vertical et une connexion nécessaire de terre fournie en conduisant une baguette en métal dans la terre ou en raccordant un fil à une plaque en métal et en enterrant la plaque dans la terre comme une bonne connexion électrique est nécessaire ici. La connexion de terre utilisée ici est une pipe de cuivre de diamètre de 3 mètres de long de 12 millimètres, conduit dans la terre et la terre autour de cela saturé avec l'eau :


Le fil a eu l'habitude de communiquer avec la barre de terre il est est très important et ne devrait pas être moins de 8 swg fil de cuivre, c'est-à-dire diamètre de 4 millimètres et 13 millimètre sq.. région trans-à éléments. Comme avec tous les artifices d'énergie libre, les détails exacts de construction sont indispensables.

Les diodes utilisées sont germanium 1N34 ou 1N34a comme les diodes de germanium tombent beaucoup moins de voltage que font des diodes de silicium et le 1N34 les types sont des diodes de perte basse, particulièrement allées à cette application. Les types de disque céramiques sont recommandés pour les 200 nF condensateurs. Le prototype construit y a ressemblé :



Maintenant, considérez ce circuit comme décrit, être une unité élémentaire de structure modulaire qui peut causer le pouvoir illimité d'une antenne. Je représenterai le circuit montré ci-dessus comme un rectangle, en montrant le susdit circuit comme :


Pendant qu'il est possible d'utiliser plus qu'un module avec l'antenne pour recevoir plus de pouvoir, le développeur danois alors échangé à l'arrangement Tesla complet en attachant 800 x 600 x 2 mm plaque de aluminium à l'intérieur du toit descendant en pente de sa maison :


La plaque étant suspendue l'utilisation de la corde de nylon pour le prévenir touchant le toit ou autre chose :


La plaque est placée entre 3 et 3.5 mètres (10 à 12 pieds) au-dessus de la terre et l'attachement à la plaque est 8 swg câble aussi très résistant :


Le câble est raccordé à la plaque en aluminium en utilisant un verrou en laiton et des noix que l'entrepreneur pense peut être significatif, tout à fait sauf le fait d'éviter n'importe quelle connexion galvanitic au circuit. Le câble est alors dirigé verticalement en bas au circuit. Pour cet arrangement, une seconde point de terre est aussi utilisée. C'est une pipe de 3 mètres de long en fer galvanisée, conduit verticalement dans la terre qui est saturée avec l'eau. La deuxième terre est 2 mètres de distance de la première connexion de terre.

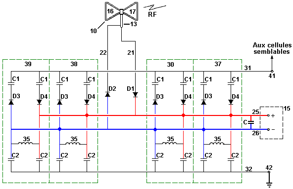
Cet arrangement fournit le pouvoir sérieux, assez provoquer la blessure à, ou tuer un humain négligent. Avec deux modules, il allumera un LED très de couleurs vives, en le conduisant à 2.6 volts. Si le LED est enlevé, donc les escalades de voltage à environ vingt volts et sont facilement suffisantes de charger un 12V la batterie ou la banque de batterie bien que cela prenne le temps. Avec vingt modules un 12V batterie peut être chargée pendant la nuit. Il est estimé qu'avec deux cents modules, le pouvoir serait suffisant au pouvoir une maison bien que cela n'ait pas encore été fait. Il devrait être tenu compte que chaque module est facile et bon marché de faire, ainsi en prenant des dispositions pour une meule d'entre eux où les modules supplémentaires peuvent être ajoutés à une date ultérieure pour plus de pouvoir, est un arrangement idéal. Le circuit y ressemble :


Ce circuit semble complètement fou comme la contribution aérienne au circuit a l'air d'être directement court-faite le circuit par la deuxième connexion de terre. Malgré cela, le circuit travaille très bien quand raccordé cette voie. Les modules supplémentaires peuvent être ajoutés sans n'importe quelle limite connue. Le pouvoir augmenté peut être eu par la levée de la plaque en aluminium plus haut au-dessus de la terre, dire, 10 mètres (33 pieds), ou en ajoutant une ou plusieurs plaques aériennes supplémentaires. Comme vous avez une bonne antenne raccordée par à une très bonne terre, il y doit avoir la possibilité de l'équipement étant frappé par la foudre et donc il est recommandé qu'un trou d'étincelle protecteur soit installé entre l'antenne et la terre, près du circuit, pour que si le haut voltage est subitement appliqué à l'antenne, le trou d'étincelle tire et manoeuvrera le pouvoir d'excès par de la terre. Autrement, peut-être une meilleure solution est d'installer un système de paratonnerre standard quelques mètres loin de l'antenne et d'un mètre ou deux plus haut en haut, pour qu'il forme un point plus attrayant pour une grève de foudre.

L'expérimentation de plus a montré que le changement du point de connexion pour l'antenne a un effet significatif sur les résultats. Si la connexion est faite au milieu du point entre la plaque aérienne et la connexion de terre, il produit une plus grande production :


Avec cet arrangement, un seul module produit environ 30 volts tandis que la méthode originale de raccordement près de la terre donnait environ 26 volts avec deux modules. Jes Ascanius a réalisé plus d'expérimentation et il affirme que les diodes avec temps de moins de 30 millisecondes de réponse produisent un rendement supérieur et il recommande l'utilisation de diodes BYV27 qui ont une cote de 200 volts et 25nS comme il obtient trois fois la sortie de leur part. Il recommande aussi de leur utilisation dans les circuits de Joule Thief.

Dragan Kljajic a fait des expériences avec ce circuit et a commencé en construisant beaucoup de ces modules sur un conseil de circuit imprimé comme cela :



En utilisant deux de ces conseils, Dragan tire 96 watts constamment de sa plaque aérienne. Il a l'intention d'étendre cet arrangement beaucoup de plus, mais est entravé à présent par une guerre civile locale.

Il y a un forum où certains entrepreneurs de ce système partagent des commentaires. Un commentaire est qu'il y a un risque augmenté d'une grève de foudre où vous avez une antenne earthed et donc il est conseillé de ne pas placer la plaque aérienne à l'intérieur d'une maison, mais peut-être suspendu entre deux arbres. Aussi, l'utilisation d'une bougie automobile raccordée à travers le jeu de module peut protéger contre les grèves de foudre nuisant à l'ensemble de circuits.

À la suite des requêtes, Jes insiste sur les points suivants :

1. La plaque d'antenne doit être haute de la terre.
2. La plaque d'antenne doit être polie et isolée.
3. Le fil doit être le fil simple le fil solide.
4. Il ne doit pas y avoir de partie du fil au-dessus du circuit, qui n'est pas isolé.

Il fait davantage des remarques : vous pouvez utiliser le papier aluminium et adhérer le film pour faire beaucoup de plaques de collectionneur 0.4 m x 5 m et les raccorder près ensemble pour nourrir le fil aérien. Souvenez-vous, aucun fil non isolé n'importe où. On devrait demander n'importe quelles requêtes sur le forum montré ci-dessus.


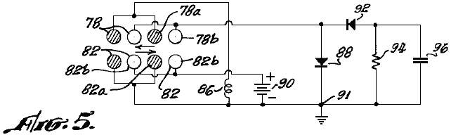
Une modification de ce circuit de Jes Ascagne par un développeur qui préfère rester anonyme, double la sortie de chaque module en ajoutant une image miroir du circuit comme ceci:


Comme on peut le voir, l'addition de quatre diodes et de deux condensateurs en céramique.



Thomas Henry Moray   Dans cette champ, Thomas Henry Moray est remarquable. Par 1936 il avait développé un morceau d'appareil qui était capable de mettre dehors haut pouvoir sans pouvoir de l'entrée être humain - produit à tout.


Le matériel de Moray est dit pour avoir contenu une diode du germanium qu'il s'est construit dans les jours avant appareils transistorisés est devenu disponible aisément. Le matériel a été examiné et a testé beaucoup de fois. Sur douzaines d'occasions, il a démontré le matériel qui conduit une banque de vingt 150W ampoules, plus un 600W appareil de chauffage, plus un 575W fer (un total de 4.175 kW). Le pouvoir a repris par cet appareil eu besoin seulement petit diamètre installe et avait des caractéristiques différent d'électricité conventionnelle. Une démonstration qui a été répétée beaucoup de fois, était montrer que le circuit du pouvoir de la production pourrait être cassé et un drap de verre ordinaire a placé entre les fins coupées du fil, sans interrompre la provision. Ce type de pouvoir est appelé “électricité Froide” parce que transport des fils mince charges du pouvoir majeures, ne surchauffez pas. Cette forme d'énergie est dite pour couler dans vagues qui entourent les fils d'un circuit et pas réellement dépression les fils à tout. L'électricité conventionnelle différente, il n'utilise pas d'électrons pour transmission et c'est pourquoi il peut continuer à travers un drap de verre qui arrêterait électricité conventionnelle net dans ses pistes.

À une occasion, Moray a apporté son matériel loin de régions tout urbaines à une place choisie au hasard par une critique. Il a installé le matériel alors et a démontré la production du pouvoir, bien loin de toute énumération électrique homme - produite. Il a déconnecté l'aérien et a montré que la production du pouvoir a arrêté immédiatement. Il a connecté l'aérien encore produire la production comme auparavant. Il a déconnecté le rapport du monde qui a encore arrêté la production alors. Quand le fil du monde a encore été connecté, le pouvoir de la production est revenu. Il a trouvé que le niveau de la production du pouvoir est tombé quelque peu le soir. On a annoncé que l'antenne utilisée à ses démonstrations y ait ressemblé :


Dont il peut être vu que même un fil aérien relativement court suspendu pas loin de la terre, est capable de recueillir des quantités substantielles de génération électrique utilisable. La terre utilisée aux démonstrations lointaines était une longueur de pipe du gaz qui a été martelée dans la terre. Il a été noté que comme chaque coup de marteau a conduit la pipe plus profonde dans la terre, les ampoules (qui s'est formé la charge électrique) a brillé plus de couleurs vives, en indiquant que la qualité de la connexion de terre est très importante quand le pouvoir sérieux est tiré d'une antenne.


Il a développé des plusieurs versions de l'appareil, le plus tardif de qui n'a pas eu besoin l'aérien ou rapports du monde, a pesé 50 livres et avait une production de 50 kilowatts. Cet appareil a été testé dans un avion et un sous-marin, donc montrer l'appareil pour être complètement indépendant et portatif. Il a aussi été testé dans emplacements qui ont complètement été protégés de radiation électromagnétique.

Avec ses appareils plus tard, Moray quitte la zone des antennes et se déplace dans la même catégorie que Barbosa et Leal, ces deux hommes brésiliens d'extraction de 192 kilowatts de puissance directement à partir du sol. Si vous avez lu le livre de Moray " La Mer de l'énergie dans lequel la Terre Flotte " (The Sea of Energy in which the Earth Floats) vous découvrirez que Moray déplacé au-delà de la pensée scientifique de son époque , indiquant que la Terre est bombardée par des particules d'énergie cosmique qui provoquent des atomes de changer de matière en énergie, entrent dans l'éther et il y reviennent à la matière à nouveau. Ce processus est régi par la fréquence. Moray développé diodes d'énergie qui agissent comme des diodes électriques sur le flux d'énergie de l'éther. Il a utilisé une chaîne de ces “ tubes “. Chaque tube a été accordé à l'un des harmoniques de la fréquence d'oscillation de l'éther. Chaque tube a produit des ondes de basse fréquence et le tube suivant est accordé à ces ondes et est entraînée par une résonance harmonique des oscillations Ether, produisant ainsi un appareil sans avoir besoin d'une puissance d'entrée de l'utilisateur. En outre, l'antenne a été remplacée par une petite plaque de cuivre interne. Ainsi, en mode vrai aérien - quatre kilowatts. Dans la terre uniquement en mode - 50 kilowatts. Les idées de Moray sont pris en charge par le travail et les livres par Gustav Le Bon (The Evolution of Matter et The Evolution of Forces).

Moray a été tiré et a blessé dans une tentative de l'assassinat dans son laboratoire. Cela l'a causé de changer le verre dans sa voiture à verre pare-balles. Il a été menacé beaucoup de fois. Son matériel de la démonstration a été cassé avec un marteau. Quand les menaces ont été faites contre sa famille, il a cessé de reconstruire son matériel et a paru avoir tourné ses attentions aux autres choses, en produisant un appareil pour ‘' thérapeutique traitement médical.

Dans son livre “The Energy Machine of T. Henry Moray”, Moray B. King fournit plus de renseignements sur ce système. Il affirme ce Moray a été refusé un brevet sur les raisons que l'examinateur ne pourrait pas voir comme l'appareil pourrait la production tant de pouvoir quand les cathodes de la valve n'ont pas été chauffées. Moray a été accordé le Brevet 2,460,707 Américain 1er le 1949 février pour un Appareil Electrotherapeutic dans qu'il a inclus la spécification pour les trois valves utilisé dans son appareil du pouvoir, apparemment parce qu'il voulait qu'ils soient couverts par un brevet. Aussi loin que peut être vu, la valve montrée qu'ici est un tube de l'oscillateur. Moray a réclamé que ce tube avait la très haute capacité de 1 Farad quand courir à sa fréquence résonnante. Moray a aimé utiliser quartz saupoudré comme un diélectrique dans les condensateurs qu'il a fait, et il avait une habitude de mélanger des sels du radium et des minerais de l'uranium avec le quartz. Ces matières peuvent être bien importantes dans produire l'ionisation dans ces tubes et cette ionisation peut être bien important dans tapoter le champ d'énergie.


Le tube montré au-dessus a un six couche condensateur formé de deux métal circulaire En U sonne avec l'espace entre eux a rempli d'une matière diélectrique. Les plaques sont montrées dans rouge et sont bleuies, pendant que le diélectrique est montré dans vert. À l'intérieur du condensateur, il y a une bague séparée de matière diélectrique (peut-être a fait d'une matière différente) et une bague intérieure de métal ondulé former un électrode de la décharge de la brosse de l'ion. Le condensateur et rapports de l'électrode sont amenés aux épingles dans la base du tube.

Le quartz est suggéré pour la matière du revêtement externe du tube et l'élément du fil en comptée 79 dans le diagramme est dit pour être un élément chauffant projeté d'être propulsé par une source courante de bas voltage. Cependant, comme Moray avait une candidature brevetée plus tôt refusée sur les raisons qu'il n'y avaient aucun élément chauffant dans ses tubes, c'est distinctement possible que l'élément chauffant montré qu'ici est faux, et tiré pour éviter le refus par les examinateurs uniquement. Dans son brevet, Moray fait référence au condensateur dans ce tube comme un “jeter des étincelles” condensateur, donc il l'a pu conduire avec excessivement hauts voltages qui ont causé échec répété de la matière du condensateur.


Le tube de Fig.16 au-dessus de, utilise une technique différente où un tube de la Radio est utilisé pour bombarder un électrode ondulé à travers un écran qui contient une fenêtre de la Radio. Il a pensé qu'une explosion brève de Rayons X a été utilisée pour déclencher des très courtes, tranchantes explosions d'ions entre l'anode et cathode du tube et ceux-ci ramassez l'énergie supplémentaire avec chaque explosion.

Une version alternative de ce tube est montrée dans Fig.18 dessous. Ici la construction est plutôt semblable mais au lieu d'une fenêtre de la Radio, une lentille et réflecteur sont utilisés pour causer l'ionisation du canal de l'aiguillage entre l'anode et cathode. Dans les deux tubes, l'électrode ondulé supporte une intensification de la couronne seulement avant la courte pulsation de l'aiguillage de la Radio, et il a pensé que les ions contribuent à l'intensité des résultant pulsations qui émergent du tube. Les très courtes pulsations uni - directionnelles sont capables de causer des conditions sous que l'énergie supplémentaire peut être ramassée. D'où est-ce que cette énergie supplémentaire vient? En 1873, James Clerk Maxwell a publié son “ Treatise on Electricity and Magnetism” et dans lui il a signalé que le vide contient un montant considérable d'énergie (Vol. 2, p. 472 et 473). John Archibald Wheeler d'Université Princeton, un physicien principal qui a travaillé sur le projet de la bombe atomique Américain, a calculé la densité du flux du vide. Appliquer la formule E=mC2 d'Einstein indique qu'il y a assez d'énergie dans chaque 1 cc de “vide” espace, créer toute la matière dans l'univers visible qui peut être vu avec nos télescopes les plus puissants. Ce montant d'énergie est si grand comme pour être au-delà imaginer. Ce champ d'énergie est connu sous le nom de “Énergie Universelle”, “Énergie Cosmique” ou “Énergie du Zéro-Point”. À ce temps, nous n'avons pas tout instrument qui répond à cette énergie directement et donc c'est presque impossible à mesure.

L'existence de ce champ d'énergie est maintenant acceptée largement par science principale et il est porté dehors par la situation trouvée à niveaux du quantum. Il est pensé généralement que cette énergie est chaotique dans forme et pour énergie utile à par tiré de lui, il a besoin d'être restructuré dans une forme cohérente. Il paraît ces pulsations électromagnétiques uni - directionnelles d'une milliseconde ou plus peu, peut être utilisé pour causer la restructuration nécessaire comme ils produisent une vague cohérente extérieure d'énergie radiante de que l'énergie peut être extraite pour usage dans la plupart des appareils électriques, si un système du récepteur convenable est utilisé. Tom Bearden états cela au niveau quantique, la bouillonnant énergie de ce champ paraît comme positif et charges négatives de façon continue. Comme ceux-ci est distribué également, la charge nette à tout point est toujours zéro. Si un “dipôle” (deux en face de charges près l'un l'autre) est créé n'importe où, alors il polarise le champ d'énergie qui interrompt le précédemment distribution égale de charges et causer des ruisseaux massifs d'énergie de rayonner des extérieurs du dipôle.

Un actes de la pulsation du voltage comme un dipôle, à condition la montée du voltage est assez rapide, et c'est quelles causes une vague d'énergie radiante qui se déploie de l'emplacement de la pulsation du voltage. Les piles et aimants créent des dipôles continus et ainsi causent le champ de l'énergie quantique local d'envoyer ruisseaux continus de pouvoir massif qui peut être utilisé si (et seulement si) vous savez comment le faire. La recherche pour les mécanismes capturer et utiliser une fraction minuscule de ces ruisseaux d'énergie même est cela qui le “énergie libre” le champ de recherche est au sujet de. Quelques gens disent qu'il n'y a aucune telle chose comme “énergie libre” parce que vous devez payer l'appareil qui le capture. C'est comme apporter un voyage de l'autobus à une concession de la voiture où ils donnent à nouvelles voitures, et dire que votre nouvelle voiture n'était pas un “libre” voiture parce que vous avez dû payer un prix du billet de bus pour arriver à la concession de la voiture.


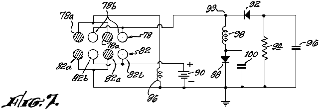
Moray B. King suggère que le circuit a utilisé par Thomas Henry Moray était comme suit:


Il peut y avoir petit doute que Thomas Henry Moray ait construit plusieurs versions de son appareil chacun de qui a bien produit le pouvoir de la production en excès de tout pouvoir de l'entrée eues besoin. Il paraît très vraisemblablement que la plupart d'eux usagé aucun pouvoir de l'entrée quoi que, et s'il y en avait autres, ils auront été propulsés par une fraction minuscule du pouvoir de la production. Si la matière radioactive douce avait été utilisée comme décrit, alors le pouvoir de la production pourrait dans aucun chemin soit attribué à cette source seul, depuis que le pouvoir de la production était milliers de temps plus grand que tout pouvoir disponible des matières radioactives.

C'est temps expliquer un peu plus au sujet de, voltage, pouvoir et courant, peut-être. Nous avons été élevés avec la notion que c'est nécessaire à “brûlure” un combustible obtenir le pouvoir qui piles “course en bas” quand usagé et que vous devez continuer à tourner l'arbre d'un générateur électrique pour être capable de sortir le courant de lui. Ces choses ne sont pas réellement vraies. Le champ relativement récent de quantique montre que si une charge, tel qu'un électron a, est placé dans ce qui est supposé être “vide” espace, ce n'est pas seul. Le “vide” l'espace bouillonne avec énergie réellement, à l'ampleur qui “virtuel” les particules crèvent dans existence pour une fraction d'une seconde et disparaître encore alors. Ils sont appelés “virtuel” parce qu'ils existent pour tel peu de temps.

À cause de la charge négative de l'électron, les particules paraître et disparaître il autour veulent tout soyez responsable positif. L'électron a “a polarisé” l'espace autour lui-même parce qu'il a une charge. L'instant qui un positif “virtuel” la particule paraît, il y a deux charges près l'un l'autre - moins sur l'électron et signe plus sur la particule. Quand vous en avez deux en face de charges près l'un l'autre, ils forment un “dipôle.” Les dipôles forment une entrée à travers que l'énergie de l'environnement coule de façon continue. Un instant plus tard, la particule disparaît, mais c'est est eue lieu par une autre particule virtuelle immédiatement. Le résultat est un ruisseau continu d'énergie qui sort du dipôle.

Les piles avec leurs terminaux positifs et négatifs sont des dipôles électriques, si aussi est des générateurs quand l'arbre de l'entrée est filé. Les aimants permanents avec leurs perches Nord et Du sud sont des dipôles aimantés. Les deux de ceux-ci ont des ruisseaux continus d'énergie qui coule à travers eux. Donc, pourquoi est-ce que les piles courent vers le bas alors et perdre leur charge? La raison est que nous propulsons des circuits qui utilisent une boucle fermé. Le couler d'énergie hors d'un courants terminaux dans le terminal opposé et à l'instant détruit le dipôle. Un nouveau dipôle doit être créé chaque fraction de seconde si le circuit est délivrer le pouvoir, et c'est cette méthode autodestructrice d'usage qui cause la pile de décharger ou quels besoins l'arbre du générateur être tourné de façon continue.

Si une technique du fonctionnement différente est utilisée, où le dipôle n'est pas détruit de façon continue, alors appareils qui peuvent fournir un ruisseau continu d'énergie sortis de notre environnement naturel peuvent être construits. Ce n'est pas magique, seulement le prochain pas dans science conventionnelle et construire. Thomas Henry Moray l'a dirigé, initialement avec un aérien et monde comme un ensemble du cristal fournir le dipôle, son appareil était capable de sortir beaucoup de kilowatts de pouvoir de l'environnement. D'aucun combustible a été eu besoin, l'énergie est nous entourer déjà tout là, tout le temps. Aussi loin que je suis informé, personne n'a réussi à reproduire l'appareil de Moray (lequel est-ce que la raison pour lui était supprimée violemment) mais savoir qu'il a existé et a été démontré pour travailler parfaitement bien à maintes reprises, est utile dans cela qu'il montre que c'est possible de tapoter le zéro point massif champ d'énergie avec un appareil pratique, maison - construit.

Est une collection ici d'articles supplémentaires de renseignements assemblés de plusieurs sources différentes:

Moray a commencé ses expériences avec ' le prendre d'électricité du ground', comme il l'a décrit, pendant l'été de 1909. Par automne 1910 il avait le pouvoir suffisant pour opérer un petit appareil électrique, et a démontré son idée à deux amis. Les étapes tôt de cette démonstration ont consisté en fonctionnement une lumière de l'arc miniature. Il est bientôt devenu clair à lui que l'énergie n'était pas statique et que l'électricité statique de l'univers serait d'aucune assistance à lui dans obtenir le pouvoir pour qu'il cherchait.

Pendant les fêtes du Noël de 1911, il a commencé à se rendre complètement compte, que l'énergie avec qu'il travaillait, était d'une nature oscillante. Il s'est aussi rendu compte que l'énergie ne sortait pas du monde, mais au lieu, venait au monde de quelque source extérieure. Ces oscillations électriques dans la forme de vagues n'étaient pas des oscillations simples, mais déferlait comme les vagues de la mer, venir au monde continuellement mais plus dans la journée que le soir, mais arriver toujours comme vibrations du réservoir d'énergie colossale dans l'espace là-bas. Par ce temps Moray était capable d'assembler assez de pouvoir pour allumer une 16-candlepower lampe du carbone à au sujet d'un demi de lui est capacité, mais il n'a pas réussi à gagner toute amélioration supplémentaire jusqu'à le printemps de 1925.

En 1912 Moray a été appelé pour aller sur une mission pour l'Église de Jésus Christ de Saints de jour Dernier, et sous le visa d'un visiteur entrer la Suède pendant l'Exposition de 1912 à Stockholm a été permis. Dans son cahier, démodé le 1er novembre 1913, il a inclus une note qui dit qu'il avait obtenu matière d'une ferroviaire voiture à Abisco, Suède l'été antérieur, aussi quelques-uns plus de matière du côté d'une colline. Il a fait des épreuves électriques de ces matières, en les prenant maison pour essayer chacun comme un détecteur pour sa machine d'énergie. Les épreuves ont indiqué que cette pierre - comme substance douce, blanche peut faire un bon " valve - comme détecteur ". Ce " valve - comme détecteur " est ce qui a mené l'him à faire des recherches dans matières semi - conducteur, et de cette pierre blanche douce il a développé sa première valve et la valve qui ont été utilisées dans quelques-uns de ses appareils de l'Énergie Radiants tôt (le fil de l'argent qui touche une pierre peut agir comme un redresseur).

Moray a démontré cette énergie était disponible par ses actions sur une charge du resistive, tel qu'un fer plat ou un appareil de chauffage de l'espace, et en allumant des ampoules. Un appareil du resistive agit comme une charge qui est proportionnel au montant d'énergie directement délivrée à lui. Dans chauffer un appareil de chauffage, ou allumer une ampoule, le nombre de watts produit peut être calculé comme égal au nombre de watts fourni à l'appareil. Cette énergie est nourrie dans une charge pour donner l'un et l'autre chaleur, lumière, ou pouvoir. Un moteur peut être opéré mais il doit être conçu pour courir sur une haute provision du pouvoir de la fréquence. L'appareil D'énergie Radiant a utilisé une antenne et une terre a connecté à son état solide circuit D'énergie Radiant:


Le diagramme montré au-dessus est reproduit d'un croquis rugueux sorti de mémoire après avoir vu le diagramme du circuit de Moray. La personne qui l'a tiré ne comprend pas comme le circuit travaille, si s'il vous plaît bonbon ce diagramme comme être juste une suggestion totale comme à cela comme que le circuit de Moray a pu être. C'est réellement beaucoup plus possible c'est était une cascade de paires de circuits du réservoir qui contiennent la valve de Moray, chaque existence de la paire un circuit du réservoir de la série suivi par un circuit du réservoir parallèle, la fréquence oscillante qui laisse tomber avec chaque paire du réservoir et la production propulse le soulèvement avec chaque paire du réservoir. Le circuit de Moray a été commencé à osciller en caressant la bobine En U avec un aimant permanent pour quelques secondes, et quand le circuit a commencé à opérer, alors changement ' S' a été fermé, en enlevant la bobine En U du circuit efficacement.

Moray était capable de démontrer qu'aucun de l'énergie de la production n'est venu son appareil de l'intérieur. Intérieurement l'appareil était électriquement mort quand il n'avait pas été connecté et été réglé à l'antenne. Quand son appareil a été installé, il pourrait le connecter à une antenne et fonder, et en l'amorçant le régler en premier et alors comme il l'a amorcé, l'appareil tirerait dans énergie électrique. Cette haute fréquence l'énergie électrique a produit jusqu'à 250,000 volts et il a propulsé une lumière plus claire que les témoins avaient jamais vu auparavant. Les charges lourdes pourraient être connectées à l'appareil sans atténuer déjà les lumières connecté à lui. Cet appareil travaillé beaucoup de milles de toute source connue d'énergie électrique tel que transmission du pouvoir règle ou signaux de la radio. L'appareil a produit jusqu'à 50,000 watts de pouvoir et a travaillé pour longues périodes de temps.

Moray a supposé initialement que cette énergie était électromagnétique dans nature cependant, il n'a jamais réclamé que c'était. Il a supposé en premier que cette énergie est venue du monde mais plus tard il croyait qu'il coulait dans de l'univers. Finalement il a commencé à croire que c'était présent partout dans tout l'espace, les intermolecular espacent aussi bien qu'espace terrestre et céleste. Il ne comprenait pas nécessairement comme ses détecteurs ont opéré, seulement que s'il avait construit l'appareil d'après ses calculs très avec soin il travaillerait. Il était capable de démontrer l'existence d'une énergie qui aujourd'hui, pourtant il n'a pas été identifié ou a été prouvé, a été théorisé par beaucoup de chercheurs.

Le plus grand instrument était au sujet de 6 pouces haut, circulaire dans forme et approximativement 8 pouces dans diamètre. Nous sommes sortis sur le toit de la poussinière qui emporte l'appareil sur un petit rédigeant comité, a élevé une antenne sur le toit du poulailler, l'antenne qui est approximativement 100 pieds de la maison. Nous avons tiré les changements de la ligne principaux dans la maison avant de sortir sur le toit. Mr Judd avait Moray déplacer le rédigeant comité de place pour placer et il a aussi examiné le dans le poulailler pour matériel caché. La machine s'est assemblée dans sa présence alors et l'appareil a été commencé. Mr Judd m'a chronométré pour voir comment long il prendrait pour apporter obtenez le fonctionnement léger. J'étais capable allumer la lampe CGE à sa luminosité pleine et chauffer un Hotpoint de vieux style fer plat électrique à grésiller point qui a exigé 655 watts. Mr Judd a demandé l'antenne être déconnecté. Quand cela a été fait, la lumière est sortie. L'aérien a encore été connecté et la lumière a réapparu. Nous avons conduit une nouvelle tringle de l'échouage à une tache sélectionnée par Mr Judd, fait un rapport au nouveau point de l'échouage et la lumière a brûlé faible, mais est venu plus clair et plus clair comme la nouvelle tringle de l'échouage a été conduit dans la terre plus profondément et plus profondément.

Si la terre ou l'antenne est laissée déconnecté pour trop long un temps, l'appareil devient électriquement mort et doit être réaccordé pour regagner le courant d'énergie. Dr Eyring n'a trouvé aucune faute avec la démonstration et le plus mauvais qu'il pourrait dire au sujet de lui était que ce peut être énumération, mais que si Moray amènerait l'appareil dehors dans les montagnes loin de toutes les lignes à haute tension, une distance de trois ou quatre milles, et il a opéré alors, il reconnaîtrait alors que ce ne pourrait pas être énumération et que sa théorie était fausse.

Enfin ils ont décidé de monter le Canyon de l'Émigration, comme là aucunes lignes à haute tension ne sont dans ce canyon. Tous les trois messieurs étaient très bien satisfaits et content avec ce qu'ils ont vu. Le fil de l'antenne a été élevé sans toute aide ou directives quoi que de Mr Moray, mais il a suggéré que le fil soit étiré plus serré pour prévenir tant d'affaissement au centre. Cela a été fait et le fil a paru clarifier la terre par approximativement 7 ou 8 pieds à son plus bas point alors. La pipe moulue était de demi pouce pipe de l'eau qui consiste en deux sections. La section inférieure a été pointée à la fin pour faire de sa conduite le lit du ruisseau facile. C'était au sujet de 6 pieds long et après avoir été conduit en bas approximativement 5 pieds la deuxième section qui était au sujet de 4 pieds long a été vissé sur avec une clef et la pipe conduite du duvet supplémentaire jusqu'à ce qu'il ait frappé un objet dur, si approximativement 7 pieds de pipe étaient dans la terre.

Le fil de l'antenne est été séparé des perches avec deux isolants du verre au sujet de 6 pouces long et avoir des trous dans les deux fins. Un morceau de fil au sujet de 2 pieds long suivi chaque isolant avec la perche. Le fil de l'introduction a été attaché au fil de l'antenne à un point 10 ou 15 pieds de la perche de l'est approximativement. J'ai aidé Mr Moray souder le rapport. Je suis allé au pas la distance entre les deux perches de l'antenne et l'ai estimé pour être 87 pieds. Le matériel de Mr Moray, à part l'antenne et fils de la terre, a consisté en une boîte brune au sujet de la dimension d'une boîte du beurre, un autre que les légèrement plus petits unpainted empaquettent, une boîte du comité de la fibre approximativement 6 " x 4 " x 4 ", (1" = 25.4 mm) lequel Mr Moray connu sous le nom de contenir les tubes, et une plinthe du métal approximativement 14 " x 4 " x 1 " qui contiennent ce qui a paru être un aimant à une fin, un changement près le milieu et un récipient pour une ampoule électrique à l'autre fin. Il y avait aussi plusieurs poteaux pour connecter des fils sur la plinthe.

Quand tous les fils ont été connectés et tout était prêt, Mr Moray a commencé à se mettre à l'écoute. Avant de régler, il a placé la clef sur le poteau: il a dit que ce serait en contact pendant que la lumière brûlée, mais aucune lumière n'a paru. Le réglage a consisté en caresser la fin d'un aimant à travers deux projections du métal qui sortent de ce que je me suis reporté à au-dessus comme être ' un magnet'. Après avoir réglé pour légèrement plus que 10 minutes la clef a été mise sur le poteau du fonctionnement et la lumière a paru immédiatement. Mr Moray a mis la clef sur le poteau du fonctionnement deux ou trois fois auparavant pendant l'opération du réglage mais aucune lumière n'a paru. Nous avons permis à la lumière de brûler pour 15 minutes. Dans mon opinion, l'éclat du venir léger de l'ampoule de 100 watts, était 75% approximativement aussi clair qu'une ampoule de 100 watts a connecté à une cavité de maison ordinaire. C'était une lumière stable, sans variations de tout gentil.

Pendant que la lumière était Mr Moray brûlant a déconnecté le fil de l'introduction de l'antenne de l'appareil et la lumière est sortie. Il l'a encore connecté et la lumière a paru. Il a aussi déconnecté le fil moulu et la lumière est sortie. Il a connecté lui et la lumière parues encore alors.

Dans une autre démonstration, Mr Moray a ouvert l'appareil et a laissé tout le monde voir tout excepter une petite partie qu'il a placé sa main partout et a caché dans son poing. Cette partie il a coupé et a mis dans sa poche du gilet. Tout aux gens ont été permis, d'examiner au contenu de leurs coeurs autrement. " Si cette partie est capable de faire tel pouvoir lui-même, alors c'est quelque appareil et vente de la valeur. Une telle pile vaudrait la peine ", était quelques-uns des remarques faites.

Sur plusieurs occasionne Dr Moray déconnecterait le fil de l'antenne momentanément, mais pas assez long perdre la lumière. Dans déconnecter et connecter le fil de l'antenne un éclat d'électricité pourrait toujours être vu au

À une démonstration en 1928, l'aérien usagé était au sujet de 200 pieds long et a placé approximativement 80 pieds au-dessus de la terre: le fil est un câble du cuivre un quart d'un pouce dans diamètre approximativement, et bien est séparé. Le rapport du monde utilisé était la pipe de l'eau dans le sous-sol de la maison de Dr Moray. L'appareil s'est été assemblé dans un tronc à travers les côtés de qui était des trous pour les rapports à fondez et à l'antenne et pour observation; les trous étaient au sujet de pouce de l'une moitié dans diamètre. Il y avait deux boîtes approximativement 10 par 20 par 4 pouces, un sur l'autre; a été fermé et les abris ont attaché avec les vis. Sur la boîte supérieure un séparant panneau se trouvait au sujet d'un pouce épais par 15 pouces long et 3 pouces large; il a été fait d'ardoise ou caoutchouc dur ou quelque matériel d'apparence semblable. Sur ceci deux poteaux de l'agglutination qui pourraient être connectés par un petit changement ensemble étaient; aussi est monté sur ce panneau était un objet carré de 2.5 pouces approximativement, a enveloppé dans bande du frottement de qui sort deux perches approximativement 1/4 pouce dans diamètre apparemment de tamisez du fer. Deux cavités de l'ampoule ont été connectées dans le circuit. Dans un de ceux-ci il y avait une ampoule de 20 watts, et dans l'autre une ampoule de 100 watts.

Dr Moray a pris un aimant qui était un limbed très général, court U et a commencé à caresser une perche de lui sur les perches dans le corps enregistré alors. Mr Jensen a placé ses doigts sur les poteaux obligatoires plusieurs fois, et enfin a reçu un choc plutôt vigoureux. Mr Moray a jeté le changement alors et les ampoules se sont éclairées. Comme une preuve supplémentaire que la conversion de l'énergie était dû au mécanisme dans la boîte, Dr Moray a frappé la table sur que le tronc se trouvait, un coup modéré avec un marteau après quoi la lumière a trembloté et est allée fermé, dû au détecteur qui est secoué hors d'ajustement. Les boîtes dans que le mécanisme avait été logé pendant l'épreuve, a été ouvert et le contenu a examiné. Il y avait des condensateurs, le détecteur, un transformateur, et deux tubes dans eux mais rien autrement. Rien qui dans le plus petit a ressemblé à une pile.

Il sera noté qu'après une course totale de 158 heures l'appareil a fourni 635 watts; dans la mesure où un cheval-vapeur est mais 746 watts cela égale 0.878 d'un cheval-vapeur ou légèrement plus que 7/8 cheval-vapeur. Ce seul est suffisant pour se débarrasser de toute suggestion d'une pile.

Un rapport de 1929 dit: C'est maintenant plus de 2 années depuis que j'ai été fait connaissance avec Dr T. en H. Moray premier et le travail sur qu'il porte, et dans ce temps il a démontré capacité inventive d'un ordre exceptionnel. Peut-être le plus merveilleux de ses inventions est un appareil par lequel il est capable de sortir le pouvoir électrique d'une antenne. Cette énergie n'est pas dérivée par énumération de lignes à haute tension, comme a été suggéré par quelques-uns, ni il est dérivé de stations de radio, comme a été démontré en prendre l'appareil plus de 26 milles de la ligne à haute tension la plus proche et plus de cent milles de la station de radio la plus proche et montrant qu'il opère aussi bien que n'importe où autrement.

Cet appareil a été soumis à une épreuve de l'endurance dans qu'il a été opéré pour une semaine de façon continue, et à la fin de ce temps une lampe de 100 watts était lighted avec le chauffage d'un Hotpoint standard de 575 watts fer plat simultanément, faire un total de 675 watts; c'est très évident qu'aucunes piles ne pourraient soutenir un tel égout comme ceci.

Il a aussi inventé un détecteur sain très sensible par lequel c'est possible d'entendre des conversations continué dans un gros volume ordinaire de voix à une distance de plusieurs blocs. Il a aussi résolu nombreux radio hook - ups qui élimine maintenant beaucoup des parties considéré nécessaire pour bonne réception, cependant il n'y a aucune diminution dans qualité ou volume; en fait, il y a une élimination notable d'intervention d'électricité statique quand quelques-uns de ceux-ci sont utilisés. Il a imaginé un moyen par qu'il est capable de mesurer avec quelque degré d'exactitude l'énergie évolués pendant activité mentale; c'est, il obtient des déviations définies, variables de l'aiguille d'un galvanomètre sensible qui a paru être été en rapport avec la vigueur d'activité mentale. Il y a un grand beaucoup d'autres choses également remarquables qu'il a fait, tel que réduire le vieux caoutchouc de pneus du camion à l'état d'un fluide visqueux qui est vulcanisable sans l'addition de drap de la fumée aisément comme est nécessaire avec les autres processus; aussi une haute fréquence appareil thérapeutique, et nombreux autres appareils qui montrent grande ingéniosité.

Les 6 lampes sont mises dans parallèle et un petit fil du diamètre est utilisé comme le courant entre le tube avant et connecter avec le pas en bas transformateur, cela apporte le très haut voltage au transformateur. Ce voltage sautera à travers un intervalle de l'étincelle d'au moins six pouces. La fréquence du fonctionnement est si haute que je n'ai aucun instrument dans mon laboratoire qui est capable de mesurer l'ampérage ou le voltage à cette fréquence. (Avec signe, Murray O. Hayes, Doctorat.).

Dr Milton Marshall essayait d'identifier la matière que Moray a appelé sa " Pierre " suédoise. Moray a décrit le détecteur de la radio qu'il avait développé. Il l'a comparé à ce qui était connu comme le cristal d'un ensemble du cristal communément. Cependant, son détecteur était supérieur depuis qu'il pourrait conduire un haut-parleur sans l'usage d'une pile. Il a utilisé l'appareil le plus facilement démontré, la diode du germanium qui a travaillé sur le même principe pour illustrer comme il pensait que le Détecteur D'énergie Radiant a travaillé (Moray a construit la radio pour le but de montrer originairement simplement comme il était capable de ramasser des signaux de la radio avec un appareil transistorisé, en produisant des signaux suffisamment forts qui pourraient conduire un haut-parleur qui était quelque chose de non entendu de dans ce jour. Son circuit n'avait pas de piles, et c'était très semblable au vieil ensemble de circuits cristal - mis.

L'appareil a été logé dans une boîte en bois quelque chose comme 12 " par 18 ", avec une antenne et un départ moulu dans lui. Les fils qui mènent la boîte ont mené à une banque de quelques quarante ampoules de 100 watts et à un fer électrique. Moray a touché un changement au sommet de la boîte avec une main plaque électrostatique et les globes en haut que tout ont allumé brillamment. Nous avons tous noté que les ampoules ont brûlé le rhume exceptez chacun avait une tache chaude au sujet de la dimension d'une dime sur le sommet sur centre légèrement. Je rappelle aussi que je pourrais tourner les lumières en approcher et se retirant à de temps en temps et de l'appareil, non plus avec mon corps entier ou ma main. Si ma mémoire est claire, la machine a dû être réglée avec un cadran être placé dans cette condition. (Chester M. Todd, 1971)

Dans 1938, après avoir examiné le transformateur de l'appareil, Mr E. G. Jensen a affirmé qu'il a considéré que le montant de courant qu'il avait vu occupé de l'appareil était preuve positive par que le courant a développé ou dans la machine était différent à en à ce temps en usage. C'était parce que le transformateur aurait a grillé s'il avait emporté le courant normal, mais le transformateur n'a pas montré de signes d'égal ayant jamais été chaud. Il a été informé par Dr Hayes que le transformateur avait été sous les mêmes conditions du chargement pendant beaucoup de démonstrations dans le passé en usage.

Le " Nombre que 1 " condensateur a consisté en deux petits draps d'aluminium d'approximativement 30 jauge, est séparé par et prendre contact avec un morceau de verre de la plaque épais d'un quart pouce. Le verre de la plaque était plus grand que l'aluminium couvre et les a recouverts.

Le " Nombre 2 " condensateur était une unité commerciale fabriquée par 'Igred Condenser and Manufacturing Company' et avait une capacité de 0.025 mfd.

Ils ont été utilisés comme montré ici:


Avec la lampe de 60 watts et les deux condensateurs ont attaché à l'antenne et l'antenne et terre ont attaché à la boîte qui contient le matériel D'énergie Radiant comme montré dans le croquis, la lampe de 100 watts sur le secondaire ou le côté de la production était lighted. Dévisser la lampe de 60 watts de sa cavité a causé l'ampère de 100 watts de sortir, mais il immédiatement lighted quand la lampe de 60 watts a encore été vissée dans sa cavité. La lampe de 60 watts n'a pas allumé. Court-circuiter l'antenne et a fondé en plaçant un fil à travers eux, a causé la lampe de 100 watts de sortir. Les court-circuiter semblables avec les mains a aussi causé la lampe de 100 watts de sortir. Aucune électricité ne pourrait être sentie quand court-circuiter avec les mains. Si ou la terre ou les fils de l'antenne avaient été déconnectés de la boîte, la lampe de 100 watts sortirait. Ni l'un ni l'autre des condensateurs ou la lampe de 60 watts sur le côté fondamental de la boîte était nécessaire mais a été mis pour montrer simplement là que le haut pouvoir de la fréquence sautera ou les traverser.

La candidature du brevet de Moray sur cet appareil a été classée en 1931 et a repoussé sur plusieurs raisons. Firstly, " Parce qu'aucuns moyens n'ont été fournis pour causer la cathode d'émettre un nombre appréciable d'électrons, le courant produit dans la cathode par l'antenne ne chauffera pas la cathode à une température à qu'un nombre appréciable d'électrons par seconde est émis " . En d'autres termes, d'après Thomas E. Robinson, Commissaire de Brevets, un appareil de l'état solide, tel qu'un transistor, ne conserve pas travail possible. Deuxièmement, parce que " Aucune source naturelle d'énergie de la vague électrique est sue à l'Examinateur et preuve de l'existence d'une telle source est exigé ". En d'autres termes, ce n'était pas assez pour Moray pour démontrer l'effet de la source d'énergie; il l'a aussi dû identifier, lequel il ne pourrait pas faire. Aucun des candidatures brevetées originales que Henry a fait n'est tout plus long disponible au Bureau Breveté Américain. Bien que leurs vestes du dossier soient là, le contenu et candidatures elles-mêmes sont allées.

En 1942, Moray a essayé de reconstruire un appareil D'énergie Radiant, en utilisant le restant morceau de ce qui était connu comme la " Pierre " suédoise. Cette matière qui était le coeur de son détecteur du RÉ original qu'il n'avait jamais réussi à dupliquer, et la pénurie de cette matière a limité le montant de pouvoir qu'il pourrait tirer. Par conséquent, dans la grande unité, il a développé un deuxième détecteur qui l'a forcé dans recherche étendue qui implique des matières nucléaires et des réactions radioactives. Il est devenu très impliqué dans l'étude de radioactivité synthétique comme décrit par Gustave LeBon dans son livre " L'Évolution de Matière ". Les années passées et Moray a dépensé la plupart de son temps qui travaille sur ce qu'il a appelé le " contrepoids " pour éliminer le besoin pour une antenne aérienne.

Moray a dit: Assez d'énergie vient au monde pour allumer plus de 1,693,600 lampes de 100 watts pour chaque être humain sur le monde aujourd'hui. Qu'aucun combustible de tout gentil besoin soit pris comme cette énergie peut être repris par paquebots, voies ferrées, avions, automobiles, ou toute forme de transport directement. La chaleur, lumière et pouvoir peuvent être rendus disponible pour usage dans tous les genres de bâtiments et pour tous les genres de machinerie. Un exemple serait pomper de l'eau sur les terres désertiques, la source du pouvoir qui est seulement une fraction du poids de toute plante de la vapeur ou tout gentil de moteur en usage aujourd'hui et tout ce à une fraction du coût courant.

L'énergie totale impliquée dans " les radiations cosmiques " est très grande. Le mécanisme de sa génération implique un rapport de base avec la structure totale et action de l'univers. Aujourd'hui il est cru que la radiation cosmique consiste en protons et quelques nuclei plus lourds à l'origine. À temps ces paquets d'énergie cosmiques un gros coup d'autour 100 volts du quadrillion. Entrer avec les variations légères dans le temps de façon continue, les radiations ont un isotropy uniformément directionnel. Le monde, par conséquent, est entouré dans une atmosphère de radiation avec rayons cosmiques qui viennent au monde de toutes les directions continuellement, bien qu'il puisse y avoir une déviation légère des rayons plus faibles par le champ aimanté du monde. Il y a chaque indication que notre soleil n'est pas la source de tout montant appréciable de cette radiation. L'origine, par conséquent, est de l'univers dans son ensemble. L'énergie totale de radiation cosmique est plus que la production lumineuse entière de toutes les étoiles et nebulae de l'univers combinée. Le pouvoir illimité est délivré à tout le monde seuil.

Le Moray découverte D'énergie Radiante, en utilisant des radiations du cosmos comme sa source du pouvoir, donne le plus grand montant d'énergie par livre de matériel de tout système sue pour équiper. Pouvoir électrique à travers un moteur électrique ou un jet électrique dépasse toute forme d'énergie dans tout moteur dans la distribution de pouvoir loin. Il n'y a aucun centre mort de mouvement perdu dans un moteur électrique ni perte de poussée dans un jet électrique. Aussi, le moment de rotation initial est plus haut dans le moteur électriquement propulsé beaucoup que dans le moteur de la combustion.

Harnacher l'énergie cosmique est la méthode la plus pratique découverte par homme toujours. En outre, c'est possible d'utiliser cette source vaste d'énergie de l'univers sans un déménageur principal à tout point sur le monde--- sur la terre, dans l'air, sur l'eau, sous l'eau, ou même sous la terre. Si on considère qu'un générateur électrique n'est pas dans le vrai sens un générateur - comme électricité n'est pas fait par le générateur - mais est une pompe électrique simplement, le Moray l'appareil D'énergie Radiant peut être connu sous le nom d'une pompe du rayon cosmique alors: c'est, un haut oscillateur de l'électron de la vitesse qui sert comme un détecteur de radiations cosmiques qui causes une pompant action ou déferler dans son ensemble de circuits.

Expliquer la propagation de chaleur et lumière - deux des formes d'Énergie Radiante - l'homme a postulé l'existence d'un remplir moyen tout l'espace. Mais, la transmission de l'énergie de chaleur radiante et lumière n'est pas l'évidence seule dans favour de l'existence d'un tel moyen. Phénomènes électriques, aimantés, et électromagnétiques et gravitation elle-même point dans la même direction.

Attractions et place de l'enregistrement de la répulsion entre corps électrifiés, aimants, et circuits qui transportent des courants électriques. Les grandes masses peuvent être mises dans mouvement dans cette manière, en acquérant l'énergie cinétique. Si un courant électrique a commencé dans tout circuit, en correspondant courants provoqués sautent dans tout très attentivement conducteurs du neighbouring. Provenir un courant dans tout conducteur exige la dépense d'énergie. Comment, est-ce que l'énergie est propagée, du circuit aux conducteurs alors? Si nous croyons dans la continuité de la propagation d'énergie - c'est, est nous croyons que quand il disparaît à une place et réapparaît à un autre il a dû traverser l'espace survenu et, par conséquent, a existé d'une façon ou d'une autre entre-temps là - nous sommes forcés à postuler un véhicule pour sa place de la forme du transport pour placer.

Quand une particule est électrifiée, quel on doit observer en premier est qu'un certain montant d'énergie a été dépensé; le travail a été fait. Le résultat est un état électrifié de la particule. Le processus d'électrifier un conducteur est, par conséquent, l'approvisionnement d'énergie d'une certaine façon dans ou autour du conducteur dans quelque moyen. Le travail est dépensé dans changer l'état du moyen, et quand la particule est déchargée, les recettes moyennes à son état de l'original, et le magasin d'énergie a dégagé. De la même façon, une provision d'énergie est exigée pour maintenir un courant électrique, et le phénomène qui survient du courant est manifestations de la présence de cette énergie dans le moyen autour du circuit. C'était qu'une particule électrifiée ou corps ont été supposés avoir quelque chose appelé " l'électricité " qui réside sur lui lequel a causé des phénomènes électriques. Un courant électrique a été considéré comme un courant de travelling de l'électricité le long d'un fil (par exemple), et l'énergie qui a paru à toute partie d'un circuit (si a considéré à tout) a été supposé avoir été transporté le long du fil par le courant. Mais, l'existence d'énumération et interactions électromagnétiques entre corps situés à une distance de l'un l'autre mène on à considérer le moyen autour des conducteurs comme jouer une partie très importante dans le développement de ces phénomènes électriques. En fait, c'est l'entrepôt de l'énergie.

C'est sur cette base que Maxwell a fondé sa théorie d'électricité et magnétisme, et a déterminé la distribution de l'énergie dans les plusieurs parties d'un champ électrique quant à forces électriques et aimantées. Le moyen autour d'un corps électrifié est chargé avec énergie et pas d'un fluide électrique imaginaire distribué sur le corps électrifié ou conducteur. Quand nous parlons de la charge d'un conducteur électrifié nous faisons référence à la charge d'énergie dans le moyen il autour, et quand nous parlons du courant électrique ou courant dans le circuit nous faisons référence au courant seul de que nous savons, à savoir, le courant d'énergie à travers le champ électrique dans le fil.

Le travail dans produire l'électrification d'un conducteur est dépensé sur le moyen et est entreposé là, probablement comme énergie de mouvement. Dénoter ceci nous dirons que le moyen autour du conducteur est polarisé, ce mot qui est employé pour dénoter que son état ou quelques-unes de ses propriétés ont été changés dans quelque manière et dans une certaine mesure selon l'intensité de la charge. Si la charge est négative la polarisation est dans le sens opposé, les deux être raconté, peut-être, comme torsions droitières et gauchères ou rotations.

Maintenant considérez le cas d'un corps chargé alternativement, positivement et négativement dans succession rapide. Les moyens de la charge positifs une polarisation positive du moyen qui commence au conducteur et voyages dehors à travers espace. Quand le corps est déchargé le moyen est encore une fois mis gratuitement et reprend sa condition précédente. La charge négative induit maintenant une modification du moyen ou polarisation dans le sens opposé. Le résultat de charges alternatives de signe du contraire est que le moyen à tout point est polarisé dans les directions du contraire alternativement, pendant que les vagues de polarisations du contraire sont propagées à travers espace, chaque énergie du transport a dérivé de la source ou agent qui fournit l'électrification. Ici, alors, nous avons un trouble périodique de quelque roi qui se produit à chaque point, accompagné par vagues d'extérieurs du travelling d'énergie du conducteur.

Le phénomène de rôles principaux de l'intervention à la conclusion que la lumière est le résultat de troubles périodiques ou vibrations du moyen, mais comme à la nature de ces vibrations, comme à la nature exacte des changements périodiques ou que c'est cela les change, nous ne possédons pas de connaissance. Nous savons que les charges électriques alternantes sont accompagnées par correspondant changements d'état ou vibrations du moyen, et si la charge est périodiquement variée et avec rapidité suffisante, nous avons une vibration à chaque point analogue à, peut-être identique avec, que qui se produit dans la propagation de lumière - une combinaison de vague et propriétés de la particule. C'est la théorie électromagnétique de la vibration lumineuse alors.

Dans la plus vieille théorie élastique solide, les vibrations légères ont été supposées être oscillations réelles des éléments ou molécules du moyen au sujet de leurs places de reste, tel que place des enregistrements quand agite de trouble transversal est propagé à travers un élastique solide. La telle limitation est injustifiée dans une certaine mesure, mais on ne peut pas avoir les moyens de négliger la théorie de la particule de lumière tout à fait non plus. Une combinaison des théories a le mérite. Nous savons que le changement, trouble, vibration, polarisation, ou quoi que nous souhaitions à l'appeler, est périodique et transversal à la direction de propagation. La théorie électromagnétique nous apprend rien comme à sa nature plus loin, mais plutôt affirme que quel que soit la charge peut être, c'est le même dans genre comme ce qui se produit dans le moyen quand la charge d'un corps électrifié est changée ou est renversée. Il réduit lumière et vagues de la chaleur à la même catégorie comme vagues de polarisation électrique. La qualité seule du plus tardif a exigé pour constituer le fondateur est rapidité suffisante de modification. La confirmation la plus forte a été donnée à ces spéculations par expériences de Prof. L'hertz il y a beaucoup d'années.

Quand une substance résistante est soumise tendre et mettre alors gratuitement, une de deux choses peut se passer. La substance peut retrouver de la tension lentement et progressivement atteindre son état naturel, ou le recul élastique peut l'emporter passé sa place d'équilibre et le causer d'exécuter une série d'oscillations. Quelque chose de la même sorte peut se produire aussi quand un condensateur électrifié est déchargé. Dans langue ordinaire, il peut y avoir un courant continu d'électricité dans une direction jusqu'à la décharge est complété, ou une décharge oscillante peut se produire. C'est, le premier courant peut être réussi par un backrush, comme si la première décharge lui-même avait envahi et quelque chose comme recul s'était installé. Le condensateur donc est chargé encore dans le sens opposé plus ou moins, et une deuxième décharge se produit, a accompagné par un deuxième backrush, l'oscillation qui va sur jusqu'à toute l'énergie est rayonnée complètement non plus ou a utilisé dans chauffer les conducteurs ou exécuter autre travail.

Quand les condensateurs sont remplis d'énergie capturée par le Moray appareil D'énergie Radiant et alors ont déchargé à travers un circuit d'impédance adéquate, réactance et inductance, de cette façon synchronising l'oscillation de l'appareil avec ceux de l'univers, l'inertie électrique est installée. Dans le renversement du courant, les condensateurs sont chargés, sont déchargés et sont rechargés jusqu'à l'énergie entreposée dans eux lentement est rayonné dans énergie cinétique à travers l'appareil, et cette énergie peut être gardée vivant en établissant la résonance avec les oscillations de l'univers indéfiniment.

Considérant oscillations d'une mécanique, point de vue électrique et mathématique, nous trouvons cette résistance électrique est le même comme frottement mécanique et le courant est comparable à vélocité mécanique. L'inertie et inductance peuvent être considérées des termes analogues alors. Dans les mécaniques le plus grand l'inertie d'un corps, le plus long il restera dans mouvement. Dans la résistance inductance capacité de l'appareil D'énergie Radiant (REC ou RLC) circuit, le plus grand l'inductance électrique, le plus long le courant continue à le couler une fois est établi par synchronisation avec les mouvements puissants cosmiques.

Exprimé mathématiquement, les équations sont le même pour les phénomènes électriques ou mécaniques. Lequel veut dire, ce R <√ (4L / C), où R est-ce que la résistance est dans les ohms, L est-ce que l'inductance est dans henries, et C est-ce que la capacité est dans les farads. Quand c'est vrai, une décharge oscillatoire se produira et une inertie de l'inductance très puissante s'affirmera. Pour basses valeurs de R, la fréquence des oscillations peut être montrée par f = 1/2 π√ (CL). La rapidité des oscillations est gouvernée par la capacité et inductance.

Dans les forces du vibrational de l'univers, nous trouvons la clef à la source de toute l'énergie. Comme nous pouvons utiliser cette énergie pour industrie moderne sans être limité aux déménageurs de la perfection mécaniques est la question. Et, la réponse peut être un générateur d'énergie, a équilibré donc comme osciller dans synchronisation avec les oscillations de l'univers.

Dr Ross Gunn, un scientifique civil pour la Marine Américaine, il y a années énoncées que le monde est un générateur énorme, en produisant plus de 200 million d'ampères de courant électrique de façon continue. Par exemple, l'aurore boréal est considéré pour être un très grand phénomène électrique défini produit par le passage de charges électriques à travers les gaz raréfiés de la plus haute atmosphère. Le monde a été montré depuis, par Dr Gunn et autres, avoir une charge négative qui monte à 400,000 coulombs. Toujours, six pieds au-dessus de la terre l'air est chargé avec plus de +200 volts en ce qui concerne la terre.

Il est su qu'électricité des conduites de l'air loin d'objets chargés. Cette existence vrai, comment est-ce que le monde maintient sa charge depuis que c'est un objet chargé exposé à l'atmosphère environnante? Si l'air conduit électricité, la charge du monde doit passer dans l'atmosphère constamment. Et il a été calculé que le monde a une décharge continue dans l'atmosphère de 1,800 ampères. À ce taux, le monde devrait perdre 90% de sa charge dans l'air en une heure, cependant la charge du monde ne diminue pas. D'où est-ce que l'énergie du monde vient?

La conversion de matière à énergie dans les étoiles est acceptée, et, raisonner de ce qui se produit dans désintégration radioactive pendant que les vagues d'énergie sont rayonnées, on peut conclure ces vagues de l'énergie de très haute fréquence sont envoyées dehors des étoiles (un de qui est notre soleil). Bien sûr, la conversion d'énergie dans matière doit être acceptée maintenant, également.

Il a été trouvé qu'ionisation qui pourrait être le moyen pour le courant d'énergie augmentations avec altitude croissante, au lieu de diminuer comme serait attendu. Depuis la source d'énergie l'univers est, la génération d'énergie par action rotative et par tous les déménageurs de la perfection un effet est et pas une cause. L'action d'énergie oscillatoire, soyez il dans un pot Leyden, un autre condensateur artificiel, ou dans ce que nous pouvons appeler des condensateurs naturels, toujours se comporte le même. Les oscillations continueront jusqu'à ce qu'ils aient la portée leur cycle de hauteur et alors il y aura un backrush qui revient à où les oscillations sont provenues. Chaque oscillation, si grand ou petit, est complété pendant le même intervalle de temps. Ces oscillations tout prouvent le même grand fait qu'ils sont gouvernés par le même cycle de temps, complété pendant le même intervalle de temps. Les vagues d'énergie ont une note du battement régulière, va-et-vient comme les vagues de la mer, mais dans un ordre mathématique très défini - venir au monde de chaque direction avec un rythme défini.

L'énergie a une rigidité élastique ou résistante définie et densité qui sont soumises à déplacement et tension. Quand la tension est enlevée, le moyen sautera à sa vieille place en arrière et au-delà, déferler de long en large, et continuera à osciller jusqu'à ce que la pression originale soit utilisée. Si l'impédance interne est trop grande, il n'y aura pas d'oscillations, mais il glissera dans un battement mort à son état non réprimé simplement en arrière.

En coupant la résistance à un minimum et synchronising les actions ioniques résistantes de l'appareil Moray avec les actions de la vague de l'univers, les périodes d'oscillation peuvent être faites pour venir plus rapide et plus rapide jusqu'à ce que l'inertie s'affirme, donc allonger dehors le temps de dernière récupération. Cela est fait en emporter le recul au-delà les oscillations naturelles et prolongeant les vibrations en capturant le dans action oscillatoire. Quand la récupération devient distinctement oscillatoire, un modèle harmonique est commencé et les oscillations continuent, résonance qui est établie avec l'univers de cette façon.

Dans l'univers nous voyons les mêmes lois qui sont obéies comme dans nos laboratoires. Comme on trace jusqu'à les composants presque infinitésimaux de l'atome, on trouve que la matière n'existe pas à tout comme la substance réaliste que nous l'avons supposé être. Là à la fondation même, il consiste en charges plus d'énergie émises à plusieurs longueurs d'onde ou fréquences. Il devient de plus en plus certain que la complexité apparente de nature soit dûe à notre manque de connaissance. Et, comme l'image déplie, il promet une simplicité merveilleuse.

Un des rapports les plus merveilleux qui ont jamais été révélés dans la science entière de physique est cela entre lumière et électricité et l'existence d'électronique dans atomes de matière. Savoir ce que nous faisons quant à la structure d'atomes à présent, ce rapport n'est pas surprendre tout à fait ainsi. Cependant, étant donné l'absence totale de cette connaissance au sujet d'il y a un demi siècle, la découverte qui lumière, et radiation dans général, est des phénomènes vibratoires était révolutionnaire.

Parler de radiation, Radiant " ici façon d'agir des moyens d'un centre dans lignes droites dans chaque direction. L'énergie est interne et inhérente. L'énergie " est définie comme une condition de matière en raison de qui, toute portion définie peut affecter des changements dans toute autre portion définie. Cela a été écrit en 1892, et découvertes depuis confirmez-le. L'énergie est un état de matière alors, ou plutôt, le résultat d'un état particulier ou conditionne dans que la matière peut être quand d'aucuns ont observé la phase d'énergie paraît.

En plus de posséder l'énergie cinétique, l'atome est capable d'énergie absorbante intérieurement. Cette énergie interne est associée avec la configuration des particules de que l'atome est composé. Sous conditions ordinaires un atome est dans ce qui est connu comme un état d'équilibre dans qui non plus il y a un donnant fermé, ni un absorber d'énergie. Mais, l'énergie interne de l'atome peut être changée. Quand l'énergie interne de l'atome dépasse cela de son état normal qu'il est dit pour être excité. Les excitations peuvent être causées dans plusieurs chemins, par exemple, the collision of an atom with rapidly moving positive or negative particles or the breaking of lines of force in an electromagnetic generator. L'énergie cinétique est publiée quand l'excitation cause une particule d'en rendre quelques-uns ou toute son énergie cinétique à l'atome pendant collisions. Cela a lieu dans l'univers tout le temps.

Le moteur électrique et générateur n'auraient jamais été découverts si un diélectrique (isolant) n'avait pas été découvert. Si on découvre une valve diélectrique pour l'énergie de l'univers, on a la réponse à harnacher l'énergie de l'univers! Un limitant cas d'excitation est ionisation, où énergie est absorbé par l'atome pour permettre suffisamment un vaguement électron du lien laisser l'atome, contre les forces électrostatiques qui ont tendance à le tenir dans l'atome. Un atome qui en a rendu un ou plus d'électrons sont dits pour être ionisé. C'est possible qu'ionisation, c.-à-d., excitation, peut avoir lieu dans les pas consécutifs à travers absorption d'énergie des quantums. Le retour d'un atome ionisé à un état d'énergie inférieure est associé avec radiation électromagnétique. Aussi, l'énergie électrique peut être associée avec les forces du vibrational de l'univers qui entre dans le monde comme radiation cosmique du processus d'ionisation. Le plus haut la fréquence, le plus grand l'ionisation ou excitation, une forme d'énergie qui est cinétique dans nature. Il y a des énergies terribles qui viennent au monde d'espace externe. Ces énergies sont seulement manifestations différentes des énergies que nous voyons dans opération autour de nous. Dans la plupart des cas nous ne sommes pas informé de leur existence même. Ils pénètrent tout inclure nos propres corps. Chaque un de nous suis vivant en raison de ces énergies. Chaque partie et particule de l'univers sont vivantes avec eux. Les générateurs qui maintenant fournissent notre pouvoir électrique ne créent pas ou provenir tout pouvoir ou électricité; ils seulement dirigez, pompez, l'énergie existante ou électricité.

Comme dans notes musicales de haut et bas " C ", le vibrational estime (fréquences) est différent, mais toutes " les notes C " sont essentiellement le même (harmoniquement a raconté). C'est la fondation sur que beaucoup de mon enquête de phénomènes vibratoires est basé.

Il a été consenti que toutes les formes de matière vibrent à un taux particulier ou fréquence. Et, donc c'est avec les plusieurs formes d'énergie - chaleur et lumière, magnétisme et électricité. Ce sont mais forment de mouvement vibratoire connecté avec et être produit de la même source, l'univers. La matière vibre à un taux particulier, d'après son caractère, et peut être transmise dans autre substance en baisser ou augmentant son taux de fréquence. Si la fréquence est élevée assez haut, les molécules sépareront et les atomes deviennent libres. Élever encore plus haut la fréquence, les atomes se résolvent dans leurs composants originaux. Importez alors devient une forme d'énergie. Les fréquences peuvent être développées lequel équilibrera la force de gravité à un point de neutralisation. On peut aller au-delà la force de gravitation alors. Comprendre les principes de vibration est énergie vraiment compréhensive.

Dans les rayons gamma, nous trouvons des capacités qui sont équivalent à autant de 1,000,000 volts, cependant leurs longueurs de la vague ne sont pas les plus courtes su. Encore plus haut il y a des rayons qui sont connu comme " rayons " cosmiques dans les octaves. Qui peut dessiner une ligne définie et dit combien de plus hautes autres octaves existent que ce savent comme les rayons cosmiques? Notre point de départ de la découverte de ces vagues différentes était conductivité électrique de l'air, et il a été trouvé que cette conductivité est de même que fort par nuit comme par jour. Les radiations émises par le soleil peuvent être la cause seule de cette énergie à peine. Tout l'espace est saturé avec vibration, énergies qui sont électrique dans caractère indubitablement. La relation de mat à énergie et énergie importer alors devient la capacité de l'univers - une série continue d'oscillations.

Les atomes maintiennent un équilibre par oscillations, rotations, attractions et repulsions, mais cela ne perturbe pas avec une transformation d'équilibre qui, quand les transformations d'équilibre sont assez rapides, devenez d'énergie, c.-à-d., la matière devient énergie et énergie dans matière.

Il ne peut y avoir aucune génération de courant électrique et aucune énergie cinétique s'il n'y a aucun trouble d'équilibre, c.-à-d., changement de capacité ou changement de niveaux d'énergie. Quand on pense à l'oxygène et molécules de l'azote de l'air au sujet de nous déplacer avec la vitesse de balles et nous frapper et tout autrement à cette vitesse, on peut former quelque idée de l'agitation qui a lieu ici et dans l'univers.

Les oscillations d'espace externe émettent des vagues électromagnétiques de beaucoup de longueurs d'onde et fréquences. L'appareil Moray est construit ainsi que la fréquence est inférieure sur le côté secondaire beaucoup que sur le côté fondamental, et la résonance presque complète est établie. Je suis convaincu que les énergies de l'univers sont radiations actives produites par l'évolution de matière dans énergie et énergie dans matière.

La chambre du nuage de Dr Anderson à l'Institut de Californie de Technologie dans que le positron a été découvert, a fourni beaucoup de renseignements au sujet d'énergies du rayon cosmiques. Il a trouvé que quelques positrons naissent de rayons cosmiques qui cassent dans matière. Les énergies du rayon cosmiques ont déduit des pistes parties dans l'Anderson nuage chambre gamme de 100 volts à 3,000,000,000 volts. La théorie Lemaitre-Vallarts, avec les dimensions de l'asymétrie de Dr Johnson, donne des valeurs définies pour l'énergie de demi de la radiation cosmique, et expositions qu'il a distribué entre 5 milliard et 50 milliard volts de façon continue.

Le chiffre de 100 milliard volts est un résultat de Dr W. La mesure de Kolhorster de radiation pénétrante dans les profondeurs du Strassfurt sale des mines. Il a trouvé que l'énergie minimum de ces rayons avait une pénétration qui était plus grand que jamais avant a démontré. Dr Axel Corlin de l'Observatoire Lund de Suède a trouvé radiation qu'encore avait l'énergie après avoir traversé quelque peu plus grandes profondeurs et, les chiffres du voltage peuvent être faits, plus haut même par conséquent. Les énergies de 100 milliard volts ou plus sont indiquées par les grandes explosions parties par les collisions du rayon cosmiques, a appelé le stosse qui a été observé en Allemagne en particulier. Les Moray RÉ appareils ont bien travaillé dans les mines profondes également, sous eau ou haut dans les montagnes et dans un avion.

C'est approximativement 100 années depuis que la science a commencé à considérer lumière, chaleur, magnétisme, galvanisme, et électricité comme forces naturelles. Dans la partie tôt des 19e livres de l'école du siècle ces choses " ont appelé des substances " impondérables. La théorie du corpuscle de lumière a été apprise, le soleil a été supposé fournir une provision sans fin de ces corpuscles. Après que la théorie du corpuscle se soit fanée, les scientifiques ont tourné à la théorie de la vague, mais même cela a été basé sur un concept brut de mouvement des principes ultimes ou atomes, de matière. Est-ce que la théorie de l'électron a maintenant remplacé les plus tôt, et pendant que la théorie de l'électron explique les observé et faits " théoriques " améliorent que les concepts antérieurs ont fait, est-ce que ce pourrait être que, comme la plus grande lumière de rôles principaux de la connaissance nous sur, la théorie de l'électron dans tour tombera de fournir " la connaissance absolue " brusquement? L'Einstein Theory peut se trouver dans besoin de révision ou amendement; ou, dans le temps, il peut joindre les théories de corpuscles et vagues sur l'étagère arrière.

Un cas spécifique dans que le champ électrique exécute la fonction double d'excitation moléculaire et la création d'intermolecular et ions atomiques, est donné par le système utilisé par l'inventeur. C'est un utilising du système les principes de la couronne du fil avec un cylindre concentrique à pressions différentes. Le système est modifié dans conformité au concept que les réactions chimiques doivent avoir lieu quand les ions moléculaires opposément chargés d'un catalyseur activé approprié sont accélérés contre l'un l'autre dans la couronne du fil. Il consiste en un cylindre fait d'un catalyseur convenable de que les ions positifs sont émis. Les réactifs (gaz) ruisseler à travers la parallèle de la chambre à la longueur du fil atteint la polarité des ions moléculaires négatifs par le haut champ électrique près du fil. Comme ces ions moléculaires négatifs est accéléré aux angles droits au fil dans la direction du champ électrique vers le cylindre du catalyseur positivement chargé, ils sont rencontrés par une avalanche d'onrushing ions atomiques du catalyseur. Un certain montant d'enregistrements de la réaction place dans cet instant, 10-8 secondes. Cependant, quelques-uns des ions moléculaires négatifs à l'extérieur de la trajectoire libre moyenne des ions atomiques positifs sont libres de se dépêcher vers le champ cylindrique positif où ils se sont neutralisés le tête la première, et à l'instant donné une charge positive par l'avalanche d'outrushing ions positifs. Ces ions moléculaires positifs sont accélérés arrière dans le champ et entrent en collision contre les ions moléculaires négatifs qui viennent de la direction de la couronne de l'électrode négative. Cette mêlée continue jusqu'à la réaction est venu à un point où les participants individuels sont tout non plus allé ou le mélange est en dehors du champ électrique: oscillations du backrush.

L'appareil Moray a combiné avec autre matériel, consiste en une combinaison de tubes spécialement construits que nous nous reporterons à comme valves, transmetteurs " de la " pression, intercepteurs et oscillateurs. Les valves ne sont pas des redresseurs dans le sens qu'ils opèrent comme valves de la radio dans changer courant alternatif ou Hautes oscillations de la Fréquence dans Courant Direct. Ils ont une action de la valve réelle dans arrêter le " courant " d'énergie qui peut être pensée de comme action oscillatoire semblable aux vagues de la mer, sans rectification, de revenir au circuit externe, beaucoup comme un mur de soutènement pourrait arrêter les vagues de la mer de revenir. Les autres modalités et " tubes " de l'appareil sont également uniques dans leur performance. Bien qu'aucunes nouvelles lois d'énergie soient avancées ou sont réclamées comme eu été découvert, la candidature dans la méthode d'utilisation de l'énergie partout dans espace est unique dans cette " génération " est accompli par utilisation oscillatoire plutôt que par le déménageur principal conventionnel. Ceux-ci les tubes du détecteur ont une traction synchronisée avec les oscillateurs spécialement développés de haute capacité du faradic et fournissent des un moyen que l'énergie oscillante peut traverser à oscillateurs de la valve spécialement construits dont la relation à la première valve de l'étape est tel que pour autoriser des oscillations à venir dans de mais pas retour au circuit externe avec une relation variable automatique aux oscillations de l'univers, et capable de cadre en haut dans leurs circuits oscillations initiales qui coïncident avec les oscillations de l'univers.

La provision spéciale est fournie pour arrêter le RÉ tube d'été bloqué dans leur dissipation des charges créée par les oscillations qui continuellement accumulent basé sur l'effet du backrush de la capacité oscillatoire commun aux condensateurs et sont appliquées dans les tubes électronique ici. Cette action de ces appareils a l'effet d'agrandir et prolonger le temps de charge et décharge des condensateurs et l'énergie de la capacité dans le circuit à un intervalle appréciable dans parfaite harmonie avec la vague d'énergie naturelle à travers les valves de l'intercepteur et oscillateurs dans le circuit qui s'est installé le circuit pulsations électriques qui correspondent aux vagues d'énergie capturé par l'intercepteur et encore s'est empêchée de revenir à la seconde circuit externe par " les valves multi - muré ". L'acte des tubes définitif comme transmetteurs de la pression de l'énergie avec les un moyen prévenir " détourner " la condensation par une forme spéciale de " getter ". Cela arrête condensation qui accumule à la base des tubes qui bloqueraient leur action ionique.

On doit fendre " la bande de la décharge d'énergie dans lignes de variation (appel ce ce que vous voulez), lignes d'énergie ou lignes d'au-delà de la lumière les " rayons " légers. Les oscillations, par conséquent, ne deviennent pas des oscillations simples mais à travers l'action de l'univers installée un courant d'énergie qui peut être connu sous le nom de l'assertion d'inertie. Quand l'inertie s'installe, l'action continuera à cause des oscillations du cosmos, autrement on aurait une dissipation complète d'énergie et aucunes oscillations. L'oscillation vibrera pendant la même période de temps sans se soucier de la capacité, mais le taux de vibration de l'appareil dépend de la " capacité " de ses modalités, - condenseurs, etc.,

A mis dans résonance d'énergie pure, certaine énergie qui répond appareil qui synchronise avec la résonance de certaines vibrations dans l'univers, ensemble et qu'est-ce que vous avez? Énergie Useable de l'univers. Cette énergie peut venir aux planètes comme oscillations semblable aux oscillations et marées de la mer. Les tubes D'énergie Radiants reçoivent cette énergie dans mouvements puissants qui peuvent durer seulement quelques microsecondes par la pression et courant dans ces mouvements puissants est si fort que l'énergie suffisante est délivrée au matériel dans résonance pour être useable dans multiples d'éclats et dans une magnitude qui rivalise avec la lumière de jour. Souvenez-vous la résonance et pression peuvent faire beaucoup à amplifier l'énergie. Aussi se souvient que les vibrations qui entrent dehors des sources dans l'univers doivent revenir aussi à leurs sources. Rien n'est perdu. Il y a seulement un abaissement de potentiel comme eau qui coule sur une roue de l'eau.

Les tubes D'énergie Radiants ne présentent pas aucunes nouvelles lois de physique. Ils étendent la candidature de lois connues simplement, en obtenant des résultats à première pensée possible pas de cette façon. C'est l'histoire de science. Les tubes D'énergie radiants possèdent plus grande capacité d'obtenir " la saturation " et donc charge les accompagnant condensateurs à un taux plus stable. Quand un certain voltage est atteint, l'ionisation se produit dans les gaz du tube déchargé et causes les condensateurs du circuit de la valve décharger dans autres condensateurs du circuit de la valve, décharger dans autres condensateurs des oscillateurs et les autres modalités du circuit.

Quand l'ionisation dans les tubes précédents n'est plus possible à cause du voltage réduit, le processus recommence encore. La première valve passe des vibrations d'énergie dans un circuit oscillatoire; l'ionisation s'installe, une décharge se produit, et laissez-passer d'énergie à travers une autre valve dans autres oscillateurs. Le processus est répété de la première étape sur à la deuxième étape, sur aux troisièmes et ainsi de suite, beaucoup de comme une brigade du seau. Est-ce que c'est pourquoi j'ai demandé il y a années, est-ce qu'un courant stable d'eau ne peut pas être obtenu des vagues de la mer ou énergie des vibrations du cosmos "?

Quand une vibration de tous gentils coups une limite entre deux média d'impédances vibratoires différentes à un angle de moins de 90 degrés, une transformation du taux vibratoire peut être changée dans un autre taux vibratoire. L'appareil D'énergie Radiant continuera à capturer l'énergie par résonance par conséquent, ou l'appelle ce que vous voulez, aussi long que la " nourriture la vibration vivante " du cosmos continue à osciller les plusieurs étapes des valves et oscillateurs dans le circuit. Simple, est-ce que c'est pas? Juste un cas du piégeage d'énergie qui est présent dans le circuit fondamental partout et le causer d'osciller à travers les circuits secondaires à travers un circuit bloqué d'aucun retour.

Nos expériences ont prouvé qu'il y a une énergie qui existe dans l'univers qui, par développement adéquat de matériel, peut être fait disponible pour usage commercial.

Un tel transformateur d'énergie ou le convertisseur a été construit. Il a été opéré, à charge pleine de façon continue sans dépense de combustibles de tout type, sans un déménageur principal mécanique, resté vivant par les oscillations des énergies du cosmos; un convertisseur d'énergie, ou transformateur qui serait capable de convertir la haute fréquence haute énergie du niveau de la radiation cosmique dans courant de fréquence utilisable et voltage.

Fondamentalement la théorie d'opération est comme suit: Les oscillations sont commencées dans la première étape ou circuit de l'appareil en l'excitant avec une source d'énergie externe.

Le circuit est réglé " jusqu'aux oscillations est soutenu par accouplement harmonique aux fréquences de la vague cosmiques.

La renforçant action des augmentations de l'accouplement harmoniques l'amplitude des oscillations jusqu'à ce que la chute " des pulsations " maximum sur dans la prochaine étape à travers un détecteur spécial ou valve qui préviennent le retour ou réaction d'énergie de circuits suivants.

Ces " pulsations " conduisent cette étape qu'oscille à une fréquence inférieure et est encore renforcée par accouplement harmonique avec le jamais présentes vagues cosmiques.

Les deuxièmes promenades de l'étape une troisième étape, et les étapes supplémentaires sont associées jusqu'à un niveau du pouvoir convenable à une fréquence de l'useable et le voltage est obtenu au moyen de transformateurs spéciaux.



Les renseignements spécifiques sur le système de Moray sont très limités, particulièrement depuis que sa candidature brevetée a été enlevée. Le diagramme au-dessus d'et le diagramme en dessous a été reproduit de ce qui est prétendu pour être les notes de que la candidature brevetée a été composée. Ces notes ne sont pas très clair les deux dans rédiger et dans la qualité de reproduction, cependant, les diagrammes montrés qu'ici est une tentative montrer n'importe quoi qui est raisonnablement certain dans ces diagrammes clairement.


Cela est supposé être les renseignements de la construction sur la Valve Moray qui était capable d'existence résolu ou rectifier un signal ou amplifier un signal. La boîte est une tasse du métal qu'aussi forme un des contacts pour la valve. à l'intérieur de la tasse il y a quatre boulettes attachées au côté. Les deux boulettes externes sont faites de bismuth et sont fondues sur au cas du métal directement. Les deux boulettes intérieures sont attachées au cas avec le fer-blanc au lieu de soudure. Juger du dessin, il regarde comme si le métal armez contacter les boulettes peut connecter avec les deux boulettes intérieures seulement. Le bras presse contre les boulettes taillé fin de la même façon que les diodes de la moustache " du " chat du temps ont été touchées avec un fil de l'argent pour faire une remarque contacter et produisent la rectification.

Si c'est correct que le bras du rotatable contacte une des deux boulettes intérieures seulement, alors la raison pour ces boulettes du bismuth externes doit être comme une partie indirecte de la valve. Donc, cette section du cas est un arrangement du métal du cas, étamez, bismuth et cinq jonctions entre matières différentes, ne compter pas le bras du contact. Une des deux boulettes intérieures est faite de germanium purifié avec l'addition de petites quantités mêmes d'une dopant matière. Repassez le Sulfure (FeS), Sulfure du Molybdène (MoS), le Bismuth, Uranium et Argent ont été mentionnés comme dopant agents possibles. Une autre matière mentionnée est le Rôle principal qui l'a eu est structure changée par le processus décrit dans le brevet de Moray USA 2,460,707. Les boulettes sont dites pour être produit sous haute pression.

De ceci il peut être vu que nous n'avons rien comme les renseignements pleins sur le système de Moray avec froideur. Cependant, il y a plusieurs choses importantes que nous pouvons apprendre de ceci. Premièrement, utiliser juste un bon rapport de l'earthing et un aérien de seulement quatre-vingt-dix pieds (30 m) ou donc dans longueur seulement quelques huit pieds ont suspendu fermé la terre, c'est possible de sortir le courant considérable de l'environnement. La photographie montre 35 ampoules qui sont allumées par Moray et c'est un montant substantiel de pouvoir. C'est improbable que nous serons capables de reproduire la méthode exacte de Moray d'extraire le pouvoir, mais c'est très improbable que sa méthode est la façon de possible seule qui accomplit l'extraction du pouvoir effective. Donc, si nous expérimentons avec les composants et matières pour donner aujourd'hui, c'est distinctement possible que nous pourrions extraire des montants majeurs de pouvoir d'un relativement petit fil aérien placé à une vraie hauteur commode au-dessus de la terre, et un bon monde de la qualité.

Le livre de Moray " The Sea of Energy in which the Earth Floats " être téléchargés comme un eBook de 64 pages libre ici



Hermann Plauston.   Hermann Plauston a été accordé le Brevet 1,540,998 Américain en juin 1925. Le brevet est semblable dans style au système du pick-up de Tesla et il illustre le principe avec un système comme qui est beaucoup Paul Baumann “Testatica” appareil caché dans une communauté religieuse suisse loin. Le brevet est très détaillé avec 37 dessins qui montrent des arrangements différents, et il est montré dans plein dans l'Appendice. En fait, le brevet lit plus comme un travaux pratiques plutôt qu'un brevet.

Un système de ce type devrait être pris le plus sans aucun doute sérieusement: Hermann considère un de ses systèmes avec une production de 100 kilowatts comme être un “petit” système. Il illustre des plusieurs méthodes différentes de capture d'énergie et plusieurs méthodes d'augmenter l'efficacité de l'énergie capturée. Pendant qu'une installation capturer une provision continue de 100+ kilowatts est irréaliste pour un individu, il y a la possibilité distincte de faire une version pesée en bas qui est capable de fournir des niveaux sérieux de pouvoir libre. Parcourir son brevet sera recommandé avec soin sans aucun doute


Herman commence en illustrant comment l'électricité active peut être prise d'une machine Wimshurst. Le Wimshurst production voltage est très haut et la capacité courante est très basse et la plupart des gens le renverraient hors de main comme être totalement inadéquat pour tout gentil de travail pratique. Cependant, Hermann pistonne le niveau du pouvoir en nourrissant la production dans un pas en bas transformateur qui baisse le voltage de la production à un niveau commode et augmentations le courant disponible par rapport à la réduction dans le voltage. C'est la même technique faite breveter par Nikola Tesla. L'appareil que Herman illustre est montré ici:


Son brevet dit: “En sélectionnant la proportion entre le nombre de tours dans le windings fondamental et secondaire convenablement, quant à une candidature correcte des coefficients de résonance (capacité, inductance et résistance) le haut voltage du circuit fondamental peut être converti dans un bas voltage haute production courante convenablement “. De lui devrait être se souvenu qu'une étincelle produit un augmenter pulsation du voltage très taillé fin et cela déséquilibre le champ de l'énergie quantique local, comme décrit plus tôt, en produisant de très grands courants de l'énergie comme les recettes de l'environnement locales au sien ont équilibré l'état stable. L'étincelle qui est produite par relativement bas pouvoir est utilisée comme une gâchette pour vastement plus grands courants de l'énergie qui nourrissent le pas en bas transformateur en produisant le courant sérieux à voltage raisonnable, capable de faire travail utile, sans l'exigence pour tout pouvoir de l'entrée de l'utilisateur.

Vous remarquerez comment simple ce circuit est. Trois condensateurs “a1”, “b1” et “c1” dans une chaîne, formez un condensateur de haut voltage seul. Les taches montrées suivi à travers ces condensateurs sont les intervalles de l'étincelle de la décharge de l'urgence ont mis pour négocier avec les événements exceptionnels comme là l'aérien être frappé par un coup foudroyant. Ce circuit est comme le Wimshurst beaucoup usinez circuit que Hermann utilise comme une illustration du principe d'opération de ces genres de circuits. Dans ce circuit, il montre qu'un moteur spécial a marqué “M” lequel est conduit par le circuit et il montre aussi terminaux de la production qui peuvent avoir l'autre matériel connectés à travers eux.

Quand les décharges oscillatoires dans le circuit fondamental deviennent plus faibles ou cessent tout à fait, les condensateurs sont encore chargés encore par l'électricité statique jusqu'à la charge accumulée se casse à travers l'intervalle de l'étincelle. Tout cela est répété aussi long que l'électricité est produite par la machine statique à travers la candidature d'énergie de la mécanique à lui. Herman états cela sans l'arrangement de l'intervalle de l'étincelle à travers les trois condensateurs connectés entre l'aérien et le monde, “c'est impossible rassembler et rendre des grandes quantités disponibles d'énergie électrique”.

En plus de l'usage d'intervalles de l'étincelle dans parallèle, une deuxième mesure de sécurité est aussi nécessaire pour prendre le courant de ce circuit. C'est l'introduction d'électro-aimant protecteurs ou étouffant bobines dans le circuit aérien comme montré par S dans le diagramme dessous. Un seul “électro-aimant” avoir un coeur des laminages séparés possibles les plus minces été connecté avec l'aérien. Dans le cas de hauts voltages dans le réseau aérien ou à places où il y ont des orages fréquents, plusieurs telles bobines toroidal - blessées peuvent être connectées en série.


Dans le cas de grandes unités, plusieurs tels aimants peuvent être employés dans parallèle ou en série parallèle. Les windings de ces électro-aimant peuvent être connectés avec l'aerials simplement en série. Dans ce cas, les windings devraient être créés de plusieurs amincissez des fils parallèles qui ensemble, créez la région croix - d'un groupe nécessaire de fil. L'enrouler peut être fait de primaire et windings secondaire dans la forme d'un transformateur. Que la volonté sinueuse fondamentale soit connectée avec le réseau aérien alors en série, et le secondaire enroulant plus ou moins court-circuité à travers une résistance régulatrice ou une bobine de l'énumération. Dans le cas dernier c'est possible de régler, dans une certaine mesure, l'effet de ces étouffant bobines.


Fig.5 montre un arrangement pour produire des grands courants qui peuvent être utilisés directement, sans moteurs, fournir chauffer et allumer. La différence principale ici est que l'intervalle de l'étincelle consiste en un disque 7 en étoile lequel peut tourner sur son propre axe et tourner par un moteur en face de de la même façon électrodes 7a en bonne santé. Quand les points séparés des étoiles font face à l'un l'autre, les décharges ont lieu, donc former un circuit de l'oscillation avec les condensateurs 5 et 6 et inductor 9. Un moteur peut aussi être connecté directement aux fins d'inductor 9.

Le brevet continue en montrant beaucoup de chemins augmenter le pouvoir du système aérien et beaucoup de façons de qui appliquent la production aux appareils électriques pratiques. Il contient 37 diagrammes, une richesse de renseignements pratiques, et une copie de lui est dans l'Appendice.



L'artifice de Roy Meyers.   Roy Meyers a été accordé le Royaume-Uni Brevet 1913,01098 en janvier 1914. Le brevet qui est inclus dans l'Appendice expositions un appareil extrêmement simple qui produit une production électrique sans toute forme d'entrée visible quoi que. C'intriguer l'appareil a été découvert quand tester une forme très simple où deux aimants en fer à cheval ont été interconnectés avec fil du fer doux et deux barres de zinc placé entre les jambes des aimants. Roy a trouvé qu'il a obtenu une production de 8 volts qui utilisent juste deux aimants de 4 pouces avec les jambes carrées de 1 pouces et le zinc défend de dimension semblable. L'orientation physique de l'appareil est très importante. Le brevet dit que le courant est rassemblé si les fins ouvertes des aimants pointent dans un Nord - direction Du sud et pas si ils sont placés dans l'Est - direction Ouest. Cependant, les tentatives de la reproduction paraissent indiquer le revers de ceci avec pick-up d'énergie qui se produit quand l'alignement est De l'est À l'ouest. Les indications sont que ce n'est pas un appareil facile pour obtenir le fonctionnement correctement.

Le premier arrangement est montré dans le diagramme suivant:


Roy a développé son système plus loin et a trouvé que pendant qu'il travaille à l'intérieur, il exécute mieux si a localisé dehors et levé à une hauteur de cinquante ou soixante pieds. Cependant, c'est par aucuns moyens essentiel, et la production propulse et le voltage peut être augmenté en augmentant le nombre d'unités du collecteur. Roy a développé ceux-ci pour produire le style montré ici:


Le zinc agit plus efficacement si a installé comme draps courbés dans une forme V. Les aimants et draps du zinc peuvent être empilés l'et/ou verticalement horizontalement et le plus grand le nombre a utilisé, le plus grand la production électrique. Un bon rapport du monde est recommandé et vraisemblablement, la pipe de l'eau froide moyenne de toute maison fournit un plus que rapport du monde adéquat qui est commode à usage, à condition le pipework est fait de métal.


Raymond Phillips Snr.
Les présents un USA 4,685,047 brevetés intéressants de 4e le 1987 août, a intitulé “Appareil pour Convertir l'Énergie de la Fréquence de la Radio pour Diriger le Courant”. Pendant que ce brevet parle d'énergie de la radio - fréquence, je ne peux voir aucune raison particulière pourquoi ce serait l'énergie seule qui pourrait être ramassée par cet ensemble de circuits. Les renseignements brevetés sont comme suit:

Le résumé:
Ce brevet décrit un appareil et méthodes pour convertir l'énergie de la fréquence de la radio dans courant direct pour produire le pouvoir électrique. Il inclut une antenne du dipolar pour recevoir énergie de la fréquence de la radio et un circuit pour convertir l'énergie de la fréquence de la radio pour diriger le courant. Le circuit a une ligne de la production positive connectée à une perche de l'antenne et une ligne de la production négative connectée à l'autre perche de l'antenne. Une transmettant diode positive est dans la ligne de la production positive et une transmettant diode négative est dans la ligne de la production négative. En premier et deuxièmes lignes de l'autobus et une paire de circuits réglés de couple de la polarité du contraire la ligne de la production positive et ligne négative à la ligne de l'autobus avec une de l'existence des lignes de l'autobus connectée à fondée. Chacun a réglé le circuit inclut une en premier liant ligne qui connecte la ligne de la production positive aux premier et deuxièmes lignes de la terre et une seconde qui lient ligne qui connecte la ligne de la production négative aux premier et deuxièmes lignes de la terre. Chacun lier la ligne a dans lui, une diode a connecté avec une polarité qui est renversée en ce qui concerne la diode de l'entrée. Les liant lignes de chacun réglées le circuit sont connectées à l'un l'autre par un inductor et ont des condensateurs placés entre la diode et les lignes de l'autobus. Un appareil Courant Direct est connecté à la ligne positive du circuit.

Origine de l'Invention:
Cette invention montre un appareil pour convertir l'énergie de la fréquence de la radio pour Diriger Courant de magnitude suffisante pour propulser des appareils tel que chargeurs de la pile et moteurs électriques sans l'usage d'amplification.

Il y a eu l'intérêt dans technologie dirigée à transmettre l'énergie électrique sur une distance sans utiliser des fils longtemps. Le développement d'une telle technologie a la capacité énorme. Cela a été reconnu par Nikola Tesla qui en 1899 a construit une bobine Tesla de 200 pieds en premier a estimé à 300 kilowatts à 150 kilocycles. Tesla a espéré installer des vagues debout d'énergie électrique autour de la surface entière du monde, afin que recevoir l'ensemble des antennes à points optimums pourrait tapoter le pouvoir quand a eu besoin. Tesla était capable d'allumer centaines de lampes à une distance d'approximativement 40 kilomètres avec son appareil sans utiliser des fils. Le plan est resté une curiosité scientifique généralement mais a fourni le fondement initial pour les développements courants où tentatives est fait pour transmettre pouvoir qui utilise des micro-ondes. Cependant, le pouvoir transmis par les micro-ondes est envisagé dans la forme d'une poutre de très haute intensité qui est concentrée d'un générateur de la micro-onde à une antenne de la réception. Cette technologie est envisagée comme être utilisé pour beaucoup de types de buts, cependant, la poutre de la micro-onde concentrée n'est pas convenable pour beaucoup de candidatures parce que la poutre doit être dirigée vers une antenne de la réception et ne peut pas être transmise à travers la plupart des objets, pendant qu'inclure des objets vivants, sans détruire ces objets.

Cette invention compte en convertissant l'énergie de vagues debout qui sont émises d'antennes de la fréquence de la radio dans le RF alignent plutôt que la gamme de la micro-onde. D'intérêt particulier les très basses fréquences qui ne sont pas utilisées dans les communications et sont disponible pour transmettre le pouvoir sont. Aussi d'intérêt est les basses vagues de la fréquence émises par le monde dû à battre de son champ aimanté. Cette basse fréquence que les vagues du monde " debout " peuvent être ramassées par receveurs réglés à eux.

Résumé de l'Invention:
Cette invention montre une Radio Fréquence (“ RF “) antenne pour recevoir des ondes radio. L'antenne RF connectée à un circuit configuré pour convertir le RF signale pour Diriger le Courant. Les signaux de la fréquence de la radio reçus par l'antenne sont transmis à deux rôles principaux, un être rectifiés pour produire du voltage positif et l'autre a rectifié pour produire le voltage négatif. Le rôle principal du voltage positif est connecté à une ligne de la production positive directement et le rôle principal du voltage négatif est connecté à une ligne de la production négative directement. La ligne de la production positive est connectée à une paire de lignes de l'autobus à travers une première paire de condensateurs, pendant que la ligne de la production négative est connectée à la paire de lignes de l'autobus par une deuxième paire de condensateurs. Placé entre la première ligne de l'autobus et la ligne de la production positive est une diode inverse de polarité négative, pendant qu'a placé entre la ligne de la production négative et en premier la ligne de l'autobus est une diode inverse de polarité positive. Les lignes de la production positives et négatives sont connectées à l'un l'autre à travers un inductor qui est dans parallèle avec les condensateurs de la premier et deuxième paire connecté entre la deuxième ligne de l'autobus et les lignes de la production positives et négatives.


Dans une mise en oeuvre de l'invention ce circuit est dupliqué pour chaque ligne de la production positive et négative. Dans un autre le circuit a associé aux circuits identiques supplémentaires pour augmenter la production courante directe de l'arrangement. Dans une autre mise en oeuvre, l'antenne utilisée est une antenne du dipolar de fil de l'aluminium arrangée dans une " configuration du papillon ".

Cette invention utilise ces éléments pour produire courant direct de pouvoir suffisant pour exécuter des tâches tel que charger des piles, en allumant des lampes et propulsant des moteurs électriques courants directs sans l'usage d'amplificateurs.


Description brève du dessin:
Les caractères de la référence ont utilisé l'exposition les mêmes ou semblables parties dans chaques vues, et ce qui est montré est un diagramme d'un circuit, un appareil commandé et une antenne du dipolar qui reçoivent la fréquence de la radio agite qui est converti à courant DC pour propulser l'appareil commandé alors.


Description de l'incarnation préférée: Faire référence maintenant au dessin dessous, là est montré une antenne du dipolar, a désigné par généralement le numéral 10 qui reçoivent des vagues de la fréquence de la radio d'un transmetteur RF.


Ces vagues sont traversées au circuit de la conversion un câble 13 coaxial et le DC production courant du circuit est utilisé pour propulser une production appareil 15 qui peut être par exemple, un chargeur de la pile, moteur DC, ou allumer l'appareil. Le circuit n'a pas d'autres entrées du pouvoir et donc n'a pas d'amplificateurs pour pistonner l'énergie RF.

La source de fréquences qui peuvent être converties pour Diriger le Courant par le circuit montrée peut inclure des sources de haute fréquence (HF), basse fréquence (LF), très basse fréquence (VLF) et extrêmement basse fréquence (ELFE) ondes radio aussi bien que vibration sismique des champs aimantés du monde.

De préférence, le dipolar l'antenne 10 est formée de deux boucles triangulaires de fil de l'aluminium 16 et 17 un de qui sont connectés au conducteur 21 annulaire du câble 13 coaxial et l'autre de qui est connecté au centre conducteur 22 du câble coaxial. La dimension de l'antenne 10 bipolaire est dépendante sur la candidature particulière à qu'il est mis. Dans une incarnation de l'invention, l'antenne 10 est approximativement 12 pouces dans largeur et 18 pouces dans longueur. Une telle antenne est utilisée recevoir l'énergie de cinq watts, tel que cela produit par un talkie-walkie ou radio de la citoyen - bande.

Le conducteur externe de l'aérien est connecté à rôle principal 21 positif et le conducteur de centre du câble coaxial est connecté au rôle principal 22 négatif du circuit. Une transmettant diode positive que D1 est placé entre le rôle principal 21 et la production positive ligne 25. Une transmettant diode négative que D2 est placé entre le rôle principal 22 et la production négative ligne 26.

Pour fournir une production DC de pouvoir suffisant, plusieurs inductance capacité RF a réglé des circuits 30, chacun qui forme une cellule positive, ou une cellule négative, est utilisé pour connecter la production positive ligne 25 et production négative ligne 26 au premier et deuxième autobus règle 31 et 32, respectivement. L'autobus à que la ligne 32 est connectée a fondé pendant qu'autobus que la ligne 31 peut être connectée aux circuits semblables. Inductor 35 services comme un starter de la fréquence de la radio. Comme est vu du dessin, le RF a réglé le circuit la cellule 30 est répétée une pluralité de temps. Dans l'exemple spécifique montré, le circuit a des cellules 30 séparées, 37, 38 et 39. Les cellules que 30 et 38 sont de polarité du contraire et balance l'un l'autre, pendant que les cellules 37 et 39 sont de polarité du contraire et aussi balance l'un l'autre. Dans ordre pour le système une paire de contraire a polarisé pour fonctionner, les cellules doivent être utilisées. Le nombre particulier de cellules 30 et la valeur des composants dans lui, est déterminé par la configuration du dipôle antenne 10 et le pouvoir et fréquence du transmetteur RF.

Cette fréquence de la radio diriger le circuit de la conversion courant se peut soit connecté à un circuit en double par épingle 41 donc comme fournir la production du courant directe supplémentaire sur les lignes semblable à production positive ligne 25 et production négative ligne 26 que les lignes de la production peuvent être connectées pour pistonner la production totale du système ensemble.

Une incarnation en vigueur de l'invention utilise les éléments suivants:

Les diodes: D1, D2, D3 et D4 - Diodes du Germanium, écrivez-en à la machine 1N34A,
Inductors: 35-47 millihenry R. F. Le starter
Les condensateurs: C1 et C2 - 0.47 Farads Pico à 200 volts
Le Câble coaxial: 13 - 50 ohms
L'Antenne Dipolar: fil de l'aluminium boucles triangulaires approximativement 12 pouces par 18 pouces.

De la description précédente, un habile dans l'art les caractéristiques essentielles de cette invention peuvent constater facilement, et sans partir de l'esprit et étendue de lui, peut faire plusieurs changements et modifications de l'invention pour l'adapter aux plusieurs usages et les conditions.


Le Système Antenne de “Alexkor”.   ‘Alexkor’ qui a fourni certains des circuits chargeants montrés dans le chapitre 6, utilise aussi un système aérien de charger batteries dans le 1.5V à 6V la gamme. C'est un système simple qui utilise une antenne du type utilisé par Thomas Henry Moray, c'est-à-dire les marchandises en vrac de l'antenne sont horizontales :


La suggestion est que l'antenne est suspendue entre l'avant-toit d'une maison et d'un arbre proche, mais je ne connais personne qui serait en mesure de le faire. Plus long l'antenne ou le plus grand le nombre d'antennes a communiqué, plus grand le pouvoir chargeant disponible. Le fil antenne devrait être pas moins de 0.5 millimètres dans le diamètre et il doit être isolé de c'est des soutiens – la corde de plastique peut être utilisée pour cela. Le circuit utilisé est :


Une version plus puissante du circuit est :




Ici, il y a trois ensembles des diodes placées entre l'antenne et la terre. Permettez-moi de souligner de nouveau que la connexion de terre est un fil de cuivre épais raccordé à une longue baguette ou à une pipe conduite dans la terre ou une grande plaque en métal enterrée dans la terre humectée.

Comme le circuit opère, les trois ensembles des diodes avec leurs condensateurs d'isolement, accumuler un voltage augmentant sur “C1” de condensateur. Le voltage au point “B” augmentera aussi et sera environ douze volts moins que le voltage sur “C1” de condensateur. Finalement, ce voltage montera assez haut pour provoquer un renvoi par le tube au néon très petit et ces écoulements d'impulsion du courant par la connexion de Porte “G” du thyristor, en l'allumant. Une fois allumé, le thyristor reste jusqu'à ce que "C1" de condensateur n'ait été renvoyé, après lequel, le thyristor éteint et les débuts de processus dès le début. La quantité de pouvoir dans ces pouls est considérable et le thyristor devient tout à fait chaud quand le circuit court. Le BT151-800R thyristor peut manipuler jusqu'à 800 volts et passer 7.5 ampères de courant constamment.

Un point important pour noter est que le pouvoir disponible de ce circuit augmente avec les antennes supplémentaires. Avec deux antennes raccordées, le pouvoir est doublé et avec trois antennes le pouvoir est triplé. Ainsi, chaque antenne supplémentaire fournit autant de pouvoir que la première antenne a fait et là n'a pas l'air d'être n'importe quelle limite au nombre d'antennes qui peuvent être raccordées.



Le “TREC”
Il y a un système antenne puissant qui a été développé par Lawrence Rayburn du Canada. Au départ, Lawrence a eu l'intention de commercialiser des kits pour le rendre facile pour les gens de copier son design antenne qui lui fournissait dix kilowatts de pouvoir. Pourtant, Lawrence a mis cette idée en suspens comme il a décidé que le risque aux utilisateurs était juste trop haut. Il a été aussi concerné que la combinaison antenne/de terre pourrait attirer des grèves de foudre, en provoquant le dommage local considérable. Ainsi il est TRÈS important que vous comprenez que c'est un système antenne dangereux et POTENTIELLEMENT MORTEL qui est tout à fait capable du meurtre de vous si vous êtes négligents. Si vous n'êtes pas déjà connus dans le travail avec les artifices high-voltage/high-current, donc ce n'est pas quelque chose pour vous pour faire des expériences avec et quelqu'un qui fait vraiment l'imbécile avec ce design fait si entièrement à son propre risque que cette matière est présentée “pour les buts d'information seulement” et il n'y a aucune recommandation du tout que vous devriez vraiment construire un de ces systèmes antenne.

La technique utilisée se distingue tout à fait des autres systèmes antenne mentionnés plus tôt dans ce chapitre. Ici, l'objectif est de créer une cavité accordée, résonnante arrivant jusqu'à l'ionosphère où il y a une quantité massive d'énergie d'excès fournie par le soleil.

Le mécanisme s'accordant se compose de deux spirales de blessure de pipe couleur cuivre 3/4-inch (de 20 millimètres) pour qu'ils couvrent une région de diamètre (de 1220 millimètres) de quatre pieds. Ces spirales sont couvertes ci-dessus et ci-dessous avec un drap de plastique Lexan. Le diamètre de la pipe couleur cuivre est important et le plus petit diamètre ne devrait pas être utilisé bien qu'il soit beaucoup plus facile de tourner dans la forme. Vraiment, le fait de tourner la pipe de cuivre de grand diamètre ne sera pas probablement une tâche facile. Sans doute, une machine tournante pipe serait utilisée et une spirale conique produite et ensuite le cône écrasé pour former la spirale plate. La spirale a même des espaces entre les tours, à tous les points le long c'est la longueur.



Les deux spirales sont montées, un verticalement au-dessus d'autre avec trente pieds (9145 millimètres) entre eux et la spirale plus basse étant un pied à 305 millimètres au-dessus de la terre. Cela signifie que ce système antenne convient seulement aux gens qui peuvent ériger une structure de cette hauteur sans déranger des voisins ou enfreindre des règlements de planification locaux.

La cavité tuneable est créée en raccordant les fins intimes des deux spirales en utilisant ensemble 4 fil d'AWG qui a un coeur de cuivre de diamètre de 5.19 millimètres. La fin extérieure de la spirale plus basse est alors raccordée à deux pieds enterrés d'une plaque de grande terre à 600 millimètres au-dessous de la surface de la terre, avec quatre fils séparés du fil de 4 AWG.

Un trou d'étincelle ajustable est utilisé. Il peut être placé dans le fil vertical entre les deux spirales, ou au milieu d'un fil de 4 AWG supplémentaire dirigé verticalement entre les fins extérieures des deux spirales. La puissance à la sortie est à partir du milieu du fil vertical central.

La cavité est accordée en faisant glisser des bobines à l'intérieur de l'un l'autre. Cet arrangement accorde non seulement la cavité mais il reduit aussi le très haut voltage antenne petit à petit et lève le courant disponible en même temps. C'est où le danger entre. Les parties intermédiaires de ce pas en bas accordant l'arrangement peuvent avoir des voltages de 600 volts au haut courant et ces voltages peuvent facilement vous tuer, qui est pourquoi ce n'est pas un système pour les débutants et pourquoi Lawrence n'a pas continué de vente des kits pour ce système antenne.

La production de l'antenne est nourrie dans un transformateur de pas en bas final et 50 Hz (les cycles par seconde) ou 60Hz le signal d'un générateur de signal est utilisé pour moduler le pouvoir entrant et y permettre d'être utilisé avec l'équipement de conduite principale normal qui peut avoir besoin de cette fréquence de courant alternatif. Les chauffages résistifs et les lumières n'ont pas besoin du courant alternatif ou se soucient de la fréquence de n'importe quel courant alternatif qu'ils reçoivent.

Le fait d'accorder du système est très pointu et ce qui est utilisé comme la charge affecte le fait d'accorder. Le fil utilisé pour la matrice s'accordant est isolé, le fil couleur cuivre de-base-solide simple. 4 AWG ont un diamètre de fil de 5.19 millimètres, 8 AWG a un diamètre de fil de 3.26 millimètres, 10 AWG a un diamètre de base de 2.59 millimètres et 16 AWG a un diamètre de fil de 1.29 millimètres. La page 1 de l'Appendice montre d'autres caractéristiques pour ces fils. Ces lourds fils sont une partie essentielle de ce design.

Vous remarquerez que deux connexions séparées de terre sont nécessaires pour ce système d'antenne. La deuxième connexion de terre devrait être une longue baguette de cuivre conduite profondément dans la terre et une distance loin de la terre de plaque enterrée. Pour la séparation de deux connexions de terre, on considère généralement que dix mètres sont une distance raisonnable entre eux. La terre principale est la plaque de 4 pieds x 4 pieds enterrée exactement sous la spirale plus basse et les courses de connexion au centre de cette plaque.

Il est suggéré que le trou d'étincelle est construit en utilisant du carbone habillé-cuivre les baguettes soudables, montées dans une habitation de nylon qui permet au trou d'être réglée avec une vis de NYLON. Souvenez-vous que ce n'est pas une connexion que vous pouvez débrancher de l'alimentation électrique en faisant des ajustages. Aussi, dans une occasion quand une ampoule de 500 watts a été raccordée à travers le trou d'étincelle, il a incendié immédiatement avec un éclat brillant de lumière. Ce système n'est pas un jouet ainsi les gants épais de caoutchouc et les chaussures de caoutchouc devraient être utilisées.

En utilisant des attaches de pipe de cuivre, les fils de cuivre de 4 AWG peuvent être raccordés aux baguettes de cuivre formant les électrodes d'étincelle. Une baguette de nylon pointue pourrait être utilisée pour régler la vis de trou d'étincelle en gardant bien loin du cuivre. Le trou d'étincelle devrait commencer à un trou de 25 millimètres et réglé à pas moins qu'un trou de 12 millimètres. Le trou d'étincelle et cela s'adaptent le matériel devrait être entouré dans un récipient météorologique-proofing et il a été suggéré qu'il pourrait être et profiter pour remplir ce récipient du gaz d'hélium.

Souvenez-vous s'il vous plaît que les bobines, comme ceux dans la section s'accordant de ce système, ont la capacité aussi bien que l'inductance. L'isolation de bobine est un diélectrique et vous étant debout sur la terre formez une bonne connexion de terre, ainsi n'imaginez pas s'il vous plaît que vous ne pouvez pas recevoir un choc sérieux de manipuler une bobine isolé portant le haut voltage le courant de courant alternatif à haute fréquence et dans une implémentation après la modulation dans le mixeur à 60 Hz le voltage de transformateur de pré-production a été mesuré à 3496 volts!

Si vous n'êtes pas connus dans le travail avec l'ensemble de circuits de haut voltage et décidez toujours d'essayer de construire et utiliser ce circuit, mettez donc s'il vous plaît vos affaires pour et paient vos frais de funérailles d'avance avant que vous commencez à construire. (Que la déclaration n'est pas destinée pour être humoristique).

On le dit que si la spirale supérieure est placée à une hauteur de juste 1200 millimètres, donc la production est beaucoup plus basse et convenable au fait de charger une banque de batterie. Autant que je prends conscience, ce système n'a pas été copié et ainsi il n'y a eu aucun feed-back pratique en bâtiment ou utilisation de cela.

Le TREC a l'air d'être semblable à l'Application Brevetée US 2008/0191580 de Harold Deyo:


Artifice d'Échange d'Énergie Harmonique

Application brevetéen US 2008/0191580             Inventeur: Harold Stanley Deyo             14 août 2008

RÉSUMÉ

Cette invention convertit des impulsions d'inertie en courants électriques. Spécialement, il convertit des impulsions créées par les impacts de particules de haute énergie du Soleil et d'autres sources cosmiques dans le Magnetosphere de la Terre et le changement D, E, F1 et les couches F2 de son Ionosphère aux courants électriques contrôlés. Cette invention présente une nouvelle méthode pour utiliser l'énergie du Soleil et d'autres sources de hauts articles d'énergie comme pratiquement, inépuisable, la source d'énergie alternative pour le monde.


FOND DE L'INVENTION
Cette invention rattache à la conversion d'énergies d'impact créées par la collision de grande vitesse des particules cosmiques et radiations électromagnétique avec les Couches Extérieures de "Terre” pour produire des signes d'inertie dans la Troposphère diélectrique qui sont par la suite convertis en électricité selon cette invention.

Le terme “les Couches Extérieures de Terre” fait allusion à : le Magnetosphere de Terre, les Ceintures de Van Allen, l'Ionosphère, Mesosphere et la Stratosphère comme illustré dans Fig.2:



DESCRIPTION DE L'ART PRÉALABLE
Un jour en lisant un vieux magazine scientifique j'ai vu un petit article de la recherche de Dr John Trump de MIT (la base pour un générateur électrostatique fait breveter plus tard par Onezime P. Breaux aux US. 4,127,804). L'article a parlé d'une série d'expériences que l'Atout de Dr avait exécutées avec une 2 plaque, le condensateur dans un diélectrique à vide. Brièvement, il a découvert qu'en variant la distance entre les deux plaques on pourrait produire des écoulements actuels dans une direction ou d'autre entre n'importe laquelle des plaques et de la terre.

Le Vent Solaire frappe “les Couches Extérieures de Terre” constamment aussi bien que beaucoup d'autres particules cosmiques. À n'importe quel instant donné de temps, le produit vectoriel de ces impacts produit augmentation de pression nette ou diminution dans la Troposphère. Cela crée des signes au hasard de pression dans les Couches Extérieures de la "Terre” comme mouvements "de plaque" chargés par rapport à la surface de la Terre en face chargée comme l'autre "plaque". Cette variation de pression dans les Couches Extérieures de la "Terre” est équivalente au mouvement "d'une plaque" extérieure ça et là vers la Troposphère et la surface de la Terre comme "la plaque" intérieure - ainsi en donnant lieu aux variations dans le voltage sur les deux "plaques". Dans ce cas-là la Troposphère (voir la Figue 2) les actes comme le médium diélectrique au lieu du vide dans les expériences d'Atout. En outre, la Troposphère, lui-même, est aussi comprimée et a décomprimé par ces signes au hasard de pression sur les Couches Extérieures de la "Terre”. Ainsi, j'ai soutenu que si on pourrait créer une enveloppe chargée ou un champ de voltage suffisant dans la Troposphère, on pourrait convertir ces signes de pression au hasard dans la Troposphère diélectrique dans l'écoulement actuel sur la surface de la Terre.

Comme “les Couches Extérieures de Terre” entourent la planète, n'importe quels signes d'impact se propagent partout dans tous quand ils sont présents - même au côté nocturne de la planète. Ainsi, j'ai aussi soutenu que l'on pourrait extraire le pouvoir de ces impacts n'importe où sur la surface de Terre ou dans c'est l'atmosphère si cela être le jour ou la nuit. Les signes de pression sur le côté sombre de Terre seraient moins énergiques que ceux se produisant sur le côté de jour, parce que les couches nocturnes de l'Ionosphère sont comprimées tellement que la D-couche de l'Ionosphère disparaît la nuit et le F1 et les F2-couches de la moissonneuse-batteuse d'Ionosphère dans une F-couche. J'ai calculé que l'énergie disponible de ces signes d'impact serait de façon significative moins de 30-45 % selon son endroit sur le côté nocturne de la planète à l'égard du terminator.

Il y a beaucoup d'années, 1900, Dr Nikola Tesla a construit et a évalué un artifice d'extraire l'énergie du Soleil en utilisant un appareil qui fait la partie de ma propre invention (voir US 685,957 et US 685,958 datés le 5 novembre 1901).

Par la suite, Dr Thomas Henry Moray, un autre inventeur et étudiant de ces brevets de Tesla ont fait un artifice qui a apparemment accédé à la même source d'énergie, mais avec une méthode différente que mon propre. Comme on n'a pas jamais accordé de brevet à Dr Moray pour son artifice je ne peux pas être certain que son travail est considéré l'art préalable mais je l'énumère ici comme faisant partie de ma diligence due. Apparemment, il avait le problème expliquant au critique breveté, on n'a pas accordé la source d'énergie que son artifice convertissait et ainsi, un brevet pour son travail impressionnant. La divulgation publique de Dr Moray de certains aspects de son invention est la connaissance publique par ses conférences publiées et son livre, “The Sea of Energy in which the Earth Floats” - publiaient en 1931.

Depuis le début du 20ème siècle, l'humanité a cherché de nouvelles sources de pouvoir électrique de nourrir les demandes d'énergie jamais-augmentant de la population humaine. À la dernière moitié du 19ème siècle, le charbon, le pétrole de baleine, l'humain et le travail d'animal, en déplaçant de l'eau, un vent et un bois étaient les sources principales d'énergie. Pourtant, à premier quart du 20ème siècle, l'humanité a commencé à utiliser plus d'électricité produite par les générateurs hydroélectriques et les générateurs produisant l'électricité par la combustion de combustibles d'hydrocarbure. Avec l'utilisation augmentante de moteurs à essence et de l'utilisation augmentante d'appareils électriques la demande pour l'électricité a accéléré l'adjonction de chaleur et de serre gasses dans l'écosystème de la Terre.

À la dernière moitié du 20ème siècle, beaucoup d'individus en avant pensant ont commencé à chercher des sources d'énergie alternatives pour réduire les émissions de serre gasses. Tous les systèmes d'énergie alternatifs ont enquêté et-ou se sont développés dans les 56 ans derniers ont eu des désavantages significatifs à leur usage comme les réserves d'énergie principales pour les besoins d'humanité.

Certains de ces systèmes d'énergie alternatifs n'étaient nulle part près aussi efficaces que les systèmes existants. Certains des systèmes d'énergie alternatifs introduisaient toujours la chaleur supplémentaire dans l'environnement comme le combustible fossile existant et les systèmes d'énergie nucléaire. Et d'autres produits même plus de serre gasses que les systèmes d'énergie existants. Certains des nouveaux systèmes ont utilisé des ressources de nourriture pour produire des combustibles combustibles que, par conséquent, réduit les ressources de nourriture de la planète. Parmi les chefs dans la nouvelle énergie les sources étaient et sont, l'énergie nucléaire qui produit la chaleur supplémentaire, les ordures toxiques et le matériel qui peut être utilisé dans les armes nucléaires. Les sources d'énergie hydroélectriques n'ajoutent pas de chaleur à l'écosystème mais ils ne sont pas une ressource inépuisable comme ils dépendent de la chute de pluie qui diminue comme les augmentations de réchauffement du globe. Les ressources d'énergie de vent n'ajoutent pas de chaleur à l'écosystème mais ils ne sont pas constants et exigent la conversion chère et l'équipement d'entreposage.

La source d'énergie idéale pour l'humanité n'ajoutera pas de chaleur à l'écosystème de la planète, ne produira pas de dérivé la maison verte gasses; ne réduira pas notre nourriture et ressources d'eau; ne produira pas d'ordures toxiques; pourtant, ce sera portatif, en reconstituant de soi et constamment disponible en temps réel n'importe où sur la Terre et dans les quantités utiles.

Notre source importante d'énergie naturelle sur la Terre est le Soleil. L'énergie du Soleil entre dans l'ecosphere de la Terre par le bombardement de particule, a rayonné de l'énergie électromagnétique, les variations gravitationnelles et les processus magnétiques. L'humanité a développé des méthodes différentes pour capturer l'énergie du Soleil déjà. Les cellules solaires à base de Silicium convertissent la lumière dans une bande de fréquence étroite dans les écoulements électroniques. Ces cellules sont, au plus, seulement 50 % efficaces et travaillent seulement quand le Soleil brille sur eux à un angle optimal. Les turbines de vent travaillent seulement quand il y a le vent au pouvoir eux et est, pour la plupart, non portatif. Les artifices de convertir l'action de signe dans les océans travaillent seulement quand il y a des signes créés par le vent et les effets de marée provoqués par les variations gravitationnelles; et ils ne sont pas assez portatifs pour être utilisés en commun les artifices de transport.

Je me suis terminé donc, que si l'humanité pourrait trouver une méthode bon marchée pour obtenir l'électricité du Soleil dans une forme qui a travaillé tant jour que nuit et qui coulait déjà dans l'écosystème de la Terre, nous pourrions être en mesure de développer une source d'énergie propre et reconstituante de soi qui n'ajouterait aucune chaleur supplémentaire à notre écosystème, ne changerait pas notre albédo planétaire et pourrait bien être faite dans une forme portative.


RÉSUMÉ DE L'INVENTION
L'Artifice d'Échange d'Énergie Harmonique (ou "H.E.E.D.") offre une solution provisoire des ressources de combustible fossile de Terre. Il utilise une ressource d'énergie auparavant inexploitée qui existe partout dans l'Univers connu. À la même nature de l'invention, il interrompt seulement l'écoulement d'énergie du Soleil et de tous les autres sources cosmiques de particules de haute énergie sur leur voyage normal à la Terre par voie des Couches Extérieures.

L'invention n'ajoute pas d'énergie à l'équilibre thermodynamique normal de la planète et de ses couches extérieures associées. L'invention ne produit pas d'ordures - la toxine ou autrement. Il ne produit pas gasses malfaisant; et dans quelques personnifications il pourrait même aider à la reconstruction de notre bouclier d'ozone de dilution. L'utilisation de cette invention enlèvera finalement la dépendance d'humanité aux combustibles fossiles et créera de nouvelles occupations. Il sera assez bon marché que les propriétaires seront en mesure d'installer leur propre H.E.E.D et vendre l'arrière énergie à la grille jusqu'à ce que chaque maison ait leur propre H.E.E.D et la civilisation s'est complètement sevrée de l'utilisation de combustibles fossiles et d'énergie nucléaire dans sa forme actuelle.


DESCRIPTION BRÈVE DE DESSINS



Fig.1: Est la personnification favorisée du diagramme de circuit de mon invention incorporant des références aux stimulus externes qui sont utilisés pour activer le circuit. Il représente le circuit accordé d'un parallèle pour conserver l'énergie.




Fig.2: Est une illustration de la Terre et cela l'environnement immédiat comme un condensateur global où les Couches Extérieures forment une plaque et la surface de la Terre forment l'autre plaque et tous les deux sont séparés par la Troposphère comme un médium diélectrique.




Fig.3: Est une personnification alternative du diagramme de circuit de mon invention incorporant des références aux stimulus externes qui sont utilisés pour activer le circuit. Il représente l'utilisation de circuit accordé d'une série pour conserver l'énergie.



DESCRIPTION DÉTAILLÉE D'UNE PERSONNIFICATION FAVORISÉE DE L'INVENTION
Soyez cela connu que je, Harold Stanley Deyo, Jr, un citoyen tant des Etats-Unis d'Amérique que du Commonwealth de l'Australie, en résidant dans la communauté d'Ouest Pueblo dans le Comté Pueblo, Colorado ai inventé un Artifice d'Échange d'Énergie Harmonique qui convertit des pressions dynamiques dans les mass-média ambiants autour de la Terre dans les courants électriques contrôlés.



Cette invention comme représenté dans Fig.1 est unique dans cela il est conçu pour extraire l'électricité des signes de pression au hasard propagés dans la Troposphère 14 par les impacts du vent solaire et d'autres particules cosmiques avec la Terre “les Couches Extérieures” 22 de Fig. 2.

Dans Fig.1, la Troposphère 14 dans son état de reste est représentée par la ligne 14 de + marques. L'état convergent ou l'état de compression 12 des signes au hasard dans la Troposphère 14 sont représentés par la ligne plus basse de points pendant que l'état divergent ou l'état des caissons 13 des signes au hasard dans la Troposphère 14 sont représentés par la ligne supérieure de points. La personnification favorisée de la mon invention en Fig.1 est une méthode pour coupling un circuit parallèle, résonnant, électrique à ces signes de pression au hasard pour extraire l'électricité d'eux.

Comme la recherche de Dr John Trump et Onezime P. Breaux. Tout prêt. US 4,127,804 du spectacle, quand une plaque d'un condensateur chargé est rapprochée à ou plus loin de l'autre plaque de ce condensateur un changement de voltage apparaît sur les deux plaques de ce condensateur. En outre, le gradient électrique de terrain entre ces changements de plaques comme les plaques est déplacé dans cette manière. Ainsi ils ont décrit une méthode pour convertir l'énergie mécanique en courant électrique en en variant simplement l'écartement de plaque au cours du temps qui peut être exprimé comme ds/dt où “ds” est le changement dans l'écartement et “dt” est le changement à temps.

Comme illustré dans Fig.2, les Couches Extérieures peuvent être vues comme une plaque d'un condensateur compris de la surface de la Terre lui-même comme une plaque 21 et les couches extérieures de Terre comme l'autre plaque 22 où la Troposphère de la Terre 23 sert du médium diélectrique séparant les deux plaques. Il y a une charge entre ces plaques qui varie extrêmement rapidement, mais pas avec une période constante. À n'importe quel instant donné, le produit vectoriel de tous les impacts par les particules cosmiques avec les Couches Extérieures 22 créera un signe de pression dans les Couches Extérieures 22 qui manifestera dans la Troposphère 23. Quels que soit ce produit vectoriel est, il changera le gradient de terrain dans la Troposphère diélectrique 23. Cette modification ou augmentera ou diminuera l'écartement efficace entre "les plaques" 22 et 23.

Pour capturer et convertir les variations de voltage s'ensuivant produites à ou près de la surface de la Terre 21 de Fig.2, cette invention crée le son champ 3 de tension propre, localisé de Fig.1 établie dans la Troposphère 23 de Fig.2 avec une surface chargée, conductrice 1 de Fig.1 qui est encased dans l'isolation de haut voltage 2 de Fig.1 et étendant dans la Troposphère 23 de Fig.2.

Dans Fig.1, une série de haut voltage, les pouls de départ sont appliqués à travers les points 4 et 6 sur les côtés opposés d'un condensateur 5 pour créer le champ 3 de tension localisé. Comme ce haut voltage les pouls de départ sont appliqués, le circuit résonnant parallèle formé par l'inducteur serpentent 7 et le condensateur variable 11 tous les deux se sont référés pour fonder 8 est stimulé dans la résonance dans la bande de fréquence déterminée par les valeurs de ces composantes de circuit. Le fait d'accorder de ce circuit est effectué par le condensateur variable 11. La haute charge de voltage sur la surface conductrice 1 de Fig.1 est maintenue par le parallèle s'est accordée le circuit formé par l'inducteur serpentent 7 et le condensateur variable 11.

Alors comme l'au hasard, les signes de pression propagent partout dans la Troposphère 23 de Fig.2, le champ 3 de tension localisé de Fig.1 est oscillé par le front de signe de compression 12 et le front de signe des caissons 13 (tous les deux dans Fig.1) qui crée des changements de voltage sur le condensateur 5.

Dans Fig.1, les changements de voltages s'ensuivant sur le condensateur 5 ajouteront que l'énergie au circuit résonnant parallèle formé par l'inducteur serpente 7 et le condensateur variable 11 qui agit comme un circuit de réservoir pour conserver l'énergie qui y a été passée. Comme l'énergie construit dans le circuit parallèle le voltage des augmentations de circuit jusqu'à ce qu'une décharge par étincelles se produise à travers le trou 9 s'est aussi référé pour fonder 8. Le courant suppurera seulement dans une direction comme déterminé par la diode 10. Le circuit travaillera sans diode 10 mais une diode est utilisée ici comme une méthode d'empêcher le drainage de toute l'énergie du circuit de réservoir quand un renvoi se produit.

Ce circuit résonnant peut être accordé aux bandes de fréquence différentes pour maximiser l'efficacité du processus de conversion selon l'endroit de l'artifice, le temps de jour, variations de température, humidité relative et d'autres variables dans la Troposphère ambiante 23 de Fig.2 autour de la surface conductrice 1 de Fig.1. Une charge résistive pour extraire le pouvoir du circuit résonnant peut être utilisée au lieu du trou d'étincelle 9 de Fig.1.

Cette personnification favorisée utilise un circuit parallèle, accordé pour accéder à une large gamme de fréquences d'habitude pour être trouvée dans la gamme de 4.5 à 7 MHz. Cette gamme couvre le commandant, les fréquences naturellement se-produisant, résonnantes trouvées dans l'ionosphère


Une deuxième personnification de cette invention comme montré dans Fig.3 remplace le circuit accordé du parallèle formé par la bobine d'inducteur 7 et le condensateur variable 11 dans Fig.1 a placé dans le parallèle l'un à l'autre et s'est référé pour fonder 8. Cette deuxième personnification se forme un circuit accordé de série formé par l'inducteur serpentent 7 et le condensateur variable 11 dans Fig.3 a placé en série l'un à l'autre et s'est référé pour fonder 8. Il diffère de la personnification favorisée seulement dans le placement de condensateur variable 11 pour que ce soit en série avec la bobine 7.

Cette personnification limite la bande de fréquences et, dorénavant, l'énergie que le système conservera quand comparé à la personnification favorisée. Il produit de plus hauts voltages à travers le trou d'étincelle 9 que ceux-là ont produit dans la personnification favorisée à travers le trou d'étincelle 9 de Fig.1.

*****


What is said in this patent application adds some interesting factors to the TREC design of Lawrence Rayburn which pre-dates the Deyo patent by some years. His comment about replacing the spark gap with a resistive load suggests some alternative arrangements which might be tried out with the TREC system.



Ce que l'on dit dans cette application brevetée ajoute quelques facteurs intéressants au design de TREC de Lawrence Rayburn qui antidate le brevet de Deyo à quelques années. Son commentaire du fait de remplacer le trou d'étincelle avec une charge résistive suggère un peu d'activité alternative qui pourrait être essayée avec le système TREC.


Aussi, un peu le long des mêmes lignes:

Traduit d'un original de langue espagnole:

Beaucoup de personnes croient que ce n'est pas possible reçoivent le pouvoir du champ magnétique de Terre parce que cette intensité de terrain est trop basse et donc les niveaux d'énergie ne sont pas assez hauts pour aucune forme d'application utile. ce n'est pas le cas. J'ai construit beaucoup de bobines et je reçois beaucoup de kilowatts pour les buts utiles du champ magnétique de Terre et ici je présente le concept fondamental et quelques formules fondamentales pour tout cela.

L'influence du champ magnétique de la Terre ne devrait pas être ignorée. Aux temps de forte activité de soleil, le champ magnétique de la Terre oscille et à n'importe quelle longue ligne de transport d'énergie il y a des montées de voltage et des surtensions qui peuvent provoquer des problèmes techniques, des pannes et des arrêts des sources électriques. La loi Faraday pour cette induction est donnée pour le suivant:

V = 2 x pi x f x B x A

Où:
B est le champ magnétique de la Terre,
f la fréquence des fluctuations et
A est la région de surface à travers laquelle le champ magnétique coule.

Pour les buts de calcul nous pouvons nous rapprocher du champ magnétique de la Terre comme étant 1 Gauss (ou 10-4 Teslas)

Si nous considérons une ligne de transmission ordinaire, longue d'environ 10 kms de longueur avec les lignes électriques 1 mètre espacé à part, donc nous avons :

V = 6.28 x 10-4 x 104 x f qui égale 6.28 x f

Si les fluctuations sont f = 10 Hz, qui produit une surtension de 63 V. Si les fluctuations sont 100 Hz alors la surtension est 630 V, etc.....

Ainsi si le champ magnétique de la Terre est plus bas dans l'intensité, l'effet est considérable dans une grande gamme de volume et de surface.

Pour l'énergie et les considérations de pouvoir, nous pouvons voir que le champ magnétique de la Terre est plus bas que les aimants permanents communs, mais le volume d'espace qu'il couvre est très grand. L'énergie dans un champ magnétique est non seulement l'intensité de terrain seule, mais il dépend aussi du volume à travers lequel ce champ agit.

L'énergie conservée dans un champ magnétique B à travers un espace de volume V est:

U = 1 / (2muo) x B2 x V .............. (1)

Où muo est permittivity magnétique du vide.

Énergie de canal d'aimants permanente ordinaire. Si nous pouvons les utiliser pour recevoir le pouvoir illimité comme MEG du Bearden, donc le champ magnétique de la Terre à travers une bobine coeur d’aire de base peut accomplir le même résultat.

Maintenant nous pouvons faire une comparaison entre un aimant permanent et une bobine orienté au champ magnétique de la Terre pour recevoir les mêmes niveaux d'énergie.

Considérons un aimant permanent puissant, comme utilisé dans MEG, de 5,000 gauss et de dimensions de 50 mm x 20 mm x 10 mm. Selon l'équation (1) ci-dessus, l'énergie conservée dans l'aimant permanent sera :

U = 1 / (8 x pi x 10-7) x (0.5)2 x (5 x 10-2) x (2 x 10-2) x (10-2), donc

U = 0.995 Joules - c'est-à-dire grossièrement 1 joule d'énergie.

Les artifices comme MEG avec les aimants permanents ne reçoivent pas trop de kilowatts, la raison est parce que cette énergie magnétique est constante. Si nous fermons ce champ magnétique dans un circuit de base ou magnétique et nous circulons que le champ nous recevons 1 joule d'énergie à n'importe quel taux de temps désiré parce que l'aimant permanent conserve cette énergie illimitée et ainsi si nous voulons une puissance à la sortie de 1 kW comme le pouvoir P nous calculons:

P = dU/dt

Pour P = 1 KW, nous devons circuler 1 joule d'énergie pour seulement 1 milliseconde.

De la même façon, si nous pouvons recevoir le pouvoir des mêmes niveaux du champ magnétique de Terre, nous devons calculer le volume du bobine coeur d’aire. En utilisant la même équation, nous le voyons

(0.5)2 x (5 x 10-2) x (2 x 10-2) x (10-2) = (10-4)2 x V

V est le volume du bobine pour lequel nous avons besoin reçoivent les mêmes niveaux d'énergie magnétiques et dans ce cas-là, V = 250 m3

C'est-à-dire une bobine de diamètre de 6.3 m et de longueur de 6.3 m, placée parallèle au champ magnétique de la Terre, peut conserver la même énergie que ce peu 5,000 aimant permanent gauss que nous avons considéré pour un artifice de MEG.

Mais ce n'est pas nécessaire construisent une énorme bobine, nous pouvons utiliser une plus petit bobine. L'énergie magnétique fermée sera plus basse, mais comme P = dU/dt nous devons lever la fréquence des pouls pour obtenir le même niveau de pouvoir venant d'une plus grand bobine. Par exemple, une bobine coeur d'air de base de diamètre de 1 mètre et de longueur de 1 mètre selon l'équation (1), conserve une énergie de :

U = 1 / (8 x pi x 10-7) x ( 10-4)2 x pi x 1 / 4 x 1 = 0.003 Joules

Si nous circulons que le niveau d'énergie à 330 kHz, donc nous recevrons 1 kW et à 660 kHz, 2 kW, etc., ainsi une plus haute fréquence produit plus de pouvoir.

Alors la question devient, comment peut nous circuler le champ magnétique constant à l'intérieur du bobine? La réponse est simple : en utilisant une source externe, nous pouvons annuler le champ magnétique de la Terre à l'intérieur du bobine. Il doit y avoir le pouvoir et l'amplification d'énergie en ce qui concerne la source de contribution externe. Se rendre compte que l'amplification de pouvoir, nous devons faire la chose suivante :

Permettez à la variation de champ magnétique à l'intérieur du bobine coeur d'air d'être donnée par :

B(t) = Bo + Bf x Sin( w x t )


Bo est le constant du champ magnétique de Terre,
Bf est le champ magnétique dans la bobine créé par la source de pouvoir externe et
w est la fréquence angulaire de la source externe.

Remplaçant B (t) de l'équation (1) nous recevons la variation d'énergie avec le temps, U (t) et ensuite nous pouvons calculer le pouvoir comme P = dU/dt nous ensuivant dans :

P(t) = Bf x w x V x (Bo + Bf x Sin(w x t) x Cos( w x t ) ) / muo ........ (2)

Souvenez-vous que V est le volume à l'intérieur du bobine.

Nous voyons ici que la puissance de sortie dépend de Bo, le champ magnétique de la Terre, aussi en cas de MEG de Bearden il dépend de l'intensité de champ magnétique de l'aimant permanent dans le circuit.

Donc nous pouvons maintenant calculer une valeur de C.O.P. avec Bo et sans Bo, ou Bo = 0

En calculant le pouvoir RMS pour les deux cas (non reproduit ici parce qu'il correspond à un cas de calcul différentiel fondamental) et utilisation du rapport, le résultat pour le C.O.P. est:

COP = ( 1 + ( 2 x Bo / Bf )2 )0.5

Nous voyons alors l'amplification de pouvoir et évidemment si Bo=0 et pas un champ magnétique permanent, le C.O.P. maximum est 1, la contribution et les puissances de sortie sont égaux. En cas de MEG de Bearden, la condition est Bo = Bf pour ne pas démagnétiser l'aimant permanent et dans ce cas nous avons un C.O.P. = la racine carrée (de 5), qui est une valeur entre 2 et 3 qui correspond aux résultats pratiques pour ce calcul classique.

Mais pour le champ magnétique de la Terre, nous pouvons recevoir de plus hautes valeurs parce que nous ne pouvons jamais provoquer un demagnetisation du champ magnétique de la Terre.

Combien allument la bobine, la fréquence circulant, le diamètre de bobine, la longueur de bobine, etc., avons-nous besoin ?

Le pouvoir de contribution d'annuler le champ magnétique de la Terre à l'intérieur du bobine, ou de la condition Bf = Bo, nous calculons l'utilisation de la composante RMS d'équation (2) ci-dessus, en mettant Bo = 0, donc nous avons :

P = 0.05 x f x A x L , (ou P est dans les watts).

A est la coupe transversale du bobine dans m2,
f est la fréquence dans Hz,
L est la longueur de cylindre de bobine dans les mètre

Pour annuler le champ magnétique de la Terre à l'intérieur du bobine, la condition basée sur la loi d'Ampère est:

N x i / L = 100

Où N iest le nombre d'allume la bobine et i est le courant dans les ampères.

Finalement, le voltage incité dans la bobine sera:

V = 2 x pi x f x N x Bo x A

donc, avec les valeurs suivantes, nous avons par exemple:

N = 1000 tours,
f = 100 kHz,
Diamètre de bobine = 1 m,
Longueur de bobine L = 1 m,
i = 100 mA ou 0.1 A,
Bo = Le champ magnétique de terre

Cela donne V = environ 4,000 volts.

Le pouvoir de contribution pour cet exemple est environ 4 kW, la puissance de sortie pour le facteur C.O.P. sera un maximum de 12 kW. Dans l'opération de circuit fermé nous fournissons 4 kW à la contribution de la production produite et nous recevons un générateur de force de soi produisant 8 kW de puissance de sortie. Mes résultats pratiques correspondent à ces calculs.

Comment un artifice pratique est-il construit ?

En utilisant une grande pipe de plastique, nous enveloppons la bobine de contribution primaire pour l'utilisation avec la source externe. Pour extraire la puissance de sortie, nous utilisons une autre pipe placée à l'intérieur de la première pipe et d'environ le même diamètre et de la longueur avec un nombre adéquat de tours et de grandeur métallique pour reduire le voltage petit à petit, à, par exemple, 110 V CA. Pour le haut oscillateur de voltage de la source de contribution j'utilise un circuit L-C résonnant pris d'un transformateur de pouvoir ferrite.

Il est très intéressant de voir ce travail d'artifice et les jours de tempêtes de geomagnetic, les niveaux de pouvoir vont trop haut et je dois utiliser des artifices protecteurs de prévenir le dommage au système et aux charges raccordées à cela.

N'importe quelles questions au courrier électronique suivant: enertec2200@yahoo.es (qui peut ne pas toujours être opérationnel comme ces informations sont tout à fait vieilles).


Générateurs Électrostatiques

Générateurs électrostatiques sont pas du tout à la différence des systèmes aériens car la conversion courant ordinaire est nécessaire. Puissance de sortie de l'appareil Suisse conçu par Paul Baumann (chapitre 13) qui a des kilowatts d'électricité traditionnelle, et qui est auto-alimenté montre que les systèmes très utiles peuvent utiliser une charge électrostatique. Conception de Paul est construite autour d'une machine de Wimshurst qui se tourne en raison des bandes de frais-collection en pente qui forment un moteur électrostatique ainsi que recueillir l'accusation qui se répercute sur le reste du circuit.

Un certain nombre de générateurs électrostatiques ont été conçu et utilisé. Ils utilisent généralement un petit moteur de faible puissance à modifier à plusieurs reprises la capacité entre une série de plaques de métal et ainsi, créer le flux de courant alternatif. Certains de ces dessins sont vraiment intelligents de la manière dont elles opèrent. Par exemple, le brevet suivant de Charles Goldie a une source de tension d'entrée qui est générée par l'appareil lui-même et la tension utilisée peuvent être ajustées par l'utilisateur, tandis que l'appareil offre deux sorties séparées de DC dans la série, qui peut être utilisée comme une simple tension plus élevée, si vous le souhaitez.

Le chier mai brevet ci-dessous a des techniques utiles qui soulèvent la puissance de sortie à plus de cinq fois ce qu'il aurait été sans l'utilisation de ces techniques. L'impression générale de générateurs électrostatiques, c'est qu'elles sont lourdes et généralement inefficaces. C'est peut-être le cas pour certains d'entre eux, mais il n'est certainement pas le cas pour chacun d'entre eux. Par exemple, la conception de générateur électrostatique de William Hyde, montré dans le chapitre 11, a un COP=10 performance où la sortie électrique est dix fois supérieure à la puissance mécanique nécessaire pour faire fonctionner, et je me dit que la sortie du générateur peut être 10 kilowatts, qui est plus que respectable sortie.

Un design particulièrement habile vient d'Onézime Breaux (US 4 127 804) où une charge haute tension est générée brièvement, et puis ce même chef d'accusation est transportait va-et-vient de la charge de sortie, sans cette accusation jamais être 'épuisée' (de le mettre en d'autres termes). Aucun système n'est jamais parfait, à 100 % toutes les dix minutes ou plus, la haute tension charge est très brièvement renforcé. Un système de ce type doit pouvoir être un générateur autonome. Dans un prototype minimal qui n'était pas parfaitement constitué par tous les moyens, la puissance nécessaire pour faire tourner le rotor était de 0,8 watts, tandis que la puissance électrique était 20 watts. Cela montre clairement, que les générateurs électrostatiques peuvent être sérieusement utiles, surtout si construit pour les grandes tailles.



Le Générateur Électrostatique de Charles Goldie



Le brevet US 3,013,201               12 Décembre 1961               Inventeur: Charles H. Goldie

GÉNÉRATEUR ÉLECTROSTATIQUE CAPACITÉ VARIABLE AUTOEXCITÉ



Cette invention se rapporte à des générateurs électrostatiques selon laquelle le mécanisme de transfert de charge fera utiliser des effets capacitifs entre organismes chargés et les électrodes selon lesquels l'accusation doit être induite et en particulier, à l'Auto - excitation de ces générateurs.

L'invention, on peut mieux entendre la description détaillées suivantes, ayant trait à des dessins annexés dans lequel:


Fig.1 est un diagramme qui illustre une forme d'un générateur électrostatique de variable-capacité;





Fig.2 est un autre schéma plus illustrant la disposition desFig.1;





Fig.3est un diagramme qui illustre une modification de l'appareil Fig.1 et incarnant l'invention ; et





Fig.4 est un diagramme illustrant une partie de l'appareil Fig.3.





En regardant les dessins plus en détail, Fig.1 montre un rotor 1 et un stator 2. Le rotor 1 a une charge positive à ce sujet. Un bloc d'alimentation 3 maintient l'accusation sur le rotor 1.



Fig.2, on peut considérer que le stator 2 est relié à la terre par un chemin résistif 4 qui est connectée en parallèle avec au moins un redresseur 5 afin que le courant peut circuler uniquement dans un seul sens entre le stator 2 et de la terre.



Dans le dispositif, illustré à Fig.3 et Fig.4, le rotor sert de lien entre une électrode de charge stationnaire et un stator capacitif. Un rotor 11 passe régulièrement à proximité un stator 12. Cependant, au lieu de porter, il est propre frais comme dans le dispositif, illustré à Fig.1 et Fig.2, la charge nécessaire induisant le rotor 11 est lui-même induit du rotor 11 par l'électrode de charge 13. Donc, quand une extrémité du rotor 11 se trouve à proximité de l'élément stator 12, et l'extrémité opposée du rotor 11 se trouve à proximité de l'électrode de charge 13, une charge négative est induite sur la partie du rotor 11 qui est près de l'électrode de charge 13 avec le résultat de cette charge positive apparaît à l'extrémité opposée du rotor 11 puisque le rotor 11 doit elle-même être électriquement neutre.

On décrira maintenant l'invention en ce qui concerne l'appareil illustré à Fig.3 et Fig.4, mais il sera clairement des observations ci-dessus, que l'invention pourrait tout aussi bien être utilisée avec un dispositif du type indiqué dans Fig.1 et Fig.2. L'avantage du principe de l'appareil illustré à Fig.3 et Fig.4 est le fait qu'il élimine la nécessité d'un pinceau sur le rotor de lui fournir gratuitement, comme l'accusation sur le rotor est capacitif induite.

Si l'on revient brièvement à Fig.1 et Fig.2, on se souviendra que l'invention concerne la construction d'un générateur d'autoexcité avec aucune énergie externe autre que l'arbre sous tension. C'est-à-dire, l'objectif est un générateur de complètement automatique de charge. Se référant à Fig.1 et Fig.2, on verra que la rétroaction directe de la sortie de la plaque à induction est écartée par le commutateur de polarité inhérent à ce type de machine. La difficulté est évitée par l'unité de deux brins, illustrée à Fig.3 et Fig.4. Ici, une fraction de la tension de sortie de chaque section est nourrie à la plaque d'induction de l'autre.



L'action du circuit se comprend mieux en regardant première partie basse uniquement. Rotor 11 est un rotor isolé électriquement, fan comme plat monté sur un arbre isolant 14 qui est entraîné par un moteur approprié 15. Comme le rotor 11 tourne, il couvre régulièrement stator 2 et l'électrode de charge 13, qui sont isolés et sectoriel. Électrode de charge 13 est maintenu à une tension positive à l'égard de sol. Comme le rotor 11 tourne dans une position où il couvre les deux l'électrode de charge 13 et le stator 12, la capacité entre l'électrode 13 et stator de charge 12 augmentations et la charge négative est induite du sol par le biais de diode redresseur 12 et 16. Comme le rotor 11 tourne loin de stator 12 et charge électrode 13, les baisses de couplage capacitif et la tension sur le stator 12 Monte, négative en ce qui concerne le sol. Diode 16 bloque toute la circulation de la charge négative du stator 12 et le potentiel négatif du stator 12 se lève, courant circule à travers une deuxième diode 17 à la charge de 18. Une fraction “V2” de cette tension de charge négative est appliquée à la plaque électrode ou induction charge 13' de la section deuxième ou supérieure au moyen de la résistance variable 19. L'action de chargement de cette deuxième section est identique à celui de la première section à l'exception des polarités inversées, et la sortie de la seconde section est transmise parallèlement au plaque d'induction 13 de la première section via une deuxième résistance variable 20. Résistances variables, 19 et 20, contrôler la tension de sortie et la puissance en réglant les rapports de rétroaction.

Le circuit est régénératrice et donc il est seulement nécessaire de fournir une tension de référence petit pour commencer dans la bonne direction. L'utilisation de matériaux du stator et du rotor avec les potentiels de contact appropriés est une solution. Une autre solution est d'utiliser une ligne d'induction de 21 dans une petite batterie. Les dispositifs limiteurs de tension appropriés 22 s'ajouterait en travers de la plaque induction 13, ou sur la charge 18 pour éviter l'accumulation excessive de tension.

Un certain nombre de caractéristiques dans ce circuit est intéressantes. L'habituels bagues collectrices et les brosses sont éliminés par l'utilisation de stator 12 et charge électrode 13 et un rotor isolé 11 plutôt qu'un seul stator 2 et un 1 maintenue à induction constante potentiel comme sur Fig.1 et Fig.2.

En dépit du fait que la deuxième section a été ajoutée dans le but d'individu-excitation, les deux tensions de sortie sont additionnées dans l'ensemble de la charge de 18,18'. L'arrangement illustré à la Fig.3 est simplement pour expliquer le principe d'individu-excitation. Le motif indiqué, par exemple, n'est pas nécessaire et pour des tensions plus élevées, les unités peuvent être mis en cascade avec un seul arbre d'entraînement isolant 14. Pour une sortie de tension totale donnée, le nombre de jeux de rotor/stator est le même pour cet auto charger générateur comme pour un générateur exigeant auxiliaire de chargement de fournitures.

Deux pôles sont indiquées pour plus de simplicité. Dans une machine réelle, un plus grand nombre serait plus pratique. Le système s'applique tout aussi bien à d'autres dispositions géométriques, tels que le concentrique ou segmentées tambour dessin mentionné dans la demande de brevet américain 829 823.




Le Générateur Électrostatique de D. B. Le May

Le brevet US 3,094,653               18 Juin 1963               Inventeur: D. B. Le May et al.

GÉNÉRATEUR ÉLECTROSTATIQUE

La présente invention concerne à une machine de conversion d'énergie du type dans lequel un condensateur variable est cycliquement conduit certain temps étant chargée et déchargée en synchronisme avec les variations cycliques de capacité.

Il y a plusieurs différents types de machines électrostatiques qui, par exemple, la fonction de production d'énergie électrique de l'énergie cinétique ou l'énergie cinétique de l'énergie électrique. Une classification générale de ces machines est issue si appareil conducteur ou non conducteurs est utilisé pour transporter une charge électrique au sein du système. La présente invention se rapporte à la classe des machines dans lequel charge électrique est transporté à travers l'appareil conducteur. Plus spécifiquement, la présente invention concerne systèmes électrostatiques dans lequel un type de condensateur variable est mécaniquement conduit à fournir une capacité de façon cyclique variable qui est chargée au cours des intervalles d'une capacité élevée et déchargé à des intervalles de faible capacité, de fournir l'énergie électrique.

En général, proposée précédemment-la variable-condensateur générateurs électrostatiques (parfois appelés générateurs électrostatiques asynchrones) ont été capables de rendements très élevés et pourraient être intégrées dans appareil relativement léger. Ces considérations résultent principalement du fait que les champs électrostatiques pouvant découler dans l'air, sous vide ou autre support très léger, tandis que les champs électromagnétiques nécessitent l'utilisation de matériaux ferreux lourd. En outre, les champs électrostatiques sont causées par charges transportées sur des surfaces, plutôt que par les courants dans les conducteurs, afin que les exigences de cuivre relativement lourds de machines électromagnétiques peuvent être évités. Il a été constaté que les machines électrostatiques fonctionnant en vase clos, n'ont pas la perte de fer, cuivre perte ou dérive de machines électromagnétiques, réalisant ainsi leur rendement extrêmement élevé.

Toutefois, les autres considérations ont empêché ces machines de venir se répandre. Plus précisément, les machines électrostatiques préalables de cette classe ont normalement été de grande taille par rapport à leur capacité de puissance. En outre, l'utilisation pratique des machines antérieures a normalement contraint très haute tension. Deux de ces inconvénients résultent de la nature du champ électrostatique, c' est l'exigence des gradients de potentiel élevés pour des intensités de champ comparables aux champs électromagnétiques et les limitations sur les gradients de potentiel imposés par la dégradation du milieu diélectrique. Par conséquent, considérable matériel d'isolation et de sécurité a exigé en préalables systèmes électrostatiques et fonctionnement à une tension modérée n'a pas été pratique. Encore, certaines formes de générateurs électrostatiques asynchrones ont nécessité des systèmes de commutation assez complexes pour charger et décharger les condensateurs ; ces systèmes n'ont pas été commercialement viables.

En général, la présente invention comprend un système d'induction électrostatique efficace capable d'un fonctionnement économique qui peut être incorporé dans une unité qui est de petite taille par rapport à la capacité d'alimentation. Le système comprend deux ensembles de bâtonnet membres, un ensemble qui est tourné par rapport à l'autre, afin que certaines des tiges relativement moveable fournissent une capacité variable. Les autres tiges dans la structure sont ensuite utilisés pour façonner le champ électrostatique d'une manière qui entraîne une plus grande différence entre la capacité minimale et maximale de l'appareil, aboutissant à la fonction de conversion de puissance accrue pour la taille de l'unité. La structure de la capacitance variable est connectée à un système électrique qui charge et décharge la capacitance de manière cyclique variable. Éléments réactifs sont ensuite couplé au système pour provoquer les déphasages tension dans le système par rapport à la capacité variable, de majorer les frais appliqués à, et tirée, la structure de la capacité pendant le cycle de fonctionnement, plus ainsi accroître les capacités de conversion de puissance du système.

Un autre objet de la présente invention est de fournir un système amélioré d'induction électrostatique.

Un autre objet de la présente invention est de fournir un générateur électrostatique asynchrone ou moteur qui a une fonction de conversion de puissance plus élevée par rapport à sa taille physique.

Encore un autre objet de la présente invention est de fournir un système de conversion d'énergie électrostatique qui peut être incarné sur le plan économique dans un appareil de taille relativement petite.

Un autre objet de la présente invention est de fournir un moteur à induction électrostatique ou générateur dans lequel l'énergie est plus efficacement converti en une autre forme en améliorant la forme des champs électrostatiques dans le système.

Encore un autre objet de la présente invention est de fournir un générateur électrostatique asynchrone ou moteur dans lequel l'énergie est effectivement transformé en une autre forme de la fourniture d'éléments réactifs pour syntoniser les éléments capacitifs qui sont inhérentes au système.

Un autre objet de la présente invention est de fournir un système amélioré pour efficacement convertir l'énergie d'une forme à l'autre, dans laquelle un champ électrostatique sert à coupler entre les différentes formes d'énergie.

Ces derniers et autres objets de la présente invention seront apercevra de l'examen de ce qui suit, pris conjointement avec les dessins, dans laquelle:

Fig.1 est un schéma illustrant le fonctionnement de base d'un système préliminaire auquel la présente invention peut être appliquée;





Fig.2 est un point de vue et la représentation schématique d'une forme de condensateur variable qui peut-être être incorporé dans un appareil de la présente invention;





Fig.3 est une vue en perspective d'une autre forme de condensateur variable qui peut-être être incorporé dans un appareil de la présente invention;





Fig.4a, 4b et 4c sont des représentations schématiques illustrant un aspect de l'exploitation d'un système intégrant la présente invention;





Fig.5 est un schéma de circuit intégrant une forme de la présente invention;





Fig.6 est un ensemble de graphiques illustrant le fonctionnement du système indiqué dans Fig.5.





Fig.7 est un diagramme de circuit d'un autre système intègre la présente invention;



Fig.8 est une série de courbes illustrant l'efficacité des systèmes construits selon la présente invention;





Fig.9 est une vue en coupe verticale et la représentation schématique d'un appareil construit conformément à la présente invention;

Fig.10 est une vue en coupe verticale le long de la ligne 10 --- 10 de Fig.9;

Fig.11 est une vue en coupe verticale le long de la ligne 11 --- 11 de Fig.9;

Fig.12 est une vue en coupe horizontale le long de la ligne 12 --- 12 de Fig.9.





Se référant au départ à Fig.1, il apparaît sous une forme préliminaire d'un générateur électrostatique de l'induction. Un condensateur variable 20 est connecté en série avec une batterie (ou autre source de tension) boucle 22 et une diode 24. Un circuit série, y compris une diode 26 et une résistance 28 est alors connecté à la diode 24. Les diodes 24 et 26 sont reliés d'une façon qui permet de circuler le courant dans des directions opposées par le biais de la batterie 22. Condensateur variable 20 est entraînée par un moteur de fournir une capacité variable de façon cyclique, de sorte que l'énergie mécanique utilisé pour exciter les condensateur 20 est convertie en énergie électrique fournie à la résistance de charge 28.

Compte tenu de l'exploitation du système de Fig.1 détail, condensateur 20 est pilotée varient selon les niveaux minimum et maximum de capacité. À une limite de capacité, condensateur 20 est facturé à un niveau de charge "Q" de la batterie 22 par diode 24. La tension aux bornes des condensateurs 20 est alors égal à Q / C, où C est la capacité de condensateur 20. Bien sûr, cette tension coïncide sensiblement avec la tension de batterie 22 moins la chute de tension à diode 24.

Diminution de la capacité C du condensateur 20 vers c'est la valeur minimale, la charge Q reste constante; donc la tension aux bornes du condensateur augmente pour tenir compte de la diminution de capacité comme V = Q / C. L'accroissement de la tension dans l'ensemble condensateur 20 produit un courant à travers la batterie 22, résistance de charge 28 et diode 26. Ce courant a tendance à recharger la batterie 22 ainsi que la fourniture d'énergie à la résistance de charge 28.

De cette manière, l'énergie mécanique utilisé pour exciter les condensateur 20 cycliquement, se manifeste sous la forme d'énergie électrique, passé à la résistance de charge 28. Par conséquent, en règle générale, ce fonctionnement de base du générateur électrostatique est semblable à un générateur électromagnétique, sauf que le champ qui couple l'énergie mécanique d'entrée de l'énergie électrique est électrostatique et non électromagnétique.

Une grande variété de structures peut être utilisée comme le condensateur variable dans un générateur électrostatique. Toutefois, dans la structure choisie, il est normalement souhaitable de diminuer le rapport entre les gradients de tension crête champ aux gradients moyennes en utilisant des éléments de condensateur arrondis, par exemple tubes ou barres, plutôt que de plaques de condensateur avec des angles aigus. Deux structures de condensateur variable à l'aide de ces barres conductrices sont indiquées dans Fig.2 et Fig.3 et seront maintenant examinées en détail.


La structure de Fig.2 est une configuration de condensateur variable radial-bar où lignes d'extension radialement barres sont montés pour être relativement mobile et donc fournir une capacité variable entre les lignes. Plus précisément, une première rangée de bars 30 est montée dans un moyeu 32 qui est porté sur un axe fixe 34. De même, une autre rangée de prolongeant la radialement barres 36 est pris en charge dans un concentrateur 38 qui est monté sur l'arbre fixe 40, qui télescopiquement reçoit un arbre concentrique 42 qui est couplée au moteur 44 et qui porte moyeu 46 soutenant la rangée de bars 48 qui se positionne entre les lignes 30 et 36. Les barres dans chacune des lignes 30, 36 et 48 peuvent être interconnectées électriquement par un conducteur pris en charge dans les moyeux respectifs. Cependant, comme les moyeux individuels, 32, 38 et 46 sont formés de matériaux isolants, les lignes distinctes ne sont pas interconnectées électriquement. Par conséquent, une capacité variable existe entre les lignes 30, 36 et 48. Cette capacité est assez semblable à une structure de capacitive plaque tournante commune, cependant, afin de réduire les gradients de tension crête champ entre les lignes, les barres ou les éléments capacitifs sont arrondies pour éviter les angles aigus.

À une époque où la rangée de bars 48 est en alignement avec les barres dans les lignes 30 et 36, les barres sont les plus proches et il y a une capacité maximale. Comme la ligne 48 tourne il atteint une position de moins l'alignement des barres dans les lignes 30 et 36 (tel qu'illustré dans le dessin) et là, la capacité entre les lignes est à son minimum. Donc comme moteur 44 tourne les barres en ligne 48, une capacité de façon cyclique variable est prévue entre ces bars et bars dans les lignes 30 et 36. Dans l'application de cette structure à la présente invention, certains des bars peuvent servir à façonner le champ électrostatique comme décrit ci-dessous, tandis que les barres restantes fournissent la capacité variable souhaitée. Bien sûr, le nombre de lignes fournies dans une configuration de ce type peut-être être modifié pour augmenter la capacité, tout comme la taille des barres. Bien sûr, ces considérations sont déterminées par l'application particulière du système.


Fig.3 représente une autre forme de structure variable-capacité qui peut être utilisé dans un système de la présente invention. La structure illustrée dans Fig.3 contient deux structures cylindriques concentriques 50 et 52, qui sont montés afin qu'elles tournent par rapport à l'autre. Ces deux structures sont similaires à l'exception de leur taille. La plus petite structure 50 est équipée télescopiquement concentriquement dans la plus grande structure 52. La plus petite structure 50 comprend une paire d'anneaux isolants 54 et 56, qui ont lieu espacé dehors par des barres conductrices 58 et sont décalés angulairement dans une configuration circulaire. Une paire d'anneaux isolants 60 et 62 de la structure 52 sont montés concentrique extérieur les anneaux 54 et 56 respectivement et sont détenues espacée dehors par angulairement compenser des barres 64. La structure 52, comprenant les anneaux 60 et 62 et les barres 64 est maintenu fixes, tandis que la structure 50, comprenant les anneaux 54 et 56 et les barres de 58, est tourné en faisant des barres 58 et 64 croiser en relation parallèle. À la suite de ce mouvement, une capacité variable existe entre les barres des deux structures. Comme dans la structure illustrée à Fig.2, les barres individuelles dans les structures distinctes peuvent être interconnectées électriquement pour fournir une capacité d'entrée composite, ou alternativement, certaines des barres peuvent être utilisés pour façonner le champ tel que décrit ci-dessous. Ainsi la structure illustrée à Fig.3, ainsi que la structure illustrée dans Fig.2, peut servir la capacitance varie cycliquement dans le système illustré à la Fig.1 pour fournir l'énergie électrique d'énergie cinétique. Dans un tel système, l'énergie serait fourni par les moteurs 44 ou 66, cependant, la source de l'énergie cinétique n'est pas importante pour la présente invention.

Dans le fonctionnement d'un générateur électrostatique comme indiqué ci-dessus, le rapport entre puissance, conversion par les dimensions de l'appareil (et poids) de la machine peut être augmentée en augmentant la capacité maximale, ou en diminuant la capacité minimale du condensateur variable. Bien sûr, il est évident que comme la conversion de l'énergie s'effectue dans les systèmes de la présente invention par un condensateur variable, l'efficacité de la conversion dépend de la gamme sur laquelle le condensateur varie. En général, l'efficacité de ces systèmes est assez élevée même lorsque vous utilisez une petite gamme capacitive, cependant, dans de tels systèmes, la cote énergétique conversion capacité ou le pouvoir du système est faible par rapport à sa taille physique. Un des aspects majeurs de la présente invention résident dans une structure pour élargir la gamme de variation capacitive et seront maintenant examinée en détail. À titre d'exemple, un condensateur variable de la plaque mobile est considéré en ce qui concerne les Fig.4a, Fig.4b et Fig.4c. Le condensateur à plaques plates fournit un bon exemple du principe universel pour être désignés en raison de la simple présent dans une telle structure de champ électrostatique.


Fig.3 représente une autre forme de structure variable-capacité qui peut être utilisé dans un système de la présente invention. La structure illustrée dans Fig.3 contient deux structures cylindriques concentriques 50 et 52, qui sont montés afin qu'elles tournent par rapport à l'autre. Ces deux structures sont similaires à l'exception de leur taille. La plus petite structure 50 est équipée télescopiquement concentriquement dans la plus grande structure 52. La plus petite structure 50 comprend une paire d'anneaux isolants 54 et 56, qui ont lieu espacé dehors par des barres conductrices 58 et sont décalés angulairement dans une configuration circulaire. Une paire d'anneaux isolants 60 et 62 de la structure 52 sont montés concentrique extérieur les anneaux 54 et 56 respectivement et sont détenues espacée dehors par angulairement compenser des barres 64. La structure 52, comprenant les anneaux 60 et 62 et les barres 64 est maintenu fixes, tandis que la structure 50, comprenant les anneaux 54 et 56 et les barres de 58, est tourné en faisant des barres 58 et 64 croiser en relation parallèle. À la suite de ce mouvement, une capacité variable existe entre les barres des deux structures. Comme dans la structure illustrée à Fig.2, les barres individuelles dans les structures distinctes peuvent être interconnectées électriquement pour fournir une capacité d'entrée composite, ou alternativement, certaines des barres peuvent être utilisés pour façonner le champ tel que décrit ci-dessous. Ainsi la structure illustrée à Fig.3, ainsi que la structure illustrée dans Fig.2, peut servir la capacitance varie cycliquement dans le système illustré à la Fig.1 pour fournir l'énergie électrique d'énergie cinétique. Dans un tel système, l'énergie serait fourni par les moteurs 44 ou 66, cependant, la source de l'énergie cinétique n'est pas importante pour la présente invention.

Dans le fonctionnement d'un générateur électrostatique comme indiqué ci-dessus, le rapport entre puissance, conversion par les dimensions de l'appareil (et poids) de la machine peut être augmentée en augmentant la capacité maximale, ou en diminuant la capacité minimale du condensateur variable. Bien sûr, il est évident que comme la conversion de l'énergie s'effectue dans les systèmes de la présente invention par un condensateur variable, l'efficacité de la conversion dépend de la gamme sur laquelle le condensateur varie. En général, l'efficacité de ces systèmes est assez élevée même lorsque vous utilisez une petite gamme capacitive, cependant, dans de tels systèmes, la cote énergétique conversion capacité ou le pouvoir du système est faible par rapport à sa taille physique. Un des aspects majeurs de la présente invention résident dans une structure pour élargir la gamme de variation capacitive et seront maintenant examinée en détail. À titre d'exemple, un condensateur variable de la plaque mobile est considéré en ce qui concerne les Fig.4a, Fig.4b et Fig.4c. Le condensateur à plaques plates fournit un bon exemple du principe universel pour être désignés en raison de la simple présent dans une telle structure de champ électrostatique.


À la Fig.5, les barres de stator sont représentés schématiquement alignés dans une ligne 78 et les barres du rotor sont de même montrés être alignées dans une ligne adjacente 82. Bien sûr, soit des lignes 78 et 82 peuvent comporter un stator tandis que l'autre comprend le rotor étant donné que le mouvement relatif est tout ce qui est nécessaire. Cependant, dans l'état de la technique, il est devenu peu commun à terme les conducteurs du rotor comme inducteurs de frais tout en décrivant les éléments de rotor comme charger des convoyeurs.

Dans le système illustré par la Fig.5, mise à la terre des électrodes lissage du champ ou conducteurs sont fournis dans la ligne 78 tant la ligne 82 et sont désignés barres 78 a et 82 a montré ombragé. Les électrodes 82 a sont directement reliés à la terre, cependant les électrodes 78 a sont connectés à la terre grâce à un inducteur 86. La fonction de cette bobine est discutée plus tard.

Les barres conductrices agissant comme éléments de capacité dans les deux rangées sont désignés respectivement 78b et 82b. Les barres 78b (dans la ligne 78) et les barres 82b (dans la ligne 82) sont connectés dans une configuration de circuit, un peu comme illustré à la Fig.1. Plus précisément, les barres 78b sont connectés dans une boucle de série avec une diode de 88 et une batterie 90. Le point de jonction entre la diode 88 et batterie 90,91 est relié à la terre, et une diode 92 connectée en série avec une résistance de charge 94 est connectée à diode 88. Un condensateur 96 est connecté aux bornes de la résistance de charge 94 et agit comme un filtre pour la charge actuel.

Dans le fonctionnement du système, le mouvement relatif est fourni entre ligne 78 et 82 produisant une capacitance cyclique variable pour entraîner le système fonctionne comme le système illustré à la Fig.1. Autrement dit, pendant l'intervalle de grande capacité entre les lignes 78 et 82 (tel qu'illustré à la Fig.5), la structure capacitive est facturée par batterie 90 par diode 88. Puis, quand les barres sont séparés pour réduire la capacité, la tension à travers eux augmente, provoquant un courant de circuler en sens inverse à travers la batterie 90, la résistance de charge 94 et diode 92. Comme autres barres dans chacune des lignes 78 et 82 sont mis à la terre, le champ électrostatique est en forme pour réduire la capacité minimale entre les barres 78b et 82b comme divulguée dans la Fig.4. Ainsi, la variation de la capacité est supérieure, et le plus frais est transféré par le biais de la charge au cours de chaque cycle électrique.

Dans le fonctionnement du système illustré à la Fig.5 à convertir l'énergie mécanique en énergie électrique, un système électrique généralement capacitif est assuré. Par conséquent, la relation de phase au sein du système est généralement ceux d'un appareil capacitif. À cet égard, la présente invention comprend la fourniture des inducteurs pour produire des déphasages et amplification de tension résonnant qui augmentent les capacités de conversion de puissance efficaces du système. Fig.5, telle une bobine d'inductance 86 est branché entre les barres 78 a et de masse. Le fonctionnement du système de la Fig.5, y compris l'inducteur 86 est graphiquement illustré à la Fig.6, qui comprend des parcelles de capacité électrique, de tension et de courant électrique par rapport à la position de la structure capacitive.


La famille supérieure des courbes est des terrains de capacitance, dans lequel, courbe C1 est une parcelle de capacité variable entre la conductrice bars 78b et 82b. La courbe C2 est un complot de la capacitance entre barres 78a, 82a, tandis que la courbe C3 est un complot de la capacitance entre barres 78 a et barres 82b. Ces courbes sont tracées contre une variation uniforme de positions relatives entre la ligne 78 et 82, les courbes partant d'un point de capacité minimale pour la structure. Fig.5 illustre la position relative marquée comme 3 de la Fig.6.

Les courbes de tension de la Fig.6 sont tracées sur la même base que les courbes de capacité et comprennent une courbe V1 qui représente la tension aux bornes bobine 86 et une courbe V2 qui représente la tension sur le barres 78b par rapport au potentiel de la terre. La courbe I, illustre électrique courant inducteur 86 traversent, et il est également tracée en ce qui concerne le déplacement capacitif.

Compte tenu de l'opération de l'inductance 86; compte tenu de la capacité entre la mise à la terre bars 78 a et la capacité chargée barres 82b (connecté à la batterie 90) une accusation est déposée sur les barres de 78a. Bien sûr, en l'absence de l'inductance 86, ces frais seraient immédiatement transmises au sol. Toutefois, en fournissant l'inductance 86, la tension de la courbe V1 est développée dans l'ensemble de cet élément. Cette tension sert à produire le champ autre mise en forme entre les bars et les résultats en conversion d'énergie plus efficace. Autrement dit, la tension de la courbe V1 s'affiche sur les barres de 78a en phase avec la capacité C1 afin que l'influence du champ des barres 78 a sert à augmenter les frais induits à ou près du maximum de la capacité C1 et sert aussi, en réduisant l'intensité de champ pour réduire les frais minimums tenue le bars 78b et 82b à, ou près de l'instant de la capacité minimale. Ainsi, la variation dans le champ électrostatique oblige le système à absorber plus de couple, aboutissant à la capacité accrue de conversion de puissance pour le système.

Outre la mise à disposition d'inducteur 86 tel qu'illustré à la Fig.5, autres configurations de circuits utilisant des inductances sont à affecter plus résonnantes surintensités qui augmentent et diminuent les tensions de champ dans la relation de phase correcte avec la variation de capacité et donc à augmenter l'amplitude du courant alternatif condensateur. Une telle variation apparaît en Fig.7 qui utilise des barres semblables à ceux de la Fig.5 et dans lequel, comme les éléments sont désignés de la même façon.


Dans le système illustré par la Fig.7, un inducteur 98 est connecté entre la diode 88 et la jonction point 99 entre diode 92 et les barres 78b. En outre, un condensateur de 100 est connecté à diode 88. En général, le circuit résonnant ajouté fournit davantage surintensités dans la relation de phase désirée avec la variation de capacité. La résonance entre inducteur 98 et condensateur 100, tend également à produire des tensions plus élevées dans le champ électrique du condensateur variable par rapport à la tension sur la source d'excitation de 90 et de la charge de 94. La capacité de la machine pour atteindre une puissance élevée de petite taille du condensateur variable est ainsi grandement améliorée.


Une indication graphique de l'amélioration d'un système résultant de l'application de certains principes de la présente invention peut être vu dans Fig.8 qui comprend plusieurs courbes descriptifs des différents appareils, et dans lequel la vitesse est tracée sur l'axe horizontal par rapport à une puissance spécifique qui est tracée le long de l'axe vertical. Puissance spécifique est ici définie comme la puissance par unité de tension d'excitation au carré (P/Eo2) pour une taille donnée et la configuration de la machine.

La courbe E1 est révélatrice de la caractéristique de fonctionnement du système simple illustré à la Fig.1. La courbe E2 (indiquant une amélioration substantielle des performances) est révélateur du système illustré à la Fig.5. La courbe E3 indique l'amélioration du système de la Fig.7 (sans l'aspect décrit en ce qui concerne la Fig.5), tandis que la courbe E4 que indique le fonctionnement du système illustré à la Fig.7, tel qu'illustré, il.

Il est évident que les capacités de conversion de puissance du système de Fig.7 (indiquée par la courbe E4) sont grandement améliorées par l'installation de simple qui ne comprend pas ces aspects de la présente invention, en particulier si le générateur est utilisé à une vitesse fixe, ou si les moyens sont prévus pour ajuster les valeurs d'inductance ou de la capacité des composants 86, 98 et 100 de donner la puissance de crête à l'écoute, à quelle vitesse la machine fonctionne.


Bien que divers aspects de la présente invention peuvent s'appliquer différemment aux machines électrostatiques, pour atteindre les résultats escomptés, une illustration spécifique d'une machine d'exploitation est indiquée dans les Figures 9, 10, 11 et 12 et sera maintenant examinée en détail.

Le système est monté dans un boîtier 110 qui est scellé et entretenu évacué par une pompe à vide 112. En actionnant l'appareil de façon cyclique variable condensateur dans un vide relativement élevé, problèmes d'isolation sont réduits et les pertes de dérive sont réduits au minimum. Le boîtier 110 a une forme cylindrique plat et est constitué d'une plaque circulaire boulonnée au membre 116 en forme de coupe avec un joint annulaire 118 fournis à la jonction entre ces membres.

Une mécanique d'axe concentrique par logement 110 et est journal conduit roulements 124 et 126, qui incorporent vide scelle 124 et 126 a 120 passes. L'arbre de 120 a un rotor 128 coaxialement fixé sur elle et est relié à un appareil mécanique 130 par qui est axé sur l'arbre. Arbre 120 (fait de matériau isolant) dispose d'un conducteur article 132 formé en elle, qui relie électriquement rotor 128 à travers un pinceau 134 et un terminal de 136 à une patte d'une batterie 138, l'autre terminal qui est relié à la terre.

En général, le système électrique de base est similaire à celle de la Fig.7 avec les éléments de stator étant reliées par cosses 146 et 148 à un point de jonction 150 qui est relié par un inducteur 152 et 154 condensateur à la masse. Une diode 156 est connectée en parallèle avec le condensateur 154. Le point de jonction 150 est également relié par diode 158 comme un filtre 160 qui est à son tour relié à une charge de 162. Les électrodes de lissage du champ dans les éléments de stator 140 et 142, sont reliées de cosses 164 et 166 par un inducteur de 168 à terre.

Compte tenu de l'appareil de capacité varie cycliquement en détail, le rotor comporte une paire de plaques 170 et 172 (Fig.12), qui sont formés avec décalage angulaire de rainures rayonnants 174, qui sont reliés entre eux par points de soudure 176 afin que les rainures 174 forment essentiellement rayonnants barres 175. Dans cette structure, le rotor est un matériau conducteur entièrement, par exemple métal, formé comme comprenant des tubes rayonnants 175 (Fig.11) qui sont reliés par le chef d'orchestre de l'arbre 132 et la brosse 134 à la batterie, 138.

Les composants de stator 140 et 142 sont semblables et comprennent une pluralité de tubes 180 (Fig. 10) rayonnant dans un plan d'un emplacement axial dans l'élément stator et pris en charge dans un stator circulaire 181 de montage en étant ancrées qui y sont. Tubes 180 sont formées de métal et le montage 181 soutenant les tubes est formée de matériau isolant comme une coulée du matériau de revêtement époxy. Remplaçant des tubes 180 sont désignés 180 a et sont connectés à un terminal 184 qui est contacté par l'une des cosses 146 ou 148 au point 186.

Les cosses 164 et 166 sont reliés au sol en traversant l'inductance 168, avec les barres 180 a utilisé comme champ formant des barres tout en barres 180b sont les éléments de variable-capacité réelles. Dans cette structure, seulement le stator est équipé d'électrodes de lissage du champ. Toutefois, il est à comprendre, que dans divers autres modes de réalisation, lissage du champ des électrodes peuvent être fournis à la fois le stator et le rotor, ou dans une seule structure, telle qu'enseignée en ce qui concerne les Fig.5 et Fig.7. En outre, dans le système illustré par la Fig.9, seulement une plaque de rotor unique est fournie. Cependant, il doit être clairement compris qu'un grand nombre de rotor engrener et plaques de stator peut être fourni dans les systèmes de la présente invention, en fonction de la capacité de conversion de puissance nominale du système.

Dans le fonctionnement du système illustré à la Fig.9, rotor 128 est tourné par rapport à des éléments de stator 140 et 142 de l'appareillage mécanique 130. Par conséquent, le rotor tubulaire barres sont conduits dans et hors de l'alignement avec le stator rayonnant barres 180b. Par conséquent, les connexions à ces éléments (cosses 146 et 148 et brosse 134) éprouver une capacité variant de façon cyclique. Les barres de stator 180 a étendre la portée de cette capacité de la manière décrite à l'égard de Fig.4.

Durant les intervalles de capacité élevée, la structure cyclique capacitive est facturée par batterie 138 par inducteur 152 et 156 de diode. Diminution de la capacité de la structure, la tension augmente qui y sont, fournissant un courant à travers la diode 158 et filtre 160 à la charge de 162. Ainsi, l'énergie mécanique de l'appareil mécanique 130 est efficacement convertie en énergie électrique et fourni dans ce formulaire à la charge de 162.

Alors que les discussions précédentes ont portait principalement sur générateurs électrostatiques, il doit être entendu que les caractéristiques importantes de la présente invention s'appliquent également aux moteurs électrostatiques.

Une caractéristique importante de la présente invention réside dans la structure divulguée dans la Fig.9, qui peut être économiquement fabriqués et utilisés dans des systèmes électriques.

Une autre caractéristique importante de l'invention réside dans l'utilisation terrain formant des électrodes dans le stator ou du rotor, ou le stator et le rotor pour réaliser des transitions d'énergie plus efficaces.

Une autre caractéristique importante de l'invention réside dans la fourniture d'éléments d'inductance d'augmenter encore l'efficacité du système.



Le Générateur Électrostatique de Onezime Breaux

Le brevet US 4,127,804               28 Novembre 1978               Inventeur: Onezime Breaux.

SYSTÈME DE CONVERSION D'ÉNERGIE ÉLECTROSTATIQUE

Il s'agit d'une conception importante, mais que les détails physiques dans le brevet paraissent assez limités, au lieu de reproduire le brevet ici, je vais essayer de fournir une description qui devrait être plus compréhensible pour la personne moyenne.

Le Principe
Pour là pour être une plus grande énergie de sortie que l'apport énergétique nécessaire pour que n'importe quel générateur fonctionne, cette énergie supplémentaire doit provenir de quelque part. Il n'y a aucune magie sur n'importe lequel de ces systèmes que nous nous sommes plongés dans un champ d'énergie massive. Nous ne remarquons pas cela pas plus que nous remarquons les ondes radio qui passent par et à travers nous, tout le temps. Ce champ d'énergie est très puissant comme Thomas Henry Moray a démontré maintes fois en acquérant cinquante kilowatts d'électricité par juste une simple antenne et une prise de terre. Nous ne savons pas comment il a fait cela, mais nous aimerions beaucoup savoir comment. Néanmoins, Moray a démontré qu'il existe des puissance massive tout autour de nous – qui est gratuit pour le prélèvement, si nous savons comment le faire. Malheureusement, la plupart du grand nombre de gens qui savent comment extraire cette énergie, refuser de partager cette information, nous laissant à travailler sur des principes de base, comment gagner cette énergie libre. Il convient de noter en passant, que nous utilisons déjà cette énergie libre lorsque nous utilisons le “réseau électrique” comme aucun de l'énergie fournie par la compagnie d'électricité locale sort réellement de votre prise de courant comme la totalité du courant fourni par le débit de la compagnie d'électricité directement à cette société. La compagnie d'électricité ne fait de mettre en place les conditions qui provoquent certains de l'énergie libre dans votre emplacement de circuler à travers l'équipement électrique qui vous branchez sur cette prise murale. Ce que font les dispositifs d'énergie libre, est de mettre en place ces mêmes conditions dessiner en électricité de notre champ d'énergie environnante massive, sans besoin d'aucune aide de la compagnie d'électricité locale.


La Conception
Lorsque vous essayez de démarrer un moteur de voiture, vous vous connectez la batterie de la voiture à un moteur électrique de Starter qui remet le moteur et causes des étincelles pour être produite à l'intérieur de chacun des cylindres du moteur. L'appel de courant de la batterie passe par le moteur de démarreur et est perdu à jamais. Si le moteur de la voiture démarre, alors partie de l'énergie stockée dans le carburant brûlé par le moteur est utilisé pour remplacer le courant électrique provenant de la batterie. Si le moteur ne démarre pas, puis après un temps assez court, toute l'énergie électrique stockée dans la batterie de la voiture sera donné le moteur du démarreur et la batterie ne sera plus en mesure de fournir toute plus de courant pour faire tourner le moteur au cours.

Le générateur décrit ici est une conception très intelligente comme toute puissance qu'il fournit, il garde et ne perd pas tout ça. C'est un peu comme cette voiture démarreur moteur retourner le courant à la batterie, ce qui permet à n'importe quel nombre de tentatives pour démarrer le moteur. La façon dont il fonctionne consiste à passer en courant vers l'arrière et en avant entre les deux condensateurs. Que le courant est établi à passer à travers l'enroulement primaire d'un transformateur de sortie, imitant exactement le signal détecté par la compagnie d'électricité vous facture pour. Cependant, grâce à notre générateur, que le courant n'est jamais perdu et peut être utilisé maintes et maintes et maintes fois. Une batterie est utilisée pour créer ce courant initial et lorsque la génératrice démarre, il recharge la batterie et si vous le souhaitez, la batterie peut être enlevée complètement et le générateur est alors autonome. La batterie n'est utilisée pour démarrer la génératrice en cours d'exécution et ne sert pas à tout autre moment.

La conception de schéma est très simple et peut être visualisée comme illustré ici:


Here, the motor marked M in the diagram, spins a metal shaft 23. The shaft is mounted on ceramic roller bearings (as used on skateboards) and nothing on the shaft touches any other part, which means that the shaft spins very freely and very little power is needed to spin it.

Ici, votre moteur marqué M dans le diagramme, tourne un axe en métal 23. L'arbre est monté sur roulements à rouleaux en céramique (comme utilisés sur les planches à roulettes) et rien sur l'arbre touche toute autre partie, ce qui signifie que l'arbre tourne très librement et très peu d'énergie est nécessaire pour faire tourner.

Arbre 23 a metal “ailettes” ou plaques 21 attaché à elle et ces pass cependant quelque peu similaires palettes métalliques 25 qui sont fixe et ne se déplacent pas. Ces quatre ensembles d'ailettes métalliques forment deux condensateurs variables séparées.

Les ailettes 21 sont disposés de sorte que lorsque la valeur atteint que c'est la capacité maximale (étant entièrement inséré dans les ailettes immobile 25 comme indiqué sur la droite du diagramme) puis de l'autre un ensemble d'aubes est à sa capacité minimale étant aussi loin que possible de son ensemble assorti d'ailettes 25.

Au départ, au démarrage, tous les deux des ensembles d'ailettes marqués 25 sont complètement chargés à une tension positive élevée par un système électrique (non illustré ici) et le transformateur de sortie est connecté entre ces deux ensembles d'ailettes, produisant cet arrangement




Les ensembles d'ailettes 21 sont reliées à une charge fortement négative, passée à eux par l'intermédiaire de la tige métallique 23. Lorsque les plaques négatives 21 sont insérés entre les plaques chargées positivement 25, tous de la charge positive sur les plaques non maillés 25 est aspiré vers la charge négative sur les plaques maillés 21, mais cette accusation est obligée de circuler à travers le transformateur de sortie sur son voyage. Cette disposition entraîne la charge positive sur les plaques fixes à navette va-et-vient à travers le transformateur de sortie, jamais obtenir “épuisé” dans le processus. Cela signifie que le générateur a une puissance électrique de 220 volts à 50 cycles par seconde, et la seule puissance d'entrée nécessaire est la petite quantité nécessaire pour faire tourner l'arbre du rotor. La force nécessaire pour faire tourner l'arbre du rotor n'est pas affectée en aucune façon par l'intensité du courant tiré du transformateur de sortie, ce qui signifie que le générateur est totalement indépendant de la charge. Alors qu'il s'agit d'un design très intelligent, un certain nombre de détails de construction pratique pouvant être modifié pour améliorer les performances.

Le brevet de Breaux montre une forme de girouette qui double la fréquence à laquelle les tours moteur de voiture et qui est en équilibre sur l'arbre, ne produire aucune vibration d'arbre quand tourné rapidement. La forme de la girouette est montrée ici:


Vous remarquerez que les ailettes du rotor (montrés en gris), sont positionnées à quatre-vingt dix degrés dehors, fournissant même meilleur équilibre de l'arbre. Toutes les aubes du rotor ont la même forme et toutes les aubes fixes de stator ont la même forme, ce qui est utile pour la production de masse. Tandis que seulement deux pales de rotor et deux aubes fixes de stator sont indiquées dans ce diagramme liminaire, il peut y avoir autant de paires de plaques de rotor/stator comme vous le souhaitez. Chaque paire d'assiettes supplémentaires augmente la puissance de sortie du générateur.

Cette conception des appels pour les ailettes d'être dans le vide, ce qui suggère fortement que ce dispositif n'était jamais prototypé comme fonctionnant en vase clos, à moins que toutes les surfaces conductrices ont isolation exceptionnelle, serait une catastrophe majeure comme la décharge coronale serait massive – après tout, c'est comment fabrique-t-on les thermionic valves ou 'tubes à vide' et ils transportent des courants électriques importants grâce à un vide. Pour cette conception pour fonctionner correctement, il doit être opéré dans l'air sec.

La puissance de sortie d'un dispositif de cette nature s'accroît avec zone de palettes et avec une diminution inter écart de girouette et avec accroissement de tension. En conséquence, une tension de travail considérablement supérieure à 220 volts sera utilisée pour charger les ailettes. Cela signifie que la tension de sortie sera beaucoup plus élevée qu'est commode. Générateurs de ce type montrent généralement une charge résistive et seulement une charge résistive. Une pratique mise en œuvre nécessiterait un transformateur abaisseur sur la sortie pour atteindre une tension de 220V CA. On croit généralement que la nature inductive de l'enroulement primaire d'un tel transformateur créerait un effet d'étouffement majeur sur l'écoulement oscillant de charge entre les ailettes, en raison de la FCEM de cet enroulement. Ce n'est pas le cas si un style de Thane Heins de transformateur est utilisé (comme indiqué au chapitre 3), comme un transformateur de ce type n'a pas tout contre-électromotrice significative, ce qui en fait un design très intéressant, surtout que le courant de sortie dessiner n'affecte pas la puissance d'entrée qui sert uniquement pour faire tourner l'arbre du rotor.

En théorie, la charge statique initialement placée sur les ailettes du condensateur n'est jamais épuisée. Toutefois, dans ce monde, conditions parfaites ne semblent jamais être rencontrées. Dans ce cas, il y a une très légère perte de charge avec le temps, et cette accusation est stimulée très brièvement après qu'une longue période est écoulée. Une brève impulsion de haute tension une fois toutes les dix minutes est susceptible d'être suffisant. Il est sans perte d'énergie de corona en serpentins corona seule forme à haute fréquence et ce générateur ne dépasse pas un maximum absolu de 60 Hz, qui est une fréquence très basse en fait, il n'y a jamais aucune décharge de corona à tous.



Patrick Kelly
http://www.free-energy-info.co.uk
http://www.free-energy-devices.com
http://www.free-energy-info.tuks.nl




闽ICP备2022006709号