LA GUÍA PRÁCTICA DE DISPOSITIVOS DE LIBRE-ENERGÍA       Autor: Patrick James Kelly

Capítulo 6: Pulso-cobrando los Sistemas de la Batería

Nota:   Si usted no está familiarizado con la electrónica básica, usted puede encontrar más fácil entender este capítulo si usted lee el capítulo 12 primero.

Es posible extraer cantidades importantes de energía del ambiente local y usar esa energía para cargar las baterías. No sólo eso, pero cuando se utiliza este método de carga, las baterías, poco a poco condicionados a esta forma de energía no convencional y su capacidad para hacer trabajo aumenta. Además, alrededor del 50% de las baterías de los vehículos abandonados por ser incapaz de mantener su cargo por más tiempo, responde a este tipo de carga y revivir plenamente. Esto significa que un banco de baterías se puede crear a muy bajo costo.

Sin embargo, aunque este punto de vista económico es muy atractivo, el uso de baterías para cualquier aplicación en casa significativo es simplemente no es práctico. Si configura una nueva cuenta bancaria y depósito de £1000 en él, y cuando vuelvas a ver que algunos días más tarde, se descubre que hay sólo £500 en ella. Usted pide el banco para comprobar este error y que se informe de que no hay ningún error, todos los bancos sólo devuelven la mitad de lo que se deposita en una cuenta. ¿Qué pensaría usted de eso? Pero, eso es exactamente lo que hace una batería de plomo-ácido para usted - que sólo devuelve la mitad de la corriente que usted alimenta en ella cuando la cargue. En otras palabras, usted pierde la mitad de la potencia que usted alimenta a una batería de coche. NiCad y las baterías más populares NiMh regresan dos terceras partes de lo que se alimenta en ellos. Condensadores y bancos de súper-condensadores son 100% eficaz y no pierden nada como diferencia de las baterías, no son un proceso químico.

Se recomienda que las baterías no se descargan más rápidamente que un período de veinte hora. Esto significa que una batería con una capacidad nominal de 80 amperios-hora (80 AHr) no debería estar obligado a suministrar una corriente de más de 4 amperios. Si supera esa velocidad de descarga, a continuación, el número de veces que la batería se puede cargar y descargar se redujo severamente - algo que no te das cuenta en el momento, pero descubre más tarde, cuando la batería necesita ser reemplazada, ya que ya no se sostiene un cargo. Esta es una restricción devastadora que empuja el funcionamiento de la batería en la categoría de no-práctica, con excepción de cargas muy pequeñas como las luces, televisores, grabadoras de DVD y equipos similares con los requisitos de potencia mínimos..

El Los costes principales del ejecutar una casa hijo aquéllos de calentar / el premisas del las refrescante el y operando el equipo como una máquina del lavado. Estos artículos tienen una capacidad de carga mínima de sólo encima de 2 kW. Da lo mismo al requisito de poder si usted usa un 12-voltio, 24-voltio o 48-voltio el banco de la batería. No importa qué arreglo es escogido, el número de baterías necesitado proporcionar algún requisito de poder dado es el mismo. Los bancos de voltaje más altos pueden tener diámetro más pequeño que alambra como la corriente es más bajo, pero el requisito de poder permanece el mismo.

Así, para proporcionar el poder a una 2 carga del kW, requiere una corriente total del 12-voltio las baterías de 2000 / 12 = 167 amperios. Las 80 baterías de AHr usando éste es 42 baterías. Desgraciadamente, los circuitos cobrando describieron debajo, no cobrará una batería que está impulsando una carga. Esto significa que para un requisito como calefacción que es un día y requisito de la noche allí necesita ser dos de éstos bancos de la batería que nos toman a 84 baterías. Esto sólo es por un 2 kW cargar mínimo que los medios que si esto está usándose por calentar, no es posible operar la máquina del lavado a menos que la calefacción ha apagado. Así, permitiendo algún cargar extra así, los alcances de cuenta de batería, quizás, 126. Ignorando el costo, y asumiendo que usted puede encontrar alguna manera de superar el problema ácido, el puro volumen físico de este número de baterías simplemente no es realista para la instalación doméstica y uso. Pasando, usted necesitaría también dos inverters con un 2.5 kW que opera la capacidad.

Esto trae el valor de dispositivos a casa como el Shenhe Wang 5 kW motor-generador del imán permanente que es compacto y exige a ningún combustible o a baterías operar. Sin embargo, los sistemas pulsar-cobrando son importantes cuando ellos nos muestran que los rasgos de la energía local presentan y cómo taladrarlo.


John Bedini.   ha diseñado una serie de circuitos generadores pulsantes, todos ellos basados en su bobina de choque multicapas y que consta en su patente número 6,545,444.



El Sistema de Conmutación de Roger Andrews.
El arreglo de conmutación muy ordenado usado por John es mostrado detalladamente en la patente más temprana US 3,783,550 publicado en 1974 donde el mismo pulso de electroimán de empuje provocado por imán es usado para impulsar una serie entera de movimientos. Uno de éstos es dos peonzas magnéticas hechas para girar en un plato playo:


Cuando las cumbres giran rápido, ellos se elevan la base inclinada del plato y vuelta cerca del borde externo. Cuando ellos reducen la velocidad ellos mueven hacia atrás hacia el centro del plato y esto provoca la batería/transistor/electroimán incorporada en la base del plato. El pulso del electroimán incrementa la vuelta de la cumbre, devolviéndolo la cuesta. Este es un arreglo muy ordenado cuando el transistor es de la mayor parte del tiempo y aún las dos cumbres siguen girando.

Otro de los sistemas de Roger son mostrados aquí:


Esto funciona de casi el mismo modo, con una rueda magnética que rueda de acá para allá a lo largo de una pista curva. En el punto más bajo, el electroimán es provocado por el voltaje inducido en algunas vueltas del bobina, impulsando el transistor e incrementando el rodillo magnético en esto es el camino.

Otro dispositivo Andrews es el péndulo donde el imán que pasa del péndulo provoca un pulso de empuje del solenoide, guardando el péndulo balanceador. John Bedini también ha usado este mecanismo para un sistema de cobro de batería pulsado y Veljko Milkovic se ha manifestado que el poder mecánico sustancial puede ser extraído de una palanca que es impulsada por un péndulo.


El Andrews también muestra un arreglo de conmutación para un motor. Este diseño es esencialmente el mismo como usado por John Bedini en muchos de sus sistemas de pulsación:


Aquí, cuando el imán de rotor pasa el electroimán curvo en la base, esto enciende los dos transistores que producen un pulso que guarda el hilado de rotor y la bocacalle de generador diminuta. El Andrews produjo este para la divesión cuando el rotor parece girar en es propio sin cualquier poder de paseo.

Como con el sistema Andrews, el rotor Bedini es comenzado girando a mano. Cuando un imán pasa ante la bobina trifilar induce un voltaje en los tres devanados de la bobina. El imán del rotor contribuye efectivamente a energizar el circuito cuando pasa ante la bobina. Un devanado alimenta el circuito de base del transistor a través de la resistencia R. Esto abre el paso a una corriente importante desde la batería al segundo devanado de la bobina, creando un polo norte en lo alto de la misma, que empuja el rotor en su camino. Como sólo un campo magnético variable puede generar un voltaje en una bobina, la fuerte corriente del transistor a través de la bobina 2 es incapaz de mantener la corriente de base a través del bobinado 1 y el transistor corta de nuevo.

El corte de la corriente en el bobinado produce una sobretensión, llevado al bus de la batería un gran voltaje. El diodo protege al transistor impidiendo que el voltaje de la base baje de los -0,7 voltios. L tercera bobina mostrada en el lado izquierdo recibe esos impulsos y los rectifica gracias a un puente de diodos de mil voltios. La corriente continua pulsada pasa al condensador, que proviene de una cámara desechable, pues están construidos para altos voltajes y descargas muy rápidas. El voltaje en el condensador sube con rapidez y, después de varios impulsos, la energía almacenada pasa a la batería “La en carga” a través de los contactos del interruptor mecánico. La polea de transmisión desde la rueda a la polea con la leva produce una desmultiplicación por lo cual hay varios impulsos de carga entre dos cierres consecutivos de los contactos. Los tres bobinados se colocan en el carrete al mismo tiempo y están formados por 450 vueltas cada uno. (Marque los terminales de la bobina antes de comenzar).

El funcionamiento de este mecanismo es algo inusual. El rotor se arranca a mano y va ganando velocidad hasta alcanzar un máximo. La cantidad de energía que pasa a los devanados por cada imán del rotor es la misma, pero cuanto más rápido se mueve el rotor, más corto es el intervalo en el cual la energía es transferida. La energía recibida de los imanes por segundo se incrementa con la velocidad.

Si la rotación es suficientemente rápida el funcionamiento cambia. Hasta ese momento la corriente obtenida de la batería “donante” se ha incrementado con la velocidad, pero ahora la corriente “donada” empieza a bajar aunque la velocidad continúe aumentando. Esto se debe a que el aumento de velocidad provoca que el impulso del imán se produzca cuando el imán ya ha sobrepasado la bobina. Esto quiere decir que el impulso de la bobina no debe empujar contra la cara norte del imán, sino que, en vez de esto, atrae al polo sur del próximo imán del rotor, lo que mantiene al rotor girando y aumenta el efecto magnético del impulso de la bobina. John mantiene que la eficiencia mecánica de estos aparatos está siempre por debajo de cien, pero que es posible obtener resultados de COP > 11. Mucha gente que construye estos aparatos nunca consigue un COP > 1.

Es importante no usar un cargador normal de los conectados a la red para la carga de estas baterías. Está claro que la “electricidad fría” producida por un aparato Bedini correctamente puesto a punto es sustancialmente diferente de la electricidad normal aunque ambas puedan realizar la misma tarea cuando alimentan equipos eléctricos. Cuando se comience a cargar una batería acido-plomo con energía radiante por primera vez es conveniente que la misma esté descargada a 1,7 voltios por celda, lo que significa unos 10 voltios para una batería de 12 voltios.

Es mejor usar los transistores especificados por Bedini en sus esquemas, que aquellos listados como equivalentes. Muchos de los diseños usan aquella característica de los transistores incorrectamente llamada “resistencia negativa”. Estos semiconductores no muestran ninguna forma de resistencia negativa, pero en su lugar, muestran una resistencia reducida por el incremento de la corriente en una parte de su rango operativo.

Se ha dicho que el uso de cable “Litz” puede incrementar la potencia de salida de este aparato nada menos que en un 300%.El cable “Litz” es una técnica consistente en tomar tres o más cables y trenzarlos juntos. Se hace tomando los tres cables en una longitud de, por ejemplo, un metro y rotando el punto medio del conjunto de cables en una dirección. Esto produce giros horarios en la mitad del recorrido y la otra mitad con giros antihorarios. Hecho sobre una gran longitud los cables están girados en sentido horario, en sentido antihorario, de nuevo en sentido horario…. en toda su longitud. Los finales de los cables son entonces desprovistos de su asilamiento y soldados para conseguir un cable con tres componentes que se utiliza entonces para bobinar. Este tipo de cable modifica las propiedades eléctricas y magnéticas de los bobinados. Se ha dicho que tomando tres trozos de cable y girándolos en una sola dirección para conseguir un largo cable trifilar el casi tan efectivo como un cable “Litz”. En la Web www.mwswire.com y en la www.litz-wire.com existen direcciones de suministradores de cable “Litz”.hecho listo.

Una Web que muestra realizaciones de Bedini se puede encontrar en: www.rexresearch.com

El CUATELA: el Cuidado debe tenerse al trabajar con las baterías, especialmente las baterías del llevar-ácido. Una batería cobrada contiene una cantidad grande de energía y poniendo en cortocircuito los términos causarán un flujo actual muy grande que puede empezar un fuego. Al cobrarse, algunas baterías emiten el gas de hidrógeno que cuando mixto con el aire es muy peligroso y qué podría explotar si encendió por una chispa. Las baterías pueden explotar y/o pueden coger el fuego si groseramente sobrecargó o cobró con una corriente excesivamente grande, podría haber peligro así que de los pedazos volantes de la cubierta y posiblemente ácido que se tira alrededor. Incluso una batería llevar-ácida aparentemente limpia puede tener los rastros cáusticos en el caso, para que usted debe estar seguro lavar sus manos completamente después de ocuparse de una batería. Las baterías con los términos de primacía tienden a verter fragmentos pequeños de primacía cuando se ponen las grapas en ellos. La primacía es tóxica, tan por favor esté seguro lavar sus manos después de ocuparse de cualquier parte de una batería del llevar-ácido. También recuerde que que algunas baterías tan por favor pueden desarrollar que las goteras ligeras protegen contra cualquier goteo. Si usted decide realizar cualquier experimento que usa baterías que usted hace tan completamente a su propio riesgo y en su propia responsabilidad. Esto puesto de documentos sólo se presenta para los propósitos de información y no animan que usted haga algo de otra manera que lea la información.

También, si usted consigue uno de los motores del pulso de John puesto a punto correctamente, acelerará a quizás 10,000 rpm. Esto es grande para recoger la energía pero si se usan los imanes cerámicos, la velocidad puede causarlos desintegrar y volar en todas las direcciones. Las personas han tenido los fragmentos del imán empotrados en su techo. Sería sabio construir un albergue que adjunta el rotor e imanes para que si los imanes desintegran, todos los fragmentos se contengan seguramente.

El Caballero de Ronald tiene muchos años de experiencia profesional ocupándose de baterías y pulso-cobrándolos. Él hace un comentario sobre la seguridad de la batería como sigue:

Yo no he oído hablar de nadie teniendo un fracaso catastrófico de un caso de la batería en toda la energía se agrupa a que yo pertenezco y la mayoría de ellos usan las baterías en los varios sistemas que yo estudio. Sin embargo, eso no significa que no puede pasar. La razón más común para el fracaso catastrófico en el caso de una batería del llevar-ácido, está formando arco causando el fracaso en las rejas que se congregan juntos dentro de la batería para constituir las células de la batería. Cualquier formando arco interior causará una figura rápida a de presión del gas de Hidrógeno que ensancha, produciendo un fracaso catastrófico del caso de la batería.

Yo soy un ingeniero de mantenimiento anterior para las Baterías americanas, para que yo puedo decir con la confianza, que cuando usted recibe una nueva batería de por lo menos ese fabricante, usted recibe una batería que ha sufrido la prueba mejor disponible asegurar al fabricante que él no está vendiendo basura que se enviará atrás a él. Es una prueba relativamente fácil, y como él el lugar toma durante el cargo inicial, no hay el tiempo gastado ni está allí una batería que escapa la prueba de la paso-o-falta. La batería se cobra con la corriente máxima absoluta que puede tomar. Si la batería no explota ninguna deuda al formar arco interior durante el cargo inicial que es muy probable que no explotará bajo el uso regular para que fue diseñado. Sin embargo, todas las apuestas están apagado con baterías usadas que han ido más allá de su vida esperada.

Yo he dado testimonio de varios fracasos catastróficos de casos de la batería diariamente al trabajo. Yo he sido el derecho en pie al lado de las baterías (dentro de 12 pulgadas) cuando ellos explotan (está apagado como una .45 pistola de ACP la ida redonda) y sólo se ha sobresaltado y se ha tenido que cambiar mi bajo los calzoncillos y salto-traje de Tyvek, y se quita mis botas de caucho. Yo he estado en el cuarto de cargo con varias cientos baterías en un momento posicionado muy estrechamente juntos y he visto las baterías explotar casi cada día activo y yo nunca he visto lado a lado dos el soplo, ni yo he visto un fuego o cualquier llamarada alguna vez dañar como resultado al caso o el área circundante. Yo nunca tengo incluso visto una llamarada pero lo que yo he visto me dice es sabio siempre llevar protección del ojo al cobrar.

Yo tengo mis nuevas células de gel en una silbido-cerradura de plástico pesada empaqueta abierto la cremallera en parte cuando en la casa y en una caja de la batería marina fuera de en el garaje que simplemente está en la oportunidad remota de fracaso catastrófico o el más probablemente el evento de ácido por fuera del caso de la batería.

Las baterías dadas salida siempre son un riesgo de derrame que es su riesgo más común, ellos siempre deben estar en un cartón rayado plástico o caja de plástico con los lados más alto que la batería y ningún agujero en él. Usted se sorprendería a qué lejos mí ha encontrado el ácido alrededor de una primacía dada salida la batería ácida bajo el cargo.

Tenga un plan de la emergencia, guarde una caja de bicarbonato de sosa y una fuente de agua alrededor neutralizar y vaciar el ácido en caso del derrame. Es mejor tener plástico bajo y alrededor de dondequiera que sus baterías del llevar-ácido se localiza.

Ronald Knight consigue cerca de quince veces más potencia de sus baterías cargadas por el sistema Bedini de la que drena de las baterías donantes. Insiste en que esto no se consigue inmediatamente, y que las baterías están condicionadas a varios ciclos de carga y descarga. Cuando esto se consigue, la capacidad de las baterías se ve incrementada. Un dato interesante: la cantidad de corriente drenada de las baterías donantes no crece si el banco de baterías en carga se incrementa. Esto es debido a que la potencia que carga las baterías fluye del medio ambiente y no de la batería donante. La batería donante sólo produce las puntas de alto voltaje que drenan la energía desde el medio ambiente y como una consecuencia de esto el banco de baterías en carga puede tener un voltaje mayor que los 12 voltios del banco de baterías donantes y puede contener cualquier cantidad de baterías.


El Corcel de Ron Pugh.   Los planes de John Bedini se han experimentado con y se han desarrollado por varios entusiastas. Esto de ninguna manera disminuye del hecho que el sistema entero y conceptos vienen de John y debe gustarme expresar mi sincero gracias a John por su compartir más generoso de sus sistemas. Las gracias también son debidas a Ron Pugh que ha estado de acuerdo amablemente para los detalles de uno de sus generadores de Bedini ser presentado aquí. Permítame enfatizar de nuevo, que si usted decide construir y usar uno de estos dispositivos, usted hace tan completamente a su propio riesgo y ninguna responsabilidad por sus restos de acciones con John Bedini, Ron Pugh o nadie más. Permítame enfatizar de nuevo que este documento sólo se mantiene los propósitos de información y no es una recomendación o estímulo para usted construir un dispositivo similar.

El dispositivo de Ron es mucho más poderoso que el medio sistema, mientras teniendo quince bobinados del bobina y realiza el más grandiosamente. Aquí es un cuadro de él rodando a la velocidad alta:


Éste no es un juguete. Dibuja la corriente significante y produce las proporciones cobrando sustanciales. Esto es cómo Ron escogió construir su dispositivo. El rotor se construye de discos de aluminio que eran dar pero él habría escogido aluminio para el rotor si empezando desde el principio como su experiencia indica que es un material muy conveniente para el rotor. El rotor tiene seis imanes insertados en él. Éstos se espacian 60 grados uniformemente aparte con los polos Nortes todos los exteriores del paramento.

Los imanes son los tipos cerámicos normales aproximadamente 22 mm el 47 mm ancho largo y 10 mm alto. Ron usa dos de éstos en cada uno de sus seis hendeduras del rotor. Él compró a algunos de repuesto y entonces graduó todos ellos en el orden de su fuerza magnética que varía un pedazo del imán al imán. Ron hizo esto graduando usando un metro del gauss. Un método alternativo habría sido usar un sujetapapeles aproximadamente 30 mm en el tamaño y medir la distancia a cuál simplemente acabe de la grapa empieza a subir a fuera de la mesa como el imán se mueve hacia él:



Habiendo graduado los imanes en el orden de fuerza, Ron tomó el mejor entonces doce y los apareó fuera de, mientras poniendo el más débil y más fuerte juntos, el segundo más débil y el segundo más fuerte, y así sucesivamente. Esto produjo seis pares que tienen emparejando las fuerzas magnéticas bastante estrechamente. Se encolaron los pares de imanes entonces en el lugar en el rotor que usa la cola excelente:


No es deseable retirar los imanes aunque es posible poner una capa refrenando alrededor de la circunferencia del rotor como el despacho de aduanas entre el imán enfrenta y los bobinas están sobre un cuarto de una pulgada (6 mm) cuando ajustó para la actuación óptima. Los polos Nortes de los imanes enfrentan los exteriores como mostrado anteriormente en el diagrama. Si deseó, la atadura de los imanes puede fortalecerse por la suma de platos del lado pálidos al rotor que permite el imán que encola para ser llevado a cabo en cinco de las seis caras de los pares del imán:


Los imanes empotrados en el borde exterior del rotor se actúan adelante por la herida “los bobinas” qué acto como 1:1 transformadores, electroimanes, y bobinas de la recogida. Hay tres de éstos “los bobinas”, cada ser sobre 3 pulgadas largo e hirió con cinco cuerdas de #19 AWG (20 SWG) el alambre. Los moldes del bobina eran hecho de la cañería de plástico de 7/8 pulgada (22 mm) diámetro exterior que Ron taladró fuera a un diámetro interno de 3/4 pulgada (19 mm) qué da un espesor de la pared de 1/16 pulgada (1.5 mm). Los pedazos del extremo para el moldes del bobina eran hecho de 1/8 pulgada (3 mm) PVC que se arregló al tubo plástico que usa a plomeros la cola de PVC. El bobina enrollar era con los cinco alambres torcidos alrededor de nosotros. Esto se hizo sujetando los extremos de los cinco alambres juntos a cada extremo formar un bulto 120 pie largo.

El bulto de alambres se estiró entonces fuera y guardó claro de la tierra pasándolo a través de las aperturas en un juego de sillas del patio. Un taladro batería-impulsado se ató a un extremo y operó hasta los alambres se torció flojamente juntos. Esto tiende a torcer los extremos de los alambres juntos a una magnitud mayor cerca del extremo del bulto en lugar del medio. Así que el procedimiento fue repetido, mientras torciendo el otro extremo del bulto. Merece la pena, que el taladro se vuelve en la misma dirección a cada extremo para guardar las torceduras todos en la misma dirección. El bulto torcido de alambres es reunido en una bobina del grande-diámetro y entonces usó para enrollar uno del “los bobinas.”


Los bobinas se enrollan con los platos del extremo atados y taladraron listo para atornillar a su 1/4 pulgada (6 mm) PVC basa que es los echamos el cerrojo a a la 3/4 pulgada (18 mm) MDF la estructura de apoyo. Para ayudar el bobinado para permanecer completamente incluso, un pedazo de papel se pone encima de cada capa del bobinado:


Se ataron los tres bobinas producidos de esta manera entonces a la superficie principal del dispositivo. Allí podido así como fácilmente ha sido seis bobinas. El posicionamiento es hecho para crear un hueco ajustable de aproximadamente 1/4 pulgada (6 mm) entre los bobinas y los imanes del rotor para encontrar la posición óptima para la interacción magnética. Los efectos magnéticos se magnifican por el material del centro de los bobinas. Esto es hecho de las longitudes de oxyacetylene que suelda alambre que es cobrizo cubiertas. El alambre se corta para clasificar según tamaño y cuché con la laca clara para prevenir la pérdida de energía a través de corrientes del remanso que circulan dentro del centro.

Los bobinas se posicionan a los intervalos iguales alrededor del rotor y para que es separadamente 120 grados. Se echan el cerrojo a los pedazos del extremo del moldes del bobina a una 1/4 pulgada (6 mm) PVC plato bajo que tiene slotted que monta agujeros que permiten ajustar el hueco magnético como mostrado aquí:


Los tres bobinas tienen un total de quince bobinados idénticos. Un bobinado se usa para darse cuenta de cuando un imán del rotor alcanza los bobinas durante su rotación. Esto quiere, claro pase seis veces por cada revolución del rotor como allí es seis imanes en el rotor. Cuando el bobinado del gatillo se activa por el imán, la electrónica impulsa a todos los catorce bobinas restantes con un muy afilado, pulso que tiene un tiempo del levantamiento muy corto y un tiempo de la caída muy corto. La agudeza y brevedad de este pulso son un factor crítico deduciendo la energía del exceso en del ambiente y se explicarán después en el detalle mayor. La circuitería electrónica está montada en tres fregaderos de calor de aluminio, cada uno aproximadamente 100 mm honradamente. Dos de éstos tienen cinco BD243C transistores de NPN echados el cerrojo a ellos y el tercero uno tiene cuatro transistores de BD243C montados en él.

El metal que monta plato de los BD243 transistores actos como su fregadero de calor que es por qué ellos son todos echados el cerrojo a al plato de aluminio grande. Los transistores de BD243C se parecen.


El circuito se ha construido en los tableros de aluminio para que los transistores puedan echarse el cerrojo a directamente adelante a él, y con tal de que con tiras aislantes montadas encima de él para evitar los cortos circuitos a los otros componentes. Se han usado los bloques de conector de tira normales para enterrar-conectar las tablas que se parecen:


El circuito usado con este dispositivo es simple pero como allí tantos componentes involucrados son, el diagrama es hendido en las partes encajar en la página. Estas partes se muestran aquí:






Mientras esto se parece un circuito bastante grande y complicado, realmente no es. Usted notará que hay catorce secciones del circuito idénticas. Cada uno de éstos es bastante simple:


Éste es un circuito del transistor muy simple. Cuando la línea del gatillo va positiva (manejado por el imán que pasa el bobina) el transistor se enciende duro, mientras impulsando el bobina que se conecta entonces eficazmente por la batería tendencia. El pulso del gatillo es bastante el calzón, para que el transistor apaga casi inmediatamente. Éste es el punto a que el funcionamiento del circuito se pone sutil. Las características del bobina son tales que este pulso de repente impulsando y súbito corte-fuera de la causa el voltaje por el bobina para subir muy rápidamente, arrastrando el voltaje en el coleccionista del transistor a a varios cientos voltios. Afortunadamente, este efecto es energía deducida del ambiente que es electricidad convencional bastante diferente, y agradecidamente, un trato bueno dañando al transistor. Este levantamiento en el voltaje, eficazmente “se vuelve encima de” el juego de tres 1N4007 diodos que entonces dirigen fuertemente, mientras alimentando esta libre-energía del exceso en la batería cobrando. Ron usa tres diodos en paralelo cuando ellos tienen una capacidad de actual-transporte buena y las características termales que un solo diodo. Esto es una práctica común y cualquier número de diodos pueden ponerse en paralelo, con a veces tantos como diez usándose.

La única otra parte del circuito es la sección que genera el signo del gatillo:


Cuando un imán pasa el bobina que contiene el bobinado del gatillo, genera un voltaje en el bobinado. La intensidad del signo del gatillo es controlada pasándolo a través de un vehículo ordinario 6 vatio, 12 voltio bombilla y limitando más allá entonces la corriente haciéndolo atraviesan una resistencia. Permitir algún mando manual del nivel del signo del gatillo, la resistencia es dividido en una resistencia fija y una resistencia inconstante (qué a muchas personas les gusta llamar un “la olla”). Esta resistencia inconstante y el ajuste del hueco entre los bobinas y el rotor son los únicos ajustes del dispositivo. La bombilla tiene más de una función. Cuando la afinación es correcta, la bombilla brillará oscuramente qué es una indicación muy útil del funcionamiento. El circuito del gatillo alimenta cada uno entonces de las bases del transistor vía sus 470 ohm resistencias.

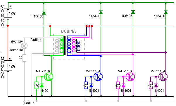
John Bedini apunta para un más aun la aplicación poderosa, alambrando su circuito con AWG #18 (19 SWG) el pesado-deber el alambre cobrizo y transistores de MJL21194 usando y 1N5408 diodos. Él aumenta el paseo del gatillo dejando caer la resistencia inconstante y la resistencia fija reduciendo a sólo 22 ohmes. El transistor de MJL21194 tiene las mismas conexiones del alfiler como el transistor de BD243C. Ésta es la sección de arranque del circuito de John:


Hay varias maneras de construir este circuito. Ron muestra dos métodos diferentes. El primero se muestra anteriormente y se usa el paxolin despoja (el material de tabla de impreso-circuito) sobre el fregadero de calor de aluminio para montar los componentes. Otro método que es fácil ver, usa alambres cobrizos espesos sostenidos claro del aluminio, mantener una montura limpia y segura los componentes como mostrado aquí:



Es importante comprender que el coleccionista de un transistor de BD243C se conecte internamente al plato del calor-fregadero usado para la montura física del transistor. Cuando el circuito no tiene los coleccionistas de estos transistores conectados juntos eléctricamente, ellos simplemente no pueden echarse el cerrojo a a un solo plato del calor-fregadero. El cuadro anterior podría dar la impresión mala como él no muestre claramente que el metal echa el cerrojo a atando los transistores en el lugar no entre directamente en el plato de aluminio, pero en cambio, ellos atan en plástico tee-chiflado.

Una alternativa, frecuentemente usada por los constructores de circuitos electrónicos alto potencia, es usar a lavanderas de mica entre el transistor y los heatsink comúnes chapan, y usa las saetas de la atadura plásticas o metal echa el cerrojo a con un cuello aislante plástico entre la atadura y el plato. Mica tiene la propiedad muy útil de dirigir muy bien el calor pero no dirigir electricidad. Mica “lavanderas” formó al paquete del transistor está disponible de los proveedores de los transistores. En este caso, parece claro esa dispersión de calor no es un problema en este circuito que en cierto modo será esperado como la energía que es arrastrado del ambiente frecuentemente se llama “frío” electricidad como él refresca los componentes abajo con la corriente creciente como opuesto a calentarlos a como electricidad convencional hace.

Esta tabla del circuito particular está montada al trasero de la unidad:


Aunque el diagrama del circuito a veces muestra un doce voltio suministro del paseo que es un voltaje del suministro muy común que Ron impulsa su dispositivo con un mains operó Power Suministro Unidad que muestra una entrada de poder de un 43 vatios bastante triviales. Debe notarse que este dispositivo opera tirando en el poder extra del ambiente. Ese dibujo en de poder se rompe si cualquier esfuerzo se hace doblar ese poder medioambiental atrás en sí mismo o manejando la unidad directamente de otra batería cobraron por la propia unidad. Simplemente puede ser posible impulsar la unidad con éxito de una batería previamente cobrada si un invertido se usa para convertir el poder al CA y entonces un paso-baje el transformador y reguló el circuito de rectificación de poder se usa. Cuando la entrada de poder es así muy baja, el funcionamiento de la fuera de-reja debe ser fácilmente posible con una batería y un tablero solar.

No es posible operar una carga fuera de la batería bajo el cargo durante el proceso cobrando como esto rompe el flujo de energía. Algunos de estos circuitos recomiendan que una vara del earthing 4 pie larga separada sea acostumbrada a la tierra el lado negativo de la batería tendencia, pero fechar, Ron no ha experimentado con esto. Pasando, es la práctica buena para adjuntar cualquier batería del llevar-ácido en una caja de la batería. Los cereros marinos pueden proporcionar éstos como ellos se usa extensivamente yendo en bote las actividades.

Al partir las longitudes del alambre por cubrir y empujar en los moldes de la bobina, Ron acostumbra una giga a asegurar que todas las longitudes son idénticas. Este arreglo se muestra aquí:


La distancia entre las tijera grandes y el ángulo de metal sujetados al banco de trabajo hace el tamaño requerido exactamente a cada longitud cortada de alambre mientras el recipiente plástico colecciona que los pedazos cortados preparan por cubrir con laca clara o el polyurethane claro barnice antes del uso en los centros del bobina.

La experiencia es particularmente importante al operar un dispositivo de este tipo. La 100 ohm resistencia inconstante debe ser un tipo del alambre-herida como él tiene que llevar la corriente significante. Inicialmente la resistencia inconstante se pone a su valor mínimo y el poder aplicó. Esto causa el rotor para empezar la mudanza. Como la proporción de aumentos del giro, la resistencia inconstante se aumenta gradualmente y una velocidad máxima se encontrará con la resistencia inconstante alrededor del medio de su rango, es decir acerca de 50 ohm resistencia. Aumentando la resistencia las causas extensas la velocidad para reducir.

El próximo paso es volverse la resistencia inconstante de nuevo a su posición de resistencia mínima. Esto causa el rotor para dejar su velocidad máxima anterior (aproximadamente 1,700 rpm) y aumenta la velocidad de nuevo. Como las salidas de velocidad que aumentan de nuevo, la resistencia inconstante se voltea una vez más gradualmente, mientras aumentando su resistencia. Esto levanta la velocidad del rotor a aproximadamente 3,800 rpm cuando la resistencia inconstante alcanza el medio punto de nuevo. Esto es probablemente ayune bastante para los propósitos todo prácticos, e incluso a esta velocidad, el desequilibrio más ligero del rotor se presenta bastante notablemente. Para ir cualquier más rápido que esto requiere un excepcionalmente la norma alta de exactitud del construcción. Por favor recuerde que el rotor tiene una cantidad grande de energía guardada en él a esta velocidad y para que es potencialmente muy peligroso. Si el rotor rompe o un imán se lo cae, eso guardó la energía producirá un proyectil muy peligroso. Eso es por qué es aconsejable, aunque no mostrado en las fotografías anteriores, construir un cercamiento para el rotor. Ése podría ser un cauce U-formado entre los bobinas. El cauce cogería entonces y refrenaría que cualquier fragmento debe algo el descanso suelto.

Si usted fuera medir la corriente durante este proceso de ajuste, se vería para reducir como las velocidades del rotor a. Esto parece como si la eficacia del dispositivo está subiendo. Eso puede ser para que, pero necesariamente no es una cosa buena en este caso dónde el objetivo es producir energía radiante que cobra del banco de la batería. John Bedini ha mostrado ese tomas cobrando serias ponen cuando la corriente dibuja del dispositivo es 3 a 5+ amperios a la velocidad del rotor máxima y no un 50 MA avariento dibuja que puede lograrse pero que no producirá el cobrando bueno. El poder puede aumentarse levantando el voltaje de la entrada a 24 voltios o aun superior - John Bedini opera a 48 voltios en lugar de 12 voltios

El dispositivo puede ponerse a punto más allá deteniéndolo y ajustando el hueco entre los bobinas y el rotor y repitiendo el procedimiento salida-despierto entonces. El ajuste óptimo es donde la último velocidad del rotor es el más alto.

Se piensa que el texto anterior da una introducción práctica a uno de las invenciones de John Bedini. Parece apropiado que algún esfuerzo a una explicación de lo que está pasando, debe adelantarse a estas alturas. En el libro más informativo “la Energía De El Vacío - los Conceptos y Principios” por Tom Bearden (ISBN 0-9725146-0-0) una explicación de este tipo de sistema se pone adelante. Mientras la descripción aparece ser apuntada principalmente al sistema del motor de John que corrió continuamente durante tres años, mientras impulsando una carga y recargarlo es la propia batería, la descripción parecería también aplicar a este sistema. Yo intentaré resumirlo aquí:

La teoría eléctrica convencional que ningún va bastante lejos al tratar hace trampas los del de baterías de las plomo / el en los circuitos electrónicos ácido. Las baterías de plomo / acida son los dispositivos sumamente non-lineales y hay una gama amplia de fabricar métodos que lo hacen difícil de presentar una declaración comprensiva que cubre cada tipo en detalle. Hay realmente por lo menos sin embargo, contrariamente a la creencia popular, tres corrientes separadas que fluyen en un circuito batería-operado:
  1. El ion el fluyendo actual en el electrólito entre los platos dentro de la batería. Esta corriente no deja la batería y entra en el circuito electrónico externo.

  2. El electrón el fluyendo actual de los platos fuera en el circuito externo.

  3. El flujo actual del ambiente que pasa a lo largo de la circuitería externa y en la batería.
Los procesos químicos exactos dentro de la batería son bastante complejos e involucran corrientes adicionales que no son pertinente aquí. El flujo actual del ambiente sigue el flujo del electrón alrededor del circuito externo y en en la batería. Esto es “frío” electricidad a que es bastante diferente electricidad convencional y puede ser muy más grande que la corriente eléctrica normal describió en los libros de texto convencionales. Una batería tiene la capacidad ilimitada por este tipo de energía y cuando tiene un sustancial “frío” el cargo de electricidad, puede empapar a la energía convencional de un corcel de la batería normal durante una semana o más, sin levantar el voltaje de la batería en absoluto.

Un punto importante para entender es que los iones en los platos de primacía de la batería tienen la inercia muy mayor que los electrones hacen (varias cientos mil veces de hecho). Por consiguiente, si un electrón y un Ion son de repente ambos dado un empujón idéntico, el electrón logrará el movimiento rápido muy más rápidamente que el Ion quiere. Es supuesto que la corriente del electrón externa está en la fase con el Ion actual en los platos de la batería, pero esta necesidad no es para que. John Bedini deliberadamente las hazañas la diferencia de velocidad adquirida aplicando un muy grandemente el potencial creciente a los platos de la batería.

En el primer momento, esto causa los electrones para amontonar a en los platos mientras ellos están esperando por los iones muy más pesados para conseguir mover. Este montón a de empujones de los electrones el voltaje en el término de la batería para subir a tanto como 100 voltios. Esto a su vez, causa la energía para fluir atrás fuera en el circuito así como en la batería, dando simultáneamente, poder del circuito y " los niveles serios de batería cobrar. Esto encima del potencial también causa mucho aumentó el flujo de poder del ambiente en el circuito, dando ambos al poder aumentado por manejar el circuito externo y por aumentar la proporción de cargo de la batería. La batería la mitad del circuito está fuera ahora 180 grados de fase con la la mitad circuito-impulsando del circuito.

Es importante entender que la energía circuito-tendencia y la energía batería-cobrando no vengan de los pulsos afilados aplicados a la batería. En cambio, la energía adicional fluye en del ambiente, activado por los pulsos generados por el circuito de Bedini. En otros términos, el Bedini pulsa el acto como una palmadita en la fuente de energía externa y no se es la fuente del poder extra.

Si el circuito de Bedini se ajusta correctamente, el pulso está apagado cortado muy agudamente sólo antes del entrada de energía taladrado está a punto de acabar. Esto tiene un efecto más allá reforzando debido a la Lenz ley reacción que causa una ola de voltaje inducido que puede tomar el encima de-voltaje potencial a tanto como 400 voltios. Esto tiene un efecto extenso en el ambiente local, mientras atrayendo un nivel aun más alto de poder adicional y extendiendo el periodo de tiempo durante que ese flujos de poder de extra en el circuito y " la batería. Esto es por qué el ajuste exacto de un Bedini que pulsa el sistema es tan importante.



Sistema de Energía Libre de Ossie Callanan.
En 2007, Ossie Callanan publicó un documento que muestra cómo y por qué se estaba COP>1 carga de la batería. Sistema de Ron Pugh compartida amablemente en detalle anteriormente, con ajuste cuidadoso y que se ejecuta en el voltaje de entrada 24 y de salida 24 voltios opera en la COP>10, que es probable que sea debido a la habilidad de Ron en la construcción y ajustando, ambos de los cuales son en efecto muy buena, junto con el uso de muchos transistores que trabajan en paralelo y triplicado diodos de carga para mejorar su rendimiento. El sistema de impulsos-carga John Bedini SSG es muy fácil de construir y funciona muy bien, incluso con muchas baterías sulfatados que han sido desechados como inútiles. Sin embargo, la mayoría de las personas no tendrán COP 1 el rendimiento de su propia SSG construir. Ossie explica por qué esto está en la sección siguiente, que es su autor. Él dice:

Creo que yo puedo tener este sistema de energía radiante elaborado hasta el punto donde cualquier persona puede construir y cuando construyes todo, puede proporcionarle con energía libre y continua. Hay dos lados al circuito y sólo tener ambos lados no es bueno, debe tener ambas cosas. Un lado es el lado del cargador del pulso, y el otro es el lado de la batería y convertidor de acumulador. En la actualidad, yo estoy cobrando las baterías a un nivel de ejecución entre COP=2 y COP=10 y batería de intercambio no es un problema.

Primero necesitamos centrarnos en el lado del cargador del sistema. Básicamente, usted debe construir un cargador que produce grandes cantidades de energía radiante en forma de pulsos radiantes. Pulsos de energía radiante son pulsos de Contratensión siempre que tienen bordes aumento muy rápidos y una caída de bordes y ocurren a altas frecuencias. No son transitorios de transistor o transitorios de conmutación! Un boquete de chispa produce pulsos de energía clásica. Son eventos caóticos pero sin embargo son eventos de energía radiante. Una bobina de conmutación en muy rápidamente usando un transistor producirá un pulso de energía radiante de FCEM de la bobina, pero un impulso por sí solo no es bueno. Necesita miles o mejor aún, millones de los impulsos para que puedan ser de alguna utilidad práctica.

Motor de muchacha de la escuela de Inglés de John Bedini (la "SGE") sólo produce una muy pequeña cantidad de energía radiante cuando tienes la base del transistor afinado para que obtenga al mayor ser oscilante tren de pulso por paso de imán. No es muy eficiente como el diodo base de sujeción desperdicia esta energía, pasando por el circuito de la base del bulbo de resistencia pero ese circuito es necesario para que pueda sincronizar la operación y proporcionar una fuerza impulsora para el imán de la muerte. Sin el diodo base de sujeción, usted consigue un oscilador y el motor no gira - ‘Atrapar 22’. Pero aún así, incluso cuando se sintoniza con el diodo base de sujeción en el lugar, el tren de pulso auto-oscilante es generalmente menos pulsos de 3 a 6 que no es mucho y por lo tanto, se produce poca energía radiante. Para todas aquellas personas tratando de afinar el motor para solamente un pulso por el paso de imán, están perdiendo su tiempo y sólo construir un motor de impulsos y no un generador de energía radiante.

La SGE no es un generador de energía radiante muy potente o muy buena y además de ser educativo, es realmente una pérdida de tiempo a menos que alguien puede explicar cómo afinar para obtener la mayor cantidad posible de energía radiante de él con un tren de pulso largo y luego decirle qué hacer con esa energía radiante. Método de John Bedini de usar una bombilla en el circuito de alimentación de la base es mantener el motor afinado a un determinado número de pulsos en el tren de pulso por paso de imán o el tren de pulso más largo como el motor aumenta la velocidad, también, la impedancia de la batería cambia la velocidad así. La bobina de dos hilos donde se utiliza una bobina como el gatillo de transistor, junto con la energía perdida en el circuito de base, añadir a la ineficacia total y hacen más difícil la construcción.

Al decir esto sobre el SSG me gustaría mostrarle ahora un oscilador de pulso muy simple y básico o circuito de conductor del motor que se puede construir con las piezas del estante, que producirá grandes cantidades de energía radiante ajustado correctamente. Aquí le damos ese circuito:


No se deje engañar por las apariencias - se trata como cerca de un circuito controlado boquete de chispa que vas a obtener y es extremadamente eficiente en la producción de energía radiante! Pero lo más importante, debe colocar y ajustar el interruptor de láminas apropiadamente y bien!!! Echa un vistazo a esta imagen:


Como puede ver, el truco es colocar el interruptor de láminas para que se ejecute a lo largo de la longitud de la bobina del solenoide y se encuentra en el campo magnético de la bobina. Esto parejas campo de magnético de la bobina para el interruptor de láminas, así como el campo magnético del paso imán del rotor. Esto proporciona una realimentación magnética y el interruptor de láminas torna un oscilador. Así que cuando el imán pasa la caña oscila con el campo de la bobina y causa muchos pulsos, normalmente de 20 a 50 pulsos por paso de imán. Sorprendentemente, a diferencia de los diodos de sujeción en la SGE, esto no es un desperdicio. Esta oscilación del interruptor reed realmente reduce la corriente de entrada. En vez de la caña, permaneciendo cerrados para toda la duración del pulso, encenderá y apagado y por lo tanto, menos la entrada de energía es consumida de la batería de conducción. Ejecuto el motor para que cuando se excita la bobina, el imán es atraído a la bobina. Aquí le damos un seguimiento a través de la carga de la batería:


El rastro de arriba es de un motor que es dibujo sólo 50 miliamperios pero es carga de la batería muchas veces más rápida que si extraían 300 miliamperios con un solo pulso por paso de imán! Pero hay más. Echa un vistazo en la siguiente imagen


Utilizar un imán muy pequeño y débil, ahora puede controlar y ajustar el interruptor de láminas. Esto permite ajustar la conmutación para que el circuito oscila continuamente pero aún alimenta el rotor de paso imán. A continuación, es el rastro a través de la carga de la batería y la batería se carga muy rápidamente aunque todavía está pagando por esto aumentará la corriente de entrada pero sin embargo, realmente está produciendo una gran cantidad de energía radiante por lo que efectivamente, es muy poco corriente de entrada! Además, al hacer esto, las bobinas silbido muy fuerte! Sí, las bobinas silbido, no con un tono o frecuencia pero con un silbido.


Mi motor prototipo utiliza cuatro de estos circuitos, coloca aparte en el rotor y todos se conectan en paralelo 90 grados. Puede utilizar una sola caña a interruptor todos cuatro transistores y bobinas pero es más carga y el interruptor de láminas no tiene mucho tiempo. De hecho, de cualquier manera, si utiliza interruptores de Junco, que se consigue usados y empiezan a pegar. He comprado más grandes interruptores reed, pero también estoy trabajando en una versión electrónica de la conmutación de esto, aunque lo es más fácil decirlo que hacerlo. He trabajado en esto desde hace unos meses por lo que he intentado muchas cosas y no han podido coincidir con conmutación electrónica aún. Limitar la corriente que pasa a través del interruptor reed hace no es necesario aumentar la longitud de su vida operativa, además de que, haciendo que produce menos energía radiante.

Ahora haber mostrado todo esto, somos sólo medio camino a un sistema completo de energía radiante que proporcionará energía continua. El circuito anterior y el motor, a pesar de que proporcionan grandes cantidades de energía radiante, sólo le dará a un policía igual a, o cerca de 1 cuando cambiar regularmente sobre entre la batería de la fuente y la carga de la batería. Para la batería de intercambio para trabajar, debe tener el segundo e igualmente importante lado al sistema. La segunda parte del sistema es el convertidor de acumulador de energía radiante.

Antes de que describo el convertidor de acumulador de energía radiante, quiero destacar lo importante que es construir y experimentar con el circuito descrito anteriormente. Sólo después de ajustar y viendo la corriente de entrada y cómo la batería carga carga puede verdaderamente ver cómo estos pulsos de energía radiante están afectando la carga de la batería. En términos de por qué funciona o cómo ofrece tanta energía radiante tienes que entender que si el interruptor de láminas permanece cerrada, que va a pasar cuando Haz usados y empezar a pegar, con el 9 Milihenrio crossover solenoide bobina de choque (comprado fuera de la plataforma) que yo utilizo, el transistor esté completamente en y en prácticamente es menor resistencia y así el consumo de corriente es aproximadamente de 6 a 8 amperios para un circuito de bobina sola!!! Parece que esto es un requisito clave para la generación de estos pulsos de energía radiante con un transistor. Tienes que encender el transistor completamente en la corriente máxima para la bobina y la tensión de entrada. Se trata de otra cosa que no hace bien la SGE. Pero sin embargo, en este circuito, cuando el interruptor de láminas se ajusta correctamente, puede obtener la entrada a unos pocos miliamperios si quieres!

OK, ahora al convertidor de acumulador radiante. El requisito para esto parece ser debido a la carga de la batería no es muy eficiente en la absorción de todos los pulsos de energía radiante. John Bedini había relacionado con esto como siendo debido a la impedancia pero no estoy seguro de ello en esta etapa, pero impedancia puede ser un factor. Porque la carga de la batería no absorbe gran parte de la energía radiante por sí mismo, debe tener un convertidor de acumulador para absorber y convertir la energía radiante para la batería de carga a utilizar. Bien, dicho esto, ¿qué es un convertidor de acumulador de energía radiante?

Un acumulador de energía radiante-convertidor ("reacciones") es más que un dipolo! Pero cuanto más grande sea el dipolo mejor! El dipolo puede ser una batería, pero que es tonto cuando ya nos estamos cargando una batería. También en ese caso, es una batería especial. Es que una batería está principalmente compuesta de potencial pero poca corriente. Cuanto mayor sea el potencial mejor la acumulación/conversión pero algunos corriente sigue siendo necesario para poder pasar la energía detrás y cargar la batería de carga.

Hay una serie de tradicional dipolo que se ajustan a lo que se necesita. Hay una antena de cable largo y levantado simple y la tierra, pero esto no proporcionará suficiente respaldo actual para cargar la batería. Hay una instalación de baterías de la tierra, pero a menos que usted quiere poner en el esfuerzo y la cantidad de materiales para aumentar la tensión y todavía algunos han requerido de actual esto necesita una gran cantidad de trabajo y materiales. Finalmente, encontré el mejor compromiso para ser "baterías de plomo viejo, muerto, sulfatadas". En esta etapa de mi investigación la condición de la batería no importa siempre y cuando sea "muerto" y sulfatadas. Siempre y cuando sean viejos y muertos para que puedan apenas ilumina una bombilla de 12V 100ma, entonces lo harán bien. Gee estoy alegre que yo nunca Tiré mis pilas muertas que mantuvieron acumulando.

Si se desciende a un reciclador de batería o la yarda de la chatarra, usted puede comprar carga en paletas de antaño y las baterías agotadas de fuente de alimentación ininterrumpida ("UPS") por muy poco costo. Cuando digo carga de plataforma, me refiero a carga de la plataforma. El más grande banco de estos se obtiene la masa. Conectarlos ambos en serie y paralelo a esto eso si ellos donde bueno, se podrían obtener en cualquier lugar de 48-120 voltios. Al conectar en paralelo Asegúrese cada segmento de 12 voltios tiene una capacidad de aproximadamente incluso en amperios / hora. Puedes poner este banco debajo de la mesa o su casa o incluso enterrarlos en el suelo. No es un problema que nunca tenga que hacer cualquier cosa con ellos otra vez:


Como he mostrado anteriormente, debe conectar el REAC directamente a la carga de la batería. Sorprendentemente, hay una gran tensión diferente de cuando se mide la tensión directamente a través de la batería carga en comparación con el voltaje medido en el REAC mientras está funcionando el motor de la caña. Esta diferencia de voltaje se ve incluso con gruesos cables conectarlos, pero distancia afectan así. Debe tener dos conjuntos separados de cables. Un sistema que va directamente desde el cargador de energía radiante a la carga de la batería y el otro conjunto de la carga de la batería a la REAC. Yo he ejecutado la configuración anterior para más de un mes. A continuación es un cuadro de las baterías "muertos" que utilizo como una REAC.


Usando las baterías UPS amperios-hora 33 buenas, yo puedo cargarlas hasta de 10 voltios a 14 voltios en cerca de 6 horas con el motor de la caña de energía radiante funcionando 4 bobinas de dibujo sólo 600ma. Luego puede cambiar la batería de la fuente con la carga de la batería y seguir haciendo esto hasta que tenga ambas baterías cargadas en unas 24 horas. He hecho esto muy muchas veces y el nivel de carga parece estar mejorando con el tiempo.

Pero una cosa quiero dejar claro. Si crees que de alguna manera sólo utilizo la energía almacenada en el Banco de Reñaca, si no utilizo mi motor de reed, entonces la carga de la batería no se carga. Si trato de cambiar el motor de caña con un cargador de baterías regulares, la batería se toma el tiempo para cargar como un cargador normal para cargarlo. Al usar el motor de reed, el REAC es convertir la mayor parte de la energía radiante y proporcionar energía a la carga de la batería. Ahí lo tienen, un sistema totalmente trabajo energía radiante. ¡ Disfrute! -- Ossie Callanan



La Variación Mismo-cobrando.   Una desventaja mayor de éstos los pulso-corceles de la batería son el hecho que se piensa que no es posible mismo-impulsar el dispositivo ni empujar la batería corriente durante la batería que cobra el proceso. Hay una variación del pulso-corcel que empuja el motor tendencia realmente como él corre, y una aplicación particular de esto se muestra aquí:




El rotor pesa aproximadamente cinco libras (2 Kg) y es muy pesado para su tamaño, porque se construye de enlosar laminado, y tiene un espesor de 1.875 pulgadas (48 mm) para emparejar la anchura de los imanes. Hay diez imanes clasifican según tamaño 1.875” x 0.875” x 0.25” (48 mm x 22 mm x 6 mm) qué se congrega en los pares, producir los juegos magnéticos uniformemente emparejados posible. Es decir, el más fuerte se pone junto con el más débil, el segundo la mayoría fuerte con el segundo más débil, y así sucesivamente para producir los cinco juegos, cada mitad una pulgada (12 mm) espeso. Estos pares están incluido en el rotor en el igual 72O centros alrededor del borde del rotor.

Los batería pulsando produjeron por este circuito es igual que mostrado ya en la patente de John Bedini mencionada. Como los giros del rotor, el bobinado del gatillo da energía al 2N3055 transistor que entonces maneja un pulso fuerte a través del bobinado mostrado anteriormente en rojo en el diagrama. La púa de voltaje que ocurre cuando la corriente del paseo está apagado repentinamente cortada, se alimenta a la batería a cobrándose. Esto pasa cinco veces durante una sola revolución del rotor.

La variación diestra introdujo aquí, es posicionar un bobina de la recogida en situación opuesta el bobina del driving/charging. Como allí cinco imanes son, el bobina del drive/charging no está en el uso cuando un imán está pasando el bobina de la recogida. El circuito tendencia no está realmente activo en este momento, para que el interruptor microscópico se usa desconectar el circuito completamente de la batería tendencia y conectar el bobina de la recogida a la batería tendencia. Esto da un pulso cobrando a la batería tendencia vía el puente de 1N4007 diodos de alto-voltaje. Esto sólo se hace una vez por la revolución, y la posición física del interruptor microscópico se ajusta para conseguir el cronometrar precisamente el derecho.

Este arreglo produce un circuito que además de pulsar el banco de la batería bajo el cargo, pero también los ingresos actual a la batería tendencia.

Otra variación en este tema se muestra en YouTube dónde un experimentador que se llama “Daftman” tiene este explicando video el circuito que él usa en su Bedini-estilo que batería-cobra el motor: YouTube y su video de su lata corriente de motor se vean a: YouTube y su motor ha estado corriendo durante meses en un modo mismo-impulsado.


La Variación de Bobina de Parada.   Un experimentador en el Foro Enérgico ha anunciado un video de su adaptación del circuito de Bedini a YouTube. Él ha encontrado esa adición un 6-voltio el bobina de la parada en el alimento a la base del transistor ha partido en dos el poder usado y todavía ha guardado el rotor a sobre la misma proporción de rotación. El circuito se muestra aquí:


La figura usada tiene tres bobinas del electroimán puestos alrededor de un rotor horizontal:




El Entusiasta de la Computadora Modificado.   Otros métodos más simples de conseguir esta energía radiante que cobra de baterías también están disponibles. Un método simple es saltar la mayoría de la construcción mecánica y usar a un entusiasta síncrono ligeramente adaptado. Este método se muestra por “Imhotep” en su video instruccional que se localiza a: YouTube. La idea original viene de John Bedini y la idea del entusiasta de Dr Peter Lindemann.

La opción más común para el entusiasta es una computadora el entusiasta refrescante - el más grande el bueno. Estos entusiastas normalmente tienen cuatro bobinados conectados así:


Para usar estos bobinados como los dos el paseo y la recogida enrolla, el entusiasta se abre alzando el techado de la etiqueta el cubo del entusiasta, mientras quitando la tenencia de la grapa plástica las hojas del entusiasta en el huso y abriendo la cubierta para exponer los bobinas. El poste del alambre con dos ida de los alambres a él tiene un alambre entonces quitado y un cuarto poste improvisó taladrando un agujero pequeño e insertando una longitud corta de alambre de una resistencia. El cuarto extremo del alambre se suelda entonces a él para dar este arreglo:


Esto produce dos cadenas del bobina separadas: 1 a 2 y 4 a 3. Uno puede usarse entonces como el bobina del paseo y el otro como el bobina de recogida de poder que pasa el voltaje alto muy corto pulsa a la batería que está cobrándose.

Cuando abrió, el entusiasta se parece:


Y el arreglo del circuito es:


El ventilador se pone en marcha con la mano y luego se continúa girando, trabajando como un ventilador, así como la carga de una batería. El consumo de corriente de la batería tendencia es muy bajo y, sin embargo la carga de energía radiante de la otra batería (o banco de baterías) no es bajo. Por favor recuerde que las baterías que se van a utilizar con esta energía radiante, necesitan ser cargadas y descargadas muchas veces antes de que sean adaptados para trabajar con esta nueva energía. Cuando esto se ha logrado, la capacidad de la batería es mucho mayor que la especificada en la etiqueta de la batería y el tiempo de recarga también se convierte en mucho más corto. El circuito se ajusta con la resistencia variable, que cambia la corriente de accionamiento del transistor, que a su vez, altera la velocidad del ventilador. Cabe destacar que este dispositivo y el cargador de relé se muestra a continuación, son dispositivos de demostración simples con pequeñas bobinas y para obtener la carga seria, es necesario utilizar una gran bobina de sistemas de pulsación de la batería con un banco de baterías de plomo-ácido que se cobran.

Este circuito es una aplicación inteligente de John Bedini Colegiala simple ("SSG") de diseño. Como puede ser un poco confuso saber cuál de los cuatro cables que salen del ventilador modificado para utilizar, permítanme explicar cómo funcionan. Ahora dispone de dos pares de bobinas conectadas en serie en el interior del ventilador. Un ohm-metro (o de la batería y la bombilla) le permitirá ver cuál de los cuatro cables son los dos extremos de cada una de esas bobinas. Las bobinas son simétricas y por lo que no importa que la bobina se alimenta la base del transistor y que la bobina es impulsada por el colector del transistor. No importa tampoco, qué camino alrededor de la bobina de alimentación de la base del transistor está conectada pero importa mucho, que forma alrededor de la bobina de accionamiento está conectado. Conectándolo al revés no causará ningún daño, pero el ventilador no funciona, porque en lugar de la bobina de repeler los imanes del rotor y empujando en su camino, que atraerá a ellos y oponerse a la rotación. Por lo tanto, si el ventilador no gira cuando le das un empujón, cambiar la unidad lleva una y que debería funcionar perfectamente.

La bombilla de neón protege al transistor pero también dan una buena indicación de lo bien que se está alimentando la batería se está cargando. Ajuste la resistencia variable para conseguir el empate mínima corriente de la batería en coche sin dejar de tener las luces de neón ilumina bien y que debería dar un buen rendimiento.

Una acumulación muy ordenado de un 80 mm de conversión ventilador del equipo a un cargador de pulsos integrado por Brian Heath se muestra aquí:



Esta unidad funciona con una batería de 9V PP3 como la batería de accionamiento y carga una batería recargable de 9V PP3 cuando se está ejecutando. Ambas baterías están encerrados en la caja en esta construcción muy cuidada.


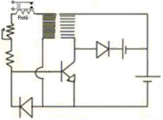
El Corcel de Parada de Automóvil.   Un más aun el método cobrando simple también se muestra por “Imhotep” en otro de sus videos instrucción Ales a domainCentral. Aquí él adapta una 40 amperio parada del automóvil ordinaria, mientras convirtiéndolo de tener un “normalmente abra” el contacto, a operar con un “normalmente cerrado” el contacto. No es necesario para usted hacer esto como las paradas automotores con “normalmente cerrado” los contactos están prontamente disponibles y no son caro.

La parada se alambra entonces a para que se impulse a través de sus propios contactos. Esto causa una corriente para fluir a través del parada bobina enrollar, operar el contacto y abrirlo. Esto corta la corriente a través de la propia bobina de la parada, mientras causando los contactos de nuevo al cierre y el proceso vuelve a empezar de nuevo.

La apertura repetida y cerrando de los contactos de la parada pasa a la frecuencia resonante de la parada y esto produce un ruido del zumbido. Realmente, los zumbadores eran originalmente hecho esta manera y ellos se usaron en mucho la misma manera como un timbre se usaría hoy.

El circuito usado se muestra aquí:


Como usted puede ver, esto el circuito muy simple usa sólo dos componentes: una parada y un diodo. El rasgo importante es el hecho que cuando la parada avisa paradas abiertas y actuales que fluyen a través del bobina de la parada, una púa de voltaje muy alta se genera por el bobina de la parada. En circuitos del transistor que manejan una parada, usted verá un diodo alambrado por el bobina de la parada en el orden poner en cortocircuito este voltaje alto a interruptor-fuera de y detener el transistor se destruido por el voltaje excesivamente alto. En este circuito, ninguna protección se necesita para la parada. Cualquier número de baterías puede cobrarse al mismo tiempo.

Una 40 amperio parada automotor ordinaria así:


pueda tener un “el cambio” el contacto que medios que tiene un “normalmente cerrado” el contacto y para que puede usarse directamente sin cualquier necesidad abrir o modificar la propia parada.

En este circuito, sin embargo, ese voltaje de la marcha atrás está usándose de una manera muy productiva. Éstos las púas de voltaje son muy afiladas, muy cortas y tienen un levantamiento de voltaje muy rápido. Esto es exactamente lo que se necesita activar un entrada de energía radiante del ambiente local, en la batería. Esta batería que cobra la corriente no está viniendo de la batería tendencia pero está viniendo del ambiente. La corriente pequeña de la batería tendencia está operando simplemente la parada como un zumbador.

Por favor recuerde eso en este momento, nosotros tenemos ningún instrumento que puede medir el flujo de energía radiante directamente en la batería cobrando. La única manera fiable de evaluar el entrada es ver cuánto tiempo toma para descargar la batería cobrada a través de una carga conocida.

Mi experiencia con usar las paradas por el batería cobrar indica que usted consigue un resultado bueno si se usan 24 voltios para manejar el circuito y como las paradas del vehículo no tenga tanto de un bobina enrollar, hay una mejora considerable si un bobina grande se conecta por el bobina de la parada o bobinas como mostrado aquí:


Cuando usando uno de éstos relevan cobrando los sistemas usted encontrará que muchos de ruido me genero. Esto puede reducirse bastante fácilmente con un poco forrando y tiene la ventaja de indicar que el sistema cobrando está corriendo correctamente.


El Motor mismo-cobrando. Un video a YouTube muestra un dispositivo casa-construido interesante que usa el motor fuera de un registrador video viejo, la presión fuera de un paseo de CD de computadora viejo y bobinas de la recogida hechos quitando el caso y contactos de las paradas normales:


La construcción es muy sincera con un simple, despejada, el esquema abierto,:


Con este arreglo, un par de AA-tamaño los NiCad baterías paseos el motor, hilando el motor, moviendo sus imanes rápidamente más allá del anillo de paradas convertidas, que produce cobrando DC actual vía el rectifiers del puente y esa corriente es suficiente guardar el dispositivo que corre continuamente.

Un comentario hecho en el video es que si los imanes de la ferrita se reemplazaran con el neodymiums, entonces los levantamientos de voltaje cobrando a alrededor de 70 voltios. Desgraciadamente, el rotor presente es demasiado flexible y los imanes del neodymium encorvan el rotor realmente abajo hacia los centros de la parada cuando ellos pasan, para que un rotor más robusto se necesite.


El "Alexkor" que batería-cobra el sistema es muy eficaz, barato y fácil construir. Es una versión del sistema descrita en el Fig. 22B en página 7 de la totallyAmped tejido página:


Mientras esta descripción ha sido alrededor durante años, es parte de una discusión en los principios del funcionamiento de EMF los campos magnéticos y pulsando en los bobinas. ' Alexkor' ha desarrollado un circuito práctico que él dice muy bien a los trabajos. Puede construirse como una sola unidad como mostrado aquí.


Aquí, el bobina se enrolla con 200 giros de 0.7 enamelled del mm el alambre cobrizo y la construcción real es compacta:


Y para conseguir una idea de la actuación, Alex acostumbra un condensador a ver el tamaño de las púas de voltaje producido por el circuito:


Si la construcción de un circuito con un soldador y una de las versiones comerciales de placa de prototipo con tiras de cobre, entonces el circuito se puede configurar utilizando un tablero de plug-in de la siguiente manera:



La batería de la marca "1" proporciona energía para hacer funcionar el circuito y la batería marcado "2" se cobra. Las resistencias son todos trimestre vatios. El cobre 22 de alambre esmaltado swg tiene un diámetro de 0.711 mm y la bobina puede ser fácilmente enrollada en un tubo de cartón. Con un tubo de diámetro 30 mm (1,25 pulgadas) se necesitarían unos 20 metros de cable y que pesa unos 70 gramos. Me gustaría que el diodo de salida para ser un diodo UF5408 como la "UF" significa "Ultra Rápido", pero los cables de alambre son demasiado gruesas para tapar en un tablero como esto y por lo que el 1N5408 se puede utilizar, que tiene una potencia de 1000 voltios y 3 amperios.

Éste es el primer paso en el proceso como el mismo circuito puede usarse para manejar muchos bobinas de este tipo. La resistencia que alimenta la base del transistor es aproximadamente 500 ohmes para el prototipo, pero usando una 390 ohm resistencia en la serie con una resistencia inconstante de dicen, 1K, permitiría seleccionar un valor de la resistencia normal bueno para cada par del transistor/coil:


Como puede verse de las fotografías, Alex los usos prefijaron las resistencias para ajustar las escenas a sus valores óptimos. La simplicidad de este circuito lo hace muy atractivo como un proyecto de la construcción y usando más de un bobina deben constituir las figuras de la actuación impresionantes. Alex dice que los resultados más buenos se logran con sólo el uno (1000V 10A) el diodo y no un puente del diodo que se afecta fuera por los comentarios instrucción el sitio de tejido anterior.

Más allá el dejar bobina por Alex las muestras la actuación buena al usar el IRF510 FET en lugar del transistor de BD243C. Él también lo ha encontrado el cobrando muy eficaz cuatro baterías separadas y él ha reavivado que un NiCad viejo taladra batería que usa este circuito:




Es posible usar los varios transistores diferentes con estos circuitos. Cuando algunas personas tienen la dificultad funcionando una construcción física conveniente para un circuito, aquí es una sugerencia para un posible esquema que usa un MJ11016 el transistor de alto-ganancia de gran potencia en el stripboard.


El Alexkor Autocobro de Recorrido.   Este es un recorrido en particular simple que permite un 12V precio de batería de 8 hora de amperio un 48V batería de 12 hora de amperio con la energía radiante, en 20 horas usando doce veces menos corrientes que un cargador convencional. El recorrido puede cobrar litio, NiCad o baterías de plomo Que el recorrido usado es:


El bobina es la herida en un hueco antiguo, usando dos hilos separados del alambre del diámetro de 0.5 mm, dando a una resistencia de sólo 2 ohmios. Los hilos de alambre son colocados lado al lado en una capa sola como este:



Un posible diseño físico utilizando una pequeña tira de conector eléctrico estándar podría ser la siguiente:




Si la bobina está enrollado en decir, un 1,25 pulgadas o 32 mm de diámetro tubería de plástico, a continuación, el diámetro de la tubería exterior es 36 mm debido al espesor de la pared de la tubería de plástico, y cada vez toma alrededor de 118 mm, así que a partir de 24 metros de alambre será necesario para los 200 vueltas. Si 13 metros (14 yardas) del alambre son medidos del carrete y el alambre doblado atrás en sí en una vuelta en U aguda, entonces el rollo puede ser la herida fuertemente y con esmero con el final al lado da vuelta. Un pinchazo taladrado al final de tubo permite que el alambre doblado sea asegurado con dos vueltas por el agujero, y las 200 vueltas tomarán una longitud de aproximadamente 100 mm (4 pulgadas) y los dos cabos sueltos asegurados usando otro pinchazo taladrado en el tubo. Los finales iniciales son cortados aparte y los finales de cada bobina determinado usando una prueba de continuidad.

Un recorrido hasta más avanzado de Alex tiene la interpretación aún más alta usando un transistor rápido y un muy diodo de acción rápida, y un neón no es necesario para proteger el transistor:



El diodo UF5408 rápido usado en este recorrido está disponible, en este momento, en www.ebay.co.uk en paquetes de 20 para 3.84 libras esterlinas incluido del franqueo.

El paseo de transistor al banco de batería puede ser reproducido para el paseo adicional y unos diez transistores adicionales podrían ser usados como este:


El condensador de 2700 pF es recomendado para cada transistor adicional, pero esto no es un artículo esencial y el recorrido funcionará okey con sólo el que en la sección de paseo de bobina bi-filar.


Un diseño de recorrido reciente de Alexkor usa las más diminutas de entradas; sólo 1.5 voltios en una corriente que puede ser ajustada abajo de 4 milliamps a sólo 1 milliamp. Este recorrido diminuto puede cobrar una batería de 12 voltios, aunque es verdad que el precio de cobro no sea muy alto cuando esto toma diez horas por Hora de amperio para cobrar la batería. Sin embargo, es espectacular conseguir una entrada de sólo 1.5 milliwatts para culpar un 12V batería. El recorrido tiene muy pocos componentes:




El bobina es diminuto, bi-filar enrollar en la ferrita o con un corazón de aire. En el diagrama de recorrido, los puntos en las cuerdas de bobina indican el principio de los dos al lado cuerdas. Este deja claro que el principio de una cuerda está relacionado con el final de la otra cuerda así como al lado positivo del 1.5V batería. La resistencia variable podría ser omitida y varias resistencias fijas intentadas hasta que el nivel corriente de 1 mA sea alcanzado. Debería estar enfatizado que hay sólo un punto de earthing y esto es un verdadero tipo "se unen a la tierra" de la unión. La aritmética simple le mostrará que si hay una corriente corriente de cobro en la batería para cobrarlo, entonces hasta con una eficacia del 100 % imaginada de la batería, el precio de batería es mayor muchas veces que el empate del 1.5V batería que conduce el recorrido. El recorrido funciona en una frecuencia entre 200 MHz y 300 MHz.

Alex utiliza una bobina comercial de Farnell como se muestra aquí:



Jes Ascanius de Dinamarca ha replicado este circuito y hace los siguientes comentarios: La resistencia de 10K variable y la resistencia de 1K adicional debe ser de 250 mW tipos como las grandes potencias causar un drenaje más actual. Además, la calidad de la conexión a tierra es importante como su tierra muy eficiente produce 60-voltios pulsos del circuito (70-voltios en la noche) y sólo tocar la conexión a tierra puede aumentar esos pulsos hasta 92-voltios y lo más experimentación puede producir algunos efectos interesantes.

Circuito más avanzado de Alexkor hasta la fecha es la que se muestra aquí:


Este circuito utiliza la bobina de PLA se muestra arriba. La reacción inicial de alguien familiarizado con circuitos electrónicos bien podría ser "esto es imposible, ya que la batería está cargada es" flotante ", ya que no está conectado a cada lado de la batería de conducción". Si bien esto es cierto, el circuito funciona muy bien y un banco de baterías de 1.2V diez baterías Ni-Mh Capacidad nominal de 1.100 mAHr que había sido cargado y descargado diez veces antes, ahora se pagan directamente en este circuito en tan sólo media hora.

El voltaje de entrada puede ser cualquier cosa de 12V a 36V sin necesidad de cambiar ninguno de los componentes del circuito. La elección del transistor es importante y el STW12NK90Z es un transistor de alto voltaje muy alto rendimiento (disponible en la actualidad de www.mouser.com), y aunque no es barato, no te recomiendo su uso si se decide para replicar este circuito. El SF28 diodos también son componentes especiales, con capacidad de 600 voltios y 2 amperios, estos son diodos de alta velocidad, para no ser reemplazado por cualquier diodo, que pasa a estar disponible.

La bobina es más inusual, ya que es sólo cuatro vueltas de alambre de cobre muy grueso, 3 mm a 4 mm de diámetro, a pesar de alambre de aluminio también se puede utilizar. Este cable de alimentación se enrolla en un carrete de diámetro de 100 mm a 130 mm (4 pulgadas a 5 pulgadas). La diminuta 5 nF condensador debe tener una calificación de muy altos voltios 2000. La conexión a tierra real en el punto "A" da un 20% a un 30% de mejora en el rendimiento, pero si el circuito tiene que ser portátil, entonces trabajará con el menor nivel de rendimiento si se omite la toma de tierra y el punto "A" es conectado a la línea 0V de la batería de entrada.


Mientras los bobinas mostrados encima son definitivamente principales de aire para permitir operación de frecuencia alta, bobinas, la mayor parte de otros bobinas son generalmente mucho más eficientes con alguna forma del corazón magnético, como polvo de hierro o ferrita. Mientras no es probable que pueda operar a las frecuencias tan alto como 35 KHz, un material muy bueno para los centros del bobina es el metal de anclas de la albañilería o "la manga fija":


Este metal es inmune a oxidar, fácil trabajar y pierde todo el magnetismo en cuanto el campo magnético esté alejado. Usted puede confirmar esto para usted poniendo un imán permanente en un extremo de la saeta o el tubo y usando el otro extremo para recoger un tornillo de acero. En cuanto el imán permanente esté alejado, el tornillo se cae como el metal no retenga nada del magnetismo del imán permanente. Estas anclas son baratas y prontamente disponibles de las tomas de corriente de los suministros de constructor, mientras incluyendo aquéllos en el internet. Es improbable que este material pudiera operar a más de 1,000 Hz y el circuito sobre las ganancias mucho que es la actuación de la velocidad alta, mientras cambiando rápidamente y muy corto "En" ciclo de deber de tiempo.

Si usted usa la parte roscada de estos bulones, su forma cónica al final va a plantear problemas en el establecimiento y desaparición del campo magnético, de modo que puede ser conveniente hacerla desaparecer con suavidad a mano o simplemente cortarla. Siempre habrá corrientes parásitas en un núcleo metálico, pero eso no impide que su rendimiento sea bueno. Como con todas las cosas, probar un dispositivo real es la clave para un buen funcionamiento y mejor conocimiento.


Circuito de Carga de Sucahyo
En 2014, Sucahyo afirmó que algunas personas encontraron que las baterías de carga de pulso por unas pocas veces, causó esas baterías para tener "superficie" de carga, donde el voltaje subió a la normalidad sin que exista ninguna carga genuina correspondiente detrás de ese aumento de voltaje. Esto no es un efecto que he encontrado, pero quizás no cargó una batería bastantes veces para alcanzar el problema. De todos modos, Sucahyo ha publicado un circuito que ha utilizado en baterías repetidamente durante cuatro años sin encontrarse con un efecto de carga superficial. La carga de impulsos utiliza la electricidad "fría" y la electricidad "fría" puede convertirse en electricidad "caliente" alimentándola en un condensador. Aquí está el circuito de Sucahyo:



Observe que los diodos 1N4007 que protegen los transistores TIP41C están conectados a la base del transistor y no es emisor como es más común. Las bobinas que se utilizan son simplemente simple bobinas enrolladas en CCW de una sola fila con una resistencia de CC de aproximadamente 1 ohmio. Cada bobina se enrolla alrededor de un toroide de ferrita:



Usted notará en el circuito, que los transistores TIP42C que son de tipo PNP, están conectados de una manera que sería considerada como "incorrecta". Este método de conexión es perfectamente deliberado y funciona bien, dibujando sólo un cuarto de la corriente que se dibujaría si estuvieran conectados a la "derecha" a su vez y manteniendo el mismo nivel de corriente de carga de salida. Como con cualquier cargador, no es una buena idea sobrecargar la batería. El circuito (que Sucahyo llama "Stingo") puede cargar una batería AA de 1000 miliamperios en 15 minutos, una batería de 12V 7 Amp-Hour en 5 horas y una batería de 12V 70 Amp-Hour en 15 horas. Hay información adicional y discusión en forum.


El Batería que Cobra Técnicas de Howerd Halay
Howerd Halay del Reino Unido acentúa la diferencia principal entre baterías "condicionadas" y todas las baterías que no han sido condicionadas. Él dice: para condicionar una batería o el condensador, tiene que ser repetidamente acusado de la electricidad 'fría' y descargado otra vez. La electricidad fría es electricidad de corriente alterna de frecuencia alta u o bien corriente continua en la alta tensión. Con la electricidad fría, los flujos de electricidad fuera de los alambres (Steinmetz) y tan, Corriente no igualan el Voltaje dividido en la Resistencia cuando la Ley del Ohmio sugiere. En cambio, Corriente iguala el Voltaje x Resistencia x una Constante “C” que tiene que ser determinado por la experimentación. Es también posible conseguir la electricidad fría de la corriente continua pulsada, a condición de que el voltaje de corriente continua sea más de 80 voltios. Usando aquella técnica, entonces más agudo y más rápido los pulsos, mejor.

Cuando usted primero pulsa una corriente alterna o el condensador de corriente continua, esto se comporta normalmente. Después de aproximadamente 12 horas de la pulsación continua de un cambio ocurre en el comportamiento del condensador. En caso del condensador de echar agua, esto desarrolla un nano que cubre en un lado sólo. Cuando medido con un metro de resistencia esto no muestra ninguna resistencia en absoluto. Uno puede decir que un lado se hace la superconducción casi. En caso de un condensador ordinario, no hay ninguna razón de creer que esto se comporta diferentemente. ¡El condensador también culpa mucho más rápido que antes y cuándo la fuente de alimentación es apagada esto sigue culpando! Sí usted lee esto correctamente. En mi caso esto enciende pulsos durante hasta 3 minutos después de que el poder es apagado, que es por qué ellos son peligrosos. El tiroteo decae exponencialmente aunque yo no lo haya tabulado aún científicamente – dejaré esto a otra gente para hacer.

El resultado de este es que usted puede tener dos condensadores idénticos lado al lado. Uno se comporta como si es tapado en un cargador, mientras el otro condensador se comporta normalmente. ¡Todo el autoprecio de condensadores hasta cierto punto pero condensadores "condicionados" está en una liga de su propio! He probado un neón en un condensador condicionado por dos varas de la tierra 3m aparte. ¡Dejé mirar el neón encendido después de media hora!


Uso una fuente de alta tensión muy de poca potencia con una salida de poder de sólo 1.2 vatios cuando me gusta ir sobre seguro con estas cosas. Con una fuente de alimentación baja, he cobrado baterías usando pulsos de hasta 800 voltios sin las baterías mostrando a cualquier efecto de mal. También, la utilización de la electricidad de un alambre es safer cuando esto transmite sobre todo el voltaje y entonces la corriente mínima es alimentada. De este modo, para condicionar una batería o un condensador usando la electricidad fría, usted puede usar un recorrido como este:


Aquí, el tamaño de los pulsos de voltaje alimentados a la batería o condensador para ser condicionado, es controlado por el voltaje de huelga del neón. La huelga de alumbrados de neón de tipo de NE2 ordinaria alrededor 90V y tan el 2N6509G SCR alimentará pulsos de aproximadamente que voltaje a la batería o condensador. Si dos neones están relacionados en serie y usados en vez del neón solo mostrado encima, entonces los pulsos de voltaje estarán alrededor 180V. Este tipo del recorrido parece trabajar mejor si varios condensadores son usados en serie tan mostrados aquí, como ellos parecen culpar más rápido y descargar más rápido también. Usted tiene que irse del dispositivo que corre durante un día para conseguir la ventaja llena. Con regularidad cobro un banco de batería de coche de 1.6 kW, y después de que apagamiento, el voltaje de banco de batería sube!!

También he intentado 5 segundos de a TIEMPO y dos minutos del tiempo, y los condensadores siguen encendiendo pulsos. Sin embargo el precio de tiroteo es mucho menos cuando el poder es desconectado que cuando el poder es conectado. Si usted deja de usar los condensadores un rato - en mi caso esto era tres semanas y tanto - usted tiene que comenzar el proceso de acondicionamiento de nuevo. En mi caso que los condiciona otra vez era más difícil y pareció tomar días más bien que horas. Los condensadores son FRÍOS. Los alambres que conducen hasta ellos y de ellos son FRÍOS, pero si usted consigue un choque de ellos, entonces aquel choque está CALIENTE !!

Como este proceso de cobro usa la electricidad fría, las baterías no recargables pueden ser cobradas Está aquí. En mi caso dos de tres baterías recuperan su precio OK, y con curiosidad ellos cargan a un voltaje mucho más alto que su valor calculado. La batería puede ser sustituida por un condensador. Obviamente, cualquier batería o condensador que debe ser condicionado, tiene que tener ser capaz de ser acusada de un voltaje de no más de 70 voltios por neón, tan por ejemplo, un 96V el banco de batería necesitaría dos neones en serie a través del SCR del recorrido de cobro. Este recorrido seguirá cobrando la batería durante hasta tres minutos después de que el poder de entrada es apagado. Una versión aún más poderosa del recorrido incrementa el poder de electricidad frío usando un estárter. Los neones se encenderán mucho más fuertemente. Los neones deberían palpitar o usted tiene poner en cortocircuito. En otras palabras, si el neón es encendido continuamente, esto es un signo malo.


Usted puede usar una resistencia variable en serie con el poder de entrada de variar el precio de pulso. La energía radiante negativa es entregada que produce la electricidad fría y condiciona todos los condensadores en la sección de salida del recorrido.

Tenga mucho cuidado con este recorrido cuando esto puede matarle. Este recorrido es sólo para experimentadores con experiencia. Los condensadores tomarán aproximadamente un día para ser condicionado. Este recorrido está bien para devolver baterías de coche muertas a la vida. Cuando una batería es condicionada y el poder de entrada de recorrido de cobro es apagado, la batería seguirá culpando ! Una vez que ellos son condicionados, usted puede cobrar 4 baterías de coche en la paralela que usa sólo un 6 suministro de energía de 12 voltios de vatio, o un panel solar. Sin embargo, debe pensarse bajo ningún concepto que esta descripción es una recomendación que usted realmente debería construir este recorrido cuando esta presentación es para objetivos de información sólo.


La pregunta se ha hecho, "¿por qué utilizar cinco condensadores en serie cuando cualquiera de ellos puede manejar fácilmente el voltaje que se utiliza?" Esa es una buena pregunta como la respuesta no es para nada evidente. La respuesta es por la forma en que los condensadores cobran hasta. El voltaje a través de un condensador que está siendo cargada, aumenta de una manera muy no lineal y por lo general se ilustra como esta:


Las líneas rojas muestran la tasa media de carga y la más pronunciada de la línea, más rápida será la velocidad de carga. Cuanto mayor es la tensión de carga en relación con el tamaño del condensador, cuanto más pronunciada es el comienzo de la línea es. Howerd utiliza este hecho para su ventaja mediante el uso de sólo el primer diez por ciento de la curva. Esto se realiza mediante la conexión de varios condensadores de alta tensión en serie como se muestra en su diagrama de circuito. El conjunto combinado de condensadores de carga muy rápido de hecho y antes de que alcancen el 10% de su capacidad los fuegos de neón y la carga del condensador es impulsado en la batería (o condensador) que está siendo acondicionado. La intensidad de esta corriente se determina por el tamaño de los condensadores en la cadena, el más grande de los condensadores más intenso es el pulso a la batería y como se puede ver, Howerd ha elegido 2.2 microfaradios condensadores del tipo de película de plástico:





El Interruptor de Tesla.   El Interruptor de Tesla se cubre en más detalle en Capítulo 5, pero es que valor que lo menciona aquí de nuevo como él realiza el batería cobrando. La similitud acaba allí, porque el interruptor de Tesla hace la batería que cobra mientras el circuito está proporcionando la corriente seria en una carga. También, los Tesla cambian usa sólo cuatro baterías, y todavía es capaz de impulso un treinta caballo de fuerza motor que es el equivalente de 22 kilovatios de poder eléctrico.


El circuito del El mostrado aquí se usó por los probadores simple del la Electrodyne S.A. encima de un periodo de tres años que usan las baterías de llevar-ácido de vehículo ordinarias. Durante ese tiempo, las baterías se guardaron no sólo cobradas por el circuito, pero el voltaje de la batería subió a tanto como 36 voltios, sin cualquier daño a las baterías.

Si el voltaje en una batería bajo la carga realmente los aumentos, es razonable asumir que la batería está recibiendo más poder que eso entregó a la carga (una carga es un motor, una bomba, un entusiasta, luces, o cualquier otro equipo eléctrico). Como esto es para que, y el circuito no se conecta a cualquier visible fuera de la fuente de energía, se comprenderá que allí tiene que ser una fuente externa de energía que no es visible. Si el circuito se proporciona con poderoso bastantes componentes, es absolutamente capaz de impulsar un automóvil eléctrico a las velocidades altas, como se ha demostrado por Ronald Brandt. Esto indica que la fuente invisible de energía externa es capaz de proporcionar cantidades serias de poder adicional. También debe recordarse que una batería del llevar-ácido normalmente no devuelve nada como 100% de la energía eléctrica alimentados en él durante cobrar, para que la fuente externa de energía está proporcionando la corriente adicional a las baterías así como a la carga.

¿Así, cómo este circuito maneja hacer esto? Bien, lo hace de exactamente la misma manera como la batería que pulso-cobra los circuitos en eso él genera un muy grandemente el forma da onda de voltaje creciente cuando cambia de su Estado 1 a su Estado 2 (como mostrado más temprano en detalle). Esto muy rápido que cambia los desequilibrios el campo de energía quántum local, causando flujos mayores de energía algunos de los cuales entra en este circuito e impulsa el circuito y " la carga. Aunque usa cuatro baterías, y las baterías se cobran a través de la generación de pulsos afilados, esto no es un circuito que cobra la batería maciza amontona para que ellos puedan impulsar una carga en algún momento más tarde.


El Motor Autocobro
Es posible realzar la interpretación de un motor de corriente continua atando juegos de imanes neodymium al exterior del cuerpo del motor. Un ejemplo de este es mostrado en un vídeo aquí muestra tal arreglo y el vídeo aquí espectáculos como el motor puede ser puesto hasta productos este realce de esto es la interpretación. El motor parece a este:


Y un marco es usado para sostener cuatro juegos de imanes de barra en la posición alrededor de ello:


El marco es hecho de dos pedazos de aluminio de 3 mm con espaciadores plásticos que sostienen los dos discos alumimium aparte. Los espaciadores plásticos son asegurados con tornillos de cobre. Cuando la cubierta de motor es el acero de aproximadamente 3 mm de espesor, que tiende a desviar el campo magnético añadido hacia fuera, que es el revés de lo que es querido. De este modo, una tira humorística de 6 mm de espesor de acero es colocada fuera de los imanes a fin de dirigir el campo hacia adentro. Los imanes y las tiras humorísticas de acero son insertados entonces para completar el arreglo:





El motor es demostrado cuando establecido así. Entonces cuatro juegos de imanes muy estrechos son añadidos en posiciones intermedias y el número de amplios imanes aumentó a tres en cada posición, las tiras humorísticas de acero desechadas y cuatro amplios imanes usados en cada una de las cuatro posiciones alrededor del motor:


Con este arreglo, el motor corre en diez veces esto es la velocidad de diseño (que lo destruiría muy rápidamente), entonces es dirigido con sólo un sexto de esto es el voltaje de diseño. Esto es usado para conducir un generador eléctrico mostrado en dos videos aquí y aquí que explican los rasgos de diseño sofisticados de este generador que ha sido construido con el gran cuidado:


Después de un par de minutos de bocacalle suave de la manivela, gastos las cinco gorras de batería suficientemente para dirigir el motor para algo hasta dos horas. El arreglo es inteligente con los imanes de estator en una secuencia de Howard Johnston que es también angulada hacia adentro como el motor Wankel magnético. Un electroimán es impulsado brevemente una vez por revolución y la espalda-EMF en el interruptor - lejos es rectificada y pasó atrás a los condensadores, formando un generador muy eficiente. Otros rasgos de diseño son explicados en los viseos que definitivamente valen la pena mirar.

El generador, cuando el correr puede descargar una secuencia rápida de chispas de alta tensión que el constructor sólo usa para una demostración interesante. Sin embargo, aquellas descargas de chispa son completamente capaces de cobrar un banco de baterías (para no mencionar, dirigiendo un dispositivo de poder de estilo de Donald Smith). El constructor entonces continúa a añadir un condensador ordinario al banco de condensador de almacenaje unido por serie, y le conecta el motor:


Este permite que el motor realzado se haga totalmente el autocorrer así como la producción del poder de exceso que podría cobrar fácilmente un banco de baterías grandes. A propósito, la ciencia convencional dice que este es "imposible" y entonces ellos sólo mirarán esta máquina con sus ojos cerrados porque ellos no pueden permitirse a creerlo – después de todo, que requeriría que ellos modificaran sus teorías presentes y la gente que paga sus salarios no permitirían ningún tal cambio.

Este motor es mostrado corriendo en condensadores, pero si es impulsado por una batería ordinaria y dirigido en esto es la velocidad de diseño de 3,300 revoluciones por minuto en vez de la velocidad muy baja mostrada, entonces debería ser capaz cobrar un banco serio de baterías grandes, uno de las cuales podría ser usado entonces para impulsarlo para el siguiente cobro dirigido.


El Motor de ‘UFOpolitics’
En el capítulo 2, hay una sección sobre cómo un experimentador altera el cableado dentro de motores de corriente continua. Esta alteración tiene un efecto importante, aumentando la potencia de salida por una cantidad mayor, así como proporcionar que adicionales generan salida eléctrica. Una persona que siguió sus instrucciones y Rebobina un motor pequeño de 3 polos 3 voltios, luego intentó correr el motor en una batería de 6 voltios descargada. El motor funcionó, lentamente al principio y luego tomado velocidad. Eso parecía imposible mientras el motor acerca 300 miliamperios cuando se ejecuta y el batería no fue capaz de proporcionar esa corriente. Sin embargo, imposible o no, el motor funcionó y no sólo hizo correr pero se empezó a recargar la batería conduciéndolo. Esto sugiere que se trata de un sistema autosostenible que proporciona potencia y sin embargo nunca debe tener la batería recargada.

La forma en que esto sucede es que lo que pensamos como "electricidad" es en realidad algo más complejo llamado "electromagnetismo". Creemos que de la electricidad y el magnetismo como dos cosas diferentes, aunque en realidad, son dos aspectos diferentes del electromagnetismo del entidad. El componente eléctrico siempre tiene una eficiencia de menos del 100% que el componente magnético siempre tiene una eficacia mayor que 100% - algo que usualmente no notamos como tendemos a ignorar el componente magnético.

En el caso de este pequeño motor de 3 voltios, extrae su ejecución 'hot electricidad' corriente de la batería. Eso causa giratorios campos magnéticos dentro del motor y generan 'electricidad frío' que fluye a lo largo de los cables de alimentación y carga la batería.



Algunas Sugerencias de Carga de Batería

Utilizando un vehículo para cargar las baterías.

Es muy fácil pasar por alto lo obvio. Es posible que personas que hacen un poco de conducción, posiblemente a y del trabajo, o tal vez lidiando con una entrega de ronda, a cargo de algunas baterías adicionales desde el alternador de coche. Una vez que el motor haya arrancado, baterías adicionales pueden ser conectadas en paralelo con la batería del coche, es decir, la plus terminal de la batería extra o baterías conecta con el positivo de la batería del coche.

Esto dibuja algo adicional de energía desde el motor del coche y en teoría debería producir combustible adicional ser utilizado, pero el combustible extra debe ser bastante menor que la mayoría de la potencia del motor se utiliza para empujar el aire a un lado como aire resistencia aumenta con el cubo de la velocidad del vehículo. Las baterías cargadas pueden ser extraídas del vehículo en la noche y solía potencia luces, televisores, reproductores de DVD, etc., en la noche usando un pequeño inversor comercial.


Experimentando con un Cargador de Baterías.
Hay una posibilidad interesante cuando utiliza uno de los cargadores de baterías de pulso mostrados anteriormente en este capítulo, digamos, un Alexkor pulser estado sólido. Sentido común dice que eso es si quieres encender una lámpara usando una batería, entonces el tiempo la lámpara deberá encenderse, cuanto mayor sea la batería necesita ser.


Viendo esto desde un punto de vista ligeramente diferente, podríamos decir que cuanto más corto el período de tiempo cuando tiene la batería para encender la bombilla, menor la batería puede ser. Así, por ejemplo, si la bombilla sólo necesita ser iluminado por diez segundos, entonces la batería podría ser bastante pequeña.

Pero estábamos a reducir ese período de tiempo a un segundo, entonces la batería podría ser muy baja y si tuviéramos que reducir el período de tiempo a una décima de segundo, entonces la energía de la batería sería ser pequeña comparada con la potencia necesaria para ejecutar la luz para decir, una hora. Esto puede parecer trivial y obvio, pero esto está conduciendo una estrategia que podría ser útil.

Bastante recientemente, supercondensadores han hecho disponibles a precio razonable, con un 2.5V 5F condensador cuesta tan poco como £3. Sólo para poner esto en perspectiva, en electrónica, un condensador microfaradio 1000 es considerado grande y un condensador de 10.000 microfaradio es considerado muy grande. Bueno, un condensador de 5F es 500 veces más grande que un condensador microfaradio 10.000. Estos condensadores cargue completamente en pocos segundos, son 100% eficientes y deben permanecer operacionales durante muchos años si no muchas décadas.

Entonces, supongamos que estábamos conectar un foco de 6 voltios a través de una batería de plomo-ácido de 6 voltios. Si la batería se carga a decir, 6,6 voltios (medida una hora después de ser desconectado de un cargador de batería) y la lámpara fueron conectados a través de la batería y queda iluminadas hasta que el voltaje de la batería ha caído a 5,0 voltios (en carga, como ganará una buena dosis de tensión cuando la carga se desconecta). A continuación, que determina cuánto la batería puede alimentar la lámpara cuando la batería está descargada tanto.

Sería interesante ver si ese periodo de tiempo podría extenderse sin utilizar una batería más grande. Supongo que estábamos para conectar un conjunto de tres de esos súper condensadores en serie para formar un 7.5V condensadores de 1.67F capacidad y luego implementar el siguiente circuito:


usando un simple circuito NE555 para conducir el relé de encendido y apagado una vez por segundo. Entonces, la batería sólo se conectaría a la lámpara para la mitad del tiempo y podría ser 'descansando' la mitad del tiempo. Eso suena como una idea loca, como cuando la batería está conectada tendrá que tanto la luz de la lámpara y reponer la carga en el condensador, y algunos corriente es necesaria para ejecutar el circuito NE555 y conducir el relé. Eso resulta en un rendimiento más pobre que antes.

Sin embargo, como la batería está desconectada de la mitad del tiempo, podemos usar ese hecho para nuestra ventaja ampliando el circuito a este arreglo:


Esto hace que la batería dibujar incluso peor ya que ahora hay dos condensadores grandes que tienen que ser recargado cada segundo mientras que la lámpara es alimentada y el NE555 circuito también está alimentado. Pero, la mitad del tiempo, el relé está en la otra posición que conecta el condensador "C2" pulso-cargador de baterías, y al mismo tiempo, la batería de 'descanso' está conectada a la salida del cargador de pilas, alimentación con cargo a él.

Usted podría sentir que un período de carga de medio segundo es demasiado corta para ser de alguna utilidad, pero que en realidad no es el caso. En el capítulo 5, no hay mención de la patente de 1989 Estados Unidos 4.829.225 concedido a Yury Podrazhansky y Phillip Popp, su evidencia es que las baterías cargar mucho mejor y tienen una vida más larga si se pulsan en forma específica. Su fórmula es que la batería debe darse un potente pulso carga duradera para un período de tiempo entre un cuarto de segundo y dos segundos, el pulso, siendo la calificación de amperios-hora de la batería. Es decir, para una batería de AHr 85, carga el pulso sería 85 amperios. Que pulso es luego seguido por un pulso de descargando de la misma, o incluso una mayor corriente pero sólo se mantendrá para sólo de 0,2% a 5% de la duración del pulso de carga. Esos dos pulsos son seguidos por un período de descanso antes de que el pulso se repite. Que citan los siguientes ejemplos de sus experiencias cuando se utiliza este método:


Por supuesto, mientras no se aplica esta tabla de resultados directamente a nuestro circuito propuesto, indican que los resultados muy satisfactorios pueden venir de una secuencia de carga muy intermitente y mientras tanto, he, hablado de un segundo ciclo de nuestro circuito de prueba, que es puramente debido al uso de la prueba inicial de un relé mecánico. Si la prueba es satisfactoria, mostrando una mayor longitud de tiempo para llegar a una tensión de carga de 5 voltios, la batería y el circuito del relé se sustituye por un estado sólido (menor consumo actual) del circuito, luego de un tiempo de conmutación de tal vez una décima de segundo puede ser utilizado.

Si el cargador de baterías corre a 300.000 Hz (que es sólo el 10% de algunos de los circuitos Alexkor), entonces con un tiempo de una décima de segundo el tiempo y una décima parte de un segundo de tiempo, entonces la batería recibiría unos 30.000 pulsos cinco veces por segundo, que es de 150.000 pulsos carga cada segundo, que está muy cerca de algunos cargadores de batería muy acertado que funcionan todo el tiempo de carga.

Esta es una idea no probada, pero parece como si se podría producir una vida útil extendida de la batería y si el interruptor "S" está incluido en el circuito, luego cuando se abre, la batería puede bien ser capaz de self-charge. Como este arreglo es muy sencillo, bien valdría la pena probar. Circuito integrado NE555 puede proporcionar hasta 200 miliamperios y así probablemente podría conducir la mayoría 6V relés directamente si el relé está conectado entre el pin 3 y el plus de la batería. Inicialmente, el NE555 circuito puede ser alimentado por una batería separada o fuente de alimentación, mientras que el efecto del circuito está siendo retirado. Más adelante, que si el circuito pasa a funcionar bien, que puede ser alimentado por estar conectado a la batería a través de un estrangulamiento y un capacitor de suavizado (con un varistor a través del condensador si quieres jugar realmente seguro) bloquear los impulsos de carga desde el circuito de sincronización, o podría ser alimentado mediante un condensador super adicional o de uno de los dos condensadores existentes. Por supuesto, hay una razón por el circuito NE555 debe tener un igual al tiempo Off On time y así se pudo ratio de Mark/Space del temporizador ajustable y las pruebas se ejecutan para ver cuál sería el ajuste óptimo. Esto podría ser un experimento interesante.

Sin embargo, si usted decide probar esta idea, mientras que usted puede utilizar un relé para hacer la prueba inicial, podría ser una buena idea probar la conmutación de estado sólido, al mismo tiempo, ya que es probable que sea mucho más conmutación de estado sólido fiables y tienen una vida mucho más larga. Podemos optar por utilizar transistores bipolares, ya que son los más fiables para los circuitos de baja tensión, por lo que podríamos tratar el circuito de la siguiente manera:




Maplins tienen 2.7V supercondensadores a precios muy razonables. Sería necesario conectar cuatro o cinco en serie con el fin de cumplir con los requisitos de voltaje, aunque haciendo que reduce sustancialmente la capacitancia general. Sería muy fácil para agregar un control de atenuación mediante una resistencia variable conmutada y un transistor seguidor de emisor cuando el interruptor de cortocircuito del dimmer, pero cuando está abierto, permite a la tensión (y por lo tanto, la corriente) aplicada a la orilla del LED, a ajustarse, como se muestra en la sugerencia de la luz del panel solar al final del capítulo 14.

Inicialmente, un circuito 555 de lento funcionamiento podría ser utilizado para conducir uno de los circuitos más arriba y invertir la salida 555 para conducir el otro circuito, el uso de un transistor con una resistencia de base para protegerla. Un circuito de carga más práctico podría ser:


Aquí, el cargador está conectado a la batería en todo momento, a través de un diodo (o tal vez más prácticamente, a través de tres o cuatro diodos, tales como UF5408, en paralelo que alimenta corriente mejor que un diodo en su propio), lo que lleva a un circuito algo como esto:


Cuando el pin 3 de la 555 pasa a nivel bajo, las resistencias R1 y R2 de control del flujo de corriente de los transistores TR1 y TR2 conmutación plenamente en el fin de cargar los condensadores C1 y C2. La resistencia R5 es un alto valor de, por ejemplo, 470K y está allí sólo para proporcionar una ruta de flujo de corriente cuando el interruptor S se abre para encender la luz apagada.

Resistencia R3 se elige para cambiar el transistor 2N2222 (o FC109, o de otro transistor de señal pequeña) en Tr3 totalmente, cuando el pin 3 pasa a nivel alto, y R4 se elige para asegurar que Tr3 interruptores totalmente apagado cuando el pin 3 es baja, cambiar el cargador girando Tr4 apagado y privándolo de la corriente.

Es muy común que un circuito de carga como los de John Bedini o desde Alexkor, necesitando la batería está cargada al ser conectado en serie con la batería que está impulsando el circuito de carga (condensador C2 en nuestro caso). Esto se puede arreglar así:


Aquí, el tamaño del condensador "C" se incrementa ya que ahora se suministra tanto a la luz y el circuito de carga, que funciona todo el tiempo. Como los picos de voltaje son de alta tensión y la carga resultante implementaciones actuales muy altas, de estado sólido de esta disposición requieren pruebas de prototipo antes de ser mostrado aquí.

Lo ideal para una salida USB, queremos un acuerdo que no consume corriente significativa cuando no esté en uso y, sin embargo, que no es necesario un interruptor mecánico. Para que podamos hacer algo como esto:


Aquí, el voltaje de la batería de alrededor de 9V o 9.8V o lo que sea, está conectado a través de un resistor variable de 100 K que perderá poco menos de 0,1 miliamperios. Dos transistores de BC109C (bajo costo) están conectados como un par de Darlington en modo emisor seguidor con un resistor de 1M como su carga. Estos transistores tienen un aumento que normalmente superan 200 y entonces, dos juntos como esto dibuja sólo 40.000 th del propuesto 10 mA corriente y eso es sólo 0,25 microamperios que es alrededor del 0,25% de la corriente que fluye a través de VR1 y entonces, incluso bajo carga, el voltaje VR1 será constante. Esto desperdicia otra miliamperios 0.006 VR1 es ajustado para dar unos 5.3V como una salida cuando está bajo carga. Una resistencia de 100 ohm se conecta en serie con esta salida y el pin 1 del conector USB 'tipo A'. Como los pines 1 y 4-circuito abierto, ninguna corriente fluye a través de esta resistencia hasta el momento en que una carga está conectada entre los pines 1 y 4.

Si los pines 1 y 4 fueron cortocircuitados – que es una ocurrencia más probable, entonces la corriente a través del resistor de 120 ohmios sería 52,5 miliamperios, que indica que la resistencia debe ser un tipo de medio vatio como la disipación es de 330 mW. La forma más eficaz para realizar el ajuste inicial sería ajustar la tensión de salida baja, conecte un teléfono móvil con el zócalo y ajustar VR1 para dar 5.3V o así sucesivamente la toma. Evitar el exceso de carga de la batería podría hacerse con un circuito de este tipo:


Punto "A" es una tensión de referencia proporcionada por la resistencia R1 y el diodo Zener Z1 y se mantiene a una tensión constante por el condensador C1. Los actos IC1 amplificador operacional como comparador de tensión entre los puntos "A" y "B" (que es fijado por el preset resistencia variable VR1 y refleja el voltaje total de la batería). La tensión de salida de IC1 cambiará drásticamente si la diferencia de voltaje entre swaps "B" sobre "A" y, aunque no por ello las tensiones de carril, por lo transistor Tr1 está ahí para dar una oscilación lógica completa. La corriente de base del transistor está establecido por la resistencia R3 y la resistencia R2 está allí para asegurar que Tr1 se desconecta correctamente. La resistencia R4 tiene un valor muy alto, ya que es allí para formar un par divisor de tensión con Tr1.

El amplificador puede ser un LM358, ya que funciona con voltajes tan bajos como 4,5, es muy barato, y atrae casi ninguna corriente. A medida que el paquete tiene dos op-amperios en el mismo, el segundo puede ser conectado como un amortiguador:


Como este es el circuito para cambiar al aumentar la tensión de la batería, el punto B debe comenzar a una tensión más baja que el punto A. Si está conectado como se muestra, a continuación, Tr1 se enciende cuando la batería se está cargando y se apaga cuando la batería está completamente cargada en un conjunto de tensión por la posición de la corredera de VR1.

A medida que la batería está recibiendo picos de alta tensión cuando se está cargando, la entrada a esta sección del circuito está amortiguada por la resistencia de 100 ohmios y el 100 nF condensador está ahí para tratar a los picos de corto-circuito que reciben a través de la resistencia de 100 ohmios. Un inductor sería probablemente mejor que la resistencia de 100 ohmios para la supresión de picos de tensión y la conexión de un condensador mucho más grande en paralelo con el condensador de 100 nF podría ser una ayuda adicional para mantener los rieles de voltaje de esta sección del circuito a un voltaje promedio constante. La elección de la resistencia R1 y la tensión del diodo Zener no son críticos. La corriente a través de R1 puede ser muy bajo como IC1 necesita casi ninguna corriente y como no hay un condensador de depósito a través del diodo Zener y que mantendrá constante la tensión.

Resistencias R2 y R3 se eligen para adaptarse a Tr1, R3 para asegurarse de que se enciende correctamente cuando está conectada al circuito de cargador y R2 para asegurarse de que se apaga correctamente cuando a continuación, pin de salida 7 de IC1b cae a su valor más bajo de alrededor de 2 voltios . Es probable que R4 no será necesario como TR1 probablemente estará conectado directa en el circuito de carga con el fin de poder que la velocidad o detener que oscila.



El 3-Kilovatio Batería Tierra
Esta batería no necesita cobrar como tal. Baterías de la Tierra son bien conocidos. Son pares de electrodos enterrados en el suelo. La electricidad se puede sacar de ellas, pero generalmente son de poco interés como los niveles de potencia no son grandes. Sin embargo, en su patente de 1893, Michael Emme, un francés residente en Estados Unidos determina cómo conseguir niveles muy graves de la energía de una batería de la tierra de su diseño. En esta unidad en particular que describe en su patente de EE.UU. 495.582, obtiene 56 amperios en poco menos de 54 voltios, que es tres kilovatios o 4 HP. En esa fecha temprana, no había en general, mucha necesidad de electricidad, pero Michael afirma que al seleccionar el número y el método de conexión de los componentes individuales, cualquier tensión deseada y / o suministro de corriente se puede tener. Esto, por supuesto, es un sistema simple que no implica la electrónica.

Descargo de responsabilidad: Este documento es sólo para fines informativos y no debe ser considerada como una recomendación o un estímulo para que usted construya realmente una batería de tierra de este tipo. Si decide hacerlo, a pesar de esta advertencia, a continuación, toda la responsabilidad de los resultados es enteramente suya. Por favor, tenga en cuenta que algunas formas de construcción utilizan ácidos fuertes y manejo descuidado de ácido fuerte puede resultar en la piel y otros daños. La ropa de protección debe usarse para la manipulación de ácidos y un álcali debería estar listo para su uso inmediato si manejo descuidado causa salpicaduras.

Resumiendo su patente, Michael dice:

Mi invención se refiere a los generadores químicos de electricidad en un cuerpo preparado de la tierra es el medio de soporte y la excitación de los electrodos o elementos. Cualquier número de elementos puede ser montado en la misma pieza de suelo y conectado en una cadena o una serie de cadenas con el fin de producir la tensión y / o el amperaje deseado.

Me parece que varias cadenas lineales de elementos pueden funcionar por separado siempre que la brecha entre las cadenas es mucho mayor que la brecha entre los elementos que forman la cadena. Siendo bastante separada, esas cadenas se pueden conectar en serie para aumentar la tensión, o en paralelo para aumentar la corriente disponible.

Es necesario preparar el suelo en el suelo en el área inmediata alrededor de los electrodos que forman cada elemento en la cadena de.


Fig.1 muestra cinco elementos conectados en una cadena. Este punto de vista es desde arriba con los rectángulos que indican agujeros en el suelo donde cada hoyo contiene siete pares separados de electrodos.



                 

Fig.2 y Fig.3 mostrar cómo electrodos individuales se insertan en el suelo preparado "C" que está rodeado por planta sin tratar "B". Electrodo "D" es de hierro y "E" es de carbono.




Fig.4 muestra cómo electrodos en forma de cuña se pueden utilizar como una construcción alternativa. La ventaja es que es más fácil tirar de un electrodo de ahusamiento de la tierra.




Fig.5 muestra los circuitos de flujo de corriente internos que funcionan cuando se utiliza una cadena de elementos. Las flechas indican la dirección del flujo de corriente.




Fig.6 muestra un método conveniente para humedecer periódicamente las áreas de suelo preparado.



El suelo de cualquier tipo puede ser adaptado para su uso con un generador eléctrico de este tipo por la saturación del suelo que rodea inmediatamente a cada par de electrodos con una solución adecuada que es rica en oxígeno, cloro, bromo, yodo o flúor, o con una solución de una sal de un álcali.

Para los electrodos, yo prefiero usar hierro dulce para el electrodo positivo y carbón de coque en apuros para el electrodo negativo. El electrodo positivo es preferiblemente una barra en forma de U de hierro que tiene una sección transversal circular. Las dos ramas de la U se sitúan en la varilla de carbono. Hierro fundido se puede utilizar pero da una tensión más baja, presumiblemente debido a la carbono y otras impurezas en el mismo.

El magnesio da excelentes resultados, produciendo 2,25 voltios por par de electrodos, donde el carbono es el electrodo negativo.

                 

En la aplicación de mi invención, I nivel de un pedazo de tierra de superficie suficiente para contener la cadena de generación o cadenas. Por ejemplo, durante trescientos elementos positivos cada 500 mm de largo y 50 mm de diámetro, doblados como se muestra en la Fig.3, la longitud de la pieza de suelo debe ser de aproximadamente 32 metros y 1 metro de ancho. Cavo 43 hoyos a una distancia de 735 mm de distancia (centro a centro) en una línea. Cada hoyo es de 250 mm de ancho y 750 mm de largo y la profundidad suficiente para contener los siete pares de electrodos.

El suelo excavado suelta de los agujeros, se mezcla con la sal o el ácido elegido con el fin de hacer que el generador activo. Por ejemplo, si el suelo es un molde vegetal, entonces ácido nítrico concentrado comercial debe ser añadido en cantidad suficiente para saturar el suelo, y peróxido de manganeso o pirolusita se debe mezclar con la masa. Si el suelo tiene un carácter de arena, a continuación, ácido clorhídrico o carbonato de sodio ("soda de lavado") o potasa puede ser utilizado. Si la bobina es una arcilla, a continuación, pueden usarse ácido clorhídrico o sulfúrico y cloruro de sodio, la sal se disuelve en agua y se vierte en el agujero antes de que el ácido se mezcla con el suelo. La parte inferior del orificio se humedece con agua y el suelo preparado mezclado con agua a la consistencia de una pasta espesa se coloca entonces en el agujero, que rodea los electrodos. Los 43 grupos de electrodos cuando conectados en serie como se muestra en la Fig.1, producirá 53,85 voltios y 56 amperios, el desarrollo de un total de 3.015 vatios.


Al aumentar el número de células, la capacidad del generador se puede aumentar correspondientemente a cualquier salida de potencia deseado. El cuerpo preparado de tierra debe humedecerse periódicamente, preferentemente con el ácido con el que se trata cuando primero preparado para la acción. En un generador destinado para uso continuo, prefiero proporcionar un depósito como se muestra como "A" en la Fig.6, y ejecutar un tubo hecho de un material que no es atacado por el ácido, a lo largo de la cadena de elementos, con una boquilla sobre cada elemento de modo que todos ellos pueden ser humedecidos muy fácilmente. Cualquier acumulación de óxidos u otros productos de la reacción entre el suelo preparado y los electrodos se puede eliminar por elevar el electrodo positivo y luego forzando nuevo en su sitio de nuevo. El electrodo de carbono puede ser limpiado con sólo girar sin separarlo de su lugar.

Encuentro que el período de uso del generador durante el cual no se necesita ninguna adición de sal o ácido, aumenta con el período de uso. Por ejemplo, durante el primer día de uso, el ácido o la sal deben añadirse después de 10 horas de uso, después de lo cual un rendimiento del 26 horas de servicio, y luego después de otro humedeciéndolo funcionará durante 48 horas, y así sucesivamente, progresivamente aumento en la duración entre ser humedecido. Este generador funciona muy consistente y fiable.

* * * *


Hoy en día, nos encontramos con corriente de la red de tensión alterna para ser el más cómodo de usar. Para que un sistema como éste, estaríamos inclinados a utilizar un inversor ordinario que se ejecuta en doce voltios o veinticuatro voltios. Sin embargo, hay que recordar que la corriente de entrada de trabajo es alta y así, el cable utilizado para llevar a que las necesidades actuales para ser gruesa. En 12V, cada kilovatio es una corriente de al menos 84 amperios. En 24V que la corriente es de 42 amperios (el propio inversor es más caro como se compran menos). Destino doméstico considerable se puede tener de un inversor de 1500 vatios.

La construcción de hierro / carbono suave descrito por Michael Emme produce 54V de 43 conjuntos de electrodos, lo que indica alrededor de 1.25V por juego en alta corriente. Parece razonablemente probable que diez u once conjuntos de electrodos darían alrededor de 12V en corriente alta y tres de esas cadenas conectadas en paralelo debe ser capaz de alimentar un inversor 12V 1500 vatios continuamente a un costo extremadamente bajo en ejecución.



Un Cargador de Batería Para Una Sola Batería
Johan Booysen de Sudáfrica utiliza circuitos electrolizador desarrollado por Bob Boyce de América, para cargar una batería. Lo importante es que sólo había una batería involucrados ya que la batería está cargando realmente alimenta el circuito de carga. La batería involucrado era un 18 Amp-horas de la batería de plomo-ácido de 12 voltios que por lo tanto tiene una eficiencia de sólo el 50%, lo que significa que la batería tiene que recibir el doble de la cantidad de corriente en comparación con la corriente que se puede volver después. Johan utiliza la batería para alimentar un coche de juguete que su hija jugaba con. Denunció que durante la noche de la batería para que pudiera usarlo al día siguiente para conducir.



Mientras que la velocidad máxima del coche es sólo dos o tres millas por hora, el punto importante es que los bienes, la energía genuina se está poniendo en la batería todas las noches, la energía que impulsa el coche de juguete cada día. Un dispositivo de este tipo, que puede cargar una batería sin luz solar, sin necesidad de viento y sin necesidad de combustible, tiene importantes aplicaciones para las personas que viven en zonas remotas donde no hay red eléctrica y nunca lo será, ya que no es económica para ejecutar las líneas de energía allí. La pregunta es: ¿se puede hacer un dispositivo de este tipo que sea fiable y seguro de usar?

Exención de responsabilidad: La siguiente información NO ES para principiantes, pero está únicamente destinado a personas con experiencia en electrónica y que son conscientes de los peligros que conlleva. Por favor, comprenda claramente que NO ESTOY recomendando que se debe construir cualquier cosa en base a la siguiente información..

En primer lugar, por favor entienda que usted vive en un lugar peligroso. Usted está rodeado y sumergido en un mar de energía principal que fluye a través de usted en todo momento. Un rayo es de millones de voltios con una corriente de diez mil amperios o más. Esa es una enorme cantidad de poder y me han dicho que todo el mundo, hay entre 100 y 200 de los que un rayo cae cada segundo. El campo de energía ni siquiera notar la energía fluye como el que a pesar de que nos parecen ser enormes cantidades de energía.

No notamos el campo de energía porque hemos estado dentro de él para todas nuestras vidas. Se dice, y me inclino a creer que aunque no sé cómo probarlo, que no es posible crear o destruir la energía, y lo más que podemos hacer es convertirlo de una forma a otra ( y cuando lo hacemos, por lo general, las arreglamos para hacer que el flujo de energía hacer un trabajo útil para nosotros). Una manera de afectar el campo de energía es crear un muy corto, muy fuerte, de alta pico de voltaje. Eso perturba el campo de energía que rodea suficiente para hacer pequeñas ondulaciones en ella y que a veces puede reunir esas ondas y utilizar algunos de ellos para hacer el trabajo eléctrico para nosotros.

Otra forma conocida para acceder a este enorme campo de energía es crear un campo magnético giratorio, pero hay que ser muy, muy, pero cuidado si usted trata de hacer eso que usted está jugando con un campo de energía de increíble poder. Usted probablemente ha oído hablar de la famosa ecuación E = mC2 y mientras la mayoría de la gente piensa que vino de Albert Einstein, la realidad es que se produjo a principios de año por Oliver Heaviside y Einstein simplemente publicitado ella. ¿Qué dice la ecuación es que la energía y la materia son intercambiables y que una diminuta mota de materia puede ser creado a partir de una gran cantidad de energía. Oliver Heaviside también calcula que el campo de energía que he estado tratando de describir, llena cada parte del universo, y que la energía es tan grande que la cantidad dentro de un centímetro cúbico es suficiente para crear toda la materia visible que podemos ver en la totalidad del universo. No hagas perder el tiempo con ese campo de energía a menos que sepa lo que está haciendo, e incluso si usted sabe lo que está haciendo, usted todavía tiene que tener mucho cuidado. Por favor, comprenda que la energía eléctrica con la que estamos familiarizados, es una onda transversal, mientras que el universo está lleno de energía onda longitudinal y esas dos formas son completamente diferentes, por lo que los efectos eléctricos que son familiares para que no se aplican a la energía que los cargos batería de Johan.

Bob Boyce es un hombre extraordinariamente inteligente y perspicaz. Experimentó con la rotación de los campos magnéticos y fue golpeado por un rayo, como resultado. No puedo insistir demasiado, que los campos magnéticos giratorios son muy peligrosa. Idealmente, usted quiere evitar un campo magnético giratorio. Bob desarrolló una fuente de alimentación toroidal muy eficaz y seguro para su alto rendimiento HHO electrolizador. Esa fuente de alimentación es un sistema abierto que proporciona más potencia a la carga que se extrae de la batería y se ve así:



Lo que para un sistema de baja tensión (no necesitar de alta tensión para 100 células electrolizador en serie) presumiblemente sería:



Aquí, la tensión continua en estado estacionario de la batería se ha añadido a la misma, la forma de onda generada por la placa electrónica pulsante del toroide. Respecto toroides, Bob dice que él no considera hierro ferrita o laminada ser toroides adecuados, ya que simplemente no es seguro de usar en circuitos de este tipo a menos que a muy baja frecuencia de lo que significa una baja eficiencia. En estos sistemas, tiene que haber un equilibrio entre el control y el poder y un fugitivo controlada es altamente peligroso. Recuerde que aquí, que este sistema está aprovechando la fuente de energía que alimenta todo el universo continuamente y lo que sale de toroide de Bob es fundamentalmente la misma energía de onda longitudinal. De paso, casi todos, y muy posiblemente todos los dispositivos de energía libre que incluyen paneles solares, molinos de agua, dispositivos de ondas de energía, biomasa, etc. son alimentados por este campo de energía literalmente universal de ondas longitudinales.

En cuanto a esto con más detalle, toroide de Bob es una de 6.5 pulgadas (165 milímetros) toroide de polvo de hierro diámetro vendido por MicroMetals en América, y se enrolla inicialmente con bobinado secundario que va todo el camino alrededor del toroide:



El cable utilizado debe ser de una sola hebra de hilo de cobre sólido, recubierto de plata y cubierto con plástico aislante de teflón. Diferentes toroides operan de diferentes maneras y de modo necesitarían experimentación utilizando diferentes tipos de alambre y número de vueltas en los devanados. Este arrollamiento secundario tiene que ser herida con una precisión perfecta dando espacios exactamente incluso entre vueltas alrededor del borde exterior del toroide y luego se graba encima con cinta aislante ordinario (no utilice la cinta de fibra de vidrio y sinuosas y no use hilo multi-hilo, ya sea como de los que evitará que el circuito funcione correctamente).

Tres devanados primarios están enrolladas en la parte superior de la cinta que está cubriendo el devanado secundario (tenga en cuenta que el alambre devanado primario comienza sobre la parte superior del toroide y se enrolla de izquierda a derecha):



Una vez más, es esencial que el alambre utilizado es sólido, de un solo núcleo de cobre con recubrimiento de plata y el recubrimiento de teflón. El toroide completado está ligada con cinta y se tamiza al ser colocado dentro de una caja de metal con toma de tierra. Las señales de accionamiento para el toroide son así:



Un sistema similar con una división por dos mecanismo para producir cada una de las frecuencias más bajas se ha probado y se encontró que no funcionó, así como tener tres osciladores separados que están cerca de las frecuencias armónicas pero no un armónico exacta, como que produce una serie compleja de heterodino repetida de las señales y la forma de onda global resultante es mucho más rica que cabría esperar. Por lo tanto, si se intenta replicar la forma de onda utilizando un Arduino u otro tablero microprocesador PIC, podría ser aconsejable establecer las frecuencias más bajas en un número impar de reloj de las garrapatas de manera que se produce una forma de onda compleja. En realidad, es más barato y más cómodo de usar componentes discretos: 555 fichas temporizador con resistencias preestablecidos multi-vueltas para que el ajuste se puede hacer sin parar una ejecución de prueba. La frecuencia más alta es la frecuencia fundamental y los dos frecuencias más bajas son útiles, pero de menor importancia. Al sintonizar el circuito, la frecuencia más alta se ajusta para dar la mejor salida. A continuación, la compuerta para que la frecuencia se ajusta para encontrar la entrada más baja actual, que todavía da ese nivel de salida. A continuación, el mismo procedimiento se repite para el segundo y luego los módulos de frecuencias más bajas.

Usted notará aquí que cada devanado primario en el toroide se alimenta con su propia señal separada y no hay sugerencia alguna de que los tres devanados se accionan secuencialmente para formar uno de esos campos magnéticos giratorios muy peligrosas. Aunque el diagrama anterior puede parecer un poco avanzado, que es en realidad, muy simple en sus líneas generales. Los circuitos pueden ser como este:



No estoy muy contento con el circuito anterior. Estamos trabajando desde una sola fuente de voltaje de un valor nominal de 12 voltios y el circuito tiene una sección de generación de señal que funciona a baja corriente, y una alta sección de la unidad actual de la bobina toroide. La resistencia y el condensador marcado "B" son para proporcionar desacoplamiento de energía para la sección baja corriente con el aislador óptico PCP116 que separa las dos secciones del circuito. Sin embargo, eso no es una solución muy buena ya que los pulsos de corriente a lo largo del cable de suministro de energía sin duda crear las fluctuaciones de voltaje de alta velocidad en ese cable. Hay un número de soluciones. Uno podría ser añadir en un pequeño choke en el punto "A", y / o proporcionar un segundo cable de alimentación de conexión en el punto "A":



Todos los bobinados de estrangulamiento deben mantenerse bien lejos de los bobinados toroide para evitar el acoplamiento inductivo, y deben estar fuera de la caja de selección que contiene el toroide. No importa qué dispositivo se encuentra para ser adecuado, se necesitan tres de estos circuitos con el fin de expulsar a los tres devanados separados sobre el toroide. La única diferencia en los circuitos de segundo y tercero es el condensador de frecuencia:







Por favor, recuerde que es la tecnología de Bob Boyce que está aprovechando esta energía adicional de la energía ambiental de fondo que rodea y fluye a través de nosotros. Además, entiendo que lo que sale de la toroide no es energía 'onda transversal "sólo convencional, pero en cambio, es la energía de onda principalmente longitudinal que no podemos medir directamente. Bob señala que si su carga es capaz de absorber las corrientes longitudinales, como el agua o en un grado algo menor, una bombilla de luz, entonces este poder onda longitudinal se dirige. Si la energía de entrada está configurado correctamente, a continuación, que hace que la energía de onda modulada longitudinal a fluir hacia fuera de los alambres de transformador toroidal porque que la energía de entrada modula el campo de energía de la onda longitudinal local. Cuando el toroide se enrolla y conducido para la eficacia máxima, la unidad se comporta como un transmisor de Tesla de aumento y un receptor de energía radiante Tesla, todo en un solo paquete. Hay un aumento de energía en el proceso, por lo que Tesla lo llamó un transmisor de aumento '. Esta ganancia de energía es producida por la fuente de energía pequeña que ofrecemos, la modulación de la fuente de energía mucho más grande que es la onda fuente de energía dominante longitudinal de todo el universo, y luego capturamos y utilizar esta energía modulada para realizar trabajo útil.

La salida del toroide es una combinación de energía de las olas transversal convencional y la energía de la onda longitudinal no convencional. Se trata de las características de la carga que determina cuánta energía se extrae de la componente de la energía de onda longitudinal de la salida. El agua sólo absorbe la energía de la onda longitudinal que si la energía se modula a la frecuencia correcta. Bombillas y algunos motores pueden ejecutarse directamente en ("electricidad fría") actual onda longitudinal, pero lo hacen con una eficiencia reducida. Muchos aparatos modernos y componentes del equipo electrónico necesitarían tener la energía de onda longitudinal convertida en energía onda transversal con el fin de ser capaz de operar en esta energía.

Para la producción de gas HHO, la electrónica y la propia toroide se han diseñado para producir la disociación del agua de una manera relativamente segura, por ello insiste en que Bob experimentadores HHO se pegan con un modo de campo pulsado de operación. Es mucho más bajo en la ganancia de un sistema de campo de rotación sería y por eso menor ganar es mucho menos propensos a entrar en un estado fuera de control, donde la energía de salida aumenta la ganancia de energía longitudinal hasta el punto donde las sobrecargas del sistema y va a la avalancha huir. Mediante el uso de agua como la carga, cualquier aumento en la energía de salida es absorbido por el agua y por lo que es un proceso de auto-estabilizante. Incluso si se produce una avalancha en un sistema de gas HHO, la baja densidad de potencia del modo pulsado permite que el agua para absorber el aumento de potencia y que simplemente provoca más agua para convertir en gas. Esto significa que con el fin de estar a salvo, la energía de entrada debe ejercer un control total sobre la tendencia a la auto-regeneración y una carga debe estar siempre presente cuando el dispositivo está en funcionamiento.

Se prefiere el agua, ya que no se queme, que sólo se disocia. Nos sintonizar la frecuencia primaria a ser uno que funciona bien con agua. Es una frecuencia que permite que el agua para absorber el componente longitudinal mejor. Es por eso que utilizando sólo pulsante CC no da el mismo efecto. CC no contiene la energía de onda longitudinal a la que el agua está respondiendo en un sistema de accionamiento de resonancia. Por desgracia, la mejor frecuencia para la absorción de energía longitudinal por el agua se ve afectada por muchos factores, por lo que debe esforzarse para mantener el sistema en sintonía para la mejor absorción de esa energía. Las otras dos frecuencias mejorar este proceso de captación de energía sin aumentar considerablemente los riesgos asociados.

Bob sabe que toda esta tecnología de energía suena abracadabra para los educados en el comportamiento de la energía de onda transversal tradicional, pero la energía de onda longitudinal es muy real y se puede utilizar a nuestro favor. Muchos inventos y dispositivos se han construido que puede aprovechar esta energía invisible y no medida. El promedio de agua para el experimentador de combustible tiene ni idea de lo peligroso de este lado de la energía de la tecnología puede ser, por lo tanto, la cantidad de trabajo que Bob gasta en tratar de hacer una versión de impulsos relativamente seguro que el experimentador promedio puede utilizar con seguridad. De lo contrario, los experimentadores son propensos a suicidarse cuando se trata de aplicar una tecnología muy peligroso para una aplicación muy simple, todo en el esfuerzo para generar más gas HHO bajo demanda. Bob no es el único en hacerlo. Meyer, Puharich, y otros, han sabido aprovechar esta energía es una forma segura y controlable.

Cuando Johan intenta cargar una batería de plomo-ácido, no hay electrolizador lleno de agua para absorber un fugitivo avalancha. El único agua disponible es en el contenido de ácido de la batería y que es la que disociarse en gas HHO dentro de la batería. Esa mezcla de gas HHO es en las proporciones exactas de la explosión de nuevo en el agua otra vez. Lo que no se ha destacado es que el gas HHO producido es altamente cargada eléctricamente y detonará si la presión del gas supera unos quince libras por pulgada cuadrada. Mientras que cualquier mención de una explosión es de miedo, la realidad no se corresponde a lo que se imaginan la mayoría de la gente. Al principio de este capítulo, Ronald Knight que es un probador de la batería con experiencia (utilizando sólo la energía de onda transversal), explica la situación con claridad:

No he oído hablar de alguien que tiene una falla catastrófica de una caja de la batería en todos los grupos de energía a la que yo pertenezco, y la mayoría de ellos utilice pilas en los diversos sistemas que que estudio. Sin embargo, eso no significa que no pueda ocurrir. La razón más común para un fallo catastrófico en el caso de una batería de plomo-ácido, se arqueándose causando el fracaso en las rejillas que se ensamblan entre sí dentro de la batería para compensar las células de la batería. Cualquier arco interno provocará una rápida acumulación de presión de expansión de gas hidrógeno, lo que resulta en un fracaso catastrófico de la caja de la batería. Durante las pruebas del fabricante, la batería está cargada con la corriente máxima que puede tomar. Si la batería no volar debido a la formación de arco interno durante la carga inicial es muy probable que no va a volar bajo el uso regular para el que fue diseñado. Sin embargo, todas las apuestas están apagadas con las pilas usadas que han ido más allá de su vida útil. He sido testigo de varios fracasos catastróficos de los casos la batería diaria en el trabajo. He estado de pie justo al lado de las baterías cuando explotó y yo sólo he estado asustado por ella.

Yo sugeriría que al probar nuevos, circuitos poco ortodoxo como el presente, que la batería se coloca en una caja robusta que tiene rejillas cubiertas con deflectores de modo que el gas pueda escapar libremente pero cualquier ácido o fragmentos de caso se mantiene dentro de la caja. Personalmente, nunca he tenido una batería explote, ni he visto una batería explotó.

Entiendo que Johan se conecta la salida del circuito a la batería de esta manera:





El estrangulador se muestra en rojo en el diagrama es de alrededor de 18 vueltas en un pequeño toroide que parece bien, pero los otros dos bobinas parece ser tan sólo seis o siete bucles en los cables de conexión, no terminó al lado del otro en una antigua magnético, pero sólo izquierda como si el acortamiento de la longitud del cable.



En consecuencia, es claramente posible que esos dos chokes se han omitido como la inductancia de los bucles debe ser muy bajo de hecho. El punto de un estrangulador es que va a pasar CC mientras que bloquea puntiagudos (onda transversal) picos de tensión. Si esos dos bobinas son tan ineficaces como se ven, entonces el circuito sería:



Mientras que la fotografía de arriba parece mostrar un fusible colocado en el cable de salida antes de que el estrangulador, estoy dudoso acerca de hacer eso. La velocidad de la energía longitudinal es tan grande que un fusible es muy poco probable que funcione suficientemente rápido como para ser de cualquier uso. También, ("frío") de energía longitudinal tiene el efecto contrario a lo que se espera con la onda transversal ("normal") de energía. Cualquier fusible tiene una resistencia y se supone que soplar cuando se apague a través de calor elevada causada por exceso de corriente que fluye a través de él. Energía Transversal enfriaría el fusible en lugar de calentarla. Sin embargo, un fusible bien podría tener un efecto potenciador en todo el proceso de carga porque mientras una resistencia impide el flujo de la energía de onda transversal que en realidad aumenta el flujo de energía de la energía longitudinal, dibujo en energía adicional de nuestro campo de energía circundante. En una subida de tensión fuera de control, el fusible no sería útil, pero cuando se ejecuta con normalidad, bien podría ser. Quiero subrayar aquí que esto es sólo mi opinión no probado y, a diferencia de Bob Boyce, ciertamente no soy un experto en esta tecnología.

Quiero subrayar una vez más que esto no es una recomendación para que usted intenta construir o utilizar algo de esta naturaleza, a pesar del hecho de que ha funcionado bien para Johan. Tenemos que recordar que Johan estaba usando una versión más avanzada de circuitos electrónicos de Bob, uno cuyos detalles no han sido puestos en libertad. Debido a que, puede ser necesario colocar un diodo entre la salida del circuito y la batería Plus terminal. Esta información es sólo una sugerencia para la experimentación, que sólo podría posiblemente ser llevada a cabo por expertos en electrónica con experiencia.



Una Carga Rápida Joule Thief Variación Este arreglo algo inusual para un cargador de batería viene de René, que ha publicado un video al respecto aquí diciendo que carga las baterías muy rápidamente.



La técnica consiste en utilizar una fuente de alimentación de red de veinte voltios para operar el circuito de la red convencional modo de carga, pero en lugar de conectar la alimentación de red a la menos de la batería está cargando, un circuito Ladrón Joule sencilla se inserta en esa línea. Esto significa que el circuito de Joule Thief opera sobre la diferencia de tensión entre la red eléctrica y la carga de baterías de tensión presente. Como la batería se carga hasta la tensión de trabajo Ladrón Joule cae. René dice que se necesita el diodo a través de la unidad de alimentación, pero no sabe por qué. Si bien este es un circuito interesante, permítanme expresar algunas opiniones, en él, y que me haga hincapié en que estos sólo son opiniones ya que no he construido y utilizado este circuito.

Baterías de carga de las oscilaciones de tensión de respaldo EMF producidos por bobinas cuando su corriente se corta, por lo general requiere que el negativo de la batería se carga a conectar al positivo de la batería que es capaz de alimentar el circuito. Esto no es una característica esencial de estos circuitos, pero se hace porque si no, entonces la corriente fluirá directamente de la batería alimentación a la batería de carga. Sin embargo, en este caso, eso es exactamente lo que el diseñador quiere que suceda y lo que no hay razón obvia por la que no debería haber una línea común negativo. Eso significa que una batería de 14V de alimentación unidad de carga normal se puede utilizar y el ladrón Joule puede funcionar con un nivel de tensión fijo. A menos que las ganancias de diseño de Rene potencia de carga por tener el circuito Ladrón Joule en serie con la batería cargada, me permito sugerir que el circuito podría funcionar mejor como esto:



Esa disposición proporciona la red de carga como antes y tensión constante suministro al circuito Ladrón Joule que añade impulsos de carga a la red eléctrica de alimentación de CC a la batería está cargando.


De Recarga de Baterías Circuitos de Charles Seiler
En agosto de 2009 Carlos Seiler publicó algunos circuitos de carga de baterías de impulsos que son interesantes. La primera se basa en el circuito de Alexander Meissner 1913 que se parece a esto:



Este es un circuito poco inusual que es compacto y eficiente. La resistencia de 10K fija deja caer el voltaje a través del resistor variable 10 K a alrededor de 6 V para hacer la afinación más fácil. La resistencia variable se ajusta de modo que el transistor está a punto de cambiar, y luego la unidad adicional del par condensador / bobina hace que el conmutador de transistor en rápidamente.

Charles ha alterado este circuito mediante la sustitución del condensador de control de frecuencia "C" con la capacitancia interna de la batería que se está cargada, por lo que la velocidad de carga proporcional al estado de la batería que se está cargada:



Cuando se ajusta correctamente, este circuito funciona fresco sin ninguna necesidad de un disipador de calor en el transistor. El tamaño del condensador no es crítica y se puede ajustar para el mejor rendimiento. Las bobinas se enrollan con longitudes iguales de alambre y enrollado con la cara cables al lado del otro, ya sea con núcleo de aire o con un núcleo de alambre de soldadura aislado de esta manera:



Charles afirma que la baja resistencia de la bobina es de gran ayuda para la carga de baterías de plomo-ácido, ya que tienen una resistencia interna muy baja de unos diez ohmios. Las bobinas se enrollan con 200 a 400 vueltas, pero a pesar de eso, la corriente consumida por el circuito es pequeño.

El circuito puede oscilar a 500 kHz, pero la tasa de oscilación se ve afectada por el estado de la batería está cargada y será típicamente unos 100 Hz a 2.000 Hz con una batería totalmente descargada. La frecuencia del pulso depende del nivel de carga de la batería cuando la batería es parte del mecanismo de temporización del circuito. Un punto muy importante es que el circuito no tiene ninguna protección contra la sobretensión y el transistor 3055 tiene sólo una potencia de hasta 60 V, por lo que si el circuito está encendido sin la carga de la batería está conectado, entonces el transistor será definitivamente destruidos.

Otro circuito sugerido es el que se muestra a continuación. Este es un circuito muy inusual:



En este circuito, los cuatro (o más) bobinas se enrollan como una unidad con los cuatro cables fijados al lado del otro. Los diodos adicionales están ahí para proteger los transistores y las resistencias de base se ajustaron para dar un flujo de corriente realista en el circuito que mantiene a los transistores se enfrían cuando el circuito está en funcionamiento.

Personalmente, siempre he encontrado pulso de carga circuitos para ser temperamental y sujetos a una amplia gama de prestaciones sin ningún cambio de circuito (que, por supuesto, puede ser debido a mis habilidades de construcción pobres). Sin embargo, si cualquier circuito de carga carga la batería más rápido que el consumo de corriente, entonces la batería de auto-carga es posible. Por eso, un circuito como este se puede utilizar:



Con una disposición como la que es muy alentador ver que la tensión de la batería subiendo y subiendo. El estrangulador sólo es necesario para bloquear los picos de tensión de carga de alcanzar el circuito oscilador. Sin embargo, el circuito oscilador tiene que ser COP> 1 para que esto funcione, pero muchos de los circuitos en este libro electrónico tiene esa característica. He encontrado el secundario de un transformador de corriente de 12 V 300 mA a ser un estrangulador efectiva.



El Ladrón Joule como un simple Cargador de Batería
La idea es cargar baterías casi completamente descargadas usando solo aquellas baterías casi completamente descargadas para cargar. Este proyecto utiliza uno de los circuitos más simples y robustos jamás producidos y ese es el circuito "Joule Thief". Este circuito más impresionante fue compartido por su diseñador Z. Kaparnick en la sección "Ingenuity Unlimited" de la edición de noviembre de 1999 de la revista "Everyday Practical Electronics". El circuito es muy, muy simple, siendo solo un transistor, una resistencia y una bobina. El circuito se usó originalmente para encender un Diodo Emisor de Luz ("LED"), pero puede usarse para mucho más que eso. Este es el circuito:



La bobina original estaba hecha de dos hilos de alambre enrollados uno al lado del otro alrededor de un pequeño anillo de ferrita o "toroide". El circuito oscila automáticamente, generando un voltaje mucho más alto en el colector del transistor, y aunque el voltaje de la batería no es suficiente para que el LED se ilumine, el circuito se enciende con bastante facilidad.

No es necesario enrollar la bobina en un anillo de ferrita ya que un cilindro de papel es perfectamente adecuado. El circuito fue luego adaptado por Bill Sherman y se usó para cargar una segunda batería y para encender el diodo emisor de luz de la siguiente manera:



He usado este tipo de circuito sin el LED, para cargar una batería recargable de 0.6 voltios a 1.34 voltios en solo una hora, por lo que es ciertamente efectivo como cargador de batería. El circuito es así:



Sin embargo, el circuito tiene una debilidad menor en que si la batería de accionamiento tiene un voltaje mayor que el voltaje de la batería de carga más la caída de voltaje en el diodo, la batería conducirá la corriente directamente a la batería de carga a través del devanado verde que se muestra arriba. a través del diodo. Eso se puede superar poniendo las baterías en serie como lo hizo John Bedini:



La bobina se puede enrollar con bastante facilidad. Un lápiz es una buena formadora para una bobina, por lo que debe cortar una tira de papel de 100 milímetros de ancho y enrollarla alrededor del lápiz para formar un cilindro de papel de varias capas de espesor y 100 milímetros de ancho y sellarlo con Selotape:





Asegúrese de que al tirar del cilindro de papel junto con la Selotape, no pegue el papel al lápiz, ya que querremos deslizar el cilindro completo del lápiz una vez que enrollemos la bobina. La bobina ahora se puede enrollar en el cilindro de papel, y para esto, es conveniente usar dos bobinas de cincuenta gramos de alambre de cobre esmaltado. El cable que utilicé tiene 0.355 milímetros de diámetro. Hay muchas formas diferentes de enrollar una bobina. El método que uso es hacer tres o cuatro giros como este:



Y luego mantenga esos giros en su lugar con Selotape antes de enrollar el resto de la bobina. Finalmente, el extremo derecho de la bobina se asegura con Selotape y luego ambos extremos se cubren con cinta aislante ya que Selotape se deteriora con el tiempo. Si bien esta bobina se ha enrollado con una sola capa, si lo desea, se puede usar una sola capa adicional de papel para cubrir la primera capa y una segunda capa enrollada sobre la misma antes de pegarla con cinta adhesiva y deslizarla del lápiz.

Si bien los diagramas anteriores muestran los hilos del cable en dos colores, la realidad es que ambos cables serán del mismo color y, por lo tanto, terminará con una bobina que tiene dos cables de aspecto idéntico saliendo de cada extremo. Usted hace que los cables en cada extremo sean más largos que la longitud de la bobina para que tenga suficiente cable de conexión para realizar las conexiones finales. Use un multímetro (o batería y LED) para identificar un cable en cada extremo que se conecta completamente a través de la bobina y luego conecte un extremo de ese cable al otro cable en el otro extremo. Eso hace que el toque central de la bobina "B":



La bobina debe revisarse cuidadosamente antes de su uso. Idealmente, la junta está soldada y si el cable de cobre esmaltado utilizado es del tipo "soldable" (que es el tipo más común), entonces el calor del soldador quemará el esmalte después de unos segundos, haciendo una buena unión de lo que solía ser alambres esmaltados Se debe realizar una prueba de resistencia para verificar la calidad de la bobina. Primero, verifique la resistencia de CC entre los puntos "A" y "B". El resultado debe ser de aproximadamente 2 ohms. Luego verifique la resistencia entre los puntos "B" y "C" y ese debería ser un valor de resistencia que coincida exactamente. Finalmente, verifique la resistencia entre los puntos "A" y "C" y ese valor debe ser dos veces la resistencia "A" a "B". Si no es así, entonces la unión no está hecha correctamente y debe calentarse con el soldador y posiblemente se utilice más soldadura y se vuelvan a medir las resistencias.

El circuito simple, como se muestra, puede cargar cuatro baterías AA en serie cuando el circuito funciona con solo una batería AA. He usado un diodo 1N4148 que es un diodo de silicio con una caída de tensión de 0.65 o 0.7 voltios y ha funcionado bien. Sin embargo, generalmente se recomienda un diodo de germanio con una caída de voltaje mucho menor de 0.25 a 0.3, quizás un diodo 1N34A. También se sugiere que usar dos o tres diodos en paralelo es útil.

Un método complementario o alternativo para elevar la eficiencia del circuito es agregar un bobinado bi-filar adicional a la bobina, haciendo que el circuito "FLEET" de Lawrence Tseung se analice en el capítulo 5:



Con esta disposición, el segundo devanado también se realiza con dos cables uno al lado del otro y luego el extremo del primer cable se conecta permanentemente al inicio del segundo cable, dejando solo un cable que sale de cada extremo del nuevo devanado. La corriente extraída de este nuevo bobinado no afecta el consumo de corriente de la batería de accionamiento que está ejecutando el circuito Joule Thief.

Si tiene un osciloscopio, entonces el circuito se puede sintonizar para un rendimiento óptimo al colocar un pequeño condensador a través de la resistencia "R" y encontrar qué valor de capacitor produce la tasa más alta de pulsos con sus componentes particulares. El condensador no es esencial y nunca he usado uno, pero a veces se muestran valores como 2700 pF. Utilicé este circuito "FLEET" para cargar dos baterías de plomo-ácido de 12 voltios, usando una para conducir el circuito que cargó la segunda batería. Luego, cambie las pilas y repita el proceso un par de veces. Después de eso, las baterías se dejaron durante una hora para permitir que se detuvieran los procesos químicos, y luego se midieron los voltajes. El resultado fue que ambas baterías obtuvieron una potencia significativa, real y utilizable durante el proceso. Como la única potencia aplicada al circuito provino de las baterías, ese es un resultado significativo. Además, como las baterías de plomo-ácido son solo un 50% eficientes y pierden la mitad de la corriente de carga que usted les suministra, el circuito tuvo que producir una ganancia de energía con más del doble de la potencia de salida en comparación con la potencia de entrada.

Sin embargo, manteniendo las cosas simples y concentrándose en el circuito Joule Thief, si representamos una versión ligeramente mejorada del circuito que utiliza tres diodos de carga conectados en paralelo, como este:



Entonces podemos alimentarlo de una carga útil en lugar de una batería. Por ejemplo, si decidimos producir iluminación usando las matrices de 12 voltios de 24 LED:



Entonces podríamos elegir usar un convertidor CC-CC comercial como este:



Me gusta esto:



Este circuito funciona realmente bien. La corriente alimentada al convertidor elevador de CC a CC está controlada por la tensión en el punto "A" y la resistencia general del circuito Joule Thief. Como se muestra, dibuja unos 70 miliamperios y enciende una o dos de las matrices LED brillantemente durante seis horas cuando se alimenta con un juego de cuatro de las baterías Digimax 2850 mAHr de tamaño AA.

Durante ese período de seis horas, todos los 70 miliamperios de corriente se introducen en el circuito Joule Thief y eso le permite cargar un segundo juego de baterías. Seis horas es el tiempo que yo personalmente tengo la iluminación encendida por la noche. Eso significa que, además de las seis horas de carga ya logradas, quedan otras dieciocho horas durante las cuales el circuito podría usarse para continuar la carga de la batería.

Mientras que el circuito muestra un interruptor que cortocircuita el convertidor para apagar la luz, en realidad no hay necesidad de usar una corriente tan alta durante el resto del día, por lo que se puede usar un interruptor bipolar para desconectar la luz y soltarla. el nivel de corriente a 20 miliamperios mediante el cortocircuito de uno de los diodos que reduce el voltaje en el ladrón Joule de esta manera:



El circuito como se muestra hasta ahora tiene dos juegos de cuatro baterías. Sería bueno cambiar entre ellos cada pocos minutos. Las baterías que proporcionan energía a una carga no se cargan tan bien como las baterías descargadas que se están cargando. Sin embargo, el mecanismo que alterna entre los dos juegos de baterías necesita tener un consumo de corriente extremadamente bajo para no desperdiciar corriente. Una posibilidad para eso sería usar un relé de enclavamiento como este:



Esta es la versión electrónica de un interruptor mecánico de dos polos. Un breve impulso de corriente entre dos pines bloquea el interruptor en una posición y más tarde, un pulso de corriente entre otros dos pines lo bloquea en la otra posición. La fuga de corriente en el circuito sería casi cero.

Mientras que los circuitos integrados NE555 estándar pueden operar con un voltaje de suministro de hasta 4.5 voltios (y en la práctica, la mayoría funcionará bien a voltajes de suministro mucho más bajos), hay varios 555 CI mucho más caros que están diseñados para funcionar a voltajes de suministro mucho más bajos. Uno de estos es el TLC555, mientras que tiene un rango de voltaje de suministro de solo 2 voltios hasta 15 voltios, que es un rango muy impresionante. Otra versión es ILC555N con un rango de voltaje de 2 a 18 voltios. La combinación de uno de esos chips con un relé de enclavamiento produce un circuito muy simple ya que el circuito del cronómetro 555 es excepcionalmente simple:



El condensador utilizado debe ser de alta calidad con una fuga muy baja para obtener esta forma de onda que está encendida exactamente el mismo tiempo que está apagada. Esto es importante si queremos que los dos paquetes de baterías reciban la misma cantidad de tiempo alimentando la carga que el tiempo que reciben al recargarse.

Una debilidad del temporizador de chip 555 desde nuestro punto de vista es que tiene solo una salida, mientras que necesitamos dos salidas, una de ellas cayendo cuando la otra se eleva. Eso se puede arreglar agregando un transistor y un par de resistencias como esta:



Con este circuito, cuando el pin 3 del chip 555 pasa a nivel bajo, el condensador que lo conecta al pin 2 del relé tira de ese pin 2 y causa que el relé cambie de estado cuando el pin 15 del relé está conectado a + 5V, causando un corriente a través de la bobina cuando el condensador se carga. Unos momentos más tarde, cuando el condensador se haya cargado, la corriente se reduce a cero. Cinco minutos más tarde, el pin 3 vuelve a ponerse alto y eso enciende el transistor, haciendo que su voltaje de colector caiga rápidamente a casi cero. Eso tira del pin 1 del relé hacia abajo causando que cambie de estado antes de que el capacitor tenga la oportunidad de cargarse.

Esto está bien si los condensadores que se muestran en azul son de mala calidad y su carga se desvanece en un período de cinco minutos. Hoy en día, incluso los condensadores baratos son en general de una calidad demasiado buena como para permitir que eso suceda, por lo que debemos conectar una resistencia a través del condensador para crear esa caída en la carga. Pero esa resistencia adicional está conectada continuamente, por lo que debe ser de un valor lo suficientemente alto como para no desperdiciar ninguna corriente significativa; tal vez 18K sería una opción razonable. Una resistencia de 18K con cinco voltios atrae solo 0.278 de un miliamperio de corriente.

Los circuitos Joule Thief no necesitan nada como 70 miliamperios de corriente de entrada si van a cargar bien la batería. En consecuencia, podemos utilizar dos o tres circuitos Joule Thief, todos alimentados por la corriente que fluye a través de los LED de iluminación. Si el circuito va a ser utilizado por alguien que no entiende cómo funciona, entonces valdría la pena agregar un circuito de detección de voltaje de la batería que apague el sistema de carga cuando las baterías estén completamente cargadas, ya que el sistema puede dejarse sin usar durante varios días. si el dueño está fuera de casa

El temporizador que se muestra aquí debe tener una relación de Encendido / Apagado perfectamente coincidente y con una salida que cae a cero al inicio de los períodos de encendido y apagado. El condensador es cualquier condensador grande ya que simplemente alisa la transición de un conjunto de baterías al otro conjunto de baterías.



O bien :



Este circuito aún está en desarrollo y, por lo tanto, las cifras de rendimiento real aún no se han informado. El "Temporizador" tiene que ser de muy bajo consumo eléctrico y tener dos salidas separadas programadas con cinco minutos de diferencia. Los dos períodos cronometrados deben ser exactamente iguales, de lo contrario, un paquete de baterías puede estar menos cargado que el otro, aunque eso no debería ser un problema importante.

Aquí hay un diseño físico para un diseño de tres Joule Thief, usando una pieza de striptease de 125 x 35 mm, que es una pieza que tiene catorce tiras de cobre, cada tira tiene cuarenta y nueve agujeros. ¿Por qué ese tamaño extraño? Porque una pieza de ese tamaño estaba disponible como un recorte cuando se estaba construyendo el prototipo. El diseño del prototipo es así:





Los puntos rojos en el diseño físico sugerido indican lugares donde la tira de cobre en la parte inferior del tablero está rota.



Patrick Kelly
www.free-energy-info.co.uk
www.free-energy-info.com
www.free-energy-info.tuks.nl
www.free-energy-devices.com


闽ICP备2022006709号