Un Guide Pratique à Auteur des Appareils Libre D'énergie: Patrick J. Kelly

Le chapitre 6: Pulsation Chargement Batterie Systèmes

Remarque:   Si vous n'êtes pas du tout familier avec l'électronique de base, vous trouverez peut-être plus facile à comprendre ce chapitre si vous lisez le chapitre 12 en premier.

Il est possible de tirer des quantités substantielles d'énergie à partir de l'environnement local et utiliser cette énergie pour recharger les batteries. Non seulement cela, mais quand cette méthode de charge est utilisé, les batteries progressivement se conditionnés à cette forme d'énergie non conventionnelles et de leur capacité à faire le travail augmente. En outre, environ 50% des batteries de véhicules abandonnés comme étant incapables de tenir leur charge plus longtemps, va répondre à ce type de charge et de relancer pleinement. Cela signifie que la banque de la batterie peut être créé à très faible coût.

Cependant, alors que cet angle économique est très attrayant, l'utilisation de batteries pour toute demande d'accueil importante est tout simplement pas pratique. Si vous configurez un nouveau compte bancaire et dépôt de £1000 en elle, et quand vous revenez de vérifier sur elle quelques jours plus tard, vous découvrirez qu'il ya seulement £500 en elle. Vous demandez à la banque de vérifier cette erreur et ils vous informer qu'il n'y a pas d'erreur, toutes les banques reviennent seulement la moitié de ce qui est déposé dans un compte. Que penseriez-vous de cela? Mais, qui est exactement ce qu'est une batterie au plomb fait pour vous - il ne retourne la moitié du courant qui vous nourrissez en elle lors de la charge. En d'autres termes, vous perdez la moitié de la puissance que vous introduisez dans une batterie de voiture. NiCd et les batteries NiMh plus populaires reviennent deux tiers de ce qui est alimenté en eux. Condensateurs et les banques de super-condensateurs sont efficaces à 100% et ne perdent rien que contrairement aux batteries, elles ne sont pas un procédé chimique.

Les coûts principaux de courir une maison sont ceci de chauffer/rafraîchir les lieux et opérer le matériel comme une machine à laver. Ces articles ont une capacité de la charge minimum de seulement plus de 2 kW. Il ne fait aucune différence à l'exigence du pouvoir si vous utilisez un 12 volt, 24 volt ou banque de la batterie de 48 volts. Peu importe quel arrangement est choisi, le nombre de batteries eu besoin de fournir toute exigence du pouvoir donné est le même. Les plus hautes banques du voltage peuvent avoir le plus petit diamètre qui installe comme le courant est inférieur, mais l'exigence du pouvoir reste le même.

Donc, fournir une charge du 2 kW le pouvoir, exige un courant total de batteries de 12 volts de 2000 / 12 = 167 ampères. Les utilisant 80 batteries AHr c'est 42 batteries. Malheureusement, les circuits du chargement ont décrit dessous, ne chargera pas une batterie qui propulse une charge. Cela veut dire que pour une exigence comme chauffage qui est un jour et exigence de la nuit là a besoin d'être deux de ceux-ci banques de la batterie qui nous emmènent à 84 batteries. C'est pour un 2 kW charger minime seulement qui moyens qui si cela est utilisé pour chauffer, ce n'est pas possible d'opérer la machine à laver à moins que le chauffage soit éteint. Donc, tenir compte de quelque chargement supplémentaire comme ceci, les portées du compte de la batterie, peut-être, 126. Ignorer le coût, et supposer que vous pouvez trouver quelque façon de surmonter le problème acide, le volume physique absolu de ce nombre de batteries n'est pas juste réaliste pour installation domestique et usage. Dans passer, vous auriez besoin aussi de deux inverters avec un 2.5 kW qui opère la capacité

Cela apporte la valeur d'appareils à maison comme le Shenhe Wang 5 kW générateur du moteur de l'aimant permanent qui est compact et n'exige pas qu'aucun combustible ou batteries opèrent. Cependant, les battu charger des systèmes est important comme ils nous montrent des traits du champ d'énergie local et comment le tapoter.

John Bedini a conçu une série entière de circuits du pulsation - générateur, tout ont basé sur le 1:1 composant de la bobine du starter multi - rivage divulgué dans ses USA 6,545,444 brevetés.



Le Système Échangeant de Roger Andrews.
L'arrangement échangeant très net utilisé par John est montré en détail dans les plus premiers Etats-Unis brevetés 3,783,550 publié en 1974 où le même pouls d'électro-aimant promouvant déclenché d'aimant est utilisé au pouvoir une série entière de mouvements. Un d'entre ceux-ci est deux toupies magnétiques faites pour tourner dans un plat peu profond :


Quand les toupies tournent vite, ils montent en haut la base descendant en pente du plat et du tour près du bord extérieur. Quand ils ralentissent ils se retirent vers le centre du plat et cela déclenche la batterie/transistor/électro-aimant introduite dans la base du plat. Le pouls de l'électro-aimant promeut le tour du haut, en l'envoyant appuie la pente. C'est un arrangement très net comme le transistor est de la plupart du temps et encore les deux hauts continuent à tourner.

Un autre des systèmes de Roger est montré ici :


Il opère de presque la même façon, avec une roue magnétique roulant à reculons et en avant le long des empreintes courbées. Au point le plus bas, l'électro-aimant est déclenché par le voltage incité dans certains des tours du rouleau, en branchant le transistor et en promouvant le rouleau magnétique sur c'est la voie.

Un Autre artifice Andrews est le pendule où l'aimant passager du pendule déclenche un pouls promouvant du solénoïde, en gardant le balancement de pendule. John Bedini a aussi utilisé ce mécanisme d'une batterie circulée le système chargeant et Veljko Milkovic ont démontré que le pouvoir mécanique substantiel peut être extrait d'un levier qui est actionné par un pendule.


Andrews montre aussi un arrangement échangeant sur un moteur. Ce design est essentiellement le même comme utilisé par John Bedini dans beaucoup de ses systèmes circulant :


Ici, comme l'aimant de rotor passe l'électro-aimant courbé dans la base, il allume les deux transistors qui produisent un pouls qui garde le rotor tournant et le tournant de générateur très petit. Andrews l'a produit pour l'amusement comme le rotor a l'air de tourner sur c'est propre sans n'importe quel pouvoir de trajet.

Comme avec le système Andrews, le rotor Bedini est commencé en tournant à la main. Comme un aimant passe la blessure triple “tri-filar” bobine, il induit un voltage dans tous les trois windings de la bobine. L'aimant sur le rotor contribue l'énergie au circuit efficacement comme il passe la bobine. Un alimentations sinueuses un courant à la base du transistor par la résistance ‘R '. Cela allume le transistor dur, conduire une pulsation courante forte de la batterie à travers le deuxième bobine enrouler, créer un ‘perche ' Nord au sommet de la bobine, pistonner le rotor sur son chemin. Comme seulement un changeant champ aimanté produisez un voltage dans un bobine enrouler, le courant du transistor stable à travers bobine deux est incapable de soutenir le transistor bas courant à travers bobine un et le transistor éteint encore.

La coupure du courant à travers la bobine cause le voltage à travers les bobines de dépasser par un montant majeur, déplacer à l'extérieur du rail de la batterie par un voltage sérieux. La diode protège le transistor en prévenant le bas voltage qui est pris en dessous -0.7 volts. La troisième bobine, montrée sur la gauche, pioches en haut toutes ces pulsations et les rectifie par un pont de 1000V diodes estimées. Le résultant battre le courant DC est passé au condensateur qui est on d'un appareil-photo jetable comme ceux-ci est construit pour les hauts voltages et les décharges très rapides. Le voltage sur le condensateur développe rapidement et après plusieurs pulsations, l'énergie entreposée dans lui est déchargée dans le “Charger” batterie par les contacts du changement mécaniques. La bande de la promenade à la roue avec la came sur lui, fournit un engrenage mécanique vers le bas afin qu'il y a plusieurs pulsations du chargement entre fermetures consécutives des contacts. Les trois windings de la bobine sont placés sur la bobine en même temps et comprennent 450 tours des trois fils (marque les fins initiales avant d'enrouler la bobine).

L'opération de cet appareil est un peu exceptionnelle. Le rotor a commencé fermé à la main et il gagne la vitesse progressivement jusqu'à ce que son taux maximal soit atteint. Le montant d'énergie passé au windings de la bobine à côté de chaque aimant sur le rotor reste le même, mais le plus rapide le rotor déplace, le plus court l'intervalle de temps dans que l'énergie est transférée. L'entrée d'énergie par seconde, a reçu des aimants permanents, augmentations avec la vitesse augmentée.

Si la rotation est assez rapide, les changements de l'opération. Jusqu'à maintenant, le courant pris du ‘que la batterie ' Impérieuse a augmenté avec la vitesse croissante, mais maintenant les débuts courants impérieux laisser tomber bien que la vitesse continue à augmenter. La raison pour ceci est que la vitesse augmentée a causé l'aimant permanent de déplacer devant la bobine avant la bobine a battu. Cela veut dire que la pulsation de la bobine ne doit plus pousser contre le ‘' Nord font face de l'aimant, mais au lieu il attire le ‘perche ' Du sud du prochain aimant sur le rotor qui garde le rotor qui va et augmente l'effet aimanté de la pulsation de la bobine. John états que l'efficacité mécanique de ces appareils est toujours en dessous 100% effectif, mais ayant dit que, c'est possible d'obtenir des résultats de COP = 11. Beaucoup de gens qui ne construisent jamais ces appareils réussissent à obtenir COP>1.

C'est important qu'un principaux standards ont propulsé le chargeur de la batterie n'est jamais utilisé pour charger ces batteries. C'est clair que le ‘l'électricité froide que ' a produit par un appareil Bedini correctement réglé est substantiellement différente à électricité normale bien qu'ils les deux peuvent exécuter les mêmes tâches quand propulser le matériel électrique. Quand commencer à charger une batterie rôle principal - acide avec énergie radiante pour la première fois, il est recommandé que la batterie est déchargée à au moins 1.7 volts par cellule qui est approximativement 10 volts pour une batterie de 12 volts en premier.

C'est important d'utiliser les transistors spécifié dans en des diagrammes de John, plutôt que transistors qui sont inscrits comme équivalents. Beaucoup des dessins utilise les nommé mal “résistance négative” caractéristiques de transistors. Ces semi-conducteurs n'exposent pas toute forme de résistance négative, mais au lieu, l'exposition a réduit la résistance positive avec courant croissant, sur partie de leur gamme du fonctionnement.

Il a été dit que l'usage de “Litz” le fil peut augmenter la production de cet appareil par n'importe quoi jusqu'à 300%. Le fil Litz est la technique de prendre trois ou plus de rivages de fil et les tordre ensemble. Cela est fait avec les fils étirés dehors côte à côte, en prenant une longueur de dites, trois pieds, et tourner le mi point du paquet de fils pour plusieurs tours dans une direction. Cela produit des torsions pour demi la longueur comme les aiguilles d'une montre et dans le sens inverse des aiguilles d'une montre torsions pour le reste de la longueur. Fait sur une longue longueur de fil, les fils sont tordus à maintes reprises comme les aiguilles d'une montre - contrecarrez comme les aiguilles d'une montre - comme les aiguilles d'une montre - contrecarrez comme les aiguilles d'une montre -... le long de leur longueur entière. Les fins des fils sont clarifiées de leur isolement alors et ont soudé pour faire un trois rivage câble ensemble, et le câble est utilisé pour enrouler les bobines alors. Ce style d'enrouler modifie les propriétés aimantées et électriques du windings. Il a été dit que prendre trois longs rivages de fil et les tordre dans une direction pour faire ensemble juste un long a tordu trois rivage câble est aussi efficace qu'utiliser le fil Litz presque. Le websites ici ou ici.

Un website qui montre des images des appareils de John est: ici.

La PRUDENCE:   le Soin doit être pris quand travailler avec les batteries, batteries surtout rôle principal - acides. Une batterie chargée contient un grand montant d'énergie et court-circuiter les terminaux causera un très grand courant du courant qui peut commencer un feu. Quand être chargé, quelques batteries émettent du gaz de l'hydrogène qui quand mélangé avec l'air est très dangereux et lequel pourrait exploser si a allumé par une étincelle. Les batteries peuvent exploser les and/or attrapent feu si grossièrement a surchargé ou a chargé avec un excessivement grand courant, donc il pourrait y avoir le danger de voler morceaux de la boîte et peut-être acide qui est jeté autour de. Même une batterie rôle principal - acide apparemment propre peut avoir des traces caustiques sur le cas, donc vous devriez être sûr de laver vos mains après avoir manié une batterie entièrement. Les batteries avec les terminaux du rôle principal ont tendance à répandre des petits fragments de rôle principal quand les pinces sont mises sur eux. Le rôle principal est toxique, si s'il vous plaît soyez sûr de laver vos mains après avoir manié toute partie d'une batterie rôle principal - acide. Souvenez-vous aussi que quelques batteries peuvent développer si s'il vous plaît les fuites légères protègent contre toute fuite. Si vous décidez d'exécuter toutes expériences qui utilisent des batteries que vous faites à votre propre risque si tout à fait et sur votre propre responsabilité. Cela mis de documents est présenté pour les buts des renseignements seulement et vous n'êtes pas encouragés à faire n'importe quoi autre que lisez les renseignements.

Aussi, si vous obtenez un des moteurs de la pulsation de John réglé correctement, il accélérera à peut-être 10,000 tr/min. C'est grand pour ramasser l'énergie mais si les aimants céramiques sont utilisés, la vitesse peut les causer de désagréger et voler dans toutes les directions. Les gens ont eu des fragments de l'aimant enfoncés dans leur plafond. Ce serait sage de construire un logement qui joint le rotor et aimants afin que si les aimants désagrégent, tous les fragments sont contenus sans risque.

Ronald Knight a beaucoup d'années d'expérience professionnelle dans manier des batteries et dans pulsation - chargeant ils. Il fait des remarques sur sécurité de la batterie comme suit:

Je n'ai personne entendu parler d'avoir un échec catastrophique d'un cas de la batterie dans tous les groupes d'énergie à que j'appartiens et la plupart d'eux utilisent des batteries dans les plusieurs systèmes que j'étudie. Cependant, cela ne veut pas dire qu'il ne peut pas se passer. La raison la plus commune pour échec catastrophique dans le cas d'une batterie rôle principal - acide, décrit un arc, causer l'échec dans les grilles qui se sont assemblées à l'intérieur de la batterie pour créer les cellules de la batterie ensemble. Tout amorçage interne causera une construction rapide au-dessus de pression de gaz de l'Hydrogène en expansion, résulter en un échec catastrophique du cas de la batterie.

Je suis ingénieur de l'entretien précédent pour les batteries Américaines, donc je peux dire avec confiance, que quand vous recevez une nouvelle batterie d'au moins ce fabricant, vous recevez une batterie qui a subi la meilleure épreuve disponible à s'assurer le fabricant qu'il ne vend pas rebut qui sera envoyé arrière à lui. C'est une épreuve relativement facile, et comme il a lieu pendant la charge initiale, il n'y a pas de temps gaspillé ni est une batterie qui s'échappe du laissez-passer ou échec épreuve là. La batterie est chargée avec le courant maximal absolu qu'il peut prendre. Si la batterie n'explose pas dû à amorçage interne pendant la charge initiale c'est très possible qu'il n'explose pas sous l'usage régulier pour qu'il a été conçu. Cependant, tous les paris sont fermé avec batteries usagées qui sont allées au-delà leur vie attendue.

J'ai témoigné des plusieurs échecs catastrophiques de cas de la batterie journalier à travail. J'ai été droit debout à côté de batteries (dans 12 pouces) quand ils explosent (c'est comme un .45 pistolet ACP départ rond fermé) et a été fait sursauter seulement et changé mon sous short et Tyvek sautez le costume, et lavez mes bottes du caoutchouc. J'ai été dans la pièce de la charge avec plusieurs cent batteries placées très attentivement ensemble à la fois et ai vu des batteries exploser presque chaque jour actif et j'en ai jamais vu côte à côte deux coup, ni j'ai jamais vu un feu ou tout éclat endommager au cas ou région environnante en conséquence. J'ai jamais vu même un éclat mais ce que j'ai vu me dit c'est sage de porter toujours la protection de l'oeil quand charger.

J'ai mes nouvelles cellules du gel dans un sacs de la sifflement - serrure plastiques lourds ouverts en partie quand dans la maison et dans une boîte de la batterie marine dehors dans le garage qui est dans la chance éloignée d'échec catastrophique ou l'événement plus possible d'acide du cas de la batterie juste à l'extérieur.

Les batteries déchargées sont toujours un risque de renversement qui est leur hasard le plus commun, ils devraient être toujours dans un carton ligné plastique ou boîte du plastique avec les côtés plus grand que la batterie et aucuns trous dans lui. Vous seriez surprises à comme loin j'ai trouvé de l'acide autour d'un rôle principal déchargé batterie acide sous charge.

Ayez un plan de l'urgence, gardez une boîte de bicarbonate de soude et une source de l'eau se neutraliser et faire partir l'acide en cas de renversement autour. C'est meilleur d'avoir du plastique sous et autour où que vos batteries rôle principal - acides sont localisées.

Ronald Knight obtient plus de pouvoir à approximativement quinze fois de ses batteries Bedini - Chargées qu'est sorti du côté impérieux du circuit. Il accentue que cela ne se passe pas immédiatement, comme les batteries qui sont chargées doivent être “a conditionné” par cycles répétés de charger et décharger. Quand cela est fait, la capacité des batteries qui sont chargées des augmentations. De façon intéressante, le taux d'attraction courante sur le côté impérieux du circuit n'est pas augmenté si l'existence de la banque de la batterie chargée est augmentée dans capacité. C'est parce que le pouvoir qui charge les courants des batteries de l'environnement et pas de la batterie impérieuse. La batterie impérieuse produit juste le haut voltage cloue qui déclenche le courant d'énergie de l'environnement, et comme une conséquence de que l'existence de la banque de la batterie chargée peut être un plus haut voltage que la batterie impérieuse de 12 volts, et il peut y avoir tout nombre de batteries dans la banque du chargement.



Le Chargeur de Ron Pugh.   Les dessins de John Bedini ont été expérimentés avec et développés par plusieurs enthousiastes. Cela dans aucun chemin enlève de fait que le système entier et concepts viennent de John et je devrais aimer exprimer mon sincère grâce à John pour son partage le plus généreux de ses systèmes. Les remerciements sont aussi dûs à Ron Pugh qui a consenti pour les détails d'un de ses générateurs Bedini être présenté ici avec bonté. Laissez-moi accentuer encore, que si vous décidez de construire et utiliser un de ces appareils, vous faites à votre propre risque et aucune responsabilité pour vos restes des actions avec John Bedini si tout à fait, Ron Pugh ou n'importe qui autrement. Laissez-moi accentuer encore que ce document est fourni pour les buts des renseignements seulement et n'est pas une recommandation ou encouragement pour vous pour construire un appareil semblable.

L'appareil de Ron est beaucoup plus puissant que le système moyen, en ayant quinze windings de la bobine et il exécute le plus solennellement. Est une image ici de lui tourner à haute vitesse:



Ce n'est pas un jouet. Il tire courant considérable et produits alimentaires taux du chargement substantiels. C'est comme Ron a choisi de construire son appareil. Le rotor est construit de disques de l'aluminium qui étaient donner mais il aurait choisi l'aluminium pour le rotor si commencer comme son expérience à partir de zéro indique que c'est une matière très convenable pour le rotor. Le rotor a six aimants insérés dans lui. Ceux-ci sont espacés 60 degrés avec les perches Nord tous les extérieurs du revers également séparément.

Les aimants sont des types céramiques normaux approximativement 22 mm les 47 mm larges désirent ardemment et 10 mm haut. Ron utilise deux de ceux-ci dans chacun de ses six fentes du rotor. Il a acheté plusieurs de rechange et alors a noté tout d'eux dans ordre de leur force aimantée qui varie un morceau d'aimant à aimant. Ron a fait ce triage qui utilise un mètre du gauss. Une méthode alternative aurait été utiliser un trombone approximativement 30 mm dans dimension et mesurer la distance à qu'une fin de la pince commence à se lever fermé la table comme l'aimant juste est déplacé vers lui:



Ayant noté les aimants dans ordre de force, Ron a pris le meilleur douze alors et les a mis deux par deux, en plaçant le plus faible et plus fort ensemble, le deuxième plus faible et le deuxième plus fort, et ainsi de suite. Cela a produit six paires qui ont égaler des forces aimantées assez attentivement. Les paires d'aimants ont été collées dans place dans le rotor qui utilise colle super alors:



Ce n'est pas désirable d'encastrer les aimants pourtant c'est possible de placer une couche restrictive autour de la circonférence du rotor comme la liquidation entre l'aimant fait face et les bobines sont au sujet d'un quart d'un pouce (6 mm) quand a ajusté pour performance optimum. Les perches Nord des aimants font face à extérieurs comme montré dans le diagramme au-dessus. Si a désiré, l'attachement des aimants peut être fortifié par l'addition de plaques du côté vierges au rotor qui autorise l'aimant qui colle pour être rendu effectif sur cinq des six visages des paires de l'aimant:



Les aimants enfoncés dans le bord externe du rotor sont agis sur par blessure “bobines” quel acte comme 1:1 transformateurs, électro-aimant, et bobines du ramassage. Il y a trois de ceux-ci “bobines”, chaque existence au sujet de 3 pouces long et a blessé avec cinq rivages de #19 AWG (20 SWG) fil. Les fondateurs de la bobine ont été faits de pipe du plastique de 7/8 pouce (22 mm) diamètre externe que Ron a foré dehors à un diamètre intérieur de 3/4 pouce (19 mm) lequel donne une épaisseur du mur de 1/16 pouce (1.5 mm). Les morceaux de la fin pour les fondateurs de la bobine ont été faits de 1/8 pouce (3 mm) PVC qui a été arrangé au tube plastique qui utilise des plombiers colle PVC. Le bobine enrouler était avec les cinq fils tordus autour de l'un l'autre. Cela a été fait en serrant les fins des cinq fils à chaque fin pour former un paquet long de 120 pieds ensemble.

Le paquet de fils a été étiré dehors alors et est resté clair de la terre en le traversant des ouvertures dans un ensemble de chaises de patio. Une foreuse batterie - propulsée a été attachée à une fin et a opéré jusqu'aux fils a été tordu vaguement ensemble. Cela a tendance à tordre les fins des fils à une plus grande ampleur près la fin du paquet ensemble plutôt que le milieu. Donc la procédure a été répétée, en tordant l'autre fin du paquet. Il vaut de la qui remarque dans passer, que la foreuse tourne dans la même direction à chaque fin pour garder les torsions tout dans la même direction. Le paquet tordu de fils est rassemblé sur une bobine de grand diamètre et alors a utilisé pour en enrouler un du “bobines”.



Les bobines sont enroulées avec les plaques de la fin attachées et ont foré prêt à visser à leur 1/4 pouce (6 mm) PVC base qui est les verrouillé au 3/4 pouce (18 mm) MDF structure secondaire. Pour aider l'enrouler pour rester complètement égal, un morceau de papier est placé sur chaque couche de l'enrouler:




Les trois bobines produites dans ce chemin ont été attachées à la surface principale de l'appareil alors. Là pu de même qu'a été six bobines facilement. Le positionnement est fait donc comme créer un intervalle réglable d'approximativement 1/4 pouce (6 mm) entre les bobines et les aimants du rotor pour trouver la place optimum pour interaction aimantée. Les effets aimantés sont magnifiés par la matière du coeur des bobines. Cela est fait de longueurs d'oxyacetylene qui soude fil qui est cuivre enduites. Le fil est coupé pour classer selon la grosseur et couvert avec la gomme-laque claire prévenir la perte d'énergie à travers courants du remous qui circulent à l'intérieur du coeur.

Les bobines sont placées à intervalles égaux autour du rotor et donc est 120 degrés séparément. Les morceaux de la fin des fondateurs de la bobine sont verrouillés à un 1/4 pouce (6 mm) PVC basse plaque qui a emboîté des trous de l'installation qui permettent à l'intervalle aimanté d'être ajusté comme montré ici:




Les trois bobines ont un total de quinze windings identiques. Un enrouler est utilisé pour sentir quand un aimant du rotor arrive à les bobines pendant sa rotation. Cela veut, bien sûr passez-vous six fois pour chaque révolution du rotor comme là est six aimants dans le rotor. Quand le gâchette enrouler est activé par l'aimant, l'électronique propulse en haut tout du restant quatorze bobines avec un très tranchant, pulsation qui a un très court temps de la montée et un très court temps de la chute. La finesse et brièveté de cette pulsation sont un facteur critique dans sortir l'énergie en excès dans de l'environnement et seront expliquées dans plus grand détail plus tard. L'ensemble de circuits électronique est monté sur trois éviers de la chaleur de l'aluminium, chacun approximativement 100 carré du mm. Deux de ceux-ci ont cinq BD243C transistors NPN verrouillés à eux et le troisième on a quatre transistors BD243C montés sur lui.

Le métal qui monte plaque des BD243 transistors actes comme son évier de la chaleur qui est pourquoi ils sont tout verrouillés à la grande plaque de l'aluminium. Les transistors BD243C ressemblent à ce:



Le circuit a été construit sur les panneaux de l'aluminium afin que les transistors peuvent être verrouillés sur à lui directement, et à condition avec séparer des bandes monté sur lui pour éviter des courts-circuits aux autres composants. Les blocs du connecteur de la bande standards ont été utilisés pour enterrer connectez les comités qui ressemblent à ce:




Le circuit utilisé avec cet appareil est simple mais comme là tant de composants impliqués sont, le diagramme est fendu dans parties pour aller parfaitement sur la page. Ces parties sont montrées ici:











Pendant que cela regarde comme un assez grand et a compliqué le circuit, ce n'est pas réellement. Vous remarquerez qu'il y a quatorze sections du circuit identiques. Chacun de ceux-ci est assez simple:



C'est un circuit du transistor très simple. Quand la ligne de la gâchette va positif (conduit par l'aimant qui passe la bobine) le transistor est allumé dur, en propulsant la bobine qui est connectée à travers la batterie impérieuse alors efficacement. La pulsation de la gâchette est assez courte, donc le transistor éteint presque immédiatement. C'est le point que l'opération du circuit atteint subtil. Les caractéristiques de la bobine sont telles que cette brusquement propulsant pulsation et cause de l'arrêt soudaine le voltage à travers la bobine augmenter très rapidement, traîner le voltage sur le collecteur du transistor jusqu'à plusieurs cent volts. Heureusement, cet effet est d'énergie tiré de l'environnement qui est de l'électricité conventionnelle tout à fait différente, et avec reconnaissance, une bonne affaire peu endommageant au transistor. Cette montée dans le voltage, efficacement “tours sur” l'ensemble de trois 1N4007 diodes qui conduisent alors fortement, en nourrissant cette énergie libre en excès dans la batterie du chargement. Ron utilise trois diodes dans parallèle comme ils ont une meilleure capacité du courant - transport et caractéristiques thermiques qu'une diode seule. C'est un usage et tout nombre de diodes peuvent être placés dans parallèle, avec quelquefois comme beaucoup comme dix être utilisé.

L'autre partie seule du circuit est la section qui produit le signal de la gâchette:



Quand un aimant passe la bobine qui contient le gâchette enrouler, il produit un voltage dans l'enrouler. L'intensité du signal de la gâchette est contrôlée en le traversant un véhicule ordinaire 6 watt, ampoule de 12 volts et limiter le courant en le faisant plus loin alors traverse une résistance. Pour autoriser quelque contrôle manuel du niveau du signal de la gâchette, la résistance est divisée en une résistance fixe et une résistance variable (lequel beaucoup de gens aiment appeler un “pot”). Cette résistance variable et l'ajustement de l'intervalle entre les bobines et le rotor sont les ajustements seuls de l'appareil. L'ampoule a plus qu'une fonction. Quand le réglage est correct, l'ampoule luira faiblement laquelle est une indication très utile de l'opération. Le circuit de la gâchette nourrit chacun des bases du transistor par leurs 470 résistances de l'ohm alors.

John Bedini vise pour un même mise en oeuvre plus puissante, installer son circuit avec AWG #18 (19 SWG) fil du cuivre résistant et utilisant transistors MJL21194 et 1N5408 diodes. Il augmente la promenade de la gâchette en laissant tomber la résistance variable et réduisant résistance fixe à seulement 22 ohms. Le transistor MJL21194 a les mêmes rapports de l'épingle comme le transistor BD243C. C'est la section initiale du circuit de John:



Il y a des plusieurs façons de qui construisent ce circuit. Ron montre deux méthodes différentes. Le premier est montré au-dessus et est utilisé le paxolin démonte (a imprimé circuit comité matière) au-dessus de l'évier de la chaleur de l'aluminium monter les composants. Une autre méthode qui est facile de voir, utilise des fils du cuivre épais tenus clair de l'aluminium, fournir une installation propre et solide pour les composants comme montré ici:




C'est important de se rendre compte que le collecteur d'un transistor BD243C est connecté à la plaque du chaleur - évier utilisée pour l'installation physique du transistor intérieurement. Comme le circuit n'a pas les collecteurs de ces transistors connectés ensemble électriquement, ils ne peuvent pas être verrouillés à une plaque du chaleur - évier seule juste. L'image précitée peut donner l'impression mal comme il ne montre pas clairement que le métal verrouille l'attache les transistors dans place n'allez pas dans la plaque de l'aluminium directement, mais au lieu, ils attachent dans plastique tee - fou.

Une alternative, fréquemment utilisée par les entrepreneurs de circuits électroniques de haute puissance, est utiliser des machines à laver du mica entre le transistor et les heatsink communs plaquent, et utilise des verrous de l'attache plastiques ou le métal verrouille avec un séparant col plastique entre l'attache et la plaque. Le mica a la propriété très utile de conduire très bien la chaleur mais ne conduire pas électricité. Le mica “machines à laver” façonné au paquet du transistor est disponible des fournisseurs des transistors. Dans cet exemple, il paraît clair cette dissipation de la chaleur n'est pas un problème dans ce circuit qui dans un chemin sera attendu comme le d'énergie être sorti de l'environnement est fréquemment appelé “froid” électricité comme il se refroidit des composants avec courant croissant en les réchauffant comme électricité conventionnelle fait.

Ce comité du circuit particulier est monté à l'arrière de l'unité:



Bien que le diagramme du circuit montre une provision de la promenade de douze volts qui est un voltage de la provision très commun quelquefois Ron propulse son appareil avec un principaux a opéré Unité de la Provision du Pouvoir qui montre une entrée du pouvoir d'un 43 watts assez insignifiants. Il devrait être noté que cet appareil opère en tirant dans pouvoir supplémentaire de l'environnement. Ce dessin dans de pouvoir est interrompu si toute tentative est faite pour faire une boucle ce pouvoir de l'environnement sur lui-même en arrière ou conduire l'unité d'une autre batterie directement a chargé par l'unité elle-même. Ce peut être juste possible de propulser l'unité d'une batterie précédemment chargée avec succès si un a inversé est utilisé pour convertir le pouvoir à AC et alors un pas en bas transformateur et a réglé le circuit de la rectification du pouvoir est utilisé. Comme l'entrée du pouvoir est ainsi la très basse, fermé - grille opération devrait être possible avec une batterie et un panneau solaire facilement.

Ce n'est pas possible d'opérer une charge fermé la batterie sous charge pendant le processus du chargement comme ceci interrompt le courant d'énergie. Quelques-uns de ces circuits recommandent qu'une tringle de l'earthing longue de 4 pieds séparée soit utilisée à monde le côté négatif de la batterie impérieuse, mais pour dater, Ron n'a pas expérimenté avec ceci. Dans passer, c'est bon entraînement pour joindre toute batterie rôle principal - acide dans une boîte de la batterie. Les chandeliers marins peuvent fournir ceux-ci comme ils sont utilisés dans se promener en bateau des activités largement.

Quand couper les longueurs du fil pour enduire et pousser dans la bobine organise, Ron utilise une gigue pour assurer que toutes les longueurs sont identiques. Cet arrangement est montré ici:



La distance entre les cisailles et l'angle du métal serrés à l'établi fait chaque longueur de la coupe de fil la dimension exigée exactement pendant que le récipient plastique rassemble les morceaux de la coupe préparent pour enduire avec gomme-laque claire ou polyurethane clair vernissez avant usage dans les coeurs de la bobine.

L'expérience est particulièrement importante quand opérer un appareil de ce genre. Le 100 ohm la résistance variable devrait être un type de la fil - blessure comme il doit emporter le courant considérable. Initialement la résistance variable est mise à sa valeur minimum et le pouvoir a appliqué. Cela cause le rotor de commencer à déplacer. Comme le taux d'augmentations de la rotation, la résistance variable est augmentée progressivement et une vitesse maximale sera trouvée avec la résistance variable autour du milieu de sa gamme, c.-à-d. approximativement 50 résistance de l'ohm. Augmenter la résistance plus loin cause la vitesse de réduire.

Le prochain pas est tourner encore la résistance variable à sa place de la résistance minimum. Cela cause le rotor de laisser sa vitesse du maximum antérieure (approximativement 1,700 tr/min) et augmente encore la vitesse. Comme les débuts de la vitesse qui augmentent encore, la résistance variable est encore une fois tournée progressivement, en augmentant sa résistance. Cela élève la vitesse du rotor à approximativement 3,800 tr/min quand la résistance variable arrive à encore le mi point. C'est assez rapide pour les buts tout pratiques probablement, et même le déséquilibre le plus léger du rotor apparaît à cette vitesse, tout à fait d'une façon marquée. Aller tout plus rapide que cela exige un exceptionnellement haut niveau d'exactitude de construction. S'il vous plaît souvenez-vous que le rotor a un grand montant d'énergie entreposé dans lui à cette vitesse et donc est potentiellement très dangereux. Si le rotor casse ou un aimant se détache de lui, cela a entreposé l'énergie produira un projectile très dangereux. C'est pourquoi c'est recommandé, bien que ne montrât pas dans les photographies précitées, construire une clôture pour le rotor. Ce pourrait être un canal En U entre les bobines. Le canal attraperait alors et retient tous fragments si n'importe quoi devrait casser dégagé.

Si vous étiez mesurer le courant pendant ce processus de l'ajustement, il serait vu pour réduire comme les vitesses du rotor au-dessus. Cela regarde comme si l'efficacité de l'appareil augmente. Ce peut être donc, mais ce n'est pas une bonne chose dans ce cas où l'objectif est produire chargement de l'énergie radiant de la banque de la batterie nécessairement. John Bedini a montré que le chargement sérieux a lieu quand l'attraction courante de l'appareil est 3 à 5+ ampères à vitesse du rotor maximale et pas une 50 attraction MON avare qui peut être accomplie mais qui ne produira pas bon chargement. Le pouvoir peut être augmenté en élevant le voltage de l'entrée à 24 volts ou même plus haut - John Bedini opère à 48 volts plutôt que 12 volts

L'appareil peut être réglé en l'arrêter et ajuster l'intervalle entre les bobines et le rotor et répétant le début en haut procédure alors plus en outre. L'ajustement optimum est où la dernière vitesse du rotor est la plus haute.

Le texte précité est projeté de donner une introduction pratique à une des inventions de John Bedini. Il paraît à propos que quelque tentative à une explication de ce qui se passe, devrait être avancé à ce point. Dans le livre le plus instructif “Energy From The Vacuum - Concepts et Principes” par Tom Bearden (ISBN 0-9725146-0-0) une explication de ce type de système est avancée. Pendant que la description paraît être visé le système du moteur de John qui a couru pour trois années de façon continue principalement, en propulsant une charge et le rechargeant sont propre batterie, la description paraîtrait appliquer à ce système aussi. J'essaierai de le résumer ici:

La théorie électrique conventionnelle ne va pas assez lointain quand négocier avec les batteries du lead/acid dans les circuits électroniques. Les batteries l'avance-l'acide sont des appareils extrêmement non - linéaires et il y a une grande gamme de fabriquer des méthodes qui le rendent difficile de présenter une déclaration complète qui couvre chaque type en détail. Cependant, il y a au moins trois courants séparés qui coulent dans un circuit à batteries contrairement à croyance populaire, réellement:
  1. L'ion couler courant dans l'électrolyte entre les plaques à l'intérieur de la batterie. Ce courant ne laisse pas la batterie et entrer le circuit électronique externe.

  2. L'électron couler courant des plaques dehors dans le circuit externe.

  3. Courant courant de l'environnement qui passe le long de l'ensemble de circuits externe et dans la batterie.
Les processus chimiques exacts à l'intérieur de la batterie sont assez complexes et impliquent des courants supplémentaires qui ne sont pas pertinent ici. Le courant courant de l'environnement suit le courant de l'électron autour du circuit externe et sur dans la batterie. C'est “froid” électricité qui est assez différent à électricité conventionnelle et ce peut être beaucoup plus grand que le courant électrique standard a décrit dans les manuels scolaires conventionnels. Une batterie a la capacité illimitée pour ce genre d'énergie et quand il a un substantiel “froid” charge de l'électricité, il peut tremper en haut l'énergie conventionnelle d'un chargeur de la batterie standard pour une semaine ou plus, sans élever le voltage de la batterie à tout.

Un point important comprendre est que les ions en tête les plaques de la batterie ont beaucoup de plus grande inertie que les électrons font (plusieurs cent mille fois en fait). Par conséquent, si un électron et un ion sont les deux donné une poussée identique soudainement, l'électron accomplira le mouvement rapide beaucoup plus rapidement que l'ion veut. Il est supposé que le courant de l'électron externe est dans phase avec le courant de l'ion dans les plaques de la batterie, mais ce besoin n'est pas donc. John Bedini délibérément exploits la différence de vitesse en appliquant un augmenter potentiel aux plaques de la batterie très taillé fin.

Dans le premier instant, cela cause des électrons de s'entasser au-dessus sur les plaques pendant qu'ils attendent pour le beaucoup ions plus lourds obtenir déplacer. Ce tas en haut de poussées des électrons le voltage sur le terminal de la batterie augmenter à autant de 100 volts. Ce dans tour, causes l'énergie sortir dans le circuit en arrière aussi bien que dans la batterie, donner simultanément, pouvoir du circuit et niveaux sérieux de chargement de la batterie. Cela sur capacité cause aussi beaucoup a augmenté le courant du pouvoir de l'environnement dans le circuit, donner les deux à pouvoir augmenté pour conduire le circuit externe et pour augmenter le taux de charge de la batterie. La batterie demi du circuit est maintenant 180 degrés hors de phase avec le circuit - propulsant demi du circuit.

C'est important de comprendre que l'énergie de la circuit - conduite et l'énergie du batterie - chargement ne viennent pas des pulsations tranchantes appliquées à la batterie. Au lieu, les courants d'énergie supplémentaires dans de l'environnement, a déclenché par les pulsations produites par le circuit Bedini. En d'autres termes, le Bedini bat acte comme un robinet sur la source d'énergie externe et n'est pas eux-mêmes la source du pouvoir supplémentaire.

Si le circuit Bedini est ajusté correctement, la pulsation est coupée très taillé fin seulement avant l'afflux d'énergie tapoté va terminer. Cela a un plus loin rehaussant effet dû à la Lenz loi réaction qui cause un mouvement puissant du voltage provoqué qui peut prendre le sur - voltage potentiel à autant de 400 volts. Cela a un effet supplémentaire sur l'environnement local, en tirant dans un même plus haut niveau de pouvoir supplémentaire et étendre la période de temps pendant qui ces courants du pouvoir du supplément dans le circuit et la batterie. C'est pourquoi l'ajustement exact d'un Bedini qui bat système est si important.



Système d'Énergie Libre de Ossie Callanan.
En 2007, Ossie Callanan a publié un document montrant comment et pourquoi il devenait COP>1 recharge de la batterie. Système de Ron Pugh aimablement partagé en détail ci-dessus, avec un réglage soigneux et fonctionne sur 24 tension d'entrée et de sortie 24 volts fonctionne à COP>10, qui est susceptible d'être dû à l'habileté de Ron dans la construction et l'ajustement, qui sont tous deux très bon en effet, couplé avec l'utilisation de nombreux transistors fonctionnant en parallèle et triplé charge diodes pour améliorer leur performance. Le système d'impulsion charge John Bedini SSG est très facile à construire et fonctionne très bien, même avec de nombreuses batteries sulfatées qui ont été rejetées comme inutiles. Cependant, la plupart des gens ne vont pas obtenir performance COP>1 à partir de leur propre SSG construire. Ossie explique pourquoi c'est dans la section suivante, qui est son auteur. Il dit:

Je crois que je peux avoir ce système d'énergie rayonnante élaboré au point où n'importe qui peut construire et quand vous construisez tout cela, il peut vous fournir de l'énergie libre et continu. Il ya deux côtés à la circuit et avoir juste part et d'autre n'est pas bon, vous devez avoir les deux. Un côté est le côté d'impulsion chargeur, et l'autre est la batterie d'accumulateur et sur le côté du convertisseur. À l'heure actuelle, je suis batteries en charge à un niveau de performance entre COP=2 et COP=10 et échange de batteries n'est pas un problème.

Premièrement, nous devons mettre l'accent sur le côté du chargeur du système. Fondamentalement, vous devez construire un chargeur qui produit de grandes quantités d'énergie rayonnante sous la forme d'impulsions radiants. Des impulsions d'énergie rayonnante sont des impulsions de force contre-électromotrice à condition qu'ils aient des fronts montants très rapides et des fronts descendants, et se produisent à des fréquences élevées. Ils ne sont pas transistor transitoires ou transitoires de commutation! Un éclateur produit des impulsions d'énergie classiques radiants. Ce sont des événements chaotiques mais ils sont des événements d'énergie radiante néanmoins. Passage d'une bobine sur l'utilisation très rapidement un transistor va produire une impulsion d'énergie rayonnante de inverser-EMF de la bobine, mais une impulsion sur sa propre n'est pas bon. Vous devez milliers ou, mieux encore, des millions de ces impulsions pour eux d'être d'une quelconque utilité pratique.

École simplifié fille de John Bedini moteur (le "SGS") ne produit qu'une très petite quantité d'énergie rayonnante quand vous avez la base du transistor à l'écoute de sorte que vous obtenez la plus longue autonomie train d'impulsions oscillant à chaque passage de l'aimant. Il n'est pas très efficace car la diode base-serrage gaspille cette énergie, en la passant à travers le circuit résistance-ampoule base, mais ce circuit, il est nécessaire de sorte que vous pouvez synchroniser le fonctionnement et fournir une force motrice à l'aimant qui passe. Sans la diode base-serrage, vous obtenez un oscillateur et le moteur ne tourne pas - Catch 22. Mais encore, même lorsque l'on est avec la diode base-serrage en place, le train d'impulsions auto-oscillant est habituellement d'au plus 3 à 6 impulsions qui n'est pas beaucoup et donc, pas beaucoup d'énergie rayonnante est produite. Pour tous ces gens qui essaient de régler le moteur pour une seule impulsion à chaque passage de l'aimant, ils perdent leur temps et que la construction d'un moteur à impulsion et non un générateur d'énergie radiante efficace.

Le SSG n'est pas un générateur d'énergie de rayonnement très puissant ou bien et en plus d'être pédagogique, c'est vraiment une perte de temps à moins que quelqu'un peut vous expliquer comment régler cela pour obtenir la plus grande quantité possible d'énergie radiante de lui avec une impulsion longue former, et ensuite vous dire quoi faire avec cette énergie rayonnante. Le procédé d'utilisation d'une ampoule dans le circuit de base de l'alimentation de John Bedini est de maintenir le moteur réglé pour un nombre donné d'impulsions dans le train d'impulsions à chaque passage de l'aimant ou de la suite d'impulsions la plus longue lorsque le moteur augmente la vitesse, également, les changements d'impédance de la batterie la vitesse ainsi. La bobine à deux brins où une bobine est utilisée de même que le transistor de déclenchement, avec le gaspillage d'énergie dans le circuit de base, ajouter de l'inefficacité d'ensemble et rendre la construction plus difficile.

En disant que sur le SSG Je voudrais vous montrer maintenant un oscillateur à impulsions très simple et basique ou circuit de commande de moteur que vous pouvez construire avec large des parties du plateau, celui qui va produire de très grandes quantités d'énergie rayonnante quand réglée correctement. Voici ce circuit:


Ne vous laissez pas berner par les apparences - c'est comme à proximité d'un circuit contrôlé éclateur comme vous sont aller chercher tout et il est extrêmement efficace dans la production d'énergie rayonnante ! Mais surtout, vous devez placer et ajuster l'interrupteur reed convenablement et correctement!!! Jetez un oeil à cette image:


Comme vous pouvez le voir, l'astuce consiste à placer le commutateur à lames pour qu'il fonctionne sur la longueur de la bobine et donc se trouve dans le champ magnétique de la bobine. Ce couple champ magnétique de la bobine à contact reed ainsi que le champ magnétique du décès aimant du rotor. Ceci fournit une rétroaction magnétique et transforme l'interrupteur reed dans un oscillateur. Donc lorsque l'aimant passe l'anche oscille avec le champ de la bobine et provoque des impulsions de très nombreux, généralement de 20 à 50 impulsions par passage de l'aimant. Étonnamment, à la différence des diodes de serrage dans le SSG, ce n'est pas inutile. Cette oscillation d'interrupteur reed a effectivement réduit le courant d'entrée. Au lieu de l'anche restant fermé pour l'ensemble de la durée de l'impulsion, il allume et éteint et donc, moins d'entrée alimentation provient de la batterie d'alimentation. Je lance le moteur afin que lorsque la bobine est excitée, l'aimant est attiré par la bobine. Voici une trace dans l'ensemble de la batterie en charge:


La trace ci-dessus est un moteur qui seulement tire 50 milliampères, mais se recharge la batterie plusieurs fois plus rapide que si elle dessinait 300 milliampères avec une seule impulsion par passage de l'aimant ! Mais il n'y a plus. Jetez un oeil à l'image suivante:


À l'aide d'un aimant très petit et faible, vous pouvez maintenant contrôler et régler le commutateur à lames. Cela vous permet d'ajuster la mise sous tension pour que le circuit oscille en permanence mais encore alimente le rotor passant aimant. Ci-dessous, est la trace dans l'ensemble de la batterie en charge et la batterie se recharge très rapidement même si vous payez toujours pour cela augmentera la puissance absorbée, mais néanmoins, vous vraiment produisent une grande quantité d'énergie rayonnante pour ce qui est effectivement, courant d'entrée très peu ! En outre, lorsque vous procédez ainsi, les bobines sifflent très fort ! Oui, les bobines sifflent pas avec une tonalité ou une fréquence mais avec un bruit de sifflement.


Ma moteur prototype utilise quatre de ces circuits de, positionné autour de 90 degrés du rotor, et tous reliés en parallèle. Vous pouvez utiliser un seul interrupteur reed pour passer les quatre transistors et des bobines, mais il est plus de charge et le commutateur à lames ne tient pas très longtemps. En fait, de toute façon, si vous utilisez de petits interrupteurs à lames souples, ils obtiendront usé et commencer à coller. J'ai acheté commutateurs grands roseaux mais je travaille aussi sur une version électronique de commutation de cela, même si c'est plus facile à dire qu'à faire. J'ai travaillé sur cette question depuis quelques mois maintenant et j'ai donc essayé beaucoup de choses et je n'ai pas réussi à le faire correspondre à commutation électronique encore. La limitation du courant traversant l'interrupteur à lames n'est pas nécessaire d'augmenter la longueur de sa vie utile, en plus de ce qui, en faisant que produit de l'énergie rayonnante moins.

Maintenant vous avoir montré tout cela, nous sommes seulement à mi-chemin à un système d'énergie rayonnante complète qui fournira l'énergie libre continue. Le circuit et le moteur ci-dessus, même si elles ne fournissent de grandes quantités d'énergie rayonnante, seront toujours seulement vous donner un COP égal ou proche de 1 quand vous échangez régulièrement sur la batterie entre la source et la charge de la batterie. Par échange de batteries au travail, vous devez avoir le second, tout aussi importante face au système. La deuxième face de ce système est l'énergie rayonnante accumulateur-convertisseur.

Avant de décrire l'énergie rayonnante accumulateur convertisseur, je tiens à souligner combien il est important de construire et d'expérimenter avec le circuit décrit ci-dessus. Seulement après ajustement et regarder le courant d'entrée et la façon dont les charges de la batterie de charge peuvent vous voir vraiment comment ces impulsions d'énergie rayonnante ont une incidence sur la charge de la batterie. Quant à savoir pourquoi cela fonctionne et comment il fournit autant d'énergie radiante vous devez comprendre que si le commutateur Reed reste fermé, ce qui va se passer quand ils s'usent et commencer à coller, avec le 9 millihenry croisé choke bobine de solénoïde (acheté au large de la étagère) dont je me sers, le transistor est mis sous tension et pratiquement à son plus faible résistance et donc la consommation de courant est d'environ 6 à 8 AMPS pour un circuit de bobine unique! Il semble que ce soit une exigence clé pour générer ces impulsions d'énergie radiante avec un transistor. Vous devez passer le transistor pleinement au courant maximum de la bobine et la tension d'entrée. C'est une autre chose que le SSG ne fait pas bien. Mais pourtant, dans ce circuit, lorsque le capteur magnétique est correctement réglé, vous pouvez obtenir l'entrée vers le bas pour quelques milliampères si vous voulez!

OK, maintenant à la rayonnante accumulateur convertisseur. L'exigence pour ce qui semble être parce que la charge de la batterie n'est pas très efficace pour absorber toutes les impulsions d'énergie radiante. John Bedini avait raconté cela comme étant due à l'adaptation d'impédance, mais je ne suis pas sûr de cela à ce stade, mais impédance peut être un facteur. Parce que la recharge de la batterie n'absorbe pas beaucoup de l'énergie radiante par elle-même, vous devez avoir un accumulateur convertisseur d'absorber et convertir l'énergie rayonnante pour la recharge de la batterie à utiliser. Ok, cela dit, ce qui est une énergie rayonnante accumulateur convertisseur?

A Radiant Energy Accumulator-Converter ("REAC") n'est rien de plus qu'un dipôle! Mais plus le dipôle sera le mieux! Le dipôle peut être une batterie, mais c'est ridicule quand nous sommes déjà en charge d'une batterie. Eh bien dans ce cas, c'est une batterie spéciale. Il s'agit d'une batterie qui est surtout composée de courant potentiel, mais peu. Plus le potentiel le mieux l'accumulation / conversion mais certains actuel est toujours nécessaire pour pouvoir passer l'énergie et recharger la batterie en charge.

Il ya un certain nombre de de dipôle traditionnelles qui répondent à ce qui est nécessaire. Il ya une simple antenne long fil et élevé et la masse, mais cela ne fournira pas assez de retour courant pour recharger nos batteries. Il s'agit d'une configuration terre-batterie, mais si vous voulez mettre dans l'effort et la quantité de matériaux pour augmenter la tension et ont encore un certain courant obligatoire Ce besoin de beaucoup de travail et de matériaux. Enfin, j'ai trouvé le meilleur compromis pour être ", vieilles batteries mortes sulfatées plomb". A ce stade de ma recherche de l'état de la batterie n'a pas vraiment d'importance tant qu'il est "mort" et sulfatés. Tant qu'ils sont vieux et morts afin qu'ils puissent à peine allumer une ampoule 12V 100mA, alors ils le feront très bien. Gee, je suis content que je n'ai jamais jeté mes vieilles batteries mortes qui s'accumulaient.

Si vous descendez à un recycleur de la batterie ou dans la cour de la malbouffe, vous pouvez acheter les chargements de palettes de vieux et mort d'alimentation sans coupure (“UPS”) batteries à peu de frais. Quand je dis charge de la palette, je veux charge palettisée. Plus la banque d'entre eux vous obtenez la pâte. Branchez-les à la fois en série et en parallèle de sorte que s'ils où la bonne, vous ne trouverez nulle part 48-120 volts. Lors de la connexion à veiller à ce que chaque segment de 12 volts a une capacité d'environ même en ampères-heure parallèle. Vous pouvez mettre cette banque sous votre maison ou table ou même les enterrer dans le sol. Ce n'est pas un problème tant que vous n'aurez jamais à faire quelque chose pour eux à nouveau (tant qu'ils sont scellés). Ils ne vont pas continuer à courir vers le bas. Ils sont déjà épuisées. Tout ce que vous avez besoin est d'utiliser pour leur potentiel comme un dipôle et leur capacité cachée. La très faible quantité de courant ils fourniront à la taille de la banque en raison de la résistance cristalline de la sulfatation est tout ce qui est nécessaire pour fournir l'énergie libre que la volonté de convertir les impulsions d'énergie de rayonnement et de nourrir de nouveau dans votre bonne batterie qui est en charge. Je crois que ces cristaux de sulfate peuvent en effet être l'élément principal qui fait la conversion d'énergie rayonnante pour nous. Maintenant, pour savoir comment connecter votre "REAC". Voir le schéma ci-dessous:


Vous devez connecter la REAC directement sur la batterie charge comme j'ai indiqué ci-dessus. Étonnamment, il est une grande tension différente lorsque vous mesurez la tension directement sur la batterie charge par rapport à la tension mesurée à travers la REAC, tandis que le moteur de reed est en cours d'exécution. Cette différence de tension est vu même avec des câbles épais qui les relient, mais la distance l'affecte aussi bien. Vous devez avoir deux séries distinctes de câbles. Un jeu qui va directement à partir de l'énergie radiante chargeur à la batterie en charge et l'autre la valeur de la charge batterie la REAC. J'ai couru la configuration ci-dessus pendant plus d'un mois maintenant. Voici une photo des batteries « morts » dont je me sers comme un REAC.


Utilisez mon bon 33 ampères / heure UPS, je peux charger leur place de 10 volts à 14 volts en 6 heures environ avec le moteur de reed énergie radiante en cours d'exécution 4 bobines dessin seulement 600ma. J'ai peut ensuite échanger la batterie source avec la batterie charge et continuez à faire ceci jusqu'à ce que j'ai les deux batteries chargées en environ 24 heures. J'ai fait ce très nombreuses fois et le taux de charge semble s'améliorer au fil du temps.

Mais une chose, je tiens à préciser. Si vous pensez que j'en quelque sorte utilise l'énergie stockée dans la Banque de REAC, si je n'utilise pas mon moteur de reed, puis la charge batterie ne charge pas. Si j'essaie de remplacer le moteur de reed avec un chargeur de batterie ordinaire, la batterie prendra plus de temps à charger comme le ferait un chargeur normal pour le télécharger. Lorsque vous utilisez le moteur de reed, le REAC est convertir la plupart de l'énergie rayonnante et fournissant l'énergie à la batterie en charge. Là vous l'avez, un système pleinement fonctionnel rayonnant d'énergie libre. Profitez ! -- Ossie Callanan



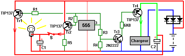
La Variation Auto - Chargeant. Un inconvénient majeur de ceux-ci les chargeurs de la pulsation de la batterie sont le fait qu'il est pensé que ce n'est pas possible à moi pouvoir l'appareil ni pistonner la batterie courante pendant la batterie qui charge le processus. Il y a une variation du pulsation chargeur qui pistonne le moteur impérieux réellement comme il court, et une mise en oeuvre particulière de ceci est montrée ici:






Le rotor pèse approximativement cinq livres (2 Kg) et est très lourd pour sa dimension, parce qu'il est construit de parqueter, et a une épaisseur de 1.875 pouces (48 mm) égaler la largeur des aimants. Il y a dix aimants en classent selon la grosseur 1.875” x 0.875” x 0.25” (48 mm x 22 mm x 6 mm) lesquels se sont assemblés dans paires, produire les ensembles aimantés le plus également égalés possible. C'est, le plus fort est mis avec le plus faible, le deuxième plus fort avec le deuxième plus faible, et ainsi de suite produire les cinq ensembles, chaque demi un pouce (12 mm) épais. Ces paires sont enfoncées dans le rotor à égal 72O centres autour du bord du rotor.

Les batterie battre a produit par ce circuit est le même comme montré déjà dans le brevet de John Bedini mentionné. Comme les tours du rotor, le gâchette enrouler stimule le 2N3055 transistor qui alors conduit une pulsation forte à travers l'enrouler montré dans rouge dans le diagramme au-dessus. La pointe du voltage qui se produit quand le courant de la promenade est coupé soudainement, est nourri à la batterie qui est chargée. Cela se passe cinq fois pendant une révolution seule du rotor.

La variation intelligente a introduit ici, est placer une bobine du pick-up en face de la bobine du driving/charging. Comme là cinq aimants sont, la bobine du drive/charging n'est pas en usage quand un aimant passe la bobine du pick-up. Le circuit impérieux n'est pas réellement actif à cet instant, donc le changement microscopique est utilisé déconnecter complètement le circuit de la batterie impérieuse et connecter la bobine du pick-up à la batterie impérieuse. Cela nourrit une pulsation du chargement à la batterie impérieuse par le pont de 1N4007 diodes de haut voltage. Cela est fait par révolution seulement une fois, et la place physique du changement microscopique est ajustée pour obtenir le réglage exactement droit.

Cet arrangement produit un circuit qui en plus de battre la banque de la batterie sous charge, mais aussi courant des recettes à la batterie impérieuse.

Une autre variation sur ce thème est montrée sur YouTube où un experimenter qui l'appelle “Daftman” a cette vidéo qui explique le circuit il utilise dans son Bedini Appelez le moteur du batterie - chargement: ici et sa vidéo de son moteur courir peuvent être vues à: ici et son moteur a couru dans une mode auto - propulsée pendant des mois.


La Variation de la Bobine du Relais.
Un experimenter sur le Forum Énergique a affiché une vidéo de son adaptation du circuit Bedini à ici. Il a trouvé cette addition une bobine du relais de 6 volts dans l'alimentation à la base du transistor a divisé en deux le pouvoir utilisé et toujours nourritures le rotor à au sujet du même taux de rotation. Le circuit est montré ici:



La construction utilisée a trois bobines de l'électro-aimant placées autour d'un rotor horizontal:





Le Ventilateur de l'Ordinateur Modifié.
Les autres méthodes plus simples d'obtenir ce chargement d'énergie radiant de batteries sont aussi disponibles. Une méthode simple est sauter la plupart de la construction mécanique et utiliser un ventilateur synchrone légèrement adapté. Cette méthode est montrée par “Imhotep” dans sa vidéo instructive qui est localisée à ici. L'idée originale vient de John Bedini et l'idée du ventilateur de Dr Peter Lindemann.

Le choix le plus commun pour le ventilateur est un ordinateur ventilateur refroidissant - le plus grand le meilleur. Ces ventilateurs ont quatre windings connectés comme ceci habituellement:



Utiliser ces windings comme promenade et le pick-up enroule, le ventilateur est ouvert en soulevant le revêtement de l'étiquette le moyeu du ventilateur, en enlevant la tenue de la pince plastique les lames du ventilateur sur le fuseau et ouvrant la boîte pour exposer les bobines. Le poteau du fil avec deux départ des fils à lui a un fil enlevé alors et un quatrième poteau a improvisé en forer un petit trou et insérant une courte longueur de fil d'une résistance. La quatrième fin du fil est soudée à lui pour donner cet arrangement alors:



Cela produit deux chaînes de la bobine séparées: 1 à 2 et 4 à 3. On peut être utilisé comme la bobine de la promenade et l'autre comme la bobine du pick-up du pouvoir qui passe le très court haut voltage alors bat à la batterie qui est chargée.

Quand s'est ouvert, le ventilateur ressemble à ce:



Et l'arrangement du circuit est:



Le ventilateur est lancé à la main, puis continue à tourner, en travaillant comme un ventilateur ainsi que de charger une batterie. Le courant de la batterie de conduite est encore la charge de l'énergie rayonnante de l'autre batterie (ou de batteries) très faible et n'est pas faible. S'il vous plaît rappelez-vous que les batteries qui doivent être utilisés avec cette énergie rayonnante, doivent être chargée et déchargée plusieurs fois avant qu'ils ne deviennent adaptés à travailler avec cette nouvelle énergie. Lorsque cela a été accompli, la capacité de la batterie est beaucoup plus grande que celle spécifiée sur l'étiquette de la batterie et le temps de charge devient également beaucoup plus courte. Le circuit est ajusté avec la résistance variable, qui change le courant d'attaque pour transistor, qui, à son tour, modifie la vitesse de rotation du ventilateur. Il convient de souligner que cet appareil et le chargeur de relais indiqué ci-dessous, sont des dispositifs simples de démonstration avec de petites bobines et d'obtenir la charge grave, vous avez besoin d'utiliser un grand-convecteurs systèmes à impulsions de la batterie avec une banque de batteries plomb-acide étant chargées.

Ce circuit est une mise en œuvre intelligente de écolière simple de John Bedini ("SSG") de conception. Comme il peut être un peu difficile de savoir lequel des quatre fils sortant du ventilateur modifié pour utiliser, laissez-moi vous expliquer comment ils fonctionnent. Vous avez maintenant deux paires de bobines connectées en série à l'intérieur du ventilateur. Un ohm-mètre (ou de la batterie et l'ampoule) vous permettra de voir qui des quatre fils sont les deux extrémités de chacune de ces bobines. Les bobines sont symétriques et donc il n'a pas d'importance qui alimente la bobine base du transistor et qui bobine est entraînée par le collecteur du transistor. Ce n'est pas grave non plus, qui inverse la bobine d'alimentation de la base du transistor est connecté, mais ce qui importe beaucoup, ce qui inverse la bobine de commande est connecté. Reliant le mauvais sens ne causer aucun dommage, mais le ventilateur ne fonctionne pas parce que la place de la bobine repousser les aimants du rotor et les pousser sur le chemin, il va les attirer et de s'opposer à la rotation. Donc, si le ventilateur ne tourne pas quand vous donnez un coup de pouce, remplacez le lecteur mène plus et cela devrait fonctionner parfaitement.

L'ampoule au néon protège le transistor, mais il donne aussi une bonne indication de la façon dont la batterie est chargée est alimenté. Régler la résistance variable pour obtenir la consommation de courant minimum de la batterie d'entraînement tout en ayant le néon bien éclairé et qui devrait donner une bonne performance.

Une version très soignée d'une conversion de ventilateur d'ordinateur de 80 mm à un chargeur d'impulsion construit par Brian Heath est montré ici:

Cet appareil fonctionne avec une batterie PP3 9V comme la batterie d'entraînement, et charge une batterie PP3 9V rechargeable quand il est en marche. Les deux batteries sont enfermées dans la boîte dans cette construction très soignée.



Le Chargeur du Relais de la Voiture.
Un même la méthode du chargement plus simple est aussi montrée par “Imhotep” dans une autre de ses vidéos instructives à: ici. Ici il adapte un 40 relais de la voiture de l'ampère ordinaire, en le convertissant d'avoir un “normalement ouvert” contact, à opérer avec un “normalement a fermé” contact. Ce n'est pas nécessaire pour vous pour faire ceci comme relais automobiles avec “normalement a fermé” les contacts sont disponibles aisément et ne sont pas cher.

Le relais est installé au-dessus alors afin qu'il se propulse à travers ses propres contacts. Cela cause un courant de couler à travers le relais bobine enrouler, opérer le contact et l'ouvrir. Cela coupe le courant à travers la propre bobine du relais, en causant les contacts de fermer encore et le processus recommence encore.

L'ouverture répétée et fermer des contacts du relais se passe à la fréquence résonnante du relais et ce produit un bruit du bourdonnement. Réellement, les interphones ont été faits cette place originairement et ils ont été utilisés dans beaucoup de le même chemin comme une sonnette serait utilisé aujourd'hui.

Le circuit utilisé est montré ici:



Comme vous peut voir, ce le circuit très simple utilise seulement deux composants: un relais et une diode. Le trait clé est le fait que quand le relais contacte ouvert et le courant cesse de couler à travers la bobine du relais, une très haute pointe du voltage est produite à travers la bobine du relais. Dans circuits du transistor qui conduisent un relais, vous verrez une diode installée à travers la bobine du relais dans ordre court-circuiter ce haut voltage à changement fermé et arrêter le transistor été détruit par l'excessivement haut voltage. D'aucune protection est eue besoin pour le relais dans ce circuit. Tout nombre de batteries peut être chargé en même temps.

Un 40 ampère ordinaire relais automobile comme ceci:



avoir un “changement” contact qui moyens qu'il a un “normalement a fermé” contact et donc peut être utilisé sans tout besoin ouvrir ou modifier le relais lui-même directement.

Dans ce circuit, cependant, ce voltage du revers est utilisé dans un chemin très productif. Ceux-ci les pointes du voltage sont très tranchantes, très courtes et ont une montée du voltage très rapide. C'est ce qui est eu besoin de déclencher un afflux d'énergie radiante de l'environnement local, dans la batterie, exactement. Cette batterie qui charge le courant ne vient pas de la batterie impérieuse mais vient de l'environnement. Le petit courant de la batterie impérieuse opère juste le relais comme un interphone.

S'il vous plaît souvenez-vous qu'à ce temps, nous n'avons aucun instrument qui peut mesurer le courant d'énergie radiante dans la batterie du chargement directement. La façon de fiable seule qui répartit l'afflux est voir comment long il prend pour décharger la batterie chargée à travers une charge connue.

Mon expérience avec utiliser des relais pour batterie charger indique que vous obtenez un meilleur résultat si 24 volts sont utilisés pour conduire le circuit et comme les relais du véhicule n'ont pas que beaucoup d'un bobine enrouler, il y a une amélioration considérable si une grande bobine est connectée à travers la bobine du relais ou bobines comme montré ici:



Quand utiliser un de ceux-ci relaie des systèmes du chargement vous trouverez que complètement beaucoup de bruit est produit. Cela peut être réduit avec un peu de rembourrage tout à fait facilement et il a l'avantage d'indiquer que le système du chargement court correctement.


Le Moteur auto - chargeant.
Une vidéo ici montre un appareil maison - construit intéressant qui utilise le moteur hors d'un vieux magnétoscope, la portée hors d'une vieille promenade du CD de l'ordinateur et les bobines du pick-up ont fait en enlevant le cas et contacts de relais standards:



La construction est très simple avec une disposition simple, simple, ouverte:



Avec cet arrangement, une paire d'AA - Size NiCad batteries promenades le moteur, filer le moteur, déplacer ses aimants devant la bague de relais convertis rapidement, qui produit le chargement DC courant par les redresseurs de pont et ce courant est suffisant pour garder l'appareil qui court de façon continue.

Un commentaire fait sur la vidéo est que si les aimants du ferrite avaient été remplacés avec neodymiums, alors les montées du voltage du chargement à autour 70 volts. Malheureusement, le présent rotor est trop flexible et les aimants du neodymium fléchissent le rotor vers le relais réellement enlève le coeur comme ils passent, donc d'un rotor plus robuste est eu besoin.


Le "Alexkor" batterie chargement système est très efficace, bon marché et facile de construire. C'est une version du système décrite dans Fig. 22B sur page 7 de la page de web: ici.



Pendant que cette description a été pour les années autour, il fait partie d'une discussion sur les principes de l'opération d'EMF champs aimantés et battre dans les bobines. ' Alexkor' a développé un circuit pratique qu'il dit très bien à travaux. Il peut être construit comme une unité seule comme montré ici:



Ici, la bobine est enroulée avec 200 tours de 0.7 enamelled du mm cuivrez le fil et la construction réelle est compacte:



Et pour avoir une idée de la performance, Alex utilise un condensateur pour voir la dimension des pointes du voltage produit par le circuit:



Si la construction d'un circuit avec un fer à souder et une des versions commerciales de carte de prototypage avec des bandes de cuivre est trop difficile, alors le circuit peut être configuré à l'aide d'une carte plug-in comme ceci :



La batterie marqué " 1 " fournit de l'énergie à courir le circuit et la batterie marquée " 2 " se charge. Les résistances sont toutes trimestre watts. Le cuivre 22 fil de swg émaillé a un diamètre de 0,711 mm et la bobine peut facilement être enroulé sur un tube en carton. Avec un tube de 30 mm (1,25 pouces) de diamètre à environ 20 mètres de fil seraient nécessaires et qui pèse environ 70 grammes. Je voudrais la diode de sortie pour être une diode UF5408 comme le " UF " signifie " Ultra rapide ", mais les fils conducteurs sont trop épais à brancher sur un conseil comme celui-ci et donc le 1N5408 peut être utilisé, il est évalué à 1000 volts et 3 ampères.

C'est le premier pas dans le processus comme le même circuit peut être utilisé pour conduire beaucoup de bobines de ce type. La résistance qui nourrit la base du transistor est approximativement 500 ohms pour le prototype, mais utiliser une 390 résistance de l'ohm avec une résistance variable d'en série dit, 1K, permettrait à une bonne valeur de la résistance standarde d'être sélectionné pour chaque paire du transistor/rouleau :



Comme peut être vu des photographies, Alex les usages ont préréglé des résistances pour ajuster les cadres à leurs valeurs optimums. La simplicité de ce circuit le rend très attirant comme un projet de la construction et utiliser plus qu'une bobine devrait faire pour les chiffres de la performance impressionnants. Alex dit que les meilleurs résultats sont accomplis avec seulement celui (1000V 10A) diode et pas un pont de la diode qui est porté dehors par les commentaires de l'enseignement sur le site web précité.

Plus loin développement par Alex expositions meilleure performance quand utiliser l'IRF510 FET au lieu du transistor BD243C. Il l'a aussi trouvé chargement très efficace quatre batteries séparées et il a ranimé un vieux NiCad fore batterie qui utilise ce circuit:





C'est possible d'utiliser plusieurs transistors différents avec ces circuits. Comme quelques gens ont la difficulté dans résoudre une construction physique convenable pour un circuit, est une suggestion ici pour une disposition possible qui utilise un MJ11016 transistor de haut gain puissant sur stripboard.




Le Circuit Chargeant de soi d'Alexkor.   C'est un circuit particulièrement simple qui permet un 12V charge de batterie de 8 heure d'ampère un 48V batterie de 12 heure d'ampère avec l'énergie radieuse, dans 20 heures en utilisant douze fois moins actuelles qu'un chargeur conventionnel. Le circuit peut charger du lithium, NiCad ou le premier acide batteries le circuit utilisé sont :


La bobine est rembobiner sur un creux ancien, en utilisant deux fils séparés de fil de diamètre de 0.5 millimètres, en donnant une résistance de juste 2 ohms. Les fils de fil sont placés côte à côte dans une couche simple comme cela :



Une disposition physique possible en utilisant une petite bande de connecteur électrique standard pourrait être :



Si la bobine est la blessure sur disent, une pipe de plastique de diamètre de 1.25 pouces ou de 32 millimètres, donc le diamètre de pipe extérieur est 36 millimètres en raison de l'épaisseur murale de la pipe de plastique et chaque tour prend environ 118 millimètres, donc environ 24 mètres de fil seront nécessaires pour les 200 tours. Si 13 mètres (14 yards) de fil sont mesurés de la canette et du fil rabattu sur lui dans un U-tour pointu, donc la bobine peut être la blessure fermement et avec soin avec la fin côte à côte tourne. Un petit trou foré à la fin de la pipe permet au fil plié d'être protégé avec deux tours par le trou et les 200 tours prendront une longueur d'environ 100 millimètres (4 pouces) et les deux fins desserrées protégées en utilisant un autre petit trou foré dans la pipe. Les fins de départ sont coupées à part et les fins de chaque bobine déterminé en utilisant une épreuve de continuité.

Un circuit encore plus avancé d'Alex a l'encore plus haute performance en utilisant un transistor de grande vitesse et très la diode d'action rapide et un néon n'est pas nécessaire pour protéger le transistor :



Le condensateur de 2700 pF est recommandé pour chaque transistor supplémentaire, mais ce n'est pas un article essentiel et le circuit fera marcher ok avec juste celui sur la section de trajet de bobine bi-filar.


Un design de circuit récent d'Alexkor utilise les plus très petites de contributions; juste 1.5 volts à un courant qui peut être réglé en bas de 4 milliamps à juste 1 milliamp. Ce circuit très petit peut charger une batterie de 12 volts, bien que de l'aveu général, le taux chargeant ne soit pas très haut comme il prend dix heures par Heure d'ampère pour charger la batterie. Pourtant, il est spectaculaire de recevoir une contribution de juste 1.5 milliwatts pour charger un 12V la batterie. Le circuit a très peu de composantes :




La bobine est très petit, bi-filar enrouler sur ferrite ou avec un coeur aérien. Dans le diagramme de circuit, les points sur la bobine indiquent le début des deux côte à côte windings. Cela précise que le début d'une sinuosité est raccordé à la fin de l'autre sinuosité aussi bien qu'au côté positif du 1.5V batterie. La résistance variable pourrait être omise et les résistances fixées différentes essayées jusqu'à ce que le niveau actuel de 1 milliamp ne soit atteint. Il devrait être insisté sur le fait qu'il y a juste un point d'earthing et c'est un type réel "communiquent à la terre" de la connexion. L'arithmétique simple vous montrera que s'il y a un courant de charge coulant dans la batterie pour le charger, alors même avec une efficacité de 100 % imaginée de la batterie, la charge de batterie est plusieurs fois plus grande que l'attraction du 1.5V la batterie en conduisant le circuit. Le circuit opère à une fréquence entre 200 MHz et 300 MHz.

Alex utilise une bobine commercial de Farnell comme montré ici:




Jes Ascanius du Danemark a répliqué ce circuit et il fait les commentaires suivants: La résistance de 10K variable et la résistance supplémentaire 1K besoin d'être 250 types que les grandes puissances mW provoquer une plus grande consommation de courant. En outre, la qualité de la prise de terre est importante, car sa terre très efficace produit 60 volts impulsions du circuit (70 volts pendant la nuit) et juste en touchant le raccordement à la terre peut augmenter ces impulsions jusqu'à 92-volts et donc plus l'expérimentation peut produire d'autres effets intéressants.

Circuit le plus avancé Alexkor à ce jour est celui montré ici:


Ce circuit utilise l'inducteur PLA ci-dessus. La réaction initiale de quelqu'un familiariser avec les circuits électroniques pourrait bien être "cela est impossible tant que la batterie est chargée est "flottant", car il n'est pas connecté à chaque côté de la batterie de conduite". Bien que cela soit vrai, le circuit fonctionne très bien fait et d'une banque de batterie de dix 1.2V batteries Ni-Mh notés à 1100 la capacité de mAHr qui avait été chargée et déchargée dix fois avant, est maintenant chargé par ce circuit en seulement une demi-heure.

La tension d'entrée peut être quelque chose de 12V à 36V sans avoir besoin de modifier l'un des composants du circuit. Le choix du transistor est important et le STW12NK90Z est un transistor à haute tension très haute performance (disponible à l'heure actuelle de www.mouser.com), et alors qu'il n'est pas pas cher, je recommande fortement son utilisation si vous décidez de reproduire ce circuit. Les SF28 diodes sont également des composants spéciaux, évalué à 600 volts et 2 ampères, ce sont des diodes à grande vitesse, ne doit pas être remplacée par une diode qui se trouve être disponibles.

La bobine est plus inhabituel en ce qu'il est à seulement quatre tours de fil de cuivre très épais de 3 mm à 4 mm de diamètre, bien que fils d'aluminium peut également être utilisé. Ce câble d'alimentation est enroulé sur une bobine de 100 mm à 130 mm (4 pouces à 5 pouces) de diamètre. Le petit 5nF condensateur doit être évalué à un très haut volts 6000. La prise de terre réel au point "A" donne une amélioration de 20% à 30% de la performance, mais si le circuit doit être portable, il travaillera avec le niveau de performance inférieur si la prise de terre est omis et le point "A" est connecté à la ligne 0 V de la batterie d'entrée.



Pendant que les bobines montrés ci-dessus sont sans doute de-base-aériens pour permettre l'opération de haute fréquence, les bobines, la plupart des autres bobines sont généralement beaucoup plus efficaces avec une forme de coeur magnétique, comme la poussière en fer ou ferrite. Pendant que ce n'est pas possible qu'il soit capable d'opérer à fréquences aussi haut que 35 KHz, une très bonne matière pour les coeurs de la bobine est le métal d'ancres de la " maçonnerie ou ancres " de la manche:



Ce métal est immunisé à se rouiller, facile travailler et perd tout le magnétisme dès que le champ aimanté est enlevé. Vous pouvez confirmer ceci pour vous en placer un aimant permanent sur une fin du verrou ou le tube et utilisant l'autre fin pour ramasser un vis de l'acier. Dès que l'aimant permanent est enlevé, le vis tombe comme le métal ne retenez aucun du magnétisme de l'aimant permanent. Ces ancres sont bon marché et aisément disponible des débouchés des provisions d'entrepreneur, inclure ceci sur l'internet. C'est improbable que cette matière pourrait opérer à plus que 1,000 Hz et le circuit au-dessus gagne beaucoup de lui est performance de la haute vitesse, aiguillage rapide et très court " Sur " cycle du devoir du temps.

Si vous utilisez la section du verrou d'une de ces ancres, la bosse conique à la fin de l'arbre aura un différant effet sur l'intensification et parution du champ aimanté et donc ce peut être recommandé de le polir non plus doucement à la main, ou couper la section conique. Il y aura toujours le remous pertes courantes dans tout coeur du métal solide, mais cela ne les arrête pas être très efficace dans opération. Comme autrement, tester un appareil réel est la clef à bonne performance et connaissance du son avec tout.


Circuit de Charge de Sucahyo
En 2014, Sucahyo a déclaré que certaines personnes ont constaté que les batteries à charge pulsée pour quelques fois, a causé ces batteries d'avoir «surface» charge où la tension est montée à la normale sans qu'il y ait une charge véritable correspondante derrière cette augmentation de tension. Ce n'est pas un effet que j'ai rencontré, mais peut-être je n'ai pas chargé une batterie suffisamment de fois pour atteindre le problème. De toute façon, Sucahyo a publié un circuit qu'il a utilisé sur des batteries plusieurs fois pendant quatre ans sans rencontrer un effet de charge de surface. La charge d'impulsion utilise l'électricité «froide» et l'électricité «froide» peut être convertie en électricité «chaude» en l'alimentant dans un condensateur. Voici le circuit de Sucahyo :



Notez que les diodes 1N4007 protégeant les transistors TIP41C sont connectées à la base du transistor et non pas son émetteur comme c'est plus commun. Les bobines utilisées sont simplement des bobines simple bobinées CCW simples avec une résistance CC d'environ 1 ohm. Chaque bobine est enroulée autour d'un tore en ferrite :



Vous remarquerez dans le circuit que les transistors TIP42C de type PNP sont connectés d'une manière qui serait considérée comme "erronée". Cette méthode de connexion est parfaitement délibérée et fonctionne bien en ne dessinant qu'un quart du courant qui serait tiré s'ils étaient connectés à la droite et tout en conservant le même niveau de courant de charge de sortie. Comme avec n'importe quel chargeur, ce n'est pas une bonne idée de surcharger la batterie. Le circuit (que Sucahyo appelle «Stingo») peut charger une pile AA de 1000 milliampères en 15 minutes, une pile 12V 7 Amp-heure en 5 heures et une batterie 12V 70 Amp-Heure en 15 heures. Vous trouverez des informations et des discussions supplémentaires à ce forum.


Le Conditionnement de Batterie de Howerd Halay
Howerd Halay du Royaume-Uni insiste sur la différence importante entre batteries "conditionné" et tous batteries qui n'ont pas été conditionnés. Il dit : pour conditionner une batterie ou un condensateur, il doit être plusieurs fois accusé de l'électricité 'froide' et renvoyé de nouveau. L'électricité froide est électricité de courant alternatif de haute fréquence ou autrement le courant continu au haut voltage. Avec l'électricité froide, les écoulements d'électricité à l'extérieur des fils (Steinmetz) et ainsi, le Courant n'égale pas de Voltage divisé par la Résistance comme la Loi d'Ohm suggère. Au lieu de cela le Courant égale le Voltage x la Résistance x “C” Constant qui doit être déterminé par l'expérimentation. Il est aussi possible de recevoir l'électricité froide du courant continu circulé, à condition que le voltage de courant continu soit plus de 80 volts. En utilisant cette technique, alors plus pointu et plus rapide les pouls, mieux.

Quand vous circulez d'abord un courant alternatif ou un condensateur de courant continu, il se comporte normalement. Après environ 12 heures du fait de circuler continu un changement se produit dans le comportement du condensateur. En cas du condensateur d'eau, il développe une couche nano sur un côté seulement. Quand mesuré avec un mètre d'une résistance il ne montre aucune résistance du tout. On peut dire qu'un côté devient la superconduction quasi. En cas d'un condensateur ordinaire, il n'y a aucune raison de croire qu'il se comporte différemment. Le condensateur charge aussi beaucoup plus vite qu'auparavant et quand la source de pouvoir est éteinte il continue à charger! Oui vous le lisez correctement. Dans mon cas il tire des pouls depuis jusqu'à 3 minutes après que le pouvoir est éteint, qui est pourquoi ils sont dangereux. Les décadences tirantes exponentiellement bien que je ne l'aie pas encore présenté sous forme de tableau scientifiquement – je le quitterai à d'autres gens pour faire.

Le résultat de cela consiste en ce que vous pouvez avoir deux condensateurs identiques côte à côte. On se comporte comme s'il est branché dans un chargeur, pendant que l'autre condensateur se comporte normalement. Toute la charge de soi de condensateurs jusqu'à un certain degré mais les condensateurs "conditionnés" est dans une ligue de leur propre! J'ai évalué un néon sur un condensateur conditionné par deux baguettes de terre 3 mètres à part. J'ai renoncé à regarder le néon allumé après la demi-heure!


J'utilise une source de haut voltage très de faible puissance avec une puissance à la sortie de seulement 1.2 watts comme j'aime jouer le coffre-fort avec ces choses. Avec une source de pouvoir basse, j'ai chargé batteries l'utilisation des pouls de jusqu'à 800 volts sans le batteries montrant n'importe quels effets malades. Aussi, l'utilisation de l'électricité d'un fil est plus sûre comme cela transmet surtout le voltage et donc le courant minimal est nourri. Ainsi pour conditionner une batterie ou un condensateur en utilisant l'électricité froide, vous pouvez utiliser un circuit comme cela :


Ici, la grandeur des pouls de voltage nourris à la batterie ou au condensateur à être conditionné, est contrôlé par le voltage de grève du néon. La grève de lampes de néon de type de NE2 ordinaire autour de 90V et ainsi le 2N6509G SCR nourrira des pouls d'environ que le voltage à la batterie ou au condensateur. Si deux néons sont raccordés en série et utilisés au lieu du néon simple montré ci-dessus, donc les pouls de voltage seront autour de 180V. Ce type de circuit a l'air de travailler mieux si plusieurs condensateurs sont utilisés en série aussi montrés ici, qu'ils semblent monter à toute vitesse plus vite et suppurer plus vite aussi. Vous devez quitter l'artifice dirigeant pour la journée pour recevoir l'avantage complet. Je charge régulièrement une banque de batterie automobile de 1.6 kW et après que le fait d'éteindre, le voltage de banque de batterie monte!!

J'ai aussi essayé 5 secondes d'À TEMPS et deux minutes du temps et les condensateurs continuent à tirer des pouls. Pourtant le taux de tir est beaucoup moins quand le pouvoir est débranché que quand le pouvoir a lieu. Si vous manquez d'utiliser les condensateurs pendant quelque temps - dans mon cas c'était environ trois semaines - vous devez commencer le processus de conditionnement dès le début. Dans mon cas les conditionnant était de nouveau plus dur et a semblé prendre des jours plutôt que les heures. Les condensateurs ont FROID. Les fils menant jusqu'à eux et d'eux ont FROID, mais si vous recevez un choc d'eux, alors ce choc est CHAUD!!

Parce que ce processus chargeant utilise l'électricité froide, batteries non-rechargeable peut être chargé cette voie. Dans mon cas deux de trois batteries récupèrent leur charge bien et avec curiosité ils chargent à un beaucoup plus haut voltage que leur valeur évaluée. La batterie peut être remplacée avec un condensateur. Évidemment, n'importe quelle batterie ou condensateur qui doit être conditionné, doit avoir sont en mesure d'être accusé d'un voltage de pas plus de 70 volts par néon, si par exemple, un 96V la banque de batterie aurait besoin de deux néons en série à travers le SCR du circuit chargeant. Ce circuit continuera à charger la batterie depuis jusqu'à trois minutes après que le pouvoir de contribution est éteint. Une version encore plus puissante du circuit promeut le pouvoir d'électricité froid en utilisant un starter. Les néons prendront beaucoup plus fortement. Les néons devraient circuler ou vous avez un court-circuit. Autrement dit, si le néon est allumé constamment, c'est un mauvais signe.


Vous pouvez utiliser une résistance variable en série avec le pouvoir de contribution de varier le taux de pouls. L'énergie radieuse négative est livrée qui produit l'électricité froide et les conditions tous les condensateurs dans la section de production du circuit.

Soyez très prudents avec ce circuit comme il peut vous tuer. Ce circuit est seulement pour les expérimentateurs expérimentés. Les condensateurs prendront environ un jour à être conditionné. Ce circuit est bon pour apporter la voiture morte batteries en arrière à la vie. Quand une batterie est conditionnée et le pouvoir de contribution de circuit chargeant est éteint, la batterie continuera à charger! Dès qu'ils sont conditionnés, vous pouvez charger 4 voiture batteries dans le parallèle utilisant juste une alimentation électrique de 12 volts de 6 watts, ou un comité solaire. Pourtant, on doit en aucune circonstance considérer que cette description est une recommandation que vous devriez vraiment construire ce circuit comme cette présentation est pour les buts d'information seulement.


La question a été posée: " Pourquoi utiliser cinq condensateurs en série lorsque l'un quelconque d'entre eux peut facilement gérer la tension utilisée? " Voilà une bonne question que la réponse est pas du tout évident. La réponse est à cause de la façon dont les condensateurs chargent. La tension aux bornes d'un condensateur qui est en cours de charge, augmente de façon très non-linéaire et il est généralement illustré comme ça :


Les lignes rouges montrent le taux moyen de charge et la plus raide de la ligne, plus la vitesse de la charge. Plus la tension de charge par rapport à la taille du condensateur, la plus forte au début de la ligne est. Howerd utilise ce fait à son avantage en utilisant seulement les dix premiers pour cent de la courbe. Ceci est réalisé en connectant plusieurs condensateurs à haute tension en série comme montré dans son schéma de circuit. L'ensemble combiné de condensateurs chargent très vite en effet et avant qu'ils atteignent 10% de leur capacité les feux de néon et de la charge du condensateur est entraîné dans la batterie (ou condensateur) qui est en cours de conditionnement. L'intensité de ce courant est déterminée par la taille des condensateurs de la chaîne, plus les condensateurs le plus intense de l'impulsion dans la batterie et comme vous pouvez le voir, Howerd a choisi 2.2 microfarad condensateurs de type film plastique :





Le Changement Tesla.
Le Changement Tesla est couvert dans plus de détail dans Chapitre 5, mais il vaut de la qui le mentionne encore ici comme il exécute le chargement de la batterie. La ressemblance termine là, parce que le changement Tesla fait la batterie qui charge pendant que le circuit fournit le courant sérieux dans une charge. Aussi, les Tesla changent utilise seulement quatre batteries, et encore est capable de conduite un trente moteur du cheval-vapeur qui est l'équivalent de 22 kilowatts de pouvoir électrique



Le circuit simple montré ici a été utilisé par vérificateurs de l'Electrodyne Corp. sur une période de trois années qui utilisent le véhicule ordinaire batteries rôle principal - acides. Pendant ce temps, les batteries ont été gardées chargé par le circuit pas seul, mais le voltage de la batterie a grimpé à autant de 36 volts, sans tout dégât aux batteries.

Si le voltage sur une batterie sous charge augmente réellement, c'est raisonnable de supposer que la batterie reçoive plus de pouvoir que cela a délivré à la charge (une charge est un moteur, une pompe, un ventilateur, lumières, ou tout autre matériel électrique). Comme ceci est donc, et le circuit n'est pas connecté à tout visible il se sera rendu à l'extérieur de source d'énergie, compte que là doit être une source extérieure d'énergie qui n'est pas visible. Si le circuit est fourni avec puissant assez de composants, c'est parfaitement capable de propulser une voiture électrique à hautes vitesses, comme a été démontré par Ronald Brandt. Cela indique que la source invisible d'énergie extérieure est capable de fournir des montants sérieux de pouvoir supplémentaire. De lui devrait aussi être se souvenu qu'une batterie rôle principal - acide ne rend rien comme 100% de l'énergie électrique nourris dans lui pendant charger normalement, donc la source extérieure d'énergie fournit le courant supplémentaire aux batteries aussi bien qu'à la charge.

Donc, comment est-ce que ce circuit réussit à faire ceci? Bien, il le fait dans exactement le même chemin comme les circuits du chargement de la pulsation de la batterie dans cela il produit un augmenter le waveform du voltage très taillé fin quand il change de son État 1 à son État 2 (comme montré en détail plus tôt). Ce l'aiguillage très rapide déséquilibre le champ de l'énergie quantique local, en causant des courants majeurs d'énergie quelques-uns de qu'entre ce circuit et propulse le circuit et la charge. Bien qu'il utilise quatre batteries, et les batteries sont chargées à travers la génération de pulsations tranchantes, ce n'est pas un circuit qui charge la batterie massive s'accumule afin qu'ils peuvent propulser une charge à quelque temps plus tardif.


Le Moteur Chargeant de soi
Il est possible d'améliorer la performance d'un moteur de courant continu en attachant des ensembles des aimants de néodyme à l'extérieur du corps du moteur. Un exemple de cela est montré dans une vidéo ici montre un tel arrangement et la vidéo ici montre comment le moteur peut être monté pour produire cette majoration de c'est la performance. Le moteur y ressemble :


Et une charpente est utilisée pour tenir quatre ensembles des aimants droits dans la position autour de cela :


La charpente est faite de deux morceaux d'aluminium de 3 millimètres avec les entretoises de plastique en tenant les deux disques alumimium à part. Les entretoises de plastique sont protégées avec les vis en laiton. Comme le moteur casing est de l'acier épais d'environ 3 millimètres, qui a tendance à détourner le champ magnétique ajouté vers l'extérieur, qui est le contraire de ce qui est voulu. Ainsi une bande épaisse de 6 millimètres d'acier est placée à l'extérieur des aimants pour diriger le champ vers l'intérieur. Les aimants et les bandes d'acier sont alors insérés pour accomplir l'arrangement :





Le moteur est démontré quand monte comme ça. Alors quatre ensembles des aimants très étroits sont ajoutés dans les positions intermédiaires et le nombre de larges aimants a augmenté à trois à chaque endroit, les bandes d'acier débarrassées et quatre larges aimants utilisés à chacun des quatre endroits autour du moteur :


Avec cet arrangement, le moteur est de l'ordre de dix fois c'est la vitesse de design (qui le détruirait très vite), donc il est dirigé avec juste un sixième de c'est le voltage de design. Il est utilisé pour conduire un générateur électrique montré dans deux vidéos ici et ici qui expliquent les caractéristiques de design sophistiquées de ce générateur qui a été construit avec le grand soin :


Après deux minutes de tournant doux du fanatique, monte les cinq batt-bonnets à toute vitesse suffisamment pour diriger le moteur pour n'importe quoi jusqu'à deux heures. L'arrangement est intelligent avec les aimants de stator dans un ordre de Howard Johnston qui est aussi orienté vers l'intérieur comme le moteur Wankel magnétique. Un électro-aimant est actionné en haut brièvement dès que par révolution et le revers-EMF à éteignent est rectifié et rendu aux condensateurs, en formant un générateur très efficace. D'autres caractéristiques de design sont expliquées dans les viseos qui valent la peine sans doute de regarder.

Le générateur, quand la course à pied peut renvoyer un ordre rapide d'étincelles de haut voltage que l'entrepreneur utilise juste d'un étalage intéressant. Pourtant, ces décharges par étincelles sont tout à fait capables de charger une banque de batteries (pour ne pas mentionner, en dirigeant un artifice de pouvoir de style de Don Smith). L'entrepreneur continue alors à ajouter un condensateur ordinaire à la banque de batt-bonnet connectée de série et y couple le moteur :


Cela permet au moteur amélioré de devenir complètement la course à pied de soi aussi bien que la production du pouvoir d'excès qui pourrait facilement charger une banque de grand batteries. À propos, la science conventionnelle dit que c'est “impossible” et donc ils regarderont seulement cette machine avec leurs yeux fermés parce qu'ils ne peuvent pas se permettre de le croire – enfin, qui leur exigerait de modifier leurs présentes théories et les gens qui paient leurs salaires ne permettraient pas un tel changement.

Ce moteur est montré en courant sur les condensateurs, mais s'il est actionné par une batterie ordinaire et dirigé à c'est la vitesse de design de 3,300 tr-min au lieu de l'extrêmement faible vitesse montrée, alors il devrait être en mesure de monter une banque sérieuse à toute vitesse de grands batteries, dont un pourrait alors être utilisé au pouvoir cela pour la course chargeante suivante.


Le Moteur de "UFOpolitics"
Dans le chapitre 2, il y a une section sur comment un expérimentateur modifie le câblage à l'intérieur des moteurs à courant continu. Cette modification a un effet majeur, stimuler la puissance de sortie par une plus grande quantité aussi bien que fournir que supplémentaires générés de puissance électrique. Une personne qui a suivi ses instructions et rembobinée un minuscule moteur de 3 pôles 3 volts, puis essayé de lancer ce moteur sur une batterie de 6 volts déchargée. Le moteur a couru, lentement au début et puis repris à la vitesse. Cela semblait impossible car le moteur consomme 300 milliampères lors de l'exécution et la batterie n'était tout simplement pas capable de fournir que le courant. Toutefois, impossible ou pas, le moteur a couru et a non seulement fait peut-elle fonctionner, mais il a commencé à recharger la batterie, ce qui la stimule. Cela donne à penser qu'il s'agit d'un système autonome qui fournit la puissance de sortie et encore n'a pas besoin d'avoir la batterie rechargée.

La façon dont cela se produit, c'est que ce que nous considérons comme "électricité" est en fait une chose plus complexe appelé "électromagnétisme". Nous pensons que de l'électricité et le magnétisme comme étant deux choses différentes, alors qu'en fait, ils sont deux aspects différents de l'électromagnétisme de l'entité unique. La composante électrique a toujours une efficacité de moins de 100 %, ce qui la composante magnétique a toujours un rendement qui est supérieur à 100 % - ce qui nous ne remarquent généralement pas comme nous avons tendance à ignorer la composante magnétique.

Dans le cas de ce moteur de 3 volts minuscule, il puise son électricité en cours d'exécution "à chaud" courant la batterie. Qui provoque la rotation des champs magnétiques à l'intérieur du moteur et elles génèrent 'électricité froide"qui coule le long des fils d'alimentation et de recharge la batterie.



Quelques Suggestions de Charge de Batterie

À l'aide d'un véhicule pour charger les batteries.

Il est très facile d'oublier ce qui est évident. Il est possible pour les gens qui font un peu juste de la conduite, peut-être au travail et ou peut-être affaire à un rond, pour charger des batteries supplémentaires de l'alternateur de voiture de livraison. Une fois le moteur démarré, batteries supplémentaires peuvent être connectés en parallèle avec la batterie de la voiture, c'est le pôle positif de la batterie supplémentaire ou les batteries se connecte au positif de la batterie de voiture.

Cela établit une énergie supplémentaire du moteur de la voiture et en théorie devrait provoquer certains combustibles supplémentaires à utiliser, mais le carburant supplémentaire devrait être relativement mineur, comme la plupart de la puissance du moteur est utilisé pour pousser l'air côté sous le nom air résistance augmente avec le cube de la vitesse du véhicule. Les accus chargés peuvent être retirées du véhicule le soir et utilisées pour d'alimentation s'allume, téléviseurs, lecteurs DVD, etc. dans la soirée à l'aide d'un petit onduleur commerciale.


Des expériences avec un chargeur de batterie.
Il y a une possibilité intéressante lorsque vous utilisez un des chargeurs de batteries d'impulsion illustrés plus haut dans ce chapitre, disons, un pulseur à semi-conducteurs Alexkor. Bon sens vous dit que si vous voulez allumer un feu à l'aide d'une batterie, puis la plus longue de la lampe doit s'allumer, plue la batterie doit être.


En regardant cela d'un point de vue légèrement différent, on peut dire que plue la période de temps quand la batterie a pour alimenter l'ampoule, plus la batterie peut être. Ainsi, par exemple, si l'ampoule ne deviez être allumés pendant dix secondes, puis la batterie pourrait être assez petite.

Mais supposons que nous devions réduire ce laps de temps juste une seconde, puis la batterie pourrait être très faible et si nous devions réduire le laps de temps à un dixième de seconde, puis la puissance de la batterie pourrait être ridicules comparés à la puissance nécessaire pour exécuter la lumière pour dire, une heure. Cela peut sembler trivial et évident, mais il c'est menant à une stratégie qui pourrait s'avérer utile.

Assez récemment, super condensateurs sont devenus disponibles à des prix raisonnable, avec un 2.5V 5F condensateur coûte aussi peu que £3. Juste pour mettre cela en perspective, en électronique, un condensateur 1000 µF est considérée comme important et un condensateur de 10 000 microfarads est considéré comme très important. Eh bien, un condensateur de 5F est 500 fois plus grand qu'un condensateur de 10 000 microfarads. Ces condensateurs se recharger complètement en seulement quelques secondes, sont efficace à 100 % et devraient rester opérationnels pendant plusieurs années, voire plusieurs décennies.

Supposons alors que nous étions pour relier une ampoule 6 volts dans une batterie au plomb 6 volts. Si la batterie était chargée de dire, 6,6 volts (mesurée une heure après la déconnexion d'un chargeur de batterie) et la lampe étaient branchés sur la batterie et gauche allumés jusqu'à ce que la tension de la batterie est tombée à 5,0 volts (sur charge, qu'elle gagnera beaucoup de tension quand la charge est déconnectée). Puis qui détermine combien de temps la batterie peut alimenter la lampe lorsque l'accu est déchargé tant que ça.

Il serait intéressant de voir si ce nombre d'années pourrait être étendu sans utiliser une plus grande batterie. Supposons que nous étions pour se connecter à un ensemble de trois de ces super condensateurs en série pour former un 7.5V condensateurs de 1.67 F capacité, puis mis en œuvre le circuit suivant:


à l'aide d'un circuit NE555 simple à piloter le relais et s'éteint une fois par seconde. Ensuite, la batterie serait uniquement reliée à la lampe pour la moitié du temps, et il pourrait être “repos” pour la moitié du temps. Cela ressemble à une idée folle que quand la batterie est branchée elle aura à la fois allumer la lampe et recharger la charge dans le condensateur, et certains courant est nécessaire pour exécuter le circuit NE555 et piloter le relais. Qui se traduit par une performance moins bonne qu'avant.

Cependant, que la batterie est débranchée de la moitié du temps, nous pouvons utiliser ce fait à notre avantage en étendant le circuit à cet arrangement:


Cela rend la batterie attirer encore pire car il y a maintenant deux gros condensateurs qui doivent être réapprovisionné chaque seconde pendant que la lampe est alimentée et le circuit NE555 est également alimenté. Mais, pour la moitié du temps, le relais est dans sa position d'autre qui relie condensateur "C2" à l'impulsion-chargeur de batterie, et en même temps, la batterie “repos” est connectée à la sortie du chargeur, alimentation des frais additionnels il.

Vous pourriez vous sentir qu'une période de charge d'une demi-seconde est beaucoup trop court pour être d'aucune utilité, mais ce n'est effectivement pas le cas. Dans le chapitre 5, il n'y a mention du 1989 brevet US 4 829 225 accordée à Yury Podrazhansky et Phillip Popp, leur preuve est que les batteries charge beaucoup mieux et ont une vie plus longue si ils sont pulsés de manière spécifique. Leur formule est la batterie devrait donner une impulsion de charge puissante durant un laps de temps entre un quart de seconde et 2 secondes, le pouls étant la note Ah de la batterie. Autrement dit, pour une batterie 85 de procréation assistée, le pouls de charge serait 85 ampères. Que le pouls est ensuite suivie d'une impulsion de décharge du même, ou encore plu courant mais seulement maintenu pour seulement 0,2 à 5 % de la durée de l'impulsion de charge. Ces deux impulsions sont ensuite suivies d'une période de repos avant la pulsation est répétée. Ils citent les exemples suivants de leurs expériences lors de l'utilisation de cette méthode:


Bien sûr, bien que ce tableau de résultats ne s'applique pas directement à notre circuit proposé, il indique que des résultats très satisfaisants peuvent venir d'une séquence de chargement très intermittente, et alors que j'ai, à ce jour, parlé d'un cycle d'une seconde pour notre circuit d'essai, qui est purement due à l'utilisation du test initial d'un relais mécanique. Si l'essai est satisfaisant, montrant une plus long temps pour atteindre une tension de charge de 5 volts, la batterie et le circuit de relais est remplacé par un transistor (tirage actuel inférieur) circuit, puis un temps de commutation peut-être un dixième de seconde peut être utilisé.

Si le chargeur fonctionne à 300 000 Hz (ce qui n'est que de 10 % de certains des circuits Alexkor), puis avec un timing d'un dixième de seconde sur le temps et un dixième de seconde de temps, puis la batterie recevrait environ 30 000 impulsions cinq fois par seconde, soit 150 000 impulsions charge chaque seconde, ce qui est très proche de certains chargeurs de batterie très réussie qui fonctionnent tout le temps de charge.

Il s'agit d'une idée non testée, mais il semble que si elle peut produire une autonomie sur batterie utilement prolongée et si le commutateur “S” est inclus dans le circuit, puis lorsqu'il est ouvert, la batterie peut bien pouvoir recharger. Que cet arrangement est très simple, il pourrait bien être une valeur stable. Le circuit intégré NE555 peut fournir jusqu'à 200 milliampères, et donc il pourrait probablement conduire la plupart 6V relaie directement si le relais est connecté entre les bornes 3 et le plus de la batterie. Au départ, le circuit NE555 peut être alimenté par une alimentation ou batterie séparée, alors que l'effet du circuit est en extrait. Plus tard si le circuit arrive à bien fonctionner, il peut être alimenté en étant connecté à la batterie via un starter et un condensateur de lissage (avec une varistance bornes du condensateur si vous voulez jouer réellement à l'abri) pour bloquer les impulsions de charge depuis le circuit de distribution, ou il peut être alimenté via un supercondensateur supplémentaire ou de l'un des deux condensateurs existants. Il n'y a, bien sûr, aucune raison pourquoi le circuit NE555 devrait avoir une durée égale à la durée de l'arrêt et donc ratio de Mark/Space de la minuterie est possible réglable et tests exécutés pour voir quel serait le réglage optimal. Cela pourrait être une expérience intéressante.

Toutefois, si vous décidez de tester cette idée, alors que vous pourriez utiliser un relais pour faire le test initial, il pourrait être une bonne idée de tester commutation à semi-conducteurs dans le même temps, la commutation à semi-conducteurs est susceptible d'être beaucoup plus fiables et ont une durée de vie beaucoup plus longue. Nous pourrions choisir d'utiliser des transistors bipolaires car ils sont les plus fiables pour les circuits de basse tension, et afin que nous puissions traiter le circuit comme celui-ci:


Maplins ont 2.7V super condensateurs à des prix très raisonnables. Il serait nécessaire de connecter quatre ou cinq en série afin de répondre aux exigences de tension, bien que faisant cela réduit la capacité globale de manière substantielle. Il serait très facile d'ajouter un contrôle d'intensité en utilisant une résistance variable commuté et un transistor émetteur-suiveur où l'interrupteur court-circuite le variateur mais lorsqu'elle est ouverte, permet à la tension (et donc, le courant) appliquée à la banque LED, à être ajustés, comme indiqué dans la proposition de la lumière du panneau solaire à la fin du chapitre 14.

Au départ, un circuit lent courant 555 peut être utilisé pour entraîner l'un des circuits ci-dessus et inverser la sortie 555 pour entraîner l'autre circuit, à l'aide d'un transistor avec une résistance de base à la protéger. Un circuit plus pratique de charge peut être:


Ici, le chargeur est branché à la batterie à tout moment, grâce à une diode (ou peut-être plus pratique, à travers trois ou quatre diodes, comme UF5408, en parallèle qui alimente actuellement mieux qu'une diode sur son propre), conduisant à un circuit quelque chose comme ça:


Lorsque la broche 3 de la 555 passe au niveau bas, les résistances R1 et R2 de contrôle de la circulation de courant à transistors Tr1 et Tr2, leur commutation entièrement sur afin de charger les condensateurs C1 et C2. Résistance R5 est une valeur forte de dire, 470K et n'est là que pour fournir une voie de circulation du courant lorsque l'interrupteur S est ouvert à éteindre le feu.

La résistance R3 est choisi pour passer le transistor 2N2222 (ou BC109, ou autre transistor petit signal) Tr3 pleinement, lorsque la broche 3 passe au niveau haut, et R4 est choisi pour faire en sorte que Tr3 commutateurs de départ quand la broche 3 est faible, la commutation du chargeur en tournant Tr4 off et privant de courant.

Il est assez fréquent pour un circuit de charge tels que ceux de John Bedini ou d'Alexkor, d'avoir besoin de la batterie en charge pour être connecté en série avec la batterie qui est le moteur du circuit de charge (condensateur C2 dans notre cas). Cela peut être organisé comme ceci :


Ici, la taille du condensateur "C" est augmenté comme il est maintenant fournit aussi bien la lumière et le circuit de charge, qui se déroule tout le temps. Comme la tension les épis sont la haute tension et la charge des implémentations actuelles très élevées, à l'état solide du présent arrangement exigent de test avant d'être montré ici qui en résulte.

Idéalement, nous voulons un arrangement qui s'inspire d'aucun courant significatif quand pas en service pour une sortie USB, et pourtant, qui n'a pas un interrupteur mécanique. Pour que nous puissions faire quelque chose comme ceci:


Ici, la tension de la batterie d'environ 9V ou 9.8V ou autre, est reliée à travers une résistance variable 100K qui perdra un peu moins de 0,1 milliampères. Deux (low-cost) transistors BC109C sont connectés comme une paire Darlington en mode émetteur-suiveur avec une résistance de 1M leur charge. Ces transistors ont un gain qui dépasse généralement 200, et ainsi, de deux ensemble comme ça attire un seul 40.000ème du projet de 10 mA de courant, et c'est seulement 0,25 microamps ce qui représente environ 0,25% du courant traversant VR1 et ainsi, même sous charge, la tension VR1 sera stable. Ceci fait perdre encore 0.006 milliampères lorsque VR1 est ajusté pour donner environ 5.3V comme une sortie sous charge. Une résistance de 100 ohms est branchée en série avec cette sortie, et une broche du "type A" de la prise USB. Comme les broches 1 et 4 sont en circuit ouvert, aucun courant ne circule dans cette résistance jusqu'au moment où une charge est connectée entre les bornes 1 et 4.

Si les broches 1 et 4 ont été court-circuités - ce qui est un cas très peu probable, le courant traversant la résistance de 120 ohms serait 52,5 milliampères, ce qui indique que cette résistance doit être de type demi-watt en tant que la dissipation est de 330 mW. Le moyen le plus efficace pour effectuer le réglage initial serait de régler la tension de sortie faible, branchez un téléphone portable à la prise et ajuster VR1 pour donner 5.3V ou alors sur le socket. Prévenir le chargement de la batterie peut être fait avec un circuit de ce type:


Point "A" est une tension de référence fournie par la résistance R1 et la diode Zener Z1 et maintenue à une tension constante par le condensateur C1. Les actes de IC1 ampli-op comme un comparateur de tension entre les points "A" et "B" (qui est définie par la résistance variable VR1 prédéfini et reflète la tension totale de la batterie). La tension de sortie de IC1 va changer considérablement si la différence de tension entre swaps "B" sur "A" et, mais en aucun cas aux tensions de rails, de sorte transistor Tr1 est là pour donner un élan logique complète. Le courant de base du transistor est fixé par la résistance R3 et la résistance R2 est là pour veiller à ce que Tr1 s'éteint correctement. La résistance R4 a tout à fait une grande valeur car il est juste là pour former une paire de diviseur de tension avec Tr1.

L'op-amp pourrait être un LM358 car il fonctionnera avec des tensions aussi basses que 4,5 V, il est vraiment pas cher, et il attire presque pas de courant. Comme le package comporte deux amplificateurs opérationnels en elle, le second peut être connecté en tant que buffer:


Comme nous voulons que le circuit de basculer lorsque la tension de la batterie augmente, le point B doit commencer à une tension inférieure au point A. Si vous êtes connecté comme indiqué, puis Tr1 s'allume lorsque la batterie est en charge et s'éteint lorsque la batterie est complètement chargée à un ensemble de tension par la position du curseur de VR1.

Comme la batterie reçoit des pointes de haute tension lorsque cours de charge, l'entrée de cette section du circuit est tamponné par la résistance de 100 ohms et le condensateur de 100 nF est là pour tenter de pointes de court-circuit qui obtiennent à travers la résistance de 100 ohms. Un inducteur serait probablement mieux que la résistance de 100 ohms pour les pointes de tension supprimer et raccorder un condensateur beaucoup plus grande en parallèle avec le condensateur de 100 nF pourrait être une aide supplémentaire pour maintenir les rails de tension de cette section du circuit à une tension moyenne constante. Le choix de la résistance R1 et de la tension de la diode Zener ne sont pas critiques. Le courant à travers R1 peut être très bas que IC1 doit presque pas de courant et comme il ya un condensateur réservoir à travers la diode Zener et qui va garder la tension constante.

Résistances R2 et R3 sont choisis en fonction de Tr1, R3 afin de s'assurer qu'il s'allume correctement lorsqu'il est connecté au circuit de charge et R2 pour s'assurer qu'il s'arrête correctement lorsque ensuite la broche de sortie 7 de IC1b tombe à son plus bas d'environ 2 volts . Il est probable que R4 ne sera pas nécessaire que TR1 sera probablement relié directement dans le circuit de charge afin de pouvoir le bas ou arrêter oscillant.



La Batterie Humide de Nathan Stubblefield
Nathan Stubblefield était un homme exceptionnel et son brevet US 600 457 de 1898 est très intéressant. Bien que je n'ai pas confirmé personnellement, son brevet prétend qu'une bobine de cuivre et de fil de fer enroulé côte à côte et placé dans l'eau, ou même un milieu humide comme chiffon humide ou même un sol humide, va produire un niveau “pratique” de pour un courant indéfiniment longue période de temps. Comme le remarque Stubblefield, “couples voltaïques” banales placés dans l'eau ne sont pas capables de fournir un courant important en raison de leur forte résistance interne.

Stubblefield affirme que son design est très différent de ceux qui ont fait partie il ya plus de cent ans, parce que son amoureux enroulé peut fournir un niveau de courant qui est utile et utilisable. La construction est très simple. Il commence par un boulon de fer central. Si je comprends bien sa conception correctement, que le boulon ne doit être le fer si la batterie doit être modifié pour générer une forme d'onde CA. Donc, si oui ou non il est composé de fer, le point de départ est un boulon qui est utilisé en tant que composant de base pour l'enroulement de la bobine:



Un disque non métallique tel que du bois, est positionné à chaque extrémité de façon à former une bobine pour l'enroulement:



Comme la tige du boulon est conducteur, et depuis un fil de la bobine est d'être le fer non isolée, afin d'empêcher les spires de cette bobine en court-circuit à travers l'arbre central de la culasse, une mince couche de tissu est utilisé pour isoler la vis que le tissu peut absorber et retenir l'eau 'électrolyte' qui est nécessaire pour le fonctionnement de cette batterie humide.

Ensuite, une couche d'enroulement bifilaire en fil de fer nu à côté de fil de cuivre isolé est enroulé le long de toute la longueur de la vis, puis recouvert d'une fine couche de tissu. Il n'est effectivement pas nécessaire de prendre le départ des deux fils à travers le disque de fin de ces deux extrémités seront toujours laissées libres de toute façon:



Ce processus est répété de bobinage, couche par couche, jusqu'à ce que la bobine a été remplie:



Et que, selon Stubblefield, complète la batterie CC, lorsqu'il est placé dans l'eau, ou bien, a toutes les couches de tissu imbibé d'eau. A une extrémité de la bobine, le fil de cuivre, et le fil de fer sont laissées libres, tandis que les autres extrémités des fils sont utilisés pour alimenter la charge.

Cependant, Stubblefield prend la conception un peu plus loin (à condition que le boulon a été faite de fer ou un métal magnétique similaire). Comme les fils parcourus par le courant de la batterie sont sous la forme d'une bobine, le courant qui circule à travers eux produit un champ magnétique suffisant pour alimenter un enroulement secondaire qui peut être construit autour des bobines de batterie comme indiqué ici:



Si un commutateur est utilisé pour déconnecter la charge à courant continu à plusieurs reprises à une fréquence élevée de commutation, puis un courant induit est généré dans la bobine secondaire, et que la puissance peut être induite à une haute tension si la bobine secondaire a de nombreux virages. La bobine secondaire est juste une bobine de fil de cuivre hélicoïdale droite, dans le style typique d'un transformateur.

Le dispositif de commutation peut être très simple comme un relais peut être utilisé dans le cadre de la charge de la batterie humide CC et relié par son propre contact "normalement fermée" comme ceci:



Ici, la cellule humide produit du courant tout le temps et pour qu'il se mette la bobine de relais à travers le contact de relais fermé et par le fil de l'enroulement secondaire entourant. Le flux de courant à travers la bobine de relais pousse l'ouverture du contact du relais, la rupture du passage du courant dans l'enroulement secondaire. Cela génère la haute tension contre-électromotrice impulsion que l'utilisateur veut. Ensuite, parce que le flux de courant à travers la bobine de relais a été coupée, le contact du relais se ferme à nouveau et le processus se répète indéfiniment, la génération d'un train d'impulsions à haute tension qui sont alimentés vers le circuit "B" ci-dessus. En ces jours de circuit à faible tension, il est plus probable que la cellule de base humide serait utilisé seul pour alimenter un circuit CC.



Le Trois-Kilowatt Terre Batterie
Cette batterie n'a pas besoin de charge en tant que telle. Batteries de la Terre sont bien connus. Ils sont des paires d'électrodes enterrées dans le sol. L'électricité peut être tirée d'eux, mais ils sont généralement peu d'intérêt que les niveaux de puissance ne sont pas grandes. Cependant, dans son brevet de 1893, Michael Emme, un Français vivant en Amérique déterminé comment obtenir des niveaux très graves du pouvoir par une batterie de terre de son design. Dans cette unité particulière qu'il décrit dans son brevet US 495 582, il obtient 56 ampères à un peu moins de 54 volts, ce qui est trois ou quatre kilowatts HP. A cette date tôt, il était généralement, pas beaucoup besoin d'électricité, mais affirme que Michael en sélectionnant le nombre et la méthode de connexion des composants individuels, toute tension souhaitée et / ou de courant peut être fait. Ceci, bien sûr, est un système simple qui implique aucune électronique.

AVERTISSEMENT: Ce document est uniquement à des fins d'information et ne doit pas être considéré comme une recommandation ou un encouragement pour vous de réellement construire une batterie de terre de ce type. Si vous choisissez de le faire, en dépit de cet avertissement, puis toute responsabilité pour les résultats est entièrement vôtre. Se il vous plaît garder à l'esprit que certaines formes de construction utilisent les acides forts et une manipulation imprudente d'acide fort peut entraîner dans la peau et d'autres dommages. Vêtements de protection doit être utilisé lors de la manipulation des acides et d'un alcali devrait être prêt pour un usage immédiat si la manipulation imprudente provoque des éclaboussures.

Résumant son brevet, Michael dit :

Mon invention concerne générateurs chimiques de l'électricité, où un corps prêt de la terre est le support et l'excitation moyenne pour les électrodes ou éléments. Ne importe quel nombre d'éléments peut être assemblé de la même pièce de terre et relié à une chaîne ou un ensemble de chaînes afin de produire la tension et / ou intensité de courant souhaitée.

Je trouve que plusieurs chaînes linéaires d'éléments peuvent fonctionner séparément à condition que l'écart entre les chaînes est beaucoup plus grande que l'écart entre les éléments qui forment la chaîne. Étant tout à fait distinct, ces chaînes peuvent être connectés en série pour augmenter la tension, ou en parallèle pour augmenter le courant disponible.

Il est nécessaire de préparer le sol dans le sol dans la zone immédiate autour des électrodes qui forment chaque élément de la chaîne.


Fig.1 montre cinq éléments reliés en une chaîne. Ce point de vue est d'en haut avec les rectangles indiquant trous dans le sol, où chaque trou contient sept paires d'électrodes séparées.



                 

Fig.2 et Fig.3 montrer comment électrodes individuelles sont insérées dans le sol préparé "C" qui est entourée par terre non traitée "B". Electrode "D" est en fer et "E" est en carbone.




Fig.4 montre comment les électrodes en forme de coin peuvent être utilisées comme une variante de construction. L'avantage est qu'il est plus facile de tirer une électrode se effilant hors de la terre.




Fig.5 montre les circuits de circulation de courant internes qui fonctionnent lorsque une chaîne d'éléments est utilisé. Les flèches indiquent le sens de circulation du courant.




Fig.6 représente une méthode pratique pour humidifier périodiquement les zones de sol préparé.



Le sol de ne importe quel type peut être adaptée pour une utilisation avec un générateur électrique de ce type en saturant le sol entourant immédiatement chaque paire d'électrodes avec une solution appropriée qui est riche en oxygène, le chlore, le brome, l'iode ou le fluor, ou avec une solution d'un sel d'un alcali.

Pour les électrodes, je préfère utiliser fer doux pour l'électrode positive et du mal carbone de coke pour l'électrode négative. L'électrode positive est de préférence une barre en forme de U de fer qui a une section transversale circulaire. Les deux branches du U à cheval sur la tige de carbone. La fonte peut être utilisé, mais il donne une tension plus faible, probablement en raison de l'atome de carbone et d'autres impuretés à l'intérieur.

Magnésium donne d'excellents résultats, produisant 2,25 volts par paire d'électrodes où le carbone est l'électrode négative

                 

Dans la mise en œuvre de mon invention, je Niveau un morceau de terrain de superficie suffisante pour contenir la ou les chaînes de génération. Par exemple, pour trois cents éléments positifs chacun 500 mm de long et 50 mm de diamètre, courbé, comme indiqué sur la Fig.3, la longueur de la pièce de sol doit être d'environ 32 mètres et 1 mètre de large. Je creuse 43 trous à une distance de 735 mm de distance (centre à centre) dans une ligne. Chaque trou est de 250 mm de large et 750 mm de long et assez profond pour contenir les sept paires d'électrodes.

Le sol meuble creusé des trous est mélangé avec le sel ou acide choisi afin de rendre le générateur actif. Par exemple, si le sol est une terre végétale, puis de l'acide nitrique concentré du commerce doit être ajouté en quantité suffisante pour saturer le sol, et le peroxyde de manganèse ou de bioxyde de manganèse doit être mélangé avec la masse. Si le sol a un caractère sableux, puis de l'acide chlorhydrique ou du carbonate de sodium ("lavage à la soude") ou de la potasse peuvent être utilisées. Si la bobine est une argile, puis de l'acide chlorhydrique ou l'acide sulfurique et le chlorure de sodium peuvent être utilisées, le sel étant dissous dans de l'eau et on le verse dans le trou avant que l'acide est mélangé avec le sol. Le fond du trou est humidifié avec de l'eau et le sol préparé mélangé avec de l'eau jusqu'à la consistance d'une pâte épaisse est ensuite placé dans le trou, qui entoure les électrodes. Les 43 groupes d'électrodes lorsque câblés en série comme le montre la Fig.1, donnera 53,85 volts et 56 ampères, l'élaboration d'un total de 3 015 watts.


En augmentant le nombre de cellules, la capacité de la génératrice peut être augmentée de façon correspondante à une puissance de sortie souhaitée. Le corps prêt du sol devrait être périodiquement humidifié, de préférence avec l'acide avec lequel il a été traité lors de la première préparé pour l'action. Dans un générateur destiné à être utilisé en continu, je préfère fournir un réservoir tel que représenté par "A" sur la Fig.6, et d'exécuter un tuyau fait d'un matériau qui ne est pas attaquée par l'acide, le long de la chaîne d'éléments, avec une buse sur chaque élément de sorte que tous peuvent être humidifiées très facilement. Toute accumulation d'oxydes ou d'autres produits de la réaction entre le sol préparé et les électrodes peut être retiré en augmentant l'électrode positive et forçant alors le remettre en place à nouveau. L'électrode de carbone peut être nettoyée en tournant simplement sans la soulevant de sa place.

Je estime que la durée d'utilisation du générateur au cours de laquelle aucune addition de sel ou d'acide est nécessaire, augmente avec la durée d'utilisation. Par exemple, lors de la première journée d'utilisation, l'acide ou de sel devraient être ajoutés après 10 heures d'utilisation, après quoi il sera un rendement de 26 heures de service, puis après l'autre humidifiant il fonctionnera pendant 48 heures, et ainsi de suite, progressivement augmentation de la durée entre être humidifié. Ce générateur fonctionne de façon très cohérente et fiable.

* * * *


De nos jours, on trouve courant réseau à tension alternative la plus pratique à utiliser. Pour un système de ce genre, nous serions enclins à utiliser un onduleur ordinaire qui fonctionne sur douze volts ou vingt-quatre volts. Cependant, il convient de rappeler que le courant de travail d'entrée est élevé et donc, le fil utilisé pour transporter que les besoins actuels d'être épaisse. A 12V, chaque kilowatt est un courant d'au moins 84 ampères. Au 24V que le courant est 42 ampères (l'onduleur lui-même est plus cher car moins sont achetés). Usage domestique considérable peut être eu d'un inverseur de 1500 watts.

La construction fer / carbone tendre décrite par Michael Emme produit 54V à partir de 43 ensembles d'électrodes, indiquant autour de 1,25V par set à haute consommation de courant. Il semble raisonnablement probable que dix ou onze ensembles d'électrodes donneraient autour de 12V à courant élevé et trois de ces chaînes reliées en parallèle doit être capable d'alimenter un convertisseur 12V 1500 watts en continu à coût de fonctionnement extrêmement faible.



Un Chargeur de Batterie Pour Seule Batterie
Johan Booysen d'Afrique du Sud utilisé circuits de électrolyseur développé par Bob Boyce d'Amérique, pour charger une batterie. La chose importante est qu'il y avait une seule batterie impliqué que la batterie est chargée en fait alimenté le circuit de charge. La batterie en cause était une batterie de 12 volts au plomb-acide 18 ampères-heure qui a donc une efficacité de seulement 50%, ce qui signifie que la batterie doit recevoir deux fois plus de courant par rapport au courant qui il peut revenir par la suite. Johan utilisé la batterie pour alimenter une voiture jouet qui sa jeune fille joue avec. Il a accusé batterie pendant la nuit afin qu'elle puisse l'utiliser le lendemain à conduire autour.



Alors que la vitesse maximale de la voiture est à seulement deux ou trois miles par heure, le point important est que la vraie, l'énergie authentique est mis dans la batterie tous les soirs, de l'énergie qui alimente le de voiture-jouet chaque jour. Un dispositif de ce type, qui peut charger une batterie sans soleil, sans la nécessité pour le vent et sans avoir besoin de carburant, a d'importantes applications pour les personnes vivant dans des régions éloignées où il n'y a pas d'alimentation secteur et ne sera jamais comme il est pas économique pour exécuter des lignes électriques il. La question est: un tel dispositif peut être faite qui est fiable et sûr à utiliser?

AVERTISSEMENT: les informations suivantes est PAS pour les débutants mais il est uniquement destiné aux personnes qui ont de l'expérience dans l'électronique et qui sont conscients des dangers encourus. S'il vous plaît comprends clairement que je ne recommande pas que vous devez construire quoi que ce soit sur la base des informations suivantes.

Tout d'abord, s'il vous plaît comprenez que vous vivez dans un endroit dangereux. Vous êtes entouré et immergé dans une mer d'énergie majeur qui coule à travers vous, à tout moment. Un éclair est millions de volts avec un courant de dix mille ampères ou plus. Voilà une énorme quantité de puissance et on me dit que dans le monde, il ya entre 100 et 200 de ceux foudre frappe à chaque seconde. Le domaine de l'énergie ne serait même pas remarquer les flux d'énergie comme ça, même si pour nous, ils semblent être des quantités massives de puissance.

Nous ne remarquons pas le domaine de l'énergie parce que nous avons été à l'intérieur pour l'ensemble de nos vies. Il est dit, et je suis enclin à le croire même si je ne sais pas comment le prouver, qu'il est impossible de créer ou de détruire l'énergie, et le plus que nous pouvons faire est de convertir d'une forme à une autre ( et quand nous faisons cela, nous parvenons généralement à rendre le flux d'énergie faire un travail utile pour nous). Une façon d'affecter le domaine de l'énergie est de créer un très court très forte, pointe de tension, haute. Cela perturbe le champ d'énergie entourant assez pour faire de petites ondulations en elle et nous pouvons parfois rassembler ces ondulations et d'utiliser certains d'entre eux à faire des travaux électriques pour nous.

Une autre façon connue d'accéder à ce champ d'énergie énorme est de créer un champ magnétique tournant, mais vous devez être très, très, attention si vous essayez de faire que vous déconner avec un champ de puissance incroyable d'énergie. Vous avez probablement entendu parler de la fameuse équation E = mC2, et alors que la plupart des gens pensent que cela venait de Albert Einstein, la réalité est qu'elle a été produite ans plus tôt par Oliver Heaviside et Einstein seulement ont publiée. Qu'est-ce que l'équation dit est que l'énergie et la matière sont interchangeables et qu'un minuscule grain de la matière peut être créé à partir d'une très grande quantité d'énergie. Oliver Heaviside également calculé que le domaine de l'énergie dont je suis en train de décrire, remplit chaque partie de l'univers, et que l'énergie est si grande que le montant intérieur d'un centimètre cube est suffisante pour créer la totalité de la matière visible que nous pouvons voir dans l'ensemble de l'univers. On ne plaisante pas avec ça domaine de l'énergie, sauf si vous savez ce que vous faites, et même si vous ne savez ce que vous faites, vous devez toujours être très prudent. S'il vous plaît comprendre que l'énergie électrique avec lesquels nous sommes familiers, est une onde transversale tandis que l'univers est rempli d'énergie des ondes longitudinales et ces deux formes sont complètement différents, de sorte que les effets électriques qui vous sont familiers ne sont pas applicables à l'énergie qui accusations la batterie de Johan.

Bob Boyce est un homme exceptionnellement intelligent et perspicace. Il a expérimenté avec des champs magnétiques rotatifs et a été frappé par la foudre à la suite. Je ne peux pas trop insister, que les champs magnétiques rotatifs sont très dangereux. Idéalement, vous voulez éviter un champ magnétique tournant. Bob a développé une alimentation toroïdale très efficace et sans danger pour sa haute performance HHO électrolyseur. Que l'alimentation est un système ouvert qui fournit plus de puissance à la charge que ce qui est tirée de la batterie et il ressemble à ceci :



Qui pour un système à basse tension (non que soit la haute tension de 100 cellules d'électrolyseurs en série) serait probablement :



Ici, la tension continue l'état d'équilibre de la batterie a ajouté à cela, la forme d'onde générée par la carte électronique pulsant le tore. En ce qui concerne tores, Bob dit qu'il ne considère pas le fer de ferrite ou feuilleté être tores appropriés, car il est tout simplement pas sûr de les utiliser dans les circuits de ce genre, sauf à très basse fréquence qui signifie une faible efficacité. Dans ces systèmes, il doit y avoir un compromis entre le contrôle et le pouvoir et un emballement contrôlée est très dangereux. Rappelez-vous ici, que ce système est puiser dans la source d'énergie qui alimente l'univers entier en continu et ce qui sort de la tore de Bob est essentiellement la même énergie des ondes longitudinales. Au passage, presque tous, et peut-être tous les artifices d'énergie libre, y compris les panneaux solaires, roues hydrauliques, dispositifs houlomotrices, biomasse, etc. sont alimentés par ce champ d'énergie littéralement universelle des ondes longitudinales.

En regardant plus en détail, le tore de Bob est un 6,5 pouces (165 millimètres) de fer d'un diamètre de tore poudre vendu par MicroMetals en Amérique, et il est enroulé d'abord avec l'enroulement secondaire qui va tout le chemin autour de la tore :



Le fil utilisé doit être simple brin fil de cuivre massif, revêtu d'argent et recouverts d'isolant téflon plastique. Différents tores fonctionnent de façon différente et ainsi auraient besoin d'expérimentation en utilisant différents types de fil et le nombre de tours dans les enroulements. Cet enroulement secondaire doit être enroulé avec une précision parfaite donnant espaces exactement même entre les tours autour du bord extérieur du tore et il est recouvert de ruban adhésif sur avec du ruban électrique ordinaire (ne pas utiliser la fibre de verre ruban sinueux et ne pas utiliser de fil multi-brins que soit de ceux qui empêchera le circuit de fonctionner correctement).

Trois enroulements primaires sont maintenant enroulés sur le dessus de la bande qui couvre l'enroulement secondaire (à noter que le fil d'enroulement primaire commence sur le dessus du tore et est enroulée de gauche à droite) :



Encore une fois, il est essentiel que le fil utilisé est solide, le cuivre single-core avec un revêtement d'argent et revêtement de téflon. Le tore complété est lié avec la bande et projeté en étant placé à l'intérieur d'une boîte en métal mis à la terre. Les signaux de commande pour le tore sont comme ça :



Un système similaire avec une division par deux circuits pour produire chacune des fréquences plus basses a été essayé et il a été constaté que cela n'a pas fonctionné ainsi que d'avoir trois oscillateurs distincts qui sont près des fréquences harmoniques, mais pas une harmonique exacte, car ce produit une série complexe d'hétérodynage répétée des signaux et de la forme d'onde globale résultante est beaucoup plus riche que prévu. Donc, si vous essayez de reproduire la forme d'onde en utilisant un Arduino ou autre planche PIC microprocesseur, il pourrait être souhaitable de régler les fréquences inférieures à un nombre impair de tops d'horloge de sorte qu'une forme d'onde complexe est produite. Il est en fait moins cher et plus pratique à utiliser des composants discrets: 555 puces de minuterie avec des résistances présélectionnées multi-tour afin que l'ajustement peut être faite sans l'arrêt d'un essai. La fréquence la plus élevée est la fréquence clé et les deux basses fréquences sont utiles, mais de moindre importance. Lors de l'ajustement du circuit, la fréquence la plus élevée est ajusté pour donner le meilleur rendement. Puis le déclenchement de cette fréquence est ajusté pour trouver l'entrée plus bas courant qui donne encore ce niveau de sortie. Ensuite, la même procédure est répétée pour la deuxième et ensuite les modules de fréquences les plus basses.

Vous remarquerez ici que chaque enroulement sur le tore primaire est alimenté par son propre signal séparé et il n'y a aucune suggestion que ce soit que les trois enroulements sont entraînés successivement pour former un de ces champs magnétiques rotatifs très dangereuses. Bien que le schéma ci-dessus peut être légèrement avancé, il est en fait, très simple dans ses grandes lignes. Les circuits peuvent être comme ça :



Je ne suis pas très heureux avec le circuit ci-dessus. Nous travaillons à partir d'une tension d'alimentation unique de la valeur nominale de 12 volts et le circuit a une section de génération de signal qui fonctionne à faible courant, et une section d'entraînement à courant élevé pour la bobine toroïdale. La résistance et le condensateur marqués “ B “ sont à fournir la puissance découplage de la section faible courant avec l'isolateur opto PCP116 séparant les deux sections du circuit. Cependant, ce ne est pas une très bonne solution que les impulsions de courant le long du fil d'alimentation seront certainement créer des fluctuations de tension à haute vitesse dans ce fil. Il ya un certain nombre de solutions. On pourrait être d'ajouter dans un petit étranglement au point " A ", et / ou de fournir un second fil d'alimentation reliant au point " A " :



Tous les enroulements d'étranglement doivent être tenus à l'écart des enroulements de tore pour éviter un couplage inductif, et ils devraient être en dehors de la boîte de sélection contenant le tore. Peu importe quel arrangement est jugée appropriée, trois de ces circuits sont nécessaires afin de conduire les trois enroulements séparés sur le tore. La seule différence dans les deuxième et troisième circuits est le condensateur de fréquence :







S'il vous plaît rappelez-vous qu'il est la technologie de Bob Boyce qui est puiser dans cette puissance supplémentaire de l'énergie de fond ambiant qui entoure et coule à travers nous. Aussi, comprendre que ce qui sort du tore est non seulement l'énergie conventionnelle 'onde transversale », mais à la place, il est l'énergie des vagues essentiellement longitudinale qui nous ne pouvons pas mesurer directement. Bob souligne que si votre charge est capable d'absorber des courants longitudinaux, comme l'eau ou à un degré moindre, une ampoule, alors cette puissance de l'onde longitudinale sera l'exécuter. Si l'énergie d'entrée est correctement configuré, alors que les causes de l'énergie des vagues longitudinale modulé à circuler sur les fils du transformateur toroïdal parce que l'énergie d'entrée module le domaine de l'énergie des ondes longitudinales locale. Lorsque le tore est enroulé et entraîné pour une efficacité maximale, l'unité se comporte comme un émetteur Tesla grossissant et un récepteur d'énergie radiante Tesla, le tout dans un seul paquet. Il ya un gain d'énergie dans le processus, ce qui explique pourquoi Tesla a appelé un émetteur 'grossissant. Ce gain d'énergie est produite par la source d'énergie petite que nous fournissons, la modulation de la source d'énergie beaucoup plus grande qui est la source de l'univers entier longitudinale d'onde dominante de l'énergie, et puis nous capturer et d'utiliser cette énergie modulé pour faire un travail utile.

La sortie du tore est une combinaison de l'énergie des vagues transversale conventionnelle et énergie non conventionnelle onde longitudinale. Ce sont les caractéristiques de la charge qui détermine la quantité d'énergie sera récolté à partir de la composante de l'énergie des vagues longitudinal de la sortie. Uniquement de l'eau absorbe l'énergie des vagues longitudinale si cette énergie est modulée à la fréquence correcte. Les ampoules et certains moteurs peuvent fonctionner directement sur ("électricité froide") en cours d'onde longitudinale, mais ils le faire à une efficacité réduite. De nombreux appareils et équipements électroniques modernes auraient besoin d'avoir l'énergie des vagues longitudinale convertie en énergie des ondes transversales afin d'être en mesure de fonctionner sur cette énergie.

Pour la production de gaz HHO, l'électronique et le tore se ont été conçus pour produire dissociation de l'eau d'une manière relativement sûr et ce qui est la raison pour laquelle Bob insiste pour que les expérimentateurs HHO bâton avec un mode de champ pulsé de fonctionnement. Il est beaucoup plus faible dans le gain d'un système de champ de rotation serait et de ce fait plus faible gain, il est beaucoup moins enclin à aller dans une condition d'emballement où l'énergie de sortie augmente le gain d'énergie longitudinale au point où les surcharges du système et passe en avalanche fuyez. En utilisant de l'eau comme charge, toute augmentation de l'énergie de sortie est absorbée par l'eau et il est donc un processus d'auto-stabilisation. Même si une avalanche se produit dans un système de gaz HHO, la faible densité de puissance de la mode pulsé permet à l'eau pour absorber la hausse de puissance et qui provoque un peu plus d'eau pour se transformer en gaz. Cela signifie que, pour être sûr, l'énergie d'entrée doit exercer un contrôle total sur la tendance à l'auto-évaluations et une charge DOIT toujours être présent lorsque l'appareil est en marche.

L'eau est préférée parce qu'elle ne brûle pas, il se dissocie simplement. Nous syntoniser la fréquence primaire d'être l'un qui fonctionne bien avec de l'eau. Il est une fréquence qui permet à l'eau d'absorber la composante longitudinale meilleur. Voilà pourquoi en utilisant juste pulsation DC ne donne pas le même effet. DC ne contient pas l'énergie de l'onde longitudinale à laquelle l'eau réagit dans un système d'entraînement de résonance. Malheureusement, la meilleure fréquence d'absorption d'énergie longitudinale par l'eau est affectée par de nombreux facteurs, de sorte que nous devons nous efforcer de maintenir le système en phase pour la meilleure absorption de cette énergie. Les deux autres fréquences améliorer ce processus de collecte de l'énergie sans augmenter considérablement les risques associés.

Bob sait que cette technologie de puissance entière semble Hocus Pocus à ceux éduqués dans le comportement traditionnel de l'énergie des vagues transversale, mais l'énergie des vagues longitudinale est très réel et peut être utilisé à notre avantage. De nombreuses inventions et dispositifs ont été construits qui peuvent puiser dans cette énergie invisible et non mesurée. L'eau en moyenne pour l'expérimentateur de carburant n'a aucune idée quant à la façon dangereuse de ce côté de l'énergie de la technologie peut être, par conséquent, la quantité de travail qui Bob dépensé en essayant de faire une version relativement sûr pulsé dont l'expérimentateur moyenne peut utiliser en toute sécurité. Sinon, les expérimentateurs sont susceptibles de se tuer en essayant d'appliquer une technologie très dangereux pour une application très simple, le tout dans le but de générer plus de gaz HHO à la demande. Bob est pas le seul à le faire. Meyer, Puharich, et d'autres, ont réussi à puiser dans cette énergie est une façon sûre et contrôlable.

Lorsque Johan essaie de charger une batterie plomb-acide, il n'y a pas électrolyseur rempli avec de l'eau pour absorber un emballement d'avalanche. La seule eau disponible est dans le contenu acide de la batterie et il est celui qui se dissocier en gaz HHO intérieur de la batterie. Ce mélange de gaz HHO est dans les proportions exactes de l'explosion de nouveau dans l'eau à nouveau. Ce qui n'a pas été souligné est que le gaz HHO produit est fortement chargé électriquement et exploser si la pression du gaz dépasse une quinzaine de livres par pouce carré. Alors que toute mention d'une explosion est effrayant, la réalité ne correspond pas à ce que la plupart des gens imaginent. Plus tôt dans ce chapitre, Ronald Chevalier qui est un testeur de batteries expérimenté (en utilisant seulement l'énergie des ondes transversales), explique clairement la situation :

Je ne l'ai pas entendu parler de quelqu'un ayant une défaillance catastrophique d'un boîtier de la batterie dans tous les groupes d'énergie dont je fais partie et la plupart d'entre eux utilisent des batteries dans les différents systèmes que je étudie. Toutefois, cela ne signifie pas qu'il ne peut pas arriver. La raison la plus fréquente de l'échec catastrophique dans le cas d'une batterie au plomb, est un arc, provoquant une défaillance dans les grilles qui sont assemblés à l'intérieur de la batterie pour compenser les cellules de la batterie. Toute arc interne sera causer une accumulation rapide de la pression de l'expansion de l'hydrogène gazeux, entraînant une défaillance catastrophique de l'affaire de la batterie. Pendant les tests du constructeur, la batterie est chargée avec le courant maximum qu'il peut prendre. Si la batterie ne souffle pas en raison de l'arc interne pendant la charge initiale, il est fort probable que ce ne sera pas sauter dans l'utilisation régulière pour lequel il a été conçu. Cependant, tous les paris sont ouverts avec les batteries usagées qui ont dépassé leur durée de vie prévue. Je l'ai connu plusieurs échecs catastrophiques de boîtiers de batterie quotidienne au travail. Je suis debout juste à côté de batteries quand ils ont explosé et je ne ai été effrayé par elle.

Je dirais que lors de l'essai de nouveaux, des circuits peu orthodoxes de ce genre, que la batterie est placée dans une boîte robuste qui a évents couverts de chicanes afin que le gaz peut s'échapper librement, mais tout acide ou des fragments de cas sont gardés à l'intérieur de la boîte. Personnellement, je ne l'ai jamais eu une batterie exploser, et je ne ai jamais vu une batterie explosé.

Je comprends que Johan relie la sortie du circuit à la batterie de cette façon :





La bobine en rouge dans le diagramme est d'environ 18 tours sur un petit tore qui semble correct, mais les deux autres bobines semblent être seulement six ou sept boucles dans les fils de connexion, pas enroulé côte à côte sur un ancien magnétique, mais juste gauche comme si le raccourcissement de la longueur du câble.



En conséquence, il est nettement possible que ces deux inductances ont été omis en tant que l'inductance de ces boucles doit être très faible. Le point d'une self est que ça va passer CC tout en bloquant pointus (onde transversale) des pics de tension. Si ces deux selfs sont aussi inefficaces que leur apparence, alors le circuit serait :



Alors que la photo ci-dessus semble montrer un fusible placé dans le fil de sortie avant que le starter, je suis sceptique quant à le faire. La vitesse longitudinale de l'énergie est si grande qu'un fusible est très peu probable d'opérer assez vite pour être toute utilisation. En outre, l'énergie longitudinale ("froid") a l'effet inverse de ce qui est attendu avec onde transversale énergie («ordinaire»). Tout fusible a une résistance et est censé souffler quand il brûle à travers la chaleur soulevé causée par un courant excessif qui le traverse. Énergie transverse serait refroidir le fusible plutôt que de chauffer. Cependant, un fusible pourrait bien avoir un effet stimulant sur l'ensemble du processus de charge, car tout une résistance entrave la circulation de l'énergie des ondes transversales elle stimule effectivement le flux d'énergie de l'énergie longitudinale, le dessin en puissance supplémentaire à partir de notre domaine de l'énergie environnante. Dans une surtension emballement, le fusible ne serait pas utile, mais lors de l'exécution normalement, il pourrait bien être. Permettez-moi de souligner ici que ce que mon opinion est non testé et, contrairement à Bob Boyce, je ne suis certainement pas un expert dans cette technologie.

Permettez-moi de souligner encore que ce NE EST PAS une recommandation pour que vous essayez de construire ou d'utiliser quelque chose de cette nature, en dépit du fait qu'il a bien fonctionné pour Johan. Nous devons nous rappeler que Johan utilisait une version plus avancée de circuits électroniques de Bob, celui dont les détails ont pas été libérés. A cause de cela, il peut être nécessaire de placer une diode entre la sortie du circuit et la borne de la batterie ainsi. Cette information est seulement une suggestion pour l'expérimentation qui pourrait bien être éventuellement effectuée par des experts de l'électronique expérimentés.



Une Charge Rapide Joule Thief Variation Cet arrangement quelque peu inhabituel pour un chargeur de batterie vient de René qui a posté une vidéo à ce sujet à l'adresse ici disant qu'il charge les batteries très rapidement.



La technique consiste à utiliser une unité de vingt volts d'alimentation de courant pour faire fonctionner le circuit dans les conduites classiques mode de charge, mais au lieu de connecter l'alimentation électrique vers le moins de la batterie étant chargée, une Joule circuit du Voleur simple est insérée dans cette ligne. Cela signifie que le Joule circuit du Voleur fonctionne sur la différence de tension entre l'alimentation secteur et la charge des batteries tension actuelle. Comme les frais de la batterie jusqu'à, la tension de fonctionnement de Thief Joule chute. René dit que la diode à travers le bloc d'alimentation est nécessaire, mais il ne sait pas pourquoi. Bien que ce soit un circuit intéressant, laissez-moi juste exprimer quelques opinions, sur elle, et permettez-moi de souligner que ce ne sont que des opinions que je ne l'ai pas construit et utilisé ce circuit.

La charge des batteries à partir des fluctuations de tension contre-électromotrice produite par les bobines lors de leur courant est coupé, nécessite généralement la forme négative de la batterie en cours de charge pour être relié à la positive de la batterie, qui est mise sous tension du circuit. Ce ne sont pas une caractéristique essentielle de ces circuits, mais il est fait parce que si vous ne faites pas, alors en cours iront directement à partir de la batterie d'alimentation en charge de la batterie. Cependant, dans ce cas, qui est exactement ce que le concepteur veut arriver et il n'y a donc pas de raison évidente pour laquelle il ne devrait pas être une ligne négative commune. Cela signifie qu'une batterie 14V secteur chargeur ordinaire peut être utilisé et le voleur Joule peut fonctionner avec un niveau de tension fixe. À moins que les gains de conception de René puissance de charge en ayant le Joule circuit du Voleur en série avec la batterie chargée, je dirais que le circuit pourrait mieux fonctionner comme ça :



Cette disposition donne au secteur de charge comme avant et tension constante alimentation de la Joule circuit du Voleur qui ajoute des impulsions de charge au réseau CC approvisionnement alimentés à la batterie en cours de charge.


Circuits de Recharge de Charles Seiler
En août 2009, Charles Seiler publié certains circuits d’impulsions qui sont intéressants de chargement de la batterie. La première est basée sur le circuit de 1913 de Alexander Meissner qui ressemble à ceci :



Il s’agit d’un circuit un peu inhabituel qui est compacte et efficace. Le 10K fixé la résistance diminue la tension à travers la résistance variable de 10K à propos 6V pour rendre plus facile la mise au point. La résistance variable est ajustée pour que le transistor s’apprête à mettre en marche, et puis le disque supplémentaire de la paire de condensateur/bobine rend le transistor allumer rapidement.

Charles a modifié ce circuit en remplaçant le condensateur de contrôle de fréquence “ C “ avec la capacité interne de la batterie en charge, rendant le taux proportionnel à l’état de la batterie en charge charge :



Lorsque vous définissez correctement, ce circuit fonctionne cool sans avoir besoin d’un dissipateur de chaleur sur le transistor. La taille du condensateur n’est pas essentielle et peut être ajustée pour un meilleur rendement. Les bobines sont enroulés avec des longueurs égales de fil et enroulés avec les fils côte à côte, soit air-noyau ou avec une âme isolante de fil soudage comme ceci :



Charles affirme que la résistance de la bobine basse est utile pour charger les batteries plomb-acide car ils ont une très faible résistance interne d’environ 10 ohms. Les bobines sont enroulés avec 200 à 400 tours, mais malgré cela, le courant consommé par le circuit est petit.

Le circuit peut osciller à 500 kHz, mais le taux d’oscillation est affecté par l’état de la batterie en charge et sera généralement seulement 100 Hz à 2 000 Hz avec une batterie complètement déchargée. Le rythme cardiaque varie selon le niveau de charge de la batterie comme la batterie fait partie du mécanisme de chronométrage du circuit. Un point très important est que le circuit bénéficie d’aucune protection contre la surtension et le transistor 3055 est seulement évalué jusqu'à 60V, donc si le circuit est allumé sans la batterie charge connectée, puis le transistor va certainement être détruit.

Un autre circuit proposé est celui indiqué ci-dessous. Il s’agit d’un circuit très inhabituel :



Dans ce circuit, les quatre (ou plus) bobines sont enroulés comme une seule unité avec tous les quatre fils fixés côte à côte. Les diodes supplémentaires sont là pour protéger les transistors et les résistances de base sont ajustées pour donner un courant réaliste dans le circuit qui garde la fraîcheur de transistors quand le circuit est en cours d’exécution.

Personnellement, j’ai toujours trouvé des circuits d’être capricieux et soumis à un large éventail de performances sans aucun circuit de changer de charge par impulsions (qui, bien sûr, peuvent être à cause de mes faibles compétences de construction). Toutefois, si n’importe quel circuit de charge charge la batterie plus vite que le courant, puis se charge de la batterie est possible. Pour cela, un circuit comme celui-ci peut être utilisé :



Avec un arrangement comme ça, c’est très encourageant de voir la tension de la batterie augmente et en hausse. Le starter n’est nécessaire pour bloquer les pointes de tension charge d’atteindre le circuit oscillateur. Toutefois, le circuit oscillateur doit être COP > 1 pour que ce travail, mais un grand nombre des circuits dans cet ebook ont cette caractéristique. J’ai trouvé l’enroulement secondaire d’un bloc d’alimentation 12 v 300 mA pour un starter efficace.



Le Voleur Joule comme Simple Chargeur de Batterie
L'idée est de charger des batteries presque entièrement déchargées en utilisant seulement ces batteries presque entièrement déchargées pour faire la charge. Ce projet utilise l'un des circuits les plus simples et les plus robustes jamais réalisés: le circuit "Joule Thief". Ce circuit impressionnant a été partagé par son concepteur Z. Kaparnick dans la section «Ingenuity Unlimited» de l'édition de novembre 1999 du magazine «Everyday Practical Electronics». Le circuit est très, très simple, étant juste un transistor, une résistance et une bobine. Le circuit était à l'origine utilisé pour allumer une diode électroluminescente ("LED"), mais il peut être utilisé pour beaucoup plus que cela. C'est le circuit :



La bobine d'origine était constituée de deux brins de fil enroulés côte à côte autour d'un petit anneau de ferrite ou «toroïde». Le circuit oscille automatiquement, générant une tension beaucoup plus élevée au niveau du collecteur du transistor, et bien que la tension de la batterie ne soit pas suffisante pour allumer la LED, le circuit l'allume assez facilement.

Il n'est pas nécessaire d'enrouler la bobine sur un anneau de ferrite, car un cylindre en papier convient parfaitement. Le circuit a ensuite été adapté par Bill Sherman et utilisé pour charger une deuxième batterie et allumer la diode électroluminescente comme ceci :



J'ai utilisé ce type de circuit sans la LED, pour charger une batterie rechargeable de 0,6 volt à 1,34 volts en seulement une heure, donc il est certainement efficace comme chargeur de batterie. Le circuit est comme ça :



Cependant, le circuit a une faiblesse mineure en ce sens que si la batterie d'entraînement a une tension supérieure à la tension de la batterie de charge plus la chute de tension aux bornes de la diode, la batterie entraine directement le courant vers la batterie de charge. à travers la diode. Cela peut être surmonté en mettant les piles en série comme John Bedini a fait :



La bobine peut être enroulée assez facilement. Un crayon fait une bonne forme pour une bobine, donc couper une bande de papier de 100 millimètres de large et l'enrouler autour du crayon pour former un cylindre de papier de plusieurs épaisseurs et 100 millimètres de large et le sceller avec Selotape :





Assurez-vous que lorsque vous tirez le cylindre de papier avec le Selotape, vous ne collez pas le papier au crayon car nous voulons faire glisser le cylindre terminé du crayon après avoir enroulé la bobine. La bobine peut maintenant être enroulée sur le cylindre de papier, et pour cela, il est pratique d'utiliser deux bobines de 50 grammes de fil de cuivre émaillé. Le fil que j'ai utilisé est de 0,355 millimètre de diamètre. Il existe plusieurs façons de bobiner une bobine. La méthode que j'utilise est de faire trois ou quatre tours comme ceci :



Et puis maintenez ces tours en place avec Selotape avant de bobiner le reste de la bobine. Enfin, l'extrémité droite de la bobine est fixée avec du Selotape, puis les deux extrémités sont recouvertes de ruban électrique au fur et à mesure que le Selotape se détériore avec le temps. Alors que cette bobine a été enroulée avec une seule couche, si vous le souhaitez, une couche de papier supplémentaire peut être utilisée pour recouvrir la première couche et une seconde couche enroulée dessus avant d'être collée et glissée sur le crayon.

Tandis que les schémas ci-dessus montrent les brins de fil dans deux couleurs, la réalité est que les deux fils seront de la même couleur et ainsi vous finissez avec une bobine qui a deux fils regardant identiques sortant de chaque extrémité. Vous faites les fils à chaque extrémité plus que la longueur de la bobine de sorte que vous avez assez de fil de connexion pour faire les connexions finales. Utilisez un multimètre (ou batterie et LED) pour identifier un fil à chaque extrémité qui se connecte tout au long de la bobine, puis connectez une extrémité de ce fil à l'autre fil à l'autre extrémité. Cela fait le robinet central de la bobine "B" :



La bobine doit être vérifiée soigneusement avant utilisation. Idéalement, le joint est soudé et si le fil de cuivre émaillé utilisé est du type «soudable» (ce qui est le type le plus courant), la chaleur du fer à souder brûlera l'émail au bout de quelques secondes, ce qui rendra l'assemblage être des fils émaillés. Un test de résistance doit être effectué pour vérifier la qualité de la bobine. Vérifiez d'abord la résistance DC entre les points "A" et "B". Le résultat devrait être d'environ 2 ohms. Vérifiez ensuite la résistance entre les points "B" et "C" et cela devrait correspondre exactement à la valeur de la résistance. Enfin, vérifiez la résistance entre les points "A" et "C" et cette valeur doit être deux fois la résistance "A" à "B". Si ce n'est pas le cas, le joint n'est pas correctement fait et doit être chauffé avec le fer à souder et éventuellement plus de soudure utilisée et les mesures de résistance faites à nouveau.

Le circuit simple illustré peut charger quatre batteries AA en série lorsque le circuit est alimenté par une seule pile AA. J'ai utilisé une diode 1N4148 qui est une diode en silicium avec une chute de tension de 0,65 ou 0,7 volts et cela a bien fonctionné. Cependant, une diode de germanium avec sa chute de tension beaucoup plus faible de 0,25 à 0,3 est généralement recommandée, peut-être une diode 1N34A. Il est également suggéré que l'utilisation de deux ou trois diodes en parallèle est utile.

Le taux de charge d'un circuit Joule Thief tel que montré est assez lent. Ce taux peut être amélioré en ajoutant un ou plusieurs circuits Joule Thief comme ceci :



Le choix de la résistance est assez arbitraire bien que ce soit une caractéristique majeure de l'efficacité du circuit. J'ai utilisé une valeur de 1.8K pour chaque résistance.

Une méthode qui semble accélérer le taux de charge d'une seule batterie est de placer à la fois la batterie d'entraînement et la batterie chargée dans une bobine bi-filaire de diamètre légèrement supérieur :



Les trois diodes sont du type silicium 1N4148 très bon marché et en utilisant une batterie d'entraînement avec une charge de 1,34 volts, le circuit peut charger une batterie de 0,55 volts à 1,35 volts en seulement une heure, la batterie d'entraînement étant de 1,29 volts par la suite. C'est environ deux fois plus vite que le circuit peut effectuer avec les batteries à l'extérieur de la bobine.

Une méthode complémentaire ou alternative pour augmenter l'efficacité du circuit consiste à ajouter un enroulement bi-filaire supplémentaire à la bobine, ce qui rend le circuit "FLEET" de Lawrence Tseung comme discuté au chapitre 5 :



Avec cet agencement, le second enroulement est également réalisé avec deux fils côte à côte et ensuite l'extrémité du premier fil est connectée en permanence au début du second fil, en laissant juste un fil sortant de chaque extrémité du nouvel enroulement. Le courant tiré de ce nouvel enroulement n'affecte pas le courant consommé par la batterie d'entraînement qui fonctionne sur le circuit Joule Thief.

Si vous avez un oscilloscope, alors le circuit peut être réglé pour des performances optimales en plaçant un petit condensateur à travers la résistance "R" et en trouvant quelle valeur de condensateur produit le taux le plus élevé d'impulsions avec vos composants particuliers. Le condensateur n'est pas indispensable et je n'en ai jamais utilisé mais des valeurs telles que 2700 pF sont parfois affichées. J'ai utilisé ce circuit "FLEET" pour charger deux batteries au plomb-acide de 12 volts, en utilisant une pour piloter le circuit qui a chargé la deuxième batterie. Ensuite, échangez les piles et répétez le processus plusieurs fois. Après cela, les piles ont été laissées pendant une heure pour permettre aux processus chimiques de s'arrêter, puis les tensions ont été mesurées. Le résultat a été que les deux batteries ont gagné une puissance significative, réelle, utilisable pendant le processus. Comme la seule puissance appliquée au circuit provient des batteries, c'est un résultat significatif. De plus, comme les batteries au plomb ne sont efficaces qu'à 50% et perdent la moitié du courant de charge que vous y alimentez, le circuit devait produire un gain d'énergie avec plus de deux fois la puissance de sortie par rapport à la puissance d'entrée.

Cependant, en gardant les choses simples et en se concentrant sur le circuit de Joule Thief, si nous représentons une version légèrement améliorée du circuit qui utilise trois diodes de charge connectées en parallèle, comme ceci :



Ensuite, nous pouvons le nourrir à partir d'une charge utile plutôt que d'une batterie. Par exemple, si nous décidons de produire de l'éclairage en utilisant les LED matrices de 24 volts de 12 volts :



Ensuite, nous pourrions choisir d'utiliser un convertisseur CC-CC commercial comme celui-ci :



Comme ça :



Ce circuit fonctionne vraiment bien. Le courant alimentant le convertisseur élévateur continu-continu est contrôlé par la tension au point "A" et la résistance globale du circuit Joule Thief. Comme illustré, il dessine environ 70 milliampères et allume une ou deux des matrices de LED brillamment pendant six heures lorsqu'il est alimenté par un jeu de quatre batteries Digimax 2850 mAHr de taille AA.

Pendant cette période de six heures, tous les 70 milliampères de courant sont introduits dans le circuit Joule Thief et cela lui permet de charger un deuxième jeu de batteries. Six heures, c'est la durée que j'éteins personnellement la nuit. Cela signifie qu'en plus des six heures de charge déjà réalisées, il reste encore dix-huit heures pendant lesquelles le circuit pourrait être utilisé pour continuer la charge de la batterie.

Alors que le circuit montre un interrupteur court-circuitant le convertisseur pour éteindre la lumière, il n'est pas nécessaire d'utiliser un courant aussi élevé pendant le reste de la journée, et donc un interrupteur bipolaire peut être utilisé pour déconnecter la lumière et laisser tomber le niveau de courant à 20 milliampères en court-circuitant l'une des diodes qui réduit la tension à travers le Joule Thief comme ceci :



Le circuit tel que montré jusqu'à présent a deux séries de quatre batteries. Ce serait bien d'échanger entre eux toutes les quelques minutes. Les batteries qui alimentent une charge ne se chargent pas aussi bien que les batteries non chargées. Cependant, le mécanisme qui commute entre les deux ensembles de batteries doit avoir une consommation de courant extrêmement faible afin de ne pas gaspiller de courant. Une possibilité pour cela serait d'utiliser un relais de verrouillage comme celui-ci :



C'est la version électronique d'un interrupteur mécanique bipolaire. Une brève impulsion de courant entre deux broches verrouille l'interrupteur dans une position et, plus tard, une impulsion de courant entre deux autres broches le verrouille dans l'autre position. Le drain actuel sur le circuit serait presque nul.

Alors que les circuits intégrés NE555 standard peuvent fonctionner avec une tension d'alimentation jusqu'à 4,5 volts (et en pratique, la plupart fonctionneront bien à des tensions d'alimentation beaucoup plus basses), il existe plusieurs circuits 555 beaucoup plus chers conçus pour fonctionner à des tensions d'alimentation beaucoup plus basses. L'une d'entre elles est la TLC555 qui a une gamme de tension d'alimentation de seulement 2 volts jusqu'à 15 volts, ce qui est une gamme très impressionnante. Une autre version est ILC555N avec une plage de tension de 2 à 18 volts. La combinaison de l'une de ces puces avec un relais de verrouillage produit un circuit très simple car le circuit temporisateur 555 est exceptionnellement simple :



Le condensateur utilisé doit être de haute qualité avec une très faible fuite afin d'obtenir cette forme d'onde qui est allumée exactement pendant la même durée qu'elle est désactivée. Ceci est important si nous voulons que les deux batteries reçoivent la même durée d'alimentation de la charge que le temps qu'elles reçoivent pour être rechargées.

De notre point de vue, une faiblesse de la minuterie 555 est qu'elle n'a qu'une seule sortie alors que nous avons besoin de deux sorties, l'une décroissant lorsque l'autre augmente. Cela peut être arrangé en ajoutant un transistor et un couple de résistances comme ceci :



Avec ce circuit, lorsque la broche 3 de la puce 555 passe à l'état bas, le condensateur le reliant à la broche 2 du relais tire la tension de la broche 2 vers le bas et fait changer le relais lorsque la broche relais 15 est connectée à + 5V. surtension de courant à travers la bobine lorsque le condensateur se charge. Quelques instants plus tard, lorsque le condensateur est chargé, le courant diminue jusqu'à zéro. Cinq minutes plus tard, la broche 3 passe à nouveau à l'état haut et cela met le transistor sous tension, entraînant une chute rapide de sa tension de collecteur vers zéro. Cela ramène la broche 1 du relais vers le bas, la faisant changer d'état avant que le condensateur ait une chance de se charger.

C'est très bien si les condensateurs montrés en bleu sont de mauvaise qualité et leur charge saigne dans une période de cinq minutes. De nos jours, même les condensateurs bon marché sont généralement beaucoup trop bonne qualité pour permettre cela et nous avons donc besoin de connecter une résistance à travers le condensateur pour créer cette baisse de charge. Mais cette résistance supplémentaire est connectée en permanence et donc il doit être d'une valeur suffisamment élevée pour ne pas gaspiller de courant significatif - peut-être 18K serait un choix raisonnable. Une résistance de 18K avec cinq volts à travers elle attire seulement 0,278 d'un milliampère de courant.

Les circuits Joule Thief n'ont pas besoin de quelque 70 milliampères de courant d'entrée pour charger correctement une batterie. Par conséquent, nous pouvons utiliser deux ou trois circuits Joule Thief, tous alimentés par le courant circulant à travers les LED d'éclairage. Si le circuit doit être utilisé par quelqu'un qui ne comprend pas comment cela fonctionne, il vaudrait mieux ajouter un circuit de détection de tension de la batterie qui éteint le système de charge lorsque les batteries sont complètement chargées car le système peut rester inutilisé pendant plusieurs jours si le propriétaire est loin de la maison.

La minuterie illustrée ici doit avoir un rapport marche / arrêt parfaitement adapté et une sortie qui tombe à zéro au début des périodes de marche et d'arrêt. Le condensateur est un condensateur de grande taille car il facilite la transition d'un jeu de batteries à l'autre batterie :



Ou :



Le courant alimentant le convertisseur CC-CC contrôle le niveau d'éclairage fourni. Le niveau de courant est défini par le nombre de diodes en série au-dessous du point "A" dans le schéma de circuit. L'ajout d'une diode supplémentaire augmente considérablement le courant. Les diodes utilisées sont du type 1N4148 très bon marché, bien qu'une diode germanium 1N34 puisse être utilisée si un contrôle de tension plus précis est nécessaire. La sortie de lumière est améliorée en ajoutant un ou plusieurs réseaux de LED supplémentaires câblés en parallèle car le courant est réparti également entre tous les réseaux de LED et chacun devient moins éblouissant car la sortie de lumière provient d'une zone plus éclairée. Un avantage supplémentaire est que chaque LED fonctionne à une température beaucoup plus basse et cela améliore la fiabilité et la durée de vie.

Voici une disposition physique pour une conception de trois volées Joule, en utilisant un morceau de stripboard 125 x 35 mm, qui est une pièce qui a quatorze bandes de cuivre, chaque bande ayant quarante-neuf trous. Pourquoi cette taille étrange? Parce qu'une pièce de cette taille était disponible en tant que coupe lors de la construction du prototype. La mise en page du prototype est comme ceci :





Les points rouges dans la disposition physique suggérée indiquent des endroits où la bande de cuivre sur la face inférieure de la carte est cassée.



Patrick Kelly
http://www.free-energy-info.co.uk
http://www.free-energy-devices.com
http://www.free-energy-info.tuks.nl
http://www.free-energy-info.com


闽ICP备2022006709号