Un Guide Pratique à Auteur des Appareils Libre D'énergie: Patrick J. Kelly

Le chapitre 5: le Branchement D'énergie a Battu Systèmes

Un trait très intéressant d'appareils libre d'énergie est que bien que plusieurs appareils qui paraissent être complètement différent et avoir des candidatures apparentes différentes, l'opération de l'origine est souvent le même. C'est clair qu'un départ positif tranchant DC que la pulsation électrique réagit réciproquement avec le champ d'énergie environnant, en rendant des grandes quantités d'énergie libre disponible pour n'importe qui de qui a la connaissance comment assembler et utiliser qui énergie supplémentaire.

Laissez-moi accentuer encore que “sur - unité” est une impossibilité. Sur - unité suggère que plus d'énergie peut être pris un système que l'énergie totale qui va dans le système. Ce n'est pas possible comme vous ne peut pas avoir plus que 100% de n'importe quoi. Cependant, il y a un autre façon de parfaitement valide qui regarde l'opération de tout système, et c'est estimer la production du système relatif au montant d'énergie que l'utilisateur a pour mettre dans pour le faire travaillez. Cela est appelé le “Coefficient De Performance” ou “C.O.P.” pour brusquement. Un COP = 1 est quand toute l'énergie ont mis dans par l'utilisateur est revenu comme production utile. Un COP>1 est où l'énergie plus utile sort de l'appareil que l'utilisateur doit mettre dans. Par exemple, un voilier dans un bons gens des transports de la brise le long de sans le besoin pour l'énergie de mouvement être fourni par l'équipage. L'énergie vient de l'environnement local et pendant que l'efficacité est basse, le COP est plus grand que 1. Que nous cherchons ici n'est pas quelque chose pour tapoter l'énergie du vent, énergie de la vague, énergie de la lumière du soleil, rivière énergie d'énergie, thermique ou quoi que mais au lieu nous voulons quelque chose qui peut tapoter le champ d'énergie invisible qui nous entoure tout, à savoir le “zéro point énergie” champ.

Pour ceci, laissez-nous regarder des battant circuits utilisés par une grande gamme de gens dans plusieurs appareils apparemment tout à fait différents. Un électrique “pulsation” est une montée du voltage soudaine et chute avec augmenter très taillé fin et voltages tombants. Cependant, les pulsations sont rarement produites comme événements isolés quand travailler avec les appareils pratiques, donc c'est meilleur de penser à un train de pulsations probablement, ou un “waveform” avec très brusquement soulèvement et bords tombants. Ceux-ci peuvent être appelés des oscillateurs ou des générateurs du signal et sont si banal que nous avons tendance à ne leur pas donner de deuxième pensée, mais les facteurs vraiment importants pour utiliser un oscillateur pour zéro point pick-up d'énergie sont la qualité du signal. Idéalement, ce de qui est eue besoin peut être une parfaite vague carrée sans dépassez, et le voltage nivelle n'aller jamais zéro volts au-dessous, ou un waveform complexe, aussi avec attaque très tranchante et temps de la déchéance. Ces waveforms sont une bonne affaire plus difficile de produire que vous pouvez imaginer.

Même la meilleure méthode de créer une pulsation du voltage vraiment tranchante est encore considérée pour être un intervalle de l'étincelle dans ces jours d'appareils électroniques transistorisés sophistiqué, surtout un qui a l'étincelle a coupé par l'usage d'un champ aimanté fort à angles droits à l'intervalle de l'étincelle soudainement. Pour un exemple de ce style d'opération, considérez l'appareil suivant.

Frank Prentice.   Ingénieur Frank Wyatt Prentice électrique de l'USA a inventé ce qu'il a décrit comme un ‘Accumulateur du Pouvoir Électrique ' avec un pouvoir de la production six fois plus grand que le pouvoir de l'entrée (COP = 6). Il a été accordé le brevet 253,765 Américain 18e le 1923 septembre et lequel dit:

Mon invention est en rapport avec les améliorations dans Accumulateurs du Pouvoir Électriques, où le monde qui agit comme rotor et l'air environnant comme un stator, rassemble l'énergie donc a produit par le monde qui tourne sur son axe, utilise le même pour pouvoir et autres buts.

Dans le développement de mon Système du Contrôle du Train De TSF pour les voies ferrées, a couvert par mon États-Unis Lettres Brevet Nombre 843,550, j'ai découvert que, avec une antenne qui consiste en un fil de diamètre convenable supportée en séparer des moyens trois à six pouces au-dessus de la terre et étendant un demi mille, plus ou moins dans longueur, l'antennae dit qui est fondé à une fin à travers un intervalle de l'étincelle et a stimulé à l'autre fin par un haut générateur de la fréquence de 500 Watts entrez le pouvoir et avoir une fréquence secondaire de 500,000 Hz, produirait dans l'antenne une fréquence oscillatoire le même comme cela des courants du monde et donc le pouvoir électrique du média environnant a été accumulé le long de la longueur de l'antenne de la transmission et avec une antenne de la boucle oscillatoire fermé 18 pieds dans parallèle de la course de la longueur avec l'antenne de la transmission à une distance d'approximativement 20 pieds c'était possible d'obtenir en réglant l'antennae de la boucle, pouvoir suffisant allumer à pouvoir plein, une banque de la série de cinquante lampes du carbone de 60 watts.

Baisser ou élever la fréquence de 500,000 Hz a résulté en diminuer le montant de pouvoir reçu sur l'antenne de 18 pieds. De la même façon, élever l'antenne de la transmission a résulté en une baisse proportionnelle de pouvoir reprise sur l'antenne de la réception et à 6 pieds au-dessus du monde aucun pouvoir à tout était procurable sans un changement de capacité et fréquence.

C'est l'objectif de mon invention générique pour utiliser le pouvoir produit par le monde comme décrit ici, et a illustré dans les dessins. Les deux chiffres dans les dessins illustrent simple et ont préféré des formes de cette invention, mais je souhaite qu'il comprît qu'aucune limitation n'est faite comme aux circuits exacts et précis, formes, places, et détails structurels montrés ici nécessairement, et que les changements, modifications et modifications peuvent être faites quand a désiré dans le possibilité de mon invention.


LA DESCRIPTION:



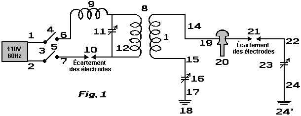
Dans Fig.1:

1 et 2 sont des fils de l'alimentation du courant alternatif qui fournissent des 60 cycles de 110 volts à un haut générateur de la fréquence.

3 sont un changement avec les contacts 4 et 5.

6 et 7 sont rapports de haute fréquence transformateur 8 pour augmenter la fréquence à 500 KHz et le voltage pour, dire, 100 KV.

9 sont une bobine de l'inductance.

10 sont un intervalle de l'étincelle.

11 sont un condensateur variable.

12 sont le primaire qui enroule de transformateur 8.

13 sont les enrouler secondaires de transformateur 8 lequel est connecté à travers fil 15 par condensateur variable16 et en installe 17 à fondez-en 18.

14 sont le fil de l'autre côté de l'enrouler secondaire de transformateur 8 qui le connecte à la transmission principale antenne 19 lequel est supporté en séparant des moyens20.

21 sont intervalle de l'étincelle de transmission antenne 19 à fondez à travers fil 22, condensateur variable 23, et installez-en 24 à fondez-en 24'.

Transmission que l'antenne 19 peut être d'en désiré la longueur.




Dans Fig.2:

25 sont une antenne de la boucle oscillante fermé d'en a désiré la longueur qui pour plus grande efficacité, soyez courus parallèle avec transmission antenne 19 de Fig.1.

26 sont le connectant rôle principal entre l'antenne et descendent le transformateur 27 de qui 27' est le secondaire.

28 sont le rôle principal qui connecte l'enrouler secondaire 27’ à en a fondé 31 par condensateur variable 29 et en mène 30.

32 sont le primaire qui enroule de transformateur 27.

33 sont un condensateur variable.

34 et 35 sont des windings du transformateur de la fréquence, en fournissant le courant à travers rôles principaux 36 et 37 à moteur 38, ou tous autres appareils du pouvoir.




OPÉRATION DE L'INVENTION::
Le changement 3 proche connecter l'alimentation installe 1 et 2 à transformateur mène 6 et 7. Ajustez l'étincelle intervalle 10 et condensateur 11 variable afin qu'une fréquence de 500 KHz et 100 KV est délivrée de secondaire mène 14 et 15 de pas en avant transformateur 8 de Fig.1. Ensuite ajustez l'étincelle intervalle 21 de transmission antenne 14 afin que tous les noeuds et sommets sont éliminés dans la transmission des 100 KV et 500 fréquence KHz le long d'antenne 14. Les mouvements puissants qui se produisent, traversez sur intervalle 21 le rôle principal 22 à condensateur 23 variable et alors sur à fondez 24' par rôle principal 24.

Le haut courant de la fréquence de 500 KHz revient à travers la terre, à fondé rapport 18, en haut rôle principal 17 au condensateur 16 variable et par rôle principal 15 à l'enrouler secondaire 13 de transformateur 8 de Fig.1. Le courant alternatif produit par les 100 KV 500 provision KHz est la même fréquence comme le monde a produit des courants, et être accordé avec ils il ramasse le pouvoir supplémentaire d'eux. Être la même fréquence comme la production de transformateur 8 le long de fils 14, cela produit un réservoir de haut courant de la fréquence qui peut être tiré sur par un circuit réglé de la même 500 KHz fréquence, comme montré dans Fig.2.

L'antenne 25 est réglée pour recevoir une fréquence de 500 KHz qui produisent un courant qui passe pour en mener 26 à travers en enrouler 27' de transformateur 27, à travers fil 28, condensateur variable 29 et en installe 30 à fondé rapport 31. Les hauts courants de la fréquence de 500 KHz passent à travers à en enrouler 32 et par condensateur variable 33 et windings 34 et 35 de la fréquence le transformateur 27 est marché jusqu'à un voltage et fréquence convenable d'opérer le moteur 38 par mène 36 et 37. Cela fait disponible une provision courante pour tout but, tel que l'opération d'avions, du tout voitures, ferroviaires trains, plantes industrielles, allumer, chauffer etc.,

Le retour de courant à travers le monde de transmission l'antenne 14 est préférable à un retour métallique comme un plus haut pourcentage d'accumulation de courants du monde est notable en recevant antennae de Fig.2 que d'un retour métallique, a causé par la capacité du circuit fondé. Je préfère aussi sous certaines conditions pour utiliser une antenne seule qui reçoit le fil au lieu de la boucle fermé montré dans Fig.2. Sous certaines exigences de l'opération je l'ai trouvé moyen pour avoir l'antenne de la transmission élevé et continué des perches beaucoup de pieds au-dessus du monde et dans ce cas un voltage différent et la fréquence a été trouvée pour être nécessaire d'accumuler des courants du monde le long de la transmission antenne 14. .

Ce système de Frank efficacement applique très a battu pulsations DC à une longue longueur de fil supportée dans une place horizontale au-dessus de la terre pas loin taillé fin. Les pulsations sont dû à les deux l'intervalle de l'étincelle sur le côté fondamental du transformateur brusquement, avec l'étincelle intervalle sur le secondaire (haut voltage) côté du transformateur. Un pouvoir de l'entrée de 500 watts donne une 3 production du pouvoir du kW de ce qui paraît être un morceau incroyablement simple de matériel. .

.

Dave Lawton.   Un circuit du semi-conducteur transistorisé qui a prouvé prospère dans produire des pulsations comme ceci est montré comme partie de la reproduction de Dave Lawton de la Cellule du Combustible de l'Eau de Stan Meyer. Ici, un NE555 horloge éclat ordinaire produit une vague carrée qui nourrit un avec soin Transistor du Champ - Effet choisi le BUZ350 qui conduit un water - splitter cellulaire par une paire combinée de bobines du starter à point “A” dans le diagramme en dessous. .

Stan Meyer a utilisé une bague du ferrite du toroidal quand il enroulait ceux-ci étouffent enroule pendant que Dave Lawton utilise deux ferrite droit défend, sommet lié et touche le fond avec les bandes du fer épaisses. Les starters blessés sur les tringles du ferrite droites ont été trouvés pour travailler très bien aussi. Les effets sont le même dans tous les cas, avec le waveform appliqué aux électrodes de la pipe qui sont convertis dans voltage très tranchant, très court, haut pointes. Ces pointes déséquilibrent l'environnement quantique local qui cause des courants vastes d'énergie, un pourcentage minuscule de qui s'arrive couler dans le circuit comme pouvoir supplémentaire. Les courses cellulaires froid, et à bas courant de l'entrée, tout à fait contrairement à une cellule de l'électrolyse ordinaire où la température augmente sensiblement et le courant de l'entrée eu besoin est plus haut beaucoup. .

.



John Bedini utilise ce même battre d'une bobine de la blessure du bi-filar pour produire le même très court, très tranchant voltage cloue qui déséquilibre le champ d'énergie local, en causant des courants majeurs d'énergie supplémentaire. Le chiffre montré qu'ici est de son brevet 6,545,444 Américain.



John a produit et généreusement partagé, beaucoup de dessins tout de qui sont fondamentalement semblables et tout qui utilisent un 1:1 bi-filar de la proportion blessé le transformateur. Celui-ci utilise un rotor libre courant avec aimants permanents enfoncés dans lui est bord, déclencher des courants provoqués dans le windings de l'unité de la bobine brusquement ont marqué “13b” quels changements le transistor sur, propulser enrouler “13a” quels pouvoirs le rotor sur son chemin. La bobine du pick-up “13c” rassemble l'énergie supplémentaire de l'environnement local, et dans ce circuit particulier, le nourrit dans le condensateur. Après quelques tours du rotor (a dicté par l'équipement en bas proportion au deuxième rotor), la charge dans le condensateur est nourrie dans une seconde “sur - charge” pile.



Le rotor est désirable mais pas essentiel comme les bobines marquées 1 et 2 boîte auto oscillez, et il peut y avoir tout nombre de windings montré comme 3 dans le diagramme. Les enroulant 3 produits alimentaires le très court, tranchant, haut voltage cloue qui est la partie essentielle du dessin. Si ces pulsations tranchantes sont nourries à une pile rôle principal - acide (au lieu d'à un condensateur comme montré au-dessus), alors un effet exceptionnel est créé quelles gâchettes un lien entre la pile et l'environnement immédiat, causer l'environnement de charger la pile. C'est une étonnant découverte et parce que les pulsations du voltage sont politesse de haut voltage des 1:1 bobines du starter, l'existence de la banque de la pile chargée peut avoir tout nombre de piles et peut être empilée comme une banque de 24 volts bien que la pile impérieuse soit seulement 12 volts. Même plus intéressant est le fait que charger peut continuer pour plus qu'une demi-heure après le battant circuit est éteint.

Ce peut être rusé pour obtenir un de ces circuits réglé pour travailler à performance maximum correctement, mais quand ils sont, ils peuvent avoir des performances de COP>10. L'accroc majeur est que le mécanisme du chargement ne permet pas à une charge d'être conduit de la banque de la pile pendant qu'il est chargé. Cela veut dire que pour tout usage continu, là doit être deux pile s'accumule, un sur charge et un qui est utilisé. Un problème majeur supplémentaire est ces banques de la pile ne sont pas juste convenables pour usage de la maison sérieux. Une machine à laver établit 2.2 kilowatts et un cycle du lavage peut être une heure long (deux heures long si un “blanc” lavage et un “coloureds” le lavage en est fait un après que l'autre lequel n'est pas rare). Pendant l'hiver, chauffant a besoin d'être couru en même temps que la machine à laver qui pourrait doubler bien la charge.

Il est recommandé que les piles ne sont pas chargées beaucoup d'au-delà leur “C20” taux, c'est, un vingtième de leur Amp - hour estimation nominale. Dites que les piles du loisir de cycle heure - profond de 85 Ampères sont utilisées, alors le taux de l'attraction recommandé d'eux est 85 Ampères divisés par 20 qui sont 4.25 ampères. Poussons-le et dites nous risquerons de tirer le double qui, et le fait 8.5 ampères. Donc, combien de piles est-ce que nous aurions besoin pour fournir notre machine à laver qui suppose que notre inverter est-ce que 100% étaient effectifs? Bien, 2,200 watts sur un système de 12 volts sont 2,200 / 12 = 183 ampères, donc avec chaque pile qui contribue 8.5 ampères, nous aurions besoin de 183 / 8.5 = 22 grandes, lourdes piles. Nous aurions besoin de ce nombre deux fois si nous étions les traiter droit, plus deux fois qu'encore pour maison chauffer, dites 110 piles pour un en tout cas système réaliste. Cette dimension de l'embardée de banques de la pile n'est pas réaliste pour votre propriétaire moyen ou personne qui vit dans un appartement. Par conséquent, il paraît que les Bedini pulsation chargement systèmes ne sont pas pratique pour n'importe quoi autre qu'articles mineurs de matériel.

Cependant, le point vraiment important ici est le chemin qui quand ces courtes pulsations sont appliquées à une pile rôle principal - acide, un lien est formé avec l'environnement qui cause des grands montants d'énergie de couler dans le circuit d'à l'extérieur de. C'est supplémentaire “énergie libre.” De façon intéressante, c'est très possible que si les pulsations avaient produit par le circuit de l'eau - splitter de Dave Lawton montré au-dessus, a été nourri à une pile rôle principal - acide, alors il est possible que le même mécanisme du pile - chargement se produise. Aussi, si un Bedini pulsation chargement circuit avait été connecté à une cellule de l'eau - division comme la cellule Lawton, alors c'est très vraisemblable qu'il conduirait aussi d'une manière satisfaisante cette cellule. Deux candidatures apparemment différentes, deux circuits apparemment différents, mais les deux produisant haut voltage tranchant bat qui tire l'énergie libre de l'environnement immédiat extra.



Le Changement Tesla.
Cela ne s'arrête pas là. Nikola Tesla a présenté le monde au courant alternatif (" CA "), mais plus tard, il est passé de l'CA à des impulsions très courtes et aiguës de courant continu (" CC "). Il a constaté qu'en ajustant la fréquence et la durée de ces impulsions à haute tension, il pouvait produire toute une gamme d'effets tirés de l'environnement - chauffage, refroidissement, éclairage, etc. Le point important à noter est que les impulsions tiraient de l'énergie directement à partir de l'environnement local. Laissant de côté l'équipement avancé que Tesla utilisait pendant ces expériences et passant à l'interrupteur simple à 4 piles, nous découvrons le même fonctionnement en arrière-plan d'impulsions de tension aiguës tirant de l'énergie libre de l'environnement.

Je doute sérieusement que ce circuit ait eu quoi que ce soit à voir avec Tesla, mais à la place il a probablement eu pour origine Carlos Benitez. Strictement parlant, cette version particulière a probablement été produite par le personnel de l'Electrodyne Corp. Ce circuit (montré dans " Le Manuel des Dispositifs et Systèmes d'Energie Libre " Vol.1, 1986) a été testé par eux pendant une période de trois ans :


Veuillez comprendre que les batteries de voiture qu'ils utilisaient dans leur circuit étaient devenues " conditionnées " pendant leurs années d'essai et qu'elles avaient chacune une tension de 36 volts même si elles étaient fabriquées en batteries de 12 volts. Ce circuit est beaucoup plus subtil qu'il n'y paraît. Les diodes 1N1183 sont une partie essentielle de l'opération car ces diodes tombent en panne lorsqu'elles sont sensées bloquer le flux de courant, et au lieu de cela, elles traversent les impulsions de tension. Ces impulsions de charge de la batterie sont la raison pour laquelle les diodes semblent être connectées à l'envers et censément bloquer le flux de courant vers les contacts positifs des batteries.

Je suggère que ce circuit est abandonné et que la méthode Benitez d'alimentation des impulsions de charge directement à la fois les batteries et la charge soit utilisée à la place. Il doit y avoir une recharge de la batterie. Si vous en doutez, alors faites le calcul:

La charge est alimentée par un courant qui passe de deux batteries en série (72 volts) à deux batteries en parallèle (36 volts). Les batteries sont des batteries plomb-acide qui ont un rendement de seulement 50%, c'est-à-dire qu'elles gaspillent la moitié de toute l'énergie de charge qui leur est fournie. Prenons un exemple: disons que les deux batteries en série fournissent 10 ampères pour une période d'une seconde. Ces deux batteries perdent 10 ampères-secondes de puissance.

Que 10 ampères divise également et 5 ampères se déverse dans chacune des deux batteries pendant une période d'une seconde. Ce serait 5 ampères-secondes de puissance supplémentaire SI ce n'était pas pour l'efficacité de 50% de la batterie. Donc, seulement 2,5 ampères-secondes de cette puissance peuvent être récupérées à partir de cette batterie, qui dans la seconde suivante devrait fournir 10 ampères-secondes de puissance.

Donc, effectivement, nous avons 2,5 ampères-secondes de puissance récupérable reçu pour chaque 10 ampères-secondes de la puissance réelle dépensée. Cela signifie que la batterie se déchargera à moins qu'une forme de chargement de la batterie ne se produise pendant l'opération. Par conséquent, un système de charge de la batterie doit faire partie de la «charge».

Carlos Benitez a utilisé la commutation de seulement une fois par heure et il a ajouté la puissance de charge à la fois les batteries et la charge qui était en cours d'alimentation par son circuit. Il a fait ça comme ça:Veuillez comprendre que les batteries de voiture qu'ils utilisaient dans leur circuit étaient devenues " conditionnées " pendant leurs années d'essai et qu'elles avaient chacune une tension de 36 volts même si elles étaient fabriquées en batteries de 12 volts. Ce circuit est beaucoup plus subtil qu'il n'y paraît. Les diodes 1N1183 sont une partie essentielle de l'opération car ces diodes tombent en panne lorsqu'elles sont sensées bloquer le flux de courant, et au lieu de cela, elles traversent les impulsions de tension. Ces impulsions de charge de la batterie sont la raison pour laquelle les diodes semblent être connectées à l'envers et censément bloquer le flux de courant vers les contacts positifs des batteries.

Je suggère que ce circuit est abandonné et que la méthode Benitez d'alimentation des impulsions de charge directement à la fois les batteries et la charge soit utilisée à la place. Il doit y avoir une recharge de la batterie. Si vous en doutez, alors faites le calcul:

La charge est alimentée par un courant qui passe de deux batteries en série (72 volts) à deux batteries en parallèle (36 volts). Les batteries sont des batteries plomb-acide qui ont un rendement de seulement 50%, c'est-à-dire qu'elles gaspillent la moitié de toute l'énergie de charge qui leur est fournie. Prenons un exemple: disons que les deux batteries en série fournissent 10 ampères pour une période d'une seconde. Ces deux batteries perdent 10 ampères-secondes de puissance.

Que 10 ampères divise également et 5 ampères se déverse dans chacune des deux batteries pendant une période d'une seconde. Ce serait 5 ampères-secondes de puissance supplémentaire SI ce n'était pas pour l'efficacité de 50% de la batterie. Donc, seulement 2,5 ampères-secondes de cette puissance peuvent être récupérées à partir de cette batterie, qui dans la seconde suivante devrait fournir 10 ampères-secondes de puissance.

Donc, effectivement, nous avons 2,5 ampères-secondes de puissance récupérable reçu pour chaque 10 ampères-secondes de la puissance réelle dépensée. Cela signifie que la batterie se déchargera à moins qu'une forme de chargement de la batterie ne se produise pendant l'opération. Par conséquent, un système de charge de la batterie doit faire partie de la “ charge “.

Carlos Benitez a utilisé la commutation de seulement une fois par heure et il a ajouté la puissance de charge à la fois les batteries et la charge qui était en cours d'alimentation par son circuit. Il a fait ça comme ça :


Comme il n'y avait pas de composants électroniques facilement disponibles à l'époque, Carlos a utilisé une bobine d'induction pour produire les pointes de tension nécessaires pour charger les batteries. L'équivalent de nos jours est le circuit " Joule Thief ", beaucoup moins cher et plus facile à construire, comme décrit au chapitre 6:


Voici une version à l'état solide du circuit:


Ici, six transistors 2N3055 (ou la version plus pratique du TIP3055) sont allumés et éteints par six transformateurs audio (éventuellement les transformateurs Radio Shack #273-1380). Les enroulements primaires du transformateur de 8 ohms sont reliés en série et commandés par un générateur d'onde carrée par l'intermédiaire d'un grand condensateur. Ce circuit est représenté en rouge dans le schéma ci-dessus. Lorsque l'onde carrée est positive, les transformateurs 1, 2 et 3 ont leurs enroulements primaires chargés par une diode polarisée vers l'avant qui limite la tension à travers eux à un maximum d'environ 0,7 volt et qui garde leur fonctionnement court lorsqu'ils s'allument. Les trois autres transformateurs 4, 5 et 6 ont les diodes à travers leurs enroulements primaires positionnés pour bloquer une tension positive et ainsi leurs transistors restent hors tension.

Lorsque la tension de sortie du générateur d'onde carrée est négative, la situation est inversée et les transformateurs 4, 5 et 6 s'allument brièvement pendant que les transformateurs 1, 2 et 3 restent éteints. Les diodes à travers les enroulements primaires sont des diodes 1N4148 qui ont un temps de commutation très rapide qui peut être très important pour des circuits de ce type. Les autres diodes sont 1N1183 qui sont classés à 50 volts et 40 ampères.



Un système de commutation trois batteries
Poursuivant le style Tesla interrupteur de fonctionnement, il est possible d'obtenir le même effet que le circuit de commutation de Tesla, avec seulement trois piles (ou trois condensateurs). Discuté presque un siècle auparavant par Carlos Benitez dans ses brevets et plus récemment décrite par John Bedini, juste trois piles peuvent être utilisés si la commutation de circuit plus complexe est utilisé. Carlos souligne qu'il doit y avoir une perte d'énergie due à des câbles de chauffage et les batteries n'étant ne pas efficace à 100 %. Il permet de surmonter ces problèmes avec quelques circuits très intelligent qui est couvert dans la section suivante. Cependant, ce n'est pas du tout certain que c'est effectivement le cas, comme l'expérimentation indique qu'il est possible pour ce type de batterie de commutation pour maintenir les niveaux de charge de batterie bien au-delà de l'attendre.

Voici une suggestion non testée pour comment il serait possible de produire une lumière puissante portable auto-alimenté. Il existe de nombreuses variantes possibles là-dessus, et la description qui suit se veut juste une indication de comment une batterie trois système de commutation peut être construit. Si vous n'êtes pas familier avec l'électronique simple, alors je suggère que vous étudiez le tutoriel électronique de base du chapitre 12.

Recharge de la batterie peut être accomplie de différentes manières. Évidemment, plus la charge électrique peut être réduite, la moindre la nécessité pour les recharger. Deux méthodes pour cela impliquent en passant du courant même à plusieurs reprises par le biais de la charge, comme indiqué ici:


La commutation pour cet arrangement peut être implémentée de différentes façons, mais essentiellement, à l'étape 1, batteries "B1" et "B2" fournissent deux fois la tension des piles "B3" et "B4", provoquant actuel à circuler dans la charge de "L" et en piles "B3" et "B4", pilotée par la différence de tension qui est normalement, identique à la tension de l'un quelconque des batteries sur ses propres. Chacune des batteries "B3" et "B4" ne recevoir que la moitié du courant fourni par les batteries "B1" et "B2" et donc, il est, sans surprise, une perte d'énergie. Toutefois, pour la moitié du temps, batteries "B3" et "B4" reçoivent un courant plutôt que de fournir le courant à la charge de charge.

À l'étape 2, les piles sont échangées autour et le processus répété avec piles "B3" et "B4" fournissant actuel à la charge et les batteries "B1" et "B2". Des tests ont montré que, avec cet arrangement, la charge "L" peut être alimenté pendant plus longtemps que si les quatre piles étaient branchées en parallèle et utilisés pour fournir la charge directement. Avec ce système, chaque batterie reçoit la moitié de la charge actuelle de la moitié du temps.


Une autre méthode qui utilise le même principe, mais trois piles au lieu de quatre, et où chaque batterie reçoit l'ensemble de la charge d'un tiers du temps, est comme ceci :


Ici, les piles sont commutés autour dans l'ordre, deux d'entre eux dans la série causant des flux de courant dans la charge de " L ", puis dans la troisième batterie. Il y a, bien sûr, une perte totale de l'énergie, et donc, plus d'énergie d'une source externe doit mis en place pour maintenir la charge alimentée en permanence. Cependant, comme avec le système de quatre-batterie, la charge " L " peut être gardé alimentée plus par les batteries disposées comme ça que se produirait si toutes les trois batteries ont été raccordées en parallèle et utilisés pour alimenter la charge directement.

Comme avant, la commutation d'un système de ce type peut être implémentée de différentes façons. Pour la fiabilité à long terme, il est préférable de passer à l'état solide, et comme les transistors NPN sont peu coûteux et facilement disponible, ils apparaissent ici dans une des configurations préférées :

Comme chaque connexion inter-battery est différente pour chacune des trois phases de fonctionnement de ce circuit, il est nécessaire d'avoir quatre commutateurs pour chaque étape. Afin d'établir les détails nécessaires pour le raccordement des transistors, ce circuit n'a pas les rails normales de positifs et négatifs, les directions d'écoulement actuel (nominal) doivent être examinés. Ceux-ci sont montrés ici:


De toute évidence, le courant circule de la tension supérieure reliées en série à la faible tension de batterie simple. Les commutateurs virtuels douze numérotées de " S1 " à " S12 " respectivement, et si chacun représente un transistor NPN, alors nous devons aussi pour s'assurer que le sens du déroulement actuel est correct pour le transistor et d'identifier un point de tension plus élevé qui peut être utilisé pour alimenter en courant dans la base de chaque transistor. Ces détails sont répertoriés ici:


La disposition suggérée de commutation donc, ressemble à ceci:


Alors que le diagramme ci-dessus montre chaque étape avec des résistances de base en permanence, c'est, bien sûr, que pour afficher l'arrangement conceptuel. Chaque résistance est traversé d'un opto-isolateur et chaque ensemble de quatre opto-isolateurs sont conduits par l'une des trois sorties séparées de même durée. Un arrangement possible pour cela pourrait être comme indiqué ci-après.

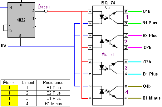
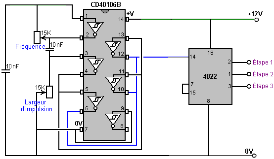
La puce CD4022 diviser par huit peut être organisée à diviser par trois plutôt que huit, en reliant la broche 7 à la borne 15. Les connexions de puce physique sont:


La puce a besoin d'un signal d'horloge pour pouvoir fonctionner. Il y a différentes façons de générer un signal d'horloge, et celui qui est indiqué ici est très bon marché, simple et a fréquence réglable et ajustable Signal / Espace ratio, bien que, étant donné que le signal doit être utilisée pour déclencher l'action d'une puce de diviser par trois, il n'y a pas besoin de ce signal d'horloge d'avoir 50 % de Signal / Espace ratio. Courant d'alimentation de la puce est si minuscule, qu'il n'importe pas vraiment ce que le Signal / Espace ratio est:


En utilisant ce circuit comme le signal d'horloge, le circuit de l'opto-isolateur pourrait être:


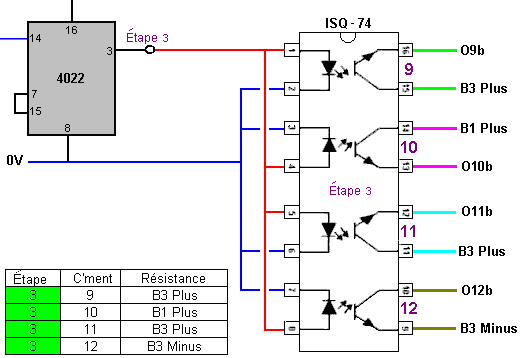
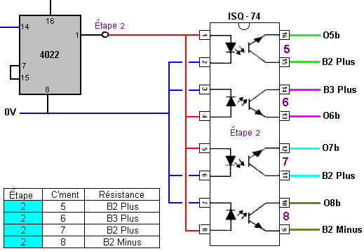
Il existe divers opto-isolateurs et tandis que les variétés à grande vitesse assez chers sont tentantes, étant donné que nous devons fournir trois séries de quatre, la puce quadri ISQ-74 semble très adaptée à cette application, bien qu'il soit plus lent:


Le circuit d'ensemble pour la commutation optique est alors:












Les transistors de sortie sont attendus pour basculer un ampère et de sorte que le TIP132 NPN et transistors TIP137 correspondant ont été sélectionnés. Ceux-ci sont bon marché, transistors Darlington avec des gains en courant supérieure à 1000, ce qui signifie que les exigences actuelles de base sont environ 1 mA, ce qui suggère que les transistors de base pourraient être 8.2K pour un système de 12V. Ces transistors peuvent passer jusqu'à 12A 100V et une dissipation de puissance de 70 watts, ce qui indique qu'ils seront exécutés jusqu'ici en dessous de leur capacité qu'ils doivent fonctionner à basse température.


Avec ce type de circuit, il est souhaitable d'avoir un assez fort courant (par rapport à la capacité de la batterie) afin de donner une différence marquée entre les cycles de décharge et de charge pour chaque batterie. L'utilisation d'un mm x taille du conseil d'administration de 104 x 50 mm qui emboîtera directement dans une boîte à fente latérale en plastique standard, une mise en stripboard (où les cercles rouges indiquent une rupture dans la bande de cuivre sur la face inférieure de la planche) pour la section de commutation de transistor pourrait être:


Chaque résistance de base a un lien de sortie (O1B par O12b) qui est relié à travers son opto-isolateur à la destination indiquée dans la colonne "Base" dans le tableau. Chaque série de trois transistors NPN et un transistor PNP sont commutés ensemble par l'intermédiaire d'une seule ISQ-74 quad opto puce isolateur. Chacun des trois ISQ-74 puces est alimenté à son tour par l'une des sorties du CD4022 division par trois puce connectée, ce qui conduit par l'hexagone Schmitt puce onduleur CD40106B filaire comme une horloge, comme indiqué ci-dessus. On s'attend à ce qu'une fréquence d'horloge appropriée serait d'environ 700 Hz. Une disposition possible pour l'heure, il faut diviser par trois et douze opto-coupleurs sur un 104 mm du conseil de bande x 50 mm, est montré ici:


Les circuits de commutation moment et font partie de la charge qui est allumé. Cependant, si nous supposons qu'il y aura une perte de puissance lors de l'exécution de ce système, alors nous devrions considérer les conceptions très astucieux de Carlos Benitez en 1915.


Les Générateurs d'énergie-libre Auto-alimenté de Carlos Benitez
Le mexicain Ingénieur Civil Carlos Benitez a conçu ce qui est essentiellement l'interrupteur 3-batterie traitée ci-dessus. Il travaillait à la fois quand électronique à semi-conducteurs n'était pas disponible et sa conception est d'autant plus impressionnant pour cela. Voici une partie de son information sur les brevets:

Carlos Benitez Brevet     GB 17811     13 mai 1915

Système pour la Génération de Courants Électrique


J'ai, Carlos F. Benitez, Ingénieur Civil, 141, rue Ocampo, Guadalajara, Mexique, déclare la nature de cette invention :

L'invention porte sur un nouveau procédé permettant d'obtenir des courants électriques dans des conditions exceptionnellement simples, économiques et pratiques. J'utilise synthétiquement en combinaison : appareil pour la production de courants électriques pour la charge d'un ou plusieurs condensateurs dont les collectionneurs ou les revêtements intérieurs est connectés à une des bornes de l'enroulement primaire d'une ou plusieurs bobines d'induction et les autres revêtements de ces condensateurs sont mis à la terre par l'intermédiaire de l'enroulement primaire du transformateur, ou alternativement connectés via le transformateur primaire aux collectionneurs ci-dessus, des moyens appropriés pour la collecte les courants produits dans les enroulements secondaires de ces transformateurs ainsi que de charger pour les collectionneurs qui précède et un moyen adéquat pour s'acquitter de ces collectionneurs et pour l'application de tout ou partie de son énergie à la réplication successive du processus déjà décrite, de cette façon, augmenter la production d'énergie électrique, ou de maintenir une constante, déterminé à l'avance de puissance électrique.

En outre, l'invention consiste en une combinaison nouvelle de pièces dont sont dérivées les avantages qui seront pleinement compris par l'examen des deux cas différents illustré dans le dessin ci-joint, dans lequel :

1 est une batterie de condensateurs.
2 est un commutateur rotatif à faire et défaire les connexions du circuit aux instants appropriés.
3 est l'enroulement primaire d'un transformateur ou une bobine d'induction.
4 est l'enroulement secondaire du transformateur ou bobine d'induction.
5 est une deuxième batterie de condensateurs.
6 est un oscillateur éclateur.
7 est l'enroulement primaire d'un transformateur de second.
8 est l'enroulement secondaire de ce transformateur.
9 est une troisième batterie de condensateurs.
70 est l'enroulement primaire d'un transformateur de troisième
71 est l'enroulement secondaire de ce transformateur.
10 est un transformateur de quatrième.
11 est une série de lampes à incandescence.
12 est un moteur électrique.
(a), (b), (c) (d) (e) et (f) sont vapeur de mercure convertisseurs ou vannes cathodiques, permettant l'écoulement du courant électrique uniquement dans le sens indiqué par les flèches.


Le condensateur banque 1, est reliée par le fil 13 à une source de courant électrique, la fourniture de la charge initiale de la batterie de condensateurs 1. Cette charge initiale est utilisée pour démarrer le système en cours d'exécution et peut être déconnecté à tout moment au moyen de l'interrupteur 14.

Fil 15 relie des feuilles intérieures de la batterie de condensateurs une avec les pôles 16 et 17 du commutateur 2, et son pôle 18 est connecté via le fil 19 à l'une des bornes d'enroulement primaire de transformateur 3, dont l'autre extrémité est reliée par le fil 20 à l' les feuilles extérieures de la batterie de condensateurs 1. L'enroulement secondaire 4, de ce transformateur, est relié par fil 21 aux plaques internes de la batterie de condensateurs 5, et par le fil 22, les plaques extérieures de la batterie de condensateurs 5. De la même manière, les fils 23 et 24 passent les connexions sur les deux côtés de l'enroulement primaire 7 du deuxième transformateur. Fil 23 contient également un éclateur de l'oscillateur 6, et les fils 21, 22, 25, 26 et 72 contiennent les soupapes de cathode à sens unique a, b, c, d, e et f. L'enroulement secondaire 8 de cette deuxième transformateur, se connecte à des plaques intérieures de la batterie de condensateurs 9, dont les plaques extérieures sont reliées à la terre par l'enroulement primaire 70 de la troisième transformateur. L'enroulement secondaire 71, de ce troisième transformateur est également relié par un fil 72, les plaques internes de la batterie de condensateurs 9. Les fils 27 et 28 relient également ces plaques intérieures aux poteaux de collecteur 29 et 30, qui forment un commutateur à travers le contact collecteur 31 qui est relié aux plaques intérieures de la batterie de condensateurs par une fil 32. Commutateur 33 et 34, de permettre la connexion ou la déconnexion de l'enroulement primaire du transformateur 10, dont l'enroulement secondaire fournit un courant aux lampes à incandescence 11 et le moteur 12. Enfin, l'une des extrémités de l'enroulement primaire 3 est relié par le fil 35 à deux pôles 36 et le pôle 37 du commutateur 2, et le contact de collecteur correspondante 38 est reliée à la masse par le fil 39.

Comme la construction et l'utilisation de tous ces éléments (à l'exception du collecteur) est parfaitement compris, il serait inutile de les décrire. Le commutateur 2 est enfermé dans un réservoir 40, dont l'extrémité des parois 41 et 42 supportent les extrémités de la barre de contact de montage 43, et les paliers de l'arbre rotatif 44. La barre de contact est fait d'un matériau non-conducteur sur lequel sont solidarisés, la bande de contact en cuivre brosses 16, 17 et 18, 36, 37 et 38, et 29, 30 et 31. Contact de sécurité entre ces brosses et les cylindres rotatifs montés sur l'arbre 44 est assurée par la rotation du bras de levier 47 et de son poids associé 48.

Les trois cylindres rotatifs montés sur l'arbre 44, sont réalisés en un matériau non conducteur et ont une bande conductrice autour de leur centre. Cette bande a deux éperons conducteurs de course vers l'extérieur, l'une à droite et une à gauche, positionné à 180 degrés autour de la circonférence du cylindre. Lorsque l'arbre 44 est en rotation, ce qui provoque le contact central (par exemple, 18) pour connecter d'abord à l'un de ses contacts associés (par exemple, 17), puis déconnecter et se connecter à l'autre contact (par exemple, 16), formant un changement de Mécanisme de commutation.

Les bandes de commutation sur le cylindre central sont positionnés à 90 degrés autour de la circonférence par rapport à la position des bandes de commutation sur les deux cylindres extérieurs, qui sont alignés les uns avec les autres.

Ceci peut être vu dans le diagramme, où, dans la position de l'arbre montré, 38 et 36 sont reliés et 31 et 30 sont connectés, tandis que 18 n'est pas connecté à 16 ou 17.

Lorsque l'arbre 44 est tourné de 90 degrés, 18 seront connectés à 17, tandis que 31 et 38 seront tous deux isolés.

Lorsque l'arbre 44 est tourné de 90 degrés supplémentaires, brosse 18 seront isolés pendant brosse 38 sera relié à 37 et 31 pinceau sera relié à 29.

Lorsque l'arbre 44 est tourné de 90 degrés supplémentaires, brosse 18 seront reliées à brosser 16, tandis que les brosses 31 et 38 seront isolés.

[Remarque: Si le schéma est correctement proportionné, il y aura quatre postes dans chaque rotation où les trois brosses centrales ne sont pas reliés à l'une des brosses extérieures, la production de la séquence de commutation Marque, pause, Marque, pause, Marque, pause, Faire , Pause pour chaque révolution. Ces ruptures dans la séquence de commutation ont été montré pour avoir un effet significatif lorsque les batteries sont en charge.]


Arbre de transmission 44 est allongé et projets à travers la paroi d'extrémité 42, de sorte qu'une transmission par courroie 45, ou tout autre procédé convenable, peut être utilisée pour faire tourner l'arbre, entraîné par le moteur 12 ou, éventuellement, par une manivelle 46. Le réservoir 40, est rempli avec de l'huile ou tout autre liquide isolant, afin d'éviter que des étincelles entre les balais, ce qui diminuerait l'efficacité du système.

Ce système fonctionne comme suit:

Avec le commutateur dans la position indiquée sur le dessin, qui est, avec la brosse 36 raccordé à 38 et 30 pinceau relié à 31, et en supposant condensateur banque 1 est relié par un fil 13 à une source d'énergie électrique (par exemple, une machine Whimshurst) , le commutateur 14 étant, le courant électrique passe à travers fermés fil 13 pour charger une batterie de condensateurs, ce qui provoque un courant à travers fil 20, l'enroulement primaire 3, le fil 35, la brosse 36, la brosse 38 et le fil 39 à la masse. Ce flux de courant à travers l'enroulement primaire 3 induit un courant inverse dans l'enroulement secondaire 4, qui traverse fil 21, la batterie de condensateurs de charge 5, puis un courant induit directement circulant à travers le conducteur 22, de charge de condensateur banque 5.

La circulation de courant vers les deux ensembles de plaques de condensateur banque 5, le charge et crée une étincelle à travers l'éclateur 6, ce qui provoque une impulsion de courant très forte dans l'enroulement primaire 7. Ceci provoque à son tour un nombre considérable de haute fréquence courant oscillant dans l'enroulement secondaire 8 et ceux-ci passent le long des fils 25 et 26, et par l'intermédiaire de diodes de c et d, la recharge ainsi la batterie de condensateurs 9 et entraînant un jeu correspondant de haute fréquence impulsions de s'écouler à la terre à travers l'enroulement primaire 70. Ceci induit une circulation de courant dans l'enroulement secondaire 71, qui traverse les diodes e et f, et par la suite par l'intermédiaire de fils 72, augmentant en outre la charge de la batterie de condensateurs 9.

Par conséquent, la batterie de condensateurs 1 étant chargé par une source externe, batterie de condensateurs 9 sera facturé indirectement et successivement plusieurs fois rechargée, ce qui entraîne une quantité d'électricité sensiblement supérieure à celle de la batterie de condensateurs 1. Par ce moyen, le système peut être auto-alimenté sans avoir besoin de la source d'énergie utilisée pour démarrer, ce qui signifie que l'interrupteur 14 peut être ouvert.

Lorsque l'arbre 44 tourne de 90 degrés, brosse 17 se connecte avec une brosse 18, tandis que les brosses 31 et 38 sont tous deux déconnectés. Cela provoque condensateur banque 1 pour être complètement évacué par transformateur primaire 3, provoquant le processus déjà décrit par quelle banque condensateur 9 reçoit une charge électrique sensiblement plus grande. Il en résulte une batterie de condensateurs 1 étant totalement déchargée et le condensateur banque 9 étant très chargés avec beaucoup d'électricité. Par conséquent, si nous maintenant fermer l'interrupteur 33 et faire tourner l'arbre 44 par le biais de 90 degrés, les résultats de la situation suivante:
  1. Brosses 17 et 18 seront déconnectés.
  2. Brosses 37 et 38 deviennent connectés qui à son tour relie les plaques extérieures de la batterie de condensateurs 1 à la terre. Brosses 29 et 31 sont connectés, qui relie ensuite les plaques internes de la banque condensateur 9 aux plaques internes de la batterie de condensateurs 1.
  3. Une partie de la haute charge du condensateur banque 9 coulera comme un courant électrique à travers fil 32 et dans le condensateur banque 1.
  4. Ce flux de courant à partir des plaques internes de la batterie de condensateurs 9 provoque une charge négative adaptation immédiate à l'écoulement de la terre à travers l'enroulement primaire 70, pour compenser le déséquilibre de charge.
  5. Ceci induit une circulation de courant dans l'enroulement secondaire 71, qui passe à l'énergie électrique supplémentaire pour les plaques extérieures en tant batterie de condensateurs 9 et une batterie de condensateurs, et qui intensifie en outre l'écoulement du courant dans l'enroulement primaire 70 considérablement.
  6. En outre, comme la batterie de condensateurs 1 vient d'être nouvellement chargé, il conduit le courant supplémentaire à travers l'enroulement primaire 3, provoquant de nouveaux courants induits qui, comme avant, de produire beaucoup de charge accrue sur les plaques intérieures des deux batteries de condensateurs 5 et 9 batterie de condensateurs, comme décrit précédemment.
Si l'arbre 44 est mis en rotation à travers une autre de 90 degrés, puis une connexion entre les balais 16 et 18 sera faite et tous les autres circuits sera ouvert, provoquant la batterie de condensateurs 1 à être déchargé de nouveau, répétant ainsi l'ensemble du processus décrit ci-dessus à condition que l'arbre 44 est mis en rotation en continu.

Ce système produit une alimentation en constante augmentation d'un courant électrique circulant à travers fil 32, et ainsi, le commutateur 34 peut être fermée, ce qui permet transformateur 10 pour fournir la puissance électrique pour exécuter moteur 12 qui maintient l'arbre 44 en rotation continue, ce qui rend le système autonome sans qu'il soit nécessaire pour toute forme d'alimentation extérieure. Transformateurs supplémentaires insérés dans le fil 32 peuvent être utilisés pour alimenter des équipements supplémentaires.

Sans employer les courants de haute fréquence décrites ci-dessus, des résultats similaires peuvent être obtenus au moyen du dispositif représenté à la côté inférieur droit du dessin ci-dessous:


Ici, l'enroulement primaire 50 est connecté comme indiqué par les lignes en pointillés, avec des fils 19 et 20 de l'ancien régime, et le fil 53 se connecte à deux fils 27 et le fil 28. Cette disposition présente l'enroulement primaire 50 reliée par son extrémité 51 de fil 20 et est donc relié en permanence à des plaques extérieures de la batterie de condensateurs 1, et son autre extrémité 52 étant relié à un fil 35 sera relié à la terre par intermittence. Fil 53 étant relié à des fils 27 et 28 seront intermittence connecter ensemble, les plaques internes de la batterie de condensateurs 54 et les plaques internes de la batterie de condensateurs 1.

Avec cet agencement, les deux extrémités de l'enroulement secondaire 55 sont reliées par des diodes 56 et 57, pour raccorder 53. Les plaques extérieures de la batterie de condensateurs 54 sont connectés de façon permanente par enroulement primaire 58 à la masse. Les deux extrémités du secondaire 59 sont reliés par des diodes 60 et 61, retour à 53 fils. Par conséquent, si la batterie de condensateurs 1 est chargé, il entraîne un courant à travers fil 20 et ainsi, par enroulement primaire 50, et à la terre par les fils 35 et 39. Cela induit un courant dans l'enroulement secondaire 55 qui est stockée dans les plaques internes des deux batteries de condensateurs 54 et la batterie de condensateurs 1, comme en ce moment, le circuit est fermé entre les balais 29 et 31, et ainsi, le fil 53 est relié au fil 32. Sur réception de ces nouvelles accusations, le condensateur à la fois banque 1 et batterie de condensateurs 54 créeront de nouveaux courants électriques induits circulant dans les enroulements primaires 50 et 58. Ces impulsions de charge multiples diminuera avec le temps jusqu'à ce qu'ils soient insignifiants, au moment où, en raison de la rotation de l'arbre 44, la connexion entre les balais 29 et 31 et entre les balais 36 et 38 ne sera plus maintenu, et à la place, des brosses 18 et 17 deviendra connecté, décharger la batterie de condensateurs 1 jusqu'à la fin de l'enroulement primaire 50 qui est une décharge très forte, charge batterie de condensateurs 54 que le fil 53 est maintenant déconnecté de fil 32. Ceci, à son tour, provoque puissant courant à travers enroulement primaire 58, la charge supplémentaire batterie de condensateurs 54 qui alimente ensuite la batterie de condensateurs 1 lorsque l'arbre 44 tourne davantage, rendant le système à la fois autonome et capable de fournir une puissance électrique utile à d'autres équipements.

Il doit être clairement entendu que l'utilisation de convertisseurs à vapeur de mercure ou diodes de soupape cathodique tel que décrit, ne sont en aucune manière indispensable dans le système que ces dispositifs peuvent être remplacés par un arrangement approprié de condensateurs qui recevraient séparément, le direct et inverse les courants des secondaires.

Quand on frappe une cloche juste une fois, il vibre à plusieurs reprises, en transmettant ces vibrations de l'air et ainsi, rendre le son que nous entendons. Plus la cloche, le ralentissement des vibrations et plus la hauteur de la note que nous entendons. La même chose arrive quand une impulsion de tension forte est appliquée sur une bobine de fil de fer comme une simple impulsion provoque beaucoup de vibrations dans la bobine. Comme la cloche, la fréquence des vibrations dépend de la structure de la bobine et non de la façon dont elle est pulsé, bien que, comme une cloche, une impulsion forte pour une bobine ou d'un choc violent d'une cloche, produit un effet plus important.

Vous remarquerez ici que Carlos utilise la 'sonnerie' de résonance d'une bobine à air pour obtenir un gain d'énergie qui est ensuite utilisé comme rétroaction positive à plus charger une batterie de condensateurs. Une forte impulsion unique générée par une étincelle, provoque un grand nombre d'oscillations de la bobine, dont chacun contribue puissance de sortie, produisant un gain d'énergie. La fréquence de la sonnerie est susceptible d'être autour de 3 MHz. Il est également intéressant de noter que, avec cette conception, la production d'électricité peut être atteint sans la batterie et simplement la rotation manuelle d'un générateur électrostatique Whimshurst et la mise en service de l'axe du collecteur 44.

Carlos a également produit une autre conception, cette fois travailler sur les batteries (même si il avait tendance à penser en termes de groupes de batteries 60 volts au lieu de batteries de 12 volts) et son brevet comprend ce que nous avons tendance à appeler le Changement Tesla aujourd'hui. Nous devrions peut-être appeler l'interrupteur Benitez. Cependant, au lieu de le mettre en rapidement, Carlos utilise un intervalle de temps de commutation d'une heure. La tension inférieure surmonte la nécessité pour les contacts de commutation pour être immergé dans l'huile.



Carlos Benitez Brevet     GB 14,311     17th Août 1916

Système pour la Production de Courants Électriques


J'ai, Carlos F. Benitez, Ingénieur Civil, 141 Ocampo Street, Guadalajara, au Mexique, ne déclarons la nature de cette invention:

L'invention qui fait l'objet de ce brevet d'addition, se rapporte à de nouvelles améliorations dans le système pour la génération de courants électriques, décrites dans le brevet principal No. 17.811 et le brevet d'addition No. 5591, déposée 14th Avril 1915.

Le système peut être encore simplifiée et améliorée par l'ajout de batteries, qui, ajusté en conjonction avec le système décrit précédemment, peut être chargée et déchargée en alternance, en produisant un excès d'énergie électrique qui peut être utilisé dans n'importe quelle manière souhaitée.

En d'autres termes, dans cet arrangement, j'utilise en combinaison: deux batteries connectées en série et deux batteries branchées en parallèle, ces paires étant utilisés de sorte que la décharge d'une paire est utilisée pour charger l'autre paire, et vice versa.

Un autre but de cette nouvelle disposition est de permettre l'utilisation de faibles tensions, les petits condensateurs de capacité et des aménagements supplémentaires pour démarrer le système.

Les avantages d'une telle amélioration seront mieux compris en considérant le dessin suivant qui illustre un mode de réalisation de l'invention:


Dans le diagramme, 1, 2, 3 et 4 sont des batteries qui, lorsqu'il est chargé à partir d'une source externe, permettant de maintenir leurs tarifs de manière illimitée, de la manière suivante:

Avec les connexions établies comme indiqué dans le schéma, qui est, avec batteries 1 et 2 connectés en série à travers le commutateur 5 (commutateur 6 étant ouvert), batteries 3 et 4 sont connectées en parallèle à travers le commutateur 7 (commutateur 8 étant ouvert). Dans ces conditions, en supposant que les quatre batteries sont similaires, ayant des tensions similaires, batteries 1 et 2 étant en série auront une tension combinée supérieure à celle des batteries 3 et 4 qui sont connectés en parallèle, et ainsi, une charge connectée entre eux auront un courant de batteries 1 et 2 et dans les batteries 3 et 4.

En d'autres termes, si le fil 13 est relié à la borne positive de la batterie 1 et 2 ensemble, et avec les pôles positifs 10 et 32 de la batterie 3 et 4 combinées, alors qu'un courant électrique est établie entre les deux ensembles de batteries , jusqu'à ce que leurs tensions correspondent. Bien sûr, le courant fourni par les batteries 1 et 2 aurait produire une petite charge dans les batteries 3 et 4, mais que le courant peut être augmentée par l'une des méthodes décrites dans mes brevets antérieurs (No.17811/14), et par ces signifie qu'il est toujours possible de charger et décharger alternativement les paires batterie de l'autre, en gardant une charge constante, prédéterminé, et en outre, produire un excès d'énergie électrique qui peut être utilisé à des fins choisie.

Avec ces objectifs en vue, et en utilisant à titre d'illustration, l'agencement représenté dans la figure 1 du brevet d'addition No. 5591/15, le fil 13 se connecte au condensateur 14. L'enroulement primaire 15 d'une bobine d'induction ordinaire muni d'un interrupteur, est reliée par ses extrémités 16 et 17, au fil 13. Les extrémités 18 et 19 de l'enroulement secondaire de cette bobine d'induction 15 sont reliés à des connexions 20 et 21 du condensateur (ou batterie de condensateurs) 22. Connexions 20 et 21 sont également reliés par l'éclateur 23, à des extrémités 24 et 25 de l'enroulement primaire 26 d'un transformateur à haute fréquence. Les extrémités 28 et 29 de l'enroulement secondaire 27 du transformateur qui sont reliées aux extrémités 16 et 17 de la bobine d'induction 15. Enfin, les fils 30 sont connectés aux bornes du condensateur 14 et ils sont utilisés pour alimenter des charges externes, tels que les lampes à incandescence indiquées sur le schéma.

Cette disposition étant faite, l'énergie électrique stockée par des batteries 1 et 2, en passant par la borne 9, le fil 13, l'enroulement primaire 15, la borne 10 de la batterie 4, 31 pôles de l'interrupteur 7 et la borne 32 de la batterie 3, va revenir par la borne 12 de la batterie 3 à la combinaison de la batterie 1 et 2.

En conséquence de courant traversant enroulement primaire 15, un courant haute tension est produite dans son secondaire et recueilli dans le condensateur 22, déchargement par éclateur 23, génère des courants à haute fréquence dans le transformateur à haute fréquence bobines primaire et secondaire 26 et 27. Comme chignons 28 et 29 sont reliés aux extrémités de la bobine 16 et 17, cette augmente considérablement le passage du courant fourni par les batteries 1 et 2 et si les accumulateurs 3 et 4 maintenant recevoir suffisamment de courant de charge pour les maintenir à pleine charge ainsi que la conduite supplémentaire charges par des fils 30.

Dans ces conditions, que la tension dans l'une des batteries est en baisse tandis que l'autre est en augmentation, après quelques heures, les deux tensions correspondent et il est alors impossible de produire un flux de courant à moins que les commutateurs 5, 6, 7 et 8 sont exploités, en inversant les fonctions de la batterie et permettant de poursuivre le processus entièrement en avant avec des batteries 1 et 2 sont montés en parallèle et les piles 3 et 4 étant reliées en série.

Lorsque la résistance de l'enroulement primaire du transformateur 15 n'est pas très élevé, il est possible de simplifier le circuit ci-dessus en obtenant les courants de haute fréquence directement à partir de la bobine d'induction 15, dans ce cas, se termine 18 et 19 de l'enroulement secondaire sont connectées directement aux extrémités 16 et 17 de la même bobine et la seconde batterie de condensateurs 22 et le transformateur à haute fréquence 26/27 peut être omis. Dans ces conditions, le disjoncteur ou interrupteur qui fait partie de la construction de la bobine d'induction, agit comme un éclateur à étincelle, et le condensateur 14 rejets sous la forme d'oscillations à travers l'enroulement primaire 15 de la même bobine, ce qui augmente directement la quantité d'énergie électrique fournie par les accumulateurs


Une partie essentielle de cette conception qui n'est pas clairement indiqué dans le brevet, est que ce qui était pratique courante il ya une centaine d'années, à savoir que la connexion de puissance d'entrée au point 17 de la primaire de l' (augmentez) transformateur 15, est alimenté par un contact "interrupteur". Cette connexion s'ouvre lorsque la bobine 16 à 17 est mis sous tension, ce qui provoque le fil noyau de faisceau de fer isolée de la bobine pour devenir aimanté, et à attirer le bras pivotant de l'interrupteur, qui rompt le courant à la bobine très forte, ce qui provoque à haute fréquence oscillations de résonance dans les deux enroulements du transformateur 15, qui génère la puissance excessive qui utilise le système et ses charges additionnelles. À l'époque de Benitez, sonnettes de portes utilisé ce style de coupure pour produire une action marteau sur une cloche métallique. Ceux-ci étaient très pas cher, très simple et très fiable.

Si je comprends bien alors, la différence de tension entre les deux paires de batteries, condensateurs de charge 14 et mise sous tension de l'enroulement primaire 16-17 du transformateur élévateur 15. Cela provoque un courant à circuler dans cet enroulement, ce qui rend le noyau attire le bras de pivotement de l'interrupteur de la même manière que le relais fonctionne. Cette casse le flux de courant très forte, ce qui provoque une impulsion de force contre-électromotrice puissant dans l'enroulement primaire. L'enroulement primaire a une fréquence de résonance, très nettement abaissé par la présence du noyau de fer, qui lui-même est un matériau à basse fréquence, et la bobine oscille à sa fréquence de résonance, et non pas à un seul cycle mais, pour de nombreux cycles. Chacun de ces cycles génère une haute tension dans l'enroulement secondaire 18-19 et chacun de ces cycles contribue à haute tension pour le système. Cette puissance est envoyée à trois points. Tout d'abord, il reflue à fournir de l'énergie de charge à l'une des paires de batteries. Deuxièmement, il ajoute de la puissance supplémentaire à la capacité de conduire ses propres enroulement primaire. En troisième lieu, il assure l'alimentation de la charge qui est représentée par une série de lampes connectées en parallèle.

C'est juste pour la première impulsion d'interruption. Le courant coupé à travers l'enroulement primaire 16-17 causes de son noyau pour cesser d'être un électro-aimant et il cesse d'attirer le bras de pivot de l'interrupteur et tout cela semble très rapide, en termes humains, il est très lent comparé aux multiples oscillations bourdonnements dans l'enroulement. Lorsque le bras pivotant revient dans sa position de départ, il établit le flux de courant dans l'enroulement primaire une fois de plus. Cependant, la charge du condensateur alimentant l'enroulement primaire a été stimulée par les oscillations de résonance dans le secondaire et est donc plus fortement chargée que lorsque le contact interrupteur ouvert précédemment. Ce processus se poursuit à plusieurs reprises, en fournissant de charge et de puissance à la charge.

Selon Carlos, il ya une légère fuite d'ensemble sur le système de batterie et donc, au bout d'environ une heure, les interrupteurs sont commandés, en changeant les batteries connectés en série pour devenir montés en parallèle et les batteries connectées en parallèle pour devenir connectés en série. Ce moment semble étrange que la commutation des batteries plus beaucoup plus fréquemment que requiert batteries avec une capacité beaucoup plus faible.

Comme nous ne sommes pas familiers avec des bobines d'induction et interrupteurs maintenant que l'électronique à semi-conducteurs est disponible, nous pouvons obtenir des informations de construction et d'exploitation de cette période dans le livre "Radiotélégraphie Construction pour Amateurs" par Alfred Powell Morgan, publié en 1913, qui est disponible en téléchargement gratuit à partir d'ici: Morgan.pdf .

Par exemple, les détails d'interruption comprennent:

“Certains des moyens de charge du condensateur est nécessaire. Une bobine d'induction est la plus pratique pour l'amateur. La bobine d'induction est constitué d'un enroulement primaire du fil enroulé autour d'un noyau en fer central et entouré par une bobine secondaire constitué de plusieurs milliers de tours de fil soigneusement isolée. L'enroulement primaire est connecté à une source de courant continu, qui comprend également un interrupteur à "faire" et "casser" le courant dans une succession rapide. Chaque "make" du circuit et par conséquent l'aimantation du noyau, induit un courant inverse momentanée dans l'enroulement secondaire, et chaque "pause" et de démagnétisation correspondant induit un courant continu momentanée. Normalement, les courants induits seraient égaux, mais par l'intermédiaire d'un condensateur connecté aux bornes de l'interrupteur, le circuit lorsque "fait" nécessite un temps considérable pour le courant et l'aimantation du noyau pour atteindre une valeur maximale, tandis que lorsqu'il est cassé, la démagnétisation et baisse actuelle est presque instantanée. La valeur de la force électromotrice induite dans un circuit, varie avec la vitesse à laquelle les lignes de force magnétique coupent le circuit, et ainsi, la force électromotrice induite à «pause» devient suffisamment élevé pour sauter à travers un éclateur.

Les formules liées à des bobines d'induction et dépendent de circonstances qui ne sont jamais respectées dans la pratique et ne peut pas être invoqué. Pour construire une bobine d'une taille donnée, il est nécessaire d'utiliser des dimensions obtenues de manière empirique. Par conséquent, l'amateur doit s'en tenir strictement aux lignes ou des conseils donnés ici, ou qui apparaissent dans certains carnet à jour sur le renforcement de la bobine d'induction.

Pendant longtemps, la bobine d'induction est un instrument inefficace cher, jusqu'à ce que la télégraphie sans fil a exigé de lui conception et la construction plus rigide et plus efficace. C'était l'objectif des fabricants pour produire la longueur d'allumage plus longtemps possible avec un minimum de fil secondaire. À la suite de cette demande, les bobines mobiles sont désormais fabriqués avec un noyau de plus grand diamètre et donnent des étincelles plus lourds et plus épais. Le secondaire dans ce cas, est courte et elle utilise des fils de grande surface en coupe transversale de manière à réduire la résistance et de minimiser le chauffage.


Aucune partie d'une bobine d'induction peut être développé à son maximum d'efficacité sans sérieusement influencer et réduire l'efficacité des autres parties. Les suggestions suivantes concernant la construction sont donnés afin qu'ils puissent se révéler être un guide utile pour le constructeur de la bobine amateur. Les pièces seront examinées dans leur ordre naturel de la construction.

Noyau: Certains expérimentateurs qui ne sont pas très familiers avec les principes du magnétisme, pensent que si une bobine d'induction ont été fournis avec un noyau fermé comme celui d'un transformateur, alors l'efficacité de la bobine serait augmenté sensiblement. Mais ce n'est pas le cas, car alors la magnétisation et la démagnétisation du fer ne peuvent avoir lieu assez rapidement dans un centre fermé quand un courant continu interrompu est utilisé à la place d'un courant alternatif.

Le noyau d'une bobine d'induction est donc toujours rectiligne. Pour la même raison, il n'est jamais solide mais est toujours constitué d'un faisceau de fils de fer doux pour que des changements rapides dans le magnétisme peuvent avoir lieu. Les fils sont toujours d'aussi bonne perméabilité (conductance magnétique) que possible de manière à créer un champ magnétique intense. Fer suédois ou russe de bonne qualité est le meilleur que ses pertes d'hystérésis sont petites. Plus le diamètre du fil, le moins sera les pertes par courants de Foucault et de chauffage consécutive, mais la perméabilité est également réduit et le noyau ne sera pas aussi efficace, que la quantité de fer est ainsi diminué et la surface oxydée augmentée. No. fil de calibre 22 est la meilleure taille pour le noyau moyenne.

Fils d'une bonne qualité peuvent être achetés déjà coupé à différentes longueurs. Pour acheter dans ce formulaire permettra d'économiser une grande partie de la main-d'œuvre nécessaire lors de la construction d'un noyau. Si les fils ne sont pas tout à fait droit, ils peuvent être redressés en les faisant rouler, un à la fois, entre deux planches. Il est préférable de re-recuit les fils. Pour cela, placer les fils dans un tuyau de fer et de boucher les extrémités du tuyau avec de l'argile. Ensuite, posez-le dans un feu de charbon jusqu'à ce que toute la masse atteint une chaleur rouge. Le feu est alors autorisé à s'éteindre peu à peu, avec le tuyau et fils restant dans les cendres jusqu'à cool. Une fois refroidi, retirez-les de la conduite et frottez chacun avec du papier de verre jusqu'à ce qu'ils brillent. Après ce nettoyage, les fils sont plongés dans de l'eau chaude, puis séchés. Elles sont ensuite trempées dans un vernis de bonne qualité et on laisse sécher à nouveau.

Le vernis présente une résistance à la circulation de courants de Foucault dans le noyau et permet de réduire les pertes très nettement. Un tube de papier fort ayant un diamètre intérieur égal au diamètre du noyau terminé est faite en faisant rouler le papier sur une forme et collage avec la gomme-laque. Quand il est parfaitement sec, le tube est enlevé et les fils emballés hermétiquement à l'intérieur. Le tableau suivant donne les dimensions de base pour les bobines pratiques de tailles différentes:

DIMENSIONS DU NOYAU


L'Enroulement Primaire:   Le rapport entre le nombre de spires primaires d'une bobine d'induction au nombre de secondaires se tourne, a aucun rapport avec le rapport des courants primaires et secondaires. Il a été constaté dans la pratique, que deux couches de fil enroulé solidement sur le noyau, forme le meilleur primaire. Les primaires devraient toujours être couverts soigneusement avec la gomme laque ou autre vernis isolant. Puisqu'il n'y a presque pas de ventilation dans le primaire, le fil doit être assez grand pour éviter tout échauffement. Un tableau contenant les différentes tailles de fils primaires est donné ici:

ENROULEMENTS PRIMAIRES


Dans les grosses bobines, l'inductance du primaire provoque un " rebond " et étincelles sont susceptibles de passer entre les spires adjacentes. Pour cette raison, il est toujours une bonne idée pour utiliser du fil de coton double couvert plus soigneusement l'isoler en trempant le primaire et de base dans un moule de cire de paraffine fondue et permettant à la cire durcir avec eux à l'intérieur. Par la suite, le pan est légèrement chauffé pour détacher le gâteau de paraffine et l'excès de cire retirée en grattant avec un objet contondant pour éviter d'endommager les fils. Cire de paraffine se contracte quand il durcit et la méthode appropriée pour l'imprégnation d'une substance poreuse doit laisser tremper et devenir figurant lors du refroidissement.

Une bonne méthode de réduire le " détendre " ainsi que la taille du condensateur branché sur le disjoncteur différentiel, est de faire de la primaire avec un certain nombre de tours de plus petit diamètre fil enroulé en parallèle, l'effet étant de produire une conductivité égale à un fil de grand diamètre et en même temps, faire un enroulement plus compact du primaire sur le noyau. Cette méthode d'enroulement est très souhaitable dans grosses bobines, car elle réduit la section transversale de la primaire et permet le secondaire être placé plus près de la base où le champ magnétique est le plus fort.

Le primaire sinueuse devrait couvrir presque toute la longueur de la carotte, puisqu'il n'y a aucun avantage dans le cadre de la base très loin au-delà de la fin du primaire alors que la plupart des lignes de force de magnétique se plier à la fin de l'enroulement primaire et retourne sans passer par les extrémités de la carotte.

Tube d'isolation : Le bon fonctionnement d'une bobine d'induction sans briser quand fortement souligné, dépend en grande partie le tube isolant qui sépare les primaires et les enroulements secondaires. Tubes en caoutchouc dur sont peut-être le meilleur. Un tube peut facilement être constitué de plusieurs couches de caoutchouc durci de demi-pouce feuille par à la vapeur afin de ramollir et puis les enroulant autour d'un ancien. Le tube doit serré sur le primaire et être plus court que le noyau d'environ un 25 mm. Après que le tube est en place, il est versé plein de cire d'abeille et colophane afin de combler tous les interstices et éviter des étincelles en raison de l'effet condensateur des enroulements de sauter à l'intérieur du tube à la primaire.

Secondaire : Une bobine utilisée comme un émetteur de radio télégraphe doit avoir le fil d'une grande section dans son secondaire, afin de produire une décharge disruptive lourde. Numéro 34 et numéro 32 jauges sont généralement utilisés pour les petites bobines et numéro 30 et numéro 28 de jauge pour grandes bobines. Soie fil couvert est la pratique habituelle, mais le fil émaillé est entrée en usage. Coton fil couvert prend trop de place et a de mauvaises qualités isolantes.

Fil émaillé est isolée par une couche d'acétate de cellulose, qui a une résistance diélectrique d'environ le double de coton et il faut beaucoup moins de place que la soie fil couvert, donnant une grande économie dans l'espace et un plus grand nombre de tours peut être enroulé dans le secondaire sans pour autant augmenter sa distance moyenne du noyau.

Lors de l'enroulement de fil émaillé, il doit prendre en considération que l'isolant du fil émaillé est rigide et qu'il n'a aucune souplesse. Par conséquent, en pour permettre l'expansion, fil émaillé doit être remontée plus souplement que fibre ou soie recouverte de fil. L'insertion occasionnelle d'une couche de papier dans l'enroulement donne d'expansion et n'ajoute pas beaucoup au diamètre. La longueur du secondaire n'est généralement pas plus de la moitié de la longueur de la carotte.

Bobines produisant des étincelles jusqu'à 50 mm de longueur, peuvent être enroulées en deux sections ou dans les enroulements de la couche, mais l'enroulement de la couche n'est pas recommandé pour les bobines donnant des étincelles plus un pouce de longueur. Il est préférable dans une bobine de ce type, d'insérer une couche occasionnelle du papier. Le papier doit être bien enduit 18 ou paraffiné et être de bonne qualité du linge. Il devrait projeter environ 6 mm à la fin du secondaire, comme indiqué dans cette section:


Cette insertion de papier augmente l'isolation et réduit les risques d'étincelles saut de couche à couche lorsque les couches sont très longs. Les secondaires de grosses bobines sont constitués de " tartes " ou " crêpes " de 3 mm à 9 mm d'épaisseur. Les " tartes " sont séparés les uns des autres par une triple épaisseur de papier buvard, qui a été complètement séché et puis trempée dans la paraffine fondue. Lorsque chaque " pie " est terminée, il est testé pour assurer la continuité et rejeté s'il n'est pas parfait. Ils sont connectés en série:


S'il est connecté, comme indiqué dans l'exemple "A", où l'intérieur d'une section est reliée à l'extérieur de la section suivante, la tension maximale qui peut exister entre les sections adjacentes dans ce cas, est égale à la force contre-électromotrice générée par une «tarte» et est égale partout. Branchement comme indiqué dans le cas où "B" où la partie extérieure d'une bobine est reliée à l'intérieur de la suivante, les plages de tension de zéro aux points où ils sont connectés, au double de la force contre-électromotrice développé par toute une section. Il s'agit de la meilleure méthode et chaque seconde bobine est tournée autour de l'horizontale pour permettre le sens inverse de la circulation du courant.

Après le secondaire est assemblé, la bobine doit être immergé dans un réservoir étanche contenant de la cire de paraffine fondue. Le réservoir est alors connecté à une pompe à vide et de l'air pompé. Cela provoque des bulles d'air dans les enroulements à être pompée. Après un repos pendant un certain temps, le vide est libéré et la pression de l'air provoque alors la bulle lacunes à combler avec de la cire de paraffine.

DIMENSIONS DE LA BOBINE SECONDAIRE


Il convient de noter que le très expérimenté Alfred Morgan contredit catégoriquement la théorie standard de l'opération symétrique transformateur quand il affirme que “le rapport entre le nombre de spires primaires d'une bobine d'induction au nombre de spires secondaires, n'a aucun rapport avec le rapport de les courants primaire et secondaire". C'est une déclaration très importante.

Carlos Benitez a également produit une autre conception très intelligent, toujours en utilisant quatre piles et un taux de commutation très lente, bien que n'étant plus en utilisant la série et mise en parallèle que nous considérons comme le commutateur Tesla. Dans cette conception, il montre un système d'alimentation de gain haute fréquence remarquable où 400 watts de puissance d'entrée produit 2400 watts de puissance de sortie (COP = 6):




Carlos Benitez Brevet     GB 121,561     24th Décembre 1918

Nouveau Procédé pour la Production d'Énergie Électrique


J'ai, Carlos F. Benitez, Ingénieur Civil, 141 Ocampo Streetà Guadalajara, au Mexique, ne déclare la nature de l'invention et de quelle manière le même doit être effectuée, pour être décrits en détail et vérifié dans, et par, le déclaration suivante:

La présente invention concerne une nouvelle utilisation des courants de haute fréquence ou des oscillations électriques, au moyen de laquelle, une production constante d'énergie électrique peut être fixé, dans des conditions exceptionnellement simple, économique et pratique.

Ces résultats sont obtenus au moyen de la procédure décrite en anglais spécification des brevets de l'actuel candidat No.14.311, déposée le 9 Octobre 1915, mais dans le but d'obtenir une meilleure utilisation les courants de haute fréquence et le fonctionnement automatique des mécanismes utilisés dans ce une procédure, j'ai inventé un nouvel agencement des pièces à partir de laquelle sont dérivées de plusieurs autres avantages qui seront ici décrits et présentés.

Deux batteries sont utilisées, dont l'un a déjà été inculpé. Ce chargée se décharge à travers un circuit qui utilise la plus grande partie de cette puissance et entraîne le reste d'un circuit oscillant connecté à la deuxième batterie. Ce circuit oscillant comporte un redresseur qui dirige les oscillations électriques de telle manière qu'ils sont contraints de passer en permanence à travers la deuxième batterie à partir de la borne positive à la borne négative. Comme le nombre d'oscillations par seconde en ce que le circuit peut être variée à volonté, l'intensité du courant au point par les oscillations peut être réglée de telle sorte que la deuxième batterie est complètement chargée dans la même période de temps pendant laquelle la première batterie est déchargée. Par conséquent, il n'est plus qu'une question d'inverser les connexions aux deux batteries afin d'obtenir la production continue d'énergie électrique.

L'invention est illustrée ici:


Ce circuit montre les connexions de circuit de l'arrangement et une vue en perspective d'un collecteur. Figure 2 est une vue latérale d'une partie du même appareil, et les figures 3 et 4 font partie de la même machine, dont l'emplacement et l'utilisation sera expliqué plus loin.

La figure montre deux groupes de batteries 1 & 2 et 3 & 4, qui sont tous deux connectés en série. Leurs pôles positifs 23 et 25 sont connectés aux bornes 17 et 20 du collecteur, à travers les ampèremètres 22 et 24. Le collecteur est un cylindre 5, monté sur un arbre rotatif 6, qui passe à travers deux supports 7 et 8. Le cylindre est muni des pistes conductrices 9, 10, 11 et 12 isolés à partir du cylindre 5. Il a également des pistes conductrices 14 et 15, qui peut être vu mieux dans la figure 2 et qui entrent en contact avec des brosses 17 et 18 et 19 et 20, bien isolé et fixé à l'anneau 16 qui entoure le cylindre 5 et est fixé à la base de l'appareil. Ces brosses se connecter à des piles et la borne 17 est reliée à la borne positive 23 de la batterie 1 & 2. Terminal 20 est reliée au pôle positif 25 de la batterie 3 & 4 par l'ampèremètre 24. Terminal 18 relie par un fil 26 à la borne 27 d'un moteur à courant continu dont la borne 28 se connecte à travers la résistance variable 29 et le fil 30 à la borne 31 du commutateur. Enfin, la borne 19 est reliée par un fil 32 aux bornes 33 et 34 d'un redresseur électrolytique dont les deux autres redresseurs 35, 36 connecter via le fil 37, se brosser 38 du collecteur.

Cet appareil est également fourni avec la borne 39 qui est connecté alternativement les pôles négatifs des piles à travers les brosses qui peuvent être vus dans la figure, en contact avec le cylindre 5. Dans ces conditions, l'appareil 40 et 41, qui sont utilisés pour fournir une sortie pratique indépendante du fonctionnement de la "plante", et qui sont reliés aux deux bornes 31 et 39, sera alternativement en circuit avec la décharge de la batterie, et Ainsi, une partie de l'énergie produite par la décharge de la batterie, est utilisé par cet appareil sans altérer le fonctionnement normal de l'ensemble du mécanisme, comme expliqué ci-dessous.

D'autre part, un alternateur 42, est couplé au moteur 27-28, qui de cette manière peut être tourné à la vitesse nécessaire pour atteindre la fréquence désirée. Les deux bornes de l'alternateur sont reliées par la résistance inductive 43, avec les pôles 44, 45 de l'enroulement primaire d'un transformateur élévateur de tension, dont l'enroulement secondaire 46, 47, reliée au condensateur 48, vont finalement produire la haute tension alternative courants nécessaires pour charger le condensateur. Cependant, l'utilisation de ce moteur et de l'alternateur n'est pas essentiel dans ce processus que les mêmes résultats peuvent être atteints que si le primaire 44, 45 du transformateur, étaient reliés par un interrupteur ordinaire à la décharge de la batterie.

Les bornes 49, 50 du condensateur 48 sont reliées par une lampe à arc du type Poulsen 51, 52, ou par l'intermédiaire d'un éclateur adéquate avec les redresseurs 33, 34, 35 et 36, et avec la batterie sous charge de (3 & 4 dans ce cas). S'étendant dans la chambre à arc sont les pôles d'un électro-aimant fort, les bobines qui sont en série avec l'arc, de sorte que leur courant d'excitation est le courant d'arc.

Connecté de cette manière, le champ magnétique fort qui existe entre les pôles des aimants, agit sur l'arc, et en raison de cette action, conjuguée à l'influence de la tension développée par le secondaire du transformateur 46, 47, il arrive que cette action et de l'influence étant à peu près égale à la valeur, sont chacun d'eux en alternance une plus grande que l'autre, de sorte que la tension aux bornes de l'arc augmente automatiquement et tombe. Par conséquent, lorsque l'action du champ magnétique est supérieure à la tension produite par l'enroulement secondaire du transformateur a pas suffisamment d'énergie pour passer à travers l'arc de sorte que le condensateur 48 est chargé à une tension plus élevée. Mais, un instant plus tard, l'action perd de la valeur et le condensateur se décharge à nouveau à travers l'arc.

D'autre part, en raison du caractère oscillatoire du circuit (qui est agencé avec des valeurs propres de la capacité, l'inductance et de la résistance), la charge et la décharge du condensateur peut se produire plusieurs millions de fois par seconde, si on le désire, et de cette manière, un courant d'un grand nombre d'ampères peuvent être obtenues dans le circuit oscillant, même avec une petite quantité d'électricité stockée dans le condensateur.

De la même manière, un gallon d'eau peut produire un écoulement de mille gallons par seconde à travers un tuyau, si un tel tuyau ont été connectés avec deux récipients différents et le gallon d'eau pourrait être forcé à travers le tuyau par un piston qui peut transférer cette gallon d'eau d'une cuve à l'autre d'un millier de fois par seconde. De toute évidence, ce qui peut être facilement réalisée avec de l'électricité n'est pas faisable avec de l'eau.

En d'autres termes, la faible quantité de courant électrique absorbé par le moteur CC 27, 28, apparaît (avec une petite perte) à l'alternateur 42, et que la puissance est fournie à la primaire du transformateur 44, 45. Encore une fois, l'action inductrice de ce transformateur produit au secondaire 46, 47, une quantité semblable de puissance (légèrement diminué en raison de l'efficacité du transformateur), et enfin, le condensateur est chargé avec une petite quantité d'électricité qui est ensuite converti oscillitatory en énergie. Évidemment, si une telle puissance électrique, au lieu d'être stockées par le condensateur, avait simplement été rectifiée et utilisé pour charger des batteries, un tel pouvoir ne produirait que très peu d'effet sur la batterie et l'ensemble de décharge d'une batterie n'aurait jamais causer la charge complète de la deuxième batterie.

Contrairement à ce que, si cette même puissance est stockée dans le condensateur 48, et que le condensateur est correctement connecté à un circuit oscillant dans lequel l'une des piles peuvent être assemblés, et en outre, si à l'aide d'un redresseur, les courants à haute fréquence produites dans un tel circuit oscillant sont contraints de passer du positif au pôle négatif à travers la batterie, il est évident de dire qu'il est toujours possible d'obtenir par ces moyens, le nombre d'ampères requis pour charger la batterie dans le temps disponible. C'est-à-dire, avec un petit nombre de coulombs stockées dans le condensateur 48, il est possible de produire dans le circuit oscillant, un grand nombre d'ampères, si ce même petit nombre de Coulombs sont obligés de passer et repasser dans le circuit, des milliers ou des millions de fois par seconde, tout comme cela a été expliqué dans l'analogie de l'eau.

D'autre part, les valeurs des quantités susmentionnées: capacité, résistance, inductance et la tension peuvent varier dans des limites très larges, et il est donc toujours possible d'atteindre les conditions requises dans chaque cas, afin de produire un nombre donné d'oscillations par seconde: la capacité du condensateur peut être réglée à une valeur déterminée par l'augmentation ou la réduction de l'aire de surface entre les mailles de ses plaques. La résistance du circuit peut être ajusté à la valeur désirée en faisant varier la longueur de l'arc dans la lampe Poulsen, ou en faisant varier le nombre de lampes connectées en série ou en parallèle dans le circuit. L'inductance du circuit peut être variée en enroulant une partie du circuit sur un cadre isolant, de manière à obtenir le nombre de tours nécessaires pour produire l'inductance désirée, et enfin, la tension de charge peut être réglé en augmentant ou en diminuant le nombre de spires de l'enroulement secondaire du transformateur ou en faisant varier le diamètre du fil utilisé dans la bobine. Afin d'obtenir une meilleure efficacité de l'alternateur 42, il est pratique d'utiliser la bobine de résonance ou réglable inductance 43. Ce faisant, il est possible d'ajuster la résistance pour obtenir un état de résonance dans le circuit, et dans cet état, le courant produit par l'alternateur sera en phase avec la FEM impressionné, par conséquent, les watts efficaces seront une maximale dans les circuits primaire et secondaire.

La résistance variable 29, qui est placé dans le circuit qui relie la batterie à chaque moteur 27 à 28, est utilisée pour régler le courant de la décharge de la batterie à une valeur fixe, car il est important d'obtenir un nombre constant de tours par seconde d' l'alternateur 42.

Le collecteur est également pourvu d'voltmètres 56 et 57, et par l'intermédiaire des interrupteurs 58 et 59, les circuits reliant les deux pôles de chaque batterie peut être fermé, et la tension du courant de décharge peut être déterminé, si besoin. Enfin, au moyen de l'interrupteur 60 connecté aux bornes de l'appareil 40 et 41, l'appareil peut être mis hors tension lorsqu'il n'est pas nécessaire.


Il est facile de comprendre l'ensemble du fonctionnement de ce mécanisme. Supposons d'abord que la batterie 1-2 a été chargé et que le cylindre 5 a été tourné à la position indiquée sur le dessin. Batterie 1-2 s'acquittera immédiatement via la borne de batterie 23, ampèremètre 22, le fil 21, les contacts 17-18, le fil 26, 27-28 moteur, résistance variable 29, fils 30, transformateurs rotatifs 40 et 41 (ou par tout autre appareil qui peut être utilisé à la place de ceux des transformateurs afin d'utiliser une partie du courant circulant à partir de la batterie), le pôle 39, et le trajet de collecteur de 9 à 12, dans lequel l'ensemble de circuit de décharge est fermé.

À la suite de cette décharge de la batterie, la puissance électrique produite sera dissipée de trois façons: Une première partie est gaspillée à surmonter la résistance interne des différents composants dans le circuit. Une deuxième partie est utilisée pour alimenter le moteur à courant continu 27-28, et les puissances tierces partie de l'appareil relié aux poteaux 31-39 du collecteur, c'est l'équipement utile alimenté en plus de la gestion du système.


Il est bien connu comment la puissance mécanique développée par le mouvement rotatif du moteur 27-28 peut être convertie en énergie électrique par l'alternateur 42, et de la même manière, il est bien connu comment une telle énergie électrique de basse tension peut être transformée en une de haute tension à l'aide d'un transformateur, et il est bien connu également, comment une telle énergie électrique à haute tension peut être convertie en énergie oscillatoire, et la façon dont les courants alternatifs produits par ces oscillations peuvent être corrigées afin de produire un courant continu. Cependant, toutes ces combinaisons d'appareils conçus pour charger une batterie tandis qu'un autre batterie similaire se décharge, était parfaitement inconnu avant cette invention, et un court examen des calculs requis pour déterminer les différentes valeurs de capacitance, résistance, inductance et la tension requises par l'différents circuits combinés d'une petite usine de travail de ce genre, peuvent être utiles pour donner une idée de la procédure qui peut être suivie dans la pratique générale.

Supposons que les deux batteries sont des accumulateurs avec une tension de 60 volts chacune et d'une capacité de 40 AHr. Dans ces conditions, si la batterie 1-2 décharges au taux de 40 ampères, il sera complètement déchargée en une heure. [Veuillez noter que ce n'est pas le cas et est seulement indiqué ici à des fins de discussion. Une batterie plomb-acide peut être endommagé en cas de déversement à un taux supérieur au taux "C20", qui est la valeur de la procréation assistée nominale sur une période de 20 heures, et ainsi, une batterie plomb-acide de 40 AHr ne doit pas être déchargée à plus que 40 / 20 = 2 ampères. En outre, les batteries sont fortement non-linéaire et de décharge d'une batterie de 40 AHr à 40 ampères se traduira par une batterie complètement déchargée à beaucoup moins d'une heure.] La puissance développée au cours de cette période sera de 60 volts x 40 ampères = 2400 watts.

D'autre part, afin de recharger la batterie entièrement 3-4 en une heure il est nécessaire de fournir un courant d'au moins 40 ampères. Supposons que dans le but de développer un tel courant, il est souhaitable de prendre de la puissance produite par la décharge de la batterie, seule une partie, disons 40 ampères x 10 volts = 400 watts. Avec cet objectif en vue, le moteur à courant continu doit être disposé de manière à créer un courant de 40 ampères provoquant une chute de 10 volts sur la ligne.

Supposons que le rendement électrique du moteur à courant continu est de 95%, alors la sortie de 400 watts souhaité ne sera pas atteint mais sera réduit à 400 x 0,95 = 380 watts.

Ensuite, supposons que le rendement électrique de l'alternateur 42 est de 95% alors qui permettra de réduire la production de seulement 361 watts. Ensuite, si ce 361 watts est passé au transformateur et que le transformateur a une efficacité de, disons, 89%, puis la production d'énergie résultant sera encore réduit à seulement 321 watts, ce qui est la quantité d'énergie transmise au circuit oscillant en afin d'obtenir les 40 ampères de courant requis.

Maintenant, supposons que la fréquence de l'alternateur 42 est de 500 Hz. Comme cela est bien connu, avec un générateur alternatif, une tension élevée peut être obtenue deux fois dans chaque cycle et il y aura donc 1000 sommets tension par seconde. Comme condensateur 48 décharges à l'instant de tension maximale, il s'acquittera de 1000 fois par seconde. Par conséquent, la quantité d'énergie électrique qui doit être stocké dans il peut être calculé comme suit: Supposons que le circuit oscillant a une impédance de 15 ohms. Comme le courant nécessaire est de 40 ampères, la tension nécessaire pour développer un tel courant sera de 40 ampères x 15 ohms = 600 volts. Mais afin de produire 600 volts de la décharge du condensateur, il est nécessaire d'obtenir chargé jusqu'à 1200 parce que la tension moyenne pendant la décharge est V / 2.

Si l'énergie produite par le secondaire du transformateur est supposée égale à 321 watts, et la tension nécessaire pour la charge du condensateur est de 1200 volts, le courant délivré par le secondaire seront de 321 watts / 1200 volts qui est 0,267 ampères.

D'autre part, la fréquence de l'alternateur est de 1000 pics par seconde, puis en un millième de seconde, le secondaire doit fournir au condensateur 0,000267 coulombs qui est de 267 microcoulombs.

Par conséquent, la capacité du condensateur 48 doit être ajusté pour stocker cette quantité d'électricité, et sa valeur peut être déterminée par Q = K x V où K est la capacité du condensateur en microfarads lorsque Q est donnée dans microcoulombs et V est le maximum tension, et ainsi, K = 267 / 1200 qui est 0,222 microfarads.

Il est également bien connu que si vous voulez produire une décharge oscillante dans un circuit, la capacité, la résistance et l'inductance du circuit doivent être disposés de telle sorte que la racine carrée de 1000 x L millihenrys / K microfarads est supérieure à la résistance de la circuit en ohms (K étant la capacité du condensateur).

On a supposé que la résistance du circuit oscillant est de 15 ohms. Utilisation de 20 ohms dans l'équation ci-dessus permettra une valeur appropriée de l'inductance doit être calculée, celle qui permettra de satisfaire aux conditions requises pour la production de la décharge oscillante dans le circuit, et donc l'inductance dans millihenrys est de 400 x K / 4000 ou 400 x 0,222 / 4000 qui est 0.0222 millihenries ou égale à 22.200 centimètres de fil.

Il est possible de déterminer le nombre d'oscillations par seconde qui peuvent être réalisées dans un tel circuit, et qui est donnée par Hz = 5033000 / la racine carrée de L x K où L est en cm et K est en microfarads. Et donc, sachant l'inductance et la capacité que nous obtenons Hz = 5033000 / sqrt (22200 x 0,222) qui est 71900 Hz. Cela représente 72 oscillations dans chacun des 1000 étincelles par seconde.

L'intensité du courant au point par ces oscillations peut être déterminée à partir de la formule ci-dessous, qui utilise la tension V en volts, la résistance R du circuit en ohms, l'inductance L en henry, et le condensateur K en farads:

Courant = V / sqrt (R x R + (6,28 x L x Hz - 1 / (6,28 x Hz x K) 2) ou dans notre cas:

Courant = 600 / √ 15 x 15 + (6,28 x 71900 x 0,0000222 - (1 / (6,28 x 71900 x 0,00000222))) 2

Qui établit que 40 ampères, ce qui signifie que l'impédance du circuit oscillant est égale à la résistance en ohms de ce circuit, puisque la réactance inductive et la réactance capacitive sont combinés de manière que la valeur résultante de la réactance totale est égale à zéro, et la seule tension nécessaire pour produire le courant de 40 ampères est que nécessaire pour surmonter la résistance ohmique du circuit qui est de 15 ohms. Cela signifie également que la FCEM est en phase avec le courant, et, par conséquent, le nombre de watts sont un maximum.

Par conséquent, il ne fait aucun doute que la batterie 3-4 sera complètement chargée pendant la période où la batterie se décharge 1-2, d'autant plus que le courant de charge peut être augmentée à volonté, sans même prendre plus de puissance de la décharge de la batterie. En fait, il est facile d'augmenter le nombre de tours dans le secondaire du transformateur 46-47 afin d'augmenter la tension. Évidemment, comme la quantité d'énergie délivrée à la primaire 44-45 de cet appareil est toujours 321 watts, si la tension augmente, la quantité d'électricité qui le condensateur 49 reçoit sera réduit en conséquence. Par conséquent, la valeur de ce condensateur doit également être réduite et donc le nombre d'oscillations par seconde sera également augmenté. Enfin, en augmentant la tension, l'intensité du courant est augmentée en proportion.

Par conséquent, il est toujours possible de combiner, de la manière décrite, les valeurs de résistance, inductance, capacité et de la tension dans le circuit oscillant, de manière à obtenir l'intensité de courant nécessaire pour charger complètement une des batteries pendant la période où l'autre batterie se décharge.

Une fois cette charge de la batterie a été atteint, si l'usine est de continuer en fonctionnement, alors que les piles doivent être inversés en modifiant leurs connexions au circuit. Pour ce faire, le cylindre 5 est tourné jusqu'à ce que les pistes conductrices 11 et 12 entrent en contact avec les brosses qui sont reliées aux pôles négatifs des piles, puis, batterie 3-4 qui est complètement chargée sera relié avec le moteur 27-28, et sa décharge va maintenant être produite par cette voie: la borne de la batterie 25, l'ampèremètre 24, les poteaux de collecteur 20 et 18 (maintenant reliées entre elles en raison de la rotation du cylindre 5 à 90 degrés), le fil 26, le moteur 27-28, la résistance variable 29, le fil 30, un appareil 40 et 41, et le trajet de collecteur 11 qui ferme le circuit vers le pôle négatif de la batterie 3-4.


En d'autres termes, le moteur 27-28, appareil 40 et 41, et l'alternateur 42, sera encore fonctionne exactement de la même manière que celle décrite ci-dessus, et de la même manière, les courants de haute fréquence sont encore au point, produire le même l'intensité du courant qui est en train de passer par la borne 50 du condensateur 48, lampe à arc 51-52, diode 34, le fil 32, contacts collecteur 19-17, le fil 21, ampèremètre 22 et la borne positive 23 de la batterie 1-2 (ce qui est désormais connectés à contacter 38 du collecteur par voie 12), le fil 37, la diode 36, une inductance 55 et la borne condensateur 49; également par voie double de la borne condensateur 49, la diode 33, le fil 32, contacts collecteur 19-17, fil 21, ampèremètre 22, borne positive 23 de la batterie 1-2, collecteur chemin 12, collecteur pôle 38, le fil 37, la diode 35, lampe à arc 52-51, et le terminal condensateur 50.

Il est évident de constater que cette même procédure peut être répétée indéfiniment par la modification simple des connexions de la batterie de temps à autre en fonction de la capacité de la batterie et le taux de décharge. Seuls les 400 watts sont tirées de la décharge de la batterie pour recharger la batterie en laissant 40 ampères à 50 volts (2000 watts) disponibles pour faire un travail utile en continu.

Le brevet se poursuit avec une description de la façon dont une horloge modifié peut être amené à se déplacer le commutateur une fois toutes les heures. Il s'agit d'un kilowatt brillant, auto-alimenté design 2, l'énergie libre. Cependant, l'exploitation de la conception comme décrit ne serait pas réaliste. Les batteries ont aujourd'hui limitée vie opérationnelle offre, généralement, entre 400 et 1000 cycles charge / décharge dans les limites actuelles de décharge C20. Le dépassement de la vitesse de décharge C20 permettra de réduire la durée de vie de la batterie en une quantité importante, ce montant étant déterminé par le degré de violence qui la batterie souffre. Si nous ignorons ce facteur et dire que nos batteries géreront 1000 cycles, à la dose proposée de Say, une décharge d'une heure et une heure le temps de charge, puis remplacement de la batterie est susceptible d'être requis dans seulement 500 heures de fonctionnement. C'est dans les trois semaines de fonctionnement continu.

La commutation rapide essentiel de ce circuit est réalisée par les étincelles, mais contrairement à celle, le commutateur de commutation des batteries ne nécessite pas un fonctionnement à vitesse élevée. Il est possible ensuite, remplacer le collecteur par simple commutation à semi-conducteurs et intervertir les piles chaque seconde ou deux. De cette façon, les batteries sont déchargées jamais et une batterie longue durée peut s'attendre.



Bozidar Lisac.
Récemment, une candidature brevetée a été logée sur ce qui est le Ron Cole changement d'une pile et le Changement Tesla efficacement. Je dois admettre être très douteux au sujet de la notion d'utiliser des condensateurs comme une source d'énergie (à moins que la fréquence de l'aiguillage soit si haute que les condensateurs ont le temps insuffisant pour leur voltage pour laisser tomber considérablement), j'inclus le brevet ré - rédigé ici. Quelques experimenters ont rapporté la pile totale gains d'énergie avec changer des vitesses de 0.5 Hz ou plus peu qui moyens cela dans circuits de ce type, l'aiguillage mécanique devrait donner une vie du contact du changement raisonnable. Ce brevet a eu besoin d'un degré juste d'attention comme la personne qui l'écrit n'ayez pas une poigne pleine d'anglais et confus la charge " du mot " avec la charge " du mot ". Laissez-moi dire encore, que la candidature brevetée suivante est incluse ici pour égard de l'intérêt à l'origine, plutôt qu'être la façon de définitive qui fait un circuit de ce type.

La Candidature brevetée US20080030165 7e le février 2008 L'inventeur: Bozidar Lisac


MÉTHODE ET APPAREIL POUR FOURNIR UNE CHARGE
AVEC RÉCUPÉRATION D'ÉNERGIE ÉLECTRIQUE



LE RÉSUMÉ
Dans l'invention un courant électrique circule de la pile UB, à travers le moteur électrique M, et la diode D1 charge les condensateurs CA et CB, suivi dans parallèle qui, une fois a chargé, est connecté en série, montée donnante à une différence dans voltage par rapport à la pile, causer demi la charge des condensateurs être revenu à la pile à travers la diode D2, whilst avec un nouveau rapport parallèle, les condensateurs rechargent, cette charge qui est égal à ce qui avait été transféré des condensateurs à la pile précédemment, afin qu'au moyen du rapport cyclique des condensateurs dans parallèle et série l'énergie est transférée de la pile aux condensateurs et des condensateurs à la pile, donc étendre la gamme de la pile et opération du moteur considérablement.

OBJET DE L'INVENTION
Cette invention est en rapport avec une méthode et appareil qui permet l'énergie électrique avec qu'une charge est fournie pour être retrouvé utiliser une source de l'électricité moi - rechargeable dans qui, lequel au moyen d'un circuit, le circuler courant d'un accumulateur ou pile à travers une charge, par exemple un moteur, est complètement rendu au même niveau d'énergie, en étendant ainsi considérablement sa gamme.

Plus spécifiquement, deux condensateurs qui sont connectés de parallèle à feuilleton cycliquement et vice versa sont chargés à travers un moteur pendant les rapports dans parallèle, whilst en série rapport, quand son voltage double, ils rendent l'électricité, en rechargeant la pile. Cette source représente un système fermé qui n'exige pas de provision d'énergie de l'extérieur, exceptez pour dédommager pour les pertes a produit, la gamme de la pile qui est limitée par le nombre de charges et décharges qui le même techniquement permis.

ORIGINE À L'INVENTION
Une charge, tel qu'un moteur électrique, est connectée à une pile ou accumulateur avec une certaine charge qui sera déchargée par lui progressivement cette décharge qui est proportionnel au temps du rapport directement et au circuler courant à travers le moteur. C'est nécessaire de fournir l'énergie fraîche d'une source externe pour le recharger par conséquent. Systèmes qui permettent l'énergie consommés par la charge être réutilisé ne sont pas sus dans la pointe du progrès.

DESCRIPTION DE L'INVENTION
Un premier aspect de l'invention est en rapport avec une méthode pour fournir une charge avec récupération d'énergie électrique qui comprend fournir une charge avec énergie électrique qui dérive du premier accumulateur d'énergie électrique et rendre une proportion de cette énergie électrique à au moins après qu'il traverse la charge au premier accumulateur pour le but de retrouver l'énergie fourni.

L'énergie électrique, après avoir traversé la charge, est retrouvée par seconde accumulateur d'énergie électrique, d'où il est transféré au premier accumulateur, montée donnante à transfert cyclique d'énergie électrique entre les premier et deuxièmes accumulateurs d'énergie.

La récupération d'énergie du deuxième accumulateur et transfère au premier accumulateur peut être accompli sans traverser l'énergie la charge. Dans une autre mise en oeuvre alternative, l'énergie est retrouvée du deuxième accumulateur et a traversé au premier accumulateur la charge dans qui cas que la polarité de la charge est renversée pendant la récupération d'énergie à travers la charge.

Le transfert d'énergie est provoqué en connectant deux ou accumulateurs d'énergie plus électriques entre parallèle et rapports d'une série cycliquement.

Un deuxième aspect de l'invention est en rapport avec un appareil pour fournir une charge avec récupération d'énergie électrique qui comprend un premier accumulateur d'énergie électrique et une seconde accumulateur d'énergie électrique où la charge est connectée entre les premier et deuxièmes accumulateurs. L'appareil peut être fourni dans une incarnation un appareil du rapport unidirectionnel, par exemple, une diode qui est connectée dans parallèle à la charge, en causant circulation de l'énergie électrique retrouvé après avoir traversé la charge, et via que l'énergie électrique est rendue au premier accumulateur.

Le premier accumulateur d'énergie électrique peut être une pile. La seconde l'accumulateur d'énergie électrique peut être deux ou plus de condensateurs avec changer pour les connecter entre parallèle et configurations du rapport d'une série cycliquement.

L'invention constitue une source moi - rechargeable d'énergie électrique qui permet à la gamme d'une pile d'être étendu considérablement afin que le circuler courant du même à travers un moteur charge deux condensateurs connectés dans parallèle, jusqu'à le niveau du voltage de la pile, au moyen de contacts. Ces condensateurs, une fois a chargé, est connecté en série, en produisant le double leur voltage, et ils rendent l'énergie à la pile alors, en étendant sa gamme de cette façon. Une fois les pertes ont été dédommagées pour, la durée de la gamme étendue dépend du chargement et décharger des propriétés des condensateurs.

L'existence de la différence dans voltage entre la pile et les condensateurs ont connecté les deux dans parallèle et en série, et lesquels donnent la montée au déplacement d'énergie de la pile aux condensateurs et vice versa, est utilisé pour fournir le moteur connecté entre la pile et les condensateurs, en comprenant la source moi - rechargeable d'énergie électrique.

Quand suivi dans parallèle, les condensateurs sont chargés à travers un moteur et une diode, et quand a connecté en série, ils sont chargés à travers une autre diode,
le voltage du moteur qui est demi cela de la pile. De l'autre côté, si le moteur est connecté entre la pile et le sériellement condensateurs suivis, le dernier, lesquels sont chargés dans parallèle à travers une diode et sont déchargés au moyen du moteur et l'autre diode, fournira le moteur avec un égal du voltage à cela de la pile, whilst qu'un condensateur connecté à l'enrouler du moteur en série garantit à son opération sans perte de pouvoir.

Au lieu des deux condensateurs, deux piles ont connecté en série et un autre deux suivi dans parallèle peut être utilisé entre qui piles qu'un moteur est connecté, le circuler courant dans ce cas des piles connectées à travers le moteur aux piles connectées dans parallèle en série. Le sériellement les piles suivies sont connectées dans parallèle, au moyen de changer des contacts, alors et les autres deux piles parallèle - suivies sont connectées alors en série, pendant que renverser la direction du courant, whilst que les rapports du moteur sont inversés au moyen de l'aiguillage simultané d'autres contacts pour maintenir la polarité et direction de rotation du moteur.

Dans une incarnation possible de l'invention, un autre deux condensateurs et un transformateur avec deux windings fondamentaux, ou un moteur avec deux les windings sont ajoutés à l'appareil décrit précédemment, chaque paire de condensateurs qui changent de parallèle à rapport d'une série cycliquement et vice versa afin que pendant les cycles du rapport parallèles, deux des condensateurs sont chargés à travers un du windings jusqu'à le voltage nivelle de la pile en même temps que les autres deux condensateurs sont connectés en série, doublent leur voltage et sont déchargés au moyen d'une seconde qui enroule à la pile.

Le niveau réduit de pertes d'énergie a provoqué par la dissipation de chaleur principalement et dans les condensateurs, aussi bien que par le facteur de la charge des piles, est dédommagé pour d'une source externe, et parce que la somme du circuler courant à travers un enrouler du moteur ou transformateur qui chargent deux des condensateurs et le courant qui circulent des autres deux condensateurs à travers le seconde enrouler simultanément, recharger la pile, plus le courant qui est fourni de la source externe, est égal de mettre à zéro, à cause du travail porté dehors par le moteur ou les charges qui sont connectées au voltage alternant induites dans le secondaire du transformateur, aucune décharge de la pile a lieu.


DESCRIPTION DES DESSINS
Pour augmenter la description qui est maintenant donnée, et avec le but de contribuer à un meilleur comprendre des caractéristiques de l'invention, d'après une incarnation pratique préférée, un ensemble de dessins est attaché comme une partie intégrante de cette description dans qui, pour les buts instructifs et non - restrictifs, le suivre est montré:


Fig.1 montre un circuit pratique dans qui, au moyen de changer, deux condensateurs connectés dans parallèle sont chargés d'une pile à travers un moteur et une diode, et après que les contacts soient changés, ils sont connectés en série, en déchargeant la pile à travers une autre diode de cette façon.




Fig.2 montre un circuit pratique dans qui, à travers changer, les deux condensateurs sont connectés dans parallèle et sont chargés d'une pile à travers une diode, et après l'aiguillage des contacts ils sont connectés en série, en chargeant la pile à travers le moteur et l'autre diode de cette façon.




Fig.3 montre le rapport des deux piles en série, suivi à travers un moteur à une autre deux piles connectées dans parallèle, et lesquels, au moyen de contacts, changent ou bien, cette montée donnante aux effets semblable à ceux décrits par rapport à l'usage des condensateurs.




Fig.4 montre le diagramme électrique correspondre au rapport entre la pile et les deux paires de condensateurs d'un transformateur avec deux fondamental et un enrouler secondaire dans qu'un voltage alternant est induit lequel est rectifié, est filtré et est converti à un voltage du sinusoidal.




Fig.5 montre le diagramme électrique d'un moteur du courant alternatif avec deux windings connectés entre la pile et deux paires de condensateurs.




Fig.6 montre le diagramme électrique d'un moteur courant direct avec deux windings connectés entre la pile et deux paires de condensateurs dans que deux contacts du changement assurent leur polarisation correcte et direction de rotation.


INCARNATION PRÉFÉRÉE DE L'INVENTION
Dans une incarnation préférée montrée dans Fig.1, la charge consiste en un moteur courant direct M, la pile UB, et le deuxième accumulateur qui consiste en une paire de condensateurs CA et CB. Les condensateurs CA et CB sont connectés à l'un l'autre dans parallèle au moyen de deux change S1 et S2. Ces condensateurs sont chargés à travers le moteur M et diode D1 à un égal du niveau du voltage à cela de la pile UB, l'existence de la charge Q = (CA+CB)UB, et pendant que ces condensateurs sont chargés, le moteur que M tourne.


Quand les deux condensateurs sont complètement chargés, ils sont connectés par le changement en série contacte S1 et S2. Cela produit un voltage qui est la valeur du voltage de la pile UB deux fois, en résultant en la charge qui est donnée par Q = 2 x UB x (CA+CB) / 2 lequel est Q = (CA+CB)UB qui montre qu'une fois a chargé, la charge Q de les deux condensateurs est identique les deux dans parallèle et en série.

Diodes que D1 et D2 assurent que courant courant à travers le moteur M est jamais dans une direction seulement. Immédiatement après que condensateurs que CA et CB sont connectés en série, ils rendent demi de leur charge à travers diode D2. Les changements S1 et S2 connectent les condensateurs CA et CB dans parallèle alors. Dans cet arrangement, ils commencent fermé avec demi du voltage de la pile. Ils chargent immédiatement, en regagnant le voltage de la pile à travers le moteur M et la diode D1.

Au moyen d'aiguillage cyclique répété des condensateurs CA et CB de parallèle à mode du rapport d'une série, le circuler courant de la pile UB à travers le moteur M aux condensateurs, et de ceux-ci à la pile, le recharger et étendre sa gamme, constitue une source moi - rechargeable d'énergie électrique.


En une seconde incarnation pratique montrée dans Fig.2, le moteur M est connecté entre la pile UB et les condensateurs CA et CB au moyen de la diode D2. Les condensateurs sont chargés à travers la diode D1 directement et sont déchargés à travers le moteur M et la diode D2, les valeurs des charges sur les condensateurs que CA et CB ont décrit dans l'exemple montré dans Fig.1 précédemment restent inchangées, la différence dans ce circuit est que le voltage a appliqué au moteur M est le voltage de la pile plein dans ce cas.

Le taux du chargement des condensateurs CA et CB est déterminé par l'intensité du couler courant à travers le moteur M à qui est connecté dans parallèle le CENTIMÈTRE du condensateur qui garanties que l'opération du moteur est maintenue à pouvoir maximal. C'est possible substituer une pile, de préférence une pile de la charge rapide, pour CENTIMÈTRE du condensateur.


Dans une autre incarnation montrée dans Fig.3, les premier et deuxièmes accumulateurs consistent en paires de piles B1, B2 et B3, B4. Par conséquent, deux paires de piles sont utilisées au lieu des condensateurs CA et CB dans cette incarnation. Piles que B1 et B2 sont connectés aux changements S1 et S2, et la paire de piles que B3 et B4 sont connectés aux changements S3 et S4. Les changements S1 à S4, connectez les paires de piles avec qu'ils sont associés, dans séries ou configurations parallèles, selon la place des changements.

Pendant que les piles B1 et B2 sont connectés dans parallèle, les autres deux piles que B3 et B4 sont connectés en série, et le moteur que M tourne par suite de la différence dans le voltage entre les piles, comme il est connecté entre les deux paires de piles. En même temps, le circuler courant à travers le moteur des recharges des piles suivies d'une série les deux piles parallèle - suivies. Les changements S1 à S4 qui connecte les piles B1 et B2 en série et les piles B3 et B4 dans parallèle alors changement, donc renverser la direction du courant courant, et en même temps, les changements S5 et S6 changent des places pour maintenir la polarité correcte pour le moteur et sa direction de rotation.

Les deux condensateurs et les piles peuvent être changées au moyen de tout élément mécanique, électromécanique, électrique, électronique ou autre qui rencontre les conditions décrit avec le but d'obtenir une source de l'énergie électrique moi - rechargeable. Ces changeant opérations peuvent être contrôlées par toute méthode connue, par exemple, un circuit électronique programmable.

Dans les incarnations préférées précédemment décrites, la charge consiste en un moteur courant direct, mais comme un expert dans le champ peut comprendre, la charge peut consister aussi en tout type de resistive (?) et-ou charge inductive.


Un autre a préféré l'incarnation est montrée dans Fig.4 où un transformateur T avec deux windings fondamentaux L1 et L2 est connecté entre la pile UB et les deux paires de condensateurs C1 et C2, plus C3 et C4, causer les deux condensateurs C1 et C2 de changer leurs rapports de parallèle à feuilleton et en arrière encore au moyen des contacts S1 et S2, et causer les condensateurs C3 et C4 de changer au moyen de contacts S3 et S4, afin que pendant les cycles de rapport des condensateurs C1 et C2 dans parallèle, le dernier est chargé par le L1 sinueux jusqu'à le voltage nivelez de la pile, whilst en même temps les condensateurs C3 et C4 sont connectés en série et fournissent le double leur voltage, la pile qui est déchargée au moyen du L2 sinueux dans qui cas le chargement et décharger des courants pour circuler dans la même direction. De l'autre côté, pendant les cycles de rapport dans parallèle des condensateurs C3 et C4 qui sont chargés à travers le L2 sinueux jusqu'à le niveau du voltage de la pile les condensateurs C1 et C2 sont connectés pour fournir le double leur voltage en série et sont déchargés dans la pile à travers le L1 sinueux. La direction du chargement et décharger le courant changements par conséquent, donc induire dans le L3 sinueux secondaire un voltage alternant dont la fréquence dépend de la vitesse de changer des contacts a mentionné, et après qu'être rectifié au moyen du pont de diodes P et a filtré par le condensateur CP, le voltage DC résultant est converti à un voltage du sinusoidal au moyen d'un circuit K.

Le rapport dans parallèle d'une paire de condensateurs et le rapport en série de l'autre place de l'enregistrement de la paire en même temps. Par conséquent la somme du circuler courant de la pile à travers un du windings, charger deux des condensateurs, et le circuler courant des autres deux condensateurs à travers l'autre enrouler à la pile, est zéro approximativement.

D'une source d'énergie externe FE les pertes d'énergie minimums causées par dissipation de chaleur essentiellement et dans les condensateurs, aussi bien que par le facteur du chargement de la pile, est dédommagé pour, avec le résultat qui la somme du circuler courant de cette source externe à la pile et le chargement et décharger des courants des condensateurs est égal de mettre à zéro. Par conséquent la pile n'est pas déchargée et sa gamme ne dépend pas du travail développé par les moteurs ou les charges connectées au L3 sinueux secondaire du transformateur T, depuis le plus grand le pouvoir des charges, le plus haut l'intensité du chargement et décharger des courants des condensateurs.


Fig.5 montre une autre incarnation dans qui un moteur du courant alternatif M est connecté à deux windings L1 et L2 afin que pendant les rapports dans parallèle des condensateurs C1 et C2, le dernier est chargé au moyen du L1 sinueux en même temps que les condensateurs C3 et C4, a connecté en série, est déchargé au moyen du L2 sinueux à la pile UB, le chargement et décharger courant qui circule à travers le windings dans la même direction. Les condensateurs C1 et C2 sont connectés alors en série et les condensateurs que C3 et C4 sont connectés dans parallèle. La direction du chargement et décharger courant des condensateurs est renversé par conséquent, donc produire à terminaux du moteur un voltage alternant avec une fréquence qui dépend de la vitesse de changer des contacts. Les pertes d'énergie causées sont dédommagées pour d'une source externe FE, la somme du circuler courant de cette source à la pile et les courants qui circulent à travers les deux windings pendant charger et décharger des condensateurs qui sont égal de mettre à zéro. La pile n'est pas déchargée par suite du travail développé par le moteur par conséquent.


Fig.6 montre M au rapport d'un moteur courant direct à deux windings L1 et L2 entre la pile UB et les deux paires de condensateurs C1 et C2 plus C3 et C4, afin que pendant les rapports dans parallèle deux des condensateurs est chargé au moyen du L1 sinueux, et en série, les autres deux condensateurs sont chargés au moyen du L2 sinueux à la pile pendant les rapports simultanés. Coïncider avec l'aiguillage des contacts S1, S2, S3 et S4 qui connecte à chaque paire de condensateurs de parallèle à feuilleton et vice versa, les contacts que S5 et S6 changent, polarising le windings du moteur afin que le chargement et décharger des courants des condensateurs circule dans la même direction, en produisant un voltage direct. La somme du courant a fourni de la source externe FE et le chargement et décharger des courants des condensateurs est égal de mettre à zéro, et donc il n'y a aucune décharge de la pile.



Les Artifices de Haut pouvoir de Don Smith.
Don Smith est un Américain très talentueux qui a compris tout du travail de Tesla et a produit des douzaines d'appareils pratiques littéralement basé sur sa compréhension. Vous trouverez des détails plus spécifiques dans chapitre 3, mais dans contour général, une pile de douze volts peut être utilisée pour produire le battant champ aimanté eu besoin de pousser du coude l'environnement local dans fournir des montants massifs d'énergie électrique. L'appareil a décrit dans chapitre 3 en détail, a une production d'autour 160 kilowatts qui sont lointains beaucoup plus que tout individu aurait besoin. En d'autres termes, c'est un appareil qui pourrait propulser votre maison facilement, et vu qu'une voiture électrique a besoin d'approximativement 65 kilowatts, on pourrait propulser un véhicule facilement, en en faisant d'un combustible moins de mode de transport. Ce n'est pas théorie électrique magique, juste standarde qui est sollicitée un changement correctement.

Le composant clé dans beaucoup des appareils de Don est la provision du pouvoir humble, commerciale conduisait des expositions de l'enseigne au néon. Ce module produit des 9,000 volts à une fréquence de 35,100 Hz (cycles par seconde). Comme Don points dehors, quand vous doublez la battant fréquence et doublez le battant voltage, le pouvoir disponible monte par un facteur de seize fois, parce que l'effet de les deux de ces choses est rendu carré. Vous rappellerez ce Bob Boyce bat son toroid à 42,000 Hz très taillé fin et cette haute fréquence a un effet majeur sur le pouvoir produit dans son système.

Endossez alors pistonne son voltage actif avec un transformateur du pas en avant plus loin a appelé une Bobine Tesla. Cela nous apporte dans une région de pouvoir massif. Les gens ont l'idée très trompé qu'une Bobine Tesla peut produire seulement voltage et pas courant. La réalité est que si la bobine fondamentale est placée dans le centre de la bobine secondaire, alors le voltage et le courant produit sera rudement le même, et c'est un niveau même, très haut de pouvoir. Un appareil des apparences de Don comme ceci:


Ce prototype est compliqué réellement plus qu'il a besoin d'être. Il utilise trois condensateurs de très haut voltage qui ne sont pas nécessaires si vous optez pour une méthode légèrement différente de construction. Cependant, dans cette version, la pile de douze volts (lequel n'est pas montré), pouvoirs un vrai inverter de la sinus - vague pour fournir le voltage des principaux et la fréquence a eu besoin par le néon tube conducteur circuit. Les limitations du voltage des condensateurs, en particulier, les condensateurs du stockage de la production de 8,000 volts, faites la production de 9,000 volts du conducteur du néon - tube trop pour usage sûr. Pour négocier avec ceci, Don utilise un Variac transformateur variable pour baisser le voltage fourni au néon tube conducteur circuit, et cela le laisse limiter le voltage de la production aux 8,000 volts des condensateurs du stockage de la production.

Un détail clé est que la longueur du fil dans les tours du court primaire qui enroule de la Bobine Tesla est un quart de la longueur du fil des tours dans le long enrouler secondaire exactement. Cela fait les bobines résonner lequel est un facteur vital dans l'opération. Le finale, réglage exact, peut être fait en glissant la bobine fondamentale à une place légèrement différente. Dans ce prototype, Don a choisi de faire le réglage fin définitif en attachant un petit condensateur à travers chacun du windings. Ce n'est pas nécessaire.

Dans le prototype montré au-dessus, Don utilise quatre diodes pour rectifier la production à DC pour nourrir les condensateurs du stockage alors. Cela résulte en une provision de 8,000 volts qui peut fournir 20 ampères de courant. C'est un pouvoir de la production de 160 kilowatts, et est limité par l'estimation du voltage du condensateur de la production.

Le Don points dehors que ce n'est pas nécessaire de le faire que chemin et au lieu, un pas en bas transformateur peut être utilisé baisser le voltage de la production et pistonner le courant disponible. Si cela est fait, alors les limitations du voltage disparaissent (à condition que vous utilisiez le très haut voltage câble) et donc d'aucun Variac est eu besoin et aucuns condensateurs de haut voltage ne sont eus besoin de l'un ou l'autre.

Il y a deux options. Ou vous pouvez viser un principaux voltage, la principaux fréquence, production AC, ou vous peut produire une production DC et utiliser un inverter disponible en magasin pour courir tout matériel des principaux propulsé par l'appareil. Avec la première option, Don connecte une résistance seule à travers le primaire du pas en bas transformateur et cela traîne la fréquence jusqu'à le niveau désiré, pourvu que la résistance ait la bonne valeur:


La méthode alternative qui vise une production DC n'a pas besoin de changer la fréquence:


Dans les deux de ces cas, la pile impérieuse de douze volts peut être chargée par partie du pouvoir de la production de façon continue, et il y a des plusieurs façons de qui font cela. Cependant, le soin a besoin d'être pris que la pile n'est pas surchargée comme le pouvoir de l'entrée est très bas.

Vous observerez la ressemblance entre le système du toroid de Bob Boyce et le Tesla Bobine système de Don Smith. Dans chaque cas, un très avec soin blessure l'enrouler circulaire est battu à haute fréquence, et dans chaque cas, les montants substantiels de pouvoir électrique en excès deviennent disponibles, pendant que couler dans de l'environnement environnant, politesse du battant champ aimanté.

Tariel Kapanadze a produit un style semblable d'appareil qui est auto - propulsé et produit une production de l'électricité des principaux. Il a démontré ceci pour un documentaire de la TÉLÉ:


et tous détails disponible est dans chapitre 3.



Les Pénétrations de Vladimir Utkin
Vladimir a publié un document dans lequel il décrit une partie du travail très important accompli par lui-même et les membres d'un forum russe. Il a de grandes perspectives dans le travail de Tesla, Don Smith et d'autres. Avec son aimable autorisation, son journal est librement partagé ici



Le Récepteur Radio de haut pouvoir de Walter Ford
Dans l'édition 1961 du Manuel d'Expérimentateur d'Électronique, il y a un circuit intéressant créé par Walter B. Ford pour un récepteur radio sans une batterie et qui peut le pouvoir un haut-parleur de 2.5 pouces :



Il dit : Voici une radio très petite avec assez de pouvoir de conduire un 2.5" haut-parleur. La sélectivité de cette petite unité est bien mieux que vous vous attendriez trouver dans un récepteur de ce type et le volume est égal à cela obtenu avec les jeux qui utilisent un transistor. Aucune source de pouvoir externe n'est exigée pour cette radio.

La sélectivité inhabituelle de cette radio est en raison de son circuit double-accordé spécial. Une paire de diodes raccordées comme un voltage-doubler fournit le pouvoir supplémentaire de faire marcher le petit speaker. Un cric de production est fourni à l'écoute de casque et à raccorder le jeu à un amplificateur.

Construction : le modèle a été construit sur 2.5” x 4.5' châssis de bois avec un 3.5' x 4.5” comité en métal de devant. Pourtant, la grandeur n'est pas d'autre matériel et critique peut être substitué si désiré.

Deux norme ferrite loopsticks, L2 et L3, est utilisée. Tous les deux doivent être modifiés par l'adjonction d'une deuxième sinuosité. L1 et L4, respectivement. Chacun de windings ajoutés se compose de 22 tours de No. 24 de la blessure métallique couverte-cotonnière sur un petit tube cartonné comme montré dans la peinture. (Vraiment, n'importe quelle grandeur métallique de No. 22 à No. 28 avec le coton ou l'isolation d'émail fera le travail).

Le diamètre du tube cartonné devrait être légèrement plus grand que L2 et L3 pour que L1 et L4 glissent overL2 et L3 facilement.

La Résistance R1 est utilisée seulement pour nourrir le jeu dans un amplificateur; il devrait être omis tant pour l'opération de haut-parleur que pour l'écouteur. C2 plus soigné de condensateur devrait être soudé à travers les terminus de stator de C1a/C1b variable de condensateur de deux gangs comme montré. Le speaker et le transformateur de production peuvent être montés où que convenable.

Si des châssis en métal sont utilisés, soyez donc sûrs d'isoler les douilles de connexion aériennes et de terre des châssis. Quand toutes les parties ont été montées sur les châssis, télégraphiez-eux ensemble après les diagrammes schématiques et illustrés. Soyez sûrs que les diodes D1 et D2 et les condensateurs C3 et C4 sont raccordées correctement, en faisant l'attention à leur polarité.

Pendant que c'est intéressant, ce qui a l'air d'être un facteur clé est contenu dans les dessins, où il déclare que la seule chose importante est que c'est essentiel pour les deux ensembles des bobines à être montés la verticale l'un à l'autre :





Alignement et Opération.   Pour mettre en ligne le récepteur, raccordez-le à une antenne et à une terre. La longueur optimale de l'antenne varie avec l'endroit, mais 50 pieds seront d'habitude convenables dans les régions qui reçoivent plusieurs stations de radiodiffusion. Branchez ensuite, un écouteur de haute impédance au cric J1. Accordez-vous une station près de la fin de haute fréquence de la bande d'émission – disent, 1500 kHz – et règlent les condensateurs plus soignés sur C1a/C1b variable de condensateur pour recevoir le signal le plus grand.

C2 plus soigné de condensateur devrait alors être réglé pour la meilleure sélectivité et le volume sur la bande d'émission entière. Finalement, les bobines L1 et L4 peuvent être déplacés à leurs positions optimales en les faisant glisser à reculons et en avant sur les bobines L2 et L3. Si une station proche se mêle de la réception d'une plus faible station, l'air la limace de L2 pour recevoir l'interférence minimale. Pour l'opération de haut-parleur, débranchez simplement l'écouteur. De fortes stations locales devraient être reçues au volume équitable..

Comment Il Opère :   Le récepteur emploie un circuit double-accordé nourrissant une diode en cristal voltage-doubler/detector qui conduit un petit haut-parleur. Les signaux de radiofréquence ramassés par le système d'antenne sont incités dans la bobine L2 du bobine L1. Le signal désiré est choisi par le circuit accordé C1a/L2 et couplé par C2 de condensateur à un deuxième circuit accordé C1b/L3, qui améliore la sélectivité en réduisant la bande de radiofréquences qui peuvent passer en avant. Le signal deux fois accordé est alors incité dans la bobine L4 du bobine L3.

La moitié positive du signal de radiofréquence apparaissant à travers L4, traverse le 1N34A la diode de germanium D2 pour charger C4 de condensateur. La moitié négative du signal traverse D1 de diode pour charger C3 de condensateur. La polarité des charges sur C3 et C4 est tel que le voltage efficace est doublé. Ce voltage apparaît à travers le primaire de transformateur de production T1 qui convertit le signal de haute impédance en production d'impédance basse allée au haut-parleur.

Pendant que cela ressemble à un très bon design pour un petit récepteur radio, le fait que l'on l'insiste que les paires de bobines doivent être montées à angle droit l'un à l'autre lève un parallèle intéressant avec le susdit travail de Vladimir Utkin où il déclare que si le champ d'excitation à haute fréquence est à angle droit au bobine de production, donc il y aura un afflux d'énergie libre dans le circuit de l'environnement local. Peut-être ce récepteur conçoit des augmentations le pouvoir supplémentaire de conduire c'est le haut-parleur d'un afflux d'énergie de l'environnement.



Le "FLEET" ("Forever Lead-out Existing Energy Transformer")
l'appareil est un générateur électrique auto - propulsé qui n'a pas de parties en mouvement et lequel peut être construit à bon marché. Il a été développé par un Hong-Kong a basé équipe de gens: Mr Lawrence Tseung, Dr. Raymond Ting, Mlle À jamais Yuen, Mr Miller Tong et Mr Chung Yi Ching. C'est le résultat de quelques années de pensée, recherche et essai et il est maintenant arrivé à une étape avancée de tester et démonstration et est presque prêt pour production commerciale.

Mt Tseung a appliqué son " Rôle principal Dehors " théorie à la catégorie de circuits de bas pouvoir connu comme le " Joule circuits du Voleur ". Ces circuits sont provenus avec un article par Mr Z. Kaparnik, dans la " Ingéniosité section Illimitée " du novembre 1999 édition du " magazine de l'Électronique " Pratique Ordinaire.

Le circuit initial a permis le très dernière énergie être sorti de toute pile de cellule sèche ordinaire, et usagé allumer une Diode Lumière - Émettant blanche (a " LED ") pour usage comme une petite torche. Il autorise une pile qui est considérée pour être complètement déchargé, conduire le circuit jusqu'à le voltage de la pile tombe le droit jusqu'à 0.35 volts. Le circuit initial utilise une bobine du bi-filar blessée sur une bague du ferrite ou " toroid ". Moyens Bi-filar que la bobine est enroulée avec deux rivages séparés de fil côte à côte, afin que chaque tour adjacent fait partie de l'autre bobine. Une bobine de ce type a des propriétés aimantées exceptionnelles. Le Joule que le circuit du Voleur est comme ceci:


C'est important à avis comme la bobine est enroulée et comme il est connecté. Il est appelé un " toroid " parce qu'il est enroulé sur une bague. La bague est faite de ferrite parce que cette matière peut opérer à hautes fréquences et le circuit change approximativement 50,000 fois par seconde de temps en temps (" 50 kHz "). Remarquez qui pendant que les fils sont enroulés côte à côte, le début du fil rouge est connecté à la fin du fil vert. C'est ce rapport au lieu de qui le fait une " bobine du bi-filar " seulement une deux rivage bobine.

Ce " Joule le circuit du Voleur " a été adapté par Bill Sherman alors et usagé charger une deuxième pile aussi bien qu'allumer la Diode Émettant Légère. Cela a été accompli en ajoutant juste plus composant - une diode. La diode utilisée était un 1N4005 type parce que c'était donner au moment, mais Bill suggère que le circuit travaillerait avec un Schottky très rapide mieux Écrivez à la machine diode, peut-être un 1N5819G type.

Le circuit produit par Bill est:



Quand conduit par une 1.5 pile cellulaire seule, ce circuit produit approximativement 50 volts sans charge et peut fournir 9.3 milliamps de courant quand la production est court-circuitée. Cela veut dire que vous pourriez charger une pile de 6 volts qui utilise une pile de 1.5 volts.

“Gadgetmall” du Joule www.overunity.com le forum du Voleur a pris le circuit plus loin et trouvé une situation très intéressante. Il a modifié le circuit et usagé un “les batt couvrent” laquelle est une très haute capacité, condensateur de très basse perte. C'est son circuit:


Il a ajouté un enrouler supplémentaire à son un pouce (25 mm) toroid du ferrite du diamètre, et il utilise cela pour propulser un 1 watt LED. Pourquoi il a fait ce n'est pas clair à moi immédiatement, excepte peut-être, qu'il montre quand le circuit opère. Il court le circuit conduit par une petite pile rechargeable qui nourrit 13 milliamps dans le circuit pour une période de quatorze heures. À la fin de ce temps, la batt casquette a assemblé assez d'énergie pour recharger complètement la pile impérieuse dans une minute ou deux, et alors propulse un appareil de chauffage qui enroule de fil du nichrome (comme usagé dans les appareils de chauffage radiants principaux - propulsés) pour quatre minutes et demie. Ou bien, ce montant de pouvoir supplémentaire pourrait bouillir une bouilloire d'eau. La chose vraiment intéressante au sujet de ceci est que la pile impérieuse est rechargée chaque fois et donc le circuit est autonome bien que ce ne soit pas un circuit puissant.

Cependant , Jeanna a développé le circuit de façon significative car elle montre dans sa série de vidéos:

Video 1
Video 2
Video 3
Video 4
Video 5
Video 6

Son point principal est que l'utilisation du collecteur du transistor de point du circuit puissance au décollage, est inefficace qui attire beaucoup de courant d'entrée sans une augmentation correspondante du courant de sortie. Elle ajoute un 74 - tourner enroulement secondaire sur le dessus de ses deux 11-tours Joule Thief enroulements bi- filaires, et qui semble donner un pouvoir beaucoup mieux sortie. Elle utilise la très petite taille 1.2V pile AAA et autre baisse de la production (parce que "la lumière est trop aveuglante") en mettant une résistance en série avec la batterie et à l'aide de nombreuses LED en série. Elle a enregistré les résultats suivants:

En l'absence de résistance, la tension de sortie est de 58V pics à 62,5 kHz (circuit ouvert, sans charge du tout)
Avec une résistance de 10 ohms la tension de sortie est 49V pics à 68 kHz.
Avec une résistance de 33 ohms, la tension de sortie est de 25V pics à 125 kHz.


"LidMotor" affirme que Jeanna a également produit un circuit Joule Thief qui pourrait allumer un 15 watt tube fluorescent directement pendant environ cinq heures quand conduit par une seule pile AA. Il affirme qu'il n'était pas satisfait de ce niveau de l'éclairage et à ici il montre une version (qu'il croit est la conception de Jeanna et qui pense à Jeanna est sa conception) conduire un Fluorescent Compact 10 watts lumière qui a eu les circuits ballast retiré. La build utilise un tore de ferrite cher 83 mm diamètre extérieur et l'éclairage d'une seule pile AA ressemble à ceci:



L'anneau de ferrite est enroulé comme ça:



L'enroulement principal est 300 tours de fil de cuivre émaillé 30 AWG de 0,255 mm de diamètre. S'il vous plaît notez l'espace entre les extrémités de cet enroulement. Cet écart est important car la haute tension se développe entre les deux extrémités de l'enroulement et si l'enroulement s'est poursuivi tout le chemin autour du tore, puis l'émail isolant le fil aurait été obligée de brûler à cause de la différence de très haute tension entre le premier et le dernier tour à tour, provoquant un court-circuit. Les deux autres enroulements sont avec AWG #24 émaillé fil de cuivre qui a un diamètre de 0,511 mm et ces deux enroulements sont placés étroitement côte à côte dans le milieu de l'écart entre les extrémités de l'enroulement de la 300-tours. Le circuit est comme ceci:



L'option 25 ohms résistance variable bobiné déchets puissance mais crée une chute de tension à travers elle, en réduisant la tension atteint le circuit et ainsi, gradation de la lumière progressivement, tout le chemin jusqu'à zéro. La résistance de base "R" a été fixée à 22 ohms par “Lidmotor” qui dit qu'il devrait vraiment être de 100 ohms, mais il a abaissé pour obtenir le meilleur éclairage. S'il vous plaît noter quel côté des enroulements de 3-tour et 13-tour est connectée dans le circuit, comme la direction des vents est très importante pour ces deux enroulements.

Il n'est pas rare que les gens de commenter le faire son sifflement léger par un circuit Joule Thief (en particulier une version basse tension comme ça). Je sais par expérience que le son est causé par le transistor en résonance avec la fréquence d'oscillation du circuit, l'être TIP3055 particulièrement sujette à cela. Je suggère donc que boulonnage sur un dissipateur de chaleur (ce qui n'est certainement pas nécessaire pour dissiper la chaleur produite par ce circuit) changera la fréquence de résonance de la combinaison de transistor et dissipateur de chaleur et donc arrêter le sifflement.


Mr Tseung a pris le Joule circuit du Voleur et l'a modifié pour devenir un circuit avec une production très sérieuse, en le déplaçant dans une catégorie complètement différente.

Comme un premier pas vers ce que l'équipe appelle leur " appareil Leste ", le toroid a été agrandi à un beaucoup plus grand diamètre. La bobine est maintenant enroulée sur une section de pipe plastique, 170 mm (6.5 pouces) dans diamètre et 45 mm (1.75 pouce) profondément:



Cette section de pipe est " déjà blessure du bi-filar " avec deux fils comme côte à côte a décrit pour le Joule construction du Voleur. Comme avant, le début d'un fil est connecté à la fin de l'autre fil. Alors, l'enrouler est donné le tenir en place et fournir une surface active facile pour un seconde enrouler à une couche de bande électrique.

Le fil utilisé pour l'enrouler est le rouge largement disponible et paire noire de fils, chiffre quelquefois appelé " de huit " parce que la fin de la coupe des apparences des fils comme le numéral 8. Le fil devrait être capable d'emporter 2.5 ampères. Ce doit être fil côte à côte et aucun des variétés tordues. Il semble ceci:



Le seconde enrouler est fait de la même façon mais les rapports sont légèrement différents. Comme avant, la fin du premier fil est connectée au début du deuxième fil, mais ce rapport est séparé alors et n'a pas utilisé dans l'ensemble de circuits suivant. Ce seulement connecte les deux windings un après l'autre, su comme être connecté " en série " techniquement et est l'équivalent de faire l'enrouler avec seulement un rivage seul de fil. La bobine complétée peut ressembler à ce:



Ce dessin particulier est encore dans lui est les étapes tôt et tant de dimensions des bobines différentes et constructions sont testées:



L'arrangement est pour l'enrouler intérieur du toroid être déjà oscillé par le Joule circuit du Voleur décrit. Cela cause un battant champ aimanté à enveloppe l'enrouler externe du toroid, produire une production électrique qui est capable de faire travail utile. La chose vraiment importante au sujet de cet arrangement, est le fait que le montant de pouvoir qui sort du circuit est plus grand que le montant de pouvoir beaucoup a eu besoin de faire le circuit opérer. Le pouvoir supplémentaire est mené hors de l'environnement local et tiré dans le circuit, devenir disponible à faire travail utile.

Le circuit total alors apparences comme ceci:



En l'enroulant externe est montré ici avec fil plus épais d'un colour différent, c'est faire l'arrangement pour comprendre plus facile seulement. Dans réalité, l'enrouler externe est avec exactement le même fil comme l'enrouler intérieur, et il ira tout le chemin autour du toroid normalement. Le montant total de fil eu besoin de faire le windings est approximativement 70 mètres et donc c'est normal pour acheter une bobine de 100 mètres pleine du fil de coeur jumeau qui permet à les deux windings d'être fait et les permissions épargnent installez pour les autres choses.

Pour ceux de vous qui sont très techniquement disposés, le waveform de la production ressemble à ce:



et le voltage bat dans cette production a lieu approximativement 290,000 fois par seconde.

Ce qui a travaillé pour moi mieux utilise un pont de quatre diodes plutôt qu'une diode seule:



J'ai utilisé ce circuit, conduit par une pile de 1.5 volts, charger des piles de 12 volts.

En général, c'est un très simple, bon marché et a construit appareil COP>10 qui a la capacité de fournir de grands montants de libre, useable, pouvoir électrique, facilement. Avec développement supplémentaire, ce peut être bien possible de produire une version qui pourrait délivrer le pouvoir eu besoin par une maison entière. C'est aussi possible que ces appareils deviennent disponibles pour achat un un vrai bas coût. Tout compte fait, c'est un appareil très important et le crédit plein doit aller à l'équipe du développement qui a emporté la recherche à ce point et qui continuent à raffiner le dessin pour produire le de plus en plus de pouvoir.


Les Circuits d'éclairage Joule Voleur de LaserSaber.
Une autre variante très réussie sur le voleur de Joule base a été mises dans le domaine Public le 4 octobre 2012. Les détails sont sur son site web de www.laserhacker.com. Sa variation est extrêmement simple, tant dans la conception et la construction :


et dans sa video Il montre il une ampoule LED de tension (voir ci-dessus), une ampoule électrique à filament, une ampoule halogène et une ampoule fluorescente compacte avec ballast d'éclairage toujours en place, autrement dit, tel qu'il est vendu dans les magasins sans aucune modification. Le circuit est :


Cette "Super Joule Ringer 3,0" circuit est inhabituelle en ce que la réaction à la base du transistor 2N3055 à travers la charge (l'ampoule). Le circuit est un onduleur haute fréquence DC qui pourrait difficilement être plus simple, mais s'il vous plaît soyez conscient que les pointes de haute fréquence de tension de sortie ne sont pas sinusoïdal, ils ne sont pas contrôlé en tension, et donc ce n'est pas un circuit pour attaquer les choses comme les téléviseurs. Le transistor à haute fréquence oscille régi par les caractéristiques de l'enroulement 72-tour primaire du transformateur. Le niveau de tension de sortie est une combinaison de la tension de la batterie et le rapport de transformation du transformateur.

À élever la tension de sortie, le nombre de spires au secondaire peut être augmenté. Le nombre de tours n'est pas spécifié, sauf pour dire que les spires sont fixées à proximité, côte-à-côte le long de toute la longueur de la tige de ferrite 8-pouces (200 mm) de longueur, en utilisant un fil émaillé coper de 0,32 mm de diamètre (28 AWG ou 30 swg). En utilisant l'arithmétique, qui donnerait à penser qu'il ya environ 600 spires enroulées directement sur la tige de ferrite. Le bâtonnet de ferrite lui-même a un diamètre de 0,625 pouces (15,88 mm) qui en fait un élément qui est susceptible d'être difficile à trouver. Cependant, je soupçonne fortement que le diamètre de la tige de ferrite n'est pas du tout critique.

Les deux bobines sont enroulées sur le bâtonnet de ferrite dans le même sens, le premier étant enroulée secondaire, en le plaçant en dessous de la première, qui est enroulé avec 72 spires de fil isolé de 1,63 mm de diamètre (14 AWG ou 16 SGT). Aucune consommation de courant est indiquée et il semble probable que ce soit assez élevé qu'il y ait seulement deux bobines hélicoïdales dans la section d'entraînement. Les (110V) ampoules ont manifesté dans sa vidéo sont les suivants :



S'il vous plaît soyez très prudent avec l'éclairage. Les ampoules à incandescence produisent un éclairage qui a des fréquences dans la partie rouge du spectre et ce sont des ampoules saines. Les ampoules fluocompactes souvent appelées «ampoules fluocompactes» produisent de la lumière ultraviolette et du scintillement et vous devriez en être éloigné de quatre ou cinq pieds si vous ne voulez pas que l'éclairage produise des effets médicaux indésirables. Les diodes électroluminescentes ou les ampoules "LED" sont très dangereuses, bien qu'elles fournissent d'excellents niveaux d'éclairage pour un faible courant absorbé. Ils ne produisent pas l'extrémité rouge bénéfique du spectre visible et ont plutôt un rendement élevé dans la partie bleue du spectre. Le résultat est un éclairage qui a des effets néfastes à long terme sur la rétine de l'œil, entraînant une dégénérescence maculaire et une cécité éventuelle. La drogue Lutéine est essentielle pour lutter contre l'effet, mais les lumières LED doivent être évitées est tout possible.



Le Système du Pouvoir de Ed Gray
Le tube du pouvoir a présenté au public par Edwin Gray snr. opère en produisant une série de très courtes, très tranchantes pulsations qui utilisent un intervalle de l'étincelle. Cet appareil est eu la réputation pour avoir une production du pouvoir qui est cent fois cela de l'entrée du pouvoir. Ed Gray et son moteur de la pulsation électrique sont très célèbres, mais aussi loin que je suis informé, personne n'a reproduit avec succès cela a réclamé la performance. Plus loin, un examen profond de l'origine détaille par Mark McKay a découvert plusieurs faits qui présentent une image très différente, et pendant que c'est parfaitement correct de dire que les pulsations de l'étincelle - intervalle produisent un bon waveform pour bouleverser le zéro point local champ d'énergie dans la sorte de déséquilibre qui peut fournir un afflux du pouvoir massif dans un appareil ou circuit, nous avons besoin d'être prudent d'arriver les faits pleins à ce cas.


En premier, laissez-nous mettre la chose entière dans sa perspective adéquate. En mai 1973, Cal-Tech dans les USA a exécuté une estimation indépendante d'un moteur fournie à eux par Edwin Gray. Ils ont mesuré l'entrée et la production et ont certifié que le pouvoir de la production était 275 fois plus grand que le pouvoir de l'entrée. Cela démontre clairement ce pouvoir de l'excès peut être tiré dans un moteur et fournit une performance qui peut propulser les deux le moteur aussi bien que faire travail utile supplémentaire.

Ayant dit que, il a besoin d'être fait clair ce Edwin Gray n'a pas construit ce petit moteur, ne comprenez pas comme il a travaillé, ni il a jamais divulgué le dessin dans en des brevets qu'il a obtenu après. Nous avons besoin de suivre la séquence d'événements et avis quand chaque chose s'est passée. L'histoire est comme suit:

En 1957, un immigré russe à l'USA, un Alexei Poppoff, a montré un circuit qu'il a dit à Edwin Gray qu'il avait été montré par Nikola Tesla. Edwin Gray ne comprenait pas le circuit et n'avait aucune idée comment créer n'importe quoi utile basé sur lui. Il s'est engagé dans son neighbour à côté Marvin Cole qui a tenu un degré des Maîtres dans mécanique alors et qui, Gray différent, était capable de comprendre l'ensemble de circuits.

En 1958, Ed Gray (montré au-dessus) gauche le Los Oriente la région dans une hâte.

De 1958 à 1967 Marvin Cole, en travaillant seul, a conçu et a jamais construit des moteurs du prototype plus puissants, et c'était un petit de ceux-ci qui ont été testés par Cal-Tech. Dans cette période, Marvin a aussi développé jamais des provisions du pouvoir plus puissantes qui sont l'article vraiment important dans tout de ceci.

En 1967, Ed Gray rejoint Marvin Cole et ensemble de 1967 à 1972 ils ont sollicité le capital-risque et ont encouragé la technologie.

Tôt en 1972, Marvin Cole a disparu et n'a jamais encore vu le Gray. Ce n'est pas clair s'il a été intimidé, est mort, ou juste ne voulait pas être impliqué dans toute la publicité et l'effort a eu besoin de changer les moteurs du prototype en un produit commercial. Peu importe ce que la raison, le résultat était ce Edwin Gray a été déconnecté des intelligences derrière le projet soudainement, et cette gauche il dans une place très difficile. Il ne voulait pas laisser allez du rêve de devenir riche à travers ce développement spectaculaire, et donc il a essayé de continuer le développement sur son propre.

Comme déjà a mentionné, en mai de l'année suivante (1973), Gray eu un petit Marvin moteur Cole tiers indépendamment testé au laboratoire Cal-Tech célèbre dans Los Oriente où une entrée mesurée de seulement 27 watts a produit une production mesurée de 10 cheval-vapeur (7460 watts). L'objectif était fournir des évidences solides d'une nouvelle technologie qui était capable de changer le monde et donc attirerait des investisseurs. Pistonner son image plus loin et convaincre des investisseurs potentiels, Edwin a organisé des démonstrations qui ont sauté des électro-aimant au-dessus dans l'air dans cette même année de 1973, en montrant la force du pouvoir qui a conduit le Marvin moteurs Cole.

C'est très important de comprendre que tous les brevets de Edwin Gray ont été appliqués pour après le départ de Marvin Cole. Ceux-ci ne divulguent pas la technologie testée par Cal-Tech et il doit être compris qu'Edwin avait peur de révéler n'importe quoi important dans en des brevets beaucoup au cas où quelque autre personne comprendrait les choses qui étaient un mystère à lui et enlèvent le lot de succès commercial. Donc, s'il vous plaît soyez informé que les brevets où ont appliqué pour pour encourager des investisseurs uniquement et le plus sans aucun doute ne pas montrer de détails considérables.

Edwin s'est assemblé une petite équipe de gens pour essayer de comprendre et avancer le travail de Marvin Cole alors. Cependant, les changements subséquents aux mises en oeuvre Cole n'ont pas résulté en les moteurs actifs authentiques, fiables dû au manque de Gray de comprendre des méthodes de l'énergie - branchement au-dessous utilisé par Cole.

Le Tube du Pouvoir montré dans les brevets de Gray n'a jamais été montré pour fournir le COP=100 performance d'énergie qui est mentionnée quelquefois, ni l'a fait partie de la forme du système de Marvin Cole. En 1976, Edwin Gray montre trois de ces Tubes du Pouvoir qui en conduisent un (version manquée) moteur. Cette technique est dans conflit direct avec la technique prospère de Marvin Cole qui avait 24 conduite des provisions du pouvoir séparée le moteur. S'il vous plaît comprenez que le mécanisme du pouvoir - rassemblement du système Cole est le trait clé de tous les systèmes prospères. Malheureusement, aussi loin que je suis informé, que la technologie n'a jamais été divulguée.

Peter les points Lindemann dehors le circuit du tube de la conversion du pouvoir de ce Ed Gray sont un copie du circuit de Nikola Tesla pour faire la même chose efficacement:


Cela a été divulgué par Tesla à sa ‘Philadelphia et St. Louis ' font une conférence dans 1893 et expositions comme les charges peuvent être propulsées quand une haute source du voltage a battu par un étincelles magnétiquement satisfaites - cela crée des pulsations DC de très courte durée.


Le diagramme au-dessus de, illustre la différence entre le champ Aimanté produit autour d'un conducteur nourri avec une pulsation de Courant Direct et les vagues D'énergie Radiantes créée par cette pulsation. Si une pulsation courante tranchante est conduite en bas un fil vertical, il cause deux types différents de champ. Le premier champ est aimanté, où les lignes de force aimantée tournent autour du fil. Ces lignes sont horizontales, et tourne comme les aiguilles d'une montre quand a envisagé d'au-dessus. Les restes de champ aimantés aussi long que les courants courants en bas le fil.

Le deuxième champ est la vague D'énergie Radiante. Cette vague se produira seulement si la pulsation courante est dans une direction, c.-à-d. il ne se produira pas si le fil est nourri avec courant alternatif. La vague rayonne dehors du fil vertical dans chaque direction dans la forme d'une onde de choc horizontalement. C'est un un fermé événement et ne répète pas si le courant dans le fil est maintenu. L'Énergie Radiante déséquilibre le zéro point champ d'énergie brièvement et cela cause un courant d'énergie comme le champ déplace encore dans équilibre en arrière.

La vague d'énergie Radiante n'est pas restreinte à un avion seul comme montré dans le diagramme au-dessus de qui est projeté indiquer la différence entre le champ électromagnétique qui entoure autour du fil et le champ D'énergie Radiant qui rayonne loin du fil. Les deux de ces champs se produisent à tous les points le long de la longueur pleine du fil comme montré ici:


L'Énergie radiante, quand a converti à pouvoir électrique, produits alimentaires un genre différent de pouvoir électrique à cela produit par les piles et par la provision des principaux. Propulsez un moteur avec électricité conventionnelle et il devient chaud sous charge. Propulsez le même moteur par électricité D'énergie Radiante et sous charge le moteur obtient le rhume. Vraiment surchargez-le en mettant à l'étable lui et le moteur qui logent vraisemblablement sera couvert avec gel. C'est pourquoi cette forme d'électricité est connu sous le nom de “froid” électricité.

Dans son livre “Secrets de la Guerre Froids - HAARP et Au-delà”, Gerry Vassilatos cite travail de la recherche fait dans cette région par Tesla et autres:


Les Expériences de Nikola Tesla:
En 1889 Tesla a commencé expérimenter avec les condensateurs a chargé aux hauts voltages et a déchargé dans les très courts intervalles du temps. Ceux-ci les très courtes pulsations ont produit shockwaves très tranchant qu'il a senti à travers le devant de son corps entier. Il était informé que fermer souvent un changement sur une dynamo de haut voltage a produit un piquant choc. Cela était cru pour être de l'électricité statique et il s'est produit à changement sur seulement et seulement pour quelques millisecondes. Cependant, en ces peu de millisecondes, aiguilles bleuâtres de position d'énergie dehors des câbles électriques et ils ont une fuite à fondez, souvent à travers les corps de tous gens qui sont debout tout près, causer la mort immédiate si l'installation est grande. Pendant que les générateurs de ce temps ont été estimés à quelque milliers de volts, ces décharges étaient millions de volts dans intensité. Le problème du générateur a été éliminé par l'usagé de changements très séparés qui ont été fournis un très grand rapport moulu.


Tesla a été intrigué par ce phénomène qui a paru égaler l'effet de ses décharges du condensateur. Il a calculé que les voltages produits étaient centaines de temps plus grand que pourrait être fourni par le condensateur ou générateur. Est-ce que c'était clair que le pouvoir fourni était amplifié ou était augmenté d'une certaine façon, mais la question était, d'où est-ce que la venue d'énergie supplémentaire était?

Tesla a continué à enquêter sur à travers expériences, en prenant des précautions contre les hauts voltages qui sont produits. Il était bientôt capable de produire ces shockwaves toutes les fois qu'il voulait à. Les shockwaves ont produit une piquant sensation peu importe où il s'est trouvé dans son laboratoire, et les mains et visage étaient particulièrement sensibles à la vague. Ces vagues ont rayonné dehors et ont pénétré métal, verre et chaque autre genre de matière. Ce n'était pas une vague électromagnétique clairement, donc il a appelé la nouvelle vague ‘Électricité Radiante '.

Tesla a cherché la littérature pour trouver des références à cette énergie radiante mais il ne pourrait pas trouver beaucoup. En 1842, Dr. Joseph Henry avait observé ces aiguilles de l'acier ont été aimantées par une Leyden Pot étincelle décharge localisée sur un sol différent du bâtiment. La vague du magnetising avait traversé des murs de la brique, portes du chêne, pierre lourde et plancher du fer et plafonds du fer-blanc pour arriver à les aiguilles localisé dans une voûte dans la cave.

En 1872, Elihu Thomson a pris une grande Ruhmkorrf Étincelle Bobine, a attaché une perche de la bobine à une pipe d'eau froide et l'autre perche à un sommet de la table du métal. Cela a résulté en une série d'étincelles massives qui ont électrifié le bouton de la porte du métal de la pièce et ont produit le piquant shockwaves que Tesla enquêtait sur. Il a trouvé que tout objet du métal étanche produirait n'importe où dans le bâtiment longtemps le blanc continu jette des étincelles décharger à fondez. Cette découverte a été écrite au-dessus dans le journal américain Scientifique cette année brièvement plus tard.

Tesla a conclu que tous les phénomènes qu'il avait observé, implicite la présence de “un moyen de structure gazeuse, c'est, un qui consiste en porteurs indépendants capable de mouvement libre - excepté l'air, un autre moyen est présent.” Ce moyen invisible est capable de vagues du transport d'énergie à travers toutes les substances qui suggèrent que, si physique, sa structure de base est plus petite que les atomes beaucoup qui crée des matières banales, en permettant au ruisseau de matière de traverser tout le solids librement. Il paraît que tout d'espace sont remplis de cette matière.

Thomas Henry Moray a démontré ce courant d'énergie traverser le verre et allumer des ampoules électriques standardes. Le Harold Aspden a exécuté une expérience connu comme le “Aspden Effect” lequel indique aussi la présence de ce moyen. Le Harold a fait cette découverte quand les épreuves courantes n'ont pas été en rapport avec ce sujet. Il a commencé un moteur électrique qui avait une masse du rotor de 800 grammes et a enregistré le fait qu'il a pris une entrée d'énergie de 300 joules pour l'apporter jusqu'à sa vitesse de la course de 3,250 révolutions par minute quand il ne conduisait aucune charge.

Le rotor avoir une masse de 800 grammes et filer à cette vitesse, son énergie cinétique avec cela du moteur de la promenade est aucun plus de 15 joules, contraster qu'avec l'énergie excessive de 300 joules, a eu besoin de lui obtenir tourner à cette vitesse. Si le moteur est courir gauche pour cinq minutes ou plus, et alors a éteint, il vient se reposer après quelques secondes. Mais, le moteur peut être commencé encore alors (dans la même ou opposée direction) et a amené la vitesse avec seulement 30 joules à condition que la défaillance du temps entre arrêter et recommencer soit aucun plus qu'une minute ou donc. S'il y a un délai de plusieurs minutes, alors une entrée d'énergie de 300 joules est eue besoin d'obtenir le rotor qui file encore.

Ce n'est pas un phénomène chauffant transitoire. À tous moments le toucher des logements de la portée frais et tout chauffage dans le moteur de la promenade impliquerait une augmentation de résistance et une intensification de pouvoir à une plus haute condition de l'état stable. L'évidence expérimentale est qu'il y a quelque chose d'inaperçu qui est mis dans mouvement par le rotor de la machine. Que “quelque chose” a une densité de masse efficace 20 fois cela du rotor, mais c'est quelque chose qui peut déplacer indépendamment et prendre plusieurs minutes pour tomber en décadence, pendant que le moteur vient se reposer en quelques secondes.

Deux machines de dimension du rotor différente et composition révèlent le phénomène et les épreuves indiquent des variations avec temps de jour et orientation du compas de l'axe de la rotation. Une machine, celui qui incorpore des aimants plus faibles, a montré des évidences de gagner force pendant les épreuves qui ont été répétées sur une période de plusieurs jours magnétiquement.

Cela montre clairement qu'il y a un moyen inaperçu qui réagit réciproquement avec les objets ordinaires et les actions, et confirme la découverte de Tesla. Tesla a continué à expérimenter et a déterminé qu'une très courte pulsation uni - directionnelle est nécessaire de produire la vague d'énergie radiante. En d'autres termes, un voltage alternant ne crée pas l'effet, ce doit être une pulsation DC. Le plus court le temps de la pulsation et le plus haut le voltage, le plus grand la vague d'énergie. Il a trouvé qu'utiliser un condensateur et un mécanisme de la décharge de l'arc avec un aimant permanent très puissant a placé à angles droits à l'étincelle, amélioré la performance de son matériel par un facteur majeur.

Les expériences supplémentaires ont montré que les effets ont été changés en ajustant la durée de la pulsation électrique. Dans chaque exemple, le pouvoir de l'énergie rayonnée a paru être constant indépendant de la distance de son appareil. L'énergie était dans la forme de vagues longitudinales individuelles. Les objets placés près le matériel ont été électrifiés avec force, en retenant leur charge pour beaucoup de minutes après que le matériel ait été éteint.

Tesla utilisait une dynamo du chargement comme une source du pouvoir et il a trouvé que s'il avait déplacé son discharger aimanté à un côté de la dynamo, la vague radiante était positive. S'il avait déplacé le discharger aimanté vers l'autre côté de la dynamo, la vague radiante est devenue négative dans signe. C'était une nouvelle force électrique clairement qui travelled comme lumière - comme rayons, les montrer pour être différent dans nature aux vagues électromagnétiques de Maxwell.

Enquêter sur les effets d'ajuster la durée des pulsations, Tesla a trouvé qu'un train de la pulsation qui avait des pulsations individuelles avec durées qui dépassent 100 microsecondes, douleur produite et pressions mécaniques. À cette durée, objets dans le champ visiblement vibré et a été poussé le long de par le champ même. Les fils minces ont soumis à explosions soudaines du champ radiant, explosées dans vapour. Quand la durée de la pulsation a été réduite à 100 microsecondes ou au-dessous, l'effet douloureux a été senti plus et les vagues sont inoffensives.

Avec une durée de la pulsation de 1 microseconde, la chaleur physiologique forte a été sentie. Avec même plus courtes durées de la pulsation, illuminations spontanées capable de remplir des pièces de lumière blanche, a été produit. Même les plus courtes pulsations produites la pièce fraîche brises pénétrantes avec un accompagner élèvent dans humeur et conscience. Ces effets ont été vérifiés par Eric Dollard qui a écrit au sujet d'eux dans quelque détail.

En 1890, Tesla a découvert que s'il avait placé une cuivre hélice bobine profonde de tour seul longue de deux pieds proche son disrupter aimanté, la bobine aux murs minces a développé une gaine d'étincelles blanches avec longs serpentins du blanc argentés qui augmentent du sommet de la bobine. Ces décharges ont paru avoir beaucoup de plus hauts voltages que le circuit générateur. Cet effet a été augmenté grandement si la bobine avait été placée à l'intérieur du cercle du fil du disrupter. La décharge a paru étreindre la surface de la bobine avec une affinité étrange, et est monté à en haut sa surface à la fin ouverte. Les shockwave ont coulé sur la bobine à angles droits au windings et ont produit de très longues décharges du sommet de la bobine. Avec la charge du disrupter qui saute un pouce dans son logement aimanté, les serpentins de la bobine étaient plus de deux pieds dans longueur. Cet effet a été produit au moment quand le champ aimanté a satisfait l'étincelle et c'était complètement inconnu à ce temps.

Ce train de très courtes causes des pulsations uni - directionnelles un champ très étrange étendre des extérieurs. Ce champ ressemble à un champ électrostatique bègue mais a un effet plus puissant que serait attendu d'une charge électrostatique. Tesla était incapable à compte pour la multiplication du voltage énorme de son appareil qui utilise chacune de la formule électrique de son jour. Il a présumé par conséquent que l'effet était entièrement dû à règles de la transformation radiantes qui doivent être déterminées à travers dimensions expérimentales. Ce qu'il a continué faire.

Tesla avait découvert une nouvelle loi de l'énumération où shockwaves radiant réellement auto - intensifié quand rencontrer des objets segmentés. La segmentation était la clef à publier l'action. Les shockwaves radiants ont rencontré une hélice et “a brillé partout” la peau externe, de fin terminer. Ces shockwave n'ont pas traversé le windings de la bobine mais traités la surface de la bobine comme une trajectoire de la transmission. Les dimensions ont montré que l'augmentation du voltage le long de la surface de la bobine était exactement proportionnel au travelled de la longueur le long de la bobine, avec l'augmentation du voltage qui arrive à des valeurs de 10,000 volts par pouce de bobine. Les 10,000 volts qu'il nourrissait à sa bobine de 24 pouces étaient magnifiés à 240,000 volts à la fin de sa bobine. C'était non entendu de pour matériel simple comme cela. Tesla a aussi découvert que l'augmentation du voltage a été liée à la résistance du bobine enrouler, avec plus haut windings de la résistance qui produit de plus hauts voltages, mathématiquement.

Tesla a commencé à faire référence à sa boucle du disrupter comme alors son spécial “fondamental” et à la longue bobine hélicoïdale comme son spécial “secondaire” mais il n'a jamais projeté que quelqu'un égale ces termes à ceux faire référence à transformateurs électromagnétiques qui opèrent dans un chemin complètement différent.

Il y avait un attribut qui a confondu Tesla pour un temps. Ses dimensions ont montré qu'il n'y avait aucun couler courant dans le long cuivre ‘bobine ' secondaire. Le voltage augmentait avec chaque pouce de la bobine, mais il n'y avait aucun courant courant dans la bobine elle-même. Tesla a commencé à faire référence à ses résultats mesurés comme son “lois de l'énumération électrostatiques.” Il a trouvé que chaque bobine avait sa propre durée de la pulsation de l'optimum et que le circuit qui le conduit a eu besoin d'être ‘a réglé ' à la bobine en ajustant la longueur des pulsations pour donner la meilleure performance.

Tesla a remarqué alors que les résultats donnés par ses expériences ont placé parallèlement les équations pour les mouvements du gaz dynamiques, donc il a commencé à se demander si les décharges de la flamme blanches ne peuvent pas être une manifestation gazeuse de force électrostatique. Il a trouvé que quand un point du métal a été connecté au terminal supérieur du ‘' secondaires enroulent, les serpentins ont été dirigés comme eau qui coule à travers une pipe beaucoup. Quand le ruisseau a été dirigé à plaques du métal distantes, il a produit des charges électroniques qui pourraient être mesurées comme courant à l'emplacement de la réception mais en transit, aucun courant n'a existé. Le courant a paru seulement quand le ruisseau a été intercepté. Eric Dollard a affirmé que cela a intercepté le courant peut atteindre plusieurs cent ou milliers égal d'ampères.

Tesla a fait une autre découverte remarquable. Il a connecté un cuivre En U très lourds défendent à travers le primaire de son disrupter directement, en formant un court-circuit mort. Il a connecté plusieurs ampoules du filament incandescentes ordinaires entre les jambes de la barre En U alors. Quand le matériel a été propulsé au-dessus, les lampes ont allumé avec une lumière du blanc froide brillante. C'est assez impossible avec électricité conventionnelle, et il montre clairement que ce de que Tesla traitait était quelque chose de nouveau. Cette nouvelle énergie est appelée quelquefois “électricité froide” et Edwin Gray snr. a démontré comment différent c'est en allumant des ampoules de filament incandescent de son tube du pouvoir directement, en les submergeant dans l'eau et mettant sa main dans l'eau. L'électricité froide est considérée pour être inoffensif aux êtres humains généralement. Le tube du pouvoir de Ed Gray opère en produisant électricité radiante agite en utilisant un intervalle de l'étincelle, et rassembler l'utiliser d'énergie trois enfermant cylindres cuivre qui entourent l'intervalle de l'étincelle. Les cylindres sont forés avec beaucoup de trous comme cela rehausse le pick-up et la charge est conduite du courant dans les cylindres directement. Quand allumer des ampoules, Ed a utilisé un transformateur air - enlevé le coeur fait de seulement quelques tours de fil très lourd. Je, personnellement, suis informé de deux gens qui ont reproduit le tube du pouvoir d'Ed indépendamment.

Tesla a envisagé les serpentins qui se détachent de ses bobines comme être gaspillé d'énergie donc il a essayé de les supprimer. Il a essayé une bobine conique mais a trouvé que cela a accentué le problème. Il a essayé placer une sphère cuivre au sommet de sa bobine alors. Cela a arrêté les serpentins mais électrons ont été détachés de la sphère cuivre, en créant des conditions vraiment dangereuses. Cela a impliqué que les métaux produisent l'électron coule quand a frappé par les serpentins de la bobine (comme avait été vu quand les serpentins avaient été visés plaques du métal éloignées et courant a été produit en conséquence).

Tesla a conçu, a construit et a utilisé des grandes lampes du globe qui ont exigé seulement une plaque externe seule pour recevoir l'énergie radiante. Peu importe comment loin ces lampes étaient de la source radiante, ils ont été allumés brillamment, presque au niveau d'une lampe de l'arc et loin, loin plus clair qu'en des Edison filament lampes conventionnelles. En ajustant le voltage et la durée de la pulsation de son appareil, Tesla pourrait chauffer aussi ou refroidir une pièce.

Les expériences de Tesla suggèrent qu'une méthode d'extraire l'énergie libre est utiliser une bobine Tesla qui a une pointe du métal au lieu de la sphère du métal plus commune à la fin du ‘bobine ' secondaire. Si la bobine Tesla est nourrie avec suffisamment courtes pulsations uni - directionnelles et les ‘bobine ' secondaire a pointé à une plaque du métal, alors ce devrait être possible d'ôter des niveaux sérieux de pouvoir de la plaque du métal, de même que Tesla a découvert. Cela a été confirmé par Don Smith qui utilise deux plaques du métal est séparé par une couche de plastique diélectrique, en formant un condensateur. Il affirme qu'une bobine Tesla bien conçue est capable de produire des courants aussi haut que les voltages et il démontre une Bobine Tesla de 28 watts portative jouée sur la première plaque qui produit une décharge de l'étincelle continue substantielle entre la deuxième plaque et terre. J'estime que l'étincelle produite doit être milliers de volts à un courant considérable qui le met dans le kilowatt gamme comme la plupart des autres appareils de Don. La vidéo:   ici   le brevet de Don est dans Chapitre 3 et son .pdf documentez ici in which he explains many of his high-power designs.


Don signale aussi que le positionnement de la bobine fondamentale relatif à la bobine secondaire d'une Bobine Tesla le montant de courant qui peut être fourni détermine. Contrairement à la plupart de l'opinion, c'est possible d'avoir Tesla Coil courant aussi haut que le voltage. Le Don toujours insistances que vous avez l'option de choisir le composant électrique (comme science conventionnelle a fait) quels rôles principaux chauffer la mort " pendant que l'option alternative de sélectionner le composant aimanté fait " le monde votre huître ". Avec une ondulation aimantée imposée sur le zéro point champ d'énergie que Don préfère appeler le ' energy' de l'origine ambiant, vous pouvez faire autant de conversions électriques que vous souhaitez, sans épuiser l'événement aimanté en aucune façon. En d'autres termes, vous pouvez ôter des montants sérieux de courant de plaques du condensateur placées à angles droits au courant aimanté, et chaque paire supplémentaire de plaques vous donne une source supplémentaire de courant majeur sans tout besoin d'augmenter le trouble aimanté en aucune façon. Avec sa plaque du métal seule, Tesla mentionné des courants de mille ampères qui sont disponible. S'il vous plaît souvenez-vous qu'une Bobine Tesla produit de gravement hauts voltages et n'est pas un jouet. De grand soin est eu besoin autour d'une Bobine Tesla donc, quand il court, restez bien loin de lui.

Le Don aussi états qui la collection et transfert d'énergie exigent du stockage temporaire qui se produit comme les condensateurs et bobines d'un circuit résonnant sont faits du vélo de temps en temps. La fréquence à que les condensateurs et bobines sont pompées, détermine le montant d'énergie électrique qui déplace en avant. Le montant d'Énergie transféré est en rapport avec la densité de lignes de présent du flux aimanté directement. La formule D'énergie Cinétique est utile dans établir le montant de présent de l'énergie. Cette formule pointe pour masser a multiplié par le carré de la vélocité. Dans le cas d'énergie électrique, intensité de voltage et ampères multipliée par les cycles par seconde, remplacez vélocité. La note qui la " accélération " du Voltage et l'Ampérage, les augmentations dans une mode non - linéaire comme la Loi de Carrés appliquent, avec chaque unité d'augmentation qui cause un rendre carré du présent des lignes du flux. Dans bobine de l'air - coeur résonnante transfert d'énergie, l'augmentation dans présent des lignes du flux dérange plus d'électrons que précédemment et cela résulte en plus grande énergie de la production que les entrée énergie être présente et disponible.

L'énergie a entreposé, a multiplié par les cycles par seconde, est le d'énergie être pompé par le système. Condensateurs et inductors (bobines) temporairement électrons de magasin.

La formule du condensateur: W = 0.5 x C x V2 x Hz où:

	W est l'énergie dans les Joules (Joules = Volts x Ampères x secondes) 
	C est la capacité dans les Farads
	V est le voltage
	Hz est les cycles par seconde

La formule Inductor: W = 0.5 x L x A2 x Hz où:

	W est l'énergie dans les Joules 
	L est l'inductance dans Henrys
	A est le courant dans les ampères
	Hz est la fréquence dans les cycles par seconde

Les deux on Henry et un égal du Farad un volt. Le plus haut la fréquence, y compris le rendre carré des lignes du flux, causes une grande augmentation dans le montant d'énergie qui est produite. Ce, a combiné avec l'usage d'un système de l'énumération d'énergie résonnant (tous les électrons qui installent la même direction en même temps), faites du mouvement COP>1 pratique.

Le mouillant processus de génération du pouvoir électrique conventionnelle, a tous les électrons disponibles qui rebondissent le randomly, principalement cancelling dehors l'un l'autre, et donc l'énergie utile disponible est seulement un très petit pourcentage de l'énergie qui est présente. Dans un système de l'énumération résonnant, un très haut pourcentage du présent d'énergie est utile. Quand résonner, (ohms impedance - Z) devient zéro et tout du présent d'énergie deviennent disponibles, sans être dégradé en aucune façon. Les ohms sont charge ou ont gaspillé l'énergie et les ampères sont le taux de cela qui gaspille.

Maintenant, appliquez ces renseignements à une bobine de l'air - coeur transformateur résonnant système d'énergie. L-1 et bobines L-2 sont maintenant présentes. L-1 a moins tours et est plusieurs fois le diamètre de L-2. Entrez d'un 12 volt ' gelcel' module laser de haut voltage, produit 8,000 volts avec bas (a gaspillé l'énergie) ampérage dans 4 tours de bobine L-1. Chaque tour de L-1 acquiert 2,000 volts de capacité résonnante alors. Chaque tour de L-2 est exposé à un flux électrique de 2,000 volts alors. Chaque tour à la fin inférieure de L-2 acquiert 2,000 volts. Les lignes du flux sont rendues carré et sont additif comme le voltage et progrès de l'ampérage vers la fin du sommet de L-2 est beaucoup de tours.

Un nombre énorme de lignes du flux qui n'étaient pas présent précédemment, produisez-vous à la fin du sommet de L-2. Ces lignes du flux excitent les électrons proche dans lui est monde et air et échouages. Ce haut niveau d'excitation au-dessus de l'ambiant, causes un grand nombre d'électrons devenir disponible, électrons qui précédemment, ne faisait pas partie du présent d'énergie. À ce point, les grands montants d'énergie en excès sont présents. Cet appareil COP>1 produit l'énergie à fréquences de la radio dans le mégahertz alignez et cela lui permet d'être petit dans dimension et toujours produits alimentaires grands montants d'énergie. Un mégawatt a classé selon la grosseur l'unité s'assiéra sur une table du petit déjeuner confortablement. L'énergie est changée pour diriger le courant, et alors, à la fréquence active désirée.

Le propulser d'énergie ces appareils sont sortis du champ d'énergie environnant et ne sont pas de l'électricité conventionnelle et il ne coule pas à travers le fil du ‘que ' secondaires enroulent, mais au lieu, il court le long de l'en dehors de la bobine et à travers espace frapper la surface de la plaque du métal où il produit le courant électrique conventionnel. Thomas Henry Moray a démontré que ce couler d'énergie le long de l'en dehors du fil peut traverser le verre sans être affecté en aucune façon.

Dans son 1995 papier Don Smith présente le diagramme suivant:


Pendant que l'expérience de Tesla a utilisé une plaque du métal, il a fait breveter (USA 512,340) un type de la bobine qui il a dit est très efficace dans ramasser cette énergie radiante. Ce " type de la bobine de la crêpe épaisse " est connu sous le nom plutôt impressionnant de “bi-filar bobine feuilleton - connectée”, lequel, en dépit de lui est le nom impressionnant n'est pas difficile d'enrouler utiliser deux rivages séparés de fil comme montré ici:


Si un champ aimanté fort est placé à travers l'intervalle de l'étincelle comme montré au-dessus, il aiguise l'arrêt de l'étincelle et rehausse le caractère uni - directionnel de la pulsation de courant. De lui devrait être se souvenu que si une très courte pulsation tranchante de courant uni - directionnel tel qu'est produit par une étincelle qui saute à travers un intervalle de l'étincelle comme dans l'arrangement montrée au-dessus, se produit dans un conducteur, alors une vague forte d'énergie radiante rayonne dehors dans un avion à angles droits à la pulsation de courant.

Cette vague d'énergie radiante est assez différente du champ électromagnétique produit autour du transport du fil la pulsation de courant. Dans le Tesla bobine arrangement montré au-dessus, ce devrait être possible d'assembler l'énergie libre supplémentaire à travers un ou co - axial (comme couches d'un oignon) bobines cylindriques autour les rôles principaux de l'intervalle de l'étincelle. Ces bobines seront meilleures si ils sont veuillez comme bi-filar connecté des bobines que seulement moyens que le fil les enroulait sont pliés de son mi point avant la bobine sériellement est enroulé. La raison pour cet arrangement est que le champ aimanté composant des bobines est (presque) zéro comme le couler courant à travers le fil coulent dans les directions du contraire dans les tours du remplaçant, et donc les champs aimantés produits devraient annuler dehors:

Tesla a été accordé le Brevet 685 Américain, 957 “Appareil pour l'Utilisation d'Énergie Radiante” dans qui il montre des plusieurs façons de qui manient l'énergie a rassemblé par la plaque du métal. C'est possible que les techniques du pick-up montrées dans le brevet de Hermann Plauston qui est dans l'Appendice travailleraient aussi très efficacement avec ceci a rassemblé l'énergie. Les vieux brevets mentionnent quelquefois un “condenseur” lequel est le terme original pour ce qui est appelé de nos jours un “condensateur.”

Après considération prudente et beaucoup d'expériences, Tesla a conclu que les rayons radiants qu'il était utilising, a rayonné dehors si rapidement que les électrons étaient incapables de les suivre. Les rayons étaient portés en un consistant moyen d'extrêmement mobile, presque massez des particules plus peu, beaucoup plus petit qu'électrons et lequel, à cause de leur dimension et s'hâte, pourrait traverser la plupart des matières facilement. Malgré leur petite dimension, leur vitesse extrême les a causés d'avoir la vitesse considérable. Un fait qui est très difficile de venir aux termes avec est que ces rayons paraissent propager des extérieurs à l'instant, sans délai du temps à tout, comme si a transmis à travers matière qui est complètement incompressible. Il est appelé quelquefois “Énergie Radiante” ou “RÉ” pour court et paraît n'avoir aucune charge nette dans les termes conventionnels. C'est un trait unique de l'univers, avec les caractéristiques uniques qui si a utilisé, fournit un hôte entier de nouvelles candidatures et capacités.

Tesla a considéré que ce champ récemment découvert a agi comme un fluide. Cent et quinze années plus tard, l'article principal du décembre 2005 édition du Scientifique ‘que le journal ' américain affirme qu'allusion des modèles expérimentale que l'espace-temps pourrait être un genre de fluide. Il a pris pour science moderne pour commencer à rattraper Tesla longtemps. Dans fait réel, c'était Michael Faraday (1781 - 1867) qui est entré au-dessus avec l'idée dans la première place.


L'Alberto Molina-Martinez Generator.   Les USA font breveter la candidature USA 20020125774 de 6e le mars 2002, expositions un générateur électrique auto - propulsé. Comme cela utilisé par Bob Boyce, c'est un toroidal (en anneau) cadre avec plusieurs windings sur lui, comme montré dans le diagramme dessous. Une fois il a été propulsé au-dessus avec l'AC principaux fréquence voltage, il produit tant de pouvoir qu'il peut le fournir est propre exigence du pouvoir de l'entrée aussi bien que propulser d'autres charges tel qu'ampoules. Cette candidature brevetée est montrée dans plein dans l'Appendice.

Il est dit que l'appareil Toroid a construit par Stephen Mark et montré dans les vidéos du tissu, est une reproduction de ce dessin du générateur. Le forum est consacré à reproduire l'appareil de Stephen Mark à présent à forum et le progrès considérable a été fait. Ce groupe opère sur la base qui au lieu d'un coeur du toroid métallique comme montré ici, qu'un Mobius - Boucle toroidal installent le coeur est utilisé. Pour l'instant, leurs efforts n'ont pas cependant a produit un circuit qui expose une performance COP>1

Vous remarquerez que très beaucoup d'appareils différents, visés faire des choses différentes, tout opèrent en produisant des pulsations DC très tranchantes

Donc, une grande gamme d'appareils différents a la même technique de l'origine pour les faire travailler. Meyer a utilisé le battre pour eau division dans une cellule du gaz de l'hydroxy. Bedini utilise le battre pour charger des piles avec électricité froide. Tesla a utilisé le battre pour charger des piles, fournissez chauffage, refroidissement et éclairage. Boyce utilise battre pour obtenir l'électrolyse à 1,200% du taux du maximum énoncé de Faraday d'électrolyse. Gray a utilisé le battre pour capturer électricité froide pour conduire un moteur électrique puissant. Beaucoup de candidatures différentes que tout ont basé en utilisant le très court, très tranchant, haut voltage pulsations.


Alfred Hubbard.   En 1920 Alfred Hubbard a démontré son ‘Générateur du Pouvoir Atmosphérique ' qui a été dit pour avoir un pouvoir de la production de quelques trois fois plus grand que le pouvoir de l'entrée. C'est difficile de déterminer les détails exacts de sa construction, mais les meilleurs renseignements donner suggèrent le suivre:


Il a consisté en un grand ‘fer - enlevé le coeur central que ' fondamentaux enroulent 15 pouces haut. Le coeur a été fait de 16 tringles du fer et l'enroulant fait de 43 tours de câble. Le câble en eu 7 enlève le coeur chacun de 0.09” diamètre, former un paquet 0.204” dans diamètre à l'intérieur de l'isolement qui avait un diamètre extérieur de 0.34” laquelle est Dimension de la Jauge du Fil de l'Américain 4 fil.

Placé autour de la bobine centrale était 8 ‘' secondaire enroule blessé sur pipe du grillage de l'acier de bas carbone de 2” diamètre intérieur et approximativement 2.25” diamètre externe (57 mm), 15 pouces haut. Les windings étaient aussi 43 tours d'AWG Aucun 4 fil et les bobines ont été installées avec le fond de chaque bobine connecté au sommet de la bobine adjacente, c'est-à-dire, les bobines secondaires ont été installées en série. Le toucher des bobines secondaire l'un l'autre les tangentially et eux touchent aussi le primaire central tangentially sinueux.


Le générateur a été démontré propulser un bateau de 18 pieds avec un 35 cheval-vapeur moteur électrique initialement, autour de Baie du Portage sur Union de Lac, Seattle à huit à dix noeuds, commencer du Seattle Yacht Club quai. Il paraît que les fils auraient dû être plus grand diamètre comme ils ont commencé à surchauffer tout à fait rapidement. Les douzaines de gens ont témoigné cette démonstration et il a été rapporté dans la presse de Seattle locale. Alfred est rapporté pour avoir fait référence au windings secondaire comme “électro-aimant” chacun qui a windings fondamental et secondaire de fil cuivre. Dans Joseph Cater livre "The Awesome Life Force" il tente d'expliquer la théorie de son fonctionnement, mais il faut bien comprendre que ce Cater dit n'est que spéculation de sa part que la conception réelle de Hubbard n'a jamais été divulguée publiquement

Qu'est-ce Cater dit est certainement plausible, et même si ce n'est pas la conception de Hubbard, il est utile d'examiner et expérimenter. Le mécanisme mis en avant par Cater est basé sur le graphique bien connue et largement acceptée de l'aimantation du fer doux par rapport aux niveaux appliqués de force magnétique. Ce graphique est fortement non-linéaire et la partie centrale de la courbe monte en flèche, ce qui indique qu'il ya une augmentation considérable de l'aimantation du fer pour relativement peu d'augmentation de l'apport énergétique.

Cater souligne que le signal d'entrée doit être un courant continu pulsé. La méthode d'application pulsation CC est alors presque la même que pour la conception Clemente Figuera montré au chapitre 3, avec un niveau de base de décalage du courant continu qui doit être maintenu en tout temps.

Voici le graphe d'aimantation du fer doux:


Fig. 29 montre un graphique de l'aimantation d'un noyau de fer complotèrent contre ampères-tours par unité de longueur. Le terme "ampères-tours» est le nombre de spires de la bobine par unité de longueur de la bobine, multiplié par le nombre d'ampères de courant circulant à travers la bobine.

La section raide de la courbe semble débuter aux alentours de 3,5 Tesla, et donc, un courant continu constant dans la magnétisation (Hubbard primaire) bobine doit fournir ce niveau de magnétisation à tout moment, et la pulsation appliquée CC demi-sinusoïdale forme d'onde appliquée en plus de cela et puisque la force électromotrice induite dans une bobine est directement proportionnelle à la vitesse de variation du flux magnétique, il s'ensuit que plus la fréquence de cette alimentation à onde sinusoïdale, le meilleur. En utilisant une forme d'onde de rampe pourrait bien être plus efficace.

Transformateurs de travail normales ont ampères-tours qui sont bien en dessous de ce point critique. La FEM supplémentaire induit dans les bobines par l'aimantation des décalages de fer de l'impédance inductive naturelle des bobines. C'est pourquoi transformateurs ont un tel degré élevé d'efficacité. Si un matériau autre que le fer ou en acier spécial ont été utilisés pour le cœur, le rendement diminuerait de façon significative. Hubbard a utilisé une partie de la puissance de sortie pour fournir la puissance d'entrée, et donc il suffisait de fournir une puissance d'entrée pour moins d'une seconde pour obtenir l'appareil en marche. L'alimentation pourrait bien être de cette nature


Ici, au lieu de laisser l'onde sinusoïdale redressée à haute fréquence (ou d'un signal du générateur de rampe) atteint zéro volt, et la fourniture de courant continu supplémentaire est mis à jour, et, tandis que les impulsions du générateur de signal d'ajout de la tension globale appliquée à l'appareil, la tension n'est jamais autorisé soit remis à zéro.

Il ya peut-être un autre facteur qui pourrait contribuer à la réussite du dispositif Hubbard. A cette époque, le seul fil isolée disponible avait isolation épaisse et lourde. Cela signifie que les spires adjacentes du fil dans la bobine sont séparés par une distance égale à deux fois l'épaisseur de l'isolant. Par conséquent, l'écart a donné lieu à une annulation d'effets magnétiques produits par des électrons circulant dans le fil. Depuis inertie dépend de la capacité à générer un champ magnétique, les propriétés d'inertie des électrons seraient presque réduits à néant.

Il ya une distance optimale entre les fils qui produiraient l'effet maximum. Il semble probable que l'isolation épaisse sur le fil de Hubbard a produit cette distance optimale. La plupart du champ magnétique résultant a été celle qui entourait les deux fils et ce serait la partie la plus faible du champ. Cela signifie qu'un nombre relativement faible EMF pourrait accélérer un plus grand nombre d'électrons à une vitesse élevée pendant une très courte période de temps. Comme les électrons quittent la bobine, retours d'inertie. Cela se traduirait par une sauvegarde d'une concentration élevée d'électrons dans la bobine. Depuis répulsion électrostatique n'est pas affectée, les électrons seraient éjectés de la bobine à une vitesse élevée, malgré l'augmentation de leur inertie. Cela produirait une sortie à la fois de haute tension et haute intensité.



Version de Joseph Cater du Générateur Hubbard.
Bien que contenant des informations contradictoires, il ya ce qui semble être une mise en œuvre du système de bobines Hubbard, ou peut-être un appareil très étroitement liée à Joseph H. Cater. Comme d'habitude, des informations sur elle est limitée et n'est pas particulièrement clair, si ce qui suit est juste ma tentative de rassembler des informations provenant de différentes sources. Une grande partie de ces informations proviennent d'un document qui a le nom de Geoff Egel sur lui et bien qu'il semble probable que Geoff cite une autre source, mes remerciements vont à lui pour partager ce que nous avons ici. Les diagrammes donnent les noms des différents sites mineurs dont aucun n'existent plus et si ceux-ci ont été supprimés car ils n'ont aucune utilité plus longtemps. Voici un schéma d'origine de cette information:


Comme il paraît à moi qu'il y a beaucoup de détails incompatibles dans ces renseignements, je le présente ici dans à peu près la même forme dans qu'il m'est arrivé à:

M. Cater des demandes qu'un groupe en Californie a construit cet appareil qui, il est réclamé, a très bien exécuté, mais il ne réclame pas qu'il a vu personnellement ou testé un tel appareil. Ce dessin est publié pour les chercheurs et les experimenters afin qu'un prototype actif peut être développé. M. Cater dit "que je serais disposé à donner de grandes chances qui si mes directives sont emportées à la lettre, alors les résultats sensationnels seront obtenus. Il doit l'outperform tout autre générateur qui a jamais été construit y compris les Moray et les appareils Hubbard facilement. Il pourrait être produit en série facilement.

Il y a quelques années je suis arrivé le mot de quelqu'un à Allemagne qui a construit une configuration semblable (une copie exacte très pauvre de celui-ci, où la bobine de la production a consisté en seulement windings sur une barre du fer solide que dans tour a été entourée par les plus petites bobines sur plus petites barres qui ont constitué l'entrée. Même c'était assez prospère comme la production était trois fois l'entrée. Je ne sais pas ce qui s'est passé à l'entrepreneur mais un tel appareil brut comme ceci pourrait donner l'énergie libre mondiale. La production d'une petite unité pourrait être utilisée comme l'entrée pour un plus grand et ainsi de suite”.


S'il vous plaît portez dans esprit que ces plans ne sont pas voulus dire être explicite dans chaque détail fin, mais est fourni comme le meilleur guide que l'auteur peut faire avec le données disponible. Par conséquent vous aurez besoin d'en utiliser quelques-uns de votre propre ingéniosité et compétences du dessin dans la construction de ceci configuration de la bobine plutôt exceptionnelle.


Le Bobine Input - Driver Fondamental: Suggestions pour le Prototype de la Banc - Épreuve
Je suggérerais la construction d'une provision du pouvoir de l'entrée qui peut varier Fréquence, Voltage et Courant. Une gamme de la fréquence de 50 Hz à 1,000 le Hz serait un bon point de départ. Le plus haut la fréquence du courant de l'entrée (l'ampérage et voltage qui est tenu constant) le plus grand la production provoquée E.M.F. comme c'est proportionnel à la fréquence directement (le taux de changement du flux aimanté). Une fréquence de 50 ou 60 Hz serait plus commode d'expérimenter avec comme ces fréquences est des fréquences des principaux du pouvoir standardes, cependant une fréquence de 360 Hz ou plus haut est recommandé.

M. Approvisionnez suggère que pour buts expérimentaux dans déterminer l'entrée eu besoin d'obtenir la production désirée qui a rectifié AC de 12 volts été utilisé. Les vagues Sinusoidal devraient être utilisées et pas vagues carrées. À cause de sa capacité terrible, le soin devrait être pris pour limiter le montant de courant de l'entrée. On devrait commencer avec une basse fréquence (50 ou 60 Hz) et bas ampérage, augmenter le courant jusqu'à l'entrée désirée progressivement alors / la production est obtenue.

La telle prudence n'a pas été suivie avec un modèle antérieur construit par un groupe en Californie et il a résulté en la désintégration de la bobine de la production. Le fer couvre dans ce modèle n'a pas été plaqué et n'avait pas la crise des casquettes. Néanmoins, c'était encore un accumulateur de l'orgone efficace. L'or qui plaque du fer couvre et l'addition des casquettes lui permet d'opérer avec un courant de l'entrée beaucoup inférieur et fréquence inférieure.


Le Primaire Enroule
Si le corps externe de votre bobine secondaire est huit pouces dans diamètre, alors vous n'irez pas parfaitement les recommandé dix-sept bobines fondamentales son périmètre autour. Si vos bobines fondamentales sont un pouces et demi dans diamètre alors ceux-ci iront parfaitement autour du périmètre d'un diamètre de 8 pouces bobine secondaire gentiment. Cependant, c'est préférable pour avoir de plus grandes bobines fondamentales comme mentionné dans Mr Cater commentaires du début, donc ce peut être recommandé de coller aux recommandé dimension du diamètre de 2 pouces pour les bobines fondamentales, mais se contente d'un moins et utilise seulement 16 bobines fondamentales.

L'expérimentation décidera lequel est le meilleur chemin aller. Pour les besoins de cet article je ferai référence aux bobines du diamètre de 2 pouces.

La coupe jauge moyenne tringles du fer douces (les tringles de l'oxy - soudure feront) aux longueurs de 13 pouces. Soyez sûr à d'ébarbez les tringles de la coupe afin qu'une crise compacte est accomplie.

Ensuite, enroulez chaque bobine avec un terminal à chaque fin séparément (aucun intervalle ‘G ' est exigé pour les bobines fondamentales). Alors les bobines fondamentales sont montées autour de la grande bobine secondaire physiquement - faites référence à Diagramme 1.


Les bobines fondamentales sont interconnectées avec rôles principaux convenables de la même jauge comme le fil de la bobine pour former une configuration de la bobine de la série alors. Faites référence à Diagramme 2.


Toutes les bobines doivent être enroulées dans une manière identique afin que le courant dans chacun voyage dans un comme les aiguilles d'une montre ou contrecarre la direction comme les aiguilles d'une montre. C'est essentiel que les courants courants dans la même direction.


La Bobine Secondaire: Notes de la Construction
La bobine secondaire consiste en plusieurs cylindres concentriques et bobines de trois types variables répétés dans une séquence spéciale comme détaillé ici.
  1. Vous commencez avec le coeur du fer doux comme les coeurs du fer fondamentaux de la même façon a été construit. Utilisez le diamètre de deux pouces (2 " à l'extérieur du diamètre) PVC aux murs minces qui tube la coupe à treize pouces (13 ") dans longueur, et plein avec les tringles du fer douces (les oxyacetylene qui soudent des tringles feront).

  2. Autour du PVC central qui tube le châle la toile pour draps du fer or - plaquée afin que l'or fait face à extérieurs. La toile pour draps du fer a besoin d'être dans la gamme 0.010 " à 0.015 " dans épaisseur. La toile pour draps du fer devrait être comme mince aussi possible que vous voulez devenir le fluctuant champ aimanté le plus puissant possible, provoqué comme près du fil comme peut être accompli physiquement et électriquement.

    C'est la raison pour la poudre du fer huile - trempée. Le but de l'huile est, bien sûr, faire le fer saupoudrer physiquement maniable. Le dissolvant la toile pour draps du fer les plus complètement aimanté ce sera. L'or plaquer est seulement le givrage sur le gâteau pour ainsi dire. Il n'a pas besoin d'être très épais certainement et non, vous ne devez payer milliers de dollars pour placage de l'or. Un processus chimique simple est utilisé. Demandez votre electroplater local un rôle principal dans la bonne direction. Comme aux fournisseurs de la toile pour draps du fer, vous découverte certainement accoutumée il à votre quincaillerie locale comme c'est un plutôt un article spécialisé. Essayez des fabricants du transformateur ou moteur électrique et fournisseurs du générateur.

    Vous aurez besoin de huit (8) cylindres du fer concentriques. Chacun sera treize pouces (13”) large avec longueurs variables selon la circonférence de chaque couche concentrique. Permettez à un pouce du quart sur la longueur de la circonférence de donner un petit chevauchement. Vous aurez besoin d'imaginer une méthode pour garder la toile pour draps du fer dans place prêt pour la prochaine étape de construction. Plusieurs taches de colle super devraient faire le travail gentiment.

  3. Maintenant que vous avez enveloppé votre première couche du fer autour du PVC central tubez contenir le coeur du fer doux, vous êtes maintenant prêt à enrouler votre première bobine secondaire. Utilisez un émail de la jauge lourd enduit installez près la jauge de câblage de maison quelque part. Si ce n'est pas le fil du coeur seul disponible, alors séparé fera. Comme avec toutes les bobines qui seront enroulées, si fondamental ou secondaire, seulement un pose en couches de fil est enroulé. Quand vous enroulez la permission de la bobine secondaire un petit espace entre chaque tour. Faites référence à Diagramme 3.



L'intervalle ‘G' réduit l'inertie de couler des électrons aussi bien que fournir la pièce pour la poudre du fer huile - trempée entre qui sera emballée chaque sinueux. Peut-être 1 mm à 1.5 les mm seraient un intervalle suffisant entre tours adjacents de l'enrouler. Cependant, ce serait recommandé de vernir la bobine qui enroule pour le sceller dans place sur la toile pour draps du fer avant d'emballer chaque bobine avec la poudre du fer. Cela fournit aussi la protection de l'insulative supplémentaire. Le but du spacers concentrique non - métallique dans la bobine secondaire sert deux buts:

a. Minimiser les effets de l'annulation.
b. Produire un Orgone accumulateur effet.

La matière utilisée pourrait être des PVC résistants qui tubent avec quart pouce murs épais ou quart pouce toile pour draps épaisse, peut-être la chaleur a traité, a enveloppé autour des bobines. Vous pouvez être chanceux pour une ou deux des bagues concentriques exigée, et a un morceau de PVC qui tube lequel est juste le bon diamètre. Pour les restant diamètres vous pourriez réduire la circonférence d'un plus grand morceau de tuber, donc le convertir au diamètre désiré. Soyez sûr que le joint de la cible est parfait ou que tous intervalles dans le joignez est rempli dans d'une matière de remplissage plastique convenable. Quelque innovation et ingéniosité peuvent être exigées pour cette partie de la construction. La stratégie générale pour construire ceci multi a posé en couches la bobine secondaire est le construire en enroulant chaque bobine sur cylindres concentriques séparés qui consistent en la toile pour draps du fer or - plaquée enveloppé autour du spacer non - métallique. Le diamètre intérieur d'un cylindre sera le diamètre externe d'un autre. Ils en sont joints un à l'intérieur de l'autre alors ensemble. Les fils de la mouche sont utilisés pour interconnecter les fins de chaque bobine alors. Pour les expériences de l'initiale cela peut être fait dans plusieurs chemins par deux de qui sont recommandés M. Cater:
  1. Chaque bobine concentrique peut être connectée en série afin que le courant coulera dans la même direction, non plus comme les aiguilles d'une montre ou horloge du comptoir sage comme si lui une bobine continue est.

    ou

  2. Chaque paire adjacente de bobines est installée afin que les courants courants dans la direction opposée à la paire adjacente de bobines. En d'autres termes, les premières deux bobines adjacentes sont connectées dans le comme les aiguilles d'une montre direction, et alors la prochaine paire de bobines adjacentes est connectée l'horloge sage en sens inverse. La troisième paire sera comme les aiguilles d'une montre et le quatrième comptoir de la paire comme les aiguilles d'une montre. Changer la configuration du câblage peut être accompli en réarrangeant les rôles principaux de la mouche externes qui sont utilisés pour interconnecter chacun des bobines secondaires tout à fait simplement.



Les rôles principaux devraient prendre la plus courte trajectoire autour du visage externe de la bobine secondaire et bien sûr ils devraient être de la même jauge comme la bobine réelle qui l'enroule. Faites référence à Diagramme 4.


Le Côté Couvre
Maintenant que vous avez complété la bobine secondaire et blessés les bobines fondamentales, le prochain pas est couper les casquettes à leur dimension correcte afin que leur diamètre sera grand assez pour couvrir dans le primaire entier et assemblée de la bobine secondaire. Faites référence à Diagramme 1 au-dessus où la dimension exigée est marquée comme " Dia. C”.

  1. Coupez huit morceaux de quart pouce toile pour draps du plastique épaisse au diamètre " Dia. C” dimension, 4 par casquette, donc 8 dans total.

  2. Coupez huit morceaux de toile pour draps du fer or - plaquée dans la même manière.

  3. Collez le plastique et toile pour draps du fer ensemble comme illustré dans le dessin allongé Diagramme 6.


Imaginez une méthode d'attacher les casquettes aux côtés de l'unité et un moyen de placer les bobines fondamentales externes afin qu'ils sont tout contenus dans leurs places correctes. Portez dans esprit que les forces aimantées puissantes seront présentes et que l'unité elle-même sera assez lourde, donc d'une construction de la forme forte est eue besoin. Une suggestion est utiliser des goujons tenir les casquettes dans place et utiliser le spacers plastique convenablement façonné placer et tenir les bobines fondamentales en place. Une fois les casquettes sont allées parfaitement, le générateur devient un accumulateur de l'orgone très fort.


Le fer or - plaqué est beaucoup, beaucoup de fois plus efficace que toute autre matière métallique. L'effet de l'accumulateur augmente l'efficacité du générateur grandement.


Tester
Maintenant que vous avez complété tout le travail de la construction réellement, vous avez besoin maintenant d'une unité du conducteur de l'entrée convenable qu'aurait dû être testée entièrement et préparée pour conduire l'unité. Soyons optimiste et accrochez une bonne charge de la dimension pour le deux radiateur secondaire défend (appareils de chauffage électriques) devrait faire pour commencer avec. À travers les terminaux de la production vous pouvez connecter tout l'équipement de l'épreuve habituel.


Le résumé
La construction des bobines secondaires peut être emportée en complétant les pas suivants:
  1. Remplissez un PVC aux murs minces tube de diamètre de 2 pouces et 13 pouces long, avec les tringles du fer douces.

  2. Enveloppez le PVC qui tube avec la toile pour draps du fer a coupé à 13” dimension avec un 1/4 " chevauchement le long du tube, faites partir avec les fins. Assurez que le côté de l'or fait face à extérieurs.

  3. Enroulez la bobine de jauge couche - lourde seule avec un espacement convenable entre chaque tour de l'enrouler et attachez des terminaux convenables à chaque fin du fil.

  4. Enduisez la bobine qui enroule avec la laque, en le scellant dans place.

  5. Emballez entre chaque tour du windings de la bobine avec poudre du fer huile - fécondée.

  6. Enveloppez la bobine et poudre du fer avec bande du ducting.

  7. Allez parfaitement le quart pouce spacer non - conducteur épais comme décrit au-dessus.

  8. La répétition pas 2 en mesurer au pas 7, huit fois et finit en allant parfaitement une boîte externe du quart pouce non épais - conduire matière.
Cet Article a vu la lumière de jour en premier il y a plusieurs années et il est cru, a été publié dans le Bulletin d'informations d'Énergie Libre australien appelé en premier “Se mettre à l'écoute”.

Une autre source fait des remarques sur M. Cater l'appareil comme suit:

Un générateur électrique autonome a été démontré à Seattle, Washington dans 1919 par un inventeur nommé Hubbard. Son invention était soi-disant 14 pouces longue et 11 pouces dans diamètre. Il a propulsé un 35 cheval-vapeur moteur électrique qui a poussé un bateau autour de la baie pour plusieurs heures de façon continue. Cette démonstration a été témoignée par milliers. Pendant le temps de ses démonstrations, Hubbard a fait un croquis d'un de ses plus petits générateurs propulsait des appareils électriques ordinaires montrés dans Fig. 28:



C'était six pouces long approximativement et approximativement cinq pouces dans diamètre. Il a consisté en huit bobines, blessées sur coeurs du fer qui dans tour ont entouré une légèrement plus grande bobine du central, en série. La bobine centrale a été enroulée sur un tube creux qui a contenu beaucoup de petites tringles de fer doux. Quatre terminaux ont étendu de l'unité, deux qui connectent aux bobines externes qui ont reçu le courant de l'entrée, pendant que l'autre deux sont venus de la bobine centrale.

C'est très considérable que les deux fils ont utilisé dans le générateur paru être de jauge lourde comme ceux utilisé dans les lignes à haute tension avec le même genre d'isolement. Chaque bobine avait seulement un poser en couches de ce fil qui moyens que seulement un nombre modéré de tours a été utilisé dans le générateur entier. Il est su que le générateur a produit un courant variable d'une fréquence non divulguée et n'avait pas de parties en mouvement.

Le principe de base sur que le générateur opéré est apparent. Un petit courant traversé une bobine avec un nombre modéré de tours par longueur de l'unité aimantera un coeur du fer à un degré surprenant. Ce principe est utilisé à grand avantage dans les électro-aimant. Ce qui apparemment ne s'est pas été rendu compte est cela pendant l'intervalle bref dans qui les constructions courantes en haut après qu'il soit allumé, un EMF provoqué (voltage) est produit dans la bobine par le changeant flux aimanté qui est dans la même direction comme le courant. Cela a induit EMF est le résultat du champ aimanté produit par le magnetisation du coeur du fer. Que si cela avait induit EMF soit dans la direction opposée au courant, alors un courant considérable pourrait jamais être produit dans la bobine comme l'EMF qui s'oppose au courant l'annulerait automatiquement avant qu'il puisse augmenter



Fig. 29 expositions qu'un graphique du magnetisation d'un coeur du fer a comploté contre ampère tours par longueur de l'unité. Le terme “l'ampère tourne” est le nombre de tours de la bobine par longueur de l'unité multipliée par le nombre d'ampères de courant qui coule à travers la bobine. Par exemple, un courant de 1 ampère qui coule à travers une bobine de 100 tours produira le même effet comme 2 ampères qui coulent à travers une bobine de la même longueur qui a seulement 50 tours.

Il y a une section sur la courbe où une augmentation légère dans ampère les tours produiront un terrible dans magnetisation du coeur du fer. La cause de ce phénomène devrait être analysée. Il paraît étrange que juste quelques ampère tours peuvent produire magnetisation étendu et considérable du coeur du fer. Toujours, le champ aimanté observable produit par le courant sans le coeur aimanté est minuscule par comparaison. Un champ semblable produit par un aimant permanent, serait incapable d'induire un magnetisation notable du fer. C'est quelque chose que la science conventionnelle a trouvé commode d'ignorer.

Si un courant alternatif a traversé un électro-aimant et l'ampère les tours dépassent un point critique, une réaction de la chaîne a lieu dans la bobine, en produisant une augmentation terrible de courant dans la bobine. C'est responsable pour transformateurs qui parfois grillent pendant mouvements puissants du courant. Dans quelques cas l'augmentation soudaine dans courant est suffisant pour pousser l'ampère change la valeur en cette gamme critique. Les résultats de la réaction de la chaîne d'une augmentation dans le magnetisation du fer qui produit une augmentation dans le courant qui alors produit une grande augmentation supplémentaire dans magnetisation et ainsi de suite jusqu'à le fer son degré maximal de magnetisation atteint.

Ce processus se produit pendant le premier demi du cycle AC. L'EMF coule dans la direction en face d'à cela du courant après qu'il arrive à sa valeur du maximum et la deuxième partie du cycle commence. Cet EMF qui est la même magnitude comme ce qui a apporté le courant à sa valeur du maximum pendant la première partie du cycle maintenant actes comme un frein et arrêts le courant. L'EMF alternant appliquée alors débuts le courant dans la direction opposée et le processus identique se produit encore avec le couler courant dans la direction opposée.

Les transformateurs actifs normaux ont l'ampère tourne qui est bien en dessous ce point critique. L'EMF supplémentaire a induit dans les bobines par le magnetisation du fer compense l'impédance par induction naturelle des bobines. C'est pourquoi les transformateurs ont un tel haut degré d'efficacité. Si tout matériel autre que fer ou acier spécial a été utilisé pour le coeur, l'efficacité tomberait considérablement.

Une vague carrée normale a battu le courant ne peut pas être utilisé dans un tel appareil dû au très court temps de la montée et chute du voltage appliquée, donc une provision du pouvoir de la vague du sinus est eue besoin de produire cet effet. Depuis l'EMF provoqué dans une bobine est proportionnel au taux de changement de flux aimanté directement, il suit que le plus haut la fréquence de cette provision de la vague du sinus, le meilleur.

Il y a un autre facteur qui pourrait contribuer au succès de l'appareil Hubbard peut-être. À ce temps, le fil étanche seul partie charnue eue disponible et isolement lourd. Cela veut dire ces tours adjacents de fil dans la bobine est été séparé par un égal de la distance à deux fois l'épaisseur de l'isolement. Par conséquent, l'intervalle a résulté en une annulation d'effets aimantés produite par électrons qui coulent dans le fil. Depuis que l'inertie est dépendante sur la capacité de produire un champ aimanté, les propriétés inertielles des électrons seraient annulées presque.

Il y a une distance optimum entre les fils qui produiraient l'effet maximal. Il paraît vraisemblablement que l'isolement épais sur le fil de Hubbard a produit cette distance optimum. La plupart du champ aimanté résultant était que qui a entouré des fils et ce serait la partie plus faible du champ. Cela veut dire qu'un relativement bas EMF pourrait accélérer un plus grand nombre d'électrons à une haute vélocité pendant une très courte période de temps. Comme les électrons laissent la bobine, recettes de l'inertie. Cela résulterait en un soutien d'une haute concentration d'électrons dans la bobine. Depuis que la répulsion électrostatique n'est pas affectée, les électrons seraient projetés de la bobine à une haute vélocité en dépit de leur inertie augmentée. Cela produirait une production de haut voltage et haut ampérage.

Il y a une très bonne analyse du design de Hubbard, en incluant des dimensions, des grandeurs métalliques et une théorie de base ici.



Le VTA de Floyd Sweet.   Un autre appareil dans cette catégorie d'a battu appareils qui tapotent l'énergie externe a été produit par Floyd (“Sparky”) Sweet. L'appareil a été appelé “Amplificateur de la Triode À vide” ou “VTA” par Tom Bearden. Il y a très petits renseignements pratiques disponible sur cet appareil, pourtant il y a une vidéo de lui dans opération sur le tissu, avec un pouvoir de l'entrée de seulement 0.31 milliwatt et une production du pouvoir continue de plus de 500 watts (AC de 112 volts à 60 Hz) lequel est un COP de plus que 1,612,000 lequel est impressionnant spectaculairement.


L'appareil était capable de produire plus que 1 kW de pouvoir de la production à 120 Volts, 60 Hz et peut être connecté donc comme être auto - propulsé. La production est d'énergie qui ressemble électricité dans cela il propulse des moteurs, lampes, etc., mais comme les augmentations du pouvoir à travers toute charge il y a une goutte de la température au lieu de la montée de la température attendue qui est pourquoi il est appelé “froid” électricité.

Quand il était su qu'il avait produit l'appareil il est devenu la cible de menaces sérieuses quelques-uns de qui ont été délivrées face à face en plein jour. C'est assez possible que l'inquiétude fût dûe à l'appareil qui tapote zéro point énergie qui quand fait à hauts courants ouvre une nouvelle boîte entière de vers. Une des caractéristiques observées de l'appareil était que quand le courant a été augmenté, le poids mesuré de l'appareil réduit par au sujet d'une livre. Pendant que c'est nouveau à peine, il suggère ce space/time était faussé. Les scientifiques allemands à la fin de WWII avaient expérimenté avec ceci (et tuer fermé les gens fâcheux qui ont été utilisés pour tester le système) - si vous avez la persévérance considérable, vous pouvez vous informer sur ceci dans le bon marché livre de Nick Cook “The Hunt for Zero-Point” ISBN 0099414988.

Floyd a trouvé que le poids de son appareil a réduit par rapport au montant d'énergie qui est produite. Mais il a trouvé que si la charge avait été augmentée assez, un point a été atteint soudainement où un bruyant sonnez comme un tourbillon a été produit, bien qu'il n'y eût aucun mouvement de l'air. Le son a été entendu par sa femme Rose qui était dans une autre pièce de leur appartement et par autres à l'extérieur de l'appartement. Floyd n'a pas augmenté la charge plus loin (lequel est de même que bien comme il aurait reçu une dose fatale de radiation probablement s'il avait) et n'a pas répété l'épreuve. Dans mon opinion, c'est un appareil potentiellement dangereux. Il devrait être noté qu'un 20,000 Volts très mortels sont utilisés à ‘conditionnez ' que les aimants et les principes d'opération ne sont pas comprises à ce temps. Aussi, il y a les renseignements insuffisants pour donner pour fournir le conseil réaliste sur les détails de la construction pratiques.

À une occasion, Floyd a court-circuité les fils de la production par hasard. Il y avait un éclat clair et les fils ont été couverts avec gel. Il a été noté que quand la charge de la production était plus de 1 kW, les aimants et bobines qui propulsent l'appareil sont devenues plus froides, en arrivant à une température de 20 degrés Fahrenheit en dessous température de pièce. À une occasion, Floyd a reçu un choc de l'appareil avec le couler courant entre le pouce et le petit doigt d'une main. Le résultat était une blessure apparenté à gelure, le causer douleur considérable pour au moins deux semaines.

Les caractéristiques observées de l'appareil incluent:

1. Le voltage de la production ne change pas quand le pouvoir de la production est augmenté de 100W à 1 kW.

2. L'appareil a besoin d'une charge continue d'au moins 25W.

3. La production tombe en les heures tôt du matin mais retrouve sans toute intervention plus tard.

4. Un tremblement de terre local peut arrêter le fonctionnement de l'appareil.

5. L'appareil peut être commencé dans mode moi - propulsée en appliquant 9 Volts aux bobines de la promenade brièvement.

6. L'appareil peut être arrêté par interruption momentanée du pouvoir aux bobines du pouvoir.

7. Les instruments conventionnels opèrent jusqu'à une production de 1 kW mais arrêt qui travaillent au-dessus de ce niveau de la production, avec leurs lectures qui montrent zéro ou quelque autre fausse lecture, normalement.

Il paraît l'appareil de ce Floyd a été compris d'un ou deux grand ferrite aimants permanents (niveau 8, classez selon la grosseur 150 mm x 100 mm x 25 mm) avec bobines blessées dans trois avions à angles droits à l'un l'autre mutuellement (c.-à-d. dans le x, y et z taille). Le magnetisation des aimants du ferrite est modifié en appliquant 20,000 Volts d'une banque de condensateurs soudainement (510 Joules) ou plus aux plaques sur chaque latéral de lui en conduisant un 1 Ampère 60 Hz simultanément (ou 50 Hz) courant alternatif à travers la bobine de l'energising. Le courant alternatif devrait être à la fréquence exigée pour la production. La pulsation du voltage aux plaques devrait être appliquée à l'instant quand le ‘A ' bobine voltage arrive à un sommet. Cela a besoin d'être commencé électroniquement.

Il est dit que le propulser des causes des plaques la matière aimantée pour résonner pour une période d'approximativement quinze minutes, et que le voltage appliquée dans la bobine de l'energising modifie le positionnement des perches récemment formées de l'aimant afin qu'il veut dans futur, résonnez à cette fréquence et voltage. C'est important que le voltage a appliqué à la bobine de l'energising dans ce ‘qui conditionne le processus ' soyez un parfait sinewave. Bouleversez, ou à l'extérieur d'influence le ‘qui conditionne ' détruire mais il peut être réintégré en répétant le processus de la climatisation. Il devrait être noté que le processus de la climatisation ne peut pas réussir à la première tentative mais répéter le processus sur le même aimant est habituellement prospère. Conditionner une fois est complété, des condensateurs ne sont plus eus besoin. L'appareil a besoin de quelques milliwatts de 60 Hz appliqué à la bobine de l'entrée pour rendre 1.5 kW à 60 Hz à la bobine de la production alors seulement. La bobine de la production peut fournir la bobine de l'entrée alors indéfiniment.

Le processus de la climatisation modifie le magnetisation du bloc du ferrite. Avant le processus la perche Nord est sur un visage de l'aimant et la perche Du sud sur le visage opposé. Après avoir conditionné, la perche Du sud n'arrête pas au mi point mais étendre aux bords externes de la perche Nord faites face, inwards à rallonges du bord par approximativement 6 mm. Aussi, il y a un ‘aimanté bouillonne ' a créé dans le milieu du visage de la perche Nord et la place de ce ‘bouillonnez ' déplace quand un autre aimant est apporté près lui.

Le bloc conditionné a trois windings de la bobine:

1. Bobine ‘A ’ est enroulée autour du périmètre externe en premier, chaque tour existence 150 + 100 + 150 + 100 = 500 mm désirent ardemment (plus une petite quantité causée par l'épaisseur de la bobine matière précédente). Il a approximativement 600 tours de 28 AWG (0.3 mm) fil.

2. Bobine ‘B ’ est enroulée à travers les 100 mm fait face, donc un tour est approximativement 100 + 25 + 100 + 25 = 250 mm (plus une petite quantité pour l'épaisseur précédente et clarifiant bobine ‘UN '). Il a entre 200 et 500 tours de 20 AWG (1 mm) fil.

3. Bobine ‘C’ est enroulée le long du 150 visage du mm, donc un tour est 150 + 25 + 150 + 25 = 350 mm (plus l'épaisseur précédente, plus liquidation pour bobine ‘A ' et bobine ‘B '). Il a entre 200 et 500 tours de 20 AWG (1 mm) fil et devrait égaler la résistance de bobine ‘B ' aussi attentivement que possible.

Bobine ‘A ' est la bobine de l'entrée. Bobine ‘B ' est la bobine de la production. Bobine ‘C ' est utilisé pour la climatisation et pour la production d'effets gravitationnels.


À temps d'écrire, renseignements et photographies de l'appareil original peuvent être trouvées sur le website: ici Par exemple, il affirme qu'un ensemble expérimental qu'il a completer, avait:

Les ‘A ’ enroulent avec une résistance de 70 ohms et une inductance de 63 mH,

Les ‘B ’ enroulent, blessez avec 23 AWG installez avec une résistance de 4.95 ohms et une inductance de 1.735 mH, et

Les ‘C ’ enroulent, aussi blessez avec 23 AWG installez, avec une résistance de 5.05 ohms et une inductance de 1.78 mH.


Rosemary Ainslie.   Rosemary Ainslie a produit un a battu système de l'appareil de chauffage qui a été mesuré à une performance de COP = 17. C'est un dessin récent et aussi loin que je suis informé, n'a pas cependant été reproduit par les autres gens. Panacea-bocaf.org travaillent avec les promoteurs de l'original de Romarin pour produire une mise en oeuvre indépendante de l'appareil de chauffage. Pour l'instant, l'appareil de chauffage a été construit à un prototype échelle difficile pour examen de laboratoire et mesure et n'été pas produit dans le kilowatt gamme qui, avec optimisme, viendra à une date plus tardive.

La panacée a produit un document de 250 pages qui décrit la recherche, l'essai, la théorie, etc., et cela peut être téléchargé utiliser ce lien gratuitement: ici.

Comme ce document contient les détails que les scientifiques ont besoin de voir pour essai sérieux et développement, ce peut être un peu technique pour quelques gens, donc la Panacée a produit une version simplifiée visée l'investigateur de la maison - construction moyen et cela peut être téléchargé utiliser ce lien gratuitement: ici.

Dans contour très général, le circuit produit les mêmes très courtes, très tranchantes pulsations du voltage qui sont la base pour tant de " appareils libre d'énergie ". Le circuit a utilisé des apparences très simple mais malgré cela, le chemin qu'il opère n'est pas à tout simple. Le circuit est montré au-dessous et à un coup d'oeil rapide, il semble un 555 circuit de l'éclat de l'horloge standard, usagé dans beaucoup de candidatures existantes. Cependant, si le circuit est opéré comme un 555 battant circuit, alors la production n'est pas COP>1.

Regarder plus attentivement, nous remarquons que le lien entre la production du 555 éclat sur épingle 3 et l'épingle de la barrière de l'entrée du Transistor du Champ - Effet, est exceptionnel comme ce n'est pas le diviseur du voltage habituel entre épingle 3 et les 0 volts fondez la ligne. Au lieu, la barrière est associée à la 555 production de l'éclat par une résistance seule, basse directement préréglez la résistance.

Normalement, un NE555 éclat luttes arriver à 50,000 cycles par seconde et un grand nombre de 555 éclats sur le marché ne peuvent pas opérer à même cette fréquence même. Se mettre le circuit de Romarin dans lui est opération COP>1, la résistance a marqué " GATE " est ajustée pour trouver le point à qui le circuit devient instable, sur - promenade l'opération normale du 555 éclat et commence à osciller à la fréquence résonnante du circuit total très lentement, en forçant le 555 éclat à devenir un composant de la réaction. Le circuit produit les pointes des voltages tranchantes, courtes à plus de dix fois la vitesse du fonctionnement du 555 éclat alors et battre l'élément chauffant de 10 ohms marqué " LOAD " à approximativement 500,000 pulsations par seconde.

Ce taux d'opération est bien à l'extérieur de la performance possible d'un éclat NE555 clairement excepté qui, les éléments du réglage de l'éclat devraient produire une fréquence beaucoup inférieure, comme en effet il fait avant le " ajustement de la résistance de la GATE " cause le circuit de casser hors de son opération de la dessin - mode normale et commencer la pointe ultra-rapide performance génératrice, résonnante. Le circuit utilisé est montré ici:


Comme Panacea - Bocaf travaillent tester et développer ce circuit plus loin, ce serait une bonne idée télécharger leur documentation libre sur le dessin et garder un oeil sur leur progrès dans ce champ. Les deux documents donnent le détail très considérable sur le travail qui a déjà été fait, et bien sûr, vous vous conservez expérience avec ce circuit et voyez quels résultats et ajustements vous pouvez vous découvrir.


Joseph H. Cater des commentaires: Les expériences de Schauberger et autres ont confirmé les quantités énormes et presque illimitées d'électricité logées dans l'eau. Le suivre est une méthode absurdement simple et pratique d'extraire cette énergie. Il emploie le “Coanda” ou “nuage - cassé” effet.

Un tube 14 plastique” à 16” (350 mm à 400 mm) long et approximativement 2.5” (65 mm) dans diamètre est rempli de l'eau distillée. À chaque fin, exposé à l'eau, est un terminal cuivre qui est utilisé pour l'entrée électrique et production. Les cellules sèches rechargeables de voltage convenable sont connectées avec les terminaux de l'entrée en série. Quand les deux terminaux de la production sont court-circuités ou ont connecté à une charge, l'électricité commence à couler. C'est entrained courant par le courant de l'entrée. Quand le haut voltage est appliqué, le voltage de la production est aussi grand que le voltage de l'entrée presque. Cependant, l'ampérage est inadéquat. La réponse au problème est des science des ultrasons. C'est un fait expérimental qu'ultrason de focussed de 600,000 Hz sur un récipient de causes de l'eau l'eau bouillir. Cela veut dire ce son de cette fréquence désagrége de grandes quantités de “doux” électrons dans l'eau. La parution soudaine de “dur” produits alimentaires des électrons agitation thermique terrible des molécules de l'eau.

Un DC que le transducteur ultrasonique a attaché au tube produirait des électrons libres suffisants pour être entrained pour l'unité pour avoir la capacité de la production presque illimitée. Le tube fonctionne comme un comité du résonnement. Des évidences puissantes que deux individus différents qui ont reçu ces renseignements ont obtenu à résultats sensationnels du générateur ont été données à Mr Cater. Ils avaient l'accès à un tel transducteur. Ils ont essayé de s'installer de l'affaire mais les capitaux investis s'en est occupé de qu'ils ont été mis hors d'affaire et ont persuadé pour rester silencieux depuis.

Un membre correspondant de Mr Cater a construit une sirène poing - classée selon la grosseur qui a produit une fréquence de 600 kHz. Quand focussed sur un petit récipient d'eau, l'eau a bouilli. Cela a démontré qu'il pourrait être utilisé au lieu d'un DC transistorisé transducteur ultrasonique sur le générateur de l'eau. Un petit moteur DC pourrait opérer la sirène. Ce serait plus efficace comme il produit un son beaucoup plus intense. La construction est montrée ici




Dr Oleg V. Gritskevitch de Vladivostok en Russie, le détenteur de quelques soixante-dix brevets, a conçu et a complètement testé et générateur électrique le long des mêmes lignes comme Joseph Cater l'appareil a mentionné au-dessus. Il n'utilise aucun combustible et a donné une production DC de 220 volts à 6,800 ampères (1.5 mégawatts) pour plus de deux années. Comme construit par Dr Gritskevitch, ce n'est pas le projet idéal d'un entrepreneur de maison comme entrée électrique massive est eu besoin d'obtenir l'appareil commencé, et son prototype pèse 900 kilogrammes (presque 2,000 livres). Les détails sont donnés sur le très bon site web RexResearch: ici mais dans contour général, l'appareil est une pipe du toroidal quelques deux mètres (6'-6”) dans diamètre, couvert sur l'intérieur avec titinate du baryum et a rempli de l'eau distillée extrême pure. Entourer le toroid est des bobines électromagnétiques et cuivre joue le transport eau refroidissante pour garder la température jusqu'à 36 Centigrade des degrés. Aussi inséré dans le toroid à intervalles autour de la circonférence est des contacts électriques.

L'appareil a commencé en donnant une décharge de haut voltage massive de quelques 100,000 volts à l'eau à 50 MA pour trois à cinq minutes. Cette entrée du pouvoir obtient l'eau ionisée et circuler. La circulation est maintenue par les bobines électromagnétiques et la production du pouvoir est autour de COP=100.

Oleg est mort sans jamais recevoir le financement pour son design (une méthode typique pour bloquer des artifices d'énergie libre d'atteindre le marché). Une description plus détaillée de l'artifice et c'est l'opération vient direct d'Oleg:



C'est une description de la construction et de l'opération d'Oleg V. La dynamo hydro-magnétique de Gritskevitch, qui est un exemple d'un nouveau système d'énergie très puissant. Le prototype en Arménie a fait en moyenne environ 1,500 kilowatts de pouvoir pour la durée de plusieurs années.

Oleg est né le 14 août 1936 et s'est développé dans Vladivostok, la Russie. Il s'est marié et a un fils Boris. Gritskevitch était un physicien par l'éducation. Il a travaillé dans la branche de l'Extrême-Orient de l'Académie d'USSR de Sciences. Depuis 1985 il a travaillé de façon indépendante comme un inventeur. Il a plus de 70 brevets sur les inventions aux limites de l'ingénierie de maison jusqu'aux technologies de pointe, qu'il a essayées d'appliquer dans notre pays bien qu'il ait rencontré des difficultés importantes avec cela. Après de nombreux essais d'obtenir les brevets, il est devenu convaincu que les informations étaient devenues largement connues. Donc il a reçu les certificats publics de savoir-faire (une façon française de faire breveter), pour toutes ses inventions.

Introduction
Pendant le Symposium 1999 de l'Institut pour la Nouvelle Énergie, il a fait un cours sur sa dynamo hydro-magnétique. Ce papier est son essai d'expliquer la construction et l'opération de sa dynamo. Pour protéger ses secrets des investigateurs, il, occasionnellement, a fourni des informations induisantes en erreur. Par exemple, le dessin accompagnant le brevet russe mentionné ci-dessous, montre un cylindre à travers le tore pour induire des lecteurs en erreur. La dynamo réelle a le tore seul, sans le cylindre. Même son nom “la dynamo hydro-magnétique” induit un peu délibérément en erreur.

Oleg a déclaré qu'il avait un peu de familiarité avec le nouveau champ d'énergie. Presque tous les nouveaux artifices d'énergie prétendus sont d'assez petits générateurs électriques. La dynamo peut être le seul nouveau générateur électrique qui le plus satisfait presque tous les besoins d'un générateur électrique à grande échelle idéal. Oleg a réclamé que sa dynamo est vraiment l'invention simple la plus de valeur que le monde savait jamais.

Alexander V. Frolov de Saint-Pétersbourg a recommandé à Oleg de contacter Dr Patrick Bailey de l'Institut pour la Nouvelle Énergie puisque Patrick a beaucoup de contacts qui pourrait peut-être aider avec la protection par un brevet de son invention d'une nouvelle source d'énergie aux Etats-Unis.

Oleg a travaillé la théorie et la création du convertisseur de générateur électrostatique la "Dynamo Hydro-magnétique” depuis environ 20 ans. Le premier équipement primitif a été créé quand Oleg travaillait dans l'Académie de Sciences. Pendant ce temps, les changements différents ont été présentés dans le générateur et dans la théorie de comment il travaille. Par conséquent, c'est maintenant prêt pour la fabrication, l'installation et les applications dans l'industrie.

Oleg a fait le premier rapport public sur son travail en 1991 à un symposium dans la ville Volgodonsk. Son rapport a reçu des réactions positives et des révisions des experts en industrie nucléaire à USSR. Cette même année, il a été accepté dans la Société Nucléaire internationale. Pendant ces années il a offert le développement de cette technologie à de différents corps publics et aux entreprises privées. Mais la réponse de chacun était “c'est un projet très intéressant et important, mais nous ne pouvons pas le financer.

Finalement, Oleg a essayé de transférer cette technologie aux Etats-Unis par l'ambassade à Moscou. Ancien ambassadeur dans l'USSR, Dr J. Matlock en est au courant. Il a voulu rencontrer Oleg, mais en ce temps-là il y avait des forces opposées au fait de porter de ses plans. Donc il a commencé à chercher d'autres investisseurs possibles. Il était prêt à considérer n'importe quelles offres de coopération, protection par un brevet collective, la vente d'informations technologiques, la création d'une société en participation, etc. etc. On a décerné à Oleg environ 70 brevets russes couvrant une large gamme de thèmes techniques importants.

Histoire
Ce projet était le résultat d'un article dans l'édition d'août de 1972 d'un magazine russe populaire Tehnika Molodiozhi. L'article écrit par A. Kaldamasov était la Foudre de Boule entitled dans un Liquide. L'article est venu à l'attention de Michail Razovsky et d'Oleg en 1974. Le groupe d'Oleg de volontaires et d'enthousiastes cherchait une nouvelle source d'énergie et donc cet article a servi d'un point de départ pour la compréhension de processus physiques-chimiques se produisant dans l'eau. Pendant la période 1976 à 1978 un an a été passé dans le laboratoire radiologique de l'hôpital Vladivostok de la ville, en incluant Vladilen Bulgakov, le docteur de radiologie et Michail Razovsky, le théoricien dans le champ de physique de plasma et d'autres, en rassemblant un artifice, qui a dû séparer de l'eau dans l'oxygène et l'hydrogène plus efficacement. Pendant les expériences, au lieu des résultats attendus, il a produit l'électricité très efficacement! Le pouvoir de contribution pendant l'expérience était une pompe de 800 watts d'eau. La production était 1,400 watts (COP=1.75). Cet artifice a été rassemblé en utilisant des pipes de plastique raccordées avec les tuyaux, où l'eau circulait dans une boucle. Cela a alors causé l'idée de créer le deuxième artifice comme un tore de générateur.

Le deuxième générateur a été rassemblé dans l'atelier de l'Institut de Recherche Océanique dans Vladivostok (l'Académicien de Directeur Viktor Ilichov) et en été 1990 il a été transporté à la station de mise à l'essai du Ministère d'Industrie d'Électronique dans Vladivostok. Ce laboratoire a été bien équipé avec tous les ensembles nécessaires des instruments. En même temps, les papiers brevetés ont été classés dans le Comité d'État d'USSR d'Inventions. Au printemps 1991 la Commission d'État, menée par Yurii Lebedev, le président du Conseil d'Innovation et du Président du Conseil de Fédération de Russie de Ministres, est arrivée dans Vladivostok. Cette commission est arrivée à la ville pour deux raisons : recommander une demande financière de fabriquer la dynamo; et classifier cette source d'énergie comme "une Découverte". (document #14-451).

Après le changement suivant dans le gouvernement russe le financement pour le projet a été terminé. Le premier article de la dynamo a été publié dans le magazine russe (Tehnika Molodyozhi 1990, #3, édition de mars, la Page 17, entitled “les Idées d'Innovateur”.

Plusieurs physiciens arméniens, après le fait de lire cet article, envoyé Oleg une lettre demandant de se rencontrer avec lui dans Vladivostok pour les négociations de la dynamo. Ils sont arrivés en mars de 1991 et ont dirigé des épreuves sur le deuxième générateur, qui était opérationnel en ce temps-là. Oleg a volé en Arménie et travail sur le troisième générateur commencé à la fin de 1991. Il a été accompli à la fin de 1992. Il faisait marcher et produisait l'énergie jusqu'au janvier de 1997, quand il a été détruit pendant la guerre. Certaines personnes ont été aussi tuées et d'autres gens déplacés aux Etats-Unis. Cette version de dynamo a créé une production qui a fait en moyenne 6,800 ampères au courant continu de 220 volts (1.496 mégawatts). C'est le pouvoir de contribution était seulement environ 1 % de la puissance de sortie.

Oleg était un speaker invité de la Réunion de l'Institut d'Énergie Alternatif (Dr Hal Fox) à Salt Lake City en août de 1999. L'annonce officielle de son discours avait plusieurs fautes (par exemple, le nom de l'Arménie a été changé en Roumanie).

Théorie de Dynamo
La Dynamo Hydro-Magnétique est un générateur électrique à grande échelle, sans émission, qui n'exige pas le fait d'alimenter externe. La dynamo est capable de brancher de grands véhicules de transport comme les bus, les camions, les navires, les locomotives et les avions. Le doute reste de la réalisation des dynamos comprimer assez aux voitures de pouvoir.

Pendant que trois prototypes expérimentaux ont été construits avec l'expertise russe et arménienne et l'équipement, un quatrième prototype de démonstration doit être construit avec l'expertise Occidentale plus moderne de construction mécanique et l'équipement pour vérifier les revendications de performance de la dynamo et davantage explorer les capacités potentielles de la dynamo.

La performance réclamée est comme suit: Les dynamos sont scaleable de 100 kilowatts à 1,000 mégawatts. Une dynamo de 1000 mégawatts est de la grandeur d'un garage de deux voitures. Pour la comparaison, la Digue d'Aspirateur 17 générateurs ont une capacité totale de 2,000 mégawatts. Une dynamo peut correctement courir constamment depuis 25 ans ou plus avec la maintenance presque pas, aucune source externe du combustible et aucune pollution. Si la production d'une dynamo est 1,000,000 de watts, son pouvoir de contribution total est environ 10,000 watts et donc l'efficacité d'énergie de la dynamo est de 10,000 %.

La source de l'énorme production électrique de la dynamo est une réaction nucléaire, qui n'est pas bien connue à la science principale. Pourtant, il est connu que la dynamo produit des particules alpha, qui sont des nucléus d'hélium, faits du deutérium fait fusionner, un isotope d'hydrogène avec un proton et un neutron. Les électrons manquant des nucléus d'hélium sont ce qui semble fournir 'un évier' abondant d'électricité et c'est le secret de la capacité de la dynamo de produire une exceptionnellement grande quantité d'électricité. Il est aussi connu que la dynamo utilise des groupes de charge de haute densité. Les groupes de charge de haute densité sont pensés par certains théoriciens, être la base de transformation injectée de plasma d'éléments et du neutralisation de matériel radioactif. À la différence de la fusion chaude et des réacteurs de fission, la dynamo n'accumule pas de composantes radioactives.

Le résultat des processus de la dynamo est la conversion de champs électrostatiques au courant continu. Il devrait être noté qu'une compréhension claire de termes comme le " et “liquide de conversion de "Coulomb le générateur de Van de Graff” est très importante.

Schématiquement, la dynamo est un transformateur électrostatique, ou autrement dit un multiplicateur de voltage électrostatique. Une version de la dynamo utilise des lasers pour créer. Il y avait trois prototypes de dynamo construits. Les deux premiers petits prototypes expérimentaux ont été construits dans Vladivostok, la Russie. Le troisième et dernier prototype a produit l'électricité constamment, (sauf lorsque éteignaient pour incorporer des améliorations), de 1992 au janvier de 1997 en Arménie.

Comme mentionné ci-dessus, le prototype arménien a produit un courant continu de 6,800 ampères à 220 volts qui est environ 1.5 mégawatts. La puissance à la sortie minimale a été 500,000 watts et la puissance à la sortie maximum a été 2,500,000 watts pendant les expériences d'hiver en raison du meilleur refroidissement. Le tore de dynamo de prototype arménien a pesé 900 kilogrammes et avait un diamètre d'environ 2 mètres. Le refroidissement de l'eau est fait circuler par les pipes couleur cuivre emballées autour du tore. La chaleur est expulsée de l'eau se refroidissant avec un échangeur thermique. La température travaillant était d'une manière caractéristique 36 degrés Centigrades.

Après qu'une dynamo est rassemblée, l'eau est littéralement 'commencée de saut' (en renvoyant une grande banque de condensateurs) pour le recevoir faisant circuler à l'intérieur du tore. La pression d'impulsion de départ est aussi haute que 400 atmosphères. Les commandes de la dynamo sont temporairement montrées au fait de produire une quantité modeste d'électricité suffisante de se soutenir, étant peut-être même transporté de l'usine à l'endroit de son opération future. Les circuits de contrôle sont simples comme seulement les détecteurs et un ordinateur de contrôle sont utilisés. Nous n'avons pas besoin de personnel de maintenance technique.

Pour la dynamo de prototype arménienne, deux condensateur-batteries 10-Farad a été utilisé pour fournir le mouvement initial d'eau (l'accélération et l'excitation d'eau). Les condensateurs étaient 20 kilogrammes chacun, avec les diamètres de 50 centimètres et ont été empruntés des stations radar militaires russes. En utilisant un total de 20,000 joules, 100,000 Volts à 0.05 Ampères de courant ont été appliqués à la dynamo arménienne depuis 3 à 5 minutes pour ioniser et polariser de l'eau, qui a alors commencé la génération d'électricité.

La raison du très haut voltage fourni par les grands condensateurs radar russes, en commençant le générateur, a l'air d'être pour polariser les cristaux de baryum titanate. Une comparaison est avec l'ignition électronique sur une cuisinière à gaz. Une fois le baryum titanate les cristaux sont polarisés, le générateur court.

Après que ces condensateurs avaient été utilisés 'au début de saut' la dynamo de prototype arménienne, une banque de butoir batteries a soutenu l'opération continue quand le mouvement d'eau et le fait d'ioniser ont commencé. Cette banque de batterie a contenu 8 12 volts puissants, le 150 ampère mènent batteries. Le pouvoir de contribution de soutien de la dynamo arménienne était 14,400 watts. La puissance de sortie maximum insignifiante était environ 1,500,000 watts. Dans une occasion, le courant de production a été par hasard augmenté à 40,000 ampères depuis presque une minute. Heureusement, le pouvoir a été réduit à un niveau sûr avant que l'eau a commencé à bouillir. Les rouleaux intérieurs (windings) fournissent le contrôle de vitesse d'eau et contrôlent donc le pouvoir de dynamo. Plus vite l'eau bouge, plus d'électricité la dynamo produit. Dès que l'eau arrête de circuler autour du tore, la dynamo doit être 'commencée de saut' de nouveau à un niveau de pouvoir minimal avant qu'il peut soutenir son utilisation de génération d'électricité c'est la propre puissance de sortie.

La chose suivante est un résumé condensé, avec un commentaire révisant et supplémentaire, "de la Description" de l'IPC de brevet de russe de la dynamo H 02 K 44/00 “la Méthode pour Tirer l'Énergie Électrique et la Prise de conscience du MHD-générateur de Gritskevich”: La dynamo est un tore de polystyrène cacheté rempli de l'eau distilled ultra-pure avec la lourde eau (l'oxyde de deutérium) ajouté. Le mouvement d'eau à l'intérieur du circuit fermé et de l'utilisation des propriétés uniques d'eau comme un liquide polaire, provoquez une libération d'énergie électrique comme un résultat d'une rupture des obligations hydrogènes. L'énergie électrique supplémentaire est tirée des réactions nucléaires et des processus de micro-cavité. Le liquide est ionisé, polarisé et déplaçant autour du tore au temps de démarrage par un champ magnétique courant avec l'aide de stimuler windings électromagnétique.

Le transformateur de générateur électrostatique “la dynamo Hydro-magnétique”. (“GT HMD”) travaille en raison du processus d'amplification et de maintenance d'un stationnaire (oscillant en particulier) le champ électromagnétique par les mouvements hydrodynamiques du médium conducteur. Le stator (c'est-à-dire le tore) est fait du matériel avec un haut diélectrique permittivity. Le rotor liquide est de l'eau recombinée (l'eau ‘pure’ avec les enceintes moléculaires-hautes), qui bouge en raison des renvois de haut voltage et de la course à pied du champ électromagnétique.

Les processus principaux dans GT HMD sont:
  • Un principe de générateur électrostatique Van-der-Graff's, où la bande d'isolation solide a été changée au liquide.

  • Une lessive perpétuelle - des électrons de surface de la couche d'entretoise survient;

  • Les transformations du Coulomb surviennent;

  • Un générateur de fréquence basse de tour simple travaille comme un tour coaxial avec 4 points de résonance et énergie portant de la substance à l'intérieur de cela qui a de très hautes propriétés de résonance;

  • Les pannes électrostatiques de structures cavitation-à-vide dans l'eau surviennent.

  • Le liquide polaire (l'eau pure) se compose des dipôles seulement, c'est-à-dire les molécules chargées sévèrement orientées. Pendant l'action réciproque d'eau pure ionisée avec la couche BaTiO3 le champ électrostatique de susdits 10 millions de volts/centimètres est formé. Pendant ce processus la panne de vide physique survient.

Le champ électrostatique, couplé avec l'action de la couche BaTiO3 (si nous faisons une demande électrique classé à BaTiO3, alors cette couche crée les vibrations solides d'environ 25,000 Hz, cette vibration aide à décomposer les molécules d'eau) et facilite le de plus se décomposent des structures atomiques moléculaires d'eau. Aussi, en raison des renvois électrostatiques perpétuels, la panne des structures cavitation-à-vide se produit et la fusion froide que la réaction nucléaire continue. Avec cette fusion l'énergie de 500 kJ/mole est libérée dans un vide et une énergie de 6 kJ/mole est libérée dans l'eau. Ainsi, de nouvelles obligations hydrogènes se forment dans le vide avec la libération d'énergie d'environ 20 taupe kJ/. En raison de ce processus l'accélération d'ionisation de liquide polaire survient. En plus, 'le fait de faire partir au lavage' constant de l'électron incomplet bindings de la couche de baryum titanate se produit et la forme d'électrons libre. En raison de ce processus, le liquide polaire transforme dans un écoulement ordonné d'électrons et d'ions négatifs, qui peuvent être décrits très simplement, comme un courant électrique ionique.

Le travail sur la construction du générateur expérimental commencé en septembre de 1991 en Arménie et est venu à une fin en mars de 1992. Le poids travaillant actif du prototype de dynamo (torus l'eau) était environ 900 kg. Le diamètre du torus était environ 2 mètres. Le torus a été fait de polysterol optique résistant à impact. Ce torus s'est composé de deux moitiés, qui ont été tournées sur la machine de manège.

Le baryum monocrystallic titanate BaTiO3 a été arrosé sur la surface intérieure de torus, son diélectrique permittivity était 6000. L'épaisseur de la couche était environ 1 micron. L'eau a été purifiée à la résistance spécifique de 18,000,000 Ohm/cm.

Comme nous avons mentionné ci-dessus, commencer la dynamo deux jarres de condensateur de 10 Farad chacun a été utilisé. L'énergie d'une batterie de départ a constitué 20,000 Joules, le voltage était 100,000 Volts et le courant était 0.05 Ampère pour fournir le mouvement initial d'eau (l'accélération et les troubles).

Les électrodes ont été faites des tubes en métal avec le diamètre d'environ 5 millimètres. La dynamo est commencée en utilisant ces électrodes. Un total de 32 de ces électrodes a été installé uniformément espacé autour de la circonférence du tore.

Le système de refroidissement du tore a formé un circuit fermé de cuivre piping avec l'eau purifiée faite circuler par cela. Les tubes couleur cuivre utilisés dans ce système ont été couverts avec l'isolation de verre. Ils étaient aussi les tours de sinuosité de charge. La température de tore a été maintenue pas plus haut que 50 degrés Celsius.

Une puissance de sortie moyenne était 220 volts x 6,800 ampère = 1,490 kilowatts. Le courant était le courant continu. Périodiquement le pouvoir pourrait être augmenté à 2,500 kW quand le refroidissement suffisant du générateur pourrait être fourni. Le pouvoir supplémentaire a été tiré de quatre windings résonnants. Ce courant alternatif, après la rectification, a été utilisé pour charger la batterie de renfort. Ainsi, la puissance de sortie totale a constitué plus de 1,500,000 watts. Le voltage de fréquence basse a été obtenu de la charge windings et le courant continu a été obtenu de la chambre stabilisation.

Il devrait être noté que les renvois de haut voltage des 32 électrodes, ionisez de l'eau partiellement pré-ionisée davantage. Au moyen de la stimulation windings, un champ magnétique circulant est créé qui déplace de l'eau dans une direction à l'intérieur du tore. Une force électromotrice est créée par l'induction électromagnétique dans un ensemble séparé windings. Comme nous avons déjà mentionné, pendant le mouvement du ruisseau d'eau, les électrons libres sont créés et une énergie supplémentaire est émise à cause de la friction de l'eau contre la couche de couche sur la surface intérieure du tore, à cause des pannes électrostatiques de structures à vide de cavité et à cause de la réaction nucléaire en cours.

Si la production de la dynamo est 1,000,000 de watts, c'est le pouvoir de contribution total est environ 10,000 watts. Donc donc l'efficacité d'énergie de la dynamo est environ 10,000 %.

En plus du baryum titanate déposé sur la surface intérieure enduite de téflon du tore de polystyrène, l'eau lui-même aussi contient du baryum très petit titanate les cristaux qui sont suspendus dans l'eau. Les ultrasons à 25,000 cycles par seconde sont propagés par l'eau pour former des micro-bulles d'air sur les surfaces du baryum suspendu titanate les cristaux. De nouveau en raison de l'action piézoélectrique du titanate de baryum, les champs très haut électrostatiques sont aussi développés dans les micro-bulles d'air à la surface des cristaux. Les électrons de la réaction nucléaire sont ajoutés aux électrons produits à la surface intérieure du tore. La somme totale de baryum mono-cristallin titanate dans la dynamo arménienne était presque 1000 grammes. Les satellites, les locomotives, les lourds camions, les aéroplanes et les navires sont des applications de transport évidentes.

Économie de Dynamo
Le prix de production de la dynamo est estimé à $500 par kilowatt qui est très compétitif quand comparé aux prix de capitale de puissance neutronique de $5,000 par kilowatt, les prix de capitale de moulin à vent de $4,000 par kilowatt, etc. Une centrale atomique bien-dirige peut produire le pouvoir pour 1.5 cents par heure de kilowatt, le charbon 1.8 cents, le gaz naturel 3.4 cents et pétrole 4.1 cents, en moyenne. Les frais d'exploitation de la dynamo seraient environ 0.1 cents par heure de kilowatt sans combustible externe nécessaire et sans n'importe quelle pollution étant créée.

Ces dynamos pourraient remplacer toutes les centrales atomiques, les installations solaires, les chaudières brûlant bois, la génération hydroélectrique, etc. Un article de Spectre IEEE récent a déclaré que la demande du monde pour l'électricité augmente d'environ 500 mégawatts chaque jour. Le mettre dans la perspective, qui est l'équivalent de construire une autre Digue d'Aspirateur tous les quatre jours pour marcher de pair avec la demande d'électricité d'augmentation du monde. Ou, une dynamo la compagnie industrielle devrait construire une autre dynamo de 500 mégawatts chaque jour simple pour marcher de pair avec l'électricité mondiale a augmenté la demande (dans l'adjonction pour remplacer tous les générateurs existants alim.)


Le texte de l'application brevetée mentionnée ci-dessus n'est pas dans l'anglais bien que le résumé du nombre breveté WO 01/15305 A1 ait été traduit dans l'anglais:





Patrick Kelly
http://www.free-energy-info.tuks.nl

闽ICP备2022006709号