Un Guide Pratique à Auteur des Appareils Libre D'énergie: Patrick J. Kelly

Le chapitre 1: Pouvoir de l'Aimant

Une chose que nous sommes dits, est ces aimants permanents ne peuvent pas faire tout travail. Oh oui, les aimants peuvent se supporter contre la traction de gravité quand ils collent sur votre réfrigérateur, mais, à nous sommes dits, ils ne peuvent pas faire tout travail. Vraiment?

Un aimant permanent, c'est quoi exactement ? Eh bien, si vous prenez un morceau d'adapté matériaux comme l'acier “ mild “, mettez-le à l'intérieur de la bobine de fil et conduire un fort courant électrique par l'intermédiaire de la bobine, puis qui convertit l'acier dans un aimant permanent. Combien de temps faut-il le courant dans la bobine pour faire l'aimant ? Moins d'un centième de seconde. Combien de temps l'aimant qui en résulte peut supporter son propre poids contre la gravité ? Années et des années. Qui ne vous paraît pas étrange ? Voir combien de temps vous pouvez soutenir votre propre poids corporel contre la gravité, avant que l'on se sent fatigué. Années et des années ? Non, Mois alors ? Non, Jours même ? Non.

Eh bien, si vous ne pouvez pas le faire, comment se fait l'aimant peut ? Voulez-vous dire qu'une seule impulsion pour une fraction infime de seconde peut pomper suffisamment d'énergie dans la pièce d'acier pour l'alimenter pendant ans ? Cela ne semble pas très logique, ça ? Alors, comment l'aimant le faire ?

La réponse est que l'aimant n'exerce pas de réellement aucun pouvoir du tout. De la même façon qu'un panneau solaire ne met pas n'importe quel effort dans la production d'électricité, la puissance d'un aimant s'écoule de l'environnement et non de l'aimant. L'impulsion électrique qui crée l'aimant, aligne les atomes à l'intérieur de l'acier et crée un “ dipôle magnétique “ qui a le même effet que l'électrique “ dipôle “ d'une batterie. Il polarise l'environnement quantique qui l'entourent et provoque de grands cours d'eau du flux d'énergie autour de lui. L'un des attributs de ce flux d'énergie est ce que nous appelons “ magnétisme “ et qui permet à l'aimant de coller à la porte de votre réfrigérateur et de défier la gravité pendant des années.

Contrairement à la pile, nous ne le mettons pas en une place où il détruit son propre dipôle immédiatement, si en conséquence, courants d'énergie autour de l'aimant, à peu près indéfiniment. À nous sommes dits que les aimants permanents ne peuvent pas être utilisés pour faire travail utile. Ce n'est pas vrai.



C'est une peinture d'un homme chinois, ShenHe Wang, qui a conçu et a construit un générateur électrique de capacité de cinq kilowatts. Ce générateur n'est actionné par les aimants permanents et ainsi les utilisations aucun combustible pour courir. Il utilise des particules magnétiques suspendues dans un liquide. Il devrait avoir été sur l'étalage public au Monde de Shanghai l'Expo du 1 mai 2010 au 31 octobre 2010 mais le gouvernement chinois est intervenue et ne le permettrait pas. Au lieu de cela ils lui permettraient seulement montrent une version de grandeur de montre-bracelet qui a démontré que le design travaillait, mais qui serait utile dans la génération de pouvoir :



La plupart des inventeurs ne semblent pas le réaliser, mais presque chaque gouvernement est opposé aux membres du public recevant tiennent de n'importe quel artifice d'énergie libre sérieux (bien qu'ils soient heureux d'utiliser ces artifices eux-mêmes). Leur objectif est de dominer et contrôler les gens ordinaires et un facteur important dans cela doit contrôler les réserves et coûter du pouvoir. Une deuxième méthode utilisée partout doit contrôler de l'argent et sans le remarquer, les gouvernements réussissent à emporter environ 78 % du revenu des gens, surtout par les méthodes dissimulées, les taxes indirectes, les charges, fees, … si vous voulez en savoir plus, visiter ensuite www.yourstrawman.com, mais comprenez s'il vous plaît que la raison pourquoi les artifices d'énergie libre ne sont pas pour la vente dans votre magasin local concerne le contrôle politique et les intérêts financiers conférés et n'a rien du tout pour faire avec la technologie. Tous les problèmes technologiques ont été résolus, littéralement des milliers de temps, mais les avantages ont été réprimés par ceux dans le pouvoir.

Deux des générateurs de 5 kilowatts de M. Wang ont avec succès accompli la "Intégrité obligatoire de six mois du gouvernement chinois et la Sécurité” évaluant le programme en avril de 2008. Un grand consortium chinois a commencé à acheter des stations génératrices d'électricité tirées de charbon systématiquement dans la Chine pour les rénover avec de grandes versions sans pollution du générateur de Wang. Quelques informations sur la construction du moteur de Wang sont disponibles ici.



Le moteur consiste en un rotor qui a quatre bras et lequel s'assied dans une boule peu profonde de liquide qui a une suspension colloïdale de particules aimantées dans lui:



Il y a un brevet sur le moteur mais ce n'est pas en anglais et ce qu'il révèle n'est pas un montant majeur.



C'était l'intention de Mr Wang donner son dessin du moteur à chaque pays dans le monde et les inviter pour le faire pour eux-mêmes. Ce l'attitude très généreuse ne prend pas en considération le beaucoup a revêtu des intérêts financiers dans chaque pays, pas le plus petit de qui est le gouvernement de ce pays qui s'opposera à l'introduction de tout appareil qui tapote dans énergie libre et lequel, par conséquent, détruirait leurs ruisseaux continus de revenu. C'est possible même qu'à vous ne soyez pas permis d'aller à Chine, en seriez achetés un et le seriez rapporté avec vous pour usage à la maison.

Ce n'est pas facile d'arranger des aimants permanents dans un modèle qui peut fournir une force continue dans une direction seule, comme là a tendance à être un point où les forces d'attraction et balance de la répulsion et produit une place dans que le rotor se calme et bâtons. Il y a des plusieurs chemins éviter cet événement. C'est possible de modifier le champ aimanté en le détournant à travers un fer doux composant.

Il y a beaucoup d'autres dessins de moteur de l'aimant permanent, mais avant d'en montrer quelques-uns d'eux, il vaut de la qui discute probablement quel travail utile peut être exécuté par l'arbre tournant d'un moteur de l'aimant permanent. Avec un moteur de l'aimant permanent maison - construit où les bon marché composants ont été utilisés et la qualité d'exécution ne peut pas être tout qui grand (pourtant ce n'est pas le cas avec quelque construction de maison le plus sans aucun doute), le pouvoir de l'arbre ne peut pas être très haut. Produire le pouvoir électrique est un but commun, et cela peut être accompli en causant des aimants permanents de passer à côté de bobines de fil. Le plus proche aux bobines du fil, le plus grand le pouvoir a produit dans ces bobines. Malheureusement, faire ceci crée la résistance aimantée et cette résistance augmente avec le montant de courant électrique qui est sorti des bobines.

Il y a des chemins réduire cette résistance sur la rotation de l'arbre. Un chemin est utiliser un Ecklin - Brown style de générateur électrique où la rotation de l'arbre ne déplace pas d'aimants bobines passées, mais au lieu, mouvements un écran aimanté qui ou bien bloque et restaure une trajectoire aimantée à travers les bobines génératrices. Une matière commercialement disponible a appelé “mu métal” est particulièrement bon comme matière du bouclier aimantée et un morceau en forme d'un signe du signe plus est utilisé dans le générateur Ecklin - Brown.

John W. Ecklin a été accordé le Brevet Américain Nombre 3,879,622 29e le 1974 mars. Le brevet est pour un générateur du moteur du magnet/electric qui produit une production plus grand que l'entrée nécessaire de le courir. Il y a deux styles d'opération. L'illustration principale pour le premier est:



Ici, le (intelligent) l'idée est utiliser un petit moteur de bas pouvoir pour tourner un bouclier aimanté pour masquer la traction de deux aimants. Cela cause un champ de l'aimant variable qui est utilisé pour tourner une promenade du générateur.

Dans le diagramme au-dessus de, le moteur à point ‘A’ tourne l'arbre et protéger des bandes à point ‘B”.   Ce mu métal rectangulaire démonte la forme une trajectoire très conducteur pour les lignes aimantées de force quand ils sont alignés avec les fins des aimants et ils ont coupé la traction de l'aimant dans la région de point ‘C’.   efficacement. À point ‘C’, le voyageur printemps - chargé est tiré à gauche quand l'aimant droit est protégé et l'aimant de la main gauche n'est pas protégé. Quand l'arbre du moteur tourne plus loin, le voyageur est tiré à droite quand l'aimant gauche est protégé et l'aimant de la main droite n'est pas protégé. Cette oscillation est passée à côté de liaison mécanique pour point ‘D’ où il est utilisé pour tourner un arbre propulsait un générateur.

Comme l'effort a eu besoin de tourner le bouclier aimanté est relativement bas, il est réclamé que la production dépasse l'entrée et donc peut être utilisé pour propulser le moteur qui tourne le bouclier aimanté.

La deuxième méthode pour exploiter l'idée est montrée dans le brevet comme:



Ici, la même protégeant idée est utilisée pour produire un mouvement à mouvement alternatif qui est converti à deux mouvements rotatifs pour conduire deux générateurs alors. La paire d'aimants ‘A’ est placé dans un logement et a pressé vers l'un l'autre par deux printemps. Quand les sources sont complètement étendues, ils sont juste clair du bouclier aimanté ‘B’.   Quand un petit moteur électrique (ne montré pas dans le diagramme) mouvements le bouclier aimanté hors du chemin, les deux aimants sont repoussés de l'un l'autre comme leurs perches Nord fortement est proche ensemble. Cela comprime les sources et à travers les liaisons à‘C’ ils tournent deux arbres pour produire le pouvoir de la production.

Une modification de cette idée est le Générateur Ecklin - Brown.   Dans cet arrangement, le protégeant arrangement aimanté mobile fournit une production électrique directe plutôt qu'un mouvement mécanique:



Ici, le même moteur et le tournant arrangement du bouclier aimanté est utilisé, mais les lignes aimantées de force sont bloquées de couler à travers un central I - Piece. Ce I - Piece est fait de tranches du fer feuilletées et a une bobine du ramassage ou les bobines l'ont blessé autour.

L'appareil opère comme suit:



Dans la place montrée sur la gauche, les lignes aimantées de courant de la force vers le bas à travers les bobines du ramassage. Quand l'arbre du moteur a tourné un quatre-vingt-dix degrés supplémentaires, la situation se produit à droite et là, les lignes aimantées de courant de la force vers le haut à travers les bobines du ramassage. Cela est montré par les flèches bleues dans le diagramme. Ce renversement de flux aimanté a lieu quatre fois pour chaque rotation de l'arbre du moteur.

Pendant que le dessin Ecklin - Brown suppose qu'un moteur électrique est utilisé pour tourner le mu - métal bouclier, là ne paraît pas être toute raison pourquoi la rotation ne devrait pas être faite avec un moteur de l'aimant permanent.

Formes toroïdales sont clairement importants dans de nombreux dispositifs qui tirez en énergie supplémentaire de l'environnement. Cependant, le générateur Ecklin-Brown semble un peu compliqué pour la construction de maisons, le principe peut être utilisé avec un style beaucoup plus simple de construction où les noyaux des bobines sortie sont des barres droites des matériaux appropriés, tels que le fer "douce" ou peut-être les ancrages de maçonnerie plus facilement accessibles :



Si vous utilisez l'ancrage de maçonnerie, n'oubliez pas de couper l'extrémité conique car il modifie l'effet magnétique de manière indésirable. À l'aide d'une scie à métaux à main et un étau, coupant la fin est une chose très facile à faire et qui permet à une bobine ordinaire hélicoïdale à être enroulé sur une bobine simple qui glisse sur l'arbre ou directement sur l'arbre. Avec toute cette bobine, la tension produite augmente comme le nombre de tours dans les augmentations de la bobine. L'appel de courant maximal dépend de l'épaisseur du fil comme le plus épais le fil, plu le courant qui il peut transporter sans surchauffe.



Nous pouvons utiliser un aimant ordinaire ou un ensemble d'aimants à chaque extrémité de la base droite provoque un fort champ magnétique à travers le noyau de notre bobine. Comme votre moteur tourne les deux bras de dépistage ils passent alternativement entre l'aimant à une extrémité du noyau, puis l'aimant à l'autre extrémité du noyau, en créant un champ magnétique fluctuant, en passant par la bobine.

Le dessin montre juste une bobine de sortie, mais il pourrait y avoir deux bobines :



Ou il pourrait y avoir quatre bobines :



Les bobines peuvent être connectés en parallèle pour augmenter le courant de sortie, ou ils peuvent être connectés en série (dans une configuration de la chaîne) pour augmenter la tension de sortie. Tandis que les dessins montrent les boucliers connectés directement à l'arbre moteur (une courte longueur de gaines en plastique d'un morceau de fil serait probablement être utilisée pour aider avec l'alignement de l'arbre moteur et l'essieu blindage) il n'y a aucune raison pourquoi le blindage ne doit pas être sur un axe séparé monté sur roulements et entraînée par une courroie et la poulie arrangement de roue.

Avec un essieu de blindage séparé, permet un essieu long, raide à utiliser et qui permet qu'il y ait des aimants et bobines supplémentaires. Le résultat pourrait être comme ceci :






Howard Johnson.   Revenir à moteurs de l'aimant permanents eux-mêmes, un des noms du sommet dans ce champ est Howard Johnson. Howard a construit, a démontré et a gagné le brevet 4,151,431 Américain 24e le 1979 avril, d'un bureau breveté très sceptique pour, son dessin d'un moteur de l'aimant permanent. Il a utilisé des aimants Cobalt/Samarium puissants mais très chers pour augmenter la production du pouvoir et a démontré les principes du moteur pour le printemps 1980 édition de Science et magazine des Mécaniques. Sa configuration du moteur est montrée ici:



La remarque qu'il fait est que le flux aimanté de son moteur est toujours déséquilibré, donc produire une promenade du rotational continue. Les aimants du rotor sont joints dans paires marchées, connectées par un joug non - aimanté. Les aimants du stator sont placés sur un mu - métal cylindre du tablier. Mu - Metal est très très conducteur à flux aimanté (et est cher). Les états brevetés que l'aimant de l'armature est 3.125” (79.4 mm) long et les aimants du stator sont 1” (25.4 mm) large, 0.25” (6 mm) profond et 4” (100 mm) longtemps. Il affirme aussi qui les paires de l'aimant du rotor ne sont pas mises à 120 degrés séparément mais sont chancelées pour lisser dehors les forces aimantées sur le rotor légèrement. Il affirme aussi que l'intervalle de l'air entre les aimants du rotor et le stator est un compromis dans que le plus grand l'intervalle, le plus lisse la course mais l'inférieur le pouvoir. Donc, un intervalle est choisi de donner le plus grand pouvoir à un niveau acceptable de vibration.

Howard considère des aimants permanents pour être des supra-conducteurs de la pièce - température. Vraisemblablement, il voit matière aimantée comme avoir des directions de la rotation de l'électron dans les aléatoires directions afin que leur champ aimanté net est zéro proche jusqu'aux rotations de l'électron est aligné par le processus du magnetising qui alors crée un filet total champ aimanté permanent, maintenu par le courant électrique supraconducteur.

L'arrangement de l'aimant est montré ici, avec l'enterrez des aimant intervalles répartis du dessin dans le brevet de Howard:



l'article du magazine peut être vu ici.


Le Carrousel Aimant Permanent Moteur/Generator:   Brevet Américain 5,625,241 présents les détails spécifiques d'un générateur électrique simple propulsés par les aimants permanents seul. Ce générateur peut aussi être utilisé comme un moteur. La construction n'est pas compliquée en particulier:



Il utilise un arrangement où les aimants permanents sont associés avec chaque deuxième bobine mis autour du rotor. L'opération est auto - propulsée et l'arrangement de l'aimant est défini clairement:



Et l'arrangement physique de l'appareil n'est pas compliqué en particulier:




C'est un brevet qui vaut lire et considérer sans aucun doute, particulièrement depuis que ce n'est pas une présentation compliquée de la part des auteurs, Harold Ewing, Russell Chapman et David Porter. Ce apparemment le générateur très efficace paraît être eu vue sur à présent. Il paraît complètement clarifiez ces moteurs de l'aimant permanents sont une option complètement viable pour le constructeur de maison et ils sont capable de productions du pouvoir substantielles sur longues périodes, cependant, qu'il devrait être noté que les moteurs qui utilisent des aimants seul sont notoirement difficiles de devenir opérationnel et pendant qu'il peut être fait, les moteurs qui utilisent déplacer protéger ou ont battu protéger électrique sont beaucoup plus viables pour le premier temps constructeur–moteurs tel que le Charles moteur Flynn ou le Stephen moteur Kundel.


Le Robert Tracy Aimant Moteur.   Quelques gens ont opté pour moteurs de l'aimant permanents où le champ est protégé au moment approprié par un composant en mouvement du moteur. Robert Tracy a été accordé le Nombre 3,703,653 à Brevet Américain 21er le 1972 novembre pour un “Moteur À mouvement alternatif avec les Moyens de la Conversion du Mouvement.” Son appareil utilise des boucliers aimantés placés entre paires d'aimants permanents au point approprié dans la rotation de l'arbre du moteur:




Le Ben Teal Moteur.   Les moteurs de ce genre sont capables de production du pouvoir considérable. Le moteur très simple, originairement construit par Ben Teal qui utilise du bois comme la matière de la construction principale, a été accordé le Nombre 4,093,880 à Brevet Américain en juin 1978. Il a trouvé que, utiliser ses mains, il ne pourrait pas arrêter l'arbre du moteur qui tourne malgré lui être un tel dessin du moteur très simple:






L'opération du moteur est aussi simple que possible avec seulement quatre changements faits de métal élastique, poussé par une came sur l'arbre du rotor. Chaque changement propulse juste c'est électro-aimant quand il a besoin de tirer et le déconnecte quand la traction est complétée. Le résultant moteur est très puissant et très simple. Le pouvoir supplémentaire peut être eu par juste empilement un ou couches plus supplémentaires sur l'un l'autre. Le diagramme précité montre deux couches empilées sur l'un l'autre. De seulement on mis de quatre changements et une came est eu besoin peu importe comment beaucoup de couches sont utilisées, comme les solénoïdes verticalement au-dessus de l'un l'autre est installé dans parallèle ensemble comme ils tirent en même temps.

Le pouvoir délivré par le moteur de la Sarcelle est une indication du pouvoir potentiel d'un moteur de l'aimant permanent qui opère dans un chemin plutôt semblable en déplaçant des boucliers aimantés pour obtenir un mouvement à mouvement alternatif.


James E. Jines et James W. Jines. Le Brevet 3,469,130 Américain a été accordé à Jines 23e le 1969 septembre “Moyens pour Protéger et Unshielding Aimants Permanents et Moteurs Aimantés Utilising le Même” et lequel est dans l'Appendice. Ce dessin du moteur de l'aimant utilise protéger sélectif des aimants de la promenade pour produire une force continue dans une direction. Il a aussi un arrangement mécanique pour ajuster le protéger pour ajuster le pouvoir du moteur progressivement.






C'est un dessin très intéressant de moteur aimanté, particulièrement depuis qu'il ne demande pas toutes matières qui ne sont pas disponible de beaucoup de fournisseurs aisément. Il a aussi l'avantage de n'avoir pas besoin de toute forme d'ajustement exact ou équilibrer de forces aimantées le faire opèrent.


Le Moteur de l'Aimant de Stephen Kundel.   Le dessin du moteur de Stephen Kundel est montré dans détail plein dans son brevet qui est montré sur page UN - 968 de l'Appendice. Il utilise un mouvement oscillant simple pour placer le “stator” aimants afin qu'ils fournissent un rotational continu force sur l'arbre de la production:



Ici, le bras jaune en a marqué 38, balance à droite et gauche, poussée par un solénoïde bobine 74. Il n'y a aucune raison évidente pourquoi ce mouvement à bascule ne pourrait pas être accompli par une liaison mécanique connectée à la production tournante arbre 10. Les trois arment 20, 22 et 24, en étant pivoté à leurs points supérieurs, est poussé dans une place centrale par les printemps 34 et 35. Les aimants 50, 51 et 52, sont déplacés par ces bras, en causant une rotation continue de la promenade de la production arbre 10. Le mouvement de ces aimants évite la place où les aimants arrivent à un point d'équilibre et ferment à clé dans une place seule.


Fig.2 et Fig.3 exposition la place des aimants, avec le Fig.3 exposition de la place un point dans la rotation de l'arbre de la production qui est 180 degrés (demi un tour) plus loin sur que la place montrée dans Fig.2.

Quelques autres, plus puissants arrangements de l'aimant qui peuvent être utilisés avec ce dessin sont montrés dans le brevet plein dans l'Appendice.

Cette conception ne semble pas faire appel aux nombreux constructeurs en dépit du fait qu'il doit être un des moteurs aimant plus faciles à installer et à faire des travaux. Le niveau de puissance de sortie peut être aussi grand que vous le souhaitez comme des aimants, des couches supplémentaires peuvent être ajoutés. Le fonctionnement est très simple et on peut, peut-être, voir plus facilement si le bras de seul levier est considéré. Le bras de levier a deux positions de travail. Dans la même position, il agit sur un ensemble d'aimants de rotor et en deuxième position, il agit sur une deuxième série d'aimants de rotor. Donc, nous allons examiner chaque jeu à son tour. S'il y a deux aimants près de l'autre, un fixe en position et les autres libres de se déplacer comme ça:


Les aimants ont une forte attraction entre eux en raison des pôles Nord et Sud, attirer les uns les autres. Cependant, comme les deux pôles du Sud se repoussent mutuellement, le mouvement de l'aimant qui approchait n'est pas directement sur les flèches vertes affiché mais est initialement dans le sens indiqué par la flèche rouge. Cette situation se poursuit, avec l'aimant mobile s'approchant, qu'il fixa aimant et l'attraction entre eux se renforce tout le temps. Mais, la situation change immédiatement les tronçons aimant mobile, c'est le point le plus proche à l'aimant fixe. Impulsion commence à le porter depuis, mais à ce moment-là, la direction de l'attraction entre les aimants commence à s'opposer à l'acheminement de l'aimant mobile:


Si l'aimant fixe reste dans cette position, puis l'aimant mobile va osciller brièvement et s'arrêtent juste en face de l'aimant fixe comme ça:


Les forces d'attraction entre les deux aimants est maintenant totalement horizontal et il n'y a aucune force sur l'aimant mobile pour l'amener à se déplacer. Il s'agit de choses simples, compris par quiconque a examiné des aimants permanents afin de voir ce qu'ils font. Stephen Kundel est bien conscient de cela, et alors il déplace l'aimant "fixe" rapidement à l'écart avant la traction arrière-direction ralentit l'aimant mobile. Il déplace l'aimant sur le côté et glisse l'autre en position comme ceci:


L'aimant nouveau est maintenant beaucoup plus proche de l'aimant mobile et donc a une bien plus grande influence sur elle. Les pôles de l'aimant de nouveau correspondant les pôles de l'aimant mobile qui les fait d'écarter une forte croissance, conduisant l'aimant mobile partir dans la direction, dans qu'il se déplaçait. L'aimant mobile se déplace très rapidement et donc obtient hors de la portée des aimants fixes assez rapidement, après quoi, les "fixes" aimants du stator sont déplacés de retour dans leur position d'origine où ils agissent de la même manière sur la prochaine aimant mobile attaché au rotor.

Cette opération très simple exige seulement une petite force de déplacer les aimants du stator sur le côté entre leurs deux positions, tandis que la force entre les aimants du stator et des aimants de rotor peut être élevée, produisant une puissance considérable rotation à l'axe sur lequel sont fixés les disques de rotor.

L'efficacité du système est accentuée davantage parce que quand les aimants du stator sont en première position montrée, le deuxième aimant "fixe" n'est pas assis inactif, mais au lieu de cela, elle agit sur l'aimant du prochain disque rotor:


Pour ce faire, les aimants attachés au disque Rotor 2 doivent être placé de sorte que leurs mâts sont l'inverse de ceux attachés à Rotor disque 1. Stephen utilise un haut-parleur vaciller la barre horizontale sur laquelle sont montés les aimants du stator, en arrière et en avant comme un haut-parleur a ce mécanisme déjà intégré. Moteur à aimant permanent de Don Kelly utilise également cette idée très simple de déplacer les aimants du stator de la route au moment opportun.


Le Moteur de l'Aimant de Charles Flynn.   Faites breveter les USA 5,455,474 3e le 1995 octobre démodé et montré dans plein dans l'Appendice, donne des détails de ce dessin intéressant. Il dit: “Cette invention est en rapport avec une méthode de produire l'énergie utile avec les aimants comme la force motrice et représente une amélioration importante sur constructions connues et c'est un qui est plus simple à construction, peut être fait pour être soi-même commencer, peut être été plus facile d'ajuster, et peut être été moins possible de sortir l'ajustement. La présente construction est aussi relativement facile de contrôler, est relativement stable et produits alimentaires un étonnant montant d'énergie de la production étant donné la source de conduire énergie qui est utilisée. La présente construction fait usage d'aimants permanents comme la source de conduire énergie mais expositions un nouveaux moyens de controlling l'interaction aimantée ou associer entre les membres de l'aimant et dans une manière qui est relativement accidentée, produits alimentaires un montant substantiel d'énergie de la production et moment de rotation, et dans un appareil capable d'être utilisé pour produire des montants substantiels d'énergie.”

Le brevet décrit plus qu'un moteur. Le premier on est comme ceci quand vu du côté:


Une vue explosée, expositions les parties différentes clairement:


Cette construction est relativement simple et toujours l'opération est puissante. Le pouvoir est fourni par trois aimants, montrés ombragé dans bleu et jaune. L'aimant inférieur est dans la forme d'un disque avec les perches arrangées sur les grands, circulaires, plats visages. C'est l'aimant du stator qui ne déplace pas. Placé au-dessus de lui est un disque fait de matière non - aimantée (a ombragé dans gris) et lequel a deux aimants enfoncés dans lui. Ce disque est le rotor et est attaché à l'arbre vertical central.

Normalement, le rotor ne tournerait pas, mais entre les deux disques il y a une bague de sept bobines qui sont utilisées pour modifier les champs aimantés et produits alimentaires rotation puissante. Le propulser au-dessus de ces bobines est très simple et il est arrangé en brillant une poutre de lumière de la Violette Extrême d'une des Diodes Émettant Légères à travers une fente dans un disque de réglage optique a attaché à l'arbre tournant. Les LEDs et les photo transistors sont alignés avec les centres des sept bobines. La place et largeur de la fente contrôlent sur que le photo transistor est changé et pour comment long il les restes ont propulsé au-dessus. C'est un arrangement très net et compact. La partie vraiment intéressante du dessin est comme les bobines modifient les champs aimantés pour produire le pouvoir de la production de l'appareil. L'orientation des perches de l'aimant peut être échangée partout, à condition que cela soit fait pour tous les trois aimants.


Montré ici est la situation quand un des aimants du rotor a tourné à où c'est précité des bobines en haut qui ne sont pas propulsées toujours. La perche Du sud de l'aimant du rotor est attirée à la perche Nord qui est le visage supérieur entier de l'aimant du stator comme montré par les trois flèches. Si un voltage est appliqué à la bobine, alors cet accouplement aimanté est interrompu et est changé. Si tout moment de rotation est développé par suite de la bobine qui est propulsée au-dessus, alors il sera développé à l'un et l'autre côté de la bobine stimulée. Si la bobine n'est pas propulsée au-dessus, alors il y aura l'attraction pleine entre les aimants et aucuns rotational forcez sera produit. Vous remarquerez qu'il y a deux aimants tournants (un nombre égal) et sept bobines (un nombre bizarre) donc quand un des aimants du rotor est au-dessus d'une bobine, alors l'autre n'est pas. Ce chancellement des deux places est essentiel pour produire le moment de rotation du rotational lisse, continu et auto - commençant sans tout besoin de tourner l'arbre manuellement.


Le diagramme au-dessus d'expositions un morceau de les deux côtés du disque du rotor, expliquer l'opération des bobines. Sur la gauche, aimant 56 chevauchements bobine 32 et enroule 34. Enroulez 32 est propulsé au-dessus et cela casse le lien aimanté sur le côté de la main gauche d'aimant 56. Mais, enroulez 34 n'est pas propulsé au-dessus, donc l'attraction entre aimant 56 et l'aimant du disque sous les restes des bobines. Bien que cette attraction soit à un angle descendant, il crée une poussée sur le rotor, en le conduisant vers le droit comme montré par la flèche rouge.

Pendant que cela se passe, la situation autour de l'autre côté du disque du rotor, est montré à droite. Ici, l'aimant 54 est au-dessus de bobine 36 et cette bobine n'est pas propulsée au-dessus, donc il n'y a aucune résultant promenade dans l'un et l'autre direction - seulement une traction descendante sur l'aimant du rotor, vers l'aimant du stator en dessous lui. La bobine 38 adjacente n'est pas aussi propulsée au-dessus et donc n'a aucun effet sur la rotation. Cette méthode d'opération est même près de cela du dessin du moteur de Robert Adams décrit dans le prochain chapitre. C'est important de comprendre que cette méthode d'opération n'est rien comme cela pulsers du John Bedini où la rotation d'un disque est causée par la pulsation électrique a appliqué à une bobine qui crée une poussée de la répulsion à un aimant du rotor. Au lieu, ici, la bobine agit comme un bouclier aimanté, être fourni le pouvoir possible minimum pour faire son travail. La bobine est, dans effet, un bouclier qui n'a pas de parties en mouvement, et donc est un mécanisme très intelligent pour vaincre la tendance pour les aimants du rotor pour se fixer aux aimants du stator et prévenant rotation.

À tout moment, six des sept bobines dans ce dessin sont inactifs, donc dans effet, seulement une bobine est propulsée. Ce n'est pas un égout courant majeur. C'est important de comprendre que le pouvoir de ce moteur est fourni par les aimants permanents qui tirent vers l'un l'autre. Chacun des deux aimants applique une traction horizontale sur le rotor chaque septième d'un tour, c'est, chaques 51.1 degrés dans la rotation. Comme les bobines sont un nombre irrégulier, le rotor arrive chaques 25.5 degrés à une traction aimantée à la rotation, en premier d'un aimant du rotor et alors de l'autre aimant du rotor.

Il suit alors, que le pouvoir du moteur peut être augmenté en ajoutant plus d'aimants. Le premier pas dans cette recherche pour pouvoir supplémentaire est ajouter un deuxième aimant du disque et bobines sur l'autre côté du rotor, afin qu'il y a une deuxième traction sur l'aimant. Cela a l'avantage ajouté qu'il équilibre le vers le bas traction du premier aimant du disque avec une traction montante, donner une poussée horizontale rehaussée et équilibré comme montré ici:


La bobine qui change avec la couche supplémentaire de bobines est montrée ici:


Cela produit une plus grande poussée horizontale. Pendant que ce dessin va pour performance optimum, je suggère qu'une forme beaucoup plus simple de construction avec une bague d'aimants du neodymium circulaires standards pourrait être utilisée au lieu d'un grand aimant du disque, et les bobines circulaires ordinaires ont placé sur les aimants circulaires, et cela autorise des grands rotors du diamètre être construit, le plus grand diamètre qui donne le plus grand pouvoir de l'arbre de la production,:




Augmenter le pouvoir de l'arbre de la production avancent encore, les ensembles supplémentaires d'aimants et bobines peuvent être ajoutés comme montré ici:




De lui devrait être se souvenu que la section du réglage montrée au-dessus pourrait être remplacée par un NE555 horloge circuit Sur qui produit un ruisseau stable de / Fermé pulsations. Quand ces pulsations sont nourries aux bobines, le moteur tourne, en travaillant comme un esclave lui-même au pouls. Cela donne un contrôle de la vitesse immédiat pour le moteur aussi bien qu'éviter le besoin pour le positionnement précis du disque emboîté qui permet au LEDs de briller sur au phototransistors à l'instant approprié directement. Si cette approche est prise, alors la section du réglage montrée au-dessus serait omise.

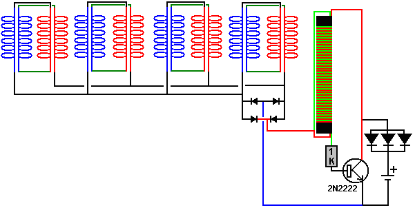
L'ensemble de circuits que Charles spécifie pour propulser les bobines pour bloquer les champs aimantés des aimants permanents utilise le N - Channel MOSFETs et est très simple. Est son circuit ici pour conduire une des bobines:


Juste cinq composants sont utilisés. Le courant à travers la bobine est contrôlé par un transistor. Dans ce cas c'est habituellement un Transistor du Champ - Effet a appelé un " FET ". Le type le plus commun de FET est utilisé, à savoir un " N - Channel " FET qui est l'équivalent rugueux à un transistor NPN comme décrit dans Chapitre 12. Un FET de ce type est éteint quand le voltage sur lui est " barrière " (a marqué " g " dans le diagramme) est 2.5 volts ou inférieur. Il est allumé quand le voltage sur lui est la barrière est 4.5 volts ou plus.

Nous voulons que le FET allume dans ce circuit quand le moteur chronomètre le disque est dans la bonne place et est fermé à tous les autres temps. Cela est arrangé en faisant briller la lumière d'une Diode Émettant Légère ou " a MENÉ " à travers un trou dans le disque du réglage qui tourne avec l'arbre du moteur. Quand le trou est en face des MENÉ pour la bobine en haut qui sera propulsée, éclats légers à travers le trou et sur à un appareil léger sensible, Charles a opté pour utiliser un transistor Léger Sensible, mais une résistance léger dépendante tel qu'un ORP12 pourrait être utilisée au lieu. Quand les éclats légers sur le " appareil Opto1 " dans le diagramme du circuit, c'est la résistance tombe dramatiquement, en élevant le voltage sur la barrière du FET et l'allumant. Quand le trou du disque du réglage déplace devant les MENÉ, la lumière est coupée et le FET barrière voltage tombe vers le bas, en éteignant le FET. Cet arrangement cause la bobine du moteur d'être changé à de temps en temps seulement le bon temps donner une rotation puissante de l'arbre du moteur. Dans le circuit, la résistance " R1 " est s'assurer là que le couler courant à travers les MENÉ n'est pas excessif. La résistance " R2 " a une basse valeur comparée à la résistance de " Opto1 " quand aucuns automnes légers sur lui, et cela tient le voltage de la barrière du FET jusqu'à une basse valeur, en s'assurant que le FET est complètement fermé.

Comme vous peut voir, c'est un circuit très simple fondamentalement. Cependant, comme un de ces circuits est utilisé pour chaque bobine (ou chaque paire de bobines s'il y a un nombre égal de bobines dans cette tranche du moteur), le circuit dans les apparences brevetées complètement compliquées. C'est réellement très simple. La résistance " R1 " est utilisé pour limiter le courant courant à travers tout du LEDs a utilisé et pas juste a MENÉ. Vous pourriez, bien sûr, utilise une résistance pour chacun MENÉ si vous vouliez à. Le circuit pour propulser deux bobines (et ne montrer pas le disque du réglage) apparences comme ceci:


La section à l'intérieur de la ligne sacrée verte qui est le circuit identique pour la deuxième bobine. Cette addition au circuit est faite pour chaque bobine à qui point, le moteur est prêt à courir. Si, comme serait les couches normales, plusieurs d'aimants sont utilisées, alors les bobines placées au-dessus de l'un l'autre peuvent être connectées dans une chaîne comme ceci:


Les connectant plusieurs bobines " en série " (dans une chaîne) aimez ceci, réduit le nombre de composants électroniques eu besoin et il s'assure que les pulsations à chacun de ces bobines sont à exactement le même instant. Ou bien, c'est possible d'installer ces bobines à travers l'un l'autre " dans parallèle ", le choix est dicté par la résistance des bobines généralement. Le dessin breveté montré au-dessus paraît indiquer qu'il y a un grand intervalle entre les LEDs et les appareils optiques. Ce n'est pas le cas comme la plupart des gens probablement choisirait de garder l'intervalle entre les MENÉ et l'appareil léger dépendant aussi petit que possible, en les montant afin qu'ils sont juste clair du disque du réglage sur chaque latéral de lui.

Dans ce brevet, Charles Flynn remarques que ce moteur de l'aimant peut être utilisé pour presque tout but où un moteur ou la promenade du moteur est exigée et où le montant d'énergie disponible ou a exigé pour produire la force motrice peut varier peu à zéro. Charles a produit des moteurs de ce type qui est capable de rotation à très haute vitesse - 20,000 tr/min et avec moment de rotation substantiel. Les vitesses moindres peuvent aussi être produites, et le moteur peut être fait pour être auto - commençant. À cause du bas pouvoir opérer l'appareil ont exigé, Charles a été capable opérer le moteur qui utilise juste un neuf volt, pile sèche disponible en magasin.

Une candidature qui paraît très approprié pour ce dessin du moteur est l'appareil de chauffage Frenette montré dans Chapitre 14. Utiliser ce moteur pour conduire les disques à l'intérieur du tambour de l'appareil de chauffage produirait un appareil de chauffage qui paraît être conduit par seulement une pile de neuf volts. Cependant, pendant que c'est l'apparence, la réalité est que le pouvoir de ce moteur vient des aimants permanents et pas de la pile. Le courant de la pile est utilisé pour prévenir la traction moins évoluée des aimants seulement et il n'est pas utilisé pour conduire le moteur.

Pendant que l'usage d'un disque du réglage est un arrangement très satisfaisant, c'est aussi possible d'utiliser l'ensemble de circuits électronique au lieu du disque du réglage mécanique, les appareils de l'opto et les LEDs. Ce de qui est eu besoin ici est un appareil qui produit une série de pulsations du voltage qui peuvent être utilisées pour conduire le voltage de la barrière de chaque FET d'en dessous 2.5 volts à plus de 4.5 volts. Il regarde comme si le 555 éclat de l'horloge célèbre serait convenu à cette tâche et il fuirait la pile de neuf volts certainement. Cependant, nous avons plus qu'on a mis de bobines qui ont besoin d'être couru. Par exemple, si nous a disons, quatre ensembles de bobines conduire en propulsant en haut quatre FET différents transistors un après l'autre, alors nous pourrions utiliser un " Fossé Par Huit " éclat, comme le 4022 éclat. Cet éclat peut être se mis à diviser par tout nombre de deux à huit. Tout qui sont eus besoin de sélectionner le nombre pour diviser par, est un rapport entre deux des épingles sur l'éclat.


Le voltage de la production sur les épingles a marqué " 1 ", 2 ", 3 " et " 4 " suivent haut l'autre comme montré dans le diagramme au-dessus. Donc, chacun de ceux-ci les épingles de la production seraient connectées aux barrières FET dans cet ordre et le FETs serait allumé dans ce même ordre.

Avec le 4022 éclat, les rapports pour le taux de division sont comme suit:

Pour ‘Divide par 7 opération ', connectez l'épingle 10 pour en épingler 15
Pour ‘Divide par 6 opération ', connectez l'épingle 5 pour en épingler 15
Pour ‘Divide par 5 opération ', connectez l'épingle 4 pour en épingler 15
Pour ‘Divide par 4 opération ', connectez l'épingle 11 pour en épingler 15
Pour ‘Divide par 3 opération ', connectez l'épingle 7 pour en épingler 15
Pour ‘Divide par 2 opération ', connectez l'épingle 3 pour en épingler 15

Quand utiliser un circuit comme ceci, le pouls du 555 éclat est mis à une très basse valeur comme demi une seconde, afin que l'arbre du moteur peut être commencé. Une fois il obtient déplacer, le pouls est augmenté pour accélérer le moteur progressivement. Un avantage de cette méthode est qu'il autorise le contrôle de la vitesse, et si le moteur était utilisé pour propulser un appareil de chauffage Frenette, alors le contrôle de la vitesse agirait aussi comme un contrôle de la température pour l'appareil de chauffage.

Un 555 circuit de l'éclat possible peut être:


Comme ceci la vitesse autorise à être contrôlé et quand la vitesse exigée est atteinte, la largeur de la pulsation peut être ajustée pour donner l'attraction courante minimum pour maintenir cette vitesse alors. Il y a, bien sûr, beaucoup d'autres circuits convenables qui pourraient être utilisés au lieu de celui-ci et Chapitre 12 vous informeront de quelques-uns d'eux aussi bien qu'expliquer comme les circuits travaillent et comment les construire.

S'il donc se passe que c'est difficile de trouver des aimants circulaires convenables avec les perches sur les visages opposants, alors je suggère que ce devrait être possible d'utiliser des aimants rectangulaires standards partout et bobines rectangulaires comme montré ici:


Et pendant que cet arrangement n'est pas aussi magnétiquement effectif qu'un aimant circulaire, il a la commodité d'autoriser la construction d'un rotor de toute dimension choisie. Idéalement, il devrait y avoir un nombre bizarre d'aimants contrairement au stator montré au-dessus, ou manquer que, un nombre bizarre de bobines. Ou bien, le rotor pourrait avoir un nombre bizarre d'aimants donc comme permettre auto - commençant. Mais, il devrait être noté que si le moteur sera conduit par un battant système électronique, alors c'est plus simple avoir un nombre égal d'aimants sur le stator et commencer le moteur qui déplace à la main beaucoup. C'est parce qu'avec un nombre bizarre d'aimants du stator, les sondes de l'opto ne sont pas en face de l'un l'autre exactement et donc ne tirez pas ensemble. Avec un nombre égal d'aimants du stator, les bobines qui sont 180 degrés séparément peuvent être installées ensemble comme ils tirent sur exactement le même temps. Avec le disque du réglage optique emboîté, les fentes sont en face de l'un l'autre exactement et égalent la largeur des aimants du rotor, mais les bobines (presque) en face de l'un l'autre n'est pas propulsé à exactement le même temps de temps en temps, bien que soit possible que leurs arcs propulsés se chevauchent pour partie de leur opération. Cela pourrait être approvisionné pour en utilisant un délai du monostable pour la bobine sur le côté opposé du disque électroniquement.

L'objectif de chaque bobine est à juste, et seulement juste, annulez dehors le champ aimanté de l'aimant permanent en dessous it. Le champ aimanté produit par la bobine dépend du coulant courant dans la bobine, le nombre de tours dans la bobine et la région du coil. L'écoulement courant dépend du diamètre du fil et le voltage appliqué à lui. C'est nécessaire monter juste un aimant sur le stator et expérimenter avec la bobine jusqu'à votre promenade courante probablement et la bobine permet au rotor de filer freely. Quel que soit le résultat de la bobine est, devrait être des ok pour tous les aimants bien que soit possible qu'ils varient dans force un morceau.


Steorn.   La compagnie irlandaise Steorn ont produit un système qui est presque identique au Charles Flynn aimant moteur juste décrit. Ils appellent leur appareil " Orbo " et son opération est à peu près le même. L'avance faite par Steorn est qu'ils ont imaginé un système de la pose d'un masque aimanté très intelligent qui utilise le toroids du ferrite blessé avec une cuivre fil bobine. C'est une méthode habile de changer l'attraction aimantée de temps en temps. Quand la bobine emporte un courant suffisant il produit un spiralling de champ aimanté circulaire autour du toroid et n'aller pas le toroid dehors. Ce champ n'a pas d'attraction pour les aimants extérieurs. Il ne fait aucune différence si la direction du courant courant à travers la bobine est renversée comme le résultant champ aimanté juste file autour du toroid dans la direction opposée et exécute le même blocage aimanté de la bague du ferrite qui forme le toroid exactement. Si aucuns courants courants, alors le fil cuivre ne barre pas l'influence de la bague du ferrite et les aimants permanents sur le rotor est attiré à lui fortement, en causant le rotor de filer.

Sur leur site web web site, Steorn illustrent leur dessin comme ceci:


Dans cette mise en oeuvre, huit bagues du ferrite sont montées sur le stator dans quatre emplacements quatre-vingt-dix degrés séparément. Ceux-ci sont enroulés avec cuivre installez bobines qui peuvent être propulsées par une pile, par un mécanisme du réglage. Le rotor a enfoncé dans il, huit paires de petits aimants permanents, aussi a espacé quatre-vingt-dix degrés séparément.

Dans exactement le même chemin comme l'Adams le moteur a décrit dans chapitre 2, le courant à travers les bobines est mis au niveau minimum qui permet au rotor de filer librement. Le mécanisme du réglage est changé dans alors et le moteur et le rotor donnés une rotation. Les aimants du rotor sont attirés à leurs bagues du ferrite correspondantes montées sur les poteaux du stator fortement et cela accélère le rotor.

Si aucun courant a traversé les bobines, le rotor oscillera pour avant de venir se reposer avec les aimants comme près des bagues du ferrite comme possible en avant et an arrière alors peu de temps. Pour prévenir cet événement, le circuit du réglage sent quand les aimants atteignent le ferrite sonne, et laissez-passer qui courant minimum à travers les bobines, piéger les bagues à l'intérieur d'un champ aimanté qui n'a aucun effet sur les aimants du rotor. La vitesse du rotor le cause de filer sur passé les bagues du stator à une place où les aimants sont plus proches aux prochaines bagues qu'ils sont à ceux qu'ils sont passés juste à qui point, le courant est coupé et l'attraction aimantée au ferrite sonne des recettes. C'est identique à une mode d'opération de l'Adams moteur.

Le prochain pas est aussi identique à cela de l'Adams moteur, à savoir, ajouter des bobines du pick-up pour en convertir quelques-uns de l'énergie aimantée tournante dans énergie électrique, ou recharger la pile impérieuse ou propulser l'autre matériel, ou les deux.

L'arrangement de Steorn pour faire ceci est ajouter un disque supplémentaire, en contenant des aimants permanents, au rotor et placer le fil enroule en face de ces aimants comme est normal pour un générateur. Steorn choisissent de montrer encore le résultant chargement d'énergie en haut la pile:


Les présentations de la vidéo sur ce style de motor/generateur sont à:   ici,  ici   et   ici


Le 28 Octobre 2015, Steorn annoncé leur dernier produit appelé le Cube d'alimentation qui ressemble à ceci :


Cette boîte contient une batterie Lithium-Ion, un circuit de recharge et un port de sortie USB-C. Ceci est la dernière version de la famille de ports USB et est capable de fournir 2,1 ampères à 5 volts, ce qui est capable de recharger un ordinateur tablette ou un téléphone mobile. Si la batterie est déchargée, le circuit de recharge interne peut recharger la batterie interne deux fois par jour. Le prix de vente est incroyablement élevé à €1.200 et qui est susceptible d'encourager les gens à offrir des performances équivalentes à un prix beaucoup plus bas, ce qui je suppose doit être vu comme une bonne chose.


Nous avons tendance à penser à ce style de moteur aimant - propulsé comme être bas pouvoir. C'est probablement parce que c'est souvent le cas qui la preuve de la démonstration les mises en oeuvre de - principe montrées sont des appareils mineurs. Ces moteurs peuvent être très puissants et celui montré ici, a conçu et a construit par Mr Sung de Chine a un pouvoir de la production de 20 kilowatts ou quinze cheval-vapeur:


Et un autre dessin qui a un plus grand diamètre et approximativement 144 aimants ont une production rapportée de 225 cheval-vapeur:


Vous remarquerez que chaque bague d'aimants est placée autour du bord du cylindre qui fournit des pulsations puissantes de 64 aimants chaques 22.5 degrés de rotation plus loin, donc c'est petit émerveillement que le moteur a le pouvoir de l'arbre considérable. Quelques-unes des bobines peuvent être changés pour rassembler le pouvoir si les conditions actives n'ont pas besoin du pouvoir de la production de l'arbre plein, en chargeant la pile de la promenade. Le cylindre intérieur tournant a des aimants permanents montés sur lui.


Le Moteur de l'Aimant de George Soukup.
Là a utilisé pour être une vidéo sur le tissu, en montrant un moteur de l'aimant construit sur le “V” le style de placement de l'aimant qui a deux ensembles d'aimants permanents a espacé comme ceci:



Ce style d'arrangement de l'aimant (aimants Nord montrés dans bleu et Vers le sud dans rouge) a un fermant à clé point où le changement de largement espacement resserrer l'espacement a lieu et cela cause la rotation d'arrêter là.

La mise en oeuvre montrée dans cette vidéo a les aimants V espacés plutôt plus largement séparément comme montré ici:



La bougie est prononcée avec un intervalle intérieur quelques quatre fois plus grand que l'intervalle à la bague externe beaucoup plus peu. Il paraît aussi que le dernier aimant intérieur a un plus grand intervalle autour du tambour que la restant bague d'aimants.

Le logement est regarder très simple, avec une bague également espacée de douze trous prendre de longs aimants avec Nord alternant et Sud ont aimanté des régions le long de leur longueur. Vous remarquerez des photographies, ce George a des cavités pour prendre douze tas d'aimants du stator, bien qu'il en utilise tout cinq pour ses démonstrations seulement.



Le logement a la liquidation considérable pour le tambour et aimants. L'arbre porter arrière est mis dans le dos du logement juste:



Le devant a deux draps de fibre acrylique, un tenir les aimants de l'encart dans place et un pour fournir le support de la portée du devant de l'arbre:



Comme là aucun commentaire n'est avec la vidéo c'est un peu difficile de ramasser tous les détails, mais il paraît que placer des aimants du stator permet au moteur de vaincre le point collant normal de l'arrangement du V - Moteur typique. La vidéo montre plusieurs arrangements y compris le groupement non - symétrique montré ici où quatre ou cinq aimants consécutifs sont utilisés et les restant fentes sont parties vide:


Cela ressemble à un design qui pourrait valoir la peine d'enquêter davantage comme l'implémentation montrée dans la vidéo a l'air d'opérer très bien.

Si vous aimeriez faire un moteur simple de ce type, alors les renseignements fournis par Dietmar Hohl vous montrent comme. Il utilise 20 diamètre du mm aimants du neodymium ronds 10 partie charnue du mm, empilée dans les paires dans le stator de cette disposition,:



Cela montre un arrangement de la barrière aimanté construit sur un morceau plat de Fibre de bois de Densité Moyenne 30 partie charnue du mm. Les trous forés dans lui sont 20.1 mm dans diamètre et ont placé donc comme prendre deux des 10 mm les aimants épais ont empilé ensemble. Les trous sont forés à un angle de 63 degrés à l'horizontal ou 27 degrés au vertical, n'importe quel chemin que vous préférez en penser à. Sur un côté du comité, les aimants insérés ont leurs perches Nord qui font face vers le haut, pendant que sur l'autre côté du comité, les aimants sont insérés avec leurs perches Du sud qui font face vers le haut. Dietmar montre six trous pour prendre des verrous ou des vis pour attacher le morceau de MDF à un plus grand comité ou table. Ce ne forment pas toute partie du système aimanté et peuvent être omis. Une vidéo d'une version de lui dans action peut être trouvée ici.

La barrière opère en causant un tas de dix des aimants de rouler le long de la piste V - Façonnée et laissez-passer doucement à travers la jonction avec les prochains mettez d'aimants V - Placés. Il peut y avoir comme beaucoup de ce V - Sets comme vous veuillez et l'aimant empile continuera à rouler encore. C'est une de la peu de barrière aimantée conçoit qui adapte pour battre du tambour l'opération comme un rotor du moteur.

Les aimants sont placés à un angle pour utiliser les champs aimantés au bord des aimants. Ils sont empilés dans les paires pour augmenter leur pouvoir. Le pouvoir du moteur dépend en vertu des aimants, comment proche les tas de l'aimant du stator sont aux VF - Piste aimants et le nombre de tas d'aimants du stator. Si vous décidez de construire un de ces moteurs, alors il est suggéré que vous faites des choses pour vous en gardant la courbure bas plus facile, utiliser trois ou quatre du Contre With Dietmar’s dimensions, a 2-V drum would be 216.5 mm (8.5”) in diameter, a 3-V drum would have a 325 mm (12.8”) diameter and a 4-V drum a diameter of 433 mm (17”) and those dimensions include the 30 mm (1 3/16”) strip which holds the magnets, so the inner drum diameters are 30 mm less in each case.

Quand faire le moteur battre du tambour, c'est possible d'utiliser une matière flexible pour tenir les aimants. Cela permet à la bande d'être mis dehors appartement pendant que les trous sont forés, et alors a attaché à l'en dehors d'un tambour rigide avec un 60 mm diamètre moindre que ceux ont mentionné au-dessus. Une gigue peut être faite pour faire forer les trous plus facile:



Celui-ci a eu une longueur de pipe cuivre insérée à l'angle correct pour diriger la foreuse a mordu à l'angle exact exigé. Ce moteur a été reproduit utiliser 10 aimants du mm qui étaient donner avec succès, et encore avec aimants carrés qui étaient donner, a poussé dans trous du rond et pas même a orienté dans cette mise en oeuvre preuve - de - concept que seulement a pris une heure pour construire utiliser matière du petit morceau pour donner, et lequel a travaillé:



Avec le dessin de Dietmar qui utilise l'aimant des angles assortit, le nombre d'aimants eu besoin est assez haut. Pour un V seul, il y a 58 aimants. Pour une 2-V version, 106 aimants. Pour une 3-V version, 154 aimants et pour une 4-V version, 202 aimants s'il y a seulement un tas d'aimants du stator, donc dix aimants supplémentaires ont besoin d'être ajouté au compte pour chaque tas de dix aimants supplémentaire d'aimants du stator. Est possible que le pouvoir du moteur augmente comme le diamètre augmente comme le bras du levier que l'aimant doit tourner le tambour, augmentations–double le diamètre à (presque) double le pouvoir.



Moteurs Simple Aimant Permanent
Il est très difficile d'utiliser la puissance des aimants permanents pour faire un moteur alimenté par eux seuls. La conception de Dietmar Hohl montrée ci-dessus est l'un des rares qui peut facilement fabriquer et testé à la maison. Le problème est que presque tous les aimants ont un champ magnétique symétrique, alors que ce qui est nécessaire pour un moteur alimenté par aimant est un champ magnétique asymétrique. Par conséquent, aimants doivent être combinées de façon à fausser leur forme un champ normal. Vous remarquerez que dans le Hohl automobiles, les aimants en voiture sont inclinées et qui est une caractéristique importante de l'utilisation des aimants dans les moteurs.

Les écoles qui enseignent actuellement le domaine entourant un bar aimant est comme ça:


Cela est déduit par diffusion de limaille de fer sur une feuille de papier qui s'est tenue autour de l'aimant. Malheureusement, ce n'est pas une déduction correcte comme la limaille de fer fausser le champ magnétique en leur présence, chacun devient un aimant miniature dans son propre droit. Mesure plus attentive montre que le domaine effectivement produit par une barre aimant est comme ça:


Il ya beaucoup de lignes de force, bien que ces diagrammes ne montrent que deux d'entre eux. En réalité, les lignes de force dans les coins ventilateur en trois dimensions, avec des lignes circulaires coulant courbes au-dessus du haut de l'aimant, les lignes circulaires en dessous de la face inférieure de l'aimant. Ces lignes de force sont à peu près sous la forme d'un ballon de football avec le coin de l'aimant au centre du ballon. En fait, il ya beaucoup de couches de ces lignes de force magnétique, il est donc comme avoir toute une série de ballons de football progressivement plus en plus gros centrées sur le coin de l'aimant. Il est extrêmement difficile de tirer ces lignes et de leur montrer clairement. Le livre de Howerd Johnston "The Secret World of Magnets" ("Le Monde Secret des Aimants") vous donnera une bonne idée des lignes réelles de force autour d'une barre aimantée. La disposition de ces lignes de force magnétique est généralement pas connu et si vous «lignes magnétiques de la force des images de Google, vous ne trouverez que la fiction enseignée dans les écoles. Cependant, le fait important est qu'il ya un champ magnétique tournant à chaque coin d'un aimant de bar typique. Il en résulte donc que si une rangée d'aimants est placé à un angle, alors il y aura un champ net résultant dans une seule direction.

Par exemple, si les aimants sont tournés quarante-cinq degrés vers la droite, puis le résultat serait comme ça :


Avec cet arrangement, les coins opposés des aimants, comme illustré ici, sont plus bas et donc il devrait y avoir une force magnétique nette, poussant vers la droite, juste au-dessus de l'ensemble des aimants. Toutefois, la situation n'est pas aussi simple et directe comme vous pouvez l'imaginer. Les lignes de force magnétique supplémentaires qui n'ont pas été montrées dans le diagramme ci-dessus, agir davantage à partir des aimants et interagissent, créant un champ complex de magnétique composite. Il est fréquemment constaté qu'après quatre ou cinq des aimants qui un fossé court doit être à gauche avant la ligne d'aimants continue sur.

   

Deux garçons ; Anthony et Andreas, ont utilisé cet arrangement aimant pour créer une piste magnétique, et ils ont beaucoup de plaisir, envoyant un aimant glissant entre deux de ces lignes d'angles aimants. Au départ, ils ont utilisé les aimants en céramique moins chers et a obtenu un mouvement très satisfaisant lorsqu'on utilise un aimant néodyme comme la composante:


Vous remarquerez qu'ils ont réussi une rangée de 18 aimants en céramique sur chaque côté de leur voie et les résultats qu'ils obtiennent sont très bons. Ils ont trois vidéos sur le web à l'heure actuelle:

Video 1

Video 2

Video 3

L'aimant mobile se compose de quatre 12 mm x 12 aimants de néodyme de mm x 12 mm (ou d'un demi-pouce de demi-pouce par demi-pouce) attachés au Nord - Sud - Nord - Sud - Nord - Sud - Nord - Sud:


Ils n'ont pas divulgué tous les détails de ce qu'ils utilisent (accidentellement plutôt que par l'intention). Les aimants du stator en céramique sont 48 mm x 20 mm x 10 mm avec les poteaux sur chacune des faces principales. Ils placent chaque aimant avec son pôle Nord tourné vers la piste, et ils les aimants à 45 degrés d'angle. Il y a un écart de 15 mm entre les aimants du stator et des aimants mobiles des deux côtés de la piste. Bandes en bois directement les aimants mobiles.

Aimants néodyme présentent des caractéristiques très différentes à celles des aimants en céramique (et ce n'est pas seulement la force du champ magnétique). Il n'est pas inhabituel pour les expérimentateurs à trouver que les appareils fonctionneront bien avec un seul type d'aimant, mais pas avec l'autre type. Ici, les développeurs ont également essayé à l'aide de deux séries d'aimants en néodyme inclinée cinq sur chaque côté de leur voie, et le résultat a été une poussée plus puissante sur leurs aimants mobiles.


Les aimants sont maintenus en place dans cette image, par des chevilles en bois enfoncés dans la planche de base. Ils ont utilisaient ces afin d'éviter tout aimant-visserie qui pourrait altérer le champ magnétique.

La prochaine étape serait pour eux alimenter un moteur à l'aide de leur technique de piste magnétique. Cependant, cela a été essayé plusieurs fois et la conclusion est qu'il est très difficile de changer une piste magnétique directement en une seule qui forme un cercle complet. Par conséquent, je propose l'arrangement suivant:


Ici, un rotor simple disque a quatre aimants (du type utilisé pour descendre la piste magnétique) attaché à la face inférieure du disque et positionnée de sorte qu'ils se déplacent à travers quatre ensembles de quatre, ou à l'extérieur, cinq coudé aimants du stator comme le disque tourne. Il importe peu si l'arbre du rotor est horizontal ou vertical. Si le disque tourne bien, des ensembles de deux bobines détectrices d'air-core peuvent être positionnés entre chacun des groupes aimant du stator afin que l'électricité est produite sous le col d'aimants de rotor de frais généraux. Si un constructeur décide d'attacher les deux disques de rotor à l'arbre du un rotor, puis deux rotors doivent être positionnées afin que l'arbre du rotor est poussé 45 degrés de rotation plutôt que chaque 90 degrés comme indiqué ici. Ce type de moteur est certainement dans le cadre de la personne moyenne de construire devraient ils être enclins à le faire.

M'a demandé de dire comment j'ai personnellement irait sur la construction d'un prototype de cette nature. Comme je l'ai très limitées des compétences construction, je le ferais comme ça :

Pour le roulement, je choisirais un ordinateur ventilateur, car ceux-ci sont équipés de roulements très bons et si on est ne pas à la main à l'intérieur d'une vieille, ordinateur obsolète, alors ils peuvent être achetés très, très bon marché. Le diamètre du ventilateur n'est pas important. Ces ventilateurs généralement ressembler à ceci:


Comme la partie du ventilateur qui tourne rond normalement saillie au-dessus du cadre fixe, un disque d'espacement de bois ou de plastique est nécessaire pour fournir le dégagement. Le disque est collé au centre du ventilateur à l'aide peut-être, Impact Evostick, résine époxy ou colle super. Ensuite, il ressemblerait à ceci:


Un morceau de bois carré peut ensuite être vissé à l'entretoise, comme ceci:


Et comme je suis désespéré à la création de dispositifs mécaniques de bonne qualité, j'ai ensuite tenir un crayon très régulièrement contre un soutien et donner le bois un essorage, afin que le crayon dessine un cercle parfait exactement centré sur le palier du ventilateur. Puis, marquant le bois et l'entretoise afin qu'il n'y a aucun doute quant à quel côté ronde, le bois est attaché à l'entretoise, je Dévisser le bois et découper autour de la ligne de crayon très soigneusement, lissage des bords du disque doucement avec papier abrasif fin. Visser le disque en place, une rotation devrait confirmer que le bord du disque reste solidement en place avec aucun chancelante du bord. En fait, si le disque n'est pas parfait, ce n'est pas un problème majeur car il est les aimants de rotor qui doivent être positionnés avec précision, et pour cela, un autre trait de crayon peut être produit en faisant tourner le disque lorsque la position désirée a été déterminée.

Aimants permanents varient énormément en taille et en force, alors quand aimants sont achetés, il s'agit de tests à l'aide d'une piste du type utilisé par Anthony et Andreas. Le stator aimants sont inclinées à 45 degrés environ à la piste et avec juste quatre de chaque côté, il s'agit de trouver l'espacement entre les deux ensembles d'aimants inclinées qui pousse les aimants du stator plus loin le long de la piste.

Bien qu'il soit intéressant de voir un moteur permanent tourner tout seul, nous voulons vraiment qu'il fasse un travail utile, et donc nous montons des bobines de sortie de sorte que les aimants du rotor passent dessus pendant la rotation:


Une méthode efficace de relier les bobines de sortie ensemble vient de Denis Sabourin de la France. Les bobines sont enroulées comme des bobines bi-filaires, c'est-à-dire enroulées côte à côte avec deux longueurs identiques de fil côte à côte, en utilisant 50 grammes de fil de 0,19 mm de diamètre. Ensuite, ils sont connectés par paires et les paires placées en parallèle comme ceci:


Cette méthode de connexion s'est avérée très efficace pour les bobines qui ont des aimants qui passent devant eux et la coutput pourrait être utilisée pour alimenter un Voleur Joule pour charger des batteries:






Muammer Yildiz a développé un moteur de l'aimant permanent puissant, le fait breveter, et le démontré au personnel et étudiants d'une université hollandaise. Pendant la démonstration, la production du pouvoir mécanique a été estimée à 250 watts et le moteur a complètement été pris immédiatement après la démonstration, séparément pour montrer qu'il n'y avait pas de sources du pouvoir cachées. Il y a une vidéo qui montre cette démonstration, localisée ici.

S'il vous plaît notez que c'est une traduction tentée du texte de la langue allemand de son brevet et donc, l'exactitude du contenu n'est pas absolument certaine bien que ce soit possible qu'il soit raisonnablement exact.



EP breveté 2,153,515         2010 de 17e févriers         Inventeur Muammer Yildiz

APPAREIL QUI A UN ARRANGEMENT D'AIMANTS


LE RÉSUMÉ
L'appareil a une promenade axiale tournante arbre 5 supporté afin qu'il tourne à l'intérieur d'un stator 2 qui est entouré par un stator 3 externe. Le rotor est connecté à l'arbre de la promenade fermement. Le stator externe a le dipôle aimants 6 que lesquels sont placés sur la surface intérieure d'un cylindre 9 circulaire. Ces aimants externes sont espacés autour de la surface du cylindre environnant également.



LA DESCRIPTION
Cette invention est un appareil pour produire un champ aimanté alternant qui réagit réciproquement avec un champ aimanté stationnaire. L'interaction d'un champ aimanté stationnaire avec un champ aimanté alternant a été utilisée pour quelque temps, par exemple dans brushless moteurs DC et dans lévitation aimantée.

Un objet de cette invention est fournir un appareil amélioré pour produire un champ aimanté alternant qui réagit réciproquement avec un champ aimanté stationnaire. Cela est accompli comme décrit dans Demande 1, par l'arrangement spécial des aimants du dipôle du stator intérieur, le rotor et le stator externe qui créent un effet aimanté qui garde le rotor qui flotte entre le stator intérieur et le stator externe librement, et cela agit comme une portée aimantée.

Étonnamment, il a été montré que la disposition spéciale des aimants du dipôle du stator intérieur, le rotor et le stator externe pendant rotation du rotor, produit un champ aimanté alternant est lequel autorise un mouvement pour une grande part perte - libre du rotor comme il file entre le stator intérieur et le stator externe. Ce que l'effet très utile peut être utilisé pour une variété de candidatures techniques, par exemple, qu'une portée de particulièrement bas frottement est préférée pour supporter un arbre qui doit tourner à haute vitesse.

Dans la description suivante, quand les termes mathématiques, termes particulièrement géométriques, sont utilisés - termes tel que “parallèle”, “perpendiculaire”, “avion”, “cylindre”, “angle”, etc. comme est typique quand produire des dessins industriels, mais il doit être compris que ces choses ne sont jamais accomplies dans entraînement, dû aux tolérances industrielles des composants. C'est important de se rendre compte par conséquent que cette description fait référence à la situation idéale qui ne sera jamais accomplie. Par conséquent, le lecteur a besoin de comprendre cela accepté généralement les tolérances seront impliquées dans entraînement.

L'arbre de la production file un axe autour, a appelé le “axe de l'arbre.” L'arbre lui-même est construit comme un cylindre droit d'échantillon circulaire de préférence.

Dans une incarnation préférée de cette invention, les aimants projettent hors du stator intérieur légèrement. C'est aussi le cas pour le rotor et le stator externe. Un chevauchement partiel de deux aimants est accompli quand une perpendiculaire plane à l'axe de l'arbre, les laissez-passer à travers les deux des deux aimants et les deux aimants sont considérés pour se chevaucher si cette situation se produit.

Un chevauchement partiel de trois aimants se produit quand une perpendiculaire plane à l'axe de l'arbre traverse à travers chacun des trois aimants. Le degré de se chevaucher n'affecte pas la description et le montant de chevauchement de tout deux des trois aimants peuvent être n'importe quoi de 1% à 100%, où les aimants se chevauchent complètement.

Dans une incarnation en particulier préférée de l'invention, les aimants du stator intérieur et le rotor sont capables d'aligner complètement. En plus de ceci, le stator externe est construit afin qu'il peut être tourné autour de l'axe de l'arbre afin que la proportion du contact entre les aimants du rotor et les aimants du stator externe peut être ajustée pour donner tout degré de chevauchement de 0% à 100%.

Trois cylindres imaginaires sont produits. Un par les aimants du stator intérieur, une seconde par les aimants du rotor comme ils filent autour de l'axe de l'arbre et le troisième est créé par les aimants du stator externe. Les haches de ces trois cylindres sont le même comme l'axe de l'arbre.

Idéalement, le rotor aura la forme d'un tambour ou une tasse, c'est, un cylindre creux avec un échantillon circulaire ou un morceau de pipe dont un visage de la fin est couvert par disque circulaire. Dans le centre du disque, le rotor a un trou à travers qui les laissez-passer de l'arbre. Le disque peut avoir aussi un col qui est utilisé pour serrer le rotor à l'arbre au moyen d'un verrou qui traverse l'arbre de la promenade ou par vis du ver tapotés dans le col. N'importe quel méthode est utilisée, l'assemblée de l'aimant du rotor est connectée à l'arbre de la promenade solidement. L'usage d'un serrant vis a l'avantage de permettre au rotor d'être pris pour entretien ou réparation séparément. La section du cylindre creuse du rotor, est arrangé afin qu'il y a un petit intervalle de l'air entre lui et les deux le stators intérieur et externe.

Le cylindre du rotor creux en a deux, ou plus, les aimants permanents sont montés sur lui. Ceux-ci sont espacés autour de la circonférence du cylindre du rotor également et sont placés donc comme être parallèle à l'axe de l'arbre de la promenade. Le stator externe est cylindrique dans forme et entoure le rotor, en laissant un petit intervalle de l'air entre eux et c'est axe a aligné avec l'axe de l'arbre de la promenade. Idéalement, les aimants sont montés sur le dans le cylindre du stator externe, est aligné avec l'axe de l'arbre de la promenade et leurs visages de la perche sont à angles droits à l'axe de l'arbre. C'est, une ligne tirée à travers la perche Nord et Du sud fait face de ces aimants pointera à l'arbre de la promenade, et donc un visage de la perche fera face au rotor.

C'est aussi possible pour les aimants du stator externe être tringle - façonné et former une bague complète autour du visage intérieur du cylindre du stator externe. Si cela est fait, alors les bagues aimantées ont besoin d'être séparé de l'un l'autre par spacers non - aimanté et la longueur entière du stator externe sera couvert avec ces bagues aimantées et spacers. Dans ce cas, les stators intérieurs et externes sont montés dans un rapport fixe à l'un l'autre au moyen de supports ou autres méthodes de l'installation.

Idéalement, le rotor est tenu dans place par les champs aimantés des deux stators et “flotte gratuitement” entre eux. C'est la méthode préférée. Cependant, c'est possible pour l'arbre de la promenade courir la longueur entière de l'appareil et être supporté dans les portées du rouleau.

Une construction possible est avoir les deux du stators fait dans deux parties séparées. Ceux-ci ont besoin d'être parent exactement symétrique à l'axe de l'arbre de la promenade. Être capable d'ajustement du rotational relatif au stator intérieur qui toujours a une place fixe peut aussi être arrangé aux morceaux du stator externes. Une autre option avec cet arrangement particulier est avoir la distance des composants du stator externes réglable, afin que l'intervalle de l'air entre le rotor et les aimants du stator externes peuvent être ajustés manuellement.

Un angle “alpha” est défini comme l'angle entre l'axe aimanté d'un aimant du stator intérieur et une tangente à la circonférence du stator intérieur à ce point. Un angle “bêta” est défini comme l'angle entre l'axe aimanté d'un aimant du rotor et une tangente à la circonférence du rotor à ce point. Un angle “gamma” est défini comme l'angle entre l'axe aimanté d'un aimant du stator externe et une tangente à la circonférence du stator externe à ce point. Dans une incarnation préférée de cette invention, chacun de ces angles est entre 14 degrés et 90 degrés.

C'est un avantage particulier si les aimants permanents de les deux le stator intérieur et externe ont un non plus un échantillon rectangulaire ou trapézoïdal quand vu comme être coupé par une perpendiculaire plane à l'axe de l'arbre. C'est aussi particulièrement avantageux si les aimants du rotor ont un échantillon circulaire quand a envisagé comme être coupé par cet avion perpendiculaire à l'axe de l'arbre. Les autres, non - symétriques échantillons de l'aimant sont possibles, tel que trapézoïdal, triangulaire, ou a façonné des sections en colère irrégulièrement.

C'est possible pour tous les aimants du stator intérieur pour avoir des formes identiques. De la même façon, c'est possible pour tous les aimants du stator externe pour avoir des formes identiques. C'est aussi possible pour tous les aimants du rotor pour avoir la même forme. Cependant, le positionnement du Nord aimanté et perches Du sud des plusieurs aimants ne sera pas place comme identiquement sera vu de la suivant description détaillée.

Les aimants du stator intérieur, le rotor et les stator externes ont une orientation aimantée qui les cause de repousser l'un l'autre à chaque place anguleuse du rotor. Par exemple, les aimants du stator intérieur peuvent avoir leurs perches Nord qui font face à extérieurs et dans ce cas, les aimants sur le rotor auront leurs perches Nord qui font face à inwards vers le stator intérieur. De la même façon, les aimants du stator externe auraient leurs perches Du sud qui font face à inwards pour repousser alors le (externe) perches Du sud des aimants du rotor.

Traits supplémentaires, détails et avantages de l'invention seront apparents de la description suivante d'une incarnation de l'invention et les dessins associés comme montré ici:



Fig.1 est une représentation schématique de l'appareil.













Fig.2a est une vue oblique du stator intérieur sans aimants et Fig.2b est une vue du stator intérieur à angles droits à l'axe de l'arbre.







Fig.3 montre un arrangement de l'aimant pour le stator intérieur







Fig.4 est une section à travers le stator intérieur, le long de la ligne A--A a indiqué dans Fig.12b







Fig.5a est une vue de l'appareil de l'attache perpendiculaire à l'axe de l'arbre et Fig.5b est une vue de l'appareil de l'attache dans la direction de l'axe de l'arbre









Fig.6 est une vue de la perspective du rotor







Fig.7a est une vue schématique du stator intérieur et rotor. Fig.7b est un diagramme d'angle possible de l'axe aimanté des aimants dans le rotor







Fig.8a montre l'arrangement aimanté du rotor, le long de la direction X--Y a indiqué dans Fig.16. Fig.8b est une vue détaillée du rotor montrée dans Fig.8a.







Fig.9a à 9h exposition les angles d'ensembles d'aimants ont installé dans le rotor quand a envisagé du côté. Ceux-ci sont montrés dans plus grand détail dans cette description plus tard.







Fig.10 montre les places de ficelles de l'aimant enfoncées dans le rotor. Ceux-ci sont donnés dans plus de détail plus tard.







Fig.11 montre l'arrangement d'aimants sur stators et le rotor, montrés comme une section le long de l'axe de l'arbre.







Fig.12a montre l'arrangement de cylindre et nageoires sur le rotor avant les aimants du rotor est installé dans les espaces entre les nageoires.







Fig.12b montre l'arrangement des aimants du rotor, comme vu dans une vue à angles droits à l'axe longitudinal du rotor.







Fig.13 montre le positionnement marché des aimants du rotor. Cette vue montre la surface du rotor et c'est arbre, s'est ouvert et a mis à plat. C'est, l'exposition du rectangle ici est la totalité de la surface cylindrique du rotor réellement. Dans cette vue, les nageoires entre les aimants ne sont pas exposition pour accentuer la marche des aimants relatif à l'un l'autre.


LA DESCRIPTION DÉTAILLÉE




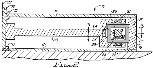
Fig.1 montre une représentation schématique de l'appareil qui a un stator 2 intérieur, un rotor 1 et un stator 3 externe, lesquels sont arrangés le coaxially autour de l'arbre axe 50 d'un pivotant arbre 5 tringle - façonné. Le stator 2 intérieur cylindrique a à chaque fin, une fin casquette 13 que lequel est dans la forme d'un disque circulaire avec une balle course que la portée 11 est montée sur lui. La portée 11, maintient la place du stator 2 intérieur relatif à arbre 5. La promenade que l'arbre 5 est fait d'une matière non - aimantée tel que plastique normalement, (pas acier) et typiquement, a un diamètre de 10 mm à 40 mm et une longueur de 100 mm à 400 mm.

Le stator 2 intérieur a un coeur 12 avec aimants 8 montés sur lui est surface externe. Le stator 2 intérieur est tenu stationnaire par une installation appareil 4 qui s'est procuré dans place dans un logement mécanique (ne montré pas), et est tenu arrangé dans ce chemin fermement.

Le rotor 1 consiste en deux rotor de la miroir - image bat du tambour, chacun avec une section de la pipe et une section du disque circulaire qui sont serrées pour conduire l'arbre 5 au moyen de ver rigidement en visse 10. Chacun des tambours du rotor a des aimants 7 montés sur lui. Ces aimants 7, est placé dans cinq places distinctes et ils ont une perche aimantée qui fait face vers l'arbre et l'autre perche qui fait face à extérieurs radialement.

Les tambours du rotor sont placés afin qu'il y a un intervalle de l'air cylindrique entre eux et les stator 2 intérieurs. Cet intervalle de l'air est de l'ordre de 3mm à 50 mm habituellement. Bien que les deux que demis du rotor sont séparés par le serrant mécanisme 4 lequel prévient le stator intérieur de tourner, le rotor divise en deux est placé afin que les aimants dans eux sont équilibrés et ainsi il n'y a aucune force irrégulière produite quand l'arbre 5 est filé à haute vitesse. Aux fins des tambours du rotor il y a des aimants 700 comme l'objectif de ce dessin est avoir le rotor suspendu magnétiquement.

Le stator 3 externe est composé de deux demis cylindres 9 séparés. Chacun de ces cylindres 9, contient des aimants 6 montés sur lui est visage intérieur. Bien que chaque section du stator externe consiste en un cylindre creux, les fins externes du stator loger la forme un disque complet qui entoure la promenade arbre 5 et former une clôture complète plutôt que laisser l'appareil ouvert aux fins. Il y a un intervalle de l'air entre les visages des aimants montés sur la surface intérieure du cadre 9 cylindrique et les visages des aimants montée sur le rotor. Ces ensembles de visage des aimants l'un l'autre et l'intervalle de l'air entre eux sont aussi typiquement 3 mm à 50 mm. Les aimants sur chacun du stators sont parallèle à l'arbre axe 50. Le stators externe est construit afin qu'il peut être déplacé relatif au stator intérieur, donc changer leur chevauchement aimanté. Cette modification peut être faite en déplaçant le stator externe quand le moteur est réellement courant.

Les aimants ont désigné 6, 7, et 8, est des aimants du dipôle et dans une incarnation préférée, ce sont aimants permanents, par exemple, consister en SmCo (cobalt du samarian) et-ou NdFeB (néodyme/fer/bore). C'est aussi possible pour un ou plus de ces aimants être un électro-aimant. La densité du flux aimantée des aimants 6, 7, et 8 sont dans une gamme de 0.4 à 1.4 Tesla de préférence.

Le cadre est fait d'une matière non - aimantée tel qu'aluminium avec une épaisseur du mur de 2 mm de préférence à 10 mm.



Fig.12a montre un cadre du stator intérieur fait d'une matière non - aimantée (tel qu'aluminium ou cuivre). Le cadre 12 a un cylindre 120 circulaire lequel a attaché à lui est surface externe, radial en garnit de côtes 121. Chacun de ces côtes étend le long de l'axe central du cylindre 120 le long de la longueur pleine du cylindre, c'est, de son ' basez à la surface du sommet. Les côtes sont distribuées sur la circonférence du cylindre uniformément, en formant des rainures 122. Le cylindre 120 a un trou central le long de lui est axe pour arbre 5 pour traverser. Les deux des surfaces de la fin de cylindre 120 sont encastrés pour accommoder une de la balle portées 11. Le diamètre du stator le coeur 12 est 50 mm à 500 mm avec une longueur de 100 mm à 300 mm typiquement. La largeur des côtes 121 n'est pas plus de 100 mm généralement et est 20% de la longueur des côtes 121 habituellement approximativement.



Fig.12b montre une représentation schématique du stator 2 intérieur. Le stator 2 intérieur est composé du stator intérieur cadre 12, les aimants 8 et la fin en couvre 13. Les aimants 8 sont de longueur égale mais leur longueur est moins que la longueur du stator coeur 12. Ces aimants forment la surface externe du stator. Ils se sont assis dans les rainures 122 et ont contenu dans place par les côtes 121. Le premier aimant 8-1 est inséré le rougeoiement avec la fin casquette 13. Les autres aimants 8 chacun a une compensation axiale V le long de l'arbre axe 50 arrangé afin qu'il y a une marche égale des aimants avec le dernier aimant 8-10 qui donne un coup de tête à contre la deuxième fin plaque 13. La compensation axiale V est l'intervalle total total W a divisé par (n - 1), où n est le nombre d'aimants et donc, V varie avec le nombre d'aimants utilisé. Dans un arrangement typique, V est 5% de la longueur des aimants 8.

La fin couvre 13 ont un diamètre de 50 mm à 500 mm et une épaisseur de 5 mm à 20 mm. Une longueur typique pour les aimants 8 est 100 mm. Les dimensions de l'aimant sont arrangées afin que quand ils sont placés dans les rainures 122, le stator 2 intérieur a une surface externe substantiellement constante.



Fig.13 montre une vue ouverte dehors de la surface externe du stator 2 intérieur. Ici, dix aimants 8 sont arrangés avec même espacement. Le sous côté de la bougie des aimants dans la direction de l'arbre axe 50 et donc ils ont une largeur moindre près le centre du stator qu'ils font à la surface extérieure. Le premier aimant 8-1 est placé avec son visage de la fin aligné avec le bas 125 du stator intérieur en enlèvent le coeur 12. Le restant neuf aimants (8-2 à 8-10) est chaque compensation par le montant V avec le dernier aimant 8-10 qui arrive à la surface du sommet du stator intérieur coeur 126.



Fig.14 montre un échantillon à travers le stator 2 intérieur le long de l'avion A--A de Fig.12b. Le stator 2 intérieur a un cylindre 120 creux à travers qui l'axe central de l'arbre 5 laissez-passer. Courir le long de la surface externe du cylindre est les côtes 121. Le cylindre 120 creux a un diamètre de 100 mm et une longueur de 170 mm typiquement. Dans les intervalles formés entre les côtes 121 que les aimants 8 sont placés. Quand vu dans l'avion A--A ceux-ci les aimants ont un échantillon trapézoïdal. Ces aimants ont deux perches aimantées et les aimants est placé afin que l'axe 80 aimanté quelles courses à travers les deux perches sont radiales dans l'avion de la section A--A. Un angle α [alpha] a formé à l'intersection du dipôle aimanté axe 80 d'un aimant 8 et le tangent 81 aux côtes 121 peuvent avoir une valeur entre 14 degrés et 90 degrés. Dans le cas montré dans Fig.14 l'angle alpha est 90 degrés.



Fig.15a montre l'appareil 4 à l'attache dans une vue perpendiculaire à l'arbre axe 50. L'attache l'appareil 4 a un cylindre 40 creux intérieur avec un plus petit rayon et une bague de la fixation externe plaque 41 avec plus grand rayon. Le cylindre 40 creux intérieur et l'attache de la bague externe la plaque 41 est connectée ensemble. Le cylindre 40 creux est utilisé pour recevoir et arranger le stator 2 intérieur au moyen de vis 10. L'attache la bague 41 fait partie d'un logement mécanique (ne montré pas) pour tenir l'appareil placé fermement.



Fig.15b montre l'appareil 4 à l'attache dans une vue dans la direction de l'arbre axe 50. La bague de l'installation que la plaque 41 a à lui est périphérie, quatre en vissent 10 pour attachement au logement mécanique du cylindre 40 creux que lequel porte sa circonférence, plusieurs en visse 10 pour arranger le stator intérieur dans place.



Fig.16 est une vue du rotor 1 qui est serré à arbre 5 au moyen des vis 10. Le rotor 1 consiste en deux tambours séparés attachés à un arbre creux central. Monté dans sa surface externe est une série d'aimants 7 coulée dans trous circulaires. Le rotor lui-même est construit utiliser une matière non - aimantée tel qu'aluminium ou cuivre. La distance entre les deux tambours du rotor est 15 mm et ils ont un diamètre externe de 165 mm, une hauteur de 70 mm et une épaisseur du mur de 26 mm. Chaque tambour du rotor a une surface du sommet disque 102 annulaire dans que deux ou plus d'aimants 700 sont coulés. Ceux-ci sont placés autour de la circonférence du disque uniformément comme montré dans le diagramme. L'axe du dipôle aimanté d'aimants 700 est parallèle à l'arbre axe 50.



Fig.17a est une représentation schématique des orientations possibles du rotor aimants 7 quand vu comme envisagé regarder parallèle à l'arbre axe 50. Le dipôle aimanté axe 70 de rotor les aimants sept sont dans un avion qui est radial à l'arbre axe 50. L'angle β [bêta] entre le dipôle aimanté axe 70 et les 71 cassures tangentes à travers la périphérie externe du cylindre 101 creux du rotor 1 et cet angle peuvent avoir des valeurs entre 14 degrés et 90 degrés.



Fig17b est une vue schématique d'un tambour du rotor et partie du stator 2 intérieur, où la vue est perpendiculaire à l'arbre axe 50. Le rotor 1 est serré à l'arbre 5 par les vis 10 et a contenu dans place rigidement. L'arbre 5 laissez-passer à travers une balle qui porte l'encart dans le stator 2 intérieur et donc peut tourner relatif au stator intérieur librement. Le rotor a deux tambour, ou en forme de cloche, sections qui entourent le stator intérieur. Le rotor 1 a une section 101 cylindrique creuse qui étend loin du sommet surface 102. Depuis que le stator intérieur est arrangé et a prévenu de rotation par lui ancre l'appareil (composant 4 dans Fig.1), le rotor file le cylindre 101 creux il autour. Le cylindre 101 creux de rotor 1 est séparé du stator 2 intérieur par un intervalle de l'air annulaire G1. Le cylindre 101 creux de rotor 1 a des aimants 7 coulés dans trous dans lui. Le sommet la surface 102 du rotor 1 a aussi des trous dans lui et ceux-ci sont utilisés pour installer les aimants 700 dans lui.



Fig.18a montre les surfaces externes des deux demis du rotor en battent du tambour 1 vergé dehors appartement au lieu d'a courbé dans un cercle dans le X--Y rabotent montré dans Fig.16. Cette surface est perpendiculaire à l'arbre qu'axe 50 et lignes d'aimants 7 sont placées dans les lignes 701 à 708. Chacun de ces lignes est compensé par rapport à la ligne à côté de lui légèrement, en résultant en une disposition du zig-zag des aimants 7.



Fig.18b montre, dans détail agrandi, le positionnement des aimants 7 montré dans Fig.18a. Les centres des aimants 7 dans les lignes 705 et 706 ont une séparation constante f entre leurs bords. La distance entre toutes deux lignes adjacentes, dites, 705 et 706, est choisi afin que l'arrangement est comme montré dans Fig.18b avec séparation aimantée constante de longueur d entre les bords des aimants dans les lignes adjacentes. Par exemple, les aimants 7051 et 7052 sont la même distance comme aimants 7061 et 7062 la ligne 706 adjacente exactement séparément. Aussi, les centres des trois aimants 7051, 7052 et 7061 forme un triangle isocèle. Ce rapport contient pour tous les aimants dans toutes les sept séries 701 à 708. Bien que les aimants 7 soient montrés dans les diagrammes comme être circulaire, ils pourraient être bien d'autres formes tel que carré ou hexagonal.

La longueur que d aligne d'approximativement 3 mm à 50 mm. Une distance qui est préférée en particulier, est 5 mm. La distance gammes f d'approximativement 10 mm à 70 mm.



Fig.19a montre une section longitudinale à travers le logement mécanique pour l'appareil, c.-à-d. une parallèle de la section à l'arbre axe 50. Le logement mécanique inclut le support morceau 4 pour serrer le stator 2 intérieur pour le prévenir de tourner, la montagne 19 pour guider le mobile demis du stator 3 externe, et une rotation a enfilé la tringle 14 lequel peut déplacer les deux demis du stator 3 externe relatif à l'and/or du rotor le stator 2 intérieur. L'équipement l'arbre 14 a deux sections enfilées avec fils qui courent dans les directions du contraire (fils droits et gauches). La rotation de cet arbre cause les deux demis du stator externe qui loge pour installer une manière symétrique dans les directions du contraire, les inwards ou les extérieurs. Le guide les appareils 19 sont montés sur l'équipement arbre 14 et donc ils installent un avion seulement. Les sections 9 cylindriques externes quelle maison que les stator 3 externes sont attachés à la fin fermement en couvre 19. Typiquement, ce logement mécanique a une hauteur de 400 à 600 mm, une largeur de 400 mm et une profondeur de 530 mm.



Fig.19b est une section à travers le stator 3 externe, l'avion de la section est perpendiculaire à l'arbre axe 50. Le stator 3 externe a arrangé dans il, une bague d'attaches 18 non - aimantées entre que les aimants 6 se sont procurés. Pour raisons de clarté, seulement quelques-uns des aimants 6 sont montrés bien que ces aimants soient montés sur la circonférence entière du stator 3 externe. La dimension des aimants 6 et les attaches 18 non - aimantées est choisie afin qu'ils forment un cylindre creux dont l'axe central est dans la direction de l'arbre axe 50. Le dipôle aimanté l'axe 60 des aimants 6 est perpendiculaire à l'arbre axe 50. Un angle γ [gamma] entre le dipôle aimanté axe 60 et un tangent 61 à la périphérie externe de la cavité le stator 3 externe cylindrique est entre 14 degrés et 90 degrés. Le stator 3 externe est connecté à l'installation bloc 4 qui inclut l'installation colonnes 20.



Fig.20 est une vue de la perspective du logement mécanique pour l'appareil. Le logement a à les deux fins une fin plaque 21a, 21b, que lesquels sont connectés par quatre installation piliers 20. Dans la région centrale entre ceux-ci terminez plaque il y a l'installation plaque 4 pour fixer le stator 2 intérieur. Le centre de chaque fin a un trou pour permettre à la promenade arbre 5 de passer à travers. Sur la quatre installation colonnes 20, la fin mobile en plaque 19 le logement divise en deux quel support du stator 3 externe est montré. Ceux-ci sont déplacés par la rotation de l'arbre 14 enfilé (ne montré pas dans cette vue).



Fig.21 montre les places relatives des aimants 6 du stator 3 externe, les aimants 7 du rotor et un des aimants 8 du stator 2 intérieur dans une incarnation préférée. L'ordre fait référence à une situation dans qui les deux que demis du stator 3 externe sont déplacés vers l'un l'autre aussi loin que possible. Cette situation résulte en un chevauchement complet des trois couches aimantées. La perche Nord du dipôle aimants 6, 7 et 8 sont indiqués avec la lettre N et les perches Du sud avec la lettre S.

L'intervalle de l'air G1 entre la périphérie externe du stator 2 intérieur et la périphérie intérieure du rotor 1, et l'intervalle de l'air G2 entre la périphérie externe du rotor 1 et la circonférence intérieure du stator 3 externe, peut être n'importe quoi de 3 mm à 50 mm.



Fig.22 montre l'arrangement des trois aimanté en pose en couches 6, 7 et 8 comme vu dans un avion en colère d'un groupe B--B perpendiculaire à l'arbre axe 50, comme dans premier dans une incarnation préférée est localisé sur le stator 2 intérieur sur la périphérie externe du stator intérieur uniformément les aimants 8 ont distribué dix heures. Chaque demi du stator 3 externe a dix-huit aimants 6 distribués autour de la circonférence de chacun des deux cylindres uniformément. Les aimants 6 ont un échantillon trapézoïdal. Fig.22 montre des aimants 6, 7 et 8, à une orientation préférée du dipôle. La perche Nord d'aimants 6, 7 et 8 sont indiqués par la lettre N, et leurs perches Du sud avec la lettre S.

La proportion préférée du nombre d'aimants 8 sur le stator 2 intérieur, le nombre d'aimants sur les deux tambours du rotor du rotor 1 et le nombre d'aimants 6 sur les deux demis du stator 3 externe sont montrés dans cette table:





Fig.23a montre une dimension préférée d'un aimant 6 du stator 3 externe. L'aimant 6 a, dans la direction de l'arbre axe 50, une longueur de 75 mm, une hauteur de la section en colère trapézoïdale de 50 mm et une largeur de 25 mm au sommet, qui effile à 20mm au fond.



Fig.23b montre une dimension préférée d'un aimant 8 pour le stator 2 intérieur. L'aimant 8 points dans la direction de l'arbre axe 50 et a une longueur de 100 mm, une hauteur de la section en colère trapézoïdale de 25 mm. La ligne de base du trapézoïde a une longueur de 25 mm et le côté opposé de la ligne de base à une longueur de 10 mm.



Fig.23c montre une incarnation préférée d'un aimant 7 de rotor 1. L'aimant 7 est cylindrique avec le dipôle aimanté axe 70 qui coïncide avec l'axe longitudinal du cylindre. Le cylindre a une hauteur de 20 mm et un diamètre de 20 mm.

Il doit être compris que les dimensions de l'aimant peuvent varier par autant de 50% des valeurs mentionné ici et là est, en effet, autres variations qui peuvent utiliser des dimensions de l'aimant à l'extérieur de cette gamme.


La Suggestion du Rotor Jumelle.
Quand vous considérez protéger des aimants qui utilisent du fer ou acier, vous avez besoin de se souvenir que les aimants du frigidaire collent aux réfrigérateurs parce que les réfrigérateurs sont faits d'acier. Cela démontre le fait qu'il y a une attraction entre aimants et fer ou acier. Par conséquent, si un aimant est protégé avec acier afin qu'il bloque la totalité du champ aimanté de l'aimant, un deuxième aimant sera attiré à ce métal qui protège matière. À ici y a, à présent, une vidéo par “magneticveil” où il propose l'usage de ce trait de protéger simple dans la construction d'un moteur de l'aimant.

Il suggère d'utiliser deux rotors s'est embrayé ensemble. Les rotors ont des aimants sur eux, mais pour les besoins d'explication, seulement une paire d'aimants est montrée ici:



Chaque aimant est attiré à la matière du bouclier du métal entre les rotors. Cela cause les rotors de tourner dans la direction montré par les flèches rouges. Les aimants sont attirés au point le plus proche au bouclier qu'ils peuvent atteindre comme montré ici:



À ce point vous attendriez les rotors cesser de déplacer et fermer à clé dans une place stationnaire. Cependant, l'idée intéressante est ajuster la forme du bouclier comme ceci:



À la fin du bouclier, sa largeur est réduite et a effilé afin que le champ aimanté de l'aimant derrière lui égale l'attraction de l'aimant sur le côté proche du bouclier exactement. Cela a l'effet de donner une zone complètement neutre à la pointe du bouclier, avec non plus une attraction ou une répulsion dans cette région. Le degré d'effiler dépend en vertu des aimants, l'épaisseur et matière du bouclier et l'espacement entre les aimants et le bouclier, et il a besoin d'être découvert par expérience.

Cette zone neutre cesse d'il y avoir une traction majeure entre les aimants et le bouclier, et donc la vitesse emporte les rotors sur passé la fin du bouclier. Cela produit une situation comme ceci:



Ici, les aimants ont déplacé devant le bouclier et repoussés l'un l'autre fortement. Ils sont au-delà les essieux des rotors, donc la repoussant force produit un effet de la rotation sur chaque rotor. C'est la situation avec seulement une paire d'aimants, mais chaque rotor aura beaucoup d'aimants sur lui. Cela produit un effet de la rotation supplémentaire. Considérez juste une autre paire d'aimants, dans la même place comme notre premier diagramme,:



La traction entre les aimants “A” et le bouclier, ajoute à la rotation causée par la poussée entre les aimants exposé. Cet arrangement d'aimants et bouclier devrait permettre la rotation continue de rotors et le moteur peut être arrêtée en enlevant le bouclier.

Il devrait être noté que cet arrangement utilise des aimants dans mode de la répulsion. C'est, les perches faisant face extérieures des aimants sur les deux les rotors sont le même. Il y a eu des rapports de moteurs de l'aimant permanents où les aimants étaient dans mode de la répulsion, et pendant que ces moteurs ont bien couru, il a été trouvé qu'après approximativement trois mois, les aimants ont perdu leur magnetisation. Si possible, les aimants devraient être utilisés dans leur mode de l'attraction. Ce n'est pas possible dans l'arrangement de rotor jumeau précité, donc si on est construit, ce peut être une bonne idée pour arranger la construction physique dans un tel chemin que les aimants du rotor peuvent être enlevés facilement. Cela autorise remagnetisation des aimants, ou ou bien, leur remplacement si les très bon marché types sont utilisés


Donald A. Kelly.   En 1979, Don Kelly a été accordé un brevet sur un dessin du moteur de l'aimant permanent. Il fait des remarques cela à part lui être très difficile de produire le pouvoir suffisant pour déplacer les aimants du stator pour accomplir la rotation continue mécaniquement légèrement, le résultant taux de révolutions est très bas. Pour ces raisons, il a opté pour déplacer les aimants du stator qui utilisent de petits moteurs DC légèrement. Son dessin est inclus ici comme c'est un concept qui est relativement facile de comprendre. L'idée totale n'est pas différente que de Stephen Kundel qui balance les aimants du stator avec un solénoïde, comme montré dans ce chapitre plus tôt. L'objectif ici est utiliser un petit courant électrique pour produire une rotation puissante loin plus grand que serait possible du courant électrique lui-même, et donc, produits alimentaires ce qui est dans effet, une multiplication du pouvoir à travers l'usage d'aimants permanents. Un copier légèrement rédigé à nouveau de son brevet est montré dans l'Appendice.


L'opération est une stratégie simple. Huit ensembles d'aimants sont montés sur les bras de la bascule. Ceux-ci ont deux places principales. Dans la première place, les aimants de la bascule attirent les aimants montés sur le rotor. Quand le rotor déplace à cause de cette attraction et portées un point où il y a pour être une résistance moins évoluée sur le rotor, la place des bras de la bascule est changée afin que le poing a mis d'aimants de la bascule est déplacé hors du chemin à une place où ils ont petit effet dû à leur distance augmentée des aimants du rotor. Ce mouvement de la bascule déplace aussi des aimants de la polarité opposée qui poussée les aimants du rotor sur leur chemin. Dans ce dessin, l'attraction et la poussée sont appliquées à ensembles différents d'aimants. Si l'attraction est sur aimants 1, 3, 5, etc., alors la poussée est sur aimants 2,4,6, etc. Mais, malgré ceci, la traction et poussée sont appliquées à chaque aimant du rotor comme il passe.


Le “Perendev” Aimant Moteur de Mike Brady.   Un des moteurs de l'aimant permanents le plus largement sus est le moteur " Perendev " qui attrape l'imagination de la plupart des gens. Il est dit que les douzaines de ces moteurs ont été faites et vendues comme motor/generators avec une production de pas moins de 100 kilowatts. Aussi loin que je suis informé, cela n'a pas été confirmé, ni a été épreuves indépendantes faites sur le moteur autre qu'une épreuve brève par Stirling Allen là. Si vous souhaitez le regarder, une vieille, pauvre qualité que la vidéo d'un prototype de ce moteur peut être vue icicependant, m'a laissé accentuer encore que c'est très difficile d'obtenir seulement moteur qui opère à tout aimant permanent et c'est plus facile de commencer avec un comme l'Adams moteur montré dans Chapitre 2 beaucoup, ou le Charles moteur Flynn montré dans ce chapitre plus tôt. S'il vous plaît remarquez aussi, que les aimants ont utilisé dans ce dessin est des aimants non - standards et donc sera difficile d'obtenir et probablement très cher à cause de cela et le protéger aimanté spécialisé est utilisé.


La Candidature du Brevet de Mike WO que 2006/045333 A1 a daté que 4e le 2006 mai est montré dans l'Appendice. Dans mi 2010, Mike avait tant de difficulté dans se mettre son dessin dans production commerciale que ses parieurs financiers sont très malheureux avec la situation, et si Mike a la difficulté dans le reproduire (comme a fait Howard Johnson avec son moteur de l'aimant) alors un nouveau venu à ce champ serait bien conseillé coller avec moteurs de l'aimant qui utilisent mouvement des aimants du stator, tel que Don Kelly, Stephen Kundel et autres, ou moteurs de l'aimant qui utilisent mécanique ou protéger électrique tel que le Charles moteur Flynn, le Robert moteur Tracy, ou le moteur Jines.


Blindage Magnétique de Pasi Mäkilä
Un procédé de blocage d'un champ magnétique à l'aide de matériaux simples, vient former Pasi Mäkilä de la Finlande. Sa vidéo montrant ce n'est àwww.youtube.com/watch?v=14ayyu9PVSI et il se concentre sur la mise blindage autour d'un aimant cylindrique:


Toutefois, lorsqu'il est utilisé comme blindage général, une série de couches d'acier plat et d'aluminium peut être utilisé et tout Pasi utilise la feuille de 1,5 mm d'épaisseur et de l'acier zingué qui est de 1 mm d'épaisseur, il suggère d'utiliser des feuilles minces d'aluminium. Il suggère l'utilisation de quatre couches d'acier avec une feuille d'aluminium entre les tôles d'acier et peut-être une ou plusieurs couches d'aluminium à l'extérieur. L'objectif principal de Pasi est de partager cette disposition pour permettre aux gens de faire des moteurs à aimants permanents. Un arrangement qui pourrait bien être la peine d'essayer est d'utiliser le blindage pour bloquer le frein arrière d'aimants de rotor passant aimants du stator, peut-être comme ceci:


Avec cet agencement, les pôles Sud des aimants du rotor sont attirées vers les pôles Nord exposées des aimants du stator, ce qui provoque la rotation du rotor. Dès que le rotor passe au Sud du pôle Nord stator, le stator de blindage bloque la traction inverse qui serait normalement ralentir le rotor vers le bas.

Nous avons alors la répulsion du pôle Nord de l'aimant du stator et le pôle Nord de l'aimant du rotor. Pour bloquer que, une courte longueur de blindage est placé à côté de l'extrémité nord pôle de l'aimant du rotor. Il serait sans doute un avantage pour exécuter le stator pôle nord blindage sur le dessus et le dessous de l'aimant du rotor pour provoquer le blocage magnétique important.

Cette conception de moteur magnétique est juste une suggestion et n'a pas encore été construit et testé.



Le Moteur à Aimant Permanent de Victor Diduck
Dans le numéro de demande de brevet américain US2007/0296284 du 27 décembre 2007, il est montré un design convaincant pour un moteur à un aimant permanent puissant. Voici une des réalisations de ce brevet – qui semble assez facile à construire.

Moteur Magnétique

Résumé:
Un moteur magnétique ayant une Assemblée d'entraînement magnétique par magnétisme accouplée à une Assemblée magnétique esclave. Le train de roulement a au moins un aimant de disque. Dans un mode de réalisation, l'aimant de disque est monté sur un capot. Dans un autre mode de réalisation, l'aimant de disque est monté sur une roue d'entraînement. L'Assemblée de l'esclave a au moins une roue esclave montée sur un arbre d'esclave. Au moins un esclave aimant est monté sur la roue de l'esclave. Dans un mode de réalisation aimants esclave sont montés dans les rainures traversant en diagonale de la surface de la roue de l'esclave. Dans un autre mode de réalisation les aimants de l'esclave sont montés dans les encoches à découper dans la roue de l'esclave. L'aimant de disque est magnétiquement couplé à l'aimant de l'esclave avec les pôles disposés dans une orientation de visages semblables. L'écart entre l'aimant de disque et l'esclave aimant peut être ajusté afin d'optimiser le couplage magnétique les entre eux. La roue de l'esclave et son arbre d'esclave sont causées à tourner par le couplage magnétique entre l'aimant de disque et l'aimant de l'esclave. L'arbre de l'esclave peut être couplé à un périphérique de sortie comme un générateur électrique.


CONTEXTE DE L'INVENTION
Il y a eu plusieurs tentatives pour perfectionner les moteurs magnétiques; par exemple, US Pat. N ° 4 151 431 délivrée à Howard Johnson. Cependant, dans la plupart de ces dispositifs, aucuns modèles de travail n'ont été atteints. Afin de faire un moteur à aimant permanent fonctionne, il est nécessaire à l'accomplissement d'une fonction de commutation équivalente à celle réalisée dans les moteurs électriques de brosses, des commutateurs, courant alternatif ou d'autres moyens. En aimant permanent fuite magnétique moteurs doit être protégé afin de réduire l'énergie perdue comme l'énergie des courants de Foucault. Une bonne combinaison de matériaux, géométrie et concentration magnétique est nécessaire pour pouvoir construire un moteur magnétique qui peut fonctionner en continu.

RÉSUMÉ DE L'INVENTION
Un moteur magnétique est fournie comprenant un assemblage de l'entraînement magnétique par magnétisme couplé à une Assemblée magnétique esclave. L'Assemblée magnétique esclave comprend un arbre rotatif esclave sur lequel est monté au moins une roue rotative esclave. Sur l'esclave roue est monté sur au moins un esclave. L'entraînement magnétique comprend au moins un aimant de disque qui est magnétiquement couplé à l'aimant de l'esclave dans une orientation de visages semblables. À la suite de l'accouplement magnétique entre l'aimant de disque et l'aimant de l'esclave, les forces magnétiques produites entre le lecteur disque couplé aimant et esclave aimant la roue pivotante esclave, ce qui en fait tourner et donc causer l'esclave arbre pour faire pivoter. L'arbre de l'esclave est couplé à un périphérique de sortie comme l'armature d'un générateur électrique.

L'Assemblée de l'esclave est couplée à une image. Les roues de l'esclave sont fixées à l'arbre pour que les roues tournent ensemble. Chaque roue esclave a intégré à sa surface une pluralité d'aimants esclave dans les échancrures coupés dans la roue de l'esclave. Un pôle de chaque aimant esclave est exposé et orientée vers l'extérieur de la surface de la roue de l'esclave, et l'autre pôle de l'aimant fait face à la roue de l'esclave. Le pôle Nord ou le pôle sud de l'esclave aimants peuvent faire face vers l'extérieur, tant chaque aimant a le même pôle, orienté vers l'extérieur.

Dans un mode de réalisation, les échancrures dans les roues de l'esclave pour recevoir le formulaire d'aimants esclave espacement rainures parallèles, apart va d'un côté de la surface de la roue de l'esclave de l'autre pour recevoir les aimants de l'esclave. L'angle de chaque rainure sur toute la surface de la roue de l'esclave est de préférence environ 35 degrés par rapport à horizontale. La direction de l'orientation des rainures de l'autre des roues esclave est également environ 35 degrés de l'horizontale, mais dans la direction opposée à celle de la première roue.

Dans un autre mode de réalisation, les échancrures dans les roues de l'esclave pour recevoir les aimants de l'esclave sont encoches coupés dans la roue de l'esclave à intervalles mesurés et égales le long des bords de la roue, intervalles de 45 degrés étant préférés.

Dans cette réalisation « capot » de l'invention, l'ensemble de l'entraînement magnétique comprend une paire de carters non magnétiques qui entourent et substantiellement entourant chacune des roues esclave. Chaque paire de carters forme une surface semi-circulaire ayant un diamètre légèrement plus grand que le diamètre de sa roue esclave respectifs. La courbure concave des carters fait face à des roues de l'esclave. Monté sur la surface convexe des carters sont une pluralité d'aimants permanents en voiture. Les aimants en voiture sont montés afin qu'ils présentent pour les aimants de l'esclave le même pôle que les aimants esclaves présents pour les aimants de commande ; c'est-à-dire, visages semblables : Nord / Nord ou Sud-Sud. Les carters, ni leurs aimants disque tournent.

Dans les divers modes de réalisation, l'écart entre les aimants de commande et les aimants de l'esclave est réglable.

BRÈVE DESCRIPTION DES DESSINS
Autres caractéristiques et avantages de l'invention sera apparents de la description détaillée suivante en conjonction avec les dessins qui l'accompagne, où:


Fig.1 est une vue en perspective de l'incarnation du capotage du moteur magnétique avec mouches roues fixées.






Fig.2 est partiellement démonté la vue en perspective de la réalisation du capot du moteur magnétique.






Fig.3 est un diagramme de l'emplacement de l'aimant sur le capot.






Fig.4 est un schéma de principe de la roue d'un esclave de l'incarnation de capots, montrant la position des aimants permanents.






Fig.5 est un diagramme schématique d'une autre roue d'esclave de la réalisation de capotages montrant la position des aimants permanents.

DESCRIPTION DÉTAILLÉE DE L'INVENTION
Dans les divers modes de réalisation de l'invention, il est généralement fourni un entraînement magnétique et un assemblage magnétique esclave, avec un champ magnétique, le train de roulement à l'Assemblée de l'esclave de couplage telles que lorsque le train de roulement tourne il provoque l'Assemblée esclave faire pivoter. L'accouplement est entièrement magnétique, où aucune chaînes, engrenages, poulies, lecteurs de ver ou autres coupleurs physiques sont nécessaires.


Fig.1 et Fig.2 montrent une première réalisation de l'invention, ci-après dénommée l'incarnation “capot”. Dans cette réalisation l'Assemblée esclave magnétique du moteur magnétique 101 comporte deux roues solides esclave non-magnétiques 102 et 202, particulièrement visible dans la Fig.2. Les roues de l'esclave sont montés sur un arbre esclave 201. La Fig.1 montre une incarnation dans laquelle volants facultatifs 301, 401 sont montés sur l'arbre de l'esclave 201. Les volants peuvent être idéalement installés à ou près des extrémités de l'arbre de l'esclave. Un dispositif 1301 pour générer le courant électrique est autant qu'est directement couplé à l'arbre de l'esclave, ou indirectement couplés par un volant, comme sur la Fig.1, ou si un autre élément de l'Assemblée magnétique esclave.

À l'exception des éléments précités, l'invention est faite d'un matériau non magnétique. Pheotic matériaux en plastique ou en céramique sont actuellement privilégiées pour les roues de l'esclave et conduire les roues, mais une grande variété de matériaux non magnétiques est acceptable tant que le matériel ne pas créer ou aggraver des courants de Foucault. Le diamètre des roues esclave en opérant actuellement des modèles est d'environ 10 pouces (250 mm) et la largeur environ 5 pouces (125 mm). Les dimensions optimales des roues esclave seront déterminées par l'application spécifique de l'invention.

Comme on le voit dans la Fig.2, chaque roue de l'esclave a une pluralité de rainures allant d'un côté à l'autre. Une telle rainure est désigné 701. Les rainures dans une roue sont orientés à un angle de 35 degrés sur le bord de roue esclave, tandis que les rainures de la roue de seconde sont orientées à environ 35 degrés jusqu'au bord opposé, comme peut être vu clairement dans la Fig.2.

     

Fig.4 et Fig.5 démontrent l'orientation des rainures et le placement des aimants esclave. Les rectangles 104 et 105 représentent les surfaces des roues esclave comme si elles ont été posées à plat. Les rainures en esclave roue 104 pente vers le bas de gauche à droite à un angle de 35 degrés à l'horizontale. Les rainures en esclave roue 501 pente vers le haut de gauche à droite à un angle de 35 degrés à l'horizontale. Fig.4, rainures, 204, 404, 604 et 804 sont représentatifs des rainures dans la roue d'un esclave. Rainures 205, 405, 605 et 805 de la roue d'esclave représenté à la Fig.5 sont représentatifs des rainures dans l'autre roue d'esclave.

Aimants de l'esclave sont montés dans les rainures. Fig.4, aimants représentant esclave sont 304, 504, 704, 904, 1004 et 1104. La position préférée des aimants esclave est que deux rainures adjacentes ont des aimants positionnés à leur extrémité comme indiqué avec 704 en rainures 204 et 404, 504 et 304. La rainure suivante 604 a un aimant de seul esclave 904 centralement placé. Ce schéma de deux rainures avec des aimants de fin et la troisième avec un aimant central est répété. Le mode de réalisation préféré a un total de 9 rainures et 15 aimants esclave par roue d'esclave. Fig.5 montre que le même modèle est utilisé dans la deuxième roue d'esclave, par exemple de la manière dans laquelle esclave aimants 305, 505, 706, 905, 1005 et 1105 sont placés dans les rainures, 205, 405, 605 et 805.

Dans le mode de réalisation préféré, le pôle Nord de chaque aimant esclave fait face vers l'extérieur de la rainure ; Toutefois, vu le pôle Sud vers l'extérieur produit des résultats tout aussi satisfaisants. Les aimants peuvent être collés en place ou sinon fixés solidement afin qu'ils ne jamais changent. L'attrayant force ces aimants produisent si en face des poteaux sont autorisés à établir un contact magnétique nécessite environ 1200 pieds-livres à surmonter. Aimants d'esclave et de route sont des aimants permanents et ont le même pôle, orienté vers l'extérieur, produisant des forces répulsives sur ordre d'un gauss 38 mesurée.

L'ensemble de l'entraînement magnétique de l'incarnation du “capot” comprend appariés aux capots de ‘coquille de palourde’ 601a, 601b et 501a, 501b, Top vu dans Fig.2, qui montre les carters en position ouverte, exposant les roues de l'esclave. La Fig.1 montre les carters en position fermée, dans laquelle l'invention fonctionne. Manivelles 1001, 1101 exploiter ver-disques à fournir pour ouvrir et fermer les capots afin de régler l'écartement entre les carters et les roues de l'esclave et, par conséquent, l'écart entre les aimants de commande et les aimants de l'esclave. La Fig.1 montre également des aimants disque 701, 801 placée sur la surface extérieure des capots 501 et 601 a respectivement. Une pluralité de ferro-magnétique boulons 901 pénètrent dans le capotage de clam-shell par le biais de trous filetés. Ces boulons modifient le champ magnétique et d'éliminer les points morts. La mise des aimants en voiture et boulons est abordée ci-dessous. De la Fig.1, on peut considérer que la courbure combinée des carters de ‘coquille de palourde’ appariés aboutit à eux presque entourant leur roue esclave respectifs en position fermée. Autrement dit, chaque membre d'une paire de capot entoure un peu moins de 180 degrés de la circonférence de la roue de l'esclave afin que lorsque juxtaposées en position fermée, ils entourent ensemble près de 360 degrés de la circonférence de la roue d'esclave.


Fig.3A et Fig.3B représentent un modèle pour le montage des aimants d'esclave sur la surface extérieure, ou convexe, d'une paire de carters. La figure représente les capot-moitiés 103, 703, comme s'ils étaient mis à plat. Lignes directrices sont fournies sur la figure pour indiquer la ligne bissectrice longitudinale 403 et lignes horizontales 503 divisant chaque capot en huitièmes.

En ce qui concerne le demi capot illustré à la Fig.3A, deux aimants permanents en voiture, 203, 303 sont collées sur la surface extérieure du capot sur la ligne 403 coupant le capot longitudinalement. Un lecteur aimant 203 est placé environ un huitième de la manière d'un bout. Le deuxième aimant disque 303 est placé à trois huitièmes de la voie du côté opposé. Ferro-magnétique boulons 603 sont insérés dans le capot par le biais de trous filetés. Les boulons vise à modifier le champ magnétique pour éliminer les points morts.

En ce qui concerne le demi capot fournis aux postes, lecteur aimant 803 est placé trois huitièmes de la manière d'un bout et lecteur aimant 903 est placé un huitième (un seizième?) de la façon de l'autre extrémité. Encore une fois, ferro-magnétique boulons 603 sont fournis pour éliminer les points morts du champ magnétique.

Le diamètre dans chaque roue esclave est environ 10 pouces (250 mm). Mesurée à partir du fond de gorge 404 le diamètre est de 9 pouces (225 mm). Par conséquent, la longueur de l'arc du fond d'un rainure au fond d'une rainure adjacent est pouces Pi (3,14 pouces ou 80 mm).

Les aimants en voiture sont collées ou autrement fermement fixés sur la surface externe ou concave des carters. En supposant que les aimants des esclaves ont été montées dans les rainures des roues esclave avec le pôle Nord face à l'extérieur, le pôle Nord de chaque aimant de disque est fixé contre la surface du capot donc que comme pôles visage mutuellement. Comme les carters sont déplacés vers les roues de l'esclave en tournant les manivelles 1101, 1001 les aimants disque repoussent les aimants de l'esclave, entraînant les roues de l'esclave à tourner.

Réglage de l'espacement entre les carters et les roues de l'esclave au moyen de manivelles 1101, 1001 ajuste la force de l'interaction des champs des aimants en voiture et des aimants de l'esclave et, par conséquent, le couple sur les roues de l'esclave.

Comme illustré à la Fig.1, volants 301, 401 peut éventuellement être monté sur l'arbre de l'esclave. La position préférée est à ou près de l'extrémité de l'arbre.

Arbre esclave 201 se transforme ainsi en raison de la force magnétique des carters exercée sur les roues de l'esclave. Cet arbre peut être couplé à une sortie, comme l'armature d'un générateur de 1301, soit directement soit par un volant moteur, comme indiqué. Sinon, le moteur magnétique pourrait lui-même conduire une pompe hydraulique de transmission, ce qui réduit les composants de transmission nombre et la complexité globale de transmissions. Nombreuses applications pour ce moteur deviennent évidentes une fois qu'il est rendu compte que, à l'aide de lecteur permanente très forte puissance utile aimants peut être généré.

Il est possible de faire varier les dimensions des roues esclave. Actuellement, le diamètre préféré est d'environ 10 pouces et une largeur de 5 pouces. Le moteur peut fonctionner avec l'arbre de l'esclave 201 verticale ou horizontale. Tandis que l'aluminium est un matériau approprié pour le moteur, l'utilisation d'un plastique dur ou des matériaux en céramique ont également été utilisés avec succès. Pheotic plastique est actuellement privilégiée.

En utilisant deux roues esclave plutôt qu'un seul, tout les points morts dans une roue sera être compensées par l'autre roue. La limite supérieure ou le nombre de roues de l'esclave n'est pas encore connu. La limite inférieure est l'un.


Patrick Kelly
www.free-energy-info.tuks.nl
www.free-energy-info.com
www.free-energy-info.tuks.co.uk


闽ICP备2022006709号