LA GUÍA PRÁCTICA DE DISPOSITIVOS DE LIBRE-ENERGÍA       AUTOR: EL PATRICK J. KELLY



Capítulo 12:   la Electrónica Básica

El autor: El Patrick J. Kelly



La nota:   Por favor la excusa la crudeza de esta traducción. Yo no hablo español, yo hablo inglés y portugués pero a la demanda de Patrick Kelly que yo he escogido traducir este documento en español desde que es semejante idioma ampliamente hablado. Este documento es exclusivamente para los propósitos informativos. Si usted escoge reproducir cualquiera de los dispositivos en eso, usted hace para que a su propio riesgo. Permítanos que todos se esfuercen para un mundo bueno hoy. ¡La suerte buena con su la investigación.


la Electrónica Básica
Este documento no es una presentación en profundidad del asunto de electrónica. En cambio, se piensa que lo da suficiente (empírico) el conocimiento del sujeto a pueda entender, plan y figura los circuitos simples tal cuando los circuitos del mando usaron con el ‘la Energía Libre los dispositivos de ' describieron en las partes más tarde de este documento.

El negador
Este material sólo se mantiene los propósitos de información. Si usted debe decidir intentar la construcción de algún dispositivo basada en la información presentada aquí y debe dañar a usted o cualquier otra persona, yo no soy de forma alguna responsable. Para clarificar esto; si usted debe construir algo en una caja pesada y debe dejarlo caer en su dedo del pie, yo no soy responsable para cualquier lesión usted puede sostener (usted debe aprender a tener más cuidado). Si usted intenta construir algún circuito electrónico y quemarse con el hierro de la soldadura, yo no soy responsable. También, yo recomiendo fuertemente que a menos que usted es especialista en la electrónica, usted no construye ningún dispositivo usando, o produciendo más de 12 Voltios - los circuitos de voltaje altos son sumamente peligrosos y deben evitarse hasta que usted gane la experiencia o puede obtener la ayuda y vigilancia de una persona experimentadas construyendo los circuitos de voltaje altos.

El voltaje
El voltaje es la llave a la electrónica comprensiva. Sin el voltaje, nada pasa en la electrónica. ¿Qué es? Nadie sabe. Nosotros sabemos generarlo. Nosotros sabemos lo que hace. Nosotros sabemos medirlo, pero nadie sabe lo que realmente es.

También se llama “la Electro Motivo Fuerza” o “EMF” qué no es en absoluto la ayuda sabiendo lo que es. Que, es aproximadamente equivalente a decir “la cosa que los empujones son la cosa que empuja” - muy verdadero pero absolutamente ninguna ayuda en absoluto. OK, habiendo admitido que nosotros realmente no sabemos lo que es, nosotros podemos empezar a decir las cosas nosotros sabemos sobre él:

Una nueva batería tiene un voltaje entre sus términos. Se dice que este voltaje causa una corriente para fluir a través de cualquier circuito eléctrico completo puso por él. La corriente que fluye a través del circuito puede causar las varias cosas para pasar como crear la luz, mientras creando el sonido, creando el calor, creando el magnetismo, creando el movimiento, creando las chispas, etc., etc.

El Usando la corriente causada por un voltaje, un dispositivo llamó que une el metro de voltio él puede indicar cómo grande el voltaje es. El más grande el voltaje, el más grande la corriente y el más grande el despliegue en el metro de voltio. Los metro de voltio pueden tener un despliegue numérico dónde usted leyó directamente al voltaje del despliegue, o puede ser un ‘metro de voltio de ' analógico dónde el voltaje se muestra por la posición de una aguja en una balanza. El tamaño del voltaje se declara en los Voltios de ‘' que es una unidad de medida nombró después del hombre Volta que presentó el voltaje al mundo (siempre estaba allí, nosotros apenas no supimos sobre él).

La Los voltajes suman si ellos se conectan la misma ronda de la manera del la, decir del es con el positivo (+) los términos todo el paramento la misma manera:


El tamaño físico de la batería normalmente determina la longitud de tiempo puede proporcionar cualquier corriente dada - el más grande la batería, el más largo puede proporcionar cualquier corriente dada. Una batería se construye de varios Las células de ‘'. El número de células en los mandos de la batería el voltaje de la batería. Por ejemplo, un AA de ‘' clasifican según tamaño la batería (lo que se llamaba un linterna pequeño de ‘la batería de ') tiene un solo ‘' celular y para que produce 1.5 Voltios cuando nuevo. El muy ‘D más grande y más pesado la batería de ' también tiene simplemente una célula y para que también produce 1.5 Voltios cuando nuevo. La diferencia (aparte del costo más alto del ‘D la célula de') es que la lata celular más grande proporciona una corriente muy más alta si se descargan ambas baterías encima del mismo periodo de tiempo.

Hay varios tipos diferentes de construcción de la batería. Una batería de NiCad recargable tiene una sola célula pero sus medios de método de construcción que produce aproximadamente 1.35 Voltios cuando totalmente cobró. Pasando, las baterías de NiCad tienen una memoria de ‘la característica de ' que los medios que si ellos se recargan antes de que ellos se descarguen totalmente, entonces la próxima vez que ellos se descargan que ellos corren fuera de poder al nivel de voltaje que tenía cuando el cobrando en último lugar fue empezado. Por consiguiente, es una idea buena para descargar una batería de NiCad totalmente antes de cobrar él de nuevo.

Se describen automóvil y baterías de la motocicleta como las baterías de Plomo/ácido. Este tipo de construcción no es ningún ser muy conveniente grande, fuerte y potencialmente corrosivo. Las ventajas grandes son la habilidad de proporcionar las corrientes muy altas y dando 2.0 Voltios por la célula. Estas baterías normalmente se producen como 6 Voltio o 12 Voltio unidades. Normalmente se citan las Amperio-horas para las baterías de automóvil de plomo/ácido para un 20 periodo de descarga de hora, para que un totalmente cobró, la nueva 20 batería de AHr puede mantener 1 Amperio 20 horas de uso continuo. Esa batería cargó para dar 5 Amperios, no mantendrá esa corriente 4 horas pero podría durar sólo 2 horas, o quizás un poco bien. La literatura de los fabricantes debe dar una indicación de la actuación, pero si es importante, ejecuta su propia prueba para ver cómo la batería realmente trabaja en la práctica.

“Las unidades de Electrizad de comunidad” es conocido en el mundo de la electrónica como “las Poder Suministro Unidades” o “PSUs” para el calzón. Éstos convierten el voltaje del electrizad de comunidad (220 Voltios en REINO UNIDO, 110 Voltios en EE.UU.) a un poco de voltaje bajo conveniente; 12 Voltios, 9 Voltios, 6, Los voltios, o cualquier cosa se necesita. Una unidad del electrizad de comunidad puede proporcionar varios voltajes diferentes simultáneamente.


La resistencia.   Estando familiarizado con el Voltaje y la Resistencia es la llave a entender la circuitería electrónica. La resistencia es una medida de cómo difícil es para la corriente fluir a través de algo. Algunos materiales como vidrio, cerámicas, madera y la mayoría de los plásticos no llevan una corriente fácilmente y para que se considera que son Los aisladores de ‘'. Eso es por qué usted verá líneas de poder colgadas de sus pilones por una serie de discos cerámicos. Los flujos actuales fácilmente a través de metales, sobre todo a lo largo de la superficie del metal, para que los cables son hecho de alambres de metal rodeados por una capa de aislamiento plástico. Los cables de calidad más altos tienen el alambre quita el corazón hecho a de muchas cuerdas del pequeño-diámetro como esto aumenta el área de la superficie del metal para cualquiera dado área cruz-particular del centro de metal (también hace el cable más flexible, y generalmente, más caro).

Hay un tercer grupo muy importante de materiales, silicón y germanio en particular, qué se cae entre conductores y aisladores. No sorprendentemente, éstos se llaman seme-conductores de ‘' y la cantidad de corriente ellos pueden llevar depende de las condiciones eléctricas en que ellos se ponen. Mucho, mucho más sobre esto después.

Mientras un alambre de metal lleva muy bien la corriente, no está perfecto en el trabajo y para que tiene un poco de resistencia de ‘' a corriente que fluye a través de él. El más espeso el alambre, el más bajo la resistencia. El más cortó el alambre, el más bajo la resistencia. Los primeros investigadores acostumbraron esta característica a controlar los circuitos de la manera operados. A veces, cuando se necesitaron las resistencias más altas, el investigador necesitaba longitudes largas de alambre a que se enredaría. Para controlar el alambre, una tabla con las uñas a lo largo de cada lado fue usada y el alambre hirió al revés y adelante por la tabla así:


Al dibujar un diagrama del circuito, el investigador esbozaría el alambre en la tabla que da una línea del zig-zag que todavía se usa hoy para representar una resistencia de ‘' aunque se usan métodos diferentes de construcción ahora. Un símbolo alternativo para una resistencia es un rectángulo llano como mostrado anteriormente.

Si una resistencia se conecta por una batería, un circuito se forma y un flujos actuales alrededor del circuito. La corriente no puede verse pero eso no significa que no está allí. La corriente es moderada en Amperios de ‘que ' y el instrumento desplegaban que es un amperímetro de ‘'. Si nosotros ponemos un amperímetro en el circuito, mostrará la corriente que fluye alrededor del circuito. Pasando, el propio amperímetro, tiene una resistencia pequeña y poniéndolo así en el circuito reduce el flujo actual muy ligeramente alrededor del circuito. También mostrado es una bombilla. Si la corriente que fluye alrededor del circuito es suficientemente alta y la bombilla escogida correctamente, entonces la bombilla se iluminará, mientras mostrando esa corriente está fluyendo, mientras el amperímetro indicará exactamente que cuánta corriente está fluyendo:



Mostrado en el derecho, es la manera que este circuito se mostraría por un experto de la electrónica (la Resistencia de ‘', Amperímetro de ‘' y Lámpara de ‘las etiquetas de ' habría casi ciertamente no se muestre). Hay varios estilos diferentes de dibujar el circuito hace el diagrama de, pero ellos son el mismo en el asentías básico. Un rasgo común importante es que a menos que hay algunos la razón muy rara y poderosa para no hacer para que, cada diagrama de circuito de estilo normal tenga la línea de voltaje positiva horizontalmente a la cima del diagrama y el negativo como una línea horizontal al fondo. Éstos están a menudo llamado el ‘positivo y negativo pone barandilla '. El posible de Donde, el circuito es arrastrado para que su funcionamiento tenga lugar del corregir de parra de salió, el decir del es la primera acción tomada por el circuito está en la izquierda y la última acción se pone en el derecho.

Se fabrican las resistencias en varios tamaños y variedades. Ellos entran en ‘ellos arreglado las versiones de' inconstantes a ' ya ‘. El más normalmente usó es el ‘arregló ‘E12 al carbono de ' el rango de '. Esto es un rango de valores que tienen 12 resistencia valora que repite: 10, 12, 15, 18, 22, 27, 33, 39, 47, 56, 68, 82 y entonces: 100, 120, 150, 180, 220, 270, 330, 390, 470, 560, 680, 820 y entonces: 1000, 1200, 1500, 1800, 2200, 2700, 3300, 3900, 4700, 5600, 6800, 8200, etc., etc. Hoy día, los circuitos llevan a menudo el poder muy pequeño y para que las resistencias pueden, y es, hecho en los tamaños físicos muy pequeños. El más alto el valor de resistencia de una resistencia, el menos la corriente fluirá a través de él cuando un voltaje se pone por él. Como él puede ser difícil de ver la impresión en las resistencias pequeñas se arracimó juntos en una tabla del circuito y rodeó por otros componentes más grandes, los valores de la resistencia no son escrito en las resistencias, en cambio, las resistencias son color-codificado. La unidad de medida para las resistencias es el ohm de ‘' que tiene un tamaño muy pequeño. La mayoría de las resistencias que usted el encuentro estará en el rango 100 ohmios a 1, 000,000 ohmios. El más alto la resistencia de cualquier resistencia, el más pequeño la corriente que fluirá a través de él.

El código del color usado en las resistencias es:

0 negro
1 castaño
2 rojo
3 naranja
4 amarillo
5 verde
6 azul
7 púrpura (la Violeta si su visión del color es muy buena)
8 gris
9 blanco


Cada resistencia tiene típicamente, tres colores ata para indicar su valor. Las primeras dos vendas son los números y la tercera venda es el número de nada:


Verde: 5
El: 6
Rojo: 2 nada

El valor: 5,600 ohmios o 5.6K o 5K6



Amarillo: 4
La púrpura: 7
Verde: 5 nada

El valor: 4,700,000 ohmios o 4.7M o 4M7 Las vendas del color se leen de salió para corregir y la primera venda está cerca de un extremo del cuerpo de la resistencia. Hay a menudo una cuarta venda que indica la tolerancia industrial: usted puede ignorar esa venda.

Los ejemplos:

Rojo, Rojo, Rojo: 2,200 ohmios o 2K2
Ponga amarillo, Púrpura, Naranja: 47,000 ohmios o 47K
Negro, Broncee, Castaño: 100 ohmios o 100R
Naranja, la Naranja, la Naranja: 33,000 ohmios o 33K
Castaño, Verde, Rojo: 1,500 ohmios o 1K5
Broncee, Verde, Negro: 15 ningún nada, o 15 ohmios
Azule, Encanezca, Naranja: 68,000 ohmios o 68K
Broncee, Verde, Verde: 1,500,000 ohmios o 1M5
Ponga amarillo, Púrpura, Castaño: 470 ohmios


Como allí es sólo 12 resistencia normal valora por década, hay sólo 12 juegos de las primeras dos vendas del color:

10: el castaño / Negro,
12: el castaño / Rojo,
15: el castaño / Verde,
18: el castaño / Gris
22: rojo / Rojo,
27: rojo / la Púrpura
33: la naranja / la Naranja,
39: la naranja / Blanco
47: amarillo / la Púrpura
56: Verde / el Azul
68: azul / Gris
82: Gris / Rojo







  


Los detalles encima le dan toda la información básica en códigos de colores de resistencia, pero hay unos refinamientos adicionales. Hay una cinta en color suplementaria adelante abajo el cuerpo de la resistencia como mostrado aquí:


Esta cinta suplementaria es usada para indicar la tolerancia industrial de la construcción de la resistencia. Los valores de resistencia son nunca exactos y este raramente tiene cualquier efecto significativo en su uso en el recorrido. Si algún recorrido necesita valores de resistencia muy exactos en ello, entonces compre varias resistencias del mismo valor nominal y use un metro de ohmio para medir aquel valor actual de cada resistencia particular y si ninguno es perfecto, entonces usa dos o más resistencias para dar el valor exacto querido.

La cinta de tolerancia tiene los códigos siguientes:

La plata es el 10 % ± (es decir una resistencia de 10K de este tipo debería estar entre 9K y 11K)
El oro ± el 5 % (es decir una resistencia de 10K de este tipo debería estar entre 9.5K y 10.5K)
El 2 % ± rojo (es decir una resistencia de 10K de este tipo debería estar entre 9.8K y 10.2K)
El 1 % ± marrón (es decir una resistencia de 10K de este tipo debería estar entre 9.9K y 10.1K)
El 0.5 % ± verde (es decir una resistencia de 10K de este tipo debería estar entre 9.95K y 10.05K)
El 0.25 % ± azul (es decir una resistencia de 10K de este tipo debería estar entre 9.975K y 10.025K)
El 0.1 % ± purpúreo (es decir una resistencia de 10K de este tipo debería estar entre 9.99K y 10.01K)

Este tipo de la resistencia en las variedades del 10 % y del 5 % es el más común cuando ellos son los más baratos para comprar y tan tender a ser los más populares. Recientemente, sin embargo, dos adiciones a la codificación han sido introducidas a fin de tener resistencias de especificación muy altas en cuenta con las cuales el constructor medio nunca puede encontrarse. Cada una de estas adiciones implica una cinta en color adicional. La primera cinta en color adicional permite un dígito suplementario en el valor de resistencia, y parece a este:


Como antes, la codificación en color es exactamente el mismo, con la cuarta cinta en color que especifica el número de ceros después de los dígitos indicados por las cintas en color delante de ello. De este modo, en el ejemplo mostrado encima, la primera cinta siendo Roja indica "un 2". La segunda cinta en color siendo Purpúrea indica "un 7". La tercera cinta en color siendo Verde indica "un 5" y la cuarta cinta en color siendo Roja indica "2 ceros", así poniendo aquellos juntos esto produce el valor de 27,500 ohmios, que también pueden ser escritos como 27.5 K o más brevemente como 27K5.

Otro ejemplo de este es:


La cuarta codificación de cinta en color también ha sido ampliada para incluir otros dos colores: Oro: el sentido "ningunos ceros y dividido en 10" tan si la cinta en el ejemplo encima hubiera sido el oro, entonces el valor sería 56.4 ohmios. Plata: el sentido "ningunos ceros y dividido en 100" y si la cinta de ejemplo hubiera sido la plata entonces el valor habría sido 5.64 ohmios.

De este modo, por ejemplo, si la resistencia tuviera una cuarta cinta en color que era la plata, entonces el valor sería:


Finalmente, para aplicaciones muy de alta calidad (aplicaciones típicamente militares), puede haber una sexta cinta en color colocada fuera de la cinta de tolerancia, y que el final colorea estados de cinta cuánto puede esperarse que el valor de resistencia cambie con cambios de la temperatura. Este no es algo que probablemente será de cualquier interés para usted, pero los códigos para aquella cinta en color final son:

Marrón: el 0.01 % de la resistencia valora para cada grado el cambio Centígrado de la temperatura.
Rojo: el 0.005 % de la resistencia valora para cada grado el cambio Centígrado de la temperatura.
Amarillo: el 0.0025 % de la resistencia valora para cada grado el cambio Centígrado de la temperatura.
Naranja: el 0.0015 % de la resistencia valora para cada grado el cambio Centígrado de la temperatura.

Para poner este en el contexto, los peores de éstos representan un cambio del 1 % en el valor de resistencia moviendo de la temperatura de hielo a la temperatura de echar agua hirviente. ¿Es este algo por el cual usted realmente se preocupa? No hago.

Nosotros venimos ahora a la parte interesante: lo que pasa cuando hay varias resistencias en un circuito. El la cosa importante es guardar la huella de los voltajes generada dentro del circuito. Éstos definen el corrientes fluyendo, el poder usó y la manera en que el circuito responderá a los eventos externos. Tome este circuito:



¿Cuál está el voltaje en el punto ‘A'? Si usted se siente como decir “¿Quién cuida?” entonces la respuesta es “usted” si usted quiere entender cómo los circuitos trabajan, porque el voltaje al punto ‘A' es vital. Para el momento, ignore el efecto de los metro de voltio medían el voltaje.

Si R1 tiene la misma resistencia como R2, entonces el voltaje a ‘A' es la mitad el voltaje de la batería, es decir 4.5 Volts. Medio que el voltaje de la batería se deja caer por R1 y mitad por R2. No le importa eso que la resistencia real de R1 o R2 es, con tal de que ellos tengan la misma resistencia exactamente. El más alto la resistencia, los flujos menos actuales, el más largo la batería dura y el más difícil es medir el voltaje con precisión.

Hay ninguna necesidad de hacer cualquier cálculo para determinar el voltaje al punto “A” como él es la proporción de la resistencia valora que determina el voltaje. Si usted realmente quiere a, usted puede calcular el voltaje aunque no es necesario. El método por hacer esto se lo mostrará brevemente. Por ejemplo, si R1 y R2 cada uno tiene un valor de 50 ohmios, entonces la corriente que fluye a través de ellos será 9 voltios / 100 ohmios = 0.09 Amperios (o 90 miliamperios). La gota de volta por R1 será 50 ohmios = los Voltios / 0.09 amperios o Voltios = 4.5 voltios. Exactamente las mismas muestras del cálculo que el voltaje por R2 es exactamente también 4.5 voltios. Sin embargo, el punto a ser enfatizado aquí es que es la proporción de R1 a R2 que controla el voltaje al punto “A.”

Si el R1 tiene la medio tanta resistencia como R2, entonces se deja caer el medio tanto voltaje por él como se deja caer por R2, decir del eso se dejan caer 3 Voltios por R1, mientras dando ‘al punto A ' un voltaje de 6 Voltios y eso es lo que el metro del voltio mostrará. De nuevo, no le importa lo que el valor real de R1 está en los ohmios, tan largo cuando R2 tiene la resistencia precisamente dos veces (mostrado por un número más alto en la resistencia).

Si el R1 tiene la tanta resistencia dos veces como R2, entonces dos veces se deja caer el tanto voltaje por él como se deja caer por R2, decir del eso se dejan caer 6 Voltios por R1, mientras dando ‘al punto A ' un voltaje de 3 Voltios. Aquí son algunos ejemplos con las resistencias diferentes:



La misma división del voltaje del suministro puede producirse posicionando el deslizador de una resistencia inconstante a los puntos diferentes rodando el árbol del dispositivo:




Esta determinación de los niveles de voltaje es el factor clave al entendimiento de la circuitería electrónica. El voltaje nivela el control que corrientes fluyen y como cada recorrido funcionará, entonces es esencial entender lo que pasa. El palo con esta sección hasta que usted lo entienda, y si es necesario, hace preguntas sobre lo que usted encuentra difícil.

Primero, por favor entienda que una batería buena es una fuente ilimitada del voltaje y que el voltaje no se hace "consumido" cuando una resistencia o independientemente de lo que está relacionado a través de ello:


Puede haber un poco de dificultad en el entendimiento de la unión "de 0 voltios" en un recorrido. Todo este medio consiste en que esto es la línea de vuelta para la corriente corriente de la batería. La mayoría de él recorrido convencional está relacionado con ambos lados de la batería y esto permite que una corriente fluya alrededor "de un recorrido" cerrado de un terminal de la batería al otro terminal.

Esto es la práctica normal para dibujar un diagrama de recorrido de modo que el Más el terminal de la batería esté encima y el menos el terminal está en el fondo. Muchos diagramas de recorrido muestran la línea negativa en el fondo relacionado con la tierra o una unión "de la tierra", que es literalmente una vara metálica llevada en la tierra a hacer una unión eléctrica buena a la tierra. Este es hecho porque la Tierra es literalmente un embalse enorme de la electricidad negativa. Sin embargo, en realidad, la mayor parte de recorrido no está relacionado directamente con la Tierra de ningún modo. El diagrama de recorrido estándar puede ser visualizado como parecer a un gráfico de voltaje, más alto el diagrama, más alto el voltaje.

De todos modos, cuando hay un recorrido relacionado a través de la batería, la línea negativa o "0V" sólo indica el camino de vuelta a la batería para el flujo corriente:



Este principio aplica inmediatamente al circuito siguiente:



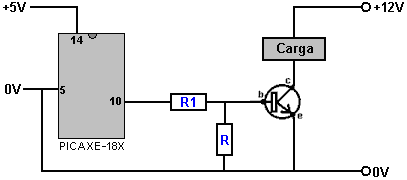
Aquí nosotros encontramos dos nuevos componentes. El primero es ‘VR1' que es una resistencia inconstante. Este dispositivo es un resistencia que tiene un deslizador a que puede moverse de un extremo de la resistencia el otro. En el circuito sobre, la resistencia inconstante se conecta por la 9 Voltio batería para que la cima de la resistencia está en 9 Voltios y el fondo está en 0 Voltios. Puede ajustarse el voltaje en el deslizador de 0 Voltios a 9 Voltios moviéndolo a lo largo de la resistencia.

El segundo el nuevo dispositivo es ‘TR1' un transistor. Este semiconductor tiene tres conexiones: un Coleccionista, una Base y un Emisor. Si la base está desconectada, el transistor tiene una resistencia muy alta entre el coleccionista y el emisor, muy más alto que la resistencia de resistencia ‘R1 '. Los que de voltaje de El dividen el el mecanismo simplemente discutió medios que el voltaje al coleccionista quiere por consiguiente, cerca de mismo de mar de 9 Voltios - la causó por la proporción de la resistencia del la del Coleccionista / el Emisor del transistor comparada un resistencias del la “R2”.

Si una corriente pequeña se da de la base al emisor, la resistencia entre el coleccionista y el emisor deja caer casi al instante a un valor muy bajo, mucho, muy más bajo que la resistencia de resistencia ‘R2 '. Esto significa que el voltaje al coleccionista será mismo cerca de 0 Voltios. El transistor se describe como tener ‘encendió '. Este estado puede ponerse moviendo el deslizador de la resistencia inconstante muy despacio el ácima para alcanzar el interruptor-adelante el punto. El estará de Esto un del de voltaje de un basan / el emisor de 0.7 Voltios, o para que. El transistor puede encenderse por consiguiente y fuera de sólo rodando el árbol de la resistencia inconstante.



Si una bombilla se usa en lugar de R2, entonces encenderá cuando el transistor enciende. Si una parada o el opto-aislador se usan, entonces un segundo circuito puede operarse:


Si un zumbador se sustituye para R2, entonces un testamento de la advertencia audible, se parezca cuando el transistor enciende. Si una opto-resistencia se sustituye para VR1, entonces el transistor encenderá cuando los aumentos nivelados ligeros o disminuciones, dependiendo adelante cómo el sensor se conecta. Si un termistor se usa en lugar de VR1, entonces el transistor puede encenderse por un levantamiento o puede bajarse en la temperatura. Repita, el sonido del de para, la velocidad del viento, la velocidad del la del agua, el nivel del el de la vibración, etc. - más de este más tarde.

Nosotros necesitamos examinar el circuito de la resistencia en más detalle:



Nosotros necesitamos poder calcular qué corriente está fluyendo alrededor del circuito. Esto que usa puede hacerse “los Ohmios La ley” qué estados que “la Resistencia iguala Voltaje dividido por la Corriente” o, si usted prefiere: “los Ohmios = los Voltios / los Amperios” qué indica las unidades de medida.

En el circuito sobre, si el voltaje es 9 Voltios y la resistencia es 100 ohmios, entonces usando la Ley de Ohm nosotros podemos calcular la corriente que fluye alrededor del circuito como 100 Ohmios = 9 Voltios / los Amperios, o Amperios = 9 / 100 qué iguala 0.09 Amperios. Para evitar los lugares decimales, la unidad de 1 miliamperio se usa. Hay 1000 miliamperios en 1 El amperio. La corriente simplemente calculada normalmente se expresaría como 90 miliamperios que son escritos como 90 mA.

En el circuito sobre, si el voltaje es 9 Voltios y la resistencia es 330 ohmios, entonces usando la Ley de Ohm nosotros podemos calcular la corriente que fluye alrededor del circuito como 330 = 9 / los Amperios. Los ambos lados multiplicando de la ecuación por “los Amperios” da: los Amperios x 330 ohmios = 9 voltios. Los ambos lados dividiendo de la ecuación por 330 dan: Los amperios = 9 voltios / 330 ohmios que los trabajos fuera como 0.027 Amperios, escrito como 27 mA.

Usando la Ley de Ohm nosotros podemos calcular qué resistencia para usar para dar cualquiera requirió el flujo actual. Si el voltaje es 12 Los voltios y la corriente requerida es entonces 250 mA como los Ohmios = los Voltios / los Amperios, la resistencia necesitada se da por: los Ohmios = 12 / 0.25 Amperios que igualan 48 ohmios. La resistencia normal más íntima es 47 ohmios (Amarillo / la Púrpura / Negro).

La última cosa para hacer es verificar la potencia en vatios de la resistencia para asegurarse que la resistencia no quemará fuera cuando conectó en el circuito propuesto. El cálculo de poder se da por:
Los vatios = los Voltios los Amperios de x.   En el último ejemplo, esto da los Vatios = 12 x 0.25 que son 3 Vatios. Esto es muy más grande que la mayoría de las resistencias usadas hoy día en la circuitería.

Tomando el ejemplo más temprano, Vatios = los Voltios los Amperios de x, para que los Vatios = 9 x 0.027 qué da 0.234 Vatios. De nuevo, para evitar los decimales, una unidad de 1 miliwatt se usa, dónde 1000 miliwatts = 1 Vatio. Así en lugar de escribir 0.234 Los vatios, es común escribirlo como 234 mW.

Este método de funcionar los voltajes, resistencias y las potencias en vatios aplican a cualquier circuito, no importa cómo torpe ellos pueden aparecer. Por ejemplo, tome el circuito siguiente que contiene cinco resistencias:



Como la corriente que fluye a través de la resistencia ‘R1' tiene que atravesar la resistencia ‘R2' entonces, se dice que ellos son ‘en la serie' y sus resistencias se suman cuando los flujos actuales interesados. En el ejemplo sobre, ambos R1 y R2 son 1K resistencias, tan juntos ellos tienen una resistencia al flujo actual de 2K (es decir, 2,000 ohmios).

Si dos, o más, se conectan las resistencias por nosotros como mostrado en el lado de la mano derecha del diagrama sobre, se dice que ellos son ‘en' paralelos y sus resistencias combine diferentemente. Si usted quiere trabajar fuera la ecuación sobre, para usted, que entonces escoge un voltaje por Rt, use la Ley de Ohm para funcionar la corriente a través de Ra y la corriente a través de Rb. Sume las corrientes (cuando ellos los dos están siendo arrastrado de la fuente de voltaje) y usa la Ley de Ohm de nuevo para funcionar el valor de Rt para confirmar que los 1/Rt = 1/Ra + 1/Rb +.... la ecuación es correcta. Una hoja de cálculo es incluido qué puede hacer este cálculo para usted.

En el ejemplo sobre, R4 tiene 1K5 años (1,500 ohmios) y R5 tiene 2K2 años (2,200 ohmios) para que su resistencia combinada se da por 1/Rt = 1/1500 + 1/2200 o Rt = 892 ohmios (usando una calculadora simple). Aplique un cheque del común-sentido a este resultado: Si ellos hubieran sido entonces dos 1500 ohm resistencias el valor combinado habría sido 750 ohmios. Si ellos hubieran sido entonces dos 2200 ohm resistencias el valor combinado habría sido 1100 ohmios. Nuestra respuesta debe quedar por consiguiente entre 750 y 1100 ohmios. Si usted viniera a con una respuesta de, diga, 1620 ohmios, entonces usted sabe la recta fuera de eso está equivocado y las necesidades aritméticas a ser hechas de nuevo.

¿Así, cómo sobre los voltajes a los puntos ‘A' y ‘B' en el circuito? Como R1 y R2 es igual en el valor, ellos quieren tenga las gotas de voltaje iguales por ellos para cualquier corriente dada. Así el voltaje al punto ‘A' será la mitad el voltaje de la batería, es decir 6 Volts.

Ahora, punto ‘B'. Resistencias que R4 y R5 actúan igual que una sola resistencia de 892 ohmios, para que nosotros podemos imaginar simplemente dos resistencias en la serie: R3 a 470 ohmios y R4+R5 a 892 ohmios. El El común-sentido el cheque áspero: él como el R3 sólo está la mitad la resistencia sobria de R4+R5, tendrá la la medio tanta gota sobria de la voltaje por él como la gota del por el voltaje R4+R5, decir del es aproximadamente 4 Voltios por R3 y aproximadamente 8 Voltios por R4+R5, para que el voltaje al punto ‘B' debe hacer ejercicio a aproximadamente 8 Voltios.

Nosotros podemos acostumbrar la Ley de Ohm a calcular la corriente que fluye a través del punto ‘B':

Los Ohmios = los Voltios / los Amperios,
(o   los Amperios = los Voltios / los Ohmios   o   los Voltios = los Ohmios x los Amperios)
(470 + 892) = 12 / los Amperios, para que
los amperios = 12 / (470 + 892) o
los Amperios = 12 / 1362 o
los Amperios = 0.00881 Amperios (8.81 miliamperios).


Ahora que nosotros sabemos el pasando actual a través de (R4+R5) nosotros podemos calcular el voltaje exacto por ellos: la Resistencia = los Voltios / los Amperios para que

892 = los Voltios / 0.00881 o

los Voltios = 892 x 0.00881

los Voltios = 7.859 Voltios.

Cuando nuestra estimación del común-sentido era 8 Voltios, nosotros podemos aceptar 7.86 Voltios como ser el voltaje exacto al punto ‘B'.


El Potenciómetro.   Simplemente antes de que nosotros dejemos el asunto de resistencias y seguimos a los asuntos más interesantes, nosotros nos encontramos con el término el potenciómetro de ‘'. Este término se acorta a menudo a la olla de ‘que' y muchas personas lo acostumbran a describir una resistencia inconstante. Yo sólo menciono esto para que usted pueda entender lo sobre que ellos están hablando. Una resistencia inconstante no es un potenciómetro y realmente no debe llamarse uno. Usted puede saltar el resto de esta parte como él es nada importante, pero aquí es lo que un potenciómetro es:

Un nombre elegante para el voltaje es ‘' potencial, para que un circuito impulsó por una 12 Voltio batería puede describirse como tener un ‘' potencial de ceros voltios al lado negativo de la batería y un ‘' potencial de ventaja doce voltios al lado positivo de la batería. Las gentes ordinarias como mí dirían ' a simplemente voltaje de ‘en lugar de ‘' potencial.

Cuando un metro de voltio se usa para medir el voltaje a cualquier punto en un circuito, altera el circuito deduciendo una cantidad pequeña de corriente del circuito. El metro de voltio normalmente tiene una resistencia interior alta y para que la corriente sea muy pequeña, pero aunque es una corriente pequeña, altera el circuito. Por consiguiente, la medida hecha no es bastante correcta. ¿Científicos, en años pasado, superó el problema con una solución muy aseada - ellos midieron el voltaje sin tomar cualquier actual del circuito - el huh aseado? Ellos también lo hecho con un arreglo muy simple:



Ellos acostumbraron un metro sensible a medir la corriente. Este metro se construye para que la aguja esté en una posición central si ninguna corriente está fluyendo. Con un corriente fluir positivo, la aguja desvía al derecho. Con un corriente fluir negativo, la aguja mueve a la izquierda. Ellos conectaron una resistencia inconstante entonces ‘VR1' por la misma batería que estaba impulsando el circuito. El extremo de la cima de VR1 está en +12 Voltios (ellos llamaron ese ‘un potencial de +12 Voltios') y el fondo acaba de VR1 está a ceros voltios o ‘un potencial de ceros voltios'.

Ellos acostumbraron un metro sensible a medir la corriente. Este metro se construye para que la aguja esté en una posición central si ninguna corriente está fluyendo. Con un corriente fluir positivo, la aguja desvía al derecho. Con un corriente fluir negativo, la aguja mueve a la izquierda. Ellos conectaron una resistencia inconstante entonces ‘VR1' por la misma batería que estaba impulsando el circuito. El extremo de la cima de VR1 está en +12 Voltios (ellos llamaron ese ‘un potencial de +12 Voltios') y el fondo acaba de VR1 está a ceros voltios o ‘un potencial de ceros voltios '.

Moviendo el deslizador de VR1, cualquier voltaje o ‘' potencial de ceros voltios a +12 Voltios podría seleccionarse. Para medir el voltaje al punto ‘A' sin dibujar cualquier actual del circuito, ellos conectarían el metro como mostrado y ajusta la resistencia inconstante hasta el metro la lectura era exactamente el cero.

Desde que el metro la lectura es el cero, la corriente que fluye a través de él también es ceros y la corriente tomadas del circuito es el cero. Cuando ninguna corriente está tomándose del circuito, la medida no está afectando el circuito de forma alguna - muy diestro. El voltaje en el deslizador de VR1 exactamente los fósforos el voltaje al punto ‘A', para que con una balanza calibrada en la resistencia inconstante, el voltaje puede leerse fuera de.

El pedazo diestro de equipo hecho a de la batería, la resistencia inconstante y el metro fue usado para medir el ‘' potencial (el voltaje) a cualquier punto y para que se llamó un potenciómetro de ‘'. Así, por favor el humor yo llamando una resistencia inconstante un ‘la resistencia inconstante ' y no un potenciómetro de ‘'. Cuando yo dije antes, esto es nada importante, y si usted quiere a, usted puede llamar una resistencia inconstante un alucinante de ‘' tan largo como usted sabe cómo funciona.


La comprensión de lo que significan los diagramas de circuito.
Mucha gente mira un diagrama del circuito y no tienen idea de lo que significa, por lo que vamos a ver si puede hacer que el misterio desaparece. Tome este circuito, por ejemplo:



Este circuito tiene tres componentes, además de un poco de alambre. El símbolo "B" representa una batería, o más estrictamente hablando, una batería compone de un número de células. Las baterías vienen en muchas formas y tamaños diferentes. Éstos son algunos de ellos:



El símbolo "R" representa una resistencia como se describió anteriormente, y el "LED" es un diodo emisor de luz que probablemente se ve así:



El alambre más largo es el Plus. Muchos LEDs necesitan más de 1,5 voltios para iluminar, y si bien es muy fácil pensar en una sola pila de tamaño AA como 1,5 voltios, baterías del tipo AA muy común NiMh son sólo 1,2 voltios. Por lo tanto, pongamos el circuito utilizando una batería de 9V y una resistencia de 330 ohmios (Naranja, Naranja, Marrón) para limitar la corriente que fluye a través del LED. El circuito es:



Y esto indica que el Plus de la batería se conecta a la resistencia. Esto se puede hacer usando un poco de alambre, o la resistencia se puede conectar directamente a la batería:





A continuación, el LED se conecta al otro extremo de la resistencia:

         




Y, por último, el otro lado del LED está conectado a la Minus de la batería:

         




Si el LED está conectado al revés, no va a dañar nada, pero el LED no se enciende. Conexiones de mala calidad pueden ser hechas por torcer cables juntos. Conexiones de mejor calidad se pueden hacer usando conectores de tornillo:



La separación de los conectores en la tira varía con la potencia nominal de los conectores y hay cuatro o cinco tamaños comúnmente disponibles, y por lo que a veces es necesario cortar la tira y el uso de conectores individuales a veces. Otra opción es utilizar un tapón en el tablero, aunque están lejos de ser perfecto. Ellos solían ser muy buena, pero circuitos integrados entonces vino junto con su pequeño espacio entre pines y las juntas adaptadas a ellos al hacer los agujeros y el espaciamiento entre los agujeros lo suficientemente pequeños para adaptarse a los circuitos integrados. Ahora, ya no es posible conectar componentes muy comunes tales como el ayuno UF5408 diodo como las mercancías de diodo son demasiado grandes para conectar a los pequeños agujeros:



El método más eficaz de la conexión es soldar los componentes entre sí y que no es particularmente difícil de hacer. Veroboard (stripboard) es conveniente y hay varios otros estilos del tablero que se pueden utilizar. Cuando yo era muy joven y casi sin componentes estaban disponibles, solía chinchetas y componentes soldados a ellos, matando al calor excesivo con un paño húmedo, que es muy eficaz en la caída de la temperatura varía rápidamente. Sin embargo, no importa qué método de conexión se utiliza, sólo tienes que seguir a lo largo de las líneas de conexión en cualquier diagrama para ver qué componentes están conectados entre sí.


Los semiconductores.   Esta sección se trata de los semiconductores discretos. Una sección más tarde se trata de ‘Intégratenos Los circuitos' que es los dispositivos del semiconductor de gran potencia.

ORP12 la resistencia Luz-dependiente. Este dispositivo tiene una resistencia alta en la oscuridad y una resistencia baja en la luz luminosa. Puede ponerse en un circuito para crear un interruptor que opera con un aumento en nivel de luz o una disminución en el nivel ligero:



En esta versión, el voltaje al punto ‘A' controla el circuito. En la oscuridad, el ORP12 tiene una resistencia diez veces mayor que el de R1 que es 12,000 ohmios. Por consiguiente, el voltaje al punto ‘UN' será alto. As los aumentos nivelados ligeros, la resistencia del ORP12 se cae, mientras arrastrando el voltaje hacia abajo al punto ‘A'. As la resistencia inconstante ‘VR1' se conecta del punto ‘A' a la barra molida (el -ve de la batería), su deslizador puede se mueva para seleccionar cualquier voltaje entre 0 Voltios y el voltaje de ‘UN'. Un punto del deslizador puede escogerse hacer el interruptor del transistor fuera de en la luz del día y en por la noche. Para hacer el circuito activar cuando los aumentos nivelados ligeros, simplemente cambalachee las posiciones de R1 y el ORP12.

El transistor mostrado es un BC109 aunque la mayoría de los transistores trabajará en este circuito. El BC109 es un barato, silicón, el transistor de NPN. Puede manejar 100mA y 30V y puede encender y fuera de más de un millón de tiempos por segundo. Tiene tres conexiones: el Coleccionista, marcado ‘c' en el diagrama, la Base, marcado ‘b' en el diagrama y el Emisor, marcado ‘e' en el diagrama.

Como mencionado antes, tiene una resistencia muy alta entre el coleccionista y el emisor cuando ningún flujo actual en la base. Los Si una corriente pequeña se alimenta en la basan, la resistencia del coleccionista / el caer de deja de emisor un valor muy bajos. La corriente del coleccionista dividida por la corriente baja se llama que los ‘ganan' del transistor y se llaman a menudo el de ‘'. Un transistor como un BC109 o un BC108 tiene una ganancia de aproximadamente 200, aunque esto varía del transistor real al transistor real. Una ganancia de 200 medios que una corriente de 200mA que atraviesa al coleccionista requiere una corriente de 1mA a través de la base sostenerlo. Puede obtenerse información específica sobre las características y conexiones de semiconductores de todos los tipos gratuitamente del website excelente www.alldatasheet.co.kr que proporciona los .pdf información archivos.

El transistor de BC109 mostrado sobre es un tipo de NPN. Esto se indica por la flecha del símbolo que apunta los exteriores. Usted también puede decir por el coleccionista que apunta a la barra positiva. Hay transistores de silicón similares construidos como los dispositivos de PNP. Éstos tienen la flecha en el símbolo del transistor que apunta a los dentro y sus coleccionistas se conecta, directamente o indirectamente, a la barra negativa. Esta familia de transistores es que el transistor más temprano diseña y se llama ‘los transistores de' bipolares.

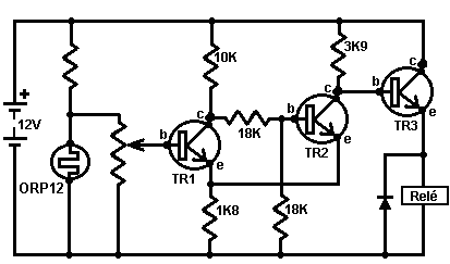
Éstos que se construyen así eficazmente los transistores de silicón que ellos pueden conectarse para dar la ganancia grandemente aumentada directamente junta. Este arreglo se llama que un ‘Darlington aparean'. Si cada transistor tiene una ganancia de 200, entonces el par da una ganancia de 200 x 200 = 40,000. Esto tiene el efecto que una misma, muy pequeña corriente puede usarse para impulsar una carga. El diagrama siguiente muestra un par de Darlington usado en un descubridor agua-nivelado. Este tipo de alarma podría ser muy útil si usted está dormido en un barco que empieza la toma en el agua.



Aquí, (el cuando el circuito se enciende), transistor la TR1 tiene corriente del goteo el que del pequeña color canela el TR2 se hambrea de la corriente del ala él y está apagado duro bajo, mientras dándole una resistencia alta por su unión del coleccionista / el emisor. Esto hambrea el zumbador de voltaje y subsistencias fuera de que impulsó. El sensor es simplemente dos sondas arregladas en el lugar sobre el nivel de agua aceptable. Si el agua los levantamientos nivelados, las sondas se conectan vía el agua. El pura agua tiene una resistencia eléctrica alta pero este circuito todavía trabajará con el pura agua.

Las desigualdades son eso en una situación práctica, el agua no será particularmente limpie. La resistencia R1 es incluido limitar la corriente baja de TR1 deben las sondas del sensor se ponga en cortocircuito. Los Silicón que los transistores bipolares tienen un voltaje del basan / el emisor del 0.7V cuando totalmente encendió sobrio. El par de Darlington tendrá aproximadamente 1.4V entre la base de TR1 y el emisor de TR2, para que si las sondas del sensor se ponen en cortocircuito juntos, la resistencia R1 tendrá 6 - 1.4 = 4.6V por él. Los ohmios la Ley nos da la corriente a través de él como R = V / UN o 47,000 = 4.6 / un o UN = 4.6 / 47,000 amperios. Esto funciona a 0.098mA que con una ganancia del transistor de 40,000 permitiría a 3.9A a través del zumbador. Como las tomas del zumbador sólo 30mA o para que, limita el pasando actual a través de él, y puede considerarse que TR2 es cambiado difícilmente adelante con el voltaje de la batería entero por él.

Los transistores de NPN son más comunes que PNP teclea pero no hay casi ninguna diferencia práctica entre ellos. Aquí es el circuito anterior usando los transistores de PNP:



No mucha diferencia. La mayoría de los diagramas del circuito mostrado aquí usa los tipos de NPN pero no sólo no es éstos críticos, pero hay varias maneras de diseñar cualquier circuito particular. En general, los semiconductores mostrados en cualquier circuito raramente son críticos. Si usted puede determinar las características de cualquier semiconductor mostradas, cualquiera que el dispositivo bastante similar generalmente puede sustituirse, sobre todo si usted tiene un entendiendo general de cómo los trabajos del circuito. Ambos los dos circuitos anteriores pueden operar como un descubridor de lluvia. Un sensor conveniente puede hacerse fácilmente de un pedazo de tabla de la tira con las tiras alternadas conectó para formar una reja entrelazando juntos:



Aquí, si una gota de lluvia pontea entre cualquier dos tira adyacente, el circuito activará y sonará una advertencia.

El Los transistores en el circuito los conecta del se sobrios hacen trampas el emisor del sur (o maíz) el conectó un molida de barra de la (la se considera que la más bajo línea del la batería mostrada en cualquier circuito es “la tierra del la” un menos que se muestra específicamente en otra partes). Este método de conexión se llama ‘el emisor común'. El circuito siguiente usa el transistor conectado en el ‘emisor seguidor el modo de'. Esto es donde el emisor se sale para seguir el voltaje bajo - siempre es 0.7V debajo de él a menos que la propia base se maneja debajo de 0.7V:



Esto casi está igual que el circuito luz-operado mostrado antes. En esta variación, los transistores se alambran para que ellos trabajen como un emisor-seguidor de ‘' que sigue el voltaje al punto ‘A' que sube como las gotas niveladas ligeras y la resistencia de los aumentos de ORP12. Esto causa el voltaje por la parada aumentar hasta la parada opera y cierra sus contactos. Una parada es un interruptor mecánico voltaje-operado que se describirá después en más detalle.

La desventaja del circuito anterior es que cuando las disminuciones niveladas ligeras, la corriente a través de la parada aumenta y puede ser una cantidad significante de corriente durante algún tiempo considerable. Si se pensara que impulsaba la unidad entonces con una batería la vida de la batería sería lejos que más corto que necesita sea. Qué nos gustaría, es un circuito de que cambió rápidamente el Fuera del estado al En el estado aunque la entrada activando sólo varió despacio. Hay varias maneras de lograr esto, uno de ellos que es modificar el circuito para volverse un ‘Schmitt Gatillo':


Aquí, un transistor adicional (‘TR2') ha cambiado el funcionamiento del circuito significativamente, con el transistor TR3 encendiendo totalmente y totalmente fuera de, rápidamente. Esto produce la corriente a través de la parada que es muy bajo hasta los gatillos del circuito.

El circuito opera como sigue. Cuando el voltaje a la base de TR1 es alto bastante, TR1 cambia en que las causas la resistencia entre su coleccionista y emisor para ser tan bajo que nosotros podemos tratarlo como un corto circuito (qué es una casi-cera conexión de resistencia). Esto conecta las 10K y 1K8 resistencias eficazmente en la serie por la batería. El voltaje a su punto conectando (el coleccionista y " emisor de TR1) será entonces aproximadamente 1.8 Voltios. Las dos 18K resistencias están en la serie por ese voltaje para que el voltaje a su unión será la mitad que; 0.9 Voltios.

Esto pone la Base de TR2 a aproximadamente 0.9 Voltios y su emisor a 1.8 Voltios. La basan de TR2 ningún consiguiente de por dé es 0.7 voltios el emisor del su sobrio, los para que ninguna corriente del basan / él en de fluirá de emisor el TR2 que medios fuera del que el TR2 se cambia difícilmente. El Esto significa que la el coleccionista de TR2 / el emisor resistencia será muy alta. El voltaje del Él una base del la del TR3 es controlado por la 1K8 resistencias, la el coleccionista de TR2 / la resistencia del emisor (el contralto del muy) en la de y 3K9 resistencias. Esto empuja el voltaje bajo de TR3 a acercarse al voltaje de la batería lleno y como él se alambra como un emisor - el seguidor, su voltaje del emisor será aproximadamente 0.7 Voltios debajo de eso. Esto significa que la parada tendrá la mayoría del voltaje de la batería por él y para que encenderá difícilmente.

Algunos puntos prácticos: La corriente que fluye en la base de TR3 viene vía la 3K9 resistencia. Una 3K9 resistencia necesita 3.9 Voltios por él para cada 1 MA que fluye a través de él. El Si la parada necesita que 150 opere de MA y la TR3 tiene una ganancia de 300, entonces la TR3 necesitará una corriente baja de 0.5 MA para proporcionar 150 mA de la corriente un través del su unión del coleccionista / el emisor. Si 0.5 mA fluye a través de la 3K9 resistencia, habrá una gota de voltaje por él de unos 2 Voltios. El TR3 basan / el emisor voltaje será un 0.7 extensos de Voltios, el para que el voltaje por la parada quiere, sea aproximadamente 12.0 - 2.0 - 0.7 = 9.3 Voltios, para que usted necesita estar seguro que la parada trabajará fiablemente a 9 Voltios.

La Si usted usara un equivalencia de Darlington del transistores, los uno del cada hacen trampas la ganancia del una de 300, el lugar del gen de TR3, la gota de su de entonces del voltaje de la base / el sería de combinada de emisor 1.4 Voltios, pero ellos necesitarían sólo una corriente baja de 150 mA / (300 x 300) = 1/600 MA. Esa corriente dejaría caer sólo 0.007 Voltios por la 3K9 resistencia, para que la parada recibiría 10.6 Voltios.

¿Así, cómo usted hace ejercicio la ganancia de cualquier transistor particular? La herramienta activa principal para la electrónica es un multe-metro. Éste es un metro digital o analógico que puede medir una gama amplia de cosas: el voltaje, corriente, la resistencia,... Generalmente, el más caro el metro el mayor el número de rangos proporcionó. Los metros más caros la comprobación de transistor de oferta. Personalmente, yo prefiero los multe-metro más viejos, pasivos. Éstos se parecen abajo adelante porque ellos deducen la corriente del circuito a que ellos se atan, pero, porque ellos hagan, ellos dan las lecturas fiables todo el tiempo. Los multe-metro digitales batería-operados más modernos darán las lecturas incorrectas alegremente como su batería corre abajo. Yo gasté dos días enteros, mientras probando baterías recargables que aparecían estar dando las actuaciones imposibles. En el futuro, yo descubrí que era una batería de multe-metro de fracaso que estaba causando las lecturas del multe-metro falsas.

Para el momento, nos permitió asumir que ningún probador del transistor comercial es dar y nosotros construiremos nuestro propio (o por lo menos, descubra cómo construir nuestro propio). El Se definen la ganancia del la del un transistor como la corriente del coleccionista / los el emisor dividida por la corriente del basan / el emisor. Por ejemplo, si 1mA están fluyendo a través del coleccionista y 0.01mA está fluyendo en la base para sostener ese flujo del coleccionista, entonces el transistor tiene una ganancia de 100 veces a las 1mA. La ganancia del transistor puede variar cuando está llevando las cargas actuales diferentes. Para los circuitos nosotros hemos estado pareciendo a hasta ahora, 1mA son una corriente razonable a que para medir la ganancia del transistor. Así que construyamos un circuito para medir la ganancia:


Con el circuito mostrado aquí, la resistencia inconstante se ajusta hasta un coleccionista actual de 1mA se muestra en el miriámetro y la ganancia del transistor léase entonces fuera de la balanza en el bulto de la resistencia inconstante. El circuito se construye en una caja pequeña que contiene la batería y con un enchufe en que el transistor puede taparse. ¿La pregunta es entonces, qué valores deben escogerse para la resistencia R1 y la resistencia inconstante VR1?

Bien, nosotros podríamos escoger que la ganancia mínima a ser desplegada es 10. Esto correspondería a que dónde el deslizador de la resistencia inconstante se sube toda la manera para apuntar ‘A' en el circuito que hace el diagrama de, mientras sacando la resistencia inconstante eficazmente del circuito. Si la ganancia del transistor es 10 y la corriente del coleccionista es 1mA, entonces la corriente baja, sea 0.1mA. El Esta corriente tiene que fluir un través de la resistencia del la R1 él y tiene un voltaje de (9.0 - 0.7) en los Voltios por como el voltaje del basan / él es del emisor 0.7 Voltios cuando el transistor es adelante. Los ohmios la Ley nos da Ohmios = los Voltios / los Amperios que para la resistencia R1 significa los Ohmios = 8.3 / 0.0001 o 83,000 ohmios, o 83K.

La regla de dedo pulgar: 1K proporcionan 1mA si tiene 1V por él, para que 10K darán 0.1mA si tiene 1 Voltio por él. Con 8.3 voltios por él, necesita ser 8.3 veces más grande sujetar la corriente al 0.1mA requerido para que la resistencia debe ser 83K en el tamaño.

Como 83K un tamaño normal no es, nosotros necesitamos usar dos o las resistencias más normales para dar esa resistencia. El tamaño normal más cercano debajo de 83K es 82K, para que nosotros podemos usado una 82K resistencia y una 1K resistencia en la serie dar 83K a los requerimos.

Suponga que nosotros decimos que nos gustaría tener 500 como la ganancia más alta mostrado en nuestro probador, entonces cuando VR1 está a su valor máximo, él y R1 deben proporcionar 1/500 del coleccionista actual de 1mA, es decir 0.002mA o 0.000002 amperios. De los Ohmios la Ley de nuevo nosotros conseguimos VR1 + R1 = 4,150,000 ohmios o 4M15. Desgraciadamente, el valor más grande la resistencia inconstante disponible es 2M2 para que el circuito como él está de pie, no podrá cubrir.

¿Suponga nosotros éramos usar simplemente una 2M2 resistencia inconstante para VR1, qué rango de ganancia de transistor nosotros podríamos desplegar? Bien los Ohmios la Ley... nos permite calcular la corriente baja con 8.3 Voltios por (83,000 + 2,200,000) los ohmios y de que la ganancia del transistor máxima que sería 277.77 (a las 1mA). Usted le compraría ' lineal a un ‘la huella del carbono normal la resistencia inconstante que para que el cambio en la resistencia sea firme como el árbol se rueda. La balanza que usted constituiría sería en incluso los pasos y él correría de 10 a la escena mínima, a 278 a la escena más alta.

Pero ése no es lo que nosotros quisimos. Nosotros quisimos medir a 500. Pero ellos no hacen las resistencias inconstantes ¿grande bastante, para que qué nosotros podemos hacer? Bien, si nosotros quisiéramos, nosotros podríamos bajar el voltaje de la batería que a su vez bajaría los valores de la resistencia. Cuando una 9V batería es muy conveniente para este tipo de circuito, permite no baja esa ruta. Nosotros podríamos agregar la circuitería extra para dejar caer el 9V voltaje de la batería abajo a un más bajo valor. La solución más simple es agregar una resistencia extra y cambiar para dar dos rangos. Si nosotros cambiáramos entonces en una 2M2 resistencia extra sobre VR1 el circuito mediría las ganancias del transistor de 278 a sólo encima de 500 y todos que nosotros necesitaríamos hacer serían agregar una segunda balanza para el VR1 indicador bulto mover encima de. Nosotros pudimos, proporcione rangos extras que solapan y qué tiene las balanzas más convenientes para marcar. El plan depende de usted.


El plan cubierto sobre no es la única manera de medir la ganancia del transistor. Una segunda manera que acepta que no es tan exacto, escoge el coleccionista a una corriente baja fija y a medidas actual como una guía a la ganancia. En este método simple, se escogen uno o más valores de la resistencia dar los rangos de ganancia, y los miriámetro leían la ganancia correspondiente:


Aquí, resistencia podrían escogerse R1 dar a un coleccionista actual de 1mA (qué es una desviación máxima en el metro) cuando la ganancia del transistor es 100. Resistencia que podrían escogerse R2 para dar una desviación máxima para una ganancia de 200, R3 para una ganancia de 400, R4 para una ganancia de 600, y así sucesivamente. Generalmente hablando, no es esencial saber la ganancia exacta pero cualquier aproximación razonable a él son suficientes. Usted normalmente está seleccionando un transistor dónde usted necesita una ganancia de 180, para que no es importante si el transistor usted el pico tiene una ganancia de 210 o 215 - usted está evitando sólo transistores con las ganancias debajo de 180.

¿Cómo usted hace ejercicio los valores de las resistencias R1 a R4? Bien, usted no esperará esto probablemente, pero usted usa Los ohmios la Ley. La gota de voltaje es 8.3 Voltios y la corriente baja se da por la desviación máxima es 1mA dividido por la ganancia del transistor para cada rango, es decir 1/100 mA para R1, 1/200 mA para R2,... 1/600 MA para R4,...


Emisor Seguidores
Los circuitos de transistores muestran hasta ahora se conocen con el término técnico "Emisor Común" porque los emisores están generalmente conectados al 'riel negativo "o línea menos batería. Este método de uso es muy popular porque cuando el transistor está encendido, la totalidad de la tensión de alimentación es suministrada a la carga. Otro método común y muy útil se conoce como circuito de la 'seguidor de emisor', donde la carga se conecta al carril negativo en lugar del emisor del transistor. Con esta disposición, el voltaje en el emisor se mantiene en 0,7 voltios por debajo de la tensión de la base del transistor y 'sigue' que la tensión no importa cómo cambia. En términos generales, el transistor se utiliza para amplificar la corriente que podría ser trazada desde el punto en el circuito en el que está conectada la base del transistor. La disposición de circuito es la siguiente:



Si la batería está genuinamente 12 voltios, entonces el control deslizante de la resistencia variable VR1 se pueden mover de un voltaje de cero voltios a una tensión de 12 voltios, o cualquier valor deseado entre esos dos valores. Eso significa que el voltaje en la base del transistor TR1 puede ser cualquiera de esos valores. Si el voltaje en la base del transistor es de 0,7 voltios o más, entonces el transistor conducirá corriente y el voltaje a través de la carga se incrementará hasta que el emisor es de 0,7 voltios por debajo de la tensión de base. Esto significa que el voltaje a través de la carga se puede ajustar a cualquier valor de 0 voltios a +11.3 voltios. Este circuito se conoce como un circuito "seguidor de emisor".

Los valores reales se encuentran en la "vida real" es que una batería marcado como 12 voltios es muy rara en realidad en ese voltaje y un valor común es de 12,8 voltios. He llamado a la tensión base-emisor 0,7 voltios, pero en realidad, puede ser cualquier cosa, desde 0,6 voltios a 0.75 voltios. Un uso común para este tipo de circuito es pasar un voltaje constante a un circuito, utilizando un diodo zener. El circuito es como este:



Este circuito se supone que tiene una tensión fija en el punto "A" como el diodo Zener Z1 se supone para producir un voltaje fijo. Eso puede funcionar razonablemente bien si se fija el voltaje de la batería, pero si se altera la tensión de la batería hacia arriba o hacia abajo, la tensión en "A" derivas, lo que significa que el voltaje a través de la carga también altera. Va a veces ver esto en los circuitos de corriente constante.


Circuitos de Corriente Constante
La forma general, se recomienda organizar un flujo de corriente constante a través de alguna carga u otra es el uso de un circuito integrado diseñado para el trabajo. La disposición es generalmente como esto:



Aquí, la resistencia R1 controla la cantidad de corriente fluirá en el circuito y la resistencia R2 tiene que ser diez veces mayor en valor que R1. Un inconveniente es que el LM334Z cae sobre 4-voltios cuando la estabilización de la corriente a través de la carga. Eso es un montón de tensión sacrificado. Una disposición alternativa es:



Con este circuito, dos diodos ordinarios tales como el 1N4007, se utilizan para dar una tensión constante debido a la corriente que fluye a través de ellos, suministrado por la resistencia R1. Cada diodo tiene una caída de voltaje a través de ella aproximadamente igual a la caída de tensión en la unión base / emisor del transistor TR1. Eso significa que la resistencia R2 tendrá aproximadamente el mismo voltaje a través de él como uno de los diodos. Es mi experiencia que la caída de tensión en los diodos no se afecta mucho si los cambios de voltaje de la batería como pasa el tiempo. Se elige el valor de la resistencia R2 para dar el flujo de corriente deseado a través de la carga. La caída de tensión en las conexiones del colector del transistor / emisor se ajusta automáticamente para mantener al corriente a través de la carga en el valor requerido constante.


Transistores Sustitutos
Un reciente pregunta era cómo encontrar un transistor sustituto para el T13009 transistor en este circuito el capítulo 21, ya que no parecía haber ningún proveedor local para ello, y haría un transistor 2N2222 como un sustituto?



Esa es una pregunta muy razonable. Así que para responder a ella, nos fijamos en el circuito y vemos que el colector del transistor va a ser tirado hacia arriba hasta que supera la tensión de la cadena de la batería. Hay cinco baterías de 12 voltios en una cadena que va hacia arriba desde el emisor del transistor y mientras esas baterías tienen "12 voltios" escritos en ellos, que pueden cobrar hasta cerca de 14 voltios cada una. Eso significa que el colector del transistor puede ser arrastrado hasta una tensión de 5 x 14 = 70 voltios o más si las baterías se van a cargar. Por lo tanto, el sentido común dice que el éxito de cualquier transistor sustituto tendrá que tener una tensión nominal de al menos 70 voltios.

Si queremos conocer las características de un transistor o diodo, podemos ir a la página web www.alldatasheet.com, aunque simplemente buscar en Google el nombre de transistor a menudo recibe la información necesaria muy rápidamente. De todos modos, en el sitio web, la parte superior de la página tiene un menú de selección de idioma y una sección de entrada como esta:



Y si escribe en T13009 como el nombre de una parte:



y haga clic en el botón de búsqueda, a continuación, se trata con esta:



Así se hace clic en el enlace ST13009 azul y entonces se le ocurre un anuncio de la exhibición un poco confuso, que ofrece información sobre algún componente totalmente sin relación. Sin embargo, si se desplaza hacia abajo en la página un poco en que cumpla un enlace a la hoja de datos del transistor:



Si hace clic en el símbolo PDF, se obtiene otra pantalla que ofrece el enlace real en el archivo pdf:



Al hacer clic en el enlace en realidad le proporciona la hoja de datos que puede almacenar localmente para ahorrar tener que pasar por todo ese montón de nuevo



Esto no es un transistor FET y por lo que nuestro principal interés se centra en la tensión que puede soportar, la corriente continua que puede transportar, la corriente máxima que puede manejar cuando se alimenta impulsos repentinos, la cantidad de energía global que puede manejar, lo que DC-corriente ganancia (es decir amplificación) que puede esperar de ella y la rapidez con que puede operar.

Eso suena mucho, pero lo que realmente es bastante simple. Sin embargo, hay una fabricación repartidas en transistores y la mayoría de los otros componentes electrónicos, por lo que estamos buscando sólo un número bola del parque para estas cosas. Es decir, puede tener cinco transistores de aspecto idéntico en su mano, pero es muy poco probable que dos de ellos en realidad ser idénticos. Sin embargo, vamos a ver en esta hoja de datos y ver lo que nos damos cuenta:

En primer lugar, la tensión máxima que puede soportar el transistor con la base sin conexión es de 400 voltios que es bastante más que es probable que se alcance en nuestro circuito.

A continuación, la corriente. La corriente continua se dice que es 12 amperios y 24 amperios si en pulsos. Esto es probable que sea más de las necesidades del circuito, como una salida sostenida de 40 vatios de una conexión de 12 voltios es una corriente de menos de 4-amplificadores.

A continuación, la potencia se indica como 100 vatios (un disipador de calor es definitivamente necesario para que - imaginar que sostiene una bombilla de 100 vatios encendida en la mano y pensar lo cómodo que sería). Sin embargo, en nuestro circuito, el transistor será de la mayor parte del tiempo y por lo tanto, potencia no es probable que sea un problema.

A continuación, la velocidad de conmutación, que es probable que sea importante en este circuito. La hoja de datos sugiere que alrededor de 60 nanosegundos es probable que para cualquier transistor T13009.

Y, por último, la ganancia de corriente CC probablemente será de entre 15 y 39 a una corriente de 5 amperios. Es probable que sea mucho mejor que en corrientes más bajas.

Está bien, ahora sabemos un poco sobre el transistor T13009, y la pregunta se le preguntó sobre el transistor 2N2222, así que buscarlo en el sitio Web Hoja de todos los datos y nos encontramos con que la tensión máxima es de 40 voltios. Eso descarta que fuera de nuestro circuito en el que la tensión va a por lo menos 70 voltios y un transistor 2N2222 moriría instantáneamente. a continuación, nos fijamos en la actual y ver que tiene un máximo de 0,8 de un amplificador que significa que en realidad no lo es en la bola del parque para este circuito.

Sabemos que la TIP3055 (embalado originalmente como el 2N3055) es muy popular entre los constructores de energía libre, por lo que mirar hacia arriba y compruebe que puede manejar tensiones de hasta 60 voltios, 90 vatios de potencia y 15 amperios de corriente. Si bien es un poderoso transistor, parece como si la calificación de voltaje es demasiado bajo para este circuito.

¿Entonces, qué hacemos ahora? Una manera es preguntar a un experto en electrónica para sugerir una alternativa adecuada. Otra forma es buscar los transistores ofrecidos por su proveedor local, que para mí es www.esr.co.uk que conduce a esta tabla que es uno de los muchos y que tiene mucho más entradas:


Queremos un transistor NPN y así se ve la MJ11016 es posible con una capacidad de 100 voltios, corriente de 30 amperios y 200 vatios de disipación. Es un par Darlington en un solo caso y así se enciende alrededor de 1,4 voltios en lugar de 0,7 voltios en la base, pero que no debe hacer ninguna diferencia en nuestro circuito. Con una ganancia de 1000 un simple resistencia variable de carbono podría ser usado para controlar la corriente de base. Hay muchos otros transistores para elegir.

Otra forma de encontrar un transistor adecuado podría ser la de ir en eBay y buscar en "transistor" y ver lo que los transistores son populares y cuánto cuestan. Una alternativa podría ser la de probar el circuito con un transistor FET IRF740, como el que es de alto voltaje, muy potente y no es caro. Sin embargo, los transistores FET gatillo de tensión y dibujan casi ninguna corriente a través de su conexión "rejilla", que es el equivalente a una conexión bipolar "base" y por lo tanto puede ser necesaria alguna experimentación con el circuito.

También podría ser que vale la pena mirando para ver lo que los transistores fueron escogidos por Alexkor en sus circuitos 5-batería en el capítulo 6. Si hacemos eso nos encontramos con la MJE13009 que tiene una especificación idéntica y por lo tanto es casi seguro que lo mismo que un transistor y el T13009 MJE versión está disponible en eBay. Otro de sus transistores es el transistor 2SC3552 con capacidad de 500 V y una capacidad de 150 vatios y se describe como "acción rápida".


El Diodo.   Un componente que se ha mostrado pero no se ha descrito es el diodo o ratificador de ‘'. Éste es un dispositivo que tiene una resistencia muy alta a corriente que fluye en una dirección y una resistencia muy baja a corriente que fluye en la dirección opuesta. Los La unión del basan / el emisor del un transistor es eficazmente un diodo y, a un empujón, puede usarse como a tal. El Un diodo apropiado es barato un compras del ala él y tiene voltaje alcalde lejano los capacidades de y del manejo del corriente que la unión del basan / el emisor del transistor del un.

Los diodos son principalmente hecho de uno de dos materiales: el germanio y silicón. Se usan los diodos del germanio con las corrientes alternas muy pequeñas como signos de la radio que vienen de una antena. El Esto es porque un diodo del germanio necesita sólo 0.2 Voltios el o para que llevar un silicón del rato el necesita 0.6 real un 0.7 Voltios (la mismo como una silicón transistor base / la unión del emisor). Los diodos del germanio (y transistores) es muy sensible a el cambio de temperatura y para que normalmente se restringe para mugir los circuitos de poder. Una aplicación muy aseada para un diodo de silicón es como un ‘ininterrumpido el suministro de poder' dónde el fracaso del electrizad de comunidad se coge al instante:


En este circuito, el voltaje del electrizad de comunidad maneja la Poder Suministro Unidad que genera 12 Voltios al punto ‘A'. Esto proporciona la corriente a la Carga. El diodo tiene +12 Voltios así a ‘A' y +12 Voltios al punto ‘B' no hay ninguna gota de voltaje por él y no llevará la corriente en cualquier dirección. Esto significa que la batería se aísla eficazmente cuando el electrizad de comunidad está funcionando. Si el Poder Suministro Unidad rendimiento fuera subir su nivel del plan anteriormente de +12 voltios, entonces el diodo lo bloquearía de alimentar actual en la batería.

Si el electrizad de comunidad falla, la Poder Suministro Unidad (‘PSU') el rendimiento se caerá poner a cero. Si la batería y diodo no estuvieran allí, el voltaje al punto ‘A ' se caería poner a cero, qué poder-bajaría la Carga y posiblemente la causa los problemas serios. Por ejemplo, si la carga fuera su computadora, un fracaso del electrizad de comunidad podría causarlo perder los datos importantes. Con una copia de seguridad de la batería de este tipo, usted tendría tiempo para ahorrar sus datos y cerrar a su computadora antes de la batería corrió fuera.

El circuito opera en una moda muy simple. En cuanto el voltaje al punto ‘A' deja caer a 0.7 Voltios debajo el +12 voltios al punto ‘B', el diodo empieza el alimento actual de la batería a la Carga. Esto pasa en menos de un millonésimo de un segundo, para que la Carga no pierda la corriente. Merecería la pena que el electrizad de comunidad ha fallado.

Diodos también vienen empaquetados como un puente de diodos, con cuatro diodos incluidos dentro. Previsto generalmente para la rectificación de suministro de energía, no son particularmente rápida acción diodos, pero son baratos y puede llevar una buena cantidad de corriente. Un tamaño común es con los diodos nominal de 1000 v y capaces de llevar 35 amperios. Aunque hay muchos tipos de paquete, un paquete muy común se ve así:



La señal alterna se conecta entre dos esquinas opuestas y la DC pulsante se saca de los otros dos terminales. Los símbolos indicados arriba son normalmente marcados en la cara plana que no se ve en Esta imagen. El paquete tiene un agujero en el centro para que la caja de metal puede ser atornillada a un disipador de calor para mantener el dispositivo razonablemente fresco al llevar grandes corrientes. Las conexiones en el interior del paquete son así:



Es posible conectar el puente de una manera diferente y utilizarlo como un arreglo de diodo doble voltaje superior como se muestra aquí:



Obviando la capacidad de corriente alterna y conectarse sólo el Plus y los terminales de menos, el paquete proporciona dos pares si en los diodos conectados en serie. Esto da dos veces el voltaje en ambos corriente caminos y el actual manejo capacidad nominal en ambos de esos dos caminos que ahora están conectados a través de unos a otros, que duplica la capacidad de manejo actual. El diagrama muestra cómo tres ordinario, barato 35 Puentes de amp 1000V pueden conectarse para dar uno diodo compuesto 70 amp 6000V. Usted podría, si lo desea, aumentar la especificación de un diodo puente 1000V 35A a 2000V 70A utilizando cuatro de ellos de esta manera:



Diodos se especifican por su capacidad y su capacidad de corriente y la velocidad a la que puede encender y apagar de voltaje. Para fuentes de alimentación, donde la frecuencia es muy baja, cualquier diodo hará, pero hay circuitos donde el cambio es necesarios cientos de miles de veces por segundo y hasta las hojas de especificaciones del diodo deben comprobar para ver qué frecuencia puede ser manejado por cualquier diodo particular. Los hojas de datos pueden ser descargadas gratis www.alldatasheet.co.kr.

Otra cosa que debe revisarse para algunos circuitos es el voltaje necesario para que el diodo para encender. Dos materiales comunes usados al hacer diodos son silicio y germanio. Tipos de germanio tienen una tensión baja de alrededor de 0,2 voltios que silicio tiene típicamente sobre un umbral de 0,6 voltios generalmente. Estas cifras de voltaje varían enormemente como la corriente a través de los aumentos del diodo. Circuitos que utilizan muy baja voltajes necesitan diodos de germanio como el 1N34





Fotodiodos:
Fotodiodos: hay una variación ampliamente usada del diodo que es sumamente útil, y ése es el Diodo Emitiendo Ligero o ‘LED'. Éste es un diodo que emite la luz al llevar actual. Ellos están disponibles en las versiones ligeras rojas, verdes, azules, amarillas o blancas. Algunas versiones pueden desplegar más de un color de luz si la corriente se alimenta a través de sus conexiones eléctricas diferentes.

Fotodiodos dan un nivel ligero bajo a una corriente de aproximadamente 8 o 10 mA y una luz luminosa para las corrientes de 20 a 30 mA. Si ellos están usándose con un 12 Voltio sistema, entonces una resistencia de la serie de 1K a 330 ohmios es necesaria. Fotodiodos son los dispositivos robustos, inmune al susto y vibración. Ellos entran en los varios diámetros y los tamaños más grandes es muy más visible que el diminuto.


SCRs y Triacas:
Otra versión del diodo es el Silicón Controló Rectificador o ‘Tiristor'. Este dispositivo lleva ningún actual hasta su verja una entrada recibe actual. Esto simplemente está una vez como el funcionamiento de un transistor pero el SCR encendido, se queda adelante aunque el signo de la verja está alejado. Se queda adelante hasta la corriente a través del SCR se obliga a poner a cero, normalmente por el voltaje por él estando alejado. Se usan a menudo SCRs con los voltajes alternos (describió debajo) y esto causa el SCR para apagar si la entrada de la verja está alejada. SCRs sólo operan en los voltajes positivos para que ellos extrañen la mitad del poder disponible de los suministros de poder alternos. Una versión más avanzada del SCR es el ‘Triaca ' que opera de la misma manera como un SCR pero se ocupa de voltajes positivos y " negativos.


Opto-Aisladoras:
Otro la variación muy útil en los LLEVAMOS es el Opto-Aislador. Este dispositivo es un totalmente adjuntado LLEVÓ y el transistor luz-sensible. Cuando los LLEVAMOS nos impulsamos a, enciende el transistor. El la ventaja grande de este dispositivo es que los LLEVAMOS podemos estar en un voltaje bajo, poder bajo que se da cuenta del circuito, mientras el el transistor puede estar en un voltaje completamente separado, alto, el circuito de poder alto. El opto-aislador aísla los dos circuitos completamente de nosotros. Es un dispositivo muy útil, y muy popular, económico.


La Corriente alterna:
UNA batería proporciona un voltaje constante. Esto se llama una Corriente Directa o ‘CC la fuente de' de poder. Cuando un circuito se conecta a una batería, la barra positiva siempre es positiva y la barra negativa siempre es negativa.

Si usted conecta una batería a un circuito a través de un interruptor de cambio de doble-polo como mostrado aquí:


Cuando el interruptor de cambio se opera, la batería se voltea eficazmente encima de lo invertido. Este circuito se llama un convertidor de ‘' porque invierte el voltaje del suministro repetidamente. Si el interruptor se opera en una base regular, rápida, el gráfico del voltaje del rendimiento es como mostrado en el derecho. Ésta es una ‘cuadrado ola el voltaje de' y se usa extensivamente en el equipo electrónico. Se llama corriente alterna o CA de ‘' para el calzón. Pueden usarse SCRs y Triacas convenientemente con los voltajes del suministro de este tipo. El voltaje de Electrizad de comunidad también es el CA pero es bastante diferente:


El voltaje de Electrizad de comunidad varía continuamente en la forma de una ola del seno. En Bretaña, los el voltaje del electrizad del sé de la comunidad describen él como ‘240 Voltios CA' él y él ciclos del abajo del arriba 50 segundos de por de veces, decir del es 50 crestas positivas y 50 negativo alcanza el máximo el segundo de un de en. Sería razonable asumir que cada cresta de voltaje sería 240 Voltios pero esto no es el caso. Aunque el suministro se describe como 240 Voltios, alcanza el máximo a la raíz cuadrada de 2 veces mayor que, es decir 339.4 Volts. El voltaje del suministro real no es particularmente exacto, para que cualquier dispositivo pensó para el uso del electrizad de comunidad debe tasarse a 360 Voltios. El voltaje del suministro es 110 Voltios CA y él ciclos 60 veces por segundo en América, alcanzando el máximo a la ventaja y menos 155 Voltios. Después, usted verá cómo uno o más diodos pueden se use para convertir el CA a CC en una unidad que se vende como un ‘electrizad de comunidad adaptador ' pensó permitir el equipo a pilas se opere del suministro del electrizad de comunidad local.


Los bobinas:
Si usted toma un tubo del cartón, cualquier tamaño, cualquier longitud, y enrolla una longitud de alambre alrededor de él, usted crea un dispositivo muy interesante. Pasa por el nombre de un bobina de ‘' o un inductor de ‘' o un solenoide de ‘'.


Éste es un dispositivo muy interesante con muchos usos. Forma el corazón de un receptor de la radio, era el componente principal de intercambios del teléfono, y la mayoría de los motores eléctricos usa algunos de ellos. La razón para esto es que si una corriente se pasa a través del alambre, el bobina actúa de exactamente la misma manera como un imán de la barra:


La diferencia principal que es que cuando la corriente se interrumpe, el bobina deja de actuar como un imán, y eso puede ser de hecho muy útil. Si una vara férrica se pone dentro del bobina y la corriente encendió, la vara se empuja a un lado. Muchos timbres usan este mecanismo para producir un campaneo de la dos-nota. Una parada de ‘' acostumbra este método a cerrar un interruptor eléctrico y muchos circuitos usan esto para cambiar las cargas pesadas (un tiristor también puede usarse para esto y no tiene ninguna parte mudanza).

Un bobina de alambre tiene uno de los rasgos más peculiares de casi cualquier componente electrónico. Cuando la corriente a través de él se altera de forma alguna, la bobina opone el cambio. ¿La Recuerde el circuito para un interruptor luz-operado que usa una parada?


Usted notará que la parada (qué es principalmente un bobina de alambre), tiene un diodo por él. La parada " ni el diodo se mencionó en cualquier gran detalle en ese momento como ellos no era ese pertinente al circuito a describiéndose. El diodo se conecta para que ningún flujo actual a través de él de la batería positivo al ‘conectó con tierra' linean (el negativo de la batería). En la superficie, parece como si tiene inútil en este circuito. De hecho, es un componente muy importante que protege el transistor TR3 del daño.

El bobina de la parada lleva la corriente cuando transistor en que TR3 es. El emisor de transistor que TR3 está a en las aproximadamente +10 Los voltios. Cuando TR3 apaga, hace tan rápidamente, mientras empujando la conexión de la parada de +10 Voltios a 0 Voltios. El bobina de la parada reacciona de una manera más peculiar cuando esto pasa, y en lugar de la corriente a través del bobina de la parada que simplemente detiene, el voltaje en el extremo del bobina conectado al emisor de subsistencias de TR3 que mueven hacia abajo. Si no hay ningún diodo por la parada, el voltaje del emisor se obliga a rebasar la línea negativa del circuito brevemente y se arrastra abajo muchos voltios debajo de la batería la línea negativa. El coleccionista de TR3 se alambra a +12 Voltios, para que si el emisor se arrastra abajo a, diga, -30 Voltios, TR3 consigue 42 Voltios puestos por él. Si el transistor sólo puede manejar, diga, 30 Voltios, entonces se dañará por la 42 Voltio cresta.

La manera en que los bobinas operan es rara. Pero, sabiendo lo que va a pasar en el momento de interruptor-fuera de, nosotros nos tratamos de él poniendo un diodo por el bobina de la parada. A interruptor-adelante, y cuando la parada se impulsa, el diodo no tiene el efecto, mientras desplegando una resistencia muy alta al flujo actual A interruptor-fuera de, cuando el voltaje de la parada empieza a caerse debajo de la línea de la batería, el diodo se convierte eficazmente encima de en su modo dirigiendo. Cuando el voltaje alcanza 0.7 Voltios debajo de la batería la línea negativa, el diodo empieza dirigiendo y fija el voltaje a ese nivel hasta la púa de voltaje generada por el bobina de la parada ha disipado. El más el bobina intenta arrastrar el voltaje abajo, el más duro el diodo dirige, mientras ahogándose la zambullida descendente. Esto restringe el voltaje por el transistor TR3 a 0.7 Voltios más del voltaje de la batería y para que lo protege.

Las bobinas del solenoide pueden ser muy útiles. Aquí es un plan para un motor eléctrico poderoso patentado por el americano, Ben Teal, en el 1978 de junio (la patente americana número 4,093,880). Éste es un plan muy simple que usted puede construir para usted si usted quiere. El motor original de Ben Teal se construyó de madera y casi cualquier lata material conveniente se use. Ésta es la vista de la cima:


Y ésta es la vista lateral:


Ben ha acostumbrado ocho solenoides a imitar la manera que unos trabajos de artefacto de automóvil. Hay un cigüeñal y bielas, como en cualquier artefacto del automóvil. Las bielas se conectan a un resbalón-anillo en el cigüeñal y los solenoides se dan un pulso de corriente en el momento apropiado para tirar la ronda del cigüeñal. El cigüeñal recibe cuatro tirones en cada revolución. En el arreglo mostrado aquí, dos solenoides tiran en el mismo momento.

Anteriormente, en la vista lateral cada capa tiene cuatro solenoides y usted puede extender el cigüeñal para tener tantas capas de cuatro solenoides como usted desea. Los aumentos de poder de artefacto con cada capa agregada. Dos capas deben ser bastante adecuadas como él es un motor poderoso con sólo dos capas.

Un punto interesante es que cuando un pulso del solenoide se termina, su tirón se cambia brevemente a un empujón debido a la naturaleza rara de bobinas. Si el cronometrar de los pulsos simplemente es correcto en este motor, ese empujón del informe puede usarse para aumentar el poder del motor en lugar de oponer la rotación de motor. Este rasgo también se usa en el Adams que el motor describió en la Libre-energía de ‘la sección de ' de este documento.

La fuerza del campo magnético producida por el solenoide es afectado por el número de giros en el bobina, la corriente que fluye a través del bobina y la naturaleza de lo que está dentro del bobina ‘' anterior (el tubo en que el bobina se enrolla). Pasando, hay algunos las maneras elegantes de enrollar bobinas que también pueden tener un efecto, pero aquí nosotros sólo hablaremos sobre bobinas a dónde los giros se enrollan lado a lado a los ángulos rectos el anterior.
  1. Cada giro hirió en el bobina, aumentos el campo magnético. El más espeso el alambre usó, el mayor la corriente que fluirá en el bobina para cualquier voltaje puso por el bobina. Desgraciadamente, el más espeso el alambre, el más espacial cada giro sube, para que la opción de alambre es un poco de un compromiso.

  2. El poder proporcionado al bobina depende del voltaje puesto por él. Los vatios = los Voltios los Amperios de x para que el mayor los Voltios, el mayor el poder proporcionó. Pero nosotros también sabemos de la Ley de Ohm que los Ohmios = los Voltios / Amperios que también pueden escribirse como los Ohmios los Amperios de x = los Voltios. Los Ohmios en este caso son fijos por el alambre escogido y el número de giros, para que si nosotros doblamos el Voltaje entonces que nosotros doblamos la corriente.

    Por ejemplo: Suponga la resistencia del bobina es 1 ohm, el Voltaje 1 Voltio y el 1 Amperio Actual. Entonces el poder en los Vatios es los Voltios Amperios de x o 1 x 1 qué es 1 Vatio.

    Ahora, doble el voltaje a 2 Voltios. La resistencia de la bobina todavía es 1 ohm para que la Corriente sea ahora 2 Amperios. El poder en los Vatios es los Voltios Amperios de x o 2 x 2 qué es 4 Vatios. Doblando el voltaje se ha cuadruplicado el poder.

    Si el voltaje se aumenta a 3 Voltios. La resistencia del bobina todavía es 1 ohm para que la Corriente sea ahora 3 Amperios. El poder en los Vatios es los Voltios Amperios de x o 3 x 3 qué es 9 Vatios. El poder es Ohmios que los Amperios de x cuadraron, o Vatios = los Ohmios los Amperios de x los Amperios de x. De esto nosotros vemos que el voltaje aplicó a cualquier bobina o el solenoide es crítico al poder desarrollado por la bobina.

  3. Lo en que el bobina se enrolla también es de importancia considerable. Si la bobina se enrolla en una vara de hierro suave cubierta con una capa de papel, entonces el efecto magnético se aumenta dramáticamente. Si los extremos de la vara se adelgazan como un destornillador llano o archivaron abajo a un punto afilado, entonces las líneas magnéticas de racimo de fuerzas juntas cuando ellos dejan el hierro y el efecto magnético se aumenta más allá.

Si el centro férrico suave es sólido, un poco de energía está alrededor pérdida por las corrientes fluido en el hierro. Estas corrientes pueden minimizarse usando rajas delgadas de metal (llamó las laminaciones de ‘') qué se aísla de nosotros. Usted ve el más a menudo esto en la construcción de transformadores dónde usted tiene dos bobinas heridas en un solo centro. Como él es conveniente para la producción de masa, normalmente se enrollan los transformadores como dos bobinas separado que se ponen entonces en un figura-de-ocho centro laminado.

Sin embargo, mientras que toda la información es un útil, suave introducción a lo que es un inductor es, no transmite la característica más importante de una bobina, que es que cada bobina almacena energía cuando está conectado a una fuente de alimentación y vuelve casi todos de esa energía cuando se desconecta de la fuente de alimentación. El retorno de la energía almacenada que ocurre en un período muy corto de tiempo y esa característica puede producir sistemas de gran alcance si usted tiene la experiencia necesaria para capturar y utilizar ese poder.

Por ejemplo, no es inusual para un sencillo sistema de 12 voltios para generar una rápida serie de impulsos de 400 voltios que se pueden utilizar para reacondicionar y cargar las baterías de coche. Hay muchos ejemplos de esto en el capítulo 6.

Paul Babcock (www.paulmariobabcock.com) destruyó más de un millar de transistores en el desarrollo de su sistema de motor magnético como el retorno de la energía de la bobina es tan rápido que se produce altos flujos de corriente, y si el condensador en el que se está alimentando el retorno de la corriente es de una baja capacidad, las tensiones superiores a la tensión de alimentación se producen. Durante los últimos cien años más o menos, este tipo de información ha sido suprimida, por lo que tomar lo que se dice en los libros de texto estándar como siendo una mezcla de medias verdades y mentiras manifiestas.

Como 'Kone' ha demostrado, si un cortocircuito en una bobina de potencia, que provoca múltiples pulsos magnéticos como la potencia en la bobina oscila hacia atrás y adelante a través del circuito cerrado que contiene la bobina:



El magnetismo es un campo que no ha sido enseñado o generalmente investigado durante muchas décadas. No es un tema simple. La fuerza magnética producida por cualquier incremento de la bobina como el número de vueltas en los aumentos de la bobina (Si la corriente que fluye a través de la bobina sigue siendo el mismo). Esto significa que una bobina con muchas espiras se puede producir un campo magnético superior a una corriente más baja que una bobina de alta corriente con algunas vueltas. Sin embargo, también se alteran otras características de la bobina. La pérdida de potencia debido a la resistencia del alambre en la bobina aumenta con el aumento de vueltas, ya que necesitan una mayor longitud de alambre. Que los resultados de la pérdida de potencia en la bobina de calentamiento cuando está en uso. La velocidad con la que el campo magnético se desarrolla y decae es más lento para una bobina con muchas vueltas. Sorprendentemente, debido a esto, la mejor bobina para muchos trabajos termina por tener relativamente pocas vueltas.


Se usan los transformadores para alterar el voltaje de cualquier fuente de poder actual alterna. Si la alteración aumenta el voltaje del rendimiento, entonces el transformador se llama un ‘paso-a el transformador de'. Si el voltaje del rendimiento es más bajo que el voltaje de la entrada entonces se llama un ‘paso-abajo el transformador de'. Si los voltajes son el mismo, se llama un aislamiento de ‘el transformador de'. Una construcción común se parece:


El carrete del Bobina se sienta en la sección de las laminaciones marcó ‘anteriormente ‘A'. El bobina se enrolla en su carrete primero anterior enrollando y entonces el segundo bobinado. El carrete se pone entonces en la parte central del ‘E' formó las laminaciones y entonces completamente rodeó por las laminaciones cuando la tranca se pone adelante la cima. La correa de la montura se usa unir los dos juegos de laminaciones y proporcionar las agarraderas de la montura por atar el transformador a un chasis. Hay típicamente, veinte laminaciones en cada uno puesto y cada laminación se aísla de las laminaciones inmediatas.

Si usted quiere cambiar el voltaje de un suministro de la batería, es posible construir un circuito electrónico para generar un voltaje alterno y entonces usa un transformador para cambiar ese voltaje alterno al voltaje cualquier usted quiere. La forma más común de esto, es para el voltaje del electrizad de comunidad generador de una 12 Voltio batería del automóvil, para que puedan correrse los equipos del electrizad de comunidad en las situaciones remotas, como los barcos, las caravanas, etc., Estos circuitos se llaman El convertidores de ‘' y ellos son pedazos muy populares de equipo. El voltaje en la bobina secundario de cualquier transformador es determinado por la proporción de los giros en los bobinados primarios y secundarios.

Por ejemplo; si hay un 10 Voltio voltaje alterno disponible y usted tiene un transformador que tiene 100 giros en el bobina primario y 1000 giros en el bobina secundario. Si usted conecta los 10 Voltios por el primero, habrá 100 Voltios generados por la bobina secundario.

En cambio, si usted conecta los 10 Voltios por la bobina secundaria, un voltaje de 1 Voltios se generará por el bobinado primario. Esto es porque hay una 10:1 proporción entre los dos bobinados. La Ley de Conservación de Energía aplica a los transformadores como él hace a todo lo demás. El poder entrado al testamento tortuoso primario está igual que el poder en el menos tortuoso secundario las pérdidas. Las pérdidas, en este caso, sea un levantamiento de temperatura del transformador entero. Si la corriente atravesara el transformador está bien debajo de su capacidad tasada, entonces las pérdidas serán pequeñas. El punto importante es que 10 Voltios a 1 Amperio en el testamento tortuoso primario generan 100 Voltios en el secundario, pero a un poco menos de 0.1 Amperios: la Input de Poder es 10 Vatios y el Output de Poder es casi 10 Vatios. El voltaje se ha levantado a 100 Voltios pero la corriente potencial dibuje ha estado reducido de 1 Amperio a 0.1 Amperios (100 mA).

En la práctica, el espesor del alambre usado en los bobinados es muy importante. Si el voltaje a ser puesto por el bobinado es alto, entonces el diámetro del alambre será pequeño. Los bobinados del bobina tienen las resistencias bastante bajas pero esto no es crítico en los circuitos como los bobinas opere de una manera peculiar. Los bobinas tienen el CA la impedancia de ‘'además de su CC la resistencia de‘'. Mientras la Corriente Directa (de una batería, diga) puede fluir bastante fácilmente a través de un bobina con la resistencia baja, la Corriente Alterna puede tener un trabajo duro que consume el bobina debido a su impedancia de ‘alta'. A veces, se usan las bobinas para ahogar fuera de cualquier onda del CA (la interferencia) viniendo con un CC poder cable. Cuando un bobina se usa para este propósito que se llama un ahogo de ‘'. Cada bobina tiene su propia frecuencia resonante y en esa frecuencia está muy difícil para el CA consumir la bobina. El trabajo de las radios puesto de cristal en ese principio:


Aquí, los picos etéreos a cada radiodifusión de estación de radio en el área. Éstos son todos a las frecuencias diferentes y ellos toda la cabeza abajo el alambre etéreo, buscando el camino más fácil a la conexión de tierra. La mayoría de ellos atravesado el bobina en absoluto sin el problema. Si la frecuencia resonante de la bobina empareja la frecuencia de una de las estaciones de la radio, entonces ese signo de la radio (y sólo ese signo) los hallazgos él muy duro para consumir el bobina y busca un camino más fácil a la tierra. El próximo camino más fácil ha terminado el diodo y los auriculares, para que el signo vaya así. El diodo bloquea parte del signo que genera el sonido de la transmisión de la radio en los auriculares.

Este sistema trabaja muy bien de hecho si hay un signo de la radio bueno. Un diodo del germanio se usa como la radio el voltaje señalado es muy pequeño y un diodo del germanio opera en 0.2 Voltios mientras un diodo de silicón necesita 0.7 Los voltios para operar. Esa diferencia está significante en éstos los voltajes muy bajos. La frecuencia resonante de la bobina depende del número de giros en el bobina. En este plan, el bobina tiene un deslizador que permite alterar el número de giros y para que, estaciones de la radio diferentes ser puesto a punto en.


La rectificación y Fuentes de Poder:
Nosotros tenemos la pregunta ahora de cómo hace nosotros convertimos un voltaje alterno en un ‘constante el voltaje de' directo. El aparato de radio de cristal opera cortando fuera de la mitad del signo de la radio alterno. Si nosotros fuéramos hacer esto al rendimiento de un transformador del electrizad de comunidad con un rendimiento de diga, 12 Voltios CA, el resultado no es muy satisfactorio:



Aquí, nosotros tenemos la situación mostrada en el diagrama superior. El rendimiento consiste en pulsos aislados a las 50 por segundo. Usted notará que no hay poder del rendimiento por la mitad del tiempo. Los los La parte negativa del ondean la forma se bloquea por la resistencia alta del diodo mientras la parte positiva del ondean el permite dé se de forma un través del por la resistencia baja del él ‘el diodo de' el delantero-parcial. Debe recordarse que el diodo deja caer 0.7 Voltios que al dirigir que para que el rendimiento de la medio-ola rectificó que el transformador será 0.7 Voltios bajan que el voltaje del rendimiento real del transformador.

Si se usan cuatro diodos en lugar de uno, ellos pueden colocarse como mostrado en el más bajo diagrama. Este arreglo de diodos se llama un puente de ‘'. Los Aquí la parte positiva del ondean el fluye de la forma un través del diodo azul superior, carga del la ‘L' él en dé y un través del más bajo diodo azules. Los flujos de la parte negativos a través de la mano izquierda el diodo rojo, la carga y entonces la mano derecha el diodo rojo. Los Esto da un mucho mejor el ondean que los rendimientos de del de forma hacen trampas el dos veces el poder disponible. El voltaje del rendimiento será 1.4 Voltios menos del voltaje de rendimiento de transformador como allí es dos diodos de silicón en la cadena del suministro.

El rendimiento de incluso el rectificador del lleno-ola todavía es poco satisfactorio como allí es una gota de voltaje para poner a cero los voltios 100 veces por segundo. Sólo unos dispositivos operan bien con un suministro de poder así, una bombilla incandescente como usado en un automóvil puede usar este rendimiento, pero entonces, podría usar el suministro del CA original sin cualquier rectificación. Nosotros necesitamos mejorar el rendimiento usando un dispositivo del depósito para proporcionar actual durante esos momentos cuando el voltaje deja caer para poner a cero. El dispositivo que nosotros necesitamos es un Condensador que se llamaba un condensador de ‘'. El circuito de una unidad del electrizad de comunidad que usa un condensador se muestra aquí:


Esto produce un mucho mejor el resultado como el condensador guarda alguna de la energía máxima y lo reparte cuando el voltaje deja caer. Si la carga en la unidad no es muy ligera con corriente tomada de él, el voltaje del rendimiento, es bastante bueno. Sin embargo, si el desagüe actual se aumenta, el voltaje del rendimiento se arrastra abajo 100 veces por segundo. Esta variación de voltaje se llama ‘ondean' y si la unidad está proporcionando un sistema audio o una radio, la onda puede oírse bien como un zumbido molesto. El más grande el condensador para cualquier corriente dada dibuja, el más pequeño la onda.

Para mejorar la situación, es normal insertar un circuito del mando electrónico para oponer la onda:


Este circuito usa un nuevo componente, una nueva variedad de diodo llamó un ‘Zener el diodo de'. Este dispositivo tiene una gota de voltaje casi constante por él cuando sus descansos de dirección de actual-bloque abajo. El diodo se diseña para operar en este estado para proporcionar un voltaje de la referencia. El circuito usa una corriente diminuta meramente de la cima del diodo del Zener para manejar el Darlington aparea que los transistores del emisor-seguidor proporcionaban la corriente del rendimiento.

Con este circuito, cuando la corriente del rendimiento se aumenta, la resistencia del par del transistor reduce para proporcionar más actual sin variar el voltaje del rendimiento automáticamente. La 1K resistencia es incluida para dar un circuito completado a los transistores si ningún equipo externo se conecta por los términos del rendimiento. El Zenier el diodo se escoge dar 1.4 Voltios más del voltaje del rendimiento requerido como los dos transistores que deja caer 1.4 Voltios al dirigir.

Usted debe notar que el transistor del rendimiento está dejando caer 6 Voltios al suministro lleno actual. Los vatios = los Voltios los Amperios de x así que el poder disipado por el transistor puede ser bastante alto. Puede ser bien necesario montar el transistor en un plato de aluminio un ‘calor fregadero llamó' para impedirlo acalorar. Algunos impulsan los transistores, como el 2N3055, no tenga el caso aislado de las partes activas del transistor. Es la práctica buena para usar una empaquetadura de mica entre el transistor y el calor-fregadero como él dirige el calor entonces sin hacer una conexión eléctrica al calor-fregadero de metal.

Un condensador, mientras siendo un depósito eléctrico, puede usarse como la parte de un circuito del cronómetro. Si el flujo actual en él es restringido pasándolo a través de una resistencia. La longitud de tiempo entre empezar el flujo en un condensador vacío, y el voltaje por el condensador que alcanza algún nivel escogido, será constante para un alto - el condensador de calidad.


Cuando las colas de aumento de voltaje fuera de, se pone más difícil de medir la diferencia con precisión, para que si el condensador será usado por generar un intervalo de tiempo, es normal usar la parte temprana del área del gráfico dónde la línea es rápidamente bastante recta y creciente.


El Voltaje más Doble:
Es posible aumentar el voltaje del rendimiento de un transformador aunque esto reduce su habilidad de proporcionar actual a ese voltaje. La manera que esto se hace es a alimentado los ciclos positivos en un condensador del almacenamiento y los ciclos negativos en un segundo condensador del depósito. Esto puede parecer un poco complicado, pero en la realidad, no está. Un circuito por hacer esto se muestra aquí:


Con este circuito, el rendimiento del transformador es un poco de voltaje, dígale voltios de corriente del CA a "V". Este forma da onda del rendimiento es alimentado al condensador "C1" a través del diodo "D1" qué corta fuera de la parte negativa del ciclo. Esto produce una serie de medio-ciclo positivo que cobran al condensador "C1" con un voltaje positivo de "V".

La otra la mitad del rendimiento se da al condensador "C2" a través del diodo "D2" qué cortes fuera de la parte positiva del ciclo, causando el condensador "C2" para desarrollar un voltaje de -V por él. Cuando los dos condensadores son 'en el series' y no puesto por nosotros, sus voltajes suman y producen el voltaje de rendimiento de transformador dos veces.

Una palabra de advertir aquí. El Los El transformador está produciendo un ondean el del de la forma del la el CA que los y éstos hijo marcados hacen trampas el medio voltaje del ondean el forma que normalmente es una ola del seno. El máximo de voltaje de El del un seno ola es 41% mayor que esto, para que si su transformador tiene un rendimiento del CA de 10 voltios, entonces las crestas alimentaron a los condensadores sea aproximadamente 14.1 voltios. Si hay ningún actual deduzca de los condensadores (es decir, con la carga apagada), entonces cada condensador cobrará a este 14.1 voltios y el voltaje del rendimiento global será 28.2 voltios y no el 20 voltios que usted podría esperar. Usted necesita entender que como esto sólo un suministro de la medio-ola, allí el testamento, es sea la onda considerable en el voltaje del rendimiento que si la corriente dibuja es alto.

El un condensador suavizador adicional usando y la atención provechosa a las valuaciones de voltaje de los condensadores, los 28 los voltios proporcionan el circuito podría estar así:




Multe-vibradores
El número de circuitos electrónicos que pueden construirse con los componentes básicos como las resistencias, los condensadores, los transistores, los bobinas, etc., sólo está limitado por su imaginación y necesidades. Aquí está un circuito dónde dos transistores operan como un par:


Este circuito tiene dos estados estables y para que se llama un “el bi” “estable” o “el bi-estable” el circuito. Es importante entender el funcionamiento de este circuito simple y útil.

El Si el interruptor del prensa-botón el que de ‘el A' se aprieta, los pone en cortocircuito la unión del basan / el emisor del transistor TR1. El Esto previene cualquier fluyendo los en la unión del reales basan / el emisor el y para que apaga el duro de TR1. Esto hace el voltaje a punto que ‘C' suben tan alto como puede. Esto deja transistor que TR2 impulsó por R1 y R2 que tienen 11.3 Los voltios por ellos y enciende TR2 duro.

Esto tira el punto ‘D' abajo a aproximadamente 0.1 Voltios. Esto pasa en menos de un millonésimo de un segundo. Cuando el interruptor del prensa-botón ‘que A' se suelta, transistor en que TR1 no cambia de nuevo porque sus flujos actuales bajos a través de la resistencia R3 que se conecta para apuntar ‘D' que está lejano, lejos debajo de los 0.7 Voltios necesitó hacer a TR1 empezar dirigiendo.

El resultado es que cuando el prensa-botón ‘que A' se aprieta, transistor TR2 enciende e incluso se queda adelante cuando el prensa-botón ‘que A' se suelta. Esto apaga el transistor TR3 y hambrea la Carga de corriente. Éste es el primer ‘' estatal estable.

La misma cosa pasa cuando prensa-botón que ‘B' se aprieta. Esto obliga TR2 al transistor en su ‘fuera de' declare, mientras levantando el punto ‘D' a un voltaje alto, encendiendo el transistor TR3 duro, impulsando la Carga y rechazando el transistor TR1 duro. Éste es el segundo de los dos ‘estable declara'.

En el efecto, este circuito ‘recuerda' que el prensa-botón fue apretado en último lugar, para que se usan millones de estos circuitos en las computadoras como la Memoria de Acceso de Azar (el RAM de ‘'). El voltaje al punto ‘C' está el lo inverso del voltaje en el punto ‘D', para que si ‘D' va alto entonces que ‘C' va bajo y si ‘D' va bajo, entonces ‘C' va alto. Pasando, el rendimiento a ‘D' se llama a menudo ‘Q' y el rendimiento a ‘C' se llama ‘Q-bar' que se muestra como la carta Q con una línea horizontal dibujado sobre él. Esto se muestra en el próximo diagrama del circuito.

Una variación menor de este circuito permite dar energía a una carga cuando el circuito se impulsa a:


Cuando impulsó abajo, el condensador ‘C1' en este circuito se descarga totalmente a través de la resistencia ‘R6'. Cuando los 12 Voltios que el suministro se conecta al circuito, condensador 'C1' no cobra al instante y para que los sostenimientos la base de TR2 abajo debajo de 0.7 Voltios para el más tiempo que toma para el transistor TR1 para encender (qué, a su vez, rechaza TR2 duro). Moléstelo, si no es necesario tener la Carga sostenido impulsado indefinidamente adelante, entonces un más aun el circuito simple puede hacer esto:


Aquí, cuando el interruptor es ambos lados cerrados del condensador que C1 están en +12 Voltios y esto causa la 1K8 resistencia para dirigir pesadamente, mientras manejando el transistor e impulsando la carga. El condensador cobra rápidamente a través del transistor y alcances en que el punto en que ya no puede persistir el transistor cambió. Cuando la batería se apaga, la 1M resistencia descarga el condensador, prepare durante la próxima vez que la batería se conecta.


El Mono-estable Multe-vibrador.
El mono-estable tiene un estado estable y un estado inestable. Puede arrojarse fuera de su estado estable pero quiere que ‘echan' atrás en su estado estable. Por esa razón, es también conocido como un El chancletas de ‘el circuito de'.   Es similar a un circuito del bi-estable, pero una de las resistencias de la cruz-eslabón ha sido reemplazada por un condensador que puede pasar actual como una resistencia, pero sólo para una cantidad limitada de tiempo después de que, el condensador se cobra totalmente y las paradas de flujo actuales, causando el ‘echan atrás una vez más' al estado estable.


En este circuito, el ‘R la resistencia de' y el ‘C los' condensador valores determinan cuánto tiempo los monoestable estarán en su estado inestable. El circuito opera así:
  1. En el estado estable, transistor fuera de que TR1 es. Su voltaje del coleccionista es alto, mientras empujando el lado de la mano izquierdo de condensador ‘C' a los +12 Voltios cercanos. Como el lado de la mano derecha de condensador ‘C' se conecta a la base de TR2 que está a 0.7 Voltios, el condensador se cobra a aproximadamente 11.3 Voltios.

  2. El interruptor del prensa-botón se opera brevemente. Esto da la corriente a través de su 10K resistencia a la base de transistor TR1, encendiéndolo duro. Esto deja caer el voltaje del coleccionista de TR1 a los 0 Voltios cercanos, mientras tomando el lado de la mano izquierdo del condensador con él.

  3. Como el voltaje por un condensador no puede cambiar al instante, el lado de la mano derecha del condensador maneja la base de transistor TR2 abajo debajo de 0.7 Voltios, causando TR2 para apagar.

  4. El circuito no puede sostener TR2 en su ‘fuera de' declare para siempre. La resistencia que ‘R' alimenta actual en el condensador, mientras forzando el voltaje a la base de TR2 firmemente el ácima hasta el voltaje alcanza 0.7 Voltios y transistor TR2 los interruptores en de nuevo, TR1 impelente fuera de de nuevo (con tal de que el interruptor del prensa-botón se ha soltado). Esto es el estado estable de nuevo. Si el interruptor de la prensa-botón se sujeta, entonces ambos transistores serán adelante y el voltaje del rendimiento todavía será bajo. Otro pulso del rendimiento no se generará hasta el prensa-botón permítase a y apretó de nuevo.
Este circuito podría usarse para encender un horno del microonda para cualquier número escogido de segundos, cree un retraso en su alarma del ladrón casa-construida, para darle tiempo para apagarlo después de atravesar su puerta delantera, opere una válvula del solenoide a alimente una cantidad pre-determinada de bebida en una botella en una línea de la producción, o cualquier cosa...

El multa-vibrador de Astable. El circuito del astable es el monoestable con un segundo condensador agregado para que ni no declare es estable. Esto produce el circuito que echa al revés y adelante continuamente:


La proporción de cambiar se controla por los R1/C1 y combinaciones de R2/C2. La carga a tiempo a su FUERA DE tiempo el marca-espacio de ‘se llama la proporción de' dónde él EN el periodo es los ‘marcan' y el FUERA DE el periodo el ‘es' espacial. Si usted escoge usar condensadores electrolíticos que tienen su propia polaridad, entonces los +ve acaban de cada condensador se conecta al coleccionista del transistor.

Mientras es bueno entender que cómo estos circuitos del multa-vibrador operan y pueden construirse, hoy día allí se pre-construye circuitos encajonados en un solo paquete que usted muy más probablemente es escoger usar. Éstos se llaman Circuitos Integrados o ‘CCI' para el calzón. Nosotros estaremos discutiendo éstos brevemente. Antes de que nosotros hagamos, note eso en el circuito sobre, transistor que TR3 se ha cambiado a una nueva variedad llamó un Transistor de Efecto de Campo (‘FET'). Este tipo de transistor es más nuevo que el ‘transistores de' bipolares mostrados en los circuitos más tempranos. FETs entran en dos variedades: la n-cauce de que está como los transistores de NPN y p-cauce de que está como los transistores de PNP.

FETs son más difíciles hacer pero han alcanzado un nivel de costo y fiabilidad que los hacen muy útil de hecho ahora. Ellos no requieren casi ninguna corriente baja (llamó la verja de ‘' actual con este tipo de transistor) qué medios que ellos no tienen el efecto en cualquier circuito a que ellos se atan. También, muchos de ellos pueden ocuparse de corrientes grandes y jactancia las capacidades de manejo de poder mayores. Debido a esto, es usual verlos empaquetó con una montura de plato de metal, prepare para ser echado el cerrojo a un plato de calor-fregadero de aluminio para ayudar disipe el calor generado por la cantidad grande de poder que fluye a través de ellos. El ‘RFP50N06' mostrado sobre puede manejar a 50 Voltios y puede llevar a 60 Amperios que son el manejo de poder serio.

Inversores.
Considere el circuito siguiente:

Si ninguno de los interruptores de la prensa-botón se opera, el transistor no tiene ningún base/imitador el flujo actual y para que él está apagado. Esto pone el voltaje del coleccionista a ‘C' cerca de la barra positiva (+5 Voltios).

Si el interruptor del prensa-botón ‘que A' se opera, el voltaje bajo intenta subir a la mitad del voltaje de la batería pero no lo hace porque el transistor los alfileres bajos él abajo a 0.7 Voltios. Esto da la corriente baja al transistor, mientras encendiéndolo duro y causando el rendimiento a ‘C' dejar caer a casi 0 Voltios.

Si el interruptor del prensa-botón ‘B' se opera (no haga esto cuando cambia ‘A' está cerrado o usted conseguirá un ‘muy altos ponen en cortocircuito - el circuito' el fluyendo actual directamente a través de los dos interruptores) no tiene el efecto en el voltaje del rendimiento que se quedará alto.

Si nosotros re-dibujamos el circuito así:


Nosotros podemos ver que si el voltaje a la entrada ‘que A' se toma alto, entonces el voltaje del rendimiento a ‘C' será bajo. Si el voltaje a la entrada ‘que A' se toma bajo, entonces el voltaje del rendimiento a ‘C' será alto. Un circuito que hace esto se llama un ‘Convertidor' porque él ‘invierte' (o ‘se vuelve' al revés) el voltaje de la entrada.

Nosotros podemos resumir este funcionamiento en una mesa. Personalmente, yo llamaría la mesa un ‘Input/Output la mesa de', pero para ninguna razón obvia, el nombre normal es una Verdad de ‘la mesa de'. El propósito de esta mesa es listar todas las posibles entradas y mostrar el rendimiento correspondiente para cada entrada.

Otro normal, es sustituir ‘1' para ‘el Voltaje Alto' y ‘0' para ‘el Voltaje Bajo'. Usted notará tantos los artículos de equipo eléctrico y electrónico llevan puesto estos símbolos él EN / FUERA DE el interruptor. ¿En la circuitería de la computadora (él ha! usted no notó que nosotros habíamos movido a los circuitos de la computadora, lo hizo?), el ‘0' representa cualquier voltaje debajo de 0.5 Voltios y los ‘1' representa cualquier voltaje sobre 3.5 Voltios. Muchos, si no la mayoría, las computadoras operan sus circuitos de la lógica en 5 Voltios. Este circuito de Convertidor es una lógica de ‘el circuito de'.

Una crítica del circuito anterior es que su resistencia de la entrada o impedancia de ‘' no es particularmente alto, y su impedancia del rendimiento no es particularmente baja. Nos gustarían nuestros circuitos de la lógica para poder operar las entradas de ocho otros circuitos de la lógica. La jerga para esto es que nuestro circuito debe tener un ‘entusiasta-fuera' de ocho.

Vamos por una modificación simple que mejorará la situació


Aquí, La impedancia de la entrada se ha aumentado por un factor de 100 usando un par de Darlington de transistores que necesitan la corriente menos baja lejos, y para que puede tener una resistencia de la entrada muy más alta.

Desgraciadamente, la impedancia del rendimiento todavía es bastante alta cuando los transistores son en su FUERA DE el estado como cualquier actual tomado de la línea positiva tiene que fluir a través de los 1K8 (1800 ohm) la resistencia. Pero nosotros necesitamos esta resistencia para cuando los transistores son en su EN el estado. Nosotros realmente necesitamos cambiar la 1K8 resistencia para algún dispositivo que tiene una resistencia alta a algunas veces y una resistencia baja en otros momentos. Usted probablemente tiene no oído hablar de estos dispositivos, pero ellos se llaman los transistores de ‘'.

Hay varias maneras de hacer esto. Nosotros podríamos escoger usar los transistores de PNP (nosotros normalmente usamos NPN teclea) y conecta éstos en lugar de la 1K8 resistencia. Quizás nosotros podríamos usar un circuito así:


Este circuito está empezando a parecer complicado y no me gustan los circuitos complicados. No es tan malo como parece. Los transistores de NPN al fondo casi están igual que el circuito anterior. La única diferencia es eso la carga del coleccionista es ahora dos 100 ohm resistencias más la resistencia de los dos transistores. Si los transistores de PNP están apagado que cuando los transistores de NPN son ADELANTE, entonces el circuito que carga en los transistores de NPN será despreciable y el todo del NPN transistores rendimiento estará disponible para manejar los circuitos externos a través de la más bajo 100 ohm resistencia (un ‘grande entusiasta-fuera' para el ‘0' lógica estado). Para asegurarse que los transistores de PNP están apagados duros antes de los transistores de NPN empieza a encender, la resistencia que ‘R1' necesita ser seleccionado cuidadosamente.

Los transistores de PNP son una imagen del espejo exacta del lado de NPN, para qué resistencia que R2 necesita ser seleccionado para asegurar cuidadosamente que los transistores de NPN se apagan difícilmente antes de los transistores de PNP empieza a encender.

Usted no necesita la preocupación usted el indebidamente con ese circuito, porque usted casi usará ciertamente un Integró El circuito en lugar de construyendo su propio circuito de ‘los componentes de' discretos. Un Circuito Integrado que contiene seis los convertidores completos es los 7414 qué se muestra anteriormente. Esto entra en un caso negro pequeño con dos filas de 7 alfileres que lo hacen parézcase un pedazo una oruga. Porque hay dos filas de alfileres, el empaquetamiento se llama “él En-línea Dual” o “DIL” para el calzón.


Este circuito opera la misma manera como el circuito de Convertidor, sólo que tiene dos entradas (‘A' y ‘B'). El voltaje del rendimiento a ‘C' será bajo si o, o ambos, de las entradas es alto. El único tiempo que el rendimiento es alto, es cuando los dos la Entrada ‘A' Y Entrada ‘B' son bajos. Por consiguiente, el circuito se llama un “Y” la verja. Hablando estrictamente, porque el voltaje del rendimiento baja que cuando el voltaje de la entrada sube, se llama un “no Y” verja a que se acorta un “OR” la verja. En este contexto, la palabra “no” los medios “invertido”. Si usted alimentara ‘C' al rendimiento en un circuito del convertidor, el circuito resultante sería un genuino “Y” la verja. Los símbolos del circuito digitales son:


¿Así, por qué se llama un “la Verja” - no es sólo un convertidor doble? Bien, sí, es un convertidor doble, pero unos actos del convertidor dobles como una verja que puede pasar o puede bloquear un signo electrónico. Considere este circuito:


Aquí, transistores se conectan ‘TR1' y ‘TR2' para formar un astable (el multa-vibrador). El astable corre libremente, mientras produciendo el modelo de voltaje de ola cuadrado mostrado en rojo. Transistor en que ‘TR3' pasa este signo de voltaje. TR3 invierte la ola cuadrada, pero esto tiene ningún efecto práctico, el rendimiento que es la misma frecuencia la ola cuadrada como el signo tomado del coleccionista de TR2.

Si el interruptor del prensa-botón al punto ‘que A' se opera, una corriente se da a la base de TR3 en que lo sostiene duro. El voltaje al punto ‘C' deja caer para poner a cero y se queda allí. La ola cuadrada el viniendo señalado del coleccionista de TR2 se bloquea y no alcanza el punto del rendimiento ‘C'. Es como si una verja de ‘física' ha estado cerrado, mientras bloqueando el signo de alcanzar el punto ‘C'. Con tal de que el voltaje al punto ‘A' es bajo, la verja está abierta. Si el voltaje al punto ‘A' va alto, la verja está cerrada y el rendimiento se bloquea.

No hay necesidad por un interruptor manual al punto ‘A'. Cualquier circuito cambiando electrónico hará:


Aquí, un astable lento-corriente se sustituye para el interruptor manual. Cuando el voltaje del rendimiento de ‘Astable 2' va alto, cambia el transistor de la verja ‘TR3', mientras sujetándolo duro y bloqueando el signo de la cuadrado-ola de ‘ASTABLE 1'. Cuando el voltaje del rendimiento de ‘Astable 2' va bajo, libra el transistor ‘TR3' y pasa entonces el ‘Astable a través de que 1' señalan de nuevo. El forma da onda del portado resultante se muestra en rojo al punto ‘C' y es los estallidos de signo, controlados por la proporción corriente de ‘Astable 2'. Ésta es la clase de forma da onda que Stan Meyer encontró muy eficaz en el agua que raja en el Hidrógeno y Oxígeno (vea Capítulo 10).

Este circuito también podría dibujarse como:


El círculo pequeño en el lado del rendimiento de dispositivos de la lógica es mostrar que ellos están invirtiendo circuitos, en otros términos, que cuando la entrada sube, el rendimiento baja. Los dos dispositivos de la lógica que nosotros hemos encontrado hasta ahora han tenido este círculo: el Convertidor y la verja de NAND.

Si usted desea, usted puede usar una NAND verja astilla que también tiene la circuitería construida como un gatillo de Schmitt que como usted revocará, tiene un rendimiento rápido-cambiando incluso con una entrada lentamente mudanza. Con una astilla así, usted puede recibir tres funciones diferentes del un dispositivo:


El Si se conectan las dos entradas de la verja del una del juntos de NAND, los entonces el rendimiento siempre será el contrario del entran, como el decir la verja actúa como un convertidor. Este arreglo también trabaja como un Gatillo de Schmitt debido a la manera él La NAND verja circuitería se construye. Hay varios paquetes construidos con este tipo de circuitería, el uno mostrado aquí, es el “74132” astilla que contiene cuatro “el dual-entrada” las verjas de NAND. Las verjas pueden tener casi cualquier número de entradas pero es raro necesitar más de dos en cualquier circuito dado. Otra astilla con las conexiones del alfiler idénticas es la 4011 astilla (qué no es un circuito de Schmitt). Este ‘quetro dual-entrada ' el NAND verja paquete usa un método de la construcción llamado “CMOS” qué es muy fácilmente dañado por electricidad estática hasta realmente conectó en un circuito. CMOS corta puede usar una gama amplia de voltajes y toma la corriente muy pequeña. Ellos son baratos y muy populares.

El número de dispositivos construido en un Circuito Integrado está normalmente limitado por el número de alfileres en el paquete y un alfiler se necesita para una conexión a ‘el' mundial externo. Los paquetes son hecho con 6 alfileres (típicamente para el opto-aisladores), 8 alfileres (muchos circuitos generales), 14 alfileres (muchos circuitos generales, principalmente los circuitos de lógica de computadora), 16 alfileres (repita, pero no como común) y entonces un salto a los números grandes de alfileres para los dispositivos de la Balanza Grandes como los microprocesadores, la memoria corta, etc. El paquete de IC normal es pequeño:


Se construyen a menudo los circuitos del prototipo en ‘despoje la tabla' que es una tabla tiesa con las tiras de cobre que corre a lo largo de una cara, y picó con una matriz de agujeros. Las tiras se usan para hacer las conexiones eléctricas y están roto donde necesario. Esta tabla de la tira normalmente se llama “Veroboard”.


Hoy día, los agujeros de tabla de tira se espacian 2.5 mm (1/10”) aparte qué medios que los huecos entre las tiras cobrizas son de hecho muy pequeños. Yo personalmente, encuéntrelo bastante difícil de hacer las junturas de la soldadura buenas en las tiras sin la soldadura que pontea entre dos tiras adyacentes. Probablemente, un hierro de la soldadura más pequeño se necesita. Yo necesito usar una 8x lupa para estar segura que ninguna soldadura que pontea los restos en el lugar antes de que un nuevo circuito se impulse la primera vez a parar. Los dedos pequeños y la vista buena son una ventaja decidida por la construcción de tabla de circuito. El espacio estrecho de los agujeros es para que el IC normal que el paquete de DIL encajara directamente en la tabla.

Los circuitos construyeron usando la circuitería de la computadora, puede experimentar los problemas con los interruptores mecánicos. Un interruptor ligero ordinario enciende la luz y fuera de. Usted lo enciende y la luz viene. Usted lo apaga y la luz va fuera de. La razón que funciona tan bien es que la bombilla quizá toma, un décimo de un segundo en venir. Los circuitos de la computadora pueden encender y fuera de 100,000 veces en que décimo de un segundo, para que algunos circuitos no trabajarán fiablemente con un interruptor mecánico. Esto es porque los saltos de contacto de interruptor cuando cierra. Puede hacer botar una vez, dos veces o varios tiempos que dependen adelante cómo el interruptor se opera. Si el interruptor está usándose como una entrada a un circuito contando, el circuito puede contar 1, 2 o algunos cambian las entradas para un funcionamiento del interruptor. Es normal a “el de-salto” cualquier interruptor mecánico. Esto que usa un par de verjas de NAND conectadas así podría hacerse:


Aquí, el interruptor mecánico es el intermediaría por un pestillo de ‘'. Cuando el ‘Set que el interruptor de' se opera, el rendimiento va bajo. La entrada inconexa de verja ‘como que 1' actúa si tiene un voltaje Alto en él (debido a la manera el NAND verja circuito se construyó). La otra entrada se sostiene bajo por el rendimiento de verja ‘2’. Esto empuja el rendimiento de verja ‘1' alto, qué a su vez, sostenimientos el rendimiento de verja ‘que 2' mugen. Éste es el primer estado estable.

Cuando el ‘Set que el interruptor de' se opera, el rendimiento de verja ‘que 2' se maneja alto. Ahora, ambas entradas de verja ‘1' son altos qué causas su rendimiento para ir bajo. Esto a su vez, maneja entrado de verja ‘2' mugen que los sostenimientos el rendimiento de verja ‘2' alto. Éste es el segundo estado estable.

Para resumir: apretando el ‘Set' cambian cualquier número de tiempos, causas el rendimiento para ir bajo, una vez y sólo una vez. El rendimiento se quedará bajo hasta el ‘Reinicializad que el interruptor de' se opera una vez, dos veces o cualquier número de tiempos a que el punto el rendimiento irá alto y se quedará allí.

Este circuito usa sólo la mitad de una NAND verja astilla barata para crear un multa-vibrador del bi-estable que son físicamente muy pequeños y ligeros.


Los Circuitos de la verja:   pueden usarse las Verjas de NAND como el corazón de muchos circuitos electrónicos aparte de los circuitos de la lógica para que el paquete fue diseñado. Aquí es una NAND verja versión de la alarma de lluvia descrita antes. El ‘4011B astilla de' es un dispositivo de CMOS que tiene una impedancia de la entrada muy alta y puede operar a los voltajes de la batería convenientes (3 a 15 Voltios):


Este circuito se comprende de un sensor de lluvia, dos multa-vibradores del astable y un poder-chófer que alimentan un el altavoz:
  1. El sensor de lluvia es una tabla de la tira alambrar-despierta o la reja similar de conductores entrelazados, mientras formando un voltaje-divisor por las barras de la batería.

  2. El voltaje del rendimiento de esto, al punto ‘A' en el circuito hace el diagrama de, es normalmente bajo como la tabla de la tira está abierto - el circuito cuando seco. Esto sostiene la primera verja de NAND cerrada con llave en el FUERA DE el estado, impidiendo a los primeros astable oscilar. Este primer astable es el azul color-codificado en el diagrama. Su frecuencia (el diapasón de la nota produce) se gobierna por los valores de la 47K resistencia y el 1 condensador del microfaradio. Reduciendo el valor de ambos éstos la frecuencia levantará (el diapasón de la nota). Si la lluvia se cae en el sensor, el voltaje al punto ‘que A' va el permitiendo alto el astable corrido libremente. Si el voltaje a ‘A' no sube suficientemente cuando llueve, aumente el valor de la 1M resistencia.

  3. El rendimiento de los primeros astable es un voltaje bajo cuando el sensor está seco. Se toma del punto ‘B' y pasó a la entrada del porto del segundo astable, mientras conteniéndolo su FUERA DE el estado. La velocidad del segundo astable se controla por el valor de la 470K resistencia y el 0.001 condensador del microfaradio. Reduciendo el valor de ambos éstos levantarán el diapasón de la nota producido por el astable. La proporción a que este astable opera es muy más alta que los primeros astable.
    Cuando llueve, el voltaje al punto ‘que A' sube, mientras permitiendo los primeros astable oscilar. Como él hace para que, enciende el segundo astable y fuera de en un modelo rítmico firme. Esto alimenta estallidos repetidos de oscilaciones de velocidad altas del segundo astable para apuntar ‘C' en el diagrama.

  4. Los transistores de emisor-seguidor de Darlington-par causan el voltaje al punto ‘D' para seguir el modelo de voltaje al punto ‘C' (pero 1.4 Voltios más bajo voltaje debido a la 0.7 Voltios gota de voltaje de base/imitador para cada transistor). La ganancia alta de los dos transistores asegura que el rendimiento del segundo oscilador no es ningún indebidamente cargado. Éstos los transistores del poder-chófer ponen el voltaje del rendimiento por un ochenta ohm altavoz, relleno con una resistencia para levantar la resistencia global de la combinación. El modelo de voltaje producido se muestra al punto ‘D' y es un sonido atención-agarrando.

Así, por qué este circuito oscila?:


El circuito no oscilará que si la entrada del porto es baja, así que asúmalo para ser alto. Tome el momento cuando el rendimiento de verja 2 es bajo. Para pasar, las entradas de verja 2 tienen que ser alto para esto. Como el rendimiento de verja 1 se alambra directamente a las entradas de verja 2, debe ser alto, y por lo menos ser verdad, uno de sus entradas debe ser bajo para eso. Esta situación se muestra en el derecho.

Hay una gota de voltaje llena ahora entre el punto ‘A' y punto ‘B'. La 47K resistencia y el condensador están en la serie por esta gota de voltaje, para que el condensador empieza a cobrar a, mientras levantando el voltaje progresivamente al punto ‘C'. El más bajo el valor de la resistencia, el más rápido los levantamientos de voltaje. El más grande el valor del condensador, el más lento los levantamientos de voltaje.

Cuando el voltaje al punto ‘C' sube suficientemente, la 100K resistencia levanta el voltaje de la entrada de verja 1 lejos bastante para causarlo para cambiar el estado. Esto crea la situación siguiente:


Ahora, el voltaje por ‘A' a ‘B' se invierte y el voltaje al punto ‘C' empieza a caerse, su proporción gobernada por, el tamaño de la 47K resistencia y el 1 condensador del microfaradio. Cuando el voltaje al punto ‘C las caídas de' bajo bastante, toma la entrada de verja 1 muja bastante (vía la 100K resistencia) causar verja 1 para cambiar declaran de nuevo. Esto toma el circuito al estado inicial discutido. Esto es que por qué el circuito oscila continuamente que hasta que los porto entraran de verja 1 se toma bajo para bloquear la oscilación.

Ahora, aquí es un NAND verja circuito para un interruptor del ligar/desligar secuencial:


Este circuito enciende el Diodo Emitiendo Ligero y fuera de repetidamente con cada funcionamiento del interruptor del prensa-botón. Cuando el interruptor del ligar/desligar está cerrado, el condensador ‘C1' sostiene el voltaje al punto ‘que A' muge. Esto maneja el rendimiento de verja 1 alto que los movimientos las entradas de verja 2 altos vía la 100 K resistencia ‘R1'. Esto maneja el voltaje a punto que ‘B' mugen, mientras volviéndose el transistor fuera de que hace la estancia LLEVADA en su fuera del estado. El voltaje bajo ‘B' se alimenta atrasado vía la 100K resistencia ‘R2' para apuntar ‘A', guardándolo bajo, al punto. Éste es el primer estado estable.

Como el rendimiento de verja 1 es alto, condensador que ‘C2' cobra a ese voltaje vía la 2M2 resistencia. Si la prensa - el interruptor del botón se opera brevemente, el voltaje alto de ‘C2' levanta el voltaje de punto ‘UN', causando verja 1 para cambiar el estado, y por consiguiente, verja 2 para cambiar también declara. De nuevo, el voltaje alto al punto ‘B' se alimenta atrasado apuntar ‘A' vía la 100K resistencia ‘R2', guardándolo alto, manteniendo la situación. Éste es el segundo estado estable. En este estado, punto ‘B' tiene un voltaje alto y esto alimenta la base del transistor vía la 4.7K resistencia, mientras encendiéndolo y encendiendo los LLEVAMOS.

En este segundo estado, el rendimiento de verja 1 es bajo, para que condensador que ‘C2' descarga rápidamente a un voltaje bajo. Si el el interruptor del prensa-botón se opera de nuevo, el voltaje bajo de ‘C2' maneja el punto ‘que A' muge de nuevo, mientras causando el circuito para revertir a su estado estable original.

Nosotros pudimos, si nosotros deseáramos, modifica el circuito para que operara durante tres o cuatro minutos después interruptor-adelante pero entonces deja de operar hasta el circuito se volteó de vez en cuando de nuevo. Esto es cumplido por porto uno de las verjas en lugar de usar ambos simplemente como el convertidores. Si nosotros el porto la segunda verja, entonces los LLEVAMOS nos saldríamos permanentemente adelante, para que nosotros modificaremos el primer circuito de la verja:


Este circuito opera la misma manera exactamente como el circuito anterior si, y sólo si, el voltaje al punto ‘C' es alto. Con el voltaje al punto ‘C' alto, verja 1 es libre reaccionar al voltaje al punto ‘UN' como antes. Si el voltaje al punto ‘C' es bajo, cierra con llave el rendimiento de verja 1 al nivel alto, mientras obligando el rendimiento de verja 2 al nivel bajo y rechazando los LLEVAMOS.

Cuando el circuito se impulsa primero a, el nuevo 100 condensador del microfaradio ‘C3' se descarga totalmente que los tirones el voltaje al punto ‘C' a casi + 9 Voltios. Esto permite verja 1 para operar libremente, y los LLEVAMOS podemos ser los chaveado en y fuera de como antes de. Como los pasos de tiempo, el cargo en el condensador ‘C3' construye a, alimentado por la 2M2 resistencia. Esto causa el voltaje al punto ‘C' para caerse firmemente. La proporción de caída se gobierna por el tamaño del condensador y el tamaño de la resistencia. El más grande la resistencia, el más lento el otoño. El más grande el condensador, el más lento el otoño. Los valores mostrados son sobre tan grande como es práctico, debido al goteo de ‘actual' de ‘C3'.

Después de tres o cuatro minutos, el voltaje al punto ‘C' se maneja muja bastante para operar verja 1 y prevenir funcionamiento extenso del circuito. Este tipo de circuito podría ser parte de un juego competitivo dónde los oponentes tienen un tiempo limitado para completar alguna tarea.

También pueden usarse las verjas como los amplificadores aunque no se piensa que ellos son usados así y allí se integra lejos bien los circuitos de que para construir los amplificadores. El circuito siguiente muestra cómo esto puede hacerse:


Este circuito opera cuando hay un cambio súbito en el nivel ligero. El circuito cambiando luz-nivelado anterior fue diseñado para activar a algún nivel particular de aumentar o nivel decreciente de encender. Éste es un circuito sombra-detector que podría usarse para descubrir a alguien caminando más allá de una luz en un corredor o alguna situación similar.

El nivel de voltaje al punto ‘que A' sube algún valor que depende del nivel ligero. Nosotros no somos interesados particularmente en este nivel de voltaje desde que se bloquea de la circuitería siguiente por el condensador ‘C1'. El que de Apunte ‘B' el hace ningún pulso de un de consiga del voltaje un que del menos dan heno al súbito de cambio de un del punto de al de voltaje ‘A', decir del eso hay un nivel de en de cambio súbito del luz que alcanza la resistencia luz-dependiente ORP12.

La primera verja amplifica este pulso por unas cincuenta veces. La verja se abusa eficazmente, y obligó a operar como un amplificador por la 10M resistencia que conecta su rendimiento a su entrada. A interruptor-adelante, el rendimiento de verja 1 pruebas para ir bajo. Como su voltaje deja caer, empieza a tomar sus propias entradas abajo el por la resistencia. Empujando el voltaje adelante las entradas abajo, empieza a levantar el voltaje del rendimiento que empieza a levantar el voltaje de la entrada que empieza a bajar el voltaje del rendimiento que...... El resultado es que las entradas y " el rendimiento suben un poco de voltaje del intermedio (qué los diseñadores de la astilla no pensaron). Este nivel de voltaje de intermedio está fácilmente disgustado por un pulso externo como eso producido por el ORP12 a través del condensador ‘C'. Cuando este pulso llega, una versión amplificada del pulso causa una fluctuación de voltaje al rendimiento de verja 1.

Este cambio de voltaje se pasa a través del diodo y la resistencia inconstante a la entrada de verja 2. Las verjas 2 y 3 se alambra juntos como un Schmitt provisional active en que el voltaje del rendimiento al punto ‘D' se alimenta atrasado para apuntar ‘C' vía una resistencia de valor alta. Esto ayuda hacer su cambio de estado más rápido y firme. Estas dos verjas se usan para pasar un cambio lleno de estado al transistor de fase de rendimiento. La resistencia inconstante se ajusta para que verja 2 sea casi cambiar el estado y se activa fácilmente por el pulso del amplificador verja 1. El rendimiento se muestra como un LLEVÓ pero puede ser algo que usted escoge. Podría ser una parada encendía algún dispositivo eléctrico, un solenoide abría una puerta, un contador para guardar huella del número de las personas que usan un pasadizo, etc., etc. Por favor note que una astilla del amplificador operacional (qué se describirá después) es una opción buena lejana de IC para un circuito de este tipo. Un amplificador de la verja sólo se muestra aquí para mostrar otra manera que una verja puede utilizarse.


El Temporizador de Circuito integrado NE555:   hay una excepcionalmente astilla útil designada por el número 555. Esta astilla se diseña para ser usada en el oscilador y circuitos del cronómetro. Su uso está tan extendido que el precio de la astilla es muy bajo para su capacidad. Puede operar con los voltajes de 5 Voltios a 18 Voltios y su rendimiento puede ocuparse de 200 mA. Toma 1 mA cuando su rendimiento es bajo y 10 mA cuando su rendimiento es alto. Entra en un paquete de Dual-en-línea de 8-alfiler y hay una versión de paquete de 14-alfiler que contiene dos 555 circuitos separados. Las conexiones del alfiler son:


Este dispositivo puede operar como un monoestable o multa-vibrador del astable, un gatillo de Schmitt o un pulidor invirtiendo (la entrada actual baja, el rendimiento actual alto).

Aquí se alambra como un gatillo de Schmitt, y para la variación, se muestra activando una triaca que se quedará entonces adelante hasta el circuito se impulsa abajo (un SCR podría usarse así como bien con este circuito de CC):



Y aquí, un monoestable:




Y aquí está dos Astables, el segundo de que ha arreglado, proporción del marca/espacio igual y el primero un tiempo de voltaje de rendimiento alto determinado por Ra + Rb y un tiempo de rendimiento de voltaje bajo determinados por Rb (2:1 en este caso):










La nota: El goteo alto de valor grande los condensadores electrolíticos los previenen usándose con el valor alto las resistencias cronometrando los circuitos. En cambio, use un condensador más pequeño y siga el circuito cronometrando con un “dividir-por-N” corte para dar los periodos largos con precisiones cronometradas. No todas las 555 astillas tienen una calidad industrial suficiente para ellos para operar fiablemente sobre 20,000 Hz, para que para las frecuencias más altas la astilla necesite ser seleccionada después de probar su actuación real.

Nosotros también podemos alambrar los 555 para dar una proporción del marca/espacio inconstante mientras celebrando la frecuencia de la oscilación arreglada:


El forma da onda del rendimiento cambia drásticamente como la resistencia inconstante se ajusta, pero la frecuencia (o diapasón de la nota) del rendimiento se queda inalterado

Una versión de inconstante-frecuencia de este circuito puede producirse cambiando la 33K resistencia a una resistencia inconstante como mostrado aquí:


Aquí, la 33K resistencia se ha reemplazado por dos resistencias inconstantes y uno la resistencia fija. La resistencia inconstante principal es 47K en el tamaño (una opción casi arbitraria) y alimenta a una segunda resistencia inconstante de 4.7K en el tamaño. La ventaja de esta segunda resistencia inconstante es que puede ponerse a él es medio punto y el frecuencia poniendo a punto hecho con los 47K inconstante. Cuando la frecuencia es aproximadamente correcta, la 4.7K variable puede usarse para multar la melodía la frecuencia. Esto es conveniente como el testamento inconstante pequeño tiene diez veces más movimiento del bulto comparado a la variable principal (siendo simplemente 10% de su valor).

Obviamente, no es necesario tener la multa-afinación la resistencia inconstante, y puede omitirse sin cambiar el funcionamiento del circuito. Cuando la 47K resistencia inconstante puede ponerse para poner a cero resistencia y la 4.7K resistencia inconstante también puede ponerse para poner a cero la resistencia, para evitar un cortocircuito completo entre el rendimiento alfiler 3 y el 50K Marca/espacio la resistencia inconstante, una 3.3K resistencia fija es incluido. En este circuito, la frecuencia es fija por su opción de la resistencia cadena 47K + 4.7K + 3.3K (ajustable de 55K a 3.3K) y los 100nF (0.1 microfaradio) el condensador entre alfiler 6 y la cero voltio barra. Haciendo el condensador más grande, baja el rango de frecuencia. Haciendo las resistencias más grandes, también baja el rango de frecuencia. Naturalmente, reduciendo el tamaño del condensador y/o reduciendo el tamaño de la cadena de la resistencia, aumentos la frecuencia.

Una 555 astilla puede ser acostumbrada a la verja una segunda 555 astilla vía su alfiler 4 ‘Reiníciala la opción de'. Usted revocará que nosotros ya hemos desarrollado un circuito para hacer esto usando dos astables y un transistor. Nosotros también generamos el mismo efecto que usa cuatro verjas de NAND. Aquí, nosotros crearemos el mismo forma da onda del rendimiento que usa la circuitería más convencional de dos 555 astillas:


Los dos de los 555 circuitos pueden comprarse en un solo 14-alfiler DIL empaquetan que se designa ‘556’.

Hay muchos circuito adicional teclea que puede crearse con la 555 astilla. Si usted desea explorar las posibilidades, yo sugiero que usted consiga una copia del libro “IC 555 Proyectos” por E.A. Parr, ISBN 0-85934-047-3

Una hoja de cálculo es incluido qué calcula las frecuencias produce con los varios valores del componente por los 555 astable básicos y monoestable. También muestra el Ciclo de Deber de que es la proporción él a tiempo al FUERA DE tiempo y los tiempos reales del EN y FUERA DE los signos. El “EN” el signo se toma para ser cuando el rendimiento está en un voltaje alto.

Bien, suponga que queremos diseñar y construir un recorrido para hacer el mismo como el recorrido pulser de Bob Beck mencionado en el capítulo 11. Las exigencias deben producir una salida de onda cuadrada que pulsa cuatro veces por segundo usando un suministro de energía de 27 voltios, el recorrido impulsado por tres pequeñas baterías de tamaño de PP3. Una opción obvia para el recorrido parece ser un 555 circuito integrado de temporizador que es pequeño, robusto y barato y un recorrido conveniente parecería ser:


Este nos abandona con la elección de un valor para el condensador y la resistencia. Tenemos que prestar la atención al hecho que el recorrido correrá en 27 voltios y mientras el condensador no culpará hasta nada como aquel voltaje, todavía picotearemos el que que sobrevivirá 27V. Considerar eBay local muestra que un paquete de diez condensadores de 1 microfaradio tasado en 50V puede ser comprado para sólo 1 libra esterlina incluso el franqueo, tan tomar que como el valor para “C”. Mirar la 555 mesa de frecuencias encima de espectáculos:


Que indica que para conseguir el recorrido que cambia cuatro veces por segundo (4 Hz) la resistencia “R” tendrá que estar en algún sitio entre 100 K y 470 K. Con mi condensador, 120 K es sobre el derecho.

Mientras la frecuencia de conmutación no tiene que ser exacta, ir al objetivo en la adquisición esto corrige. El más razonablemente los componentes de priced tienen una tolerancia de alrededor del 10 % entonces tenemos que seleccionar nuestra combinación de resistencia/condensador para los valores exactos de los componentes actuales que usaremos. Para este, vale la pena construir el recorrido en 'una tabla de cortar el pan' menos soldaré, tan considerar eBay otra vez encontramos que un pequeño bordo enchufable conveniente puede ser comprado y entregado para 3 libras esterlinas. Esto parece a este:


Éstos escriben a máquina de bordos permiten que Circuitos Integrados sean enchufados atravesar el central se divide, dejando hasta cinco uniones suplementarias en cada alfiler. Las longitudes cortas del alambre sólido principal pueden ser usadas para unirse entre cualquier dos agujero de enchufe. Este permitirá que nosotros enchufemos uno de nuestros condensadores y hallazgo que resistencia (o que dos resistencias) hacen el recorrido cambiar cuarenta veces en diez segundos.

Sin embargo, si vamos a www.alldatasheet.co.kr y descargan los datos pdf para el circuito integrado NE555, encontramos que el máximo 555 voltaje de circuito integrado es completamente limitado:


Este significa que el circuito integrado es obligado de consumirse al instante si es alimentado más de 16 voltios. Cuando tenemos que dirigir nuestro recorrido en 27V este es un problema. Como el 27V está siendo proporcionado por tres baterías separadas, nosotros podríamos suministrar el 555 circuito integrado de sólo una de las baterías y dirigirlo en 9V que estaría bien del punto de vista del circuito integrado como la mesa encima de espectáculos que esto puede hacer funcionar correctamente con un voltaje de suministro tan bajo como 4.5 voltios. La desventaja de aquel arreglo es que una de las baterías se agotará más rápidamente que los demás y sería agradable evitar esto.

La mesa también muestra que el empate corriente sólo para guardar el 555 correr puede ser algo de 6 a 15 milliamps. No es una corriente grande pero las baterías PP3 han sido elegidas para su pequeño tamaño, permitiendo al recorrido entero ser atado con correa a la muñeca de una persona. Una búsqueda rápida en el Internet muestra que las baterías PP3 baratas tienen una capacidad de 400 milliamp-horas y los tipos alcalinos muy caros 565 milliamp-horas. Estas posiciones son los valores de "C20", basados en la batería descargada en una corriente constante por el período de veinte horas, que serían diez días del uso si las dos horas de Bob Beck por protocolo de día son seguidas.

Este significa que las baterías 'baratas' no deberían ser descargadas en más de un veinte de su 400 posición de mAHr, que es 20 mA. Las baterías alcalinas caras deberían ser capaces de ser descargadas en 28 mA durante veinte horas.

Nuestro empate corriente es arreglado de dos partes. La primera parte suministra el recorrido de la corriente que esto tiene que dirigir. La segunda parte es la corriente corriente por el cuerpo del usuario. Esta segunda parte es limitada por la resistencia de 820 ohmios en la línea de salida que limita aquella parte de la corriente a un máximo de 33 milliamps (la Ley del Ohmio: Amperios = Voltios / Resistencia). Este descuida la resistencia de cuerpo y asume que la resistencia variable del control de la salida es puesta a la resistencia mínima, que es improbable.

La comprobación de estos valores muestra que el 555 circuito integrado es obligado de dibujar tanta corriente como las provisiones de recorrido por los electrodos de salida. Sin embargo, vamos delante con el recorrido, después de todo, podríamos decidir usar baterías PP3 recargables que vencerían la necesidad de comprar nuevas baterías cada pocos días.

La primera exigencia esencial debe proveer el 555 circuito integrado de un voltaje de, supongamos, 10 voltios cuando esto corre en el recorrido completado. Esto podría ser hecho con uno de los circuitos integrados de estabilizador de voltaje:


No es una opción en particular cara, pero aquellos circuitos integrados dibujan una corriente a fin de proporcionar el voltaje stabilisation y un voltaje absolutamente estable no es necesario por el 555 circuito integrado. O bien, podríamos usar una resistencia y un 10V diodo Zener:


Pero aquel método gasta realmente un poco de corriente corriente por el zener a fin de proporcionar el voltaje querido. El método más simple es usar una resistencia y un condensador:


El cuidado considerable es necesario seleccionando la resistencia valoran “R”. Si el valor es demasiado bajo, entonces el voltaje pasado a los 555 será demasiado alto y la viruta se consumirá. Seleccionando la resistencia “R”, comience con un valor más alto que esperado y luego substituya resistencias de valor ligeramente inferiores supervisando el voltaje a través del condensador para asegurarse que se queda bastante bajo. El valor de resistencia puede ser tasado usando la Ley del Ohmio. Asumiendo una corriente de aproximadamente 6 mA, la caída de voltaje a través de la resistencia ser (27 – 10) = 17 voltios, luego una resistencia de aproximadamente 2.83K (como Ohmios = Voltios / Amperios) que sugiere que comenzando con un 4.7K la resistencia probablemente esté bien, y luego picoteando cada resistencia estándar inferior por su parte hasta un voltaje satisfactorio a través del condensador es alcanzado.

El condensador podría ser 12V o 15V tasado, pero si un tasado en un voltaje más alto es usado, entonces si está por casualidad relacionado a través del lleno 27V no será dañado de ningún modo. Más grande la capacitancia, mejor, dicen 220 microfaradios que pueden ser conseguidos para un penique en eBay. Si usted quiere ir sobre seguro, usted podría unirse un 12V diodo Zener a través del condensador. Esto no dibujará ninguna corriente en condiciones trabajadoras normales, pero si algo debería hacer que el voltaje en el condensador se eleve, luego esto encenderá y dominará el voltaje a una caja fuerte 12V nivel. Pienso que el zener es innecesario, pero la opción es siempre la suya.

¿Tan qué posición de poder de resistencia es necesaria? Bien, si la resistencia resulta ser un 2.7K y el voltaje condensador termina como 9.5 voltios, entonces el voltaje medio a través de la resistencia es 17.5V que hace la corriente por ello 6.48 mA y como Vatios = Voltios x Amperios, el poder que tasa necesidades de ser 113 milliwatts, entonces el cuarto típico de vatio (250 mWs) resistencia debería estar fácilmente bastante bien. Si dos (valor casi igual) las resistencias en la paralela son usadas para conseguir algún valor intermedio de "R" entonces que aumenta la potencia en vatios de resistencia total.

La salida de la 555 viruta es usada entonces para conducir el resto del recorrido que funciona en 27V. Un transistor BC109C cuesta sólo un penique, puede manejar el voltaje y tiene una ganancia mínima de 200 aunque la ganancia pueda ser algo que hasta 800 y un BC109 pueden manejar la corriente para este recorrido, completamente fácilmente. Si usted tiene que averiguar cualquiera de estas cosas, entonces descargue un datasheet para el transistor del Internet.

La salida del 555 temporizador está en el alfiler 3 y esto puede suministrar fácilmente 200 mA que es lejano, mucho más corriente que necesitaríamos alguna vez para este recorrido. Podemos alimentar la 555 salida de onda cuadrada al 27V electrodos usando un transistor:


Cuando el transistor es hecho del silicio, el interruptor - en el voltaje es cuando el voltaje bajo está aproximadamente 0.7 voltios encima del voltaje de emisor. Esto significa que cuando el transistor es encendido, la cumbre de resistencia “R1” será alrededor de 10 voltios y el fondo de "R1" estará en aproximadamente 0.7 voltios, el que significa que el voltaje a través de "R1" será (10 – 0.7) = 9.3 voltios. Cuando aquel voltaje está presente a través de "R1" queremos que ello alimente la corriente suficiente al transistor para encenderlo totalmente. El transistor suministra una resistencia de 100 K (que llevará 0.27 mA cuando 27 voltios son a través de ello) y los electrodos que tendrán una resistencia mínima de 820 ohmios a través de ellos (causar una corriente de 33 mA por ellos). De este modo, el transistor debería suministrar aproximadamente 33 máximo mA. El transistor BC109C tiene una ganancia mínima de 200 entonces la corriente corriente en la base tiene que ser 33 / 200 = 0.165 mA y la resistencia que llevará aquella corriente cuando esto tiene 9.3 voltios a través de ello es 56.3K. Una resistencia algo más pequeña satisfará.

Un control de sentido común que el cálculo de resistencia es correcto es:

Una resistencia de 1K lleva 1 mA por voltio y tan llevará 9.3 mA con 9.3 voltios a través de ello.

Una resistencia de 10K llevará una décima de aquella cantidad, o 0.93 mA con 9.3 voltios a través de ello.

Una resistencia de 100K llevará un décimo de esto otra vez, o 0.093 mA con 9.3 voltios a través de ello.

Este indica que para una corriente de 0.165 mA que es sobre dos veces 100K corriente, una resistencia de aproximadamente la mitad de 100 K debería ser sobre el valor derecho, entonces 56.3K miradas correctas. Considerando que la ganancia de 200 es mínimo y tres o cuatro veces que es típico, podríamos decidir quizás usar una resistencia de 47K para “R1”

Cuando el electrodo corriente probablemente será bastante menos de 33 mA y cuando la ganancia de BC109C probablemente será muy alta, podría ser completamente difícil conseguir el transistor para apagar cuando esto puede funcionar en cantidades muy diminutas de la entrada corriente. Para ponerse esto para encender y lejos limpiamente cuando el 555 voltaje de salida es dice, aproximadamente 5 voltios, (en cual punto el voltaje NE555 se cambiará muy rápidamente), “R2” es incluido. Con ello en el lugar, el voltaje de salida del NE555 es dividido entre “R1” y "R2" en la proporción de sus resistencias. La situación que queremos es:


Cuando el transistor no es encendido, esto no dibuja casi ninguna corriente y tan parece a una resistencia de valor muy alta al recorrido. Este permite que el "R1" y resistencias “R2” actúe como un par de separator de voltaje. Este hace que el voltaje en el punto “A” sea determinado por la proporción de "R1" a "R2" y el transistor no puede ser ignorado a condición de que el voltaje en el punto “A” sea debajo de 0.7 voltios. Si el voltaje en aquellas subidas de punto a 0.7 voltios entonces los cambios de situación dramáticamente y la Ley del Ohmio ya no sostienen cuando el transistor no es una resistencia pasiva, pero en cambio, es un dispositivo de semiconductor activo. Si el voltaje en el punto “A” trata de elevarse adelante esto no puede porque la base de transistor lo sujeta con abrazaderas firmemente allí pareciendo ser una resistencia alguna vez inferior entre la base y el emisor del transistor. Tan para más alto voltajes de entrada, resistencia “R2” no podría estar también allí para toda la diferencia que hace.

¿De este modo, qué valor necesitamos para “R2” para el voltaje en el punto “A” para ser 0.7V cuando el alfiler 3 de los NE555 alcanza 5V? Bien, aquella parte del recorrido actúa en una manera resistiva y entonces la Ley del Ohmio puede ser usada. La resistencia “R1” es 47K y tiene 4.3 voltios a través de ello, el que significa que la corriente por ello debe ser 0.915 mA. Esto significa que “R2” tiene 0.7V a través de ello y 0.915 mA que fluyen por ello el que significa que esto tiene un valor de 7.65K. Un estándar 8.2K o 6.8K la resistencia podría ser usada cuando no hay nada dramáticamente importante sobre el 5V cambiando el punto. Si usted fuera preocupado por la adquisición exactamente 7.65K (y usted no debería ser), entonces usted puede conseguir aquel valor combinando dos resistencias estándares, en serie o en la paralela.

Un método de sentido común de calcular el valor de "R2" es usar el hecho que como los mismos flujos corrientes por ellos (pase lo que pase que corriente resulta ser), entonces la proporción del voltaje será el mismo como la proporción de las resistencias. Es: 0.7V / 4.3V = “R2” / 47K o "R2" = 47K x 0.7 / 4.3 que es 7.65K.

Hemos alcanzado ahora el punto donde podemos determinar que el valor de resistencia tenía que proporcionar un voltaje razonable para el temporizador NE555, el recorrido es:


El valor de "Rx" va a estar justamente cerca de 270K entonces usted puede usar aquel valor probando para encontrar un valor conveniente para “R” (2.2K para el recorrido que construí). El condensador a través del NE555 debería ser una capacitancia tan grande como es conveniente, teniendo en cuenta que el recorrido entero, baterías, etc. tiene que caber en un pequeño caso que será atado con correa a una muñeca. Un camino que los componentes podrían ser colocados en el bordo enchufable es:


Recuerde que intentando varias resistencias para “R” usted tiene que comenzar alto en aproximadamente 4.7K y el voltaje que resulta en el condensador muestra la caída de voltaje a través de su primera opción de resistencia y tan, la corriente actual dibujada por su NE555 particular. Aquella corriente deliberada permitirá que usted para calcular el valor de resistencia tuviera que dar 10 voltios más o menos, permitiendo a su siguiente resistencia ser probado para ser casi exactamente correcto.

Para comprobar la frecuencia producida por el recorrido, cualquier LED (diodo electroluminoso) ordinario puede ser usado como una medida provisional. Puede estar relacionado a través de la resistencia 'de carga' de 100K entre el coleccionista de transistor y el 27V línea de abastecimiento positiva. Una resistencia corriente restrictiva es esencial para parar la quema LED al instante. Si permitimos que una corriente de 5 mA fluya por el LED entonces ya que la resistencia corriente restrictiva tiene aproximadamente 26.3 voltios a través de ello, entonces esto es el valor será sobre 5.4K (1K daría 26 mA, 2K daría 13 mA, 3K daría 9 mA, 4K daría 6.5 mA) y tan un 4.7K trabajos de resistencia bien. Este LED y resistencia son mostrado en la disposición encima. Por favor recuerde que si su transistor BC109C tiene un caso metálico, entonces aquel caso está normalmente relacionado internamente con el coleccionista y tan, el cuidado debe ser tomado que el caso no se pone en cortocircuito a algo más.

Si es considerado importante de maximizar la duración de la pila reduciendo el empate corriente a mínimo, entonces quizás usando un recorrido astable podría ser una opción buena. En común con la mayoría de él recorrido electrónico, hay muchos modos diferentes de diseñar un recorrido conveniente para hacer el trabajo requerido. El transistor BC109C puede manejarse el 27V y entonces podríamos apuntar a un empate corriente para el recorrido de sólo 3 mA. Si 2 mA debieran fluir por los transistores astable cuando ellos son encendidos, entonces con 27V a través de ellos, las resistencias serían 13.5K que no es un valor estándar. Podríamos seleccionar 12K para dar una 2.25 mA corriente, o 15K para dar 1.8 mA. Cualquiera debería ser satisfactorio. El recorrido podría ser entonces:


Cuando la oscilación de voltaje que alimenta el transistor de salida se ha elevado ahora de 10V a 27V las resistencias de separator de voltaje pueden aumentar ahora en el valor antes de 2.7 veces, que dan alrededor de 127K y 22.1K para estas resistencias. Sin embargo, la situación no es el mismo en cuanto al NE555 que puede suministrar al menos 200 mA en el nivel de salida alto de voltaje. En cambio, el transistor se hace una resistencia tan alta que no puede ser ignorado, pero 12K permanece en el camino que suministra la corriente baja para el transistor de salida y esto va a de hecho, añadir a la resistencia superior del par de separator de voltaje. Tan mientras una resistencia de 100K es mostrada, esto es con eficacia 112K debido a aquella resistencia de 12K suplementaria entre ello y el 27V línea de abastecimiento. Los transistores astable cambiarán rápido en el punto donde el estado de cambios de transistor de salida, entonces la onda de cuadrado de salida debería ser la buena calidad. El transistor BC109C puede encender y de unas cien millones de veces por segundo, entonces esto es la interpretación en este recorrido debería estar muy bien. Una disposición de bordo de enchufe de unión de prueba podría ser:


Ahora tenemos que elegir los componentes de cronometraje. Para un ciclo de deber hasta del 50 % donde cada transistor es CONECTADO para la mitad el tiempo y LEJOS para la mitad el tiempo, los dos condensadores de cronometraje pueden ser el mismo tamaño y luego las dos resistencias de cronometraje tendrán el mismo valor, en mi caso, 330K pero esto depende de los condensadores actuales usados.

El diseño de Bob Beck pide que la demostración LED corra cuando la unidad es encendida y luego ser desconectado cuando los electrodos son tapados en un enchufe de 3.5 mm montado en el caso que contiene el recorrido. El enchufe cambiado parece a este:


Cuando el enchufe no es insertado en el enchufe, fije 1 se une al alfiler 2 y el alfiler 3 no está relacionado con nada. Cuando el enchufe es insertado, luego fije 1 es aislado, fijar 2 está relacionado para tapar el alfiler 4 y fijar 3 está relacionado para tapar el alfiler 5.

El recorrido de Cuba de tintura está relacionado con el enchufe de salida como este:


Este arreglo dará un 27V salida de onda cuadrada de 4 Hz por el enchufe de gato. Pero, el recorrido original de Bob Beck no hizo esto. En cambio, pareció a este:


Aquí, un relevo hace funcionar dos contactos de interruptor de cambio que son usados para invertir el banco de batería cuatro veces por segundo. Es diferente de producir sólo un voltaje de onda cuadrado positivo que va entre los dos terminales de salida. Si usted debiera considerar una resistencia relacionada a través del enchufe de salida, entonces con la conmutación de relevo, la dirección de los reveses corrientes cuatro veces por segundo, pero con la onda cuadrada, mientras esto comienza y para cuatro veces por segundo, la dirección de la corriente son siempre el mismo y no hay ninguna inversión de la dirección. Cuando Bob quiso evitar usar un relevo que hace clic cuatro veces por segundo en todo por el tratamiento de dos horas descrito en el capítulo 11 y en el "Toman detrás Su Poder” pdf en el www.free-energy-info.tuks.nl sitio Web, él replanteó el recorrido usando el circuito integrado LM358/A muy impresionante:


Esta viruta dibuja sólo la mitad de un milliamp, tiene dos muy ganancia alta amplificadores operacionales y puede funcionar con una amplia variedad de voltajes de suministro. Es también barato.

Bob muestra el recorrido como:


Bob declara que la primera sección actúa como un generador de señal de onda cuadrada de 4 Hz, la frecuencia controlada por el 2.4M resistencia “R1” y el 100nF “C1” condensador. La hoja de datos para el LM358 declara que la oscilación de voltaje de salida está entre voltios cero y 1.5V menos que el voltaje de suministro “Vcc” (que es 27V en este caso). Esto implica que, como sería esperado, el alfiler que 1 voltaje de salida de la primera etapa cambiará bruscamente de 0V a 25.5V y bruscamente atrás otra vez, cuatro veces por segundo.

Es difícil seguir el recorrido cuando es dibujado, entonces podría ser un poco más fácil seguir cuando dibujado como este:


La salida del primer amplificador dentro del paquete de LM358 está en el alfiler 1 y esto puede suministrar una cantidad grande de corriente (si una corriente grande es necesaria alguna vez). Aquella salida va directamente a una de las uniones de enchufe de gato. Esto también va el alfiler 6 entrada del segundo amplificador dentro de la viruta y esto hace que la salida de gran potencia de aquel amplificador en el alfiler 7 sea la parte de enfrente del alfiler 1 voltaje. Cuando el alfiler 1 va alto a 25.5 voltios, luego fije 7 va bajo, a voltios aproximadamente cero. Aquella salida también es alimentada a la otra unión de enchufe de gato, colocando 25.5 voltios a través de los electrodos cuando ellos son enchufados al enchufe de gato.

Cuando la circuitería de oscilador relacionada con el primer amplificador hace que el voltaje en el alfiler 1 vaya bajo, entonces la salida en el alfiler 7 lo invierte y entonces esto va a 25.5 voltios. Usted notará que mientras el voltaje total de 25.5 voltios es aplicado otra vez al enchufe de gato, la polaridad es invertida ahora, consiguiendo lo que el recorrido de relevo hace (aunque 1.5 voltios sean perdidos en el proceso). Este es una solución ordenada.

Bob usa un bicolor diodo electroluminoso para confirmar que el recorrido trabaja correctamente antes de que los electrodos sean enchufados. Él decide hacerlo Está aquí:


Los dos 18V los diodos Zener dejan 18.7 de 25.5 voltios cuando uno será 0.7 voltios influidos avanzados que se caen y otro invertido influido, dejando 18 voltios. Esto se marcha un 7V gota para el LED, que es un poco excesivo, entonces Bob dice que él usa un condensador para limitar la corriente. Como hay ya una resistencia de 820 ohmios en el camino corriente LED por el enchufe, el condensador no es necesario. La resistencia variable tiene que ser puesta a esto es la resistencia mínima haciendo girar esto es el eje totalmente dextrórsum de modo que esto no afecte el resplandor LED cuando los zeners también muestran cuando el voltaje de batería se ha caído cuando habrá ya no voltaje suficiente para encender el LED alegremente, indicando que las baterías tienen que ser sustituidas (o recargadas si ellas son baterías recargables). Probando el recorrido, una alternativa a dos zeners debe usar un 4.7K resistencia y si un bi-color LED no debe dar, entonces dos LEDs ordinarios pueden ser usados espalda contra espalda como este:


Con este arreglo, dos LEDs destellan alternativamente. En cualquier recorrido, un condensador con una posición de voltaje más alta siempre puede ser usado si los valores de capacitancia son el mismo. El recorrido externo de la Cuba de tintura es completado por el cuerpo del usuario, así hay sólo un electrodo relacionado con cada lado del enchufe de gato de salida. Una disposición de bordo de enchufe posible es:


El 4.7K resistencia y LEDs están sólo en el bordo para probar objetivos y cuando el recorrido es construido en la forma permanente, entonces la cadena LED une al alfiler 1 del enchufe de gato de modo que los LEDs sean desconectados durante las dos horas del tratamiento diario recomendado usando el dispositivo.

Una disposición stripboard usando el bordo de 25 agujeros de 9 tiras humorísticas estándar e incorporando los dos 18V diodos Zener para la detección de voltaje es:


Usando un dispositivo de Cuba de tintura, es muy importante prestar la atención a las precauciones que Bob dispone. Éstos están en su “Toman detrás Su Poder” pdf documento: www.free-energy-info.tuks.nl/Beck.pdf que incluye el siguiente, que, mientras esto se refiere al tratamiento para tratar con el VIH, probablemente se aplica a todos los tratamientos con su dispositivo:


INSTRUCCIONES AMPLIADAS PARA EXPERIMENTAL/
NEUTRALIZACIÓN DE SANGRE DE VIH TEÓRICA

PROTOCOLOS HIPOTÉTICOS PARA SESIONES EXPERIMENTALES
Revisión el 20 de marzo de 1997. Copyright 8 1991/1997 Robert C. Cuba de tintura


PRECAUCIONES: NO use la muñeca a la muñeca flujo corriente con sujetos quiénes tienen a marcapasos cardíacos. Cualquier señal eléctrica aplicada puede Interferir 'con la demanda' escriben a máquina a liebres de corazón y causan el funcionamiento defectuoso. Las posiciones de muñeca solas deberían ser aceptables. NO use en mujeres embarazadas, conduciendo o usando la maquinaria arriesgada.

Los usuarios DEBEN evitar Ingerir algo conteniendo hierbas medicinales, medicación extranjera o doméstica, o potencialmente tóxica. nicotina, alcohol, medicinas recreacionales. laxantes, estímulos. y las ciertas vitaminas etc., durante una semana antes de comenzar porque la electrificación de sangre puede causar electroporation que hace membranas de célula permeables a pequeñas cantidades de normalmente productos químicos inocuos en el plasma. El efecto Es el mismo como la sobremedicación extrema que podría ser letal. Ver Electroporation: un Fenómeno General para Manipular Células y Tejidos; J.C. Tejedor, Diario de Bioquímica Celular 51:426-435 (1993). Los efectos pueden imitar dosis crecientes mucho pliegue. Tanto el pulsar magnético como el purificador de sangre causan electroporation.

NO coloque almohadillas de electrodo sobre lesiones de piel, abrasiones, nuevas cicatrices, cortes, erupciones, o quemadura de sol. NO avance la amplitud de salida a niveles incómodos. Todos los sujetos variarán. NO duérmase usando. Pulser magnético debería ser seguro para usar en todas partes en cuerpo o cabeza.

Evite ingerir el alcohol 24 horas antes de la utilización. Beba un cristal de 8 onz. (225 cc) de echar agua destilado 15 minutos antes de que e inmediatamente después de cada final de sesión beban al menos cuatro gafas adicionales diariamente para enrojecer durante 'la neutralización' y durante una semana a partir de entonces. Este Es imperativo. No hacer caso este puede causar el daño sistémico de la basura tóxica no emocionada. Cuando las medicinas absolutamente esenciales deben ser ingeridas, haga así unos minutos después de la electrificación entonces esperan 24 horas antes de la siguiente sesión.

Si el sujeto se siente inactivo, débil, mareado, headachy, mareado o vertiginoso, nauseabundo. hinchado o tiene síntomas parecidos a una gripe o erupciones después de exposiciones, reducir la pulsación por sesión y/o acortar aplicaciones de la electrificación. Beba más echar agua preferentemente ozonized - a oxidación de basura de velocidad y disposición. Use la precaución extrema tratando a pacientes con la función de hígado o riñón perjudicada. Principio despacio al principio como aproximadamente 20 minutos por día para reducir problemas detoxification.

Para evitar la responsabilidad de choque, use baterías sólo. NO use ningún suministro de energía unido por línea, transformador, cargador, batería eliminator, etc. con la sangre que limpia el dispositivo. Sin embargo las provisiones de línea están de acuerdo con generadores de pulso magnéticos bien aislados (luces de estroboscopio).

Profesionales de salud: Evite a adicto de nicotina, vegetarianos estrictos, y otra muerte-wishers inconscientemente motivada y sus órdenes del día encubiertos de 'el fracaso el curador'. El tabaco, el más adictivo (42 veces más adictivas que la heroína) y sustancia mortal del abuso conocido, interrumpe la función cardiovascular normal. Las dietas vegetarianas verdaderas pierden aminoácidos esenciales absolutamente necesarios para la reconstrucción acertada de tejidos AlDS-devastados. Las ganancias secundarias (compasión / martirio, evitación de trabajo, beneficios libres, ayuda financiera, etc.) desempeñan papeles grandes con muchos pacientes de SIDA. “La culpa de recuperación” como amigos muere ha precipitado hasta intentos de suicidio enmascarados como 'accidentes'. Evite tales enredos, ya que muchos tienen deseos mortales inconscientes.


ELECTRODOS SUPERIORES: Los electrodos excelentes, convenientes e inmensamente superiores, reutilizables indefinidamente pueden ser hechos por alambres de plomo que soldan extremo a finales de 1” mucho tiempo por 3/32” dia. los impresos cortan del tipo 316 varas de acero inoxidables disponibles de soldar tiendas de suministro (Cameron que Solda el Suministro. 11061 Avenida de Valle, Stanton, CA 90680). Uso 'Permanencia' flujo Limpio antes de soldar (cloruro de zinc ácido / hidroclórico ácido). Encójase - aíslan DOS capas apretadas de la tubería sobre uniones soldadas para impedir a doblamiento/rotura e iones de plomo/de cobre emigrar. Abrigo tres o cuatro vueltas de franela de algodón del 100 % alrededor de varas. Abrigo espiral con el hilo fuerte que comienza del lado de alambre para terminarse, pellizcar para fuertemente tela durante el final de la vara para dejar ningún metal expuesto abrigándose 6 o 7 vueltas del hilo FUERTEMENTE sólo del final de la vara, luego se mueven en espiral el abrigo atrás para comenzar y empatar fuertemente con cuatro nudos entonces cortó la tela de exceso al final cerca del pellizco - abrigos. Las cuerdas de final de convite y los nudos con la uña clara pulen o Control de Lucha ® (tela y cosiendo tiendas de suministro) para prevenir ravelling. Penetre una solución fuerte de sal de mar (no tabulan la sal) contener a un pequeño agente wetting como Flujo de Foto Kodak, glicol de etileno, o 409 encargado de limpieza de cocina. Añada unas gotas de lejía de unidad familiar, coloide de astilla, etc., para el desinfectante. Solución de tienda para reutilización. Grabe electrodos mojados de remojo fuertemente sobre sitios de pulso con el enmascaramiento de papel o Transpore ™ cinta o con 1 ”amplias gomas elásticas de extensión con etiquetas del Velcro ® a finales para sujetar. Los electrodos deberían conformarse estrechamente exactamente a lo largo de vasos sanguíneos, no sesgando muy ligeramente sobre la carne adyacente. Este asegura mejores caminos de conductividad eléctricos a la sangre circulante y asegura la impedancia muy bajo interna. (~2000W). Aclarado y electrodos secos de mancha y piel después de cada uso. NUNCA permita que el metal desnudo toque la piel cuando este causará quemaduras manifestadas como pequeños cráteres rojos que se curan despacio. El objetivo es conseguir la corriente máxima en vasos sanguíneos, no escapárselo al tejido adyacente. Por lo tanto nunca use ningún electrodo más amplio que sobre la pulgada 1/8 (3 mm).

COLOCACIÓN DE ELECTRODO:Localice la posición de pulso máxima (Para NO ser aturdido con la acupuntura, el reflexology, Chapman, etc. señala) a pies o las muñecas sintiendo para el pulso máximo en el interior del tobillo aproximadamente 1 ”abajo y al reverso del hueso de tobillo, luego prueban a lo largo del centro superior del empeine. El electrodo de lugar en cualquier pulso sitúa a aquel pie que se siente el más fuerte. Piel de fregado sobre sitios elegidos con jabón suave y echar agua o esponja de alcohol. Limpie seco. Coloque los electrodos longitudinales a lo largo de cada vaso sanguíneo de muñecas izquierdo y derecho. Note: con sujetos que tienen corazones absolutamente sanos y no llevando puesto a liebres, es conveniente usar dejado la muñeca a la muñeca derecha exactamente sobre caminos de pulso arteriales ulnar en vez de a pies. Reciente (diciembre de 1995) la investigación sugiere que colocando ambos electrodos sobre arterias diferentes en los mismos trabajos de muñeca muy bien (ver pg. 7), evita cualquier corriente por el corazón, y es mucho más conveniente y como eficaz. Unos 8” mucho tiempo, 1” amplia cinta de extensión elástica con dos 1.5” (40 mm) longitudes de 3/4” (20 mm) amplio Velcro ® cosido a finales de lados opuestos hace una cinta de muñeca excelente para sostener electrodos cómodamente en el lugar. Con el cable de electrodo desenchufado, encienda el interruptor y el control de amplitud de avance al máximo. Empuje SW momentáneo. 2 'Prueba' cambia y ve que los fotodiodos rojos y verdes destellan alternativamente. Este verifica que la polaridad invierte aproximadamente 4 veces por segundo (la frecuencia no es crítica) y que las baterías están todavía bien. Cuando el LED'S no se enciende sustituyen todos los tres 9V baterías. Los diodos Zener extinguirán el LEDs cuando los tres 9V la inicial de la batería 27V se caen abajo 18V después del uso ampliado. Nunca use ningún electrodo más grande que 1.125” (28 mm) mucho tiempo por 1/8” (3 mm) amplio para evitar gastar corriente por el tejido circundante. Límite exactamente sobre vasos sanguíneos sólo. Aplique gotas de echar agua de sal a la tapa de algodón de cada electrodo sobre cada 20 minutos para combatir la evaporación y asegurar el flujo corriente óptimo. Los dispositivos posteriores son transistorizados, usan sólo tres baterías y ningunos relevos, y son mucho más pequeños.

Ahora haga girar el control de amplitud a mínimo (en contrario) y enchufable cable de electrodo. El sujeto ahora avanza el disco despacio hasta que él sienta "un tremendo" y el hormigueo. La vuelta tan alta como tolerable pero no avanza la amplitud a donde está incómodo alguna vez. Ajuste el voltaje periódicamente como él se adapta o se aclimata al nivel corriente después de varios minutos. Si el sujeto transpira, la resistencia de piel puede disminuirse debido a la humedad, así poniéndose a un voltaje inferior para la comodidad es indicado. Por otra parte es normal sentir cada vez más menos sensación con el tiempo. Usted puede notar poca o ninguna sensación en la amplitud llena inmediatamente, pero el sentimiento comenzará a construir hasta el máximo después de varios minutos en los cuales la amplitud de tiempo debe ser disminuida. La impedancia de electrodo a electrodo adaptada típica está en la orden de 2000W. La entrada cómoda típica (a la piel) es sobre 3mA, y la entrada tolerable máxima (amplitud llena) es sobre 7mA pero este margen 'de la reserva' aunque inocuo es innecesario y puede ser incómodo. La corriente corriente por la sangre Es muchísimo inferior que esta entrada externa debido a la resistencia de serie por piel, tejido y paredes de vaso sanguíneo, pero 50 µA a 100 µA por la sangre es esencial.

Aplique la sangre neutralizer durante aproximadamente 2 horas diariamente durante aproximadamente 2 meses. Juicio de uso aquí. El factor restrictivo es detoxification. Con cuidado supervise las reacciones del sujeto (incomodidad, catarro, erupciones de piel, llorando exudites, erupciones, las aguas hirviendo, los carbuncos, cubrieron la lengua, etc.). Con infecciones muy pesadas, vaya más despacio no para sobrecargar la capacidad de disposición tóxica del cuerpo. Con diabéticos perjudicados por circulación, etc., usted puede desear ampliar tiempos de sesión. Otra vez, hacen que la persona beba mucho echar agua. Los cambios recientes del protocolo teórico actualmente probado aconsejan perseguir las tres semanas de tratamientos con unas 24 horas por día (alrededor del reloj) electrificación continua de la sangre durante dos días para tratar un golpe de golpe de gracia al VIH restante ’s ciclo de vida de 1.2 día. (A. Perelson; Los Alamos Grupo de Biofísica, el 16 de marzo de 1996 Diario "de Ciencia".) Se acuerdan de humedecer de nuevo electrodos con regularidad. Si usted absolutamente debe ingerir medicinas de prescripción, haga tan inmediatamente después de apagar el instrumento y permita 24 horas antes del siguiente tratamiento dejar a concentraciones en el decaimiento de plasma sanguíneo para bajar niveles.

Recuerde, si los sujetos alguna vez se sienten soñolientos, inactivos, decaídos. nauseabundo, débil, hinchado, o headachy, o tienen reacciones parecidas a una gripe ellos pueden descuidar el consumo de echar agua suficiente para limpiar con agua toxinas. Interpretamos este cuando detoxification más endorphin liberan debido a la electrificación. Déjeles descansar y estabilizarse durante aproximadamente 45 minutos antes de conducir de ser indicado. Si este detoxing se hace opresivo, convite cada dos días. El trato de al menos 21 veces debería ‘fractionate' tanto menor como VIH que madura para traslapar ventanas de sensibilidad de neutralización máximas e interrumpir ocurrir 'en ciernes' durante los ciclos de desarrollo de las células de VIH. Los tratamientos son reclamados para neutralizar sin peligro muchos otros virus, hongos, bacterias, parásitos, y microbios en la sangre. Ver patentes US 5,091,152 US 5,139,684 US 5,188,738 US 5,328,451 y otros así como numerosos estudios médicos válidos que son poco conocidos actualmente o suprimidos. También, ingerir una onz. de aproximadamente 5 partes por millón de la solución de coloide de plata diariamente puede dar a sujetos 'un segundo sistema inmunológico intacto' y reducir al mínimo o eliminar infecciones oportunistas durante la fase de recuperación. Esta sustancia de milagro Es pre1938 tecnología, y a diferencia del ozono es considerado inmune del acoso FDA. El coloide de plata puede ser fácilmente sentido como en casa electrolytically en minutos y en cualquier cantidad deseada y partes por millón de fuerza para menos de 14 centavos por galón más el coste del echar agua. Es ridículo comprarlo para precios altos. El coloide de plata no tiene ningunos efectos secundarios, y es conocido eliminar rápidamente o prevenir cientos de enfermedades. Los coloides de astilla no producirán la medicina resistente tensiones como van a todos otros antibióticos conocidos. Ninguna cantidad razonable puede la sobredosis o herir a usuarios actualmente, por ingestión, o inyección profesional médica.


El 741 Circuito integrado.   Un grupo importante y muy útil de Circuitos Integrados es el “el Amplificador Operacional” o “el óp.-amperio” el grupo. Estos dispositivos tienen una ganancia muy alta, un ‘que invierte' entró y un ‘que non-invierte la entrada de'. Hay muchos óp.-amperios pero nosotros miraremos sólo un tipo popular llamado el “741” qué tiene una abrir-vuelta de ‘de que' ganan 100,000 veces. Los amplificadores todos operacionales trabajan de la misma manera en la teoría. La manera que ellos operan en un circuito se controla por los componentes externos atados a ellos. El Ellos pueden operar como invertir el amplificador, non del un - el amplificador del de invirtiendo (el decir del es un ‘' más de color de ante), un comparador, multa-vibrador de astable de en, y las varias otras cosas. El símbolo y conexiones para un 741 óp.-amperio son:



Nosotros podemos conectar la 741 astilla para actuar como un amplificador con cualquier nivel de ganancia de juego que nosotros escogemos:




Aquí, la ganancia es fija por la proporción de la 220K resistencia a la 22K resistencia. Este circuito tiene una ganancia de 10 veces, así el signo de la entrada al punto ‘B' generará un signo del rendimiento al punto ‘C' que es diez veces más grande, con tal de que que el signo del rendimiento no se acerca el voltaje de la batería. Si hace, mientras sujetando entonces ocurrirán con la cima y el fondo del forma da onda del rendimiento cortados fuera de a sobre un voltio fuera del voltaje de la batería nivela, aproximadamente 1 Voltio y +11 Voltios en este ejemplo.

Generalmente se diseñan los amplificadores operacionales para operar de un suministro de poder dual. En el ejemplo anterior, el suministro se crearía usando dos 6 Voltios baterías en lugar de una 12 Voltio batería. Un voltaje del medio-punto se genera al punto ‘A' usando dos resistencias iguales en la serie por la batería evitar la molestia de esto. Esto da un voltaje central de +6 Voltios que se dan al IC.

Este circuito puede usarse en muchas aplicaciones. Aquí es un circuito para un metro medir la intensidad legítima:


Este circuito es dos copias del circuito anterior. Cada 741 astilla tiene un voltaje de la referencia de mitad que el voltaje del suministro creó por un par del voltaje-divisor de 1K resistencias. Este voltaje se alimenta para fijar 3 de la astilla que es la entrada non-invirtiendo

Al punto ‘A’, un micrófono o el altavoz pequeño se usa para generar un voltaje señalado cuando los alcances legítimos él. Este voltaje se da al 741 óp.-amperio vía un 1 microfaradio que bloquea el condensador. Esto atraviesa el signo audio mientras bloqueando el +4.5 Voltios CC en alfiler 3. El primero 741 tienen una ganancia de 22, ponga por las 10K y 220K resistencias (220 / 10 = 22).

Apunte entonces ‘B' recibe un signo audio 22 veces más grande que el signo producido por el micrófono. Este signo todavía es bastante pequeño, para que el segundo 741 empujones él más allá. La ganancia del segundo 741 es inconstante y depende del juego de resistencia en la 1M resistencia inconstante. Si la resistencia inconstante se pone poner a cero los ohmios, entonces, la ganancia del segundo 741 será controlada por la 4K7 resistencia al punto ‘C' solo y para que será 1 (4.7 / 4.7 = 1). Si la resistencia inconstante se pone a su valor máximo, entonces la ganancia del segundo 741 será unos 214 (1,004,700 / 4,700 = 213.8).

Los dos óp.-amperios tienen una ganancia combinada que va de 22 a 4702 juntos. El signo audio amplificado llega a punto que ‘D' y pueden ajustarse a un valor respetable. Este voltaje alterno se rectifica el por ahora los diodos al punto ‘E' y construye allí a un voltaje de CC por el 47 condensador del microfaradio. Este voltaje se despliega en un metro de voltio. El resultado es que el metro de voltio muestra una lectura directamente proporcional al nivel legítimo que alcanza el micrófono.

Los 741 pueden alambrarse como un pulidor. Éste es el equivalente de un circuito del emisor-seguidor al usar los transistores. El juego a para los 741 es:


¡El circuito difícil - el huh! ¿Usted está seguro que usted puede permitirse el lujo de todos los componentes extras? Este circuito utiliza la ganancia llena de la 741 astilla. El rendimiento sigue el forma da onda de la entrada exactamente. La entrada requiere casi ningún actual, para que el circuito se describe como tener un ‘la impedancia de la entrada alta'. El rendimiento puede manejar una carga seria como una parada, así que el circuito se describe como tener un ‘la impedancia del rendimiento baja'.


La 741 astilla puede alambrarse para actuar como un comparador. Éste es el circuito:


¿Usted está seguro que usted depende de semejante circuito difícil? ¡El pedazo complicó - el huh! Ésta es la forma operacional básica para un amplificador operacional.

Si el voltaje al punto ‘A' está entonces más alto que el voltaje en el punto ‘B' que el rendimiento va tan bajo como puede ir, diga 1 o 2 voltios.

Si el voltaje al punto ‘A' es más bajo que el voltaje al punto ‘B' entonces el rendimiento va tan alto como puede ir, diga 10 voltios o para que.

Habiendo visto cómo los circuitos del transistor trabajan, usted debe poder entender por qué la 741 circuitería de la astilla (qué es un circuito del transistor dentro del 741 paquete) necesita un poco de voltaje dentro del suministro pone barandilla para proporcionar un paseo del rendimiento alto-actual eficaz.

Aquí es una 741 versión del interruptor luz-operado:


Este circuito es fijo a como las caídas de la tarde. Nosotros queremos la parada para tener el voltaje mínimo por él en la luz del día, para que el voltaje al punto ‘que A' necesita ser más alto que el voltaje al punto ‘B'. Cuando la 1K resistencia inconstante es por el voltaje del suministro, su deslizador puede ponerse a cualquier voltaje entre 0 Voltios y +12 Voltios. Para hacer este fácil a haga, nosotros escogemos un ‘' lineal la resistencia inconstante como la variedad logarítmica sería difícil ajustar en esta aplicación. Con el ‘la versión de' lineal, cada 1 grado de rotación del árbol de la resistencia causa el mismo cambio en la resistencia, en cualquier parte a lo largo del rango. Éste no es el caso para la variedad logarítmica.

Sin embargo, nosotros ajustamos la resistencia inconstante hacia abajo hasta las gotas de voltaje de parada a un mínimo. Cuando el nivel ligero se ha caído al nivel a que nosotros deseamos el circuito para activar, nosotros ajustamos la resistencia inconstante para hacer el clic de la parada en. La 741 astilla tiene un balance de voltaje de rendimiento muy rápido cuando los voltajes de la entrada cambalachean encima de, para que los parada cambiar serán firmes. El cambiando pueden hacerse positivo más aun agregando una resistencia entre el rendimiento y punto ‘B'. Esto actúa como un gatillo de Schmitt cuando cambiando ocurre proporcionando alguna regeneración positiva adicional, mientras alzando el voltaje al punto ‘B'.

Si usted desea el circuito para activar en un nivel ligero creciente, simplemente cambalachee las posiciones de la 10K resistencia y el ORP12 la resistencia luz-dependiente. El mismo circuito operará como una temperatura que se da cuenta del circuito sustituyendo un termistor de ‘' (qué es una resistencia temperatura-dependiente) para el ORP12.

Si nos gustara el circuito para actuar como una alarma del ladrón, nosotros podríamos usar el mismo circuito así:


El circuito todavía se controla por el voltaje al punto ‘A'. Bajo las circunstancias normales, este voltaje estará cercano +6 voltios (produjo por las dos 10K resistencias y la 100K resistencia). El interruptor superior marcó ‘NC' para ‘Normalmente Cerró', representa una cadena de, diga, los interruptores magnéticos ataron a las puertas y ventanas. Si cualquiera de éstos se abre, entonces el voltaje al punto ‘A' se dictará por la más bajo 10K resistencia en la serie con el 100K resistencia. Esto causará el voltaje a ‘A' para caerse al instante a un valor bajo, activando el circuito.

El ‘NINGÚN' cambia (‘Normalmente Abren') representa uno o los interruptores más presión-operados bajo alfombras o alfombras y/o interruptores que se cepillan cuando se giran las puertas abierto, etc. Estos interruptores se alambran en paralelo por nosotros y si cualquiera de ellos está cerrado para incluso un millonésimo de un segundo, el voltaje al punto, 'A' se tirará abajo por la 1K resistencia y el circuito se activará.

El circuito puede ser los trancado adelante en cualquier uno de una variedad de maneras. Un contacto de la parada puede usarse sujetar la parada o sostener el voltaje a ‘A' muja. Un transistor puede alambrarse por la parada sujetar el circuito, etc. Si esto se hace, el circuito permanecerá en su estado activado hasta el voltaje del suministro se interrumpe. Usted podría preferir usar una 555 astilla para limitar la longitud de tiempo la alarma parece a tres minutos o para que.

Una alternativa a usar una parada o el pestillo del semiconductor es usar un Silicón normalmente Controlado Rectificador se refirió a como un ‘SCR' o ‘Tiristor'. Este dispositivo normalmente es “fuera de” con una resistencia muy alta al flujo actual. Si se enciende aplicando un voltaje a su conexión de la Verja, se queda continuamente adelante hasta que algunas paradas del dispositivo externas el fluyendo actual a través de él. El circuito siguiente muestra cómo opera:


Cuando el voltaje se aplica primero al circuito cerrando el interruptor S2, el SCR es en su FUERA DE el estado para que ningún actual se proporciona a la carga. Si el interruptor de la prensa-botón que S1 se aprieta, una corriente se alimenta en la Verja del SCR, mientras encendiéndolo. Cuando cambia S1 se permite abrir, el SCR permanece en su EN el estado y se quedará así hasta la corriente a través de él está apagado cortado. El interruptor abriendo los cortes de S2 fuera de la corriente a la carga y los ingresos de SCR a su FUERA DE el estado. Una pregunta muy válida sería: “Por qué tiene un SCR en absoluto y simplemente encender la carga y fuera de con el interruptor S2?”. La respuesta es ese interruptor S1 podrían ser la almohadilla de presión de bajo-alfombra de una ladrón-alarma y él podría operarse algunas horas después de que el interruptor S2 fue cerrado para activar el sistema de la alarma. Caminando fuera de la almohadilla de presión no deja del alarma parecer.

Mientras esta clase de CC trancando acción es útil, es más común para un SCR ser usado en un circuito del CA. Por ejemplo, tome el circuito mostrado aquí:


El 120 voltio suministro del CA que entra del lado de la mano derecha, se convierte a los pulsos de la seno-ola positivo-yendo por el puente del diodo. Esto pulsando el voltaje se aplica al camino de Load/SCR. Si el voltaje a alfiler 3 de los 555 la astilla es baja, entonces el SCR permanecerá FUERA DE y ninguna corriente se dará al dispositivo de carga. Si el voltaje en el alfiler 3 van altos y el voltaje aplicó a la cadena de Load/SCR es alto, entonces el SCR se encenderá, mientras impulsando la carga hasta las gotas de voltaje pulsando a sus ceros nivelan de nuevo después unos 1/120 de un segundo.

La 555 astilla se conecta para formar un multa-vibrador del monoestable y los componentes cronometrando (la 120K resistencia y el 10nF condensador) la causa él al rendimiento un 1 milisegundo pulsan que es mucho tiempo bastante para activar el SCR en su EN el estado, pero pone en cortocircuito bastante haber terminado antes del electrizad de comunidad pulse los alcances de nuevo su nivel de cero-voltaje. La 555 astilla se activa por el voltaje del electrizad de comunidad creciente a pasándose a su alfiler 2 a través del voltaje-divisor 100K y 120K par de resistencias, y eso lo sincroniza con él forma da onda del CA. Fije 4 de la 555 lata de la astilla se use para encender el poder de carga y fuera de.

En el circuito mostrado sobre, el puente del diodo se necesita convertir el forma da onda del CA entrante a pulsar CC como mostrado en rojo en el diagrama, cuando el SCR puede manejar sólo fluyendo actual en una dirección. El equipo de carga de CA trabaja así como bien con el CC pulsando como con una forma da onda del CA soplados llenos. Una construcción del semiconductor buena es el ‘Triaca' que actúa como dos SCR dispositivos parte de atrás-a-parte de atrás en un solo paquete. Se muestra así en los diagramas del circuito:


Hay tres conexiones al dispositivo: el Término 1 Principal, Término 2 Principal y la Verja. Cuando cambia ‘S' mostrado en el diagrama está cerrado, el triaca dirige en voltajes positivos y " negativos aplicados a sus MT1 y términos de MT2. Cuando el interruptor está abierto, el dispositivo no dirige en absoluto.

Si el circuito externo que contiene el interruptor ‘S' se pone dentro del dispositivo como un circuito permanentemente cerrado, entonces, el dispositivo se vuelve un ‘Diaca' que puede usarse activar un Triaca y dar un circuito muy aseado por controlar el poder a un artículo de equipo de electrizad de comunidad de CA como mostrado aquí:


Aquí, los resistor/capacitor inconstantes aparean los mandos el punto en el forma da onda del CA que el Triaca se activa y para que mandos que cuánto de cada ciclo del seno da onda se pasa al equipo del electrizad de comunidad, y para que controla el medio poder pasado al equipo. Un uso muy común para un circuito de este tipo es el oscuro-interruptor de ‘que' usó con la iluminación de la casa.

Para devolver ahora a la 741 astilla. Los 741 también pueden usarse como un multa-vibrador del astable. El circuito es:


La proporción de oscilación de este circuito se gobierna por la Resistencia marcó ‘R' en el diagrama y el condensador marcó ‘C'. El más grande la resistencia, el más bajo la proporción de oscilación, el más grande el condensador, el más bajo la proporción de oscilación.

Cuando el rendimiento va alto, condensador que ‘C' cobra hasta el voltaje en él excede el voltaje del medio-barra adelante fije 3 a qué tiempo el 741 rendimiento va bajo. El condensador descarga ahora a través de la resistencia ‘R' hasta el voltaje en él deja caer debajo del voltaje en alfiler 3 a qué tiempo el rendimiento va alto de nuevo. La 10K resistencia conectando el rendimiento para fijar 3 proporciona alguna regeneración positiva que hace el 741 acto realmente como un gatillo de Schmitt, mientras afilando al cambiar.

El mismo arreglo de resistencia y condensador aplicó a un convertidor de Schmitt o Schmitt que la verja de NAND causa la misma oscilación exactamente


Si le gustara ver maneras adicionales de usar 741 y 555 astillas, yo puedo recomendar el libro excelente “La Electrónica elemental” por Mel Sladdin y Alan Johnson ISBN 0 340 51373 X.

Aquí está un muy bien probado y muy pensado, recorrido de oscilador económico, usando un 74HC14 circuito integrado de inversor de Schmitt. Esto permite la penalidad que templa el control de la frecuencia y la anchura de pulso producida. Tres de los inversores están relacionados juntos para dar una unidad actual de salida más poderosa:





La 4022 Circuito Integrado.   Un CMOS muy útil integró el circuito es el ‘4022' cortan que es un 16-alfiler ‘divida por 8’ corte con descifrando. Las conexiones son:


Si a alfiler 14 se proporciona el rendimiento de alguna variedad de multa-vibrador del astable, en el primer pulso, que esta astilla pone el “0” el rendimiento en alfiler 2 a Alto mientras los otros rendimientos son Bajos. En el próximo pulso, el “0” el rendimiento va Bajo y el “1” el rendimiento en alfiler 1 va Alto. En el próximo pulso, rendimiento “1” va Bajo y el “2” el rendimiento en el alfiler 3, va Alto. Y así sucesivamente hasta en el octavo pulso, rendimiento “7” en alfiler 10 va Bajo y rendimiento “0” va alto de nuevo.

La astilla también puede dividir por los más bajo números:

Para ‘Divide por 7 funcionamiento de', conecte alfiler 10 para fijar 15 (esto restablece el rendimiento a ‘0')
Para ‘Divide por 6 funcionamiento de', conecte alfiler 5 para fijar 15
Para ‘Divide por 5 funcionamiento de', conecte alfiler 4 para fijar 15
Para ‘Divide por 4 funcionamiento de', conecte alfiler 11 para fijar 15
Para ‘Divide por 3 funcionamiento de', conecte alfiler 7 para fijar 15
Para ‘Divide por 2 funcionamiento de', conecte alfiler 3 para fijar 15


Si usted quiere un ‘Divide por 1 circuito de', yo sugiero que usted consumió menos la cantidad de alcohol usted la bebida. Aquí es una ilustración de un ‘Divide por 4 arreglos de' :




Hay varias cosas para notar en el diagrama anterior. Primeramente, los arreglos prácticos para la circuitería no se ha enfatizado antes. Si la circuitería tiene un circuito pulsando que dibuja la corriente pesada, como mostrado por las flechas rojas espesas, entonces debe conectarse físicamente a la batería y cualquier circuitería bajo-actual debe ser extensa fuera de la batería. El suministro de la batería debe tener un fusible u ola grande del circuito y un interruptor en la línea antes de nada más se conecta, para que si cualquier componente desarrolla una falta y va corto - el circuito, el fusible soplara y prevendrá cualquier problema significante.

Segundamente, es una idea buena para proporcionar un suministro de poder aplanado a la otra circuitería como mostrado por los componentes azules en el diagrama. Esto minimiza el efecto si el voltaje de la batería se tira abajo el pulsando de la circuitería alto-actual. El diodo (silicón, 1 Amperio, 50 V) detiene el circuito actual pesado que deduce actual del condensador suavizador grande. La 100 ohm resistencia limita la corriente en el condensador grande adelante interruptor-adelante y proporciona un poco más suavizador. Esta circuitería se llama “de-acoplando” como él la circuitería actual baja de-acopla de la circuitería actual alta.

En tercer lugar, condensador del aviso “C1” qué se alambra físicamente como cerca de los alfileres de suministro de poder del circuito integrado cómo es posible. Si una púa se sobrepone en el suministro de la batería, entonces este condensador lo empapa a y lo previene dañando o activando el circuito integrado. Una púa podría causarse cerca por un pulso magnético muy fuerte como eso puede inducir un voltaje extra en los alambres de la batería.

La más bajo parte del diagrama muestra los voltajes del rendimiento producidos como el alcance de pulsos de reloj alfiler 14 de la astilla. La parte de la positivo-ida del reloj los gatillos señalados el cambio en el estado de los rendimientos. Si necesario, una positivo-ida pulsa en el alfiler restableció, fije 15, rendimiento de las causas “0” para ir alto y los otros rendimientos para ir bajo.

Ahora, para tomar esta salida sequencing un poco adelante. Por ejemplo, el motor de imán de Charles Flynn mostrado en bobinas de necesidades del Capítulo 1 para ser impulsados, uno tras otro y sólo uno debería ser conectado en cualquier tiempo. Este pide un recorrido que tiene un número grande de salidas. El circuito integrado CD4022BC da hasta ocho salidas uno tras otro. El circuito integrado CD4017B da hasta diez salidas uno tras otro, pero no hay ninguna necesidad para ser limitada por estos números cuando más de un CI puede ser usado. Si usted encuentra esta sección difícil de entender, saltarse luego sólo por delante a la siguiente sección cuando no es importante para usted para entender este recorrido más grande.

Las uniones de alfiler para el "se dividen por diez" viruta de CD4017B es mostrado aquí:


Mientras este muestra salidas 1 a 10, los fabricantes y algunas personas que dibujan el recorrido, prefieren etiquetar las salidas como “0 a 9” que corresponden a demostraciones digitales. En nuestro estilo de la operación, es más fácil pensar en las diez salidas que como son de 1 a 10.

Usted notará que hay dos etiquetas de alfiler con las cuales no nos hemos encontrado antes, a saber, el alfiler "Llevar" “y el Reloj Permiten” alfiler. Éstos permiten que nosotros usemos varias de estas patatas fritas en fila para dar un mucho más grande “se dividen - por” el número. El “Reloj Permite” alfiler puede ser usado para bloquear la entrada de reloj. La operación parece a este:


En este ejemplo, la secuencia es comenzada por el alfiler Reinicializado dado una alta tensión como mostrado por el sombreado verde. Este empuja la salida fijan 1 a una alta tensión y todas las otras salidas a un voltaje bajo y sostiene aquellos voltajes mientras el voltaje reinicializado es alto.

Cuando las caídas de voltaje Reinicializadas, el siguiente borde creciente del pulso de reloj (marcó “1” en el diagrama) hacen que la salida 1 vaya bajo y la salida 2 para ir altas. Cada uno del reloj sucesivo palpita “2” "a 9" movimientos la alta tensión constantemente a lo largo de las salidas hasta que la salida fije 10 es alto.

El siguiente pulso de reloj borde creciente (marcó “10” en el diagrama) comienza la secuencia otra vez con salida 10 yendo bajo y salida 1 yendo alto otra vez. Si nada se cambia, entonces aquella secuencia de cambios de voltaje de salida seguirá indefinidamente.

Sin embargo, en el diagrama encima, el Reloj Permite el voltaje de alfiler es conducido alto en el pulso de reloj “11”. La salida 2 acaba de ir alta y habría ido bajo cuando el borde creciente del reloj palpita “12” ocurrió, pero en este caso, el Reloj Permiten el rasgo bloquea el pulso de reloj y lo impide alcanzar el resto de la circuitería. Este hace la salida que 2 voltaje se quede alto mientras el Reloj Permite permanece alto. En este ejemplo, el Reloj Permite permanencias de voltaje altas para sólo un pulso de reloj, causando la salida 2 voltaje ser alto para dos veces esto es la longitud habitual, y luego la secuencia sigue como antes.

Aquí está un modo de ponerse un grande “se dividen - por” el número. Este ejemplo es divide-by-25 porque hay sólo una ‘etapa intermedia’, pero puede haber cualquier número y cada uno el adicional añade otras ocho salidas al total:


En el arranque, la salida 10 de la primera etapa (que es el alfiler físico 11 del circuito integrado) está en un voltaje bajo. Este cree que el Reloj Permite (fije 13) bajo, permitiendo a los pulsos de reloj entrar en la primera etapa. Como la salida 10 voltaje es bajo, una entrada al primer y puerta es sostenida bajo, impidiéndole dejar al flujo de pulso de reloj por ello, es decir "la puerta" está cerrada al tránsito.

El primer circuito integrado de etapa entonces hace funcionar salidas tan normales, productoras 1 a 9 a fin de como usted esperaría. El siguiente reloj pulsa stes la primera salida de etapa 10 alto, permitiendo a los pulsos de reloj por el primer y puerta y creyendo que el Reloj Permite (fije 13) alto, que por su parte cierra con llave la salida 10 alto, dejando caer el primer circuito integrado de etapa de la operación.

Como la salida 1 de la primera etapa está relacionada con el Reinicializado (fije 15) del segundo circuito integrado, habrá sido limpiado y esto es la salida 1 juego alto, que por su parte Reinicializa la tercera viruta y cierra el segundo y la puerta. De este modo, cuando el primer pulso pasa al segundo circuito integrado, esto lo empuja de 1 estatal a declarar 2 donde la salida 2 va alta. Por esta razón, salida 1 del segundo circuito integrado no es una de las salidas que pueden ser usadas por lo que después de circuitería usted decide unir a este sistema. Por consiguiente, sólo ocho de las diez salidas del segundo circuito integrado están disponibles como salidas contrarias. Es decir las salidas 1 y 10 son tomadas en el paso de la secuencia de conmutación entre varios circuitos integrados en la cadena.

El mismo se aplica a todo después de circuitos integrados en la cadena, cada uno extra circuitos integrados que ascienden a ocho salidas secuenciales suplementarias. En el circuito integrado de etapa final, si usted une el alambre Reinicializado rojo (que vuelve para encender la primera viruta otra vez) a la salida 9 en vez de la salida 10 del circuito integrado final, entonces usted consigue un resultado de dividia-por-24.

Si el Reinicializado es tomado de la salida 8 de la viruta final, entonces usted consigue un resultado de divide-by-23, etcétera. Usando este método, usted puede tener dividir - por el recorrido para cualquier número que usted quiere. Estos circuitos integrados son muy populares y entonces su coste es bajo, amking el recorrido entero barato para hacer. Las uniones de alfiler para EL y puertas son mostradas aquí:


La PIC Revolución. Durante los años, hubo avances en el camino que la circuitería puede ser reunida, prototipos construidos y probados. Al principio, "las válvulas" "o tubos de vacío" fueron usadas y el recorrido requirió mucho del poder eléctrico a fin de funcionar. Los vibradores mecánicos "o las cañas" fueron usados para generar la conmutación tenía que convertir la corriente continua en la corriente alterna. Entonces el transistor se hizo extensamente disponible y el transistor sustituyó la caña de vibrador mecánica, el recorrido llamado un "astable multivibrador" y comprende de dos transistores puestos instalación eléctrica espalda contra espalda (como descrito en el capítulo 12). Entonces vino el circuito integrado digital con es, "NI puertas" que también podrían ser puestas instalación eléctrica espalda contra espalda para hacer un multivibrador. Este fue hecho tan a menudo que un circuito integrado especial llamó "el 555 circuito integrado" fue diseñado para hacer el trabajo todos solo. Aquel circuito integrado ha sido un éxito tremendo y es encontrado ahora en todas las clases del recorrido diferente, siendo muy fácil de usar, muy robusto y muy barato. Sorprendentemente, la posición dominante "del 555" el circuito integrado está siendo desafiado por un tipo completamente diferente del circuito integrado, uno que es esencialmente, una computadora en un circuito integrado solo, y que es llamado un PIC regulador ".

Este nuevo tipo del circuito integrado no es caro, es fácil de usar, y puede ser cambiado para realizar una tarea diferente en sólo unos segundos. Esto puede realizar tareas de cronometraje. Esto puede actuar como un multivibrador. Esto puede actuar como un circuito integrado "Divide-by-N". Esto es un circuito integrado muy impresionante que es muy útil. La razón que lo menciono aquí está porque está en el corazón del funcionamiento más rápido Tesla Cambian el foro de investigación ("el foro enérgico" grupo). El circuito integrado es algo que usted tiene que saber sobre cuando esto asumirá ciertamente cada vez más aplicaciones de recorrido en los años próximos.

Hay una familia entera de estos circuitos integrados de procesador, pero seleccionaré sólo un para esta descripción, y será el que es usado por "el foro enérgico" miembros, y tengo que agradecer a Jeff Wilson por su ayuda en la descripción de esta circuitería, la programación y los métodos que él usa.

Primero, sin embargo, alguna información en este nuevo diseño de circuito integrado y los métodos usados con ello. El que usado por Jeff es llamado el "PICAXE-18X" y esto parece al circuito integrado mostrado aquí. De que usted puede ver, mira justo como cualquier otro circuito integrado, aunque con dieciocho alfileres. La interpretación poderosa viene del camino que esto funciona. Usted es probablemente familiar "con el 555" circuito integrado y entiende que esto funciona cambiando el voltaje en sólo uno de esto es alfileres (fije 3) el alfiler de salida, de un voltaje bajo a una alta tensión. El PIC circuito integrado puede hacer esto también, pero aún mejor de todos modos, esto tiene más de un alfiler de salida y esto puede cambiar el voltaje en cualquiera de aquellos alfileres a un alto o a un voltaje bajo y esto puede hacer esto en cualquier orden y con cualquier cronometraje que usted elige. Este lo hace un circuito integrado muy versátil en efecto y uno que es muy bien satisfecho para ser el regulador central para un ambiente de prueba de Interruptor de Tesla.

El circuito integrado es usado poniéndolo instalación eléctrica en un recorrido en la misma clase del camino que un 555 circuito integrado sería usado, salvo que la PIC tiene esto es el propio reloj de cronometraje interno y puede funcionar en intervalos de milésimoo de un segundo, es decir un milisegundo.


Los ocho primeros alfileres son para hacer el trabajo de circuito integrado. Los siguientes dos son para proveer el circuito integrado del poder eléctrico. El fondo ocho alfileres son salidas separadas, cualquiera de las cuales puede hacer funcionar interruptores, temporizadores, etc., como la salida de un 555 circuito integrado puede. Habiendo sido llamado por la gente de computadora, en vez de los ocho alfileres de salida numerados de 1 a 8 cuando cualquier persona racional haría, ellos los han numerado de 0 a 7.

El voltaje en aquellos alfileres de salida será Alto o Bajo. La PIC conmutación puede ser usada con una amplia variedad de diseños de energía libre diferentes. El PIC circuito integrado es generalmente suministrado de un enchufe, un cable conectador y un programa para alimentar instrucciones en ello. La comida es generalmente de un ordenador personal ordinario. Las instrucciones de programación son muy simples y alguien puede aprender a usarlos en sólo unos minutos.

Entonces vaya a mirar un recorrido que ha sido usado por Jeff cuando él prueba la circuitería de prototipo. La primera parte del recorrido es para unir el enchufe de ordenador personal estándar al PIC circuito integrado y esto parece a este:


Un enchufe de computadora de 9 alfileres estándar tiene esto es el alfiler 2 relacionado con el alfiler de la PIC 2, fijar 3 relacionado con el alfiler de la PIC 3 vía 10K / par de resistencia de separator de voltaje de 22K (que baja el voltaje de señal entrante), y el alfiler 5 está relacionado con el alfiler de la PIC 5. Es todo que esto es necesario para alimentar la información en la viruta de PIC.

La viruta es suministrada de una batería de 12 voltios, pero cuando esto necesita un suministro de 5 voltios, los 100 / 150 ohmios (2 vatio) el par de resistencia es usado para dejar caer 12 voltios abajo a aproximadamente 7 voltios y luego el diodo Zener de 5.1 voltios sujeta con abrazaderas el voltaje en 5.1 voltios, que es sólo lo que la viruta necesita. 10 nF diminutos (0.01 microfaradio) el condensador debe atrapar allí cualquier punto de voltaje deberían alguno ser recogido de alguna influencia exterior. Finalmente, el interruptor de botón de prensa usado a corto entre alfileres 4 y 5 es usado para borrar el programa dentro de la PIC, lista para un nuevo programa a ser cargado.

La programación actual no es difícil y la comida en la viruta es manejada por el programa suministrado de la viruta y que es dirigido en su ordenador personal. Vaya a tomar un ejemplo. Suponga que queremos que la salida en el alfiler 10 actúe como una señal de reloj. La gente que hizo la viruta esperar que alfiler ser llamada "Salida 4" en el programa. Por favor no pregúnteme por qué no es llamado "10" en el programa cuando no tengo responden de usted además "de esto toma todas las clases de las personas para hacer un mundo".

Bien, suponga que queremos producir una señal de salida como una 555 viruta que corre en 50 Hz. Elegimos uno de nuestros alfileres de salida, supongamos, el alfiler físico 10, aquel siendo el alfiler de mano de derecho de fondo en la viruta. Cuando usted puede ver del diagrama de alfiler de la viruta mostrada encima, fijar 10 es llamado "Salida 4" en un juego de órdenes, o sólo "4" para salvar la mecanografía. El programa podría ser:

Main:
high 4
pause 10
low 4
pause 10
goto Main

¡¡Wow - materia realmente difícil!! ¡Sólo un genio podría poder al programa! Bien, veremos si podemos luchar junto con esta materia "difícil".

El "Main:" en el principio es "una etiqueta" que puede ser brincada a y esto es hecho por el orden "goto Main" que devuelve la viruta para repetir las órdenes en el lazo indefinidamente (o hasta que la viruta sea impulsada abajo).

La segunda línea "high 4" dice al circuito integrado poner el voltaje posible máximo el "Salida 4" que es el alfiler físico 10 del circuito integrado. El circuito integrado hace este inmediatamente, sin la tardanza de tiempo.

Si queremos que la salida dé una señal de salida de 50 Hz, entonces el voltaje en nuestro alfiler de salida elegido tendrá que ir alto, pausa, vaya bajo, pausa y vaya alto otra vez, 50 veces cada segundo. Como hay 1,000 milisegundos en un segundo, y las carreras de reloj del circuito integrado con 1 milisegundo hacen tictac, entonces necesitamos nuestro ciclo completo de ", pausa, abajo, pausa" para pasar 50 veces en aquel 1,000 reloj hacen tictac. Es decir una vez cada 20 hace tictac, entonces cada tardanza será 10 reloj hace tictac mucho tiempo.

La tercera línea "pause 10" dice al circuito integrado sentarse en esto es manos y no hacer nada para los siguientes 10 hace tictac de esto es el reloj interno (que señala 1,000 veces por segundo).

La cuarta línea "low 4" dice al circuito integrado bajar el voltaje de salida en es "Salida 4" (fije 10 en la verdadera vida) a esto es el valor mínimo.

La quinta línea "pause 10" dice al circuito integrado esperar 10 milisegundos antes de hacer algo más.

La última línea "goto Main" dice a la computadora volver a la etiqueta "Main:" y siga con cualesquiera instrucciones siguen aquella etiqueta. Este pone el circuito integrado en 'un lazo infinito' que lo hará generar aquella forma de onda de salida continuamente. La salida parecerá a este:


Este da un hasta forma de onda, es decir un con una proporción de Señal/Espacio de 50:50 o un Ciclo de Deber del 50 %. Si queremos el mismo precio de la pulsación, pero un Ciclo de Deber de sólo el 25 % entonces el programa sería:

Main:
high 4
pause 5
low 4
pause 15
goto Main

que produce esta forma de onda:


Si usted quisiera "Salida 7" (alfiler físico 13) hacer el revés de este al mismo tiempo - es decir cuando la Salida 4 va alta queremos que la Salida 7 vaya bajo, y viceversa, entonces, para un Ciclo de Deber del 20 % el programa sería:

Main:
high 4
low 7
pause 4
low 4
high 7
pause 16
goto Main

Estos voltajes de salida son usados entonces de exactamente el mismo modo que los voltajes de salida en el alfiler 3 de una 555 viruta, o cualquiera de las salidas de puertas NAND, sensores de Hall-effect, gatillos de Schmitt, o tal. Si el dispositivo para ser impulsado requiere muy poca corriente, entonces el método más fácil es unir la carga directamente al alfiler de salida.

Si, como es el más a menudo el caso, el dispositivo para ser impulsado necesidades una corriente grande para hacerlo trabajar, entonces el voltaje de salida es usado para impulsar un transistor, quizás como este:


Aquí, la resistencia "R1" limita la corriente alimentada en la base del transistor cuando el alfiler 10 va alto, pero permitiendo a bastante corriente para el transistor encender totalmente, impulsando la carga. La resistencia "R" se asegura que el transistor apaga totalmente cuando la salida en el alfiler 10 va bajo. El recorrido como mostrado restringe la carga a algún pedazo del equipo que puede funcionar en sólo cinco voltios, entonces un recorrido alternativo podría ser:


Este permite cualquier voltaje la carga tiene que ser aplicada a la carga, mientras el circuito integrado PIC permanece correr en esto es el suministro de 5 voltios normal. Sin embargo, el equipo para ser impulsado puede no ser capaz de tener una unión de voltaje cero común con el PIC. Para tratar con este, una viruta de aislamiento óptica puede ser usada como este:


Aquí un voltaje de salida alto en el alfiler 10 del circuito integrado PIC iluminan el Fotodiodo dentro del opto-aislador, causando a un comandante pasa a la resistencia entre los otros dos alfileres. Este hace que una corriente controlada por la resistencia "R" sea alimentada en la base del transistor, encendiéndolo e impulsando la carga.

Recientemente, se ha introducido un chip programable muy popular. Se llama el "Arduino" y es rápido, versátil y muy popular entre los experimentadores. Hay un amplio conjunto de lengua inglesa Video Tutoriales en el chip de Arduino, el primero de la serie de Jeremy Blum es aquí. La Junta se ve así:




Los condensadores.   Nosotros hemos evitado mencionar los condensadores en cualquier detalle como él no ha sido necesario para entender la circuitería cubierta hasta ahora. Los condensadores entran en muchos tamaños, tipos y hechuras. Su tamaño es declarado en los Faradios de ‘' pero cuando el Faradio es una unidad muy grande, usted es improbable encontrar un condensador marcado en algo más grande que un microfaradio que es un millonésimo de un Faradio. El símbolo para un microfaradio es el mu-F dónde el mu de ‘' es la carta del alfabeto griego. Éste es un dolor para la producción del texto normal como las cartas griegas hagan no ocurra en su medio conjunto de caracteres. Algunos diagramas del circuito pierden el interés en el mu de ‘' y simplemente lo escribe como mF que se parece el mu-F ligeramente mis-impreso donde el descender del mu no ha imprimido.

Sin embargo, condensadores muy grandes como que usted puede encontrar el rango quizá de 5,000 microfaradios a tanto 20,000 microfaradios. Los condensadores grandes van de 10 microfaradios a 5000 microfaradios. Condensadores medianos corridos de 0.1 microfaradio a aproximadamente 5 microfaradios y los condensadores pequeños son aquéllos debajo de 0.1 microfaradio.

1000 nanofaradios (“nF‘') = 1 microfaradio
1000 picofaradios (“pF‘') = 1 nanofaradio

Así:

Pueden escribirse 0.01 microfaradio como 10nF
Pueden escribirse 0.1 microfaradio como 100nF
0.1nF puede escribirse como 100pF

Los condensadores más grandes que 1 microfaradio tienden a ser polarizó. En otros términos, el condensador tiene un ‘+ el conector de ' y un ‘- el conector de', y le importa qué ronda de la manera usted conecta él. Los condensadores más grandes tienen un voltaje que tasa y esto no debe excederse como el condensador puede dañarse y posiblemente incluso totalmente destruido. Pueden sumarse los condensadores, pero sorprendentemente, ellos agregan de la manera inversa a las resistencias:


Si se alambran dos condensadores en la serie, como mostrado en Ejemplo 1 sobre, la capacidad global está reducida mientras el voltaje que tasa los aumentos. La reducción en el capacitancia se da por:

1/Ct = 1/C1 + 1/C2 + 1/C3 +.....

En Ejemplo 1, entonces, 1/total capacitancia = 1/100 + 1/100 o 1/Ct = 2/100 o 1/Ct = 1/50 así que el capacitancia global reduce de 100 microfaradios a 50 microfaradios. A la ventaja alambrando los condensadores le gusta esto es que el voltaje tasando ha aumentado ahora a 32V (16V por cada uno de los condensadores).

En Ejemplo 2, el capacitancia global ha reducido a un tercero de 100 microfaradios pero los voltaje tasando ha triplicado.

En Ejemplo 3, los condensadores se alambran en paralelo. El voltaje tasar está inalterado pero el capacitancia global es ahora la suma de los tres condensadores, a saber 300 microfaradios.

No hay necesidad por los condensadores tener los valores similares, allí se muestra meramente así en los ejemplos hacer la aritmética más fácil y no distraerlo de las maneras en que los condensadores actúan recíprocamente juntos.

De vez en cuando, un circuito necesita un condensador grande que no se polariza. Esto puede proporcionarse poniendo dos condensadores polarizados atrás parte de atrás-a así:


Cuando los condensadores se conectan esta manera, no le importa qué extremo del par se conecta al lado positivo del circuito y qué al lado negativo.

El tiempo ha venido para una advertencia seria: los voltajes Altos son mismos, muy peligrosos. No se ponga tan familiar con ellos que usted los trata por accidente. Los voltajes altos pueden matarlo. Los condensadores son capaces de edificio a los voltajes altos y algunas hechuras buenas pueden sostener el cargo durante varios días.

En particular, no intente hacer los ajustes a, o tome las partes de, el dentro de un juego de la TELEVISIÓN. Un negro y blanco TELEVISIÓN puesta usa 18,000 Voltios en los bobinas magnéticos creaba el cuadro mudanza en el tubo. Un condensador dentro del juego puede tener bien ese voltaje en él tres días después de que el juego fue usado en último lugar. No engañe alrededor dentro de un juego de la TELEVISIÓN, podría matarlo rápido, o si usted es muy desafortunado, podría dañarlo para la vida. Una TELEVISIÓN del color puesta usa 27,000 Voltios para operar los bobinas dentro de él y eso lo freirá en tiempo de la giga si usted lo toca.

También, por favor no piense que usted está seguro si usted no lo toca realmente; 27,000 voltios pueden saltar por un hueco a su mano. Si usted intenta descargar un condensador de la TELEVISIÓN que usa un destornillador de metal con un asa de madera, por favor asegure que usted seguro médico es al corriente antes de que usted lo haga. Usted puede recibir un susto pesado a través del asa del destornillador.

Los voltajes a a 24 los Voltios deben estar bastante seguros. Sin embargo, algunos circuitos generarán los voltajes muy altos aunque la batería que maneja el circuito es el voltaje bajo. Un circuito de convertidor de fuera de-el-estante normal produce 240 Los voltios el CA de una 12 Voltio batería. Simplemente porque la batería es sólo 12 Voltios que no significa que el circuito es no peligroso. Circuitos que tienen los inductores en ellos pueden producir los voltajes altos, sobre todo si ellos contienen los condensadores grandes. El voltaje que produce la chispa en su artefacto del automóvil es muy alto y viene del El 12-voltio la batería del automóvil. ¡Usted sabe bastante ahora sobre esto, para que presta la atención!


La materia más avanzada:
Usted no tiene que molestarse con esta sección si usted comienza sólo con un poco de recorrido de conmutación básico del tipo ya descrito en este seminario, tan por favor siéntase libre de saltar esta sección y movimiento “a la sección” de Construcción de Prototipo que usted encontrará inmediatamente útil.

Esta sección es una introducción ligera a recorrido de Corriente Alterna y recorrido de corriente continua pulsado. Déjeme acentuar otra vez que me autoenseñan principalmente y entonces este es sólo una introducción general basada en mi entendimiento presente.

La Corriente alterna, generalmente llamada "CA" es llamada esto porque el voltaje de este tipo del suministro de energía no es un valor constante. Una batería de coche, por ejemplo, es la corriente continua y tiene un voltaje justamente constante por lo general aproximadamente 12.8 voltios cuando en esto ha cobrado totalmente el estado. Si usted une un voltímetro a través de una batería de coche y lo mira, la lectura de voltaje no se cambiará. El minuto después del minuto esto dice exactamente el mismo porque esto es una fuente de corriente continua. Si usted une un voltímetro de corriente alterna a través de un suministro de energía de CA, esto también dará una lectura estable, pero esto dice una mentira. El voltaje se cambia todo el tiempo a pesar de aquella lectura de metro estable. Lo que el metro hace asume que la forma de onda de CA es una onda sinusoidal como este:


y basado en aquella asunción, esto muestra una lectura de voltaje que es llamada “la Raíz el Cuadrado Medio” o el valor de "RMS". La dificultad principal con una onda sinusoidal es que el voltaje es voltios bajo cero durante exactamente el mismo tiempo que está encima de voltios cero, tan si usted hace un promedio de ello, el resultado es voltios cero, que no es un resultado satisfactorio porque usted puede conseguir un choque de ello y entonces esto no puede ser voltios cero, pase lo que pase el promedio aritmético es.

Para terminar este problema, el voltaje es miles medidos de tiempos por segundo y los resultados cuadrados (es decir el valor es multiplicado por sí mismo) y luego hacen un promedio de aquellos valores. Este tiene la ventaja lo que cuando el voltaje es dice, menos 10 voltios y usted cuadrado ello, la respuesta es más 100 voltios. De hecho, todas las respuestas serán positivas, el que significa que usted puede añadirlos juntos, hacer un promedio de ellos y conseguir un resultado sensible. Sin embargo, usted termina con un valor que está lejos demasiado alto porque usted cuadró cada medida, y entonces usted tiene que tomar la raíz cuadrada de aquel promedio ("o medio") valor, y es donde la imaginación que parece “la Raíz el " nombre Cuadrado Medio viene de – usted toma la raíz (cuadrada) del (promedio o) el valor medio de las medidas cuadriculadas.

Con una onda sinusoidal como este, los picos de voltaje son el 41.4 % más altos que el VALOR EFICAZ del cual cada uno habla. Este significa que si usted alimenta la corriente alterna de 100 voltios por un puente de rectificador de cuatro diodos y lo alimenta en un condensador el voltaje condensador no será la corriente continua de 100 voltios pero en cambio esto será la corriente continua de 141.4 voltios y usted tiene que recordar esto eligiendo la posición de voltaje del condensador. En aquel caso yo sugeriría un condensador que es hecho para hacer funcionar con voltajes hasta 200 voltios.

Usted probablemente ya sabía todo esto, pero esto puede no haberle ocurrido que si usted usa un voltímetro de corriente alterna estándar en una forma de onda que no es una onda sinusoidal, que la lectura en el metro con la mayor improbabilidad será correcta o en todas partes cerca correcta. De este modo, por favor no una alegremente un voltímetro de corriente alterna a través de un recorrido que produce puntos de voltaje agudos como, por ejemplo, una de la batería de John Bedini que pulsa el recorrido, y pensar que el metro leyendo medios algo (además del sentido que usted no entiende lo que usted hace).

Usted habrá aprendido, con esperanza, que el poder en vatios es determinado multiplicando la corriente en amperios por el voltaje en voltios. Por ejemplo, 10 amperios de la corriente corriente de un suministro de energía de 12 voltios, representa 120 vatios del poder. Lamentablemente, esto sólo sostiene verdadero para el recorrido que funciona en corriente continua, o recorrido de corriente alterna que tiene sólo resistencias en ellos. La situación se cambia para el recorrido de corriente alterna que tiene componentes no resistivos en ellos.

El recorrido de este tipo con el cual usted probablemente se encontrará es el recorrido que tiene bobinas en ellos, y usted tiene que pensar en lo que usted hace cuando usted trata con estos tipos del recorrido. Por ejemplo, considere este recorrido:


Este es la sección de salida de un prototipo que usted acaba de construir. La entrada al prototipo es la corriente continua y mide en 12 voltios, 2 amperios (que es 24 vatios). Su voltímetro de corriente alterna en la salida lee 15 voltios y su amperímetro de corriente alterna lee 2.5 amperios y usted está encantado porque 15 x 2.5 = 37.5 que parece mucho más grande que los 24 vatios del poder de entrada. Pero, justo antes de que usted va yéndose corriendo para anunciar en YouTube que usted ha hecho un prototipo con COP = 1.56 o el 156 % eficiente, usted tiene que considerar los verdaderos hechos.

Este es un recorrido de corriente alterna y a menos que su prototipo produzca una onda sinusoidal perfecta, entonces la lectura de voltímetro de corriente alterna será sin sentido. Es posible sólo que su amperímetro de corriente alterna sea uno de los pocos tipos que pueden medir exactamente la corriente pase lo que pase la clase de la forma de onda le es alimentada, pero es claramente posible que esto sea un metro digital que tasa corriente midiendo el voltaje de corriente alterna a través de una resistencia en serie con la salida, y si es el caso, esto asumirá probablemente una onda sinusoidal. Las probabilidades son que ambas lecturas se equivocan, pero van a tomar el caso donde tenemos grandes metros que leen los valores perfectamente correctamente. ¿Entonces la salida será 37.5 vatios, verdad? Bien, realmente, no esto no va a. La razón de este es que el recorrido alimenta la cuerda de transformador que es un bobina y los bobinas no trabajan así.

El problema es que, a diferencia de una resistencia, cuando usted aplica un voltaje a través de un bobina el bobina comienza a absorber la energía y alimentarlo en el campo magnético alrededor del bobina, así hay una tardanza antes de los alcances corrientes esto es el valor máximo. Con la corriente continua, este generalmente no importa muchísimo, pero con la corriente alterna donde el voltaje se cambia continuamente, esto importa muy. La situación puede ser como mostrada en este gráfico tanto del voltaje como de corriente:


Al principio, este no parece a ningún gran problema, pero esto tiene un efecto muy significativo en el poder actual en vatios. Para conseguir la 37.5 salida de vatios de la cual hablábamos antes, multiplicamos el nivel de voltaje medio por el nivel corriente medio. Pero estos dos valores no ocurren al mismo tiempo y esto tiene un efecto principal.

Cuando este puede ser un poco difícil de ver, ir a tomar los valores máximos más bien que los promedios cuando ellos son más fáciles para ver. Digamos en nuestro gráfico de ejemplo que el pico de voltaje es 10 voltios y el pico corriente es 3 amperios. Si este fuera la corriente continua los multiplicaríamos juntos y diríamos que el poder era 30 vatios. Pero con la corriente alterna, este no trabaja debido a la diferencia de cronometraje:


Cuando el voltaje alcanza su punto máximo, la corriente no está en ninguna parte cerca esto es el valor máximo de 3 amperios:


A consecuencia de este, en vez de conseguir nuestro poder máximo esperado en lo alto del pico de voltaje, el poder actual en vatios es muchísimo inferior – menos de mitad de lo que esperábamos. No tan bueno, pero esto empeora cuando usted mira la situación más estrechamente. Mire a lo que el voltaje es cuando las cruces corrientes la línea cero, es decir cuando la corriente es el cero. El poder de salida es el cero cuando la corriente es el cero pero este ocurre cuando el voltaje está en un valor muy alto:


El mismo va para cuando el voltaje es el cero. Cuando el voltaje es el cero, entonces el poder es también el cero, y usted notará que este ocurre cuando la corriente está en un valor alto:


El poder no es la corriente media multiplicada por el voltaje medio si hay un bobina implicado en el recorrido – será menos que esto por una cantidad conocida como "el factor de potencia" y le abandonaré para calcular por qué es llamado esto.

¿De este modo, cómo determina usted cual el poder es? Es hecho probando el voltaje y corriente muchas veces por segundo y haciendo un promedio de aquellos resultados combinados:


Tanto el voltaje como la corriente son probados en los tiempos indicados por las líneas rojas verticales y aquellas figuras son usadas para calcular el nivel de poder actual. En este ejemplo, sólo unas pruebas son mostradas, pero en la práctica, un número muy grande de muestras será tomado. El pedazo de equipo que hace este es conocido como un wattmeter cuando esto mide vatios del poder. La prueba puede ser hecha por cuerdas dentro del instrumento, causando un instrumento que puede ser dañado sobrecargando sin la aguja que está en todas partes cerca de la desviación llena, o puede ser hecho por prueba digital e integración matemática. La mayoría de las versiones de prueba digitales de estos metros sólo funcionan en frecuencias altas, típicamente más de 400,000 ciclos por segundo. Ambas variedades de wattmeter pueden manejar cualquier forma de onda y no sólo ondas sinusoidales.

La compañía de poder que suministra sus medidas de casa la corriente y asume que el voltaje lleno está presente todo el tiempo que la corriente está siendo dibujada. Si usted impulsa un motor eléctrico poderoso del conducto principal, entonces este retraso corriente le costará el dinero cuando la compañía de poder no lo toma en cuenta. Es posible corregir la situación uniendo uno o varios condensadores convenientes a través del motor para reducir al mínimo la pérdida de potencia.

Con un bobina (imaginación llaman el símbolo "de inductor" “L”), la operación de corriente alterna es muy diferente a la operación de corriente continua. El bobina tiene una resistencia de corriente continua que puede ser medida con la variedad de ohmios de un multímetro, pero aquella resistencia no se aplica cuando la corriente alterna está siendo usada como la corriente alterna el flujo corriente no es determinado por la resistencia de corriente continua del bobina solo. A causa de este, un segundo término tiene que ser usado para el factor corriente que controla del bobina, y el término elegido es "la impedancia". El alambre en cualquier bobina tiene una resistencia y esto se opone al flujo corriente por el bobina independientemente de si el voltaje aplicado al bobina es la corriente continua o la corriente alterna. La capacitancia entre las vueltas vecinas del alambre en un bobina, introduce un rasgo del bobina que "impide" la corriente alterna el flujo corriente por el bobina y la cantidad de aquella impedancia depende de la frecuencia del voltaje de corriente alterna aplicado al bobina.

La impedancia de un bobina depende de esto es el tamaño, la forma, método de serpentear, el número de vueltas y material principal. Si el corazón es arreglado de hierro o acero, (capas por lo general delgadas del hierro que son aisladas el uno del otro), entonces esto sólo puede manejar frecuencias bajas. Usted puede olvidar del tratar de pasar 10,000 ciclos por segundo (“Hz”) por el bobina cuando el corazón sólo no puede cambiarse esto es la magnetización bastante rápido para enfrentarse con aquella frecuencia. Un corazón de aquel tipo anda bien de las frecuencias de 50 Hz o de 60 Hz muy bajas usadas para el poder de conducto principal, que son guardados esto bajo de modo que los motores eléctricos puedan usarlo directamente.

Para frecuencias más altas, la ferrita puede ser usada para un corazón y por eso algunas radioes portátiles usan antenas de vara de ferrita, que son una barra de ferrita con una herida de bobina en ello. Para frecuencias más altas (o eficiencia más alta) el polvo de hierro encapsulado en la resina de epoxi es usado. Una alternativa no debe usar ningún material principal y esto se menciona como un bobina principal de aire. Éstos no son limitados en la frecuencia por el corazón pero ellos tienen una inductancia muchísimo inferior para cualquier número dado de vueltas. La eficacia del bobina es llamada esto es “Q” (para "la Calidad") y más alto el factor Q, mejor. La resistencia del alambre baja el factor Q.

Un bobina tiene la inductancia, y la resistencia causada por el alambre, y capacitancia causada por las vueltas que están cerca del uno al otro. Sin embargo, habiendo dicho que, la inductancia es normalmente tanto más grande que los otros dos componentes que tendemos no a hacer caso de los otros dos. Algo que puede no ser inmediatamente obvio es que la impedancia a la corriente alterna el flujo corriente por el bobina depende de a que velocidad el voltaje se cambia. Si el voltaje de corriente alterna aplicado a un bobina completa un ciclo cada diez segundos, entonces la impedancia será mucho inferior que si los ciclos de voltaje un millón de veces por segundo.

Si usted tuviera que adivinar, usted pensaría que la impedancia aumentaría constantemente cuando la frecuencia de corriente alterna aumentó. En otras palabras, un tipo de gráfico constante de cambio. No es el caso. Debido a un rasgo llamó la resonancia, hay una frecuencia particular en la cual la impedancia del bobina aumenta macizamente. Este es usado en el método que sintoniza para de la mañana receptores de radio. En los mismos primeros días cuando los componentes electrónicos eran difíciles de adquirir, los bobinas variables eran a veces usados para la afinación. Todavía tenemos bobinas variables hoy, generalmente para manejar corrientes grandes más bien que señales de radio, y los llamamos "reóstatos" y unos parecen a este:


Éstos tienen un bobina de la herida de alambre alrededor de un hueco antiguo y un resbalador puede ser marchado una barra, uniendo al resbalador a vientos diferentes en el bobina según esto es la posición a lo largo de la barra de apoyo. Las uniones de bobina son entonces al resbalador y a un final del bobina. La posición del resbalador con eficacia cambia el número de vueltas del alambre en la parte del bobina que está en el recorrido. Cambiando el número de vueltas en el bobina, cambia la frecuencia resonante de aquel bobina o. Los hallazgos corrientes de la corriente alterna ello muy, muy con fuerza para pasar un bobina que tiene la misma frecuencia resonante que la corriente alterna frecuencia corriente. A causa de este, puede ser usado como un sintonizador de señal de radio:


Si la frecuencia resonante del bobina es cambiada para emparejar aquella de una emisora de radio local deslizando el contacto a lo largo del bobina, entonces aquella frecuencia de señal de corriente alterna particular del transmisor de radio lo encuentra casi imposible de pasar el bobina y entonces esto (y sólo ello) divierte por el diodo y audífonos cuando esto fluye del alambre aéreo al alambre de la tierra y la emisora de radio es oída en los audífonos. Si hay otras señales de radio que bajan el alambre aéreo, entonces, porque ellos no están en la frecuencia resonante del bobina, ellos fluyen libremente por el bobina y no pasan por los audífonos.

Este sistema fue cambiado pronto cuando los condensadores variables se hicieron disponibles cuando ellos son más baratos y más compactos. De este modo, en vez de usar un bobina variable para templar la señal de radio, un condensador variable relacionado a través del bobina que sintoniza hizo el mismo trabajo:


Mientras el diagrama de recorrido encima es marcado “Templando el condensador” que realmente engaña completamente. Sí, usted templa al receptor de radio ajustando el ajuste del condensador variable, pero, lo que el condensador hace cambia la frecuencia resonante de la combinación de bobina/condensador y esto es la frecuencia resonante de aquella combinación que hace exactamente el mismo trabajo que el bobina variable hizo en es propio.

Este llama la atención a dos hechos muy importantes acerca de combinaciones de bobina /condensador. Cuando un condensador es colocado a través de un bobina “en la paralela” como mostrado en este recorrido de receptor de radio, entonces la combinación tiene una impedancia muy alta (resistencia a la corriente alterna flujo corriente) en la frecuencia resonante. Pero si el condensador es colocado "en serie" con el bobina, entonces hay impedancia casi cero en la frecuencia resonante de la combinación:


¿Este puede parecer a algo qué la gente práctica no molestaría con, después de todo, quién realmente se preocupa? Sin embargo, esto es un punto muy práctico en efecto. En el Capítulo 3, algunos dispositivos muy de gran potencia producidos por profesor Donald Smith son descritos. Típicamente, él usa un módulo de chofer de alumbrado de neón disponible como un modo fácil de proporcionar una alta tensión, corriente alterna de alta frecuencia fuente corriente, típicamente, 6,000 voltios en 30,000 Hz. Él entonces alimenta aquel poder en un Bobina de Tesla que es, un amplificador de potencia. El arreglo parece a este:


La gente que trata de reproducir los diseños de Profesor universitario tiende a decir que "consigo grandes chispas en el hueco de chispa hasta que yo una el bobina de L1 y luego la parada de chispas. Este recorrido nunca puede trabajar porque la resistencia del bobina es demasiado baja”.

Si la frecuencia resonante del bobina de L1 no empareja la frecuencia producida por el recorrido de chofer de alumbrado de neón, entonces la impedancia baja del bobina de L1 derribará definitivamente el voltaje del chofer de alumbrado de neón a un valor muy bajo. Pero si el bobina de L1 tiene la misma frecuencia resonante que el recorrido de chofer, entonces el L1 bobina (o la combinación de bobina/condensador L1 mostrada a la derecha, tendrá una resistencia muy alta al flujo corriente por ello y esto trabajará bien con el recorrido de chofer. De este modo, ningunas chispas, medios que la afinación de bobina es desconectada. Esto es el mismo como la afinación de un receptor de radio, conseguir la afinación incorrecta y usted no oye la emisora de radio.


La elección de componentes que no son especificados.
Algunas personas encuentran difícil de seleccionar un componente conveniente donde el componente exacto no es especificado o donde una alternativa tiene que ser seleccionada, entonces quizás unas agujas generales podrían ser provechosas. La razón por qué los valores componentes son omitidos puede estar bien porque una muy amplia variedad de valores alternativos puede ser usada y si un detalle es especificado, los recién llegados a la electrónica sienten que ellos tienen que usar aquel un valor o el recorrido no trabajará, (que no es casi nunca el caso). Por ejemplo, me han preguntado si un condensador tasado en 25V pudiera ser usado en vez del mismo condensador de valor tasado en 16V mostrado en el recorrido, al cual la respuesta es ‘sí, el más definitivamente’. La posición de voltaje inferior es adecuada y el componente más barato para comprar, pero si una de una posición de voltaje más alta está disponible, entonces puede ser usado.

Con condensadores, usted tiene que considerar el tamaño físico y uniones de alambre, la capacitancia, la posición de voltaje, y la salida. El coste y el tamaño de un condensador están directamente relacionados con esto es la posición de voltaje, y una vez que la posición de voltaje excede esto normalmente usado, el precio se alza rápidamente cuando el volumen de ventas reduce rápidamente, que por su parte, desalienta ventas adicionales. Este a veces hace que constructores de recorrido unan cadenas de condensadores más baratos juntos para hacer un condensador de alta tensión de capacidad más pequeña. En caso de constructores de Bobina de Tesla, ellos entonces pueden unir varias de estas cadenas en la paralela para incrementar la capacitancia.

Si la posición de voltaje es excedida (por lo general por una cantidad muy grande), el condensador será dañado y hacerse poner en cortocircuito, o más probablemente, un recorrido abierto. Los uno o el otro camino, esto nunca trabajará como un condensador otra vez. En un recorrido de unidad familiar, donde el condensador está siendo usado como la parte del suministro de energía al recorrido, la posición de voltaje no tiene que ser mucho más alta que el voltaje de suministro, con dicen, 16V usado para un 12V recorrido. Usted podría usar un condensador tasado en 25V, 40V, 63V, 100V o 400V y esto trabajaría perfectamente bien, pero será mucho más grande y ha costado mucho más. Pero, si usted tiene el que holgazanear y no ser usado, no hay ninguna razón por qué usted no debería usarlo más bien que pagar para comprar el otro.

Si el condensador está siendo usado en un recorrido de cronometraje donde una resistencia de valor alto se alimenta corriente a ello, entonces la salida corriente del condensador se hace muy importante. Los condensadores electrolíticos son rara vez convenientes para tal aplicación cuando ellos tienen una salida pequeña, imprevisible corriente que variará con la edad del condensador. Para el cronometraje exacto con un condensador, de cerámica, el polipropileno, mylar o tantalum debería ser usado.

La posición de voltaje para un condensador electrolítico es para la corriente continua, tan si usted lo usa para limitar corriente en un suministro de energía de corriente alterna, es decir donde los flujos corrientes por el condensador más bien que el condensador colocado a través del suministro y actúan para combatir la ondulación, el entonces gran cuidado es necesario. El condensador se calentará debido al poder que fluye por ello, y es posible para un condensador electrolítico usado de esa manera para romper 'o explotar' debido a la ebullición de electrólito. En cambio, usted tiene que usar el muchísimo más caro llenado por petróleo puede condensadores (como mostrado cerca del final del capítulo 10). Aquel estilo del uso es extraño para constructores de casa.

Con transistores bipolares, usted tiene que usar el sentido común. Suponga que se requiere que una 555 viruta de temporizador impulse un transistor que controla un réle:


Para el momento, no haremos caso del hecho que los 555 podrían conducir el relevo directamente sin la necesidad de un transistor. digamos que el relevo dibuje una corriente de 30 mA cuando relacionado a un 12V suministro. Por lo tanto, el transistor tiene que ser capaz de manejar una corriente de 30 mA. Cualquier pequeño transistor de conmutación como el BC109 o 2N2222 puede manejar fácilmente aquella corriente. El transistor también tiene que ser capaz de manejar 12 voltios. Si en la duda, busque las características de su opción del transistor en alldatasheet entrando en el nombre 'BC109' de transistor o independientemente de en la entrada ponen en una caja en lo alto de la pantalla y haciendo clic en el botón a la derecha de ello. Finalmente, esto le dejará descargar un documento pdf que especifica el transistor, y lo que le mostrará los voltajes que el transistor puede manejar. Ambos de los susodichos transistores pueden manejarse mucho más que 12V.

¿La siguiente pregunta es, ‘puede el transistor cambiar bastante rápido para trabajar en este recorrido?’ y la hoja de datos mostrará que ellos pueden encender y de un millón de veces por segundo. Cuando el relevo sólo puede encender y de unas veces por segundo, el transistor puede funcionar fácilmente bastante rápido para manejar la conmutación.

Después, tenemos que saber que tamaño de la resistencia sería conveniente. La hoja de datos también mostrará a la corriente continua la ganancia corriente del transistor. Este es por lo general marcado cuando “hfe” y para estos transistores probablemente será mínimo de, supongamos, 200. Este significa que la corriente corriente en la base del transistor tiene que ser doscien de 30 mA del relevo que es 0.15 mA. La resistencia tendrá aproximadamente 11 voltios en el alfiler 3 del 555 temporizador y alrededor de 0.7 voltios en la base del transistor cuando es cambiado totalmente en. Esto significa que la resistencia tendrá aproximadamente 10.3 voltios a través de ello cuando el relé es encendido:


¿De este modo, qué tamaño de la resistencia tendrá 0.15 mA que fluyen por ello cuando hay una gota de 10.3 voltios a través de ello? Sabemos que una resistencia de 1 kilobyte pasa 1mA por voltio y tan pasaría 10.3 mA con 10.3 voltios a través de ello. Es mucho más que necesitamos. Una resistencia de 10 kilobyte pasaría 1.03 mA que es todavía demasiado, pero ciertamente podría ser usado. Cuando esto es una resistencia, podemos usar la Ley del Ohmio: R = V / A (Ohmios iguala Voltios sobre Amperios), o R = 10.3 / 0.00015 que es 68 kilobyte. De este modo, cualquier resistencia entre 68 kilobyte y quizás 15 kilobyte debería trabajar bien.

El diodo debe proteger allí el transistor del voltaje excesivo causado por el bobina del relevo. Cuando une bobine es apagado de repente, esto genera un voltaje inverso que puede ser cientos de voltios, tirando al coleccionista del transistor lejos encima el 12V línea de suministro de energía. Cuando esto comienza a pasar, esto con eficacia invierte la dirección de diodo, permitiéndolo conducir y poner en cortocircuito aquel punto de voltaje grande:


Debido a poner en cortocircuito, el voltaje no puede ponerse un poco más alto y la corriente por el diodo no es grande, tan la mayor parte de diodos como el popular y barato 1N4001 o 1N4007 los tipos pueden ser usados.

Cuando un transistor está relacionado así y encendido, esto es con eficacia poner en cortocircuito entre es el coleccionista y el emisor, y esto coloca 12 voltios llenos a través del relevo, impulsándolo muy firmemente. Este método de unión es llamado un recorrido "de emisor común" porque todos los transistores usados tienen a sus emisores todos puesto instalación eléctrica en común a la línea 0V. Un arreglo alternativo es el recorrido "de seguidor-emisor":


Con este arreglo de recorrido, el emisor del transistor "sigue" el voltaje en el alfiler 3 del 555 temporizador. Esto es siempre un voltaje constante debajo de ello, típicamente aproximadamente 0.7 voltios. La salida del 555 temporizador tiene un máximo de aproximadamente 0.7V debajo del voltaje de suministro, y entonces esto es el valor máximo es sobre 11.3V en este recorrido. Las gotas de transistor que por 0.7V adicional, el que significa que el relevo sólo se pone sobre 10.6V a través de ello en vez del lleno 12V del suministro, el que significa que esto debería ser un relevo de 10 voltios más bien que un relé de 12 voltios.

Aquellos son los casos fáciles porque el 555 temporizador puede suministrar al menos 200 mA por esto es el alfiler de salida, guardando el voltaje de salida estable. No es el caso con el recorrido de transistor simple. Tome una situación como este:


Para trabajo de audio - preamplificadores de micrófono y otros por el estilo – la regla básica es que la corriente corriente por el primer transistor debería ser al menos diez veces la corriente requerida por la base del segundo transistor no a fin de arrastrar y deformar la forma de onda de audio.

La conmutación de relevo no es tan crítica pero el mismo principio general se aplica y la atención necesita a pagado a la resistencia de coleccionista del transistor preceeding. Por ejemplo, si la corriente corriente por el transistor precedente es pequeña, supongamos, 0.5 mA y el transistor de salida necesita 1.5 mA que fluyen en esto es la base, entonces puede haber un problema. En este recorrido, por ejemplo:


Aquí, el voltaje en el punto “A” va alto porque el primer transistor apaga y tan se hace el mismo como una resistencia de 1Meg o más. Normalmente, aquella resistencia es tanto mayor que 27 kilobyte de esto es la resistencia, que el voltaje en el punto “A” sería casi 12V, pero si usted debiera unir la resistencia “R” de sólo 1 kilobyte en el valor, entonces la situación es cambiada completamente. la base de "Tr" no puede elevarse encima de 0.7V. El primer transistor puede ser no hacen caso debido a su resistencia muy alta. Esto deja un par de separator de voltaje de resistencias, 27 kilobyte y 1 kilobyte, con 11.3 voltios a través de ellos, parando el voltaje en el punto “A” de elevarse encima 1.13V en vez del original 12V y transistor “Tr” sólo conseguirá 0.43 mA en vez de 1.5 mA que fue querido. El transistor “Tr” tiene con eficacia una resistencia de 28 kilobyte que lo alimenta corriente del 12V carril.

Una solución sería levantar la corriente por el primer transistor usando una resistencia muy más pequeña que 27 kilobyte presente. Otra opción debe bajar la entrada la exigencia corriente del transistor “Tr” haciéndolo un par de Darlington o usando un transistor con una ganancia mucho más alta.



La Construcción del prototipo
Las opciones principales por construir un circuito del prototipo son:

1. Un tablero para cortar el pan
2. Tiras humorísticas de conector de tornillo eléctricas.
3. Stripboard
4. Una tabla del circuito impresa.
  1. La unidad del tablero para cortar el pan típica consiste en una matriz de agujeros de la grapa alambrada en tiras en que el componente lleva puede empujarse para hacer un circuito. En mi opinión, ellos se evitan el mejor como él toma algún esfuerzo realmente para llevar a cabo cualquier circuito significante que los usa, algunos componentes no encajan bien en los enchufes que son pequeños bastante para tomar DIL IC empaqueta, y cuando usted consigue un circuito que trabaja bien en el tablero para cortar el pan, no hay ninguna garantía que funcionará bien cuando usted intenta moverlo a una tabla soldada permanente.


    Mientras un bordo plástico de este tipo mira como si debería ser rápido y fácil de usar, nunca lo he encontrado siendo así desde que los bordos fueron reducidos en el tamaño para tomar los alfileres estrechamente espaciados de circuitos integrados ("patatas fritas"). Es generalmente difícil presentar los componentes en el mismo modelo que el diagrama de recorrido, y si ellos no son, entonces se hace lento llevar a cabo el recorrido en la disposición de tabla de cortar el pan.

  2. La ferretería local tiene conectores de tornillo baratos que pueden ser muy eficaces. Éstos vienen a varios tamaños y los más pequeños son muy convenientes para construir la circuitería de transistor. Ellos parecen a este:


    El recorrido puede ser reunido muy fácilmente, usando estos conectores y un ejemplo podría ser una de la batería de John Bedini que pulsa el recorrido que podría tener una disposición como este:


    He construido este recorrido usando este estilo de la construcción y era muy acertado en efecto, siendo muy rápido y fácil para construir y resultó ser muy resistente y eficaz durante un período largo del uso. La tira humorística plástica tiene un agujero entre cada tira humorística de conector y esto permite que usted eche el cerrojo sobre la tira humorística a un bordo bajo en el cual usted monta otros componentes, en este caso, el bobina que palpita y el rotor con los imanes atados. Cada bloque de unión puede tomar dos o tres alambres. Los alambres tienen que hacer quitar el aislamiento y los alambres raspados limpio y brillante si ellos no están ya en aquel estado. Si más de un alambre de multihilo está siendo puesto en un lado de un conector, entonces es por lo general lo mejor enroscar los alambres juntos antes de apretar el tornillo de ajuste. Si usted quiere, usted puede dar los alambres enroscados que un abrigo delgado de solda, pero este tiene que ser hecho con esmero para evitar producir una unión que es demasiado grande para caber en el conector. Un conector puede ser cortado de la tira humorística completamente fácilmente, usando unas tijeras o un cuchillo de arte. Los conectores solos pueden afiliarse a dos alambres muy con eficacia sin la necesidad de soldarlos.

    Mientras que el alambre de gatillo de conmutación se muestra como una línea delgada en el diagrama anterior, se sugiere que es más cómodo de usar alambres de diámetro idénticos y si no está claro que es el comienzo y el final de un solo alambre, a continuación, un óhmetro puede ser utilizado para identificar los extremos. Se sugiere que los cables se colocan en una longitud larga y luego retorcidos juntos usando un taladro eléctrico. He encontrado que haciendo eso no es muy buena ya que el cable cerca de la perforación es mucho más fuertemente retorcido que el resto del alambre. Además, se necesita una considerable distancia al aire libre para estirar longitud suficiente de alambre. Si usted realmente quiere torcer los cables juntos (que no fuera inmediatamente obvio por qué querría hacer eso), a continuación, utilizar dos bobinas de alambre y torcer juntos en una longitud corta girando los carretes redonda como un par, entonces el viento la longitud trenzado a una tercera bobina o poseedor temporal similar. Ese método no necesita cables largos establecidos (que enredan y atrapan en cosas muy fácilmente de hecho), da alambres trenzados de manera uniforme y se puede preparar de sentarse en una pequeña área de trabajo. La bobina 850 de vuelta se enrolla como este:



    La primera hebra de la bobina se inicia en el punto "C" en la base de la bobina y termina en el punto "A" en la parte superior de la bobina. Esta es la bobina que acciona el motor con el punto "A" conectado a la Plus de la batería de la unidad. El segundo comienza en el punto de hebra "D" en la base de la bobina y acabados en "B" en la parte superior de la bobina con el punto "B" conectado a la resistencia de la base del transistor. Esta disposición genera un campo magnético norte en la parte superior de la bobina y que empuja contra el polo norte del imán permanente del rotor, que es el uno frente a la bobina. Una aplicación que he usado para cargar una batería de coche, la rotación de la rueda era suave dando quizá 200 a 300 pulsos por minuto a la batería. La velocidad de la rueda reducida como la carga de la batería aumenta y por lo que una mirada a la rueda mostró el estado de carga de la batería. Se recomienda que el núcleo de la bobina se compone de longitudes de varilla de soldadura revestida de cobre de diámetro 1,5 mm, pero como el cobre es altamente conductor eléctricamente, prefiero para recubrir cada varilla con pintura de esmalte para bloquear las corrientes de Foucault que de lado de alimentación de residuos.

  3. El Stripboard, ‘Veroboard’ por lo general llamado aun si no es hecho por Vero, es un método rápido y satisfactorio, aunque usted tuviera que hacer muy diminuto soldan uniones. Por favor esté consciente que los vapores de la resina ardiente soldando no están el más definitivamente bien para su salud y debería ser evitado asegurándose que la ventilación es adecuada.

  4. Una tarjeta de circuitos impresa es factible para un prototipo único y la fabricación del que aumentará sus habilidades de producción, entonces esto es también una opción razonable si usted tiene la aguafuerte y la perforación del equipo para dar. La compra de todo el equipo necesario si usted no tiene ninguno, puede costar una buena cantidad, pero las habilidades ganadas son significativas y los bordos terminados parece muy profesional.

Hay varios otros métodos de la construcción, y muchas variedades del bordo de construcción y stripboard. Stripboard simple será usado en las descripciones siguientes, aunque el método se aplique realmente a muchos estilos diferentes de la construcción.

El primer paso debe producir una disposición para los componentes en el bordo. Diseñando la provisión de disposición debería ser hecho para taladrar agujeros para permitir que el bordo completado fuera echado el cerrojo a su caso usando cerrojos y aislando pilares para guardar las uniones soldadas libres de todas otras superficies.



El diagrama del circuito del circuito ser construido es el punto de arranque. Usted podría desear dibujar una reja ligera de líneas a represente la matriz de agujeros en la tabla de la tira. Esto ayuda visualizar la carrera de las tiras cobrizas y el boceto puede hacerse mostrar el número exacto de agujeros disponible en el pedazo de tabla de la tira ser usado. La tabla de la tira se parece:


Así que usted podría desear producir un boceto del esquema el dibujo re-utilizable así:


Donde las tiras horizontales se numeran y también se numeran las líneas verticales de agujeros. En este boceto dónde las líneas cruzan, representa un agujero en la tabla. El boceto de un posible esquema físico puede prepararse entonces y podría parecerse cuando visto de la cima aunque las tiras cobrizas en la parte inferior de la tabla se muestran en el boceto:


Es muy importante al producir un boceto así, que las tiras cobrizas que constituyen el circuito no son accidentalmente usado para conectar los componentes lleve más allá a lo largo de la tabla, sin romper la tira cobriza entre, las dos secciones de la tabla. Ayuda marcar una copia del diagrama del circuito cuando usted está esbozando un posible esquema físico en la tabla de la tira. Le puede hacer gusta esto:


Aquí, los componentes sólo debajo del diodo los rodeados son mostrar que ellos han sido marcados en el boceto del esquema y, si necesario, la tira cobriza rota para aislar los componentes. Un componente valor mencionando pasando, es el condensador marcado con rojo en el diagrama del circuito. Éste es un condensador del desairando, alimentó de la 12V batería vía una resistencia y un diodo (un diodo normalmente no se usa en esta parte del circuito).

El desairando es proporcionármelos un suministro de que es bastante aislado a la 555 astilla y a chóferes el pesado actual-dibuje circuito no mostrado en esta sección pequeña del diagrama del circuito. La corriente pesada pulsando dibuja del resto del circuito es capaz de tirar el voltaje de la batería ligeramente abajo muchas veces por segundo. Esto crea una onda de voltaje en la línea del suministro positiva de la batería y sofocar la onda, la resistencia y diodo se usan a alimente un condensador del depósito grande que el alisar fuera la onda.

El propio circuito no está más allá de la crítica. El transistor ‘TR2' y sus componentes asociados son redundantes desde que ya fije 3 de la 555 astilla proporciona el signo requerido (y con la capacidad del paseo más alta) para que la segunda línea del rendimiento debe tomarse directamente de alfiler 3 de la 555 astilla. Este parte de circuito se muestra sólo aquí como un ejemplo de marcar a un diagrama del circuito al hacer un boceto de esquema de componentes.

Cuando el boceto del esquema se produce, el diagrama del circuito debe marcarse fuera de con una pluma resaltando asegurarse que cada parte del diagrama del circuito se ha copiado con éxito al boceto. En el ejemplo debajo de, no toda la tira resaltada se muestra, desde que se escapa la sección pequeña del ser de la tabla mostrada aquí:


Muchos componentes electrónicos pueden ser dañados por las temperaturas altas a que ellos se sujetan al ser soldado en el lugar. Yo prefiero usar un par de alicates largo-olidos para agarrar las primacías del componente en el lado superior de la tabla personalmente mientras haciendo la juntura de la soldadura en la parte inferior de la tabla. El calor que corre entonces a la primacía del componente se desvía en el volumen grande de metal en el par de alicates y el componente es protegido del calor excesivo. En el mismo principio, yo uso siempre un enchufe de DIL al soldar una tabla del circuito, esa manera, el calor ha disipado totalmente ante el IC se tapa en el enchufe. También tiene la ventaja que el IC puede reemplazarse sin cualquier dificultad deberlo se daña.

Si usted está usando que CMOS integró los circuitos en cualquier construcción, usted necesita evitar electricidad estática. Los niveles muy altos de figura de voltaje a en su ropa a través de cepillar contra los objetos. Este voltaje está en los miles de voltios el rango. Puede proporcionar la corriente tan pequeña que no lo molesta y usted no lo nota probablemente. Los dispositivos de CMOS operan en las tales cantidades bajas de corriente que ellos pueden muy fácilmente se dañe por su electricidad estática. Los profesionales de hardware de computadora llevan una primacía del ligación a tierra atada a sus muñecas al ocuparse de circuitería de CMOS. No hay necesidad por usted ir ese lejano. Se proporcionan los dispositivos de CMOS con sus primacías empotradas en un material dirigiendo. Déjelos en el material hasta que usted esté listo taparlos en el circuito y entonces sólo sostenimiento el cuerpo plástico del caso y no toca ninguno de los alfileres. Una vez en el lugar en el circuito, los componentes del circuito prevendrán la figura a de cargos estáticos en la astilla.

Soldar es una habilidad fácilmente-adquirida. La soldadura multe-quitada el corazón se usa para la soldadura del circuito electrónica. Este alambre de la soldadura tiene la resina de flujo contenida dentro de él y cuando fundió en una superficie de metal, el flujo quita la capa del óxido en el metal, permitiendo hacer una juntura eléctrica apropiada. Por consiguiente, es importante que la soldadura se ponga en el área de la juntura y el hierro de la soldadura puso en él cuando ya está en la posición. Si esto se hace, el flujo puede limpiar el área de la juntura y la juntura será buena. Si la soldadura se pone en el hierro de la soldadura y entonces el hierro movió a la juntura, el flujo tendrá quemado lejos antes del área de la juntura se alcanza y la juntura resultante no será buena.

Una juntura de la soldadura buena tendrá una superficie brillante lisa y tirando cualquier alambre que entra en la juntura no tendrán el efecto como el alambre se incorpora ahora sólidamente en la juntura. Haciendo un tomas de juntura de soldadura buenas sobre la mitad un segundo y ciertamente no más de un segundo. Usted quiere quitar el hierro de la soldadura de la juntura antes una cantidad excesiva de calor se encuentra con la juntura. Se recomienda que una juntura mecánica buena se haga antes de soldar al conectar un alambre a alguna forma de término (esto no es a menudo posible).

La técnica que yo uso es ponerse de pie la soldadura en el banco de trabajo y doblar el extremo para que esté inclinándose hacia abajo hacia mí. La primacía del componente ser soldado se pone en el agujero en la tabla de la tira y agarró anterior simplemente la tabla con los alicates largo-olidos. La tabla se ha vuelto al revés y el dedo pulgar izquierdo sujetaba la tabla contra los alicates. Se mueven entonces debajo la tabla y alicates la soldadura y posicionaron para que la soldadura quede en la tira cobriza, referente a la primacía del componente. La mano derecha se usa para poner el hierro de la soldadura brevemente en la soldadura ahora. Esto funde la soldadura en la juntura, mientras permitiendo el flujo para limpiar el área y produciendo una juntura buena. Después de que la juntura es hecho, la tabla todavía se está de acuerdo con los alicates hasta la juntura ha refrescado abajo.


Pruebe el Equipo
Al desarrollar la nueva circuitería, puede ser conveniente probar valores diferentes de resistencia en alguna posición en el circuito (el valor de la resistencia puede ser dependiente en la ganancia de un transistor o la resistencia real de un ORP12, o alguna tal otra situación). Para esto, es muy conveniente tener una caja del resistencia-substitución que le permite seleccionar cualquier resistencia normal al final de un interruptor.

Éstos no están prontamente disponibles en el mercado. En años pasado, era posible comprar la oblea de la costumbre cambia dónde el número de obleas podría construirse a a lo que tamaño del interruptor se requirió, pero éstos hacen no parezca estar disponible más. Un ligeramente el método menos conveniente de construcción es usar cuatro de éstos, seleccionado por un segundo interruptor de la oblea:


En el diagrama anterior, todas las resistencias en un rango (100 ohmios a 820 ohmios, 1K a 8K2, 10K a 82K o 100K a 820K) se alambra a un solo interruptor del 12-manera. El rendimiento alambra entonces que tiene cualquiera de estas resistencias normales por ellos, mientras dependiendo de la escena del interruptor. Un segundo interruptor puede usarse para seleccionar algunos de estos grupos entonces, mientras todavía usando los mismos alambres del rendimiento. Cuando embaló, podría parecerse:


También puede ser útil tener un generador señalado versátil. Usted puede construir fácilmente su propio con la frecuencia inconstante, proporción del marca/espacio inconstante y portando inconstante optativo. Si usted hace, usted podría hacerlo también con una impedancia del rendimiento baja para que pueda manejar los dispositivos directamente bajo la prueba en lugar de teniendo que proporcionar el tapando adicional. Podría parecerse:


El artículo muy esencial de equipo es un multe-metro. Éstos entran en muchas formas, tamaños y variedades y el costo varía enormemente. La fiabilidad también varía un gran trato. El más fiable y el más barato es el tipo analógico que no usa una batería (de otra manera que para la medida ocasional de resistencia). Aunque estos tipos se parecen hoy día abajo en, ellos son 100% fiable:


El metro mostrado sobre se está a 2,000 ohmios por el voltio, mientras conectándolo así a un circuito hacer una medida en el 10V rango está igual que conectar una 20K resistencia al circuito. El ermano grande de este estilo de equipo es aproximadamente cinco veces más grande y tiene 30,000 ohmios por el voltio la actuación, conectándolo así en un 10V rango es igual que conectar una 300K resistencia al circuito que es moderado. El Este uno es batería manejada, el así si usted consigue uno del éstos, que los pueda yo sugiero que usted inspeccione su exactitud una basan regular:


El non-batería muy excelente (el ex-profesional) avo miden los multe-metro todavía están disponibles a través del eBay en los precios económicos. Éstos tienen 30,000 ohmios por el voltio la actuación y son robusto y exacto, se habido construido a las normas muy altas.

Un multe-metro usa una 1.5V batería para medir la resistencia. La Ley de ohm se usa como el principio activo y el funcionamiento es:


El metro mostrado en el diagrama tiene una resistencia pequeña de su propio. Esto tiene una resistencia inconstante pequeña agregada a él. Esta resistencia inconstante tendrá un bulto pequeño montado en la cara del multe-metro, o será un bulto del roda pequeño que proyecta ligeramente del lado de la mano derecha del caso del multe-metro. La 1.5V batería se posicionará dentro del caso del multe-metro como es la 1K resistencia. Usar la resistencia va, las sondas del multe-metro están firmemente juntos emocionadas formar un cortocircuito y la resistencia inconstante ajustó para que el metro apunte para poner a cero.

Con el propósito de esta discusión, permítanos asumir que la resistencia interior del metro, cuando correctamente ajustó, es exactamente 1K. Si la resistencia bajo la prueba es exactamente 1K en el valor, entonces la corriente a través del metro, se partirá en dos y el metro mostrará media manera a una desviación de la aguja por la balanza. Si la resistencia bajo la prueba es 2K, entonces la corriente será uno que tercero y la señal de la balanza estarán en la 1/3 posición de la izquierda. Se la resistencia es 4K, habrá uno entonces quinto (1K+4K=5K) de la corriente máxima y la 4K marca será 20% del lado de la mano izquierdo de la balanza.

Dos cosas para notar: primeramente, la balanza tiene que leer del derecho a izquierda que puede tomar algunos se acostumbrado a, y segundamente, la balanza no es lineal, con las señales que se acercan juntos y por consiguiente, más difícil marcar y leer, el más alto el valor de la resistencia que es moderado. El hacer un manojo de las señales de la balanza es por qué los multe-metro más caros tienden a tener más de un rango.

Un osciloscopio electrizad de comunidad-operado es un pedazo excelente de equipo para poseer pero ellos son caros cuando nuevo. Es posible recoger uno a un precio razonable usado vía el eBay. Un osciloscopio está por ningún medios un artículo esencial de equipo. Uno de sus rasgos más útiles es la habilidad de medir la frecuencia, y despliega la forma de un forma da onda. La mayoría del forma da ondas es de forma conocida para que la frecuencia es el desconocido mayor. El metro siguiente no es caro y despliega la frecuencia de un signo en una lectura digital:


Así, cuando usted está decidiendo qué multe-metro para comprar, considere los puntos siguientes:
  1. ¿Cómo fiable está? Si usted está optando para una batería manejada la unidad, lo que pasa a la exactitud si la batería empieza a correr abajo. ¿Despliega una advertencia que las necesidades de la batería a ser reemplazadas? Los multe-metro digitales Electrizad de comunidad-operados son inteligentes pero son un problema si usted quiere hacer los dimensiones fuera del electrizad de comunidad.

  2. ¿Qué CC voltaje rangos tiene? Si usted está pensando trabajar principalmente con 12V circuitos, es inoportuno para los rangos ser 9V y 30V como los rangos sucesivos. Los metros digitales no tienen este problema ¿pero la pregunta es entonces, cómo exacto ellos van a estar en día al uso del día?

  3. Transistor que prueba las opciones usted puede ignorar - usted es bueno fuera de hacer su propia unidad especializada para verificar los transistores si usted piensa que usted alguna vez necesitará hacer esto - usted probablemente no quiere.

  4. Midiendo la corriente pueden ser muy útiles para que ve qué rangos se ofrecen.

  5. Midiendo el capacitancia es muy útil, especialmente desde que no se marcan bien muchos condensadores para indicar su valor.

  6. ¿Midiendo la frecuencia de un forma da onda podrían ser una paga extraordinaria significante pero la pregunta es; usted es cada probable para necesitarlo?

  7. Midiendo la resistencia es muy útil. Cada metro lo tiene. ¿Hay ninguna necesidad de normalmente sólo estar encima de la imaginación en los rangos de la medida como usted necesita saber la respuesta aproximada - es una 1K resistencia o una 10K resistencia?

Eche una mirada alrededor y vea lo que está disponible, cuánto cuesta y qué apelaciones a usted. No podría ser una idea mala para comprar un multe-metro muy barato y usarlo para ver durante algún tiempo si tiene cualquier limitación que es una molestia, y en ese caso, qué mejoras que usted quiere personalmente de un metro más caro.

Podría merecer la pena quiere y qué despliegues el ser actual arrastrado por su circuito de desear bobina:


Hay ninguna necesidad de gastar el dinero en una unidad elegante sin embargo, cuando usted puede construir una unidad excelente de su propio con el estabilización de voltaje, rendimiento ajustable, la corriente medida, etc., etc. Personalmente, si desarrollando un circuito a se use con una batería, yo creo que usted es bueno fuera de impulsar el desear bobina de una batería que la manera las características de la batería son incluido en cualquier prueba fuera que usted lleva.


El Font de Poder:   Si usted desea, usted puede construir un desear bobina prueba cama poder suministro sistema muy conveniente. Esto tiene la ventaja que usted puede hacerlo en el estilo más conveniente para su propio uso. Usted también puede hacer la protección extremista-sensible y construye en la circuitería adicional como el probador del transistor y caja de substitución de resistencia producir una cama de la prueba integrada. Usted podría usar un circuito quizás así:


Aquí, el poder se proporciona por un lío de baterías del Ni-sinvergüenza re-acusables o posiblemente, una unidad del electrizad de comunidad con el estabilización de voltaje. Como en los circuitos todo reales, la próxima cosa en el circuito es siempre un interruptor del liga/desliga para que la fuente de poder puede ser desconectada inmediatamente si cualquier problema debe levantarse. Luego, como siempre, viene un fusible u ola grande del circuito, para que si el problema debe ser serio, pueda desconectar el circuito más rápido que usted puede reaccionar. Si usted desea, usted puede construir su propia ola grande del circuito ajustable excelente-exacto para usar en esta posición. Los dos transistores y tres resistencias forman un rendimiento ajustable, estabilizado. El transistor de FET tiene una rendimiento poder manejo capacidad alta y un requisito de poder de entrada muy bajo y para qué es bueno para controlar el voltaje del rendimiento. La resistencia ‘VR1' está solamente relleno con la 4K7 resistencia reducir el voltaje por la resistencia inconstante. VR1 se ajusta para controlar el voltaje del rendimiento. Si la corriente dibuja se aumenta y el voltaje del rendimiento se tira ligeramente abajo, entonces el voltaje en la base del transistor de BC109 está reducido. Esto empieza a apagar el transistor, mientras levantando el voltaje al punto ‘A' que a su vez, aumentos el voltaje del rendimiento, oponiendo la variación causada por la carga.

El rendimiento se supervisa, primeramente por un miriámetro grande mostrar la corriente dibujan y segundamente, en el lado del rendimiento del miriámetro, un metro de voltio. Esto permite supervisar muy cerca del poder proporcionó al prototipo, sobre todo si el miriámetro se pone junto al prototipo. Usted puede construir este circuito en una caja llana ancha que proporciona una superficie activa al lado del miriámetro.

Al punto ‘B' en el diagrama anterior, un método por alterar el rango actual del miriámetro poniendo un ‘desvían la resistencia de' por él. Cuando el interruptor está cerrado, un poco de flujos actuales a través de la resistencia y alguno a través del miriámetro. Esta resistencia tiene un valor muy bajo, para que usted es bueno fuera de hacérselo. Digamos que nosotros deseamos doblar el rango del metro. Suelde el interruptor por el metro y para el uso de la resistencia una longitud de enmallad el alambre cobrizo hirió alrededor un pequeño anterior. Ponga una carga en el rendimiento para que el metro muestre una desviación máxima. Cierre el interruptor. Si la corriente desplegada es exactamente la mitad de lo que era, si no, apague, quite algún alambre para bajar la lectura o agregar algún alambre para levantar la lectura y repetir la prueba hasta exactamente medio la corriente se despliega. El más bajo el valor de la resistencia de la desviación, los flujos más actuales a través de él y el menos a través del metro que entonces da una más bajo lectura.


Por favor note: es muy importante tener un fusible u ola grande del circuito en el ser de poder entregó a su circuito de la prueba. Cualquier error construyendo el prototipo puede causar una corriente mayor a ser deducida del suministro y esto puede ser peligroso. Recuerde, usted no puede ver la corriente. Aun cuando usted lleva puesto un metro el actual entregándose, usted no puede notar la lectura alta. ¡La primera señal de problema puede ser los humos! Usted puede freír fácilmente el circuito que usted está construyendo si usted no tiene una seguridad corte-fuera de, así que use un fusible u otro dispositivo que limitan la corriente a dos veces lo que usted está esperando el circuito para dibujar.

¿Así, después de todos que, qué equipo usted necesita realmente? Usted necesita un hierro de la soldadura pequeño y los multe-centro sueldan, un par de alicates largo-olidos y un multe-metro. Una otra cosa es alguna herramienta para cortar los alambres y quitar al prior de aislamiento a soldar. Las preferencias personales varían. Algunas personas prefieren una de las muchas herramientas de la costumbre, algunas personas usan un cuchillo, yo uso un par de tijeras de la uña rectos personalmente. Usted escoge cualquier cosa que usted es cómodo con.

No exactamente una inmensa serie de equipo esencial. Los otros artículos mencionados no están por cualquier medio esencial así que yo sugiero que usted empiece guardando las cosas simples y usa un mínimo de vestido.

Si usted no está familiarizado con la electrónica, yo sugiero que usted consiga una copia del catálogo de Maplin o Radioshack, o de uno, de sus tiendas o vía el http://www.maplin.co.uk tejido sitio. Pase cuidadosamente por él como él lo mostrará qué componentes están disponibles, cuánto ellos costaron y a menudo, cómo ellos se usan. Pueden encontrarse las características técnicas de casi cualquier semiconductor gratuitamente a http://www.alldatasheet.co.kr en la forma de un Adobe el documento Acrobático (.pdf).

Finalmente, porque no es importante, toda la circuitería mostrada hasta ahora ha indicado corriente que fluye del + de una batería al - el término. El descubrimiento de voltaje era hecho por Volta pero él tenía ninguna manera de saber qué manera la corriente estaba fluyendo, para que él supuso. Él tenía un 50 - 50 oportunidades de hacerle derecho pero él no tuvo la suerte y lo consiguió extraviarse. La corriente eléctrica realmente es un flujo de electrones, y éstos fluyen de la batería menos a la ventaja de la batería. ¿Así, quién cuida? Casi nadie, como él ningún efecto práctico lleva puesto cualquiera de la circuitería.

Algún websites útil.

E.S.R.   para los componentes
Maplin   para los componentess
AllDataSheet   para las especificaciones del semiconductor
Cricklewood Electronics   para los componentess
Greenweld   para los componentess



El Osciloscopio:   Los usted de Si deciden el va de usted de que un investigar el nuevo equipos, los él planean y posiblemente inventa los nuevos dispositivos, el entonces un osciloscopio es útil. Permítame enfatizar de nuevo que éste no es un artículo esencial del equipo y el más ciertamente no se necesita hasta que usted esté bastante familiarizado con construir los prototipos. Es bastante fácil de leer mal las escenas de un osciloscopio y los métodos de toma del funcionamiento algunos se acostumbrado a. El libro económico “Cómo Usar Osciloscopio y Otro Equipo de la Prueba” por R.A. Penfold, ISBN 0, 85934 212 3 podrían ser bien útiles al empezar a usar un alcance de‘.

Es posible conseguir un osciloscopio al costo razonable comprando usado a través del eBay. Los alcances más buenos son ‘el rastro dual' que los medios que ellos pueden desplegar el forma da onda de la entrada y el forma da onda del rendimiento al mismo tiempo en la pantalla. Éste es un rasgo muy útil, pero porque es, el alcance que tiene esa facilidad vende a los precios más altos. El más alto la frecuencia de que el alcance puede ocuparse, el más útil es, pero de nuevo, el más alto el precio de venta. No todos los alcances se proporcionan con (el esencial) ‘prueban sondea', para que podría ser necesario comprarlos separadamente si el vendedor quiere guardar el suyo. Consiguiendo el manual para el alcance también es una ventaja decidida. Un alcance del costo bajo podría parecerse:




La Medida magnética.   Las personas que experimentan con los imanes permanentes, puede hacer uso de un instrumento que despliega la fuerza de un campo magnético. Profesionalmente los dispositivos hechos para hacer esto tienden a estar bien fuera del poder adquisitivo del medio experimentador que ya habrá gastado el dinero en los materiales para sus prototipos. Aquí es un plan para un circuito simple y barato, impulsado por cuatro AA las baterías celulares secas, y utilizando un semiconductor de Vestíbulo-efecto como el sensor:





Este plan usa un OP77GP la astilla del amplificador operacional para empujar el signo del rendimiento de la astilla de UGN3503U qué es un dispositivo de Vestíbulo-efecto. La ganancia del amplificador operacional CC-conectado es fija por la proporción de los 1K y 1M resistencias fijas mostradas sombreado en el diagrama del circuito, mientras dando una ganancia de 1,000.

El funcionamiento del circuito es simple. El seis-voltio la batería cobra el 10 condensador del microfarad que ayuda hierro fuera cualquier fluctuación de línea de suministro causado por la corriente variando dibuje por el circuito. La 10K resistencia inconstante se usa para poner el despliegue al metro del rendimiento para poner a cero cuando el dispositivo de Vestíbulo-efecto no está cercano ningún imán. La 1K resistencia inconstante es hacer allí más fácil los ajustes de afinación finos.

Cuando los UGN3503U cortan encuentra un campo magnético, el voltaje en él es el alfiler del rendimiento 3 cambios. Este cambio se magnifica mil veces por el amplificador de OP77GP. Es el rendimiento en alfiler 6 se conecta a un lado del metro del despliegue y el otro lado del metro se conecta para apuntar “UN”. El voltaje en el punto “A” está sobre la mitad el voltaje de la batería. Sería exactamente medio el voltaje si las dos 4.7K resistencias eran exactamente el mismo valor. Esto es bastante improbable como allí es una tolerancia industrial, típicamente alrededor de 10% del valor nominal de la resistencia. El valor exacto del voltaje en el punto “UN” se empareja por el OP77GP que pone a punto y para que el metro lee el cero hasta que un campo magnético se encuentre. Cuando eso pasa, el metro la desviación es directamente proporcional a la fuerza del campo magnético.


El Material Raro
Usted no necesita saber la información siguiente, tan por favor siéntase libre saltarlo y seguir a algo el resto.

La presentación mostrada sobre es basado en la vista convencional de electrónica y el poder eléctrico como enseñado en las escuelas y universidades. Esta información y trabajos de conceptos bien por diseñar y construir los circuitos, pero eso no significa que es totalmente correcto. Desgraciadamente, el mundo no es tan simple como está fuera generalmente hecho.

Por ejemplo, se dice que la corriente es un flujo de electrones que atraviesan los alambres de un circuito a la velocidad de luz. Mientras es verdad que algunos electrones realmente fluyen a través del metal de los alambres, el porcentaje pequeño de electrones que realmente hacen que, lo hace bastante despacio cuando ellos tienen que negociar su manera a través de la celosía de las moléculas de metal que constituye el cuerpo de los alambres.

A pesar de esto, cuando los liga/desliga cambian de un circuito se arroja adelante, el circuito impulsa inmediatamente a, no importa cuánto tiempo los alambres son. La razón para esto está de hecho esos flujos actuales eléctricos a lo largo de los alambres en la velocidad muy alta, pero fluye rápidamente a lo largo del exterior de los alambres, no rápidamente a través de los alambres. Uno milésimo de un segundo después de encender un circuito, los electrones que fluyen a través de los alambres tienen apenas se empezó, mientras la corriente que fluye a lo largo del exterior de los alambres ha pasado el circuito y parte de atrás:



El boceto anterior no muestra las proporciones correctamente, como el espiralado de flujo actual a lo largo del exterior del alambre los centenares de miles de tiempos deben ser más largo que mostrado que no es práctico en un diagrama.

El camino real tomado por las hechuras de flujo actuales la superficie del alambre de importancia particular, y el material de aislamiento también es de gran importancia. En años pasado, los fabricantes del alambre templaban (el fresco abajo) los alambres cobrizos en el aire. Esto creó una capa de óxido cúprico en la superficie exterior de alambres cobrizos, y esa capa dio las características diferentes al alambre que el alambre cobrizo tiene hoy. William Barbat en su patente demandas de la aplicación que la capa del óxido cúprica puede utilizarse haciendo los dispositivos con el rendimiento de poder mayor que el poder entró del usuario.

Desgraciadamente, el mundo realmente no es tan simple como eso, como poder que fluye en un circuito tiene dos componentes por lo menos. La corriente eléctrica que nosotros medimos con los amperímetros es como descrito anteriormente y a veces es llamado “caliente” electricidad como cuando fluye a través de los componentes, tiende a calentarlos. Pero hay otro componente llamado “frío” electricidad, para que nombró porque tiende a refrescar los componentes abajo cuando fluye a través de ellos. Por ejemplo, si el rendimiento alambra del dispositivo de VTA de Dulzura de Floyd era juntos los circuirte cortos, la escarcha formaría en el dispositivo debido al flujo pesado de “frío” electricidad, y consiguiendo un “el susto” de él podría dar usted hiela en lugar de una quemadura.

“Frío” electricidad no es algo nuevo, siempre ha estado allí como él es simplemente un aspecto de “electricidad.” Tiene no se investigado mucho por la ciencia convencional porque ninguno de los instrumentos medía “caliente” electricidad, reaccione a “frío” electricidad en absoluto. (Realmente, “caliente” electricidad, “frío” electricidad y el magnetismo es todos los rasgos de una sola entidad que realmente debe llamarse “el electromagnetismo”).

Ahora el pedazo espectral: “frío” electricidad no fluya a lo largo de o a través del alambre en absoluto. En cambio, fluye en el espacio alrededor del alambre, mientras posiblemente montando en el campo magnético causaron por el “caliente” actual. Thomas Henry Moray es famoso para construir un dispositivo que capturó “frío” electricidad y produjo un rendimiento de poder macizo capaz de impulsar a un organizador entero de pedazos eléctricos ordinarios de equipo. En sus muchas demostraciones públicas antes de que él se intimidara en el silencio y su equipo quebrados, él invitó a los miembros del público para traer un pedazo de vidrio ordinario con ellos. Entonces, cuando su circuito estaba impulsando una fila de luces, él cortaría uno de los alambres e insertaría el pedazo de vidrio entre los extremos cortados de los alambres. Esto no tenía el efecto notable en su circuito, con el poder que fluye alegremente a través del vidrio y en a través de su circuito, impulsando las luces así como antes de. Eso no pasa con “caliente” electricidad, pero como el “frío” electricidad no está fluyendo a través de o a lo largo de la superficie del alambre, un descanso en el alambre no es un obstáculo mayor a él.

Nosotros todavía no sabemos muy sobre “frío” electricidad. Edwin Gray el snr. Las bombillas demostradas impulsaron por “frío” el ser de electricidad sumergió en el agua. No sólo hecho las bombillas continúan operando sencillo por el agua, pero Edwin puso a menudo su mano en el agua junto con la bombilla encendida, no sufriendo los efectos enfermos de hacer para que. Ninguno de esos dos efectos es posible con electricidad convencional, tan por favor no los pruebe comprobarlo.

Otro artículo interesante es el sistema del automóvil agua-impulsado producido por un hombre americano la Nathren Armour. Su sistema, (entre otras cosas) involucra el alimento el poder eléctrico extra a las bujías. Una cosa que siempre lo ha confundido es que el artefacto no correrá con sólo una ida del alambre a la gorra de la bujía. Él tiene para tener un segundo alambre en corriendo de su suministro de poder extra al cuerpo del tapón dónde atornilla en el bloque del artefacto. Tome que alambra lejos y las paradas del artefacto. Vuélvalo a poner de nuevo y las carreras del artefacto. Pero según eléctricos convencional que el alambre posiblemente no puede necesitarse, porque el bloque del artefacto se conecta con tierra y el poder proporciona el rendimiento se conecta con tierra, para que en la teoría, no hay ninguna diferencia de voltaje entre los extremos del alambre, por consiguiente ninguna corriente puede fluir a lo largo del alambre, del alambre no se necesita y no tiene ninguna función. Bien, eso es verdad para “caliente” electricidad, pero parece posible que el Nathren Armour el sistema está usando “frío” electricidad así como “caliente” electricidad y el “frío” las necesidades de electricidades el alambre extra como una guía de flujo a la bujía.

Bastante sobre eso para ahora. Vamos uno camina más allá en el “la rareza” del mundo real. Si, hace trescientos años, usted había descrito Rayos X, los rayos gamma, la energía nuclear y la TELEVISIÓN señala a la media persona bien-educada, usted habría ejecutado un riesgo considerable de cerrarse con llave a como estar enfadado. Si usted lo hace hoy, su oyente probablemente se aburriría simplemente cuando él ya sabe todo esto y lo acepta de hecho (qué es). Por favor tenga presente eso cuando usted leyó la información siguiente. Si parece extraño y improbable, eso sólo es porque la ciencia convencional hoy está retrasándose malamente detrás de y todavía enseñando cosas que se ha demostrado concluyentemente que es hace las décadas malas.

¿Si usted vivió en un desierto y todos los días una manada de la compañía en con un camión-carga de arena y lo vendió a usted para una cantidad grande de dinero, qué usted pensaría sobre eso? ¿No un trato muy bueno para usted, " es "? ¿Qué es que usted dice, usted nunca haría eso? Pero usted ya hace, porque usted no comprende que la arena está alrededor de usted prepare en absoluto para la toma a al lado de ningún costo. Varias personas han intentado publicar el hecho, pero la compañía de arena los ha impuesto silencio inmediatamente por uno significa u otro. La compañía no quiere perder el negocio de venderle la arena y definitivamente no quiere que usted empiece escogiéndolo gratuitamente a para usted para.

Bien... para ser absolutamente justa, no es realmente arena, es la energía, y está alrededor de nosotros, libre para la toma. ¿Parezca un pedazo los Rayos X hizo hace trescientos años? No signifique que no es verdad. Es absolutamente verdad.

El plan de todas las computadoras hecho hoy es basado en las ecuaciones de Mecánicas Quantum, y mientras esas ecuaciones no son todavía ningún perfecto, ellos son fácilmente buenos bastante para los propósitos prácticos. El tocón es que el mundo visto al nivel del quantum no es mucho como el mundo que nosotros pensamos que nosotros vemos alrededor de nosotros y qué nosotros pensamos que nosotros entendemos totalmente. Examinando el mundo a las muestras niveladas quantum que nosotros vivimos en una masa hirviendo de energía increíble. Einstein es famoso para declarar esa Masa iguala una cantidad muy grande de Energía, un hecho que se muestra claramente cuando una bomba atómica se detona. Ponga en las palabras diferentes, una cantidad pequeña de materia es el equivalente de una cantidad muy grande de energía. Realmente, la Energía y Materia son dos aspectos diferentes de una sola cosa (qué podría llamarse razonablemente “la Masa-energía”).

Al nivel quantum, puede verse que las partículas de estallido de la materia en la existencia y deja caer de nuevo fuera en la energía en una base continua, por todas partes en el todo del universo. El universo entero está hirviendo con la energía. Esa energía no nos molesta más que los fastidios de agua un pez, cuando nosotros evolucionamos en este mar de energía y nosotros apenas no lo notamos. No nos daña, pero si nosotros quisiéramos, y supo cómo, nosotros podríamos usar tanto de esa energía cuando nosotros quisimos para siempre jamás. La cantidad de esa energía es increíble. Ha sido calculado que un centímetro cúbico contiene bastante energía en cualquier parte en el universo para crear todos de la materia que nosotros podemos ver en el todo del universo. Piense cuántos centímetros cúbicos hay en la Tierra... el sistema solar... nuestra Galaxia... Si cada persona en la Tierra fuera ejecutar sus vehículos, impulse sus casas, vuele sus aviones, etc., etc. durante los próximos millones de años, no haría la mella más ligera en la energía contenida en un milímetro cúbico del universo. Ésta no es una teoría, es un hecho. (Habría le gusta comprar un ¿el montón grande de arena? - Yo tengo una carga sólo aquí...). Este campo de energía grande ha ido bajo los nombres diferentes durante los años. Un nombre popular es en la actualidad el “el Campo de Energía de Cero-punto” y es responsable para todo lo que pasa en el universo. Impulsa vida él. Equilibra fuera en por todas partes equilibrio que es una razón que lo hace duro comprender que está alrededor de nosotros.

Tom Beardon es un hombre americano con las habilidades muy considerables y el conocimiento en profundidad considerable de cómo el mundo realmente opera. Sus declaraciones son generalmente basadas en criterio laboratorio-probado retrocedido a por su nivel alto de habilidades matemáticas que le dan un agarro adicional de cosas. Él explica cómo electricidad realmente los trabajos en los circuitos, y es nada como el sistema enseñado en las escuelas y universidades. Nosotros pensamos que cuando nosotros atamos una batería a un circuito eléctrico, la batería fuerza una corriente a través de los alambres del circuito. El Jefe afligido - realmente es en absoluto nada así. El poder en el circuito viene directamente del Campo de Energía de Cero-punto y tiene muy pequeño para hacer en absoluto con la batería. Nosotros tendemos a pensar de “usando a” el poder, pero eso simplemente no es posible. La energía no puede destruirse o “usó a” el más usted puede hacer a él es cambiar él de una forma a otro. Realizará “el trabajo” (el equipo de poder, genere el calor, genere el frío...) cuando cambia de una forma a otro, pero si usted invierte el proceso y lo convierte atrás a él es forma original, él, realice otra porción de “el trabajo” durante la conversión y termina atrás en exactamente el mismo estado como él empezó fuera de, a pesar de haber realizado dos muchos “el trabajo” durante el funcionamiento.

Una batería no proporciona la energía para impulsar un circuito. En cambio, lo que pasa es que la acción química dentro de la batería causa los cargos negativos para recoger al “menos” el término de la batería y cargos del positivo para reunir al “más” el término de la batería. Estos dos cerrar-juntos “los polos” de la batería se llama un “el dipolo” (dos polos opuestos cerca de nosotros) y ellos tienen un efecto en el Campo de Energía de Cero-punto que está por todas partes. El “Más” el polo de la batería causa un racimo macizo de Campo de Energía de Cero-punto los cargos negativos para arracimarse alrededor de él. De la misma manera, el “Menos” el polo de las causas de la batería una recolección maciza de ZPE (“la Energía del Cero-punto”) los cargos positivos para reunirse alrededor de él. No sólo haga estos cargos se reúnen alrededor de los polos de la batería, pero un desequilibrio en el campo de energía se crea y los cargos de ZPE continúan llegando a los polos y ellos radian fuera en cada dirección en un arroyo continuo de energía increíble.

Ahí su nueva batería brillante que se sienta allí así que, no conectó a nada y todavía causa la energía maciza vierte para radiar fuera de sus términos en cada dirección. Nosotros no lo notamos, porque la energía fluye libremente a través de nosotros y nosotros no podemos sentirlo y ninguno de nuestros instrumentos convencionales, como el metro de voltios, los amperímetros, los osciloscopio, etc., reaccione en absoluto a él.

La situación cambia inmediatamente si nosotros conectamos un circuito a la batería. El circuito proporciona un camino de flujo para la energía de ZPE para fluir a lo largo de, y una cantidad significante de flujos de energía se acerca a los alambres del circuito, mientras impulsando el circuito realmente durante un segundo hendido hasta que alcance la batería “el polo” al extremo lejano del circuito. Cuando llega allí rápidamente que limpia fuera el polo, mientras destruyéndolo completamente. El campo de ZPE se tranquiliza y la energía fluye las cesaciones. Pero nuestra batería fiel lo hace inmediatamente todo de nuevo, mientras usándolo es la energía química para crear el “el dipolo” una vez más, y el desequilibrio del campo de ZPE empieza de nuevo. Es porque la batería tiene que usarlo que es la energía química todo el tiempo, mientras creando y recreando, y recreándolo es “el dipolo” que corre abajo y en el futuro deja de poder crear el dipolo más - el resultado: ningún más poder en el circuito.

Afligido para estropear la ilusión, pero la batería nunca impulsó el propio circuito, actuó meramente como el dispositivo del canalado para el Campo de Energía de Cero-punto. En la Corriente de paso, Directa (“CC”) realmente no es una corriente continua en absoluto, pero en cambio está un arroyo de pulsos de CC en una frecuencia increíblemente alta - mucho más alto que nosotros podemos medir en la actualidad. La velocidad de los pulsos es tan grande que parece continuo a nosotros, un pedazo como los cuadros inmóviles individuales que son los marcos de una película, que parece ser una imagen mudanza a nosotros si ellos se tocan uno después el otro a una velocidad de 25 por segundo - se parece el movimiento continuo a nosotros, pero en la realidad, es una serie rápida de todavía cuadros.

La manera que una batería “el dipolo” los trabajos en el Campo de Energía de Cero-punto están más bien como la manera que una lupa actúa en la luz del sol. Se concentran los rayos del sol en un punto, enfocado por la lente. Usted puede empezar un fuego con la lente, y sería fácil pensar que la lente empezó el fuego, cuando en el hecho real, es los rayos del sol que empezó el fuego y la lente apenas influyó en una área local del grande “el campo” de luz del sol, levantando la temperatura a sólo un punto.

Mientras nosotros tendemos a pensar de un “el dipolo” generándose por una batería, el mismo efecto también se crea por un imán, si un electroimán o un imán permanente - recuerda esa electricidad y el magnetismo es dos caras de la misma entidad. Es posible, pero no fácil, para capturar la energía que vierte fuera de la interferencia con el campo de ZPE causada por los polos de un imán. Por ejemplo, Hans Coler manejó hacer esto con un dispositivo completamente pasivo que, cuando preparó correctamente, podría producir el poder eléctrico, hora después de hora de al parecer “nada” (bien, realmente, los ZPE presentan). Roy Meyers también lo hizo con su serie patentada de imanes y cinc chapa - completamente pasivo, sin las partes mudanza en absoluto, ninguna batería y ninguna circuitería.


Patrick Kelly
http://www.free-energy-info.tuks.nl



闽ICP备2022006709号