汉斯·科莱尔的装置
本帖最后由 能量海 于 2017-8-10 15:32 编辑
第九章:无源系统
汉斯•科莱尔的装置
1925年,一个叫汉斯•科莱尔(Hans Coler)的德国海军舰长发明了种COP>1的发电机。他称这种装置为“丝多姆爱兹爱达”(Stromerzeuger,德语:发电机),它凭着一块干电池的少许的一点电量而可以连续不断地提供6千瓦的电力。他被拒绝了继续开发的支持,因为那是一台“永动机”。
汉斯还发明了一种他称之为“磁流装置”(Magnetstromapparat)的无源设备。他的装置专需要非常小心而缓慢地调整,以令其运行,但当它开始后,它在一间上锁的房间内连续运行了三个月的试验。没有人——包括汉斯自己——似乎也不太确定这个装置是如何工作的,而把它放在这里,是以防万一您想要对它做进一步的研究。它由6个如下所示绕制的条形磁铁组成。当看着北极时,有些是以顺时针方向绕制的,这些称之为“右”,而那些绕制成逆时针方向的则称之为“左”:
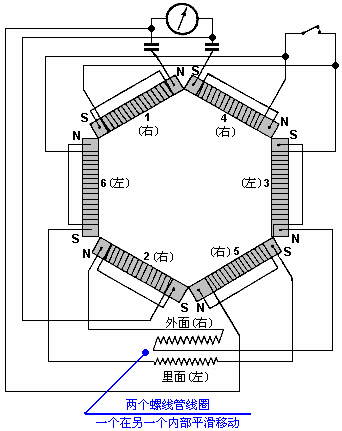
这六个磁体配置成六边形,并布线如下:
而原理图为:
这个无源装置的一个极其有趣的特征是它被目睹在数小时里产生了450 mV;它是能够增强到12伏的。目击者都相当肯定拾取的不是无线电或电源输入。那么,它拾取的是什么呢?以磁铁作为关键组分,似乎清楚地表明正在访问的是零点能量场,但显然,得到的只占可用的实际功率微乎其微的比例。
要运行设备,开关要处于打开的位置,磁体移动略有错开,而滑动线圈设置到不同的位置,使之在调整之间有一个数几分钟的等待。然后将磁铁进一步分开并再次移动线圈。重复此过程,直到在磁铁的临界分离上产生了一个电压。此时关闭开关,而过程更缓慢地继续。电压逐步达到最大值,然后无限期地维持着。仪器在房间里的位置和装置的方向对输出没影响。
磁体尽可能选择强度几乎相等的磁体,而磁体和线圈的电阻在绕制后要进行检查,以确保它们尽可能接近于相同(约0.33欧姆)。
由一个不知名的德国实验者做的科莱尔“磁流装置”的一个非常整洁的结构如下所示——这未经他的许可,因为我不知道他是谁,或者怎样联系他,请求他的允许。做工质量令人印象深刻,结果是很有专业特点的设备。注意滑行线圈安排在左下方,与一个线圈紧密定位,在另一个的里面并固定在实验者选择的适当位置上。
近日,这里http://www.kohlermagnet.com/提供了一段建造装置的视频,并一步一步地说明实施这个设计的方法。网站设计尖叫“骗子”,而最后调整显示如此明显简单和快速的方式表明这很可能作弊(通过把AAA电池嵌入到厚厚的基座板下,并在底面布线),但结构操作指南又使得这段视频还是值得一看的。从视频中已经可以看出来,从一个小灯泡到千瓦功率成比例地放大输出并非易事,而我本人怀疑这种类型的无源设备真能产生千瓦的输出功率——在12伏下你看到165安培电流需要铜导线直径要大于7毫米来承载它。
第九章:无源系统
汉斯•科莱尔的装置
1925年,一个叫汉斯•科莱尔(Hans Coler)的德国海军舰长发明了种COP>1的发电机。他称这种装置为“丝多姆爱兹爱达”(Stromerzeuger,德语:发电机),它凭着一块干电池的少许的一点电量而可以连续不断地提供6千瓦的电力。他被拒绝了继续开发的支持,因为那是一台“永动机”。
汉斯还发明了一种他称之为“磁流装置”(Magnetstromapparat)的无源设备。他的装置专需要非常小心而缓慢地调整,以令其运行,但当它开始后,它在一间上锁的房间内连续运行了三个月的试验。没有人——包括汉斯自己——似乎也不太确定这个装置是如何工作的,而把它放在这里,是以防万一您想要对它做进一步的研究。它由6个如下所示绕制的条形磁铁组成。当看着北极时,有些是以顺时针方向绕制的,这些称之为“右”,而那些绕制成逆时针方向的则称之为“左”:

这六个磁体配置成六边形,并布线如下:

而原理图为:

这个无源装置的一个极其有趣的特征是它被目睹在数小时里产生了450 mV;它是能够增强到12伏的。目击者都相当肯定拾取的不是无线电或电源输入。那么,它拾取的是什么呢?以磁铁作为关键组分,似乎清楚地表明正在访问的是零点能量场,但显然,得到的只占可用的实际功率微乎其微的比例。
要运行设备,开关要处于打开的位置,磁体移动略有错开,而滑动线圈设置到不同的位置,使之在调整之间有一个数几分钟的等待。然后将磁铁进一步分开并再次移动线圈。重复此过程,直到在磁铁的临界分离上产生了一个电压。此时关闭开关,而过程更缓慢地继续。电压逐步达到最大值,然后无限期地维持着。仪器在房间里的位置和装置的方向对输出没影响。
磁体尽可能选择强度几乎相等的磁体,而磁体和线圈的电阻在绕制后要进行检查,以确保它们尽可能接近于相同(约0.33欧姆)。
由一个不知名的德国实验者做的科莱尔“磁流装置”的一个非常整洁的结构如下所示——这未经他的许可,因为我不知道他是谁,或者怎样联系他,请求他的允许。做工质量令人印象深刻,结果是很有专业特点的设备。注意滑行线圈安排在左下方,与一个线圈紧密定位,在另一个的里面并固定在实验者选择的适当位置上。
近日,这里http://www.kohlermagnet.com/提供了一段建造装置的视频,并一步一步地说明实施这个设计的方法。网站设计尖叫“骗子”,而最后调整显示如此明显简单和快速的方式表明这很可能作弊(通过把AAA电池嵌入到厚厚的基座板下,并在底面布线),但结构操作指南又使得这段视频还是值得一看的。从视频中已经可以看出来,从一个小灯泡到千瓦功率成比例地放大输出并非易事,而我本人怀疑这种类型的无源设备真能产生千瓦的输出功率——在12伏下你看到165安培电流需要铜导线直径要大于7毫米来承载它。
