浅岗小一郎的静态发电机
本帖最后由 能量海 于 2017-8-7 03:34 编辑
第三章:静脉冲系统
浅岗小一郎的静态发电机
浅冈小一郎(Kelichiro Asaoka—音译)大约在汤姆•比尔登和他的同事获得著名的MEG专利的两年之前就收到了美国专利5,926,083。个人而言,我觉得很难理解浅冈已经获得专利,MEG专利(见附录)竟然还能够授给其他人。好吧,这里是浅冈专利的大部分内容:
摘要
静态永磁发电机包括至少一个具有不同的极点的永磁体;首个磁芯由软磁材料构成,而它与永磁体各极的耦合以形成一个闭合磁路;第二个磁芯由软磁材料构成,而它与经由顺磁材料的闭合磁路耦合,形成一个开放磁路;一个磁化线圈绕着第一个磁芯的形成了闭合磁路的部分;而一个感应线圈绕着第二个磁芯的一部分。闭合磁路的磁通的方向的改变是通过施加一个交变电压到磁化线圈,通过电磁感应在感应线圈中产生一个电动势,通过闭合磁路的磁通的方向上的变化而感应的开放磁路的磁通应引起的变化。
本发明的领域
本发明涉及一种发电机,它通过改变流过感应线圈的通量的电磁感应产生电动势。更具体地说,本发明涉及一种静态磁体发电机,它使通过感应线圈的磁体变化而无需转动电枢或电磁铁。
背景讨论
发电机目前在实际使用中如此设计,以改变流过感应线圈的磁通的电磁感应而产生电动势。通过这种方式来发电的发电机种类繁多,范围从水力发电、热能或原子能发电厂到小型的——例如使用柴油引擎的小型发电机。
在上述所有发电机设计中,转动电枢和电磁铁,以使通过感应线圈中的通量变化,从而在感应线圈里通过电磁感应产生电动势。例如,在水利发电时由水轮机的扭矩转动电枢和电磁铁,由力矩的、火力发电和原子能发电时则通过汽轮机的扭矩,以及在小型发电机里则通过柴油引擎的扭矩。
缺点:
上述这样设计的通过电磁感应产生电动势的发电机,不管有多大,都要通过转动电枢和电磁铁改变通过感应线圈的通量。这些发电机的缺点在于,电枢和电磁体在这种转动中会产生振动和噪声。
本发明的对象
本发明的目的是提供一台静态永磁发电机,没有任何产生扭矩的装置、或其它清除振动和噪声的移动件,以解决上述的各种问题。
为了解决上述问题,本发明的构成如下所述。
本发明涉及的静态磁体发电机的组成至少有一个永久磁铁,第一磁芯由软磁材料构成,通过与所述的永磁的不同的磁极的耦合而形成一个闭合的磁路,第二个磁芯由软磁材料构成,通过与经由顺磁材料形成的闭合磁路的耦合而形成一个开放磁路,一个磁化线圈绕着第一磁芯的只是闭合磁路的组成部分,而一个感应线圈绕着第二个磁芯。本发明的要点是在感应线圈里通过电磁感应产生电动势,电磁感应通过改变闭合磁路的通量的方向产生,而闭合磁路的通量则通过施加一个交变电压到磁化线圈,并通过改变由闭合磁路里的通量的方向改变而诱导的开放磁路的通量而产生。
效应:
在上述配置里,本发明涉及的静态磁体发电机包括,一个由永磁体和一个闭合磁路构成的第一磁芯,第二磁芯由经过一个顺磁材料的开放磁路构成,一个磁化线圈绕在第一个磁芯的只是组成闭合磁路的部分上,而一个感应线圈绕在第二磁路上。发电机设计成这样是为了在感应线圈里由电磁力产生电动势——通过改变第一个磁芯的通量的方向——通过施加交变电压到磁化线圈,并通过因第一个磁芯的通量的方向的改变而诱导的第二个磁芯的通量的改变。
这使得改变经由感应线圈的通量成为可能——无需产生扭矩的装置或其它移动件,并在感应线圈里通过电磁感应产生电动势,从而能够发电而不引起振动或噪音。这种发电机也可以小型化并制成廉价的。
本发明的其它的特点和优势将通过下面的描述和附图加以明确。
附图概述
本发明更完整的判断和许多伴随的优点将很容易获得,因为同样的内容,当连同附图考虑时,通过参考下面的详述变得更好理解了,其中:
图.1表示一台所涉及本发明的、有着开放磁路的静态永磁发电机的基本构造。
图.2表现了通常存在于磁化线圈中的磁通是怎样与永磁的方向相反的。
图.3表现了通常从磁化线圈里的一个在方向上与永磁相反的磁通是如何不复存在的。
图.4表现了通常存在于磁化线圈里的磁通是如何与永磁的方向相同的。
图.5是涉及本发明的静态磁铁发电机的第一个实施例。
图.6是涉及本发明的静态磁铁发电机的第二个实施例。
图.7是涉及本发明的静态磁铁发电机的第三个实施例。
图.8是涉及本发明的静态磁铁发电机的第四个实施例。
图.9是有着开放磁路的第五个实施例。
图.10是涉及本发明的、具有闭合磁路的静态磁铁发电机的基本构造。
图.11是涉及本发明的、具有闭合磁路的静态磁铁发电机的第一个实施例。
优选实施的说明
现在参见附图,其中相同的标号在所有不同的视图中表示相同或对应的部件,更具体到图.1,这里绘制出一台有着一个永磁的静态磁铁发电机的基本结构。图.2、图.3和图.4描述了静态磁铁发电机是如何在图.1中发电的。
如图中所示,构成的第一个磁芯2与永磁1耦合,而永磁1的不同的极以环状方式形成一个闭合磁路。这个闭合磁路于是装备上10微米到5毫米厚的顺磁材料的第二个磁芯3。这导致在一个开放磁路的结构中,由永磁1、第一个磁芯2的一部份、顺磁材料和第二个磁芯3组成。第一个磁芯2的只是闭合磁路的组成部分被用一个磁化线圈4绕着。第二个磁心3于是用感应线圈5缠绕,旨在通过电磁感应产生电动势。
这里,永磁1是一种具有高剩余磁通密度的磁铁,有很大的矫顽力,和一个很大的最大值磁能作为更高的发电效率。这里所用的典型材料是钕铁硼磁铁(Nd2Fe14B)、钐钴磁铁(Sm2Co17)、或钐铁氮(Sm2Fe17N2)。
第一个磁芯2和第二个磁芯3是用软磁材料制成的,有着很高的导磁率,并带有高起始、最大值、和其它的渗透率、高剩余磁通密度和饱和磁化,以及很小的抗磁力,从而使发电磁路的通量的得以有效利用。
适当的顺磁材料是那些具有特定的磁导率,可与那些真空的相媲美的材料,如空气、铜、和铝。当空气被用作顺磁材料时,即,当间隙G固定在第一磁芯2和第二磁芯3之间时,第二磁芯3是以固体顺磁材料被纳入的。图解表示带有间隙G的实施没有旨在纳入第二磁芯3的固体顺磁材料。
下面是上述配置的静态磁铁发电机是如何发电的描述。首先,当没有电压施加到静态永磁发电机的磁化线圈4时,在第一个磁芯2里形成的首个磁通11在方向上是从永磁1的N极到S极的。在这种状态下,在第二磁芯3里没有形成经由间隙G耦合的磁通。
电压可以用下述三种方式施加到磁化线圈4。在第一个电压的应用中,如图.2中所示,直流电压Vs施加到磁化线圈4, 方向上为电压排斥的永久磁铁1生成的第一个磁芯2的最先的磁通11,反之亦然,即,以这样的方式,第二个磁通12与第一个磁通11的方向相反。结果,第一个磁通11排斥第二个磁通12,反之亦然,这样,磁通更容易从闭合磁路泄漏。更容易从闭合磁路泄漏的第一磁通11和第二磁通12跳过间隙G再进入第二个磁芯3,使得在第二个磁芯3里诱导出第三个磁通13。此外,这第三磁通13的感应改变穿过感应线圈5的磁通,以在感应线圈5中产生电动势V1,从而产生能量。
下一步,除去施加到磁化线圈4的直流电压,促使第一磁芯2去尝试回到只有第一磁通11形成的状态,如图.1中所示。此时,第二磁芯3的磁通与第三磁通13的方向相反,即,图.3中所示的第四磁通14,是为了抵消第三磁通13的。然后,第四磁通14的感应改变通过感应线圈5的磁通,以使感应线圈5中产生电动势V2,致使产生能量。
能量的产生在这个第一电压的应用中可以通过涉及本发明中的静态磁体发电机实现,直流电源施加直流电压Vs给磁化线圈4,而切换电路转换直流电源开或关。如果有半导体开关装置,如晶闸管,就可以做一个无触点开关电路。
第二电压的应用与第一电压应用相同,直达第三磁通13在第二磁芯3中被感应的那个点——通过施加直流电压Vs到磁化线圈4,以产生方向上与第一磁通11相反的第二磁通12,而此处第三磁通13被诱导,在感应线圈5中产生电动势V1,从而产生能量。
接着,改变施加到磁化线圈4的直流电压的极性,通过永磁1在第一磁芯2里产生第一磁通11,以及由磁化线圈4引起的、与第一磁通同方向的第五磁通15。这里,第一磁通11得到第五磁通15,使得第二磁芯3得到第四磁通14,如图.4所示,以及第六磁通16在方向上与第四磁通14相同。此外,诱导的第四磁通14和第六磁通16改变穿过感应线圈5的磁通,以使电动势V3大于在旋转线圈中产生的电动势V2,以产生能量。
这个第二个电压的应用需要一个极性切换电路PSC,改变直流电压的极性,而不是在第一个电压应用中,开关电路转换导通和关闭施加到磁化线圈4的直流电压。这个极性转换电路可以用半导体开关器件做成,类似于第一个电压应用中的开关电路。
在第三个电压的应用中,被施加到磁化线圈4是交流电压Vs,而不是在第二个有着极性转换的电压应用里的施加直流电压到磁化线圈4。通过施加交流电压到磁化线圈4产生的磁通变为交变磁通,在图.2中的第二磁通12和图.4中的第五磁通15之间交替。于是,当产生第二磁通12时,第二磁芯3中感应的磁通是图.2中的第三磁通13,而当产生第五磁通15时,第四磁通14正试图抵消图.4中的第六磁通16和第三磁通19。即,在第二磁芯3中感应的磁通自然也变为交变磁通。
在这个第三个电压应用的发电中,交流电压施加到磁化线圈4,解决了需要开关电路或极性切换电路PSC的问题,这是在第一和第二电压应用中所需的,从而简化了设备。此外,第一磁芯2和第二磁芯3感应的磁通由交流电压诱导变成一个交变磁通,从而使发电机兼具变压器的作用——在第一磁芯2和第二磁芯3之间具有间隙G。由此可以通过在感应线圈5中的电磁感应进一步提高产生的电动势V。接着,是说明涉及本发明的静态磁铁发电机的发电效率。静态磁铁发电机可以被看作是一个变压器——如果它的永久磁铁1被移除,并有一个间隙G。
由于线圈的电阻,变压器必定有磁芯的涡流损耗We和磁滞损耗Wh、以及剩余损耗Wr。这些因素的相关公式如下:
总损耗 W1 = We + Wh + Wr . . . . . . . . .(1)
让输入为Win而输出为Wo,而Win变得等于总磁损,使得变压器的转换效率为
Eff = Wo / Win = Wo (We+ Wh + Wr) < 1 . . . . . . . . (2)
现实中,图.1里,闭合磁路由含有永磁1的第一磁芯2组成。这个永磁1的磁通因此促使能量产生。由此,图.1中,让输入为Win2而输出为Wo2,则
Wo2 = Wp + αWin2 . . . . . . . (3)
式中Wp表示功率产生于永磁1的磁通促使能量产生,而α表示当装置被当成具有间隙G的变压器时获得的转换效率。
因此,发电效率是:
Eff = Wo2 / Win2 或
Eff = (Wp / Win2) + α . . . . . . . (4)
这里,由于α<1,如果Wp / Win2>1,即,如果由永磁1的磁通而获得的能量促使能量的产生大于发电机供应到磁化线圈4的电源,发电效率变得不少于1,以使装置能显示其作为一台发电机的性能。
因此,发明人验证了下述永磁1的磁通有多少有助于图.2中的第三磁通13的感应。首先,发明人在图.1中标示了静态磁铁发电机的基本结构,一个带有永磁体1,而另一个则没有永磁体铁1。发明者于是比较各实施例的第二磁芯3诱导相等磁通密度的磁通所需的功率位准,即,提供给磁化线圈4的功率电平。结果,一个有着永磁1的实施例只需要提供非常少的功率电平给磁化线圈4。据观察,所需的功率电平不超过无永磁1的实施例的四十分之一,具体取决于测试条件。
在有关本发明的静态永磁发电机中,由此,Win2可以使其充分小于Wp,使得发明者认为有可能使Wp / Win2>1。
实施 1
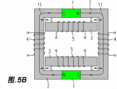
下一步,作为第一实施例,静态磁铁发电机系统由两个静态永磁发电机组成,其基本结构的描述基于图.5。
图.5A里,在静态磁体发电机中,两个永磁体1和两个第一磁芯2的结构构成一个封闭磁路,以耦合永磁体1的不同的极——这个永磁体还以环状方式有着另一个永磁体1。这个闭合磁路于是通过间隙G配备上第二磁芯3。这样便形成了由永磁1、第一磁芯2的一部份、顺磁材料和第二磁芯3组成的开放磁路。
这个开放磁路可以用两种不同的方式配置。一种设置里,如图.5A所示,开放磁路可用两个永磁1和两个第二磁芯3构成。另一种设置如图.5B所示,开放磁路可用一个永磁体1构成,而另一个可用第一磁芯2构成。图.5A和图.5B里的静态磁铁发电机在作用效果上来说没有明显不同,除了它们构成这种开放磁路的样式上的差别。
仅形成每个第一磁芯2的封闭磁路的部分用磁化线圈4缠绕着。每个第二磁芯3于是用感应线圈5缠绕,它是通过电磁感应而产生电动势的。
这个静态磁铁发电机在第一芯2中形成第一磁通11,方向从永磁1的北极到南极,没有施加到磁化线圈4的电压。此外,这个发电机施加电压到磁化线圈4并通过电磁感应在感应线圈5中产生电动势的作用,与基本配置的静态磁铁发电机相似。如上面提到的、有着两个永磁1的静态磁铁发电机与上文提到的两个永久磁铁1具有均衡的磁路。由于永磁1的磁通可以有效利用,该实施例比基本配置的静态磁铁发电机实现了更高的发电效率。
第一个实施例是基本设置的两个静态磁铁发电机的组成的静态磁铁发电机系统。同样地,静态磁铁发电机系统可以做成基本结构的三个或更多个静态磁铁发电机的组合(图.1到图.4)。在那种情况下,类似于第一实施例,可以以两种方式形成一个开放磁路。一个配置是通过所有永磁体1与第二磁芯3耦合形成一个开放的磁路。另一个是通过将每个永磁体1的北极与第二磁芯3的南极耦合,形成与永磁体一样多的开放磁路。
实施 2
接着,本发明的第二个实施例如图.6所示。
第三个实施例在图.7。
而第四个实施例在图.8。
在这些实施例中,施加电压到磁化线圈4并通过电磁感应在感应线圈5中产生电动势的作用与基本设置的静态磁铁发电机类似(图.1至图.4)。
除了在每一个实施例中的第一磁芯2的形状相当不同外,在图.6和图.7中表现的第二和第三个实施例具有与第一实施例相同的基本结构。
在第二实施例中,相对于第二磁芯3的端部的部分向着第二磁芯3的端部突出。因此,漏磁通由于第一磁通11和在第一磁芯2中产生的第二磁通12的相斥而跳越过间隙G,并且更容易进入第二磁芯3。
实施 3
第三实施例是这样设计的,与第二磁芯3耦合的部分是第一磁芯2的那个部分,是最靠近永磁1的,并且,为了缩短开放磁路,甚至进一步,两个永磁1彼此贴近。由于磁通往往以最短距离形成一个封闭磁路,漏磁通由于第一磁通11和在第一磁芯2中产生的第二磁通12的相斥而跳越过间隙G,并且进入第二磁芯3要更容易得多。
实施 4
图.8所示的第四个实施例中,与基本配置的静态磁铁发电机相反,其组成包括带有多个闭合磁路以同向导向的磁通循环配置的永磁1的第一个回路,和以磁化线圈4绕制并安装在第一回路内的第二个回路。此外,组件以其第一个磁芯2耦合第一个回路到第二个,它们相互相向突出,跨过一个规定的间隙。第一磁芯2突出的部分与第二磁芯3经由间隙G耦合在一起,以形成一个开放的磁路。这强化了永磁1的磁通,并使得它由于在第一磁芯2里生成的排斥而使漏磁通更容易跳跃过间隙G,而进入第二磁芯3。
实施 5
本发明有关的静态磁铁发电机的结构迄今已在实施例中做过描述,即一个开放磁路被连接到第一磁芯2,经由一个顺磁材料在第二磁芯3的两端。不过,本发明并不仅限于这些实施例。
即,如图.9所示,开放磁路可通过延伸第一磁芯2的任意两个部分来体现——方向上互相靠近,从而定义它们作为磁心扩展6,并经由顺磁材料6'耦合这些磁心扩展6。这个实施例可适用于上述所有的实施方案。
实施 6
如图.10所示,闭合磁路由永磁1和第一磁芯2组成成形,以用环状方式耦合所述永磁1的不同的极。这个封闭磁路于是用第二磁芯3装备,使得它达成与永磁1的磁力是平行的,从而使旁路闭合磁路由永磁1、第一磁芯2的一部份、和第二磁芯3组成。
只是第一磁芯2的闭合磁路的组成部分被用磁化线圈4缠绕着。第二磁芯3于是用感应线圈5缠绕,旨在通过电磁感应产生电动势。
上述结构的静态磁铁发电机产生功率的作用说明如下。首先,当没有电压施加到静态磁铁发电机的磁化线圈4时,第一磁芯2形成了一个方向从永磁1的北极到南极的第一磁通11。在这种状态下,磁通也与产生在第二磁通3里的类似。
实施 7
根据下面的图.11说明第七个实施例,静态磁铁发电机系统由两个基本配置的静态磁铁的发电机和以永磁的相对位置的改变而构成。
在静态磁铁发电机中,闭合磁路由两个永磁1和两个第一磁芯2组成,旨在以另一个永磁1以环状的方式耦合永磁1的其中一个的不同的极。这个闭合磁路于是用第二磁芯3装备。这导致旁路闭合磁路结构由一个永磁1、第一磁芯2的一部分、顺磁材料、和第二磁芯3组成。
每个第一磁芯2的仅仅是形成闭合磁路的部分被用磁化线圈4缠绕着。每个第二磁芯3于是用感应线圈5缠绕,旨在通过电磁感应产生电动势。
在这个静态磁铁发电机中,没有电压被施加到磁化线圈4,第一磁通11在第一磁芯2里形成,方向为从永磁1的北极到南极。施加电压到磁化线圈4并通过电磁感应在感应线圈5中产生电动势来发电的作用是与基本配置的静态磁铁发电机相似的。
在上述静态磁铁发电机中,结合两个永磁1,磁径以均衡的方式配置。这样就有可能有效利用永磁1的通量,使得发电效能高于基本结构的静态磁铁发电机。
第三章:静脉冲系统
浅岗小一郎的静态发电机
浅冈小一郎(Kelichiro Asaoka—音译)大约在汤姆•比尔登和他的同事获得著名的MEG专利的两年之前就收到了美国专利5,926,083。个人而言,我觉得很难理解浅冈已经获得专利,MEG专利(见附录)竟然还能够授给其他人。好吧,这里是浅冈专利的大部分内容:
美国专利 5,926,083 1999年7月20日 发明人:浅冈小一郎
产生电动势的静态永磁发电机
基于改变开放磁路的磁通密度
摘要
静态永磁发电机包括至少一个具有不同的极点的永磁体;首个磁芯由软磁材料构成,而它与永磁体各极的耦合以形成一个闭合磁路;第二个磁芯由软磁材料构成,而它与经由顺磁材料的闭合磁路耦合,形成一个开放磁路;一个磁化线圈绕着第一个磁芯的形成了闭合磁路的部分;而一个感应线圈绕着第二个磁芯的一部分。闭合磁路的磁通的方向的改变是通过施加一个交变电压到磁化线圈,通过电磁感应在感应线圈中产生一个电动势,通过闭合磁路的磁通的方向上的变化而感应的开放磁路的磁通应引起的变化。
本发明的领域
本发明涉及一种发电机,它通过改变流过感应线圈的通量的电磁感应产生电动势。更具体地说,本发明涉及一种静态磁体发电机,它使通过感应线圈的磁体变化而无需转动电枢或电磁铁。
背景讨论
发电机目前在实际使用中如此设计,以改变流过感应线圈的磁通的电磁感应而产生电动势。通过这种方式来发电的发电机种类繁多,范围从水力发电、热能或原子能发电厂到小型的——例如使用柴油引擎的小型发电机。
在上述所有发电机设计中,转动电枢和电磁铁,以使通过感应线圈中的通量变化,从而在感应线圈里通过电磁感应产生电动势。例如,在水利发电时由水轮机的扭矩转动电枢和电磁铁,由力矩的、火力发电和原子能发电时则通过汽轮机的扭矩,以及在小型发电机里则通过柴油引擎的扭矩。
缺点:
上述这样设计的通过电磁感应产生电动势的发电机,不管有多大,都要通过转动电枢和电磁铁改变通过感应线圈的通量。这些发电机的缺点在于,电枢和电磁体在这种转动中会产生振动和噪声。
本发明的对象
本发明的目的是提供一台静态永磁发电机,没有任何产生扭矩的装置、或其它清除振动和噪声的移动件,以解决上述的各种问题。
为了解决上述问题,本发明的构成如下所述。
本发明涉及的静态磁体发电机的组成至少有一个永久磁铁,第一磁芯由软磁材料构成,通过与所述的永磁的不同的磁极的耦合而形成一个闭合的磁路,第二个磁芯由软磁材料构成,通过与经由顺磁材料形成的闭合磁路的耦合而形成一个开放磁路,一个磁化线圈绕着第一磁芯的只是闭合磁路的组成部分,而一个感应线圈绕着第二个磁芯。本发明的要点是在感应线圈里通过电磁感应产生电动势,电磁感应通过改变闭合磁路的通量的方向产生,而闭合磁路的通量则通过施加一个交变电压到磁化线圈,并通过改变由闭合磁路里的通量的方向改变而诱导的开放磁路的通量而产生。
效应:
在上述配置里,本发明涉及的静态磁体发电机包括,一个由永磁体和一个闭合磁路构成的第一磁芯,第二磁芯由经过一个顺磁材料的开放磁路构成,一个磁化线圈绕在第一个磁芯的只是组成闭合磁路的部分上,而一个感应线圈绕在第二磁路上。发电机设计成这样是为了在感应线圈里由电磁力产生电动势——通过改变第一个磁芯的通量的方向——通过施加交变电压到磁化线圈,并通过因第一个磁芯的通量的方向的改变而诱导的第二个磁芯的通量的改变。
这使得改变经由感应线圈的通量成为可能——无需产生扭矩的装置或其它移动件,并在感应线圈里通过电磁感应产生电动势,从而能够发电而不引起振动或噪音。这种发电机也可以小型化并制成廉价的。
本发明的其它的特点和优势将通过下面的描述和附图加以明确。
附图概述
本发明更完整的判断和许多伴随的优点将很容易获得,因为同样的内容,当连同附图考虑时,通过参考下面的详述变得更好理解了,其中:

图.1表示一台所涉及本发明的、有着开放磁路的静态永磁发电机的基本构造。

图.2表现了通常存在于磁化线圈中的磁通是怎样与永磁的方向相反的。

图.3表现了通常从磁化线圈里的一个在方向上与永磁相反的磁通是如何不复存在的。

图.4表现了通常存在于磁化线圈里的磁通是如何与永磁的方向相同的。

图.5是涉及本发明的静态磁铁发电机的第一个实施例。

图.6是涉及本发明的静态磁铁发电机的第二个实施例。

图.7是涉及本发明的静态磁铁发电机的第三个实施例。

图.8是涉及本发明的静态磁铁发电机的第四个实施例。

图.9是有着开放磁路的第五个实施例。

图.10是涉及本发明的、具有闭合磁路的静态磁铁发电机的基本构造。

图.11是涉及本发明的、具有闭合磁路的静态磁铁发电机的第一个实施例。
优选实施的说明
现在参见附图,其中相同的标号在所有不同的视图中表示相同或对应的部件,更具体到图.1,这里绘制出一台有着一个永磁的静态磁铁发电机的基本结构。图.2、图.3和图.4描述了静态磁铁发电机是如何在图.1中发电的。

如图中所示,构成的第一个磁芯2与永磁1耦合,而永磁1的不同的极以环状方式形成一个闭合磁路。这个闭合磁路于是装备上10微米到5毫米厚的顺磁材料的第二个磁芯3。这导致在一个开放磁路的结构中,由永磁1、第一个磁芯2的一部份、顺磁材料和第二个磁芯3组成。第一个磁芯2的只是闭合磁路的组成部分被用一个磁化线圈4绕着。第二个磁心3于是用感应线圈5缠绕,旨在通过电磁感应产生电动势。
这里,永磁1是一种具有高剩余磁通密度的磁铁,有很大的矫顽力,和一个很大的最大值磁能作为更高的发电效率。这里所用的典型材料是钕铁硼磁铁(Nd2Fe14B)、钐钴磁铁(Sm2Co17)、或钐铁氮(Sm2Fe17N2)。
第一个磁芯2和第二个磁芯3是用软磁材料制成的,有着很高的导磁率,并带有高起始、最大值、和其它的渗透率、高剩余磁通密度和饱和磁化,以及很小的抗磁力,从而使发电磁路的通量的得以有效利用。
适当的顺磁材料是那些具有特定的磁导率,可与那些真空的相媲美的材料,如空气、铜、和铝。当空气被用作顺磁材料时,即,当间隙G固定在第一磁芯2和第二磁芯3之间时,第二磁芯3是以固体顺磁材料被纳入的。图解表示带有间隙G的实施没有旨在纳入第二磁芯3的固体顺磁材料。
下面是上述配置的静态磁铁发电机是如何发电的描述。首先,当没有电压施加到静态永磁发电机的磁化线圈4时,在第一个磁芯2里形成的首个磁通11在方向上是从永磁1的N极到S极的。在这种状态下,在第二磁芯3里没有形成经由间隙G耦合的磁通。

电压可以用下述三种方式施加到磁化线圈4。在第一个电压的应用中,如图.2中所示,直流电压Vs施加到磁化线圈4, 方向上为电压排斥的永久磁铁1生成的第一个磁芯2的最先的磁通11,反之亦然,即,以这样的方式,第二个磁通12与第一个磁通11的方向相反。结果,第一个磁通11排斥第二个磁通12,反之亦然,这样,磁通更容易从闭合磁路泄漏。更容易从闭合磁路泄漏的第一磁通11和第二磁通12跳过间隙G再进入第二个磁芯3,使得在第二个磁芯3里诱导出第三个磁通13。此外,这第三磁通13的感应改变穿过感应线圈5的磁通,以在感应线圈5中产生电动势V1,从而产生能量。

下一步,除去施加到磁化线圈4的直流电压,促使第一磁芯2去尝试回到只有第一磁通11形成的状态,如图.1中所示。此时,第二磁芯3的磁通与第三磁通13的方向相反,即,图.3中所示的第四磁通14,是为了抵消第三磁通13的。然后,第四磁通14的感应改变通过感应线圈5的磁通,以使感应线圈5中产生电动势V2,致使产生能量。
能量的产生在这个第一电压的应用中可以通过涉及本发明中的静态磁体发电机实现,直流电源施加直流电压Vs给磁化线圈4,而切换电路转换直流电源开或关。如果有半导体开关装置,如晶闸管,就可以做一个无触点开关电路。
第二电压的应用与第一电压应用相同,直达第三磁通13在第二磁芯3中被感应的那个点——通过施加直流电压Vs到磁化线圈4,以产生方向上与第一磁通11相反的第二磁通12,而此处第三磁通13被诱导,在感应线圈5中产生电动势V1,从而产生能量。

接着,改变施加到磁化线圈4的直流电压的极性,通过永磁1在第一磁芯2里产生第一磁通11,以及由磁化线圈4引起的、与第一磁通同方向的第五磁通15。这里,第一磁通11得到第五磁通15,使得第二磁芯3得到第四磁通14,如图.4所示,以及第六磁通16在方向上与第四磁通14相同。此外,诱导的第四磁通14和第六磁通16改变穿过感应线圈5的磁通,以使电动势V3大于在旋转线圈中产生的电动势V2,以产生能量。
这个第二个电压的应用需要一个极性切换电路PSC,改变直流电压的极性,而不是在第一个电压应用中,开关电路转换导通和关闭施加到磁化线圈4的直流电压。这个极性转换电路可以用半导体开关器件做成,类似于第一个电压应用中的开关电路。
在第三个电压的应用中,被施加到磁化线圈4是交流电压Vs,而不是在第二个有着极性转换的电压应用里的施加直流电压到磁化线圈4。通过施加交流电压到磁化线圈4产生的磁通变为交变磁通,在图.2中的第二磁通12和图.4中的第五磁通15之间交替。于是,当产生第二磁通12时,第二磁芯3中感应的磁通是图.2中的第三磁通13,而当产生第五磁通15时,第四磁通14正试图抵消图.4中的第六磁通16和第三磁通19。即,在第二磁芯3中感应的磁通自然也变为交变磁通。
在这个第三个电压应用的发电中,交流电压施加到磁化线圈4,解决了需要开关电路或极性切换电路PSC的问题,这是在第一和第二电压应用中所需的,从而简化了设备。此外,第一磁芯2和第二磁芯3感应的磁通由交流电压诱导变成一个交变磁通,从而使发电机兼具变压器的作用——在第一磁芯2和第二磁芯3之间具有间隙G。由此可以通过在感应线圈5中的电磁感应进一步提高产生的电动势V。接着,是说明涉及本发明的静态磁铁发电机的发电效率。静态磁铁发电机可以被看作是一个变压器——如果它的永久磁铁1被移除,并有一个间隙G。
由于线圈的电阻,变压器必定有磁芯的涡流损耗We和磁滞损耗Wh、以及剩余损耗Wr。这些因素的相关公式如下:
总损耗 W1 = We + Wh + Wr . . . . . . . . .(1)
让输入为Win而输出为Wo,而Win变得等于总磁损,使得变压器的转换效率为
Eff = Wo / Win = Wo (We+ Wh + Wr) < 1 . . . . . . . . (2)
现实中,图.1里,闭合磁路由含有永磁1的第一磁芯2组成。这个永磁1的磁通因此促使能量产生。由此,图.1中,让输入为Win2而输出为Wo2,则
Wo2 = Wp + αWin2 . . . . . . . (3)
式中Wp表示功率产生于永磁1的磁通促使能量产生,而α表示当装置被当成具有间隙G的变压器时获得的转换效率。
因此,发电效率是:
Eff = Wo2 / Win2 或
Eff = (Wp / Win2) + α . . . . . . . (4)
这里,由于α<1,如果Wp / Win2>1,即,如果由永磁1的磁通而获得的能量促使能量的产生大于发电机供应到磁化线圈4的电源,发电效率变得不少于1,以使装置能显示其作为一台发电机的性能。
因此,发明人验证了下述永磁1的磁通有多少有助于图.2中的第三磁通13的感应。首先,发明人在图.1中标示了静态磁铁发电机的基本结构,一个带有永磁体1,而另一个则没有永磁体铁1。发明者于是比较各实施例的第二磁芯3诱导相等磁通密度的磁通所需的功率位准,即,提供给磁化线圈4的功率电平。结果,一个有着永磁1的实施例只需要提供非常少的功率电平给磁化线圈4。据观察,所需的功率电平不超过无永磁1的实施例的四十分之一,具体取决于测试条件。
在有关本发明的静态永磁发电机中,由此,Win2可以使其充分小于Wp,使得发明者认为有可能使Wp / Win2>1。
实施 1
下一步,作为第一实施例,静态磁铁发电机系统由两个静态永磁发电机组成,其基本结构的描述基于图.5。

图.5A里,在静态磁体发电机中,两个永磁体1和两个第一磁芯2的结构构成一个封闭磁路,以耦合永磁体1的不同的极——这个永磁体还以环状方式有着另一个永磁体1。这个闭合磁路于是通过间隙G配备上第二磁芯3。这样便形成了由永磁1、第一磁芯2的一部份、顺磁材料和第二磁芯3组成的开放磁路。

这个开放磁路可以用两种不同的方式配置。一种设置里,如图.5A所示,开放磁路可用两个永磁1和两个第二磁芯3构成。另一种设置如图.5B所示,开放磁路可用一个永磁体1构成,而另一个可用第一磁芯2构成。图.5A和图.5B里的静态磁铁发电机在作用效果上来说没有明显不同,除了它们构成这种开放磁路的样式上的差别。
仅形成每个第一磁芯2的封闭磁路的部分用磁化线圈4缠绕着。每个第二磁芯3于是用感应线圈5缠绕,它是通过电磁感应而产生电动势的。
这个静态磁铁发电机在第一芯2中形成第一磁通11,方向从永磁1的北极到南极,没有施加到磁化线圈4的电压。此外,这个发电机施加电压到磁化线圈4并通过电磁感应在感应线圈5中产生电动势的作用,与基本配置的静态磁铁发电机相似。如上面提到的、有着两个永磁1的静态磁铁发电机与上文提到的两个永久磁铁1具有均衡的磁路。由于永磁1的磁通可以有效利用,该实施例比基本配置的静态磁铁发电机实现了更高的发电效率。
第一个实施例是基本设置的两个静态磁铁发电机的组成的静态磁铁发电机系统。同样地,静态磁铁发电机系统可以做成基本结构的三个或更多个静态磁铁发电机的组合(图.1到图.4)。在那种情况下,类似于第一实施例,可以以两种方式形成一个开放磁路。一个配置是通过所有永磁体1与第二磁芯3耦合形成一个开放的磁路。另一个是通过将每个永磁体1的北极与第二磁芯3的南极耦合,形成与永磁体一样多的开放磁路。
实施 2
接着,本发明的第二个实施例如图.6所示。

第三个实施例在图.7。

而第四个实施例在图.8。

在这些实施例中,施加电压到磁化线圈4并通过电磁感应在感应线圈5中产生电动势的作用与基本设置的静态磁铁发电机类似(图.1至图.4)。
除了在每一个实施例中的第一磁芯2的形状相当不同外,在图.6和图.7中表现的第二和第三个实施例具有与第一实施例相同的基本结构。
在第二实施例中,相对于第二磁芯3的端部的部分向着第二磁芯3的端部突出。因此,漏磁通由于第一磁通11和在第一磁芯2中产生的第二磁通12的相斥而跳越过间隙G,并且更容易进入第二磁芯3。
实施 3
第三实施例是这样设计的,与第二磁芯3耦合的部分是第一磁芯2的那个部分,是最靠近永磁1的,并且,为了缩短开放磁路,甚至进一步,两个永磁1彼此贴近。由于磁通往往以最短距离形成一个封闭磁路,漏磁通由于第一磁通11和在第一磁芯2中产生的第二磁通12的相斥而跳越过间隙G,并且进入第二磁芯3要更容易得多。
实施 4
图.8所示的第四个实施例中,与基本配置的静态磁铁发电机相反,其组成包括带有多个闭合磁路以同向导向的磁通循环配置的永磁1的第一个回路,和以磁化线圈4绕制并安装在第一回路内的第二个回路。此外,组件以其第一个磁芯2耦合第一个回路到第二个,它们相互相向突出,跨过一个规定的间隙。第一磁芯2突出的部分与第二磁芯3经由间隙G耦合在一起,以形成一个开放的磁路。这强化了永磁1的磁通,并使得它由于在第一磁芯2里生成的排斥而使漏磁通更容易跳跃过间隙G,而进入第二磁芯3。
实施 5
本发明有关的静态磁铁发电机的结构迄今已在实施例中做过描述,即一个开放磁路被连接到第一磁芯2,经由一个顺磁材料在第二磁芯3的两端。不过,本发明并不仅限于这些实施例。

即,如图.9所示,开放磁路可通过延伸第一磁芯2的任意两个部分来体现——方向上互相靠近,从而定义它们作为磁心扩展6,并经由顺磁材料6'耦合这些磁心扩展6。这个实施例可适用于上述所有的实施方案。
实施 6

如图.10所示,闭合磁路由永磁1和第一磁芯2组成成形,以用环状方式耦合所述永磁1的不同的极。这个封闭磁路于是用第二磁芯3装备,使得它达成与永磁1的磁力是平行的,从而使旁路闭合磁路由永磁1、第一磁芯2的一部份、和第二磁芯3组成。
只是第一磁芯2的闭合磁路的组成部分被用磁化线圈4缠绕着。第二磁芯3于是用感应线圈5缠绕,旨在通过电磁感应产生电动势。
上述结构的静态磁铁发电机产生功率的作用说明如下。首先,当没有电压施加到静态磁铁发电机的磁化线圈4时,第一磁芯2形成了一个方向从永磁1的北极到南极的第一磁通11。在这种状态下,磁通也与产生在第二磁通3里的类似。
实施 7
根据下面的图.11说明第七个实施例,静态磁铁发电机系统由两个基本配置的静态磁铁的发电机和以永磁的相对位置的改变而构成。

在静态磁铁发电机中,闭合磁路由两个永磁1和两个第一磁芯2组成,旨在以另一个永磁1以环状的方式耦合永磁1的其中一个的不同的极。这个闭合磁路于是用第二磁芯3装备。这导致旁路闭合磁路结构由一个永磁1、第一磁芯2的一部分、顺磁材料、和第二磁芯3组成。
每个第一磁芯2的仅仅是形成闭合磁路的部分被用磁化线圈4缠绕着。每个第二磁芯3于是用感应线圈5缠绕,旨在通过电磁感应产生电动势。
在这个静态磁铁发电机中,没有电压被施加到磁化线圈4,第一磁通11在第一磁芯2里形成,方向为从永磁1的北极到南极。施加电压到磁化线圈4并通过电磁感应在感应线圈5中产生电动势来发电的作用是与基本配置的静态磁铁发电机相似的。
在上述静态磁铁发电机中,结合两个永磁1,磁径以均衡的方式配置。这样就有可能有效利用永磁1的通量,使得发电效能高于基本结构的静态磁铁发电机。
上一篇
瓦列里·伊万诺夫的静态发电机
下一篇
史蒂芬·里本电路
上一篇:瓦列里·伊万诺夫的静态发电机
下一篇:史蒂芬·里本电路