基于磁通的开关
本帖最后由 能量海 于 2017-1-21 18:11 编辑
第三章:静脉冲系统
基于磁通的开关
然而,非常有趣的是,安尼斯和埃伯利有另一个完全不同的专利申请,去有着相同的公布日期和相同的号码。我完全看不出怎么会这样,但这里那个其它专利申请的主要部分(原文在附录)。
概要
在一台发电机里,至少有一个永磁体产生磁通和一个可磁化的部件形成单磁通路径。一个导电线圈绕着可磁化部件,以及多个磁通开关次第施行反转从磁铁通过构件的磁通,从而在线圈中诱导电流。“8字花”结构由两个可磁化材料的连续回路组成——两者共享一个公有的可磁化组件给两个回路。一种替代的设置使用层叠回路和一个单独的一块材料充当可磁化组件。磁体的一端连接到其中一个回路,用另一端连接到另一个回路。每个回路还包括两个运行在一个2×2序列中的通量开关,以次第翻转磁通穿过可磁化组件。相当少的电功率用于控制由切换交替路径之间产生的永磁的磁通。从切换磁通产生的功率收益实际上比输入开关所需的功率大得多。
描述
本发明的领域
本发明一般地涉及能量产生和——尤其是——方法和装置,其中磁通量通过磁通路径切换而发电。
本发明的背景
磁通量可以存在于“自由空间”里,在自由空间的具有磁特性的材料里,并在有着导磁性能的材料里。磁传导材料中的磁传导程度通常以B-H磁滞曲线、用磁化曲线、或两者都用来表示。
现在永磁可以由具有高矫顽磁性的(Hc)、高磁通密度的(Br)、高磁动势的(mmf)、高最大能量积的(BHmax),磁场强度随时间的推移没有显著衰减的材料组成。一个例子是德国VAC公司的钕铁硼永磁体,具有1,079,000安培/米的Hc、1.427特斯拉的Br,mmf 范围高达575,000安培匝、以及392,000焦耳/立方米的BHmax。
据默斯科维茨1995年的《永磁设计与应用手册》的第52页,磁通可以被认为总是成直角离开和进入铁磁材料表面的通量线,它从不能实现准确的直角转弯,它只在笔直的或弯曲的路径里移动,它遵循的是最短的距离,并且它按照最低磁阻(抗磁动势)的路径行进。
自由空间对于磁通呈现出高磁阻的路径。有许多材料具有类似于自由空间的磁特性的。有别的材料为磁通提供一个低、或较低磁阻的路径,而就是这些材料通常包含一个界定的和可控的磁径。
现在有了磁回路内用作磁径的高性能磁性材料,且具有涡流最小值而非常适合用于磁通的(快速)切换。某些这些材料是高度非线性的,并以材料内的磁通(B)的强健生成对一个“小的”施加磁动势(mmf)作出响应。这种材料的磁化曲线显示出一个很高的相对磁导率(ur),直到达到“曲线的拐点”为止,在此,随着达到磁饱和(Bs),点ur迅速降低趋于一。
一些这些非线性的、高性能的磁性材料由于其B-H磁滞曲线的形状而被称为“正方形”。一个例子是由日本的日立制作的FINEMET® FT-3H纳米芯材。其它例子包括Superperm49、Superperm80、镍铁钼超导磁合金、SuperSquare80、Square50和铁钴钒磁性合金材料,这些均可从美国的磁性金属公司购得。
“磁阻开关”是一种装置或手段,可以显著增加或减少(通常是增加)磁路的磁阻。理想的是以直接和和迅速的方式完成,同时允许随后恢复到以前(通常较低)的磁阻,同样也是以直接和迅速的方式。磁阻开关通常有模拟的特征。通过对比的方法,断开/导通电开关通常具有数字特征——由于没有电“渗滤”。然而,以技术领域的当前状态,磁阻开关会有某种磁通“渗滤”。磁阻开关可以机械地实现——例如,使衔铁动作以产生一个空隙——或通过其它不同方式电气地实现。
一个电磁阻开关是用一个控制线圈、或绕着磁路缠绕的线圈、或影响磁径的子部件来实现的。美国海军出版社,《海军电工电子系列,第8单元——放大器简介》,1998年九月,3-64页到3-66页,描述了如何用这种手段通过改变整个主磁路的磁阻来调制的交流电流,其中一个是用在饱和电抗器中,而另一个在磁放大器中。弗林,美国专利号6246561;帕特里克等人,美国专利号6,362,718;彼得森,美国专利号6946938;马歇尔,和美国专利申请2005/01256702-A1;它们都披露了利用这种类型的磁阻开关从固定的永磁或磁体切换磁通来发电(和/或生成原动力)的方法和设备。
实施磁阻开关的另一种电气手段是在主磁径内放置中某类材料,在实际用电时改变(通常增加)其磁阻。实施磁阻开关的另一个电气手段是通过嵌入导电线到材料中组成主磁路的材料,使主磁路的一个分区饱和。2005年10月,41卷第10号,在“电气电子工程师学会”会报的关于磁学中,康拉德和布鲁尼在《虚拟空气间隙长度计算方法改进》里描述了这样一种技术。
另一个描述实施磁阻开关的电气手段是保加利亚的瓦列里•伊万诺夫,其网站在 www.inkomp-delta.com,如图.1所示。电环110插入主磁路(100),这样,主磁径分为两个子路径110A和110B。主磁路100中的净磁通缩减效应由两个子路径110A和110B中影响的结合而引起的,每一个均产生于不同的物理原理。在第一个子路径110A里,通过施加电流至绕组110而生成的磁通绕环形路径110相抵并减少从磁通103部分接收的来自主磁路100而得到的减小的磁通,这同样通过减小在子路径110A里的相对磁导率而被进一步降低,从而提高了子路径的磁阻。在第二个子路径110B中,通过施加电流至环形绕组111产生的磁通添加到从主磁路100接收的磁通103的部分得到收益得到一个增加的净磁通,接近或超过材料的磁化曲线的拐点,从而降低其相对磁导率并增加其磁阻。
发明摘要
本发明本发明涉及的方法和装置的磁通被切换到两个方向和强度,通过磁通路径以产生电力。该装置大致至少包括一个永磁产生的磁通、一个可磁化部件形成的磁通路径、一条缠绕着可磁化部件的电导线,以及一个多重磁通开关运行以次第翻转来自磁体的磁通流经组件,从而诱导线圈中的电流。
优选的实施包括可磁化材料的第一个和第二个回路。第一个回路有四段,按顺序为A、1、B、2,而第二个回路有四段,按顺序为C、3、D、4。可磁化组件耦合段2和4,而永磁耦合段1和3,这样磁铁的磁通流过段A、B、C、D和可磁化组件。提供了四个磁通开关,每一个都控制着磁通穿过各自的段A、B、C、D。控制器用于以交替次序触发切换A—D和B—C,从而翻转通过各段的磁通并在电导线里诱导电流。流经各段A、B、C、D中的磁通大体上是切换动作前流经可磁化组件的一半。
循环和磁化组件最好由纳米晶体材料组成,它大致呈现为正方形的BH特性曲线。每个磁通开关对它所控制的段增加了磁通量,从而在激活时磁饱和那个段。要实现切换,每个段可以具有一个通过它而形成的孔隙和一个导线缠绕该段一部分的线圈,并穿过这个孔隙。控制器至少可以在最初以电流尖峰对驱动开关线圈起作用。
第一和第二回路的形状可以是环形的,并且回路可以彼此隔开,以A相对于C,而1相对3,以及以B相对于D和2相对4。在这种情况下,可磁化组件最好是一种材料的单独件。或者,第一和第二回路可以形成一个“8字花”的形状,用两个回路相交以形成可磁化组件。
永磁体和材料构成磁路最好是相称的,使得通过公共段的材料在导电输出线圈通电前是在——或略低于其最大相对磁导率。在优选的实施中,由切换磁通产生的功率收益比输入给开关所需的功率大得多。
图示简介
图.1是现有技术磁阻开关的图,是以电环插入到主磁路的形式;
图.2是根据本发明的磁阻开关的细节图;
图.3A和图.3B是根据本发明使用四个磁阻开关的详细示图说明;
图.4描述了本发明的一个优选实施;
图.5是根据本发明通过拆分叠片实施的另一种磁阻开关的详图;
图.6A和图.6B显示了根据本发明的能量生成器的运行;
图.7A是一个优选的能量发生器构造的分解图;
图.7B是在图.7A所示的结构的侧视图;
图.8是用于模拟本发明的装置中的组件的简化的示意图;
图.9A是显示电流输送到模拟的一对磁通开关的示图;
图.9B是显示电流输送到模拟的另一组磁通开关的示图;
图.10显示了这里所示的模拟输出;而
图.11是适用于本发明的控制器的框图。
本发明详述
图.2是根据本发明的一个磁阻开关的细节图。磁阻开关包括以下组件:闭合磁路110由高性能的磁性材料(最好是非线性材料,接近饱和时呈现出“尖锐的拐点”),它周围缠绕的是线圈111。闭合磁路110与主磁路100共享公共部分101,其中磁通103是由一个永磁诱导的(随后的附图所示)。施加到绕组111的电流具有极性和足够的电流强度,使得在开关110的路径中产生的磁通从永磁体添加到磁通103,使得主路径110接近或达到磁饱和。
图.3A和图.3B是装置的细节图,根据本发明用了四个磁阻开关,一定程度上类似于公布的美国专利申请,序列号11/735,746,名为“发电装置利用单磁通路径”,其全部内容在此引入作为参考。于此和此中描述的所有实施例中,闭合磁路的几何形状可以是圆形(环形)、矩形、或任何其它闭合路径的形状。主路径304承载来自永磁302的单向磁通。磁通开关对310A/E和310B/D被以交替的方式激活,以翻转在可磁化部件304C里的磁通,从而在绕组330的中感应电流。图.3A显示在一个方向上的磁通流,而图.3B显示了它的翻转。
在图.3A中,开关310A和310E控制器320通过与开关上的绕组——如通过导体322到绕组324——以电通信的方式被激活。开关310A和310E里的补充通量是用存在于段304A和304E的磁通添加的,从而饱和这些路径,导致磁通穿过段304C——按照图示的方向。 在图.3B里,开关310B和310D被激活,饱和段304B和304D,并翻转磁流。
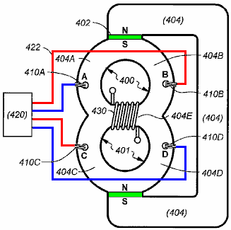
图.4是描绘本发明的一个实施例的图示,用圆环400、401和多个永磁体402、403列于主路径404中。这两个环形400、401相交,构成可磁化组件404E。线圈430被缠绕在构件404E上,如图所示。
在主磁路404与回路400的上端和回路401的下端互相连接。磁铁之一的402,耦合主磁路404的一端到第一回路400,而另一个,403,耦合主磁路404的另一端到第二回路401。
于此,以及所有在这里描述的实施例中,永磁都很强,稀土类磁体,任何长度(厚度)的多个磁体可以在每种情况下使用。另外,在所有实施中,回路、主磁路和/或可磁化组件最好用高磁导率材料制作,如购自日立的纳米晶体软磁材料FINEMET FT-3H。本发明并不局限于这个方面,不管怎样,作为代用材料,包括层压材料,也可以使用。主磁路404到两个回路400、401的连接创建了除了可磁化组件404E之外的四个段,这四个区段包括两个相对的段A、B,在第一回路里的磁铁402的任意一侧上,和两个相对的段C、D,在第二回路里的403磁体的任意一侧上。
提供四个磁通开关,每个起作用以控制磁通穿过四个段中的相应的一个。控制器420用于激活开关相关的段A和D,然后是B和C,交替轮流,从而翻转磁通通过组件404E,因此,在线圈430里诱导电流。
可以穿过四个段的每一个构成孔隙,以切换通过线圈410A到410D来实现,它穿过各孔隙并围绕着各段的外(或内)部。如图.5所示,如果回路为叠层材料502,叠片可以在506分开以纳入线圈504。线圈所包围部分的百分比可以根据所用的材料、呈现到线圈的波形、和其它因素而不同,其目标是通过相关联的开的激活,以磁饱和每个段,从而翻转磁通穿过路径404E。
图.6A和图.6B显示的是图.4的装置的运行。主路径404承载来自永磁402和403的单向磁通。磁阻开关410A至410D被交替激活,以翻转段404E里的磁通,反过来,在绕组430里感应电流。图.6A显示一个方向上的磁通流,而图.6B显示其流动的方向相反。
图.6A中,开关410A和410D是由控制器420用与开关上的绕组进行电子通信的方式而被激活的,如通过导体422到开关410B。通过开关410A和410D提供磁通,从而饱和这些路径,使磁通以所示方向通过段404C。在图.6B中,开关410B和310C被激活,饱和段404B和404D,从而翻转磁通通过路径404E。
图.7A描绘了一个在图.4、图.6A和图.6B中所描绘的装置的一个优选结构。回路400号和401被实现为完整的环形700、701。这很重要,因为首选的高性能磁性材料是目前市面上的是这种规格形状的。要注意的是,在这种情况下,弧形的槽,例如770是穿过每个磁环的侧面形成的,以实现磁通切换A到D。本实施中的可磁化构件是用材料块704实现的,首选用相同的高性能磁性材料制作回路400、401。永磁702,在702所示,首选用与块704有相同长度的,使能与各个构成部件固定压缩在一起,如图.7B所示。
以下部分总结了一些优选实施的重要特征:
就材料而言,该装置得益于使用纳米晶体材料,材料有着“方形”BH特性曲线、高Br(剩磁)——约为其Bs(饱和度)的80%、低Hc(矫顽力)、和快速的磁响应时间以达到饱和。一个例子是日本日立的FINEMET FT-3H,它有着1.0特斯拉的Br,1.21特斯拉的Bs(饱和度),2微秒至饱和(Bs)的时间,而Hc为0.6安培匝/米。
现代所用的永磁体有着方形BH特性曲线,Br在1.0特斯拉或以上的范围内,并且高Hc,范围在800,000安培-匝/米或更高。一个例子是德国的VAC公司的钕铁硼磁铁,它有着1.427特斯拉的Br,而Hc为1,079,000安-匝/米。
一个重要的考虑是磁体与纳米晶体材料的匹配,即在特斯拉等级评估,也在横截面面积。磁铁的Br应低于纳米晶体材料的Bs。如果磁体对于纳米晶体材料来说太“强”,这可能会导致纳米晶体材料在与磁体的接触面积上达到饱和。
电流驱动磁阻开关在规定的2×2序列中应该在每个脉冲的前沿(Tr)有一个急剧的上升,脉冲具有脉冲宽度(Pw)和电流值,并持续到脉冲宽(Tf)的末端释放。下表显示了输入电流脉冲上升时间(Tr)在输出上的影响。存在着一个Tr的窄频带,在它之前是小功率输出,于此有优异的功率输出,而COP在200到400的范围内或更大,而此后,功率输出没有大的增加。这种装置的COP在以开关作为“输出功率/驱动动力”时没有界定耦合电路。
第三章:静脉冲系统
基于磁通的开关
然而,非常有趣的是,安尼斯和埃伯利有另一个完全不同的专利申请,去有着相同的公布日期和相同的号码。我完全看不出怎么会这样,但这里那个其它专利申请的主要部分(原文在附录)。
能量产生的装置和方法
基于磁通的开关
概要
在一台发电机里,至少有一个永磁体产生磁通和一个可磁化的部件形成单磁通路径。一个导电线圈绕着可磁化部件,以及多个磁通开关次第施行反转从磁铁通过构件的磁通,从而在线圈中诱导电流。“8字花”结构由两个可磁化材料的连续回路组成——两者共享一个公有的可磁化组件给两个回路。一种替代的设置使用层叠回路和一个单独的一块材料充当可磁化组件。磁体的一端连接到其中一个回路,用另一端连接到另一个回路。每个回路还包括两个运行在一个2×2序列中的通量开关,以次第翻转磁通穿过可磁化组件。相当少的电功率用于控制由切换交替路径之间产生的永磁的磁通。从切换磁通产生的功率收益实际上比输入开关所需的功率大得多。
描述
本发明的领域
本发明一般地涉及能量产生和——尤其是——方法和装置,其中磁通量通过磁通路径切换而发电。
本发明的背景
磁通量可以存在于“自由空间”里,在自由空间的具有磁特性的材料里,并在有着导磁性能的材料里。磁传导材料中的磁传导程度通常以B-H磁滞曲线、用磁化曲线、或两者都用来表示。
现在永磁可以由具有高矫顽磁性的(Hc)、高磁通密度的(Br)、高磁动势的(mmf)、高最大能量积的(BHmax),磁场强度随时间的推移没有显著衰减的材料组成。一个例子是德国VAC公司的钕铁硼永磁体,具有1,079,000安培/米的Hc、1.427特斯拉的Br,mmf 范围高达575,000安培匝、以及392,000焦耳/立方米的BHmax。
据默斯科维茨1995年的《永磁设计与应用手册》的第52页,磁通可以被认为总是成直角离开和进入铁磁材料表面的通量线,它从不能实现准确的直角转弯,它只在笔直的或弯曲的路径里移动,它遵循的是最短的距离,并且它按照最低磁阻(抗磁动势)的路径行进。
自由空间对于磁通呈现出高磁阻的路径。有许多材料具有类似于自由空间的磁特性的。有别的材料为磁通提供一个低、或较低磁阻的路径,而就是这些材料通常包含一个界定的和可控的磁径。
现在有了磁回路内用作磁径的高性能磁性材料,且具有涡流最小值而非常适合用于磁通的(快速)切换。某些这些材料是高度非线性的,并以材料内的磁通(B)的强健生成对一个“小的”施加磁动势(mmf)作出响应。这种材料的磁化曲线显示出一个很高的相对磁导率(ur),直到达到“曲线的拐点”为止,在此,随着达到磁饱和(Bs),点ur迅速降低趋于一。
一些这些非线性的、高性能的磁性材料由于其B-H磁滞曲线的形状而被称为“正方形”。一个例子是由日本的日立制作的FINEMET® FT-3H纳米芯材。其它例子包括Superperm49、Superperm80、镍铁钼超导磁合金、SuperSquare80、Square50和铁钴钒磁性合金材料,这些均可从美国的磁性金属公司购得。
“磁阻开关”是一种装置或手段,可以显著增加或减少(通常是增加)磁路的磁阻。理想的是以直接和和迅速的方式完成,同时允许随后恢复到以前(通常较低)的磁阻,同样也是以直接和迅速的方式。磁阻开关通常有模拟的特征。通过对比的方法,断开/导通电开关通常具有数字特征——由于没有电“渗滤”。然而,以技术领域的当前状态,磁阻开关会有某种磁通“渗滤”。磁阻开关可以机械地实现——例如,使衔铁动作以产生一个空隙——或通过其它不同方式电气地实现。
一个电磁阻开关是用一个控制线圈、或绕着磁路缠绕的线圈、或影响磁径的子部件来实现的。美国海军出版社,《海军电工电子系列,第8单元——放大器简介》,1998年九月,3-64页到3-66页,描述了如何用这种手段通过改变整个主磁路的磁阻来调制的交流电流,其中一个是用在饱和电抗器中,而另一个在磁放大器中。弗林,美国专利号6246561;帕特里克等人,美国专利号6,362,718;彼得森,美国专利号6946938;马歇尔,和美国专利申请2005/01256702-A1;它们都披露了利用这种类型的磁阻开关从固定的永磁或磁体切换磁通来发电(和/或生成原动力)的方法和设备。
实施磁阻开关的另一种电气手段是在主磁径内放置中某类材料,在实际用电时改变(通常增加)其磁阻。实施磁阻开关的另一个电气手段是通过嵌入导电线到材料中组成主磁路的材料,使主磁路的一个分区饱和。2005年10月,41卷第10号,在“电气电子工程师学会”会报的关于磁学中,康拉德和布鲁尼在《虚拟空气间隙长度计算方法改进》里描述了这样一种技术。

另一个描述实施磁阻开关的电气手段是保加利亚的瓦列里•伊万诺夫,其网站在 www.inkomp-delta.com,如图.1所示。电环110插入主磁路(100),这样,主磁径分为两个子路径110A和110B。主磁路100中的净磁通缩减效应由两个子路径110A和110B中影响的结合而引起的,每一个均产生于不同的物理原理。在第一个子路径110A里,通过施加电流至绕组110而生成的磁通绕环形路径110相抵并减少从磁通103部分接收的来自主磁路100而得到的减小的磁通,这同样通过减小在子路径110A里的相对磁导率而被进一步降低,从而提高了子路径的磁阻。在第二个子路径110B中,通过施加电流至环形绕组111产生的磁通添加到从主磁路100接收的磁通103的部分得到收益得到一个增加的净磁通,接近或超过材料的磁化曲线的拐点,从而降低其相对磁导率并增加其磁阻。
发明摘要
本发明本发明涉及的方法和装置的磁通被切换到两个方向和强度,通过磁通路径以产生电力。该装置大致至少包括一个永磁产生的磁通、一个可磁化部件形成的磁通路径、一条缠绕着可磁化部件的电导线,以及一个多重磁通开关运行以次第翻转来自磁体的磁通流经组件,从而诱导线圈中的电流。

优选的实施包括可磁化材料的第一个和第二个回路。第一个回路有四段,按顺序为A、1、B、2,而第二个回路有四段,按顺序为C、3、D、4。可磁化组件耦合段2和4,而永磁耦合段1和3,这样磁铁的磁通流过段A、B、C、D和可磁化组件。提供了四个磁通开关,每一个都控制着磁通穿过各自的段A、B、C、D。控制器用于以交替次序触发切换A—D和B—C,从而翻转通过各段的磁通并在电导线里诱导电流。流经各段A、B、C、D中的磁通大体上是切换动作前流经可磁化组件的一半。

循环和磁化组件最好由纳米晶体材料组成,它大致呈现为正方形的BH特性曲线。每个磁通开关对它所控制的段增加了磁通量,从而在激活时磁饱和那个段。要实现切换,每个段可以具有一个通过它而形成的孔隙和一个导线缠绕该段一部分的线圈,并穿过这个孔隙。控制器至少可以在最初以电流尖峰对驱动开关线圈起作用。
第一和第二回路的形状可以是环形的,并且回路可以彼此隔开,以A相对于C,而1相对3,以及以B相对于D和2相对4。在这种情况下,可磁化组件最好是一种材料的单独件。或者,第一和第二回路可以形成一个“8字花”的形状,用两个回路相交以形成可磁化组件。
永磁体和材料构成磁路最好是相称的,使得通过公共段的材料在导电输出线圈通电前是在——或略低于其最大相对磁导率。在优选的实施中,由切换磁通产生的功率收益比输入给开关所需的功率大得多。
图示简介
图.1是现有技术磁阻开关的图,是以电环插入到主磁路的形式;
图.2是根据本发明的磁阻开关的细节图;
图.3A和图.3B是根据本发明使用四个磁阻开关的详细示图说明;
图.4描述了本发明的一个优选实施;
图.5是根据本发明通过拆分叠片实施的另一种磁阻开关的详图;
图.6A和图.6B显示了根据本发明的能量生成器的运行;
图.7A是一个优选的能量发生器构造的分解图;
图.7B是在图.7A所示的结构的侧视图;
图.8是用于模拟本发明的装置中的组件的简化的示意图;
图.9A是显示电流输送到模拟的一对磁通开关的示图;
图.9B是显示电流输送到模拟的另一组磁通开关的示图;
图.10显示了这里所示的模拟输出;而
图.11是适用于本发明的控制器的框图。
本发明详述

图.2是根据本发明的一个磁阻开关的细节图。磁阻开关包括以下组件:闭合磁路110由高性能的磁性材料(最好是非线性材料,接近饱和时呈现出“尖锐的拐点”),它周围缠绕的是线圈111。闭合磁路110与主磁路100共享公共部分101,其中磁通103是由一个永磁诱导的(随后的附图所示)。施加到绕组111的电流具有极性和足够的电流强度,使得在开关110的路径中产生的磁通从永磁体添加到磁通103,使得主路径110接近或达到磁饱和。

图.3A和图.3B是装置的细节图,根据本发明用了四个磁阻开关,一定程度上类似于公布的美国专利申请,序列号11/735,746,名为“发电装置利用单磁通路径”,其全部内容在此引入作为参考。于此和此中描述的所有实施例中,闭合磁路的几何形状可以是圆形(环形)、矩形、或任何其它闭合路径的形状。主路径304承载来自永磁302的单向磁通。磁通开关对310A/E和310B/D被以交替的方式激活,以翻转在可磁化部件304C里的磁通,从而在绕组330的中感应电流。图.3A显示在一个方向上的磁通流,而图.3B显示了它的翻转。
在图.3A中,开关310A和310E控制器320通过与开关上的绕组——如通过导体322到绕组324——以电通信的方式被激活。开关310A和310E里的补充通量是用存在于段304A和304E的磁通添加的,从而饱和这些路径,导致磁通穿过段304C——按照图示的方向。 在图.3B里,开关310B和310D被激活,饱和段304B和304D,并翻转磁流。

图.4是描绘本发明的一个实施例的图示,用圆环400、401和多个永磁体402、403列于主路径404中。这两个环形400、401相交,构成可磁化组件404E。线圈430被缠绕在构件404E上,如图所示。
在主磁路404与回路400的上端和回路401的下端互相连接。磁铁之一的402,耦合主磁路404的一端到第一回路400,而另一个,403,耦合主磁路404的另一端到第二回路401。
于此,以及所有在这里描述的实施例中,永磁都很强,稀土类磁体,任何长度(厚度)的多个磁体可以在每种情况下使用。另外,在所有实施中,回路、主磁路和/或可磁化组件最好用高磁导率材料制作,如购自日立的纳米晶体软磁材料FINEMET FT-3H。本发明并不局限于这个方面,不管怎样,作为代用材料,包括层压材料,也可以使用。主磁路404到两个回路400、401的连接创建了除了可磁化组件404E之外的四个段,这四个区段包括两个相对的段A、B,在第一回路里的磁铁402的任意一侧上,和两个相对的段C、D,在第二回路里的403磁体的任意一侧上。
提供四个磁通开关,每个起作用以控制磁通穿过四个段中的相应的一个。控制器420用于激活开关相关的段A和D,然后是B和C,交替轮流,从而翻转磁通通过组件404E,因此,在线圈430里诱导电流。

可以穿过四个段的每一个构成孔隙,以切换通过线圈410A到410D来实现,它穿过各孔隙并围绕着各段的外(或内)部。如图.5所示,如果回路为叠层材料502,叠片可以在506分开以纳入线圈504。线圈所包围部分的百分比可以根据所用的材料、呈现到线圈的波形、和其它因素而不同,其目标是通过相关联的开的激活,以磁饱和每个段,从而翻转磁通穿过路径404E。

图.6A和图.6B显示的是图.4的装置的运行。主路径404承载来自永磁402和403的单向磁通。磁阻开关410A至410D被交替激活,以翻转段404E里的磁通,反过来,在绕组430里感应电流。图.6A显示一个方向上的磁通流,而图.6B显示其流动的方向相反。
图.6A中,开关410A和410D是由控制器420用与开关上的绕组进行电子通信的方式而被激活的,如通过导体422到开关410B。通过开关410A和410D提供磁通,从而饱和这些路径,使磁通以所示方向通过段404C。在图.6B中,开关410B和310C被激活,饱和段404B和404D,从而翻转磁通通过路径404E。

图.7A描绘了一个在图.4、图.6A和图.6B中所描绘的装置的一个优选结构。回路400号和401被实现为完整的环形700、701。这很重要,因为首选的高性能磁性材料是目前市面上的是这种规格形状的。要注意的是,在这种情况下,弧形的槽,例如770是穿过每个磁环的侧面形成的,以实现磁通切换A到D。本实施中的可磁化构件是用材料块704实现的,首选用相同的高性能磁性材料制作回路400、401。永磁702,在702所示,首选用与块704有相同长度的,使能与各个构成部件固定压缩在一起,如图.7B所示。
以下部分总结了一些优选实施的重要特征:
就材料而言,该装置得益于使用纳米晶体材料,材料有着“方形”BH特性曲线、高Br(剩磁)——约为其Bs(饱和度)的80%、低Hc(矫顽力)、和快速的磁响应时间以达到饱和。一个例子是日本日立的FINEMET FT-3H,它有着1.0特斯拉的Br,1.21特斯拉的Bs(饱和度),2微秒至饱和(Bs)的时间,而Hc为0.6安培匝/米。
现代所用的永磁体有着方形BH特性曲线,Br在1.0特斯拉或以上的范围内,并且高Hc,范围在800,000安培-匝/米或更高。一个例子是德国的VAC公司的钕铁硼磁铁,它有着1.427特斯拉的Br,而Hc为1,079,000安-匝/米。
一个重要的考虑是磁体与纳米晶体材料的匹配,即在特斯拉等级评估,也在横截面面积。磁铁的Br应低于纳米晶体材料的Bs。如果磁体对于纳米晶体材料来说太“强”,这可能会导致纳米晶体材料在与磁体的接触面积上达到饱和。
电流驱动磁阻开关在规定的2×2序列中应该在每个脉冲的前沿(Tr)有一个急剧的上升,脉冲具有脉冲宽度(Pw)和电流值,并持续到脉冲宽(Tf)的末端释放。下表显示了输入电流脉冲上升时间(Tr)在输出上的影响。存在着一个Tr的窄频带,在它之前是小功率输出,于此有优异的功率输出,而COP在200到400的范围内或更大,而此后,功率输出没有大的增加。这种装置的COP在以开关作为“输出功率/驱动动力”时没有界定耦合电路。

上一篇
安尼斯和埃伯利的固态磁致伸缩系统
下一篇
戴尔特马·韦尔Y形静态发电机概念
上一篇:安尼斯和埃伯利的固态磁致伸缩系统
下一篇:戴尔特马·韦尔Y形静态发电机概念